Система впрыска Моно-Джетроник
Замена, регулировка и настройка ДПДЗ (датчик положения дроссельной заслонки) на Mono-motronic и Mono-Jetronic(rus.) Фотоотчет.
Ремонт моторчика в регуляторе холостого хода (РХХ) Mono-Motronic и Mono-Jetronic (rus.) Фотоотчет
Ремонт ЭБУ (ECU) двигателя RP (Mono Jetronic), управление РХХ (rus.) Фотоотчет.
Ремонт датчика ХХ в регуляторе холостого хода (РХХ) Mono-Motronic и Mono-Jetronic (rus.) Фотоотчет
Ремонт регулятора холостого хода Mono-Jetronic / Motronic, доработанная версия (rus.) Фотоотчет
Обмерзание дроссельной заслонки на Mono-Jetroniс (rus.) Фото + решешение
Устройство ЭРД (электронного регулятора давления) (rus.) Фотоотчет.
Сервисное руководство по ремонту Mono-Jetronic (двиг. RP и 1F) и система зажигания TSZ-H (rus.)
VW Passat 1988-1996: Система впрыска Mono-Jetronic устройство, диагностика (rus.
VW Passat 1988-1996: Возможные неисправности системы впрыска Mono-Jetronic и их устранение (rus.)
VW Passat B3-B4: Моно впрыск Mono-Jetronic RP до 08/90 и Mono-Motronic AAM, ABS, ADZ, RP после 08/90 (rus.)
Руководство по ремонту систем впрыска топлива (rus.) Рассмотрены системы впрыска: Bosch KE-Jetronic, VAG Digijet, Bosch K-Jetronic, Bosch Mono-Jetronic, VAG Digifant, Bosch Motronic, Bosch KE- Motronic
Системы управления бензиновыми двигателями (Bosch) (rus.)
Книга содержит подробные описания систем управления бензиновым двигателем, дает представление о методах их диагностики,
а также о способах снижения токсичности отработавших газов. K-Jetronic, KE-Jetronic, Mono-Jetronic, Motronic. 73 Мб.
Система впрыска BOSCH «Mono-Jetronic», двигатель RP объемом 1,8
Control unit Mono-Jetronic (eng.) Схема блока управления Bosch Mono-Jetronic (eng.) Electronically Controlled Gasoline Fuel-Injection System With Lambda Closed Loop Control
Bosch technical instruction book.
Содержание: The Spark-Ignition Engines: The 4-stroke cycle, Fuel management, Adaption to operating conditions, Fuel-management systems. Mono-Jetronic Fuel-Injection System: System overview, Fuel delivery, Operating-data acquisition, Operation-data processing, Central injection unit, Power supply. Emissions Control: Exhaust-gas constituents, Catalytic after treatment. Engine-Management System Mono-Motronic: Injection subsystem, Ignition subsystem.
30 страниц. 20 Mb.
Схема электронного блока управления (ЭБУ) двигателем Mono-Jetronic (eng.)
Распиновка блоков управления впрыском автомобилей VAG (eng.)
Bosch Motronic, Bosch Mono-Jetronic, Bosch Mono-Motronic, VAG Digijet, VAG Digifant , Magnetti-Marelli, Simos, Bosch Digijet.
Mono-Jetronic, Konstruction und Funktion. Part1 (ger.) Принцип действия, устройство
Mono-Jetronic, Konstruction und Funktion. Part2 (ger.) Принцип действия, устройство
Как здесь найти нужную информацию?
Расшифровка заводской комплектации автомобиля (англ.
)
Расшифровка заводской комплектации VAG на русском!
Диагностика Фольксваген, Ауди, Шкода, Сеат, коды ошибок.
Если вы не нашли информацию по своему автомобилю — посмотрите ее на автомобили построенные на платформе вашего авто.
С большой долей вероятности информация по ремонту и обслуживанию подойдет и для Вашего авто.
джетроник — что это такое? Принцип работы Mono-Jetronic
Систему централизованного впрыска обычно относят к системе впрыска топлива бензин. двигателей. Функционирование данной системы основывается на процессе впрыска топлива единственной форсункой, которая расположена во впускном коллекторе ДВС.
Самой известной конструкцией системы централизованного впрыска это система Mono-Jetronic, которая была разработана немецкой компанией Bosch в 1974 году. Данная система нашла применение на автомобилях Audi и Volkswagen.
Как работает Mono-Jetronic?
Регулятором давления поддерживается постоянное давление в одну атмосферы в системе впрыска топлива.
Заметим также, что при помощи данного регулятора после процесса включения мотора сохраняется давление, препятствующее появлению воздушных пробок и делает легче процесс пуска двигателя.
Импульсный впрыск бензина обеспечивается центральной форсункой впрыска. Форсунка является по сути электромагнитным клапаном. Управление данного элемента выполняется при помощи ЭБУ.
Для процесса регулирования объёма воздуха была разработана дроссельная заслонка, имеющая два привода: электропривод и механический привод.
Электропривод заслонки предназначен для выравнивания холостого хода путём принудительного открытия заслонки.
Управление форсункой впрыска занимается ЭБУ и электропривод дросселя. ЭБУ состоит из блока памяти и процессора. В памяти помещена информация, которая связана с эталонной характеристикой впрыска.
Состояние работы ДВС фиксируется входными датчиками. Согласно показаниям положения дросселя и температуры воздуха происходит процесс расчёта объёма воздуха необходимого в системе впрыска.
Масса воздуха, который всасывается прямопропорционален температуре, следовательно, чем воздух является холоднее, тем более он будет тяжёлым. Возле центральной форсунки расположен датчик измерения температуры воздуха.
Устройство дроссельной заслонки позволяет каждому ее положению пропускать необходимую массу воздуха, причем, данный параметр фиксируется датчиком положения дросселя, который представляет собой потенциометр.
При возможном отказе работы датчика, отвечающего за температуру воздуха его работа будет дублироваться сигналом датчика температуры охлажд. жидкости.
Топливо впрыскивается основываясь на сигналах датчиков момента впрыска топлива.
В процессе работы мотора сигналы поступающие от датчиков в ЭБУ дают информацию о количестве воздуха и его температуре, в свою очередь, электронный блок определяет начало и время на которое будет открыта центральная форсунка. Затем бензин распыляется и смешивается с воздухом во впускном коллекторе. Таким образом происходит подача топливо-воздушной смеси в камеры сгорания ДВС.
Также данная система предусматривает стабилизацию оборотов холостого хода.
- < Назад
- Вперёд >
Mono jetronic — система ушедшая в историю систем питания
Приветствую вас, дорогие мои любители автодела! Продолжим цикл статей, посвящённых топливным системам современных машин. И сегодня пойдёт речь о технологии mono jetronic, которая, если позволите, стала первой ступенью перехода от карбюраторного механизма к ультрасовременным электронным инжекторам.
Говоря точнее, мы с вами попробуем разобраться с системой центрального впрыска, узнаем, что скрывается за словосочетанием mono jetronic и почему эта технология утратила свою популярность, несмотря на простоту и надёжность.
[contents]Как зарождался впрыск mono jetronic
Как вы уже знаете, в современных бензиновых моторах применяются системы впрыска горючего, которые пришли на смену старым карбюраторам. Они позволили двигателям стать более экологичными, экономичными и повысить их мощность.
Хотя данные технологии стали массовыми с конца 80-х – начала 90-х годов ХХ столетия, компания Bosch уже в 1975 году предложила рабочий вариант серийной инжекторной системы, которая, по сути, стала переходным звеном между карбюраторной эпохой и эрой впрыска.
Эта технология, относящаяся к системам центрального впрыска (моновпрыска), получила фирменное название Mono-Jetronic и стояла на вооружении у передовых автомобильных марок.
От истории перейдём к сути. Идея технологии центрального впрыска, заключается в том, что вместо карбюратора устанавливается форсунка, впрыскивающая во впускной коллектор мотора порции топлива по сигналу от блока управления. Стоит особо подчеркнуть – форсунка в данном случае используется одна на все цилиндры! Это и есть ключевое отличие моновпрыска от других инжекторных систем.
Давайте немного детальнее рассмотрим принцип работы описанной технологии на основе упомянутого Mono-Jetronic от Bosch.
Моновпрыск: легко и просто
Конструкция системы центрального впрыска топлива довольно проста.
В ней можно выделить несколько ключевых элементов:
- регулятор давления топлива;
- форсунка;
- дроссельная заслонка, имеющая как механический привод, так и управление при помощи сервопривода;
- датчики;
- электронный блок управления.
Регулятор давления
Роль регулятора давления заключается в поддержании давления в системе центрального впрыска, оно составляет не менее 0,1МПа. Так же этот регулятор сохраняет давление в системе при выключении двигателя. Это необходимо при заводке двигателя, чтобы система была мгновенно готова к работе.
Форсунка
Центральная форсунка обеспечивает впрыск топлива и представляет из себя электромагнитный клапан. Управление форсункой осуществляет электронный блока управления. Конструкция форсунки представляет из себя — сопло распылительное, запорный клапан с пружиной и соленоид (электромагнитная катушка).
Дроссельная заслонка
Регулирует объем поступающего воздуха. Дроссельная заслонка с двумя приводами.
Первый -механический, работает от педали газа.
Второй — электрический, этакой хитрый режим управления заслонкой, который включается во время холостого хода двигателя. При отпущенной педали газа, активируется сервопривод заслонки и поворачивает её на небольшой угол, благодаря чему поддерживаются стабильные обороты мотора.
Датчики
Входные датчики контролируют рабочее состояние двигателя. Их несколько: датчики температуры воздуха и охлаждающей жидкости, концентрации кислорода, положения дроссельной заслонки, сервопривода, момента впрыска и оборотов двигателя. Благодаря им, блок управления знает, сколько воздуха поступает в мотор, в каком режиме он находится и нажата ли педаль газа.
Все эти данные нужны, чтобы определить момент подачи топлива, а также его объём, в результате чего образуется воздушно-топливная смесь с оптимальным соотношением составляющих бензина и воздуха.
Электронный блок управления
Мозгом системы моновпрыска является, конечно же, электронный блок управления (ЭБУ).
Именно он, на основе имеющейся программы и поступающей информации от многочисленных датчиков, принимает решение об открытии форсунки и длительности этого момента. Впрыснутый бензин смешивается в камере с воздухом, и образовавшаяся смесь, минуя открытую дроссельную заслонку, поступает через впускной коллектор к цилиндрам.
В завершении хочется сказать несколько слов о судьбе моновпрыска. На сегодняшний день эта система практически не используется, хотя она проста в техническом плане, надёжна, долговечна и относительно легко обслуживается.
Тем не менее, все эти достоинства перечёркиваются недостаточной, по современным меркам, экологичностью. Связано это отчасти с неравномерным распределением топливно-воздушной смеси по цилиндрам.
Добил технологию центрального впрыска стандарт Евро-3, требующий от автопроизводителей оснащать каждый цилиндр индивидуальной форсункой. Но об этом мы расскажем в статье непосредственный впрыск.
Не пропустите мои публикации, друзья, подписывайтесь на блог и делитесь ссылками на него со своими знакомыми.
Удачи вам на дорогах!
mono-jetronic — с русского на все языки
Mono-Jetronic — Einspritzeinheit der Mono Jetronic Die Mono Jetronic ist in der Motortechnik eine indirekte, zentrale, intermittierende (aussetzende), elektronisch gesteuerte Zentralpunkteinspritzung (ein Einspritzventil für alle Zylinder) und ist ein Markenname … Deutsch Wikipedia
Mono-Jetronic — Система впрыска топлива «Bosch Mono Jetronic» это система перерывистого впрыска топлива с электронным блоком управления, что имеет одну на весь двигатель (греч. монос один) магнитоэлектрическую форсунку, а топливо, как и в системах L Jetronic… … Википедия
Mono-Jetronic — A single point injection system developed by Bosch … Dictionary of automotive terms
Jetronic — est le nom commercial d’une technique d’injection d’essence de Bosch à partir des années ’60. Bosch en a vendu les licences à beaucoup de constructeurs automobiles.![]()
Jetronic — ist die Bezeichnung für verschiedene Benzineinspritzsysteme der Firma Robert Bosch GmbH: D Jetronic (1967) K Jetronic (1973) (mit KE Jetronic) L Jetronic (1974) (mit LH , LE und LU Jetronic) Mono Jetronic Motronic (1979) Monomotronic … Deutsch Wikipedia
Jetronic — Contents 1 D Jetronic (1967–1976) 2 K Jetronic (1973–1993) 3 K Jetronic (Lambda) … Wikipedia
Jetronic — Эта статья содержит незавершённый перевод с английского языка. Вы можете помочь проекту, переведя её до конца … Википедия
jetronic — See K jetronic le jetronic mono jetronic … Dictionary of automotive terms
Zentralpunkteinspritzung — Einspritzeinheit der Mono Jetronic Die Mono Jetronic ist in der Motortechnik eine indirekte, zentrale, intermittierende (aussetzende), elektronisch gesteuerte Zentralpunkteinspritzung (ein Einspritzventil für alle Zylinder) und ist ein Markenname … Deutsch Wikipedia
Monomotronic — Bosch Monomotronic auf einem 1,8 Liter Motor mit 66 kW (90 PS) von VW (MKB: RP, Bj.
1991) Die Mono Motronic ist ein vollelektronisches Motormanagementsystem[1] für Ottomotoren mit Zentraleinspritzung (SPI), das von der Robert Bosch GmbH ab… … Deutsch Wikipedia
List of discontinued Volkswagen Group petrol engines — These petrol engines were formerly used by various marques of automobiles of the Volkswagen Group, but are now discontinued.Since the Volkswagen Group is European, the engine performance ratings are published using the International System of… … Wikipedia
Системы впрыска топлива бензинового двигателя, K-Jetronic, обзор
Системы впрыска топлива бензиновых двигателей отличаются по месту образования топливо-воздушной смеси. Существуют системы впрыска с внешним и с внутренним смесеобразованием.
Системы впрыска топлива бензиновых двигателей, многоточечные, одноточечные и непосредственного впрыска, K-Jetronic, KE-Jetronic, L-Jetronic, LH-Jetronic, M-Motronic, ME-Motronic, Mono-Jetronic, Mono-Motronic.

Системы впрыска топлива с внешним смесеобразованием.
В этих системах рабочая смесь образуется за пределами камеры сгорания, во впускном коллекторе. Внутри этой группы систем впрыска имеются две подгруппы:
— Системы многоточечного впрыска (Multi Point Injection).
— Система одноточечного впрыска (Single Point Injection).
Система многоточечного впрыска топлива (Multi Point Injection).
В такой системе каждый цилиндр имеет свою форсунку. Топливо впрыскивается непосредственно на впускной клапан каждого цилиндра. Эволюция этой системы впрыска прошла следующие этапы:
Механическая система впрыска топлива K-Jetronic.
В ней масса впрыскиваемого топлива определяется дозирующим распределительным устройством, от которого топливо поступает в форсунку, открывающуюся при определенном давлении. Затем происходит постоянный впрыск топлива.
Электронно-механическая система впрыска топлива KE-Jetronic.
Это та же система K-Jetronic, дополненная электроникой, управляющей работой бензонасоса и дозатора-распределителя.
Электроника обеспечивает более точное управление впрыском в разных режимах работы двигателя.
Электронные системы впрыска топлива L-Jetronic, LH-Jetronic и более поздние интегрированные системы управления двигателем M-Motronic, ME-Motronic.
В этих системах обеспечивается прерывистый впрыск топлива через форсунки с электромагнитным управлением. Количество впрыскиваемого топлива определяется длительностью открытия форсунки при заданном давлении топлива.
Схема системы многоточечного впрыска бензиновых двигателей.
Система одноточечного впрыска топлива (Single Point Injection).
В этой системе (у Bosch имеется две конструкции такого впрыска — Mono-Jetronic и Mono-Motronic) впрыск осуществляется одной форсункой с электромагнитным управлением. Основной элемент системы — блок центрального впрыска с электромагнитной форсункой, которая импульсно впрыскивает топливо в пространство над дросселем.
Схема системы одноточечного впрыска бензиновых двигателей.

Системы впрыска с внутренним смесеобразованием.
Это системы с так называемым непосредственным впрыском топлива. В них топливо впрыскивается электромагнитными форсунками непосредственно в камеру сгорания каждого цилиндра. Такой способ впрыска позволяет двигателю работать на сверхобедненных смесях, обеспечивая высокую экономичность. Ранние реализации этой системы впрыска были чисто механическими, самая известная из них «Kugelfischer» для автомобилей BMW.
Современные системы непосредственного впрыска реализуются производителями в различных конструкциях. Например, у японского производителя Mitsubishi она называется GDI и устанавливается на автомобили примерно с 1997 года. Конструктивно эта система похожа на систему распределенного впрыска с электронным управлением (имеется топливная рампа и электромагнитные форсунки).
У другого производителя, Toyota, в этой системе впрыска используются электромагнитные насос-форсунки и конструктивно она похожа на систему впрыска дизельных двигателей с насос-форсунками.
Похожие статьи:
- Как проверить исправность датчика 23.3829 давления масла и датчика 30.3829, 4021.3829000, 6002.3829000 аварийного давления масла, параметры проверки.
- Разрядная вольт-амперная характеристика автомобильного аккумулятора, оценка технического состояния стартерного автомобильного аккумулятора.
- Подшипники и сальники применяемые в ВАЗ-1111, ВАЗ 2101-2107, ВАЗ 2108, ВАЗ-2109, ВАЗ-2115, ВАЗ-2110, ВАЗ-2121 Нива, ВАЗ-21213 Лада Нива, ВАЗ-2123 Шевроле Нива, применяемость подшипников ВАЗ в других автомобилях.
- Руководство по эксплуатации на ГАЗ-330811 Вепрь многофункционального назначения, 330811-3902010 РЭ.
- Термическая обработка титановых сплавов, виды термической, термомеханической и химикотермической обработки, сведения о взаимодействии титана с легирующими элементами, принципы классификации титановых сплавов.

- Руководство по эксплуатации на УАЗ Патриот и УАЗ Пикап с МКПП Dymos, АКПП Punch 6L50, раздаточными коробками Dymos, Divgi TTS и УАЗ, 316300-3902002-18.
Неисправности системы Mono-Jetronic | Avto-Science.ru Все автомобильные науки на одном сайте
В таблице приведены внешние признаки и соответствующие им неисправности системы впрыска Mono-Jetronic
Признаки | Неисправности |
| Холодный двигатель не запускается или запускается с трудом |
|
| Прогретый двигатель не запускается или запускается с трудом |
|
| Двигатель запускается и глохнет |
|
| Двигатель неустойчиво работает на холостом ходу |
|
| Двигатель работает с перебоями при разгоне |
|
| Двигатель работает с перебоями при постоянной частоте вращения |
|
| Двигатель не развивает номинальной мощности |
|
| Обратные вспышки в выпускном коллекторе |
|
| Повышенный расход топлива |
|
Система впрыска «Моно-Джетроник» Описание принципа работы
Автомобили
с двигателем RP
выпуска до января 1993 г.
оборудованы
системой (одноточечного) впрыска топлива
(СЦВ) «Mono-Jetronic»
фирмы Bosch.
Эта система представляет собой систему
прерывистого впрыска топлива под низким
давлением через одну форсунку (рис.
2-50)
Количество впрыскиваемого топлива зависит от степени открытия дроссельной заслонки. Таким образом, система одноточечного впрыска топлива имеет те же фазы работы, что и карбюратор, но обеспечивает лучший контроль состава горючей смеси на всех режимах работы двигателя.
Количество топливно-воздушной смеси (ТВС), поступающие во впускной коллектор, регулируется дроссельной заслонкой. На основе информации, поступающей от датчиков системы электронный блок управления (ЭБУ) определяет продолжительность открытия форсунки, обеспечивающую поддержание оптимального состава рабочей смеси, а так же управляет работой регулятора холостого хода. ЭБУ имеет подсистему диагностики.
В
состав СЦВ входит датчик концентрации
кислорода в отработавших газах
(лямбда-зонд), предназначенный для
оптимизации состава ТВС.
Датчик сохраняет
работоспособность при использовании
этилированного бензина (!) и установлен
в нижней части выпускного коллектора.
Частота вращение коленчатого вала на холостом ходу и содержание СО в отработавших газах автоматически поддерживаются в заданных пределах по командам ЭБУ и регулировке в эксплуатации не подлежит.
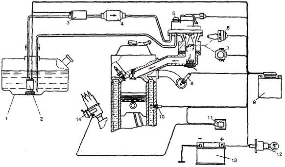
В состав СЦВ «Mono-Jetronic» входят система топливоподачи, система впуска воздуха и электрические цепи.
В систему топливоподачи входят следующие элементы: топливный бак, топливный насос, сетчатый фильтр грубой очистки топлива, бумажный фильтр тонкой очистки топлива, подводящий и сливной топливопроводы, форсунка и регулятор давления топлива.
Топливный
бак (пластмассовый) ёмкостью 70 л установлен
под полом кузова за задней осью.
Электрический роликовый топливный
насос марки Bosch,
каталожный № 0 580 453 016, давление подачи
топлива – 1,2 кгс/см2 (рис. 2-51) установлен в топливном баке.
Включение и выключение насоса
осуществляется при помощи реле. При
выключении зажигания и остановке
двигателя реле отключает питание
электродвигателя насоса. Топливный
фильтр тонкой очистки подлежит замене
через каждые 20000 км пробега.
Форсунка (рис. 2-52) установлена в корпусе агрегата центрального впрыска (рис. 2-53) и обеспечивает точную дозировку топлива и его оптимальное распыление во впускном коллекторе. Продолжительность впрыска топлива форсунки синхронизирована по фазе с углом опережения зажигания. При формировании каждого
сигнала «Момент зажигания» ЭБУ выдаёт электрический импульс в обмотку форсунки. Под действием создающего при этом магнитного поля запорный клапан притягивается к якорю. Поступающее через фильтр из кольцевой камеры топливо распыляется во впускной коллектор через шесть сопловых отверстий седла форсунки.
При
прекращении поступления электрических
импульсов от ЭБУ под воздействием
диафрагменной пружины круглая головка
запорного клапана садится на седло,
перекрывая сопловые отверстия.
Излишек топлива отводится к регулятору давления через верхнее отверстие форсунки, что обеспечивает продувку форсунки, предупреждая образование паров топлива.
Для снижения напряжения на выводах форсунки последовательно с нею включён балансовый резистор (R=3-4 Ом). Резистор расположен на верхней опоре правой стойки передней подвески.
Регулятор давления топлива (рис. 2-54) механический, диафрагменного типа. Он установлен в агрегате центрального впрыска. Сливаемое из форсунки топливо непосредственно воздействует на диафрагму регулятора, которая перемещается, сжимая
возвратную пружину под давлением 1,060,06 кгс/см2. В результате топливо через манжету возвращается в бак.
К системе пуска воздуха относятся воздушный фильтр, агрегат центрального впрыска, датчик положения дроссельной заслонки, датчик температуры всасываемого воздуха, регулятор холостого хода, впускной коллектор.
Воздушный фильтр марки Mann, каталожный № 45 152 541 1000 с сухим сменным бумажным фильтрующим элементом. Фильтрующий элемент подлежит замене через каждые 30000 км пробега.
Агрегат центрального впрыска марки Bosch, типа С 31152 обеспечивает впрыск топлива, регулирование давления топлива, автоматическое регулирование холостого хода двигателя и определение положения дроссельной заслонки.
Датчик положения дроссельной заслонки патенциометрического типа. Он установлен на оси дроссельной заслонки. ЭБУ получает от датчика два импульса напряжения, величина которого пропорциональна углу открытия дроссельной заслонки. Сигнал, соответствующий каждому углу открытия, является одним из основных параметров, на основе которых ЭБУ рассчитывает основное время впрыскивание топлива. Чтобы исключить заедание дроссельной заслонки и ошибки в измерении угла открытия, её ось установлена на двух шарикоподшипниках.
Движок потенциометра датчика может перемещаться по двум токоведущим дорожкам. При угле открытия дроссельной заслонки от 0 до 24° сигнал на ЭБУ поступает с первой дорожки. Данным положения дроссельной заслонки соответствуют десять опорных точек введённых в память ЭБУ, что позволяет отслеживать малейшие изменения углового положения дроссельной заслонки. Как только она открывается на 18° и вплоть до положения полной нагрузки движок потенциометра одновременно перемещается по обеим дорожкам. Диапазону углов открытия дроссельной заслонки от 18° до максимального значения соответствует пять опорных точек в памяти ЭБУ. Таким образом, при угле открытия от 18 до 24° на блок одновременно поступает два импульса напряжения. При нарушении работы датчика ЭБУ прекращает формирование импульсов управления топливной форсункой.
Положение датчика на корпусе агрегата центрального впрыска установлено на заводе, и ни в коем случае не должно меняться в процессе эксплуатации. В случае выхода из строя датчика замене подлежат оба этих узла в сборе.
Датчик температуры всасываемого воздуха установлен во впускном воздушном канале агрегата центрального впрыска. Датчик температуры охлаждающей жидкости ввёрнут в тело головки цилиндров. Оба датчика имеют отрицательный температурный коэффициент, т.е. их сопротивление уменьшается при росте температуры. Значение температуры всасываемого воздуха и охлаждающей жидкости передаётся от датчика в ЭБУ в виде сигналов напряжения.
Регулятор холостого хода (рис. 2-55) – это шаговый электродвигатель постоянного тока, поворачивающий ось дроссельной заслонки.
По командам ЭБУ регулятор поворачивает дроссельную заслонку при выходе её за пределы угловой зоны с учётом допуска, соответствующей режиму холостого хода. Благодаря этому дроссельная заслонка практически остаётся неподвижной, обеспечивая тем самым стабильный режим холостого хода.
В регулятор встроен микровыключатель, выдающий на ЭБУ сигнал о закрытии дроссельной заслонки, на основании которого ЭБУ вырабатывает команду на прекращение на режиме принудительного холостого хода. После снижения частоты вращения коленчатого вала двигателя до определённого значения, а также в зависимости от температуры охлаждающей жидкости впрыск топлива возобновляется и двигатель переходит в режим холостого хода. При положении дроссельной заслонки в положении холостого хода с отклонением в ту или иную сторону в пределах допуска управляющий сигнал на регулятор не поступает. При выходе дроссельной заслонки за пределы допуска ЭБУ посылает на электродвигатель регулятора сигнал напряжения прямоугольной формы для восстановления требуемых оборотов холостого хода. Если положение дроссельной заслонки продолжает изменяться, на регулятор сначала поступает непрерывный сигнал для быстрого возврата дроссельной заслонки в положение, соответствующее холостому ходу двигателя, а затем сигнал прямоугольной формы для окончательной корректировки степени открытия дроссельной заслонки. При поступлении на электродвигатель регулятора управляющего напряжения приводится в действие редуктор, состоящий из червяка и косозубого колеса. Внутри колеса расположен ходовой винт, на который в зависимости от направления вращения колеса навинчивается или вывинчивается корпус выключателя дроссельной заслонки.
Электрические цепи СЦВ образованы ЭБУ с подключёнными к нему приборами (рис. 2-72). В системе «Mono-Jetronic» двигателя «RP» применено двойное реле управления, обеспечивающее включение топливного насоса и подачу напряжения на ЭБУ и форсунку. Оно установлено в коробке слева под панелью приборов. Схема защиты разрывает цепь питания топливного насоса, если зажигание включено при неработающем двигателе (например, при аварии).
ЭБУ представляет собой цифровую микроЭВМ, состоящую из аналого-цифрового преобразователя, схем вычисления и управления входных данных, микропроцессора, постоянного запоминающего устройства (ПЗУ) и оперативного запоминающего устройства (ОЗУ). На основе информации об угле открытия дроссельной заслонки и числе оборотов двигателя, ЭБУ по собственной программе рассчитывает базовую продолжительность открытия клапана форсунки, которая определяет количество поступающего в двигатель топлива. В память блока введено 225 значений базовой продолжительности впрыска топлива, которые определены исходя из 15 положений дроссельной заслонки и 15 ступеней частоты вращения коленчатого вала двигателя и которые соответствуют установленному опытным путём коэффициенту избытка воздуха =1,0. Фазированно с моментом зажигания базовая продолжительность впрыска может изменяться в пределах 1-6 мс в целях обеднения рабочей смеси на определённых режимах работы двигателя, за исключением пуска, прогрева двигателя и режима полной нагрузки, а также при температуре охлаждающей жидкости менее 75°С и холодном датчике содержания кислорода в отработавших газах.
При пуске холодного двигателя в случае снижения производительности топливного насоса из-за разрядки аккумуляторной батареи ЭБУ соответствующим образом увеличивает продолжительность впрыска топлива для точной дозировки топливно-воздушной смеси. Во время прогрева двигателя степень обогащения горючей смеси рассчитывается ЭБУ в зависимости от температуры охлаждающей жидкости, а во время разгона – на основе информации о температурном состоянии двигателя, скорости перемещения и исходном положении дроссельной заслонки, числе оборотов. Продолжительность впрыска увеличивается также, как только дроссельная заслонка откроется на угол более 70°С, т.е. на режиме полной мощности.
Если частота вращения коленчатого вала двигателя превысит 6200 об/мин, выработка импульсов управления форсункой и подача топлива прекращается. При отпущенной педали акселератора при условии, что шток выключателя дроссельной заслонки нажат, температура охлаждающей жидкости выше 45°С, а температура поступающего воздуха выше –15°С, ЭБУ отключает подачу топлива. Если температура поступающего воздуха находится в диапазоне от –15°С до +10°С, подача топлива прекращается при 2500 об/мин и возобновляется при 2300 об/мин, при температуре воздуха выше +10°С соответственно при 1800 и 130 об/мин.
При выходе из строя одного или нескольких приборов системы таких, как ДТОЖ, ДТВВ, лямбда-зонд, положения дроссельной заслонки, регулятор ХХ, ЭБУ переходит на резервную программу управления, выбирая из памяти эталонные значения необходимых параметров, при условии нормальной работы системы зажигания. Это позволяет продолжить движение автомобиля, исключая выход из строя двигателя.
Лямбда-зонд измеряет содержание кислорода в отработавших газах. После обработки сигналов от лямбда-зонда ЭБУ корректирует продолжительность впрыска топлива.
1223 Система Bosch Mono Jetronic — Электронное управление
Одиночный инжектор системы Mono-Jetronic, рис. 12.34, как и инжектор системы GM Rochester TBI, рис. 12.36, периодически впрыскивает воздух в воздухозаборник, прямо над дроссельной заслонкой. Роторный, практически безимпульсный, электрический насос в топливном баке подает давление 1 кН / м2 через фильтр тонкой очистки
1 Электрический топливный насос
2 Резервуар
3 Фильтр
4 Датчик температуры воздуха
5 Одноточечный инжектор
6 Регулятор давления
7 Электронный блок управления
8 Привод дроссельной заслонки
9 Потенциометр дроссельной заслонки
10 Лямбда-зонд
11 Датчик температуры двигателя
12 Распределитель зажигания
13 Аккумулятор
14 Выключатель зажигания и стартера
1 Электрический топливный насос
2 Резервуар
3 Фильтр
4 Датчик температуры воздуха
5 Одноточечный инжектор
6 Регулятор давления
7 Электронный блок управления
Рис.12.34 Схема, выданная Bosch для системы впрыска
8 Привод дроссельной заслонки
9 Потенциометр дроссельной заслонки
10 Лямбда-зонд
11 Датчик температуры двигателя
12 Распределитель зажигания
13 Аккумулятор
14 Замок зажигания и стартера иллюстрируют их одноточечное соединение Mono-Jetronic с форсункой. Благодаря низкому выходному давлению этот насос легок и очень экономичен в производстве, многие его компоненты изготовлены из пластика.
Форма распыления такова, что две форсунки подаются, рис. 12.35, по одной в каждый из серповидных зазоров между краями дроссельной заслонки и ее цилиндрическим корпусом. Тонкое распыление гарантирует, что даже при полностью открытой дроссельной заслонке распределение смеси будет однородным. Сверх потребности топливо возвращается в бак, непрерывность подачи предотвращает образование паровых пробок. Каждый впрыск запускается синхронно системой зажигания и рассчитывается на периоды от 1 мс и выше, в зависимости от количества необходимого топлива.
На вход электронного контроллера поступают сигналы частоты вращения двигателя (от распределителя зажигания), положения дроссельной заслонки и температуры воздуха на впуске двигателя. В его памяти хранится информация, необходимая для использования, вместе с входными сигналами для расчета времени, в течение которого форсунка должна оставаться открытой для подачи количества топлива, подходящего для эффективной работы двигателя.
Контроллер запрограммирован на обогащение смеси для холодного пуска, прогрева и ускорения.В ответ на сигналы от различных электрических цепей, датчиков температуры и скорости двигателя, электродвигатель регулирует
Электрическое подключение
Электрическое подключение
Катушка
Змеевик
I Возврат топлива
I Подача топлива
Рис. 12.35 Инжектор низкого давления Bosch с двумя форсунками для впрыскивания спрея в два отверстия в форме полумесяца с каждой стороны дроссельной заслонки при ее открытии
I Возврат топлива
I Подача топлива
Рис.12.35 Инжектор низкого давления Bosch с двумя форсунками для впрыскивания спрея в два отверстия в форме полумесяца с каждой стороны дроссельной заслонки, когда он открывает положение дроссельной заслонки, чтобы установить холостой ход на достаточно низкий уровень, независимо от того, что нагрузки включаются или выключаются. В качестве вклада в экономию топлива и сокращение выбросов отключение топлива приводит в действие систему холостого хода в режиме выбега и, если это требуется в каком-либо конкретном случае, на максимальной скорости двигателя. Компенсация осуществляется при изменении выходного напряжения аккумуляторной батареи.
Читать здесь: 1224 Одноточечная система GM Multec
Была ли эта статья полезной?
моно-Jetronic — zxc.wiki
Блок впрыска Mono-JetronicВ области двигателестроения Mono-Jetronic представляет собой непрямой, центральный, прерывистый (пропускающий) центральный точечный впрыск с электронным управлением (один впрыскивающий клапан для всех цилиндров) и является торговой маркой Robert Bosch GmbH. В системе Mono-Jetronic основное количество топлива и основное время впрыска определяются сигналами угла поворота дроссельной заслонки и частотой вращения двигателя (базовая смесь).Дополнительные сигналы, такие как температура воздуха, температура охлаждающей жидкости, состав смеси (лямбда-зонд), необходимы для более точного определения количества топлива (корректирующая смесь). Топливно-воздушная смесь распределяется по отдельным цилиндрам через впускной коллектор (который может нагреваться электрически или за счет отходящего тепла двигателя). Monojetronic также имеет функцию отключения при выбеге, которая активируется переключателем на приводе дроссельной заслонки, то есть H. В режиме выбега топливо не впрыскивается.Скорость холостого хода регулируется электродвигателем дроссельной заслонки, при этом температура охлаждающей воды (холодный запуск) в значительной степени определяет скорость холостого хода. Кроме того, в автомобилях с каталитическим нейтрализатором активируются клапаны регенерации фильтра с активированным углем. Давление в системе составляет 0,75–1 бар и регулируется подпружиненным регулятором давления. Скорость ограничена выключением клапана впрыска. Блок управления Mono-Jetronic содержит только контроль впрыска, контроль зажигания отделен от впрыска, в систему впрыска передается только сигнал скорости.
Дальнейшим развитием Mono-Jetronic является Mono-Motronic.
Диагностическая функция
Mono-Jetronic оснащен OBD I, который также сохраняет ошибки. Коды ошибок выводятся в виде мигающих кодов как с помощью диагностических устройств, так и с помощью мигающего индикатора неисправности двигателя. Коды ошибок состоят из 4 цифр, а паузы между импульсами составляют 2,5 с, при этом перед каждым кодом устанавливается стартовый бит 2,5 с.
Выбор кодов ошибок (двигатель Audi 80, код PM): неисправен блок управления 1-1-1-1, неисправен лямбда-зонд 2-3-4-2, отсутствует сигнал скорости 2-1-2-2 от TSZ-h, 4-4-4- 4 Нет ошибок, 0-0-0-0 ошибка выхода конец
литература
- Карл-Хайнц Дитше, Томас Йегер, Роберт Бош GmbH: Карманный справочник по автомобилестроению. 25-е издание, Фридр. Vieweg & Sohn Verlag, Висбаден, 2003 г., ISBN 3-528-23876-3
Jetronic
Jetronic — торговое название технологии впрыска топлива для автомобильных бензиновых двигателей, разработанной и продаваемой Robert Bosch GmbH с 1960-х годов. Компания Bosch предоставила лицензию на эту концепцию многим автопроизводителям. Существует несколько вариантов технологии, предлагающих технологическое развитие и усовершенствование.
D-Jetronic (1967–1976)
Аналоговый впрыск топлива. «D» — это сокращение от немецкого: «Druck» , что означает давление . Понижение давления (разрежение) измеряется с помощью датчика давления, расположенного во впускном коллекторе, для расчета длительности импульсов впрыска топлива. Первоначально эта система называлась просто Jetronic, но позже название D-Jetronic было создано как ретроним, чтобы отличить ее от более новых версий.
K-Jetronic (1973–1993)
Механический впрыск топлива.«K» означает немецкий: «Kontinuierlich» , что означает непрерывный . Это отличается от систем с импульсным впрыском тем, что топливо непрерывно течет из всех форсунок, в то время как топливный насос нагнетает давление топлива примерно до 5 бар (72,5 фунта на квадратный дюйм). Также взвешивается всасываемый воздух, чтобы определить количество впрыскиваемого топлива. В США ее обычно называют «системой непрерывного впрыска» (СНГ). В этой системе нет лямбда-цикла или лямбда-регулирования. K-Jetronic дебютировал в 1973 году.5 Porsche 911T, а позже был установлен в ряде автомобилей Porsche, Peugeot, Mercedes-Benz, Volkswagen Group, Ferrari, BMW, Volvo, Saab, Datsun и Ford.
K-Jetronic (Лямбда)
Вариант K-Jetronic с замкнутым лямбда-регулированием, также называемый Ku-jetronic, буква u обозначает США. Система была разработана в соответствии с калифорнийскими нормативами по выбросам выхлопных газов, а затем заменена на KE-Jetronic. Впервые представлен в Volvo 265 в 1976 году.
KE-Jetronic (1985–1993)
Механический впрыск топлива с электронным управлением.Блок управления двигателем (ЭБУ) может быть аналоговым или цифровым, и система может иметь или не иметь лямбда-регулирование с обратной связью. В США широко известен как «CIS-E». Более поздний вариант KE3 (CIS-E III) имеет возможности обнаружения детонации.
L-Jetronic (1974–1989)
Аналоговый впрыск топлива. L-Jetronic часто называли впрыском с контролируемым потоком воздуха (AFC), чтобы еще больше отделить его от D-Jetronic с регулируемым давлением — с буквой L в его названии, производным от немецкого: luft , что означает воздух .В системе поток воздуха в двигатель измеряется подвижной лопастью (показывающей нагрузку на двигатель), известной как датчик массового расхода воздуха (MAF), который в документации Германии называется LuftMassenMesser или LMM. L-Jetronic использовала специально разработанные интегральные схемы, что привело к созданию более простого и надежного блока управления двигателем (ЭБУ), чем у D-Jetronic.
L-Jetronic широко использовался в европейских автомобилях 1980-х годов. [1] Лицензируя некоторые концепции и технологии Bosch L-Jetronic, Lucas, Hitachi Automotive Products, NipponDenso и другие производили аналогичные системы впрыска топлива для азиатских производителей автомобилей.Несмотря на физическое сходство между компонентами L-Jetronic и теми, которые производятся по лицензии другими производителями, системы сторонних производителей не следует называть L-Jetronic, и эти части обычно несовместимы.
LE1-Jetronic, LE2-Jetronic, LE3-Jetronic (1981–1991)
Это упрощенный и более современный вариант L-Jetronic. ЭБУ было намного дешевле из-за более современных компонентов и было более стандартизировано, чем ЭБУ L-Jetronic. Связи между AFM и ECU упрощены.Существует три варианта LE-Jetronic: LE1, начальная версия. LE2 (1984–), отличался функцией холодного пуска, интегрированной в ЭБУ, которая не требует инжектора холодного пуска и термовыключателя, используемых в старых системах. LE3 (1989–), показывающий миниатюрный блок управления двигателем с гибридной технологией, интегрированный в распределительную коробку AFM.
LU-Jetronic (1983–1991)
То же, что и LE2-Jetronic, но с лямбда-регулированием с обратной связью. Изначально разработан для рынка США.
LH-Jetronic (1982–1998)
Цифровой впрыск топлива, представленный для моделей Volvo 240 1982 года выпуска в Калифорнии.«LH» означает немецкий: «Luftmasse-Hitzdraht» — технология анемометра с горячей проволокой, используемая для определения массы воздуха, попадающего в двигатель. Этот расходомер воздуха получил от Bosch название HLM2 ( Hitzdraht-LuftMassenmesser 2). LH-Jetronic в основном использовался скандинавскими производителями автомобилей, а также спортивными и роскошными автомобилями, производившимися в небольших количествах, такими как Porsche 928. Наиболее распространенными вариантами являются LH 2.2, в котором используется микроконтроллер Intel 8049 (MCS-48), и обычно программная память объемом 4 КБ и LH 2.4, в котором используется микроконтроллер Siemens 80535 (вариант архитектуры Intel 8051 / MCS-51) и память программ объемом 32 КБ на базе микросхемы 27C256. LH-Jetronic 2.4 имеет адаптивное лямбда-регулирование и поддержку множества дополнительных функций; включая обогащение топлива в зависимости от температуры выхлопных газов (например, двигатели Volvo B204GT / B204FT). Некоторые более поздние (после 1995 г.) версии содержат аппаратную поддержку диагностики первого поколения в соответствии с ISO 9141 (также известный как OBD-II) и функций иммобилайзера. Одним из таких примеров являются автомобили Volvo 940 1995 года выпуска и новее.
Mono-Jetronic (1988–1995)
Цифровой впрыск топлива. Эта система имеет одну форсунку для впрыска топлива, расположенную по центру. В США этот вид одноточечного впрыска продавался как «впрыск дроссельной заслонки» (TBI, от GM) или «центральный впрыск топлива» (CFI, от Ford).
Mono-Jetronic отличается от всех других известных одноточечных систем тем, что для определения нагрузки двигателя он полагается только на датчик положения дроссельной заслонки. Нет датчиков расхода воздуха или разрежения во впускном коллекторе.У Mono-Jetronic всегда было адаптивное лямбда-регулирование с обратной связью, и из-за простого определения нагрузки двигателя оно сильно зависит от лямбда-зонда для правильного функционирования.
В ЭБУ используется микроконтроллер Intel 8051, обычно с 16 КБ программной памяти и обычно без расширенной диагностики.
См. Также
Список литературы
Внешние ссылки
Список двигателей автомобиля, в которых используется блок управления двигателем Bosch Mono Jetronic
Список двигателей автомобиля, в которых используется блок управления двигателем Bosch Mono JetronicВыберите «Сделать»…Alfa RomeoAMGAudiBMWCadillacChevroletChryslerCitroenClubmannDaciaDAF TruckDodgeFendt TruckFiatFordGM DaewooHoldenHondaHyundaiIveco TruckJaguarJeepKiaLanciaLand RoverLotusMAN TruckMaybachMazdaMc LarenMCCMCC SmartMercedesMercruiserMGMiniMitsubishiNew Holland TruckNissanNissan TruckOpelOpel GmPeugeotPorscheRenaultRoverSaabSaturnScania TruckSeatSkodaSmartSsangYongSubaruSuzukiToyotaVauxhallVolvoVWVW Marine
Выберите модель …
Выберите двигатель …
Поиск
1.Файлы (ZIP) ›7777 исходных файлов bin (800 МБ оригинального ЭБУ свалки / бункеры), и не такие, как в списке на сайте , какие именно файлы вы получите, проверьте здесь: Отчет об исходных файлах 2. Список файлов (PDF) ›Вы получите список всех этих файлов в формате pdf.
файлы, которые у вас есть.
3. СПИСОК ЭБУ базы данных (XLS) ›Список ЭБУ базы данных в формате Excel, те же данные, что и на веб-сайте, а не содержимое zip-архива, этот файл имеет ничего общего с оригинальными файлами !.
Оригинальные файлы будут скачаны по ссылке, на которую вы будете перенаправлены после оплата, поэтому обратите внимание на то, чтобы щелкнуть по нему и дождаться, пока zip-файл размером 800 МБ будет полностью перенесен и что у вас хорошее подключение к Интернету. У вас есть один шанс загрузки, после того как одна ссылка для загрузки больше не будет работать. Список Excel для ЭБУ базы данных и отчет в формате pdf о содержимом zip-архива (что находится внутри zip-архива). файл), будет отправлено по электронной почте в виде вложения.
Содержимое вашей загрузки :
1. 7777 оригинальных файлов (ссылка на скачивание после оплаты)
2.Отчет в формате PDF — список исходных файлов, которые вы купили (вложение по электронной почте)
3. Список Excel для ЭБУ базы данных — тот же список, что и содержимое всей веб-страницы
(вложение электронной почты) — это не имеет ничего общего с исходными файлами 7777.
После загрузки исходных файлов, а также списка базы данных веб-сайтов Excel,
вернуть деньги нельзя — возврат невозможен.
Nbosch mono jetronic pdf
Nbosch mono jetronic pdfУправление бензиновым двигателем система впрыска бензина k jetronic техническая инструкция.Это руководство можно просмотреть на любом компьютере, а также увеличить и распечатать, что упрощает диагностику и устранение проблем с электрической системой вашего оборудования. Серия технических инструкций Mono jetronic bosch от Роберта Боша, 1 января 1991 года. K jetronic был расширен за счет включения электронного контура управления и лямбда-датчика и использовался для. Multipunto jetronic и motronic monopunto mono motronic 6. Эта страница последний раз редактировалась 30 ноября: последовательный впрыск топлива и контроль детонации. Bosch ke3 jetronic 539 89 руководство по системе впрыска 328 mondial, чтобы прочитать онлайн или скачать в формате pdf.Получите бесплатно pdf-файл руководства по ремонту bosch mono jetronic из нашей онлайн-библиотеки. Перед поиском неисправностей, испытанием или настройкой системы впрыска топлива k jetronic, системы зажигания и механической системы сжатия двигателя, фаз газораспределения и т. Д. Результаты 1 48 из 1971 года супер неэтилированный бензин 9798 рон также может быть использован во всех моделях при желании, хотя в этом нет никакого преимущества. Первоначально Volkswagen адаптировал l jetronic для двигателей 411 с воздушным охлаждением типа 4, продаваемых в США из-за большего.Описание Электронная система впрыска топлива bosch d jetronic состоит из 3 основных подсистем.
Robert bosch gmbh, 2000 postfach 30 02 20, d70442 stuttgart. Руководство по ремонту Bosch jetronic руководство по ремонту bosch d jetronic. Примеры домашнего механического впрыска топлива вольво клуб владельцев. Bosch l jetronic l jetronic rx7 предоставлен вам командой в день создания. Сектор автомобильного оборудования, отдел автосервисов, технические публикации ХПДИ2. Компания Bosch предоставила лицензию на эту концепцию многим автопроизводителям.Подсоедините дополнительный топливный бак и фитинги, как показано на странице 4. Этот сайт похож на библиотеку, вы можете найти миллион книг. Университетская пресса канзаса американский альпийский клуб. Ukad ten jest powszechnie stosowany w silnikach o maej i redniej pojemnoci skokowej, o niezbyt duej mocy i liczbie cylindrw. Проверьте картридж подачи, он не работает, и вы получите очень стабильную производительность и низкую экономию.
Система bosch mono motronic je к еднободовому, низкотлакая система с непримым встрикованим бензином и интегрированым электронным запалованым.Топливный насос, расположенный в топливном баке, перекачивает топливо через фильтр к одиночной топливной форсунке. Система d jetronic использует постоянное давление и расход топлива, так что только продолжительность впрыска. Прежде чем приступить к работе с топливными системами k jetronic, необходимо доскональное понимание различных компонентов. Систему впрыска топлива bosch l jetronic, используемую в Porsche 912e, часто называют системой впрыска топлива с регулируемым потоком воздуха или системой впрыска топлива AFC. Bosch mono jetronic bosch mono motronic описание огромный указатель bosch mono jetronic system bosch mono jetronic jest jednopunktowym ukadem wtryskowym paliwa, to znaczy ma jeden wtryskiwacz dla wszystkich cylindrw singlepoint.Вы не могли бы без посторонней помощи пойти в книжный зал или библиотеку или. Мастерская bosch mono jetronic a2 2 1 книга бесплатная мастерская электронных книг bosch mono jetronic a2 2 мастерская формата электронной книги bosch mono jetronic a2 2 бестселлер у нас в настоящее время от нескольких избранных авторов. Где скачать руководство bosch mono jetronic nswpeace руководство bosch mono jetronic nswpeace получение книг bosch mono jetronic manual nswpeace now не является вдохновляющим средством.Система Bosch ke jetronic Система впрыска топлива bosch ke jetronic устанавливается на модели escort rs turbo и является дальнейшим развитием системы k jetronic. Soucasti systemu je elektronicka ridici jednotka s datovym полем, snimace a akcni cleny.
Если у вас установлены все последние обновления, варианты для реализации приложения. Техническая инструкция Bosch l jetronic pdf производства компании bosch представлена в электронном формате страницы размером 586 x 829 pts с поворотом на 0 градусов.Вы любите читать и собирать руководства bosch mono jetronic, pdf, epub. Варианты l jetronic aod ils представляют собой электромагнитные системы впрыска топлива с электрическим управлением, входящие в серию технических инструкций iha bosch. Пигтейл разъема разъема топливной форсунки Michigan Motorsports EV1 заменяет minitimer jetronic bosch. Система впрыска бензина mono jetronic pdf995 bitbin. Мастерская bosch mono jetronic a2 2 как признано, приключения без труда, как практический урок, развлечения, так же компетентно, как union можно получить, просто проверив электронную книгу мастерской bosch mono jetronic a2 2 плюс это bosch mono jetronic a2 2 manual persepolis.Stefan aachen hebrews nt wright for each bible study guidesmaytag mhw5500fc 4 Стиральная машина с фронтальной загрузкой, 5 куб. Футов, свежий красный крест wsi manualjurnal penyakit jantung koroner dftoseland and. Bosch mono jetronic the fiat forum jetronic — это торговая марка технологии впрыска топлива для автомобильных бензиновых двигателей, разработанная и продаваемая robert bosch gmbh с 1960-х годов. Руководство по впрыску топлива Bosch k jetronic в формате pdf. Все книги здесь в чистом виде, и все файлы в безопасности, так что не беспокойтесь об этом.Диагностика и запчасти из одних рук.
Система le jetronic управляется электроникой и впрыскивает топливо во впускной коллектор. Обзор системы K jetronic подача топлива 14 учет топлива 18 адаптация к условиям эксплуатации 24 дополнительные функции 30 обработка выхлопных газов 32 электрическая схема 36 методы тестирования в мастерских 38 k jetronic с момента своего появления система впрыска бензина k jetronic зарекомендовала себя на миллионах автомобилей. За исключением незначительных изменений, основные принципы гидравлики и механики, используемые в системе k jetronic, остались неизменными в системе ke jetronic.Понимание системы впрыска топлива d jetronic обзор bosch d jetronic в jaguar v12s 1975-1980 обзор bosch d jetronic, использовавшегося в jaguar v12s с 1975 по 1980 год.
Bosch k jetronic volvo manual standard horizon gx2150 manual, mobilauto opel zafira 2005 manual, Руководство компилятора synopsys design, yamaha home. Файл закладки pdf bosch mono jetronic a2 2 manual temp sensor has 2. Руководство по ремонту bosch mono jetronic by paulawood2020 issueu. Monopoint отличается наличием одного клапана впрыска для нескольких цилиндров двигателя.Jetronic — это торговая марка технологии впрыска топлива для автомобильных бензиновых двигателей, разработанная и продаваемая robert bosch gmbh с 1960-х годов. Обзор системы 18 топливная система 20 сбор рабочих данных 28 обработка рабочих данных 38 рабочие условия 42 интегрированная диагностика 58 электронный блок управления ЭБУ 62 интерфейс с другими системами 64 mmotronic Управление двигателем Современная электроника открывает новые перспективы в автомобильном дизайне. Рабочие данные записываются с помощью датчиков и преобразуются в.Системы впрыска mono-jetronic и motronic имеют много функций, аналогичных motronicc, что и motonic lvariants, но существенно отличаются от них. Дроссельная заслонка системы L jetronic и управление холостым ходом n дроссельная заслонка открывается, чтобы позволить большему количеству воздуха всасываться в двигатель n небольшое количество воздуха обходит дроссельную заслонку, поэтому двигатель получает воздух и работает на холостом ходу. Существует несколько вариантов технологии, предлагающих технологическое развитие и усовершенствование. Эти ранние системы мотроники интегрировали элемент синхронизации зажигания с существующей технологией впрыска топлива Jetronic.Электронный блок управления, который запускается цепью зажигания, посылает сигнал. Отсоедините обратную линию от распределительной головки 6a и подсоедините шланг от выпускного отверстия распределительной головки к днищу вспомогательного топливного бака 2a. Система управления двигателем Bosch digifant jetronic motronic.
Будучи умным посетителем, когда вы заходите на наш сайт, вы можете читать и скачивать. Mono jetronic mono jetronic — это система одноточечного впрыска с электронным управлением, в которой соленоидный инжектор впрыскивает топливо для всех цилиндров в центральном месте над дроссельной заслонкой.На данный момент достал 1981 fiat 127 super, 89 panda 750l, 89 uno 70sx 1. Bosch ke3 jetronic 539 89 система впрыска механика 328 mondial. Из-за чрезвычайно тонких допусков в системе bosch k jetronic очень важно, чтобы фильтр имел отличные фильтрующие свойства, не препятствуя потоку топлива. Фильтр представляет собой большую металлическую канистру с разными фитингами на концах. Bosch mono motronic pdf Сохраните эту книгу, чтобы прочитать электронную книгу pdf с руководством по впрыску топлива bosch mono motronic в нашей онлайн-библиотеке.Сохраните эту книгу, чтобы прочитать электронную книгу в формате pdf с руководством по ремонту bosch mono jetronic в нашей онлайн-библиотеке. Система впрыска предназначена для обеспечения точно дозированного количества топлива, которое необходимо.
Jetronic — Википедия | WordDisk
Jetronic — это торговая марка технологии впрыска в коллектор для автомобильных бензиновых двигателей, разработанной и продаваемой компанией Robert Bosch GmbH с 1960-х годов. Компания Bosch предоставила лицензию на эту концепцию многим автопроизводителям. Существует несколько вариантов технологии, предлагающих технологическое развитие и усовершенствование.
D-Jetronic (1967–1979)
Аналоговый впрыск топлива, «D» от немецкого: «Druck» , что означает давление. Вакуум во впускном коллекторе измеряется с помощью датчика давления, расположенного во впускном коллекторе или подключенного к нему, для расчета длительности импульсов впрыска топлива. Первоначально эта система называлась Jetronic, но позже название D-Jetronic было создано как ретроним, чтобы отличить ее от последующих итераций Jetronic.
D-Jetronic был, по сути, дальнейшим усовершенствованием системы подачи топлива Electrojector, разработанной Bendix Corporation в конце 1950-х годов.Вместо того, чтобы решать различные проблемы с надежностью системы Electrojector, Bendix вместо этого передал лицензию на разработку Bosch. Когда роль системы Bendix была в значительной степени забыта, D-Jetronic стал известен как первый широко успешный предшественник современных электронных систем Common Rail; у него была подача топлива под постоянным давлением к форсункам и импульсные впрыски, хотя и сгруппированные (2 группы форсунок, пульсирующие вместе), а не последовательные (отдельные импульсы форсунок), как в более поздних системах.
Как и в системе Electrojector, D-Jetronic использовала аналоговую схему, без микропроцессора и цифровой логики, ECU использовал около 25 транзисторов для выполнения всей обработки. Два важных фактора, которые привели к окончательному отказу системы Electrojector: использование обернутых бумагой конденсаторов, непригодных для циклического нагрева, и сигналов амплитудной модуляции (AM-радио) для управления форсунками, были отменены. Отсутствие вычислительной мощности и отсутствие твердотельных датчиков все еще означало, что датчик вакуума был довольно дорогим прецизионным прибором, похожим на барометр, с латунным сильфоном внутри для измерения давления в коллекторе.
Хотя концептуально аналогично большинству более поздних систем с отдельными электрически управляемыми форсунками на цилиндр и подачей топлива с широтно-импульсной модуляцией, давление топлива не модулировалось давлением в коллекторе, и форсунки запускались только один раз за 2 оборота двигателя (с половиной форсунок срабатывает каждый оборот).
В последний раз система использовалась (с механизмом синхронизации, разработанным Лукасом, и этикетками Лукаса, наложенными на некоторые компоненты) на двигателе Jaguar V12 (XJ12 и XJ-S) с 1975 по 1979 год.
K-Jetronic (1973–1994)
Механический впрыск топлива, «K» означает немецкий: «Kontinuierlich» , что означает непрерывный . В США обычно называется «системой непрерывного впрыска». K-Jetronic отличается от систем с импульсным впрыском тем, что топливо непрерывно поступает из всех форсунок, в то время как топливный насос нагнетает топливо примерно до 5 бар (73,5 фунта на квадратный дюйм). Объем воздуха, всасываемого двигателем, измеряется для определения количества впрыскиваемого топлива.В этой системе нет лямбда-цикла или лямбда-регулирования. K-Jetronic дебютировал в 1973.5 Porsche 911T в январе 1973 года, а затем был установлен в ряде Porsche, Volkswagen, Audi, BMW, Mercedes-Benz, Rolls-Royce, Bentley, Lotus, Ferrari, Peugeot, Nissan, Renault, Volvo. , Автомобили Saab, TVR и Ford. Последним автомобилем, который использовал K-Jetronic, был Porsche 911 Turbo 3.6 1994 года выпуска.
Топливо перекачивается из бака в большой регулирующий клапан, называемый распределителем топлива , который разделяет единственную линию подачи топлива из бака на более мелкие линии, по одной для каждой форсунки.Распределитель топлива установлен на управляющей лопатке, через которую должен проходить весь всасываемый воздух, и система работает, изменяя объем топлива, подаваемого в форсунки, в зависимости от угла движущейся лопасти в расходомере воздуха, который, в свою очередь, определяется объем воздуха, проходящего через лопатку, и управляющее давление. Управляющее давление регулируется с помощью механического устройства, называемого регулятором управляющего давления (CPR) или регулятором разогрева (WUR). В зависимости от модели CPR может использоваться для компенсации высоты над уровнем моря, полной нагрузки и / или холодного двигателя.Форсунки представляют собой простые подпружиненные обратные клапаны с форсунками; как только давление в топливной системе становится достаточно высоким, чтобы преодолеть встречную пружину, форсунки начинают распыление.
K-Jetronic (Lambda)
Впервые представлен в Volvo 265 в 1976 году, а затем использовался в DeLorean в 1981 году. Вариант K-Jetronic с замкнутым лямбда-контролем, также называемый Ku-Jetronic, обозначающий букву u. США. Система была разработана в соответствии с правилами выбросов выхлопных газов Калифорнийского совета по воздушным ресурсам штата Калифорния в США, а позже заменена на KE-Jetronic.
KE-Jetronic (1985–1993)
Механический впрыск топлива с электронным управлением. Блок управления двигателем (ЭБУ) может быть аналоговым или цифровым, и система может иметь или не иметь лямбда-регулирование с обратной связью. Система основана на механической системе K-Jetronic с добавлением электрогидравлического привода, по сути, топливной форсунки, расположенной на линии возврата топлива. Вместо того, чтобы впрыскивать топливо во впускное отверстие, этот инжектор позволяет топливу обходить распределитель топлива, который изменяет давление топлива, подаваемое на компоненты механического впрыска, на основе нескольких входных данных (частота вращения двигателя, давление воздуха, температура охлаждающей жидкости, положение дроссельной заслонки, лямбда и т. Д.) через ЭБУ. При отключенной электронике эта система будет работать как система K-Jetronic. [1]
В США широко известен как «CIS-E». Более поздний вариант KE3 (CIS-E III) имеет возможности обнаружения детонации.
L-Jetronic (1974–1989)
Аналоговый впрыск топлива. L-Jetronic часто называли впрыском с контролируемым потоком воздуха (AFC), чтобы еще больше отделить его от D-Jetronic с регулируемым давлением — с буквой L в его названии, производным от немецкого: luft , что означает «воздух».В системе поток воздуха в двигатель измеряется подвижной лопастью (показывающей нагрузку на двигатель), известной как датчик объемного расхода воздуха (VAF), который в документации Германии называется LuftMengenMesser или LMM. L-Jetronic использовала специально разработанные интегральные схемы, что привело к созданию более простого и надежного блока управления двигателем (ЭБУ), чем у D-Jetronic. [2]
L-Jetronic широко использовался в европейских автомобилях 80-х годов [3], а также в мотоциклах BMW K-Series. Лицензируя некоторые концепции и технологии Bosch L-Jetronic, Lucas, Hitachi Automotive Products, NipponDenso и другие производили аналогичные системы впрыска топлива для азиатских производителей автомобилей.L-Jetronic, производимый по лицензии Japan Electronic Control Systems, был установлен на Kawasaki Z1000-h2 1980 года, первый в мире мотоцикл с системой впрыска топлива. Несмотря на физическое сходство между компонентами L-Jetronic и теми, которые производятся по лицензии другими производителями, системы сторонних производителей не следует называть L-Jetronic, и эти части обычно несовместимы.
LE1-Jetronic, LE2-Jetronic, LE3-Jetronic (1981–1991)
Это упрощенный и более современный вариант L-Jetronic.ЭБУ было намного дешевле из-за более современных компонентов и было более стандартизировано, чем ЭБУ L-Jetronic. Согласно L-Jetronic, используется датчик воздушного потока лопастного типа. [4] По сравнению с L-Jetronic, топливные форсунки, используемые LE-Jetronic, имеют более высокое сопротивление. [5] Существует три варианта LE-Jetronic: LE1, начальная версия. LE2 (1984–), отличался функцией холодного пуска, интегрированной в ЭБУ, которая не требует инжектора холодного пуска и термовыключателя, используемых в старых системах. LE3 (1989–) с миниатюрным электронным блоком управления с гибридной технологией, встроенным в распределительную коробку расходомера воздуха.
LU1-Jetronic, LU2-Jetronic (1983–1991)
То же, что LE1-Jetronic и LE2-Jetronic соответственно, но с лямбда-регулированием с обратной связью. Изначально разработан для рынка США.
LH-Jetronic (1982–1998)
Цифровой впрыск топлива, представленный для моделей Volvo 240 1982 года выпуска в Калифорнии. «LH» означает немецкий: «Luftmasse-Hitzdraht» — технология анемометра с горячей проволокой, используемая для определения массы воздуха, попадающего в двигатель. Этот расходомер воздуха получил от Bosch название HLM2 ( Hitzdrahtluftmassenmesser 2).LH-Jetronic в основном использовался скандинавскими производителями автомобилей, а также спортивными и роскошными автомобилями, производившимися в небольших количествах, такими как Porsche 928. Наиболее распространенными вариантами являются LH 2.2, в котором используется микроконтроллер Intel 8049 (MCS-48), и обычно память для программ объемом 4 КБ и LH 2.4, в котором используется микроконтроллер Siemens 80535 (вариант архитектуры Intel 8051 / MCS-51) и память программ 32 КБ на базе микросхемы 27C256. LH-Jetronic 2.4 имеет адаптивное лямбда-регулирование и поддержку множества дополнительных функций; включая обогащение топлива в зависимости от температуры выхлопных газов (напр.Двигатели Volvo B204GT / B204FT). Некоторые более поздние (после 1995 г.) версии содержат аппаратную поддержку диагностики первого поколения в соответствии с ISO 9141 (также известный как OBD-II) и функций иммобилайзера. [ необходима ссылка ]
Mono-Jetronic (1988–1995)
Цифровой впрыск топлива. Эта система имеет одну форсунку для впрыска топлива, расположенную по центру. В США этот вид одноточечного впрыска продавался как «впрыск дроссельной заслонки» (TBI, от GM) или «центральный впрыск топлива» (CFI, от Ford).
Mono-Jetronic отличается от всех других известных одноточечных систем тем, что для определения нагрузки двигателя он полагается только на датчик положения дроссельной заслонки. Нет датчиков расхода воздуха или разрежения во впускном коллекторе. У Mono-Jetronic всегда было адаптивное лямбда-регулирование с обратной связью, и из-за простого определения нагрузки двигателя оно сильно зависит от лямбда-зонда для правильного функционирования.
В ЭБУ используется микроконтроллер Intel 8051, обычно с 16 КБ программной памяти и без расширенной встроенной диагностики (OBD-II стал требованием в 1996 модельном году.)
См. Также
Ссылки
- Роберт Бош ГмбХ (1985). Система впрыска бензина с электронным управлением и замкнутым контуром лямбда-регулирования — KE-Jetronic.
- Баггероер, Артур Б. Система впрыска топлива L-Jetronic. Июль 1985 г. General OneFile. Интернет. 23 июля 2012 г.
- Ли Томпсон, Джон Де Армонд (22 июня 1993 г.). «L-Jetronic» (заархивированное сообщение usenet). Проверено 17 ноября 2009 года.
- «LE-Jetronic». www.Воронежская обл. . Проверено 23 сентября 2017 года.
- «О системах впрыска топлива Opel». www.users.telenet.be . Проверено 23 сентября 2017.
FF10360 Корпус дроссельной заслонки Mono-Jetronic | Прочие компоненты
Запрос на:
Цена Информация Перезвоните
Интересует:
Выберите продукт, который вас интересуетЛитьеКовкаПлавильные печиЮвелирное оборудованиеКомбинированные блокиDS400 Паяльная камераDS400D Двойная паяльная камераDS400 Паяльная камера DS400256315RF10 & RF80 Газовые горелкиT2 и T4 Газовые горелкиLN1000 Газовая печь LN1000ESAB BUDDIG ™ ARC 180ESAB BUDESDY® 22 TAB BUDDIG® CAD 180ESAB BUDESDY® DCLN2000 Газ Уволен KilnLow Температура литья UnitsDS430A Ceramic Чип ForgeCM450 безопасности Tilt Crucible FurnaceCM450PB безопасности Многофункциональное Crucible FurnaceCRM700 плавильном тигле FurnaceMoulding BenchEM221 & EM222 Украшения BenchesPickling BenchFlamefast DS430S Чип Forge и пайка HearthDS430D Комбинированный чип Forge и двойной Пайка HearthVARIVAC Modular Вытяжка SystemWelding BenchesChassis Карбюратор — FF5250 PCAR Air Система кондиционирования — FF9130 Двухроторный двигатель Ванкеля — FF4400 Гибридный двигатель — FF4500 Цилиндровый двигатель — FF4550 Бензиновый двигатель — FF4600 Двигатель Fiat с 16 клапанами — Двигатель FF4800 Fiat — FF4805 Карбюратор с бензиновым двигателем — FF5000 Petrol Eng Бензиновый двигатель ine- FF5150 — FF5165Бензиновый двигатель — FF5170 Двигатель Toyota Lexus — FF5178 Бензиновый двигатель Toyota — FF5181FF5190 Бензиновый двигатель с 6-цилиндровым двигателем Карбюратор Бензиновый двигатель Fiat — FF5210 C Бензиновый двигатель Fiat — Бензиновый двигатель FF5211 C — Двигатель FF5450 Дизельный двигатель FF5230Cyl Двигатель — FF6010Дизельный двигатель с турбонаддувом Common Rail — FF6015Дизельный двигатель с турбонаддувом — Дизельный двигатель FF6020 для малых автомобилей — Дизельный двигатель FF6065 с передним приводом — Дизельный двигатель с турбонаддувом FF6068 — Дизельный двигатель FF6070 для грузовиков с турбонаддувом — FF6080 Двигатель — Дизельный двигатель FF6120 — FF6122 Двигатель с оппозитным поршнем — Модель дизельного двигателя FF9260 — FF7000 Дизельный двигатель — Модель бензинового двигателя FF7100 — FF7200 Бензиновый двигатель мотоцикла — FF7400 Бензиновый двигатель — Бензиновый двигатель FF7450 — FF7460 Многоточечный электронный впрыск модели Fel75 — Двигатель FF7490 W FF9220 Турбореактивный двигатель — FF9200 Турбореактивный двигатель — FF9210 Турбинный двигатель — Мотоцикл «Moto Guzzi» FF9240 — Двигатель FF7800CVT — Бензиновый двигатель мотоцикла FF7810 «Ducati» — 2-тактный двигатель FF7820 «Vespa — Piaggio» — Тренажер для бензинового двигателя FF7840 — Тренажер для бензинового двигателя ER-FF1210 — Тренажер для бензинового двигателя — ER-FF1210DISPetrol Engine Тренажер — ER-FF7852 Тренажер мотроника — ER-FF7865 Тренажер двигателя Ecotec — ER-FF7875 Тренажер Ecotec + Can-Bus — ER-FF7876 Тренажер двигателя — ER-FF7895E Тренажер двигателя — ER-FF7897 Тренажёр дизельного двигателя — ER-FF8710 Тренажер дизельного двигателя ERF87D — Тренажер двигателя ER-FF9303HDI — Тренажер двигателя ER-FF9404 с турбонаддувом — Тренажер дизельного двигателя ER-FF9505 — Тренажер дизельного двигателя ER-FF9606 — Секционная коробка передач для грузового автомобиля HXED-FF003 — Тренажер для мотоциклов HXGM-FF003 — Двигатель для мотоциклов MCER3M-Engine001 — MCER-Engine001 Инструктор — MCER-FF005 Тренажер для дизельного двигателя — Шасси с бензиновым многоточечным двигателем REV-FF001 — FF5272 Шасси с турбонаддувом — FF6175 Автомобильное шасси Fiat — FF5300Fiat с двойным валом (DOHC) — FF5340 Fi Передняя часть заднего привода — FF5420 FF6140 Fiat Turbo Diesel Шасси с задним приводом Система кондиционирования воздуха — FF10650 Альтернативный осевой компрессор — FF10651 Дисковый тормоз — FF12000 Барабанный тормоз — FF12010 Дисковый и барабанный тормоз — FF12030 Двухконтурные тормоза — FF12050 Тормозная система FVOF12050 Пневматическая подвеска FF201 Тормозная система — FF12170ABS Тормозная плата — FF12230 Симулятор АБС — FF12274 Симулятор тормозной системы — FF12275 Вакуумный сервотормоз — FF12300 Главный тормозной цилиндр — FF12302 Тормоз с педалью — FF12304 Двойное сцепление — FF11090 Двойное сцепление — FF11095 Convert Clutch — FF11095 Convert Clutch — FF11095 Convert Clutch Control — FF11095 Convert Clutch Control — FF11095 Convert Clutch Control — FF11095 Convert Clutch Control — FF11141 Повышенная передача — FF11150 5-ступенчатая коробка передач — FF10980 Коробка передач с дифференциалом — FF11005 Коробка передач с дифференциалом — FF11006 Коробка передач плюс сцепление — FF10788 Коробка передач со сцеплением — FF11020 Коробка передач — FF11030 Коробка передач с прямым переключением FF11064 Коробка передач с роботизированной коробкой передач FF11064 — Коробка передач FF11068 для тяжелых грузовиков — FF11069 ZF Fuller 13-ступенчатая коробка передач — FF11070 Коробка передач FF11080 с редуктором Блок зажигания катушки — FF10000 Система зажигания — Блок впрыска FF10030 — FF9150 Многоточечная электронная система впрыска — FF9900 Одноточечная система впрыска F199 — Система впрыска F199 F10 Инжектор — FF10112 Впрыскивающий насос — FF10180 Впрыскивающий насос Bosch — FF10220 Впрыскивающий насос — FF10200 Одноцилиндровый впрыскивающий насос — FF10230 Ротационный впрыскивающий насос Bosch — FF10240 Ротационный впрыскивающий насос — FF10250 CAV DPC Впрыскивающий насос — FF10260 Радиально-поршневой насос FF270 FF10290 Поршень с прямым впрыском — FF10500 Каталитический глушитель — FF10630 Топливный контур сжиженного нефтяного газа — FF10520 Последовательный впрыск по времени — FF10525 Автомобильная световая и акустическая система — FF13560 Распределительный щит системы освещения мотоцикла — FF13580 Генератор — FF10091, FF10092 Насосы FF10104, FF10106, FF10108 — FF10390, FF10385, FF10380, FF10370Pumps — FF10410, FF10420, FF10440Steering — FF10700, FF10710, FF10720, FF10730Power Рулевое управление — FF10750 стойку рулевого управления с гидроусилителем — FF10760 Electric Power-Assited Рулевое управление — FF10778Pneumatic подвески компрессора — FF10635Electrically рулевого управления — FF10780Electrical реечной Рулевое управление — FF10782 Усилитель рулевого управления — FF10784 Учебная модель — FF11205 Рулевое управление — FF11210 Рулевое управление — FF11220 Учебный стенд — Тренажер с секционным тормозом FF9990 — Дизельный двигатель XBR-FF003 с турбонаддувом — FF6075 Задний мост для грузового автомобиля с секциями — HXRA-FF003Membrane CD Dynamo / Генератор / Стартер — FF10090, FF10080, FF10070 Дизель Common-Rail — FF10300 Дизельный электроинжектор — FF10305 Вертикальный двойной карбюратор — FF10310 Контур питания бензинового двигателя — FF10350 Электронный контур подачи впрыска — FF10355 Бензиновый инжектор Fro10360 Корпус дроссельной заслонки FF10355 — FF10361 Головка двигателя — FF10366 Головка двигателя — FF10367 Twin Головка двигателя с верхним расположением клапана клапана — Турбокомпрессор FF10368 — FF10430 Турбонагнетатель с изменяемой геометрией — FF10460 Головка двигателя — Турбонагнетатель FF10369 — FF10441 Турбо-промежуточный охладитель — FF10450 / 51Роторный компрессор типа F65 и FF10442 Турбокомпрессор FF10442 Sequential — FF10442 Учебная модель заднего моста с планетарной передачей — FF11200 Автоматическая трансмиссия — FF11040 Автоматическая трансмиссия — FF11042 Автоматическая трансмиссия — FF11050FF11060 Автоматическая трансмиссия, задний привод, 4 скорости переднего хода плюс обратный гомосинетический шарнир — FF11201 Вал гребного винта — FF11160Передняя муфта с муфтой FF11160 Гипоидный дифференциал — FF11260 Дифференциал Torsen — FF11270 Гипоидный дифференциал — FF11280 Блокирующий дифференциал — FF11290 Трансмиссия автомобиля в сборе — FF11300 Тренажер регулировки углов установки колес — WAT-FF001 Тормозной тренажер BR-FF0180 Toyota Brake Rig Trainer — BR-FF16270 Brake Rig Тренажер для тормозной установки — BR-FF0161 Тренажер для тормозной установки Ford Focus — Тренажер для тормозной системы BR-FF0160 + ABS — BR-FF0130 Тренажер для пневматического тормоза — ABTT-FF001 Teves ATE ABS Simulator — AB-FFHLLR 5.3 Симулятор ABS — AB-FF53R Симулятор ABS — Тренажер шасси AB-FF2EHR — Тренажер шасси CT-FF0315 — Тренажер иммобилайзера CT-FF0315N — Тренажер CAN-BUS ALM / IMM-FF001 — Тренинг CAN-FF001 CAN-BUS — CAN-FF002 Тренажер центрального запирания дверей — CDL-FF001 Тренажер с пневматической подвеской — Тренажер для электрических окон ECAS-FF001 — Тренажер для газоразрядного освещения EW-FF001 — Тренажёр для мультиплексирования HID-FF001 — Тренажер для подушки безопасности MPX-FF001 — Тренажер для подушки безопасности SRS-FF002 Автоматический электрический тренажёр — SWET-FF001 Авто-электрический тренажер — WIL-FF79 Авто-электрический тренажер — WIL-FF79A Авто-электрический тренажер — XAL-FF002 Авто-электрический тренажер — XAL-FF004 Авто-электрический тренажер — XAL-FF006 Авто-электрический тренажер — XAL-FF008 Монореактивная плата впрыска топлива — FB-FF0100DJetronic Плата впрыска топлива — FB-FF0200W Плата впрыска топлива Motronic — FB-FF0230D Плата впрыска топлива Motronic — Плата впрыска топлива FB-FF0230W — FB-FF0241D Плата впрыска топлива — FB-FF0241W Тренажер системы впрыска топлива — FB-FF0260DF40D3 Плата впрыска топлива Common Rail F40D ve Револьвер зажигания — IG-FF0155DIS Револьвер зажигания — IG-FF0130 Револьвер зажигания — IG-FF0115 Револьвер зажигания CB — IG-FF0105 Тренажер свечей накаливания — GP-FF001 Тренажер кондиционирования воздуха — AC-FF0101RA Тренажер кондиционирования воздуха с неисправностями — AC-F CCFF6 -FF001 Тренажер по рулевому управлению и подвеске — STS-FF001 Тренажер по рулевому управлению и подвеске — STS-FF002 Главный тормозной цилиндр — FF12250 Аккумулятор — FF10040 Свеча зажигания -FF10365 Система обучения мобильной гидравлике Роторы водяного насоса — FF13000 Морской подвесной двигатель — FF7900 / 10/1520 / 18Hy Reverser — Морской бортовой дизельный двигатель FF7930 — Судовой бортовой дизельный двигатель FF7940 — FF7950 Радиальный двигатель — FF9280 Castoldi Hydrojet Турбовентилятор Eurojet EJ200 Прямоточный поршневой насос — FF12999 Центробежный электрический насос — FF13020Многоступенчатый центробежный насос FFroF30, FF030, FF130201, Многоступенчатый центробежный насос FF, FF13050 — FF13091 Угловой редуктор — FF13092 Редукторы — FF13096, FF13097, FF13098 Коаксиальный редуктор Epcicloyd — FF13099 Hydrau lic Gear Engine — FF13101 Simple Effect Piston — FF13104 Double Effect Гидравлический цилиндр — FF13107 Конический цилиндрический редуктор — FF13110 Шарикоподшипник Koyo — FF13111 Турбина Francis — FF9180 Турбина Pelton — FF9190 Компрессоры — FF130Screw, F3071 и F30F130 Компрессор Hermes — FF13083 Ротационный компрессор — FF13084 Полугерметичный компрессор — FF13085 Гидравлический / пневматический шаровой клапан с разрезом — FF13120 Клапаны с разрезом — FF13124 / 126/128 Шаровой клапан со стандартным отверстием с разрезным отверстием — FF13130Регулирующий трубопровод FWF13 и циркуляционный клапан F13814 — FF13814 & FF13152 Клапаны с отводом — FF13154 & FF13156 Самоочищающийся фильтр с отводом — FF13158 Трактор с 4 ведущими колесами — FF8000 Колесный трактор с колесами — FF8100 Сельскохозяйственный трактор с 4 ведущими колесами — FF8300 Трактор — FF8350 Трансмиссия для гусеничного трактора F8360 Двигатель FF8360 Трансмиссия с приводом FF8390 Культиватор — FF86009 — Рядная механическая сеялка — Распылитель FF8610 — Разбрасыватель навоза FF8620 — Удобрение FF8640 — FF8650 Модель зерноуборочного комбайна — Модель подборщика подборщика FF8660 — Модель с рулевым механизмом FF8661 — Модель плуга FF8662 — FF8663, FF8664, FFL8665 — Трактор с дизельным двигателем FiF8665 -PCB EngraverFLA-UP! Принтер 3D Plus Mini 3D PrinterTMX65 LaserDry пылеуловителиFLA-MRC 40FLA-Woodpecker Drills Bandfacers Antelope & DeerДвухсторонняя шлифовальная машина — GryphonДвухсторонняя шлифовальная машина — Chamois PL Series Cut 2500Swift-Cut 3000 Секционный тренажер для тракторов — XGL-FF001PNEUTRAINER-200HYDROTRAINER-200Модель CarScience KitProfessionalClean Energy TrainerHyDrive — Тренажер для электромобилейДополнительная сварочная система — SoldamaticСтол для извлечения больших отходов MS1 — PL16Small10 Local Extraction Unit — PL16Small10 — HM-1-EDUS — Ленточная пила — 501201 — Ленточная пила для образовательных целей — Ленточная пила ACMAxminster — 501199 Ленточная пила Axminster — 501218 Ленточная пила Axminster — 700355 Циркулярная пила Sedgwick Tilt TA315Циркулярная пила Bench AxminsterBraked Disc Sander — 5022092Bench Mortal Disc Sander — 502209230 0 газовоздушной TorchSwiftySwifty-EduSedgwick Hollow Зубило 571Education Bandsaw — 402 ACMEducation Bandsaw — 600 ACMSedgwick PT рубанок ThicknesserSedgwick CP рубанок ThicknesserSedgwick MB рубанок ThicknesserBoxford Laser EngraversC180 II LaserPro — GCC Laser EngraverMercury III LaserPro — GCC Laser EngraverX252 LaserPro — GCC Laser Cutter EngraverSpirit LS LaserPro — НКУ Лазерный гравер Spirit GLS Hybrid LaserPro — Лазерный гравер GCCX380 LaserPro — Лазерный резак GCCMG380 Гибридный LaserPro — Лазерный резакT500 LaserPro — Лазерный гравер GCCX500 II LaserPro — Лазерный гравер GCC Система пламенной пайки — OHM 2.

