Схема питания бензонасоса ваз 2110
Электросхема бензонасоса в инжекторном ВАЗ 2110
Топливный насосНа чтение 3 мин.
электросхема бензонасоса ваз 2110 инжектор, ее устройство, принцип работы, а также способы проверки основных неисправностей в электро цепи бензонасоса.
Автомобиль Ваз 2110 с системой инжектор даже через несколько лет после того как модель сняли с производства по-прежнему весьма популярен среди автолюбителей. Главные причины этого — простота обслуживания и надежность машины. Однако есть и негативные моменты у ВАЗ 2110 с системой инжектор очень часто бывают проблемы с электроникой. Электросхема достаточно сложна для русского автомобиля и насчитывает 75 элементов.
Однако самое слабое место топливный насос.
Его электросхема выглядит следующим образом:
- Основным является реле бензонасоса, там установлены все необходимые предохранители.
- Далее, электросхема расходится от одного из предохранителей к колодке диагностики и самому устройству.

- От следующего к главному реле и форсункам.
- Далее, электросхема идет к электронному блоку управления.
- Также электросхема топливного насоса идет к аккумулятору.
Таким образом, получается, что у ВАЗ 2110 с инжектор, насос имеет в своем составе 4 электродетали. В случае сбоев связанных с работой насоса их и следует проверять первыми.
Принцип работы
Дабы вам было проще разобраться в электрической схеме 2110 с системой инжектор, рассмотрим его устройство и сам принцип работы.
Итак, в процессе принимают участие:
- Электронный блок управления.
- Реле включения топливного агрегата.
- Предохранители, которые защищают электрическую цепь устройства от перегрузок.
На практике топливный агрегат начинает работу в момент поворота ключа зажигается на один оборот. Прежде чем завести двигатель прислушайтесь – в этот момент можно услышать, как устройство начинает работать и накачивает бензин.
Неисправности в электросхеме
Теперь, когда вы знаете устройство агрегата, давайте разберемся, что делать в случае его неисправностей. Итак, если он не подает признаков жизни – проблема, скорее всего, в перегоревших электродеталях.
Искать их нужно не в электрическом блоке, а непосредственно в салоне Ваз 2110 с системой инжектор. Процесс выглядит следующим образом:
- Первым делом найдите предохранители. Они располагаются около передней консоли с правой пассажирской стороны. Там необходимо отыскать пластиковый щиток и демонтировать его. (Крепится деталь на трех саморезах).
- Там вы обнаружите три предохранителя и столько же реле.
- Реле, расположенное, по центру питает топливный. Слева от него располагается тот, который защищает форсунки. Его необходимо вынуть и проверить на работоспособность. Если, деталь окислилась зачистите контакты. Если видимых повреждение нет, возможно, предохранитель перегорел и его придется заменить.
Если же не помогают вышеперечисленные методы, более активно вмешиваться в электрическую систему ВАЗ 2110 с системой инжектор не стоит.
По незнанию можно только навредить автомобилю.
Топливный агрегат перестанет работать и тогда потребуется более дорогостоящий ремонт. Поэтому процесс лучше доверить профессионалам.
autodont.ru
Как проверить реле бензонасоса ВАЗ 2110
Причина отказа бензонасоса на ВАЗ-2110.
Реле торпеды #34.
ВАЗ-21114 и ВАЗ-21124 с распределенным впрыском топлива под нормы токсичнос…
не работает бензонасос на 2110 как проверить подается ли напряжение на него…
Ваз 2110 электросхема бензонасоса.
Реле вентилятора ваз.
Демонтаж стартера и связь с реле.
Либо плохая масса бензонасоса под ручником, либо сдыхает реле БН, либо серы…
Никак ни заводится ваз 2109i.
7.2.18. Снятие контроллера, реле и предохранителей.
Не работает бензонасос на 2110 инжектор, ни с того ни с сего (Чебоксары) .
Ваз 2110 электробензонасос и его снятие.
ВАЗ-2109 (инжектор) — ВАЗ-передний привод.Фишка бензонасоса Ваз 2113,14,15.
БЕНЗОНАСОС НЕ КАЧАЕТ. бензонасос не качает.
#517478. Как боротся с перегревом бензонасоса.
Схема реле бензонасоса ваз 2110.
бензонасос (топливный насос) ВАЗ 2114 2115.
При повороте ключа бензонасос.
и снимаем бензонасос с направляющих.
Реле бензонасоса.
Схема стеклоочистителя ВАЗ 2110.
Снял, проверил — работает как нужно.
vaz-2110.net
Лада 2115 › Бортжурнал › Алгоритм устранения неисправности электробензонасоса
Привет всем подписчикам! Одна из распространенных ситуаций, случающихся, как правило неожиданно, является то, что отсутствует привычное жужжание электробензонасоса в задней части автомобиля при включеннии зажигания.
Полный размер
фрагмент схемы электронасоса
Внимание работа с электрикой опасна. Если Вы не уверены, воспользуйтесь помощью квалифицированного специалиста.
Первым делом водителю следует сначала снять боковую консоль со стороны пассажира (там находятся 3 реле с предохранителями) Наше реле электробензонасоса – нижнее. (В некоторых автомобилях с 2007 года находится 2 реле, но реле бензонасоса там верхнее — см. руководство по ремонту). Прямо над нижним реле находится наш предохранитель. Первым этапом нужно убедится в исправности этого предохранителя (фото 1 этап).
Полный размер
Этап 1
Если предохранитель исправен и контакты его и его разъема не окислены, то нужно убедиться в исправности реле. Можно сразу же установить заведомо исправное реле и включить зажигание.
Вторым этапом (фото этап 2) нужно определить есть ли управляющее напряжение на реле бензонасоса. Цепляем мультиметр, включаем зажигание и определяем величину напряжения. Если же напряжения нет, то имеет место обрыв цепи идущего от главного реле, либо от ЭБУ. Если напряжение есть, то идем дальше.
Полный размер
Этап 2
Этап 3 (фото этап 3) заключается в том, чтобы определить отходит ли питание дальше непосредственно на сам бензонасос. Если питание не отходит-виновник скорее всего реле из-за возможно подгоревших контактов. Если напряжение отходит, но величина его 10 вольт, то скорее всего также подгорели контакты реле.
Если же питание отходит дальше и величина его 12 Вольт, то виновник провода идущие к электромоторчику насоса или же сам насос.
Полный размер
Этап 3
Дальше придется снимать сидушку заднего сидения, чтоб добраться до фишки электробензонасоса. Снимаем лючок и видим фишку бензонасоса. На фишке 3 провода: 1-минус, 2-плюс датчика уровня топлива, 3 — плюс самого бензонасоса. К сожалению последовательность и расположение на фишке их пока не скажу. В любом случае при включенном зажигании должно быть 2 плюса и один минус.
На фото 4 (фото этап 4) подключаемся поочередно к контактам фишки бензонасоса и смотрим наличие и величину напряжения. Если напряжение есть, то виновник сам электробензонасос и без его извлечения скорее всего причину не устранить.
Этап 4
Будьте аккуратны с электрикой и помните: что также цепь управления бензонасосом может рвать неисправное реле охранной сигнализации.
Всем ровных дорог.
www.drive2.ru
Замолчал бензонасос или очередной нежданьчик. — Лада 2110, 1.5 л., 2003 года на DRIVE2
Моя машина подкинула мне очередной нежданьчик. Собрался с утра ехать на работу, поворачиваю ключ и понимаю, что что-то не так. Кручу стартер, а тачка не заводиться. Ещё раз поворачиваю ключ и не слышу звука бензонасоса, так и есть, насос не качает. Снимаю правую крышку центральной консоли, проверяю предохранитель, он в порядке.
Думаю, может реле бензонасоса, подкинул заведомо рабочую релешку, благо была под рукой –тишина.
Разобрал задний диван, открутил крышку и снял клемму бензонасоса.
К клемме идёт 4 провода. Зачем нужны три из них я сообразил сразу, чёрный с белой полоской – земля, крепится к болту крепления ручника. Синий с красной полоской, судя по всему сигнал от датчика уровня топлива. Красный провод +12в, как я сначала подумал питание бензонасоса, но покурив форумы я выяснил, что за питание бензонасоса отвечает серый провод, у меня на нем был ноль, а красный, скорее всего, служит для питания поплавка датчика уровня топлива.
На форумах пишут, что на десятках типовым дефектом является перетирание провода питания бензонасоса, он там стелется прямо по металлу кузова.
Ещё советовали проверить затяжку провода мысы, но как оказалось не мой случай.
Так как для того чтобы проверить провод, пришлось бы снимать ковролин, а для этого надо разобрать центральную консоль, и снять кресла, я решил пока этого не делать и поискать проблему с другой стороны.
Снял левую крышку с центральной консоли и вижу, что из жгута выходит серый провод и идёт на знакомую мне релешку. И тут я вспоминаю, что с ней у меня уже были проблемы, про которые я уже благополучно забыл. Года три назад, сразу после покупки машины это реле выделывалось похожим образом.
Судя по всему, это реле управляется сигнализацией. Достал его, почистил окисленные контакты и тачка завелась.
Итог, два часа секса из-за такой мелочи. Теперь я точно не забуду про существование этой релешки.
www.drive2.ru
Бензонасос — Лада 2112, 1.
5 л., 2003 года на DRIVE2Привет всем =)
Вообщем случилась такая ситуёвина, в четверг после рабочей смены(2смена), прогрел машину и поехал домой, отъехал метров 200 и машина перестала набирать скорость, съехал на обочину и заглох. Поворачиваю ключ а бензонасос молчит, посмотрел предохранители, реле, но ничего не изменилось и понял что бензонасос отказал. Дотащили меня до дома и я пошел спать.
Днем перед работай еще раз проверил, повернул ключ, услышал жужание и завел, ууура… но через 2 сек заглох, достал бензонасос, покрутил, повертел, поменял сеточку поставил обратно, ничего не изменилось и пошел на работу, давно я на автобусе не катался =)
Сегодня хотел покупать новый насос, но решил сначала проверить все еще раз, но по нормальному. Фоток только не сделал, увлекся процессом. Но нашел примерно похожие картинки в инете и не плохую статью
Вообщем начал я опять с предов и релюх
Реле и предохранитель нужно искать у ног пассажира
Снял крышку и начал снимать все и зачищать от налета, поменял реле на новую и решил поставить новые преды.
Повернул ключ, реле щелкает, через несколько секунд опять щелкнула, значит все работает, но насос не качает.
Идем дальше
Снимаем крышку бензонасоса
Проверил поступает ли ток к насосу, но прибора не было с собой, поэтому решил использовать лампу
Снял эту фишку и подключил лампочку
Полный размер
Лампу нужно подключить к двум проводкам: плюс — серый и минус — черно-белый.
Поворачиваю ключ, реле щелкает, лампочка загорается, пару секунд, реле щелкает и лампа тухнет, значит все в норме.
Остается последний вариант и достаем бензонасос
раскручиваем все, аккуратно достаем
Разобрал всю эту конструкцию, достал насос и напрямую от акума подключил, а он молчит и я почти расстроился, попробовал еще пару раз, он издал какой то звук, потом еще и загудел как положено =)
у меня точно такой же
Собрал все обратно, и не опуская в бак решил попробовать, повернул ключ и все работает =)
поставил все обратно, и решил заводится, но хрен… другая беда, акум разрядился =(
Поставил на зарядку, но через пару часов не выдержал и пошел попробовать, повернул ключ, насос качает, кручу дальше а она не хочет заводится, залил свечи походу, но на 4й раз завелась =) ууУРРААан =)
Не радовался так, даже когда машину купил, два дня без машины
Теперь надо еще фильтр поменять и все будет гуд =)
Всем удачи и ровных дорог! =)
www.
drive2.ru
Замена бензонасоса ВАЗ 2110 — Лада 2110, 1.5 л., 2004 года на DRIVE2
Приветствую. Продолжаю поиски вялой тяги. До этого заменено пожалуй все, что можно по топливной системе. Вплоть до сетки в баке. Совсем недавно настроили клапана…Но не то все… Крайним оставался бензонасос. Перед дальней поездкой, где сейчас и нахожусь, решил замерить давление насоса. В итоге не зря. Рабочий, все как полагается, но вот очков своих не выдавал на порядок. Т.е. можно было с ним ещё лет 10 кататься, а может и помер бы в пути. Решено менять, а стоявший оставить в багажнике на запас.
Купил по рекомендациям ЭЛКАР. Тот же Siemens.
Полный размер
Такая вот деталька
Полный размер
По заверениям диагноста и продавца, элкар не что иное как сименс.
Замена простейшая. Извлекаем из бака насос и ставим новый. Инфы в сети и видео полно.
Полный размер
Заодно взял на замену уплотнительнле кольцо на корпус насоса, и 2 колечка на топливные трубки бака.
Теперь по результатам.
Стоявший ранее насос Bosch хоть у находился в предсмертном состоянии, но работал тише (от слова «я его и не слышал вовсе»). Новый же Siemens и при подаче напряжения, при включении зажигания создаёт более гулкий шум, и при работе при запуске двигателя также слышен. Еле еле, но слышен, если прислушаться и знать все звуки, которые издает твой автомобиль. Нет, конечно не критично, но все же стоит это отметить. Теперь по тяге. Да, она чуть улучшилась, чууууть легче набирает обороты, но опять таки вяло.Теперь, когда уже исключено все методом замены на новое, вывод один. Нужно убирать эбу бош 1.5.4 и переходить на январь. Если не поможет и это, то… То даже уже не знаю что…
Хотя по трассе бошевский мозг не расходует топливо, а просто нюхает его. Не мог поверить глазам, когда пройдя 569км. дозаправился до полного бака (30л.). Расход составил 5.2 литра. При темпе 90-140 км. Что считаю неплохим результатом в плане экономичности, но я за ней и не гонюсь. Буду копать дальше и глубже, и заставлю её ехать так, как должен ехать правильный 8 клоп…
P.
S. Скорее для себя. Одновременно с заменой насоса, чтобы быть уже уверенным до конца в проделанной работе, промыл ещё раз дроссель, теперь уже со снятием его и заменой прокладки.www.drive2.ru
Электросхема питания бензонасоса ваз 2110
Электробензонасос ваз 2110: меняем своими руками
Электробензонасос
В легковых автомобилях с инжекторным двигателем применяются электрические топливные бензонасосы. Они установлены внутри топливного бака.На некоторых марках машин установлены два бензонасоса. Электробензонасос ваз 2110 первый выполняет работу под низким давлением при работе двигателя на больших оборотах, а второй под высоким давлением при малых оборотах.В данной статье будет описан не только сам бензонасос, но и вся электрическая схема подключения бензонасоса ваз 2110.
Предназначение
Бензонасос электрический ваз 2110
Принципиальная работа электрического бензонасоса основана на проталкивании топлива под давлением в двигатель. Обычные бензонасосы ваз засасывают бензин из бензобака, незначительный промежуток от насоса до карбюратора позволяет работать при низком давлении.
Электрические бензонасосы первых выпусков ВАЗов работали с одинаковой скоростью. Промышленностью налажен выпуск насосов соответствующих растущим требованиям автомобилестроения, теперь работа их полностью зависит от скорости работы двигателя.
Примечание. Электронная система автомобиля осуществляет контроль над работой бензонасоса. Она соответствует нескольким факторам: температуре окружающей среды, в каком положении дроссель заслонки, состав выхлопных газов.
Работа электрических бензонасосов осуществляется под давлением, поэтому повышается шум и быстрое нагревание. По этим причинам устанавливаются они в бензобаке.Бензин охлаждает и глушит звук работающего насоса.
Процесс работы
Бензонасос электрический на ваз 2110
Водитель включает замок зажигания, подается сигнал от бортового компьютера на электродвигатель насоса, в котором происходит электрический заряд. Внутри самого насоса начинает работать моторчик, за несколько секунд создается рабочий уровень давления в системе подачи топлива.
По истечении трех секунд бортовой компьютер не подаст сигнал для запуска двигателя, происходит автоматическое отключение двигателя насоса. В это время можно услышать работу электробензонасоса.В первые секунды начала работы насоса в него через трубку поступает бензин. Выход топлива происходит через установленный производителем специальный односторонний клапан, который задерживает мусор и примеси.
Причины выхода из строя и замена
Ваз 2110 подключение электробензонасоса
Выход бензонасоса из строя происходит по нескольким причинам:
Из-за несоблюдения таких простых правил, электробензонасос работает на износ. Поэтому преждевременно происходят сбои в работе топливной системы.
Примечание: необходимо вовремя менять топливные фильтры, в особенности при заливке некачественного бензина. Соблюдать главное правило, бензобак должен бы
motorsmarine.ru
Как я искал причину отказа бензонасоса ВАЗ 2110
Вечером заехал в гараж, а утром не смог завести.
Обычно включаю зажигание при этом слышен щелчок реле и жужжание насоса и где-то через 3-5 секунд опять слышен щелчок реле и насос замолкает и поворачиваю ключ до конца, работает стартер но двигатель не заводится потому как нет давления в системе питания, насос не качает.
Ищу причину отказа бензонасоса путем проверки предохранителя, который находится
Под боковиной в глубине находятся блок предохранителей, реле и ЭБУ.
Блок реле и предохранителей в увеличенном виде
Вначале проверил предохранитель под номером 3 вынул из гнезда осмотрел состояние контактов и прибором проверил целостность, предохранитель оказался целым (к стати на 15 ампер)
это не помогло, далее проверил реле под номером 4. Для этого отвернул гайки указанные стрелками, чтобы снять реле и поставить заведомо исправное. Где взять исправное реле? Можно снять на время проверки в монтажном блоке реле «дальний свет» оно точно такое же как и реле бензонасоса.
Это не помогло, снял заднее сидение под, которым находится бензобак с погружным насосом.
Далее открывается перед нами
Прежде чем произвести выше указанные действия я проверил цепь питания (+)(-) т.е. масса бензонасоса на разъёме под номером 5 прибором можно и контрольной лампой результат положительный, проверил целостность цепи на косичке на разъемах под номерами 4,6
Может случиться что не будет цепи питания (+) или (—) на разъеме под номером 5. Если (—) т.е. масса не приходит на разъем нужно проверить место соединения с кузовом. У меня цепи питания прозвонились.
Место подключения массы труднодоступное, чтобы добраться нужно разобрать верхнюю и нижнюю облицовку туннеля пола.
Я проверил цепи питания приходят до разъема под номером 4, а бензонасос не работает, то произвел вышеуказанные действия как показано на рисунке, достал топливный модуль с бензонасосом из топливного бака.
Снял прижимное кольцо и прокладку
Осторожно вытащил топливный модуль из бака немного, наклонив в сторону правой двери салона, чтобы не погнуть поводок поплавка датчика указателя топлива (ДУТ)
Разобрал топливный модуль. Отдельно проверил насос напрямую от аккумулятора. Насос работает. Проверил разъемы и нашел причину отказа оказывается плюсовой контакт разъема (в виде штыря) снизу под кожухом слегка подгорел. Контакт (в виде штыря) разъема почистил, а другую сторону разъема не смог.
Купил в сборе с поплавком.
Собрал топливный модуль, не устанавливая в бензобак проверил, работает. Устанавливать насос нужно стрелкой в сторону багажника. Установил и поехал бензонасос работает нормально.
Вступите в группу, и вы сможете просматривать изображения в полном размере
subscribe.ru
Распиновка штекера бензонасоса ваз 2110
Если стартер Вашей машины крутит нормально, а машина не заводится, первым делом надо проверить включение топливного насоса.
На отечественных машинах его работа слышна из салона, при включении зажигания характерное жужжание из-под заднего сидения или багажника. В случае, когда не работает топливный насос, надо проверить целостность предохранителей и включение главного реле системы управления двигателем и реле топливного насоса.
На ВАЗ-2107, ВАЗ-2108, ВАЗ-2109 и их модификациях, реле и предохранители находятся на полочке под бардачком или под ней. На ВАЗ-2110 и подобных, следует искать в консоли отопителя с пассажирской стороны, открутив винты крепления и убрав боковую крышку. На автомобилях ГАЗ они находится в под капотном пространстве на передней стенке салона, ближе к пассажирской стороне.
Реле топливного насоса не включается.
Если не работает топливный насос, то в первую очередь надо проверить влечение главного реле и реле топливного насоса. В случае если главное реле не щёлкает, то необходимо проверить цепь его включения и его исправность. Как это сделать описано в статье не включается главное реле,
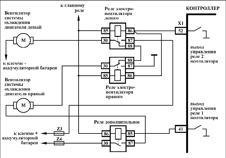
В случае, когда главное реле включается, а реле топливного насоса нет, необходимо проверить питание на выводах 85 и 86.
При использовании контрольной лампы, её потребляемый ток не должен превышать 0,25А., в противном случае может произойти порча контроллера. Если ни на одном выводе контрольная лампа не горит, то на реле не поступает питание. Это может быть вызвано перегоранием предохранителя или обрывом питающего провода.
В случае, когда лампа горит на одном выводе ярко, а на втором в пол накала и при этом возможно срабатывание реле, следует удалить реле из гнезда и соединить выводы 85 и 86 контрольной лампой. При включении зажигания контрольная лампа должна загореть и потухнуть примерно через 20 – 30 секунд. Если лампа загорается и имеется плохой контакт в соединении колодки и реле топливного насоса. В случае, когда лампа не загорается, возможен обрыв в проводе соединяющем реле с контроллером или неисправен сам контроллер.
Не работает топливный насос, реле включается.
Проверка питания реле.
В том случае, когда при включении зажигания реле топливного насоса включается, а сам насос не работает, необходимо проверить питание на выводе 87 реле топливного насоса.
Для этого выводом контрольной лампы подключенной к массе автомобиля касаемся клеммы 87 гнезда реле, при этом лампа должна загореть. Если лампа не горит, значит, перегорел предохранитель или есть обрыв в проводе.
При наличие питания на клемме 87, следует удалить реле из гнезда, а вместо него поставить перемычку между выводами 87 и 30. В этом случае при исправном насосе и соединительных проводах, насос должен начать работать и если это произошло, следует поменять реле. Если насос не начал работать то, не убирая перемычку, необходимо контрольной лампой подключенной к массе автомобиля коснуться питающего провода на топливном насосе.
Проверка цепи питания топливного насоса.
Если на автомобиле установлен погружной насос, в составе топливного модуля, необходимо снять соединительный разъём и коснуться одного из толстых проводов. При касании одного из них контрольная лампа должна гореть. Если лампа не горит ни на одном из проводов, то надо устранить обрыв в проводе от реле топливного насоса до разъёма модуля или самого насоса, если насос выносного типа.
Одной из причин обрыва может быть блокировка от угона установленной не штатной сигнализации.
В том случае, когда контрольная лампа загорается на одном из толстых проводов разъёма или одном из выводов выносного насоса, надо соединить эти выводы контрольной лампой между собой. При этом контрольная лампа должна гореть. Если лампа не горит надо устранить обрыв или плохой контакт в проводе, соединяющем насос с массой автомобиля.
В случае, когда при проверке проводов и реле включения топливного насоса неисправность не выявлена, неисправен электродвигатель топливного насоса или его соединение с разъёмом модуля. Найти причину не сложно вытащив модуль топливного насоса из бака. При плохом контакте с разъёмом будет видно оплавление штекеров. Если оплавления не замечено, то для проверки самого насоса можно подключить его к аккумулятору. При этом надо учитывать, что работа погружного насоса без жидкости, выводит насос из строя. Неисправный насос следует заменить.
Стало интересно, для чего свободные разъемы под панелью, посмотрел у друга — так же висят.
Первым делом поискал их на схеме, нашел №3 (колодка, присоединяемая к жгуту проводов кондиционера), №5(для часов), №6 (для датчиков износа колодок передних тормозов).
Цвета проводов:
Разъем 1 – Желтый с голубой полосой, зеленый
Разъем 2 – Желтый
Разъем 3 – Розовый с голубой полосой, зеленый
Разъем 4 – Желтый с белой полосой, зеленый
Разъем 5 – Черный, белый, оранжевый с черной полосой, красный с белой полосой
Нашел его на схеме, это для подключения часов)
Разъем 6 – Розовый с черной полосой
их два справа и слева, тоже нашел на схеме это для датчиков износа колодок передних тормзоов
Схема инжекторной десятки
Еще на схеме нашел:
A (на карбюраторной схеме обозначение 28) колодки для подключения электродвигателя омывателя заднего стекла (розово-черный, черный)
С (на карбюраторной схеме обозначение 35) колодки для подключения жгута предупредительного света (оранжевый; коричнево-голубой, черно-зеленый)
На инжекторной схеме не подписана (на карбюраторной схеме обозначение 44) колодка для переключения проводов при установку блок-фар другого типа (зеленый, красно-серый)
E (на карбюраторной схеме обозначение 47) колодки для подключения жгута проводов очистителей фар (желто-голубой, оранжево-белый)
Схема управления двигателем 2111 (конт.
. М1.5.4)
А также на схеме управления двигателем 2111 (конт. М1.5.4)
А — колодка, присоединяемая к жгуту проводов антиблокировочной системы тормозов (АБС)
В — колодка, присоединяемая к жгуту проводов кондиционера
С — к монтажному блоку
D — к клемме «+» аккумуляторной батареи
Е — провода, присоединяемые к выключателю зажигания (лампа подсветки)
F — колодка, подключаемая к голубо-белым проводам, отсоединенным от выключателя зажигания (при установке иммобилайзера)
G1, G2 — точки заземления
Из всех этих колодок у себя в машине нашел, для подключения жгута предупредительного света (подведены к комбинации приборов) и колодки для подключения электродвигателя омывателя заднего стекла (у меня под капотом рядом с ВУТом. Особенно интересно, что ж это за предупредительный свет такой. На автоладе нашел тему про это, человек пять интересовались, никто не в курсе.
Но во многом я разобрался. Например, в местоположении релюшек. Реле задних туманок, центрального замка, а также блок иммобилайзера находятся за панелью, там же реле вентилятора охлаждения, бензонасоса и реле зажигания.
Все остальные реле находятся в монтажном блоке: ближний, дальний, ПТФ, дворники, обогрев заднего стекла, и др.
Выбор и характеристики бортовых компьютеров для ВАХ 2110, 2111, 2112
Хотелось, чтобы имелся бортовой компьютер — нужная штука! А тут еще как специально нужно было менять часики,
Автомобиль Ваз 2110 с системой инжектор даже через несколько лет после того как модель сняли с производства по-прежнему весьма популярен среди автолюбителей. Главные причины этого – простота обслуживания и надежность машины. Однако есть и негативные моменты у ВАЗ 2110 с системой инжектор очень часто бывают проблемы с электроникой. Электросхема достаточно сложна для русского автомобиля и насчитывает 75 элементов.
Однако самое слабое место топливный насос.
Его электросхема выглядит следующим образом:
- Основным является реле бензонасоса, там установлены все необходимые предохранители.
- Далее, электросхема расходится от одного из предохранителей к колодке диагностики и самому устройству.

- От следующего к главному реле и форсункам.
- Далее, электросхема идет к электронному блоку управления.
- Также электросхема топливного насоса идет к аккумулятору.
Таким образом, получается, что у ВАЗ 2110 с инжектор, насос имеет в своем составе 4 электродетали. В случае сбоев связанных с работой насоса их и следует проверять первыми.
Принцип работы
Дабы вам было проще разобраться в электрической схеме 2110 с системой инжектор, рассмотрим его устройство и сам принцип работы.
Итак, в процессе принимают участие:
- Электронный блок управления.
- Реле включения топливного агрегата.
- Предохранители, которые защищают электрическую цепь устройства от перегрузок.
Электросхема ВАЗ 2110
На практике топливный агрегат начинает работу в момент поворота ключа зажигается на один оборот. Прежде чем завести двигатель прислушайтесь – в этот момент можно услышать, как устройство начинает работать и накачивает бензин.
Неисправности в электросхеме
Теперь, когда вы знаете устройство агрегата, давайте разберемся, что делать в случае его неисправностей. Итак, если он не подает признаков жизни – проблема, скорее всего, в перегоревших электродеталях.
Искать их нужно не в электрическом блоке, а непосредственно в салоне Ваз 2110 с системой инжектор. Процесс выглядит следующим образом:
- Первым делом найдите предохранители. Они располагаются около передней консоли с правой пассажирской стороны. Там необходимо отыскать пластиковый щиток и демонтировать его. (Крепится деталь на трех саморезах).
- Там вы обнаружите три предохранителя и столько же реле.
- Реле, расположенное, по центру питает топливный. Слева от него располагается тот, который защищает форсунки. Его необходимо вынуть и проверить на работоспособность. Если, деталь окислилась зачистите контакты. Если видимых повреждение нет, возможно, предохранитель перегорел и его придется заменить.
Если же не помогают вышеперечисленные методы, более активно вмешиваться в электрическую систему ВАЗ 2110 с системой инжектор не стоит.
По незнанию можно только навредить автомобилю.
Топливный агрегат перестанет работать и тогда потребуется более дорогостоящий ремонт. Поэтому процесс лучше доверить профессионалам.
Немного про реле бензонасоса ВАЗ 2110
Warning: preg_match(): Compilation failed: invalid range in character class at offset 4 in /var/www/u0249820/data/www/vaz-remzona.ru/wp-content/themes/root/inc/assets/simple_html_dom.php on line 1364
Warning: preg_match(): Compilation failed: invalid range in character class at offset 4 in /var/www/u0249820/data/www/vaz-remzona.ru/wp-content/themes/root/inc/assets/simple_html_dom.php on line 1364
Warning: preg_match(): Compilation failed: invalid range in character class at offset 4 in /var/www/u0249820/data/www/vaz-remzona.ru/wp-content/themes/root/inc/assets/simple_html_dom.php on line 1364
Warning: preg_match(): Compilation failed: invalid range in character class at offset 4 in /var/www/u0249820/data/www/vaz-remzona.
ru/wp-content/themes/root/inc/assets/simple_html_dom.php on line 1364
Warning: preg_match(): Compilation failed: invalid range in character class at offset 4 in /var/www/u0249820/data/www/vaz-remzona.ru/wp-content/themes/root/inc/assets/simple_html_dom.php on line 1364
Warning: preg_match(): Compilation failed: invalid range in character class at offset 4 in /var/www/u0249820/data/www/vaz-remzona.ru/wp-content/themes/root/inc/assets/simple_html_dom.php on line 1364
Warning: preg_match(): Compilation failed: invalid range in character class at offset 4 in /var/www/u0249820/data/www/vaz-remzona.ru/wp-content/themes/root/inc/assets/simple_html_dom.php on line 1364
Warning: preg_match(): Compilation failed: invalid range in character class at offset 4 in /var/www/u0249820/data/www/vaz-remzona.ru/wp-content/themes/root/inc/assets/simple_html_dom.php on line 1364
Warning: preg_match(): Compilation failed: invalid range in character class at offset 4 in /var/www/u0249820/data/www/vaz-remzona.
ru/wp-content/themes/root/inc/assets/simple_html_dom.php on line 1364
Warning: preg_match(): Compilation failed: invalid range in character class at offset 4 in /var/www/u0249820/data/www/vaz-remzona.ru/wp-content/themes/root/inc/assets/simple_html_dom.php on line 1364
Warning: preg_match(): Compilation failed: invalid range in character class at offset 4 in /var/www/u0249820/data/www/vaz-remzona.ru/wp-content/themes/root/inc/assets/simple_html_dom.php on line 1364
Warning: preg_match(): Compilation failed: invalid range in character class at offset 4 in /var/www/u0249820/data/www/vaz-remzona.ru/wp-content/themes/root/inc/assets/simple_html_dom.php on line 1364
Warning: preg_match(): Compilation failed: invalid range in character class at offset 4 in /var/www/u0249820/data/www/vaz-remzona.ru/wp-content/themes/root/inc/assets/simple_html_dom.php on line 1364
Warning: preg_match(): Compilation failed: invalid range in character class at offset 4 in /var/www/u0249820/data/www/vaz-remzona.
ru/wp-content/themes/root/inc/assets/simple_html_dom.php on line 1364
Warning: preg_match(): Compilation failed: invalid range in character class at offset 4 in /var/www/u0249820/data/www/vaz-remzona.ru/wp-content/themes/root/inc/assets/simple_html_dom.php on line 1364
Warning: preg_match(): Compilation failed: invalid range in character class at offset 4 in /var/www/u0249820/data/www/vaz-remzona.ru/wp-content/themes/root/inc/assets/simple_html_dom.php on line 1364
Warning: preg_match(): Compilation failed: invalid range in character class at offset 4 in /var/www/u0249820/data/www/vaz-remzona.ru/wp-content/themes/root/inc/assets/simple_html_dom.php on line 1364
Warning: preg_match(): Compilation failed: invalid range in character class at offset 4 in /var/www/u0249820/data/www/vaz-remzona.ru/wp-content/themes/root/inc/assets/simple_html_dom.php on line 1364
Warning: preg_match(): Compilation failed: invalid range in character class at offset 4 in /var/www/u0249820/data/www/vaz-remzona.
ru/wp-content/themes/root/inc/assets/simple_html_dom.php on line 1364
Warning: preg_match(): Compilation failed: invalid range in character class at offset 4 in /var/www/u0249820/data/www/vaz-remzona.ru/wp-content/themes/root/inc/assets/simple_html_dom.php on line 1364
Warning: preg_match(): Compilation failed: invalid range in character class at offset 4 in /var/www/u0249820/data/www/vaz-remzona.ru/wp-content/themes/root/inc/assets/simple_html_dom.php on line 1364
Warning: preg_match(): Compilation failed: invalid range in character class at offset 4 in /var/www/u0249820/data/www/vaz-remzona.ru/wp-content/themes/root/inc/assets/simple_html_dom.php on line 1364
Warning: preg_match(): Compilation failed: invalid range in character class at offset 4 in /var/www/u0249820/data/www/vaz-remzona.ru/wp-content/themes/root/inc/assets/simple_html_dom.php on line 1364
Warning: preg_match(): Compilation failed: invalid range in character class at offset 4 in /var/www/u0249820/data/www/vaz-remzona.
ru/wp-content/themes/root/inc/assets/simple_html_dom.php on line 1364
Warning: preg_match(): Compilation failed: invalid range in character class at offset 4 in /var/www/u0249820/data/www/vaz-remzona.ru/wp-content/themes/root/inc/assets/simple_html_dom.php on line 1364
Warning: preg_match_all(): Compilation failed: invalid range in character class at offset 4 in /var/www/u0249820/data/www/vaz-remzona.ru/wp-content/themes/root/inc/assets/simple_html_dom.php on line 684
Warning: Invalid argument supplied for foreach() in /var/www/u0249820/data/www/vaz-remzona.ru/wp-content/themes/root/inc/assets/simple_html_dom.php on line 691
Warning: preg_match_all(): Compilation failed: invalid range in character class at offset 4 in /var/www/u0249820/data/www/vaz-remzona.ru/wp-content/themes/root/inc/assets/simple_html_dom.php on line 684
Warning: Invalid argument supplied for foreach() in /var/www/u0249820/data/www/vaz-remzona.
ru/wp-content/themes/root/inc/assets/simple_html_dom.php on line 691
4 / 5 ( 53 голоса )
В этом небольшом материале вы узнаете про реле бензонасоса ВАЗ 2110. Такое устройство можно встретить не только на десятках, но и на девятках (инжекторных), а также более современных «Приорах» и «Грантах». Но для чего необходимо это реле и что делать, если оно вышло из строя? В этом сейчас мы и постараемся разобраться. Но начать стоит с принципа работы системы топливоподачи автомобиля ВАЗ 2110.
Что такое ЭБУ?
Первое, что бросается в глаза – это электронный блок управления (сокр. ЭБУ). Установлен он в салоне, под приборной панелью. Его функция заключается в том, чтобы контролировать работу всех датчиков и исполнительных устройств автомобиля. Он же и руководит работой реле включения бензонасоса ВАЗ 2110. Давайте разбираться в этом вопросе, как же происходит руководство? ЭБУ – это электронное устройство, в его основе лежит современный (или не очень) микроконтроллер.
В зависимости от того, какие функции должны быть у системы управления, используются различные микроконтроллеры.
Микроконтроллер имеет порты ввода/вывода, а также ножки для подключения питания, задающего генератора на кварцевом резонаторе, и т. д. Нам интересны порты ввода и вывода. Они необходимы для того чтобы микроконтроллер получал и отдавал сигналы. Это, впрочем, видно из самого названия. В даташитах эти порты имеют буквенное обозначение A, B, C, и т. д. Другими словами, на них можно как подавать сигнал, так и снимать. Но все зависит от одной небольшой детали.
Прошивка (программа, работающая по определенному алгоритму) определяет, какой порт является входящим, а какой исходящим. Кроме того, именно встроенная программа позволяет определить все параметры работы инжекторной системы, в зависимости от поступающих сигналов с датчиков. Но эта история долгая, она не поместится и в десять статей. Вернемся же к реле, которое включает бензонасос на автомобиле ВАЗ 2110 и подобных.
Для чего нужно реле?
Выше было рассказано про микроконтроллерную систему. Стоит отметить, что выход у ЭБУ не позволяет подключать напрямую мощную нагрузку. А топливный насос, в основе которого находится двигатель постоянного тока, имеет довольно большую мощность. И при его включении происходит значительное потребление тока. Но вот если включить от блока управления обмотку реле бензонасоса ВАЗ 2110, инжектор продолжит работать в прежнем режиме, превышения потребления тока не будет наблюдаться.
Следовательно, делаем вывод: реле – это буферный каскад между электронным блоком управления и потребителем тока. Впрочем, большая часть реле имеет именно это назначение – позволяет достичь того, что в цепи управления протекает очень слабый ток. При этом вся электрика автомобиля разделяется на две части:
- Слаботочные цепи управления.
- Силовые провода (подключение оптики, насосов жидкости и топлива, стеклоподъемников).
Находится реле бензонасоса ВАЗ 2110 с правой стороны, напротив места переднего пассажира.
Здесь имеется дополнительный блок, предназначенный для установки некоторых элементов электрооборудования. Вполне возможно, что такое нехитрое решение было вызвано нежеланием проектировщиков использовать другие блоки предохранителей, которые отличались бы сильно от тех, которые ставились на карбюраторные моторы.
Проблемы, связанные с топливным насосом
Итак, нужно провести анализ нескольких симптомов основных поломок инжекторной десятки. Если неисправно реле включения бензонасоса ВАЗ 2110, то при повороте ключа зажигания вы не услышите характерного гула, который доносится с задней части автомобиля. Вполне возможно, что произошел обрыв в цепи питания обмотки электромагнитного устройства. Проверьте, имеется ли напряжение на нем. Не исключен выход из строя предохранителя. Учтите, что в случае, если горят один за другим предохранители, нужно не тратиться на покупку новых, а искать причину такого поведения.
Если постоянно выходят из строя предохранители, то имеется в разъемах или проводке замыкание на массу.
Причем нужно искать в той части цепи, которая находится уже после устройства защиты. Также возможно, что с проводкой все прекрасно, реле срабатывает, а вот бензонасос ВАЗ 2110 не качает. Причина – отсутствие питания или же поломка самого двигателя. среди последних можно выделить обрывы в обмотках ротора и статора, износ графитовых щеток. И еще, что хочется выделить: следите за состоянием фильтра (памперса), который находится в нижней части бензонасоса. Если он в плохом состоянии, то возможно и засорение форсунок, и выход из строя моторчика.
Питание бензонасоса ваз 2109 инжектор
Продолжим.
Принялся я подключать.
Давайте по порядку. Сначала расскажу что да как, а потом как делал это я.
Начнем с общей схемы.
Теперь посмотрим что нужно изменить в моторном отсеке.
Начнем с вентилятора.
В данной косе есть одиночный контакт, если немного раскрыть изоляцию, то можно увидеть, что он идет бело-черным проводом.
На разных блоках вентилятор работал по разному, но основная особенность в том, что его включал датчик на радиаторе.
Теперь же он будет включаться блоком инжектора.
И взамен старой схемы
Не буду рассматривать все штекеры датчиков, а рассмотрю лишь те моменты, которые ставят в тупик начинающего электрика ))))
В моторном отсеке два коричневых провода
Это «минусы» которые в схеме СУД названы G1 и G2 . Их надо прикрутить на корпус. обычно их прикручивают на ГБЦ в районе термостата.
Так же один черный провод
На самом деле это обман зрения. На самом деле это красный провод. в этом можно убедиться, если немного отодвинуть изоляцию. Это «+12″ который крепиться непосредственно на аккумуляторную батарею. Он питает «мозги».
Ну вот вроде бы и все. больше в моторном отсеке ничего незвестного не осталось. Теперь посмотрим что твориться в салоне автомобиля
Рассмотрим подключения бензонасоса.
В карбовой версии к баку подходило два провода
Дело в том, что в карбюраторной схеме бензонасос внешний стоит в моторном отсеке, а эти провода идут просто на датчик уровня бензина.
Один синий с красным подает напряжение, второй — розовой передает информацию о наличии бензина.
В данном случае(инжекторе) у нас бензонасос стоит в баке. и подключается он при помощи колодки
Чтобы не тянуть лишних проводов стоит сделать вот как — подсоединить старые провода к колодке следующим образом:
розовый провод колодки к розовому проводу, серый провод колодки к зелено- красном, черно-белый- масса, синий не нужен.
Теперь у нас подключено питание бензонасоса и контакт показывающий уровень топлива. Черно-белый провод кидаем на минус. т.е. корпус. Сине-красный провод не нужен.
Все в районе бензобака все подключено.
Теперь разберемся с подключением в районе панели приборов.
Раньше старые контакты(питания датчика уровня и сигнальный ) были подключены через монтажный блок к панели приборов
т.е. 11 контакт белой колодки мы не трогаем. Это контакт который показывает уровень топлива.
А вот 11 контакт красной колодки отсоединяем от панели приборов.
(В моем случае немножко не такое расположение, но смысл не меняется.)
Его нужно подсоединить к контакту который идет от жгута СУД
Далее думаем как подключать проводку СУД к косе салонной проводки.Колодка подключения выглядит так
Как-то утром или после поездки, вы пытаясь завести свою любимую ВАЗ 2109I, не слышите знакомого звука бензонасоса и завести машину не получается. Вы думаете сломался бензонасос.
Первым делом в такой ситуации нужно прислушаться к работе реле, отвечающих за работу бензонасоса.
Реле всего два. Главное реле и реле бензонасоса.
Главное реле срабатывает при включении зажигания и характерно щелкает в районе ног пассажира, далее за ним щелкает реле бензонасоса и через некоторое время отключается.
Если Вы не услышали один или оба щелчка, значит дело в реле или предохранителе.
Вторая ситуация щелчки есть (реле работает нормально), но бензонасос ВАЗ 2109 не качает.
В этой ситуации нам понадобится провод, чтобы на прямую подать питание на бензонасос. Ну или мультиметр для измерения напряжения на бензонасосе.
В первой ситуации проверяем все предохранители и реле (они находятся над ногами пассажира).
Если все предохранители вроде целы — ищем колодку диагностики (расположена рядом с реле) и замыкаем на ней H и G контакты — это даст нам возможность включить бензонасос ваз 2109 в обход реле.
Далее, если работа бензонасоса не наладилась, требуется проверить все контакты по приведенной ниже схеме.
Схема управления Бензонасосом Ваз 2109Если стартер Вашей машины крутит нормально, а машина не заводится, первым делом надо проверить включение топливного насоса. На отечественных машинах его работа слышна из салона, при включении зажигания характерное жужжание из-под заднего сидения или багажника. В случае, когда не работает топливный насос, надо проверить целостность предохранителей и включение главного реле системы управления двигателем и реле топливного насоса.
На ВАЗ-2107, ВАЗ-2108, ВАЗ-2109 и их модификациях, реле и предохранители находятся на полочке под бардачком или под ней. На ВАЗ-2110 и подобных, следует искать в консоли отопителя с пассажирской стороны, открутив винты крепления и убрав боковую крышку. На автомобилях ГАЗ они находится в под капотном пространстве на передней стенке салона, ближе к пассажирской стороне.
Реле топливного насоса не включается.
Если не работает топливный насос, то в первую очередь надо проверить влечение главного реле и реле топливного насоса. В случае если главное реле не щёлкает, то необходимо проверить цепь его включения и его исправность. Как это сделать описано в статье не включается главное реле,
В случае, когда главное реле включается, а реле топливного насоса нет, необходимо проверить питание на выводах 85 и 86. При использовании контрольной лампы, её потребляемый ток не должен превышать 0,25А., в противном случае может произойти порча контроллера. Если ни на одном выводе контрольная лампа не горит, то на реле не поступает питание.
Это может быть вызвано перегоранием предохранителя или обрывом питающего провода.
В случае, когда лампа горит на одном выводе ярко, а на втором в пол накала и при этом возможно срабатывание реле, следует удалить реле из гнезда и соединить выводы 85 и 86 контрольной лампой. При включении зажигания контрольная лампа должна загореть и потухнуть примерно через 20 – 30 секунд. Если лампа загорается и имеется плохой контакт в соединении колодки и реле топливного насоса. В случае, когда лампа не загорается, возможен обрыв в проводе соединяющем реле с контроллером или неисправен сам контроллер.
Не работает топливный насос, реле включается.
Проверка питания реле.
В том случае, когда при включении зажигания реле топливного насоса включается, а сам насос не работает, необходимо проверить питание на выводе 87 реле топливного насоса. Для этого выводом контрольной лампы подключенной к массе автомобиля касаемся клеммы 87 гнезда реле, при этом лампа должна загореть. Если лампа не горит, значит, перегорел предохранитель или есть обрыв в проводе.
При наличие питания на клемме 87, следует удалить реле из гнезда, а вместо него поставить перемычку между выводами 87 и 30. В этом случае при исправном насосе и соединительных проводах, насос должен начать работать и если это произошло, следует поменять реле. Если насос не начал работать то, не убирая перемычку, необходимо контрольной лампой подключенной к массе автомобиля коснуться питающего провода на топливном насосе.
Проверка цепи питания топливного насоса.
Если на автомобиле установлен погружной насос, в составе топливного модуля, необходимо снять соединительный разъём и коснуться одного из толстых проводов. При касании одного из них контрольная лампа должна гореть. Если лампа не горит ни на одном из проводов, то надо устранить обрыв в проводе от реле топливного насоса до разъёма модуля или самого насоса, если насос выносного типа. Одной из причин обрыва может быть блокировка от угона установленной не штатной сигнализации.
В том случае, когда контрольная лампа загорается на одном из толстых проводов разъёма или одном из выводов выносного насоса, надо соединить эти выводы контрольной лампой между собой.
При этом контрольная лампа должна гореть. Если лампа не горит надо устранить обрыв или плохой контакт в проводе, соединяющем насос с массой автомобиля.
В случае, когда при проверке проводов и реле включения топливного насоса неисправность не выявлена, неисправен электродвигатель топливного насоса или его соединение с разъёмом модуля. Найти причину не сложно вытащив модуль топливного насоса из бака. При плохом контакте с разъёмом будет видно оплавление штекеров. Если оплавления не замечено, то для проверки самого насоса можно подключить его к аккумулятору. При этом надо учитывать, что работа погружного насоса без жидкости, выводит насос из строя. Неисправный насос следует заменить.
Расположение предохранителей на схеме для ВАЗ 2110, 2111, 2112
Содержание страницы
Сегодня рассмотрим расположение предохранителей в автомобилях ВАЗ десятого семейства, а именно моделей 2110, 21102, 21103, 2111, 2112. Также покажем где находятся предохранители и реле на схеме и посвятим о назначении каждого из них и способах замены предохранителей своими руками.
Коснемся и самых частых проблем с предохранителями у владельцев этих автомобилей, методов диагностики и замены.
Хотелось бы сказать, что электрика автомобилей в частности предохранители и реле в ВАЗ 2110, 21102, 21103, 2111, 2112 вполне надежны. Срок службы зависит от условий эксплуатации и своевременной диагностики и замены на качественные комплектующие.
Давайте разберемся вообще для чего нужны предохранители в автомобиле. Прежде всего они отвечают за безопасность проводки и других систем машины. Важно понимать, что каждый конкретный предохранитель отвечает только за свою задачу и при замыкании или выходе из строя возгорание практически исключено. Перегорает конкретный предохранитель и это не вызывает цепного выхода из строя других систем.
В зависимости от проблемы выхода из строя какого либо узла или детали автомобиля, за который отвечает электрика, необходимо понимать: можно ли эксплуатировать автомобиль с этой неисправностью или нет. В правилах дорожного движения написан перечень неисправностей, имея которые нельзя эксплуатировать авто.
Если вы обнаружили например, что отказали фары или вообще не работают дворники — следует немедленно исправлять проблему. Ну, а с неработающими стеклоподъемниками водить машину можно. Кстати, если кому-то вдруг нужен качественный сайт для бизнеса, то вот ребята делают хорошие сайты WebFormata.ru
Схема расположения предохранителей ВАЗ 2110, 2111, 2112
На фото изображены предохранители ВАЗ 2110, 2111, 2112
Как видим, каждый предохранитель пронумерован соответствующим индексом. На вышеуказанном рисунке блок находится с левой стороны рулевой колонки и встроен в панель приборов. Ниже приведены значения конкретного предохранителя в данном монтажном блоке.
| Предохранитель, № | Сила тока, Ампер | Значения |
| F1 | 5 | Лампы освещения регистрационных номеров, пространства багажного отделения, всей левой части габаритного освещения автомобиля, а также приборная подсветка габаритов и приборов.![]() |
| F2 | 7,5 | Ближний свет левой фары |
| F3 | 10 | Дальний свет левой фары |
| F4 | 10 | Передняя правая противотуманная фара |
| F5 | 30 | Электро стеклоподъемники в дверях |
| F6 | 15 | Прикуриватель/лампа переносная |
| F7 | 20 | Клаксон, вентилятор радиатора двигателя |
| F8 | 20 | Обогрев заднего стекла |
| F9 | 20 | Омыватель и стеклоочиститель(дворники) ветрового стекла |
| F10 | 20 | Резервный |
| F11 | 5 | Габаритный свет правого борта машины |
| F12 | 7,5 | Ближний свет правой фары |
| F13 | 10 | Дальний свет правой фары |
| F14 | 10 | Передняя левая противотуманная фара |
| F15 | 20 | Подогрев сидений |
| F16 | 10 | Левые и правые поворотники, аварийный сигнал поворотников |
| F17 | 7,5 | Свет в салоне, подсветка замка зажигания, стоп сигналы, подсветка часов, компьютера |
| F18 | 25 | Подсветка бардачка, отопительных регулировок, прикуривателя |
| F19 | 10 | Лампы заднего хода, индикация приборов, компьютера, часов, исправность стоп сигналов, блокировка дверей |
| F20 | 7,5 | Задние противотуманные фонари |
Для наглядности понятен принцип параллельного расположения некоторых предохранителей: F1-F3 отвечают за электрику левого борта автомобиля, а расположенные напротив F11-F13 соответственно правой части машины.
Остальные отвечают за другие функции автомобиля.
Расположение дополнительных предохранителей и реле
На рисунке ниже видим как добраться к дополнительным предохранителям автомобиля. Находятся справа от центральной панели, шурупы скручиваются и крышка легко снимается.
Снятие крышки для диагностики и замены дополнительных предохранителей и реле
Ниже видим сами предохранители, их 6 штук по 15 Ампер каждый.
Расположение дополнительных предохранителей
- Контроллер зажигания,
- Датчики кислорода, расхода воздуха, расчета скорости,
- Топливный насос и реле, форсунки,
- Вентилятор,
- Бензонасос,
- Зажигание.
Напоминаем, что F1-F20 являются так называемыми плавкими предохранителями. Это значит что перемычки и другие «хитрости» не приемлемы при работе. Если вы замените такой предохранитель своими руками на перемычку, то рискуете отказом системы.
Схема соединения предохранителей
На рисунке ниже изображен порядок подключения штекеров в монтажном блоке.
Рисунок подключения штекеров в соответствующие колодки монтажного блока.
На рисунке ниже показана полная схема с обозначениями монтажного блока.
Из этой схемы не сложно разобраться с порядком подключения штекеров.
Значение реле:
- К1 — исправность ламп,
- К2 — очиститель лобового стекла,
- К3 — поворотники, аварийка,
- К4 — ближний свет,
- К5 — дальний свет,
- К6 — дополнительное реле,
- К7 — обогрев заднего стекла,
- К8 — не используемое реле на моделях ВАЗ десятого семейства.
Видео по снятию блока и замене предохранителей
Вопрос/ответ по предохранителям на ВАЗ 2110, 2111, 2112
Отвечаем на некоторые присланные вопросы по теме.
Подскажите, ваз 2110 перестал работать левый указатель поворота и дальний свет фар в чем может быть причина?
Откройте блок предохранителей и реле, возможно отошел контакт, пошевелите провода, посмотрите и проверьте и если надо замените предохранители своими руками.
Подскажите пожалуйста уже замучился, замыкает моторчик омывателя, свет в салоне с часами и перегорает при этом предохранитель F17?
Ставьте лампочку вместо предохранителя, отключайте все приборы, которые на этом предохранителе висят. Включайте зажигание. Если лампа не горит — поочередно подключайте все обратно. На каком загорится, там и проблема. Если горит сразу — короткое в проводке.
Подскажите что может быть, тускло горят огни заднего хода, если одну лампочку убрать, то вторая начинает гореть нормально, ставишь на место обе горят в пол силы. Стоп сигналы на этой же плате горят нормально.
Эта проблема связана с плохим контактом массы.
Почему плавится предохранитель F8?
Посмотрите под ополиком с водительской стороны. Если забивался катализатор, то тогда провода которые идут на обогрев переломились.
Почему печка выключена, а горячий воздух поступает?
Если горячий воздух, а стоит переключатель на холодном, то закис электро привод крана.
Машина заводится только периодически включаю зажигание приборы горят. Завожу на прямую стартер и заводится. Подскажите в чем проблема?
Поставьте между замком и стартером реле, не поможет — то замок зажигания.
Не включается главное реле ваз 2110
Три причины, при которых главное реле автомобиля не включаетсят.В данном материале речь идёт об автомобиле с инжектороным двигателем. Допустим, происходит следующее, вы включаете зажигание, в результате на соединённый с ним вывод контроллёра начинает поступать электрический ток. Одновременно должно включиться и главное реле, после чего электропитание начнёт поступать согласно электрической схеме на другие потребляющие его объекты. Но, главное реле не включается…
Последствия этой неисправности всегда заметны. Двигатель просто в такой ситуации не заводиться потому, что не подаётся электропитание ни к его форсункам, ни к системе зажигания, ни к тому реле, которое обеспечивает работу бензонасоса и так далее.
Обычно, у большинства модификаций автомобилей ВАЗ, главное реле находится примерно там же, где расположены предохранители и реле охлаждающего радиатор вентилятора и бензонасоса, то есть, в салоне, на полке, находящейся справа под панелью управления, ближе к месту пассажира. Чтобы найти главное реле у автомобиля ГАЗ придётся открыть капот и опустить взгляд на переднюю стеку салона напротив пассажирского кресла.
Итак, рассмотрим ситуацию, при которой вы включили зажигание, но звука, которым сопровождается включение реле, не услышали. Значит, первое, что вам необходимо сделать, это убедиться, что электрический ток присутствует на контактах, соответствующих этому реле – №№ 85 – 86. Для этого вам необходимо воспользоваться контрольной лампой, потребляющей не более 0,25А, соединённой с «минусом», которая при включённом зажигании должна загореться. Если в результате тестирования, вы обнаружите, что света в контрольной лампочке нет, то это значит, что к главному реле электрический ток не подаётся.
Причины неисправности могут быть следующие:
Во-первых, — нарушен контакт, между главным реле и его колодницей.
Во-вторых, — нарушена целостность проводки на участке между контролёром и реле или между «минусом» и корпусом мотора. Если проводка окажется в порядке, то ищите третью причину.
В третьих,- вышел из строя контролёр. Для автомобилей ГАЗ — это очень типичная неисправность, когда в результате попадания влаги или в результате обрыва отрицательного провода, контролёр перестаёт работать.
Теперь рассмотрим другую ситуацию, при которой вы включили зажигание и услышали характерный звук, которым сопровождается запуск реле в действие, но этого по факту не происходит. В этом случае проверьте наличие электропитания на контактах № 30 и №87.
Причины неисправности могут быть следующие:
Во-первых, если после тестирования контрольной лампой, одна клемма которой соединена с «минусом», а вторая коснулась разъёма № 87, свет в лампочке не загорелся, значит, причиной сбоя может служить отживший своё предохранитель или прохудившаяся проводка.![]()
Во-вторых, если контакт клеммы лампы с разъёмом № 87 зажигает лампочку, а с разъёмом № 30 – нет, то причина неисправности в самом реле. Возможно, его контакты уже перегорели, и оно нуждается в замене. В разных модификациях ВАЗ старое реле можно заменить любым другим, имеющемся на монтажном блоке, будь-то реле поворотов или других световых сигналов.
Есть ещё одна причина, при которой главное реле может не сработать при включении зажигания, но к поломке это не имеет отношения.
Дело, в данном случае заключаться, в схеме подключения противоугонной системы, которая предусматривает блокировку электрической цепи во многих подозрительных, по мнению установленной программой защиты, ситуациях. Возможно, в системе появился сбой, а возможно в период вашего отсутствия, кто-то потревожил систему, и она включила блокировку, поэтому главное реле не сработало.
Что такое реле бензонасоса ВАЗ-2110. Как использовать с будильниками
Из статьи вы узнаете о том, что такое реле бензонасоса ВАЗ-2110.
Следует сразу отметить, что разница между карбюратором и системой впрыска колоссальная. Первый работает из-за разницы давления в атмосфере и внутри двигателя, а второй — из-за большого количества электронных компонентов. А за двигатель отвечает немалое количество датчиков и исполнительных механизмов.Но обо всем — подробнее. Для начала стоит задуматься, какой бензонасос входит в десятку лучших, а также для чего он нужен.
Конструкция топливного насоса
Фактически, это электродвигатель, работающий от постоянного тока. Он имеет обмотку возбуждения на роторе и обмотку статора. Ротор снабжен специальными щетками из графита. Но самое главное — этот двигатель приводит в действие насос особой конструкции, который перекачивает бензин. Следовательно, вся система в целом способна создавать некоторое давление топлива в трубопроводе.Для запуска всей постройки есть реле запуска бензонасоса ВАЗ-2110. Он находится в ногах пассажира, на отдельном блоке. Здесь же можно найти предохранитель, защищающий силовую цепь.
Кроме того, датчик уровня бензина в баке также выполнен в едином блоке с помпой. Самые распространенные поплавковые датчики давления или ультразвуковые датчики на автомобилях, а особенно десятки, не используются.
Работа топливной системы десятки
Итак, с чего начать, садясь в машину? Правильно поверните ключ в замке зажигания и подождите несколько секунд, пока «что-то сзади не перестанет гудеть.«Некоторые даже не задумываются о том, что выпускается на звуки. А это работает мотор помпы. Ведь при выключении зажигания реле бензонасоса ВАЗ-2110 замыкает цепь, и подает питание на мотор. Следовательно, давление в топливной системе начинает закачиваться. Без впрыска система впрыска не может работать. Когда оно достигает рабочего значения, мотор перестает вращаться. А когда оно падает ниже минимального значения давления, питание подается на мотор и давление снова нагнетается.Следовательно, бензонасос работает не постоянно, а циклически, это зависит от давления в топливной рампе.
Несколько идей, которые используют автомобилисты
А теперь нам нужно поговорить о безопасности автомобиля. Конечно, даже если это старая десятка, жаль. А в случае банальной кражи хозяин опускает руки. Но иногда это спасает даже самую простую сигнализацию, которая блокирует жизненно важные электрические цепи автомобиля. В частности, с помощью силового выхода автосигнализации можно разомкнуть силовую цепь реле бензонасоса ВАЗ-2110.Инжектор в этом случае просто не выйдет, так как давление в рампе не повышается. Также есть возможность разомкнуть цепь питания всего электронного блока управления. Другими словами, при включении зажигания (при условии, что машина не снята с охраны) вы не услышите характерного «гудения» из задней части машины.
Вывод
По сути, реле бензонасоса ВАЗ-2110 представляет собой простое электромеханическое устройство. Он служит для питания главного жизненно важного органа системы впрыска форсунок — насоса, перекачивающего топливо в рампу.Заменить его несложно, только не подлежит восстановлению. Благо цена вполне приемлемая — в среднем 80 руб. Но самое главное из всего вышеперечисленного то, что реле можно использовать немного «для других целей», а именно для защиты от злоумышленников. Даже если у вас нет сигнализации, достаточно установить секретную кнопку, которая будет управлять подачей питания на электромагнитное реле. Конечно, о его существовании должны знать только вы.
Как поменять бензонасос на ВАЗ 2110.Ищу причину отказа ТНВД по проверке предохранителя то есть
Топливный насос ВАЗ 2110 , выполняющий роль нагнетателя бензина, вряд ли сможет самостоятельно передвигаться без этого небольшого, но очень важного агрегата. Сразу скажем, что топливный насос карбюраторной «десятки» — механический, а у инжектора ВАЗ 2110 — электрический топливный насос. Сегодня мы подробно поговорим о обоих.
Так, механический топливный насос для карбюраторного двигателя ВАЗ 2110 установлен между клапанной крышкой и распределителем зажигания, в подкапотном пространстве.Фактически такое устройство позволяет получать возвратно-поступательный момент от вала, идущего от распределительного вала к распределителю зажигания. Благодаря эксцентрику на этом валу движения через шток передаются на рычаг впрыска топлива. Сам рычаг совершает возвратно-поступательное движение за счет всасывания топлива через мембрану. Кстати, у этого насоса, как и у всех насосов от модели ВАЗ-2101, есть рычаг ручной подкачки топлива. Это довольно удобно, поскольку позволяет быстро проверить работу механизма буквально голыми руками. Фото механического насоса ВАЗ 2110 Далее.
Так выглядит механический насос в разрезе, смотрим схематический чертеж.
Механический топливный насос ВАЗ-2110 состоит из следующих элементов —
- 1 — напорный патрубок
- 2 — фильтр
- 3 — корпус
- 4 — всасывающий патрубок
- 5 — крышка топливного насоса
- 6 — всасывающий клапан
- 7 — складской
- 8 — рычаг ручного впрыска топлива
- 9 — пружина
- 10 — кулачок
- 11 — балансир
- 12 — рычаг механической подкачки топлива
- 13 — нижняя крышка топливного насоса
- 14 — внутренняя выносная прокладка
- 15 — распорка наружная
- 16 — нагнетательный клапан
Снятие и установка механического насоса ВАЗ 2110 не вызывает особых затруднений.Достаточно снять воздушный фильтр, ослабить хомуты входящего и выходящего шлангов топливопровода, снять эти шланги, затем открутить две гайки крепления самого насоса и можно будет снять механизм с двух шпилек, на которых висит топливный насос. . При установке желательно заменить прокладки, которые находятся на изоляционной вставке.
Бензонасос ВАЗ 2110 форсунка
ТНВД электрический «Десятка» устанавливается непосредственно в бензобак. Снятие и замена этого агрегата также не доставляет проблем владельцам ВАЗ 2110.Достаточно поднять диван заднего сиденья, открутить люк и топливопроводы … главное не забыть сбросить давление в системе.
Сама система впрыска топлива отличается от карбюраторной версии способом подачи топлива. Если карбюраторный двигатель всасывает топливо независимо от карбюратора, то топливо впрыскивается в инжекторный двигатель под давлением через форсунки. Поэтому задача электронасоса в баке — постоянно поддерживать высокое давление во всей системе.Насос включается и выключается автоматически (с помощью реле), отвечая на команды с датчиков давления. Собственно сама помпа выглядит примерно так, как на фото ниже.
Определите , правильный ли электрический насос? в вашем автомобиле может быть довольно простым. Включите зажигание (но не запускайте двигатель), и вы услышите характерное жужжание электронасоса в баке, поэтому он нагнетает необходимое давление. Если этого гудения нет и двигатель не запускается, то, скорее всего, неисправна помпа.Либо неисправно реле включения помпы, которое находится в салоне под центральной консолью панели, обычно у ног пассажира.
Часто бывает, что помпа не в состоянии создать необходимое давление, хотя гудит, то и его нужно менять. Насос-форсунка ВАЗ 2110 очень чувствителен к разному мусору, поэтому обязательно периодически меняйте топливный фильтр.
Замена ТНВД на ВАЗ 2110 форсунка
Очень полезное видео снятия бензонасоса на «десятку».
Для снятия электрического топливного насоса выполните следующие действия —
- 1 — снизить давление в топливной системе
- 2 — снимаем крышку люка под задним сиденьем
- 3 — отсоединить по очереди 2 шланга подачи топлива
- 4 — открутить 8 гаек по окружности кольца и снять
- 5 — достать насосный агрегат из топливного бака, не повредив рычаг датчика указателя уровня топлива
- 6 — снять резиновое уплотнительное кольцо
Не забывайте, что при установке нового инжектора ТНВД ВАЗ 2110 стрелка на крышке электронасоса должна указывать направление на заднюю часть машины.Кроме того, при установке топливных шлангов учитывайте направление стрелок.
Вечером заехал в гараж, а утром завести не удалось. Я обычно включаю зажигание и слышу щелчок реле и жужжание помпы, а где-то через 3-5 секунд снова слышен щелчок реле и насос останавливается и поворачивает ключ до конца, стартер работает, но двигатель не запускается из-за отсутствия давления в системе питания, помпа не качает.
Ищу причину выхода из строя ТНВД по проверке предохранителя то есть
Под боковиной в недрах находятся блок предохранителей , реле и ЭБУ .
Блок реле и предохранителей, увеличенный
Сначала проверил предохранитель №3 и вынул из розетки осмотрел состояние контактов и проверил целостность прибора, предохранитель оказался цел (кстати 15 ампер )
не помогло, потом проверил реле под номером 4 .Для этого откручиваем указанные стрелками гайки, снимаем реле и ставим заведомо исправное. Где взять хорошее реле? Можно снять на время проверки в блоке крепления реле дальнего света «он точно такой же, как и реле бензонасоса. Не помогло, снял под заднее сиденье, где находится бензобак с погружным насосом
Перед выполнением вышеуказанных действий проверил цепь питания (+) (-) тех.масса ТНВД на разъеме под номером 5 прибор может и контрольной лампой результат положительный, проверяем целостность цепи на пигтейле на разъемах под номерами 4,6
Может случиться так, что отсутствует силовая цепь ( + ) или ( — ) на разъем под номером 5 . Если ( — т.е. масса не доходит до разъема; нужно проверить стык с телом.Зазвонили мои пищевые цепочки.
Место массового подключения труднодоступно, для его достать необходимо разобрать верхнюю и нижнюю облицовку пола туннеля.
Проверил силовые цепи, идет перед разъемом под номером 4 , а топливный насос не работает, затем произвел вышеуказанные действия как показано на рисунке, вытащил топливный модуль с топливным насосом из топливного бака. Снял зажимное кольцо и прокладку
.
Осторожно вытащил топливный модуль из бака, наклонив его в сторону правой внутренней двери, чтобы не погнуть поводок поплавка датчика уровня топлива
Топливный модуль в разобранном виде.Отдельно проверил помпу прямо от АКБ. Насос работает. Проверил разъемы и обнаружил причину выхода из строя плюсовой контакт разъема (в виде штыря) снизу под кожухом слегка подгорел. Контакт (в виде штыря) разъема почистил, а другую сторону разъема не смог.
Ситуация, когда глохнет двигатель и не качает топливный насос на ВАЗ 2110, может поставить начинающего автомобилиста в затруднительное положение. Особенно, если он новый для с системой подачи топлива и ее конфигурацией, а также с перечнем оборудования, обеспечивающего нормальную работу этой системы.
Отсутствие топлива на выходном патрубке насоса еще не является фактом его выхода из строя.
Не качает бензонасос на ВАЗ 2110 не только из-за его поломки, так как причин такого поведения может быть несколько.
Теперь главное не паниковать: в первую очередь вспомнить, когда машину заправляли последней . Индикатор-индикатор на панели приборов по-прежнему ничего не говорит. Датчик уровня в баке может «залипнуть», как указывает стрелка на индикаторе (см.).
Если автомобилю уже больше 3-х лет и он на своих шинах отмерил более 100 тысяч пробега, то от его систем и оборудования можно ожидать каких-либо сюрпризов в плане отказов.
Порядок проверки причин отказа
Следующее подозрение — электрическая проводка помпы. В цепи питания от бортовой системы автомобиля до электродвигателя насоса имеется предохранитель и реле.Устанавливаются они не на главном щитке предохранителей, а на дополнительном, который находится на десятке под передней панелью справа от блока рулевого управления.
Если посмотреть на этот дополнительный блок, то реле и предохранительная вставка мотора насоса будут слева (там всего три комплекта реле и предохранителей).
Проверка проводки не требует специальных знаний и не занимает много времени. Но если с блоком питания все в порядке, то при дальнейшем осмотре необходимо демонтировать кожух помпы.
Причины работы помпы
Насос не может полностью подавать топливо только по двум причинам:
- прогорание обмоток двигателя;
- до такой степени, что оставшегося диаметра сечения их отверстий недостаточно для откачки топлива из бака.
И первая, и вторая причины равновероятны , хотя они взаимосвязаны . При загрязнении фильтров, когда они долгое время не только не менялись, но и не чистились, их пропускная способность резко снижается.
К этому можно добавить процессы осаждения на стенках топливопровода различных примесей и присадок, которые в большом количестве присутствуют в нашем бензине. В результате увеличивается нагрузка на топливный насос, он работает на полную мощность и начинает перегреваться.
Охлаждает топливный насос , циркулирующий в нем топливо, так как оно имеет более низкую температуру, чем вода, и является отличным охладителем. Но это определение верно только для качественного бензина (большая редкость в наше время).Следовательно, некондиционный бензин не может достаточно охладить насос, работающий с перегрузками, и обмотки его электродвигателя прожигаются.
Чтобы сразу не переходить к разбору ТНВД, нужно убедиться, что достаточно сечения топливопровода , проложенного от входа до бензобака.
Перед тем, как начать какие-либо работы, связанные с проверкой или ремонтом топливного оборудования, необходимо сначала сбросить давление в магистрали.Для этого из цепи питания помпы снимается предохранитель, а двигателю дается время на выработку остатков бензина, после чего он глохнет.
«Ситроен С4» не заводится: возможные причины, способы устранения поломки. Citroen C4 купе
Автомобиль после аварии, по словам владельца автомобиля, попал точно в середину «морды», но до двигателя не дошел. Автомобиль выглядит конечно ужасно, но реставрации подлежит. Жаловались, что машина не заводится, свечи засохли, а в рейке есть топливо.По первым признакам у меня сложилось впечатление, что иммобилайзер заблокирован и проблема скорее в ключе, но я был уверен, что этот ключ заводился и до аварии он работал.
Компьютерная диагностика показала ошибки в датчике положения коленвала (датчик фаз), и это уже можно сказать основная причина, неважно, какой автомобиль заводится и следующие ошибки — пропуски зажигания в цилиндрах и отсутствие сигнала на форсунках. . Последовательность работы понятна, поменять битый датчик фаз.Проверил, датчик не работает, провода от датчика к блоку управления (БУ) целы. После замены датчика на свечах должна появиться искра, при появлении искры БУ подает сигнал на форсунки. Так построен алгоритм работы на Пежо и Ситроен, скажу, что французам нужно отдать должное, система управления построена таким образом, что если нет искры, то свечи не будут заливать топливо. Принесли датчик, заменили, ключ на «СТАРТ», но машина не подает признаков желания заводиться.Я снова повернул ключ, бензонасос не слышен. Возможны три варианта такой ситуации: первый — встроенная сигнализация, блокирующая только топливный насос, второй — штатная сигнализация (иммобилайзер), и третий — блокировка топливной системы при аварии. Раньше у этих автомобилей была кнопка, которая срабатывала при аварии или с очень сильным встряхиванием (что тоже считалось аварией), чтобы снизить вероятность возгорания автомобиля при аварии. И сейчас таких кнопок нет, но система защиты осталась, только в электронном виде.За это отвечает так называемое двойное реле. Это реле управляется блоком управления для полной работы двигателя, а вторая часть управляется сигналами подушек безопасности. Поле ДТП срабатывает эта система защиты, потом разблокируется, но бывают исключения. Завел последовательно, разблокировал встроенную сигнализацию, чтобы на нее не падали подозрения. НЕ ЗАПУСКАЕТСЯ. Двойное реле нельзя обойти, так как производитель сделал блок неразборным и все компоненты (реле, в том числе двойное реле) несъемные.Решил отложить эту ситуацию на крайний случай, решил разобраться с иммобилайзером. Чип разблокировки иммобилайзера находится прямо в ключе. Бывают случаи, когда аккумулятор в ключе просто разряжается и иммобилайзер не распознает ЧИП. Проверить это несложно, нажимаем кнопки управления на ключе, и если машина среагирует, ключ исправен. В этой ситуации машина не реагировала на ключ. УНИКАЛЬНО иммобилайзер, второй признак блокировки иммобилайзера — отказ сбрасывать ошибки в блоке управления.Попросил второй ключ, ключ оказался дома, через время принесли. Вставляю ключ, машина загремела от «полтычки». Оказалось, что первый ключ без чипа, он был вынут для обхода иммобилайзера во встроенной сигнализации, для автозапуска. Хозяин машины стал ругать себя: «ЗДЕСЬ он позвонил автоэлектрику, столько времени потратил, денег, а оказывается, просто перепутал ключ». Пришлось его успокаивать, хотя первым вопросом была блокировка иммобилайзера, но я вдруг убедился, что ключ цел.НЕТ ГУДО БЕЗ ХОРОША. Во-первых, машина не заводилась из-за датчика фаз, вторые сделали компьютерную диагностику, сбросили ошибки, сделали ревизию автоэлектрика и выяснили, что она может выйти из строя в ближайшее время (из-за аварии). В общем, деньги потрачены не зря.
Citroen C4 Coupe 1.6 16V / Citroen C4, 3dv coupe, 110 л.с., 4АКПП, 2004 — 2008 — стартер крутится, но двигатель не запускается
Стартер проворачивается, но двигатель не запускается
Причины
Причин такого поведения автомобиля может быть довольно много.Основные из них перечислены ниже. Мы разделили их на две категории. Для начала рассмотрим те, с которыми справится любой новичок:
Человеческий фактор :
Вы забыли выключить противоугонное устройство, которое блокирует, например, только топливный насос.
Забита выхлопная труба. Добрые люди кладут в него тряпку или картошку, а может вы просто въехали в сугроб — вариантов много. Выхлопная труба должна быть свободной.
Все вышеперечисленное, в общем, не является поломкой и решается в кратчайшие сроки.А теперь давайте рассмотрим причины, связанные с технической неисправностью:
Если стартер очень медленно крутится, то причиной может быть загустевшее масло в двигателе на морозе. Или, возможно, разрядился после длительного пребывания Аккумулятор или его сильно окисленные клеммы. В этом случае напряжение бортовой сети может просесть так, что блок управления двигателем откажется работать. Что ж, тут все ясно: масло нужно заливать по сезону, аккумулятор надо заряжать или заменять.
Что-то замерзло — вода в газопроводе, солярка в баке или фильтре.Ищите теплый ящик!
Неисправен топливный насос … Это легко проверить, если только вы не пытаетесь завести машину рядом с оживленным и шумным шоссе. Если вокруг тихо, то чуткое ухо способно уловить отсутствие характерного жужжания бензонасоса при работе стартера. В лучшем случае виноват плохой контакт в цепи; в худшем случае придется заменить помпу.
Вращение короны маховика. Такое иногда случалось на автомобилях прошлых лет выпуска, вплоть до ВАЗ-2109.Слышно, как Bendix борется с короной, а корона скрипит на маховике. Скоро замена маховика.
Стартер не зацепляется за коронку … Причина: износ деталей, сколы зубьев и т. Д. При попытке запуска слышно скрежетание зубьев. Приготовьтесь заменить кольцо или маховик.
воткнул бендикс … то ли полетел его привод, то ли сам бендикс — не важно. Слышно, что стартер вращается на высоких оборотах, но попыток провернуть двигатель больше нет.Приготовьтесь к ремонту или замене самого стартера.
Отказ системы зажигания в бензиновых авто … Проверяем все — свечи, катушки, проводку и т.д.
На дизельном авто не работают свечи накаливания. Проблема может быть в блоке управления, а также в силовом реле. Сами свечи тоже стоит проверить — с этим придется повозиться.
Ремень ГРМ разлетелся в клочья … Это легко пощупать: стартер стал крутить легко.Если повезло (поршни не встретились с клапанами), достаточно заменить ремень, если нет, то половину мотора.
Ремень ГРМ выскочил на несколько зубцов, нарушив правильную синхронизацию клапанов. Опять же, в лучшем случае вам нужно будет поставить ремень на место, но в худшем вас ждет дорогой ремонт.
Повышенное сопротивление вращению коленчатого вала: задиры на валах, вкладышах подшипников, деталях цилиндро-поршневой группы, деформации вала. Проверьте, можно ли проворачивать двигатель при толкании автомобиля с включенной высшей передачей.механическая коробка передач. На автомате вам придется попробовать провернуть двигатель за болт крепления ведущего шкива вспомогательных агрегатов … Если двигатель можно проворачивать относительно легко, то поиск причины нужно будет продолжить.
Заклинивший генератор, насос гидроусилителя руля, компрессор кондиционера … Неисправный блок препятствует вращению двигателя. Чтобы проверить, сначала вы можете увидеть, не слишком ли натягивается ремень, когда вы пытаетесь провернуть двигатель. Если подозрения подтвердятся, то можно снять ремень привода вспомогательных агрегатов и попробовать самостоятельно добраться до СТО.Конечно, это будет работать только на автомобилях, где насос охлаждающей жидкости вращает ремень ГРМ. При неработающем насосе, без циркуляции охлаждающей жидкости даже холодный двигатель быстро закипит.
Ночью пытались угнать вашу машину, но что-то пошло не так. В результате нападавшие окопались, что-то сломали и с позором скрылись. Здесь без диагностики на СТО проблему не решить.
Что делать
Если стартер крутится, а двигатель не запускается, в первую очередь следует проверить систему питания и систему зажигания.
Обратите внимание, что все эти проверки должны выполняться только тогда, когда стартер вращается плавно, без рывков. В противном случае (рывки при работе стартера или щелчки вместо обычного гудения) проблему следует искать, прежде всего, в самом стартере.
Проверку топливной системы проводить последовательно — от топливного насоса до форсунки (карбюратора):
1. Если у вас форсунка, то при включении зажигания должно быть гудение электрического топливного насоса. слышно в салоне.Если гула нет, значит, либо перегорел мотор бензонасоса, либо на нем нет напряжения. Поэтому необходимо проверить сам бензонасос, а также его предохранитель.
2.C карбюраторные автомобили все немного сложнее: топливный насос приводится в действие распредвалом, поэтому для проверки придется отсоединить конец шланга от впускного патрубка карбюратора или выпускного патрубка бензонасоса. Если несколько раз повернуть ручку подкачки топливного насоса, бензин должен идти из штуцера или шланга.
3. Для проверки наличия бензина в рампе форсунок нажмите на вентиль штуцера для подключения помпы: бензин должен идти оттуда.
4. Обязательно проверьте топливный фильтр … Возможно, в двигателе просто не хватает топлива, поэтому он не запускается.
5. Еще одна причина, по которой стартер крутится, а машина не заводится, — засорение дроссельной заслонки.
После выполнения всех вышеперечисленных шагов вы можете снова попробовать завести машину. Если стартер все равно крутится, но машина не заводится, то нужно переходить к проверке системы зажигания.
1. Для начала нужно открутить свечу и проверить, нет ли на ней искры. Для этого надеть выключенный высоковольтный провод свечи, коснуться металлической части двигателя юбкой свечи зажигания и запустить двигатель стартером (для этого понадобится помощник). Если есть искра, значит, свеча в порядке.
2. Если в автомобиле с впрыском нет искры, значит проблема в модуле зажигания.
3. Если в карбюраторном двигателе нет искры, необходимо проверить катушку зажигания.Вытащите центральный провод из крышки распределителя, поместите его на конце в 5 мм от металлической части двигателя (не касаясь) и попросите помощника провернуть двигатель стартером. Если искры нет, катушка неисправна.
4. Если есть искра и катушка зажигания исправна, снимите крышку распределителя и посмотрите, нет ли под ней дефектов (нагар, трещины и т. Д.).
Бывают случаи, когда всех этих проверок недостаточно, и автовладельцу приходится проводить более глубокие проверки, чтобы определить причину, по которой стартер крутится, а двигатель не запускается.Среди причин, по которым это может быть, также есть:
1. Перегорел предохранитель. Это нечасто, но все же стоит проверить целостность предохранителей в блоках.
2. Коррозия любых электрических частей.
3. Конденсат под капотом. Бывали случаи, когда машина не заводилась именно из-за чрезмерной влажности под капотом.
Технические характеристики
Технические параметры Citroen C4 Coupe 1.6 16V / Citroen C4 в кузове 3 двери.купе с двигателем 110 л.с., 4 АКПП, с 2004 по 2008 год выпуска
Этот представитель французского автопрома нашел широкую признательность отечественного покупателя. Citroen C4 имеет современный внешний вид и отличные технические характеристики.
Но, как и все автомобили, он иногда может давать сбой, например, не заводится или глохнет в самый неподходящий момент.
Многие автомобилисты сталкиваются с ситуациями, когда:
- поставил машину в гараж, а утром машина не заводится;
- машина начинает работать после нескольких попыток;
- машина едет, двигатель регулярно гудит, но внезапно перестает разговаривать и не подает признаков жизни;
- после включения зажигания двигатель немного шумит и глохнет;
- при работающем двигателе автомобиль издает звуки, похожие на чихание или огонь из выхлопной трубы;
- стартер крутится, но Ситроен не заводится.Но на буксире начинается с пол-оборота.
Запустив двигатель, вы можете сказать, что случилось с автомобилем.
Основные неисправности мотора
Если Citroen C4 перестает заводиться, нужно подумать и попытаться определить причину.
Для начала нужно осмотреть форсунку. При выходе из строя данного агрегата машина не заводится как в жаркое, так и в холодное время года. На приборной панели должно появиться предупреждение о проверке двигателя.
Конечно, бывают исключения, когда двигатель работает даже при включенном индикаторе, но в таких случаях он глохнет или будет работать нестабильно.В Ситроене могут быть забиты форсунки. Очень часто ЭБУ может быть причиной молчания двигателя автомобиля. Поэтому рекомендуется начать проверку производительности именно этих узлов.
Самая частая причина нестабильности двигателя — свечи зажигания, залитые топливом.
Первые несколько попыток запуска двигателя все же могут вселять надежду на положительный результат водителя. Но затем двигатель полностью останавливается. Одной из причин поломки может быть катушка зажигания или датчик коленвала.
Европейские инженеры разработали очень хорошие агрегаты, но у большинства моделей есть три существенных недостатка: быстрое засорение топливного фильтра.
В этом случае машина будет долго пытаться заводиться и, если все-таки получится, будет работать нестабильно; выход из строя топливного насоса. Это влечет за собой полную тишину двигателя; недостаточное давление в топливной рампе.
Основная проблема — плохая компрессия и неравномерные зазоры клапанов. В этом случае потребуется полная диагностика двигателя, без которой определить возможную причину не так-то просто.
Некоторые поломки устраняются полностью без использования специального инструмента.
| Название неисправности | Возможная причина | Что делать |
|---|---|---|
| Слышно, как стартер вращается, но двигатель не запускается. При этом звук бензонасоса, который находится под задним сиденьем, не слышно. | Не работает блок подачи топлива. | Заменить реле включения топливного насоса.Проверить ЭБУ. Нужно включить зажигание, тогда будет слышен щелчок (для исправного реле). |
| Автомобиль заглох, двигатель не запускается. | Нет давления в топливной рампе. | С помощью манометра проверьте давление через золотник на аппарели. Если давление в норме, то нужно проверить наличие топлива в баке, не забиты ли фильтры и магистрали. |
| Нестабильная работа двигателя при движении машины. | Топливо не подается, неисправен регулятор давления. | Отсоедините шланг, идущий к топливному баку, и включите зажигание. Если подано топливо, то необходимо заменить регулятор. Если это произошло на трассе, то достаточно прижать трубку к регулятору или утопить одну ее сторону. Так что можно попробовать попасть в автосервис. |
На что еще обращают внимание водители
Чтобы убедиться, что он сломан, необходимо отключить питающую магистраль, провести внешний осмотр заслонки (возможны механические дефекты).Когда двигатель не работает, дроссельная заслонка должна быть в закрытом положении. Если он не закрывается полностью, необходимо очистить дроссельную заслонку.
- Если двигатель запускается и сразу останавливается.
Возможно это иммобилайзер. Как узнать? Неисправность должна отображаться индикатором. Для устранения проблемы необходимо использовать специальное оборудование или заменить ключ с микросхемой внутри на запасной.
- Стартер не крутит, а щелкает, но запуск не осуществляется.
Похоже на реле стартера втягивающее. Его нужно срочно менять. Также нельзя забывать про аккумулятор … Если он разряжен, то его зарядки хватает как раз на щелчки. При такой проблеме проверяются соединения проводки стартера и реле.
Citroen C4 полностью подчиняется электрической системе. Поэтому его следует диагностировать, чтобы в дальнейшем с ним не возникало вопросов.
Дизельные двигатели для Citroen
французских автомобилей марки Citroen выпускаются в двух модификациях: с бензиновыми двигателями и дизельными.Что касается дизельных машин, то принцип работы существенно отличается от их аналогов на бензине. Соответственно, причины, по которым они не запускаются, тоже разные. Для эффективной работы дизельных агрегатов требуется высокая компрессия.
В случае уменьшения степени сжатия воздух, поступающий в камеру сгорания, будет сжиматься, но не до необходимой степени. Если воздух не сжат полностью, он не нагреется, и топливо не сможет воспламениться.Часто свечи зажигания влияют на запуск двигателя. И тут, тем более, проблем с запуском может не возникнуть при горячем двигателе. Но как только остынет, машина не сдвинется с места ни на сантиметр.
Бывают случаи, когда дело не в свечах, а в электронике, которая ими управляет. Топливная система также страдает при попадании в нее мелких посторонних частиц. Если при запуске двигателя из выхлопной трубы пошел синий дым, значит проблема именно в топливной системе (топливо подается в цилиндры, но процесс зажигания не начался).
В случае, когда дизель С4 не запускается в холодную зимнюю погоду, это должно навести на мысль о некачественном топливе. Возможно, в нем есть парафин. Дело в том, что в холодную погоду топливо просто загустевает до такого состояния, что не проходит через топливный фильтр. Поэтому зимой для дизельных Ситроенов используется только специальное топливо.
Еще один негативный момент — образование трещины в топливопроводе. Через него топливо будет покидать систему.
Есть закономерность — если при запуске образуется едкий выхлоп, значит, в цилиндры поступает топливо. Отсутствие дыма свидетельствует о неисправности свечей зажигания или компрессии.
Проблем с двигателем может быть много. Если вы имеете дело с бензиновым двигателем, то на бензонасос нужно обратить особое внимание. В случае с дизельными агрегатами лучше обратиться в автомастерскую, так как самостоятельно диагностировать поломку будет не так просто.
Автомобиль — очень сложный механизм, и для того, чтобы он полностью помогал, а не доставлял неудобств при ремонте, который часто заканчивается довольно большим объемом, ему необходим хороший уход и периодическое обслуживание.
Диаграмма Skematyske 2110: eigenskippen
Elke auto ВАЗ-2110 будет оснащен вентилятором и электрическим оборудованием, а не пассажирами. Все электрические устройства, которые объединяют в сети. Om gripe syn gearstalling en de wurking fan ‘e fêstige oarder skematyske skema fan elektryske ВАЗ-2110. Сеть туристического сообщества VDC, охватывающая вентилятор до напряжения, en omfiemet boarnen en enerzjy konsuminten, en de beskermjende Switchgear, draad en wikseljen eleminten.
current
De auto hat twa macht boarne — de batterij en de generator. De Earte systeem wurket beginjinne yn ‘e start en yn guon manearen om de motor operaasje. Это twadde является основой en tsjinnet, поскольку iten foar all konsuminten en foar opladen fan de batterij. Скематическая схема ВАЗ-2110 — это ûntwurpen sadat de krêft boarne jout in enerzjy lykwicht yn it systeem.
мотор
Om wurkje vehicle macht ynstelling nedich op ‘e tiid oanbod fan de brânstof mingsel en syn ûntstekking yn motor silinders.Op moderne auto dizze funksje kinne de ynjeksje systeem. Скематическая диаграмма ВАЗ-2110 (Форсунка) делает это mooglik om goed ferbinen syn twa wichtichste ûnderdielen: in brânstof Distributor en ûntstekking kontrôle systeem. Beheart spesjale elektroanyske ynjeksje ienheid. Nûnderbrutsen Elektryske бензин подачи топлива помпа и гарантия. Это keppel is direkt yn de brânstoftank. Скематический вентилятор в бензонасосе ВАЗ-2110 wntwurpen om te foldwaan oan de brânfeilichheid easken. Предлагаемые товары: Guon merken fan auto, twa бензиновый насос kin wurde ynstallearre.На первой модели ВАЗ BRkt система подачи карбюратора. Это wat ferâldere, minder effisjint en betrouber. Skematyske skema fan ВАЗ-2110 kinne jo te ferbinen sûnder переделки современные Форсунки ynstee fan it eardere systeem. Om feroarjen de benzine foarrieden is nedich om de belichaming fan de oplaat persoan. syn temperatuer yn de wurkjende berik moat hanthavene wurde foar de motor. Хочу эту куоллинг-систему. Это лучше всего в фан-эн в oantal sensoren dy’t operearje op DC macht.
útrûpeling
Auto — это чистый двигатель для чистки двигателя. Foar wurking fan dit type reau lighting systemen binne fitale, сигнализация, feilichheid (активный и пассивный), de audio sinjaal, дворники. Dizze list kin fuortset wurde. Al dizze apparaten binne elektryske krêft konsuminten. Yn in moderne auto Volga binne hûnderten plant. En ien fan harren kin fail om ferskate redenen. ВАЗ-2110 Skematyske skema makket it mooglik om te Diagnose en korrizjearje gjin skuld plakfûn, ferfange de eleminten fan de electryske wiring.Moderne ferkear regleminten ferbieden eksploitaasje fan cars, as it boppesteande elektryske apparaten net wurkje.
комфорт
Скематыске ВАЗ-2110 цепь лучше всего находится в аппарате, который не драматил цзинст функц. То есть biede minimaal treast foar de bestjoerder en passazjiers fan de auto. Dit система кондиционирования воздуха, interieur ferljochting, en de sigaret lichter, macht stjoering, радио. Волжский автозавод добивается большего комфорта. Lykwols, электрыске ВАЗ-2110, регилинг, кинне, инкеле, доводка, т.е. тюнинг.Foar de produksje fan dy wurken nedich saakkundige help. Электромонтажный блок автомобиля между предохранителями (вставками). Почувствуйте себя выключенным вентилятором, прожигающим всю проводку. Brûk allinne orizjinele produkten oanjûn macht. Хэлдонан в резервных предохранителях. Yn gefal fan net drochgean fan in elektryske apparaten the first kontrolearje de serviceability fan fusecks. Yn de Measte gefallen, it ferfangen lont elimineert de проблема. Dat is all ynformaasje dy’t wy woenen te dielen. Tige tank foar it omtinken fan elke lêzer.
Принцип инжектора. Механический инжектор: принцип работы
В данной статье будет рассмотрен принцип работы инжектора и все его основные компоненты. Это довольно перспективная система, которая сейчас используется на всех автомобилях вне зависимости от их ценовой группы. Но не забывайте, что впервые такие конструкции стали массово применяться в 70-80-х годах. И сначала форсунки были без использования электронных компонентов. Конечно, они могли присутствовать, но в минимальном количестве.Также стоит сравнить инжекторную и карбюраторную системы впрыска топлива.
Карбюратор против инжектора
Пожалуй, среди любителей карбюратора останутся только те, кто любит стартовать со светофора. Причина в том, что карбюратор позволяет развивать большой крутящий момент и мощность внизу. Система впрыска впрыска, даже идеально настроенная, не рядом. Простота карбюратора и стоимость обслуживания также дают небольшое преимущество. Но вот что касается мощности и крутящего момента на высоких оборотах, тут инжектор здесь выигрывает, причем с большим отрывом.Другими словами, если вы обгоните свою машину, она будет более первозданной, если будет установлен инъекционный впрыск. Также можно увеличить мощность, установив турбину — устройство, способное нагнетать избыточное давление воздуха в систему впрыска. За счет этого мощность двигателя увеличивается в разы. Конечно, ресурс страдает, но чем не пожертвуете ради эффектной езды?
Этапы развития инжекторного впрыска
На знаменитых «сигарах» «Ауди 100» применялся механический инжектор.Принцип ее работы можно сравнить с системой подачи топлива в дизельных двигателях. С помощью механического насоса и такого же привода форсунок топливно-воздушная смесь подавалась в камеры сгорания. Конечно, нельзя не упомянуть переходное звено — карбюраторы с электронным управлением. Они использовались на небольшом количестве автомобилей, причем исключительно японского производства. Жители Страны восходящего солнца и по сей день очень любят различные электронные гаджеты.Но электронные карбюраторы не пользовались особой популярностью, в конце 80-х началась их эпоха и сразу закончилась. Кстати, на автомобилях ВАЗ-2110, например, устанавливались карбюраторы без тросового «всасывания». Регулировка подачи воздуха производилась автоматически, с помощью специальной заслонки, меняющей свое положение по мере прогрева двигателя. Но сегодня большую популярность приобрели форсунки, конструкции которых уже стали классическими. Вот они и стоит рассмотреть более подробно, разобрать по частям.
Топливный насос
Это сердце всей топливной системы, так как он помогает циркулировать бензин. В его состав входят следующие элементы:
- Фильтр (в народе он называется «памперсы», так как имеет завидное сходство).
- Электродвигатель постоянного тока.
- Насос с приводом от двигателя.
- Датчик уровня (конструктивно интегрирован с топливным насосом).
Насос расположен непосредственно в резервуаре, закреплен гайками.Доступ к нему можно получить, подняв заднее сиденье. Во всех машинах, будь то старая «десятка» или новая «японка», прямо под сиденьем стоит бензонасос. Конечно, снятие и установка на всех машинах будет производиться по-разному. От насоса до аппарели проложен топливопровод. Он должен выдерживать большое давление, поэтому всегда следите за ее состоянием. Параллельно этой магистрали проложена труба, по которой излишки бензина возвращаются обратно в бак. Все очень просто принцип работы бензонасоса.Инжектор функционирует из-за избыточного давления, создаваемого насосом.
Топливная рампа
Устанавливается непосредственно на двигателе. Его задача — поддерживать определенное давление в смеси бензина и воздуха. Именно в нем происходит процесс соединения двух компонентов горючей смеси — бензина и воздуха. И пропорция всегда должна быть одинаковой — 14 частей воздуха на бензин. Только в этом случае двигатель будет работать максимально стабильно, стабильно, экономично.К пандусу подключены такие механизмы, как дроссельная заслонка, электромагнитные форсунки, предохранительный клапан. Кстати, именно в топливной рампе установлен датчик давления топлива. Но о нем и всех остальных электронных компонентах будет рассказано дальше. Следует отметить, что инжектор Вентури, принцип действия которого аналогичен системе, рассмотренной в статье, имеет очень широкое применение, причем не только в автомобилях.
Форсунки
С помощью этих устройств подача топливовоздушной смеси осуществляется в камеры сгорания всех цилиндров.Что это за механизмы? Если вы сносно знаете конструкцию карбюратора, то вспомните электромагнитный клапан. Вот и все, конструкция очень похожа на ту, что вы видите у насадок. У них есть обмотка, на которую подается постоянное напряжение. Игольчатый клапан при подаче напряжения открывает путь для прохождения топлива. Вся эта смесь под давлением распыляется в камеры сгорания. Учтите, что форсунки должны распылять топливо таким образом, чтобы оно максимально заполняло камеру сгорания.Несложно понять принцип работы инжектора-инжектора, с его помощью происходит распыление. Топливно-воздушная смесь в этот момент похожа на туман, в определенном объеме воздуха бензин находится во взвешенном состоянии. Следовательно, зажигание происходит намного быстрее и лучше, чем в случае карбюраторной системы.
Корпус дроссельной заслонки
Откройте капот автомобиля и внимательно посмотрите, что под ним. Вы увидите воздушный фильтр, который обычно прикручивается к «телевизору» — передней части автомобиля. От него идет небольшой патрубок, соединенный с отрезком пластиковой трубы, к которому подключаются провода.Это датчик, который измеряет расход пневмодвигателя. Но после это заслонка. С его помощью регулируется подача воздуха в топливную рампу. Но здесь нужно посмотреть принцип работы инжектора. Ведь следует отметить, что при полностью закрытой заслонке небольшая часть воздуха все же поступает в топливную систему, чтобы обеспечить оптимальное значение оборотов двигателя. И происходит это с помощью одного конкретного исполнительного механизма — регулятора холостого хода (называть его датчиком неправильно, так как это шаговый двигатель, он не производит никаких измерений).Этот механизм открывает и при необходимости закрывает канал, по которому воздух поступает в топливную рампу.
Электронный блок управления
Без этого элемента системы впрыска двигатель не может работать. Однако иногда, даже если оно того стоит, это не значит, что двигатель заведется и будет работать нормально. И все дело в том, что электронный блок управления построен на микропроцессоре. И он специально запрограммирован на работу в качестве модуля управления для всех исполнительных механизмов на основе данных, полученных с датчиков.Следовательно, в электронном блоке управления должна быть программа, написанная по определенному алгоритму. Причем этот алгоритм должен быть понятным, чтобы микроконтроллер точно знал, что ему нужно делать, если, например, есть сигнал от датчика детонации, без которого не может существовать ни один современный инжектор. Принцип работы двигателя как с инжектором, так и с карбюратором остается неизменным.
Датчики в автомобиле
Для правильной и своевременной подачи топлива во все цилиндры, а также импульсов на электроды свечей зажигания необходимо точно считывать все параметры двигателя.В частности, важно знать, какая частота вращения коленчатого вала. Также не мешают данные о том, какое давление в топливной рампе. Если необходимо остановить двигатель в автоматическом режиме при недостаточной смазке, подключается датчик давления масла. В этом случае необходимо прописать его функции в алгоритме работы блока управления, конечно, принцип работы инжектора в этом случае изменится незначительно. Также следует знать о детонации, потому что она может многое рассказать о том, насколько правильно работает двигатель внутреннего сгорания.В современных автомобилях контролируется даже состав газа в выхлопной системе. Это делается с помощью двух кислородных датчиков. И самое главное, конечно, воздушный поток. Без знания этого параметра осуществить правильное смесеобразование просто невозможно.
Вывод
Несмотря на кажущуюся сложность конструкции, принцип работы инжектора ВАЗ-2110, как и любой другой машины, очень прост. Можно даже провести аналогию с обычным компрессором, оснащенным краскопультом.Конечно, это будет упрощенный вариант системы, инжектор всего один, блок управления не сложный. Но суть примерно такая же. Легче понять процессы, происходящие в двигателе с инжекторной системой впрыска, чем исследовать различные турбулентность и перепады давления в карбюраторе. А если досконально изучить конструкцию, то ни одного выхода из строя датчиков всей системы управления вам не будет страшно.
p >>Схема топливной системы двигателя от А до Я.Схема топливной системы дизельного двигателя и бензинового двигателя
Топливная система является неотъемлемым элементом любого современного автомобиля. Обеспечивает появление топлива в цилиндрах двигателя. Поэтому топливо считается одной из основных составляющих всей конструкции машины. В сегодняшней статье будет рассмотрена схема топливной системы, ее устройство и функции.
Назначение
Основная функция этого узла — снабжение ДВС определенным количеством топлива.Перед этим он проходит несколько ступеней очистки и под давлением подается в баллон.
Узел устройства
Как ни странно, но схема системы дизельного топлива очень похожа на бензиновые аналоги. Единственное отличие — в системе впрыска. Но об этом чуть позже, а пока давайте рассмотрим конструкцию этого узла.
Итак, схема топливной системы предполагает наличие следующих конструктивных элементов:
- Топливный бак .Этот элемент может быть изготовлен из тонкого стального листа или очень плотного полипропилена. На легковых автомобилях и внедорожниках бензобак устанавливается снизу. На грузовиках, в частности седельных тягачах, он устанавливается на специальных опорах между задней и передней осью (левой или правой). В топливном баке есть клапан, предотвращающий вытекание топлива при опрокидывании автомобиля.
- Крышка заливной горловины . Эта деталь имеет специальную резьбу, которая дает возможность забора воздуха при отвинчивании.А для того, чтобы водителю было удобно откручивать крышку, в ней предусмотрен специальный храповой механизм. Также в этом элементе есть предохранительный клапан, который при попадании автомобиля в аварию сбрасывает давление внутри бака. Кстати, на современных автомобилях со стандартом выхлопов «Евро-2» и выше в атмосферу не выбрасываются пары топлива. Поэтому для их улавливания в системе установлен специальный угольный адсорбер.
- Топливный насос . Этот элемент имеет электропривод и расположен внутри бака.Насос управляется электронным блоком управления. Деталь активируется с помощью специального реле. Когда водитель включает зажигание, оно работает некоторое время (не более 4-5 секунд), тем самым обеспечивая необходимое давление в системе для запуска двигателя. Также стоит отметить, что насос охлаждается бензином. Следовательно, работа с пустым баком может вывести его из строя.
- Фильтр топливный . Часто автомобиль поставляется с двумя типами элементов данных. Это механизм для тонкой и грубой очистки топлива.Сетчатый фильтр установлен на корпусе топливного насоса. Суть его работы заключается в задержании загрязняющих веществ, которые могут попасть в двигатель и образовать излишний отложение. Также исправный фильтр значительно увеличивает срок службы насоса, предотвращая частое загрязнение. Механизм тонкой очистки расположен в нижней части кузова перед задней подвеской автомобиля. Этот тип фильтра основан на бумажном элементе, который способен задерживать мелкие частицы грязи, смолы и отложений, которые могут повредить топливную систему.
Датчик уровня топлива
Он расположен на модуле насоса. По своей конструкции датчик уровня топлива представляет собой небольшую систему, состоящую из поплавка и механизма переменного сопротивления с нейлоновым контактом. В зависимости от количества содержимого в топливном баке изменяется сопротивление элемента, который фиксирует стрелка на панели приборов в салоне.
Следует отметить, что датчик бензина не подвержен негативному влиянию некачественных присадок к топливу и не ломается при частых перепадах температуры и давления внутри бака.Рампа
Этот элемент состоит из четырех сопел, каждая из которых имеет собственный штуцер. Рампа установлена на впускном коллекторе и выполняет функцию подачи топлива в каждый цилиндр.
Форсунки
Эта деталь представляет для автомобиля особую важность, так как при ее условии зависит качество сгорания топливно-воздушной смеси, расход и мощность автомобиля. Форсунка представляет собой небольшой механизм с электромагнитным клапаном. Последний управляется компьютером.Когда блок управления подает команду на подачу питания на катушку форсунки, закрытый шаровой кран открывается, и топливо проходит через пластину в форсунки форсунки. Кстати, на пластине есть отверстия для регулировки расхода топлива. Топливо впрыскивается форсункой в канал нескольких впускных клапанов. В результате он испаряется, прежде чем попадет в камеру сгорания двигателя.
Типы систем подачи топлива
На сегодняшний день принято различать несколько типов топливных систем, которые используются в дизельных и бензиновых двигателях.В частности, система подачи топлива бензиновых двигателей внутреннего сгорания делится на два типа и может быть карбюраторной или инжекторной. Оба типа имеют свои отличия в конструкции и принципе действия.
Особенности карбюратора
Основное отличие данной топливной системы от инжектора заключается в наличии специального смесителя. Его зовут карбюратор. Именно в нем готовится топливно-воздушная смесь. Карбюратор установлен на впускном коллекторе. К нему подводится топливо, которое в дальнейшем распыляется с помощью форсунок и смешивается с воздухом.Готовая смесь через дроссельную заслонку подается в коллектор. Положение последнего зависит от уровня нагрузки двигателя и частоты его оборотов. Кстати, схема топливной системы бензинового двигателя представлена на фото ниже:
Как видите, при варке и сгорании задействовано множество электронных датчиков. Особенно важным для автомобиля является датчик положения дроссельной заслонки и датчик частоты вращения коленчатого вала.
Отметим также, что схема топливной системы (УАЗ «Буханки» в том числе) карбюраторного типа отличается низким уровнем давления, которое образуется при впрыске топлива.Сама же подача бензина в цилиндры двигателя осуществляется самотеком, то есть при понижении давления в камере сгорания при перемещении поршня в НМТ.
Особенности форсунки
Схема топливной системы (в том числе «Мерседес е200») инжекторного типа принципиально отличается от карбюраторного аналога:
- Во-первых, топливо из бака в нем подается в аппарель, к которой подключаются форсунки.
- Во-вторых, воздух в камеру сгорания двигателя подается через специальный дроссельный узел.
- В-третьих, уровень давления, создаваемого насосом в системе, в разы больше, чем создаваемый карбюраторным механизмом. Это явление объясняется необходимостью обеспечить быстрый впрыск топливной форсунки в камеру сгорания.
Но не только этим отличается карбюраторная система впрыска топлива. «Шевроле Нива» (схема ее топлива представлена на фото ниже), как и другие современные автомобили, имеет в своем распоряжении так называемые «электронные мозги», то есть ЭБУ.Последний отвечает за сбор и обработку информации со всех имеющихся в автомобиле датчиков.
Итак, ЭБУ также управляет впрыском бензина. В зависимости от режима работы электроника самостоятельно определяет, какую смесь подавать в цилиндр — бедную или обогащенную. Но не только этим отличается схема топливной системы (в том числе CDi «Форд Транзит») инжекторного типа. Может иметь разное количество небулайзеров. Мы обсудим это в следующем разделе.
Схема впрыска топлива на инжекторных автомобилях
В настоящее время существует два типа систем впрыска:
- Mono-shot.
- С распределенным впрыском.
В первом случае подача топлива во все цилиндры осуществляется с помощью одной форсунки. На данный момент на современных автомобилях системы моновпрыска практически не используются, чего нельзя сказать об автомобилях с распределенным впрыском. Особенность таких форсунок в том, что каждый цилиндр имеет свою индивидуальную форсунку.Такая схема установки очень надежна, а потому ее применяют все современные автопроизводители.
Как работает инжектор?
Принцип работы данной системы очень прост. Топливо из бака под действием насоса подается на рампу (в ней топливо всегда находится под высоким давлением). Далее поступает к форсункам, через которые осуществляется напыление в камеру сгорания. Стоит отметить, что впрыск не постоянный, а через определенные промежутки времени.Одновременно с подачей топлива в систему поступает воздух. После того, как смесь сгорела в определенной пропорции, она попадает в камеру сгорания. Процесс приготовления смеси на форсунках в несколько раз быстрее, чем в карбюраторных системах. Также отметим, что работа форсунок контролируется рядом дополнительных датчиков. Только по их сигналу электронный блок дает команду на впрыск топлива. Как видите, схема топливной системы инжекторного типа отличается от карбюраторной.Прежде всего, это отдельные форсунки, которые занимаются впрыском топлива в камеру сгорания. Ну а дальше, как и в карбюраторных машинах, искра возбуждает искру и выполняется цикл сгорания топлива, который затем превращается в рабочий ход поршня.
Схема топливной системы дизеля
Система подачи дизельного топлива имеет свои особенности. Сначала топливо подается в камеру сгорания форсункой под колоссальным давлением. Собственно из-за этого в цилиндрах воспламеняется смесь.На инжекторных двигателях смесь загорается искрой, создаваемой свечой зажигания. Во-вторых, давление внутри системы формирует топливный насос (ТНВД).
То есть схема топливной системы (МАЗ и КамАЗ в том числе) такова, что для впрыска используются две форсунки. Один из них — низкое давление, второй — высокое. Первая (ее еще называют перекачкой) осуществляет подачу топлива из бака, а вторая непосредственно занимается подачей топлива к форсункам.
Ниже представлена схема топливной системы (КамАЗ 5320):
Как видите, в нем используется гораздо больше элементов, чем на карбюраторных автомобилях.Кстати, на некоторых модификациях двигателей КамАЗ установлен дополнительный турбонагнетатель. Последний выполняет функцию снижения уровня токсичности выхлопных газов и одновременно увеличивает общую мощность ДВС. Такая схема топливной системы (КамАЗ 5320-5410) позволяет перекачивать топливо под более высоким давлением. При этом общий расход топлива остается на прежнем уровне.
Алгоритм работы
Принцип работы дизельных систем, в отличие от инжекторных, имеет множество трудностей.Конструкция топливной системы (Ford Transit TDI) такова, что топливо с помощью подкачивающего насоса проходит через фильтр тонкой очистки и подается на ТНВД. Там он под высоким давлением поступает в форсунки, расположенные в ГБЦ. В нужный момент механизм открывается и после этого горючая смесь распыляется в камеру, в которую через отдельный клапан подается очищенный воздух. Лишняя часть дизельного топлива из ТНВД и форсунок возвращается обратно в бак (но не через фильтр, а по отдельным каналам в отводные трубы).Таким образом, схема топливной системы дизеля более сложна и требует большей точности при приготовлении горючей смеси. Соответственно, стоимость обслуживания таких двигателей выше, чем ремонта форсунок.
Вывод
Итак, мы разобрались, как выглядит топливный контур дизельного двигателя и бензиновых систем. Как видите, устройство этих агрегатов ничем не отличается друг от друга, кроме типа топливных насосов. Однако какой бы ни была компоновка топливной системы, момент приготовления горючей смеси в современных автомобилях очень мал.Поэтому все механизмы должны работать максимально надежно и плавно, ведь малейший сбой в их работе может привести к неравномерному сгоранию топлива и выходу из строя двигателя.
Почему горит предохранитель бензонасоса форсунки ВАЗ 2107? Не включается топливный насос
Если стартер вашего автомобиля вращается нормально, а машина не заводится, первое, что нужно сделать, это проверить включение. На отечественных автомобилях его работа слышна из салона, при включении зажигания характерное жужжание из-под заднего сиденья или багажника.В случае, когда топливный насос не включается, необходимо проверить исправность предохранителей и включение главного реле системы управления двигателем и реле топливного насоса.
На ВАЗ-2107, ВАЗ-2108, ВАЗ-2109 и их модификациях реле и предохранители находятся на полке под бардачком или под ним. На ВАЗ-2110 и подобных вам следует заглянуть в консоль отопителя со стороны пассажира, открутив крепежные винты и сняв боковую крышку. На автомобилях ГАЗ они расположены под капотом на передней стенке салона, ближе к пассажирской стороне.Если, то необходимо проверить схему его включения. В случае, когда главное реле включено, но реле бензонасоса нет, необходимо проверить питание на выводах 85 и 86. При использовании контрольной лампы ее ток потребления не должен превышать 0,25 А. в противном случае может произойти повреждение контроллера. Если контрольная лампа не горит ни на одной клемме, значит, на реле не поступает питание. Это может быть вызвано перегоревшим предохранителем или обрывом питающего провода. В том случае, когда лампа на одной клемме горит ярко, а на второй до накала пола, и при этом может сработать реле, вынуть реле из розетки и соединить клеммы 85 и 86 с контрольной лампой.При включении зажигания контрольная лампа должна загореться и погаснуть примерно через 20–30 секунд. Если лампа горит и плохой контакт в соединении блока и реле топливного насоса. В случае, когда лампа не загорается, возможен обрыв провода, соединяющего реле с контроллером или неисправен сам контроллер.
В случае, когда при включении зажигания реле топливного насоса включается, а сам насос не работает, необходимо проверить питание на выводе 87 реле топливного насоса.Для этого при подключении выхода контрольной лампы к массе автомобиля прикоснитесь к выводу 87 гнезда реле, и лампа должна загореться. Если лампа не горит, значит перегорел предохранитель или есть разрыв в проводе. Если на клемме 87 есть питание, выньте реле из розетки и вместо этого установите перемычку между клеммами 87 и 30. В этом случае при исправном насосе и соединительных проводах насос должен заработать, и если это произойдет, замените реле. Если насос не запускается, то, не снимая перемычку, необходимо прикоснуться к проводу питания на топливном насосе контрольной лампой, подключенной к массе автомобиля.При установке на автомобильный погружной насос в составе топливного модуля необходимо снять разъем и коснуться одного из толстых проводов. При прикосновении к одному из них должна загореться контрольная лампа. Если лампа не горит ни на одном из проводов, то необходимо устранить разрыв цепи в проводе от реле бензонасоса до разъема модуля или самого насоса, если насос выносного типа. Одной из причин поломки может быть блокировка от кражи установленной нестандартной сигнализации.В случае, когда контрольная лампа загорается на одном из толстых проводов разъема или одной из выводов выносного насоса, необходимо соединить эти выводы с контрольной лампой. При этом контрольная лампа должна гореть. Если лампа не горит, необходимо устранить обрыв или плохой контакт в проводе, соединяющем помпу с массой автомобиля. Если при проверке проводов и реле включения топливного насоса неисправности не обнаружено, значит, электродвигатель топливного насоса неисправен и насос необходимо заменить.
Топливный насосВ — это ахиллесова пята всех автомобилей отечественного производства. Практически в каждом ВАЗе или Москвиче водитель хоть раз сталкивался с проблемой отсутствия подачи топлива в двигатель. Либо мембрана растянется, либо из-за перегрева помпы упадет ее производительность, тогда выйдет из строя шток привода механического насоса, казалось бы, за столько лет этот агрегат можно было довести до совершенства. И как показалось производителю, он сумел найти выход из этой ситуации и начал устанавливать на автомобили электрические бензонасосы, но, как показывает практика, ситуацию это не спасло, а можно сказать только усугубило.
Если раньше водителю было достаточно открыть капот и отремонтировать или заменить неисправный бензонасос, то теперь ему приходится звонить в жгут проводов и контакты реле, которые разбросаны по всей машине. Чтобы облегчить поиск неисправностей, мы решили написать эту статью, которая поможет владельцу ВАЗ 2107 возобновить подачу бензина в двигатель.
Первое, на что нужно обратить внимание — запомните, может быть, на вашей машине стоит система безопасности, которая блокирует помпу в активном состоянии, такая ситуация не редкость, когда половина машины разобрана и проблема кроется в сигнализации или самодельное противоугонное устройство.
Схема подключения бензонасоса ВАЗ 2107
На самом деле в Интернете есть множество схем подключения, но по неизвестным нам причинам они настолько неинформативны и запутаны, что обычному человеку очень сложно в них разобраться. Поэтому мы решили, что стоит его нарисовать более доступным и наглядным способом:
По нему уже можно понять, где нужно искать неисправность.
Итак, мы ознакомились со схемой, теперь опишем действия водителя, если после поворота ключа или во время движения перестал работать электробензонасос:
1.Нам нужно проверить электромагнитное реле REL1, в семерке это реле находится в бардачке, кроме этого реле на монтажной плате есть еще два реле, но они нам сегодня не нужны. Поэтому откручиваем монтажную пластину и начинаем проверку среднего реле:
А) находим толстый розовый провод и включаем зажигание, если с проводом все в норме, то на нем должно появиться напряжение +12 Вольт (клемма 30). Если напряжение поступает, то снимаем провода с тестера и замыкаем серым (пин 87).Если помпа не работает, значит, проблема не в том, а затем переходите к следующему пункту «B», а если он работает, то к пункту «D».
Б) переезжаем в багажник, находим расположение бензонасоса и проверяем две «фишки» черного цвета — более вытянутую и белую, которая находится прямо на ВАЗ 2107. Инженеры, разработавшие бензонасос, наверняка поставили какой-то скрытый смысл в его конструкции, ведь в 90% отказов помпы виноват белый разъем, добраться до которого без демонтажа помпы невозможно.Если, тем не менее, вы достигли этой точки, мы рекомендуем вам заменить белый разъем на обычное паяное соединение. Сама причина выхода из строя белого разъема — в расчете на нагрузку: через этот контакт протекают значительные токи, а сам контакт имеет небольшую площадь и со временем просто выгорает. Если с этими разъемами все в порядке, переходите к следующему шагу.
В) проверяем целостность и надежность «заземляющих» контактов — это черный провод, конец которого с помощью самореза соединяется с нижними точками ствола.
Г) проверить питание на катушке реле 1, если поступает, но топливный насос не работает — реле под замену.
Если нет питания, то нужно сделать так, чтобы на реле не приходил плюс-минус. На тонком черно-сером проводе должен быть минус, если минус пропал, а провод цел, рекомендуем обратиться в СТО, так что самостоятельно сделать это, скорее всего, не получится. Если плюса или минуса нет, то последовательно вставьте предохранители F1, F2, F3.
Надеемся, что наша статья и фото помогли найти неисправность в цепи управления и питания топливного насоса на ВАЗ 2107.
Все в принципе несложно. Для удобства и безопасности снял бензобак и принес домой.
Для начала снимаем все трубки (2 основных бензоблока откручиваем ключами 17 и 2 трубки для снятия давления вручную) и блок с проводами, питающий сам мотор.
Далее ключом на 7 откручиваем 8 гаек крепления фланца бензонасоса к бензобаку и вытаскиваем весь хрен в сборе. Далее снимаем фильтр 2 отвертками (прилагаем усилие и смело тянем обратно, сидит плотно), затем снимаем защелку мотора и снимаем.Самое напряженное — снять трубку, ее нужно нагревать от помпы. Я просто отрезал.
Вот он двигатель помпы.
Далее есть важный нюанс в замене ТНВД на новый. Вам нужно посмотреть номер и модель своей помпы и поискать такую же или аналог, на который ее можно заменить. Это необходимо для стабильной работы системы, а неправильный выбор насоса может привести к неправильному давлению, увеличению расхода и т. Д. У меня Бош 0 580 454 035 заменил на российский аналог СОАТЭ 60.1139 ст. Оскол.
Далее собираем все обратно, замачиваем шланг в кипятке на 1-2 минуты и быстро надеваем на помпу, вставляем в розетку на кронштейне и надеваем защелку и желательно ставить новый сетчатый фильтр по цене 25 р. Получаем готовый дизайн.
Смотрим, нормальная ли прокладка между фланцем и бачком, оставляем (купил новую и в итоге оставил старую нормально).Ссыпаем всю хрень в бензобак, прикручиваем 8 гаек и несем бак к машине. При установке бачка есть нюанс, там 2 железных фиксатора, когда ставишь на место, удерживаешь внутренний зажим так как он легко вылетает из паза, а чтобы вставить на место придется снимать танк. Скрепляем все шланги и вставляем блок на место.
Далее при желании измерить давление в топливной рампе. Купил штатный ВАЗ датчик уровня топлива. Давление при работающем двигателе с возвратом должно быть от 2.3-2,5 балла, а при повороте ключа зажигания при накачке насоса 2,8-3,0 перед запуском двигателя. Всем удачи и поменьше поломок)
При включении зажигания, на автомобилях с инжекторным двигателем, питание поступает на соответствующую клемму контроллера, подключенного к замку зажигания. Это питание является сигналом на включение главного реле, через которое подается питание на форсунки, катушки зажигания (модуль зажигания), реле топливного насоса и так далее. То есть, если реле неисправно или цепь не запускается, двигатель не запустится.Как найти неисправность, если двигатель не запускается из-за главного реле. Сначала найдите место для его установки на машине. В основном он устанавливается рядом с реле топливного насоса и реле включения вентилятора охлаждения радиатора.
Там же установлены предохранители системы управления двигателем, топливного насоса и вентилятора радиатора охлаждения. На автомобилях ВАЗ-2107, ВАЗ-2109 и его модификациях он располагается на полке под бардачком или под ним. На автомобилях марки ВАЗ-2110 и аналогичных под боковой консолью консоли отопителя, со стороны пассажира.На автомобилях ГАЗ они обычно располагаются под капотом на передней стенке салона ближе к пассажирской стороне. Если при включении зажигания не слышно характерного щелчка на реле, необходимо использовать контрольную лампу, подключенную к минусу, проверить питание на выводах 85 и 86 гнезда главного реле. При использовании контрольной лампы ее ток потребления не должен превышать 0,25А. В противном случае контроллер может испортиться. Если контрольная лампа не горит ни на одной клемме, значит, на реле не поступает питание.Это может быть вызвано перегоревшим предохранителем или обрывом питающего провода. В случае, когда на одной клемме лампа горит ярко, а на другой полусвет и при этом может сработать реле, вынуть реле из розетки и соединить клеммы 85 и 86 с контрольной лампой. при включенном зажигании контрольная лампа должна гореть. Если это так, то необходимо устранить плохой контакт в соединении реле с его колодкой. В случае, когда контрольная лампа не горит, необходимо проверить целостность провода, идущего от реле к контроллеру, и контакта отрицательных проводов от контроллера к корпусу мотора.На автомобилях ВАЗ эти провода крепятся от торца головки блока цилиндров над термостатом, а на автомобилях ГАЗ к шарнирному штифту ресивера и впускного коллектора в районе четвертого цилиндра. Если провода в порядке, но реле не включается, неисправен контроллер. Например, на автомобилях Волга частая неисправность в этом случае — обрыв минусового провода или попадание воды в контроллер, что приводит к его неисправности.
В случае, если при включении зажигания слышен щелчок и срабатывает реле, необходимо проверить питание на выводах 87 и 30.Для этого подключенная к минусу контрольная лампа должна коснуться клеммы 87. Если контрольная лампа не горит, то вероятным предохранителем может быть предохранитель или обрыв провода. В случае, когда на выводе 87 есть плюс, и когда реле включено, вывод 30 отсутствует, это означает, что контакты реле сгорели и их следует заменить. На автомобилях ВАЗ для этого можно использовать подходящее реле от монтажного блока, например реле включения сигналов, ближнего или дальнего света фар и так далее.
При поиске неисправности, при которой не включается главное реле, необходимо учитывать наличие на автомобиле противоугонных систем. Когда они установлены, нередко включают в цепь реле блокирующее реле, которое размыкает свою цепь питания при срабатывании сигнализации.


По незнанию можно только навредить автомобилю.
По незнанию можно только навредить автомобилю.