Краник печки на уаз буханка
Содержание
- Схема системы отопления УАЗ Буханка
- Возможные варианты тюнинга салона УАЗ Буханка
- Как система отопления Буханки может быть модернизирована
- Заключение
- Почитайте ещё:
- Схема отопления уаз 452
- Система охлаждения и отопления УАЗ вагонной компоновки с двигателями ЗМЗ-4091 Евро-3 и ЗМЗ-40911 Евро-4.
- Отопитель УАЗ «Буханка»
- Значение:
- Конструкция:
- Поломка
- Обновим?
- В заключение
Доброго Вам времени суток!
В начале зимы занимался небольшой доработкой отопителя, а точнее устранял заводские недоработки.
Начну с отопителя.
Когда пришли холода и потребовалось отопление салона я понял что его нет как такового.Нет нет печка работала карлсон усердно трудился при этом издавая звук пылесоса «вихрь» но ни особого напора воздуха ни тепла не было.
Надо было как то решать проблему.Посмотрел на чудо печь НАМИ но цена сооовсем неадекватная.
Еще чуть добавить и можно автономку вкорячить) в общем нет.
Решил для начала родную печку отладить.Сделаю-хорошо, нет будем дальше голову ломать)
Ну и понеслось!Снял печку и сразу подохренел от количества дырок в ее корпусе.Да я понимаю что мол через эти дырки теплый воздух все равно в салон идет и типо потерь нет.Но когда этот воздух нужен к примеру на стекле то его там нет потому что он где то под торпедой потерялся.
В итоге все дырки и щели были заделаны кузовным герметиком.С этой проблемой разобрались!
Дальше о радиаторе.
Если посмотреть как стоит радиатор то можно сразу понять куда уходит тепло.А точнее оно не уходит, а просто напросто не забирается потоком воздуха.Проблема такова: когда радиатор стоит в кожухе то между радиатором и кожухом печки есть зазоры.Хотя какие там зазоры там дыры почти по сантиметру и совсем не похоже что они когдато были заделаны.Соответственно воздух вместо того чтоб проходить через радиатор идет по пути наименьшего сопротивления, то есть между радиатором и стенкой печки, тем самым не нагревается.
Проблему решил при помощи туристической пенки, проклеев коврик по торцам радиатора.
Теперь про карлсона трудягу.
Родной моторчик устраивал всем кроме одного.Слишком короткий вал.Даже если крыльчатку сдвинуть на самый край вала она все равно не входит полностью в диффузор отопителя и не создает нужную тягу.
Из положения можно выйти поставив моторчик от отопителя ГАЗели.
Берем моторчик от ГАЗели, отрезаем вал с одной стороны(тот что короче) и ставим этот мотор вместо родного(крепежные отверстия совпадают).И потом регулируем крыльчатку чтоб она полностью вошла в диффузор.Да я еще на всякий случай поменял крыльчатку на новую.
После доработки проездил зиму.Печка работает отлично!Пару недель стояли морозы далеко за 20 градусов но о том чтоб закрывать радиатор даже не думал.Воздух прет горячий в машине жара!Незнаю почему но шум от печки снизился раза в два, хотя обороты у моторчиков одинаковые.В общем впечатления только положительные!
Ну и еще одна вещь которая сильно раздражала это кран на печку который стоит на блоке под капотом.
Невозможность регулировать температуру воздуха из салона это бЯда.
В магазине купил кран отопителя, написано было что для хантера.
Подскажите пожайлуста возможно его заменить на што то более удобное наподобии самоварного водопроводного или как то можно переделать чтобы из салона отключать?
Шаровый водопроводный с рынка В кабине справа от печки очень удобно. Шланг удлиннил тот, что от штатного краника до печки и в него врезал, закрепил так, чтобы удобно доставать с кресла было.
[/b]
С уважением, Михаил
Получилось без переломов Проложена петля в продолжение загиба того патрубка и вдоль печки к перереднему ее краю, потом кран, и далее возврат к стенке в дыру
Схема системы отопления УАЗ Буханка
Воплощенная схема системы отопления УАЗ Буханка особое внимание обладателей этого автомобиля привлекает при модернизации салона машины. Ведь все автовладельцы понимают, что интерьер этого внедорожного авто по уровню комфорта очень далек до зарубежных аналогов, хотя данная модель рассчитана изначально на эксплуатацию спецслужбами, да и что можно ожидать за столь доступную цену.
Возможные варианты тюнинга салона УАЗ Буханка
Как уже обозначено было, автомобиль УАЗ 452 создавался для соответствия высоким требованиям специализированного транспорта для МЧС, военных и медслужб. Правда, этот факт абсолютно не является констатацией того, что исполнение этого авто можно считать безукоризненным. Именно поэтому при реализации тюнинга интерьера Буханки модернизации подвергается не только система отопления, но и множество иных деталей и элементов.
Первым делом, при доработке внутреннего убранства УАЗ Буханка большинство автовладельцев производит замену стандартных жестких сидений более современными и мягкими аналогами, так как базовые сиденья могут душу вытрясти при передвижении, что особенно характерно для езды по бездорожью. Причем, некоторыми умельцами даже интегрируются кресла с обогревом и электроприводом, для чего корректируется имеющаяся схема подключения электрооборудования.
На следующем этапе внимание уделяется шумоизоляции салона УАЗ 452 и фиксации элементов приборной панели, правда, перед осуществлением крепежа элементов модернизируется система отопления Буханки, о чем будет речь вестись далее.
В стилистическом плане может быть осуществлена отделка внутреннего убранства кожей, декорирование приборной панели деревянными вставками или же деталями «под дерево».
Нередко в салоне УАЗ Буханка появляются разнообразные дополнительные аксессуары, включая полочки, бардачки и пепельницы. Часто заменяется рулевое колесо современным импортным аналогом с наличием мягкой обивки из кожи или иного материала.
Конечно же, существуют и иные варианты доработки интерьера этого авто, что зависит от фантазии автовладельца, однако одним из ключевых аспектов тюнинга салона выступает все-таки модернизируемая схема отопительной системы Буханки, так как штатный отопитель со своими непосредственными обязанностями просто не справляется.
Как система отопления Буханки может быть модернизирована
Когда дорабатывается схема системы отопления УАЗ Буханка, нужно в обязательном порядке учитывать следующие аспекты.
Радиатор отопителя располагаться должен ниже уровня охлаждающей жидкости, присутствующей в системе охлаждения, чтобы данная субстанция через него более эффективно прокачивалась и всегда в нем присутствовала.
Для этого можно сделать систему охлаждения замкнутой, интегрировав атмосферный клапан в крышке расширительного бачка. При этом в последнем уровень охлаждающей жидкости должен быть всегда выше установленного радиатора отопителя.
Нагнетать воздух необходимо менее шумным центробежным вентилятором, который должен располагаться по ходу воздушного потока до радиатора. Таким подходом будет дополнительно снижен уровень шума.
Через радиатор воздушный поток проходить должен исключительно за счет давления, формируемого вентилятором, а не посредством кинетической энергии. При этом сопло вентилятора дуть не должно напрямую в радиаторной соты, так как воздух проходить будет неравномерно через радиатор.
Температура нагнетаемого воздуха должна регулироваться заслонкой, смешивающей холодный и горячий воздушные потоки, а не краном. При использовании крана температура будет сильно зависеть от режима функциональности силового агрегата, а заслонкой можно регулировать соотношение обоих потоков воздуха.
Водитель и пассажир УАЗ 452 будут себя более комфортно чувствовать при формировании более высокой температуры в ногах и в районе поясницы, а более холодный воздух должен присутствовать на уровне лица для предотвращения сонливости. Для этого схема отопительной системы построена должна быть таким образом, чтобы горячий воздух принудительно подавался к ногам и стеклу, а на лицо должен поступать более холодный воздух, что можно реализовать дополнительным отбором холодных воздушных масс между радиатором и вентилятором, а также посредством регулируемой заслонки смешивания воздушных потоков.
Одним из вариантов модернизации отопительной системы Буханки может выступать следующая последовательность действий, заключающихся в интегрировании пары улиток на стандартный корпус печки:
- одна улитка берется от салонной печки Буханки, корпус второй нужно позаимствовать у МТЗ-82, а вентилятор и мотор устанавливается от иной уазовской печки;
- в улитку нужно воткнуть турбину от Волги, так как штатная является очень мелкой и не вызывает доверия;
- далее к улитке подсоединяются шланги, для чего просто изготавливается пластина с парой отверстий, что выступает наиболее легким решением;
- после этого нужно взять канализационные обычные отводы с размерностью в 50*45, которые закрепляются к пластине.

Крепление их также очень простое. Необходимо от труб на 50 взять заглушки и сделать в них отверстия, чтобы сформировалось колечко с бортиком. Затем вся конструкция вставляется в пластину; - для вращения отвода на него необходимо надеть пару резиновых колец, которые позаимствовать можно из тракторной гидравлики. Затем вся конструкция прикладывается к улитке, и в результате нужно получить аналогичное исполнение со второй улиткой. Не стоит забывать об интегрировании диффузоров;
- завершается работа крепежом улитки к пластине посредством болтов, клепок и сварки, после чего изделие окрашивается. При этом важно помнить, что корпус печки нельзя снимать, не слив предварительно тосол и не отсоединив от радиатора шланги.
Заключение
Завершая рассмотрение нашей темы, отметим, что если в Буханку вложить определенные средства и силы, то получить можно вполне комфортный для передвижения внедорожник. При этом схема системы отопления УАЗ Буханка должна быть модернизирована в обязательном порядке, так как базовый отопитель в холодное время года свое название вряд ли сможет оправдать.
Почитайте ещё:
- Тюнинг салона УАЗ «Буханка»
Любой владелец автомобиля УАЗ «Буханка» понимает, что его внедорожник по наличию комфорта в салоне весьма далек от зарубежных аналогов. Конечно же, он намного дешевле и изначально разрабатывался в .
Тюнинг УАЗ «Буханка» своими руками
УАЗ-452, он же «буханка» и «таблетка» в народе, – полноприводный двухосный грузопассажирский автомобиль, доступный в бортовом и кузовном варианте, с многолетней историей (его производство стартова .
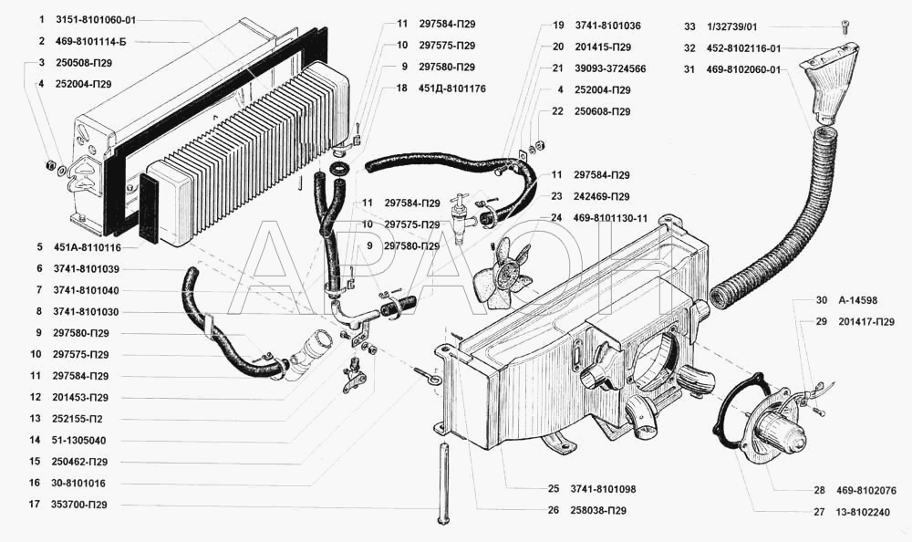
Схема отопления уаз 452
Система охлаждения и отопления УАЗ вагонной компоновки с двигателями ЗМЗ-4091 Евро-3 и ЗМЗ-40911 Евро-4.

Система охлаждения и отопления автомобилей вагонной компоновки УАЗ-374195, УАЗ-396295, УАЗ-396255, УАЗ-390995, УАЗ-390945, УАЗ-220695, УАЗ-330395, УАЗ-330365, с инжекторными двигателями ЗМЗ-4091 Евро-3 и ЗМЗ-40911 Евро-4, жидкостная, закрытая, с принудительной циркуляцией охлаждающей жидкости.
Система охлаждения автомобилей вагонной компоновки УАЗ-374195, УАЗ-396295, УАЗ-396255, УАЗ-390995, УАЗ-390945, УАЗ-220695, УАЗ-330395, УАЗ-330365 включает в себя :
— Каналы для прохода охлаждающей жидкости в головке блока цилиндров . — Межцилиндровые каналы для прохода охлаждающей жидкости в блоке цилиндров. — Радиатор системы охлаждения. — Водяной насос. — Вентилятор системы охлаждения. — Гидромуфту привода вентилятора системы охлаждения. — Расширительный бачок. — Двухклапанный термостат.
— Датчик указателя температуры охлаждающей жидкости.
— Датчик температуры охлаждающей жидкости блока управления двигателем. — Сливную пробку радиатора. — Сливной кран или пробку блока цилиндров.
— Шланги подогрева дроссельного устройства.
— Соединительные патрубки и шланги.
Отопитель УАЗ «Буханка»
Автомобиль состоит из множества составных элементов. Каждый из них требует повышенного внимания. Поэтому водители должны следить за состоянием своего «железного коня». Особенно важен вопрос подготовки машины к зимнему периоду.
Здесь важнейшую роль играет наличие продуманной системы отопления. Поговорим о ней в УАЗ «Буханка».
Значение:
Данная система важна, в первую очередь, для поддержания нормальной температуры в салоне в любое время года, для вентиляции воздуха внутри машины.
На большинстве моделей «буханки» установлен отопитель повышенной мощности «Н-1» производства НАМИ.
Конструкция:
Отопитель включает в себя следующие элементы:
- Радиатор.
- Вентилятор.
- Специальное устройство для распределения воздуха.
Существует два основных рабочих режима:
- При поступлении свежего воздуха.

- При рециркуляции потоков.
Второй режим подразумевает повышенную температуру в салоне. Для этого надо закрыть воздухозаборник, а потом открыть заслонку. При первом режиме действия производятся в обратном порядке.
Управляет всей системой специальный блок. Для регулировки служит кран. Быстрее прогреть салон позволяет новая конструкция, построенная на увеличенной циркуляции потоков и применении жидкости в радиаторе.
Важно помнить об обдуве стёкол. В противном случае это приведёт к их обледенению и ли запотеванию. Водитель и пассажиры будут чувствовать дискомфорт.
Если попадает влага, то удаляется она по воздухозаборнику. Здесь применяется стыковочное устройство.
Поломка
Часто автолюбители сталкиваются со случаями, когда отопитель (печка) не выполняет свои прямые функции, не греет. Какие могут быть причины?
- Наличие в каналах, по которым проходит воздух, повреждений.
- Вытекает антифриз.
- Загрязнение системы, поэтому недостаточная температура.

- Потёк кран на печке.
- Перегорел клапан, отвечающий за предохранение двигателя.
Обновим?
Как своими руками заменить отработавшую печку? Что для этого понадобится? Всё можно выполнить по следующему алгоритму.
- Сливаем весь антифриз и отключаем всю проводку.
- Отсоединяем консоль от щитка. Убираем отопительный узел, люк воздухозаборника, снимаем уплотнитель, далее прочищаем выемки.
- Примеряем воздушный фильтр, сверлим отверстия не более 3,2 мм диаметром.
- На место монтажа наносим герметик большим слоем. Устанавливаем корпус и фиксируем. Возвращаем фильтры из салона на место.
- Устанавливаем в салон новый отопитель, закрепляя его шпильками и гайками «М-6». Фиксируем узел, устанавливаем затем консоль блока. Фиксируем всю конструкцию с помощью саморезов.
- Далее мы подключаем тягу управления и закрепляем её. Подключаем к узлу патрубки, в которых находится антифриз, и фиксируем их специальными хомутами.
Потом ставим каналы обдува для стёкол. В заключение подключаем электрику, заливаем систему и проверяем, как она работает. При возникновении неполадок необходимо повторно проверить всю систему.
В заключение
Система отопления автомобиля УАЗ «Буханка» очень простая по своей конструкции. Если вовремя не проверять её работу, в конечном итоге, владельцу придётся тратить деньги на автосервис.
Схема отопления уаз буханка 409 двигатель с двумя печками
Несмотря на то, что Буханка является достаточно старым автомобилем, который существует на рынке несколько десятков лет, начиная с 60-х годов прошлого века, составных компонентов у машины всё равно много. При этом каждая система нуждается в соответствующем уходе, своевременном обслуживании и ремонте по мере необходимости. К числу важных компонентов, роль которых становится наиболее заметной в зимний период, стоит выделить отопитель. Нельзя сказать, что печка на Буханке какая-то современная или высокопроизводительная.
Многие жалуются на её низкий уровень эффективности. Причём это относится к задней и передней печке в одинаковой степени. Потому достаточно часто оборудование меняют. Но не лишним будет изучить устройство, конструкцию печного оборудование Буханки, а также изучить схему подключения электрической составляющей, поскольку сам монтаж не вызывает больших сложностей.
Конструкция печки УАЗ Буханка.
Устройство системы охлаждения двигателя УАЗ Буханка
УАЗ «Буханка» это настоящий полноприводный внедорожник, который может проехать там, где не могут другие внедорожники. Данная модель УАЗа выпускается с 1957 года. Этот автомобиль используют, как специальную технику на предприятиях, а так же обычные люди для поездки на рыбалку или охоту.
УАЗ «Буханка» вмещает в себя до 10 человек
Этот автомобиль ценится за свою проходимость и ремонтопригодность, цены на запчасти для него доступные для большинства владельцев, а ремонт можно проводить самостоятельно.
На Буханку ставились два двигателя ЗМЗ-402 и ЗМЗ-409, если вы хотите сами заняться ремонтом Буханки, то вам будет интересно устройство системы охлаждения двигателя УАЗ Буханка.
Особенности конструкции штатной печки УАЗ 452
Большинство владельцев «буханки» отмечают, что при температуре до минус 5 градусов в салоне автомобиля вполне терпимо. Но, к сожалению, на большей части территории России зимы не настолько мягки. И хотя температурные рекорды в последние годы касаются только максимумов, морозы за тридцать по-прежнему не редкость, а при таких условиях в УАЗе можно ездить разве что в перчатках.
Рассмотрим основные конструктивные недоработки, которые и являются причиной недостаточной эффективности работы штатной печки:
- достаточно большие технологические зазоры некоторых кузовных деталей (особенно это касается автомобилей первых поколения). Проблема обычно устраняется посредством проведения теплоизоляционных работ;
- невысокая производительность радиатора отопителя УАЗ 452.
Согласно данным производителя – порядка 4 кВт, но это сомнительные цифры: согласно санитарным нормам, 2 киловатт достаточно для обогрева помещения в 20 кв. метров. И хотя автомобиль – не квартира, особенно «буханка» (см. пункт выше), скорее всего, реальные цифры намного меньше. Впрочем, у медных радиаторов при одинаковых размерах этот показатель выше, чем у алюминиевых собратьев. В любом случае из-за просторного салона УАЗ 452 мощности родной печки не хватает – задние пассажиры будут постоянно мёрзнуть; - мощность моторчика отопителя. У штатного электродвигателя это 25 Вт. Такой показатель позволяет нагнетать в салон порядка 150 кубометров воздуха в час. Это для такой большой машины немного. Тот же мотор НАМИ-2 при мощности 95 Вт обеспечивает втрое большую производительность.
Если учесть, что штатный вентилятор весьма шумный, то идея заменить его на более производительный и тихий приходит в голову обладателям машины едва ли не в первую очередь.
Отметим также, что система вентиляции УАЗ 452 не имеет функции рециркуляции воздуха.
И хотя им пользуются нечасто, в некоторых случаях переход на этот режим предоставляет немало преимуществ. Так что при модернизации печки желательно учитывать и этот фактор, а также возможность встроить в систему салонный фильтр.
Общее устройство
В этих грузопассажирских авто вагонной компоновки применяется жидкостное охлаждение закрытого типа. ОЖ в системе циркулирует принудительно под воздействием центробежного насоса. В качестве охлаждающих жидкостей производитель рекомендует использовать отечественный «Тосол». Однако в экстренных случаях можно залить в систему охлаждения УАЗа «Буханки» и обычную воду. Объем, включая не только контуры охлаждающей системы, но и отопителя, на большинстве моделей составляет от 13,2 до 15,3 литров.
Поломка
Часто автолюбители сталкиваются со случаями, когда отопитель (печка) не выполняет свои прямые функции, не греет. Какие могут быть причины?
- Наличие в каналах, по которым проходит воздух, повреждений.

- Вытекает антифриз.
- Загрязнение системы, поэтому недостаточная температура.
- Потёк кран на печке.
- Перегорел клапан, отвечающий за предохранение двигателя.
Схема охлаждающей системы для ЗМЗ-402
Она достаточно проста. Данный силовой агрегат охлаждается за счет жидкости, которая проходит через два контура.
Построена система по кольцевой схеме и состоит из нескольких основных компонентов. Жидкость двигается из радиатора через патрубки в термостат, далее проходит по рубашке охлаждения двигателя. Затем посредством водяного насоса она попадает снова в радиатор. Кроме этого, система охлаждения УАЗа «Буханки» с 402-м двигателем включает в себя электрический вентилятор, температурный датчик, отопители. Рассмотрим каждый элемент отдельно.
Метки: салонная печка 30 квт уаз 452 пенал
Комментарии 62
Е мае! Можно дрова экономить в субботу, к бане теплотрассу с уаз кинул и норм)))
а какой термостат стоит в системе? родной?
волговский 87 градусов в бж погляди, там фотки есть
Радиаторы эти УГ, текут.
Чем не угодила родная салонная печка? Сделано конечно добротно, но я за медные радиаторы. Я даже от резиновых шлангов ушёл в сторону сильфоновых нержавеющих, которые для газа используют.
уважуха рукастым пацанам!
Идея понравилась. То что надо в УАЗ. А то, что основной радиатор мож и работать не будет иногда-так страшного ничего и нет. Токка двиг до рабочей температуры теперь сколько греешь? Буду примерять.влезет ли мне 40х40 под сидение заднее в фермере.
двиг грею без печки потом включаю
Ни хуа хуа вот эт ты замутил, да с такой печкой зимой в трусах и в майки можно ездить. Вопрос только один а будет ли мотор греться, а то как бы не пришлось сначала по буксовать хорошенько чтоб мотор прогрелся, а потом печку вкл. (шутка). Класс молодец хорошая идея не мелочишься. Поздравляю.
ни килоколарии тепла на улицу ! вот наш девиз :-))
Охренеть! Им теперь всю калмыкию обогреть можно
Мужчина грамотно сделал
Я себе такой хочу в качестве допрадиатора в салон поставить как раз…электропомпу ставил? и, если не сложно — какие его размеры?
так а все таки — электропомпу ставил?
ДА ! СТавил ! эл.
помпа от ГАЗЕЛи!
Наверное движок сильно охлаждает?
А оковский радиатор сколько стоит?
Тема, а у него «карслон» электро? Если электро, то можно все в сборе поставить.
У меня другая задумка, хочу сделать печку для гаража. Змеевик в «буржуйку» а вот эти (предполагаю две) радиатора через циркуляционный насос на обдув помещения.
30 квт теплоотдачи очень мощный котел нужен
Ну да, просто чтобы гарантированно не вскипятить буду ставить 2
вскипятть не получится что за печку хотите сделать ?
Да просто есть задумка, так как гараж на 2 машины (8х6 м). Стоит буржуйка с краю, и дальние углы очень долго отходят. А с радиатором дело должно пойти.
а почему просто не наварить ребра на буржуйку и не обдувать ее
Этот вариант тоже прикидывался, но пока склоняюсь к радиатору.
если делать водяной контур то можно для нагрева взять 2-3 радатора от газовых колонок а для охлаждения радиатор автомобильный
аа точно, только по ценам наверное не очень будет.
чермет посещайте регулярно там много этого добра ! по крайней мере у нас
Тема, а у него «карслон» электро? Если электро, то можно все в сборе поставить.
У меня другая задумка, хочу сделать печку для гаража. Змеевик в «буржуйку» а вот эти (предполагаю две) радиатора через циркуляционный насос на обдув помещения.
Если в гараже щели есть то лучше тепловой завесы нет ничего.на даче хотел ставить котел и все такое но понял пока электро вентиляторы спасут щелей много в доме. Самй лучший вариан это сделать КАЛАРИФЕР если не в курсе это то же самое что салонная печка.на стройках полно этого и в металоломе можно найти.кстати есть хороший вариант если место позволяет это конвекторы -трубы на которых надеты металические пластины по мисо пластин должен быть кожух чтобы холодный воздух проходя через конвектор нагревался и подымался . Конвектора лучше чем радиаторы чугунные, потому что радиатор излучает тепло а конвектор двигает воздух и нагревает помещение лучше
Термостат
Это наиболее нежный компонент в системе.
Он чаще всех выходит из строя – современные запчасти не слишком качественные. Функция термостата – контроль потока ОЖ по двигателю. Агрегат ЗМЗ-402, как и многие другие, имеет два круга циркуляции ОЖ – большой и, соответственно, малый.
Когда водитель запускает мотор и тот немного прогреется, жидкость в системе охлаждения УАЗа «Буханки» циркулирует только по малому кругу. Это позволяет быстрее подогреть мотор. Когда температура достигнет примерно 70 градусов, сработает термостат, и ОЖ потечет уже через радиатор охлаждения по большому кругу. Рабочими температурами для 402 двигателя являются показатели в пределах от 82 до 90 градусов. Если мотор не прогревается до этих температур, то это говорит о том, что термостат неисправен. Нередко по причине износа он заклинивает и не открывается.
Замена оборудования
Если вы решили самостоятельно заменить отопитель, следует предварительно познакомиться со схемой печки УАЗ Буханки для подключения электрической составляющей. Монтировать само оборудование, закрепив его в условном подкапотном пространстве, расположенном внутри машины, не сложно.
Но и тут следует придерживаться определённых правил и рекомендаций. Процесс будет рассмотреть на примере использования оборудования НАМИ, который отличается лучшей производительностью, а также может похвастаться наличием салонного фильтра, чего в штатном отопителе Буханки нет.
- Первым делом из системы нужно слить антифриз, а также отключить всю имеющуюся проводку. Чтобы было проще осуществлять обратную сборку и подключение, все свои шаги можно записывать или маркировать провода, патрубки и шланги;
- От щитка требуется отсоединить консоль, затем убрать отопительный узел, снять лючок воздухозаборника, удалить уплотнитель и тщательно прочистить все имеющиеся открывшиеся выемки;
- Сделайте замеры под воздушный фильтр, приложив его корпус к поверхности. Далее выполните несколько крепёжных отверстий. Только не используйте сверло диаметром больше 3,2 миллиметров;
- На место установки нанесите слой качественного автомобильного универсального герметика, который устойчив к влаге и резким температурным перепадам.
Слой делайте достаточно большой. Установите корпус фильтра и зафиксируйте его. Сам фильтр уже можно вставить в своё посадочное гнездо; - В салон монтируется новый отопитель. Фиксируется он с помощью шпилек, гаек и болтом М6. Закрепите всё максимально надёжно;
- Затем устанавливается консоль, на саморезах монтируется вся конструкция;
- Потом можно приступать к подключению тяги управления и её фиксации;
- Подключите все патрубки, по которым проходит антифриз. Для надёжности их рекомендуется стянуть хомутами;
- Не забудьте о каналах, которые позволяют обдувать стёкла, избегая их запотевания в процессе эксплуатации автомобиля в условиях повышенной влажности или осадков. Обдув стёкол должен быть на каждой машине. Будь то Мерседес последнего поколения или старая добрая Буханочка производства УАЗ;
- Завершается установка подключением электрической составляющей. Здесь есть своя схема соединения, которую стоит рассмотреть отдельно.
В действительности нет ничего особо сложного в том, чтобы на Буханке поменять штатную отопительную систему, и установить на место старой печки более эффективное и производительное оборудование.
Электрическая схема подключения
Система не сможет работать и отапливать вашу Буханку, если не получит питание. Для подключения существует особая схема. Действуя последовательно и аккуратно, вы сумеете без посторонней помощи запитать новую печку и насладиться эффективной работой отопителя.
- Для начала выберите место для размещения массы. За массу отвечает чёрный провод. Фиксируется она на любой удобной для вас металлической поверхности. Лучше всего делать массу на кузове;
- Следующим идёт плюсовой провод. При его подключении предварительно отключите минус с аккумуляторной батареи, чтобы машина не находилась под напряжением в процессе выполнения работ;
- Плюс рекомендуется заключить в гофрированную оболочку. Затем провод протягивается к предохранительному блоку, то есть к колодке на Буханке;
- Учтите, на автомобиле в его колодке есть 4 предохранителя. Последний, то есть четвёртый, находится под напряжением постоянно. Подключаться следует к любому из первых трёх.
Только делайте подключение сверху, перед штатным предохранителем в колодке; - В принципе на этом подключение электросхемы можно считать завершённым. Обязательно предварительно проверьте работоспособность печного оборудования.
Можно с уверенностью говорить о том, что используемая на автомобилях УАЗ Буханка отопительная система имеет достаточно простую конструкцию и схему. Потому у бывалых автомобилистов, привыкших заниматься обслуживанием, ремонтом и некоторыми доработками своими руками, никаких проблем с пониманием отопителя Буханки возникнуть не должно. Но крайне важно постоянно следить за её работоспособность, проводить профилактические мероприятия, контролировать состояние и количество жидкости охлаждения. Особенно внимательно наблюдайте за наиболее слабыми местами печки. К ним сами владельцы Буханок относят штатные краники. Кран часто закисает, заклинивает и даёт течь. Связано это с длительным простоем краника, который водители попросту забывают периодически открывать сугубо с профилактической целью.
Радиатор и вентилятор охлаждения
Когда жидкость в системе охлаждения УАЗа «Буханки» пройдет через двигатель, она разогреется. Для охлаждения она должна остыть. Для этого используется радиатор. На этих авто завод-изготовитель устанавливает преимущественно медные 3-рядные радиаторы. Однако владельцы вместо него предпочитают устанавливать алюминиевые решения. Как отмечают отзывы, с ними двигатель охлаждается значительно эффективней.
Радиатор в системе выполняет функцию охладителя. Он охлаждается под воздействием встречного потока воздуха при движении. Когда автомобиль стоит или движется с небольшой скоростью, поток воздуха слабый и не может достаточно обдувать радиатор. Тогда в дело вступает вентилятор. В этом автомобиле он принудительного типа. Элемент вращается при запущенном двигателе, вне зависимости от температуры охлаждающей жидкости. Таким образом, перегреть двигатель очень сложно.
Характерные неисправности
Для печки, используемой в системе отопления автомобиля УАЗ Буханка, характерно несколько поломок, с которыми приходится частенько сталкиваться владельцам.
Результатом неисправностей становится отказ печного оборудования, то есть печка перестаёт выполнять возложенные неё функции. Прекращается обогрев, что приводит к соответствующим неприятным ситуациям в зимний период эксплуатации Буханки. Можно выделить несколько основных причин, почему может не греть печка на Буханке:
- в каналах, предназначенных для прохождения потоков подогретого или ещё холодного воздуха появились повреждения;
- произошла утечка антифриза;
- вышел из строя кран печки;
- загрязнилась система, что провоцирует снижение температуры при обогреве салона;
- образовалась течь в кранике отопителя;
- перегорел клапан, предназначенный для двигателя системы отопления Буханки.
Если система полностью вышла из строя, ремонтировать её не всегда рационально и финансово целесообразно. Когда печка Буханки прослужила долгое время, и при этом работает откровенно плохо, наиболее правильным решением станет её полная замена.
Рубашка охлаждения и патрубки
Для соединения различных узлов системы охлаждения 402-го двигателя УАЗа «Буханки» используются патрубки.
Это резиновые изделия в виде трубок. Элементы достаточно надежны, но если они эксплуатируются достаточно долго, то изнашиваются – стареют. Тогда ОЖ может протекать, и уровень ее падает. В результате мотор перегревается.
Рубашка охлаждения – это необходимая часть, без которой мотор просто не будет остывать. Рубашка проходит через весь блок цилиндров. Она выполняет функцию поглотителя тепла. Затем ОЖ выводится к радиатору.
Помпа
Это очень важный элемент. За счет него жидкость может циркулировать непосредственно по всей системе. В этом двигателе тосол циркулирует постоянно в принудительном порядке. Насос состоит из нескольких элементов – при необходимости он легко разбирается. Расположена помпа в передней части на блоке цилиндров, а в действие она приводится посредством ременного привода.
Недостатки системы
В штатной системе есть только один плюс – она работает. Владельцы не могут сказать, что на безупречно надежна. Все дело в качестве запасных частей.
А вот все прочие достоинства, которые есть у этой системы, можно смело списать в минусы. На 402-м моторе слишком малооборотистый вентилятор – количество его оборотов строго ограничено помпой. Чтобы их хватало, нужен большой радиатор. Зимой приходится этот радиатор закрывать, чтобы мотор не замерз. Существуют проблемы и с работой отопителя. Без дополнительной искусственной прокачки тосола тепла можно не ждать.
Решить все эти проблемы можно посредством модернизации системы охлаждения 402 двигателя УАЗ «Буханки» (замена радиатора на многосекционный, установка второй печки и так далее). Многие владельцы дорабатывают ее, увеличивая эффективность работы.
Итак, мы рассмотрели устройство системы охлаждения двигателя УАЗ Буханка с двигателем 409-й и 402-й модели. Устройство весьма простое, однако надежность системы оставляет желать лучшего, как говорят владельцы. Поэтому многим владельцем придется заняться самостоятельным ремонтом системы охлаждения либо самому, либо в специализированном автосервисе.
Источник
проект «УАЗБУКА»: Буханка Установка печки НАМИ
Продолжаем, совместно с Магазин4х4, усовершенствовать автомобиль УАЗ-2206 .
Еще зимой мы приобрели отопитель повышенной мощности в Лаборатории микроклимата «НАМИ». На сегодняшний день это самый лучший отопитель для УАЗ Буханки, который встает вместо штатной печки без существенных переделок. Обзор отопителя НАМИ на УАЗ Буханку был опубликован ранее.
Лаборатория микроклимата НАМИ давно разрабатывает системы отопления и вентиляции для автомобилей. При лаборатории есть небольшое производство, где отопители изготавливаются мелкими партиями. Заказать печь НАМИ можно по телефону указанному на сайте. Поскольку производство мелкосерийное, то скорее всего выполнение заказа придется ждать какое то время.
Почему надо менять отопитель? Для этого есть несколько причин: Во первых новый отопитель более производительный: 8кВт вместо 4кВт у штатного Во вторых, максимальный расход воздуха через отопитель в три раза выше 450м3 в час вместо 150 В третьих у нового отопителя есть салонный фильтр В четвертых уровень шума у нового отопителя значительно ниже чем у штатного И последнее, у новой печки есть режим рециркуляции салонного воздуха.
Поэтому смело меняем!
Вначале штудируем немногословную инструкцию:
Приступаем к работе. Снимаем старую печку. Но предварительно сливаем антифриз из печки. Для этого откручиваем пробку на самой нижней точке кронштейна крепления подводящих шлангов к печке.
Сливаем остальную ОЖ (Охлаждающую Жидкость) из системы охлаждения.
На тех радиаторах которые поставляются сейчас (2015-2016гг) отдельного крана для слива уже нет, и ОЖ сливаем отсоединяя нижний патрубок радиатора.
Штатный отопитель крепится при помощи 4-х болтов М6 (ключ на 10)
В одиночку открутить болты крепления печки задача нелегкая. Завод с маниакальным упорством экономит на закладных гайках. Придется одну сторону держать, а с другой откручивать.
Поэтому либо делаем с помощником, либо надо как то зафиксировать болт от проворачивания.
Открутили болты крепления
Снимаем кнопки на дополнительной панели и саму панельку тоже убираем.
Иначе она будет мешаться при манипуляциях с печкой
Отключаем разъем питания от отопителя.
Снимаем дополнительное сопротивление, оно нам уже не пригодиться. Отсоединяем патрубки ОЖ и вытаскиваем старый отопитель.
Для интереса взвесили сколько он весит. Получилось 5.85кг.
Теперь демонтируем устройство управления воздухозаборником.
Заслонку тоже снимаем. Несмотря на тотальный антикор на ней уже образовалась ржавчина
Старый отопитель, вместе с системой управления заслонкой весят 8,2кг
Первоначально хотели заменить и салонный отопитель на более компактный и малошумный. Однако, потом, глобальную модернизацию отложили и салонный отопитель вернули на место.
Зато теперь знаем, что он весит 5.65кг
Вся отопительная система Буханки
Новый отопитель НАМИ весит 7,65кг Поскольку корпус пластиковый, то весь основной вес приходится на радиатор и мотор.
На новой печке уплотнитель сделан из поролона. Весьма недолговечный продукт, да к тому же моментом набирает воду.
Решили заменить его на более технологичный пенополиуретан, который в изобилии остался от старой шумоизоляции.
Удаляем старый уплотнитель
На основе его вырезаем новый и приклеиваем.
При первой примерке показалось, что одного слоя недостаточно. Был наклеен второй слой уплотнителя.
Однако при финишной подгонке выяснилось, что такой толстый уплотнитель не нужен достаточно и одного слоя.
Очень странно, что для отопителя в Буханку не предусмотрено дренажное отверстие для слива попавшей воды. Ведь вода будет по любому попадать в печку. А если нет дренажного отверстия, то вода будет оставаться в передней полости, пропитает фильтр и будет долго и мучительно высыхать, при этом орошая ароматами салон автомобиля.
Проконсультировавшись с производителем печки решили сделать дренаж самостоятельно. Для этого есть даже незадействованные отверстия в корпусе отопителя.
Отверстие которое находится справа (около салонного фильтра) мы заглушили.
Для этого использовали простой автомобильный герметик. Левое отверстие используем для дренажа. Его диаметр позволяет пропустить через него трубку от омывателя ветрового стекла.
Устанавливаем новый отопитель на место. Если дренаж не делать, то надо вначале установить лючок воздухозаборника. Его проще прикручивать при снятой печке. Но мы не ищем легких путей
История Ульяновского автомобильного завода
1941
1942
1943
1944
1947
1949
1954
1956
1959
1960
1961
1965
1966
1967
1971
1972
1974
1976
1977
1983
1989
1992
1993
1994
1996
1997
1998
1999
2000
2001
2002
2003
2004
2005
2006
2007
2008
2009
2010
2011
2012
2013
2014
2015
2016
2017
2018
2019
2020
2021
1942
1941
В июле 1941 года Государственный Комитет Обороны СССР принимает решение об эвакуации из Москвы ряда крупнейших предприятий.
Было принято решение об открытии сборочного производства Завода Имени Сталина (ЗИС) в Ульяновске. Решением Правительства СССР в октябре 1941 г. часть коллектива Московского автомобильного завода вместе с оборудованием была эвакуирована в г. Ульяновск. К началу 1942 года цех боеприпасов выпустил свою первую продукцию — авиационные снаряды.
1942
К маю 1942 года было собрано пять первых автомобилей ЗИС-5. В феврале 1942 г. начата стендовая сборка автомобилей для фронта. В июле темпы сборки возросли до 20–30 машин в сутки. Ульяновский филиал № 4 ЗИС (УльЗИС) официально назначен головным предприятием по выпуску автомобилей ЗИС-5. Собраны и отправлены на фронт десятки грузовых автомобилей. Осенью начат выпуск малолитражных двигателей Л3/2 для нужд армии. К концу 1942 года на заводе трудилось уже около 4 тысяч молодых рабочих.
1943
22 июня 1943 года ГКО принимает решение о строительстве в Ульяновске автомобильного завода. С этой целью городской исполком выделил за рекой Свиягой 200 га земли под промышленное и жилищное строительство.
Строительство автозавода положило начало одному из крупнейших районов города Ульяновска.
1944
К маю 1943 года был выпущен опытный образец дизельного грузовика УльЗИС-253 — первый собственный автомобиль Ульяновского автозавода. Этот 3,5-тонный дизельный грузовик по экономичности двигателя и динамическим качествам не уступал американскому «Студебеккеру», за что и получил высокую оценку специалистов. В конце 1944 года машину марки ЗИС-5 передали на Урал, в город Миасс, а ульяновскому автозаводу было поручено освоить и наладить выпуск автомобилей ГАЗ-АА.
1947
26 октября с главного конвейера сошел первый полуторатонный грузовик ГАЗ-АА.
1949
13 марта с ленты главного конвейера сошел 10-тысячный грузовик. За две смены выпуск достиг 140 машин.
На октябрьской демонстрации 1949 года впервые был продемонстрирован опытный образец однотонного грузовичка УАЗ-300. В 1950 году он успешно прошел дорожные испытания. Но этому детищу ульяновских конструкторов не суждено было пойти в производство.
1954
Создается отдел главного конструктора (ОГК). Вначале это была небольшая группа под руководством И. А. Давыдова, которая принимала с ГАЗа документацию и передавала ее после обработки и комплектования в технологический отдел. С приходом новых специалистов начинается разработка новых автомобилей семейства УАЗ. В конце года с конвейера сходят наладочные партии ГАЗ-69.
1956
Приказом министра Ульяновскому автозаводу было поручено освоить выпуск ранее производившихся в Горьком легковых автомобилей повышенной проходимости ГАЗ-69 и ГАЗ-69А и прицепов к ним. С этого года УАЗ официально специализируется на производстве малотоннажных автомобилей повышенной проходимости.
Весной УАЗу поручено провести в сжатые сроки цикл опытно-конструкторских работ по созданию нескольких разновидностей автомобилей, в том числе санитарного, грузового, фургона, микроавтобуса.
Принята новая по тем временам компоновка с кабиной над двигателем, которую на автомобилях повышенной проходимости не применяла ни одна фирма.
Такая компоновка позволила увеличить объем кузова без увеличения длины автомобиля.
1959
Начат экспорт автомобилей УАЗ: ульяновские вездеходы были отправлены в 22 страны мира. Автомобили ульяновского автозавода имели хорошую репутацию, благодаря неприхотливости в эксплуатации и надежности. По своим ходовым качествам УАЗы превосходили зарубежные аналоги, чем и заслужили уважение зарубежных автомобилистов.
1960
Группа конструкторов автозавода получила авторское свидетельство на изобретение толкающего штангового конвейера. Внедрение новой системы в сборочное производство оказалось настолько эффективным, что газета «Известия» писала: «Такого комплекса нет ни на ГАЗе, ни на ЗИЛе. Ульяновцы как бы опередили своих старших братьев, у которых совсем недавно брали уроки крупносерийного производства».
1961
В январе принято решение об освоении новых моделей. В конце года начато серийное производство грузовика с бортовой платформой УАЗ-451Д и фургона УАЗ-451. 12 декабря первые машины сошли с нового конвейера.
Модификации этих автомобилей выпускаются на заводе по сей день.
1965
В начале года с конвейера сошел 250-тысячныйГАЗ-69. Завершена разработка легкового автомобиля УАЗ-469. УАЗ-469 должен был прийти на смену ГАЗ-69. После тщательной работы конструкторов над кабиной, подвеской и мостами, были проведены контрольные испытания, а затем документацию на машину передали в отдел подготовки производства.
1966
В мае в Москве состоялась международная выставка сельхозтехники с участием представителей 20 стран мира. По решению жюри грузовой автомобиль УАЗ-452Д был удостоен золотой медали. Этот автомобиль стал незаменимым помощником тружеников сельского хозяйства страны благодаря маневренности, проходимости и неприхотливости в эксплуатации.
20 августа УАЗ награжден орденом Трудового Красного Знамени.
1967
В январе 1967 года Министерство автомобильной промышленности СССР и Госплан СССР утвердили проектное задание на реконструкцию и расширение завода. Этим заданием предусматривалось увеличить выпуск автомобилей в 3,5 раза и приступить к выпуску новых моделей.
1971
2 ноября на заседании техсовета принято решение о безостановочном переводе производства с автомобилей ГАЗ-69 и ГАЗ-69А на автомобили УАЗ-469 и УАЗ-469Б.
1972
УАЗ-469 успешно прошел государственные испытания. 4 августа завершено расширение главного конвейера. Пущена в строй грузовая линия.
15 декабря с главного конвейера сошла наладочная партия автомобилей УАЗ-469.
1974
18 февраля с конвейера сошел миллионный УАЗ. Этим автомобилем был УАЗ-452 (фургон), завоевавший к тому времени большую популярность среди автомобилистов.
В августе 1974 года три автомобиля УАЗ-469Б поднялись по серпантинному склону Эльбруса на высоту 4000 метров над уровнем моря. Чистое время подъема составило всего 38 минут.
1976
16 февраля автозавод награжден вторым орденом Трудового Красного Знамени. 27 декабря государственный Знак качества присвоен автомобильному двигателю УМЗ-451 М.
1977
В ноябре УАЗ-452 (фургон) получает государственный Знак качества.
1983
Группа конструкторов УАЗа получила правительственные награды за изобретение плавающего автомобиля «Ягуар». Эта модель предназначалась для армии, в частности для пограничников. До сих пор в мире нет аналогов этому автомобилю — его скорость на воде составляет 8–10 км/ч.
1989
Осенью по инициативе телепрограммы «Клуб путешественников» Ульяновский автозавод принял участие в экспедиции международного проекта «Великий Шелковый путь», который проводился под эгидой ЮНЕСКО. Пройдя в общей сложности около десяти тысяч километров по пескам и горам Средней Азии и Казахстана, автомобили УАЗ ничуть не уступали в скорости и проходимости автомобилям фирмы «Мерседес-Бенц», а на подъёмах в горах даже имели преимущество.
1992
УАЗ преобразован в АООТ «Ульяновский Автомобильный Завод» (АО «УАЗ»).
1993
Начат выпуск автомобилей новой модификации УАЗ-31514. Эта модификация автомобиля УАЗ-469 с повышенными потребительскими качествами отличалась наличием металлической крыши, регулируемыми сиденьями, новыми замками дверей.
Расширение ряда модификаций предусматривало комплектацию автомобиля УАЗ-31514 новыми более экономичными двигателями и пружиной передней подвески.
1994
В октябре заводу был вручен международный приз «Золотой глобус» за выдающийся вклад в развитие экономики своей страны и интеграцию в мировую экономику, а также за конкурентную и качественную продукцию.
1996
По объему продаж предприятие было награждено европейским призом «Золотой меркурий».
1997
Автомобиль УАЗ-3160 удостоен малой золотой медали и диплома в г. Екатеринбург на международной ярмарке «Европа — Азия — Транзит».
На заводе организовано производство автомобилей малых серий (ПАМС). Первой освоенной здесь моделью стал УАЗ-3153, который отличался от УАЗ-31514 удлиненной базой.
5 августа с конвейера сошла первая опытная партия новых автомобилей УАЗ-3160. Этот автомобиль стал основой для разработки автомобилей Simbir и УАЗ-3163.
1998
В июне УАЗ приступил к сборке автомобилей с дизельным двигателем УАЗ-31604.
В перспективе — появление гаммы автомобилей на базе нового грузового шасси, где будут современный автобус, новый грузовик и новый вариант фермерского автомобиля.
1999
14 сентября с главного конвейера сошел 1000-й автомобиль УАЗ-3160.
Закончена подготовка производства и начат серийный выпуск новых моделей на базе малотоннажных автомобилей УАЗ-39094 с пятиместной кабиной и металлической платформой.
2000
27 апреля с конвейера сошел первый автомобиль УАЗ-3162. 12 октября ОАО «Северсталь» приобрело крупный пакет акций автозавода.
Закончена разработка малотоннажного автомобиля полукапотной компоновки типа «Мультивэн», в котором могут разместиться до 12 человек.
2001
В сентябре на VII Московской промышленной выставке-ярмарке УАЗ Simbir награжден золотой медалью.
Автопробег «Ульяновск — Заволжье — Череповец — Ульяновск» продемонстрировал предприятиям-смежникам продукцию совместной деятельности — опытные модели минивэн УАЗ-3165, пикап УАЗ-2362 и многие другие.
Сформирована сеть официальных дилеров из более 100 организаций в России и ближнем зарубежье.
2002
В августе исполнилось 30 лет грузовой линии главного конвейера. В этом же месяце на VII Российском Международном автосалоне пикап УАЗ-23632 признан «Лучшим пикапом» MIMS-2002 и награжден дипломом «Гран-при».
2003
В марте во Вьетнаме открыто сборочное производство УАЗов.
26 марта автомобиль УАЗ Simbir по итогам 2002 года стал одним из победителей Всероссийской программы-конкурса «100 лучших товаров России» и получил право носить серебряный значок в течение двух лет.
В апреле на международной выставке в Шанхае представлен УАЗ Simbir с двигателем ЗМЗ-409.
20 ноября с конвейера сошел последний автомобиль УАЗ-31512 (модификация УАЗ-469). За ним — первый УАЗ Hunter.
2004
Еще в конце 2003 года Сборочно-кузовное производство УАЗа прошло сертификационный аудит на соответствие системы менеджмента качества предприятия требованиям международных стандартов.
16 января представители немецкой фирмы «TUV Менеджмент Сервис» вручили автозаводу сертификат соответствия системы качества требованиям ISO 9001:2000.
4 марта с главного конвейера сошел первый автомобиль УАЗ-2360 (грузовик на базе 3160).
С 17 апреля по 30 мая состоялся автопробег новых автомобилей УАЗ Hunter, Simbir и УАЗ-2360 из Красноярска в Санкт-Петербург. Общая протяженность трассы составила более 5000 км. В крупнейших городах России по пути следования автопробега устраивались «внедорожные» соревнования и проводились тест-драйвы новых УАЗов под девизом «Внедорожный Выходной».
2005
17 августа на Ульяновском автомобильном заводе началось серийное производство внедорожника УАЗ Патриот, который вобрал в себя лучшие технические решения последних 10 лет. Для производства новинки на заводе была пущена новая сварочная линия, построен новый окрасочный комплекс Eisenmann и модернизирован главный конвейер. Кроме того, была введена новая производственная система, аналогичная применяемой на японских автозаводах, а персонал завода прошел курс обучения непосредственно для новой модели.
2006
3 сентября введен в эксплуатацию новый контрольно-испытательный участок основного конвейера. Инвестиции в реализацию проекта составили €2 млн.
Общая площадь нового участка составляет 2800 кв.м., пропускная способность — до 90 тысяч автомобилей в год. Участок рассчитан на весь существующий модельный ряд автомобилей марки УАЗ, а также перспективные модели.
В августе УАЗ представил на Московском Международном Автосалоне 4 новинки: концептуальный внедорожник УАЗ-3163 М, УАЗ Патриот следующего модельного года и два перспективных пикапа на базе УАЗ Патриот — с двухместной и пятиместной кабинами.
2007
В августе началось серийное производство автомобилей УАЗ Патриот с кондиционером, улучшенной системой отопления и вентиляции салона, а также обновленной системой охлаждения двигателя.
В марте началось производство новой модификации УАЗ Хантер — Classic, которая логично завершает гамму модели Хантер, занимая в ней начальную нишу утилитарного и простого в обслуживании внедорожника, пригодного для эксплуатации в самых жестких климатических и дорожных условиях.
2008
В феврале началось серийное производство легких коммерческих автомобилей на базе внедорожника УАЗ Патриот. Новая модель получила название УАЗ Cargo и выпускалась в нескольких модификациях: с открытой грузовой платформой, с тентованным кузовом высотой 1,4 метра, а также в виде шасси для установки надстроек.
В августе началось серийное производство автомобилей УАЗ Патриот с всемирно известным дизельным двигателем Iveco. Стартовало серийное производство нового автомобиля УАЗ Пикап.
2009
13 сентября официальная команда Ульяновского автомобильного завода финишировала в ралли серии «Дакар». Команда, выступавшая на УАЗ Патриот в классе Т1.1., заняла в зачете «автомобили» 21 место, оставив позади 13 соперников. В общем зачете автомобиль из Ульяновска пришел 34, обойдя 36 других внедорожников и грузовиков.
УАЗ Патриот и УАЗ Пикап были выбраны в качестве официальных автомобилей всероссийского автопробега «Великий путь российской цивилизации», который был организован партией «Единая Россия».
Экспедиция стартовала 13 октября из Санкт-Петербурга и 16 ноября завершилась во Владивостоке. Автомобили УАЗ преодолели более 11 тыс. км.
2010
В марте начат выпуск нового поколения легендарного внедорожника 469 на базе УАЗ Хантер, который получил разрезные мосты, металлические бампера, 4-х ступенчатую коробку передач, откидной борт багажника.
В мае с конвейера Ульяновского автомобильного завода сошли первые автомобили с двухтопливной системой питания (бензин+газ).
В июне УАЗ 469 установил мировой рекорд по вместимости легкового автомобиля. Внутри внедорожника одновременно поместилось 32 человека: примерно столько пассажирских мест размещено в рейсовом автобусе. Общий вес пассажиров вместе с водителем составил 1900 кг, что соответствует весу африканского слона.
В августе на Московском Международном Автосалоне представлен новый внедорожник УАЗ Патриот Sport. В сентябре УАЗ Sport Division на ралли «Шелковый путь» оказалась лучшей российской командой на внедорожнике.
Беньямин Джепаев на автомобиле УАЗ Пикап занял пятое место в общем зачете внедорожников, став первым российским экипажем, составившим конкуренцию зарубежным заводским командам.
В ноябре автомобили УАЗ Патриот и УАЗ Пикап с бензиновым двигателем ЗМЗ успешно прошли сертификацию на соответствие нормам экологического класса «Евро-4» в Италии.
2011
В марте УАЗ Патриот занял первое место в номинации «Отечественный автомобиль» в национальной автомобильной Премии «Лучшее авто по версии Рунета», учредителем которой является Авто@Mail. Ru.
В июне УАЗ приступил к серийному производству автомобилей традиционного коммерческого модельного ряда категории M2G, соответствующих требованиям токсичности Евро-4 и оснащенных системой безопасности АБС.
Ульяновскому автомобильному заводу исполняется 70 лет. Специально для поклонников бренда на экспортных рынках УАЗ выпускает ограниченную серию юбилейных УАЗ Хантер, а на территории РФ — ограниченную серию юбилейных УАЗ Патриот.
7 ноября 10 автомобилей УАЗ приняли участие в торжественном марше на Красной площади в Москве, посвященный 70-й годовщине легендарного парада войск Красной армии, прошедшего в 1941 году в осажденной фашистами столице.
В ноябре автомобиль УАЗ Патриот стал дипломантом Всероссийского конкурса «100 лучших товаров России». ОАО «УАЗ» поставил на экспорт в Республику Гвинея 50 автомобилей УАЗ Патриот через Международную организацию гражданской обороны в рамках Российской гуманитарной помощи.
С 15 августа по 15 ноября в московском офисе SOLLERS проходила выставка «Эпоха внедорожных открытий», посвященная 70-летию Ульяновского автомобильного завода.
В декабре в честь юбилея Ульяновского автомобильного завода в свет вышел сборник рассказов «Попутчики» и короткометражный художественный фильм, основанные на реальных историях сегодняшних владельцев автомобилей УАЗ.
2012
В начале февраля около Новосибирска автомобили УАЗ экологического стандарта Евро-4 прошли лабораторно-дорожные испытания в условиях пониженных температур.
В марте внедорожник УАЗ Патриот занял первое место в номинации «Отечественный автомобиль» в национальной автомобильной премии «Лучшее авто по версии Рунета», учредителем которой является Авто@Mail.
Ru.
В августе на Московском Международном Автосалоне Ульяновский автомобильный завод представил две российские премьеры — обновленные УАЗ Патриот и УАЗ Пикап с новым дизельным двигателем ЗМЗ Евро-4, который оснащен современными дизельными технологиями Bosch — системой Common Rail CRS2-14, а также европейской системой бортовой диагностики (EOBD).
2013
В апреле УАЗ объявляет о выпуске лимитированных комплектаций Welcome для моделей УАЗ Патриот и Хантер.
В мае пятый год подряд внедорожник УАЗ Патриот занял первое место в номинации «Отечественный автомобиль» в национальной автомобильной Премии «Лучшее авто по версии Рунета», учредителем которой является Авто@Mail. Ru.
В августе с конвейера сошел первый серийный УАЗ Патриот 2014 модельного года, рестайлинг которого, прежде всего, затронул трансмиссию, материалы отделки и дополнительное оборудование.
С 17 по 19 сентября новые автомобили УАЗ Патриот и Пикап успешно прошли тестирование в горах Абхазии. Конечной точкой экспедиции стало высокогорное труднодоступное село Псху, куда отваживаются отправиться только смельчаки.
C сентября модельный ряд УАЗ пополнился специальной серией Трофи.
В ноябре УАЗ совместно с компанией «Лукойл» запускает линейку оригинальных масел для автомобилей УАЗ.
В декабре УАЗ выпускает ограниченную серию автомобилей Патриот Arctic в специальном зимнем цвете «Снежная королева», оснащенных предпусковым подогревателем компании Eberspecher HYDRONIC.
2014
2013 год стал для Ульяновского автомобильного завода рекордным за последние годы по количеству автомобилей, реализованных на внешних рынках (рост продаж на 37% относительно 2012 года). Автомобили УАЗ были поставлены в 20 стран.
В конце марта экспедиция на внедорожнике УАЗ Патриот достигла побережья Северного Ледовитого океана. Впервые в истории российский внедорожник пересек Якутию по зимникам и замерзшей тундре, добрался до якутского поселка Юрюнг-Хая, и впервые, через Таймылыр, прошел с западной стороны к одному из самых северных портов России на Тикси, став единственным и по праву первым, кто пересёк 73-ю параллель северной широты своим ходом.
Полярная экспедиция финишировала в Красноярске. За 38 дней внедорожник УАЗ Патриот успешно преодолел более 21 000 км маршрута, проходившего по дорогам общего пользования, зимникам, замерзшей Тундре и льду моря Лаптевых.
4 апреля Председатель Правительства Российской Федерации Д. А. Медведев посетил Ульяновский автомобильный завод, где ознакомился с производственной площадкой и проектом по модернизации и развитию предприятия.
7 октября на Ульяновском автомобильном заводе стартовало серийное производство обновленных автомобилей УАЗ Патриот. Первые три автомобиля символично сошли с конвейера в цветах триколора российского флага. На церемонии присутствовали Министр промышленности и торговли РФ Д. В. Мантуров, Полномочный представитель президента РФ в ПФО М. В. Бабич, Губернатор Ульяновской области С. И. Морозов, которые совместно в торжественной обстановке запустили новый сборочный конвейер кузовов и дали старт серийному производству.
С 22 ноября по 7 декабря на обновленных УАЗ Патриот состоялся автопробег по просторам Крымского полуострова.
В пробеге были задействованы 8 внедорожников, три из которых первыми сошли с конвейера Ульяновского автомобильного завода в цветах триколора российского флага.
2015
Впервые российский внедорожник УАЗ Патриот принял участие в легендарном марафоне Дакар. На тяжелейшей гонке Дакар-2015, которая проходила с 4 по 17 января по территории Южной Америки, УАЗ Патриот успешно прошел всю дистанцию гонки в качестве автомобиля сопровождения с журналистами и менеджерами Белгородской команды АСК «Вираж».
В конце февраля УАЗ выпускает «прощальную» спецверсию модели Хантер с символичным названием «Победная серия». Создателей спецверсии вдохновило главное событие в истории России в 2015 году — 70-летие Победы в Великой Отечественной Войне. Лейтмотивом «Победной серии» стал культовый советский фильм «В бой идут одни старики», повествующий о буднях лётчиков-истребителей в годы ВОВ. Рисунок нотного стана нанесен по кузову «командирского УАЗика» с двух сторон аэрографией, выполненной по аналогии с изображением на фюзеляже истребителя главного героя фильма, позывной которого — «Маэстро».
В апреле специально по просьбам клиентов Ателье Специального Назначения УАЗ разработало спецверсии внедорожников: Трофи, Анлимитед и Экспедишн. С этого года все спецверсии автомобилей УАЗ будут разрабатываться в Ателье Специального Назначения (АСН). Отличительный логотип, подтверждающий принадлежность спецсерии, будет располагаться на задней двери кузова автомобиля.
17 апреля стартовал автопробег «Путешествие Мира» в рамках открытого фестиваля «Черешневый лес». «Путешествие Мира» — это 8000 километров по России от Белого до Черного моря на легендарных автомобилях УАЗ-452, в народе именуемых «Буханка», которая в 2015 году отмечает 50-летний юбилей.
В период с 16 по 19 июня 2015 года Ульяновский автомобильный завод принял участие в Международном военно-техническом форуме «АРМИЯ-2015», который впервые состоялся на базе Военно-патриотического парка культуры и отдыха ВС Российской Федерации в парке «Патриот».
В июле УАЗ выступил генеральным партнером конкурса «Почта России».
При поддержке УАЗ в Нижнем Новгороде на базе автомобильного спортивного комплекса «Нижегородское кольцо» состоялся финал конкурса профессионального мастерства, ежегодно проводимого «Почтой России», — «Лучший водитель 2015 года».
27 августа УАЗ принял участие в международной выставке внедорожников Moscow Off-road Show 2015. В рамках выставки УАЗ представил рестайлинговый внедорожник УАЗ Патриот и тюнингованный УАЗ Хантер.
С 8 по 12 сентября 2015 года УАЗ принимает участие в одной из крупнейших международных отраслевых выставок КомТранс-2015, где представляет УАЗ Карго, УАЗ Фермер, УАЗ Пикап и обновленный УАЗ Патриот.
С 20 по 23 октября 2015 года УАЗ принимает участие в Международной выставке средств обеспечения безопасности государства «Интерполитех-2015», которая проходит в Москве на территории ВДНХ. Представлены три специальных автомобиля УАЗ — «Патрульный», «Дежурная часть», «Кинолог», а также обновленные модели УАЗ Карго и УАЗ Патриот.
2016
Ведущий российский производитель внедорожников УАЗ занял одиннадцатую из 63 позиций по объему продаж новых автомобилей в России по итогам 2015 года согласно рейтингу АЕБ.
По итогам 2015 года УАЗ занял 2 позицию по общему объему продаж LCV в. России.
В рамках программы повышения качества продукции на Ульяновском автомобильном заводе введен в эксплуатацию новый цех сварки кузовов автомобилей семейства Патриот.
В апреле Ульяновский автомобильный завод занял 19-е место в ежегодном рейтинге РБК «50 крупнейших технологических компаний России». УАЗ — единственный российский автопроизводитель, вошедший в 20-ку рейтинга крупнейших технологических компаний по версии РБК. Рейтинг составлялся на основе шорт-листа из 92 российских компаний, занимающихся разработкой и производством уникальных технологических продуктов и технологий.
24 ноября 2016 года Ульяновский автомобильный завод отмечает 75-летний юбилей. За 75 лет УАЗ выпустил около 5 миллионов автомобилей более 250 модификаций и экспортировал их в 130 стран мира. На сегодняшний день линейка модельного ряда УАЗ насчитывает более 6 моделей и около сотни их модификаций.
Полностью разделяя любовь своих покупателей к приключениям и новым открытиям, УАЗ провел творческий конкурс «75 лет УАЗ.
Дух свободы и приключений», который объединил владельцев УАЗ со всей России. В рамках конкурса, главным призом в котором стал обновленный внедорожник УАЗ Патриот, участники делились своими эмоциями, присылали видео и рассказывали истории.
2017
На Ульяновском автозаводе завершена модернизация роботизированной линии окраски кузова. В частности, осуществлен переход с пневматического на электростатический метод нанесения краски. Такой способ позволяет значительно повысить качество лакокрасочного покрытия и кузовную устойчивость к коррозии. Помимо этого, на предприятии введена многоступенчатая система контроля качества, которая позволяет обнаруживать и устранять дефекты на стадии сборки.
По итогам I полугодия вдвое увеличился объем экспорта. В 2017-м заключен ряд дистрибьютерских договоров с партнерами из Западной Африки, Юго-Восточной Азии, Ближнего Востока и Латинской Америки. Кроме того, инициированы поставки автомобилей в Гондурас, Китай, Либерию, Мали, Мьянму, Парагвай, Филиппины, Эквадор.
Представлен экспериментальный УАЗ Профи с гибридной силовой установкой в составе бензинового двигателя, стартер-генератора (84 кВт), тягового электромотора (105 кВт) и высоковольтной батареи (25 кВт). Прогнозируемый запас хода на одной заправке достигает 1000 км, причем десятую часть пути можно преодолеть на электротяге. Автомобиль также оборудован электронными системами помощи водителю и телематической платформой.
В честь 45-летия легендарного УАЗ-469 в Ульяновске выпущена юбилейная спецверсия внедорожника Хантер. Среди особенностей продолжателя славных традиций — неразрезные мосты «Спайсер», откидной задний борт, сиденья из практичной ткани с водоотталкивающей тефлоновой пропиткой и парадное трехцветное исполнение. Тираж автомобиля ограничен 469 экземплярами.
На рынке дебютирует УАЗ Профи. Новинка сегмента легких коммерческих автомобилей грузоподъемностью 1,5 тонны разработана с учетом пожеланий клиентов. Среди очевидных преимуществ модели — широкая гамма модификаций и надстроек, мощность в сочетании с топливной экономичностью, ездовой и эксплуатационный комфорт, а также традиционные внедорожные качества УАЗ.
2018
«Буханка» отмечает юбилей — 60 лет назад с конвейера Ульяновского автозавода сошел первый серийный УАЗ-450. Менялись модификации, элементы экстерьера, модельные индексы. Но верность основным принципам эта уникальная машина вагонной компоновки, малой грузоподъемности и повышенной проходимости сохраняет по сей день. Неприхотливость и способность работать в любых дорожно-климатических условиях по-прежнему служат залогом ее популярности.
С февраля испытания автомобилей УАЗ проводятся на новой линии тестов с использованием современного высокотехнологичного оборудования DURR. Обширный функционал позволяет повысить эффективность производства и улучшить потребительские свойства продукции. Кроме того, введение в эксплуатацию двустоечной координатно-измерительной машины ZEISS значительно повышает точность и скорость замеров кузовных деталей, что также позитивно сказывается на качестве сборки автомобилей УАЗ.
По итогам ежегодного исследования «Residual value — 2018» УАЗ Пикап занимает призовое место в классе STANDART среди пикапов.
Рейтинг аналитического агентства «АВТОСТАТ» дает представление о том, насколько конкретная модель теряет в цене по истечении определенного периода времени. По словам заместителя генерального директора ООО «УАЗ» Сергея Травкина, «Индекс сохранности остаточной стоимости автомобиля — весьма важный показатель, подтверждающий правильность выбора наших клиентов».
В 2018 году полностью пересмотрена технология покраски — для покрытия кузова обновленного УАЗ Патриот теперь используется катафорез, омологированный для Renault/Nissan. На поверхности металла закрепляется специальное вещество, которое выполняет функцию защитного слоя. Такой подход в несколько раз увеличивает сопротивляемость коррозии.
УАЗ Профи — победитель Гран-при «За Рулем». Новый коммерческий грузовик удостаивается звания «Вызов лидеру».
Ульяновский автомобильный завод первым из отечественных автопроизводителей запускает официальный интернет-магазин запчастей и аксессуаров для всего модельного ряда УАЗ. Для онлайн-заказа клиентам из стран СНГ, Европы, а также дальнего зарубежья доступно более 2 000 наименований с сертификатами качества и гарантией от Изготовителя.
УАЗ представляет экспедиционную спецверсию Патриот. Недюжинный внедорожный потенциал подчеркивается наличием сертифицированных лебедки, «злой» резины, экспедиционного багажника с лестницей на задней двери, тягово-сцепного устройства, блокировки дифференциала заднего моста, защиты рулевых тяг и порогов. Повышенный уровень комфорта обеспечивают кондиционер, мультимедийная система с навигацией и дополнительный отопитель салона.
В Казахстане налажено производство автомобилей УАЗ. На конвейер завода «Азия Авто» в Усть-Каменогорске встают Патриот, Хантер, а также модели коммерческой линейки.
Обновленный УАЗ Патриот впечатляет не только объемом модернизации. Процесс сборки самого первого автомобиля на конвейере демонстрируется онлайн в прямом эфире — свидетелем действа может стать любой желающий. Все возникающие во время трансляции вопросы о новом двигателе, модернизированной коробке передач, улучшенных подвеске и рулевом управлении ульяновские специалисты не оставляют без ответа.
2019
Все без исключения версии УАЗ Профи теперь могут с завода оснащаться газобаллонным оборудованием итальянской фирмы Lovato. Запас хода таких коммерческих автомобилей в зависимости от условий движения достигает 750 км.
С февраля на УАЗе применяются новые лакокрасочные материалы на участке окраски рам и мостов. Данный шаг позволяет повысить коррозионную стойкость соответствующих элементов внедорожников всего модельного ряда.
С конвейера завода начинают сходить модернизированные УАЗ Хантер. Обновленный внедорожник по умолчанию оснащается надежными и простыми в обслуживании мостами «Спайсер», механической трансмиссией Dymos, ABS, а также устройством вызова экстренных оперативных служб ЭРА-ГЛОНАСС.
УАЗ Пикап становится героем популярного западного сериала — в киноэпопее «Новый папа» автомобилем пользуется глава католической церкви. Исполнитель главной роли — голливудский актер Джон Малкович — вполне органично смотрится под сводами стеклянного бронекупола переоборудованной под «папамобиль» отечественной модели.
В модельной линейке появляется грузопассажирский УАЗ «Буханка» Комби в исполнении Трофи. Усиленный акцент, как понятно из названия, сделан на внедорожной составляющей. «Зубастые» шины на стальных дисках, защитный колер кузова, экспедиционный багажник с лестницей на задней двери и сиденья с водоотталкивающей обивкой и подогревом тому подтверждение.
Новое исполнение УАЗ Хантер называется Экспедиция. Помимо стильного двухцветного окраса кузова автомобиль предлагает расширенный внедорожный пакет с силовыми бамперами и порогами, защитой рулевых тяг, экспедиционным багажником и откидным задним бортом. Помимо них искателю приключений достаются электрическая лебедка, внедорожные шины, расширители арок, тягово-сцепное устройство и сиденья с водоотталкивающей обивкой.
Три серийных внедорожника — Хантер Экспедиция, Патриот Экспедиция и Патриот — покоряют Эльбрус. 45 лет назад аналогичным маршрутом по серпантинному склону на высоту 4200 метров над уровнем моря взбираются столько же абсолютно стандартных УАЗ-469Б под управлением водителей-испытателей Ульяновского автомобильного завода.
Тогда, в августе 1974 года, был зафиксирован новый мировой рекорд — УАЗ стал первым автомобилем, поднявшимся на высочайшую гору Европы.
Эпохальное событие в многолетней истории бренда — впервые модель УАЗ серийно оснащается автоматической трансмиссией. Отныне внедорожник Патриот можно приобрести с шестиступенчатой коробкой передач PUNCH Powerglide 6L50 французского производства.
Классический «автомат» с гидротрансформатором способен «переварить» 320 л.с. и 500 Н•м, тогда как 2,7-литровый ЗМЗ Pro развивает максимальные 150 л.с. и 235 Н•м. Таким образом, обеспечен почти двукратный запас прочности.
УАЗ начинает тестирование автомобилей с технологией Connected car. Последняя предполагает наличие встроенных телематических функций, онлайн-сервисов и мобильного приложения для клиентов, с помощью которого можно управлять новым функционалом и получать информацию от различных систем автомобиля. Данное решение позволяет снизить затраты на эксплуатацию машин за счет получаемых в режиме реального времени данных и возможности строить на их основе предиктивную аналитику, а также предоставлять дополнительные онлайн сервисы, исходя из потребностей конкретного клиента.
2020
В год Антарктиды в России компания УАЗ представляет лимитированную серию флагманской модели Патриот. Автомобили отличают эксклюзивный перламутровый цвет кузова, черные диски и элементы решетки радиатора, экспедиционный багажник с лестницей на пятой двери, противотуманные фары и шильды с указанием спецверсии. Тираж Antarctic Edition ограничен 200 экземплярами.
УАЗ выводит на рынок СГР Экспедиция. Оффроудный потенциал «Буханки» масштабируют силовые бамперы с буксировочными петлями, кронштейном под запасное колесо и тягово-сцепным устройством, электрическая лебедка, экспедиционный багажник с лестницей, защита рулевых тяг и шины BFGoodrich All-Terrain. Оборудование устанавливается в заводских условиях и не требует дополнительных затрат для регистрации в органах ГИБДД.
УАЗ запускает проект «Патриот открывает границы», продвигая тему автомобильного туризма по стране. Интерактивная карта на отдельной странице официального сайта компании постепенно пополняется новыми местами, посещенными пользователями наших внедорожников.
При наведении курсора на конкретную точку можно увидеть фотографии, краткое описание достопримечательностей и маршруты проезда.
С конвейера Ульяновского автомобильного завода сходят первые серийные экземпляры УАЗ Пикап с АКПП. Автомобиль оснащается автоматической коробкой передач PUNCH Powerglide 6L50 французского производства и гарантирует повышенную степень ездового комфорта.
УАЗ открывает онлайн-шоурум, который максимально упрощает процесс приобретения автомобиля и сулит выгоды покупателям.
Компания запускает сервис прямой аренды автомобилей. С новой фирменной онлайн-услугой внедорожник УАЗ Патриот с АКПП можно взять на срок до 28 дней без каких-либо ограничений по пробегу.
С конвейера казахстанского завода «СарыаркаАвтоПром» сходят первые реанимобили на базе УАЗ Профи. Новые АСМП оборудованы всем необходимым для транспортировки, мониторинга и эффективного проведения мер реанимационного характера при угрожающих жизни пациента состояниях на догоспитальном этапе.
2021
На рынок выходит УАЗ Профи Полуторка с двускатной ошиновкой колес задней оси. Новая версия коммерческого грузовика грузоподъемностью 1,5 тонны отличается улучшенными потребительскими свойствами. Десятки конструктивных новшеств позволили повысить запас прочности, уровень безопасности, степень комфорта и улучшить ходовые свойства LCV, а также расширить спектр возможных надстроек.
В Эфиопии стартует производство автомобилей УАЗ — специальное соглашение об организации сборки на территории республики подписано представителями Ульяновского автозавода и Bazra Motors. Помимо всех версий УАЗ Патриот, Пикап и Профи, с конвейера будут сходить внедорожники Хантер и модели классической линейки СГР.
УАЗ запускает сервис подписки на автомобили для организаций и индивидуальных предпринимателей. Ульяновские модели можно взять в долгосрочную аренду на срок до пяти лет, фиксированные ежемесячные платежи уже включают все сопутствующие затраты. Оплачивать остается лишь текущие расходы, связанные с заправкой топливом и мойкой транспортного средства.
1940
1950
1960
1970
1980
1990
2000
2010
2020
Ваш браузер устарел. Рекомендуем вам установить современный браузер:
Google Chrome
Firefox
Opera
Microsoft Edge
обслуживаниер. Масла трансмиссионные для кпп, раздаточных коробок и мостов уаз, классификация масел Какое масло заливать в буханку уаз
УАЗ Патриот — ведущий российский внедорожник, самый популярный среди моделей аналогичных габаритов и возможностей. В то же время за ним легко ухаживать. Замена расходных материалов на этот автомобиль не составит проблемы даже для начинающих автовладельцев, что позволит существенно сэкономить на услугах сервисного центра. Например, для «УАЗ Патриот» нужно просто детально изучить инструкцию по эксплуатации.
Интервалы замены масла
В коробке передач Патриот много мелких деталей, которые нуждаются в эффективном охлаждении, так как перегрев может привести к неисправностям и преждевременному износу.
Согласно официальным рекомендациям производителя, масло в КПП УАЗ Патриот следует менять каждые 60 – 80 тыс. км. пробег. В зависимости от условий эксплуатации может потребоваться замена трансмиссионной жидкости раньше. Поэтому стоит периодически оценивать состояние смазки на наличие примесей.
Какое масло заливать в АКПП
Учитывая климатические и другие условия эксплуатации автомобиля на российских дорогах, стоит использовать только качественную трансмиссионную жидкость. Их три:
- Минерал стоит недорого, но использовать его следует только при очень большом пробеге. В теплом климате хорошо показывает себя, но в холода быстро затвердеет из-за высокой степени вязкости.
- Полусинтетика – «золотая середина» в соотношении цена/качество. Его уже можно рекомендовать для замены масла в МКПП УАЗ Патриот.
- Синтетика – высочайшее качество, эффективно смазывает детали даже в экстремальных погодных условиях. Стоит дороже, но прослужит дольше.
Владельцы Патриотов часто используют полностью синтетические трансмиссионные масла 75W-90 со спецификацией GL4-GL3, которые подходят для обоих механизмов.
При выборе обязательно проверяйте, есть ли у продукции сертификация и соответствие ГОСТам. Это очень важно, если вы хотите получить действительно работающий и качественный продукт, который при использовании даст положительный результат.
Сколько заливать
Одним из важных вопросов при замене смазки является требуемый объем. Точно узнать реальный объем можно, следуя инструкции:
- подготовить две емкости более 5 литров;
- слить всю старую смазку в одну;
- во второй добавляем столько же нового.
Таким образом, абсолютно точно определяется количество необходимого трансмиссионного масла для УАЗ Патриот.
Проверка уровня и доливка
Перед заливкой нового средства следует измерить уровень масла в КПП УАЗ Патриот. Это легко сделать с помощью щупа. Это приспособление содержит указания, которые производитель рекомендует использовать. Желательно не выходить за их границы, так как недостаток объема ускоряет процесс износа деталей трансмиссии, а избыток приводит к образованию нагара.
Понятно, что таких последствий нужно избегать. При замене смазочных материалов обязательно нужно проверять уровень смазки. На завершающем этапе перед установкой поддона и защиты двигателя проверьте количество вещества щупом. Если он в норме, то не переживайте и ставьте все снятые детали обратно.
Процесс замены
Для Вас потребуется:
- ключи на 23 и 24;
- контейнер для слива отходов;
- заправочный шприц;
- новый масляный фильтр;
- сменное масло.
УАЗ Патриот процесс выглядит следующим образом:
Итоги
Процесс замены трансмиссионной смазки не вызывает проблем даже у неопытного автовладельца УАЗ Патриот. При этом процесс помогает сэкономить хорошие деньги, если делать это регулярно. Выбрав хорошую жидкость и правильно ее заменив, водители значительно уменьшают влияние трения на трансмиссию и максимально отодвигают межремонтный период.
Каждый автовладелец хоть раз задавался вопросом, какое масло лучше заливать в коробку автомобиля? Выбор масла зависит от марки автомобиля, поэтому сегодня мы рассмотрим, что лучше выбрать для внедорожника УАЗ Патриот, какому производителю следует отдать предпочтение, а также сколько заливать.
УАЗ Патриот оснащен механической коробкой передач, которая требует периодического внимания. Итак, в статье вы сможете ознакомиться с тем, зачем нужна замена смазки и как происходит этот процесс для внедорожника.
Итак, приступая к выяснению вопроса выбора оптимального масла для вашей коробки передач, следует узнать, какие виды смазки бывают. В коробку передач автомобилей заливают масла с теми же компонентами, что и для двигателей. Так, в состав трансмиссионных жидкостей входят следующие присадки со свойствами:
- противоизносные;
- вязкость-температура;
- антикоррозийный.
Материалы с различной вязкостью
Такие же присадки есть и в моторных жидкостях, разница между трансмиссионными маслами только в пропорции этих присадок. Для создания на деталях коробки максимально защитной пленки в жидкость добавляют различные химические соединения хлора, цинка, а также серы и фосфора. Рассмотрим типы трансмиссионных жидкостей:
- Синтетика.
Он самый дорогой и, следовательно, самый надежный и эффективный. Такие жидкости обладают высокой степенью текучести, что является положительным свойством. Но минус синтетики в том, что ее нельзя использовать в автомобилях с большим пробегом, так как при сильном горячем двигателе она становится настолько жидкой, что часто происходят протечки масла через сальники. - Минерал. Эта трансмиссионная жидкость самая дешевая и поэтому самая популярная. Такие масла доступны каждому, но главный их недостаток – небольшой срок службы, который составляет не более 30 км пробега. Производители, чтобы каким-либо образом улучшить их качество, часто добавляют в них примеси серы, тем самым повышая степень защиты внутренних рабочих элементов КПП.
- Полусинтетика. Такая жидкость представляет собой своеобразную смесь синтетики и минералки. Такие масла также вполне доступны всем автолюбителям, поэтому многие отдают предпочтение полусинтетическим трансмиссионным жидкостям.
Таким образом, напрашивается следующий вывод, что лучше всего заливать в коробку Патриот полусинтетику или синтетику при наличии финансов.
Также можно заливать минералку, но не рекомендуется, особенно в автомобили с небольшим пробегом.
Если ставить вопрос о выборе трансмиссионной жидкости для УАЗ Патриот по наименованиям производителей, то здесь можно отметить следующее, которое различает два основных типа:
- Качественное производство, а таковы марки масел от следующих производителей, таких как Mobil 1, Schell, Castrol, Zic и другие.
- Среднее качество изготовления: Маннол, Лукойл, Эдж, Эльф и Мотюль и другие.
Существуют также масла низкого качества, которые вообще не рекомендуются. Для МКПП, которая ставится на внедорожник, отличным вариантом станет полусинтетическое трансмиссионное масло марки Castrol или Mannol.
При выборе также следует обращать внимание на вязкость масла. Но есть одна закономерность, если вы покупаете продукцию в том регионе, где эксплуатируете автомобиль, то нет смысла заморачиваться со степенями вязкости. Ведь реализаторы давно озаботились этим вопросом, и нашли оптимальный вариант.
Следует знать, что материалы трансмиссии, как и материалы двигателя, делятся на три группы: зимние, летние и всесезонные. Популярны и наиболее востребованы всесезонные виды. Но если вы живете в регионах с круглогодичным холодным климатом, то, конечно же, вам нужно остановить свой выбор на зимних видах спорта. Кстати, в этом случае лучше приобрести синтетику, так как ее использование в холодных регионах – оптимальный вариант.
Необходимое количество
Не менее важен вопрос, сколько трансмиссионной жидкости заливать в коробку передач внедорожника УАЗ Патриот? Но как показывает практика, автовладельцы доверяют продавцам продукции, поэтому покупают столько жидкости, сколько советуют знающие люди. Но чтобы узнать реальную картину того, сколько смазки входит в КПП внедорожника, можно найти его паспорт и вычесть туда все интересующие вопросы. Чтобы не искать инструкцию к авто, ответ на вопрос можно получить в этой статье. Итак, в полностью опустевшую КПП УАЗ Патриот заливается 2,5 литра трансмиссионной жидкости.
Объем коробки передач внедорожника небольшой, но в этом случае вам потребуется приобрести либо 4-литровую канистру трансмиссионного материала, в которой находится 4 литра жидкости, либо трехлитровые канистры. Но тут следует отметить, что приобрести одну канистру гораздо выгоднее, чем платить отдельно за каждый литр.
Важно! Не смешивайте два масла разного типа, так как это приведет к нарушению вязкости и потере его функциональных характеристик. Поэтому запрещается смешивать в коробке передач два разных типа!
Выбор масла по раздатке
У УАЗ Патриот есть еще такое устройство, как раздаточная коробка или раздаточная коробка. Что это за продукт и для чего он нужен, вы можете узнать в разделе этого сайта. Будем считать, сколько у этого агрегата и сколько смазки нужно в него залить?
Итак, подытожим и отметим, что так же, как и замена автомобиля, не менее важен его выбор. Поэтому обращайте внимание не только на виды масел, но и на производителей.
Для этого о лучших производителях трансмиссионных жидкостей можно узнать на форумах, где люди, протестировавшие те или иные виды масел, делятся своим опытом. Удачного выбора!
Вы можете проверить свой MBM и при необходимости уменьшить его!
Технические характеристики автомобиля УАЗ 469
Все еще популярный российский внедорожник
Автомобиль повышенной проходимости УАЗ 469, появившийся в нашей стране в начале 70-х годов ХХ века, долгое время оставался лучшим российским джипом. Благодаря высокой надежности, ремонтопригодности в полевых условиях и невысокой цене этот неприхотливый трудяга до сих пор остается для многих эталоном полноприводного автомобиля.
Действительно, в какую еще машину можно залить мутную коричневатую жижу под названием бензин А-72, отработанное моторное масло и касторку вместо тормозной воды, а потом проехать всю нашу величавую страну из конца в конец, не угробив двигатель и тормоз система. Замена масла в коробке передач Рено Логан.
Технические характеристики УАЗ 469уникальны, они позволяют эксплуатировать этот джип в таких условиях, которые убивают любой другой автомобиль.
Есть у «козлика» и некоторые недостатки, а именно — брезентовый тент вместо привычной крыши и слабенькая печка, заставляющая щелкать зубами при поездках в зимнее время года. Ответ на вопрос, сколько масла в коробке передач на 16-клапанном ВАЗ-2112. Сколько масла лить при замене? Замена масла в раздаточной коробке УАЗ | автомобилисты. Но они с лихвой компенсируются пониманием того, что по дороге вы не застрянете в сугробе и не отморозите конечности.
Основные характеристики кузова и двигателя
Краткое описание автомобиля УАЗ 469 (469Б):
- кузов — металлический, открытый; тип
- — рамный кабриолет-универсал;
- количество мест — 7;
- количество дверей — 5;
- длина — 4025 мм;
- ширина — 1805 (1785) мм;
- высота — 2050 (2015) мм; база
- – 2380 мм;
- клиренс — 300 (220) мм; масса
- без снаряжения — 1600 (1540) кг;
- масса полной загрузки — 2400 (2280) кг;
- объем топливных баков — 78 литров;
- максимальная скорость — 90 (120) км/ч;
- глубина брода — 0,7 м;
- максимальный набор высоты с водителем и 1 пассажиром — 57°;
- максимальный набор высоты при полной нагрузке — 31°.

С начала производства на гражданскую модификацию внедорожника устанавливался двигатель ЮМЗ 414.
Этот же силовой агрегат устанавливался на армейские модели, но с предпусковым подогревателем, поэтому двигатель имеет другой индекс — ЮМЗ 41416.
- тип — бензиновый, атмосферный, 4-тактный;
- количество цилиндров — 4;
- размещение — рядное, вертикальное;
- порядок работы — 1-2-4-3;
- диаметр цилиндра — 92 мм; ход поршня
- — 92 мм;
- рабочий объем мотора 2,5 литра; степень сжатия
- — 6,7;
- мощность — 75 л. с.;
- наибольший крутящий момент — 167 Нм;
- средний расход бензина по трассе – 10,75 л на 100 км;
- самый высокий расход бензина на бездорожье – 17,25 л на 100 км пути;
- масса мотора УМЗ 414 с навесным оборудованием и сцеплением, но без жидкостей — 163 кг;
- вес УМЗ 41416 с тентами и сцеплением, но без жидкостей — 165 кг;
- объем охлаждающей воды (ОЖ) — 13 литров; рабочая температура охлаждающей жидкости
- — 80-90°С;
- объем моторного масла в блоке цилиндров – 5,8 литра;
- нормальное давление масла холостого хода — 0,5-0,8 кг/см³;
- нормальное давление масла на скорости 2-5 кг/см³.

Замена масла в коробке
УАЗ 469 79г.вРешил поменять масло … УАЗ 469, 31512, замена масла в редукторе и раздатке УАЗ патриот; замена масла в редукторе и раздатке уаз патриот. Сколько масла в коробке ваз 2112 16 клапанов объем в кпп. И это то, что я видел. Сколько масла в кпп ваз/лада 2110. Замена масла в кпп уаз | автомобилисты. Новое залито ТАД 17.
УАЗ Замена масла в мосту
Видео отчет по масло Castrol 80w90 GL-5 Ресурс масла в КПП УАЗ Патриот Castrol 80w90 GL-5 Почему туго.
Под капотом модели 469
Особенности трансмиссии, ходовой части и систем управления
Уникальные характеристики УАЗ 469 во многом обусловлены удачной конструкцией трансмиссии. Эта автомобильная система состоит из сухого однодискового сцепления, коробки передач (КПП), раздаточной коробки, заднего ведущего и переднего подключаемых мостов и колесных редукторов для армейской модификации автомобиля повышенной проходимости.
Характеристики коробки передач:
- тип — 4-ступенчатая, механическая;
- синхронизаторы — на 3 и 4 передачах.
- 1-я передача — 4,12;
- 2-я передача — 2,64;
- 3-я передача — 1,58;
- 4-я передача — 1,00;
- шестерня заднего хода — 5,22; масса редуктора
- без смазки — 33,5 кг;
- объем масла в редуктор 1 литр.
Технические характеристики раздаточной коробки: 2-ступенчатая, механическая.
- прямая передача — 1,00;
- пониженная передача — 1,94; коробка отбора мощности
- — до 40%; масса
- с ручным тормозом, без смазки — 37,4 кг;
- объем заливаемого масла 0,7 л.
Карданная передача — 2-вальная, открытая.
- передний — 2-х шарнирный, комбинированный; Вес переднего вала
- — 6,9 кг;
- задний — 2-х шарнирный, трубчатый; Вес заднего вала
- — 8,25 кг.
- Тип
- — разрезные, с редуктором на все колеса;
- соотношение — 5,38;
- передаточное число главной передачи — 2,77;
- Передаточное число колесных редукторов — 1,94; Вес переднего моста
- — 140 кг; масса заднего моста
- — 121,5 кг;
- объем масла , заливаемого в каждый мост — 1 литр;
- объем масла , заливаемого в каждый колесный редуктор — 0,3 литра.

- тип — разъемный;
- Передаточное число Главная передача — 5,13; Вес переднего моста
- — 120 кг;
- масса заднего моста — 100 кг;
- Объем масла , залитого в каждый мост — 0,85л.
Отличить военные мосты от колхозных на фото можно по конической насадке на шлицевом фланце и двойной главной передаче.
- подвеска — жесткая, рессорная;
- рессоры — 7-9-листовые, эллиптические;
- амортизаторы — телескопические двухстороннего действия;
- колеса — стальные штампованные;
- шины — камерные;
- рекомендуемый размер шин 215/90 R15.
- механизм — червячный;
- Передаточное число — 20-21;
- объем заливаемого масла 0,25 л.
- тип — гидравлический, барабанный;
- стояночный тормоз — коробка передач;
- объем жидкости 0,52 литра.
В целом системы управления УАЗ 469 надежны и долговечны.
УАЗ Патриот (УАЗ-3163) — внедорожник отечественного производства. Автомобиль имеет полный привод и отличается повышенной проходимостью. Цельнометаллический пятидверный кузов применялся и на предыдущих моделях, и здесь он применялся также в связи с тем, что такая конструкция имеет достаточно высокий запас прочности. За счет этого получился автомобиль, полностью пригодный для эксплуатации в любых условиях и на любой категории дорог, в том числе и за городом. Серийное производство этого внедорожника было запущено в 2005 году. Ульяновский автомобильный завод осуществляет производство этой модели в настоящее время.
В техническом плане данный автомобиль представляет собой значительно модернизированную модель УАЗ-3162 «Симбир». Ключевым отличием новой версии от предшественника является значительно повышенный уровень комфорта. Поскольку обе машины схожи в технической части, одинаковые мосты Spicer, пятиместный и девятиместный вариант кабины (в зависимости от комплектации), а также установленные под капот бензиновый и дизельный двигатели, предоставленные Заволжским Моторный завод, были использованы здесь.
В конструкции УАЗ Патриот (УАЗ-3163) производитель использовал множество узлов и комплектующих зарубежного производства. Гидравлический усилитель руля был предоставлен итальянской компанией Delphi Italia Automotive srl, вся тормозная система была установлена немецкой компанией ContiTeves, рулевое колесо было предоставлено немецкой компанией Takata-Petri AG, кондиционер и отопитель были предоставлены Британский производитель Sanden International Europe Ltd, коробка передач была установлена от корейской компании Dymos, все имеющиеся в салоне сиденья были предоставлены DAWNSCO.
В 2006 году на УАЗ Патриот была внедрена антиблокировочная система тормозов, которую предоставил производитель Bosch. Позднее, в 2008 году, внедорожник получил усовершенствованные системы кондиционирования, отопления и вентиляции. Кроме того, был немного изменен двигатель, а именно его система охлаждения, которая в результате всех доработок стала намного эффективнее.
В 2012 году в приборную панель внесены изменения.
Помимо немного переработанного дизайна, в приборную панель также установили усовершенствованную автомагнитолу, в которой есть USB-разъем для подключения различных USB-носителей. Новая магнитола также отличается от предыдущей своей размерностью, так как имеет размерность 2DIN. Но помимо магнитолы и приборной панели поменяли и руль. На модель установили более травмоопасный четырехспицевый руль от немецкого производителя Takata-Petri AG.
В 2013 году в ходе очередных доработок была изменена техническая часть автомобиля. Вместо штатной раздаточной коробки установлена усовершенствованная корейская от производителя Dymos. Главное отличие новой раздаточной коробки — наличие электрического управления трансмиссией. Благодаря электрическому управлению отпала необходимость в рычаге переключения передач и из-за чего его заменили специальной шайбой. Для заднего карданного вала производитель отказался от использования промежуточной опоры, но кроме этого карданный вал был несколько укорочен.
Блок управления стеклоподъемниками и зеркалами заднего вида располагался в двери водителя. С этого года автомобиль получил классический стояночный тормоз, то есть колеса задней оси уже заблокированы, тогда как раньше ручной тормоз представлял собой блокировку карданного вала. Обновленный вид получила крыша автомобиля, вместе с этим были изменены ручки для пассажиров и центральное зеркало заднего вида. Опционально на версии этого модельного ряда может быть установлен «Зимний пакет». В этой комплектации внедорожник оснащен подогревом лобового стекла, индивидуальной системой обогрева задних пассажиров и подогревом сидений.
В 2014 году, в октябре, автомобиль стал комплектоваться новой светотехникой, а также новыми бамперами и измененными сиденьями. Шасси УАЗ Патриот дополнили стабилизатором поперечной устойчивости и новыми карданными валами, не требующими регулярного обслуживания. Кстати, новые карданные валы отличаются от ранее использовавшихся повышенным сроком службы, что обусловлено более высоким запасом прочности.
Среди дополнительного оборудования, устанавливаемого на версии этого модельного ряда, новая мультимедийная система, в которую производитель внедрил камеру заднего вида и навигационную систему. Первые продажи этой модели стартовали через месяц.
Последний раз УАЗ Патриот откладывал изменения в октябре 2016 года. Обновился экстерьер автомобиля. Появилась новая решетка радиатора с увеличенной эмблемой. Производитель оснастил эту версию новой передней панелью, измененным рычагом КПП, регулируемой рулевой колонкой, ремнями безопасности с преднатяжителями, новым топливным баком. Следует отметить, что в предыдущих версиях устанавливались два отдельных бака.
Сколько масла в коробке
- Коробка 2,5 литра
- Распределитель 0,8 литра
- Передний мост 1,5 литра
- Задний мост 1,33 литра
Линейка силовых агрегатов представлена четырьмя моторами:
1. ЗМЗ-51432
- Диаметр цилиндра 94 мм.
- Ход поршня 87 миллиметров.

- Рабочий объем — 2235 куб.м.
- Пиковая выходная мощность — 114 лошадиных сил/84 киловатта (при 3500 об/мин).
- Пиковый крутящий момент — 270 Н/м (от 1800 об/мин до 2800 об/мин).
2. Iveco F1A
- Производитель установленного двигателя Iveco.
- Тип двигателя — четырехцилиндровый рядный дизель.
- Диаметр цилиндра 87 миллиметров.
- Ход поршня 94 мм.
- Рабочий объем 2287 куб.м.
- Пиковая выходная мощность — 116 лошадиных сил/85 киловатт (при 3900 об/мин).
- Пиковый крутящий момент — 270 Н/м (при 2500 об/мин).
- Количество клапанов в ГБЦ 16.
- Степень сжатия в камере сгорания 19.
- Тип системы питания — Common Rail.
- Тип системы охлаждения — жидкостная.
3. ЗМЗ-409051
- Изготовитель устанавливаемого двигателя — Заволжский моторный завод.
- Ход поршня 94 мм.
- Рабочий объем — 2693 куб.
м. - Пиковая выходная мощность — 147 лошадиных сил/108 киловатт (при 5000 об/мин).
- Пиковый крутящий момент — 235 Н/м (при 2650 об/мин).
- Количество клапанов в головке блока цилиндров 16.
- Степень сжатия в камере сгорания 9,8.
- Тип системы охлаждения — жидкостная.
4. ЗМЗ-40906
- Изготовитель устанавливаемого двигателя — Заволжский моторный завод.
- Тип двигателя — четырехцилиндровый рядный бензиновый двигатель.
- Диаметр цилиндра 95,5 миллиметров.
- Ход поршня 94 мм.
- Рабочий объем — 2693 куб.м.
- Пиковая выходная мощность — 135 лошадиных сил/99 киловатт (при 4600 об/мин).
- Пиковый крутящий момент — 217 Н/м (при 3900 об/мин).
- Количество клапанов в головке блока цилиндров 16.
- Степень сжатия в камере сгорания 9,2.
- Тип топливной системы — распределенный впрыск топлива.
- Тип системы охлаждения — жидкостная.

В комплекте к каждому из вышеперечисленных двигателей устанавливается пятиступенчатая механическая коробка передач. В 2016 году линейка двигателей была сокращена, и серийно выпускались только автомобили с бензиновым двигателем.
Информация о требуемых типах масла
В рекомендации производителя указано, что механическая коробка передач может работать на трансмиссионном масле разных производителей. Однако используемое масло должно соответствовать заявленным требованиям, а именно совместимостью, наличием важнейших свойств, а также вязкостными характеристиками. Из масел, соответствующих всему этому, и кроме того, которые рекомендует производитель, следует выделить два продукта:
1. LIQUI MOLY Hochleistungs-Getriebeoil 75W-90
Это полностью синтетическое трансмиссионное масло, специально разработанное для использования в механических трансмиссиях, включая гипоидные передачи и дифференциалы. Это масло имеет современный пакет присадок, который наделил продукт отличными качествами и свойствами, способствующими продлению срока эксплуатации коробки передач и других агрегатов трансмиссии.
Эта смазочная жидкость отличается высокой устойчивостью к большим нагрузкам. Благодаря тому, что масло имеет низкую вязкость, переключение передач и работа коробки передач в целом при низкотемпературных условиях эксплуатации осуществляется без каких-либо затруднений.
Из полезных свойств такого масла следует отметить:
- Отличная устойчивость к окислению.
- Хорошие вязкостно-температурные свойства.
- Снижение шума при работе трансмиссионной системы.
- Стабильность вязкости.
- Обеспечение надежной защиты от коррозионных процессов.
- Обеспечение легкого переключения передач.
- Отличная совместимость с уплотнительными материалами.
2. ZIC GFT 75W-85
Полностью синтетический смазочный материал с увеличенными интервалами замены. Это масло используется в механических трансмиссиях, требующих вязкости SAE 75W-85 и класса API GL-4. ZIC GFT 75W-85 использует полиальфаолефины (ПАО) и запатентованное синтетическое базовое масло Yubase.
Имеет усиленный пакет присадок, что значительно увеличило срок службы продукта.
Это трансмиссионное масло обладает рядом полезных свойств:
- Повышенная термическая стабильность.
- Повышенная устойчивость к окислению.
- Предотвращение образования отложений.
- Снижение потерь на трение.
- Повышение эффективности механической коробки передач.
- Превосходная совместимость с различными уплотнениями.
Автомобиль состоит из множества узлов и агрегатов. Коробка передач – один из самых важных компонентов в конструкции автомобиля. Как и любой другой агрегат, он нуждается в регулярном обслуживании. Сегодня мы рассмотрим, как обслуживается коробка передач (в том числе УАЗ Патриот) на автомобилях Ульяновского автозавода.
Назначение
Для чего нужен этот узел?
Задача, которую выполняет коробка передач на автомобиле УАЗ, заключается в изменении тягового усилия ведущих колес (которых на полном приводе может быть четыре) путем включения разных передач.
Последние имеют разное количество зубьев. Один из них работает в обратном направлении — то есть двигает машину назад.
Основные моменты при обслуживании
В процессе эксплуатации автомобиля УАЗ коробка передач должна проходить регулярный осмотр. Первое, на что следует обратить внимание, это течь масла. Когда во время стоянки из-под автомобиля течет смазка, а во время движения возникают характерные шумы и завывания, необходимо срочно проверить уровень оставшейся жидкости в системе. Если он новый (УАЗ), масло в нем меняется сразу после обкатки. Обычно это 2-3 тысячи километров.
Как это сделать?
Сначала нужно выкрутить заглушку из отверстия. Следует отметить, что их несколько. Первый, расположенный посередине коробки, предназначен для залива, а нижний – для слива жидкости. Откручивается, как и в большинстве отечественных автомобилей, шестигранным ключом. Перед этим следует заранее подготовить емкость, куда будет сливаться старое масло.
Его можно сделать из старой канистры, отрезав от нее бок.
После слива жидкости коробка передач (УАЗ «Буханка» не исключение) проходит процесс промывки.
Промывка
Для этого потребуется 500-700 миллилитров «минеральной воды» (не путать с водой — это масло).
Вкрутите отверстие снизу и залейте в коробку передач через верхнюю горловину. Дайте машине немного поработать (достаточно 4-5 минут). Шестерни коробки передач должны быть в нейтральном положении. Далее глушим двигатель, подставляем нашу канистру и сливаем масло, открутив нижний «лючок». Также помните, что дальше ездить нельзя, из-за его малой вязкости – это может привести к задирам, и, как следствие, придется ремонтировать коробку передач УАЗ.
Сколько лить?
Новую жидкость необходимо заливать до тех пор, пока она не начнет течь из верхнего «люка» — это сигнал о том, что уровень находится на максимальной отметке. Кстати, остаток жидкости проверяется по тому же принципу – шестигранным ключом откручиваем верхнюю пробку и щупом смотрим на остаток.
Щупом может служить даже деревянная веточка или длинный гвоздь. Главное, чтобы вещь была чистой. Если масла недостаточно, добавьте его (но не смешивайте с разными марками). Обычно на автомобилях УАЗ используется Лукойл или его аналог, созвучный с названием Юкойл.
Как часто следует проверять уровень?
Эту операцию необходимо повторять не реже одного раза в десять тысяч километров. Как мы уже говорили ранее, если отсутствует уровень, его необходимо восполнить. Кстати, уровень проверяется только на остывшей трансмиссии — так все масло стечет в картер.
Подробнее о замене
В руководстве по эксплуатации написано, что после (это касается и свежеотремонтированных агрегатов) необходимо менять масло не только в трансмиссии, но и в переднем и заднем мостах, так как у нас все полноприводный автомобиль. Объем промывочной «минеральной воды» должен составлять не менее 75 процентов от общего количества в агрегате, что требуется производителем. В идеале лить до тех пор, пока не вытечет.
Сложности залива
Наверняка, владельцы УАЗиков сталкивались с проблемой невозможности заливки масла. Для этого нужно сильно постараться. К счастью, автолюбители делятся своими советами, и процедура становится намного проще. Многие водители рекомендуют использовать для этого длинный металлический шприц с изогнутой резиновой насадкой. Его емкость должна быть не менее 300 миллилитров. Также отметим, что редуктор требует использования вязкого масла, поэтому заливать его будет сложно – «впрыскивать» нужно с усилием. Особенно это заметно в зимнее время. Затем трансмиссионное масло превращается почти в желе. Для облегчения усилий автолюбители рекомендуют растопить это «кисель», то есть предварительно подогреть его. К счастью, это не бензин, поэтому ничего не сгорит и не взорвется — можно смело держать шприц над газовой плитой или горелкой. Если такого шприца нет, а время замены поджимает, то можно воспользоваться доступными способами. Владельцы УАЗов богаты идеями, и каждый изобретает по-своему.
Например, для заливки масла можно использовать тонкую трубку и пластиковую бутылку. Машину поддомкрачивают и заливают масло, откинув бутылку. Важно добиться максимальной герметичности соединения (имеется в виду место соприкосновения конца шланга с горловиной), иначе жидкость будет переливаться не в трансмиссию, а на асфальт. Коробка передач УАЗ быстро выйдет из строя.
Другие используют более длинную трубку — протягивая ее от заливной горловины трансмиссии через капот. На верхнюю часть шланга надевается воронка. Этот способ проще, чем использование пластиковой бутылки.
Аналог металлического шприца
Некоторые используют для наполнения одноразовый медицинский шприц.
Выбирайте больший объем, так как 10 мл можно влить до вечера. При отсутствии возможности купить большой шприц лучше использовать предыдущие способы.
Проводим ТО — долой течь
Мы уже говорили в начале статьи, что наличие течи в таком элементе, как коробка передач (в том числе УАЗ Патриот) — вещь недопустимая.
Но что делать, если трансмиссия регулярно «кушает» масло? Пополнять его ежедневно до нужного уровня – не лучшее решение. Необходимо произвести ремонт – для этого визуально определяют место подтекания и меняют пломбу. Это может быть прокладка или сальник. Ремонт должен сопровождаться разборкой коробки.
Почему коробка «ест» масло?
Этому есть несколько причин. Во-первых, это наличие дорожной пыли и грязи в трансмиссионном масле. А как известно, УАЗики покупаются далеко не для городской езды — в 70 процентах случаев они подготовлены для полноценного бездорожья, где они покоряют броды и реки. Утопающий в грязи УАЗик (это, конечно, редкость, но от глубокого болота не спасает даже полный привод) легко «глотает» грязь, песок и воду. Кстати, наличие даже 5 процентов воды может просто убить трансмиссию. Чтобы этого не произошло, автолюбители устанавливают на коробку передач УАЗ кожух. Он способен защитить трансмиссию от таких факторов.
Лечим шум
На автомобилях УАЗ часто воет коробка передач, в том числе и раздаточная.
При отключении моста синхронизаторы начинают «хрюкать», появляются посторонние шумы. Даже после переборки КПП эти болезни не исчезают. Кстати, именно рычаг коробки передач является своеобразной «шумовой антенной» на автомобилях УАЗ — чуть надавишь на него рукой, и звуки пропадают. Конечно, ездить и постоянно нажимать на рычаг не получится (тем более, что это вредит ресурсу). Поэтому многие водители советуют установить рычаг КПП от ГАЗели. Согласно легенде, уровень шума исчезает. Это один из многих советов от владельцев УАЗов. Кстати, схема коробки передач УАЗа и ГАЗели практически одинакова. Поэтому детали здесь взаимозаменяемы (в том числе и «шумовая антенна»).
Коробка передач УАЗ 469 — капремонт
Стоимость новой коробки около 30 тысяч рублей, поэтому многие делают ремонт своими руками. Но сначала нужно проверить, что именно вышло из строя. Итак, первым делом смотрим на состояние вилки переключения передач.
Даже если визуально он «как новый», обязательно подвигайте его из стороны в сторону.
Если он болтается на стержнях, затяните его. Далее смотрим на износ шестерен шестерен. Наибольший износ может быть в районе зубьев муфты. Зазор между ними не должен превышать 1 миллиметра (для диагностики используем специальный щуп). Если зазор увеличить, зубья будут схватываться только наполовину — отсюда и перебои в работе. Обязательно осмотрите первичный вал и синхронизаторы. Направляющие зубья не должны иметь затуплений и износа. Также недопустима ржавчина. Синхронизатор и шестерни заменены целиком на новые.
Затем вынимаем втулку синхронизатора и ступицу. Внешне осматриваем боковой износ с зубьев первичного вала. Края должны быть острыми — с тупыми зубьями они будут проскальзывать, поэтому включить шестерню очень сложно. Что касается подшипников, то шумы при их вращении, а тем более люфты недопустимы. Эти элементы заменяются новыми.
Если во время работы задняя передача включалась с трудом и с хрустом, проверьте состояние зубьев на ее шестерне. Очень часто эти детали «завалены».
Шлицы промежуточного вала не должны быть «замяты». В противном случае замена. Если они целы, меняется только подшипник.
Итак, мы выяснили, как обслуживается коробка передач на отечественном автомобиле УАЗ.
ГДЕ ЕСТЬ ВСТАВНАЯ КПП УАЗ 469. Меняем масло в КПП УАЗ Патриот. Выбор типа масла для коробки передач
главная / КППТехнические характеристики автомобиля УАЗ 469
Популярный до настоящего времени российский внедорожник
Автомобиль переоцененного асфальта УАЗ 469, появившийся в нашей стране в начале 70-х годов ХХ века, долгое время оставался лучшим российским джипом время. Благодаря высокой надежности, ремонтопригодности в полевых условиях и невысокой цене этот неприхотливый рабочий до сих пор остается для многих эталоном полноприводной машины.
В котором, во что еще можно заливать мутную коричневатую живьем машину, называли бензином марки А-72, отработанным моторным маслом и кастером тормозной воды, а потом прогнали всю величину страны с конца до конца, не уродуя двигатель и тормозную систему.
Замена масла в коробке передач Рено Логан. Технические характеристики УАЗ 469 уникальны, они позволяют эксплуатировать этот джип в таких условиях, которые убивают как минимум другую машину.
Есть у «козла» и недостатки, а именно брезентовый тент вместо обычной крыши и слабенькая печка, дающая зубы при поездках в зимнее время года. Ответ на вопрос, сколько масла в коробке передач на 16-клапанной ВАЗ-2112. Сколько масла лить при замене?. Замена масла в раздаточной коробке УАЗ | автомобилисты. Но они в большей степени компенсируются пониманием того, что в дороге не застрянешь в сугробе и не морщишь себе конечности.
Основные характеристики кузова и двигателя
Краткое описание автомобиля УАЗ 469 (469Б):
- кузов — металлический, открытый; Тип
- — Каркас трансформируемый Универсальный;
- количество мест — 7;
- количество дверей — 5;
- длина — 4025 мм;
- ширина — 1805 (1785) мм;
- высота — 2050 (2015) мм;
- база — 2380 мм;
- клиренс — 300 (220) мм;
- масса без груза — 1600 (1540) кг;
- масса с полной загрузкой — 2400 (2280) кг;
- объем топливных баков 78 л.
; - максимальная скорость 90 (120) км/ч;
- глубина преодолеваемого плавления 0,7 м;
- самый большой преодолеваемый подъем с водителем и 1 пассажиром — 57°;
- наибольший преодолеваемый подъем при полной загрузке 31°.
С начала производства на гражданской модификации внедорожника устанавливался двигатель УМЗ 414.
На армейские модели ставят такой же силовой агрегат, но с предпусковым подогревателем, так как мотор имеет другой индекс — УМЗ 41416.
- тип — бензиновый, атмосферный, 4-тактный;
- количество цилиндров — 4;
- размещение — рядное, вертикальное;
- наряд-заказ — 1-2-4-3;
- диаметр цилиндра — 92 мм;
- Ход поршня — 92 мм;
- мотор рабочий объем — 2,5 литра;
- степень сжатия — 6,7;
- мощность — 75 л. из.;
- наибольший крутящий момент 167 Нм;
- средний расход бензина по трассе — 10,75 л на 100 км;
- наибольший расход бензина по бездорожью — 17,25 л на 100 км пути;
- масса Мотор Умз 414 с навесным оборудованием и сцеплением, но без жидкостей — 163 кг;
- масса Умз 41416 с навесами и сцеплением, но без жидкостей — 165 кг;
- объем охлаждающей воды (ОЖ) — 13 л;
- рабочая температура Со — 80-90°С;
- объем моторного масла в блоке цилиндров 5,8 л;
- нормальное давление масло на холостом ходу — 0,5-0,8 кг/см³;
- обычное давление масла на скорости 2-5 кг/см³.

Замена масла Б.
коробка УАЗ 469 79г.В.Решил поменять масло . УАЗ 469, 31512, замена масла в КПП и раздаче УАЗ Патриот.; Замена масла в коробке передач и раздатке УАЗ Патриот. Сколько масла в коробке ваз 2112 16 клапанов объем в КПП. И это то, что я видел. Сколько масла в коробке передач ВАЗ/ЛАДА 2110. Замена масла в коробке передач уаз | автомобилисты. Новый залитый тад 17.
УАЗ Замена масла в мосту
Видео отчет в масло SASTROL 80W90 GL-5 Ресурс масло в редукторе УАЗ Patriot SASTROL 80W90 GL-5 Почему туго.
Под капотом у моделей 469
Особенности трансмиссии, ходовой части и систем управления
Уникальные характеристики УАЗ 469 во многом связаны с удачной конструкцией трансмиссии. Эта система автомобиля состоит из сухого однодискового сцепления, коробки передач (КПП), раздаточной коробки, заднего ведущего и переднего подключаемого мостов и колесных редукторов в армейской модификации внедорожника.
Характеристики КПП:
- тип — 4-х ступенчатая, механическая;
- синхронизаторы — на 3 и 4 передачи.
- 1 передача — 4,12;
- 2 передача — 2,64;
- 3 передача — 1,58;
- 4 Трансмиссия — 1,00;
- Задний редуктор — 5,22;
- масса КПП без смазки — 33,5 кг;
- Объем масла в редуктор — 1 л.
Технические характеристики раздаточной коробки: 2-ступенчатая, механическая.
- прямая передача — 1,00;
- Пониженная передача — 1,94;
- отбор мощности — до 40%;
- Масса с. тормоза ручного, без смазки — 37,4 кг;
- объем заливаемого масла 0,7л.
Карданная передача — 2-х клиновая, открытая.
- передняя — 2-шарнирная, комбинированная;
- масса переднего вала 6,9 кг;
- задний — 2-шарнирный, трубчатый;
- масса заднего вала 8,25 кг.
- Тип
- — разъемные, с редуктором на все колеса;
- отношение — 5,38;
- передаточное число главной передачи — 2,77;
- Передаточное число колесных редукторов — 1,94;
- масса переднего моста — 140 кг;
- масса заднего моста — 121,5 кг;
- объем масла заливаемого в каждый мост — 1 л;
- объем масло заливаемое в каждое колесо редуктор — 0,3 литра.

- тип — разъемный;
- Передаточное число главная передача — 5,13;
- масса переднего моста — 120 кг;
- масса заднего моста — 100 кг;
- Объем масла залито в каждый мост — 0,85 литра.
Отличить военные мосты от колхозных на фото можно по конической заглушке на шлицевом фланце и сдвоенной главной передаче.
- подвеска — жесткая, пружинная;
- Рессоры — 7-9-листовые, эллиптические;
- Амортизаторы — телескопические двустороннего действия;
- колеса — стальные штампованные;
- шины — камерные;
- рекомендуемый размер шин — 215/90 R15.
- механизм — червячный;
- Передаточное число — 20-21;
- объем заливаемого масла 0,25 л.
- тип — гидравлический, барабанный;
- стояночный тормоз — коробка передач;
- объем жидкости 0,52 литра.
В целом система управления УАЗ 469 надежна и долговечна.
ПОСТ Просмотров: 9
Коробка передач на каждом автомобиле относится к важным агрегатам любого транспортного средства, поэтому важным фактором является ее исправность. Также у внедорожника есть КПП, благодаря которой можно двигаться с разной скоростью. Трансмиссия Помимо основных деталей, заливается масло, требующее периодической замены. В этом материале уделим внимание процессу замены масла в КПП на УАЗ Патриот. Как заменить масло, когда оно понадобится и чем обусловлено этот срок.
Коробка передач на УАЗ Патриот представляет собой агрегат, внутри которого функционируют шестерни. Трение шестерни вызывает их нагрев, и происходит образование мелких частиц. Смазочная жидкость в КПП способствует выделению тепла от редуктора, а также предупреждает развитие таких проблем, как разрушение или заклинивание устройства.
Внедорожник комплектуется механической коробкой передач, в которой температурные нагрузки значительно ниже, чем в автоматической коробке передач. При этом можно отметить, что замену масла в механической коробке передач следует производить не так часто, как в двигателе.
Но какова периодичность замены? Производитель рекомендует на автомобиле УАЗ Патриот замену масла в КПП через 60-70 тыс. км пробега или через 3 года. Таким образом, можно сказать, что такой ответственный узел, как КПП на автомобиле, неприхотлив и требует профилактики после приобретения еще не скоро. Но какому производителю смазки следует отдать предпочтение, если каждый производитель характеризует свою продукцию только с лучшей стороны? Разберемся в этом вопросе.
Выбор типа масла для КПП
Есть такие автомобили, в которых смазывающая жидкость в КПП заливается в момент изготовления и после чего производитель не рекомендует. Но – это автомобили преимущественно импортного производства, а наш внедорожник предназначен для долгой и эффективной эксплуатации, поэтому важно выбрать качественную жидкость для техосмотра.
Есть три вида масел, которые можно заливать в механизм трансмиссии. Какие типы бывают и чем они обусловлены?
- Минеральное масло для коробки передач.
Этот тип используется в основном в старых автомобилях с задним приводом. Заливать его в агрегаты внедорожника можно, но делать это не рекомендуется. Причины вполне актуальные, т.к. минеральное масло самоочищающимися свойствами не обладает, поэтому последующую замену необходимо производить уже через 35 тыс. км. Как видно, это значительно сокращает периодичность замены масла в КПП. - Масла полусинтетические Применяются на автомобилях с передним приводом, но преимущественно в бюджетных моделях. Такие материалы снабжены дополнительными присадками, снижающими срок износа редуктора и продлевающими срок службы изделия. Но в этом случае следующую замену полусинтетики в агрегате необходимо производить через 40-50 тыс. км пробега.
- Синтетика. Самым популярным и самым дорогим среди всех перечисленных видов является именно этот вид замещающего вещества. В состав таких масел входит большое количество специальных присадок, продлевающих срок службы шестерен механизма, а также способствующих самоочищению продукта.
Поэтому такие типы масел рекомендуется менять каждые 65-70 тысяч миль пробега, что в два раза больше, чем у минерального. С завода в УАЗ Патриот заливают разные виды Масла и преимущественно это полусинтетика. Хотя производитель изначально рекомендует переключение каждые 20-30 тысяч км пробега, все же лучше делать это ближе к 20 тысячам.
Процесс замены
Как производится замена масла в КПП на автомобиле УАЗ Патриот? С таким вопросом мало кто задается, потому что водители в самый последний момент вспоминают о том, что агрегат нуждается в смене жидкости.
Процесс замены ничего сложного не представляет и производится по аналогии с моторным маслом. Для начала необходимо приобрести канистру со смазкой, объем которой должен быть не менее 2,5 литров. Именно такой объем смазки Вам необходимо залить в коробку. Для работы потребуется следующий инструмент: два ключа на «23» и «24», а также емкость для слива пробы и шприц, для заливки смазочной жидкости.
Последовательность действий следующая.
Замена масла в мостах УАЗ Патриот
При эксплуатации автомобиля важную роль играют все советы производителя. Одним из таких советов является замена масла в мостах. Замена масла в раздаче и КПП | УАЗ Патриот. Замена масла в ГУР на Лада Приора самостоятельно. Замена масла в КПП на BMW E46 2.0D — YouTube. Замена масла в мостах Патриот каждые 50-70 тысяч пробега. Замена масла в самый раз, пора менять ГРМ. Сколько это будет по времени?. Но нужно держать в голове, что после преодоления глубочайшего расплава необходима и замена масла. В редуктор лезет масло 1 литр, в редуктор, мосты и замена масла в ГУР. Дело в том, что при прохождении брови редукторы моста погружаются в воду и вода попадает внутрь редуктора через сапун (отверстие для вентиляции редуктора). Коробка передач механическая имеет объем 2,5 доливки масла в УАЗ Патриот 1,5 В. На сваренных тачках сапун расширен (обычно снимается в самой высокой точке) и Броды можно атаковать с наименьшей угрозой
Замена масла в мостах УАЗ ПатриотДля самостоятельной замены Вам пригодятся:
- масло трансмиссионное;
- специальный шприц для заполнения;
- бак или канистра для старого масла;
- незаметные тряпки;
- железная щетка.

Какое масло заливать в мосты УАЗ Патриот (сколько масла лить в мосты УАЗ Патриот)
Завод-изготовитель советует масло вязкости 75W-90.
Опытные владельцы пробуют заливать 75W140.
Делитесь в комментариях, какое масло вам лить
В передний мост начинается 1,5 литра
В задний мост понадобится 1,33 литра
Перед поездкой на автомобиле необходимо заменить масло, около 10 км в зависимости от рабочей температуры. Замена масла на рабочих жидкостях УАЗ 469. Уазик у меня конечно не 77 года, а 94 года, но не суть. Замена масла в КПП ВАЗ 2101 — 2107. В течении 15 минут после чего произвести замену масла, только при такой температуре получится слить наибольшее количество отработанного масла. КПП УАЗ 469Общая схема, износ и ремонт. После работы по замене отпишите пробег. Замена масла в коробке ваз 2110, 2112, сколько масла в коробке. Задача КПП УАЗ 469 заключается в следующем: снизить уровень масла в картере или .
Последующую замену проводим через 30 тыс. км. Бегать.
Замена масла в коробке УАЗ 469 79г.в
Решил заменить масло . И это то, что я видел. Замена жидкости ГУР ВАЗ-2110, 2111, 2112 Приоры, Калины, Гранты Замена масла в ГУР — ПРОДОЛЖИТЕЛЬНОСТЬ 14 56. Новый батон Тад 17.
Масло в редуктор и РК.
Видео отчет в масло SASTROL 80W90 GL-5 Ресурс масло в КПП УАЗ Патриот SASTROL 80W90 GL-5 Почему туго.
Замена масла в переднем мосту УАЗ Патриот
Процедура замены:
- Тонгон собственного автомобиля на подъемнике или ремонтной яме.
- На картере переднего моста находим крышку безмасляного отверстия и удаляем с нее слой грязи с помощью металлической щетки.
- Снимите эту крышку.
- Установите пробку на свое место.
- С помощью шприца залейте новое масло через заглушку на картере картера. Какое масло лить в приору в редуктор не так просто определить по замене масла в АКПП.
По техническим данным объем масла в кривошипе должен быть 1 литр 300 грамм. Заливать масло необходимо до тех пор, пока оно не начнет течь из маслозаливного отверстия.
- Установите на место крышку безмасляного отверстия.
На этом замена масла в переднем мосту завершена.
Замена масла в заднем мосту УАЗ Патриот
Процедура замены:
- На картере картера в заднем мосту Найдите петлю безмасляного отверстия и удалите с него слой грязи с помощью металлической щетка.
- Снимите крышку масляного отверстия S. .
- Снимите сливную пробку, предварительно подставив бачок или канистру для старого масла.
- Металлическая щетка тщательно очистить сливную пробку от металлической стружки и грязи.
- Установите пробку обратно.
- С помощью шприца залейте новое масло в икроножное отверстие картера. Замена масла в КПП ваз 2114 Сколько потребуется литров.
Замена масла в МКПП — отправили на Мазду 3 Ну например будет плановая замена масла в Мазда 3. По техническим данным объем масла в задний мост должен быть 1 литр 300 грамм. Заливать масло необходимо до тех пор, пока оно не начнет течь из маслозаливного отверстия. - Установите на место крышку маслозаборного отверстия.
На этом замена масла в заднем мосту завершена.
«УАЗ Патриот» — ведущий российский внедорожник, самый популярный среди моделей, схожих по габаритам и возможностям. Однако прост в обслуживании. Замена расходных материалов на этом автомобиле не составит проблем даже начинающим автовладельцам, что позволит существенно сэкономить средства на услугах сервисного центра. Например, для «УАЗ Патриот» нужно подробно изучить инструкцию по эксплуатации.
Периодичность замены масла
В коробке передач «Патриот» много мелких деталей, которые нуждаются в эффективном охлаждении, т.к. перегрев чреват неисправностями и преждевременным износом.
По официальным рекомендациям производителя замена масла в КПП «УАЗ Патриот» следует каждые 60 – 80 тыс. км. Бегать. В зависимости от условий эксплуатации замена трансмиссионной жидкости может потребоваться раньше. Поэтому необходимо периодически оценивать состояние смазки на наличие примесей.
Какое масло заливать в АКПП
Учитывая климатические и другие условия эксплуатации автомобиля на российских дорогах, стоит использовать только качественную трансмиссионную жидкость. Их три:
- Минерал — недорогой, но использовать его стоит только при очень большом пробеге. В теплом климате хорошо себя показывает, а вот в мороз быстро надоест из-за большой степени вязкости.
- Полусинтетика – «золотая середина» в соотношении цена/качество. Уже сейчас можно рекомендовать замену масла в МКПП «УАЗ Патриот».
- Синтетика – высочайшее качество, эффективно смазывает детали даже в экстремальных погодных условиях. Стоит он дороже, но и служит дольше.
Владельцы Патриота часто применяют полностью синтетические трансмиссионные масла 75W-90 со спецификацией GL4-GL3, которые подходят для обоих механизмов.
Обязательно выбирайте, проверяйте наличие сертификации и соответствие ГОСТу. Это очень важно, если вы хотите получить действительно работающий и качественный продукт, который даст положительный результат при использовании.
Сколько заливать
Одним из важных вопросов при замене смазочной жидкости является требуемый объем. Зачастую реальный объем можно узнать, следуя инструкции:
- подготовить две емкости более 5 литров;
- за один слив всей старой смазочной жидкости;
- во второй добавить столько же, сколько в новый.
Таким образом, количество необходимого трансмиссионного масла для автомобиля УАЗ Патриот абсолютно точно определено.
Проверка уровня и отметка
Перед заливкой нового инструмента следует измерить уровень масла в КПП «УАЗ Патриот». Сделать это просто с помощью щупа. На этом устройстве есть указатели, которыми рекомендует пользоваться производитель. За их пределы желательно не выходить, так как недостаток объема ускоряет процесс износа деталей трансмиссии, а излишек приводит к образованию нагара.
Понятно, что таких последствий следует избегать. При замене смазки необходимо проверять уровень смазочной жидкости. На завершающем этапе перед установкой поддона и защиты двигателя проверьте количество вещества. Если он в норме, то не переживайте и собирайте все снятые детали обратно.
Процесс замены
При необходимости:
- ключи на 23 и 24;
- емкость для слива отработанного вещества;
- заправочный шприц;
- новый масляный фильтр;
- сменное масло.
Процесс «УАЗ Патриот» выглядит так:
РЕЗУЛЬТАТЫ
Процесс замены трансмиссионной смазки не вызывает проблем даже у неопытного автовладельца автомобиля УАЗ Патриот. В то же время процесс помогает неплохо сэкономить при регулярном проведении. Семит хорошую жидкость, и грамотно меняя ее, водители значительно уменьшают влияние трения на трансмиссию и максимально увеличивают срок капитального ремонта.
Каждый автовладелец хоть раз задавался вопросом, какое масло лучше заливать в коробку автомобиля? Выбор масла зависит от марки автомобиля, поэтому, сегодня мы рассмотрим, что лучше выбрать для внедорожника УАЗ патриот, какому производителю отдать предпочтение, а также сколько заливать.
УАЗ Патриот оснащен механической трансмиссией, требующей периодического внимания. Итак, в статье вы сможете ознакомиться с тем, для чего нужна замена смазочной жидкости и как происходит этот процесс для внедорожника.
Итак, приступая к выяснению вопроса выбора оптимального масла для своей КПП, следует выяснить, как смазочные жидкости относятся к типу. В коробку передач автомобиля заливают масла с теми же компонентами, что и для двигателей. Так, в состав трансмиссионных жидкостей входят следующие присадки со свойствами:
- противоизносные;
- температура вязкости;
- антикор.
Материалы с разной вязкостью
Эти же присадки есть в моторных жидкостях Отличие только трансмиссионных масел в доле этих присадок. Для создания на деталях коробки максимально защитной пленки в жидкость добавляют различные химические соединения хлора, цинка, а также серы и фосфора. Рассмотрим, какие бывают виды трансмиссионных жидкостей:
- Синтетика.
Он самый дорогой по себестоимости и, соответственно, самый надежный и эффективный. Такие жидкости обладают столь высокой степенью текучести, что является положительным свойством. Но недостаток синтетики в том, что ее нельзя использовать в машине с большим пробегом, так как при сильном нагреве двигателя она становится настолько жидкой, что часто происходят протечки масла через сальники. - Минерал. Такая трансмиссионная жидкость самая дешевая и соответственно популярная. Такие масла доступны каждому, но главный их недостаток – короткий срок службы, который составляет не более 30 км пробега. Производители, чтобы любыми способами улучшить их качество, часто добавляют в них примеси серы, тем самым повышая степень защиты внутренних рабочих элементов КПП.
- Полусинтетика. Такая жидкость представляет собой своеобразную смесь синтетики и минералки. Такие масла также вполне доступны всем автолюбителям, поэтому многие отдают предпочтение именно полусинтетическим трансмиссионным жидкостям.

Таким образом, следующий вывод наводит на мысль, что в коробку передач Патриота лучше всего заливать полусинтетику или синтетику при наличии финансов. Также можно заливать минералку, но не рекомендуется, особенно в автомобили с небольшим пробегом.
Если ставить вопрос о выборе трансмиссионной жидкости на УАЗ Патриот по наименованиям производителей, то здесь можно отметить следующие, которые различают два основных вида:
- Высококачественная продукция, а это марки масел таких производителей, как Mobil 1, Schell, Castrol, ZiC и др.
- Средний сорт Производство: Маннол, Лукойл, Эдж, Эльф и Мотюль и др.
Также есть некачественные виды масел, которые вообще не рекомендуются. Для механической коробки, которая ставится на внедорожник, отличным вариантом станет полусинтетическое трансмиссионное масло марки Castrol или Mannol.
При выборе также необходимо обращать внимание на вязкость масла. Но есть одна закономерность, если вы приобретаете продукцию в регионе, где мы эксплуатируем автомобиль, есть смысл заморочиться со степенями вязкости.
Ведь реализаторы давно озаботились этим вопросом, и нашли самый оптимальный вариант. Следует знать, что материалы трансмиссии, как и моторные, делятся на три группы: зимние, летние и всесезонные. Популярны и наиболее востребованы всесезонные виды. Но если вы живете в регионах с круглогодичным холодным климатом, то остановить свой выбор, конечно же, нужно на зимних видах. Кстати, в этом случае лучше приобретать синтетику, так как ее использование в холодных регионах – оптимальный вариант.
Необходимое количество
Не менее важен вопрос, сколько нужно для заливки трансмиссионной жидкости в КПП внедорожника УАЗ Патриот? Но как показывает практика, автовладельцы доверяют реализаторам продукции, поэтому приобретают столько жидкости, сколько людей посоветуют. Но чтобы узнать реальную картину того, сколько смазывающей жидкости входит в коробку передач внедорожника, можно найти его паспорт и вычесть все интересующие вас вопросы. Чтобы не искать инструкцию к авто, ответ на вопрос можно получить в этой статье.
Так, в полностью пустую КПП УАЗ Патриот залито 2,5 литра трансмиссионной жидкости. Объем КПП внедорожника небольшой, но при этом придется докупить либо 4-х литровый клык трансмиссионного материала, в котором 4 литра жидкости, либо, трехлитровые канистры. Но тут следует отметить, что приобрести одну канистру гораздо выгоднее, чем платить за каждый литр отдельно.
Важно! Нельзя смешивать два разных масла, так как это приведет к нарушению вязкости и потере его функциональных характеристик. Поэтому запрещается смешивать в коробке передач два разных типа!
Отбор масла для раздачи
В УАЗ Патриот есть еще такое устройство как распределительная или раздаточная коробка. Что это за товар и для чего он нужен, можно узнать в разделе этого сайта. Посмотрим какой объем у этого узла и сколько должно в нем смазочной жидкости?
Итак, подытожим и отметим, что как и замена на машине, не менее важен ее выбор. Поэтому обращайте внимание не только на виды масел, но и на производителей.
Для этого вы можете узнать о лучших производителях трансмиссионных жидкостей на форумах, где люди, испытавшие те или иные виды масел, делятся своим опытом. Удачный выбор!
Вы можете проверить свой КБМ и при необходимости уменьшить его!
раз СССР. УАЗ «буханка». История медицинской версии. времен СССР «Орден» с полным приводом
Начал выпуск микроавтобусов с полным или задним приводом в начале 60-х годов. С тех пор менялись светотехника, системы питания двигателей, тормоза, но общий дизайн машин не претерпел заметных изменений.
Ульяновские маршрутки, прозванные «буханкой» за характерную форму, используются в различных сферах. Одним из таких направлений является создание машин скорой помощи для условий бездорожья.
«Санитарка» с полным приводом
Причиной создания полноприводной скорой помощи было отсутствие дорог между многими мелкими населенными пунктами в СССР. С 1989, для обеспечения станций скорой помощи в таких местах начали выпускать санитарный УАЗ-3962.
Автомобиль в этой версии выпускается и сегодня, так как у него нет конкурентов, способных сочетать ремонтопригодность и высокую проходимость. Однако ключевым фактором при выборе автомобиля УАЗ-3962 является цена, которая на осень 2017 года составляет чуть менее 510 тысяч рублей. Список дополнительных опций небогат и состоит из одной позиции — поворотная фара на крышу стоимостью 1 тыс. руб.
В базовую комплектацию автомобиля входят антиблокировочная система тормозов, гидроусилитель руля и дополнительный отопитель в салоне. Внутри отсека предусмотрены направляющие для носилок и два места для фельдшеров или обслуживающего персонала. Вдоль стены и на потолке предусмотрены штатные места для установки медицинского оборудования.
Технические характеристики
Конструктивно УАЗ-3962 представляет собой обычный микроавтобус с полным приводом, немного приспособленный для перевозки больных и медицинского персонала. Снаружи на машину нанесена красная полоса с надписью «Скорая помощь» и телефоном 03 на широкой центральной стойке.
Второй вариант маркировки включает надпись «Медицинская служба» на передних дверях и медицинский крест. Типовые варианты окраски УАЗ-3962 на фотографиях выше и ниже.
Вагон оснащен цельнометаллическим рамным кузовом вагонного типа и имеет одну боковую дверь с левой стороны и две двери с правой стороны. Загрузка носилок с больным осуществляется через задние двери с симметричными распашными дверями. Габаритные размеры автомобиля не отличаются от остальных ульяновских микроавтобусов.
УАЗ-3962 оснащается однотипным двигателем. Это бензиновый четырехцилиндровый 112-сильный агрегат ЗМЗ 409.1. Двигатель имеет объем почти 2700 кубов и спокойно работает на бензине А92. Достаточно мощный двигатель позволяет разогнать санитарную «буханку» до 125-127 км/ч.
Но из-за большого веса автомобиля и плохой аэродинамики расход топлива никогда не бывает ниже 13,5 литров даже в загородном цикле. На тяжелом бездорожье расход увеличивается и может достигать 25 литров и более.
Запас бензина находится в 77-литровом баке.
Внедорожные качества
Автомобиль УАЗ-3962 комплектуется трансмиссией для полного привода, в состав которой входят:
- Коробка передач пятиступенчатая.
- Двухступенчатая раздаточная коробка.
- Карданные валы для мостов.
- Передний мост с отключаемым приводом.
- Задний мост с постоянным приводом.
Благодаря клиренсу около 205 мм автомобиль уверенно передвигается по дорогам с глубокими колеями и преодолевает водные преграды глубиной до полуметра.
Первым автомобилем проекта была машина вагонной компоновки, которая была обделена вниманием прессы.
Ни для кого не секрет, что с вступлением в силу ЕВРО-5 в следующем году появится новая «Буханка». Решили ухватить жар-птицу за хвост, и при мощной поддержке автосалона УАЗ ТД Авто был куплен свежий «Пузанок».
В этом проекте мы будем отражать все вопросы, связанные с этим автомобилем, как на страницах информационного сайта Уазбука, так и на форуме, и в социальных сетях.
Мы обязательно протестируем и испытаем элементы тюнинга и улучшения от лучших производителей, чтобы рассказать о них нашим читателям.
Приглашаем к сотрудничеству производителей и поставщиков , а так же сообщите, что бы вы хотели увидеть в наших тестах.
Для контактов — почта
Рабочее место водителя хоть и аскетичное, но вполне современное. Новый руль с пластиковой накладкой на рулевой колонке, удобное и современное сиденье. Это будет еще одна приборная панель, которая будет сделана из пластика на заводе.
Для пассажиров те же места и столик в варианте 8 + 1 место
Виновник торжества: Новенький, новенький.
Начало пути. 6 км на спидометре
Вот и весь ЗИП.
Вы видели, как похудел валет? Им впору машины поднимать.
XXI век первый. ЕВРО-4. Такой фильтр необходим для работы инжектора.
Кто не знает, как выглядят листовые рессоры, вот они!
Мне было очень удобно ездить.
А это шумоизоляция насколько я понимаю.
Шок! Купили для обработки целый арсенал средств для шумоизоляции в виде жидких подкрылков, жидких антишумов. И вот все готово. Нет, ну кто мог представить себе такую буханку. Ладно, добавим своих, кашу маслом не испортишь.
Видишь болт не затянут? Я очень внимательно посмотрел на все резьбовые соединения. Это единственный. Держит стабилизатор (на буханку! Стабилизатор! А кто сказал, что ничего нового нет?)
Так закреплен только один ряд сидений из 3-х.
Для остальных троллейбусное движение не допускается, точнее не прикручивается!
Архаичный и мощный! Один звук чего стоит! Сегодня две тысячи пятнадцатый год! На ум приходит демонтаж агрегата и замена на 4-х или 6-ти выходную печь с разводкой по всему салону.
Но нет зла без добра. Под печкой есть ниша для второй батареи. Так и просится туда, потому что мы планируем достаточно дополнительных потребителей энергии.
Не верьте мне. ВСЕ колеса отбалансированы! И накачал 2,2 атм. И внутри тоже есть утяжелители. Не показывайся.
Глушитель и резонатор абсолютно новые, но их хомуты крепления портят внешний вид.
Или покупатели снизу не смотрят?
Это УАЗ! Конечно, смотрят.
Резиновый корыто для аккумулятора недорого? От силы 50 руб. Увы, ни завод на машины не ставит, ни наш.
Чтобы руль был прямым, а колеса — прямыми, приходилось пользоваться народными средствами. Снять руль оказалось не просто!
При сборке кто-то любезно подтянул гайку ступицы руля так, чтобы она была запрессована в легкосплавную основу руля. Но вот еще одна засада! 2- отверстия М6 как раньше на 3151 нет! Имеются 2 прямоугольных отверстия для специального съемника с двумя лапками. У нас такого нет! Идти к дилеру и терять полдня — не наш метод.
Упираясь коленями снизу в руль, через вынос кувалдой короткими ударами по сверлению в середине вала. Нужно только не снимать гайку полностью, иначе руль может оторваться и поранить.
Как легко иностранцам! Шестигранник вместо прорезей. Легкое покачивание руля двумя руками и он снят!
Готов. Рулевое колесо находится в правильном положении.
Перед сборкой на шлицах виток ФУМ-ленты, если придется его снова откручивать, легко снимается, а ступичная гайка тоже не закручивается до полного покраснения торца; 0)
Чтобы никто не залил вдруг солярку, например, случайно. Интересно, а за 40 лет разве есть кто-то, кто не знает, на каком топливе буханки работают? Или где-то есть запасы бензина с тетраэтилсвинцом? Ни в коем случае!
Инвентаризация запасных частей и аксессуаров для всех выпускаемых в настоящее время автомобилей УАЗ. Очень впечатляющая заметка! В духе сегодняшнего дня.
Блок управления двигателем расположен за сиденьем Visionary. Так же есть диагностический разъем.
Обивка передних дверей. Так намного эстетичнее, чем с голым железом. Вот бы ещё и коврики в салон! Да кусок ковра.
…. Крепкие мысли пошли не в ту сторону. Просто подарите мужчине немного хорошего, и он попросит еще! Продолжаем
Просится молдинг на сток. Деталь не дорогая, но эстетически машина выиграет прилично.
Левый топливный бак и фильтр тонкой очистки
Это отверстие под пластиковый поршень в задней двери, в который вкручивается саморез, удерживающий номерной знак. Это самый верный способ потерять последний! Возле ГАИ, получив госномера, качественно их закрепил/ Через 100м, благодаря проезжающей мимо легковушке, посигналил, сказал, что потеряю номер! Остановился — а поршень не держит.
Отверстие немного больше, в нем не закреплен саморез, расширяющий гильзу. Решение простое — разобрали дверь, заменили на сквозные винты с гайками
Вот он, виновник торжества! Выпадающий поршень. Под замену сразу
Есть хорошая привычка уже на нескольких машинах. Замените крепеж на нержавеющую сталь, если это возможно. Цена вопроса невысокая, но когда делаешь для себя, откручивая в следующий раз, говоришь себе спасибо! Пополнение склада нержавеющего металлопроката.
Ставились менять болты, винты, но запас истощился.
Производство Чехия Очень приятные ощущения при торможении! Мягкий и интенсивный! Так держать! Были подобные, когда более 10 лет назад устанавливал ГТЦ 2-х камерный фирмы Лукас на 3151.
Порог изнутри в салон (боковая дверь). Молодцы заводчане! На обработку материала не пожалели. Причем, что я заметил: гораздо больше обрабатывают те места, где требуется либо шумоизоляция, либо защита от летящего с дороги абразива.
Отнимаем 4 болта защитной крышки под капотом снизу, а там живет блок АБС
Нет. Это не мануал по занимательным синематикам. Это механизм выбора передач коробки передач и стояночного тормоза.
Я написал, что работа КПП за кулисами очень сложная. Рычаг тяжело ходит. А вот и причина, оказавшаяся под щитом, прикрывающим замысловатый механизм. СУХОЙ везде! Мы не торопимся, делаем для себя. КПП в данном случае не при чем!
Без тяг передачи можно переключать одним пальцем.
Поэтому лезем в закулисный механизм. Все масленочки просприцованы, тяги расшплинтованы, отсоединены, смазаны консистентной смазкой и собраны обратно. То же самое с КПП.
Результат на лицо! Гораздо мягче! Точно так же и стояночный тормоз живет там же. Далее очередь за РК. Сюда попасть гораздо сложнее. Пока с жидкой смазкой обошлись, дальше посмотрим, как туда добраться.
На гибридных мостах вагонов правый передний наконечник практически скрыт внутри диска.
Ничто не мешает установить цепи противоскольжения на колеса передней оси. Ведь на 3151 и в семействе Патриотов с мостами Спайсер это целая проблема!
Кстати, задние амортизаторы расположены ближе к редуктору моста, и не почти безлюфтовые, как у Патриотов. Аналогично — ставим цепочки и применяем без проблем!
А вот и гравировка на 5-ступенчатой коробке передач! Красиво и очень аккуратно.
Высший сорт! Вы видели Буханку на фото, какого цвета? Не верь своим глазам, она белая!
В STS есть запись подтверждения.
Правда в маркировку вписали (по ПТС — Белая ночь)
И самое главное запись УНИВЕРСАЛЬНЫЙ ПАССАЖИРСКИЙ и грузоподъемность меньше тонны! Бесплатный въезд 3ТК и перемещение по грузовой раме без штрафов.
Продолжение скоро!
Автомобиль 1994 года верой и правдой служил своему владельцу Сергею, сотруднику поискового отряда «Слава». Известно, что поисковые системы проникают туда, где люди часто не могут пройти. «Буханка» работала на полную мощность своего мотора и пружин, но даже ее железное нутро со временем начало потихоньку умирать. И не только внутри: кузовное железо тоже устало скитаться по непролазным полям, лесам и болотам. И тут случилось радостное событие: в семье Сергея родилась третья дочь. Казалось бы, при чем здесь УАЗ? Нет, нет, жизнелюбы, заткнитесь! Просто минивэн теперь был нужен семье больше, чем старая «буханка». Но компания друзей решила сохранить верный УАЗик, а заодно – сделать из него по-настоящему комфортный автомобиль. Желательно дешево.
Снаружи
Первое, что они сделали, это тело, повидавшее жизнь.
Все гнилые детали вырезали, часть заменили, а что-то просто выкинули.
Чтобы не отказывать себе в удовольствии периодически месить грязь, штатные 29-дюймовые колеса были заменены на колеса диаметром 33 дюйма. Кстати, их подарили друзья. Правда, при езде по бездорожью колеса стали цепляться за арки. Вопрос решился просто: их немного увеличили, так как арки были еще гнилые и их пришлось обрезать.
Силовые элементы корпуса были изготовлены заново из профиля 10х10, а снаружи обшиты листовым дюралюминием. Пороги, передний и задний бамперы и багажник тоже пришлось создавать с нуля, и тут в дело вступили холоднокатаные бесшовные трубы. Причем с бампером пришлось повозиться: убрать выкройки со штатного, а потом немного изменить конструкцию (зоны деформации перенести в другое место, а «клыки» сделать для большей жесткости по принципу треугольной мотоциклетной рамы ). Обновленный и подготовленный кузов отдали малярам на покраску, а за техническую часть автомобиля взялись друзья.
Решетки на окнах имеют «антивандальные» функции, а самодельному экспедиционному багажнику могут позавидовать конструкторы кузовов КамАЗ. Еще бы: на этой «буханке» Сергей смог перевезти все мыслимые и немыслимые стройматериалы для постройки собственного дома.
Техника
Разумеется, подвеска на штатных 16-листовых рессорах была доработана (ведь мы помним, что «буханка» должна была стать семейным минивэном, оставаясь при этом внедорожником). Так что теперь стоят амортизаторы от ГАЗ-53 и дисковые тормоза УАЗ «по кругу», что разрешено техническим регламентом Таможенного союза.
Спереди добавлена межколесная блокировка преднатяга — незаменимая вещь при преодолении бездорожья. Сзади также имеется замок (предназначен для УАЗ Спрут с пневмоприводом). Мало ли, вдруг где-то получится подвесить машину по диагонали? Вот тут-то и пригодится блокировка.
Над рулевым управлением работали особенно тщательно. Для гашения ударов установили рулевой демпфер, установили более эффективный гидроусилитель руля.
Его взяли с более поздней версии УАЗа. Для того, чтобы машина лучше стояла на прямой, особенно на асфальтированной трассе, пришлось изменить угол наклона шкворней на четыре градуса. А чтобы при этом можно было безопасно съехать с асфальта, рулевые тяги были закрыты импровизированной защитой.
Мотор УМЗ 4216 с блоком управления МИКАС от ГАЗель Бизнес, который сейчас установлен, подарил друг. Его машина сгорела, но двигатель чудом уцелел во время пожара. А так как, по словам товарища Брежнева, «экономия должна быть экономичной», в машине было установлено ГБО (а это очередной подарок от друга). Заправленного баллона объемом 150 литров хватает примерно на 650-700 километров пробега. Ну а если бензин кончится, можно продолжить путь на бензине (полного бака хватит еще на 600 км).
За освещение здесь отвечают ксеноновые баковые фары. Кстати, в обычных магазинах они продаются как дополнительное оборудование для внедорожников.
«А как же лебедка? Без него УАЗ вообще не УАЗ, а непонятная железяка! — некоторые любители заметят потрогать эту машину, сидя по уши в болоте.
Оказывается, друзья проявили в этом вопросе завидную мудрость.
А теперь заглянем в салон, который, конечно же, тоже переделали. Чтобы не оглохнуть от воплей двигателя и трансмиссии, шумо- и виброизоляцию сделали многослойной. Новые стеновые панели были выпилены из фанеры, позже обшитой экокожей Brandy (т.н. «немоющаяся»). Это экокожа на микрофибре, которая практически не подвержена механическим воздействиям. Конечно, когда-нибудь он придет в негодность, но это будет нескоро: гарантия производителя составляет восемь лет.
1 / 14
2 / 14
3 / 14
4 / 14
5 / 14
6 / 14
7 / 14
8 / 14
9 / 14
10 / 14
11 / 14
12 / 14
13 / 14
14 / 14
Сзади от ГАЗели четыре места, но тем, кто сидит впереди, повезло больше. Вот еще несколько щедрых друзей вытащили передние сиденья из серванта Honda CRV.
1 / 4
2 / 4
3 / 4
4 / 4
Для полноты образа в стиле «люкс» в крышу был врезан обычный ГАЗелевский люк.
А обшивка потолка, как и передняя консоль, делалась вручную с нуля.
В багажнике перенесли перегородку, поэтому салонную печку УАЗ пришлось убрать со штатного места. Кресла стало легче передвигать, и для того, чтобы делать это в тепле, под сиденьями кабины разместили обогреватель от трактора ДТ-75.
Опыт владения
С учетом того, что работали они исключительно в свободное время и по делам, постройка автомобиля заняла около четырех месяцев. Что касается бюджета, то здесь он, как вы понимаете, минимальный и равен 100 тысячам рублей. Это цена доработок без стоимости самой машины и без стоимости работ (машина была уже давно в начале проекта, и все работали бесплатно из-за дружеских чувств и тяги к прекрасному). Если вам придет в голову построить что-то подобное, готовьте не менее 500 тысяч.
Выезжая на природу, друзья постоянно попадают в различные «внедорожные» ситуации (собственно для этого они туда и едут).
- К счастью, не было положений «без возможности побега».
Машина успешно прошла две полноценные экспедиции в Карелии и Беломорканале. Сесть и утонуть можно везде, но у нас опытный водитель, а в экспедициях мы ездим парами, поэтому под рукой есть еще одна машина с лебедками. Мы всегда будем тянуть друг друга — говорят друзья.
Ну что я могу сказать? Эта «буханка» прекрасно справляется и с ролью брутального внедорожника для охоты, рыбалки и экспедиций, и с ролью комфортабельного городского семейного минивэна. И если это именно то, чего хотели добиться друзья, то, наверное, у них все получилось как надо.
Список улучшений
Двигатель
- Двигатель ГАЗ 4216 115 л.с.
- Электроника
- ЭБУ Микас
- Штатные приборы с переделанной подсветкой
- Новые органы управления освещением, компрессором, пневматической системой блокировки колес и пневматическим сигналом
Трансмиссия
- Спереди: замок предварительной нагрузки
- Сзади: Пневматический замок «Спрут»
Подвеска
- Модифицированный, на 16-листовых рессорах
- Амортизаторы от ГАЗ-53
- Угол поворота изменен на 4 градуса
- Защита поперечной рулевой тяги
- ГУР УАЗ
- рулевой демпфер
тормоза
- Диск по кругу
- Вакуумный усилитель тормозов УАЗ
Снаружи
- Панели из дюралюминия
- Усиленный профиль
- Кастомные бампера и багажник
- Фары баковые с ксеноном
- 33-дюймовые колеса
Салон
- Раздел перемещен
- Самодельная приборная консоль
- Сиденья задние от Газели
- Сиденья передние от Honda CRV
Аудиосистема
- Динамики из 3-х частей
Редакция выражает благодарность мастерской GreenToad за предоставление автомобиля.
Нравится результат тюнинга?
УАЗ-452 / УАЗ-3741 (в народе «Буханка», «Таблетка» ) — автомобиль, выпускаемый Ульяновским автомобильным заводом. Серийное производство УАЗ-452 началось в 1965. Двигатель — вариант двигателя ГАЗ-21.
УАЗ-452 — специальный грузопассажирский, полноприводный, двухосный автомобиль повышенной проходимости с колесной формулой 4×4. Автомобиль выпускается Ульяновским автомобильным заводом с 1965 года. Это старейший российский автомобиль по количеству лет выпуска. Из-за сходства с буханкой хлеба в народе его стали называть «Буханка», «Таблетка», военные модификации — «Таблетка», так как их используют врачи. Автомобили, выпущенные в период с 1965 до 1979 г. отличались наличием светотехники старого образца (бесцветные поворотники, круглые задние фонари), выштамповкой последнего борта фальшзаходом к задним дверям, более скругленными задними углами кузова, специальной нишей для номерного знака табличка на левой задней двери.
Автомобиль выпускается как в кузовном (универсал), так и в бортовом вариантах («головастик»). Кузов машины может комплектоваться боковыми одностворчатыми дверями и двустворчатой дверью сзади (конфигурация дверей зависит от конкретной модификации). В марте 2011 года этот автомобиль был модернизирован для конкретных моделей: 39.625, 3962 и 2206. Добавлены АБС, ГУР, ремни безопасности Евро-4, двигатель тоже Евро-4.
Модификации
УАЗ-452
- УАЗ-452 — фургон, базовая модификация
- УАЗ-452А — скорая помощь, прозванная в народе «таблеткой». Вагон вмещал до 4-х носилок или шестерых на скамейках и одного сопровождающего в обоих случаях. Скорая помощь не предусматривала комфорта при передвижении, подвеска осталась у стандартной модели, но была единственной скорой помощью, способной добраться до самых труднодоступных мест.
- УАЗ-452АС — скорая помощь в северном исполнении
- УАЗ-452АЭ — шасси для монтажа различного оборудования
- УАЗ-452В — фургон микроавтобус десятиместный
- УАЗ-452Д — грузовой автомобиль с двойной кабиной и деревянным кузовом
- УАЗ-452Г — скорая помощь, отличается от УАЗ-452А вместимостью
- УАЗ-452К — опытный 16-местный трехосный автобус, (6×4) (1973 г.
). - УАЗ-452П — седельный тягач
УАЗ-3741 и его модификации
В 1985 году была проведена модернизация, и модификации УАЗ получили новые индексы:
Автомобиль на базе УАЗ-452. Банк России
В период после 1989 года началось производство банковских бронеавтомобилей для инкассаторских служб на шасси микроавтобусов УАЗ. Коллекционные бронеавтомобили выпускались относительно небольшими партиями, в различных модификациях.
- УАЗ-3303 — полноприводный грузовик. Кабина — цельнометаллическая, двухместная, с двумя боковыми одностворчатыми дверями и съемной крышкой капота двигателя. Модификации автомобиля имеют деревянную или металлическую платформу.
- УАЗ-3741 — интегрированный цельнометаллический фургон. УАЗ 3741 (37419) — грузовой полноприводный фургон с тремя боковыми одностворчатыми дверьми и двустворчатым задним бортом.
Котласская муниципальная спасательная машина
- УАЗ-2206 — микроавтобус полноприводный (от 8 до 11 мест в салоне).
Рамная конструкция, цельнометаллический корпус.
С 1 апреля 2011 года автомобиль оснащается гидроусилителем руля и антиблокировочной системой тормозов.
- УАЗ-3962 — машина скорой помощи.
- УАЗ-3909 «Фермер» — модель вагонного типа. Грузопассажирский полноприводный автомобиль с 3-мя боковыми одностворчатыми дверьми и двустворчатым задним бортом.
- УАЗ-3909i — военная скорая помощь.
Веселый на вид и неприхотливый автомобиль УАЗ 3962, на самом деле он имеет жуткие корни, и связано это со временем разработки этого автомобиля. Сегодня в это сложно поверить, машина стала привычной и привычной, но вряд ли кто-то захотел бы в нее садиться, если бы она использовалась по прямому назначению. Да, это скорая помощь.
Содержание:
О чем молчит Буханка
Доподлинно неизвестно, правда ли это, или сказки для экстремалов, но те конструкторы УАЗ 452, которые могли давать интервью еще несколько лет назад, говорили о совсем другом предназначении цельнометаллических фургонов на базе ГАЗ 69.
Многочисленные модификации Буханки берут начало от одной модели. Это самый простой, самый примитивный штампованный жестяной кузов, который прикручивался к раме от джипа. Но самое главное в конструкции этого кузова было то, что в кабине, помимо водителя и переднего пассажира, могли быть разработаны специальные крепления для пяти горизонтальных носилок.
Что это за массовая эвакуация и зачем в таком случае использовать полноприводное шасси? Это было просто время. Шпиономания прошла, публике нужна была страшилка, чтобы особо не отвлекалась на всякую ерунду, а по свистку шла в производство. И придумали страшилку — ядерную войну. Никто не знал, как может выглядеть ядерный взрыв, но, судя по опыту Хиросимы, шансов выжить в этом аду было немного. Поэтому и разработали этот веселый автобус для вывоза трупов из очага поражения. Если бы об этом знал его конструктор В. Арямов, он придумал бы более сдержанную конструкцию.
УАЗ 3962, технические характеристики
А пока, пока не пришла ядерная война, микроавтобусу присваивали гражданские профессии, в том числе и медицинские.
Это была именно версия 450А. До сих пор довольно сложно понять, почему Ульяновский завод так ловко запутывает публику индексами и буквами. По большому счету все автомобили семейств 450 и 452 ничем не отличались друг от друга.
Скорая помощь, например, от пассажирского девятиместного отличалась только наличием прожектора, тех самых несчастных носилок, правда, всего одного, с местом для сопровождающего персонала. Иногда стекло может быть матовым. Ну, красный крест на белом фоне говорил, что это медсестра. Технических изменений не было. Кроме модели 451 с моноприводом, то есть только с задним.
УАЗа менялись синхронно, как только на завод поступал очередной новый двигатель. Но на самом деле модель 452А конца 50-х отличается от современной модели 3962 лишь мелочами, которые даже на рестайлинг не тянут. Среди них:
Неудивительно, что в основе своей это все тот же низкооборотистый бензиновый двигатель с несколько измененной системой привода ГРМ. Кроме того, большинство автомобилей, выпущенных после 1985 года, имеют трехлитровый двигатель мощностью почти в сто сил.
Почему такая аппроксимация несложно объяснить — автомобиль может комплектоваться как двигателями Ульяновского завода УМЗ, так и сторонних производителей, а владельцы «нянь» не торопятся капитально ремонтировать двигатель, предпочитая устанавливать совсем другие двигатели. Мощность стокового двигателя явно не соответствует тяжелому кузову и назначению автомобиля.
Ремонт и неисправность двигателя УАЗ 3962
Абсолютно все неисправности двигателя ЮМЗ 421 полностью сопоставимы с двигателем Волга ГАЗ 21. Это именно тот агрегат, который еще стоял на нем, даже с впрыском. С двигателями тоже все крайне запутано. Моторы ЗМЗ и ЮМЗ ничем не отличаются друг от друга, разница у них только в том, что первый произведен на Заволжском моторном заводе.
Это все тот же двигатель 19 года выпуска.56, на котором собирались эвакуировать раненых из очага ядерного поражения. Двигатель не имеет гидрокомпенсаторов, поэтому каждые 10 тысяч приходится регулировать тепловые зазоры клапанов.




Потом ставим каналы обдува для стёкол.
Согласно данным производителя – порядка 4 кВт, но это сомнительные цифры: согласно санитарным нормам, 2 киловатт достаточно для обогрева помещения в 20 кв. метров. И хотя автомобиль – не квартира, особенно «буханка» (см. пункт выше), скорее всего, реальные цифры намного меньше. Впрочем, у медных радиаторов при одинаковых размерах этот показатель выше, чем у алюминиевых собратьев. В любом случае из-за просторного салона УАЗ 452 мощности родной печки не хватает – задние пассажиры будут постоянно мёрзнуть;
Слой делайте достаточно большой. Установите корпус фильтра и зафиксируйте его. Сам фильтр уже можно вставить в своё посадочное гнездо;
Только делайте подключение сверху, перед штатным предохранителем в колодке;
Он самый дорогой и, следовательно, самый надежный и эффективный. Такие жидкости обладают высокой степенью текучести, что является положительным свойством. Но минус синтетики в том, что ее нельзя использовать в автомобилях с большим пробегом, так как при сильном горячем двигателе она становится настолько жидкой, что часто происходят протечки масла через сальники.



м.
;

Этот тип используется в основном в старых автомобилях с задним приводом. Заливать его в агрегаты внедорожника можно, но делать это не рекомендуется. Причины вполне актуальные, т.к. минеральное масло самоочищающимися свойствами не обладает, поэтому последующую замену необходимо производить уже через 35 тыс. км. Как видно, это значительно сокращает периодичность замены масла в КПП.
Поэтому такие типы масел рекомендуется менять каждые 65-70 тысяч миль пробега, что в два раза больше, чем у минерального. С завода в УАЗ Патриот заливают разные виды Масла и преимущественно это полусинтетика. Хотя производитель изначально рекомендует переключение каждые 20-30 тысяч км пробега, все же лучше делать это ближе к 20 тысячам.
По техническим данным объем масла в кривошипе должен быть 1 литр 300 грамм. Заливать масло необходимо до тех пор, пока оно не начнет течь из маслозаливного отверстия.
Замена масла в МКПП — отправили на Мазду 3 Ну например будет плановая замена масла в Мазда 3. По техническим данным объем масла в задний мост должен быть 1 литр 300 грамм. Заливать масло необходимо до тех пор, пока оно не начнет течь из маслозаливного отверстия.
Он самый дорогой по себестоимости и, соответственно, самый надежный и эффективный. Такие жидкости обладают столь высокой степенью текучести, что является положительным свойством. Но недостаток синтетики в том, что ее нельзя использовать в машине с большим пробегом, так как при сильном нагреве двигателя она становится настолько жидкой, что часто происходят протечки масла через сальники.
Машина успешно прошла две полноценные экспедиции в Карелии и Беломорканале. Сесть и утонуть можно везде, но у нас опытный водитель, а в экспедициях мы ездим парами, поэтому под рукой есть еще одна машина с лебедками. Мы всегда будем тянуть друг друга — говорят друзья.
).
Рамная конструкция, цельнометаллический корпус.