Эксплуатация дизельного двигателя, оснащённого системой Common Rail
Система впрыска Common Rail используется в дизельных двигателях любой мощности, как в легковых автомобилях, так и во внедорожной технике. Эксплуатация дизельного двигателя, оборудованного данной системой, в некоторой степени отличается от привычной работы понятных дизелей отечественного производства. Принцип работы Common Rail основан на традиционных системах питания, когда топливо попадает на форсунки путём подачи его насосом высокого давления от подкачивающего насоса.
И всё же существуют определённые конструктивные особенности мотора, благодаря которым данный двигатель выпадает из общего ряда дизельных силовых агрегатов.
Принципиальные отличия Common Rail от привычных систем
- Между ТНВД и форсунками расположен аккумулятор топлива. Он выполняет роль посредника (промежуточного дополнительного оборудования) между насосом и форсунками, принимая на себя топливо под высоки давлением от ТНВД, и уже потом подавая его на форсунки.

- В управлении Common Rail применяются электронные схемы, которые в отличие от старых систем, основанны на механическом или электронно-механическом способе управления. Надёжность электрической системы подтверждают эксперты в ходе длительной эксплуатации. Но в России следует принимать во внимание, что отправляя технику на вторичный рынок, владелец зачастую скручивает пробег. Для этого необходимо удалить сажевый фильтр, заглушить клапан EGR, и перепрошить весь блок управления. Таким образом, налаженная электроника кардинально нарушается. Сможет ли доморощенный специалист, взявшийся за перепрошивку, восстановить безупречную работу всей системы – неизвестно. Поэтому гарантировать длительную бесперебойную эксплуатацию двигателя, оснащённого Common Rail, можно лишь при условии, что электронная система управления не вскрывалась.
- Благодаря рейке, или аккумулятору топлива, впрыск по форсункам осуществляется под более высоким давлением по сравнению с двигателями аналогичного класса.
Качество распыления топлива значительно улучшается, что влечёт за собой улучшение показателей смесеобразования и последующего процесса сгорания. А это положительно отражается на эффективности работы силового агрегата. Достижение показателей высокого давления впрыска потребовало более жёсткого отбора фильтра по размерам и допускам, что, в свою очередь, изменило параметры смазки, то есть самого дизельного топлива, обеспечивающего длительную бесперебойную работу трущихся деталей. Common Rail не способен «переварить» низкопробное дизельное топливо.
Common Rail не терпит пренебрежительного отношения
Первые владельцы автобусов и грузового транспорта, оснащённого новой системой впрыска, были возмущены надёжностью работы всего двигателя. Традиционный подход к обслуживанию незамедлительно вызывал очередной сбой в работе силового агрегата. Например, при наличии Common Rail требуется установки оригинальных фильтров. Только такая категория расходников совместима с двигателем.
Несвоевременная замена неоригинальных фильтров в процессе обслуживания двигателя Common Rail вызвана увеличением пропускной способности пор бумаги фильтра. При достижении показателей в 50 микрон, вместо положенного стандарта в 5 микрон, увеличивается поток инородных частиц, который провоцирует посторонние включения. Такой небрежный подход к эксплуатации двигатель Common Rail не прощает.
По определению – своевременная замена фильтра гарантирует долговечную работу любого силового агрегата. Использование оригинальных комплектующих Bosch, Denso или Delphi –самый оптимальный вариант, но есть версии рекомендованные производителем. Они дешевле и, в то же время, такие же надёжные.
Коррозия изнутри
Заклинившие в насосе плунжеры, подвергаются активной коррозии, продукты которой, попадают в форсунки и портят их. Наличию коррозии способствует и так называемое биотопливо, в своё время в избытке реализуемое на АЗС. Для Common Rail характерно прогорание уплотнительных шайб, находящихся под форсунками. Это происходит из-за перегрева корпуса детали, которое проявляется после полного наполнения колодца форсунки сажей. В этом случае ремонт обойдётся дорого, так как необходимо извлечь форсунки, что далеко не всегда удаётся. Своевременная диагностика может спасти положение дел. Но, предварительная диагностика, как сервисная услуга, в России не востребована. Автовладельцы прибегают к ней лишь тогда, когда ситуация зашла слишком далеко и небольшой поверхностный ремонт не решает проблему. Та же коррозия аккумулятора выявляется только с помощью компьютерной диагностики.
В заключение следует указать основные причины, которые влияют на качество работы двигателя, оборудованного системой Common Rail.
Во-первых, использование неоригинальных фильтров. Во- вторых, несоблюдение сроков замены фильтров. В-третьих, присутствие коррозийных процессов, запущенных неправильной технологий технического обслуживания. Common Rail, как и любой силовой агрегат, подвержен обычному техническому износу. Но вышеперечисленные причины способствуют существенному его ускорению и преждевременному выходу двигателя из строя.
Видео: Партнёрская программа от сервиса «Перевозка 24»
Поиск запроса «дизельный двигатель с системой Common Rail » по информационным материалам и форуму
Статьи о ремонте :: Познавательно: Дизель системы Common Rail (Кратко: Что это, История, примеры)
Существует система впрыска топлива для дизельных двигателей Common Rail, позволяющая одновременно снижать расход топлива, токсичность отработавших газов и уровень шума.
Вдобавок, Common Rail повышает экономичность и плавность работы двигателей. Казалось бы — слишком много, и ждать сразу стольких эффектов от впрыска топлива не стоит — и напрасно.
Это самый современный этап эволюции бензиновых и дизельных двигателей с прямым впрыском топлива. Отличие его от традиционных дизелей с низким давлением подачи топлива: наличии рампы и подача топлива с очень большим давлением (более 1000 бар), которое далее распределяется между электрическими форсунками с соленоидными клапанами. Третье поколение систем Common Rail отличается применением пьезоэлектрических инжекторов для увеличения точности впрыска, количественное увеличение фаз впрыска, а также повышения давления подачи топлива в рампу(до 1800бар). Сейчас есть системы до 2200 бар (легковые а/м) и 2500 бар (грузовые а/м).
История Common Rail
Прототип системы Common Rail был разработан в конце 60-х годов Робертом Хубером в Швейцарии. Далее его технология была развита Марко Гансером из Швейцарского Федерального Института Технологии в Цюрихе.
В середине 90-х годов Доктор Шохей Ито и Масахико Мияки из Корпорации DENSO, Япония, разработали систему Common Rail для коммерческого транспорта и воплотили ее в системе ECD-U2, которая стала использоваться на грузовиках HINO Rising Ranger, а потом в 1995 году продали технологию другим производителям. Поэтому DENSO считается пионером в адаптации системы Common Rail к нуждам автомобилестроения. Современные системы Common Rail работают по тому же принципу. Они управляются Блоком Электронного Управления, который открывает каждый инжектор электронно, а не механически. Эта технология была детально разработана общими усилиями компаний Magneti Marelli, Centro Ricerche Fiat и Elasis. После того, как FIAT разработал дизайн и концепцию системы, она была продана немецкой компании Robert Bosch GmbH для последующего завершения разработки массового продукта. В целом, это стало большим просчетом компании FIAT, поскольку новая технология стала очень выгодна. Но итальянский концерн был в то время в удручающем финансовом состоянии и не имел ресурсов для завершения выполненых работ.
Тем не менее итальянцы первые применили систему Common Rail в 1997 на Alfa Romeo 156 1.9 JTD и только потом она появилась на Mercedes-Benz C 220 CDI.
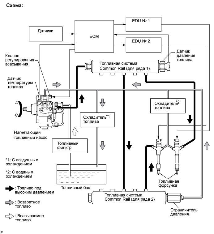
Принцип работы системы Common Rail состоит в том, чтобы добиться минимального размера впрыскиваемых в камеру сгорания капель и использовании повышенного давления впрыска. Для этого вместо индивидуальных насосов-форсунок на каждом цилиндре установлен один центральный топливный насос высокого давления, нагнетающий давление в рампе. Это позволяет использовать форсунки с очень малым временем срабатывания, точно дозирующие впрыск за счет электронного управления.
Благодаря этой передовой системе дизельное топливо за один рабочий такт впрыскивается в камеры сгорания в несколько этапов. На этапе предварительного впрыска подается небольшое количество топлива, затем следует основная порция и, наконец, серия завершающих впрыскиваний (если в этом есть необходимость). Предварительный впрыск обеспечивает равномерное нарастание давления в камере сгорания, снижая уровень шума от работающего двигателя.
А серия завершающих впрыскиваний дожигает несгоревшие частицы, улучшая состав отработавших газов Для нормальной работы некоторых типов систем необязательно поддерживать постоянно самое высокое давление. Трубки рампы имеют одинаковую длину и оканчиваются инжекторами. На рампе также расположен регулятор давления, который отправляет лишнюю часть топлива обратно в бак через охладитель. С помощью датчика давления в рампе Блок Управления Двигателем может получать информацию о давлении в рампе и контролировать его.
Датчики и исполнительные механизмы:
Основными датчики, которые используются в системе — это датчик давления в рампе, датчик потока воздуха, датчики распредвала и коленвала, температурные датчики двигателя и входящего воздуха, датчик положения педали акселератора, система подогрева.
Исполнительные механизмы в системе Common rail: это инжектора, клапан регулятор давления в рампе, клапан турбонадува и клапана рециркуляции выхлопных газов.
Инжектора включаются по команде контроллера — блока EDC посредством магнитного соленоида.
Гидравлическая сила давления позволяет открывать и закрывать инжектор, однако активация происходит с блока управления. Некоторые инжектора имеют пьезокристаллы. Под влиянием магнитного поля они увеличиваются в размерах. В инжекторе типа Piezo Inline кристалл находится близко к игле и поэтому в нем не используется механических деталей для включения иглы. В ранних системах применялся двойной впрыск — пилотный и основной для предотвращения детонации. В современных системах используется до шести фаз впрыска. Каждый инжектор производится и тестируется в лаборатории, где ему присваивают определенный код по измеренным данным его работы. После замены инжекторов код должен быть прописан в память блока управления с помощью сканера.
Причины вытеснения традиционных дизелей: Лучшие экологические данные по выхлопу, меньший шум, более дешевое производство компонентов.
Common Rail сегодня
В настоящее время каждый производитель имеет собственную аббревиатуру, которая обозначает систему COMMON RAIL:
— BMW: D-двигатели (также используются Land Rover Freelander как TD4)
— Cummins и Scania: XPI (Совместная разработка)
— Cummins: CCR (Насос Cummins с инжекторами Bosch)
— Daimler: CDI (для автомобилей Chrysler и Jeep — CRD)
— Fiat: Fiat, Alfa Romeo and Lancia — JTD (также называется MultiJet, JTDm, Ecotec CDTi, TiD, TTiD , DDiS, Quadra-Jet)
— Ford Motor: TDCi Duratorq и Powerstroke
— General Motors: Opel/Vauxhall — CDTi (производится Fiat и GM Daewoo) и DTi для Isuzu
— General Motors: Daewoo/Chevrolet — VCDi (лицензирован от VM Motori также имеет брэнд Ecotec CDTi)
— Honda: i-CTDi
— Hyundai и Kia: CRDi
— Mahindra: CRDe
— Maruti Suzuki: DDiS (производится по лицензии Fiat)
— Mazda: CiTD
— Mitsubishi: DI-D (недавно разработано новое поколение 4N1 с давлением
— в системе впрыска до 2000 bar)
— Nissan: dCi
— PSA Peugeot Citroen: HDI или HDi (Volvo S40/V50 использует двигатели от PSA 1,6D & 2,0D, также используется брэнд JTD)
— Renault: dCi
— SsangYong: XDi (двигатели собираются по лицензии Daimler AG)
— Subaru Legacy: TD (с января 2008)
— Tata: DICOR
— Toyota: D-4D
— Volkswagen Group: Двигатель 4.
2 V8 TDI и самые последние 2.7 и 3.0 TDI(V6) сменили старые электронные дизеля. Двигатель 2.0 TDI используется на Volkswagen Tiguan и Audi A4. Новые 2.0 TDI скоро также будет доступен для Passat и в 2009 для Jetta.
— Volvo: 2.4D и D5
— Skoda: TDI
Как проводить диагностику систем Common Rail?
На сегодняшний день существенно возрастает доля автомобилей оснащенных системой Common Rail в сегменте кроссоверов, внедорожников, а на коммерческом транспорте в 95% автомобили оснащены системой Common Rail.
Современная методика и оборудование позволяет достаточно успешно применять методики диагностики для выявления неисправностей систем Common Rail, приглашаем Вас пройти в нашей лаборатории Мастер-класс «Диагностика дизельных систем Common Rail»
Дизельная система Common Rail— как она работает?
Дизельные топливные системы Common Rail используются для увеличения мощности двигателя, снижения выбросов и обеспечения более плавной и «цивилизованной» работы дизельных двигателей.
Однако они требуют специального обращения и могут представлять значительный риск для здоровья, если человек, работающий с системой, не знает ее основных принципов.
Дизельные двигатели без системы Common Rail и современные дизельные технологии системы Common Rail
Когда мы слышим эти два слова: «Дизельный двигатель», большинство из нас сразу же представляет себе облако черного дыма и шума!
С тех пор многое изменилось. Раньше всегда требовалось впрыскивать больше топлива и нагнетать в цилиндр как можно больше воздуха.
Отличное решение для получения максимальной мощности от двигателя! Однако в наши дни это экологически (и в целом общественное мнение и социально) неприемлемо.
Моя личная позиция
Прежде чем мои намерения будут неверно истолкованы, я должен прояснить свою позицию.
При условии, что двигатель соответствует спецификациям производителя и уровням выбросов , разработанным в соответствии с , меня устраивает тот факт, что он может дымить.
Это намерение конструкции во время изготовления .
Я НЕ ОК когда люди преднамеренно манипулируют двигателем, чтобы значительно отклониться от исходных спецификаций. Особенно те, которые связаны с выбросами! Полностью НЕ согласен с удалением EGR, удалением DPF или любым другим методом, при котором модифицированный двигатель не соответствует сертификату по выбросам для этой конкретной модели.
Сгорание дизельного топлива без системы Common Rail
Возвращаясь к нашей теме, давайте проанализируем процесс сгорания в старом дизельном двигателе :
Как правило, дизельный насос подает топливо к каждой форсунке отдельно или иногда к форсунке. представляет собой мини-насос.
Насос синхронизирован с двигателем и подает топливо под давлением к нужной форсунке в нужное время. Вот разбивка процесса:
- Игольчатый клапан форсунки удерживается пружиной.

- Топливо под давлением достигает форсунки (давление, действующее на поверхность, становится силой).
- Сила действует на иглу и имеет направление, противоположное силе пружины.
- Когда подъемная сила превышает силу пружины, игольчатый клапан поднимается, и топливо вытекает из малых отверстий впрыска.
Впрыск прекращается, когда давление топлива снижается и сила пружины становится больше подъемной силы.
Весь описанный выше процесс длится несколько миллисекунд. Цикл сгорания завершается сильным однократным взрывом , который сильно нагружает компоненты двигателя. Отсюда и характерный шум дизельного двигателя («Дизельный стук»). Люди также характеризуют дизельные двигатели как работающие жестче по сравнению с бензиновыми двигателями. И тут идет Common Rail !
Что делает двигатель Common Rail более цивилизованным?
Начнем с возможности точно контролировать процесс впрыска.
Знаете ли вы, что некоторые форсунки могут впрыскивать до 7 раз в течение одного цикла сгорания ? Сравните это с инжектором старой школы (один впрыск…)!
Типичный процесс сгорания в дизельном двигателе с общей топливной рампой предусматривает как минимум 3 впрыска за цикл сгорания:
- Предварительный впрыск: Уменьшает «дизельный стук» за счет впрыска небольшого количества топлива до поршень достигает верхней мертвой точки (ВМТ). Небольшое количество топлива самовоспламеняется и подготавливает цилиндр к основному впрыску. Повышение температуры и давления в цилиндре.
- Основной впрыск: Происходит сразу после ВМТ . Это основной впрыск количество . Иногда он делится на две части.
- После впрыска: Контролирует выбросы .
Это происходит перед Нижняя мертвая точка (НМТ). Воспламенение топлива, впрыскиваемого во время цикла пост-впрыска , помогает сжечь последние несгоревшие капли дизельного топлива основного впрыска.
Для двигателя Common Rail требуется система управления двигателем.
Итак, причина того, что двигатель с системой Common Rail работает более плавно, чем традиционный двигатель «старой школы», заключается в том, что ЭБУ выполняет все расчеты для точного управления впрыском с точностью до доли секунды и достижения максимальной мощности при сохранении механическое напряжение (и шум) сведены к минимуму.
Как система управления двигателем управляет впрыском дизельного топлива?
Для системы управления двигателем требуется блок управления двигателем (ECU, также называемый ECM или модулем управления двигателем), который:
- собирает различные данные от датчиков,
- определяет следующую форсунку для впрыска топлива,
- вычисляет время, необходимое для удержания форсунки открытой (длительность открытия = количество топлива),
- дает команду форсунке на впрыск на основе рассчитанных параметров
- дает команду инжектору прекратить впрыск.

Процесс не завершен, но если у вас нет опыта работы с Common Rail или системами управления двигателем, этого достаточно, чтобы начать думать!
Есть множество других факторов, о которых я не упомянул. Просто назову несколько других вещей, о которых заботится ЭБУ:
- Какова частота вращения двигателя? (об/мин)
- Какая температура охлаждающей жидкости?
- Положение педали газа?
- Температура поступающего воздуха?
- Давление воздуха во впускном коллекторе?
- Рециркулируют ли выхлопные газы? (положение рециркуляции отработавших газов)
- Какое сейчас давление в рампе? (измерено)
- Каким должно быть давление в рампе? (расчетное/теоретическое)
- …и этот список можно продолжить!
Датчики впрыска дизельного топлива Common Rail
Для типичной системы Common Rail требуются как минимум следующие датчики:
| Датчик | Функция | На что это влияет? |
| Датчик частоты вращения двигателя | Измеряет число оборотов коленчатого вала | Количество топлива и продолжительность впрыска в зависимости от доступного временного окна (высокие обороты = меньше доступного времени) |
| Датчик положения двигателя | Положение ВМТ цилиндра №1 и последующие положения остальных цилиндров | Инжектор/последовательность впрыска |
| Датчик давления во впускном коллекторе | Измеряет давление воздуха во впускном коллекторе. Более высокое давление = больше воздуха = больше кислорода для горения | Впрыск Количество топлива |
| Датчик температуры во впускном коллекторе | Измеряет температуру воздуха во впускном коллекторе. Более высокая температура = расширенный воздух = меньше кислорода для горения | Впрыск Количество топлива |
| Датчик давления Common Rail | Измеряет давление в системе Common Rail | Впрыск Количество топлива |
| Датчик положения педали газа | Измеряет положение педали | Количество впрыскиваемого топлива в зависимости от положения педали газа (требования водителя) и текущих условий работы двигателя (текущая работа) |
| (дополнительно) Датчик массового расхода воздуха | Измеряет расход воздуха на впускном коллекторе | Впрыск Количество топлива |
Приводы дизельного впрыска Common Rail
Типичные приводы, используемые в дизельных системах Common Rail:
| Привод | Функция | На что это влияет? |
| Привод дизельного насоса высокого давления | Клапан с электронным управлением, ограничивающий поток топлива | Давление в рампе.![]() Клапан полностью открыт = больше топлива достигает насосных камер = более высокая производительность расход от насоса к рампе = более высокое давление в рампе Клапан ограничивающий поток (не блокирующий его полностью) = меньше топлива достигает насосных камер = более низкий выходной поток от насоса к рампе = более низкое давление в рампе |
| Форсунка | Впрыскивает топливо в камеру сгорания | Выбросы и мощность! |
Типичное давление системы Common Rail
Внимание! Серьезно. Я не могу подчеркнуть это достаточно.
Знаете ли вы, что топливо под давлением 2 бара (29 фунтов на кв. дюйм), выходящее из небольшого отверстия (отверстия), может проникать через кожу человека?
Теперь сравните с этим:
Типичные значения давления внутри Common Rail дизельного двигателя:
- Двигатель на холостом ходу (около 700 об/мин) или без нагрузки: от 250 до 350 бар (от 3626 до 5076 фунтов на кв.
дюйм) - Максимальное рабочее давление: зависит от системы. Типичные точки останова:
- 1600 бар (23 200 фунтов на кв. дюйм)
- 1800 бар (26 100 фунтов на кв. дюйм)
- 2200 бар (31 900 фунтов на кв. дюйм)
Некоторые системы (например, Cummins XPI на ISX15/QSX15 или ISL9/QSL9) способны удерживать давление в топливной рампе в течение длительного периода времени, когда двигатель не работает. Это может быть несколько дней или недель! Например, последний ISB6,7 выдерживает минимум 500 бар (7250 фунтов на кв. дюйм) в течение нескольких дней после выключения зажигания!
Что это значит?
Если вы подозреваете утечку топлива, НИКОГДА не проверяйте пальцами утечку на стороне высокого давления! Чтобы ваши пальцы были прикреплены к руке, просто используйте кусок картона.
Не пытайтесь ремонтировать систему Common Rail высокого давления путем удаления компонентов БЕЗ сброса давления в системе, существует высокий риск утечки топлива под высоким давлением, что может привести к травмам или даже смерти.
Пожалуйста, пройдите обучение или прочтите руководство, прежде чем пытаться ремонтировать систему Common Rail высокого давления!
Я буду рад организовать вебинар по запросу, посвященный основам или тому, как обращаться с различными системами Common Rail Cummins (ISB/QSB 4.5 или 6.7, ISC8.3/QSC8.3, ISL9/QSL9, X12, ISX15/ QSX15). Если вы заинтересованы, воспользуйтесь страницей контактов или просто напишите мне по адресу [email protected].
Насколько чувствительна дизельная система Common Rail?
Для достижения высоких давлений и точности компоненты могут иметь внутренний производственный допуск от 5 до 2 микрон! Это 0,005 мм или 0,002 мм (от 0,0002 до 0,00008 дюйма)! Знаете ли вы, что размер некоторых бактерий составляет от 5 до 10 микрон?
Любое загрязнение из-за грязного топлива или неправильного ремонта может повредить внутренние поверхности компонента (например, форсунки), что приведет к отклонению его первоначальных характеристик.
Если вам нужно работать с топливной системой, убедитесь, что вы очистили компоненты высокого давления, с которыми вам нужно работать, и закройте отверстия для подачи топлива чистой крышкой. Для этой цели на рынке есть различные наборы. Даже перчатки могут свести к минимуму риск (но не те, что с покрытием против пота!)
Какие инструменты необходимы для диагностики системы Common Rail?
Топливные системы Common Rail работают по гидравлическому принципу. Система обеспечивает заданный расход топлива при определенной нагрузке двигателя или определенном давлении в общей топливной рампе. Чтобы определить, хорошо ли работает система, нам нужно измерить расход топлива (вообще говоря, количество в зависимости от времени, например литров в минуту) или утечку в системе (возврат в бак).
Как правило, вам необходимо иметь возможность контролировать давление с помощью диагностического инструмента, такого как Cummins Insite (для двигателей Cummins) или TEXA (действительно хороший и универсальный инструмент для диагностики двигателей).
Тогда вам нужно знать характеристики системы, над которой вы работаете.
Если вы работаете с двигателями Cummins, я вам помогу! Я могу организовать обучение с учетом ВАШИХ потребностей с помощью инструмента веб-семинара (например, Zoom или Microsoft Teams). Вам также потребуется учетная запись Cummins QuickServe Online, чтобы получить доступ к руководству по ремонту. Вот как создать одну учетную запись БЕСПЛАТНО.
Наконец, вам понадобятся некоторые диагностические инструменты, такие как шланги, манометры или тестовые наборы.
Некоторые сообщения могут содержать партнерские ссылки. Щелкая по ним и совершая транзакцию на сайте продавца, я получаю небольшую комиссию без каких-либо дополнительных затрат для вас. Это поддерживает работу сайта и позволяет мне продолжать создавать контент. Спасибо заранее за вашу поддержку!
Принцип работы форсунки Common Rail и обнаружение неисправности Common Six
Принцип работы форсунки Common Rail и обнаружение неисправности Common Six.
Форсунка является ключевым компонентом дизельного двигателя, и ее работа напрямую влияет на мощность, экономичность, выбросы и надежность дизельного двигателя. Согласно требованиям смесеобразования и сгорания форсунка должна иметь определенное давление впрыска, ход впрыска и соответствующий угол конуса впрыска. Кроме того, форсунка должна иметь возможность быстро перекрыть подачу топлива, когда необходимо остановить впрыск, без подтекания. явление.
Устройство и принцип работы Common Rail Форсунки форсунок
ВЫКЛ (без впрыска) => открыто (начать впрыск) => полностью открыто (впрыск) => закрыто (уменьшение впрыска) => полностью закрыто (остановить впрыск)
● Исходное состояние
Когда электромагнитный клапан форсунки не срабатывает, форсунка закрыта, сливное отверстие также закрыто, а маленькая пружина прижимает шаровой клапан якоря к отверстию, чтобы сформировать высокое давление Common Rail в управлении клапаном сказал инженер China-Lutong г-н Ван.
Точно так же в форсунке также формируется высокое давление Common Rail, и давление Common Rail уравновешивает давление секции управляющего плунжера и давление пружины форсунки с усилием открытия топлива высокого давления на коническую поверхность иглы. клапан так, чтобы игольчатый клапан оставался закрытым. статус.
● Статус начала впрыска топлива
При срабатывании электромагнитного клапана якорь открывает сливное отверстие, топливо поступает из камеры управления клапаном в верхнюю полость и возвращается из полости в масляный бак через трубку возврата масла , чтобы давление в камере управления было снижено; давление в камере управления снижается, и давление снижается. Сила, действующая на управляющий плунжер, в этот момент игла форсунки открывается и форсунка начинает впрыскивать масло.
● Конец впрыска
После отключения питания электромагнитного клапана сила маленькой пружины не сработает, и электромагнитный клапан будет нажат. Шаровой кран закроет сливное отверстие.
После того, как сливное отверстие будет закрыто, топливо будет поступать в камеру управления через впускное отверстие для масла, чтобы установить давление масла. Это высокое давление контролируется. На поперечном сечении плунжера давление в рампе плюс усилие пружины больше, чем давление на коническую поверхность игольчатого клапана, что приводит к дизельная форсунка игла для закрытия.
Компоненты системы Common Rail чувствительны к воде в топливной системе, особенно форсунки с узлами прецизионных клапанов, которые изначально смазываются дизельным топливом. Когда система попадает в воду, это может вызвать такие проблемы, как ржавчина или плохая смазка деталей.
Обнаружение общей неисправности форсунки
01. Плохое распыление форсунки
Явление неисправности: мощность дизельного двигателя снижена, выхлопные газы представляют собой черный дым, а звук работы машины ненормальный.
Анализ неисправности: когда давление впрыска слишком низкое, сопло изнашивается нагаром, торец пружины изнашивается или сила упругости уменьшается, инжектор будет открываться заранее, закрываться с задержкой, и будет формироваться явление распыления впрыска.
Кроме того, поскольку капли дизельного топлива, имеющие чрезмерно большой диаметр частиц, не могут быть достаточно сожжены, они стекают в масляный поддон вдоль стенки цилиндра, в результате чего увеличивается поверхность масла, снижается вязкость, ухудшается смазка и может быть вызвана авария сгоревшего баллона.
02. Форсунка застряла
Симптом: мощность двигателя падает, дрожит, двигатель даже не заводится.
Анализ неисправностей: Влага или кислота в дизельном топливе вызывают ржавчину и заклинивание игольчатого клапана. После того, как уплотняющий конус игольчатого клапана поврежден, горючий газ в цилиндре также попадет на сопрягаемую поверхность, образуя нагар, так что игольчатый клапан будет уничтожен и распылен. Масло теряет впрыск топлива, в результате чего цилиндр перестает работать.
03. Износ направляющей поверхности игольчатого клапана и отверстия игольчатого клапана
Симптом: мощность снижается, двигатель запускается с трудом, он даже не может запуститься.
Анализ неисправности: игольчатый клапан часто совершает возвратно-поступательные движения в отверстии игольчатого клапана, и попадание примесей в дизельное топливо вызывает постепенный износ направляющей поверхности отверстия игольчатого клапана, что приводит к увеличению зазора или образованию царапин, что приводит к утечке внутри форсунки. При увеличении давление уменьшается, объем впрыска топлива уменьшается, а время впрыска задерживается, что затрудняет запуск дизельного двигателя. Когда задержка времени впрыска слишком велика, дизельный двигатель даже не может работать. В это время муфта игольчатого клапана должна быть заменена.
04. Подтекание топливной форсунки
Явление неисправности: при низкой температуре дизельного двигателя запуск затруднен, из выхлопной трубы идет белый дым, а температура дизельного двигателя становится черной. И расход топлива большой.
Анализ неисправности: при работе форсунки уплотняющий конус корпуса игольчатого клапана будет часто и сильно воздействовать на игольчатый клапан.
Кроме того, топливо под высоким давлением постоянно выбрасывается с места, а поверхность конуса постепенно изнашивается или покрывается пятнами, вызывая впрыск топлива. Капать масло. При низкой температуре дизельного двигателя из выхлопной трубы идет белый дым, а при повышении температуры дизельного двигателя дым становится черным. Убедитесь, что движение игольчатого клапана является гибким, поверхность конуса не имеет износа, а в противном случае для замены новой форсунки требуется уплотнение.
05. Возврат масла слишком высокий
Явление неисправности: давление впрыска снижено, время впрыска увеличено, мощность двигателя снижена, и даже дизельный двигатель выключается.
Анализ неисправности: когда часть игольчатого клапана серьезно изношена или корпус игольчатого клапана и корпус форсунки не плотно прилегают друг к другу, возврат масла форсунки, очевидно, увеличивается, и пластина клапана также должна быть замечена. Это приводит к тому, что форсунка возвращает слишком много масла, что влияет на работу двигателя.

Качество распыления топлива значительно улучшается, что влечёт за собой улучшение показателей смесеобразования и последующего процесса сгорания. А это положительно отражается на эффективности работы силового агрегата. Достижение показателей высокого давления впрыска потребовало более жёсткого отбора фильтра по размерам и допускам, что, в свою очередь, изменило параметры смазки, то есть самого дизельного топлива, обеспечивающего длительную бесперебойную работу трущихся деталей. Common Rail не способен «переварить» низкопробное дизельное топливо.
Во-первых, использование неоригинальных фильтров. Во- вторых, несоблюдение сроков замены фильтров. В-третьих, присутствие коррозийных процессов, запущенных неправильной технологий технического обслуживания. Common Rail, как и любой силовой агрегат, подвержен обычному техническому износу. Но вышеперечисленные причины способствуют существенному его ускорению и преждевременному выходу двигателя из строя.
Это происходит перед 
Более высокое давление = больше воздуха = больше кислорода для горения
дюйм)