Коробка передач газели: устройство, схема КПП
- Особенности КПП «ГАЗель»: устройство и ремонт
- Как произвести ремонт КПП Газели. Газель коробка схема
- Похожие статьи:
Коробка передач используется в основном в двигателях внутреннего сгорания. А вот в паровых и электрических двигателях в ней нет необходимости, так как они имеют высокую приспособляемость.
Детали коробки передач
Пути потоков мощности на передачах
Пятиступенчатая коробка передач (продольный разрез)
Коробка передач
Механизм переключения передач
Коробка передач (схема)
Картеры передний и задний, валы в сборе, механизм переключения, выключатель света
Коробка передач пятиступенчатая
Коробка передач в разборе
Детали коробки передач
Ведущий вал, шестерня ведущего вала, фиксатор, штифт, рычаг переключения
Коробка передач с рукоятью
Коробка передач синего цвета
Ось коробки передач
Проверка коробки передач руками
Чертёж коробки передач
Коробка передач в разобранном виде
Задняя крышка картера коробки передач, ведущая шестерня 5 передачи, подшипник
Детали коробки передач с обозначениями
Редуктор моста, картер, шестерня передачи, дифференциал
Валы коробки передач
Ваша оценка очень важна:
Загрузка…
Источник
youtube.com/embed/oaIok9MX71w» frameborder=»0″ allowfullscreen=»»>Особенности КПП «ГАЗель»: устройство и ремонт
Коробка переключения передач – это составляющая трансмиссии. Она изменяет передаточное число и крутящий момент, передаваемый от двигателя на приводные колеса автомобиля. Коробка переключения передач имеет весьма внушительный ресурс работы и способна безотказно функционировать в течение всего срока эксплуатации автомобиля. Но для этого необходимо своевременное и качественное обслуживание КПП.
Сегодня мы будем разбирать коробку передач автомобиля Газель. Сольем масло. Для этого понадобится шестигранник на 12 мм. Если на пробке обнаружена стружка – значит, в коробке передач есть износ.
Производитель рекомендует заливать 1,2 л. масла в коробку передач, но мы рекомендуем лить минимум 1,5 л., для избежания «масляного голодания» на пятой передаче, во время перегруза.
Разбираем коробку передач. Для удобства зажмем её в тисках хвостовиком вниз, под углом.
Откручиваем головкой на 12 мм все болты, начиная с переднего фланца и первичного вала, затем крышку рычага КПП. Болты соединения корпуса коробки удобнее откручивать головкой с «карданчиком».
Головкой на 13 откручиваем болты крепления шестерни задней передачи.
Снимаем фланец первичного вала и счищаем остатки прокладки с герметиком на корпусе.
Далее необходимо снять стопорное кольцо, иначе не удастся располовинить коробку.
Снимаем верхнюю половинку корпуса.
Отворачиваем вилки. Пассатижами вынимаем шток включение передач.
Будьте осторожны, могут выпасть подшипники. Первым снимаются крайние штоки, затем центральный. На нём есть дополнительный шток фиксации.
При износе штока замене подлежит только рабочая часть. Целиком менять шток нецелесообразно.
Снимаем вилки и смотрим износ «сухариков» — если хорошие, оставляем.
Следующую операцию необходимо проводить с помощником.
Узкогубцами отжимаем стопор и держим, поднимая блок шестеренок до момента, выхода из сцепления.
Вынимаем блок шестерён и начинаем осмотр, если на шестернях обнаружены сколы их необходимо заменить.
При разборе «коробки» рекомендуем заменить сальники первичного вала и сальники хвостовика.
Снимаем первичный вал. Внутри вала находится 14 роликов, которые крутятся на валу. Для замены подшипника необходимо снять стопорное кольцо.
Так как подшипник посажен на вал, его оттуда необходимо выбить. Все остальные передачи разбираются по аналогии. Снимается стопорное кольцо, извлекаются шестерни, проводится осмотр на сколы.
После окончанию ремонта сборка осуществляется в обратном порядке.
На информационном сайте для автолюбителей «FORAM» вы сможете найти много полезной информации, касающейся ремонта и обслуживания автомобилей.
Источник
youtube.com/embed/iQANmqUAz7Q» frameborder=»0″ allowfullscreen=»allowfullscreen»>На информационном сайте для автолюбителей «FORAM» вы сможете найти много полезной информации, касающейся ремонта и обслуживания автомобилей.
Источник
Как произвести ремонт КПП Газели. Газель коробка схема
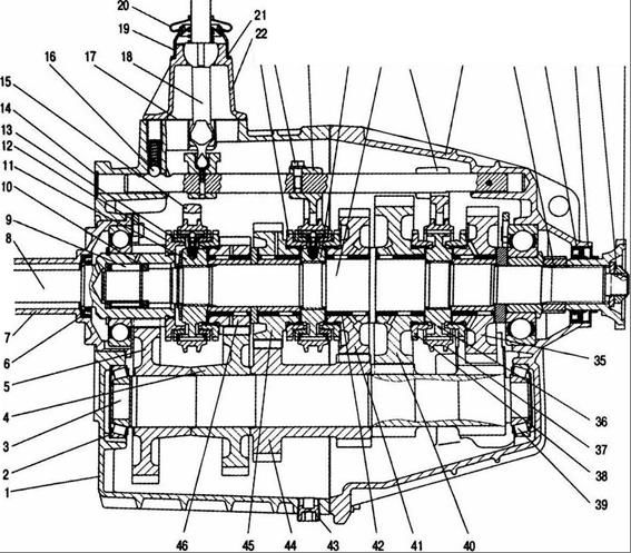
На автомобилях Газель и Соболь устанавливается механическая, пятиступенчатая коробка передач с трехвальной схемой и пятой повышающей передачей. Коробка передач на Газель ГАЗ-3302 и ГАЗ-2705, и автомобилях Соболь одинаковая. По большинству деталей унифицирована с коробкой передач, устанавливаемой на автомобилях ГАЗ-3110 Волга. Отличия коробки передач автомобилей Газель и Соболь заключаются в больших передаточных числах на всех передачах, кроме четвертой. А также в более высоком корпусе рычага переключения и удлиненном нижнем конце рычага.
Пятиступенчатая коробка передач на Газель ГАЗ-3302 и ГАЗ-2705, и Соболь, устройство, принцип работы, особенности конструкции.
Картер коробки передач на Газель ГАЗ-3302 и ГАЗ-2705, и автомобилях Соболь изготовлен из алюминиевого сплава. Состоит из двух частей — переднего и заднего картеров. Для обеспечения соосности опор валов и отверстий под штоки механизмов переключения картеры центруются установочными втулками, запрессованными в передний картер. Передний и задний картеры соединены между собой десятью болтами. Для обеспечения герметичности между картерами установлена паронитовая прокладка толщиной 0,33 мм.
Шестерня первичного вала, а также шестерни I, II, III, V передач и передачи заднего хода находятся в постоянном зацеплении с блоком шестерен. Эти шестерни косозубые. Вращаются на игольчатых подшипниках с пластмассовыми сепараторами. Промежуточная шестерня заднего хода вращается на насыпных роликах диаметром 3 мм на оси. Их опоры крепятся в обоих картерах болтами.
Устройство и детали пятиступенчатой коробки передач на Газель ГАЗ-3302 и ГАЗ-2705, и автомобилях Соболь.
Похожие статьи:
- Блоки предохранителей и реле на Шевроле Нива ВАЗ-2123, номиналы предохранителей, защищаемые цепи, схема соединений монтажного блока предохранителей и реле.
- Схемы электрооборудования Chevrolet Niva ВАЗ-2123, разъемы и соединительные колодки, жгуты проводов, схема системы управления двигателем.
- Пикап Great Wall Pao, экстерьер и интерьер, особенности конструкции, комплектация, характеристики, обзор.
- Land Rover Discovery Sport 2019 года, экстерьер и интерьер, особенности конструкции, комплектация, характеристики, обзор.
- SsangYong Korando четвертого поколения, экстерьер и интерьер, особенности конструкции, комплектация, характеристики, обзор.
- Новый Land Rover Defender 2019, особенности конструкции, трансмиссии и подвески, двигатели, оснащение и оборудование салона.
Другие внедорожники Источник
Коробка передач газели: устройство, схема КПП
- Особенности КПП «ГАЗель»: устройство и ремонт
- Как произвести ремонт КПП Газели.
Газель коробка схема - Похожие статьи:
Коробка передач используется в основном в двигателях внутреннего сгорания. А вот в паровых и электрических двигателях в ней нет необходимости, так как они имеют высокую приспособляемость.
Детали коробки передач
Пути потоков мощности на передачах
Пятиступенчатая коробка передач (продольный разрез)
Механизм переключения передач
Коробка передач (схема)
Картеры передний и задний, валы в сборе, механизм переключения, выключатель света
Коробка передач пятиступенчатая
Коробка передач в разборе
Детали коробки передач
Ведущий вал, шестерня ведущего вала, фиксатор, штифт, рычаг переключения
Коробка передач с рукоятью
Коробка передач синего цвета
Ось коробки передач
Проверка коробки передач руками
Чертёж коробки передач
Коробка передач в разобранном виде
Задняя крышка картера коробки передач, ведущая шестерня 5 передачи, подшипник
Детали коробки передач с обозначениями
Редуктор моста, картер, шестерня передачи, дифференциал
Валы коробки передач
Ваша оценка очень важна:
youtube.com/embed/oaIok9MX71w»>Особенности КПП «ГАЗель»: устройство и ремонт
Коробка переключения передач – это составляющая трансмиссии. Она изменяет передаточное число и крутящий момент, передаваемый от двигателя на приводные колеса автомобиля. Коробка переключения передач имеет весьма внушительный ресурс работы и способна безотказно функционировать в течение всего срока эксплуатации автомобиля. Но для этого необходимо своевременное и качественное обслуживание КПП.
Сегодня мы будем разбирать коробку передач автомобиля Газель. Сольем масло. Для этого понадобится шестигранник на 12 мм. Если на пробке обнаружена стружка – значит, в коробке передач есть износ.
Производитель рекомендует заливать 1,2 л. масла в коробку передач, но мы рекомендуем лить минимум 1,5 л., для избежания «масляного голодания» на пятой передаче, во время перегруза.
Разбираем коробку передач. Для удобства зажмем её в тисках хвостовиком вниз, под углом.
Откручиваем головкой на 12 мм все болты, начиная с переднего фланца и первичного вала, затем крышку рычага КПП. Болты соединения корпуса коробки удобнее откручивать головкой с «карданчиком».
Головкой на 13 откручиваем болты крепления шестерни задней передачи.
Снимаем фланец первичного вала и счищаем остатки прокладки с герметиком на корпусе.
Далее необходимо снять стопорное кольцо, иначе не удастся располовинить коробку.
Снимаем верхнюю половинку корпуса.
Отворачиваем вилки. Пассатижами вынимаем шток включение передач.
Будьте осторожны, могут выпасть подшипники. Первым снимаются крайние штоки, затем центральный. На нём есть дополнительный шток фиксации.
При износе штока замене подлежит только рабочая часть. Целиком менять шток нецелесообразно.
Снимаем вилки и смотрим износ «сухариков» — если хорошие, оставляем.
Следующую операцию необходимо проводить с помощником.
Узкогубцами отжимаем стопор и держим, поднимая блок шестеренок до момента, выхода из сцепления.
Вынимаем блок шестерён и начинаем осмотр, если на шестернях обнаружены сколы их необходимо заменить.
При разборе «коробки» рекомендуем заменить сальники первичного вала и сальники хвостовика.
Снимаем первичный вал. Внутри вала находится 14 роликов, которые крутятся на валу. Для замены подшипника необходимо снять стопорное кольцо.
Так как подшипник посажен на вал, его оттуда необходимо выбить. Все остальные передачи разбираются по аналогии. Снимается стопорное кольцо, извлекаются шестерни, проводится осмотр на сколы.
После окончанию ремонта сборка осуществляется в обратном порядке.
youtube.com/embed/d90yp3UQQkI»>На информационном сайте для автолюбителей «FORAM» вы сможете найти много полезной информации, касающейся ремонта и обслуживания автомобилей.
Как произвести ремонт КПП Газели. Газель коробка схема
На автомобилях Газель и Соболь устанавливается механическая, пятиступенчатая коробка передач с трехвальной схемой и пятой повышающей передачей. Коробка передач на Газель ГАЗ-3302 и ГАЗ-2705, и автомобилях Соболь одинаковая. По большинству деталей унифицирована с коробкой передач, устанавливаемой на автомобилях ГАЗ-3110 Волга. Отличия коробки передач автомобилей Газель и Соболь заключаются в больших передаточных числах на всех передачах, кроме четвертой. А также в более высоком корпусе рычага переключения и удлиненном нижнем конце рычага.
Пятиступенчатая коробка передач на Газель ГАЗ-3302 и ГАЗ-2705, и Соболь, устройство, принцип работы, особенности конструкции.
Картер коробки передач на Газель ГАЗ-3302 и ГАЗ-2705, и автомобилях Соболь изготовлен из алюминиевого сплава. Состоит из двух частей — переднего и заднего картеров. Для обеспечения соосности опор валов и отверстий под штоки механизмов переключения картеры центруются установочными втулками, запрессованными в передний картер.
Передний и задний картеры соединены между собой десятью болтами. Для обеспечения герметичности между картерами установлена паронитовая прокладка толщиной 0,33 мм.
Шестерня первичного вала, а также шестерни I, II, III, V передач и передачи заднего хода находятся в постоянном зацеплении с блоком шестерен. Эти шестерни косозубые. Вращаются на игольчатых подшипниках с пластмассовыми сепараторами. Промежуточная шестерня заднего хода вращается на насыпных роликах диаметром 3 мм на оси. Их опоры крепятся в обоих картерах болтами.
Устройство и детали пятиступенчатой коробки передач на Газель ГАЗ-3302 и ГАЗ-2705, и автомобилях Соболь.
Передачи переднего и заднего хода снабжены инерционными синхронизаторами. Их зубчатые венцы соединены с шестернями с помощью мелких шлицев. Синхронизаторы III, IV и V передач и передачи заднего хода имеют зубчатые венцы выполненные за одно целое с конусами.
Необходимое для безударного переключения передач уравнивание оборотов включаемой шестерни до оборотов вторичного вала достигается с помощью тормозного момента.
Возникающего за счет сил трения на наружной поверхности конуса зубчатого венца шестерни и внутренней конусной поверхности наружного (блокирующего) кольца синхронизатора, соединенного через ступицу с вторичным валом.
До 1 июня 2003 года синхронизатор I и II передач пятиступенчатой коробки передач на Газель ГАЗ-3302 и ГАЗ-2705 имел аналогичную унифицированную конструкцию. С этой даты и по настоящее время для повышения четкости включения передач устанавливают двухконусный синхронизатор двойного действия.
Двухконусный синхронизатор имеет увеличенный тормозной момент за счет дополнительной поверхности трения. Образуемой наружной конической поверхностью связанного со ступицей внутреннего кольца и внутренней конической поверхностью на среднем кольце синхронизатора, соединенного тремя выступами (выступы входят в отверстия на зубчатом венце) с включаемой шестерней.
Синхронизатор двойного действия I и II передач пятиступенчатой коробки передач на Газель ГАЗ-3302 и ГАЗ-2705.
Осевые перемещения деталей вторичного вала ограничены стопорными кольцами, упорным кольцом, двумя упорными полукольцами, удерживаемыми стопорным кольцом, и буртиком вторичного вала.
Шариковый подшипник первичного вала зафиксирован стопорными кольцами на валу и в картере. Задний подшипник вторичного вала также зафиксирован стопорным кольцом.
Блок шестерен вращается на шариковых подшипниках, установленных в посадочных местах передних и задних частей картеров. Осевой зазор блока шестерен регулируют при сборке подбором толщины пакета регулировочных колец. Устанавливаемых в посадочное место переднего картера. Венцы блока шестерен установлены на промежуточный вал с натягом.
Блокировочное устройство механизма переключения передач пятиступенчатой коробки передач на Газель ГАЗ-3302 и ГАЗ-2705 состоит из двух стопорных плунжеров и стопорного пальца. Для исключения случайного включения передачи заднего хода предусмотрена блокировочная втулка с пружиной.
Продольный разрез и пути потоков мощностей на передачах пятиступенчатой коробки передач на Газель ГАЗ-3302 и ГАЗ-2705, и автомобилях Соболь.
Штоки переключения передач фиксируются шариками, нагруженными пружинами.
Рычаг переключения передач пятиступенчатой коробки передач на Газель ГАЗ-3302 и ГАЗ-2705 снабжен демпфирующим устройством. Устраняющим его вибрацию при большой частоте вращения коленчатого вала. Герметичность коробки передач обеспечивается тремя сальниками. Один из которых установлен на первичном валу в крышке подшипника первичного вала. Два других — в удлинителе заднего картера.
Задний шлицевой конец вторичного вала входит в зацепление со скользящей вилкой карданной передачи. Хвостовик вилки входит в сталебаббитовую втулку удлинителя заднего картера коробки передач. Перемещаясь в этой втулке и по шлицам вторичного вала, он компенсирует осевое перемещение карданной передачи при работе задней подвески. На вторичном валу установлена ведущая винтовая шестерня привода спидометра.
Смазка пятиступенчатой коробки передач на Газель ГАЗ-3302 и ГАЗ-2705 осуществляется трансмиссионным маслом, заливаемым в картер в объеме 1,2 литра. Для заливки и слива масла служат заливные и сливная пробки с конической самоуплотняющейся резьбой.
Сливная пробка имеет магнит для улавливания мелких металлических частиц. Заливные пробки расположены на боковых стенках картера с обеих сторон.
- Особенности КПП «ГАЗель»: устройство и ремонт
- Как произвести ремонт КПП Газели. Газель коробка схема
- Похожие статьи:
Коробка передач используется в основном в двигателях внутреннего сгорания. А вот в паровых и электрических двигателях в ней нет необходимости, так как они имеют высокую приспособляемость.
Детали коробки передач
Пути потоков мощности на передачах
Пятиступенчатая коробка передач (продольный разрез)
Механизм переключения передач
Коробка передач (схема)
Картеры передний и задний, валы в сборе, механизм переключения, выключатель света
Коробка передач пятиступенчатая
Коробка передач в разборе
Детали коробки передач
Ведущий вал, шестерня ведущего вала, фиксатор, штифт, рычаг переключения
Коробка передач с рукоятью
Коробка передач синего цвета
Ось коробки передач
Проверка коробки передач руками
Чертёж коробки передач
Коробка передач в разобранном виде
Задняя крышка картера коробки передач, ведущая шестерня 5 передачи, подшипник
Детали коробки передач с обозначениями
Редуктор моста, картер, шестерня передачи, дифференциал
Валы коробки передач
Ваша оценка очень важна:
youtube.com/embed/oaIok9MX71w»>Особенности КПП «ГАЗель»: устройство и ремонт
Коробка переключения передач – это составляющая трансмиссии. Она изменяет передаточное число и крутящий момент, передаваемый от двигателя на приводные колеса автомобиля. Коробка переключения передач имеет весьма внушительный ресурс работы и способна безотказно функционировать в течение всего срока эксплуатации автомобиля. Но для этого необходимо своевременное и качественное обслуживание КПП.
Сегодня мы будем разбирать коробку передач автомобиля Газель. Сольем масло. Для этого понадобится шестигранник на 12 мм. Если на пробке обнаружена стружка – значит, в коробке передач есть износ.
Производитель рекомендует заливать 1,2 л. масла в коробку передач, но мы рекомендуем лить минимум 1,5 л., для избежания «масляного голодания» на пятой передаче, во время перегруза.
Разбираем коробку передач. Для удобства зажмем её в тисках хвостовиком вниз, под углом.
Откручиваем головкой на 12 мм все болты, начиная с переднего фланца и первичного вала, затем крышку рычага КПП. Болты соединения корпуса коробки удобнее откручивать головкой с «карданчиком».
Головкой на 13 откручиваем болты крепления шестерни задней передачи.
Снимаем фланец первичного вала и счищаем остатки прокладки с герметиком на корпусе.
Далее необходимо снять стопорное кольцо, иначе не удастся располовинить коробку.
Снимаем верхнюю половинку корпуса.
Отворачиваем вилки. Пассатижами вынимаем шток включение передач.
Будьте осторожны, могут выпасть подшипники. Первым снимаются крайние штоки, затем центральный. На нём есть дополнительный шток фиксации.
При износе штока замене подлежит только рабочая часть. Целиком менять шток нецелесообразно.
Снимаем вилки и смотрим износ «сухариков» — если хорошие, оставляем.
Следующую операцию необходимо проводить с помощником.
Узкогубцами отжимаем стопор и держим, поднимая блок шестеренок до момента, выхода из сцепления.
Вынимаем блок шестерён и начинаем осмотр, если на шестернях обнаружены сколы их необходимо заменить.
При разборе «коробки» рекомендуем заменить сальники первичного вала и сальники хвостовика.
Снимаем первичный вал. Внутри вала находится 14 роликов, которые крутятся на валу. Для замены подшипника необходимо снять стопорное кольцо.
Так как подшипник посажен на вал, его оттуда необходимо выбить. Все остальные передачи разбираются по аналогии. Снимается стопорное кольцо, извлекаются шестерни, проводится осмотр на сколы.
После окончанию ремонта сборка осуществляется в обратном порядке.
youtube.com/embed/d90yp3UQQkI»>На информационном сайте для автолюбителей «FORAM» вы сможете найти много полезной информации, касающейся ремонта и обслуживания автомобилей.
Как произвести ремонт КПП Газели. Газель коробка схема
На автомобилях Газель и Соболь устанавливается механическая, пятиступенчатая коробка передач с трехвальной схемой и пятой повышающей передачей. Коробка передач на Газель ГАЗ-3302 и ГАЗ-2705, и автомобилях Соболь одинаковая. По большинству деталей унифицирована с коробкой передач, устанавливаемой на автомобилях ГАЗ-3110 Волга. Отличия коробки передач автомобилей Газель и Соболь заключаются в больших передаточных числах на всех передачах, кроме четвертой. А также в более высоком корпусе рычага переключения и удлиненном нижнем конце рычага.
Пятиступенчатая коробка передач на Газель ГАЗ-3302 и ГАЗ-2705, и Соболь, устройство, принцип работы, особенности конструкции.
Картер коробки передач на Газель ГАЗ-3302 и ГАЗ-2705, и автомобилях Соболь изготовлен из алюминиевого сплава. Состоит из двух частей — переднего и заднего картеров. Для обеспечения соосности опор валов и отверстий под штоки механизмов переключения картеры центруются установочными втулками, запрессованными в передний картер.
Передний и задний картеры соединены между собой десятью болтами. Для обеспечения герметичности между картерами установлена паронитовая прокладка толщиной 0,33 мм.
Шестерня первичного вала, а также шестерни I, II, III, V передач и передачи заднего хода находятся в постоянном зацеплении с блоком шестерен. Эти шестерни косозубые. Вращаются на игольчатых подшипниках с пластмассовыми сепараторами. Промежуточная шестерня заднего хода вращается на насыпных роликах диаметром 3 мм на оси. Их опоры крепятся в обоих картерах болтами.
Устройство и детали пятиступенчатой коробки передач на Газель ГАЗ-3302 и ГАЗ-2705, и автомобилях Соболь.
Передачи переднего и заднего хода снабжены инерционными синхронизаторами. Их зубчатые венцы соединены с шестернями с помощью мелких шлицев. Синхронизаторы III, IV и V передач и передачи заднего хода имеют зубчатые венцы выполненные за одно целое с конусами.
Необходимое для безударного переключения передач уравнивание оборотов включаемой шестерни до оборотов вторичного вала достигается с помощью тормозного момента.
Возникающего за счет сил трения на наружной поверхности конуса зубчатого венца шестерни и внутренней конусной поверхности наружного (блокирующего) кольца синхронизатора, соединенного через ступицу с вторичным валом.
До 1 июня 2003 года синхронизатор I и II передач пятиступенчатой коробки передач на Газель ГАЗ-3302 и ГАЗ-2705 имел аналогичную унифицированную конструкцию. С этой даты и по настоящее время для повышения четкости включения передач устанавливают двухконусный синхронизатор двойного действия.
Двухконусный синхронизатор имеет увеличенный тормозной момент за счет дополнительной поверхности трения. Образуемой наружной конической поверхностью связанного со ступицей внутреннего кольца и внутренней конической поверхностью на среднем кольце синхронизатора, соединенного тремя выступами (выступы входят в отверстия на зубчатом венце) с включаемой шестерней.
Синхронизатор двойного действия I и II передач пятиступенчатой коробки передач на Газель ГАЗ-3302 и ГАЗ-2705.
Осевые перемещения деталей вторичного вала ограничены стопорными кольцами, упорным кольцом, двумя упорными полукольцами, удерживаемыми стопорным кольцом, и буртиком вторичного вала.
Шариковый подшипник первичного вала зафиксирован стопорными кольцами на валу и в картере. Задний подшипник вторичного вала также зафиксирован стопорным кольцом.
Блок шестерен вращается на шариковых подшипниках, установленных в посадочных местах передних и задних частей картеров. Осевой зазор блока шестерен регулируют при сборке подбором толщины пакета регулировочных колец. Устанавливаемых в посадочное место переднего картера. Венцы блока шестерен установлены на промежуточный вал с натягом.
Блокировочное устройство механизма переключения передач пятиступенчатой коробки передач на Газель ГАЗ-3302 и ГАЗ-2705 состоит из двух стопорных плунжеров и стопорного пальца. Для исключения случайного включения передачи заднего хода предусмотрена блокировочная втулка с пружиной.
Продольный разрез и пути потоков мощностей на передачах пятиступенчатой коробки передач на Газель ГАЗ-3302 и ГАЗ-2705, и автомобилях Соболь.
Штоки переключения передач фиксируются шариками, нагруженными пружинами.
Рычаг переключения передач пятиступенчатой коробки передач на Газель ГАЗ-3302 и ГАЗ-2705 снабжен демпфирующим устройством. Устраняющим его вибрацию при большой частоте вращения коленчатого вала. Герметичность коробки передач обеспечивается тремя сальниками. Один из которых установлен на первичном валу в крышке подшипника первичного вала. Два других — в удлинителе заднего картера.
Задний шлицевой конец вторичного вала входит в зацепление со скользящей вилкой карданной передачи. Хвостовик вилки входит в сталебаббитовую втулку удлинителя заднего картера коробки передач. Перемещаясь в этой втулке и по шлицам вторичного вала, он компенсирует осевое перемещение карданной передачи при работе задней подвески. На вторичном валу установлена ведущая винтовая шестерня привода спидометра.
Смазка пятиступенчатой коробки передач на Газель ГАЗ-3302 и ГАЗ-2705 осуществляется трансмиссионным маслом, заливаемым в картер в объеме 1,2 литра. Для заливки и слива масла служат заливные и сливная пробки с конической самоуплотняющейся резьбой.
Сливная пробка имеет магнит для улавливания мелких металлических частиц. Заливные пробки расположены на боковых стенках картера с обеих сторон.
На автомобилях Газель и Соболь устанавливается механическая, пятиступенчатая коробка передач с трехвальной схемой и пятой повышающей передачей. Коробка передач на Газель ГАЗ-3302 и ГАЗ-2705, и автомобилях Соболь одинаковая. По большинству деталей унифицирована с коробкой передач, устанавливаемой на автомобилях ГАЗ-3110 Волга. Отличия коробки передач автомобилей Газель и Соболь заключаются в больших передаточных числах на всех передачах, кроме четвертой. А также в более высоком корпусе рычага переключения и удлиненном нижнем конце рычага.
Пятиступенчатая коробка передач на Газель ГАЗ-3302 и ГАЗ-2705, и Соболь, устройство, принцип работы, особенности конструкции.
Картер коробки передач на Газель ГАЗ-3302 и ГАЗ-2705, и автомобилях Соболь изготовлен из алюминиевого сплава. Состоит из двух частей — переднего и заднего картеров. Для обеспечения соосности опор валов и отверстий под штоки механизмов переключения картеры центруются установочными втулками, запрессованными в передний картер.
Передний и задний картеры соединены между собой десятью болтами. Для обеспечения герметичности между картерами установлена паронитовая прокладка толщиной 0,33 мм.
Шестерня первичного вала, а также шестерни I, II, III, V передач и передачи заднего хода находятся в постоянном зацеплении с блоком шестерен. Эти шестерни косозубые. Вращаются на игольчатых подшипниках с пластмассовыми сепараторами. Промежуточная шестерня заднего хода вращается на насыпных роликах диаметром 3 мм на оси. Их опоры крепятся в обоих картерах болтами.
Устройство и детали пятиступенчатой коробки передач на Газель ГАЗ-3302 и ГАЗ-2705, и автомобилях Соболь.
Передачи переднего и заднего хода снабжены инерционными синхронизаторами. Их зубчатые венцы соединены с шестернями с помощью мелких шлицев. Синхронизаторы III, IV и V передач и передачи заднего хода имеют зубчатые венцы выполненные за одно целое с конусами.
Необходимое для безударного переключения передач уравнивание оборотов включаемой шестерни до оборотов вторичного вала достигается с помощью тормозного момента.
Возникающего за счет сил трения на наружной поверхности конуса зубчатого венца шестерни и внутренней конусной поверхности наружного (блокирующего) кольца синхронизатора, соединенного через ступицу с вторичным валом.
До 1 июня 2003 года синхронизатор I и II передач пятиступенчатой коробки передач на Газель ГАЗ-3302 и ГАЗ-2705 имел аналогичную унифицированную конструкцию. С этой даты и по настоящее время для повышения четкости включения передач устанавливают двухконусный синхронизатор двойного действия.
Двухконусный синхронизатор имеет увеличенный тормозной момент за счет дополнительной поверхности трения. Образуемой наружной конической поверхностью связанного со ступицей внутреннего кольца и внутренней конической поверхностью на среднем кольце синхронизатора, соединенного тремя выступами (выступы входят в отверстия на зубчатом венце) с включаемой шестерней.
Синхронизатор двойного действия I и II передач пятиступенчатой коробки передач на Газель ГАЗ-3302 и ГАЗ-2705.
Осевые перемещения деталей вторичного вала ограничены стопорными кольцами, упорным кольцом, двумя упорными полукольцами, удерживаемыми стопорным кольцом, и буртиком вторичного вала.
Шариковый подшипник первичного вала зафиксирован стопорными кольцами на валу и в картере. Задний подшипник вторичного вала также зафиксирован стопорным кольцом.
Блок шестерен вращается на шариковых подшипниках, установленных в посадочных местах передних и задних частей картеров. Осевой зазор блока шестерен регулируют при сборке подбором толщины пакета регулировочных колец. Устанавливаемых в посадочное место переднего картера. Венцы блока шестерен установлены на промежуточный вал с натягом.
Блокировочное устройство механизма переключения передач пятиступенчатой коробки передач на Газель ГАЗ-3302 и ГАЗ-2705 состоит из двух стопорных плунжеров и стопорного пальца. Для исключения случайного включения передачи заднего хода предусмотрена блокировочная втулка с пружиной.
Продольный разрез и пути потоков мощностей на передачах пятиступенчатой коробки передач на Газель ГАЗ-3302 и ГАЗ-2705, и автомобилях Соболь.
Штоки переключения передач фиксируются шариками, нагруженными пружинами.
Рычаг переключения передач пятиступенчатой коробки передач на Газель ГАЗ-3302 и ГАЗ-2705 снабжен демпфирующим устройством. Устраняющим его вибрацию при большой частоте вращения коленчатого вала. Герметичность коробки передач обеспечивается тремя сальниками. Один из которых установлен на первичном валу в крышке подшипника первичного вала. Два других — в удлинителе заднего картера.
Задний шлицевой конец вторичного вала входит в зацепление со скользящей вилкой карданной передачи. Хвостовик вилки входит в сталебаббитовую втулку удлинителя заднего картера коробки передач. Перемещаясь в этой втулке и по шлицам вторичного вала, он компенсирует осевое перемещение карданной передачи при работе задней подвески. На вторичном валу установлена ведущая винтовая шестерня привода спидометра.
Смазка пятиступенчатой коробки передач на Газель ГАЗ-3302 и ГАЗ-2705 осуществляется трансмиссионным маслом, заливаемым в картер в объеме 1,2 литра. Для заливки и слива масла служат заливные и сливная пробки с конической самоуплотняющейся резьбой.
Сливная пробка имеет магнит для улавливания мелких металлических частиц. Заливные пробки расположены на боковых стенках картера с обеих сторон.
Источник Источник Источник Источник http://mtz-80.ru/bez-rubriki/korobka-peredach-gazeli-ustrojstvo-shema-kpp
Источник Источник Источник Источник http://mtz-80.ru/bez-rubriki/korobka-peredach-gazeli-ustrojstvo-shema-kpp
http://auto.kombat.com.ua/pyatistupenchataya-korobka-peredach-gazel-gaz-3302-gaz-2705-ustroystvo/
Пятиступенчатая коробка передач на Газель ГАЗ-3302 и ГАЗ-2705
На автомобилях Газель и Соболь устанавливается механическая, пятиступенчатая коробка передач с трехвальной схемой и пятой повышающей передачей. Коробка передач на Газель ГАЗ-3302 и ГАЗ-2705, и автомобилях Соболь одинаковая. По большинству деталей унифицирована с коробкой передач, устанавливаемой на автомобилях ГАЗ-3110 Волга. Отличия коробки передач автомобилей Газель и Соболь заключаются в больших передаточных числах на всех передачах, кроме четвертой.
А также в более высоком корпусе рычага переключения и удлиненном нижнем конце рычага.
Пятиступенчатая коробка передач на Газель ГАЗ-3302 и ГАЗ-2705, и Соболь, устройство, принцип работы, особенности конструкции.
Картер коробки передач на Газель ГАЗ-3302 и ГАЗ-2705, и автомобилях Соболь изготовлен из алюминиевого сплава. Состоит из двух частей — переднего и заднего картеров. Для обеспечения соосности опор валов и отверстий под штоки механизмов переключения картеры центруются установочными втулками, запрессованными в передний картер. Передний и задний картеры соединены между собой десятью болтами. Для обеспечения герметичности между картерами установлена паронитовая прокладка толщиной 0,33 мм.
Шестерня первичного вала, а также шестерни I, II, III, V передач и передачи заднего хода находятся в постоянном зацеплении с блоком шестерен. Эти шестерни косозубые. Вращаются на игольчатых подшипниках с пластмассовыми сепараторами. Промежуточная шестерня заднего хода вращается на насыпных роликах диаметром 3 мм на оси.
Их опоры крепятся в обоих картерах болтами.
Устройство и детали пятиступенчатой коробки передач на Газель ГАЗ-3302 и ГАЗ-2705, и автомобилях Соболь.
Передачи переднего и заднего хода снабжены инерционными синхронизаторами. Их зубчатые венцы соединены с шестернями с помощью мелких шлицев. Синхронизаторы III, IV и V передач и передачи заднего хода имеют зубчатые венцы выполненные за одно целое с конусами.
Необходимое для безударного переключения передач уравнивание оборотов включаемой шестерни до оборотов вторичного вала достигается с помощью тормозного момента. Возникающего за счет сил трения на наружной поверхности конуса зубчатого венца шестерни и внутренней конусной поверхности наружного (блокирующего) кольца синхронизатора, соединенного через ступицу с вторичным валом.
До 1 июня 2003 года синхронизатор I и II передач пятиступенчатой коробки передач на Газель ГАЗ-3302 и ГАЗ-2705 имел аналогичную унифицированную конструкцию. С этой даты и по настоящее время для повышения четкости включения передач устанавливают двухконусный синхронизатор двойного действия.
Двухконусный синхронизатор имеет увеличенный тормозной момент за счет дополнительной поверхности трения. Образуемой наружной конической поверхностью связанного со ступицей внутреннего кольца и внутренней конической поверхностью на среднем кольце синхронизатора, соединенного тремя выступами (выступы входят в отверстия на зубчатом венце) с включаемой шестерней.
Синхронизатор двойного действия I и II передач пятиступенчатой коробки передач на Газель ГАЗ-3302 и ГАЗ-2705.
Осевые перемещения деталей вторичного вала ограничены стопорными кольцами, упорным кольцом, двумя упорными полукольцами, удерживаемыми стопорным кольцом, и буртиком вторичного вала. Шариковый подшипник первичного вала зафиксирован стопорными кольцами на валу и в картере. Задний подшипник вторичного вала также зафиксирован стопорным кольцом.
Блок шестерен вращается на шариковых подшипниках, установленных в посадочных местах передних и задних частей картеров. Осевой зазор блока шестерен регулируют при сборке подбором толщины пакета регулировочных колец.
Устанавливаемых в посадочное место переднего картера. Венцы блока шестерен установлены на промежуточный вал с натягом.
Блокировочное устройство механизма переключения передач пятиступенчатой коробки передач на Газель ГАЗ-3302 и ГАЗ-2705 состоит из двух стопорных плунжеров и стопорного пальца. Для исключения случайного включения передачи заднего хода предусмотрена блокировочная втулка с пружиной.
Продольный разрез и пути потоков мощностей на передачах пятиступенчатой коробки передач на Газель ГАЗ-3302 и ГАЗ-2705, и автомобилях Соболь.
Штоки переключения передач фиксируются шариками, нагруженными пружинами. Рычаг переключения передач пятиступенчатой коробки передач на Газель ГАЗ-3302 и ГАЗ-2705 снабжен демпфирующим устройством. Устраняющим его вибрацию при большой частоте вращения коленчатого вала. Герметичность коробки передач обеспечивается тремя сальниками. Один из которых установлен на первичном валу в крышке подшипника первичного вала. Два других — в удлинителе заднего картера.
Задний шлицевой конец вторичного вала входит в зацепление со скользящей вилкой карданной передачи. Хвостовик вилки входит в сталебаббитовую втулку удлинителя заднего картера коробки передач. Перемещаясь в этой втулке и по шлицам вторичного вала, он компенсирует осевое перемещение карданной передачи при работе задней подвески. На вторичном валу установлена ведущая винтовая шестерня привода спидометра.
Смазка пятиступенчатой коробки передач на Газель ГАЗ-3302 и ГАЗ-2705 осуществляется трансмиссионным маслом, заливаемым в картер в объеме 1,2 литра. Для заливки и слива масла служат заливные и сливная пробки с конической самоуплотняющейся резьбой. Сливная пробка имеет магнит для улавливания мелких металлических частиц. Заливные пробки расположены на боковых стенках картера с обеих сторон.
Как разобрать и собрать КПП автомобиля Газель
Работать удобнее вдвоем
Снимаем коробку передач. Смотрим статью – «Как снять и поставить коробку передач автомобиля Газель».
Заворачиваем на место заливную и сливную пробки.
Снимаем опору силового агрегата.
Снимаем выключатель света заднего хода.
Снимаем привод спидометра.
Снимаем муфту с подшипником и поролоновые кольца передней крышки.
Ключом «на 12» отворачиваем три болта крепления крышки подшипника (болты установлены на герметике).
Снимаем крышку с прокладкой.
При последующей ее установке обратите внимание на совпадение масляного дренажного канала в крышке и отверстия в картере.
Поддев отверткой, вынимаем из крышки манжету первичного вала (при разборке коробки передач заменяем все манжеты независимо от их состояния).
Оправкой или подходящей по диаметру головкой запрессовываем новую манжету.
Ключом «на 13» отворачиваем и вынимаем болт крепления втулки оси шестерни заднего хода к переднему картеру
Тонкой отверткой поддеваем и снимаем стопорное кольцо подшипника первичного вала
Ключом «на 12» отворачиваем и снимаем сапун.
Ключом «на 12» отворачиваем десять болтов, соединяющих передний и задний картеры (два болта, проходящие через установочные втулки, длиннее остальных).
Осторожно постукивая молотком через латунную оправку, расстыковываем передний и задний картеры.
При этом нельзя наносить удары по торцу первичного вала, так как будут повреждены синхронизаторы.
Разъединяем картеры коробки передач
Осторожно, стараясь не повредить, снимаем уплотнительную прокладку
Вынимаем из расточки под подшипник промежуточного вала в переднем картере регулировочные прокладки (их может и не быть).
В этом случае осевой зазор в подшипниках устанавливается только межкартерной уплотнительной прокладкой.
Проворачивая первичный вал, включаем передачу заднего хода (продвигаем вперед шток V передачи и заднего хода).
Ключом «на 10» отворачиваем болты крепления трех вилок переключения передач.
Ключом «на 12» отворачиваем четыре болта крепления корпуса рычага переключения передач.
Снимаем корпус рычага с прокладкой.
Ключом «на 12» отворачиваем болты крепления пластины фиксаторов штоков.
Снимаем пластину с прокладкой.
Вынимаем три пружины и три шарика фиксаторов включения передач (их можно вынуть намагниченной отверткой или перевернув коробку).
Вынимаем шток I–II передачи (чтобы не перепутать при сборке, сразу надеваем на шток вилку и крепим ее болтом).
Вынимаем шток V передачи и передачи заднего хода, надев на него соответствующую вилку.
Вынимаем шток III–IV передач. Из штока извлекаем штифт блокиратора.
Чтобы не выпали плунжеры блокиратора, вставляем в отверстия штоков трубочки, свернутые из плотной бумаги.
Ключом «на 13» отворачиваем болт крепления оси шестерни заднего хода к заднему картеру.
Щипцами раздвигаем усики стопорного кольца заднего подшипника вторичного вала и, постукивая медным молотком по заднему торцу вторичного вала,…
…вынимаем комплект валов вместе с осью и шестерней заднего хода
Разъединяем первичный и вторичные валы.
Снимаем синхронизатор IV передачи и вынимаем 14 роликов передней опоры вторичного вала.
Шестерни, синхронизаторы и другие детали, расположенные на первичном и вторичном валах, похожи друг на друга, поэтому для облегчения последующей сборки следует аккуратно раскладывать их в порядке снятия.
Двумя тонкими отвертками или специальными щипцами разжимаем и снимаем с первичного вала стопорное и пружинное кольца.
Бородком (двумя монтажными лопатками или специальным съемником) спрессовываем подшипник первичного вала
Аналогично снимаем оба подшипника промежуточного вала
Установив вторичный вал вертикально в тисках через мягкие прокладки снимаем стопорное и пружинное кольца ступицы муфты включения III–IV передач
Снимаем муфту в сборе с сухарями и пружинами синхронизатора.
Этот комплект лучше не разбирать, но если такая необходимость возникла, пометьте взаимное положение деталей.
Муфты включения передач не симметричны, поэтому они устанавливаются только в одном положении.
Снимаем кольцо синхронизатора и шестерню III передачи вместе с пластмассовым сепаратором и роликами
Отверткой поддеваем и снимаем стопорное кольцо и два упорных полукольца.
Намагниченной отверткой вынимаем стопорный шарик полуколец.
Снимаем шестерню II передачи с подшипником.
Снимаем кольцо синхронизатора II передачи.
Снимаем стопорное кольцо.
Снимаем муфту включения I–II передач
…и кольцо синхронизатора I передачи
Снимаем шестерню I передачи с подшипником.
Дальнейшую разборку вторичного вала проводим с другого конца.
Поддев тонкой отверткой, снимаем стопорное и пружинное кольца
Снимаем ведущую шестерню привода спидометра и вынимаем ее стопорный шарик.
Двумя монтажными лопатками или специальным съемником снимаем задний подшипник вторичного вала
Снимаем упорную шайбу.
Вынимаем плоскогубцами штифт.
Снимаем шестерню V передачи с подшипником и синхронизатором
Снимаем дистанционное кольцо.
Специальными щипцами и отвертками снимаем пружинное кольцо и затем муфту включения V передачи и заднего хода
Снимаем кольцо синхронизатора.
Снимаем шестерню передачи заднего хода с подшипником
Извлекаем из удлинителя заднего картера две манжеты (информация на первой странице)
Перед сборкой проверьте состояние деталей коробки передач.
На деталях картера не допускается наличие трещин любой формы и длины.
Гнезда подшипников, отверстия под штоки переключения передач и сталебаббитовая втулка удлинителя заднего картера должны быть гладкими, без забоин, следов задиров и заметного износа.
Подшипники должны входить в гнезда плотно, от усилия руки или при легком постукивании через проставку.
Прокладки картера должны быть целыми, без разрывов, расслоений и надломов.
Валы, оси и штоки проверяем на отсутствие трещин, заметных следов изнашивания, задиров и наволакивания металла.
Это относится и к шлицевым частям валов, ответные детали должны двигаться на валах легко, без ощутимых люфтов и заеданий.
Незначительные следы задиров, а также возможной коррозии (на шлицах) устраните бархатным напильником, очень мелкой шкуркой, а шейки валов отполируйте тонкой пастой ГОИ или алмазной пастой.
На зубьях шестерен и муфт синхронизаторов не допускаются сколы, следы заедания и выкрашивания, на конусах синхронизаторов также не должно быть следов заедания, сильного износа и наволакивания бронзы на сталь.
Шариковые и роликовые подшипники должны быть в безукоризненном состоянии.
Их вращение должно быть легким, без заеданий, щелчков, люфта и вибраций.
На дорожках качения, шариках и роликах (иглах) не допускаются усталостное выкрашивание (питтинг), заметный износ и сколы.
Сепараторы шарикоподшипников не должны касаться колец, иметь трещины и разрывы.
Вообще, после пробега около 100 тыс. км шариковые подшипники лучше заменить, независимо от их состояния.
Манжеты скользящей вилки карданного вала и манжету первичного вала также заменяем независимо от их состояния.
Перед сборкой тщательно промываем все детали в керосине или дизельном топливе, резьбовые отверстия картера обезжириваем ацетоном или растворителем для нитрокрасок.
Трущиеся поверхности механизма переключения передач, сталебаббитовую втулку, манжеты и шлицы вторичного вала покрываем смазкой ШРУС-4, остальные – трансмиссионным маслом.
Подшипники и их гнезда перед сборкой следует также смазать трансмиссионным маслом.
Собираем коробку в обратной последовательности.
Для обеспечения сборки бессепараторных подшипников их ролики обильно покрываем любой пластичной смазкой.
При сборке все валы устанавливаем в задний картер коробки передач одновременно. Для облегчения этой операции валы можно связать шнуром.
ВНИМАНИЕ Толщина прокладки между картерами коробки передач определяет величину осевого зазора в подшипниках промежуточного вала.
Поэтому устанавливаем ее обязательно, смазав для надежности тонким слоем герметика.
Герметиком следует смазать и все другие картонные прокладки коробки передач.
Болты, соединяющие детали картера, при сборке следует обезжирить и покрыть резьбу герметиком.
После установки агрегата на автомобиль не забудьте залить в коробку 1,2 л трансмиссионного масла (до уровня заливного отверстия).
механизм работы, ремонт и сборка
В 2013г.
Россия увидела новую Газель Некст. Разработчики этой модели сделали акцент на кабине автомобиля. Все для комфорта водителя, а также пассажиров. Но, не было учтено, что такие машины, как Газель Некст ездят на дальние расстояния. И для этого нужен не только комфорт в салоне, удобные сидения, но и порядок под капотом автомобиля. На заводе поставили 5-ти ступенчатую КПП Газель Некст. Новая механическая коробка имеет узел с деталями от разных производителей. При прохождении 40 тысяч, переключая скорость со 2 на 3 или с 4 на 5, водитель начинает слышать шум, потрескивание и другие непонятные звуки. Чтобы определить, что это за звук, нужно иметь хотя бы поверхностное представление, что это такое?
Так выглядит Газель-Next
Вернуться к оглавлению
Содержание
- 1 Механизм МКПП
- 2 Поломка
- 3 Сборка коробки переключения передач
- 4 Иные КПП на ГАЗель NEXT
- 5 АКПП на ГАЗель Next
- 6 Коммерческие КПП на Газель Next
Механизм МКПП
5-ти ступенчатая коробка переключения передач это – шестерёнчатый редуктор, который передаёт крутящий момент от двигателя к колёсам.
Новая коробка передач имеет:
- 2 кратера соединенные болтами;
- первичный, промежуточный, вторичный вал. Первый и второй механизмы соединены с карданом и коленвалом.
Внешний вид МКПП на Газель NEXT
Промежуточный вал имеет зубцы первой и задней передач, а также блок с шестерней и привод спидометра:
- синхронизаторы;
- составные части крепления скоростей;
- блокиратор единой активизации передач;
- устройство для гашения колебаний.
Смотрите в видео: Ремонт КПП на Газель Next.
В 2016 г. разработчики при усовершенствовании Газели Некст, немного изменили устройство редуктора:
- изменение ширины зубчатых венцов;
- поставили промежуточную пластину второго и промежуточного вала;
- подшипники поставили улучшенного качества для увеличенной грузоподъемности;
- фланцевый контакт карданной передачи.

- Синхронизаторы фирмы Hoerbiger.
- Ручка-джойстик.
Так выглядит редуктор Газель Next
А также конструктора усилили задний мост для грузоподъемности, при всем этом стоит китайский дизельный силовой агрегат.
Эта модернизация дала положительный результат — высокая надежность, повышенный ресурс, передача крутящего момента 330НМ.
Внешний вид силовой установки Газель Next
При первом осмотре автомобиля, специалистами даются рекомендации, как лучше сделать обкат машины, при каких оборотах следует переключение скорости. Многие автолюбители не обращают на этот факт внимания, поскольку все считают себя профессионалами. В итоге с коробкой случается проблема – она шумит, стучит, ведет себя неправильно.
Вернуться к оглавлению
Поломка
Если МКПП шумит, на то есть причины:
- подшипники исполнили свои функции до конца;
- нехватка масла.
Вторую проблему решить намного проще, чем первую.
Проверить количество масла и «подлить» его.
Советуем посмотреть: как отремонтировать МКПП на Гезали.
При первом варианте требуется замена запчастей. Это делается или в сервисном центре специалистами (если машина на гарантии, это большой плюс владельцу), или вручную (но не самому). Разобрать – собрать КПП сможет только знающий дело человек. Эта процедура требует знаний, терпения и усидчивости.
Итак, первое что нужно сделать – слить масло. После этого снять кардан. Наметить точки шарнира и удлинителя коробки, снять фиксатор. Открутить крепление кардана и убрать хвостовик (переместить его назад и вытащить). Получится ниша. Далее, в кабине снять все необходимые детали, отключить спидометр и световые элементы. После проведенных действий коробка снимается и отсоединяется.
Устройство коробки передач на Газель Next
Для того чтобы приступить к разборке редуктора, его требуется сделать чистым (тщательно отмыть).
Разборка проводится поэтапно только знающим человеком. При малейшей ошибке, редуктор может работать неправильно на Газели Next или, вообще, не показывать признаков жизни. После разбора коробки на детали, их также следует отмыть от следов масла.
Находится причина непонятного звука. Это может быть:
- изнашивание подшипника вторичного вала.
- Люфт подшипника.
- Холостой ход подшипника.
Смотрите в видео: как заменить редуктор заднего моста.
Могут возникнуть и другие проблемы с составляющими деталями. Изношенные и поломанные составляющие заменяются на новые.
Вернуться к оглавлению
Сборка коробки переключения передач
МКПП собирается в обратном порядке. Аккуратно, не спеша, сконцентрировано. При малейшей ошибке придется делать все заново.
Закрепление задней части картера коробки передач.
Эту составную лучше прикрепить саморезами к деревянному бруску. В таком положении удобнее всего вставить валы. Задняя часть будет зафиксирована. Далее, на втором деревянном бруске просверлить отверстие диаметром 18 мм. В эту нишу вставляется вторичный вал и запрессуется подшипник.
Советуем посмотреть: как отремонтировать и собрать КПП на Гезель.
Таким образом, вал невозможно деформировать. На этом же дереве сверлится еще одно отверстие размером в 16 мм. первичный вал ставится в нишу и одевается 14 роликов. Не вынимая вал с крепления соединить валы. Узел готов. Его можно устанавливать в картер. Когда все детали оказываются на своих местах можно соединять 2 половины картера и закреплять их с помощью болтов. Последним шагом является установка переключателя передач и проверка. После возврата отремонтированной коробки передач в Газель Next, надо залить масло.
МКПП на Газель Next в разрезе
Разборка и сборка шестеренчатого редуктора вполне выполнимая задача.
Требуется немного:
- знать составляющие детали узла коробки;
- запомнить «что и зачем» следует;
- соблюдать меры безопасности.
Чтобы не было проблем с работой КПП нужно следить за уровнем масла, вовремя его менять, не мешать масло разных марок, прислушиваться, как работает узел. При малейших неправильных звуках лучше провести диагностику у специалистов.
Полная схема сборки КПП на Газель Next
Вернуться к оглавлению
Иные КПП на ГАЗель NEXT
Некоторым владельцам Газели не хочется возиться с «родной» коробкой передач. Тогда начинаются поиски альтернативы. Если брать такие коробки передач, как от Ford, то с ними требуется потрудиться чтобы «подогнать» коробку по стандартам на Газель.
Механическая коробка передач фирмы Getrag производство Германия. Эта коробка произведена для машин, грузоподъемность которых 2400кг., поэтому она может свободно работать на Газели Next. Крутящий оборот 345 Нм.
для двигателя 150л/с.. Заводская коробка передач Газели выполнена из алюминия, КПП Getrag чугунная. Также она обладает некоторыми характеристиками, которые облегчают работу мотора во время разгона, а также снижает обороты двигателя на трассе.
Так выглядит КПП Getrag
В таблице представлены сравнительные данные.
передача МКП ГАЗель next МКП Getrag
1 4,05 4,89
2 2,43 2,65
3 1,39 1,52
4 1,00 1,00
5 0,85 0,73
Задний ход 3,51 4,3
Вернуться к оглавлению
АКПП на ГАЗель Next
В последнее время многие держатели автомобиля ГАЗель Next устанавливают на свой автомобиль импортные детали, так как они показывают себя с наилучшей стороны, функциональность и производительность намного лучше заводских деталей.
С установкой силового агрегата Toyota ставят также автоматическую коробку переключения передач. Очень много водителей, ругаясь на пробки в городе, мечтают о такой возможности. АКПП дает множество преимуществ.
Вид салона Газель Next коробка автомат
- Безопасное управление.
- Не требуется каждый раз работать правой рукой (переключение скоростей) и левой ногой (сцепление).
- Безопасность движения.
- Плавное и мягкое управление.
- Снижение износа двигателя.
- Хорошая проходимость авто по грунтовой дороге, а также по заснеженной или по грязи.
Несмотря на такие яркие позитивные стороны АКПП, есть недостатки:
- Увеличивается расход топлива.
- Максимальная скорость будет снижена.
- В случае аварийного движения (занос зимой) автомат-коробка не поможет.
- Масло требуется менять чаще, чем при МКПП.
- Дорогой ремонт.
- Низкая грузоподъемность.
И еще один недостаток.
По мнению автолюбителей, если груженая Газель Next едет на дальние расстояния, служба АКПП ограничится в год эксплуатации.
Вернуться к оглавлению
Коммерческие КПП на Газель Next
Плюсы:
- шумоизоляция;
- легко переключать скорости;
- грузоподъемность.
Смотрите в видео: тест-драйв Газель Next.
Минусы:
- При установлении коммерческой коробки требуется провести некоторые работы по установке. Допустим, по доработке карданного вала.
- Нет никакой гарантии (при таких ярких плюсах), что коробка не «рассыпается» при дальней поездке.
Схема сборки коробки передач газель
Работать удобнее вдвоем.
Заворачиваем на место заливную и сливную пробки.
Снимаем опору силового агрегата.
Снимаем выключатель света заднего хода.
Снимаем привод спидометра.
Снимаем муфту с подшипником и поролоновые кольца передней крышки.
Ключом «на 12» отворачиваем три болта крепления крышки подшипника (болты установлены на герметике).
Снимаем крышку с прокладкой.
При последующей ее установке обратите внимание на совпадение масляного дренажного канала в крышке и отверстия в картере.
Поддев отверткой, вынимаем из крышки манжету первичного вала (при разборке коробки передач заменяем все манжеты независимо от их состояния).
Оправкой или подходящей по диаметру головкой запрессовываем новую манжету.
Ключом «на 13» отворачиваем и вынимаем болт крепления втулки оси шестерни заднего хода к переднему картеру
Тонкой отверткой поддеваем и снимаем стопорное кольцо подшипника первичного вала
Ключом «на 12» отворачиваем и снимаем сапун.
Ключом «на 12» отворачиваем десять болтов, соединяющих передний и задний картеры (два болта, проходящие через установочные втулки, длиннее остальных).
11. Осторожно постукивая молотком через латунную оправку, расстыковываем передний и задний картеры.
При этом нельзя наносить удары по торцу первичного вала, так как будут повреждены синхронизаторы.
Разъединяем картеры коробки передач
Осторожно, стараясь не повредить, снимаем уплотнительную прокладку
Вынимаем из расточки под подшипник промежуточного вала в переднем картере регулировочные прокладки (их может и не быть).
В этом случае осевой зазор в подшипниках устанавливается только межкартерной уплотнительной прокладкой.
Разборка коробки передач
Работать удобнее вдвоем.
Снимаем коробку передач.
Заворачиваем на место заливную и сливную пробки.
Снимаем муфту с подшипником и поролоновые кольца передней крышки.
Снимаем опору силового агрегата.
Снимаем выключатель света заднего хода (см. Замена выключателя света заднего хода).
Снимаем привод спидометра (см. Замена привода спидометра).
Ключом «на 12» отворачиваем три болта крепления крышки подшипника (болты установлены на герметике).
Снимаем крышку с прокладкой.
При последующей ее установке обратите внимание на совпадение масляного дренажного канала в крышке и отверстия в картере.
Поддев отверткой, вынимаем из крышки манжету первичного вала (при разборке коробки передач заменяем все манжеты независимо от их состояния).
Оправкой или подходящей по диаметру головкой запрессовываем новую манжету.
Ключом «на 13» отворачиваем и вынимаем болт крепления втулки оси шестерни заднего хода к переднему картеру.
Тонкой отверткой поддеваем и снимаем стопорное кольцо подшипника первичного вала.
Ключом «на 12» отворачиваем и снимаем сапун.
Ключом «на 12» отворачиваем десять болтов, соединяющих передний и задний картеры (два болта, проходящие через установочные втулки, длиннее остальных).
Осторожно постукивая молотком через латунную оправку, расстыковываем передний и задний картеры.
ВНИМАНИЕ
При этом нельзя наносить удары по торцу первичного вала, так как будут повреждены синхронизаторы.
Разъединяем картеры коробки передач.
Осторожно, стараясь не повредить, снимаем уплотнительную прокладку.
Вынимаем из расточки под подшипник промежуточного вала в переднем картере регулировочные прокладки (их может и не быть). В этом случае осевой зазор в подшипниках устанавливается только межкартерной уплотнительной прокладкой.
Проворачивая первичный вал, включаем передачу заднего хода (продвигаем вперед шток V передачи и заднего хода).
Ключом «на 10» отворачиваем болты крепления трех вилок переключения передач.
Ключом «на 12» отворачиваем четыре болта крепления корпуса рычага переключения передач.
Снимаем корпус рычага с прокладкой.
Ключом «на 12» отворачиваем болты крепления пластины фиксаторов штоков.
Снимаем пластину с прокладкой.
Вынимаем три пружины и три шарика фиксаторов включения передач (их можно вынуть намагниченной отверткой или перевернув коробку).
Вынимаем шток I–II передачи (чтобы не перепутать при сборке, сразу надеваем на шток вилку и крепим ее болтом).
Вынимаем шток V передачи и передачи заднего хода, надев на него соответствующую вилку.
Вынимаем шток III–IV передач. Из штока извлекаем штифт блокиратора.
Чтобы не выпали плунжеры блокиратора, вставляем в отверстия штоков трубочки, свернутые из плотной бумаги.
Ключом «на 13» отворачиваем болт крепления оси шестерни заднего хода к заднему картеру.
Щипцами раздвигаем усики стопорного кольца заднего подшипника вторичного вала и, постукивая медным молотком по заднему торцу вторичного вала,…
…вынимаем комплект валов вместе с осью и шестерней заднего хода.
Разъединяем первичный и вторичные валы.
Снимаем синхронизатор IV передачи и вынимаем 14 роликов передней опоры вторичного вала.
Шестерни, синхронизаторы и другие детали, расположенные на первичном и вторичном валах, похожи друг на друга, поэтому для облегчения последующей сборки следует аккуратно раскладывать их в порядке снятия.
Двумя тонкими отвертками или специальными щипцами разжимаем и снимаем с первичного вала стопорное…
. и пружинное кольца.
Бородком (двумя монтажными лопатками или специальным съемником) спрессовываем подшипник первичного вала.
Аналогично снимаем оба подшипника промежуточного вала.
Установив вторичный вал вертикально в тисках через мягкие прокладки.
… и пружинное кольца ступицы муфты включения III–IV передач.
Снимаем муфту в сборе с сухарями и пружинами синхронизатора.
Этот комплект лучше не разбирать, но если такая необходимость возникла, пометьте взаимное положение деталей.
ВНИМАНИЕ
Муфты включения передач не симметричны, поэтому они устанавливаются только в одном положении.
Снимаем кольцо синхронизатора…
…и шестерню III передачи вместе с пластмассовым сепаратором и роликами.
Отверткой поддеваем и снимаем стопорное кольцо…
…и два упорных полукольца.
Намагниченной отверткой вынимаем стопорный шарик полуколец.
Снимаем шестерню II передачи с подшипником.
Снимаем кольцо синхронизатора II передачи.
Снимаем стопорное кольцо.
Снимаем муфту включения I–II передач…
…и кольцо синхронизатора I передачи.
Снимаем шестерню I передачи с подшипником.
Дальнейшую разборку вторичного вала проводим с другого конца.
Поддев тонкой отверткой, снимаем стопорное…
…и пружинное кольца.
Снимаем ведущую шестерню привода спидометра…
…и вынимаем ее стопорный шарик.
Двумя монтажными лопатками или специальным съемником снимаем задний подшипник вторичного вала.
Снимаем упорную шайбу.
Вынимаем плоскогубцами штифт.
Снимаем шестерню V передачи с подшипником…
Снимаем дистанционное кольцо.
Специальными щипцами и отвертками снимаем пружинное кольцо и затем …
…муфту включения V передачи и заднего хода.
Снимаем кольцо синхронизатора.
Снимаем шестерню передачи заднего хода с подшипником.
Извлекаем из удлинителя заднего картера две манжеты (см. Замена манжет).
Перед сборкой проверьте состояние деталей коробки передач.
На деталях картера не допускается наличие трещин любой формы и длины. Гнезда подшипников, отверстия под штоки переключения передач и сталебаббитовая втулка удлинителя заднего картера должны быть гладкими, без забоин, следов задиров и заметного износа. Подшипники должны входить в гнезда плотно, от усилия руки или при легком постукивании через проставку. Прокладки картера должны быть целыми, без разрывов, расслоений и надломов.
Валы, оси и штоки проверяем на отсутствие трещин, заметных следов изнашивания, задиров и наволакивания металла. Это относится и к шлицевым частям валов, ответные детали должны двигаться на валах легко, без ощутимых люфтов и заеданий.
Незначительные следы задиров, а также возможной коррозии (на шлицах) устраните бархатным напильником, очень мелкой шкуркой, а шейки валов отполируйте тонкой пастой ГОИ или алмазной пастой.
На зубьях шестерен и муфт синхронизаторов не допускаются сколы, следы заедания и выкрашивания, на конусах синхронизаторов также не должно быть следов заедания, сильного износа и наволакивания бронзы на сталь.
Шариковые и роликовые подшипники должны быть в безукоризненном состоянии. Их вращение должно быть легким, без заеданий, щелчков, люфта и вибраций. На дорожках качения, шариках и роликах (иглах) не допускаются усталостное выкрашивание (питтинг), заметный износ и сколы. Сепараторы шарикоподшипников не должны касаться колец, иметь трещины и разрывы. Вообще, после пробега около 100 тыс. км шариковые подшипники лучше заменить на новые, независимо от их состояния. Манжеты скользящей вилки карданного вала и манжету первичного вала также заменяем независимо от их состояния.
Перед сборкой тщательно промываем все детали в керосине или дизельном топливе, резьбовые отверстия картера обезжириваем ацетоном или растворителем для нитрокрасок.
Трущиеся поверхности механизма переключения передач, сталебаббитовую втулку, манжеты и шлицы вторичного вала покрываем смазкой ШРУС-4, остальные – трансмиссионным маслом.
Подшипники и их гнезда перед сборкой следует также смазать трансмиссионным маслом.
Собираем коробку в обратной последовательности. Для обеспечения сборки бессепараторных подшипников их ролики обильно покрываем любой пластичной смазкой.
При сборке все валы устанавливаем в задний картер коробки передач одновременно. Для облегчения этой операции валы можно связать шнуром.
ВНИМАНИЕ
Толщина прокладки между картерами коробки передач определяет величину осевого зазора в подшипниках промежуточного вала. Поэтому устанавливаем ее обязательно, смазав для надежности тонким слоем герметика. Герметиком следует смазать и все другие картонные прокладки коробки передач.
Болты, соединяющие детали картера, при сборке следует обезжирить и покрыть резьбу герметиком. После установки агрегата на автомобиль не забудьте залить в коробку 1,2 л трансмиссионного масла (до уровня заливного отверстия).
Сравнительная дешевизна вкупе с вместительностью этого автомобиля, причисляемого к коммерческому транспорту, сделали его настоящей «рабочей лошадкой». Он востребован и эксплуатируется на всей территории СНГ. Ещё одним признаком классической рабочей машины считается лёгкость в поиске запчастей. Когда нужно проводить ремонт КПП Газели, а коробка передач самая бедовая из узлов этого российского малотоннажного авто, можно без опаски перебирать всё, начиная с подшипников и заканчивая синхронизаторами. В продаже эти детали есть в любом автомагазине.
Устройство и принцип работы
Как и на любой машине, коробка передач Газели выполняет важнейшие функции трансмиссии. Она преобразует и передаёт крутящий момент к колёсам от двигателя. Поэтому от качества работы данного узла зависит многое. Например, комфорт и безопасность людей, ведь любые неисправности КПП несут риск аварий.
Малолитражный российский автомобиль оборудован механической 5-ступенчатой коробкой передач.
Несмотря на заверения производителя, что она долговечна и неприхотлива, большинство владельцев утверждают обратное. Надёжность узла хромает в первую очередь из-за постоянных избыточных нагрузок, ведь коммерческий транспорт может эксплуатироваться и 24 часа подряд.
Конструктивно «газелевская» коробка не сложная: по большинству деталей она унифицирована с КПП «ГАЗ-3110 Волга». Все коробки модификаций «Газели» идентичны, кроме МКПП «Газель-Бизнес» и Next. Здесь тоже применяется 5-скоростная трёхвальная коробка, но она отличается другими передаточными числами. Некоторые версии также могут иметь удлинённый нижний конец рычага и его более высокий кожух.
Основными элементами КПП являются:
- двойной картер;
- шестерни;
- главные валы и промежуточный;
- синхронизаторы, шарики, пружины;
- механизм переключения передач.
Картер сделан из алюминиевого сплава в целях облегчения. Он состоит из двух частей: передней и задней с удлинителем.
Они надёжно соединены 10 болтами через паронитовую 0,33 мм прокладку. Для обеспечения соосности вальных концов и штоковых отверстий механизмов переключения, центрируются специальными втулками, запрессованными в картер.
Шестерней в коробке довольно много. Первичный вал имеет свою зубчатку, а передачи коробки, включая заднюю, тоже. Конструктивно сложны косозубые звёздочки, вращающиеся на игольчатых подшипниках, защищены пластиковыми сепараторами. Промежуточная шестерня заднего хода вращается на роликовых подшипниках.
Валы снабжены и другими уникальными деталями. Например, вторичный вал ограничивается от осевых перемещений стопорными кольцами и специальными упорными полукольцами. Предусмотрен также буртик. Первичный вал оснащён ведущей зубчаткой привода спидометра. На все валы, включая промежуточный, насажены шестерни, а с концов — роликовые или шариковые подшипники и стопорные кольца/полукольца. Особое место занимают втулки, фиксационные штифты, пружинные шайбы и регулировочные 0,2 мм прокладки.
Ведущий и ведомый валы своими концами соединяются с коленвалом двигателя и картером. Промежуточный вал расположен внутри корпуса коробки.
Инерционные синхронизаторы оборудованы зубчатыми венцами, которые входят в зацеп с шестернями за счёт мелких шлицов. С 2003 года на «Газелях» 3302 и 2705 заменили синхронизатор 1 и 2 передачи. Теперь используется двухконусный вариант двойного действия. Сделано это в целях повышения чёткости включения передач. Такой синхронизатор имеет увеличенный тормозной момент.
Механизм переключения передач, помимо рычага, оснащён пружинами, седлом, уплотнителями, упорным конусом, втулками. Здесь много шайб, заглушек, установочных штифтов. Скорости переключаются посредством вилок — для пятой передачи и заднего хода она отдельная. Блокировочное устройство или предохранитель состоит из двух плунжеров и стопорного пальца. Для предотвращения случайного включения задней передачи предусмотрена отдельная втулка с пружиной.
youtube.com/embed/d90yp3UQQkI»>Наиболее частые признаки и способы устранения неисправностей
Несмотря на конструктивную простоту узла, ремонт КПП Газели своими руками подразумевает серьёзную работу. Без надлежащих знаний и навыков лучше агрегат не трогать, чтобы не сделать хуже. Для замены повреждённых деталей, коробку нужно демонтировать и разбирать.
Появился шум в коробке
Чаще всего признаком неисправности механики становится глухой гул или хруст, свидетельствующий о слабой фиксации или разрушении подшипников. Также возможен неприятный треск, указывающий на повреждение колец синхронизаторов. Нередко коробка воет, причём совершенно по-разному. Сила звука и характер зависят от скорости движения, конкретной передачи, длительности вождения.
Примечательно, что характерный шум не всегда говорит о неисправностях КПП. Тем более если недавно была проведена замена элементов коробки. В этом случае вой будет лишь признаком того, что детали ещё не притёрлись.
Зачастую хруст коробки путают с неисправностями сцепления или других связанных агрегатов. Да и любой опытный водитель «Газели» подтвердит, что пока не разберешь коробку, конкретную причину шума можно определить только с вероятностью 50 процентов. А вот грамотная переборка поможет сразу найти проблемное место. Перед этим, конечно же, надо проверить уровень масла. Если в порядке, нужно КПП разбирать. В процессе дефектовки может оказаться всё, что угодно. Например, возможно несоответствие по маркировке подшипников, отсутствие шайб или неправильный их размер.
Таким образом, шум в КПП «Газели» вызывается износом подшипников, шестерней, синхронизаторов или их разрушением, поломкой, а также низким уровнем MTF или его плохим качеством. Редко нарушается соосность коленвала и картера, но проверить биение посадочного отверстия под коробку не помешает.
Трудности при включении передач
Если переключать скорости стало трудно, это указывает на одну из проблем:
- износились синхронизаторы или шестерни определённой передачи;
- повреждён рычаг или другие механизмы переключения — чаще вилки;
- проблема со сцеплением — полностью не включается, ослаб приводной трос педали, повреждён ведомый диск.

Нередко плохое включение передач связано с конструктивными недостатками синхронизаторов. Когда ведомый диск сцепления прижимается к маховику или корзине, подшипник в коленвале создаёт сопротивление. Этого достаточно, чтобы блокировалось включение скоростей.
Бывает и так, что трудно переключать скорость на прогретом моторе, а на холодную всё идёт, как по маслу. Дело здесь в том, что вначале между упорным кольцом синхронизатора и шестернёй слой смазки густой. После повышения температуры масло разжижается, кольцо с шестернёй притираются почти насухо, муфта упирается в зубчики кольца. Поможет либо качественное сцепление — типа HOLA, либо другой состав MTF.
Не включаются скорости
В этом случае надо срочно проверить уровень жидкости в бачке сцепления. Возможно, что произошла утечка через повреждённый ГЦС или РЦС. Не исключено, что в систему попал воздух, тогда можно обойтись малой кровью, выгнав его через штуцер.
Если жидкость в порядке, то проблема уже с коробкой, точнее, с механизмом переключения.
Чаще происходит поломка вилки — её гнёт или пробивает штоком, и тогда бывает невозможно включить определённую передачу. Не редкость — стачивание прилива-ограничителя на синхронизаторе.
Коробка выключается (вылетает передача)
Если вылетают скорости, то виной может стать вилка, сцепление или изношенные шестерни передачи. Бывает, что лопается пружина, которая прижимает фиксационный шарик. Также возможно засыхание шлицов первичного вала. Причина может быть в бронзовых сухарях на вилке третьей и четвёртой передачи — они ломаются пополам. Возможно также образование заусенцев на блокирующем устройстве.
Много бракованных деталей ставится на КПП «Газель» ещё с завода. Например, блокирующие кольца, которые должны иметь зазор не менее 0,3 мм. На самом деле, встречается много таких элементов с зазором 0,1-2,5 мм.
Ещё хуже бывает, когда производится неправильная сборка после ремонта. Горе-мастера способны так неудачно перебрать сухари и пружины, что через некоторое время определённые передачи не будут включаться вообще.
Капитальный ремонт КПП Газели своими руками
Любые сложности с переключением скоростей, шумы, самопроизвольное включение скорости требуют срочного ремонта КПП. Многолетняя эксплуатация «Газели» рано или поздно приводит к одной или нескольким характерным неисправностям:
- разрушение подшипников;
- ослабление фиксационных болтов;
- износ колец синхронизатора;
- повреждение шестерён;
- образование заусениц и другие неисправности.
Ремонт коробки передач Газели подразумевает демонтаж и разборку. Сначала нужно подготовить ряд необходимых инструментов. Помимо стандартных инструментов, нужен бородок, съёмники, надфиль, мелкозернистая шкурка. После того как автомобиль загоняется на эстакаду, картер освобождается от масла. Затем снимается кардан, достаётся рычаг с колпаком. От коробки отсоединяются проводок лампочки заднего хода и трос спидометра. КПП демонтируется путём отворачивания приёмных труб и кронштейна. Коробка фиксируется и с картером сцепления — здесь 4 гайки.
Снимая её, нужно быть очень аккуратным, чтобы не повредить головку блока — весит КПП «Газели» 32 кг. По этой причине ГБЦ следует заранее прикрыть деревянным бруском.
Разборка коробки переключения передач
Поэтапная разборка узла не даст совершить ошибок, и процедура пройдёт куда проще. Снятую коробку лучше положить на ровный стол в гараже, чтобы работать было удобнее. Дальнейшие действия по переборке приведены с одновременной дефектовкой. Перед этим желательно изучить схему КПП Газели.
- Вытащить рычаг с кронштейном, если он не был снят на стадии демонтажа. Проверить подпружиненные стаканчики, которые отвечают за стабилизацию переключателя. Не должно быть сильного люфта в нижней части штока, обе пружины должны быть на месте, в хорошем состоянии. Проконтролировать, плотно ли сидят оба фиксационных штифта по бокам верхней части кожуха, куда непосредственно входит переключатель скоростей. Протестировать нижнюю часть ручки и её посадочное место в КПП на выработку — металл не должен быть сильно изъеден.

- Проверить состояние оконечности первичного вала, на которую вдевается опорный подшипник маховика. Канавки, ступеньки и другие признаки выработки на металлической поверхности укажут на конкретную неисправность. Это и будет причина сильного люфта, вызывающего дрожания, шум и иные проблемы коробки. Снять фланец, закрывающий внутреннюю часть коробки со стороны первичного вала. Вытащить оба стопорных кольца — бородок, отвёртка с плоским жалом и молоток в помощь. Проверить подшипник ведущего вала на люфт. Сработанную деталь при сборке заменить на новую.
- Располовинить коробку. На модели «Газель-Бизнес» предусмотрен дополнительный стопорный кронштейн, который тоже надо откручивать. Обе части КПП старого образца просто соединены болтами. Открутить шестерню привода спидометра и шестерню привода задней передачи промежуточного вала.
- Снять переднюю крышку корпуса, обратить внимание на состояние сливной пробки с магнитом. Как правило, в этом месте собирается много пыли, стружки и других элементов износа.
Протестировать внешнюю обойму роликового подшипника — должна сидеть плотно, не люфтить, а также дорожку — идеальная без раковин и выпуклостей. Почистить, отшлифовать мелкой наждачкой все неровности. - Проверить состояние подшипника первичного вала — учтите, что здесь имеется не только осевое, но и радиальное смещение. Заменить, если он в ходе работы перемещается на шестерню 4-й передачи — это легко определяется по повреждённым частям зубчатки.
- Проверить синхронизаторы всех передач. Исключён плотный контакт с кольцами шестерёнок, без зазора, другими словами, не должно быть сильного утоньшения. В противном случае проблемный синхронизатор надо менять. Специалисты также рекомендуют менять элементы, зубья которых имеют сточенные конусы. На синхронизаторах имеется специальный прилив, который служит ограничителем. Если он будет тоже выработан (заводская толщина отлива не менее 6 мм), скорость на коробке может включаться самопроизвольно или будут наблюдаться сложности с включением.

- Проверить шестерни на наличие раковин, следы износа.
- Протестировать состояние вилок и колец муфты синхронизатора. Толщина посадочного места под вилку со сменными сухарями в нормальном состоянии должна составлять около 9 мм. Если больше, то это уже говорит о выработке и люфте. Решается проблема заменой элементов — сухарей, колец.
- Проверить состояние промвала. Он не должен цепляться за кольца синхронизатора главных передач, иначе это укажет на его смещение. Следы контакта отчётливо заметны на поверхностях зубьев. Проблема решается грамотной регулировкой вала.
- Снять первичный вал. Замерить диаметры оконечности вторичного вала и отверстия главного вала. Вычесть из большего числа меньшее, разделить полученную сумму на два. Измерить окружность одного из роликов, расположенных в месте соединения валов. Сравнить показатели — если они сильно отличаются, можно судить о большом люфте.
- Ослабить и вытащить заднюю часть корпуса коробки — в ней расположен вторичный вал.
Делать аккуратно, осторожно снимать тяги! - Тщательно осмотреть внутреннюю часть заднего корпуса. Очистить от грязи, проверить опорные посадочные места, подшипник. В удлинённой зоне кожуха или хвостовике рекомендуется проверить втулку — должна быть нормально установлена, не закрывать сливное отверстие, иначе детали коробки не будут хорошо смазываться.
- Проверить детали вторичного вала. Заменить те, которые имеют сильную выработку. Особенно страдает шестерня 5-й передачи. Это происходит у водителей, постоянно перегружающих свою «Газель».
Внимание! Если разрушается подшипник вторичного вала, это всегда чревато тяжёлыми последствиями. Задняя часть коробки может полностью выйти из строя. В случае повреждения подшипника первичного вала ситуация не настолько критична.
Остаётся проверить состояние промвала. Здесь ничего сложного — визуально осмотреть косозубые шестерни на свету. На них не должно быть следов выработки. Чтобы снять подшипники с данного вала, нужно вооружиться двумя большими отвёртками или короткими монтировками.
Инструменты ставятся по обе стороны подшипника, промвал — вертикально. Затем аккуратно надавить на обе отвёртки. Обойма от усилия легко выскочит наверх.
Сборка и подключение КПП
Сборку коробки легче проводить, когда задняя часть корпуса КПП прикручена саморезами к тяжёлому деревянному бруску. Она никуда не заваливается, остаётся неподвижной, и валы быстро вставляются.
Запрессовку подшипника на вторичный вал также рекомендуется проводить на основании с упором. Надо просверлить в деревянном бруске перьевым сверлом на 18 мм отверстие, куда и вставить вал. Теперь надевать подшипник намного легче. Установку и насадку новых элементов желательно проводить с помощью мягкой выколотки нужного размера.
Уже другим сверлом на 16 мм в аналогичном бруске сделать новое отверстие для первичного вала. В таком положении на него проще собрать детали, а также соединить его со вторичным валом. Остальное собирается так же, как и снималось, только в обратном порядке.
Несколько полезных рекомендаций напоследок:
- датчик заднего хода вкручивается после установки коробки на машину;
- после вдевания рычага в механизм переключения скоростей, проводится важная диагностика — прокручивая первичный вал, надо контролировать скорость и направление вращения вторичного вала;
- на первичном валу следует обязательно смазать посадочное место для подшипника коленвала;
- масло заливается в количестве 1,2 литра через отверстие для рычага переключения скоростей (через стандартное заливное отверстие лучше проводить контроль).

Завершающий тест-проверка работы КПП:
- вывесить задние колёса «Газели»;
- запустить мотор;
- поочерёдно переключать скорости, создав имитацию движения;
- тестировать каждую передачу не меньше 1 минуты.
Почему этот тест надо проводить именно без нагрузки, то есть с вывешенными колёсами? Дело в том, что первоначальная работа коробки будет на сухую, даже если масло заранее заправлено. Оно просто не успеет попасть во все зазоры, и только промежуточный вал будет находиться в масляной ванне.
Рекомендации по продлению срока службы агрегата
Без должного ухода КПП «Газели» быстро выходит из строя. Некоторые объясняют это несоответствием агрегата под грузовой автомобиль. Как известно, здесь используется, хотя и доработанная, но коробка от легкового авто. Поэтому малейший перегруз или длительная эксплуатация крайне отрицательно влияют на ресурс. Уже к 80-тысячному пробегу начинают вылетать передачи, появляется треск и шум.
В первую очередь надо правильно и своевременно менять масло. Интервал замены производителем определяется 50-тысячным пробегом, но лучше это делать в два раза чаще. Заливать надо не ту смазку, которая идёт с завода (дешёвый ТАД 17), а более качественные аналоги. Например, GL-4 или 5 с вязкостью 75W-90.
- не загружать автомобиль выше нормы в 1,5 тонны;
- ездить по хорошим дорогам, избегая гравия и полного бездорожья;
- следить за сцеплением, вовремя заправлять технические жидкости.
Ремонт и разборка коробки переключения передач Газели — дело непростое, но действуя по инструкции, можно справиться с операцией самостоятельно. Если что-то не получится, коробку всегда можно отвезти в сервис или вызвать специалиста на дом.
Таблица: неисправности коробки Газели по характеру шума
| Положение | Характер шума | Неисправность |
| Нейтральная скорость, выжато сцепление или когда отпускается муфта после переключения какой-либо передачи, не задней или пятой | Вой | Причиной этого в большинстве случаев становится изношенный подшипник первичного вала или подшипник ведущей шестерни |
| В движении, когда переключаются скорости | Хруст | Скорее всего, износ выжимного подшипника сцепления, но причина может скрываться в синхронизаторах — износ или разрушение блокирующих колец на валу |
| В движении выбивает передача | Стук, толчок | Проблемы с вилкой КПП |
| Холодный мотор, трудно включить пятую передачу | Гул, что пропадает после прогрева | Слишком густое масло или смазка плохого качества |
| В движении переключаются скорости | Стуки | Масляное голодание, недостаточный уровень MTF |
| Только в момент включения различных передач | Вой | Проблемы с отдельными шестеренками |
| На четвёртой или пятой передаче | Треск | «Подгуливает» промвал, нужна регулировка |
| При разгонах и сбросе скорости | Тарахтение | Смещено кольцо синхронизатора относительно промежуточного вала |
Теперь вы знаете, как самостоятельно снять и перебрать коробку передач Газели.
Милый шаблон газели подставки для пасхальных яиц. Розничная торговля… — Стоковая иллюстрация [74220337]
Номер предмета : 74220337 Увидеть все
Эта стоковая иллюстрация под названием «Симпатичный шаблон газели с подставкой для пасхальных яиц. Розничная торговля…»[74220337] включает теги easter, egg, vector. Автор статьи Валентина (№1781576). Доступны размеры от S до XL, включая Vector, а цена начинается от 5 долларов США. Вы можете загрузить образцы данных с водяными знаками (композиции изображений), проверить качество изображений и использовать Lightbox после регистрации бесплатно. Увидеть все
Милый шаблон газели подставки для пасхальных яиц. Розничная бумажная коробка для пасхального яйца. Цветовая схема для печати. Векторный шаблон лазерной резки. Изолированная иллюстрация дизайна упаковки.
- selectedRatio() === ‘square’}»> 1:1
- 4:3
- 4:5
(8:10) - 3:2(6:4)
- Обычай
:
* Вы можете перемещать изображение, перетаскивая его.
- Увеличить
- Образец данных
Кредиты
Кредиты (авторское право): Валентина / ПИКСТА
Подробнее об этом элементе
- О модели и разрешении собственности
- Просмотров : 27
- Свяжитесь с автором, чтобы спросить об этом элементе
Добавить этого автора в избранное
Предлагаемые категории
- Ремесло
- Оригами/Бумага
- складной
- Окружающая среда
- Стихийное бедствие
- Несчастный случай
- Мусор/Промышленность
- напрасно тратить
- картон
О разрешенном или запрещенном использовании.
Щелкните здесь, чтобы узнать, как отобразить уведомление об авторских правах.
Иллюстрация штока: Милый шаблон газели держателя пасхального яйца. Розничная бумажная коробка для пасхального яйца. Цветовая схема для печати. Векторный шаблон лазерной резки. Изолированная иллюстрация дизайна упаковки. теги
Пасхальный яйцо вектор газель коробка держатель шаблон резать умереть резка упаковка клей упаковка день рождения добрее сюрприз сложенный услуга форма складной бумага дизайн макет подарок шоколад конфеты Розничная торговля план товар картон пакет изолированный коробка животное милый украшение мультфильм праздничный день персонаж дети клипарт охотиться малыш сделай сам контур ремесло силуэт ребенок
- Описание/комментарий
- Милый шаблон газели подставки для пасхальных яиц.
Розничная бумажная коробка для пасхального яйца. Цветовая схема для печати. Векторный шаблон лазерной резки. Изолированная иллюстрация дизайна упаковки.
Бесплатная художественная печать шаблона подставки для шоколадных яиц «Милая высеченная газель». Розничная бумажная коробка для пасхального яйца. Цветовая схема для печати. Векторный шаблон лазерной резки. Изолированная векторная иллюстрация дизайна упаковки. | FreeArt
Чтобы разблокировать скидки и показать коды купонов: Создать учетную запись
Экономьте на репродукциях и холсте!
Сэкономьте 10% на любом заказе > $25
Код купона ****
Сэкономьте 15% на любом заказе > $100
Код купона ****
Скидка 20% на любой заказ > $200
Код купона *****
Обратите внимание: в общую сумму заказа не включены расходы по доставке.
Введите код купона в корзину, чтобы увидеть примененную скидку.
Шаблон подставки для шоколадных яиц милой газели. Розничная бумажная коробка для пасхального яйца. Цветовая схема для печати. Векторный шаблон лазерной резки. Изолированная векторная иллюстрация дизайна упаковки.
Водяной знак FreeArt не будет отображаться на вашей работе
Артикул: fa88
0Еще арт от csp_valentyna92
- Keywords:
- gazelle,
- box,
- template,
- cut,
- die,
- easter,
- holder,
- egg,
- birthday,
- package,
- cricut,
- Kinder,
- Glue,
- Упаковка,
- Складывается,
- FARD,
- FASHE,
- Складки,
- Paper,
- Vector,
- Design,
- LAYOUT,
- ,
- ,
- LAYOUT,
- ,
- ,
- .
0010 - gift,
- chocolate,
- candy,
- retail,
- blueprint,
- product,
- diecut,
- cardboard,
- pack,
- display,
- isolated,
- carton,
- животное,
- милое,
- украшение,
- мультфильм,
- праздник,
- упаковка,
- персонаж,
- детский, охота 6
- клипарт, 0
010
- baby,
- diy,
- outline,
- craft,
- present,
- printable,
- color,
- scheme,
- laser,
- cutting,
- illustration,
- pictures,
- плакаты,
- предметы интерьера,
- репродукции для домашнего декора,
- репродукции изобразительного искусства,
- плакат,
- картины для комнаты,
- настенные фотографии,
- фотопечать,
- Картина на холсте
Печать:
Рамка и подложка:
Итого:
Художественные репродукции
Холст
- 10 х 15,2 см БЕСПЛАТНО
- 20,3 х 25,4 см БЕСПЛАТНО
- 28 х 35,5 см 4,9 доллара США9
- 29,7 х 42 см (А3) 29 долларов
- 42 х 59,4 см (А2) 49 долларов
- 59,4 х 84,1 см (А1) $69
- 60 х 80 см $69
- 75 х 100 см 99 долларов
- 80 х 120 см 149 долларов
- 84,1 х 118,9 см (А0) 149 долларов
- 118,9 х 168,2 см (2А0) 199 долларов
- Пользовательский размер печати
Посмотреть другие размеры
Самые популярные рамки
Печать:
Рамка и коврик:
Всего: Отпечатки действительно бесплатны
.
Отпечатки действительно бесплатны
Граница
- Показать целое изображение
Финиш
5.
Options
Black & WhiteSaturatedSepiaVintageWarmFlip ImageArtwork Title
Избранное это изображение
Подписаться:Valentyna92
Быстрая доставка
Безопасный онлайн-заказ
28.02.2020
Супер быстрая доставка, красивые отпечатки!
28.02.2022
Отличный выбор и достойные скидки.
27.02.2022
27.02.2020
Посылка пришла вовремя. Художественная работа лучше, чем я думал. Спасибо FreeArt
24.02.2020
Хорошая картинка по такой цене…
FreeArt предоставляет бесплатные небольшие художественные репродукции и плакаты с миллионами изображений! Стоимость доставки всего 1,9 доллара США.
9 ($0,99 за каждый дополнительный) вы получите высококачественную художественную печать, изготовленную Free Art, Inc. специально для вас. Нет необходимости искать печатное искусство; мы отправляем вам бесплатные произведения искусства галерейного качества. Большинство отпечатков отправляются на следующий рабочий день, и мы предлагаем гарантию возврата денег в течение 30 дней после покупки.
Перепродавайте и перерабатывайте свои технологии! » Чудо техники
Вы здесь: Домашняя страница / Интернет / «Газель» — перепродавайте и перерабатывайте свои технологии!
Каролин Никандер Мор /
Если вы ищете способ заработать деньги, очистить свой шкаф и спасти планету, посетите Gazelle, сайт, который купит или переработает ваши бывшие в употреблении электронные устройства.
На прошлой неделе я говорил с Кристиной Кеннеди, директором по бренду и коммуникациям Gazelle, об услугах, которые предоставляет Gazelle. Кеннеди объяснил: «Будь то потребители или малый бизнес, большинство из нас на самом деле не совсем знают, что делать с нашими маленькими гаджетами.
Они знают, что не должны их выбрасывать, но они не совсем уверены, что с ними делать, поэтому в конечном итоге они сидят в ящиках и сидят в шкафах». Газель позволяет легко продать вашу электронику и получить за нее наличные или подарочную карту.
Чтобы продать свои товары Gazelle, зайдите на сайт www.gazelle.com, где вы сможете просмотреть список из 22 категорий, которые принимает Gazelle, включая сотовые телефоны, ноутбуки, фотоаппараты, DVD-плееры, фильмы, видеоигры и настольные компьютеры. Выберите свою категорию, и «Газель» запросит конкретную информацию, такую как производитель, модель и состояние товара. Затем Газель рассчитает стоимость товара и сделает вам предложение, действительное в течение 30 дней. Если вы принимаете предложение, вы вводите свои данные, и «Газель» отправит вам коробку для бесплатной отправки товара в «Газель».
Газель также предлагает гарантию цены. Если цена товара вырастет, что, по признанию Кеннеди, случается нечасто, или Газель обнаружит, что товар стоит больше, чем предполагалось, Газель заплатит продавцу больше заявленной цены.
Если «Газель» определит, что ваш предмет не имеет значительной ценности, вы все равно можете отправить его в «Газель» для бесплатной переработки. Газель оплатит почтовые расходы, если вы включите товар в коробку с товаром, который вы продаете Газели.
Газель предлагает вам различные варианты оплаты на выбор, включая внесение средств на ваш счет PayPal или отправку вам чека или подарочной карты от Amazon или Walmart. Вы также можете пожертвовать свои доходы одной из более чем 100 благотворительных организаций на сайте Gazelle.
Недавно Gazelle объявила о партнерстве со Staples, так что теперь вы можете получить подарочную карту Staple в качестве оплаты за ваши бывшие в употреблении устройства. Кеннеди отметил, что это эффективный способ обновления для компаний, у которых много компьютеров или сотовых телефонов, и которые ищут простой способ обменять свои старые модели устройств. Чтобы обменять электронику на подарочную карту Staples, посетите сайт www.staples.gazelle.
com.
«Газель» также предлагает сотрудничество благотворительным организациям, пытающимся собрать деньги за счет пожертвований гаджетов. Gazelle поможет благотворительной организации создать целевую страницу для популяризации программы. Кеннеди предположил, что сбор средств работает лучше всего, когда он связан с мероприятием. Кеннеди привел в пример вечер обмена старыми плеерами iPod, который сочетался с вечером «Снова в школу» или распродажей выпечки. Благотворительная организация может забрать гаджеты на мероприятии, отправить их в «Газель» и получить чек на выручку.
Помимо скупки и переработки бывшей в употреблении электроники, «Газель» также занимается продажей электроники. Кеннеди сказал: «Газель перемещает продукты от первых последователей к поздним последователям. «Газель» помогает продлить жизнь технике и найти новый дом». Кеннеди отмечает, что не все стоят в очереди в первый же день, чтобы купить новый продукт. Некоторые люди ждут год или около того, чтобы опробовать устройство.
Газель продает свои товары на Amazon и eBay. По словам Кеннеди, каждый продаваемый товар проверяется Gazelle вручную, чтобы покупатели могли быть уверены в точности описания продукта. Если вы хотите купить электронный гаджет от Gazelle, загляните в их магазины на Amazon (Газель на Amazon) и eBay (Газель на eBay). Магазин Gazelle на eBay, как правило, имеет более обширный ассортимент электроники, чем его магазин на Amazon, но проверьте оба магазина, если вы ищете конкретный товар.
Кеннеди сказал, что, если не считать ежегодного запуска iPhone, январь был самым загруженным временем для продажи электроники в Gazelle. Поэтому, если вы подозреваете, что получите новое устройство на праздники, вы можете зафиксировать цену, чтобы продать свое устройство Газели сейчас, до январского ажиотажа. Вы не обязаны продавать свое устройство, если подарок, на который вы рассчитывали, не будет получен. Точно так же, если вы хотите купить устройство у Gazelle, продолжайте проверять их магазины Amazon и eBay в январе и феврале, когда их запасы должны быть близки к своему пику.
У вас есть старая электроника, которую вы хотели бы продать или переработать? Вы ищете бывшие в употреблении гаджеты? Дайте нам знать в комментариях ниже!
* Изображение дерева гаджетов от hikeartist.com
Рубрики: Интернет, Персональные технологии, Покупки, Веб-сайты с тегами: Amazon, Полезные советы, iPhone, Покупки
Подпишитесь на The Wonder of Tech!
Имя
Фамилия
Адрес электронной почты:
580 Схема подарочной коробки с картинкой | Без лицензионных отчислений
226 — 300 из 582 изображений
Схема Подарочной Коробки Стоковые фотографии Схема подарочной коробки стоковые иллюстрации
Ориентиры:чистый Горизонтальный Панорамный Горизонтальный Панорамный вертикальный Площадь Вертикальный
Переключить субтитры
Макет
GridTitles
Результаты
5075100150250
Очаровательная коробка подарков для вечеринок своими руками на дни рождения, детские души с милым скунсом для сладостей, конфет, небольших подарков.
Цветовая схема для печати. Распечатать, вырезать, сложить, склеить. Векторная фондовая иллюстрация.Diy Party Favor Box Diy Cut Template Design для дней рождения, детских праздников с милой белкой для сладостей, конфет, небольших подарков. Цветовая схема для печати. Распечатать, вырезать, сложить, склеить. Векторная иллюстрация
Очаровательная коробка подарков для вечеринок своими руками на дни рождения, детские души с милой коалой для сладостей, конфет, небольших подарков, выпечки. Цветовая схема для печати. Распечатать, вырезать, сложить, склеить. Векторная фондовая иллюстрация.
Шаблон подставки для шоколадных яиц Cute Die Cut Parrot. Розничная бумажная коробка для пасхального яйца. Цветовая схема для печати. Лазерная резка векторного шаблона. Изолированная векторная иллюстрация дизайна упаковки.

Шаблон подставки для шоколадных яиц с милым оленем. Розничная бумажная коробка для пасхального яйца. Цветовая схема для печати. Лазерная резка векторного шаблона. Изолированная векторная иллюстрация дизайна упаковки.
Очаровательная подарочная коробка для вечеринок своими руками на дни рождения, детские души с милым львом для сладостей, конфет, небольших подарков. Цветовая схема для печати. Распечатать, вырезать, сложить, склеить. Векторная фондовая иллюстрация.
Очаровательная коробка подарков для вечеринок своими руками на дни рождения, детские души с милой белкой для сладостей, конфет, небольших подарков, выпечки. Цветовая схема для печати. Распечатать, вырезать, сложить, склеить. Векторная фондовая иллюстрация.
Симпатичный шаблон мыши-подставки для пасхальных яиц.
Розничная бумажная коробка для пасхального яйца. Цветовая схема для печати. Лазерная резка векторного шаблона. Изолированная иллюстрация дизайна упаковки.Симпатичный шаблон пантеры для пасхальных яиц. Розничная бумажная коробка для пасхального яйца. Цветовая схема для печати. Лазерная резка векторного шаблона. Изолированная иллюстрация дизайна упаковки.
Праздничные подарки, еда и набор иконок системы биткойнов. Удалить заказы, спа-камни и знаки способов оплаты. Вектор
Очаровательная коробка подарков для вечеринок своими руками на дни рождения, детские души с милым бобром для сладостей, конфет, небольших подарков, пекарни. Цветовая схема для печати. Распечатать, вырезать, сложить без клея. Векторная фондовая иллюстрация.
Люди используют бонусную карту, концепция программы лояльности.
Крошечные персонажи, владеющие огромными золотыми монетами, получают награды, используют подарки и привилегии. блестящие и подарочные коробки в огромной копилке. Линейная векторная иллюстрацияШаблон куба бумаги на белом фоне. Знак схемы обрезки. Символ схемы отделки призмы. Плоский стиль.
Очаровательная коробка подарков для вечеринок своими руками на дни рождения, детские души с милым бобром для сладостей, конфет, небольших подарков, выпечки. Цветовая схема для печати. Распечатать, вырезать, сложить, склеить. Векторная фондовая иллюстрация.
Симпатичный шаблон осла для пасхальных яиц. Розничная бумажная коробка для пасхального яйца. Цветовая схема для печати. Лазерная резка векторного шаблона. Изолированная иллюстрация дизайна упаковки.
Очаровательная коробка подарков для вечеринок своими руками на дни рождения, детские души с милой собакой-мопсом для сладостей, конфет, небольших подарков, выпечки.
Цветовая схема для печати. Распечатать, вырезать, сложить, склеить. Векторная фондовая иллюстрация.Очаровательная Diy Party Favor Box на дни рождения, детские души с милым ежиком для сладостей, конфет, небольших подарков, пекарни. Цветовая схема для печати. Распечатать, вырезать, сложить без клея. Векторная иллюстрация
Стопка подарочных коробок с красной лентой и галстуком-бабочкой. Двухцветный цветной зигзагообразный узор. Аналоговая схема. Векторная 3d иллюстрация. Вид сверху вниз.
Diy Party Favor Box Diy Cut Template Design для дней рождения, детских душей с милыми оленями для сладостей, конфет, небольших подарков. Цветовая схема для печати. Распечатать, вырезать, сложить, склеить. Векторная иллюстрация
Симпатичный шаблон жирафа подставки для пасхальных яиц.
Розничная бумажная коробка для пасхального яйца. Цветовая схема для печати. Лазерная резка векторного шаблона. Изолированная иллюстрация дизайна упаковки.Выкройка из подарочных коробок. оранжевые подарочные коробки на синем фоне. Дополнительная цветовая схема. Векторная 3d иллюстрация.
Милый шаблон подставки для пасхальных яиц в виде верблюда. Розничная бумажная коробка для пасхального яйца. Цветовая схема для печати. Лазерная резка векторного шаблона. Изолированная иллюстрация дизайна упаковки.
Diy Party Favor Box Diy Cut Template Design для дней рождения, детских душей с милым пингвином для сладостей, конфет, небольших подарков. Цветовая схема для печати. Распечатать, вырезать, сложить, склеить. Векторная иллюстрация
Шаблон подставки для шоколадных яиц в виде милого пингвина.
Розничная бумажная коробка для пасхального яйца. Цветовая схема для печати. Лазерная резка векторного шаблона. Изолированная векторная иллюстрация дизайна упаковки.Шаблон подставки для шоколадных яиц с милой лошадкой своими руками. Розничная бумажная коробка для пасхального яйца. Цветовая схема для печати. Лазерная резка векторного шаблона. Изолированная иллюстрация дизайна упаковки.
Diy Party Favor Box Diy Cut Template Design для дней рождения, детских душей с милым барсуком для сладостей, конфет, небольших подарков. Цветовая схема для печати. Распечатать, вырезать, сложить, склеить. Векторная иллюстрация
Очаровательная коробка подарков для вечеринок своими руками на дни рождения, детские души с милым носорогом для сладостей, конфет, небольших подарков, выпечки. Цветовая схема для печати.
Распечатать, вырезать, сложить без клея. Векторная фондовая иллюстрация.Вырезной шаблон для винной коробки
Diy Party Favor Box Diy Cut Template Design для дней рождения, детских праздников с милым тигром для сладостей, конфет, небольших подарков. Цветовая схема для печати. Распечатать, вырезать, сложить, склеить. Векторная иллюстрация
Симпатичная подставка для пасхальных яиц с курицей. Розничная бумажная коробка для пасхального яйца. Цветовая схема для печати. Лазерная резка векторного шаблона. Изолированная иллюстрация дизайна упаковки.
Diy Party Favor Box Diy Cut Template Design для дней рождения, детских праздников с милым енотом для сладостей, конфет, небольших подарков. Цветовая схема для печати. Распечатать, вырезать, сложить, склеить.
Векторная иллюстрацияОчаровательная коробка подарков для вечеринок своими руками на дни рождения, детские души с милым тигром для сладостей, конфет, небольших подарков. Цветовая схема для печати. Распечатать, вырезать, сложить, склеить. Векторная фондовая иллюстрация.
Шаблон подставки для шоколадных яиц с милой вырубной курицей. Розничная бумажная коробка для пасхального яйца. Цветовая схема для печати. Лазерная резка векторного шаблона. Изолированная векторная иллюстрация дизайна упаковки.
Шаблон подставки для шоколадных яиц с милым вырубным носорогом. Розничная бумажная коробка для пасхального яйца. Цветовая схема для печати. Лазерная резка векторного шаблона. Изолированная векторная иллюстрация дизайна упаковки.
Очаровательная коробка для вечеринок своими руками на дни рождения, детские души с милой пантерой для сладостей, конфет, небольших подарков, пекарни.
Цветовая схема для печати. Распечатать, вырезать, сложить без клея. Векторная фондовая иллюстрация.Diy Шаблон подставки для шоколадных яиц Cute Fox. Розничная бумажная коробка для пасхального яйца. Цветовая схема для печати. Лазерная резка векторного шаблона. Изолированная иллюстрация дизайна упаковки.
Симпатичный высечной шаблон держателя для шоколадных яиц на Хэллоуин коала. мультипликационный персонаж в костюме летучей мыши. Розничная бумажная коробка для пасхального яйца. Цветовая схема для печати. Векторная иллюстрация
Очаровательная коробка подарков для вечеринок своими руками на дни рождения, детские души с милой зеброй для сладостей, конфет, небольших подарков, пекарни. Цветовая схема для печати. Распечатать, вырезать, сложить без клея. Векторная фондовая иллюстрация.
Очаровательная коробка подарков для вечеринок своими руками на дни рождения, детские души с милой альпакой для сладостей, конфет, небольших подарков, выпечки.
Цветовая схема для печати. Распечатать, вырезать, сложить, склеить. Векторная фондовая иллюстрация.Очаровательная коробка подарков для вечеринок своими руками на дни рождения, детские души с милыми овцами для сладостей, конфет, небольших подарков, пекарни. Цветовая схема для печати. Распечатать, вырезать, сложить, склеить. Векторная фондовая иллюстрация.
Блок-схема, идентификационная карта и набор значков уменьшающегося графика. Знак романтического подарка. Вектор
Очаровательная коробка подарков для вечеринок своими руками на дни рождения, детские души с милыми овцами для сладостей, конфет, небольших подарков. Цветовая схема для печати. Распечатать, вырезать, сложить, склеить. Векторная фондовая иллюстрация.
Очаровательная Diy Party Favor Box на дни рождения, детские души с милой совой для сладостей, конфет, небольших подарков, пекарни.
Цветовая схема для печати. Распечатать, вырезать, сложить, склеить. Векторная фондовая иллюстрация.Симпатичный шаблон пингвина для подставки для пасхальных яиц. Розничная бумажная коробка для пасхального яйца. Цветовая схема для печати. Лазерная резка векторного шаблона. Изолированная иллюстрация дизайна упаковки.
Симпатичный шаблон лисы для пасхальных яиц. Розничная бумажная коробка для пасхального яйца. Цветовая схема для печати. Лазерная резка векторного шаблона. Изолированная иллюстрация дизайна упаковки.
Diy Party Favor Box Diy Cut Template Design для дней рождения, детских праздников с милой собакой для сладостей, конфет, небольших подарков. Цветовая схема для печати. Распечатать, вырезать, сложить, склеить. Векторная иллюстрация
Шаблон выреза для винной коробки
Открытая картонная коробка и маска с конфетти Карнавальный фестиваль
Очаровательная коробка для вечеринок своими руками на дни рождения, детские души с милым львом для сладостей, конфет, небольших подарков, пекарни.
Цветовая схема для печати. Распечатать, вырезать, сложить без клея. Векторная фондовая иллюстрация.Очаровательная коробка подарков для вечеринок своими руками на дни рождения, детские души с милым тушканчиком для сладостей, конфет, небольших подарков, пекарни. Цветовая схема для печати. Распечатать, вырезать, сложить, склеить. Векторная фондовая иллюстрация.
Санта-Клаус сидит за столом в своей мастерской и делает игрушки для детей. Рождественская плоская иллюстрация
Очаровательная коробка подарков для вечеринок своими руками на дни рождения, детские души с милой газелью для сладостей, конфет, небольших подарков, выпечки. Цветовая схема для печати. Распечатать, вырезать, сложить без клея. Векторная фондовая иллюстрация.
Милый шаблон пасхального яйца в виде белки.
Розничная бумажная коробка для пасхального яйца. Цветовая схема для печати. Лазерная резка векторного шаблона. Изолированная иллюстрация дизайна упаковки.Вырезной шаблон для винной коробки
Симпатичный шаблон носорога для подставки для пасхальных яиц. Розничная бумажная коробка для пасхального яйца. Цветовая схема для печати. Лазерная резка векторного шаблона. Изолированная иллюстрация дизайна упаковки.
Очаровательная коробка подарков для вечеринок своими руками на дни рождения, детские души с милым медведем для сладостей, конфет, небольших подарков, пекарни. Цветовая схема для печати. Распечатать, вырезать, сложить без клея. Векторная фондовая иллюстрация.
Векторная самосборная картонная коробка с набором шаблонов угловых замков
Diy Party Favor Box Diy Cut Template Design для дней рождения, детских душей с милой лисой для сладостей, конфет, небольших подарков.
Цветовая схема для печати. Распечатать, вырезать, сложить, склеить. Векторная иллюстрацияНабор из 100 иконок продаж, черный круг
Очаровательная коробка подарков для вечеринок своими руками на дни рождения, детские души с милой свиньей для сладостей, конфет, небольших подарков, пекарни. Цветовая схема для печати. Распечатать, вырезать, сложить без клея. Векторная фондовая иллюстрация.
Очаровательная коробка подарков для вечеринок своими руками на дни рождения, детские души с милой летучей мышью для сладостей, конфет, небольших подарков, выпечки. Цветовая схема для печати. Распечатать, вырезать, сложить без клея. Векторная фондовая иллюстрация.
Вырезной шаблон для винной коробки
Симпатичный шаблон оленя для подставки для пасхальных яиц.
Розничная бумажная коробка для пасхального яйца. Цветовая схема для печати. Лазерная резка векторного шаблона. Изолированная иллюстрация дизайна упаковки.Шаблон подставки для шоколадных яиц в виде милого высеченного слона. Розничная бумажная коробка для пасхального яйца. Цветовая схема для печати. Лазерная резка векторного шаблона. Изолированная векторная иллюстрация дизайна упаковки.
Симпатичный шаблон совы для пасхальных яиц. Розничная бумажная коробка для пасхального яйца. Цветовая схема для печати. Лазерная резка векторного шаблона. Изолированная иллюстрация дизайна упаковки.
Оранжевый набор из 100 иконок продаж
Симпатичный высечной шаблон подставки для шоколадных яиц под зебру. Розничная бумажная коробка для пасхального яйца.
Цветовая схема для печати. Лазерная резка векторного шаблона. Изолированная векторная иллюстрация дизайна упаковки.Diy Cute Cat Шоколадная подставка для яиц Шаблон. Розничная бумажная коробка для пасхального яйца. Цветовая схема для печати. Лазерная резка векторного шаблона. Изолированная иллюстрация дизайна упаковки.
Шаблон подставки для шоколадных яиц с милым оленем своими руками. Розничная бумажная коробка для пасхального яйца. Цветовая схема для печати. Лазерная резка векторного шаблона. Изолированная иллюстрация дизайна упаковки.
Diy Party Favor Box Diy Cut Template Design для дней рождения, детских праздников с милой коалой для сладостей, конфет, небольших подарков. Цветовая схема для печати. Распечатать, вырезать, сложить, склеить. Векторная иллюстрация
Очаровательная коробка подарков для вечеринок своими руками на дни рождения, детские души с милой зеброй для сладостей, конфет, небольших подарков.
Цветовая схема для печати. Распечатать, вырезать, сложить, склеить. Векторная фондовая иллюстрация.Шаблон подставки для шоколадных яиц с милой пандой своими руками. Розничная бумажная коробка для пасхального яйца. Цветовая схема для печати. Лазерная резка векторного шаблона. Изолированная иллюстрация дизайна упаковки.
Шаблон подставки для шоколадных яиц с милым мишкой своими руками. Розничная бумажная коробка для пасхального яйца. Цветовая схема для печати. Лазерная резка векторного шаблона. Изолированная иллюстрация дизайна упаковки.
Вырезной шаблон для винной коробки
Симпатичный шаблон подставки для пасхальных яиц с изображением волка. Розничная бумажная коробка для пасхального яйца. Цветовая схема для печати. Лазерная резка векторного шаблона.
Изолированная иллюстрация дизайна упаковки.
Следующая страница
Cybex Open Box Gazelle S Коляска
Рейнгс снимок
5 Star
78% (62)
4 Star
21% (17)
3 Звезд
1% (1)
2 -звездочный
0% (0)
1 звезда
0% (0)
Отличное качество
Газель S по весу и размеру похожа на Vista. Цена этой коляски отличная. Единственным недостатком является то, что вы не можете настроить коляску так, чтобы ставить сиденье вверху, а корзину внизу. Cybex также мог работать над амортизаторами задних колес. Нам очень трудно переезжать через бордюры, особенно в Нью-Йорке. В целом отличный продукт, особенно за такую цену.
Изображения клиентов
Pros
- — Различные конфигурации как сидений, автомобильных сидений/Bassinet
- — Большая корзина для хранения
- — Дополнительная корзина для одиночного всадника
Cons 9000 9008
Не ставьте дополнительную корзину на нижнюю конфигурацию с одним водителемЗамечательная коляска!
В начале этого обзора я должен сказать, что с тех пор, как я стала матерью, у меня было много колясок, и я так и не нашла подходящую.
С годами я понял, что предпочитаю односпальные коляски, а не двойные. Cybex Gazelle S — это как если бы у Bugaboo Donkey, Uppababy Vista и Priam родился ребенок, и у этого ребенка была докторская степень в области инженерии!
Рамка светлая, бронзового цвета. Руль подходит высоким людям (мужу 62 года, и он любит его толкать). Он также имеет кожаную отделку, а также перекладины на животе. Входящие в комплект адаптеры для автокресел подходят для нашего автокресла Cybex Cloud Q (настоятельно рекомендуем!).
Сиденье легко установить и использовать. Ручка облегчает снятие.
Съемная корзина для покупок — отличная функция, которая делает покупки с коляской еще более приятными.
Эта коляска великолепна, и мне понравилось, что к ней прилагается множество аксессуаров, за которые обычно приходится доплачивать.
Дизайн встроенных передних адаптеров и скользящих адаптеров для верхнего положения потрясающий! А напоминание, напечатанное на корзине, очень кстати!
Очень советую посмотреть видео о том, как им пользоваться (например, обучающие видео от Cybex на YouTube), это облегчает жизнь!
Резюмируя: Я думаю, что *наконец* нашел коляску для своей семьи!
Изображения клиентов
Pros
- Дизайн, вес, конфигурации, простота использования, компактность, стандартные аксессуары, взаимозаменяемость сидений и высокие ограничения по весу… Мы получили доску Cybex для нашего 4-летнего ребенка, и я жалуюсь, что она не держится, как Uppababy.
Отличная легкая коляска!
Чудесная коляска! Легко складывается и легкий, что мне нравится! Может также использоваться несколькими способами и как коляска для двойни.
Крепление для люльки немного громоздкое, так как оно не складывается, а у меня трое детей, поэтому в машине мало места. НО мой новорожденный любит гулять в люльке. Вы также можете приобрести адаптер автокресла онлайн, если у вас нет автокресла cybex (я сделал это для своего детского сиденья graco). В целом замечательная коляска!
Этот отзыв о товаре собран производителем.
Высококачественная коляска с множеством вариантов конфигурации
Мы ждем, чтобы использовать коляску, пока не появится наш ребенок, но мы смогли собрать коляску за 15-30 минут и были очень довольны качеством и ощущением всех материалов. Мы не смогли проверить это перед покупкой из-за того, где мы живем. Я нервничал, совершая эту покупку без полного тестирования той же модели, но это не разочаровало. Кроме того, если у вас высокий супруг, это отличная коляска — мой муж ростом 6 футов 8 дюймов, и мы искали коляски, которые ему было бы удобно толкать. Это отвечает всем требованиям.
Pros
- — отлично подходит для высоких супругов
- — отличное хранилище для покупок (или для домашнего питомца, как я планирую сделать ха)
- — высококачественные материалы
- — детское автокресло легко крепится
Минусы
- — немного тяжелая, но это ожидаемо, так как она сможет вместить двух детей
Anazing
Абсолютно нравятся все функции этой коляски
Очень прочная, но может улучшить портативность
Я беременна четвертым ребенком, поэтому имею большой опыт обращения с колясками! Легко заметить высокое качество материалов и изготовления этой коляски по сравнению с более низкими брендами.
Первоначальная сборка этой коляски была несложной, но потребовала немалой силы рук. Особенно надевать солнцезащитный козырек. В некоторых моментах мне приходилось просить напарника о помощи из-за недостатка силы рук.
Сборка различных конфигураций сидений/автокресел/люльки очень проста! Все детали легко вставляются и выходят. Люлька довольно большая. Я очень миниатюрный человек, поэтому, если мой ребенок заснет в люльке на прогулке, я не смогу плавно вытащить ее, не разбудив его, потому что мои руки не помещаются вокруг нее! Это, конечно, имеет то преимущество, что вы можете использовать люльку для ребенка по крайней мере до 18 месяцев.
Механизм складывания не интуитивно понятен и требует нескольких шагов. Как только вы получите, это не проблема, но есть кривая обучения. Он действительно хорошо складывается только при использовании одного сиденья без корзины. В противном случае вам придется снимать сиденья, чтобы сложить его. Это заставляет меня опасаться использовать ее в качестве коляски для путешествий с несколькими детьми.
Он также довольно тяжелый.
Управлять этой коляской очень просто. Она толкает и управляет с легкостью прогулочной коляски. Я до сих пор могу держать кофе в одной руке и толкать другой! Очень актуально для многодетной мамы!
В целом, эта коляска определенно станет моей любимой коляской для прогулок по окрестностям. Он прочный, гладкий и выглядит роскошно. Нет сомнений, что эта коляска прослужит много лет, а все дополнительные аксессуары позволяют ей расти вместе с вашей семьей. Я просто хочу, чтобы переносимость была лучше.
Изображения клиентов
Этот обзор продукта был собран производителем.
Коляска премиум-класса, которая сочетает в себе внешний вид и функциональность
Наша коляска была доставлена около месяца назад, и нам и нашему трехмесячному ребенку она до сих пор нравится! Некоторые основные моменты (использовал пока только с люлькой):
— «Режим покупок» — обязательная функция. Корзина для покупок очень удобная.
Нам нравится, что он обеспечивает легкодоступное решение для хранения часто используемых предметов, а корзину внизу можно использовать даже с люлькой. Мы часто бываем в парке, и высота нижнего положения идеально подходит для того, чтобы я мог заглянуть внутрь, когда сижу в шезлонге.
— Наша дочь любит люльку. Смотровое окно отлично подходит, когда она не спит и хочет осмотреться, но все же блокирует любой прямой солнечный свет. Она засыпала в нем много раз.
— Мне нравится, что регулируемый руль фактически выдвигается/опускается по высоте, а не просто поворачивается. Мой рост около 6 футов, а рост моей жены 5 футов 3 дюйма, поэтому наши шаги сильно различаются по длине, и никто из нас не пинает коляску, когда мы устанавливаем руль на желаемую высоту.
— коляска поставляется с нижним креплением сиденья/люльки. точки уже включены. Установка чрезвычайно интуитивно понятна. Часто мы просто оставляем кронштейны в верхнем положении, так как они по сути находятся прямо на раме и не занимают дополнительного места.
Тот факт, что основные точки крепления скользят, тоже замечательно. Обычно я вставляю насадки в любой из двух верхних слотов, чтобы быть ближе к дочери. Еще одно преимущество — адаптеры для автомобильных сидений.0812 — К механизму складывания нужно немного привыкнуть, но как только вы поймете, как складывается коляска, все станет проще простого. Я езжу на хэтчбеке и коляска прекрасно помещается в багажник моей машины.
Нам очень нравится эта коляска, и мы получили много комплиментов за то, как великолепно она выглядит. Качество сборки отличное, материалы кажутся премиальными, и все это наполнено небольшими нюансами, которые отличают Gazelle S. Единственные проблемы, которые у нас были до сих пор, это то, что подстаканник немного вращается при движении по неровному тротуару (это может быть просто наша коляска), а солнцезащитный козырек люльки может быть немного длиннее. В остальном коляска нам понравилась. Мы не можем дождаться, чтобы использовать сиденье, когда наша дочь станет достаточно взрослой, а также в качестве коляски для двойни, когда у нас будет ребенок № 2.
Я очень придирчивый человек, и эта коляска единственная, которая соответствует всем требованиям. 100% рекомендую Газель S всем заинтересованным.
Этот обзор продукта был собран производителем.
Изящная коляска для двоих
Я очень доволен Cybex Gazelle S. Коляску легко толкать и очень легко складывать. Мне особенно нравится механизм пряжки сиденья, который легко открывается и расстегивается одной рукой. Капюшон от солнца прочный и расстегивается за пределы того, как я использовал его на фотографиях, чтобы иметь более глубокий козырек от солнца с клапаном для смотровой площадки (у которого нет липучки, поэтому при проверке спящего ребенка не будет слышно шума). Нижняя корзина может вместить так много, а дополнительная корзина на вынос отлично подходит для покупок или поездок в парк. Коляска имеет обычную ширину, потому что она проходит через все дверные проемы, и, хотя это длинная коляска, ее легко поворачивать и маневрировать, она кажется прочной и легкой. Шины устойчивы к проколам и просты в использовании на бетонной или травянистой местности.
Я приятно удивлен, что руль выдвигается на такое количество разных высот, что отлично подходит для меня с ростом 5 футов 3 дюймов и моего мужа с ростом 6 футов 0, чтобы иметь возможность удобно отрегулировать его для использования. Моему ребенку было комфортно как лицом вперед, так и лицом назад в коляске. Его ноги могли удобно опираться на подставку для ног, которая хорошо спроектирована как для спины, так и для родителей. Тормозная система коляски — это простое нажатие правой ногой. Я ценю то, что это нажатие ногой для блокировки и нажатие вниз для разблокировки ногой, поэтому, когда вы носите сандалии, вы не повредите ноги, разблокируя их! Я бы порекомендовал эту коляску всем, кто ищет двойную коляску, которая легко трансформируется в одинарную. Так как он легко складывается и компактно складывается (с прикрепленным сиденьем!), его можно использовать и в автомобильных поездках.
Изображения клиентов
Этот обзор продукта был собран производителем.
Отличная коляска для занятой мамы
Я очень довольна Cybex Gazelle S. Коляску легко толкать и очень легко складывать. Мне особенно нравится механизм пряжки сиденья, который легко открывается и расстегивается одной рукой. Капюшон от солнца прочный и расстегивается за пределы того, как я использовал его на фотографиях, чтобы иметь более глубокий козырек от солнца с клапаном для смотровой площадки (у которого нет липучки, поэтому при проверке спящего ребенка не будет слышно шума). Нижняя корзина может вместить так много, а дополнительная корзина на вынос отлично подходит для покупок или поездок в парк. Коляска имеет обычную ширину, потому что она проходит через все дверные проемы, и, хотя это длинная коляска, ее легко поворачивать и маневрировать, она кажется прочной и легкой. Шины устойчивы к проколам и просты в использовании на бетонной или травянистой местности. Я приятно удивлен, что руль выдвигается на такое количество разных высот, что отлично подходит для меня с ростом 5 футов 3 дюймов и моего мужа с ростом 6 футов 0, чтобы иметь возможность удобно отрегулировать его для использования.
Моему ребенку было комфортно как лицом вперед, так и лицом назад в коляске. Его ноги могли удобно опираться на подставку для ног, которая хорошо спроектирована как для спины, так и для родителей. Тормозная система коляски — это простое нажатие правой ногой. Я ценю то, что это нажатие ногой для блокировки и нажатие вниз для разблокировки ногой, поэтому, когда вы носите сандалии, вы не повредите ноги, разблокируя их! Я бы порекомендовал эту коляску всем, кто ищет двойную коляску, которая легко трансформируется в одинарную. Так как он легко складывается и компактно складывается (с прикрепленным сиденьем!), его можно использовать и в автомобильных поездках.
Изображения клиентов
Этот обзор продукта был собран производителем.
Удивительное качество и универсальность
Я пользуюсь этим продуктом чуть больше месяца и очень впечатлен всеми его функциями! Этот продукт легко адаптируется ко всему, что мне может понадобиться. Я использовал ее как двойную коляску с автокреслом и как одиночную коляску; оба впечатляют.
Адаптеры просты в использовании, а коляску можно легко переставить в соответствии с повседневными потребностями. Кроме того, он легко и компактно складывается, что упрощает его хранение.
Идеально подходит для похода в магазин (с очень большой корзиной для хранения), прогулки по музею или даже для длительной прогулки в парке. В целом, эта коляска качественная и универсальная!
Этот отзыв о товаре собран производителем.
Обожаю эту коляску
Я пользуюсь этой коляской уже несколько недель и должен сказать, что она мне очень нравится. Эта коляска выглядит дорого за половину цены других роскошных колясок. Подвеска передних колес обеспечивает плавную езду. Кочки какие кочки? Выдвижной руль отлично подходит для моего мужа, который выше меня. Навес также расширяется и довольно большой. Фолд немного сложен, так как он не выполняется одной рукой, но как только вы его освоите, это не так уж и плохо. Она также тяжелая и не компактная, так как это двойная коляска. Мне нравится, что эта коляска будет расти вместе с моей семьей, начиная с стадии новорожденного (с включенной люлькой), стадии малыша и сестры со вторым сиденьем (не входит в комплект).
Я с нетерпением жду, чтобы использовать эту коляску в течение многих лет. Самое приятное то, что у Cybex есть подстаканник. Это всегда дополнительный аксессуар, за который по какой-то причине приходится доплачивать.
Изображения клиентов
Этот обзор продукта был собран производителем.
отличная коляска
мне очень понравилась эта коляска. мне очень пригодился. я мог ухаживать за детьми и делать покупки или делать или получать то, что мне когда-либо было нужно. Коляска немного тяжелее, но ее очень легко собрать и достать из машины. однозначно рекомендую эту коляску.
Этот отзыв о товаре собран производителем.
Обожаю нашу новую газель Cybex!
Мы уже являемся поклонниками cybex, начиная с облака и mios с # 1 — мы были так рады попробовать газель, и она не разочаровала! люблю легкое в / из и простые функции складывания, и не могу дождаться, чтобы попробовать это с двумя!
Этот отзыв о товаре собран производителем.
Отлично подходит для двоих!
Я получил этот продукт в составе родительской панели Savvy и очень доволен! Сначала нужно было использовать инструкцию по сборке, но у нее были отличные функции! Детская кроватка отлично подходит для детей, которые еще не могут сидеть, особенно зимой, так что вы можете укутать их и защитить от ветра! Несколько конфигураций отлично подходят для 2 детей с таким количеством вариантов! Мне нравится, что он складывается вместе с прикрепленным сиденьем, а не разделяется на части, как некоторые другие на рынке. Корзина для покупок – еще одно удобное приспособление. Подстаканник не очень удачный дизайн и легко опрокидывается, если моя бутылка с водой почти полная. В целом отличная коляска! Едет очень плавно с амортизаторами на колесах. Мне также нравится, что штора опускается очень низко, чтобы блокировать солнце практически под любым углом.
Этот обзор продукта был собран производителем.
Шикарно выглядящая и удобная коляска!
Красивая и шикарная коляска.
Моему сыну, который обычно ненавидит коляски, в ней было очень комфортно. Он великолепен даже на пересеченной местности. Мы живем в районе с мощеной улицей. Эта коляска очень плавно маневрирует на местности. Его довольно легко собрать, открыть и закрыть, но я посмотрел видео на YouTube, чтобы увидеть демонстрацию. Это удобно для пользователя. Мой младенец все еще спит во время наших ежедневных прогулок, и сиденье откидывается назад, что очень удобно. Планируем в скором времени еще одного ребенка, поэтому люльку тоже купили. Мы рады использовать эту коляску в ближайшем будущем. В целом коляской очень доволен, всем рекомендую!
Этот обзор продукта был собран производителем.
Лучшая коляска, которая у меня была!
Эта коляска просто потрясающая. У меня много детей, и у меня было много разных типов и марок колясок. Этот, пожалуй, самый крутой. Хотел бы я иметь это с самого начала.
Одного того факта, что в нем так много различных комбинаций мест для сидения, достаточно, чтобы заинтересовать меня.
Добавьте простоту использования и очищаемость, и я продан!
Защелкивать сиденья/детскую кроватку/корзину на раме коляски и снимать с нее очень просто. У меня сейчас нет совместимого автокресла, но я планирую его приобрести в ближайшее время.
Из-за пандемии мы почти не пользовались коляской, но несколько раз гуляли. У коляски превосходное управление, и она плавно скользила по некоторым из наших грубых улиц. Большие задние колеса определенно помогают в этом. Ребенку было очень уютно и тепло в детской кроватке. Удобный наматрасник и застегивающийся сверху чехол защищают от сильного ветра. Моя любимая часть различных комбинаций сидений заключается в том, что я могу расположить их лицом ко мне. Это очень важно для младенца.
Почти все можно расстегнуть или распаковать и извлечь для очистки. Это огромная проблема, потому что дети грязные!
У меня только одна жалоба на систему. В инструкции только картинки и схемы. Иногда я изо всех сил пытался понять, что я должен был делать при сборке.
В прилагаемой корзине для покупок есть инструкции по настройке, и я не мог понять, как это сделать. На самом деле, я погнул две пластиковые опоры. Все это говорит о том, что я чувствую, что было бы полезно иметь некоторые текстовые описания с диаграммами.
Изображения клиентов
Этот обзор продукта был собран производителем.
Нравится стиль и функции!
Я получил это как бесплатный продукт для ознакомления, и я в восторге!! Прежде всего, посмотрите видео на YouTube для настройки. Это сделало вещи НАМНОГО проще! Мне нравится, что эту коляску можно использовать по-разному. У меня есть 4-месячный и крошечный 3-летний. Это идеальная коляска для использования в отпуске, в торговом центре, зоопарке и т. д. Мы использовали ее до сих пор в нескольких поездках в торговый центр, и мой 4-месячный ребенок мирно спит в кроватке. Я также использовал его только для моего 3-летнего на пару прогулок. Мы поменяли кроватку на корзину, потому что он хотел собрать палочки и другие вкусности во время нашего приключения.
Огромная корзина внизу идеально подходит для сумок для пеленок, курток и сумок для покупок. Подстаканник тоже был плюсом.
Еще одна замечательная особенность заключалась в том, что ручка для толкания коляски может выдвигаться выше для более высоких людей. Муж это оценил!
В целом коляска отличного качества с бесконечным набором функций и настроек.
Этот отзыв о товаре собран производителем.
Плавная езда и много места для хранения!
С еще одним ребенком в пути, мне нужна была коляска с возможностью добавить еще одно сиденье/люльку/автокресло. Прогулочную коляску Gazelle S Complete легко транспортировать, она обеспечивает плавный ход и много места для хранения. Мне нравится маленькая корзина для покупок, которая также служит местом для хранения закусок и моего кошелька. Взгляд очень острый. Нижний отсек достаточно большой, чтобы вместить самокат моей старшей дочери, шлем и многое другое. И мне нравится расположение тормозов! Не могу дождаться прибытия моей следующей маленькой пачки!!!
Изображения клиентов
Этот обзор продукта был собран производителем.
Невероятная продуманность от одинарной до двойной
Я пользуюсь этой коляской уже около месяца с моим новорожденным ребенком 2,4 года. Честно говоря, это лучшая коляска для тандема, которую я когда-либо использовал! Его было легко собрать, особенно после просмотра видео о сборке Cybex (просто полезный совет)! Дизайн этой коляски продуман до мелочей! Я одержим встроенными адаптерами, которые позволяют мне трансформировать эту коляску в соответствии со своими потребностями без необходимости помнить дополнительные адаптеры, у какой мамы есть на это время? Мне нравится, что у этой коляски так много конфигураций. Сиденье для малышей можно использовать на верхней или нижней части рамы, а также на детской кроватке, что очень удобно. Корзина для покупок — еще один плюс коляски. Я бы хотел, чтобы его также можно было прикрепить к нижней части рамы, а не только к верхней, но это не мешает. Мне нравится, что коляска может складываться с сиденьем в любом из различных положений на коляске, а не только в определенном положении, это делает ее чрезвычайно удобной для складывания и установки в машину или для хранения в доме или гараже.
Сама коляска тоже великолепна, мы получили много отзывов о ней во время прогулки. Мы использовали эту коляску во многих местах. Изнутри магазинов, тротуаров, грязных дорожек он хорошо справился со всем. Плавный ход, удобная регулируемая ручка. Капюшоны от солнца огромны и расстегиваются, чтобы стать еще больше, и открывается сетчатое смотровое окно. Сиденья откидываются почти горизонтально и не ставят ребенка в странное положение, как это делают некоторые другие сиденья. Он поставляется с дождевиком, а также подстаканником, и мне нравится, что он также поставляется с адаптерами для автомобильных сидений Cybex/Maxi Cosi/Nuna. Они идеально сочетаются с моим автокреслом Nuna. Люлька также великолепна и идеально подходит для новорожденного. Люлька представляет собой безопасное, абсолютно плоское место для сна ребенка в коляске. Я действительно хотел бы, чтобы он был безопасным для ночного сна, я чувствую, что это поможет сделать его еще более полезным в дороге, просто нужно учитывать. Если вы ищете прочную, великолепную коляску с великолепным дизайном, которая будет расти вместе с вашей семьей, эта коляска для вас!
Этот обзор продукта был собран производителем.
ПОТРЯСАЮЩАЯ КОЛЯСКА!!!
Это топовый продукт по очень разумной цене. Неделю назад у меня родился ребенок, и нам очень понравилась люлька. Он не пропускает ветер и защищает ребенка от любого попадания ему в лицо. Коляска хорошо собрана и удобна в использовании. Толкает как сон! Лучшая коляска, которой я когда-либо пользовалась. Материалы кажутся качественными материалами, и они кажутся очень прочными, но при этом легкими и удобными! Тормоз настолько прост в использовании — это действительно лучшая коляска, которую я когда-либо видел! Очень рекомендую!
Изображения клиентов
Этот обзор продукта был собран производителем.
Обожаю эту коляску
Коляску получил в конце декабря. Хотя у нас был ледяной шторм сразу после того, как он был доставлен, получить его было удовольствием. Сначала у меня были небольшие проблемы с тем, чтобы понять, как это работает. Но как только я посмотрел видео о его сборке и о функциях, все стало проще простого.
Моим старшим детям нравится возить ребенка по дому, а муж может даже поднять ручку и с комфортом взять его на прогулку. Я также люблю все, что идет с ним. Корзина для покупок, дождевик, люлька. И тот факт, что она может легко превратиться в коляску для двойни, удивителен. Нам нравится эта коляска. Даже мой 5-летний ребенок хотел на нем прокатиться.
Этот обзор продукта был собран производителем.
Так много конфигураций сидений!
Коляска в целом отличная. Вы можете сделать более 20 вариантов сидения, что очень поможет растущей семье. Сначала мы купили его для нашей дочери и подождали, понравится ли оно нам, прежде чем покупать второе место. И нам, и нашей дочери это нравится, и мы купили второе сиденье, а также дополнительные аксессуары для него. Мы ежедневно брали его с собой на заснеженные / обледенелые тротуары и дороги, и он так хорошо управлялся даже одной рукой. Коляска тоже выглядит очень красиво. Первоначальная настройка была немного сложной, поэтому я бы порекомендовал перейти на их сайт и посмотреть видео, а не следовать ручным инструкциям.
Корзина внизу большая, что является приятным плюсом. В качестве одиночной коляски она великолепна, особенно функция наклона спинки. Сначала немного сложно разобраться с регулировкой ремешка, но теперь, когда я знаю, как это сделать, мне очень нравится, как он устроен. Мы добавили люльку в коляску вместе с нашей дочерью в сиденье, и она по-прежнему очень хорошо маневрирует. Он очень легко складывается и становится довольно маленьким. Мне также очень нравится, что вы можете добавить к нему автокресло cybex, если хотите использовать его вместо люльки. Подвеска на нем тоже очень хороша, такого я еще не видел. Это также хорошо работает, чтобы быстро подпрыгивать нашей дочери во время прогулки, если она становится суетливой. Между всеми конфигурациями и хорошей управляемостью я определенно вернусь снова.
Если бы были какие-либо улучшения, я бы хотел, чтобы они сделали сиденье намного длиннее, так как наши 18-месячные ноги достигают конца, если подставка для ног поднята, найдите способ, чтобы люлька была сверху с сиденьем внизу, и чтобы два сиденья могли откидываться при совместном использовании.
Но в целом это мелочи, и они не умаляют того, насколько коляска великолепна.
Этот отзыв о товаре собран производителем.
Отличная коляска для двоих!!
Нам очень нравится Газель! Универсальность этой коляски — ее лучшая черта. С двумя мальчиками младше 2 лет возможность использовать его как одинарную или двойную с таким количеством конфигураций чрезвычайно полезна. Рама прочная и складывается максимально ровно из всех сопоставимых колясок для двойни. Основание стоит в сложенном виде, что очень удобно, когда вы пытаетесь возиться с детьми. Нам также нравится регулируемая ручка и высота сиденья. Люлька-переноска прекрасно подходит для нашего новорожденного, а адаптеры для автомобильных сидений очень легко установить/снять при необходимости. Мой единственный минус во всей этой коляске — это процесс складывания. Иногда нажатие внутрь и вниз требует нескольких попыток, прежде чем сработает.
Этот обзор продукта был собран производителем.
Самая полезная коляска!
Эта коляска настолько элегантна и хорошо сконструирована, что вы не ошибетесь, выбрав ее в качестве первой и последней (если, конечно, вам не нужен другой стиль или меньше возможностей).
Там много места для малышей, и мои 1, и 2 года могли кататься одновременно! Существует также место для хранения ваших вещей, независимо от того, покупаете ли вы продукты или просто хотите разместить мелкие предметы. Мне нравится гладкий, роскошный внешний вид, он определенно ставит эту коляску выше многих других соперников! С такой доступностью вам не нужно совершать несколько поездок или брать с собой дополнительную сумку для похода в магазин или прогулки. Не нужно искать в другом месте отличную, надежную и стильную коляску!
Этот обзор продукта был собран производителем.
Идеально подходит для детей с пониженным тонусом
У моей почти 2-летней дочери задержки развития и проблемы с тонусом. Она не может сидеть в тележке для покупок, а слинги часто ей неудобны. С этой коляской делать покупки намного проще! Съемная корзина вмещает 2 галлона молока, а все остальные продукты легко помещаются на дно. Ей очень нравилось смотреть на все вокруг, и мне нравится, что я могу откинуть ее почти горизонтально, чтобы сменить подгузник или чтобы она могла немного вздремнуть.
К сгибу нужно немного привыкнуть, но он довольно компактный. Это мечта управлять, и не так уж сложно провести ее через дверь, которую вы должны держать открытой для себя.
Изображения клиентов
Этот обзор продукта был собран производителем.
Отличная поездка!
Я получил эту коляску Cyber Gazelle несколько дней назад, и до сих пор с ней было так весело играть! У него такая плавность хода и он так хорошо едет по неровностям асфальта! Он также чувствует себя крепким и отличным качеством! Моему сыну в нем так комфортно! В комплекте была кроватка хорошего качества, и я бы очень хотел, чтобы она была у меня, когда родился мой сын! Одна из моих любимых вещей — корзина! Это делает поход в магазин за продуктами таким же легким, как и поход на фермерский рынок! Другое дело, что у этой коляски так много комбинаций, что мне не терпится попробовать их! В этой коляске можно разместить двоих детей. У меня есть только один, поэтому я не проверял lt.
мой сын кажется удобным в нем. Это первая коляска, которую я нашел, в которой сиденье может сидеть очень высоко к вам! Мне нравится, когда он так близко ко мне! Когда вы используете корзину для покупок, сиденье должно быть внизу, и это нормально. Это дает ребенку другую точку зрения. Этот продукт также кажется очень прочным и безопасным и так красиво поворачивается! Я весело провел время, взяв его за спины!
Одна из жалоб заключается в том, что инструкции сложно прочитать и понять, как пользоваться коляской и всеми ее различными комбинациями, особенно когда вы заняты своим ребенком. Но как только вы это поймете, это будет довольно легко.
Этот отзыв о товаре собран производителем.
Прогулочная коляска премиум-класса, минималистичная для близнецов
Я искал коляску для близнецов, которая действительно удобна для путешествующих родителей. Трудно найти коляску для двойни, которая не была бы слишком громоздкой, но в которой было бы легко маневрировать в машине и выходить из нее.
Я получил много комплиментов по поводу коляски, так как она великолепна. Мне нравятся все места для сидения, но чаще всего мы придерживаемся одного и того же. Регулируемый руль был тем, что я никогда не понимал, что мне нужен, но с бабушкой и дедушкой, моим мужем и моей разницей в росте в 10 дюймов, это было так удобно для всех прогулок, которые мы все делаем, в зависимости от того, кто смотрит. Мы планируем завести еще одного ребенка и знаем, что люлька будет отличной, когда мы отправимся в парк с небольшой вибрацией, чтобы разбудить нашего сонного ребенка. Спасибо за возможность иметь такую премиальную коляску! Когда путешествия снова станут безопасными, я знаю, что эта коляска станет идеальной для аэропорта и самолета благодаря простоте складывания и возможности снятия колес.
Этот обзор продукта был собран производителем.
Элегантность и удобство
Мы пользуемся вторым автокреслом Gazelle уже несколько недель, и мне эта коляска нравится еще больше. Второе сиденье того же размера, что и первое, что позволяет моим детям 3 и 1 года комфортно разместиться.
Темно-синий цвет соответствует действительности и хорошо сочетается с коричневой кожаной перекладиной. Удлиненный капюшон пригодится в те редкие моменты, когда мне приходится бегать по магазину и мне нужна частичная форма защиты, так как мой младший не может носить маску. Мне также нравится, как складываются сиденья, что облегчает хранение в машине. Пространство между сиденьями немного тесновато, если смотреть в одну сторону, но это можно решить, повернувшись лицом к сиденьям в противоположных направлениях. Единственный недостаток, который у меня есть, — это расстояние между сиденьями, и хотелось бы, чтобы был удлинитель, который поднимает верхнее сиденье, чтобы дать моей дочери немного больше места для ног. В целом, я настоятельно рекомендую второе сиденье, и оно значительно облегчает жизнь с двумя малышами.
Изображения клиентов
Этот обзор продукта был собран производителем.
Большая модульная коляска
Отличная модульная коляска.
Его очень легко преобразовать из одинарного в двухместный или добавить корзину. Мне нравится, как это просто без каких-либо дополнительных адаптеров, за исключением некоторых автомобильных сидений, для которых может потребоваться адаптер. Нажимать очень плавно.
Отличное качество. Нравится ощущение руля. А чехлы все снимаются для стирки. Он чувствует себя очень прочным. Вес сравним с другими модульными/трансформируемыми колясками.
Установка оказалась не самой простой. Следовать инструкциям стало намного легче. Одним из недостатков этой коляски было отсутствие письменных инструкций. Инструкции по установке полны картинок, и это здорово, но нет письменных инструкций, касающихся безопасности. Ограничения по весу четко прописаны. Но не хватало информации. Для каких автокресел нужен адаптер? Какие автокресла работают с адаптером, а какие нет? Информацию можно найти на сайте, но было бы неплохо иметь ее в инструкции по эксплуатации.
Единственный минус в том, что коляска складывается двумя руками.
Его нельзя складывать во время перевозки ребенка. Вам понадобятся обе руки, чтобы сложить коляску. Было также немного сложно сложить. Вы должны убедиться, что полностью нажали все 3 кнопки, чтобы коляска сложилась.
Этот отзыв о товаре собран производителем.
Многофункциональная коляска!
Эта коляска большая и мощная! В нем есть все функции, которые вы ожидаете от этой компании. Он сделан из материалов отличного качества и прочный. Этот продукт позволяет использовать его не только как коляску, но и как коляску, что я считаю очень удобным, особенно когда вы путешествуете с детьми. 100% рекомендую всем и каждому!
Этот обзор продукта был собран производителем.
Универсальность и стиль!
Я долго искал идеальную коляску для поездок по делам и наконец нашел! Газель S предлагает огромное количество места для хранения вещей под сиденьем. Я могу ходить в продуктовый магазин со своим малышом и покупать все, что мне нужно, и даже больше! Также есть корзина, которая крепится к коляске над сиденьем, которую я использую для хлеба, булочек и других предметов, которые я хочу сохранить в безопасности.
Помимо места для хранения, эта коляска отлично выглядит и едет как мечта. Обтянутые кожей ручки на верхней части коляски и на детском сиденье придают стильный вид. Сама коляска очень плавно катится и позволяет легко ходить на большие расстояния! Моему ребенку удобно в кресле, и ему нравится тот факт, что он может ездить лицом вперед или «лицом к маме». Эта коляска легко складывается и складывается за считанные секунды. Gazelle S меняет правила игры, когда дело касается универсальных колясок!
Этот обзор продукта был собран производителем.
Sturdy Ride
В целом, эта коляска имеет приятный плавный ход и кажется очень прочной и хорошо сложенной. Как мама ростом 6 футов и более высокий муж, я скажу, что эта коляска с функцией регулировки действительно достигает хорошей высоты для нас обоих. Это всегда беспокоит при покупке продуктов.
Плюсы:
— Довольно легко собрать, за исключением того, что есть детали, которые не были объяснены в инструкциях к видеоклипу, поставляются с клипсами для автомобильного сиденья, которые не входят в комплект.
— Достаточно высокий, чтобы мы могли его толкать
— Легко регулировать высоту для двух детей
— Дополнительный отсек для хранения во время похода за покупками очень удобен
— Легко открывается и используется
— Может использоваться в течение длительного периода времени для baby
Минусы:
— Трудно закрыть одной рукой, поэтому нельзя держать ребенка при закрывании
— Автокресло не поставляется, это дополнительная опция, которая становится дорогостоящей вам нужно приобрести много дополнительных услуг, потенциально в зависимости от того, хотите ли вы использовать все функции, особенно если вы хотите использовать функцию второго ребенка.
— В то время как есть много места для хранения вещей, он поставляется с очень хлипким подстаканником, и для довольно тяжелой и прочной коляски меня удивило, что он поставляется с очень тонким, не очень поддерживающим подстаканником и без другой держатель личных вещей для быстрого доступа к напиткам, детским бутылочкам, телефонам, закускам и т.
д., не для ребенка или мамы.
— Что касается варианта с люлькой, я был потрясен, увидев, что есть очень удобный коврик, но нет ничего, что облегчило бы его вынимание и стирку, мне нужно снова просмотреть инструкции, возможно, вы сможете постирать весь коврик, но я не я так не думаю, я бы хотел получить что-то вроде водонепроницаемой простыни, которую было бы легко чистить, если ребенок срыгивает.
Езда очень плавная, можно легко переходить с цемента на траву и обратно, что очень здорово, сломать его очень просто, в целом отличный продукт, но не помешало бы несколько улучшений.
Этот отзыв о товаре собран производителем.
Простая в использовании
Эта коляска очень красивая и легко регулируется. Детское кресло красивое, дочке очень нравится в нем кататься. Он прост в сборке и чрезвычайно удобен. Это отличный вариант для занятых родителей в пути. Цвет приятный, нейтральный, легко смывается. Сиденье изготовлено из высококачественного материала от проверенной компании.
Этот обзор продукта был собран производителем.
Роскошная коляска с множеством опций!
Прогулочная коляска Cybex Gazelle S Complete с детской кроваткой — это удивительно универсальная коляска, которая идеально подходит как для малышей, так и для детей. С появлением нового ребенка детская кроватка стала теплым и уютным местом, где мой ребенок мог прижаться, пока я гуляла с коляской. Мы использовали эту коляску как для прогулок на улице, так и для прогулок внутри, и управление и толкание в обоих сценариях были великолепны. Кроватка имеет очень мягкую обивку, благодаря которой ребенку было комфортно все время, пока мы были на улице, где я чувствовал, что она в безопасности. Корзина для покупок, которая шла в комплекте, была абсолютным спасением, в ней хранились все мои предметы первой необходимости и даже больше! Корзина для хранения внизу также предоставила достаточно места для размещения других предметов. Мне очень нравится, что эта коляска может расти вместе с моим ребенком и предоставляет так много вариантов с более чем 20 различными конфигурациями в зависимости от стадии вашего ребенка (детей) и ваших потребностей! Я лично использовал детскую кроватку с корзиной для покупок наверху для хранения вещей.
Материал и дизайн коляски прекрасны, вы можете определенно сказать о ее качестве. Коляска едет мягко и очень прочная. Складывать и раскладывать коляску было относительно легко. Чтобы собрать коляску и некоторые ее части, пришлось немного поучиться, но с инструкцией по эксплуатации и некоторой практикой это того стоило. В целом, я бы порекомендовал эту коляску тем, кто ищет универсальную коляску, которая будет расти вместе с ребенком долгие годы.
Изображения клиентов
Этот обзор продукта был собран производителем.
Шикарная и роскошная
На первый взгляд эта коляска изящная, шикарная, а кожаные акценты придают ей роскошный вид. Но помимо великолепного внешнего вида у этой коляски есть много преимуществ, в том числе много места для хранения. Большая нижняя корзина и дополнительная пристегивающаяся корзина облегчают поход в продуктовый магазин (или в Target). Места хватит для всего, и не нужно класть ребенка в общую тележку для покупок.
Нам также очень нравится возможность регулировать длину ручки, а открытое пространство в нижней части коляски позволяет мне и моему гораздо более высокому мужу с легкостью ходить. Но самой выгодной особенностью коляски является множество конфигураций, которые позволяют трансформировать ее во все, что вам нужно, и расти вместе с семьей, а не покупать несколько колясок или загружать машину несколькими различными вариантами переноски. Наконец, компактный размер и рулевое управление делают его идеальным для небольших магазинов, где узкие проходы и крутые повороты. Это идеальная коляска для всей семьи.
Этот обзор продукта был собран производителем.
Такой универсальный!!
Мы живем в пригородном районе, много магазинов в пешей доступности. Я был так взволнован, когда нашел коляску, которая может взять меня с прогулки по окрестностям до покупки продуктов и иметь место для хранения, чтобы доставить их домой, используя корзину для покупок и ОГРОМНОЕ место для хранения внизу, без необходимости вести машину!
Сама коляска очень хорошо сделана и легко собирается.
Направления полезны, хотя я бы хотел, чтобы были быстрые указания для люльки. Я боялся, что сломаю его, пока не понял, как его расширить и как держать купол полностью выдвинутым. Это также простой процесс, чтобы свернуть, если мне нужно взять его в машину. У него много отличных отделок, таких как кожаная ручка и перекладина для живота, и он выглядит как коляска высокого класса без высокой цены. Поездка плавная на новом бетоне или в магазинах, и она действительно хорошо перемещается и легко проходит через проходы магазинов (даже перемещаясь по разделу детской одежды в универмагах!!), но немного грохотает на улицах / старых тротуарах.
Люлька/люлька большая и вместительная, с удобной ручкой, которая помогает удерживать ее в устойчивом положении при транспортировке внутри, чтобы не разбудить ребенка. У него также есть лучшая функция, когда вы можете нажать каждую кнопку, чтобы освободить люльку от коляски, и они останутся нажатыми, пока вы не снимете люльку, чтобы вы могли снять ее одной рукой !!
Единственное, что я хотел бы, это иметь еще одну конфигурацию (сиденье обращено вниз, а люлька вверху), но я нашел другие способы сделать так, чтобы это работало и развлекало моего старшего малыша.
Я думаю, что могу заказать детскую доску, чтобы дать нам еще один интересный способ отправиться в путешествие, когда она больше не хочет ходить, и при этом оставить мне место, чтобы использовать корзину для покупок с люлькой.
В целом, мне определенно нравятся все замечательные функции, и они определенно облегчают жизнь этой мамочки во время прогулок и покупок, которые мы делаем!!
Изображения клиентов
Этот обзор продукта был собран производителем.
Отлично
Это второе сиденье идеально подходит, потому что теперь моя дочь может кататься в коляске со своим младшим братом, и мне, как маме 4 детей, с ней легче управляться, и коляской по-прежнему очень легко управлять, когда оба сидят, мне это нравится очень много. Я очень рад, что у Cybex лучшая коляска для моей семьи.
Изображения клиентов
Этот обзор продукта был собран производителем.
Красивая и универсальная коляска
Я влюблена в эту коляску!! Я бы хотел, чтобы было больше вариантов складывания деталей одной рукой, но в остальном это здорово.
Он красивый и хорошо управляется, когда я беру его либо в парк с моим малышом, либо в центр города Остин с моим младенцем. Насадка-корзинка очень удобна для быстрых походов в продуктовый магазин, а детская кроватка — моя любимая насадка. Действительно, эта коляска великолепна, у нее хорошие амортизаторы и множество конфигураций для любых ваших потребностей.
Изображения клиентов
Этот обзор продукта был собран производителем.
Очень нравится!
Мы только что получили эту коляску на днях и не могли дождаться, чтобы открыть ее. Это красиво (очень причудливо выглядит с кожаной ручкой и перекладиной на животе)! Он легко открывается и имеет очень плавный толчок к нему. Мне нравятся все варианты, как настроить коляску. Вы можете легко сдвинуть сиденье вверх или вниз, чтобы можно было прикрепить автокресло или второе сиденье. Единственная жалоба на то, что это немного сложно закрыть. Я пробовал другие коляски, и эта определенно потребовала некоторой практики, чтобы закрыть ее.
В противном случае я бы дал ему 5 звезд. Обязательно будем часто пользоваться!
Этот обзор продукта был собран производителем.
Множество опций, но не удобство
Плюсы:
Удобство в обращении
Кожаная отделка
Вариант с огромной корзиной
Подстаканник
Вариант с двойной коляской
Вариант с люлькой
Вместительное место для хранения
Адаптируемое автокресло
Встроенная ручка 92 регулируемых адаптера
Регулируемые сиденья
Минусы:
Трудно регулировать по всем направлениям
Роскошная цена, но кнопки и щелчки привередливы
В целом простота использования ОЧЕНЬ важна для меня как мамы двоих маленьких детей. Я ЛЮБЛЮ все варианты, но чувствую, что есть возможности для улучшения простоты использования, особенно по сравнению с другими вариантами на рынке.
Этот отзыв о товаре собран производителем.
Легко добавить второе сиденье
Это второе сиденье для малышей меняет правила игры в нашей семье.
Мне понравилось, что внутри коробки к этому сиденью была инструкция. После того, как вы закрепите первое сиденье ниже на раме, у вас есть несколько вариантов размещения этого сиденья для малышей. Поначалу нам было удобно сидеть лицом вперед, но места для ног было мало, и мои дети пинали и толкали сиденье своего брата или сестры перед собой. Мы попытались повернуть сиденье назад, что лучше сработало для места для ног, но они не могли видеть ничего, кроме того, что было позади нас.
Сиденье выполнено из качественной ткани великолепного серого цвета. 5-точечные ремни хороши для тех детей, которые любят стоять в коляске, чтобы держать их сидя. Кожа вокруг бара выглядит очень качественно. Мне также понравилось, что у сиденья была подвижная крышка типа зонтика, чтобы я мог регулировать верх каждый раз, когда меняю направление во время прогулки.
Изображения клиентов
Этот обзор продукта был собран производителем.
Cybex Gazelle S — фантастическая коляска!
Я только что получил эту коляску по почте и должен сказать, что это отличная коляска.
Я мама 3-х детей (ожидаю 4-го), и у меня было много колясок, эта соответствует всем пунктам списка, которые мне нравятся в колясках! Открыв коробку, я увидел, что все аккуратно упаковано и очень легко собирается. Инструкции очень четкие, хотя хотелось бы, чтобы были слова, а не только фотографии, но это просто личное предпочтение. Мне нравится, что в коляске есть встроенные адаптеры для добавления дополнительного сиденья или детской кроватки, а также адаптеры для автомобильных сидений! Корзина для покупок также является отличным дополнением. Он красивый и вместительный, в него поместится много вещей. Мне нравится, что Газель S не слишком громоздка и легко помещается в мой фургон, а также в меньшую машину моего мужа. При необходимости эту коляску можно легко толкать одной рукой, а добавленный держатель для бутылок/стаканов — приятный штрих. Навес сиденья также опускается очень далеко, и откидывание сиденья также очень приятно. Если вы ищете коляску, которая будет расти вместе с вашей семьей, это отличная покупка, которая прослужит вам долгие годы.
Этот обзор продукта был собран производителем.
Must have для Газели!
Мы очень довольны этим сиденьем, и оно отлично подходит для двух моих младших детей, которые могут использовать коляску вместе. Мне нравится, что есть возможность поставить их лицом друг к другу, чтобы они могли развлекать друг друга! Отлично работает со всей системой Газели. Я не могу дождаться, чтобы добавить планерную доску для моего старшего! Это идеальная коляска для моей семьи, и я постоянно получаю от нее комплименты.
Этот обзор продукта был собран производителем.
Удивительное крепление второго сиденья!
Я не думал, что коляска Cybex Gazelle S может стать еще более удивительной. Получив это второе сиденье для малышей, я оказался неправ! Все в этом втором кресле просто фантастика. Его так легко прикрепить к коляске, и это так здорово, что можно расположить сиденья так, как вам нужно. Даже со вторым сиденьем, прикрепленным к коляске, остается достаточно места для хранения, что я считаю абсолютно необходимым в коляске.
Мои дети любят кататься в этой коляске, и так приятно иметь в ней второе сиденье, чтобы они могли кататься комфортно и стильно! Ткань очень прочная, а сиденье для малышей в целом невероятно прочное. Я получаю так много комментариев о том, как замечательно выглядит эта коляска с обоими сиденьями, когда я нахожусь на публике. Мне нравится каждый аспект этого сиденья для малышей, и я так взволнован каждый раз, когда использую его.
Этот обзор продукта был собран производителем.
Очень нравится это сиденье
Это потрясающая коляска для двойни, я очень рекомендую ее! Мне нравится, что оба сиденья имеют одинаковое ограничение по весу, в отличие от некоторых других брендов. Ручка под сиденьем для удобной переноски в сложенном виде — такой приятный бонус! Люблю эту функцию. Это кресло так легко откидывается одним нажатием кнопки. Удобно вставлять и снимать сиденье. Красивая качественная ткань и красивая клипса в системе! Нам очень нравится наша Cybex Gazelle и это дополнительное сиденье для нашего малыша и ребенка!
Этот обзор продукта был собран производителем.
Хорошо работает
Это так хорошо работает, когда в коляске растет двое детей. Это прекрасно работает. Удивительно, как много разных способов можно настроить сиденья. Хорошо работает для малышей и дошкольников тоже.
Этот отзыв о товаре собран производителем.
Отличный вариант для городских мам
За последние три года у нас было две разные коляски UppaBaby, но теперь я понимаю, почему так много людей в восторге от Cybex!
Эта коляска продумана до мелочей — ее подвеска идеально подходит для городских улиц, и я ценю, насколько низко расположено основное детское кресло — нашей дочери оно нравится, и хотя это большая коляска, она кажется намного меньше, чем наша Vista.
Как мама, живущая в городе, я ценю, сколько у меня теперь места для хранения. Между корзиной внизу и корзиной наверху так полезно иметь возможность нести гораздо больше, чем я привык. Эта коляска идеально подходит для походов по магазинам и позволяет мне с легкостью нести все домой (вместо того, чтобы ждать доставки, чтобы следовать за покупками лично).
Через несколько месяцев мы ожидаем №2, и я с нетерпением жду перехода на двухместное сиденье. Кроме того, мы являемся преданными пользователями автокресел Cybex, и я очень рад, что у меня есть детское кресло, которое так легко соединяется с нашей коляской.
Еще один замечательный продукт Cybex!
Изображения клиентов
Этот обзор продукта был собран производителем.
Новая коляска Treyan
Выглядит очень красиво, но……..
В комплекте нет инструкции, сложно собрать, если я захочу поставить его в машину, то он будет слишком большим. Цвет красивый, если у вас двое маленьких детей, то пригодится.
Изображения клиентов
Этот обзор продукта был собран производителем.
Идеальная коляска, отвечающая многим требованиям!
Эта коляска очень удобна для активных родителей. Он может вместить так много, и в хранилище может поместиться второй ребенок, когда он не используется.
Он легко складывается и удобно открывается. Цвет приятный синий, легко моется теплой водой. Я получаю много комплиментов по поводу коляски о том, как она выглядит великолепно. Я бы порекомендовал его супер тонкий, чтобы пройти через узкие места. Коляска может даже изменить положение сиденья для установки, что замечательно. Мои дети счастливы в коляске и даже легко спят.
Этот обзор продукта был собран производителем.
Идеальное сочетание роскоши и функциональности
Наконец!!! Идеальная коляска — роскошный вид, разумная функциональность и в разы дешевле, чем у конкурентов. Я не могу сказать достаточно хороших слов об этой коляске!! Когда он впервые прибыл, я был так впечатлен качеством изготовления и тем, как легко было просто собрать все вместе. Я заказал темно-синий цвет, и он еще более гладкий и элегантный лично. Колеса скользят очень плавно, и детей очень легко садить и высаживать. Она также лучше подходит для путешествий, чем большинство других колясок для двойни, потому что ее можно разобрать, чтобы она занимала меньше места.
Даже колеса просто защелкиваются и отщелкиваются (если вам это нужно).
Идеально подходит для выполнения поручений и покупок с малышом. В две корзины вмещается так много вещей, что я даже буду использовать ее для покупок вместо магазинной/общественной тележки для покупок. (Обычно я беру только одного из своих детей, чтобы использовать как верхнюю, так и нижнюю корзины. Они могут перекусить, пока вы ходите по магазинам, и вам не нужно беспокоиться о том, что они коснутся всех микробов, которые находятся на этих грязных тележки для покупок.) Мне нравится наполнять нижнюю корзину более тяжелыми вещами, такими как банки, молоко, соки и т. д., а верхнюю корзину — фруктами, овощами, яйцами и т. д. Она подходит для целой поездки с продуктами.
Поскольку у меня есть ирландские близнецы (2 и 3 года), последним испытанием этой коляски будет пространство для ног между верхним и нижним сиденьями, но я еще не заказал второе сиденье, чтобы иметь возможность просмотреть. Я подумываю о том, чтобы вместо этого приобрести насадку для подножки, потому что 3-летний ребенок не любит сидеть слишком долго, и он любит кататься на таких вещах, как велосипеды и самокаты.
Думаю, ему будет веселее, чем кататься на сиденье. (Кроме того, я мог бы оставить верхнюю корзину для дополнительного хранения, лол)
В целом, это идеальная коляска для путешествий, шоппинга или выполнения поручений с одним из ваших детей. Она имеет супервысокий вид и делает все, что вы можете пожелать от коляски. Я не могу дождаться, чтобы попробовать его в качестве коляски для двойни! Вот где будет настоящее испытание, но пока я могу сказать, что это сделано настолько продуманно, что не разочарует.
Этот отзыв о товаре собран производителем.
О расширении масштабов — Книга-бестселлер Верна Харниша
Расширение масштабов оценки МАСШТАБИРОВАНИЕ Как немногие компании добиваются успеха…и почему остальные этого не делают ДОСТУПНО НА 22 ЯЗЫКАХ КУПИТЬ НА АНГЛИЙСКОМ ЯЗЫКЕ Заказать коробку книг ДОСТУП К ИНСТРУМЕНТАМ РОСТА БЕСПЛАТНЫЕ ГЛАВЫ КУПИТЬ НА АНГЛИЙСКОМ ЯЗЫКЕ Бонусный контент:
Повышение вознаграждения — доступно на Kindle и в мягкой обложке
Способы вознаграждения сотрудников — одно из самых важных стратегических решений, которые будут принимать быстрорастущие компании, но немногие делают это правильно.
Какие-то из этих задач кажутся вам знакомыми?
«Я дал звездному артисту прибавку, а теперь все остальные маршируют в мой офис, требуя тоже». «Если бы кто-нибудь внимательно посмотрел на нашу платежную ведомость, было бы трудно объяснить, почему мы платим определенным людям за то, что делаем». «Я устал терять наших лучших людей из-за Google всего мира, потому что мы не можем сравняться с их зарплатой». «Похоже, что наши бонусные планы превратились в права — как будто мы просто раздаем деньги».
Эти и многие другие проблемы возникают при создании компенсационных схем. А учитывая, что компенсация — одна из ваших самых больших статей расходов, очень важно правильно ее рассчитать, а затем скрыть — и превратить в стратегическое преимущество в привлечении, удержании и мотивации талантов (или не демотивировать их случайно). В этой книге подробно описаны 5 принципов проектирования, а также приведены практические примеры компенсационных схем от ведущих малых, средних и крупных фирм.
Купить книгу
В качестве партнера Amazon программа Scaling Up зарабатывает на соответствующих покупках.
О РАСШИРЕНИИ
Прошло более десяти лет с тех пор, как был впервые выпущен бестселлер Верна Харниша «Овладение привычками Рокфеллера ». Масштабирование: как немногие компании добиваются успеха… и почему остальные этого не делают – первая крупная редакция этой классической бизнес-программы.
В Scaling Up Харниш и его команда делятся практическими инструментами и методами построения доминирующего в отрасли бизнеса. Эти подходы были отточены более чем за три десятилетия консультирования десятков тысяч генеральных директоров и руководителей и помощи им в преодолении растущих сложностей (и веса), связанных с расширением предприятия. Эта книга написана для того, чтобы все — от рядовых сотрудников до руководителей высшего звена — могли внести свой вклад в развитие фирмы. Нет причин делать это в одиночку, но многие высшие руководители считают, что именно они тянут остальную часть организации вверх по S-образной кривой роста.
Цель этой книги — помочь вам превратить то, что кажется якорем, в ветер за спиной. Создать компанию, где занимается команда, клиенты занимаются вашим маркетингом, и все зарабатывают деньги. Чтобы достичь этого, Расширение масштаба сосредоточено на методологии Четырех решений ® , которую каждая компания должна принять правильно: Люди, Стратегия, Исполнение и Денежные средства. Книга включает ряд новых одностраничных инструментов, в том числе обновленный одностраничный стратегический план и контрольный список привычек Рокфеллера™. Более 40 000 фирм по всему миру использовали эти инструменты для успешного масштабирования своих компаний — многие до 1 миллиарда долларов и более.
Управление бизнесом в конечном счете связано со свободой. Scaling Up показывает бизнес-руководителям, как синхронизировать свои организации, чтобы создавать что-то значимое и получать от этого удовольствие.
Благодарность за увеличение масштаба
Верн Харниш
Основатель и генеральный директор Gazelles,
Автор книги «Увеличение масштаба»
Книга Keynote
Верн Харниш является основателем всемирно известной Организации предпринимателей (EO), насчитывающей более 16 000 членов по всему миру, и в течение пятнадцати лет возглавлял первую программу EO для руководителей, проводимую в Массачусетском технологическом институте, программу, в которой он преподает до сих пор.
Основатель и генеральный директор Scaling Up, глобальной компании по обучению и коучингу руководителей с более чем 200 партнерами на шести континентах, Верн провел последние четыре десятилетия, помогая компаниям масштабироваться.
Он автор бестселлера «Освоение привычек Рокфеллера»; автор книги «Величайшие деловые решения всех времен», предисловие к которой написал Джим Коллинз; и написал книгу «Увеличение масштаба (привычки Рокфеллера 2.0)», которая была переведена на 22 языка и получила восемь крупных международных книжных наград, включая престижную Международную книжную премию за лучшую книгу по бизнесу. Его последняя книга «Увеличение вознаграждения» стала книгой №1 по управлению персоналом на Amazon.
Верн также является председателем ежегодных саммитов ScaleUp и входит в несколько советов, включая вице-председателя клиники Риордан; соучредитель и председатель Geoversity; и член правления социального предприятия «Женщины на миллион долларов». Частный инвестор во многих масштабных проектах, Верн увлекается игрой на фортепиано, теннисом и магией в качестве члена Международного братства магов.
Содержание
ВВЕДЕНИЕ
Инструменты для масштабированияМАСШТАБИРОВАНИЕ
PEOPLESCALING UP
STRATEGYSCALING UP
EXECUTIONSCALING UP
CASHSCALING UP
Resources
Key Resources and Companies highlighted in Scaling Up
- Книги
- Статьи и другие ресурсы
- Компании
Статьи и другие ресурсы
Для просмотра некоторых статей и видео на этой странице требуется платная подписка.
Компании
Technology Powered By
© 2019-2020 Scaling Up, a Gazelles Company
Gazelles Inc. предоставляет услуги по обучению руководителей, коучингу и технологическим услугам, чтобы помочь компаниям среднего размера по всему миру разработать и реализовать стратегический план.

Газель коробка схема



Протестировать внешнюю обойму роликового подшипника — должна сидеть плотно, не люфтить, а также дорожку — идеальная без раковин и выпуклостей. Почистить, отшлифовать мелкой наждачкой все неровности.
Делать аккуратно, осторожно снимать тяги!
Розничная бумажная коробка для пасхального яйца. Цветовая схема для печати. Векторный шаблон лазерной резки. Изолированная иллюстрация дизайна упаковки.
0010
Цветовая схема для печати. Распечатать, вырезать, сложить, склеить. Векторная фондовая иллюстрация.
Розничная бумажная коробка для пасхального яйца. Цветовая схема для печати. Лазерная резка векторного шаблона. Изолированная иллюстрация дизайна упаковки.
Крошечные персонажи, владеющие огромными золотыми монетами, получают награды, используют подарки и привилегии. блестящие и подарочные коробки в огромной копилке. Линейная векторная иллюстрация
Цветовая схема для печати. Распечатать, вырезать, сложить, склеить. Векторная фондовая иллюстрация.
Розничная бумажная коробка для пасхального яйца. Цветовая схема для печати. Лазерная резка векторного шаблона. Изолированная иллюстрация дизайна упаковки.
Розничная бумажная коробка для пасхального яйца. Цветовая схема для печати. Лазерная резка векторного шаблона. Изолированная векторная иллюстрация дизайна упаковки.
Распечатать, вырезать, сложить без клея. Векторная фондовая иллюстрация.
Векторная иллюстрация
Цветовая схема для печати. Распечатать, вырезать, сложить без клея. Векторная фондовая иллюстрация.
Цветовая схема для печати. Распечатать, вырезать, сложить, склеить. Векторная фондовая иллюстрация.
Цветовая схема для печати. Распечатать, вырезать, сложить, склеить. Векторная фондовая иллюстрация.
Цветовая схема для печати. Распечатать, вырезать, сложить без клея. Векторная фондовая иллюстрация.
Розничная бумажная коробка для пасхального яйца. Цветовая схема для печати. Лазерная резка векторного шаблона. Изолированная иллюстрация дизайна упаковки.
Цветовая схема для печати. Распечатать, вырезать, сложить, склеить. Векторная иллюстрация
Розничная бумажная коробка для пасхального яйца. Цветовая схема для печати. Лазерная резка векторного шаблона. Изолированная иллюстрация дизайна упаковки.
Цветовая схема для печати. Лазерная резка векторного шаблона. Изолированная векторная иллюстрация дизайна упаковки.
Цветовая схема для печати. Распечатать, вырезать, сложить, склеить. Векторная фондовая иллюстрация.
Изолированная иллюстрация дизайна упаковки.