ΠΠ»ΠΎΠ³ Ρ ΠΏΠΎΠ»Π΅Π·Π½ΠΎΠΉ ΠΈΠ½ΡΠΎΡΠΌΠ°ΡΠΈΠ΅ΠΉ ΠΎ Π΄Π²ΠΈΠ³Π°ΡΠ΅Π»ΡΡ Π―ΠΠ
04.03.2022ΠΠ°ΠΌΠ΅Π½Π° Π΄Π°ΡΡΠΈΠΊΠ° ΠΊΠΎΠ»Π΅Π½Π²Π°Π»Π° Π½Π° Π΄Π²ΠΈΠ³Π°ΡΠ΅Π»ΡΡ V-ΠΎΠ±ΡΠ°Π·Π½ΠΎΠ³ΠΎ ΡΠ΅ΠΌΠ΅ΠΉΡΡΠ²Π° Π―ΠΠ
ΠΠ΅ΠΎΠ±Ρ ΠΎΠ΄ΠΈΠΌΠ°Ρ Π·Π°ΠΌΠ΅Π½Π° Π΄Π°ΡΡΠΈΠΊΠ° ΠΏΠΎΠ»ΠΎΠΆΠ΅Π½ΠΈΡ ΠΊΠΎΠ»Π΅Π½ΡΠ°ΡΠΎΠ³ΠΎ Π²Π°Π»Π° (23.3847) ΠΌΠΎΠΆΠ΅Ρ ΠΏΠΎΠ½Π°Π΄ΠΎΠ±ΠΈΡΡΡΡ, Π΅ΡΠ»ΠΈ Π΄Π°ΡΡΠΈΠΊ ΠΈΠΌΠ΅Π΅Ρ ΠΌΠ΅Ρ Π°Π½ΠΈΡΠ΅ΡΠΊΠΈΠ΅ ΠΏΠΎΠ²ΡΠ΅ΠΆΠ΄Π΅Π½ΠΈΡ ΠΈΠ»ΠΈ ΠΏΠΎ ΠΈΠ½ΡΠΎΡΠΌΠ°ΡΠΈΠΈ ΠΎΡΡΠΈΠ»Π»ΠΎΠ³ΡΠ°ΡΠ° Π½Π΅ Π³Π΅Π½Π΅ΡΠΈΡΡΠ΅Ρ ΠΈΠΌΠΏΡΠ»ΡΡΡ Π΄Π»Ρ ΠΠΠ£ . Π’ΠΎΠ³Π΄Π° Ρ ΠΏΠΎΠ²Π΅ΡΡ Π½ΠΎΡΡΠΈ Π²Π΅Π½ΡΠ° ΠΌΠ°Ρ ΠΎΠ²ΠΈΠΊΠ° ΡΠ΄Π°Π»ΡΡΡ Π³ΡΡΠ·Ρ ΠΈ Π²ΠΎΠ·ΠΌΠΎΠΆΠ½ΠΎ ΠΏΠΎΠΏΠ°Π²ΡΠΈΠ΅ ΡΡΠΎΡΠΎΠ½Π½ΠΈΠ΅ ΠΏΡΠ΅Π΄ΠΌΠ΅ΡΡ. Π ΠΊΠΎΠ»ΠΎΠ΄ΠΊΡ ΠΆΠ³ΡΡΠ° ΠΏΡΠΎΠ²ΠΎΠ΄ΠΎΠ² Π±ΡΡΠ·Π³Π°ΡΡ WD, Π·Π°ΡΠ΅ΠΌ ΠΏΡΠΎΡΠΈΡΠ°ΡΡ Π²Π½Π΅ΡΠ½ΡΡ ΡΠ°ΡΡΡ Π΄Π°ΡΡΠΈΠΊΠ° Π²Π΅ΡΠΎΡΡΡ Π΄Π»Ρ ΡΠ΄Π°Π»Π΅Π½ΠΈΡ ΠΊΡΡΠΏΠ½ΡΡ Π·Π°Π³ΡΡΠ·Π½Π΅Π½ΠΈΠΉ.
ΠΡΠ»ΠΈ ΡΠΈΠ½Ρ ΡΠΎΠ½ΠΈΠ·Π°ΡΠΈΠΎΠ½Π½ΡΠΉ Π΄ΠΈΡΠΊ ΡΠ»ΡΡΠ°ΠΉΠ½ΠΎ Π½Π°ΠΌΠ°Π³Π½ΠΈΡΠΈΠ»ΡΡ, Π΅Π³ΠΎ ΡΠ°Π·ΠΌΠ°Π³Π½ΠΈΡΠΈΠ²Π°ΡΡ, Π·Π°Π΄Π΅ΠΉΡΡΠ²ΡΡΡ ΡΡΠ°Π½ΡΡΠΎΡΠΌΠ°ΡΠΎΡ Π½Π° Π‘Π’Π.Β
Π§ΡΠΎΠ±Ρ ΠΏΡΠΎΠΈΠ·Π²Π΅ΡΡΠΈ Π·Π°ΠΌΠ΅Π½Ρ ΠΠΠΠ, Π·Π°Π΄Π΅ΠΉΡΡΠ²ΡΡΡ ΡΠΎΠ»ΡΠΊΠΎ ΡΠΎΡ ΠΈΠ·ΠΌΠ΅ΡΠΈΡΠ΅Π»Ρ, ΡΡΠΎ ΡΡΡΠ°Π½Π°Π²Π»ΠΈΠ²Π°Π»ΡΡ Π½Π° Π°Π²ΡΠΎ ΡΠ°Π½Π΅Π΅ ΠΈ ΡΠ΅ΠΊΠΎΠΌΠ΅Π½Π΄ΠΎΠ²Π°Π½ ΠΏΡΠΎΠΈΠ·Π²ΠΎΠ΄ΠΈΡΠ΅Π»Π΅ΠΌ Π΄Π²ΠΈΠ³Π°ΡΠ΅Π»Ρ. ΠΡΠ»ΠΈ ΠΌΠΎΠ΄Π΅Π»Ρ Π΄Π°ΡΡΠΈΠΊΠ° ΠΎΠΊΠ°ΠΆΠ΅ΡΡΡ Π½Π΅ΠΏΠΎΠ΄Ρ
ΠΎΠ΄ΡΡΠ΅ΠΉ, ΡΠΎ Π² ΠΈΠ·ΠΌΠ΅ΡΠ΅Π½ΠΈΡΡ
ΡΠ°ΡΡΠΎΡΡ Π²ΡΠ°ΡΠ΅Π½ΠΈΡ ΠΊΠΎΠ»Π΅Π½Π²Π°Π»Π° ΠΌΠΎΠ³ΡΡ Π±ΡΡΡ ΠΏΠΎΠ³ΡΠ΅ΡΠ½ΠΎΡΡΠΈ. Π ΡΡΠΎ Π½Π΅Π³Π°ΡΠΈΠ²Π½ΠΎ ΠΏΠΎΠ²Π»ΠΈΡΠ΅Ρ Π½Π° ΡΡΠ½ΠΊΡΠΈΠΎΠ½ΠΈΡΠΎΠ²Π°Π½ΠΈΠ΅ Π΄Π²ΠΈΠ³Π°ΡΠ΅Π»Ρ Π²ΠΏΠ»ΠΎΡΡ Π΄ΠΎ Π½Π΅Π²ΠΎΠ·ΠΌΠΎΠΆΠ½ΠΎΡΡΠΈ Π΅Π³ΠΎ Π·Π°ΠΏΡΡΠΊΠ°.
ΠΠ°ΠΊ ΡΡΡΡΠΎΠ΅Π½ Π΄Π°ΡΡΠΈΠΊ ΠΊΠΎΠ»Π΅Π½Π²Π°Π»Π°
ΠΠ°ΡΡΠΈΠΊ ΠΊΠΎΠ»Π΅Π½Π²Π°Π»Π° ΡΠ²Π»ΡΠ΅ΡΡΡ ΡΠ°ΡΡΡΡ ΡΠ»Π΅ΠΊΡΡΠΎΠΎΠ±ΠΎΡΡΠ΄ΠΎΠ²Π°Π½ΠΈΡ Π΄Π²ΠΈΠ³Π°ΡΠ΅Π»Ρ ΠΈ ΠΊΠΎΠ½ΡΡΡΡΠΊΡΠΈΠ²Π½ΠΎ Π΄Π°ΡΡΠΈΠΊ ΡΠΎΡΡΠΎΠΈΡ ΠΈΠ·:
-
ΠΊΠΎΡΠΏΡΡΠ°, Π²ΡΠΏΠΎΠ»Π½Π΅Π½Π½ΠΎΠ³ΠΎ ΠΈΠ· ΠΏΠ»Π°ΡΡΠΈΠΊΠ° Π»ΠΈΠ±ΠΎ Π°Π»ΡΠΌΠΈΠ½ΠΈΡ. ΠΠΌΠ΅Π΅Ρ ΡΠΎΡΠΌΡ ΡΠΈΠ»ΠΈΠ½Π΄ΡΠ°. ΠΡΠ½Π°ΡΠ΅Π½ ΡΡΠ²ΡΡΠ²ΠΈΡΠ΅Π»ΡΠ½ΡΠΌ ΡΠ»Π΅ΠΌΠ΅Π½ΡΠΎΠΌ, Π±Π»Π°Π³ΠΎΠ΄Π°ΡΡ ΠΊΠΎΡΠΎΡΠΎΠΌΡ Π² ΠΠΠ£ (650.3763010) ΠΈΠ΄Π΅Ρ ΡΠΈΠ³Π½Π°Π»;
-
ΠΌΠ°Π³Π½ΠΈΡΠΎΠΏΡΠΎΠ²ΠΎΠ΄Π°;
-
ΠΎΠ±ΠΌΠΎΡΠΊΠΈ;
-
ΡΠΏΠ»ΠΎΡΠ½ΡΡΡΠ΅Π³ΠΎ ΠΌΠ°ΡΠ΅ΡΠΈΠ°Π»Π°;
-
ΠΏΡΠΈΠ²ΠΎΠ΄Π°;
-
ΠΊΡΠΎΠ½ΡΡΠ΅ΠΉΠ½Π°, ΠΏΡΠ΅Π΄Π½Π°Π·Π½Π°ΡΠ΅Π½Π½ΠΎΠ³ΠΎ Π΄Π»Ρ ΠΊΡΠ΅ΠΏΠ΅ΠΆΠ° ΠΊ ΠΌΠΎΡΠΎΡΡ.
Π‘ΡΡΠ΅ΡΡΠ²ΡΡΡ ΡΠ°Π·Π½ΡΠ΅ Π²ΠΈΠ΄Ρ Π΄Π°ΡΡΠΈΠΊΠΎΠ²: ΠΎΠΏΡΠΈΡΠ΅ΡΠΊΠΈΠΉ, ΠΌΠ°Π³Π½ΠΈΡΠ½ΡΠΉ, Π΄Π°ΡΡΠΈΠΊ Π₯ΠΎΠ»Π»Π°.
ΠΠ°Π·Π½Π°ΡΠ΅Π½ΠΈΠ΅ Π΄Π°ΡΡΠΈΠΊΠ° ΠΊΠΎΠ»Π΅Π½Π²Π°Π»Π°
ΠΠ·ΠΌΠ΅ΡΠΈΡΠ΅Π»ΡΠ½ΡΠΉ ΠΏΡΠΈΠ±ΠΎΡ Π½Π΅Π±ΠΎΠ»ΡΡΠΈΡ
ΡΠ°Π·ΠΌΠ΅ΡΠΎΠ², ΠΊΠΎΡΠΎΡΡΠΌ ΡΠ²Π»ΡΠ΅ΡΡΡ Π΄Π°ΡΡΠΈΠΊ ΠΊΠΎΠ»Π΅Π½Π²Π°Π»Π°, ΠΏΠΎ ΡΡΠ½ΠΊΡΠΈΠΎΠ½ΠΈΡΠΎΠ²Π°Π½ΠΈΡ ΠΌΠΎΡΠΎΡΠ° Π°Π²ΡΠΎΠΌΠΎΠ±ΠΈΠ»Ρ ΠΊΠΎΡΡΠ΅ΠΊΡΠΈΡΡΠ΅Ρ Π²ΡΠ΅ΠΌΡ Π·Π°ΠΆΠΈΠ³Π°Π½ΠΈΡ ΠΈ Π²Π»ΠΈΡΠ΅Ρ Π½Π° ΡΡΠ΄ Π΄ΡΡΠ³ΠΈΡ
ΠΏΠ°ΡΠ°ΠΌΠ΅ΡΡΠΎΠ² ΡΠ°Π±ΠΎΡΡ ΠΠΠ‘.
Π€ΡΠ½ΠΊΡΠΈΠΈ ΠΏΡΠΈΠ±ΠΎΡΠ° Π·Π°ΠΊΠ»ΡΡΠ΅Π½Ρ Π² ΠΎΠΏΡΠ΅Π΄Π΅Π»Π΅Π½ΠΈΠΈ ΠΏΠΎΠ»ΠΎΠΆΠ΅Π½ΠΈΠΉ ΠΊΠΎΠ»Π΅Π½Π²Π°Π»Π° Π΄Π²ΠΈΠΆΠΊΠ° ΠΈ ΡΠΈΠ½Ρ ΡΠΎΠ½ΠΈΠ·Π°ΡΠΈΠΈ ΡΠΈΠ³Π½Π°Π»Π° Ρ Π΄Π°ΡΡΠΈΠΊΠ° Π³Π°Π·ΠΎΡΠ°ΡΠΏΡΠ΅Π΄Π΅Π»ΡΡΡΠ΅Π³ΠΎ ΠΌΠ΅Ρ Π°Π½ΠΈΠ·ΠΌΠ°. ΠΠ½ΡΠΎΡΠΌΠ°ΡΠΈΡ, ΠΊΠΎΡΠΎΡΠ°Ρ ΠΏΠΎΡΡΡΠΏΠ°Π΅Ρ ΠΎΡ Π΄Π°ΡΡΠΈΠΊΠ° Π½Π° ΠΠΠ£ ΠΌΠΎΡΠΎΡΠ°, ΡΠ°ΠΌΡΠΌ Π½Π΅ΠΏΠΎΡΡΠ΅Π΄ΡΡΠ²Π΅Π½Π½ΡΠΌ ΠΎΠ±ΡΠ°Π·ΠΎΠΌ Π²Π»ΠΈΡΠ΅Ρ ΠΊΠ°ΠΊ Π½Π° Π²ΠΏΡΡΡΠΊΠΈΠ²Π°Π½ΠΈΠ΅ ΡΠΎΠΏΠ»ΠΈΠ²Π°, ΡΠ°ΠΊ ΠΈ Π½Π° Π·Π°ΠΆΠΈΠ³Π°Π½ΠΈΠ΅.
Π’Π°ΠΊΠΈΠΌ ΠΎΠ±ΡΠ°Π·ΠΎΠΌ, ΠΏΡΠΈΠ±ΠΎΡ ΠΈΠΌΠ΅Π΅Ρ ΠΊΡΠ°ΠΉΠ½Π΅ Π²Π°ΠΆΠ½ΠΎΠ΅ Π·Π½Π°ΡΠ΅Π½ΠΈΠ΅ Π΄Π»Ρ ΠΏΡΠ°Π²ΠΈΠ»ΡΠ½ΠΎΡΡΠΈ ΡΡΠ½ΠΊΡΠΈΠΎΠ½ΠΈΡΠΎΠ²Π°Π½ΠΈΡ Π°Π²ΡΠΎ Π΄Π²ΠΈΠ³Π°ΡΠ΅Π»Ρ. ΠΡΠ»ΠΈ Π΄Π°ΡΡΠΈΠΊ ΡΠ°ΡΡΠΎΡΡ Π²ΡΠ°ΡΠ΅Π½ΠΈΡ ΠΊΠΎΠ»Π΅Π½Π²Π°Π»Π° 0261 210 151 Π²ΡΡ ΠΎΠ΄ΠΈΡ ΠΈΠ· ΡΡΡΠΎΡ, ΡΡΠΎ Π½Π΅Π³Π°ΡΠΈΠ²Π½ΠΎ Π²Π»ΠΈΡΠ΅Ρ Π½Π° ΡΠΎ, ΠΊΠ°ΠΊ ΡΠ°Π±ΠΎΡΠ°Π΅Ρ ΠΌΠΎΡΠΎΡ. ΠΠ΅ΠΏΠΎΠ»Π°Π΄ΠΊΠΈ Π² ΠΏΡΠΈΠ±ΠΎΡΠ΅ ΠΌΠΎΠ³ΡΡ ΡΡΠ°ΡΡ ΠΏΡΠΈΡΠΈΠ½ΠΎΠΉ ΠΏΠΎΠ»Π½ΠΎΠ³ΠΎ ΠΎΡΠΊΠ°Π·Π° Π΄Π²ΠΈΠ³Π°ΡΠ΅Π»Ρ.
ΠΠΎΠ·ΠΌΠΎΠΆΠ½ΡΠ΅ Π½Π΅ΠΈΡΠΏΡΠ°Π²Π½ΠΎΡΡΠΈ ΠΈ ΡΠ΅ΠΌΠΎΠ½Ρ
ΠΡΠΎ ΠΌΠΎΠΆΠ΅Ρ Π±ΡΡΡ, Π½Π°ΠΏΡΠΈΠΌΠ΅Ρ, Π½Π΅ ΠΏΠΎΠ΄ΠΊΠ»ΡΡΠ΅Π½ΠΈΠ΅ ΠΊ ΠΆΠ³ΡΡΡ ΠΏΡΠΎΠ²ΠΎΠ΄ΠΎΠ² ΠΈΠ»ΠΈ ΠΎΠ±ΡΡΠ² ΠΏΡΠΎΠ²ΠΎΠ΄Π°. ΠΠ΅ΠΎΠ±Ρ
ΠΎΠ΄ΠΈΠΌΠΎ ΠΏΡΠΎΠ²Π΅ΡΠΈΡΡ, ΠΏΡΠ°Π²ΠΈΠ»ΡΠ½ΠΎ Π»ΠΈ ΠΏΠΎΠ΄ΠΊΠ»ΡΡΠ΅Π½ ΡΠ°Π·ΡΠ΅ΠΌ ΠΈΠ·ΠΌΠ΅ΡΠΈΡΠ΅Π»ΡΠ½ΠΎΠ³ΠΎ ΠΏΡΠΈΠ±ΠΎΡΠ° ΠΊ ΠΊΠ»Π΅ΠΌΠΌΠ΅ ΠΆΠ³ΡΡΠ° ΠΏΡΠΎΠ²ΠΎΠ΄ΠΎΠ² ΠΈ Π½Π΅Ρ Π»ΠΈ ΠΏΡΠΎΠ±Π»Π΅ΠΌ Π² ΠΊΠΎΠ½ΡΠ°ΠΊΡΠ°Ρ
. ΠΠΎΠ΄ΠΊΠ»ΡΡΠ΅Π½ΠΈΠ΅ Π΄ΠΎΠ»ΠΆΠ½ΠΎ ΡΡΡΠΎΠ³ΠΎ ΡΠΎΠΎΡΠ²Π΅ΡΡΡΠ²ΠΎΠ²Π°ΡΡ ΡΡ
Π΅ΠΌΠ΅ ΠΌΠΎΠ½ΡΠ°ΠΆΠ° ΠΆΠ³ΡΡΠ°. ΠΠΎΡΠ»Π΅ ΡΠΎΠ³ΠΎ, ΠΊΠ°ΠΊ Π½Π΅ΠΈΡΠΏΡΠ°Π²Π½ΠΎΡΡΡ ΡΡΡΡΠ°Π½Π΅Π½Π°, Π²ΠΊΠ»ΡΡΠ°ΡΡ Π·Π°ΠΆΠΈΠ³Π°Π½ΠΈΠ΅, Π·Π°ΠΏΡΡΠΊΠ°ΡΡ ΠΈ ΠΏΡΠΎΠ±ΡΡΡ Π·Π°ΠΏΡΡΡΠΈΡΡ ΠΌΠΎΡΠΎΡ.
ΠΠ°ΠΌΠ΅Π½Π° ΠΠΠΠ, ΠΊΠ°ΠΊ ΠΏΡΠ°Π²ΠΈΠ»ΠΎ, Π½Π΅ Π΄ΠΎΡΡΠ°Π²Π»ΡΠ΅Ρ ΡΡΡΠ΅ΡΡΠ²Π΅Π½Π½ΡΡ ΡΡΡΠ΄Π½ΠΎΡΡΠ΅ΠΉ. ΠΠ°ΠΊ Π΄Π΅ΠΉΡΡΠ²ΠΎΠ²Π°ΡΡ?
ΠΠ½Π°ΡΠ°Π»Π΅ ΡΠ»Π΅Π΄ΡΠ΅Ρ ΠΎΡΠΊΠ»ΡΡΠΈΡΡ Π·Π°ΠΆΠΈΠ³Π°Π½ΠΈΠ΅.
ΠΠ°ΡΠ΅ΠΌ Π΄Π°ΡΡΠΈΠΊ ΠΎΠ±Π΅ΡΡΠΎΡΠΈΠ²Π°ΡΡ, Π΄Π»Ρ ΡΠ΅Π³ΠΎ ΠΎΡΡΠΎΠ΅Π΄ΠΈΠ½ΡΡΡ ΠΎΡ Π½Π΅Π³ΠΎ ΠΊΠ»Π΅ΠΌΠΌΠ½ΡΡ ΠΊΠΎΠ»ΠΎΠ΄ΠΊΡ.
ΠΠ°ΠΌΠ΅Π½Π° Π΄Π°ΡΡΠΈΠΊΠ° ΠΊΠΎΠ»Π΅Π½Π²Π°Π»Π°
ΠΠ°Π»Π΅Π΅, Π·Π°Π΄Π΅ΠΉΡΡΠ²ΡΡΡ Π³Π°Π΅ΡΠ½ΡΠΉ ΠΊΠ»ΡΡ, ΠΎΡΠΊΡΡΡΠΈΠ²Π°ΡΡ Π±ΠΎΠ»ΡΡ, ΠΊΠΎΡΠΎΡΡΠΌ ΠΊΡΠ΅ΠΏΠΈΡΡΡ ΠΈΠ·ΠΌΠ΅ΡΠΈΡΠ΅Π»ΡΠ½ΡΠΉ ΠΏΡΠΈΠ±ΠΎΡ. ΠΠΎΡΠ»Π΅ ΡΠ΅Π³ΠΎ Π΄Π°ΡΡΠΈΠΊ Π½Π΅ΠΎΠ±Ρ ΠΎΠ΄ΠΈΠΌΠΎ Π²ΡΡΠ°ΡΠΈΡΡ ΠΈΠ· ΠΏΠΎΡΠ°Π΄ΠΎΡΠ½ΠΎΠ³ΠΎ Π³Π½Π΅Π·Π΄Π°. ΠΠ°Π½Π½ΡΠΉ ΡΡΠ°ΡΡΠΎΠΊ ΠΎΡΠΈΡΠ°ΡΡ Π²Π΅ΡΠΎΡΡΡ: ΡΡΠ΅Π±ΡΠ΅ΡΡΡ ΡΠ±ΡΠ°ΡΡ Π·Π°Π³ΡΡΠ·Π½Π΅Π½ΠΈΡ, ΠΌΠ°ΡΠ»ΡΠ½ΠΈΡΡΡΠ΅ ΠΎΡΠ»ΠΎΠΆΠ΅Π½ΠΈΡ.
Π‘Π»Π΅Π΄ΡΡΡΠΈΠΉ ΡΠ°Π³ β ΡΡΡΠ°Π½ΠΎΠ²ΠΊΠ° Π² ΠΏΠΎΡΠ°Π΄ΠΎΡΠ½ΠΎΠ΅ Π³Π½Π΅Π·Π΄ΠΎ Π½ΠΎΠ²ΠΎΠ³ΠΎ ΠΠΠΠ. ΠΡΠ΅ΠΏΠΈΡΡΡ Π½ΠΎΠ²ΡΠΉ ΠΈΠ·ΠΌΠ΅ΡΡΡΡΠΈΠΉ ΠΏΡΠΈΠ±ΠΎΡ ΠΏΠΎΡΡΠ΅Π΄ΡΡΠ²ΠΎΠΌ ΡΡΠ°ΡΡΡ Π΄Π΅ΡΠ°Π»Π΅ΠΉ, ΠΏΡΠ΅Π΄Π½Π°Π·Π½Π°ΡΠ΅Π½Π½ΡΡ Π΄Π»Ρ ΠΊΡΠ΅ΠΏΠ΅ΠΆΠ°, Π»ΠΈΠ±ΠΎ Π½ΠΎΠ²ΡΠΌ ΠΌΠΎΠ½ΡΠ°ΠΆΠ½ΡΠΌ ΠΊΠΎΠΌΠΏΠ»Π΅ΠΊΡΠΎΠΌ.
ΠΠΎΡΠ»Π΅ ΡΠΎΠ³ΠΎ ΠΊΠ°ΠΊ ΠΊΠΎΠ½ΡΡΠΎΠ»Π»Π΅Ρ ΡΡΡΠ°Π½ΠΎΠ²Π»Π΅Π½, ΡΠ»Π΅Π΄ΡΠ΅Ρ ΠΎΡΡΠ΅Π³ΡΠ»ΠΈΡΠΎΠ²Π°ΡΡ ΡΠ°ΡΡΡΠΎΡΠ½ΠΈΠ΅ ΠΌΠ΅ΠΆΠ΄Ρ Π½ΠΈΠΌ ΠΈ ΡΠΎΡΡΠΎΠΌ ΡΠΈΠ½Ρ
ΡΠΎΠ½ΠΈΠ·Π°ΡΠΈΠΎΠ½Π½ΠΎΠ³ΠΎ Π΄ΠΈΡΠΊΠ°. Π ΠΈΠ΄Π΅Π°Π»Π΅ β ΡΠ°ΡΡΡΠΎΡΠ½ΠΈΠ΅, ΡΠΊΠ»Π°Π΄ΡΠ²Π°ΡΡΠ΅Π΅ΡΡ Π² Π΄ΠΈΠ°ΠΏΠ°Π·ΠΎΠ½ 0,5 β 1,5 ΠΌΠΈΠ»Π»ΠΈΠΌΠ΅ΡΡΠ° (ΡΠΎΡΠ½Π°Ρ ΠΈΠ½ΡΠΎΡΠΌΠ°ΡΠΈΡ β Π² ΡΡΠΊΠΎΠ²ΠΎΠ΄ΡΡΠ²Π΅ ΠΏΠΎ ΡΠΊΡΠΏΠ»ΡΠ°ΡΠ°ΡΠΈΠΈ Π°Π²ΡΠΎ).
Π Π΅Π³ΡΠ»ΠΈΡΠΎΠ²ΠΊΠ° ΠΏΡΠΎΠ²ΠΎΠ΄ΠΈΡΡΡ ΠΏΠΎΡΡΠ΅Π΄ΡΡΠ²ΠΎΠΌ ΡΠΎΠΎΡΠ²Π΅ΡΡΡΠ²ΡΡΡΠΈΡ
ΡΠ°ΠΉΠ±.
Π‘ΠΎΠΏΡΠΎΡΠΈΠ²Π»Π΅Π½ΠΈΠ΅ ΠΈΠ·ΠΌΠ΅ΡΡΡΡΠ΅Π³ΠΎ ΠΏΡΠΈΠ±ΠΎΡΠ° ΠΏΡΠΎΠ²Π΅ΡΡΠ΅ΡΡΡ Ρ ΠΏΠΎΠΌΠΎΡΡΡ Π°Π²ΡΠΎΡΠ΅ΡΡΠ΅ΡΠ°. ΠΡΠ»ΠΈ Π΄Π°ΡΡΠΈΠΊ ΠΈΡΠΏΡΠ°Π²Π΅Π½, ΡΠΎΠΏΡΠΎΡΠΈΠ²Π»Π΅Π½ΠΈΠ΅ Π±ΡΠ΄Π΅Ρ Π΄ΠΎ 750 ΠΠΌ.
ΠΠ°ΡΠ΅ΠΌ ΡΠ±ΡΠ°ΡΡΠ²Π°ΡΡ ΠΎΡΠΈΠ±ΠΊΠΈ Π² ΠΠΠ£ Π΄Π²ΠΈΠ³Π°ΡΠ΅Π»Ρ: ΡΠ°ΠΊΠΈΠΌ ΠΎΠ±ΡΠ°Π·ΠΎΠΌ, ΠΎΡΠΊΠ»ΡΡΠ°Π΅ΡΡΡ ΡΠΈΠ³Π½Π°Π»ΡΠ½Π°Ρ Π»Π°ΠΌΠΏΠ° CheΡk engine.
ΠΠ°Π»Π΅Π΅ ΠΠΠΠ ΡΠ»Π΅Π΄ΡΠ΅Ρ ΠΏΠΎΠ΄ΠΊΠ»ΡΡΠΈΡΡ ΠΊ ΠΆΠ³ΡΡΡ, Π΄Π»Ρ ΡΠ΅Π³ΠΎ β ΡΡΡΠ°Π½ΠΎΠ²ΠΈΡΡ ΡΠ°Π·ΡΠ΅ΠΌ.
ΠΡΠ΅ΡΠ΅Π΄Π½ΠΎΠΉ ΡΠ°Π³ β ΠΏΡΠΎΠ²Π΅ΡΠΊΠ° ΡΠΎΠ³ΠΎ, ΠΊΠ°ΠΊ ΡΠ»Π΅ΠΊΡΡΠΎΠΏΡΠΈΠ±ΠΎΡ ΡΡΠ½ΠΊΡΠΈΠΎΠ½ΠΈΡΡΠ΅Ρ Π½Π° ΡΠ°Π·Π½ΡΡ ΡΠ΅ΠΆΠΈΠΌΠ°Ρ :
ΠΠΎΠ³Π΄Π° Π²Π΅ΡΡ Π°Π»Π³ΠΎΡΠΈΡΠΌ Π΄Π΅ΠΉΡΡΠ²ΠΈΠΉ Π²ΡΠΏΠΎΠ»Π½Π΅Π½, Π½ΠΎΠ²ΡΠΉ Π΄Π°ΡΡΠΈΠΊ ΡΡΡΠ°Π½ΠΎΠ²Π»Π΅Π½, Π΄Π²ΠΈΠ³Π°ΡΠ΅Π»Ρ Π΄ΠΎΠ»ΠΆΠ΅Π½ Π½Π°ΡΠ°ΡΡ ΡΠ°Π±ΠΎΡΡ Π² ΠΏΡΠΈΠ²ΡΡΠ½ΠΎΠΌ ΡΠ΅ΠΆΠΈΠΌΠ΅. ΠΠΎ Π΅ΡΠ»ΠΈ ΡΡΠΎΠ³ΠΎ Π½Π΅ ΠΏΡΠΎΠΈΡΡ ΠΎΠ΄ΠΈΡ, ΠΎΡΠΈΠ±ΠΊΠΈ ΠΠΠ‘ ΡΡΠ΅Π±ΡΠ΅ΡΡΡ ΡΠ±ΡΠΎΡΠΈΡΡ ΠΈ ΠΎΡΠΊΠ°Π»ΠΈΠ±ΡΠΎΠ²Π°ΡΡ Π΄Π°ΡΡΠΈΠΊ.Β Β
ΠΊΠΎΠ»Π΅Π½Π²Π°Π»Π°, ΡΠ°ΡΠΏΡΠ΅Π΄Π²Π°Π»Π°, ΡΠ΅ΠΌΠΏΠ΅ΡΠ°ΡΡΡΡ, ΡΠΊΠΎΡΠΎΡΡΠΈ β Kia Rio ΠΊΠ»ΡΠ±. Π‘Π°ΠΉΡ Π΄Π»Ρ ΠΎΠ±ΡΠ΅Π½ΠΈΡ ΠΈ ΠΏΠΎΠΌΠΎΡΠΈ Π²Π»Π°Π΄Π΅Π»ΡΡΠ°ΠΌ Kia Rio
ΠΠΏΡΠ±Π»ΠΈΠΊΠΎΠ²Π°Π½ΠΎ Π°Π²ΡΠΎΡΠΎΠΌ Admin
Π£ ΠΊΠ°ΠΆΠ΄ΠΎΠ³ΠΎ ΡΠΎΠ²ΡΠ΅ΠΌΠ΅Π½Π½ΠΎΠ³ΠΎ Π°Π²ΡΠΎΠΌΠΎΠ±ΠΈΠ»Ρ, Π° Π² ΡΠ°ΡΡΠ½ΠΎΡΡΠΈ Ρ ΠΠΈΠ° Π ΠΈΠΎ 3, Π΄Π°ΡΡΠΈΠΊΠΈ ΠΏΠΎΠ·Π²ΠΎΠ»ΡΡΡ ΠΠΠ£ ΠΏΠΎΠ΄Π³ΠΎΡΠΎΠ²ΠΈΡΡ ΡΠΎΠΏΠ»ΠΈΠ²Π½ΠΎ-Π²ΠΎΠ·Π΄ΡΡΠ½ΡΡ ΡΠΌΠ΅ΡΡ, Π° ΡΠ°ΠΊΠΆΠ΅ Π΄Π΅ΡΠΆΠ°ΡΡ Π² Β«ΡΠΎΠ½ΡΡΠ΅Β» Π΄Π²ΠΈΠ³Π°ΡΠ΅Π»Ρ.
ΠΡΠ»ΠΈ Π»ΡΠ±ΠΎΠΉ ΠΈΠ· Π½ΠΈΡ
Π±ΡΠ΄Π΅Ρ Π² Π½Π΅ΠΈΡΠΏΡΠ°Π²Π½ΠΎΠΌ ΡΠΎΡΡΠΎΡΠ½ΠΈΠΈ, ΡΠΎ ΡΡΠΎ ΡΠΊΠ°ΠΆΠ΅ΡΡΡ Π½Π° ΡΠ°Π±ΠΎΡΠ΅ Π΄Π²ΠΈΠ³Π°ΡΠ΅Π»Ρ, Π½Π° Π΄ΠΈΠ½Π°ΠΌΠΈΠΊΠ΅ Π°Π²ΡΠΎΠΌΠΎΠ±ΠΈΠ»Ρ ΠΈ, ΠΊΠΎΠ½Π΅ΡΠ½ΠΎ, Π½Π° ΡΠ°ΡΡ
ΠΎΠ΄Π΅ ΡΠΎΠΏΠ»ΠΈΠ²Π°. ΠΡΠ»ΠΈ Π±ΡΠ΄Π΅Ρ Π½Π°ΡΡΡΠ΅Π½Π° ΡΠ°Π±ΠΎΡΠ° Π΄Π°ΡΡΠΈΠΊΠ° ΠΊΠΎΠ»Π΅Π½ΡΠ°ΡΠΎΠ³ΠΎ Π²Π°Π»Π°, ΡΠΎ Π΄Π²ΠΈΠ³Π°ΡΠ΅Π»Ρ ΠΈ Π²ΠΎΠ²ΡΠ΅ ΡΡΠ°Π½Π΅Ρ Π½Π΅ΡΠ°Π±ΠΎΡΠΎΡΠΏΠΎΡΠΎΠ±Π½ΡΠΌ. ΠΠΎΡΡΠΎΠΌΡ, Π΅ΡΠ»ΠΈ Π²Π΄ΡΡΠ³ Π±ΡΠ΄Π΅Ρ Π·Π°ΠΌΠ΅ΡΠ΅Π½Π° Π»Π°ΠΌΠΏΠ° Β«Π§Π΅ΠΊΒ» Π½Π° ΠΏΡΠΈΠ±ΠΎΡΠ½ΠΎΠΉ ΠΌΠΎΠ΄Π΅Π»ΠΈ, ΡΡΠ°Π·Ρ ΠΆΠ΅ ΡΠ΅ΠΊΠΎΠΌΠ΅Π½Π΄ΡΠ΅ΡΡΡ ΠΎΠ±ΡΠ°ΡΠΈΡΡΡΡ Π½Π° ΡΡΠ°Π½ΡΠΈΡ Π’Π Π΄Π»Ρ Π²ΡΡΡΠ½Π΅Π½ΠΈΡ ΠΈ ΡΡΡΡΠ°Π½Π΅Π½ΠΈΡ Π½Π΅ΠΏΠΎΠ»Π°Π΄ΠΎΠΊ Π² ΡΠ°Π±ΠΎΡΠ΅.
ΠΠ°ΡΡΠΈΠΊ ΠΊΠΎΠ»Π΅Π½Π²Π°Π»Π° β ΠΠΠ, ΡΡΡΠ°Π½ΠΎΠ²Π»Π΅Π½Π½ΡΠΉ Π½Π° Π°Π²ΡΠΎ Ρ ΡΠΈΡΡΠ΅ΠΌΠΎΠΉ ΡΠ»Π΅ΠΊΡΡΠΎΠ½Π½ΠΎΠ³ΠΎ ΡΠΏΡΠ°Π²Π»Π΅Π½ΠΈΡ Π΄Π²ΠΈΠ³Π°ΡΠ΅Π»Π΅ΠΌ (ΠΠ£Π). ΠΠΠΠ β ΡΠ»Π΅ΠΌΠ΅Π½Ρ, ΠΏΠΎΠ·Π²ΠΎΠ»ΡΡΡΠΈΠΉ ΠΠΠ£ Π΄Π²ΠΈΠ³Π°ΡΠ΅Π»Π΅ΠΌ ΠΊΠΎΠ½ΡΡΠΎΠ»ΠΈΡΠΎΠ²Π°ΡΡ ΡΠ°ΡΠΏΠΎΠ»ΠΎΠΆΠ΅Π½ΠΈΠ΅ Π΄Π°ΡΡΠΈΠΊΠ° ΡΠΈΠ½Ρ ΡΠΎΠ½ΠΈΠ·Π°ΡΠΈΠΈ. ΠΡΠΎ ΠΎΠ±Π΅ΡΠΏΠ΅ΡΠΈΠ²Π°Π΅Ρ ΡΠ°Π±ΠΎΡΠΎΡΠΏΠΎΡΠΎΠ±Π½ΠΎΡΡΡ ΡΠΈΡΡΠ΅ΠΌΡ Π²ΡΠΏΡΡΡΠΊΠ° ΡΠΎΠΏΠ»ΠΈΠ²Π°. ΠΠΠ ΠΏΠΎΠΌΠΎΠ³Π°Π΅Ρ ΠΎΠΏΡΠ΅Π΄Π΅Π»ΠΈΡΡ Π²ΡΠ΅ΠΌΡ, ΠΊΠΎΠ³Π΄Π° ΡΠΈΠ»ΠΈΠ½Π΄ΡΡ ΠΠΠ‘ ΡΡΠ΅Π±ΡΠ΅ΡΡΡ Π·Π°ΠΏΠΎΠ»Π½ΠΈΡΡ ΡΠΎΠΏΠ»ΠΈΠ²ΠΎΠΌ.
ΠΠ»ΠΈΡΠ½ΠΈΠ΅ Π½Π° ΡΠ°Π±ΠΎΡΡ ΠΌΠΎΡΠΎΡΠ° Π΄Π°ΡΡ Π΄Π°ΡΡΠΈΠΊ ΠΎΠ±ΠΎΡΠΎΡΠΎΠ² ΠΊΠΎΠ»Π΅Π½Π²Π°Π»Π°. ΠΠ΅ΠΏΠΎΠ»Π°Π΄ΠΊΠΈ Π² ΡΠ°Π±ΠΎΡΠ΅ ΡΠ»ΡΠΆΠ°Ρ ΠΏΡΠΈΡΠΈΠ½ΠΎΠΉ ΠΎΡΡΠ°Π½ΠΎΠ²ΠΊΠΈ Π΄Π²ΠΈΠ³Π°ΡΠ΅Π»Ρ ΠΈΠ»ΠΈ ΠΏΡΠΎΡΡΠΎ Π½Π΅ΡΡΠ°Π±ΠΈΠ»ΡΠ½ΠΎΠΉ ΡΠ°Π±ΠΎΡΡ ΠΠΠ‘ β ΡΠΎΠΏΠ»ΠΈΠ²ΠΎ ΠΏΠΎΠ΄Π°ΡΡΡΡ Π½Π΅ ΡΠ²ΠΎΠ΅Π²ΡΠ΅ΠΌΠ΅Π½Π½ΠΎ ΠΈ Π΅ΡΡΡ ΠΎΠΏΠ°ΡΠ½ΠΎΡΡΡ, ΡΡΠΎ ΠΎΠ½ΠΎ Π²ΠΎΡΠΏΠ»Π°ΠΌΠ΅Π½ΠΈΡΡΡ Π² ΡΠΈΠ»ΠΈΠ½Π΄ΡΠ΅.
ΠΠΎΠ»Π΅Π½ΡΠ°ΡΡΠΉ Π²Π°Π» ΡΠ»ΡΠΆΠΈΡ Π΄Π»Ρ ΠΏΠΎΠ΄Π΄Π΅ΡΠΆΠ°Π½ΠΈΡ ΡΠ°Π±ΠΎΡΡ ΡΠΎΠΏΠ»ΠΈΠ²Π½ΡΡ
ΡΠΎΡΡΡΠ½ΠΎΠΊ ΠΈ Π·Π°ΠΆΠΈΠ³Π°Π½ΠΈΡ.
ΠΠ»Π°Π³ΠΎΠ΄Π°ΡΡ Π΅ΠΌΡ ΠΠΠ£ ΠΏΠΎΡΡΠ»Π°ΡΡΡΡ ΡΠΈΠ³Π½Π°Π»Ρ ΠΎ ΠΊΠΎΠ»Π΅Π½Π°Π»Π΅, Π° ΠΈΠΌΠ΅Π½Π½ΠΎ ΠΎ Π΅Π³ΠΎ ΠΏΠΎΠ»ΠΎΠΆΠ΅Π½ΠΈΠΈ ΠΈ ΡΠ°ΡΡΠΎΡΠ΅ Π²ΡΠ°ΡΠ΅Π½ΠΈΡ.
ΠΡΠΈΠ±ΠΊΠΈ, ΡΠ²ΡΠ·Π°Π½Π½ΡΠ΅ Ρ ΠΠ ΠΠΈΠΎ Π ΠΈΠΎ 3:
- ΠΡΠΎΠ±Π»Π΅ΠΌΡ ΡΠ΅ΠΏΠΈ β P0385
- ΠΠ΅Π²Π΅ΡΠ½ΡΠΉ ΠΏΠΎΠΊΠ°Π·Π°ΡΠ΅Π»Ρ β P0386
- ΠΠ΅ ΡΡΠΈΡΡΠ²Π°Π΅ΠΌΠΎΡΡΡ Π΄Π°ΡΡΠΈΠΊΠ° β P1336
- ΠΠ΅Π½ΡΠ΅ΡΡΡ ΡΠ°ΡΡΠΎΡΠ° β P1374
- ΠΠΎΠΊΠ°Π·Π°ΡΠ΅Π»Ρ ΠΠ Β«ΠΒ» Π½ΠΈΠΆΠ΅ ΡΡΠ΅Π΄Π½Π΅Π³ΠΎ β P0387
- ΠΠΎΠΊΠ°Π·Π°ΡΠ΅Π»Ρ ΠΠ Β«ΠΒ» Π²ΡΡΠ΅ ΡΡΠ΅Π΄Π½Π΅Π³ΠΎ β P0388
- ΠΡΠΎΠ±Π»Π΅ΠΌΡ Π² Π΄Π°ΡΡΠΈΠΊΠ΅ Β«ΠΒ» β P0389
- ΠΠ΅ΡΠ°Π±ΠΎΡΠΎΡΠΏΠΎΡΠΎΠ±Π½ΠΎΡΡΡ ΡΠ΅Π½ΠΈ β P0335
- ΠΠ΅Π²Π΅ΡΠ½ΡΠΉ ΠΏΠΎΠΊΠ°Π·Π°ΡΠ΅Π»Ρ Π΄Π°ΡΡΠΈΠΊ Β«ΠΒ» β P0336
- ΠΠΎΠΊΠ°Π·Π°ΡΠ΅Π»Ρ Π½ΠΈΠΆΠ΅ ΡΡΠ΅Π΄Π½Π΅Π³ΠΎ ΠΠ Β«ΠΒ» β P0337
- ΠΠΎΠΊΠ°Π·Π°ΡΠ΅Π»Ρ Π΄Π°ΡΡΠΈΠΊΠ° Β«ΠΒ» Π²ΡΡΠ΅ ΡΡΠ΅Π΄Π½Π΅Π³ΠΎ β P0338
- ΠΠΎΠ²ΡΠ΅ΠΆΠ΄Π΅Π½ΠΈΠ΅ β P0339
ΠΡΠΈΠ±ΠΊΠΈ Π΄Π°ΡΡΠΈΠΊΠ° ΠΊΠΎΠ»Π΅Π½ΡΠ°ΡΠΎΠ³ΠΎ Π²Π°Π»Π° Π²ΡΡΡΠ΅ΡΠ°Π΅ΡΡΡ ΠΈΠ·-Π·Π° ΠΎΠ±ΡΡΠ²Π° ΡΠ΅ΠΏΠΈ ΠΈΠ»ΠΈ Π΅Π³ΠΎ ΠΈΡΠΏΠΎΡΡΠ΅Π½Π½ΠΎΡΡΠΈ.
ΠΠ°ΡΡΠΈΠΊ ΡΠ°ΡΠΏΡΠ΅Π΄Π²Π°Π»Π° Gamma 1.4 / 1.6 ΠΠΈΠ° Π ΠΈΠΎ ΠΈ Π΅Π³ΠΎ Π½Π΅ΠΈΡΠΏΡΠ°Π²Π½ΠΎΡΡΠΈΠΠΠ Π ΡΠΎΠ³Π»Π°ΡΠΎΠ²ΡΠ²Π°Π΅Ρ ΡΠ°Π±ΠΎΡΡ ΡΠΈΡΡΠ΅ΠΌΡ Π²ΠΏΡΡΡΠΊΠ° ΡΠΎΠΏΠ»ΠΈΠ²Π° ΠΈ ΠΌΠ΅Ρ
Π°Π½ΠΈΠ·ΠΌΠ° Π΄Π²ΠΈΠ³Π°ΡΠ΅Π»Ρ. ΠΠ°ΡΡΠΈΠΊ ΡΠ°Π· Π½Π΅ΠΎΡΠ΄Π΅Π»ΠΈΠΌ ΠΎΡ ΠΊΠΎΠ»Π΅Π½Π²Π°Π»Π°.
ΠΠΠ Π ΡΠ°ΡΠΏΠΎΠ»Π°Π³Π°Π΅ΡΡΡ ΡΡΠ΄ΠΎΠΌ Ρ ΡΠ΅ΡΡΠ΅ΡΡΠ½Π°ΠΌΠΈ ΠΈ Π·Π²ΡΠ·Π΄ΠΎΡΠΊΠ°ΠΌΠΈ ΠΏΡΠΈΠ²ΠΎΠ΄Π° ΠΠ Π. ΠΠ°Π³Π½ΠΈΡΠ½ΡΠ΅ ΠΈ ΡΠ΅, ΠΎΡΠ½ΠΎΠ²Π° ΠΊΠΎΡΠΎΡΡΡ
ΡΡΡΠ΅ΠΊΡ Π₯ΠΎΠ»Π»Π°, ΡΠ²Π»ΡΡΡΡΡ ΠΏΡΠΈΠ½ΡΡΡΠΌΠΈ Π΄Π°ΡΡΠΈΠΊΠ°ΠΌΠΈ ΡΠ°ΡΠΏΡΠ΅Π΄Π²Π°Π»Π°. ΠΠ±Π° Π²ΠΈΠ΄Π° ΡΠ»ΡΠΆΠ°Ρ Π΄Π»Ρ ΠΏΠ΅ΡΠ΅Π΄Π°ΡΠΈ Π½Π°ΠΏΡΡΠΆΠ΅Π½ΠΈΡ ΠΠΠ£ Π΄Π²ΠΈΠ³Π°ΡΠ΅Π»Π΅ΠΌ.
ΠΡΠΈ ΠΈΡΡΠ΅ΡΠ΅Π½ΠΈΠΈ ΠΌΠ°ΠΊΡΠΈΠΌΠ°Π»ΡΠ½ΠΎΠ³ΠΎ ΡΡΠΎΠΊΠ° ΡΠ»ΡΠΆΠ±Ρ, ΠΠΠ Π ΠΏΡΠ΅ΠΊΡΠ°ΡΠ°Π΅Ρ ΡΠ°Π±ΠΎΡΠ°ΡΡ. Π§Π°ΡΠ΅ Π²ΡΠ΅Π³ΠΎ, ΠΏΡΠΈΡΠΈΠ½ΠΎΠΉ ΡΡΠΎΠΌΡ ΡΠ»ΡΠΆΠΈΡ ΠΈΠ·Π½ΠΎΡ Π²Π½ΡΡΡΠ΅Π½Π½Π΅ΠΉ ΠΎΠ±ΠΌΠΎΡΠΊΠΈ ΠΏΡΠΎΠ²ΠΎΠ΄ΠΎΠ².
ΠΠΈΠ°Π³Π½ΠΎΡΡΠΈΠΊΠ° ΠΏΡΠΎΠ±Π»Π΅ΠΌ ΠΈ ΠΎΡΠΈΠ±ΠΎΠΊ ΡΠ°ΡΠΏΡΠ΅Π΄Π²Π°Π»Π° ΠΠΈΠ° Π ΠΈΠΎ ΠΏΡΠΎΠ²ΠΎΠ΄ΠΈΡΡΡ ΡΠΊΠ°Π½Π΅ΡΠΎΠΌ.
- ΠΡΠΎΠ±Π»Π΅ΠΌΡ Π² ΡΠ΅ΠΏΠΈ β P0340
- ΠΠ΅Π²Π΅ΡΠ½ΡΠΉ ΠΏΠΎΠΊΠ°Π·Π°ΡΠ΅Π»Ρ β P0341
- ΠΠΎΠΊΠ°Π·Π°ΡΠ΅Π»Ρ Π΄Π°ΡΡΠΈΠΊΠ° Π½ΠΈΠΆΠ΅ ΡΡΠ΅Π΄Π½Π΅Π³ΠΎ β P0342
- ΠΠΎΠΊΠ°Π·Π°ΡΠ΅Π»Ρ Π²ΡΡΠ΅ ΡΡΠ΅Π΄Π½Π΅Π³ΠΎ β P0343
Π Π½Π°ΡΠ΅ Π²ΡΠ΅ΠΌΡ Π² Π°Π²ΡΠΎΠΌΠΎΠ±ΠΈΠ»ΡΡ
ΡΠΆΠ΅ Π½Π΅ ΠΈΡΠΏΠΎΠ»ΡΠ·ΡΠ΅ΡΡΡ ΠΌΠ΅ΡΠΎΠ΄ ΠΌΠ΅Ρ
Π°Π½ΠΈΡΠ΅ΡΠΊΠΎΠ³ΠΎ ΠΈΠ·ΠΌΠ΅ΡΠ΅Π½ΠΈΡ ΡΠΊΠΎΡΠΎΡΡΠΈ. Π Π°Π·ΡΠ°Π±ΠΎΡΠ°Π½Ρ ΡΡΡΡΠΎΠΉΡΡΠ²Π°, ΠΊΠΎΡΠΎΡΡΠ΅ ΡΠ°Π±ΠΎΡΠ°ΡΡ Π½Π° Π±Π°Π·Π΅ ΡΡΡΠ΅ΠΊΡΠ° Π₯ΠΎΠ»Π»Π°. Π§Π°ΡΡΠΎΡΠ½ΠΎ-ΠΈΠΌΠΏΡΠ»ΡΡΠΈΠ²Π½ΡΠΉ ΡΠΈΠ³Π½Π°Π» ΠΏΠ΅ΡΠ΅Π΄Π°Π΅ΡΡΡ ΠΎΡ ΠΊΠΎΠ½ΡΡΠΎΠ»Π΅ΡΠ°, Π° ΡΠ°ΡΡΠΎΡΠ° ΠΏΠ΅ΡΠ΅Π΄Π°ΡΠΈ Π·Π°Π²ΠΈΡΠΈΠΌΠ° ΠΎΡ ΡΠΊΠΎΡΠΎΡΡΠΈ Π΄Π²ΠΈΠΆΠ΅Π½ΠΈΡ Π°Π²ΡΠΎ. ΠΠ°ΡΡΠΈΠΊ ΡΠΊΠΎΡΠΎΡΡΠΈ, ΡΡΠΎ ΠΏΠΎΠ½ΡΡΠ½ΠΎ ΠΈΠ· Π΅Π³ΠΎ Π½Π°Π·Π²Π°Π½ΠΈΡ, ΠΏΠΎΠΌΠΎΠ³Π°Π΅Ρ ΠΎΠΏΡΠ΅Π΄Π΅Π»ΠΈΡΡ ΡΠΎΡΠ½ΡΡ ΡΠΊΠΎΡΠΎΡΡΡ Π΄Π²ΠΈΠΆΠ΅Π½ΠΈΡ.
Π Π°Π±ΠΎΡΠ° Π·Π°ΠΊΠ»ΡΡΠ°Π΅ΡΡΡ Π² ΠΈΠ·ΠΌΠ΅ΡΠ΅Π½ΠΈΠΈ ΠΏΡΠΎΠΌΠ΅ΠΆΡΡΠΊΠ° Π²ΡΠ΅ΠΌΠ΅Π½ΠΈ ΠΌΠ΅ΠΆΠ΄Ρ ΡΠΈΠ³Π½Π°Π»Π°ΠΌΠΈ Π·Π° ΠΊΠ°ΠΆΠ΄ΡΠΉ ΠΊΠΈΠ»ΠΎΠΌΠ΅ΡΡ. ΠΠ΄ΠΈΠ½ ΠΊΠΈΠ»ΠΎΠΌΠ΅ΡΡ ΠΏΠ΅ΡΠ΅Π΄Π°ΡΡ ΡΠ΅ΡΡΡ ΡΡΡΡΡ ΠΈΠΌΠΏΡΠ»ΡΡΠΎΠ². ΠΡΠΈ ΡΡΠΊΠΎΡΠ΅Π½ΠΈΠΈ Π°Π²ΡΠΎΠΌΠΎΠ±ΠΈΠ»Ρ, ΡΠ°ΡΡΠΎΡΠ° ΠΏΠ΅ΡΠ΅Π΄Π°ΡΠΈ ΠΈΠΌΠΏΡΠ»ΡΡΠΎΠ² Π²ΠΎΠ·ΡΠ°ΡΡΠ°Π΅Ρ ΡΠΎΠΎΡΠ²Π΅ΡΡΡΠ²Π΅Π½Π½ΠΎ. ΠΡΠΈ ΠΏΡΠΎΡΡΠ΅ΡΠ΅ ΡΠΎΡΠ½ΠΎΠ³ΠΎ Π²ΡΠ΅ΠΌΠ΅Π½ΠΈ ΠΏΠ΅ΡΠ΅Π΄Π°ΡΠΈ ΠΈΠΌΠΏΡΠ»ΡΡΠΎΠ², Π»Π΅Π³ΠΊΠΎ ΠΏΠΎΠ»ΡΡΠ°Π΅ΡΡΡ ΡΠΊΠΎΡΠΎΡΡΡ Π΄Π²ΠΈΠΆΠ΅Π½ΠΈΡ ΡΡΠ°Π½ΡΠΏΠΎΡΡΠ°.
ΠΠΎΠ³Π΄Π° Π°Π²ΡΠΎΠΌΠΎΠ±ΠΈΠ»Ρ Π΄Π²ΠΈΠΆΠ΅ΡΡΡ Β«Π½Π°ΠΊΠ°ΡΠΎΠΌΒ», Ρ ΠΏΠΎΠΌΠΎΡΡΡ Π΄Π°ΡΡΠΈΠΊΠ° ΡΠΊΠΎΡΠΎΡΡΠΈ ΡΠΊΠΎΠ½ΠΎΠΌΠΈΡΡΡ ΡΠΎΠΏΠ»ΠΈΠ²ΠΎ. ΠΠ½ Π΄ΠΎΠ²ΠΎΠ»ΡΠ½ΠΎ ΠΏΡΠΎΡΡΠΎΠΉ Π² ΡΠ²ΠΎΠ΅ΠΉ ΡΠ°Π±ΠΎΡΠ΅, Π½ΠΎ, ΠΏΡΠΈ ΠΌΠ°Π»Π΅ΠΉΡΠ΅ΠΉ ΠΏΠΎΠ»ΠΎΠΌΠΊΠ΅, ΡΠ°Π±ΠΎΡΠ° Π΄Π²ΠΈΠ³Π°ΡΠ΅Π»Ρ Π°Π²ΡΠΎ ΡΡ ΡΠ΄ΡΠ°Π΅ΡΡΡ.
ΠΠ‘ ΠΠΈΠ° Π ΠΈΠΎ Π½Π°Ρ ΠΎΠ΄ΠΈΡΡΡ Π½Π° ΠΊΠΎΡΠΏΡΡΠ΅ ΠΠΠΠ Π²Π΅ΡΡΠΈΠΊΠ°Π»ΡΠ½ΠΎ. ΠΡΠΈ Π΅Π³ΠΎ Π½Π΅ΠΈΡΠΏΡΠ°Π²Π½ΠΎΡΡΠΈ, Π΄Π²ΠΈΠ³Π°ΡΠ΅Π»Ρ Π½Π°ΡΠΈΠ½Π°Π΅Ρ ΡΠ°Π±ΠΎΡΠ°ΡΡ Π½Π΅ΠΊΠΎΡΡΠ΅ΠΊΡΠ½ΠΎ. ΠΠ°ΡΡΠΈΠΊ ΡΠΊΠΎΡΠΎΡΡΠΈ, ΡΠ°ΠΊΠΆΠ΅ ΠΊΠ°ΠΊ ΠΈ ΡΠ°ΡΠΏΡΠ΅Π΄Π²Π°Π»Π°, ΠΏΡΠΈ ΠΏΠΎΠ»ΠΎΠΌΠΊΠ΅ Π½Π΅ ΡΠΈΠ½ΠΈΡΡΡ, Π° ΡΡΠ°Π·Ρ ΠΌΠ΅Π½ΡΠ΅ΡΡΡ Π½Π° Π½ΠΎΠ²ΡΡ Π΄Π΅ΡΠ°Π»Ρ. ΠΠ°ΠΈΠ±ΠΎΠ»Π΅Π΅ ΡΠ°ΡΡΠΎ ΡΠ°Π·ΡΡΡΠ°Π΅ΡΡΡ ΠΏΡΠΈΠ²ΠΎΠ΄Π½Π°Ρ ΡΠ΅ΡΡΠ΅ΡΠ½Ρ.
- ΠΠ΅ΡΠ°Π±ΠΎΡΠΎΡΠΏΠΎΡΠΎΠ±Π½ΠΎΡΡΡ Π² ΡΠ΅ΠΏΠΈ Π΄Π°ΡΡΠΈΠΊΠ° ΡΠΊΠΎΡΠΎΡΡΠΈ β P0500
- ΠΠ»ΠΎΡ ΠΎ ΠΎΡΡΠ΅Π³ΡΠ»ΠΈΡΠΎΠ²Π°Π½ ΠΠ‘ β P0501
- ΠΠΎΠΊΠ°Π·Π°ΡΠ΅Π»Ρ Π½ΠΈΠΆΠ΅ ΡΡΠ΅Π΄Π½Π΅Π³ΠΎ ΠΠ‘ β P0502
- ΠΠΎΠΊΠ°Π·Π°ΡΠ΅Π»Ρ Π²ΡΡΠ΅ ΡΡΠ΅Π΄Π½Π΅Π³ΠΎ ΠΠ‘ β P0503
ΠΠ°ΡΡΠΈΠΊ ΡΠ΅ΠΌΠΏΠ΅ΡΠ°ΡΡΡΡ ΡΠ»ΡΠΆΠΈΡ Π΄Π»Ρ ΠΏΡΠ΅Π΄ΡΠΏΡΠ΅ΠΆΠ΄Π΅Π½ΠΈΡ ΠΎ ΠΏΠ΅ΡΠ΅Π³ΡΠ΅Π²Π΅ ΠΌΠΎΡΠΎΡΠ°, Π±Π»Π°Π³ΠΎΠ΄Π°ΡΡ Π΅ΠΌΡ, Π²ΠΎΠ΄ΠΈΡΠ΅Π»Ρ ΠΎΡΡΠ°Π½Π°Π²Π»ΠΈΠ²Π°Π΅Ρ ΠΈ Π·Π°Π³Π»ΡΡΠ°Π΅Ρ Π°Π²ΡΠΎ Π΄ΠΎ ΡΠΎΠ³ΠΎ, ΠΊΠ°ΠΊ ΡΡΠΎ-ΡΠΎ ΠΏΠΎΠ²ΡΠ΅Π΄ΠΈΡΡΡ ΠΈΠ·-Π·Π° ΠΏΠ΅ΡΠ΅Π³ΡΠ΅Π²Π°.
ΠΠΎΠ»ΡΡΠ°Ρ ΡΠ°ΡΡΡ Π²Π»Π°Π΄Π΅Π»ΡΡΠ΅Π² ΠΠΈΠ° Π ΠΈΠΎ ΡΡΠ²Π΅ΡΠΆΠ΄Π°ΡΡ, ΡΡΠΎ Ρ Π°Π²ΡΠΎ ΡΠ΅ΠΌΠΏΠ΅ΡΠ°ΡΡΡΠ½ΡΠΉ Π΄Π°ΡΡΠΈΠΊ ΠΎΡΡΡΡΡΡΠ²ΡΠ΅Ρ, ΠΏΠΎΡΠΎΠΌΡ ΡΡΠΎ ΠΎΠ½ΠΈ ΠΏΡΠΎΡΡΠΎ Π½Π΅ Π½Π°Π±Π»ΡΠ΄Π°ΡΡ ΠΊΠΎΠ»ΠΈΡΠ΅ΡΡΠ²ΠΎ Π³ΡΠ°Π΄ΡΡΠΎΠ² Π΄Π²ΠΈΠ³Π°ΡΠ΅Π»Ρ. Π’Π΅ΠΌΠΏΠ΅ΡΠ°ΡΡΡΡ Π΄Π²ΠΈΠ³Π°ΡΠ΅Π»Ρ ΠΌΠΎΠΆΠ½ΠΎ ΠΊΠΎΡΠ²Π΅Π½Π½ΠΎ ΠΏΠΎΠ½ΡΡΡ ΠΏΠΎ Β«ΠΠ°ΡΡΠΈΠΊΡ ΡΠ΅ΠΌΠΏΠ΅ΡΠ°ΡΡΡΡ ΠΎΡ Π»Π°ΠΆΠ΄Π°ΡΡΠ΅ΠΉ ΠΆΠΈΠ΄ΠΊΠΎΡΡΠΈ Π΄Π²ΠΈΠ³Π°ΡΠ΅Π»ΡΒ».
ΠΡΠΈΠ±ΠΊΠΈ, ΡΠ²ΡΠ·Π°Π½Π½ΡΠ΅ Ρ ΠΠ’ ΠΠΈΠ° Π ΠΈΠΎ 3:
- ΠΠ΅Π²Π΅ΡΠ½ΡΠΉ ΠΏΠΎΠΊΠ°Π·Π°ΡΠ΅Π»Ρ β P0116
- ΠΠΎΠΊΠ°Π·Π°ΡΠ΅Π»Ρ Π½ΠΈΠΆΠ΅ ΡΡΠ΅Π΄Π½Π΅Π³ΠΎ β P0117
- ΠΠΎΠΊΠ°Π·Π°ΡΠ΅Π»Ρ Π²ΡΡΠ΅ Π½ΠΎΡΠΌΡ β P0118
- ΠΡΠΎΠ±Π»Π΅ΠΌΡ β P0119
Π‘ΠΎΠΏΡΠΎΡΠΈΠ²Π»Π΅Π½ΠΈΠ΅ Π΄Π°ΡΡΠΈΠΊΠ° Π·Π°Π²ΠΈΡΠΈΡ ΠΎΡ ΡΠ΅ΠΌΠΏΠ΅ΡΠ°ΡΡΡΡ ΠΎΡ Π»Π°ΠΆΠ΄Π°ΡΡΠ΅ΠΉ ΠΆΠΈΠ΄ΠΊΠΎΡΡΠΈ. ΠΠ»Ρ ΠΏΡΠΎΠ²Π΅ΡΠΊΠΈ ΠΏΡΠ°Π²ΠΈΠ»ΡΠ½ΠΎΠΉ ΡΠ°Π±ΠΎΡΡ Π΄Π°ΡΡΠΈΠΊΠ° Π΄ΠΎΡΡΠ°ΡΠΎΡΠ½ΠΎ ΠΏΡΠΎΡΡΠΎ ΠΏΠΎΠ³ΡΡΠ·ΠΈΡΡ Π΅Π³ΠΎ Π² Π²ΠΎΠ΄Ρ ΠΊΠΎΠΌΠ½Π°ΡΠ½ΠΎΠΉ ΡΠ΅ΠΌΠΏΠ΅ΡΠ°ΡΡΡΡ ΠΈ ΡΡΠ°Π²Π½ΠΈΡΡ ΠΏΠΎΠΊΠ°Π·Π°Π½ΠΈΡ.
ΠΠ°ΠΊΠ»ΡΡΠ΅Π½ΠΈΠ΅Π‘ΠΎΠ²ΡΠ΅ΠΌΠ΅Π½Π½ΡΠΉ Π°Π²ΡΠΎΠΌΠΎΠ±ΠΈΠ»Ρ β ΡΠ΅Π»ΠΎΡΡΠ½Π°Ρ ΡΠΈΡΡΠ΅ΠΌΠ° ΠΈΠ· ΡΡΡΡΠΎΠΉΡΡΠ², Π²Π·Π°ΠΈΠΌΠΎΡΠ²ΡΠ·Π°Π½Π½ΡΡ
Π΄ΡΡΠ³ Ρ Π΄ΡΡΠ³ΠΎΠΌ Ρ ΠΏΠΎΠΌΠΎΡΡΡ ΠΊΠΎΠΌΠΏΠ»Π΅ΠΊΡΠ° Π΄Π°ΡΡΠΈΠΊΠΎΠ². ΠΡΠ»ΠΈ ΡΠ°Π±ΠΎΡΠ° Π±ΡΠΊΠ²Π°Π»ΡΠ½ΠΎ ΠΎΠ΄Π½ΠΎΠ³ΠΎ Π΄Π°ΡΡΠΈΠΊΠ° Π±ΡΠ΄Π΅Ρ Π½Π°ΡΡΡΠ΅Π½Π°, ΡΠΎ ΠΏΡΠΎΠΈΠ·ΠΎΠΉΠ΄ΡΡ ΡΠ±ΠΎΠΉ ΡΠΈΡΡΠ΅ΠΌΡ.
ΠΠΎΠ·Π΄ΡΡ Π² ΠΌΠΎΡΠΎΡΠ΅ ΠΊΠΎΠ½ΡΡΠΎΠ»ΠΈΡΡΠ΅ΡΡΡ Π΄Π°ΡΡΠΈΠΊΠΎΠΌ ΡΠ°ΡΠΏΡΠ΅Π΄Π²Π°Π»Π° ΠΈ, ΡΠΌΠΎΡΡΡ ΠΏΠΎ Π΅Π³ΠΎ ΠΎΠ±ΡΠ΅ΠΌΡ, ΠΠΠ£ ΡΠ°ΡΡΡΠΈΡΡΠ²Π°Π΅Ρ ΠΏΠΎΠ΄Π°ΡΡ ΡΠ°Π±ΠΎΡΠ΅ΠΉ ΡΠΌΠ΅ΡΠΈ Π² Π΄Π²ΠΈΠ³Π°ΡΠ΅Π»Ρ. ΠΡΠΈ ΠΏΠΎΠΌΠΎΡΠΈ Π΄Π°ΡΡΠΈΠΊΠ° ΠΊΠΎΠ»Π΅Π½Π²Π°Π»Π°, Π±Π»ΠΎΠΊ ΡΠΏΡΠ°Π²Π»Π΅Π½ΠΈΡ ΡΠ»Π΅Π΄ΠΈΡ Π·Π° ΠΎΠ±ΠΎΡΠΎΡΠ°ΠΌΠΈ ΠΌΠΎΡΠΎΡΠ° ΠΈ ΡΠΈΡΡΠ΅ΠΌΠ° ΡΠ΅Π³ΡΠ»ΠΈΡΠΎΠ²ΠΊΠΈ ΡΠ΅Π³ΡΠ»ΠΈΡΡΠ΅Ρ ΠΏΠΎΠ΄Π°ΡΡ Π²ΠΎΠ·Π΄ΡΡ Π°. Π‘ ΠΏΠΎΠΌΠΎΡΡΡ Π±Π»ΠΎΠΊΠ° ΡΠΏΡΠ°Π²Π»Π΅Π½ΠΈΡ, Π²ΠΎ Π²ΡΠ΅ΠΌΡ ΡΡΠΎΡΠ½ΠΊΠΈ ΠΏΠΎΠ΄Π΄Π΅ΡΠΆΠΈΠ²Π°Π΅ΡΡΡ Π²Π΅Π»ΠΈΡΠΈΠ½Π° Ρ ΠΎΠ»ΠΎΡΡΡΡ ΠΎΠ±ΠΎΡΠΎΡΠΎΠ² Π½Π° ΠΏΡΠΎΠ³ΡΠ΅ΡΠΎΠΌ ΠΌΠΎΡΠΎΡΠ΅. Π‘ΠΈΡΡΠ΅ΠΌΠ° ΠΎΠ±Π΅ΡΠΏΠ΅ΡΠΈΠ²Π°Π΅Ρ ΠΌΠΎΡΠΎΡΡ ΠΏΡΠΎΠ³ΡΠ΅Π² Π½Π° Π²ΡΡΠΎΠΊΠΈΡ ΠΎΠ±ΠΎΡΠΎΡΠ°Ρ , Π±Π»Π°Π³ΠΎΠ΄Π°ΡΡ ΡΠ²Π΅Π»ΠΈΡΠ΅Π½ΠΈΡ ΠΎΠ±ΠΎΡΠΎΡΠΎΠ² Ρ ΠΎΠ»ΠΎΡΡΠΎΠ³ΠΎ Ρ ΠΎΠ΄Π°.
ΠΡΠ΅ ΡΡΠΈ Π΄Π°ΡΡΠΈΠΊΠΈ Π²ΡΡΡΠ΅ΡΠ°ΡΡΡΡ Π½Π° ΡΠΎΠ²ΡΠ΅ΠΌΠ΅Π½Π½ΡΡ Π°Π²ΡΠΎΠΌΠΎΠ±ΠΈΠ»ΡΡ ΠΈ, ΠΈΠ·ΡΡΠΈΠ² ΠΈΡ ΡΡΡΠΎΠ΅Π½ΠΈΠ΅ ΠΈ ΠΎΡΠΈΠ±ΠΊΠΈ, Π½Π°ΠΌΠ½ΠΎΠ³ΠΎ Π»Π΅Π³ΡΠ΅ ΠΏΠΎΠ½ΠΈΠΌΠ°ΡΡ ΡΠ΅Π·ΡΠ»ΡΡΠ°ΡΡ Π΄ΠΈΠ°Π³Π½ΠΎΡΡΠΈΠΊΠΈ ΠΈ ΠΏΠΎΠΊΡΠΏΠ°ΡΡ Π½Π΅ΠΎΠ±Ρ ΠΎΠ΄ΠΈΠΌΡΡ Π΄Π΅ΡΠ°Π»Ρ Π½Π° Π°Π²ΡΠΎΠΌΠΎΠ±ΠΈΠ»Ρ.
ΠΠ±ΡΠ»ΡΠΆΠΈΠ²Π°Π½ΠΈΠ΅
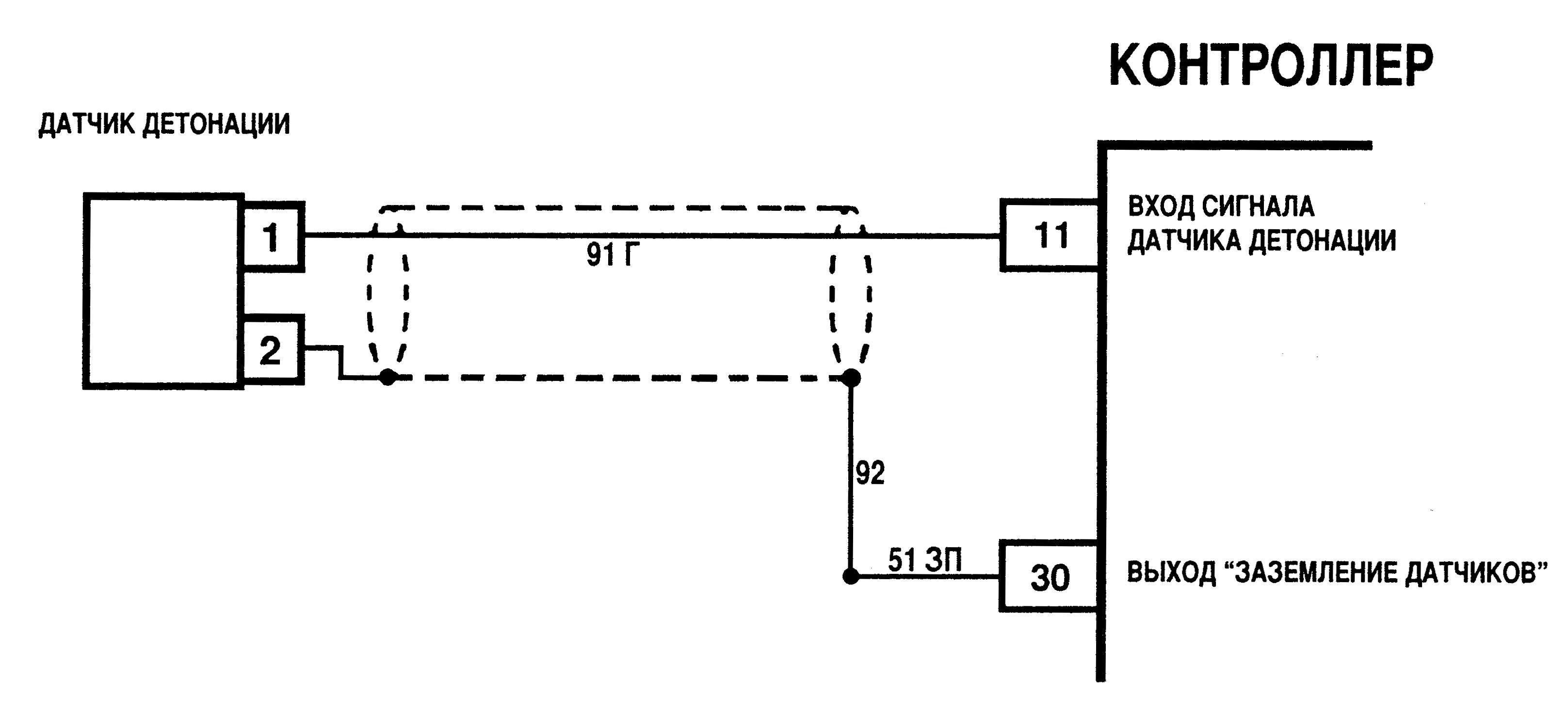
ΠΠ°ΡΡΠΈΠΊ ΠΏΠΎΠ»ΠΎΠΆΠ΅Π½ΠΈΡ ΠΊΠΎΠ»Π΅Π½ΡΠ°ΡΠΎΠ³ΠΎ Π²Π°Π»Π°: ΡΡ Π΅ΠΌΠ°, ΡΠΈΠΏΡ, ΡΠ°Π±ΠΎΡΠ°
ΠΠ°ΡΡΠΈΠΊΠΈ ΠΏΠΎΠ»ΠΎΠΆΠ΅Π½ΠΈΡ ΠΊΠΎΠ»Π΅Π½ΡΠ°ΡΠΎΠ³ΠΎ ΠΈ ΡΠ°ΡΠΏΡΠ΅Π΄Π΅Π»ΠΈΡΠ΅Π»ΡΠ½ΠΎΠ³ΠΎ Π²Π°Π»Π°, ΠΊΠΎΡΠΎΡΡΠ΅ ΡΠ²Π»ΡΡΡΡΡ Π½Π°ΠΈΠ±ΠΎΠ»Π΅Π΅ Π²Π°ΠΆΠ½ΡΠΌΠΈ Π΄Π°ΡΡΠΈΠΊΠ°ΠΌΠΈ Π² Π»ΡΠ±ΠΎΠΌ Π΄Π²ΠΈΠ³Π°ΡΠ΅Π»Π΅, ΠΈΠΌΠ΅ΡΡ ΡΠ΅ΡΠ°ΡΡΠ΅Π΅ Π·Π½Π°ΡΠ΅Π½ΠΈΠ΅ Π΄Π»Ρ ΡΠ°Π±ΠΎΡΡ ΡΠ°ΡΠΏΡΠ΅Π΄Π΅Π»ΠΈΡΠ΅Π»Ρ ΠΈ ΠΎΠΏΠ΅ΡΠ΅ΠΆΠ΅Π½ΠΈΡ Π·Π°ΠΆΠΈΠ³Π°Π½ΠΈΡ. ΠΠ°ΡΡΠΈΠΊ ΠΏΠΎΠ»ΠΎΠΆΠ΅Π½ΠΈΡ ΠΊΠΎΠ»Π΅Π½ΡΠ°ΡΠΎΠ³ΠΎ Π²Π°Π»Π° β ΡΡΠΎ ΠΌΠ½ΠΎΠ³ΠΎΡΠ΅Π»Π΅Π²ΠΎΠΉ Π΄Π°ΡΡΠΈΠΊ, ΠΊΠΎΠ½ΡΡΠΎΠ»ΠΈΡΡΡΡΠΈΠΉ ΡΠ³ΠΎΠ» ΠΎΠΏΠ΅ΡΠ΅ΠΆΠ΅Π½ΠΈΡ Π·Π°ΠΆΠΈΠ³Π°Π½ΠΈΡ, ΠΎΠΏΡΠ΅Π΄Π΅Π»ΡΡΡΠΈΠΉ ΡΠΈΡΠ»ΠΎ ΠΎΠ±ΠΎΡΠΎΡΠΎΠ² Π² ΠΌΠΈΠ½ΡΡΡ ΠΈ ββΠ²ΡΡΠΈΡΠ»ΡΡΡΠΈΠΉ ΠΎΡΠ½ΠΎΡΠΈΡΠ΅Π»ΡΠ½ΡΡ ΡΠΊΠΎΡΠΎΡΡΡ Π²ΡΠ°ΡΠ΅Π½ΠΈΡ Π΄Π²ΠΈΠ³Π°ΡΠ΅Π»Ρ.
ΠΠ»Π°Π³ΠΎΠ΄Π°ΡΡ ΡΡΠΎΠΌΡ Π΄Π°ΡΡΠΈΠΊΡ Π±ΠΎΠ»ΡΡΠ΅ Π½Π΅ ΡΡΠ΅Π±ΡΠ΅ΡΡΡ ΡΡΡΠ½Π°Ρ ΡΠΈΠ½Ρ
ΡΠΎΠ½ΠΈΠ·Π°ΡΠΈΡ ΡΠ°ΡΠΏΡΠ΅Π΄Π΅Π»ΠΈΡΠ΅Π»Ρ. ΠΠ»Ρ ΡΠΈΠ½Ρ
ΡΠΎΠ½ΠΈΠ·Π°ΡΠΈΠΈ ΠΏΠΎΡΠ»Π΅Π΄ΠΎΠ²Π°ΡΠ΅Π»ΡΠ½ΠΎΡΡΠΈ Π·Π°ΠΆΠΈΠ³Π°Π½ΠΈΡ ΡΠΎΠΏΠ»ΠΈΠ²Π½ΠΎΠΉ ΡΠΎΡΡΡΠ½ΠΊΠΈ ΠΈ ΠΊΠ°ΡΡΡΠΊΠΈ ΠΈΡΠΏΠΎΠ»ΡΠ·ΡΠ΅ΡΡΡ Π΄Π°ΡΡΠΈΠΊ ΠΏΠΎΠ»ΠΎΠΆΠ΅Π½ΠΈΡ ΡΠ°ΡΠΏΡΠ΅Π΄Π΅Π»ΠΈΡΠ΅Π»ΡΠ½ΠΎΠ³ΠΎ Π²Π°Π»Π°, ΠΊΠΎΡΠΎΡΡΠΉ ΠΎΠΏΡΠ΅Π΄Π΅Π»ΡΠ΅Ρ, ΠΊΠ°ΠΊΠΎΠΉ ΡΠΈΠ»ΠΈΠ½Π΄Ρ ΡΠ°Π±ΠΎΡΠ°Π΅Ρ.
Π ΡΠ΅Π³ΠΎΠ΄Π½ΡΡΠ½Π΅ΠΉ ΡΡΠ°ΡΡΠ΅ Π²Ρ ΡΠ·Π½Π°Π΅ΡΠ΅ ΠΎΠΏΡΠ΅Π΄Π΅Π»Π΅Π½ΠΈΠ΅, ΡΡΠ½ΠΊΡΠΈΠΈ, ΡΡ Π΅ΠΌΡ, ΡΠΈΠΏΡ, ΡΠ°Π±ΠΎΡΠ° ΠΈ ΠΎΠ±ΡΠΈΠ΅ ΠΏΡΠΈΠ·Π½Π°ΠΊΠΈ Π΄Π°ΡΡΠΈΠΊΠ° ΠΏΠΎΠ»ΠΎΠΆΠ΅Π½ΠΈΡ ΠΊΠΎΠ»Π΅Π½ΡΠ°ΡΠΎΠ³ΠΎ Π²Π°Π»Π°
!Π²Π°ΠΆΠ½ΠΎ;ΠΌΠΈΠ½. -ΡΠ²Π΅ΡΡ Ρ: 15px!Π²Π°ΠΆΠ½ΠΎ;ΠΏΠΎΠ»Π΅-ΡΠΏΡΠ°Π²Π°:Π°Π²ΡΠΎ!Π²Π°ΠΆΠ½ΠΎ;ΠΏΠΎΠ»Π΅-ΡΠ½ΠΈΠ·Ρ:15px!Π²Π°ΠΆΠ½ΠΎ;ΠΏΠΎΠ»Π΅-ΡΠ»Π΅Π²Π°:Π°Π²ΡΠΎ!Π²Π°ΠΆΠ½ΠΎ;ΠΎΡΠΎΠ±ΡΠ°ΠΆΠ΅Π½ΠΈΠ΅:Π±Π»ΠΎΠΊ!Π²Π°ΠΆΠ½ΠΎ;Π²ΡΡΠ°Π²Π½ΠΈΠ²Π°Π½ΠΈΠ΅ ΡΠ΅ΠΊΡΡΠ°:ΠΏΠΎ ΡΠ΅Π½ΡΡΡ!Π²Π°ΠΆΠ½ΠΎ»>ΠΠΎΠ΄ΡΠΎΠ±Π½Π΅Π΅: ΠΠ°ΡΡΠΈΠΊΠΈ Π°Π²ΡΠΎΠΌΠΎΠ±ΠΈΠ»Ρ
Π‘ΠΎΠ΄Π΅ΡΠΆΠ°Π½ΠΈΠ΅
- 900 17
Π§ΡΠΎ ΡΠ°ΠΊΠΎΠ΅ Π΄Π°ΡΡΠΈΠΊ ΠΏΠΎΠ»ΠΎΠΆΠ΅Π½ΠΈΡ ΠΊΠΎΠ»Π΅Π½ΡΠ°ΡΠΎΠ³ΠΎ Π²Π°Π»Π°?
ΠΠ°ΡΡΠΈΠΊΠΈ ΠΊΠΎΠ»Π΅Π½ΡΠ°ΡΠΎΠ³ΠΎ Π²Π°Π»Π° ΠΏΡΠ΅Π΄ΡΡΠ°Π²Π»ΡΡΡ ΡΠΎΠ±ΠΎΠΉ ΡΠ»Π΅ΠΊΡΡΠΎΠ½Π½ΡΠ΅ ΡΡΡΡΠΎΠΉΡΡΠ²Π°, ΠΊΠΎΠ½ΡΡΠΎΠ»ΠΈΡΡΡΡΠΈΠ΅ ΠΏΠΎΠ»ΠΎΠΆΠ΅Π½ΠΈΠ΅ ΠΈΠ»ΠΈ ΡΠΊΠΎΡΠΎΡΡΡ Π²ΡΠ°ΡΠ΅Π½ΠΈΡ ΠΊΠΎΠ»Π΅Π½ΡΠ°ΡΠΎΠ³ΠΎ Π²Π°Π»Π° Π² Π΄Π²ΠΈΠ³Π°ΡΠ΅Π»ΡΡ
Π²Π½ΡΡΡΠ΅Π½Π½Π΅Π³ΠΎ ΡΠ³ΠΎΡΠ°Π½ΠΈΡ, ΠΊΠ°ΠΊ Π±Π΅Π½Π·ΠΈΠ½ΠΎΠ²ΡΡ
, ΡΠ°ΠΊ ΠΈ Π΄ΠΈΠ·Π΅Π»ΡΠ½ΡΡ
.
Π‘ΠΈΡΡΠ΅ΠΌΡ ΡΠΏΡΠ°Π²Π»Π΅Π½ΠΈΡ Π΄Π²ΠΈΠ³Π°ΡΠ΅Π»Π΅ΠΌ ΠΈΡΠΏΠΎΠ»ΡΠ·ΡΡΡ ΡΡΠΈ Π΄Π°Π½Π½ΡΠ΅ Π΄Π»Ρ ΠΊΠΎΡΡΠ΅ΠΊΡΠΈΡΠΎΠ²ΠΊΠΈ ΠΌΠΎΠΌΠ΅Π½ΡΠ° Π²ΠΏΡΡΡΠΊΠ° ΡΠΎΠΏΠ»ΠΈΠ²Π° ΠΈ Π΄ΡΡΠ³ΠΈΡ
Ρ
Π°ΡΠ°ΠΊΡΠ΅ΡΠΈΡΡΠΈΠΊ Π΄Π²ΠΈΠ³Π°ΡΠ΅Π»Ρ. ΠΠ° Π±Π΅Π½Π·ΠΈΠ½ΠΎΠ²ΡΡ
Π΄Π²ΠΈΠ³Π°ΡΠ΅Π»ΡΡ
ΡΠ°ΡΠΏΡΠ΅Π΄Π΅Π»ΠΈΡΠ΅Π»Ρ ΠΏΡΠΈΡ
ΠΎΠ΄ΠΈΠ»ΠΎΡΡ Π²ΡΡΡΠ½ΡΡ ΡΡΡΠ°Π½Π°Π²Π»ΠΈΠ²Π°ΡΡ Π½Π° ΠΎΡΠΌΠ΅ΡΠΊΡ Π²ΡΠ΅ΠΌΠ΅Π½ΠΈ, ΠΏΠΎΠΊΠ° Π½Π΅ ΡΡΠ°Π»ΠΈ Π΄ΠΎΡΡΡΠΏΠ½Ρ ΡΠ»Π΅ΠΊΡΡΠΎΠ½Π½ΡΠ΅ Π΄Π°ΡΡΠΈΠΊΠΈ ΠΊΡΠΈΠ²ΠΎΡΠΈΠΏΠ°.
ΠΠ°ΡΡΠΈΠΊ ΠΊΠΎΠ»Π΅Π½Π²Π°Π»Π° ΠΌΠΎΠΆΠ½ΠΎ ΠΈΡΠΏΠΎΠ»ΡΠ·ΠΎΠ²Π°ΡΡ Π²ΠΌΠ΅ΡΡΠ΅ Ρ Π΄Π°ΡΡΠΈΠΊΠΎΠΌ ΠΏΠΎΠ»ΠΎΠΆΠ΅Π½ΠΈΡ ΡΠ°ΡΠΏΡΠ΅Π΄Π΅Π»ΠΈΡΠ΅Π»ΡΠ½ΠΎΠ³ΠΎ Π²Π°Π»Π° Π΄Π»Ρ ΠΊΠΎΠ½ΡΡΠΎΠ»Ρ ΡΠΎΠΎΡΠ½ΠΎΡΠ΅Π½ΠΈΡ ΠΏΠΎΡΡΠ΅Π½Ρ-ΠΊΠ»Π°ΠΏΠ°Π½ Π΄Π²ΠΈΠ³Π°ΡΠ΅Π»Ρ, ΡΡΠΎ ΠΎΡΠΎΠ±Π΅Π½Π½ΠΎ Π²Π°ΠΆΠ½ΠΎ Π² Π΄Π²ΠΈΠ³Π°ΡΠ΅Π»ΡΡ Ρ ΡΠ΅Π³ΡΠ»ΠΈΡΡΠ΅ΠΌΠΎΠΉ ΡΠ°Π·ΠΎΠΉ Π³Π°Π·ΠΎΡΠ°ΡΠΏΡΠ΅Π΄Π΅Π»Π΅Π½ΠΈΡ. ΠΡΠ° ΠΏΡΠΎΡΠ΅Π΄ΡΡΠ° ΡΠ°ΠΊΠΆΠ΅ ΠΈΡΠΏΠΎΠ»ΡΠ·ΡΠ΅ΡΡΡ Π΄Π»Ρ Β«ΡΠΈΠ½Ρ ΡΠΎΠ½ΠΈΠ·Π°ΡΠΈΠΈΒ» ΡΠ΅ΡΡΡΠ΅Ρ ΡΠ°ΠΊΡΠ½ΠΎΠ³ΠΎ Π΄Π²ΠΈΠ³Π°ΡΠ΅Π»Ρ ΠΏΡΠΈ Π΅Π³ΠΎ ΠΏΠ΅ΡΠ²ΠΎΠΌ Π·Π°ΠΏΡΡΠΊΠ΅, ΠΏΠΎΠ·Π²ΠΎΠ»ΡΡ ΡΠΈΡΡΠ΅ΠΌΠ΅ ΡΠΏΡΠ°Π²Π»Π΅Π½ΠΈΡ ΠΎΠΏΡΠ΅Π΄Π΅Π»ΠΈΡΡ ΠΌΠΎΠΌΠ΅Π½Ρ Π²ΠΏΡΡΡΠΊΠ° Π±Π΅Π½Π·ΠΈΠ½Π°. ΠΠ½ ΡΠ°ΠΊΠΆΠ΅ ΡΠΈΡΠΎΠΊΠΎ ΠΈΡΠΏΠΎΠ»ΡΠ·ΡΠ΅ΡΡΡ Π΄Π»Ρ ΠΎΠΏΡΠ΅Π΄Π΅Π»Π΅Π½ΠΈΡ ΡΠΊΠΎΡΠΎΡΡΠΈ Π²ΡΠ°ΡΠ΅Π½ΠΈΡ Π΄Π²ΠΈΠ³Π°ΡΠ΅Π»Ρ Π² ΠΎΠ±ΠΎΡΠΎΡΠ°Ρ Π² ΠΌΠΈΠ½ΡΡΡ. ΠΠ»Π°Π²Π½ΡΠΉ ΡΠΊΠΈΠ² ΠΊΠΎΠ»Π΅Π½ΡΠ°ΡΠΎΠ³ΠΎ Π²Π°Π»Π°, ΠΌΠ°Ρ ΠΎΠ²ΠΈΠΊ, ΡΠ°ΡΠΏΡΠ΅Π΄Π΅Π»ΠΈΡΠ΅Π»ΡΠ½ΡΠΉ Π²Π°Π» ΠΈ ΡΠ°ΠΌ ΠΊΠΎΠ»Π΅Π½ΡΠ°ΡΡΠΉ Π²Π°Π» ΡΠ²Π»ΡΡΡΡΡ ΠΎΠ±ΡΠΈΠΌΠΈ ΡΠΎΡΠΊΠ°ΠΌΠΈ ΠΊΡΠ΅ΠΏΠ»Π΅Π½ΠΈΡ. ΠΡΠΎΡ Π΄Π°ΡΡΠΈΠΊ Π²ΠΌΠ΅ΡΡΠ΅ Ρ Π΄Π°ΡΡΠΈΠΊΠΎΠΌ ΠΏΠΎΠ»ΠΎΠΆΠ΅Π½ΠΈΡ ΡΠ°ΡΠΏΡΠ΅Π΄Π²Π°Π»Π° ΡΠ²Π»ΡΠ΅ΡΡΡ ΠΎΠ΄Π½ΠΈΠΌ ΠΈΠ· Π΄Π²ΡΡ Π½Π°ΠΈΠ±ΠΎΠ»Π΅Π΅ Π²Π°ΠΆΠ½ΡΡ Π΄Π°ΡΡΠΈΠΊΠΎΠ² Π² ΡΠΎΠ²ΡΠ΅ΠΌΠ΅Π½Π½ΡΡ Π΄Π²ΠΈΠ³Π°ΡΠ΅Π»ΡΡ .
ΠΠΎΡΠΊΠΎΠ»ΡΠΊΡ ΡΠΈΠ³Π½Π°Π» Π΄Π°ΡΡΠΈΠΊΠ° ΠΏΠΎΠ»ΠΎΠΆΠ΅Π½ΠΈΡ ΠΊΠΎΠ»Π΅Π½ΡΠ°ΡΠΎΠ³ΠΎ Π²Π°Π»Π° ΠΈΡΠΏΠΎΠ»ΡΠ·ΡΠ΅ΡΡΡ Π΄Π»Ρ ΠΎΠΏΡΠ΅Π΄Π΅Π»Π΅Π½ΠΈΡ Π²ΡΠ΅ΠΌΠ΅Π½ΠΈ Π²ΠΏΡΡΡΠΊΠ° ΡΠΎΠΏΠ»ΠΈΠ²Π° (Π΄ΠΈΠ·Π΅Π»ΡΠ½ΡΠ΅ Π΄Π²ΠΈΠ³Π°ΡΠ΅Π»ΠΈ) ΠΈΠ»ΠΈ ΠΈΡΠΊΡΠΎΠ²ΠΎΠ³ΠΎ Π·Π°ΠΆΠΈΠ³Π°Π½ΠΈΡ (Π±Π΅Π½Π·ΠΈΠ½ΠΎΠ²ΡΠ΅ Π΄Π²ΠΈΠ³Π°ΡΠ΅Π»ΠΈ), Π½Π΅ΠΈΡΠΏΡΠ°Π²Π½ΡΠΉ Π΄Π°ΡΡΠΈΠΊ ΠΏΡΠΈΠ²Π΅Π΄Π΅Ρ ΠΊ ΡΠΎΠΌΡ, ΡΡΠΎ Π΄Π²ΠΈΠ³Π°ΡΠ΅Π»Ρ Π½Π΅ Π·Π°ΠΏΡΡΡΠΈΡΡΡ ΠΈΠ»ΠΈ ΠΎΡΡΠ°Π½ΠΎΠ²ΠΈΡΡΡ Π²ΠΎ Π²ΡΠ΅ΠΌΡ ΡΠ°Π±ΠΎΡΡ.
ΠΡΠΎΡ Π΄Π°ΡΡΠΈΠΊ ΡΠ°ΠΊΠΆΠ΅ ΠΏΠ΅ΡΠ΅Π΄Π°Π΅Ρ ΠΈΠ½ΡΠΎΡΠΌΠ°ΡΠΈΡ ΠΎ ΡΠΊΠΎΡΠΎΡΡΠΈ Π½Π° ΠΈΠ½Π΄ΠΈΠΊΠ°ΡΠΎΡ ΡΠ°ΡΡΠΎΡΡ Π²ΡΠ°ΡΠ΅Π½ΠΈΡ Π΄Π²ΠΈΠ³Π°ΡΠ΅Π»Ρ.
ΠΠΎΠ΄ΡΠΎΠ±Π½Π΅Π΅:Β ΠΠ½Π°ΠΊΠΎΠΌΡΡΠ²ΠΎ Ρ ΡΠ΅ΠΌΠ½Π΅ΠΌ ΠΈΠ»ΠΈ ΡΠ΅ΠΏΡΡ ΠΠ Π
Π€ΡΠ½ΠΊΡΠΈΠΈ
ΠΠ°ΡΡΠΈΠΊΠΈ ΠΏΠΎΠ»ΠΎΠΆΠ΅Π½ΠΈΡ ΠΊΠΎΠ»Π΅Π½ΡΠ°ΡΠΎΠ³ΠΎ Π²Π°Π»Π° Π²ΡΠΏΠΎΠ»Π½ΡΡΡ ΡΠ»Π΅Π΄ΡΡΡΠΈΠ΅ ΡΡΠ½ΠΊΡΠΈΠΈ:
- ΠΡΠ½ΠΎΠ²Π½Π°Ρ ΡΡΠ½ΠΊΡΠΈΡ Π΄Π°ΡΡΠΈΠΊΠ° ΠΏΠΎΠ»ΠΎΠΆΠ΅Π½ΠΈΡ ΠΊΠΎΠ»Π΅Π½ΡΠ°ΡΠΎΠ³ΠΎ Π²Π°Π»Π°Β β ΠΎΠΏΡΠ΅Π΄Π΅Π»Π΅Π½ΠΈΠ΅ ΠΏΠΎΠ»ΠΎΠΆΠ΅Π½ΠΈΡ ΠΊΠΎΠ»Π΅Π½ΡΠ°ΡΠΎΠ³ΠΎ Π²Π°Π»Π° ΠΈ/ΠΈΠ»ΠΈ ΡΠΊΠΎΡΠΎΡΡΠΈ Π²ΡΠ°ΡΠ΅Π½ΠΈΡ (ΠΎΠ±/ΠΌΠΈΠ½).! Π²Π°ΠΆΠ½ΠΎ; ΠΏΠΎΠ»Π΅ ΡΠ²Π΅ΡΡ Ρ: 15 ΠΏΠΈΠΊΡΠ΅Π»Π΅ΠΉ! Π²Π°ΠΆΠ½ΠΎ; ΠΏΠΎΠ»Π΅ Π²Π½ΠΈΠ·Ρ: 15 ΠΏΠΈΠΊΡΠ΅Π»Π΅ΠΉ! Π²Π°ΠΆΠ½ΠΎ; ΠΏΠΎΠ»Π΅ ΡΠ»Π΅Π²Π°: Π°Π²ΡΠΎ! Π²Π°ΠΆΠ½ΠΎ; Π΄ΠΈΡΠΏΠ»Π΅ΠΉ: Π±Π»ΠΎΠΊ! Π²Π°ΠΆΠ½ΠΎ; Π²ΡΡΠ°Π²Π½ΠΈΠ²Π°Π½ΠΈΠ΅ ΡΠ΅ΠΊΡΡΠ°: ΠΏΠΎ ΡΠ΅Π½ΡΡΡ! Π²Π°ΠΆΠ½ΠΎ; ΠΌΠΈΠ½ΠΈΠΌΠ°Π»ΡΠ½Π°Ρ ΡΠΈΡΠΈΠ½Π°: 468 ΠΏΠΈΠΊΡΠ΅Π»Π΅ΠΉ; ΠΌΠΈΠ½ΠΈΠΌΠ°Π»ΡΠ½Π°Ρ Π²ΡΡΠΎΡΠ°: 60 ΠΏΠΈΠΊΡΠ΅Π»Π΅ΠΉ; ΠΌΠ°ΠΊΡ. ΡΠΈΡΠΈΠ½Π°: 100%! Π²Π°ΠΆΠ½ΠΎ; ΠΏΠΎΠ»Π΅ ΡΠΏΡΠ°Π²Π°: Π°Π²ΡΠΎ! Π²Π°ΠΆΠ½ΠΎ; Π²ΡΡΠΎΡΠ° ΡΡΡΠΎΠΊΠΈ: 0; ΠΎΡΡΡΡΠΏ: 0″>
- ΠΠ½ΡΠΎΡΠΌΠ°ΡΠΈΡ, ΠΎΡΠΏΡΠ°Π²Π»Π΅Π½Π½Π°Ρ Π΄Π°ΡΡΠΈΠΊΠΎΠΌ, ΠΈΡΠΏΠΎΠ»ΡΠ·ΡΠ΅ΡΡΡ Π±Π»ΠΎΠΊΠ°ΠΌΠΈ ΡΠ΅Π³ΡΠ»ΠΈΡΠΎΠ²ΠΊΠΈ Π΄Π²ΠΈΠ³Π°ΡΠ΅Π»Ρ Π΄Π»Ρ ΡΠΏΡΠ°Π²Π»Π΅Π½ΠΈΡ ΡΠ°ΠΊΠΈΠΌΠΈ ΡΠ°ΠΊΡΠΎΡΠ°ΠΌΠΈ, ΠΊΠ°ΠΊ ΠΌΠΎΠΌΠ΅Π½Ρ Π·Π°ΠΆΠΈΠ³Π°Π½ΠΈΡ ΠΈ ΠΌΠΎΠΌΠ΅Π½Ρ Π²ΠΏΡΡΡΠΊΠ° ΡΠΎΠΏΠ»ΠΈΠ²Π°.
- Β Π Π΄ΠΈΠ·Π΅Π»ΡΠ½ΡΡ Π΄Π²ΠΈΠ³Π°ΡΠ΅Π»ΡΡ Π΄Π°ΡΡΠΈΠΊ Π±ΡΠ΄Π΅Ρ ΠΊΠΎΠ½ΡΡΠΎΠ»ΠΈΡΠΎΠ²Π°ΡΡ Π²ΠΏΡΡΡΠΊ ΡΠΎΠΏΠ»ΠΈΠ²Π°.
- ΠΡΡ
ΠΎΠ΄Π½ΠΎΠΉ ΡΠΈΠ³Π½Π°Π» Π΄Π°ΡΡΠΈΠΊΠ° ΡΠ°ΠΊΠΆΠ΅ ΠΌΠΎΠΆΠ΅Ρ Π±ΡΡΡ ΡΠ²ΡΠ·Π°Π½ Ρ Π΄ΡΡΠ³ΠΈΠΌΠΈ Π΄Π°Π½Π½ΡΠΌΠΈ Π΄Π°ΡΡΠΈΠΊΠ°, ΡΠ°ΠΊΠΈΠΌΠΈ ΠΊΠ°ΠΊ ΠΏΠΎΠ»ΠΎΠΆΠ΅Π½ΠΈΠ΅ ΠΊΡΠ»Π°ΡΠΊΠ°, Π΄Π»Ρ ΠΎΠΏΡΠ΅Π΄Π΅Π»Π΅Π½ΠΈΡ ΡΠ΅ΠΊΡΡΠ΅Π³ΠΎ ΡΠΈΠΊΠ»Π° ΡΠ³ΠΎΡΠ°Π½ΠΈΡ, ΡΡΠΎ ΠΈΠΌΠ΅Π΅Ρ ΡΠ΅ΡΠ°ΡΡΠ΅Π΅ Π·Π½Π°ΡΠ΅Π½ΠΈΠ΅ Π΄Π»Ρ Π·Π°ΠΏΡΡΠΊΠ° ΡΠ΅ΡΡΡΠ΅Ρ
ΡΠ°ΠΊΡΠ½ΠΎΠ³ΠΎ Π΄Π²ΠΈΠ³Π°ΡΠ΅Π»Ρ.

Π ΠΎΡΠ½ΠΎΠ²Π½ΡΠΌ ΡΡΠ½ΠΊΡΠΈΡΠΌ Π΄Π°ΡΡΠΈΠΊΠ° ΠΏΠΎΠ»ΠΎΠΆΠ΅Π½ΠΈΡ ΠΊΠΎΠ»Π΅Π½ΡΠ°ΡΠΎΠ³ΠΎ Π²Π°Π»Π° ΠΎΡΠ½ΠΎΡΡΡΡΡ:
ΠΠ°ΡΡΠΈΠΊΠΈ
ΠΠΎΡΠ½ΡΠΉ ΠΌΠ°Π³Π½ΠΈΡ ΠΌΠΎΠΆΠ½ΠΎ Π½Π°ΠΉΡΠΈ ΡΡΠ΄ΠΎΠΌ Ρ ΠΊΠΎΠ»Π΅Π½ΡΠ°ΡΡΠΌ Π²Π°Π»ΠΎΠΌ, Π΅ΡΠ»ΠΈ Π²Π½ΠΈΠΌΠ°ΡΠ΅Π»ΡΠ½ΠΎ ΠΏΡΠΈΡΠΌΠΎΡΡΠ΅ΡΡΡΡ. ΠΠΎΠΊΡΡΠ³ ΠΊΠΎΠ»Π΅Π½ΡΠ°ΡΠΎΠ³ΠΎ Π²Π°Π»Π° Π²Ρ ΡΠ°ΠΊΠΆΠ΅ Π·Π°ΠΌΠ΅ΡΠΈΡΠ΅ ΡΡΠ°Π»ΡΠ½ΡΠ΅ ΡΡΠΈΡΡΡ ΠΈΠ»ΠΈ ΡΡΠΈΡΡΡ, ΡΠ°ΡΠΏΠΎΠ»ΠΎΠΆΠ΅Π½Π½ΡΠ΅ ΡΠ΅ΡΠ΅Π· ΡΠ°Π²Π½ΡΠ΅ ΠΏΡΠΎΠΌΠ΅ΠΆΡΡΠΊΠΈ. ΠΡΠΎΡ ΠΌΠ°Π³Π½ΠΈΡ Π²ΡΠ΅ Π²ΡΠ΅ΠΌΡ ΠΈΠ·Π»ΡΡΠ°Π΅Ρ Π½Π΅ΠΏΡΠ΅ΡΡΠ²Π½ΠΎΠ΅ ΠΌΠ°Π³Π½ΠΈΡΠ½ΠΎΠ΅ ΠΏΠΎΠ»Π΅. Π‘ΡΠ°Π»ΡΠ½ΡΠ΅ ΡΡΠΈΡΡΡ Π²ΠΎΠΊΡΡΠ³ ΠΊΠΎΠ»Π΅Π½ΡΠ°ΡΠΎΠ³ΠΎ Π²Π°Π»Π° Π²ΡΠ°ΡΠ°ΡΡΡΡ Π²ΠΎΠΊΡΡΠ³ ΡΡΠΎΠ³ΠΎ ΠΏΠΎΠ»Ρ ΠΏΡΠΈ Π·Π°ΠΏΡΡΠΊΠ΅ Π΄Π²ΠΈΠ³Π°ΡΠ΅Π»Ρ ΠΈ Π²ΡΠ°ΡΠ΅Π½ΠΈΠΈ ΠΊΠΎΠ»Π΅Π½ΡΠ°ΡΠΎΠ³ΠΎ Π²Π°Π»Π°. Π ΡΠ΅Π·ΡΠ»ΡΡΠ°ΡΠ΅ ΠΈΠ·ΠΌΠ΅Π½Π΅Π½ΠΈΡ ΠΏΠΎΠ»Ρ ΡΠΎΠ·Π΄Π°Π΅ΡΡΡ ΡΠΈΠ³Π½Π°Π» ΠΏΠ΅ΡΠ΅ΠΌΠ΅Π½Π½ΠΎΠ³ΠΎ ΡΠΎΠΊΠ° (ΠΏΠ΅ΡΠ΅ΠΌΠ΅Π½Π½ΠΎΠ³ΠΎ ΡΠΎΠΊΠ°). ΠΡΠΎ ΡΠ°ΠΊΠΆΠ΅ Π΄Π°Π΅Ρ ΡΠΊΠ°Π·Π°Π½ΠΈΠ΅ Π±Π»ΠΎΠΊΡ ΡΠΏΡΠ°Π²Π»Π΅Π½ΠΈΡ Π΄Π²ΠΈΠ³Π°ΡΠ΅Π»Π΅ΠΌ (ΠΊΠΎΠΌΠΏΡΡΡΠ΅ΡΡ Π΄Π²ΠΈΠ³Π°ΡΠ΅Π»Ρ) ΠΎΠΏΡΠ΅Π΄Π΅Π»ΠΈΡΡ ΡΠΊΠΎΡΠΎΡΡΡ Π²ΡΠ°ΡΠ΅Π½ΠΈΡ. Π ΡΠ΅Π·ΡΠ»ΡΡΠ°ΡΠ΅ EMU ΠΌΠΎΠΆΠ΅Ρ Π²ΡΡΠΈΡΠ»ΠΈΡΡ ΠΏΠΎΠ»ΠΎΠΆΠ΅Π½ΠΈΠ΅ ΠΈ ΡΠΊΠΎΡΠΎΡΡΡ ΡΠ°ΡΠΏΡΠ΅Π΄Π΅Π»ΠΈΡΠ΅Π»ΡΠ½ΠΎΠ³ΠΎ Π²Π°Π»Π°, ΡΡΠΎΠ±Ρ ΡΠ»ΡΡΡΠΈΡΡ Π²ΠΏΡΡΡΠΊ ΡΠΎΠΏΠ»ΠΈΠ²Π° ΠΈ Π·Π°ΠΆΠΈΠ³Π°Π½ΠΈΠ΅.
Π Π΅Π³ΡΠ»ΠΈΡΠΎΠ²ΠΊΠΈ
Π£ ΡΠΎΠ²ΡΠ΅ΠΌΠ΅Π½Π½ΡΡ
Π°Π²ΡΠΎΠΌΠΎΠ±ΠΈΠ»Π΅ΠΉ ΠΌΡ Π΄ΠΎΠ»ΠΆΠ½Ρ Π½Π°ΡΡΠΈΡΡΡΡ ΠΎΠ΄Π½ΠΎΠΉ Π²Π΅ΡΠΈ. Π’ΠΎΠ»ΡΠΊΠΎ Π΅ΡΠ»ΠΈ Π²Π½ΡΡΡΠ΅Π½Π½ΠΈΠ΅ ΡΠ°ΡΡΠΈ Π΄Π²ΠΈΠΆΡΡΡΡ Ρ ΠΎΠΏΡΠ΅Π΄Π΅Π»Π΅Π½Π½ΠΎΠΉ Π½Π΅ΠΎΠ±Ρ
ΠΎΠ΄ΠΈΠΌΠΎΠΉ ΡΠΊΠΎΡΠΎΡΡΡΡ, Π΄Π²ΠΈΠ³Π°ΡΠ΅Π»ΠΈ ΠΎΠ±Π΅ΡΠΏΠ΅ΡΠ°Ρ Π½Π°ΠΌ ΡΡΡΠ΅ΠΊΡΠΈΠ²Π½ΡΡ ΡΠ°Π±ΠΎΡΡ. ΠΠΎΡΡΠΎΠ²ΠΎΠΉ ΠΊΠΎΠΌΠΏΡΡΡΠ΅Ρ ΠΌΠΎΠΆΠ΅Ρ ΠΈΡΠΏΠΎΠ»ΡΠ·ΠΎΠ²Π°ΡΡ ΠΈΠ½ΡΠΎΡΠΌΠ°ΡΠΈΡ, ΠΎΡΠΏΡΠ°Π²Π»Π΅Π½Π½ΡΡ Π΅ΠΌΡ Π΄Π°ΡΡΠΈΠΊΠΎΠΌ ΠΏΠΎΠ»ΠΎΠΆΠ΅Π½ΠΈΡ ΠΊΠΎΠ»Π΅Π½ΡΠ°ΡΠΎΠ³ΠΎ Π²Π°Π»Π°, ΡΠΎΠ»ΡΠΊΠΎ ΠΏΠΎΡΠ»Π΅ ΡΠΎΠ³ΠΎ, ΠΊΠ°ΠΊ ΠΎΠ½ ΠΎΠ±Π½Π°ΡΡΠΆΠΈΡ Π²ΡΠ°ΡΠ΅Π½ΠΈΠ΅ ΠΊΠΎΠ»Π΅Π½ΡΠ°ΡΠΎΠ³ΠΎ Π²Π°Π»Π° Π²Π½ΡΡΡΠΈ Π΄Π²ΠΈΠ³Π°ΡΠ΅Π»Ρ.
ΠΡΠΎ ΠΊΠΎΠ³Π΄Π° ΠΊΠΎΠΌΠΏΡΡΡΠ΅Ρ Π½Π΅ΠΌΠ½ΠΎΠ³ΠΎ ΠΊΠΎΡΡΠ΅ΠΊΡΠΈΡΡΠ΅Ρ ΠΈΠ»ΠΈ Π½Π°ΡΡΡΠ°ΠΈΠ²Π°Π΅Ρ Π΄Π²ΠΈΠ³Π°ΡΠ΅Π»Ρ, ΡΡΠΎΠ±Ρ ΠΏΠΎΠ²ΡΡΠΈΡΡ Π΅Π³ΠΎ ΡΡΡΠ΅ΠΊΡΠΈΠ²Π½ΠΎΡΡΡ.
Π Π°ΡΡΠΌΠΎΡΡΠΈΡΠ΅ ΡΠΈΡΡΠ°ΡΠΈΠΈ, Π² ΠΊΠΎΡΠΎΡΡΡ Π²Ρ Π΄Π°Π΅ΡΠ΅ ΠΏΠΎΠ»Π½ΡΠΉ Π³Π°Π·. ΠΠΎΠΌΠΏΡΡΡΠ΅Ρ Π΄ΠΎΠ»ΠΆΠ΅Π½ Π²Π½Π΅ΡΡΠΈ ΡΡΠΈ ΠΊΡΠΎΡΠ΅ΡΠ½ΡΠ΅ ΠΊΠΎΡΡΠ΅ΠΊΡΠΈΡΠΎΠ²ΠΊΠΈ Π² Π΄Π²ΠΈΠ³Π°ΡΠ΅Π»Ρ, ΡΡΠΎΠ±Ρ ΠΈΠ·ΠΌΠ΅Π½ΠΈΡΡ ΡΠΊΠΎΡΠΎΡΡΡ Π² ΡΠ°ΠΊΠΈΡ Π½Π°ΡΡΡΠΎΠΉΠΊΠ°Ρ , ΠΊΠ°ΠΊ ΠΊΡΡΠΈΠ·Π½ΡΠΉ ΡΠ΅ΠΆΠΈΠΌ ΠΈΠ»ΠΈ ΡΠΏΠΎΡΡΠΈΠ²Π½ΡΠΉ ΡΠ΅ΠΆΠΈΠΌ, ΠΏΠΎΡΠΎΠΌΡ ΡΡΠΎ Π΄ΡΠΎΡΡΠ΅Π»ΡΠ½Π°Ρ Π·Π°ΡΠ»ΠΎΠ½ΠΊΠ° ΠΏΠΎΡΡΠΎΡΠ½Π½Π°. ΠΠΎΠΌΠΏΡΡΡΠ΅Ρ ΠΏΠΎΠ·Π°Π±ΠΎΡΠΈΡΡΡ ΠΎ ΡΠΎΠΌ, ΡΡΠΎΠ±Ρ ΡΠΊΠΎΡΠΎΡΡΡ Π²ΡΠ°ΡΠ΅Π½ΠΈΡ ΠΊΠΎΠ»Π΅Π½ΡΠ°ΡΠΎΠ³ΠΎ Π²Π°Π»Π° ΠΏΠΎΡΡΠΎΡΠ½Π½ΠΎ ΠΎΡΡΠ»Π΅ΠΆΠΈΠ²Π°Π»Π°ΡΡ ΠΏΠΎ ΡΡΠ°Π²Π½Π΅Π½ΠΈΡ Ρ ΡΠΎΠΎΡΠ²Π΅ΡΡΡΠ²ΡΡΡΠΈΠΌ Π΄ΠΈΠ°ΠΏΠ°Π·ΠΎΠ½ΠΎΠΌ, ΠΈ ΠΏΡΠΈ Π½Π΅ΠΎΠ±Ρ ΠΎΠ΄ΠΈΠΌΠΎΡΡΠΈ Π²ΡΠΏΠΎΠ»Π½ΡΠ»Π°ΡΡ ΡΠ΅Π³ΡΠ»ΠΈΡΠΎΠ²ΠΊΠ° ΡΠΊΠΎΡΠΎΡΡΠΈ. ΠΡΠ° ΡΠ΅Π³ΡΠ»ΠΈΡΠΎΠ²ΠΊΠ° ΠΌΠΎΠΆΠ΅Ρ Π±ΡΡΡ Π²ΡΠΏΠΎΠ»Π½Π΅Π½Π° ΠΊΠ°ΠΊ Π² ΠΎΡΠ½ΠΎΡΠ΅Π½ΠΈΠΈ ΡΠ²Π΅Π»ΠΈΡΠ΅Π½ΠΈΡ ΡΠΊΠΎΡΠΎΡΡΠΈ, ΡΠ°ΠΊ ΠΈ Π² ΠΎΡΠ½ΠΎΡΠ΅Π½ΠΈΠΈ ΡΠΌΠ΅Π½ΡΡΠ΅Π½ΠΈΡ ΡΠΊΠΎΡΠΎΡΡΠΈ.
ΠΠΎΠ΄ΡΠΎΠ±Π½Π΅Π΅: ΠΠΎΠ½ΠΈΠΌΠ°Π½ΠΈΠ΅ Π°Π²ΡΠΎΠΌΠΎΠ±ΠΈΠ»ΡΠ½ΠΎΠ³ΠΎ Π²Π΅Π½ΡΠΈΠ»ΡΡΠΎΡΠ° ΠΎΡ Π»Π°ΠΆΠ΄Π΅Π½ΠΈΡ
ΠΠ»Π΅ΠΌΠ΅Π½ΡΡ ΠΈ ΡΡ Π΅ΠΌΠ° Π΄Π°ΡΡΠΈΠΊΠ° ΠΏΠΎΠ»ΠΎΠΆΠ΅Π½ΠΈΡ ΠΊΠΎΠ»Π΅Π½ΡΠ°ΡΠΎΠ³ΠΎ Π²Π°Π»Π°:
Π’ΠΈΠΏΡ Π΄Π°ΡΡΠΈΠΊΠΎΠ² ΠΏΠΎΠ»ΠΎΠΆΠ΅Π½ΠΈΡ ΠΊΠΎΠ»Π΅Π½ΡΠ°ΡΠΎΠ³ΠΎ Π²Π°Π»Π°
ΠΠΈΠΆΠ΅ ΠΏΡΠΈΠ²Π΅Π΄Π΅Π½Ρ ΡΠ°Π·Π»ΠΈΡΠ½ΡΠ΅ ΡΠΈΠΏΡ Π΄Π°ΡΡΠΈΠΊΠΎΠ² ΠΏΠΎΠ»ΠΎΠΆΠ΅Π½ΠΈΡ ΠΊΠΎΠ»Π΅Π½ΡΠ°ΡΠΎΠ³ΠΎ Π²Π°Π»Π°:
ΠΠ½Π΄ΡΠΊΡΠΈΠ²Π½ΡΠ΅:
Π² ΡΡΠΎΠΌ ΡΠΈΠΏ Π΄Π°ΡΡΠΈΠΊΠ° ΠΏΠΎΠ»ΠΎΠΆΠ΅Π½ΠΈΡ ΠΊΠΎΠ»Π΅Π½ΡΠ°ΡΠΎΠ³ΠΎ Π²Π°Π»Π°, ΠΌΠ°Π³Π½ΠΈΡ ΠΈΡΠΏΠΎΠ»ΡΠ·ΡΠ΅ΡΡΡ Π΄Π»Ρ ΠΎΠ±Π½Π°ΡΡΠΆΠ΅Π½ΠΈΡ ΡΠΈΠ³Π½Π°Π»Π° ΠΎΡ Π·Π°ΠΏΡΡΠΊΠ° Π΄Π²ΠΈΠ³Π°ΡΠ΅Π»Ρ.
ΠΠΈΠ±ΠΎ Π² Π±Π»ΠΎΠΊΠ΅ Π΄Π²ΠΈΠ³Π°ΡΠ΅Π»Ρ, ΡΡΠ΄ΠΎΠΌ Ρ ΠΌΠ°Ρ
ΠΎΠ²ΠΈΠΊΠΎΠΌ, Π»ΠΈΠ±ΠΎ ΡΡΠ΄ΠΎΠΌ Ρ ΡΠ°ΠΌΠΈΠΌ ΠΊΠΎΠ»Π΅Π½Π²Π°Π»ΠΎΠΌ. ΠΠΌ Π·Π°Ρ
Π²Π°ΡΡΠ²Π°ΡΡΡΡ Π½Π°ΡΠ΅ΡΠΊΠΈ Π½Π° Π²ΡΠ°ΡΠ°ΡΡΠ΅ΠΌΡΡ Π΄ΠΈΡΠΊΠ΅, ΡΠΎΡΠΌΠΎΠ·Π½ΠΎΠΌ ΠΊΠΎΠ»Π΅ΡΠ΅ ΠΈΠ»ΠΈ ΠΊΠΎΠ»Π΅Π½ΡΠ°ΡΠΎΠΌ Π²Π°Π»Ρ. ΠΠ°Π³Π½ΠΈΡΠ½ΠΎΠ΅ ΠΏΠΎΠ»Π΅ ΠΌΠ΅Π½ΡΠ΅ΡΡΡ ΠΏΡΠΈ ΠΊΠ°ΠΆΠ΄ΠΎΠΌ ΠΏΡΠΎΡ
ΠΎΠ΄Π΅ ΠΌΠ΅ΡΠΊΠΈ, ΠΏΠΎΡΡΠ»Π°Ρ ΡΠΈΠ³Π½Π°Π» ΠΏΠ΅ΡΠ΅ΠΌΠ΅Π½Π½ΠΎΠ³ΠΎ ΡΠΎΠΊΠ° Π² ΠΠΠ£.
ΠΡΡΠ΅ΠΊΡΡ Π₯ΠΎΠ»Π»Π°:
ΠΡΠΎΡ ΡΠΈΠΏ ΠΏΠΎΡ ΠΎΠΆ Π½Π° ΠΈΠ½Π΄ΡΠΊΡΠΈΠ²Π½ΡΠΉ Π΄Π°ΡΡΠΈΠΊ Π² ΡΠΎΠΌ, ΡΡΠΎ ΠΎΠ½ ΡΠ°ΡΠΏΠΎΠ»ΠΎΠΆΠ΅Π½ Π² ΡΠ΅Ρ ΠΆΠ΅ ΠΌΠ΅ΡΡΠ°Ρ ΠΈ ββΡΠ΅Π°Π³ΠΈΡΡΠ΅Ρ Π½Π° ΡΠ΅ ΠΆΠ΅ Π²ΡΡΠ΅Π·Ρ. ΠΠ½ ΡΠΎΠ·Π΄Π°Π΅Ρ ΡΠΈΡΡΠΎΠ²ΠΎΠΉ ΡΠΈΠ³Π½Π°Π» Π²ΠΌΠ΅ΡΡΠΎ Π°Π½Π°Π»ΠΎΠ³ΠΎΠ²ΠΎΠ³ΠΎ ΡΠΈΠ³Π½Π°Π»Π° ΠΏΠ΅ΡΠ΅ΠΌΠ΅Π½Π½ΠΎΠ³ΠΎ ΡΠΎΠΊΠ°. ΠΠΎ ΠΌΠ΅ΡΠ΅ ΠΏΡΠΎΡ ΠΎΠΆΠ΄Π΅Π½ΠΈΡ ΠΌΠ΅ΡΠΎΠΊ Π΄Π°ΡΡΠΈΠΊΠ° ΠΎΠ½ Π²ΠΊΠ»ΡΡΠ°Π΅ΡΡΡ ΠΈΠ»ΠΈ Π²ΡΠΊΠ»ΡΡΠ°Π΅ΡΡΡ
ΠΡΡ ΠΎΠ΄Π½ΠΎΠΉ Π΄Π°ΡΡΠΈΠΊ ΠΏΠ΅ΡΠ΅ΠΌΠ΅Π½Π½ΠΎΠ³ΠΎ ΡΠΎΠΊΠ°:
ΠΡΡ
ΠΎΠ΄ Π΄Π°ΡΡΠΈΠΊΠ° ΠΏΠ΅ΡΠ΅ΠΌΠ΅Π½Π½ΠΎΠ³ΠΎ ΡΠΎΠΊΠ° ΠΎΡΠ»ΠΈΡΠ°Π΅ΡΡΡ ΠΎΡ Π΄ΡΡΠ³ΠΈΡ
Π΄Π°ΡΡΠΈΠΊΠΎΠ² ΡΠ΅ΠΌ, ΡΡΠΎ ΡΡΠΎ ΡΠΈΠ³Π½Π°Π» Π½Π°ΠΏΡΡΠΆΠ΅Π½ΠΈΡ ΠΏΠ΅ΡΠ΅ΠΌΠ΅Π½Π½ΠΎΠ³ΠΎ ΡΠΎΠΊΠ°. ΠΠ°ΡΡΡΠΊΠ° Π²ΠΎΠ·Π±ΡΠΆΠ΄Π΅Π½ΠΈΡ, ΡΠ°ΡΠΏΠΎΠ»ΠΎΠΆΠ΅Π½Π½Π°Ρ ΡΡΠ΄ΠΎΠΌ Ρ Π²ΡΠ°ΡΠ°ΡΡΠΈΠΌΡΡ Π΄ΠΈΡΠΊΠΎΠΌ, ΠΏΠΎΠ»ΡΡΠ°Π΅Ρ ΠΎΡΠ΅Π½Ρ Π²ΡΡΠΎΠΊΡΡ ΡΠ°ΡΡΠΎΡΡ (ΠΎΡ 150 Π΄ΠΎ 2500 ΡΠΈΠΊΠ»ΠΎΠ² Π² ΡΠ΅ΠΊΡΠ½Π΄Ρ) ΠΎΡ Π±ΠΎΡΡΠΎΠ²ΠΎΠ³ΠΎ ΠΊΠΎΠ½ΡΡΠΎΠ»Π»Π΅ΡΠ°.
ΠΡΠΎΡ Π΄ΠΈΡΠΊ ΠΈΠΌΠ΅Π΅Ρ ΠΏΡΠΎΡΠ΅Π·Ρ ΠΈ ΠΏΡΠΈΠΊΡΠ΅ΠΏΠ»Π΅Π½ ΠΊ ΠΊΠΎΠ½ΡΡ ΡΠ°ΡΠΏΡΠ΅Π΄Π΅Π»ΠΈΡΠ΅Π»ΡΠ½ΠΎΠ³ΠΎ Π²Π°Π»Π°. ΠΠ·Π°ΠΈΠΌΠ½Π°Ρ ΠΈΠ½Π΄ΡΠΊΡΠΈΠ²Π½ΠΎΡΡΡ Π²ΠΎΠ·Π±ΡΠΆΠ΄Π°Π΅Ρ ΠΏΠ°Π· ΠΏΡΠΈ ΠΏΡΠΎΡ
ΠΎΠΆΠ΄Π΅Π½ΠΈΠΈ ΡΠ΅ΡΠ΅Π· ΠΊΠ°ΡΡΡΠΊΡ, ΠΈ Π½Π° Π±ΠΎΡΡΠΎΠ²ΠΎΠΉ ΠΊΠΎΠ½ΡΡΠΎΠ»Π»Π΅Ρ ΠΏΠΎΡΡΡΠΏΠ°Π΅Ρ ΡΠΈΠ³Π½Π°Π», ΠΎΠΏΡΠ΅Π΄Π΅Π»ΡΡΡΠΈΠΉ ΠΏΠΎΠ»ΠΎΠΆΠ΅Π½ΠΈΠ΅ ΠΏΠ΅ΡΠ²ΠΎΠ³ΠΎ ΡΠΈΠ»ΠΈΠ½Π΄ΡΠ°. Π Π½Π΅ΠΊΠΎΡΠΎΡΡΡ
Π΄Π²ΠΈΠ³Π°ΡΠ΅Π»ΡΡ
Vauxhall ECOTEC ΠΈΡΠΏΠΎΠ»ΡΠ·ΡΠ΅ΡΡΡ ΡΡΠΎΡ ΡΠΈΠΏ Π΄Π°ΡΡΠΈΠΊΠ°.
ΠΠΎΠ΄ΡΠΎΠ±Π½Π΅Π΅:Β ΠΠ½Π°ΠΊΠΎΠΌΡΡΠ²ΠΎ Ρ ΠΏΡΠΈΠ²ΠΎΠ΄Π½ΡΠΌΠΈ ΡΠ΅ΠΌΠ½ΡΠΌΠΈ
ΠΡΠΈΠ½ΡΠΈΠΏ ΡΠ°Π±ΠΎΡΡ
Π Π°Π±ΠΎΡΠ° Π΄Π°ΡΡΠΈΠΊΠ° ΠΏΠΎΠ»ΠΎΠΆΠ΅Π½ΠΈΡ ΠΊΠΎΠ»Π΅Π½ΡΠ°ΡΠΎΠ³ΠΎ Π²Π°Π»Π° ΠΌΠ΅Π½Π΅Π΅ ΡΠ»ΠΎΠΆΠ½Π° ΠΈ Π΅Π΅ Π»Π΅Π³ΠΊΠΎ ΠΏΠΎΠ½ΡΡΡ. ΠΡΠΈ Π΅Π³ΠΎ ΡΠ°Π±ΠΎΡΠ΅ Π·ΡΠ±ΡΡ ΡΠΏΠΎΡΠ½ΠΎΠ³ΠΎ ΠΊΠΎΠ»ΡΡΠ°, ΠΏΡΠΈΠΊΡΠ΅ΠΏΠ»Π΅Π½Π½ΠΎΠ³ΠΎ ΠΊ ΠΊΠΎΠ»Π΅Π½ΡΠ°ΡΠΎΠΌΡ Π²Π°Π»Ρ, ΠΏΡΠΎΡ
ΠΎΠ΄ΡΡ ΡΡΠ΄ΠΎΠΌ Ρ Π½Π°ΠΊΠΎΠ½Π΅ΡΠ½ΠΈΠΊΠΎΠΌ Π΄Π°ΡΡΠΈΠΊΠ° Π½Π° Π΄Π°ΡΡΠΈΠΊΠ΅ ΠΏΠΎΠ»ΠΎΠΆΠ΅Π½ΠΈΡ ΠΊΠΎΠ»Π΅Π½ΡΠ°ΡΠΎΠ³ΠΎ Π²Π°Π»Π°. ΠΡΡΡΡΡΡΠ²ΡΠ΅Ρ ΠΎΠ΄ΠΈΠ½ ΠΈΠ»ΠΈ Π½Π΅ΡΠΊΠΎΠ»ΡΠΊΠΎ Π·ΡΠ±ΡΠΎΠ² Π½Π° ΠΊΠΎΠ»ΡΡΠ΅ ΡΠ΅Π΄ΡΠΊΡΠΎΡΠ°, ΠΊΠΎΡΠΎΡΠΎΠ΅ ΡΠ»ΡΠΆΠΈΡ ΡΠΎΡΠΊΠΎΠΉ ΠΎΡΡΡΠ΅ΡΠ° Π΄Π»Ρ ΠΠΠ£ Π΄Π²ΠΈΠ³Π°ΡΠ΅Π»Ρ (PCM). ΠΠ°ΡΡΠΈΠΊ Π³Π΅Π½Π΅ΡΠΈΡΡΠ΅Ρ ΠΈΠΌΠΏΡΠ»ΡΡΠ½ΡΠΉ ΡΠΈΠ³Π½Π°Π» Π½Π°ΠΏΡΡΠΆΠ΅Π½ΠΈΡ, ΠΊΠΎΠ³Π΄Π° ΠΊΠΎΠ»Π΅Π½ΡΠ°ΡΡΠΉ Π²Π°Π» Π²ΡΠ°ΡΠ°Π΅ΡΡΡ, ΠΏΡΠΈ ΡΡΠΎΠΌ ΠΊΠ°ΠΆΠ΄ΡΠΉ ΠΈΠΌΠΏΡΠ»ΡΡ ΡΠΎΠΎΡΠ²Π΅ΡΡΡΠ²ΡΠ΅Ρ Π·ΡΠ±ΡΡ Π½Π° ΠΊΠΎΠ»ΡΡΠ΅ ΠΈΠ½Π΄ΡΠΊΡΠΎΡΠ°. ΠΡΠΈ ΡΠ°Π±ΠΎΡΠ΅ Π΄Π²ΠΈΠ³Π°ΡΠ΅Π»Ρ Π½Π° Ρ
ΠΎΠ»ΠΎΡΡΠΎΠΌ Ρ
ΠΎΠ΄Ρ Π½Π° ΡΠΎΡΠΎ Π½ΠΈΠΆΠ΅ ΠΏΠΎΠΊΠ°Π·Π°Π½ ΡΠ΅Π°Π»ΡΠ½ΡΠΉ ΡΠΈΠ³Π½Π°Π» Π΄Π°ΡΡΠΈΠΊΠ° ΠΏΠΎΠ»ΠΎΠΆΠ΅Π½ΠΈΡ ΠΊΠΎΠ»Π΅Π½ΡΠ°ΡΠΎΠ³ΠΎ Π²Π°Π»Π°. ΠΠ°ΠΊ Π²ΠΈΠ΄Π½ΠΎ ΠΈΠ· Π³ΡΠ°ΡΠΈΠΊΠ°, Ρ ΡΠΎΡΠΌΠΎΠ·Π½ΠΎΠ³ΠΎ ΠΊΠΎΠ»ΡΡΠ° Π² ΡΡΠΎΠΌ Π°Π²ΡΠΎΠΌΠΎΠ±ΠΈΠ»Π΅ ΠΎΡΡΡΡΡΡΠ²ΡΡΡ Π΄Π²Π° Π·ΡΠ±ΡΠ°.
PCM ΠΈΡΠΏΠΎΠ»ΡΠ·ΡΠ΅Ρ ΡΠΈΠ³Π½Π°Π» ΠΎΡ Π΄Π°ΡΡΠΈΠΊΠ° ΠΏΠΎΠ»ΠΎΠΆΠ΅Π½ΠΈΡ ΠΊΠΎΠ»Π΅Π½ΡΠ°ΡΠΎΠ³ΠΎ Π²Π°Π»Π°, ΡΡΠΎΠ±Ρ ΠΎΠΏΡΠ΅Π΄Π΅Π»ΠΈΡΡ, ΠΊΠΎΠ³Π΄Π° ΠΈ Π² ΠΊΠ°ΠΊΠΎΠΌ ΡΠΈΠ»ΠΈΠ½Π΄ΡΠ΅ ΠΏΠΎΠ΄Π°Π²Π°ΡΡ ΠΈΡΠΊΡΡ. Π‘ΠΈΠ³Π½Π°Π» ΠΏΠΎΠ»ΠΎΠΆΠ΅Π½ΠΈΡ ΠΊΠΎΠ»Π΅Π½ΡΠ°ΡΠΎΠ³ΠΎ Π²Π°Π»Π° ΡΠ°ΠΊΠΆΠ΅ ΠΈΡΠΏΠΎΠ»ΡΠ·ΡΠ΅ΡΡΡ Π΄Π»Ρ ΠΏΡΠΎΠ²Π΅ΡΠΊΠΈ ΠΏΡΠΎΠΏΡΡΠΊΠΎΠ² Π·Π°ΠΆΠΈΠ³Π°Π½ΠΈΡ. Π ΡΠΈΠ»ΠΈΠ½Π΄ΡΠ°Ρ Π½Π΅ Π±ΡΠ΄Π΅Ρ ΠΈΡΠΊΡΡ ΠΈ ΡΠΎΠΏΠ»ΠΈΠ²Π½ΡΠ΅ ΡΠΎΡΡΡΠ½ΠΊΠΈ Π½Π΅ Π±ΡΠ΄ΡΡ ΡΠ°Π±ΠΎΡΠ°ΡΡ, Π΅ΡΠ»ΠΈ ΠΎΡΡΡΡΡΡΠ²ΡΠ΅Ρ ΡΠΈΠ³Π½Π°Π» Π΄Π°ΡΡΠΈΠΊΠ°.0003
ΠΡΠΈΡΠΎΠ΅Π΄ΠΈΠ½ΡΠΉΡΠ΅ΡΡ ΠΊ Π½Π°ΡΠ΅ΠΌΡ ΠΈΠ½ΡΠΎΡΠΌΠ°ΡΠΈΠΎΠ½Π½ΠΎΠΌΡ Π±ΡΠ»Π»Π΅ΡΠ΅Π½Ρ
ΠΠ°Π³Π½ΠΈΡΠ½ΡΠ΅ Π΄Π°ΡΡΠΈΠΊΠΈ Ρ ΠΏΡΠΈΠ΅ΠΌΠ½ΠΎΠΉ ΠΊΠ°ΡΡΡΠΊΠΎΠΉ, ΠΊΠΎΡΠΎΡΡΠ΅ ΠΏΡΠΎΠΈΠ·Π²ΠΎΠ΄ΡΡ Π½Π°ΠΏΡΡΠΆΠ΅Π½ΠΈΠ΅ ΠΏΠ΅ΡΠ΅ΠΌΠ΅Π½Π½ΠΎΠ³ΠΎ ΡΠΎΠΊΠ°, ΠΈ Π΄Π°ΡΡΠΈΠΊΠΈ Π½Π° ΡΡΡΠ΅ΠΊΡΠ΅ Π₯ΠΎΠ»Π»Π°, ΠΊΠΎΡΠΎΡΡΠ΅ ΠΏΡΠΎΠΈΠ·Π²ΠΎΠ΄ΡΡ ΡΠΈΡΡΠΎΠ²ΠΎΠΉ ΠΏΡΡΠΌΠΎΡΠ³ΠΎΠ»ΡΠ½ΡΠΉ ΡΠΈΠ³Π½Π°Π», ΠΊΠ°ΠΊ ΠΏΠΎΠΊΠ°Π·Π°Π½ΠΎ Π½Π° ΡΠΎΡΠΎΠ³ΡΠ°ΡΠΈΠΈ Π²ΡΡΠ΅, ΡΠ²Π»ΡΡΡΡΡ Π΄Π²ΡΠΌΡ Π½Π°ΠΈΠ±ΠΎΠ»Π΅Π΅ ΡΠ°ΡΠΏΡΠΎΡΡΡΠ°Π½Π΅Π½Π½ΡΠΌΠΈ ΡΠ°Π·Π½ΠΎΠ²ΠΈΠ΄Π½ΠΎΡΡΡΠΌΠΈ. ΠΠ°ΡΡΠΈΠΊΠΈ Π₯ΠΎΠ»Π»Π° ΠΈΡΠΏΠΎΠ»ΡΠ·ΡΡΡΡΡ Π² ΡΠΎΠ²ΡΠ΅ΠΌΠ΅Π½Π½ΡΡ
Π°Π²ΡΠΎΠΌΠΎΠ±ΠΈΠ»ΡΡ
. ΠΠ²ΡΡ
ΠΊΠΎΠ½ΡΠ°ΠΊΡΠ½ΡΠΉ ΡΠ°Π·ΡΠ΅ΠΌ Π½Π°Ρ
ΠΎΠ΄ΠΈΡΡΡ Π½Π° Π΄Π°ΡΡΠΈΠΊΠ΅ ΠΊΠ°ΡΡΡΠΊΠΈ Π·Π°Ρ
Π²Π°ΡΠ°. Π’ΡΠ΅Ρ
ΠΊΠΎΠ½ΡΠ°ΠΊΡΠ½ΡΠΉ ΡΠ°Π·ΡΠ΅ΠΌ ΠΈΡΠΏΠΎΠ»ΡΠ·ΡΠ΅ΡΡΡ Π΄Π»Ρ ΠΏΠΎΠ΄ΠΊΠ»ΡΡΠ΅Π½ΠΈΡ Π΄Π°ΡΡΠΈΠΊΠ° Π₯ΠΎΠ»Π»Π° (ΠΎΠΏΠΎΡΠ½ΠΎΠ΅ Π½Π°ΠΏΡΡΠΆΠ΅Π½ΠΈΠ΅, Π·Π΅ΠΌΠ»Ρ ΠΈ ΡΠΈΠ³Π½Π°Π»).
ΠΠΎΡΠΌΠΎΡΡΠΈΡΠ΅ Π²ΠΈΠ΄Π΅ΠΎ Π½ΠΈΠΆΠ΅, ΡΡΠΎΠ±Ρ ΠΎΠ·Π½Π°ΠΊΠΎΠΌΠΈΡΡΡΡ Ρ Π²ΠΈΠ·ΡΠ°Π»ΡΠ½ΡΠΌ Π°ΡΠΏΠ΅ΠΊΡΠΎΠΌ ΡΠ°Π±ΠΎΡΡ Π΄Π°ΡΡΠΈΠΊΠ° ΠΏΠΎΠ»ΠΎΠΆΠ΅Π½ΠΈΡ ΠΊΠΎΠ»Π΅Π½ΡΠ°ΡΠΎΠ³ΠΎ Π²Π°Π»Π°:
Π‘ΠΈΠΌΠΏΡΠΎΠΌΡ Π½Π΅ΠΈΡΠΏΡΠ°Π²Π½ΠΎΠ³ΠΎ ΠΈΠ»ΠΈ Π½Π΅ΠΈΡΠΏΡΠ°Π²Π½ΠΎΠ³ΠΎ Π΄Π°ΡΡΠΈΠΊΠ° ΠΏΠΎΠ»ΠΎΠΆΠ΅Π½ΠΈΡ ΠΊΠΎΠ»Π΅Π½ΡΠ°ΡΠΎΠ³ΠΎ Π²Π°Π»Π°
ΠΠΈΠΆΠ΅ ΠΏΡΠΈΠ²Π΅Π΄Π΅Π½Ρ ΡΠ°ΡΠΏΡΠΎΡΡΡΠ°Π½Π΅Π½Π½ΡΠ΅ ΠΏΡΠΎΠ±Π»Π΅ΠΌΡ, Π²ΠΎΠ·Π½ΠΈΠΊΠ°ΡΡΠΈΠ΅ ΠΏΡΠΈ Π²ΡΡ ΠΎΠ΄Π΅ ΠΈΠ· ΡΡΡΠΎΡ Π΄Π°ΡΡΠΈΠΊΠ° ΠΏΠΎΠ»ΠΎΠΆΠ΅Π½ΠΈΡ ΠΊΠΎΠ»Π΅Π½ΡΠ°ΡΠΎΠ³ΠΎ Π²Π°Π»Π°:
!Π²Π°ΠΆΠ½ΠΎ;margin-right:auto!important;text-align:center!important ;max-width:100%!important;padding:0″>Π’ΡΡΠ΄Π½ΡΠΉ Π·Π°ΠΏΡΡΠΊ:
Π’ΡΡΠ΄Π½ΡΠΉ Π·Π°ΠΏΡΡΠΊ Π°Π²ΡΠΎΠΌΠΎΠ±ΠΈΠ»Ρ ΡΠ²Π»ΡΠ΅ΡΡΡ Π½Π°ΠΈΠ±ΠΎΠ»Π΅Π΅ ΡΠ°ΡΠΏΡΠΎΡΡΡΠ°Π½Π΅Π½Π½ΡΠΌ ΠΏΡΠΈΠ·Π½Π°ΠΊΠΎΠΌ ΠΏΠΎΠ²ΡΠ΅ΠΆΠ΄Π΅Π½ΠΈΡ ΠΈΠ»ΠΈ ΠΎΡΠΊΠ°Π·Π° Π΄Π°ΡΡΠΈΠΊΠ° ΠΏΠΎΠ»ΠΎΠΆΠ΅Π½ΠΈΡ ΠΊΠΎΠ»Π΅Π½ΡΠ°ΡΠΎΠ³ΠΎ Π²Π°Π»Π°. ΠΠ°ΡΡΠΈΠΊ ΠΏΠΎΠ»ΠΎΠΆΠ΅Π½ΠΈΡ ΠΊΠΎΠ»Π΅Π½ΡΠ°ΡΠΎΠ³ΠΎ Π²Π°Π»Π° ΠΎΡΡΠ»Π΅ΠΆΠΈΠ²Π°Π΅Ρ ΠΏΠΎΠ»ΠΎΠΆΠ΅Π½ΠΈΠ΅ ΠΊΠΎΠ»Π΅Π½ΡΠ°ΡΠΎΠ³ΠΎ Π²Π°Π»Π° ΠΈ ΡΠΊΠΎΡΠΎΡΡΡ, Π° ΡΠ°ΠΊΠΆΠ΅ Π΄ΡΡΠ³ΡΡ ΠΈΠ½ΡΠΎΡΠΌΠ°ΡΠΈΡ, ΠΊΠΎΡΠΎΡΠ°Ρ ΠΈΠΌΠ΅Π΅Ρ ΠΆΠΈΠ·Π½Π΅Π½Π½ΠΎ Π²Π°ΠΆΠ½ΠΎΠ΅ Π·Π½Π°ΡΠ΅Π½ΠΈΠ΅ ΠΏΡΠΈ Π·Π°ΠΏΡΡΠΊΠ΅ Π΄Π²ΠΈΠ³Π°ΡΠ΅Π»Ρ.
ΠΠ²ΡΠΎΠΌΠΎΠ±ΠΈΠ»Ρ ΠΌΠΎΠΆΠ΅Ρ ΠΈΠΌΠ΅ΡΡ ΠΏΠ΅ΡΠΈΠΎΠ΄ΠΈΡΠ΅ΡΠΊΠΈΠ΅ ΠΏΡΠΎΠ±Π»Π΅ΠΌΡ Ρ Π·Π°ΠΏΡΡΠΊΠΎΠΌ ΠΈΠ»ΠΈ Π²ΠΎΠΎΠ±ΡΠ΅ Π½Π΅ Π·Π°Π²ΠΎΠ΄ΠΈΡΡΡΡ, Π΅ΡΠ»ΠΈ Π΄Π°ΡΡΠΈΠΊ ΠΏΠΎΠ»ΠΎΠΆΠ΅Π½ΠΈΡ ΠΊΠΎΠ»Π΅Π½ΡΠ°ΡΠΎΠ³ΠΎ Π²Π°Π»Π° Π½Π΅ΠΈΡΠΏΡΠ°Π²Π΅Π½.
ΠΠ΅ΡΠΈΠΎΠ΄ΠΈΡΠ΅ΡΠΊΠ°Ρ ΠΎΡΡΠ°Π½ΠΎΠ²ΠΊΠ° Π΄Π²ΠΈΠ³Π°ΡΠ΅Π»Ρ:
ΠΠ΅ΡΠΈΠΎΠ΄ΠΈΡΠ΅ΡΠΊΠ°Ρ ΠΎΡΡΠ°Π½ΠΎΠ²ΠΊΠ° Π΄Π²ΠΈΠ³Π°ΡΠ΅Π»Ρ ΡΠ²Π»ΡΠ΅ΡΡΡ Π΅ΡΠ΅ ΠΎΠ΄Π½ΠΈΠΌ ΡΠ°ΡΠΏΡΠΎΡΡΡΠ°Π½Π΅Π½Π½ΡΠΌ ΠΏΡΠΈΠ·Π½Π°ΠΊΠΎΠΌ Π½Π΅ΠΈΡΠΏΡΠ°Π²Π½ΠΎΡΡΠΈ Π΄Π°ΡΡΠΈΠΊΠ° ΠΏΠΎΠ»ΠΎΠΆΠ΅Π½ΠΈΡ ΠΊΠΎΠ»Π΅Π½ΡΠ°ΡΠΎΠ³ΠΎ Π²Π°Π»Π°. ΠΡΠ»ΠΈ Π΅ΡΡΡ ΠΏΡΠΎΠ±Π»Π΅ΠΌΠ° Ρ Π΄Π°ΡΡΠΈΠΊΠΎΠΌ ΠΏΠΎΠ»ΠΎΠΆΠ΅Π½ΠΈΡ ΠΊΠΎΠ»Π΅Π½ΡΠ°ΡΠΎΠ³ΠΎ Π²Π°Π»Π° ΠΈΠ»ΠΈ Π΅Π³ΠΎ ΠΏΡΠΎΠ²ΠΎΠ΄ΠΊΠΎΠΉ, ΡΠΈΠ³Π½Π°Π» ΠΊΠΎΠ»Π΅Π½ΡΠ°ΡΠΎΠ³ΠΎ Π²Π°Π»Π° ΠΌΠΎΠΆΠ΅Ρ Π±ΡΡΡ ΠΎΡΠΊΠ»ΡΡΠ΅Π½ Π²ΠΎ Π²ΡΠ΅ΠΌΡ ΡΠ°Π±ΠΎΡΡ Π΄Π²ΠΈΠ³Π°ΡΠ΅Π»Ρ, ΡΡΠΎ ΠΏΡΠΈΠ²Π΅Π΄Π΅Ρ ΠΊ ΠΎΡΡΠ°Π½ΠΎΠ²ΠΊΠ΅ Π΄Π²ΠΈΠ³Π°ΡΠ΅Π»Ρ. Π§Π°ΡΡΠΎ ΡΡΠΎ ΡΠΊΠ°Π·ΡΠ²Π°Π΅Ρ Π½Π° ΠΏΡΠΎΠ±Π»Π΅ΠΌΡ Ρ ΠΏΡΠΎΠ²ΠΎΠ΄ΠΊΠΎΠΉ. ΠΡΠΎΡ ΡΠΈΠΌΠΏΡΠΎΠΌ ΠΏΠΎΡΠ΅Π½ΡΠΈΠ°Π»ΡΠ½ΠΎ ΠΌΠΎΠΆΠ΅Ρ Π±ΡΡΡ Π²ΡΠ·Π²Π°Π½ Π½Π΅ΠΈΡΠΏΡΠ°Π²Π½ΡΠΌ Π΄Π°ΡΡΠΈΠΊΠΎΠΌ ΠΏΠΎΠ»ΠΎΠΆΠ΅Π½ΠΈΡ ΠΊΠΎΠ»Π΅Π½ΡΠ°ΡΠΎΠ³ΠΎ Π²Π°Π»Π°.
ΠΠΎΡΠΈΡ ΠΈΠ½Π΄ΠΈΠΊΠ°ΡΠΎΡ Check Engine:
ΠΠΎΡΡΡΠΈΠΉ ΠΈΠ½Π΄ΠΈΠΊΠ°ΡΠΎΡ Check Engine ΡΠ²Π»ΡΠ΅ΡΡΡ Π΅ΡΠ΅ ΠΎΠ΄Π½ΠΈΠΌ ΠΏΡΠΈΠ·Π½Π°ΠΊΠΎΠΌ Π²ΠΎΠ·ΠΌΠΎΠΆΠ½ΠΎΠΉ ΠΏΡΠΎΠ±Π»Π΅ΠΌΡ Ρ Π΄Π°ΡΡΠΈΠΊΠΎΠΌ ΠΏΠΎΠ»ΠΎΠΆΠ΅Π½ΠΈΡ ΠΊΠΎΠ»Π΅Π½ΡΠ°ΡΠΎΠ³ΠΎ Π²Π°Π»Π°. ΠΡΠ»ΠΈ ΠΊΠΎΠΌΠΏΡΡΡΠ΅Ρ ΠΈΠ΄Π΅Π½ΡΠΈΡΠΈΡΠΈΡΡΠ΅Ρ ΠΏΡΠΎΠ±Π»Π΅ΠΌΡ Ρ ΡΠΈΠ³Π½Π°Π»ΠΎΠΌ Π΄Π°ΡΡΠΈΠΊΠ° ΠΏΠΎΠ»ΠΎΠΆΠ΅Π½ΠΈΡ ΠΊΠΎΠ»Π΅Π½ΡΠ°ΡΠΎΠ³ΠΎ Π²Π°Π»Π°, Π·Π°Π³ΠΎΡΠΈΡΡΡ ΠΈΠ½Π΄ΠΈΠΊΠ°ΡΠΎΡ Check Engine, ΠΈΠ½ΡΠΎΡΠΌΠΈΡΡΡΡΠΈΠΉ Π²ΠΎΠ΄ΠΈΡΠ΅Π»Ρ. ΠΠ½Π΄ΠΈΠΊΠ°ΡΠΎΡ Check Engine ΠΌΠΎΠΆΠ΅Ρ Π±ΡΡΡ Π²ΡΠ·Π²Π°Π½ ΠΌΠ½ΠΎΠΆΠ΅ΡΡΠ²ΠΎΠΌ Π΄ΡΡΠ³ΠΈΡ
ΠΏΡΠΎΠ±Π»Π΅ΠΌ.
ΠΠ°ΡΡΠΎΡΡΠ΅Π»ΡΠ½ΠΎ ΡΠ΅ΠΊΠΎΠΌΠ΅Π½Π΄ΡΠ΅ΡΡΡ ΠΏΡΠΎΠ²Π΅ΡΠΈΡΡ ΠΊΠΎΠΌΠΏΡΡΡΠ΅Ρ Π½Π° Π½Π°Π»ΠΈΡΠΈΠ΅ ΠΊΠΎΠ΄ΠΎΠ² ΠΎΡΠΈΠ±ΠΎΠΊ.
ΠΠΎΠ΄ΡΠΎΠ±Π½Π΅Π΅: ΠΠ²ΡΠΎΠΌΠΎΠ±ΠΈΠ»ΡΠ½ΡΠ΅ ΡΠ°Π΄ΠΈΠ°ΡΠΎΡΡ
ΠΠ΅ΡΠ°Π²Π½ΠΎΠΌΠ΅ΡΠ½ΠΎΠ΅ ΡΡΠΊΠΎΡΠ΅Π½ΠΈΠ΅:
ΠΠ»ΠΎΠΊ ΡΠΏΡΠ°Π²Π»Π΅Π½ΠΈΡ Π΄Π²ΠΈΠ³Π°ΡΠ΅Π»Π΅ΠΌ Π½Π΅ ΠΌΠΎΠΆΠ΅Ρ ΠΎΡΡΠ΅Π³ΡΠ»ΠΈΡΠΎΠ²Π°ΡΡ ΠΌΠΎΠΌΠ΅Π½Ρ Π·Π°ΠΆΠΈΠ³Π°Π½ΠΈΡ ΠΈ Π²ΠΏΡΡΡΠΊ ΡΠΎΠΏΠ»ΠΈΠ²Π°, ΠΊΠΎΠ³Π΄Π° ΠΎΠ±ΠΎΡΠΎΡΡ Π΄Π²ΠΈΠ³Π°ΡΠ΅Π»Ρ ΡΠ²Π΅Π»ΠΈΡΠΈΠ²Π°ΡΡΡΡ ΠΈΠ·-Π·Π° ΠΎΡΠΈΠ±ΠΎΡΠ½ΡΡ Π΄Π°Π½Π½ΡΡ ΠΎΡ Π΄Π°ΡΡΠΈΠΊΠ° ΠΏΠΎΠ»ΠΎΠΆΠ΅Π½ΠΈΡ ΠΊΠΎΠ»Π΅Π½ΡΠ°ΡΠΎΠ³ΠΎ Π²Π°Π»Π°. ΠΡΡΡΡΡΡΠ²ΠΈΠ΅ ΡΠΎΡΠ½ΠΎΡΡΠΈ ΠΌΠΎΠΆΠ΅Ρ ΠΏΡΠΈΠ²Π΅ΡΡΠΈ ΠΊ ΠΌΠ΅Π΄Π»Π΅Π½Π½ΠΎΠΌΡ ΠΈΠ»ΠΈ Π½Π΅ΡΠ°Π²Π½ΠΎΠΌΠ΅ΡΠ½ΠΎΠΌΡ ΡΡΠΊΠΎΡΠ΅Π½ΠΈΡ, ΡΡΠΎ Π·Π°ΡΡΡΠ΄Π½ΠΈΡ ΠΏΠΎΠ΄Π΄Π΅ΡΠΆΠ°Π½ΠΈΠ΅ ΠΏΠΎΡΡΠΎΡΠ½Π½ΠΎΠ³ΠΎ ΡΠ΅ΠΌΠΏΠ°.
ΠΡΠΎΠΏΡΡΠΊΠΈ Π·Π°ΠΆΠΈΠ³Π°Π½ΠΈΡ ΠΈ Π²ΠΈΠ±ΡΠ°ΡΠΈΠΈ Π΄Π²ΠΈΠ³Π°ΡΠ΅Π»Ρ:
ΠΡΠ°ΡΠΊΠΎΠ²ΡΠ΅ΠΌΠ΅Π½Π½ΡΠ΅ ΡΡΠ²ΠΊΠΈ Π² Π΄Π²ΠΈΠ³Π°ΡΠ΅Π»Π΅ ΠΌΠΎΠ³ΡΡ Π±ΡΡΡ ΠΏΡΠΈΠ·Π½Π°ΠΊΠΎΠΌ ΠΏΡΠΎΠΏΡΡΠΊΠΎΠ² Π·Π°ΠΆΠΈΠ³Π°Π½ΠΈΡ Π² ΡΠΈΠ»ΠΈΠ½Π΄ΡΠ°Ρ
, Π²ΡΠ·Π²Π°Π½Π½ΡΡ
Π½Π΅ΠΈΡΠΏΡΠ°Π²Π½ΡΠΌ Π΄Π°ΡΡΠΈΠΊΠΎΠΌ ΠΏΠΎΠ»ΠΎΠΆΠ΅Π½ΠΈΡ ΠΊΠΎΠ»Π΅Π½ΡΠ°ΡΠΎΠ³ΠΎ Π²Π°Π»Π°. ΠΠΎΠ³Π΄Π° Π΄Π°ΡΡΠΈΠΊ ΠΏΠΎΠ»ΠΎΠΆΠ΅Π½ΠΈΡ ΠΊΠΎΠ»Π΅Π½ΡΠ°ΡΠΎΠ³ΠΎ Π²Π°Π»Π° Π²ΡΡ
ΠΎΠ΄ΠΈΡ ΠΈΠ· ΡΡΡΠΎΡ, ΠΎΠ½ Π½Π΅ ΠΌΠΎΠΆΠ΅Ρ ΠΏΡΠ΅Π΄ΠΎΡΡΠ°Π²ΠΈΡΡ ΡΠΎΡΠ½ΡΡ ΠΈΠ½ΡΠΎΡΠΌΠ°ΡΠΈΡ ΠΎ ΠΏΠΎΠ»ΠΎΠΆΠ΅Π½ΠΈΠΈ ΠΏΠΎΡΡΠ½Ρ Π² Π΄Π²ΠΈΠ³Π°ΡΠ΅Π»Π΅, ΡΡΠΎ ΠΏΡΠΈΠ²ΠΎΠ΄ΠΈΡ ΠΊ ΠΏΡΠΎΠΏΡΡΠΊΡ Π·Π°ΠΆΠΈΠ³Π°Π½ΠΈΡ Π² ΡΠΈΠ»ΠΈΠ½Π΄ΡΠ΅. ΠΡΠΎ ΡΠ°ΠΊΠΆΠ΅ ΠΌΠΎΠΆΠ΅Ρ Π±ΡΡΡ Π²ΡΠ·Π²Π°Π½ΠΎ Π½Π΅ΠΏΡΠ°Π²ΠΈΠ»ΡΠ½ΡΠΌ ΡΠΈΠ½Ρ
ΡΠΎΠ½ΠΈΠ·Π°ΡΠΈΠ΅ΠΉ ΡΠ²Π΅ΡΠΈ Π·Π°ΠΆΠΈΠ³Π°Π½ΠΈΡ, Π½ΠΎ Π΅ΡΠ»ΠΈ ΡΠ²Π΅ΡΠ° Π·Π°ΠΆΠΈΠ³Π°Π½ΠΈΡ Π² ΠΏΠΎΡΡΠ΄ΠΊΠ΅, Π½Π°ΠΈΠ±ΠΎΠ»Π΅Π΅ Π²Π΅ΡΠΎΡΡΠ½ΡΠΌ Π²ΠΈΠ½ΠΎΠ²Π½ΠΈΠΊΠΎΠΌ ΡΠ²Π»ΡΠ΅ΡΡΡ Π΄Π°ΡΡΠΈΠΊ ΠΊΠΎΠ»Π΅Π½ΡΠ°ΡΠΎΠ³ΠΎ Π²Π°Π»Π°.
ΠΠ΅ΡΠ°Π²Π½ΠΎΠΌΠ΅ΡΠ½Π°Ρ ΡΠ°Π±ΠΎΡΠ° Π΄Π²ΠΈΠ³Π°ΡΠ΅Π»Ρ Π½Π° Ρ ΠΎΠ»ΠΎΡΡΠΎΠΌ Ρ ΠΎΠ΄Ρ ΠΈ/ΠΈΠ»ΠΈ Π²ΠΈΠ±ΡΠ°ΡΠΈΡ:
ΠΠ΅ΡΠ°Π²Π½ΠΎΠΌΠ΅ΡΠ½Π°Ρ ΡΠ°Π±ΠΎΡΠ° Π΄Π²ΠΈΠ³Π°ΡΠ΅Π»Ρ Π½Π° Ρ ΠΎΠ»ΠΎΡΡΠΎΠΌ Ρ ΠΎΠ΄Ρ β Π΅ΡΠ΅ ΠΎΠ΄ΠΈΠ½ ΠΏΠΎΠΊΠ°Π·Π°ΡΠ΅Π»Ρ Π½Π΅ΠΈΡΠΏΡΠ°Π²Π½ΠΎΡΡΠΈ Π΄Π°ΡΡΠΈΠΊΠ° ΠΏΠΎΠ»ΠΎΠΆΠ΅Π½ΠΈΡ ΠΊΠΎΠ»Π΅Π½ΡΠ°ΡΠΎΠ³ΠΎ Π²Π°Π»Π°. ΠΡ ΠΌΠΎΠΆΠ΅ΡΠ΅ ΠΎΠ±Π½Π°ΡΡΠΆΠΈΡΡ ΡΠΊΡΠ΅ΠΆΠ΅Ρ ΠΈΠ»ΠΈ Π²ΠΈΠ±ΡΠ°ΡΠΈΡ Π΄Π²ΠΈΠ³Π°ΡΠ΅Π»Ρ Π²ΠΎ Π²ΡΠ΅ΠΌΡ ΠΎΡΡΠ°Π½ΠΎΠ²ΠΊΠΈ Π½Π° ΠΊΡΠ°ΡΠ½ΡΠΉ ΡΠ²Π΅Ρ ΠΈΠ»ΠΈ Π² Π΄ΡΡΠ³ΠΎΠΌ ΠΌΠ΅ΡΡΠ΅. ΠΠΎΠ³Π΄Π° ΡΡΠΎ ΠΏΡΠΎΠΈΡΡ ΠΎΠ΄ΠΈΡ, Π΄Π°ΡΡΠΈΠΊ Π½Π΅ ΠΎΡΡΠ»Π΅ΠΆΠΈΠ²Π°Π΅Ρ ΠΏΠΎΠ»ΠΎΠΆΠ΅Π½ΠΈΠ΅ ΠΊΠΎΠ»Π΅Π½ΡΠ°ΡΠΎΠ³ΠΎ Π²Π°Π»Π°, ΡΡΠΎ ΠΏΡΠΈΠ²ΠΎΠ΄ΠΈΡ ΠΊ Π²ΠΈΠ±ΡΠ°ΡΠΈΡΠΌ, ΡΠ½ΠΈΠΆΠ°ΡΡΠΈΠΌ ΠΎΠ±ΡΡΡ ΠΌΠΎΡΠ½ΠΎΡΡΡ Π΄Π²ΠΈΠ³Π°ΡΠ΅Π»Ρ. ΠΡΡΠ»Π΅ΠΆΠΈΠ²Π°Π½ΠΈΡ ΠΏΡΠΎΠ±Π΅Π³Π° Π΄Π²ΠΈΠ³Π°ΡΠ΅Π»Ρ ΡΠ°ΠΊΠΆΠ΅ ΠΌΠΎΠΆΠ΅Ρ ΠΌΠ΅ΡΠ°ΡΡ Π²ΠΈΠ±ΡΠ°ΡΠΈΡ. ΠΡΠ±ΡΠ΅ Π½Π΅ΠΎΠ±ΡΡΠ½ΡΠ΅ Π²ΠΈΠ±ΡΠ°ΡΠΈΠΈ Π΄ΠΎΠ»ΠΆΠ½Ρ Π±ΡΡΡ ΠΈΡΡΠ»Π΅Π΄ΠΎΠ²Π°Π½Ρ ΠΌΠ΅Ρ Π°Π½ΠΈΠΊΠΎΠΌ ΠΊΠ°ΠΊ ΠΌΠΎΠΆΠ½ΠΎ ΡΠΊΠΎΡΠ΅Π΅.
!important;margin-left:auto!important»>Π Π°ΡΡ ΠΎΠ΄ Π±Π΅Π½Π·ΠΈΠ½Π° ΡΠΌΠ΅Π½ΡΡΠ°Π΅ΡΡΡ:
Π’ΠΎΠΏΠ»ΠΈΠ²Π½ΡΠ΅ ΡΠΎΡΡΡΠ½ΠΊΠΈ Π½Π΅ Π±ΡΠ΄ΡΡ Π΄ΠΎΠ»ΠΆΠ½ΡΠΌ ΠΎΠ±ΡΠ°Π·ΠΎΠΌ ΠΏΠΎΠ΄Π°Π²Π°ΡΡ Π³Π°Π· Π² Π΄Π²ΠΈΠ³Π°ΡΠ΅Π»Ρ, Π΅ΡΠ»ΠΈ Π΄Π°ΡΡΠΈΠΊ ΠΏΠΎΠ»ΠΎΠΆΠ΅Π½ΠΈΡ ΠΊΠΎΠ»Π΅Π½ΡΠ°ΡΠΎΠ³ΠΎ Π²Π°Π»Π° Π½Π΅ ΠΏΡΠ΅Π΄ΠΎΡΡΠ°Π²Π»ΡΠ΅Ρ ΡΠΎΠΎΡΠ²Π΅ΡΡΡΠ²ΡΡΡΡΡ ΠΈΠ½ΡΠΎΡΠΌΠ°ΡΠΈΡ ΠΎ Π²ΡΠ΅ΠΌΠ΅Π½ΠΈ. ΠΠ° ΠΊΠΎΡΠΎΡΠΊΠΈΡ
ΠΈ Π΄Π»ΠΈΠ½Π½ΡΡ
ΠΏΠΎΠ΅Π·Π΄ΠΊΠ°Ρ
, Π΄Π²ΠΈΠ³Π°ΡΠ΅Π»Ρ Π±ΡΠ΄Π΅Ρ ΠΏΠΎΡΡΠ΅Π±Π»ΡΡΡ Π±ΠΎΠ»ΡΡΠ΅ Π±Π΅Π½Π·ΠΈΠ½Π°, ΡΠ΅ΠΌ Π΅ΠΌΡ Π½Π΅ΠΎΠ±Ρ
ΠΎΠ΄ΠΈΠΌΠΎ, ΡΡΠΎ ΡΠ½ΠΈΠ·ΠΈΡ ΠΎΠ±ΡΡΡ ΡΠΊΠΎΠ½ΠΎΠΌΠΈΡ ΡΠΎΠΏΠ»ΠΈΠ²Π°. ΠΡΠΎΠ²Π΅ΡΡΡΠ΅ Π΄Π°ΡΡΠΈΠΊ Π²ΠΌΠ΅ΡΡΠ΅ Ρ ΠΌΠ΅Ρ
Π°Π½ΠΈΠΊΠΎΠΌ, ΡΠ°ΠΊ ΠΊΠ°ΠΊ Π½Π΅Π΄ΠΎΡΡΠ°ΡΠΎΡΠ½Π°Ρ ΡΠΊΠΎΠ½ΠΎΠΌΠΈΡ ΡΠΎΠΏΠ»ΠΈΠ²Π° ΠΌΠΎΠΆΠ΅Ρ Π±ΡΡΡ Π²ΡΠ·Π²Π°Π½Π° ΡΠ°Π·Π»ΠΈΡΠ½ΡΠΌΠΈ Π½Π΅ΠΈΡΠΏΡΠ°Π²Π½ΠΎΡΡΡΠΌΠΈ.
0003
ΠΠ°ΠΊΠ»ΡΡΠ΅Π½ΠΈΠ΅
ΠΠ°ΡΡΠΈΠΊ ΠΊΠΎΠ»Π΅Π½Π²Π°Π»Π° ΠΌΠΎΠΆΠ½ΠΎ ΠΈΡΠΏΠΎΠ»ΡΠ·ΠΎΠ²Π°ΡΡ Π²ΠΌΠ΅ΡΡΠ΅ Ρ Π΄Π°ΡΡΠΈΠΊΠΎΠΌ ΠΏΠΎΠ»ΠΎΠΆΠ΅Π½ΠΈΡ ΡΠ°ΡΠΏΡΠ΅Π΄Π΅Π»ΠΈΡΠ΅Π»ΡΠ½ΠΎΠ³ΠΎ Π²Π°Π»Π° Π΄Π»Ρ ΠΊΠΎΠ½ΡΡΠΎΠ»Ρ ΡΠΎΠΎΡΠ½ΠΎΡΠ΅Π½ΠΈΡ ΠΏΠΎΡΡΠ΅Π½Ρ-ΠΊΠ»Π°ΠΏΠ°Π½ Π² Π΄Π²ΠΈΠ³Π°ΡΠ΅Π»Π΅, ΡΡΠΎ ΠΎΡΠΎΠ±Π΅Π½Π½ΠΎ Π²Π°ΠΆΠ½ΠΎ Π² Π΄Π²ΠΈΠ³Π°ΡΠ΅Π»ΡΡ Ρ ΠΈΠ·ΠΌΠ΅Π½ΡΠ΅ΠΌΡΠΌΠΈ ΡΠ°Π·Π°ΠΌΠΈ Π³Π°Π·ΠΎΡΠ°ΡΠΏΡΠ΅Π΄Π΅Π»Π΅Π½ΠΈΡ. ΠΡΠ° ΠΏΡΠΎΡΠ΅Π΄ΡΡΠ° ΡΠ°ΠΊΠΆΠ΅ ΠΈΡΠΏΠΎΠ»ΡΠ·ΡΠ΅ΡΡΡ Π΄Π»Ρ Β«ΡΠΈΠ½Ρ ΡΠΎΠ½ΠΈΠ·Π°ΡΠΈΠΈΒ» ΡΠ΅ΡΡΡΠ΅Ρ ΡΠ°ΠΊΡΠ½ΠΎΠ³ΠΎ Π΄Π²ΠΈΠ³Π°ΡΠ΅Π»Ρ ΠΏΡΠΈ Π΅Π³ΠΎ ΠΏΠ΅ΡΠ²ΠΎΠΌ Π·Π°ΠΏΡΡΠΊΠ΅, ΠΏΠΎΠ·Π²ΠΎΠ»ΡΡ ΡΠΈΡΡΠ΅ΠΌΠ΅ ΡΠΏΡΠ°Π²Π»Π΅Π½ΠΈΡ ΠΎΠΏΡΠ΅Π΄Π΅Π»ΠΈΡΡ ΠΌΠΎΠΌΠ΅Π½Ρ Π²ΠΏΡΡΡΠΊΠ° Π±Π΅Π½Π·ΠΈΠ½Π°. ΠΡΠΎ Π²ΡΠ΅ Π΄Π»Ρ ΡΡΠΎΠΉ ΡΡΠ°ΡΡΠΈ, Π³Π΄Π΅ ΠΎΠ±ΡΡΠΆΠ΄Π°ΡΡΡΡ ΠΎΠΏΡΠ΅Π΄Π΅Π»Π΅Π½ΠΈΠ΅, ΡΡΠ½ΠΊΡΠΈΠΈ, ΡΠ»Π΅ΠΌΠ΅Π½ΡΡ ΠΈ ΡΡ Π΅ΠΌΠ°, ΡΠΈΠΏΡ, ΡΠ°Π±ΠΎΡΠ° ΠΈ ΡΠΈΠΌΠΏΡΠΎΠΌΡ Π½Π΅ΠΈΡΠΏΡΠ°Π²Π½ΠΎΠ³ΠΎ Π΄Π°ΡΡΠΈΠΊΠ° ΠΏΠΎΠ»ΠΎΠΆΠ΅Π½ΠΈΡ ΠΊΠΎΠ»Π΅Π½ΡΠ°ΡΠΎΠ³ΠΎ Π²Π°Π»Π°.
ΠΠ°Π΄Π΅ΡΡΡ, Π²Ρ ΠΌΠ½ΠΎΠ³ΠΎΠΌΡ Π½Π°ΡΡΠΈΡΠ΅ΡΡ, Π΅ΡΠ»ΠΈ Π΄Π°, ΠΏΠΎΠ΄Π΅Π»ΠΈΡΠ΅ΡΡ Ρ Π΄ΡΡΠ³ΠΈΠΌΠΈ ΡΡΠ΅Π½ΠΈΠΊΠ°ΠΌΠΈ. Π‘ΠΏΠ°ΡΠΈΠ±ΠΎ Π·Π° ΡΡΠ΅Π½ΠΈΠ΅, ΡΠ²ΠΈΠ΄ΠΈΠΌΡΡ!
!important;margin-right:auto!important;min-width:336px;line-height:0;padding:0″>Π§ΡΠΎ Π΄Π΅Π»Π°Π΅Ρ Π΄Π°ΡΡΠΈΠΊ ΠΊΠΎΠ»Π΅Π½ΡΠ°ΡΠΎΠ³ΠΎ Π²Π°Π»Π°: ΠΊΠ°ΠΊ ΠΎΠ½ ΡΠ°Π±ΠΎΡΠ°Π΅Ρ Π‘ΡΠ°ΡΡΡ ΠΎΡΠ²Π΅ΡΠ°Π΅Ρ Π½Π° Π²ΠΎΠΏΡΠΎΡ: ΡΡΠΎ Π΄Π΅Π»Π°Π΅Ρ Π΄Π°ΡΡΠΈΠΊ ΠΊΠΎΠ»Π΅Π½ΡΠ°ΡΠΎΠ³ΠΎ Π²Π°Π»Π°?ΠΠ°ΡΡΠΈΠΊ ΠΊΠΎΠ»Π΅Π½ΡΠ°ΡΠΎΠ³ΠΎ Π²Π°Π»Π° β ΡΡΠΎ ΡΡΡΡΠΎΠΉΡΡΠ²ΠΎ, ΠΈΡΠΏΠΎΠ»ΡΠ·ΡΠ΅ΠΌΠΎΠ΅ Π² Π΄Π²ΠΈΠ³Π°ΡΠ΅Π»ΡΡ Π²Π½ΡΡΡΠ΅Π½Π½Π΅Π³ΠΎ ΡΠ³ΠΎΡΠ°Π½ΠΈΡ Π΄Π»Ρ ΠΎΠΏΡΠ΅Π΄Π΅Π»Π΅Π½ΠΈΡ ΠΏΠΎΠ»ΠΎΠΆΠ΅Π½ΠΈΡ ΠΊΡΠΈΠ²ΠΎΡΠΈΠΏΠ° ΠΈ Π΅Π³ΠΎ ΡΠΊΠΎΡΠΎΡΡΠΈ.

Π‘Π½Π°ΡΠ°Π»Π° ΠΌΡ ΠΎΠ±ΡΡΠ΄ΠΈΠΌ ΡΠ°Π±ΠΎΡΡ Π΄Π²ΠΈΠ³Π°ΡΠ΅Π»Ρ Π²Π½ΡΡΡΠ΅Π½Π½Π΅Π³ΠΎ ΡΠ³ΠΎΡΠ°Π½ΠΈΡ, Π·Π°ΡΠ΅ΠΌ ΠΌΡ ΠΏΡΠΎΠ΄ΠΎΠ»ΠΆΠΈΠΌ Π½Π°ΡΠ΅ ΠΎΠ±ΡΡΠΆΠ΄Π΅Π½ΠΈΠ΅ Π΄Π°Π»ΡΡΠ΅ Ρ Π΄Π°ΡΡΠΈΠΊΠΎΠΌ ΠΊΠΎΠ»Π΅Π½ΡΠ°ΡΠΎΠ³ΠΎ Π²Π°Π»Π° ΠΈ ΡΠ°Π±ΠΎΡΠΎΠΉ Π΄Π°ΡΡΠΈΠΊΠ° ΠΊΠΎΠ»Π΅Π½ΡΠ°ΡΠΎΠ³ΠΎ Π²Π°Π»Π°. Π ΠΏΠΎΡΠ»Π΅Π΄ΡΡΡΠΈΡ ΡΠ°Π·Π΄Π΅Π»Π°Ρ ΠΌΡ ΡΠ°ΠΊΠΆΠ΅ ΠΏΡΠΎΡΠΈΡΠ°Π΅ΠΌ ΠΎ ΡΠ°Π·Π»ΠΈΡΠ½ΡΡ ΡΠΈΠΏΠ°Ρ Π΄Π²ΠΈΠ³Π°ΡΠ΅Π»Π΅ΠΉ Π²Π½ΡΡΡΠ΅Π½Π½Π΅Π³ΠΎ ΡΠ³ΠΎΡΠ°Π½ΠΈΡ.
Π§ΡΠΎ ΡΠ°ΠΊΠΎΠ΅ Π΄Π²ΠΈΠ³Π°ΡΠ΅Π»Ρ Π²Π½ΡΡΡΠ΅Π½Π½Π΅Π³ΠΎ ΡΠ³ΠΎΡΠ°Π½ΠΈΡ?ΠΠ²ΠΈΠ³Π°ΡΠ΅Π»Ρ Π²Π½ΡΡΡΠ΅Π½Π½Π΅Π³ΠΎ ΡΠ³ΠΎΡΠ°Π½ΠΈΡ ΠΈΠ»ΠΈ Π΄Π²ΠΈΠ³Π°ΡΠ΅Π»Ρ Π²Π½ΡΡΡΠ΅Π½Π½Π΅Π³ΠΎ ΡΠ³ΠΎΡΠ°Π½ΠΈΡ ΠΏΡΠ΅Π΄ΡΡΠ°Π²Π»ΡΠ΅Ρ ΡΠΎΠ±ΠΎΠΉ ΡΠ΅ΠΏΠ»ΠΎΠ²ΡΡ ΠΌΠ°ΡΠΈΠ½Ρ, Π²Π½ΡΡΡΠΈ ΠΊΠΎΡΠΎΡΠΎΠΉ ΠΏΡΠΎΠΈΡΡ ΠΎΠ΄ΠΈΡ ΡΠ³ΠΎΡΠ°Π½ΠΈΠ΅ Ρ ΠΏΠΎΠΌΠΎΡΡΡ ΠΎΠΊΠΈΡΠ»ΠΈΡΠ΅Π»Ρ ΠΈ ΡΠ°Π±ΠΎΡΠ΅Π³ΠΎ ΡΠΎΠΏΠ»ΠΈΠ²Π°.
ΠΠ²ΠΈΠ³Π°ΡΠ΅Π»Ρ Π²Π½ΡΡΡΠ΅Π½Π½Π΅Π³ΠΎ ΡΠ³ΠΎΡΠ°Π½ΠΈΡ ΠΏΡΠ΅ΠΎΠ±ΡΠ°Π·ΡΠ΅Ρ ΡΠ΅ΠΏΠ»ΠΎΠ²ΡΡ ΡΠ½Π΅ΡΠ³ΠΈΡ, ΠΏΠΎΠ»ΡΡΠ΅Π½Π½ΡΡ ΠΏΡΠΈ ΡΠ³ΠΎΡΠ°Π½ΠΈΠΈ ΡΠΎΠΏΠ»ΠΈΠ²Π½ΠΎ-Π²ΠΎΠ·Π΄ΡΡΠ½ΠΎΠΉ ΡΠΌΠ΅ΡΠΈ, Π² ΠΌΠ΅Ρ Π°Π½ΠΈΡΠ΅ΡΠΊΡΡ ΡΠ½Π΅ΡΠ³ΠΈΡ. ΠΡΠ½ΠΎΠ²Π½ΡΠ΅ ΡΠ°ΡΡΠΈ Π΄Π²ΠΈΠ³Π°ΡΠ΅Π»Ρ IC Π²ΠΊΠ»ΡΡΠ°ΡΡ ΠΏΠΎΡΡΠ΅Π½Ρ, ΡΠΈΠ»ΠΈΠ½Π΄Ρ, ΠΊΡΠΈΠ²ΠΎΡΠΈΠΏ, ΡΠ²Π΅ΡΠΈ Π·Π°ΠΆΠΈΠ³Π°Π½ΠΈΡ (Π² Π΄Π²ΠΈΠ³Π°ΡΠ΅Π»Π΅ SI), ΠΊΠΎΠ»Π΅Π½ΡΠ°ΡΡΠΉ Π²Π°Π». ΠΠΎΠ΄ΡΠΎΠ±Π½Π΅Π΅ ΠΎ Π΄Π²ΠΈΠ³Π°ΡΠ΅Π»ΡΡ Π²Π½ΡΡΡΠ΅Π½Π½Π΅Π³ΠΎ ΡΠ³ΠΎΡΠ°Π½ΠΈΡ ΠΌΡ ΠΏΠΎΠ³ΠΎΠ²ΠΎΡΠΈΠΌ Π² ΡΠ»Π΅Π΄ΡΡΡΠ΅ΠΌ ΡΠ°Π·Π΄Π΅Π»Π΅.
Π Π°Π±ΠΎΡΠ° Π΄Π²ΠΈΠ³Π°ΡΠ΅Π»Ρ Π²Π½ΡΡΡΠ΅Π½Π½Π΅Π³ΠΎ ΡΠ³ΠΎΡΠ°Π½ΠΈΡ ΠΠ²ΠΈΠ³Π°ΡΠ΅Π»Ρ Π²Π½ΡΡΡΠ΅Π½Π½Π΅Π³ΠΎ ΡΠ³ΠΎΡΠ°Π½ΠΈΡ ΠΏΡΠ΅Π΄ΡΡΠ°Π²Π»ΡΠ΅Ρ ΡΠΎΠ±ΠΎΠΉ ΡΠ±ΠΎΡΠΊΡ ΡΠ°Π·Π»ΠΈΡΠ½ΡΡ
ΠΌΠ΅Ρ
Π°Π½ΠΈΡΠ΅ΡΠΊΠΈΡ
ΠΊΠΎΠΌΠΏΠΎΠ½Π΅Π½ΡΠΎΠ², ΠΊΠΎΡΠΎΡΡΠ΅ ΡΠ°Π±ΠΎΡΠ°ΡΡ Π² Π³Π°ΡΠΌΠΎΠ½ΠΈΠΈ Π΄Π»Ρ ΠΏΠΎΠ»ΡΡΠ΅Π½ΠΈΡ ΠΆΠ΅Π»Π°Π΅ΠΌΠΎΠΉ ΠΌΠΎΡΠ½ΠΎΡΡΠΈ.
ΠΠΎ Π²ΡΠ΅ΠΌΡ ΡΠ°ΠΊΡΠ° Π²ΠΏΡΡΠΊΠ° Π² ΡΠΈΡΡΠ΅ΠΌΡ Π²ΠΏΡΡΡΠΊΠΈΠ²Π°Π΅ΡΡΡ ΡΠΎΠΏΠ»ΠΈΠ²ΠΎ. ΠΠΎΡΡΠ΅Π½Ρ ΡΠΎΠ΅Π΄ΠΈΠ½Π΅Π½ Ρ ΡΠ°ΡΡΠ½ΠΎΠΌ, ΡΠΎΠ΅Π΄ΠΈΠ½ΡΡΡΠΈΠΌ ΠΏΠΎΡΡΠ΅Π½Ρ ΠΈ ΠΊΡΠΈΠ²ΠΎΡΠΈΠΏ. ΠΡΠΈ Π²ΠΎΡΠΏΠ»Π°ΠΌΠ΅Π½Π΅Π½ΠΈΠΈ Π²ΠΎΠ·Π΄ΡΡΠ½ΠΎ-ΡΠΎΠΏΠ»ΠΈΠ²Π½ΠΎΠΉ ΡΠΌΠ΅ΡΠΈ ΠΏΠΎΡΡΠ΅Π½Ρ Π΄Π²ΠΈΠΆΠ΅ΡΡΡ Π² Π½ΠΈΠΆΠ½Π΅ΠΉ ΠΌΠ΅ΡΡΠ²ΠΎΠΉ ΡΠΎΡΠΊΠ΅, Π° Π·Π°ΡΠ΅ΠΌ Π²ΠΎΠ·Π²ΡΠ°ΡΠ°Π΅ΡΡΡ Π² Π²Π΅ΡΡ Π½ΡΡ ΠΌΠ΅ΡΡΠ²ΡΡ ΡΠΎΡΠΊΡ. ΠΠ»Π°Π³ΠΎΠ΄Π°ΡΡ Π²ΠΎΠ·Π²ΡΠ°ΡΠ½ΠΎ-ΠΏΠΎΡΡΡΠΏΠ°ΡΠ΅Π»ΡΠ½ΠΎΠΌΡ Π΄Π²ΠΈΠΆΠ΅Π½ΠΈΡ ΠΏΠΎΡΡΠ½Ρ ΠΊΡΠΈΠ²ΠΎΡΠΈΠΏ Π²ΡΠ°ΡΠ°Π΅ΡΡΡ ΠΈ, Π² ΡΠ²ΠΎΡ ΠΎΡΠ΅ΡΠ΅Π΄Ρ, ΠΏΠΎΠΌΠΎΠ³Π°Π΅Ρ Π²ΡΠ°ΡΠ°ΡΡΡΡ ΠΊΠΎΠ»Π΅ΡΠ°ΠΌ.
ΠΠ°ΠΊ ΡΠ°Π±ΠΎΡΠ°Π΅Ρ Π΄Π°ΡΡΠΈΠΊ ΠΊΠΎΠ»Π΅Π½ΡΠ°ΡΠΎΠ³ΠΎ Π²Π°Π»Π°?ΠΠ°ΡΡΠΈΠΊ ΠΊΠΎΠ»Π΅Π½ΡΠ°ΡΠΎΠ³ΠΎ Π²Π°Π»Π° ΠΌΠΎΠΆΠ΅Ρ Π±ΡΡΡ ΠΏΡΠΈΠΊΡΠ΅ΠΏΠ»Π΅Π½ ΠΊ Π±Π»ΠΎΠΊΡ Π΄Π²ΠΈΠ³Π°ΡΠ΅Π»Ρ, ΠΎΠ±ΡΠ°ΡΠ΅Π½Π½ΠΎΠΌΡ ΠΊ ΡΠΈΠ½Ρ ΡΠΎΠ½ΠΈΠ·ΠΈΡΡΡΡΠ΅ΠΌΡ ΡΠΎΡΠΎΡΡ ΠΈΠ»ΠΈ Π·ΡΠ±ΡΠ°ΡΠΎΠΌΡ Π²Π΅Π½ΡΡ, ΠΏΡΠΈΠΊΡΠ΅ΠΏΠ»Π΅Π½Π½ΠΎΠΌΡ ΠΊ ΠΊΠΎΠ»Π΅Π½ΡΠ°ΡΠΎΠΌΡ Π²Π°Π»Ρ. ΠΠΎΠ»Π΅Π½ΡΠ°ΡΡΠΉ Π²Π°Π» ΠΈΠΌΠ΅Π΅Ρ Π·ΡΠ±ΡΡ, ΠΏΠΎΠ»ΠΎΠΆΠ΅Π½ΠΈΡ ΠΊΠΎΡΠΎΡΡΡ ΠΈΡΠΏΠΎΠ»ΡΠ·ΡΡΡΡΡ Π΄Π»Ρ ΠΎΠΏΡΠ΅Π΄Π΅Π»Π΅Π½ΠΈΡ ΡΠ°ΠΊΡΠΈΡΠ΅ΡΠΊΠΎΠ³ΠΎ ΠΏΠΎΠ»ΠΎΠΆΠ΅Π½ΠΈΡ ΠΊΠΎΠ»Π΅Π½ΡΠ°ΡΠΎΠ³ΠΎ Π²Π°Π»Π°.
ΠΠ°ΡΡΠΈΠΊ ΠΏΠΎΠ΄ΡΡΠΈΡΡΠ²Π°Π΅Ρ ΠΊΠΎΠ»ΠΈΡΠ΅ΡΡΠ²ΠΎ Π·ΡΠ±ΡΠ΅Π², ΠΏΡΠΎΡΠ΅Π΄ΡΠΈΡ
Π½Π° Π·ΡΠ±ΡΠ°ΡΠΎΠΌ Π²Π΅Π½ΡΠ΅. ΠΡΠ° ΠΈΠ½ΡΠΎΡΠΌΠ°ΡΠΈΡ ΠΏΠΎΠ΄Π°Π΅ΡΡΡ Π² Π±Π»ΠΎΠΊ ΡΠΏΡΠ°Π²Π»Π΅Π½ΠΈΡ Π΄Π²ΠΈΠ³Π°ΡΠ΅Π»Π΅ΠΌ ΠΈΠ»ΠΈ Π² ΡΠΈΡΡΠ΅ΠΌΡ ΡΠΏΡΠ°Π²Π»Π΅Π½ΠΈΡ Π΄Π²ΠΈΠ³Π°ΡΠ΅Π»Π΅ΠΌ, ΠΊΠΎΡΠΎΡΠ°Ρ Π·Π°ΡΠ΅ΠΌ Π²ΡΡΠΈΡΠ»ΡΠ΅Ρ ΡΠΎΡΠ½ΠΎΠ΅ ΠΏΠΎΠ»ΠΎΠΆΠ΅Π½ΠΈΠ΅ ΠΊΠΎΠ»Π΅Π½ΡΠ°ΡΠΎΠ³ΠΎ Π²Π°Π»Π° ΠΈ ΡΠ΅ΡΠ°Π΅Ρ, ΠΊΠΎΠ³Π΄Π° Π²ΠΊΠ»ΡΡΠ°ΡΡ ΠΈ Π²ΡΠΊΠ»ΡΡΠ°ΡΡ ΡΠ°Π·Π»ΠΈΡΠ½ΡΠ΅ ΡΠ²Π΅ΡΠΈ Π·Π°ΠΆΠΈΠ³Π°Π½ΠΈΡ.
ΠΠ·ΠΎΠ±ΡΠ°ΠΆΠ΅Π½ΠΈΠ΅ ΠΏΡΠ΅Π΄ΠΎΡΡΠ°Π²Π»Π΅Π½ΠΎ: Tamasflex, ΠΠ°ΡΡΠΈΠΊ ΠΊΠΎΠ»Π΅Π½ΡΠ°ΡΠΎΠ³ΠΎ Π²Π°Π»Π°, CC BY-SA 3.0
ΠΡΠΏΠΎΠ»ΡΠ·ΠΎΠ²Π°Π½ΠΈΠ΅ Π΄Π°ΡΡΠΈΠΊΠ° ΠΊΠΎΠ»Π΅Π½ΡΠ°ΡΠΎΠ³ΠΎ Π²Π°Π»Π°ΠΡΠΈΠΌΠ΅Π½Π΅Π½ΠΈΠ΅ Π΄Π°ΡΡΠΈΠΊΠ° ΠΊΠΎΠ»Π΅Π½ΡΠ°ΡΠΎΠ³ΠΎ Π²Π°Π»Π° Π½Π΅Π²Π΅Π»ΠΈΠΊΠΎ, Π½ΠΎ ΠΊΠ°ΠΆΠ΄ΠΎΠ΅ ΠΈΠ· Π½ΠΈΡ ΠΎΡΠ΅Π½Ρ Π²Π°ΠΆΠ½ΠΎ. ΠΡΠΏΠΎΠ»ΡΠ·ΠΎΠ²Π°Π½ΠΈΠ΅ Π΄Π°ΡΡΠΈΠΊΠ° ΠΊΠΎΠ»Π΅Π½ΡΠ°ΡΠΎΠ³ΠΎ Π²Π°Π»Π° ΠΎΠΏΠΈΡΠ°Π½ΠΎ Π² ΡΠ°Π·Π΄Π΅Π»Π΅ Π½ΠΈΠΆΠ΅:
- ΠΠΎΠ΄ΡΡΠΈΡΠ°ΠΉΡΠ΅ ΠΊΠΎΠ»ΠΈΡΠ΅ΡΡΠ²ΠΎ ΠΏΡΠΎΠΉΠ΄Π΅Π½Π½ΡΡ Π·ΡΠ±ΡΠ΅Π² ΠΈ ΠΏΠ΅ΡΠ΅Π΄Π°ΠΉΡΠ΅ ΠΈΠ½ΡΠΎΡΠΌΠ°ΡΠΈΡ Π² ΡΠΈΡΡΠ΅ΠΌΡ ΡΠΏΡΠ°Π²Π»Π΅Π½ΠΈΡ Π΄Π²ΠΈΠ³Π°ΡΠ΅Π»Π΅ΠΌ.
- ΠΠΏΡΠ΅Π΄Π΅Π»ΠΈΡΠ΅ ΠΏΠΎΠ»ΠΎΠΆΠ΅Π½ΠΈΠ΅ ΠΊΠΎΠ»Π΅Π½ΡΠ°ΡΠΎΠ³ΠΎ Π²Π°Π»Π°.
- ΠΠ½ΡΠΎΡΠΌΠ°ΡΠΈΡ ΠΎ ΠΏΠΎΠ»ΠΎΠΆΠ΅Π½ΠΈΠΈ ΠΊΠΎΠ»Π΅Π½ΡΠ°ΡΠΎΠ³ΠΎ Π²Π°Π»Π° Π·Π°ΡΠ΅ΠΌ ΠΈΡΠΏΠΎΠ»ΡΠ·ΡΠ΅ΡΡΡ Π΄Π»Ρ ΠΏΡΠΈΠ½ΡΡΠΈΡ ΡΠ΅ΡΠ΅Π½ΠΈΡ ΠΎ Π²ΠΊΠ»ΡΡΠ΅Π½ΠΈΠΈ ΠΈ Π²ΡΠΊΠ»ΡΡΠ΅Π½ΠΈΠΈ ΡΠ°Π·Π»ΠΈΡΠ½ΡΡ ΡΠ²Π΅ΡΠ΅ΠΉ Π·Π°ΠΆΠΈΠ³Π°Π½ΠΈΡ.
Π‘ΡΡΠ΅ΡΡΠ²ΡΠ΅Ρ ΠΌΠ½ΠΎΠΆΠ΅ΡΡΠ²ΠΎ ΠΏΡΠΈΡΠΈΠ½ ΠΎΡΠΊΠ°Π·Π° Π΄Π°ΡΡΠΈΠΊΠ° ΠΊΠΎΠ»Π΅Π½ΡΠ°ΡΠΎΠ³ΠΎ Π²Π°Π»Π°. Π ΠΏΡΠΈΡΠΈΠ½Π°ΠΌ ΠΎΡΠ½ΠΎΡΡΡΡΡ ΡΠ»Π΅Π΄ΡΡΡΠΈΠ΅:
- ΠΠΎΠ²ΡΠ΅ΠΆΠ΄Π΅Π½ΠΈΠ΅ β ΠΠ·-Π·Π° ΡΠ΅Π·ΠΊΠΎΠ³ΠΎ ΡΡΠ²ΠΊΠ° ΠΈΠ»ΠΈ ΠΈΠ·Π±ΡΡΠΎΡΠ½ΠΎΠ³ΠΎ Π΄Π°Π²Π»Π΅Π½ΠΈΡ Π½Π° Π΄Π°ΡΡΠΈΠΊ Π΄Π°ΡΡΠΈΠΊ ΠΌΠΎΠΆΠ΅Ρ Π±ΡΡΡ ΠΏΠΎΠ²ΡΠ΅ΠΆΠ΄Π΅Π½.
ΠΠ½ΠΎΠ³Π΄Π° ΡΠ΅ΠΏΠ»ΠΎ ΠΏΡΠΎΠ½ΠΈΠΊΠ°Π΅Ρ Π²Π½ΡΡΡΡ Π΄Π°ΡΡΠΈΠΊΠ° ΠΈ ΡΠ°ΡΠΏΠ»Π°Π²Π»ΡΠ΅Ρ Π½Π΅ΡΠΊΠΎΠ»ΡΠΊΠΎ ΠΊΠΎΠΌΠΏΠΎΠ½Π΅Π½ΡΠΎΠ². Π’Π°ΠΊΠΈΠ΅ ΠΏΠΎΠ²ΡΠ΅ΠΆΠ΄Π΅Π½ΠΈΡ ΠΏΡΠΈΠ²ΠΎΠ΄ΡΡ ΠΊ Π²ΡΡ
ΠΎΠ΄Ρ ΠΈΠ· ΡΡΡΠΎΡ ΠΊΠΎΠ»Π΅Π½ΡΠ°ΡΠΎΠ³ΠΎ Π²Π°Π»Π°. - ΠΡΡΠΎΡ β ΠΡΡΠΎΡ ΠΎΡ Π΄ΡΡΠ³ΠΈΡ ΡΠ»ΠΎΠΌΠ°Π½Π½ΡΡ ΠΊΠΎΠΌΠΏΠΎΠ½Π΅Π½ΡΠΎΠ² ΠΌΠΎΠΆΠ΅Ρ ΠΏΠΎΠΌΠ΅ΡΠ°ΡΡ ΠΏΡΠΎΡΠ΅ΡΡΡ ΡΠ±ΠΎΡΠ° ΠΏΠΎΠΊΠ°Π·Π°Π½ΠΈΠΉ ΠΈ ΠΌΠΎΠΆΠ΅Ρ ΠΏΡΠΈΠ²Π΅ΡΡΠΈ ΠΊ ΠΎΡΠΊΠ°Π·Ρ Π΄Π°ΡΡΠΈΠΊΠ° ΠΊΠΎΠ»Π΅Π½ΡΠ°ΡΠΎΠ³ΠΎ Π²Π°Π»Π°.
- ΠΠ΅ΠΈΡΠΏΡΠ°Π²Π½ΠΎΡΡΡ ΡΠ΅ΠΏΠΈ β ΠΡΠΈ Π½Π΅ΠΏΡΠ°Π²ΠΈΠ»ΡΠ½ΠΎΠΌ ΠΏΠΎΠ΄ΠΊΠ»ΡΡΠ΅Π½ΠΈΠΈ ΡΠ΅ΠΏΠΈ ΠΏΠΎΠΊΠ°Π·Π°Π½ΠΈΡ Π΄Π°ΡΡΠΈΠΊΠ° Π½Π΅ ΡΠΌΠΎΠ³ΡΡ ΠΏΠΎΠΏΠ°ΡΡΡ Π² ΡΠΈΡΡΠ΅ΠΌΡ ΡΠΏΡΠ°Π²Π»Π΅Π½ΠΈΡ Π΄Π²ΠΈΠ³Π°ΡΠ΅Π»Π΅ΠΌ. ΠΠ°ΡΡΠΈΠΊ Π½Π΅ ΡΠΌΠΎΠΆΠ΅Ρ Π½Π°ΠΉΡΠΈ ΠΊΠΎΡΡΠ΅ΠΊΡΠΈΡΡΡΡΠ΅Π΅ ΠΏΠΎΠ»ΠΎΠΆΠ΅Π½ΠΈΠ΅ ΠΏΡΠΈΠ²ΠΎΠ΄Π° ΠΊΠΎΠ»Π΅Π½ΡΠ°ΡΠΎΠ³ΠΎ Π²Π°Π»Π°, ΠΈ, ΡΠ»Π΅Π΄ΠΎΠ²Π°ΡΠ΅Π»ΡΠ½ΠΎ, ΠΏΠΎΡΡΠ΄ΠΎΠΊ Π·Π°ΠΆΠΈΠ³Π°Π½ΠΈΡ ΡΠ²Π΅ΡΠ΅ΠΉ Π·Π°ΠΆΠΈΠ³Π°Π½ΠΈΡ Π±ΡΠ΄Π΅Ρ Π½Π΅ΡΠ°Π²Π½ΠΎΠΌΠ΅ΡΠ½ΡΠΌ, ΡΡΠΎ ΠΏΡΠΈΠ²Π΅Π΄Π΅Ρ ΠΊ Π±ΠΎΠ»ΡΡΠ΅ΠΌΡ ΡΠ°ΡΡ ΠΎΠ΄Ρ ΡΠΎΠΏΠ»ΠΈΠ²Π°.
ΠΠΎΠ»Π΅Π½ΡΠ°ΡΡΠ΅ Π²Π°Π»Ρ ΠΎΠ±ΡΡΠ½ΠΎ ΠΈΠ·Π³ΠΎΡΠ°Π²Π»ΠΈΠ²Π°ΡΡΡΡ ΠΈΠ· ΡΡΠ°Π»ΠΈ. ΠΡΠΎΠΈΠ·Π²ΠΎΠ΄ΡΡΠ²Π΅Π½Π½ΡΠ΅ ΠΏΡΠΎΡΠ΅ΡΡΡ ΠΌΠΎΠ³ΡΡ ΡΠ°Π·Π»ΠΈΡΠ°ΡΡΡΡ, Π½ΠΎ ΠΎΠ±ΡΡΠ½ΠΎ ΠΎΠ½ΠΈ ΠΈΠ·Π³ΠΎΡΠ°Π²Π»ΠΈΠ²Π°ΡΡΡΡ Ρ ΠΈΡΠΏΠΎΠ»ΡΠ·ΠΎΠ²Π°Π½ΠΈΠ΅ΠΌ ΡΡΠ°ΠΌΠΏΠΎΠ²ΠΊΠΈ. ΠΡΠ»ΠΈ ΠΌΠ°ΡΠ΅ΡΠΈΠ°Π» ΡΡΠ³ΡΠ½, ΡΠΎ ΠΎΠ½ΠΈ ΠΈΠ·Π³ΠΎΡΠ°Π²Π»ΠΈΠ²Π°ΡΡΡΡ ΠΌΠ΅ΡΠΎΠ΄ΠΎΠΌ Π»ΠΈΡΡΡ.4
Π ΠΏΡΠΎΡΠ΅ΡΡΠ΅ Π»ΠΈΡΡΡ ΡΠΎΡΠΌΠ° ΠΈΠ·Π³ΠΎΡΠ°Π²Π»ΠΈΠ²Π°Π΅ΡΡΡ ΠΏΠΎ ΡΠ°Π±Π»ΠΎΠ½Ρ.
ΠΠ°ΡΠ΅ΠΌ Π² ΡΠΎΡΠΌΡ Π·Π°Π»ΠΈΠ²Π°ΡΡ ΡΠ°ΡΠΏΠ»Π°Π²Π»Π΅Π½Π½ΡΠΉ ΡΡΠ³ΡΠ½ ΠΈ ΠΎΡΡΠ°Π²Π»ΡΡΡ Π΄Π»Ρ Π·Π°ΡΡΡΠ²Π°Π½ΠΈΡ. ΠΠ° ΡΡΠ΅Ρ Π·Π°ΡΠ²Π΅ΡΠ΄Π΅Π²Π°Π½ΠΈΡ ΡΠ°ΠΊΡΠΈΡΠ΅ΡΠΊΠΈΠΉ ΡΠ°Π·ΠΌΠ΅Ρ ΠΎΡΠ»ΠΈΠ²ΠΊΠΈ ΡΠΌΠ΅Π½ΡΡΠ°Π΅ΡΡΡ. ΠΠ»Ρ ΠΊΠΎΠΌΠΏΠ΅Π½ΡΠ°ΡΠΈΠΈ ΡΡΠ°Π΄ΠΊΠΈ ΠΈΠ·-Π·Π° Π·Π°ΡΠ²Π΅ΡΠ΄Π΅Π²Π°Π½ΠΈΡ ΠΏΡΠ΅Π΄ΡΡΠΌΠΎΡΡΠ΅Π½Ρ ΡΡΠΎΡΠΊΠΈ. Π Π°ΠΉΠ·Π΅ΡΡ Π±ΡΠ΄ΡΡ ΠΈΠΌΠ΅ΡΡ Π΄ΠΎΠΏΠΎΠ»Π½ΠΈΡΠ΅Π»ΡΠ½ΡΠΉ ΡΠ°ΡΠΏΠ»Π°Π²Π»Π΅Π½Π½ΡΠΉ ΠΌΠ΅ΡΠ°Π»Π», ΠΊΠΎΡΠΎΡΡΠΉ Π±ΡΠ΄Π΅Ρ ΠΏΠΎΠ΄Π°Π²Π°ΡΡΡΡ Π² ΡΠΎΡΠΌΡ Π΄Π»Ρ ΠΊΠΎΠΌΠΏΠ΅Π½ΡΠ°ΡΠΈΠΈ ΡΡΠ°Π΄ΠΊΠΈ ΠΏΡΠΈ Π·Π°ΡΠ²Π΅ΡΠ΄Π΅Π²Π°Π½ΠΈΠΈ, ΠΏΡΠΎΠΈΡΡ
ΠΎΠ΄ΡΡΠ΅ΠΉ Π²Π½ΡΡΡΠΈ ΠΎΡΠ»ΠΈΠ²ΠΊΠΈ.
ΠΠ²Π° Π΄Π°ΡΡΠΈΠΊΠ° β Π΄Π°ΡΡΠΈΠΊ ΠΏΠΎΠ»ΠΎΠΆΠ΅Π½ΠΈΡ ΡΠ°ΡΠΏΡΠ΅Π΄Π΅Π»ΠΈΡΠ΅Π»ΡΠ½ΠΎΠ³ΠΎ Π²Π°Π»Π° ΠΈ Π΄Π°ΡΡΠΈΠΊ ΠΏΠΎΠ»ΠΎΠΆΠ΅Π½ΠΈΡ ΠΊΠΎΠ»Π΅Π½ΡΠ°ΡΠΎΠ³ΠΎ Π²Π°Π»Π° β ΡΠ°Π±ΠΎΡΠ°ΡΡ Π²ΠΌΠ΅ΡΡΠ΅, ΡΡΠΎΠ±Ρ ΠΎΠΏΡΠ΅Π΄Π΅Π»ΠΈΡΡ ΡΠΎΡΠ½ΠΎΠ΅ ΠΏΠΎΠ»ΠΎΠΆΠ΅Π½ΠΈΠ΅ ΠΊΠΎΠ»Π΅Π½ΡΠ°ΡΠΎΠ³ΠΎ Π²Π°Π»Π°. ΠΠΎΠΊΠ°Π·Π°Π½ΠΈΡ ΠΎΠ±ΠΎΠΈΡ ΡΡΠΈΡ Π΄Π°ΡΡΠΈΠΊΠΎΠ² ΠΏΠΎΠΌΠΎΠ³Π°ΡΡ ΡΠΈΡΡΠ΅ΠΌΠ΅ ΡΠΏΡΠ°Π²Π»Π΅Π½ΠΈΡ Π΄Π²ΠΈΠ³Π°ΡΠ΅Π»Π΅ΠΌ ΠΎΠΏΡΠ΅Π΄Π΅Π»ΠΈΡΡ ΡΠΎΡΠ½ΠΎΠ΅ Π²ΡΠ΅ΠΌΡ, ΠΊΠΎΠ³Π΄Π° ΠΏΠ΅ΡΠ²ΡΠΉ ΡΠΈΠ»ΠΈΠ½Π΄Ρ Π½Π°Ρ ΠΎΠ΄ΠΈΡΡΡ Π² Π²Π΅ΡΡ Π½Π΅ΠΉ ΠΌΠ΅ΡΡΠ²ΠΎΠΉ ΡΠΎΡΠΊΠ΅.
ΠΠ°ΡΡΠΈΠΊ ΡΠ°ΡΠΏΡΠ΅Π΄Π²Π°Π»Π° ΡΠ°Π±ΠΎΡΠ°Π΅Ρ ΠΏΠΎ ΠΏΡΠΈΠ½ΡΠΈΠΏΡ Π₯ΠΎΠ»Π»Π°. ΠΠΎΡΠΎΠ½Π½Π°Ρ ΡΠ΅ΡΡΠ΅ΡΠ½Ρ ΡΠ°ΡΠΏΠΎΠ»ΠΎΠΆΠ΅Π½Π° Π½Π° ΠΊΠΎΠ»Π΅Π½ΡΠ°ΡΠΎΠΌ Π²Π°Π»Ρ, ΠΈΠΌΠ΅ΡΡΠ΅ΠΌ ΠΌΠ½ΠΎΠΆΠ΅ΡΡΠ²ΠΎ Π·ΡΠ±ΡΠ΅Π² ΠΏΠΎ ΠΎΠΊΡΡΠΆΠ½ΠΎΡΡΠΈ. ΠΠ°ΡΡΠΈΠΊ ΠΏΠΎΠ΄ΡΡΠΈΡΡΠ²Π°Π΅Ρ ΠΊΠΎΠ»ΠΈΡΠ΅ΡΡΠ²ΠΎ Π·ΡΠ±ΡΠ΅Π², ΠΏΡΠΎΡ
ΠΎΠ΄ΡΡΠΈΡ
ΠΌΠΈΠΌΠΎ Π²ΠΎ Π²ΡΠ΅ΠΌΡ Π²ΡΠ°ΡΠ΅Π½ΠΈΡ Π·ΡΠ±ΡΠ°ΡΠΎΠ³ΠΎ Π²Π΅Π½ΡΠ°.
ΠΠΎΠ΄ΡΡΠΈΡΡΠ²Π°Π΅ΡΡΡ ΠΊΠΎΠ»ΠΈΡΠ΅ΡΡΠ²ΠΎ ΠΏΡΠΎΠΉΠ΄Π΅Π½Π½ΡΡ
Π·ΡΠ±ΡΠ΅Π² (Π·Π° ΡΡΠ΅Ρ Π²ΡΠ°ΡΠ΅Π½ΠΈΡ Π·ΡΠ±ΡΠ°ΡΠΎΠ³ΠΎ Π²Π΅Π½ΡΠ°) ΠΈ Π·Π° ΡΡΠ΅Ρ ΡΡΠΎΠ³ΠΎ Π²ΡΠ°ΡΠ΅Π½ΠΈΡ ΠΏΡΠΎΠΈΡΡ
ΠΎΠ΄ΠΈΡ ΠΈΠ·ΠΌΠ΅Π½Π΅Π½ΠΈΠ΅ Π½Π°ΠΏΡΡΠΆΠ΅Π½ΠΈΡ ΠΠ‘ Π₯ΠΎΠ»Π»Π° Π² Π³ΠΎΠ»ΠΎΠ²ΠΊΠ΅ Π΄Π°ΡΡΠΈΠΊΠ°. ΠΠ·ΠΌΠ΅Π½Π΅Π½ΠΈΠ΅ Π½Π°ΠΏΡΡΠΆΠ΅Π½ΠΈΡ ΠΏΡΠ΅ΠΎΠ±ΡΠ°Π·ΡΠ΅ΡΡΡ Π² ΡΠ΄ΠΎΠ±ΠΎΡΠΈΡΠ°Π΅ΠΌΠΎΠ΅ Π·Π½Π°ΡΠ΅Π½ΠΈΠ΅, ΠΊΠΎΡΠΎΡΠΎΠ΅ ΡΠ²Π»ΡΠ΅ΡΡΡ ΠΏΠΎΠ»ΠΎΠΆΠ΅Π½ΠΈΠ΅ΠΌ ΠΊΠΎΠ»Π΅Π½ΡΠ°ΡΠΎΠ³ΠΎ Π²Π°Π»Π°, ΡΡΠΎ ΠΏΡΠ΅ΠΎΠ±ΡΠ°Π·ΠΎΠ²Π°Π½ΠΈΠ΅ Π²ΡΠΏΠΎΠ»Π½ΡΠ΅ΡΡΡ ΡΠΈΡΡΠ΅ΠΌΠΎΠΉ ΡΠΏΡΠ°Π²Π»Π΅Π½ΠΈΡ Π΄Π²ΠΈΠ³Π°ΡΠ΅Π»Π΅ΠΌ.
ΠΠ°ΡΡΠΈΠΊ ΡΠ°ΡΠΏΡΠ΅Π΄Π΅Π»ΠΈΡΠ΅Π»ΡΠ½ΠΎΠ³ΠΎ Π²Π°Π»Π° ΠΏΡΠΎΡΡΠΎ ΠΏΠΎΠΌΠΎΠ³Π°Π΅Ρ Π½Π°ΠΌ ΠΎΠΏΡΠ΅Π΄Π΅Π»ΠΈΡΡ ΠΏΠΎΠ»ΠΎΠΆΠ΅Π½ΠΈΠ΅ ΠΊΠΎΠ»Π΅Π½ΡΠ°ΡΠΎΠ³ΠΎ Π²Π°Π»Π°.
ΠΠ΅Π· ΠΏΠΎΠΌΠΎΡΠΈ ΡΡΠΎΠ³ΠΎ Π΄Π°ΡΡΠΈΠΊΠ° Π΄Π²ΠΈΠ³Π°ΡΠ΅Π»Ρ Π½Π΅ Π±ΡΠ΄Π΅Ρ Π·Π½Π°ΡΡ, ΠΊΠΎΠ³Π΄Π° ΠΏΠΎΠ΄ΠΆΠΈΠ³Π°ΡΡ ΡΠΎΠΏΠ»ΠΈΠ²ΠΎ, ΡΡΠΎ ΠΏΡΠΈΠ²Π΅Π΄Π΅Ρ ΠΊ ΡΠ²Π΅Π»ΠΈΡΠ΅Π½ΠΈΡ ΡΠ°ΡΡ ΠΎΠ΄Π° ΡΠΎΠΏΠ»ΠΈΠ²Π°, Π° ΠΈΠ½ΠΎΠ³Π΄Π° ΠΈ ΠΊ ΠΏΠΎΠ²ΡΠ΅ΠΆΠ΄Π΅Π½ΠΈΡ Π΄Π²ΠΈΠ³Π°ΡΠ΅Π»Ρ.
ΠΠΎΠ΄ Π΄Π°ΡΡΠΈΠΊΠ° P0340 ΡΠΈΠΌΠΏΡΠΎΠΌΡΠ‘ΡΡΠ΅ΡΡΠ²ΡΡΡ ΡΠ°Π·Π»ΠΈΡΠ½ΡΠ΅ ΠΌΠ΅ΡΠΎΠ΄Ρ ΠΎΠΏΡΠ΅Π΄Π΅Π»Π΅Π½ΠΈΡ ΠΊΠΎΠ΄Π° P0340.
ΠΡΠ½ΠΎΠ²Π½ΡΠ΅ ΠΏΡΠΈΠ·Π½Π°ΠΊΠΈ ΠΊΠΎΠ΄Π° P0340:
- ΠΠ½Π΄ΠΈΠΊΠ°ΡΠΎΡ Check Engine Π½Π° ΠΏΡΠΈΠ±ΠΎΡΠ½ΠΎΠΉ ΠΏΠ°Π½Π΅Π»ΠΈ
- ΠΠ»ΠΎΡ ΠΎΠΉ ΡΠ°Π·Π³ΠΎΠ½
- ΠΠ²ΠΈΠ³Π°ΡΠ΅Π»Ρ Π³Π»ΠΎΡ Π½Π΅Ρ
- ΠΠ²ΡΠΎΠΌΠΎΠ±ΠΈΠ»Ρ Π΄Π΅ΡΠ³Π°Π΅ΡΡΡ
- ΠΡΠΎΠ±Π»Π΅ΠΌΡ Ρ ΠΏΠ΅ΡΠ΅ΠΊΠ»ΡΡΠ΅Π½ΠΈΠ΅ΠΌ ΠΏΠ΅ΡΠ΅Π΄Π°Ρ
- ΠΠΈΠ·ΠΊΠΈΠΉ ΡΠ°ΡΡ ΠΎΠ΄ ΡΠΎΠΏΠ»ΠΈΠ²Π°
- ΠΡΠΎΠ±Π»Π΅ΠΌΡ Ρ Π·Π°ΠΆΠΈΠ³Π°Π½ΠΈΠ΅ΠΌ
ΠΡΠ»ΠΈ Π²Ρ ΡΠ°ΡΡΠΎ Π½Π°Π±Π»ΡΠ΄Π°Π΅ΡΠ΅ ΠΊΠ°ΠΊΠΎΠΉ-Π»ΠΈΠ±ΠΎ ΠΈΠ· Π²ΡΡΠ΅ΠΏΠ΅ΡΠ΅ΡΠΈΡΠ»Π΅Π½Π½ΡΡ
ΡΠΈΠΌΠΏΡΠΎΠΌΠΎΠ² Π² ΡΠ²ΠΎΠ΅ΠΌ Π°Π²ΡΠΎΠΌΠΎΠ±ΠΈΠ»Π΅, ΡΠ΅ΠΊΠΎΠΌΠ΅Π½Π΄ΡΠ΅ΡΡΡ ΠΎΡΠ΄Π°ΡΡ Π°Π²ΡΠΎΠΌΠΎΠ±ΠΈΠ»Ρ Π½Π° ΡΠ΅Ρ
Π½ΠΈΡΠ΅ΡΠΊΠΎΠ΅ ΠΎΠ±ΡΠ»ΡΠΆΠΈΠ²Π°Π½ΠΈΠ΅, Π² ΠΊΠΎΡΠΎΡΠΎΠΌ ΠΎΡΠΎΠ±ΠΎΠ΅ Π²Π½ΠΈΠΌΠ°Π½ΠΈΠ΅ ΡΠ΄Π΅Π»ΡΠ΅ΡΡΡ Π΄Π°ΡΡΠΈΠΊΡ.
ΠΡΠΈΡΠΈΠ½Ρ ΡΡΡΠ°Π½ΠΎΠ²ΠΊΠΈ P0340 ΠΏΡΠΈΠ²Π΅Π΄Π΅Π½Ρ Π² ΡΠ°Π·Π΄Π΅Π»Π΅ Π½ΠΈΠΆΠ΅.
Π ΡΠ»Π΅Π΄ΡΡΡΠ΅ΠΌ ΡΠΏΠΈΡΠΊΠ΅ ΠΏΠΎΠΊΠ°Π·Π°Π½Π° ΠΏΡΠΈΡΠΈΠ½Π° P0340-
- ΠΠ΅ΠΈΡΠΏΡΠ°Π²Π½ΡΠΉ Π΄Π°ΡΡΠΈΠΊ
- ΠΠ΅ΠΈΡΠΏΡΠ°Π²Π½ΡΠΉ Π·ΡΠ±ΡΠ°ΡΡΠΉ Π²Π΅Π½Π΅Ρ Π½Π° ΡΠ°ΡΠΏΡΠ΅Π΄Π΅Π»ΠΈΡΠ΅Π»ΡΠ½ΠΎΠΌ Π²Π°Π»Ρ
- ΠΠ΅ΠΈΡΠΏΡΠ°Π²Π½ΠΎΡΡΡ Π΄Π°ΡΡΠΈΠΊΠ° ΠΊΠΎΠ»Π΅Π½ΡΠ°ΡΠΎΠ³ΠΎ Π²Π°Π»Π°
- ΠΡΠ»ΠΈ ΠΏΡΠΎΠ²ΠΎΠ΄ΠΊΠ° Π²Π½ΡΡΡΠΈ ΠΊΠΎΠ»Π΅Π½ΡΠ°ΡΠΎΠ³ΠΎ Π²Π°Π»Π° ΡΠ΅ΠΏΡ Π΄Π°ΡΡΠΈΠΊΠ° ΠΏΠΎΠ²ΡΠ΅ΠΆΠ΄Π΅Π½Π° ΠΈΠ»ΠΈ ΠΊΠΎΡΡΠΎΠ΄ΠΈΡΠΎΠ²Π°Π½Π°.
ΠΠ²Π°ΡΠΈΠΉΠ½ΡΠΉ ΡΠΈΠ³Π½Π°Π» ΠΏΡΠ΅Π΄ΡΠΏΡΠ΅ΠΆΠ΄Π°Π΅Ρ ΠΏΠΎΠ»ΡΠ·ΠΎΠ²Π°ΡΠ΅Π»Ρ ΠΎ Π»ΡΠ±ΠΎΠΉ ΡΡΠ΅Π·Π²ΡΡΠ°ΠΉΠ½ΠΎΠΉ ΡΠΈΡΡΠ°ΡΠΈΠΈ, Π²ΠΎΠ·Π½ΠΈΠΊΠ°ΡΡΠ΅ΠΉ Π² ΡΠΈΡΡΠ΅ΠΌΠ΅. Π‘ΡΡΠ΅ΡΡΠ²ΡΡΡ ΡΠ°Π·Π»ΠΈΡΠ½ΡΠ΅ ΡΠΈΠΏΡ ΡΠΈΠ³Π½Π°Π»ΠΎΠ² ΡΡΠ΅Π²ΠΎΠ³ΠΈ Π² Π·Π°Π²ΠΈΡΠΈΠΌΠΎΡΡΠΈ ΠΎΡ ΠΈΠ½ΡΠ΅Π½ΡΠΈΠ²Π½ΠΎΡΡΠΈ Π²ΠΎΠ·Π½ΠΈΠΊΡΠ΅ΠΉ ΠΏΡΠΎΠ±Π»Π΅ΠΌΡ. ΠΡΠ»ΠΈ ΡΠΈΠ³Π½Π°Π» ΡΡΠ΅Π²ΠΎΠ³ΠΈ Π±ΡΠ΄Π΅Ρ ΠΏΡΠΎΠΈΠ³Π½ΠΎΡΠΈΡΠΎΠ²Π°Π½, ΡΡΠΎ ΠΌΠΎΠΆΠ΅Ρ ΠΏΡΠΈΠ²Π΅ΡΡΠΈ ΠΊ ΡΠ΅ΡΡΠ΅Π·Π½ΠΎΠΌΡ ΠΏΠΎΠ²ΡΠ΅ΠΆΠ΄Π΅Π½ΠΈΡ Π΄Π΅ΡΠ°Π»Π΅ΠΉ Π΄Π²ΠΈΠ³Π°ΡΠ΅Π»Ρ.
Π‘Π½Π°ΡΠ°Π»Π° Π΄Π²ΠΈΠ³Π°ΡΠ΅Π»Ρ Π±ΡΠ΄Π΅Ρ ΡΠ°Π±ΠΎΡΠ°ΡΡ Ρ ΠΏΠ΅ΡΠ΅Π±ΠΎΡΠΌΠΈ. ΠΡΡΠ΅ΠΊΡΠΈΠ²Π½ΠΎΡΡΡ Π΄Π²ΠΈΠ³Π°ΡΠ΅Π»Ρ Π±ΡΠ΄Π΅Ρ ΡΠΊΠΎΠΌΠΏΡΠΎΠΌΠ΅ΡΠΈΡΠΎΠ²Π°Π½Π° ΠΈ Π΄Π°ΠΆΠ΅ ΠΏΡΠΎΠ±Π΅Π³ ΡΠΎΠΆΠ΅. ΠΡΠ»ΠΈ ΡΡΠΎ ΠΏΡΠΎΠ΄ΠΎΠ»ΠΆΠ°Π΅ΡΡΡ Π² ΡΠ΅ΡΠ΅Π½ΠΈΠ΅ Π±ΠΎΠ»Π΅Π΅ Π΄Π»ΠΈΡΠ΅Π»ΡΠ½ΠΎΠ³ΠΎ ΠΏΠ΅ΡΠΈΠΎΠ΄Π° Π²ΡΠ΅ΠΌΠ΅Π½ΠΈ ΠΈ Π½Π΅ Π»Π΅ΡΠΈΡΡΡ Π΄ΠΎΠ»ΠΆΠ½ΡΠΌ ΠΎΠ±ΡΠ°Π·ΠΎΠΌ, Π΄Π²ΠΈΠ³Π°ΡΠ΅Π»Ρ ΠΌΠΎΠΆΠ΅Ρ Π±ΡΡΡ ΡΠ΅ΡΡΠ΅Π·Π½ΠΎ ΠΏΠΎΠ²ΡΠ΅ΠΆΠ΄Π΅Π½ ΠΈΠ·-Π·Π° Π½Π΅ΠΏΡΠ°Π²ΠΈΠ»ΡΠ½ΠΎΠ³ΠΎ ΠΎΠΏΠ΅ΡΠ΅ΠΆΠ΅Π½ΠΈΡ Π·Π°ΠΆΠΈΠ³Π°Π½ΠΈΡ.
ΠΡΡΠ³ΠΎΠΉ ΠΊΠΎΠ΄, ΠΎΡΠ½ΠΎΡΡΡΠΈΠΉΡΡ ΠΊ Π΄Π°ΡΡΠΈΠΊΡ ΡΠ°ΡΠΏΡΠ΅Π΄Π²Π°Π»Π°, ΡΡΠΎ ΠΊΠΎΠ΄ P0016.
ΠΡΠΎ ΠΎΠ±ΡΠΈΠΉ ΠΊΠΎΠ΄ OBD-II, ΠΊΠΎΡΠΎΡΡΠΉ ΡΠΊΠ°Π·ΡΠ²Π°Π΅Ρ, ΡΡΠΎ Π΄Π°ΡΡΠΈΠΊ ΠΏΠΎΠ»ΠΎΠΆΠ΅Π½ΠΈΡ ΡΠ°ΡΠΏΡΠ΅Π΄Π΅Π»ΠΈΡΠ΅Π»ΡΠ½ΠΎΠ³ΠΎ Π²Π°Π»Π° ΠΎΡΠ½ΠΎΡΠΈΡΠ΅Π»ΡΠ½ΠΎ ΡΡΠ΄Π° 1 Π½Π΅ ΠΊΠΎΡΡΠ΅Π»ΠΈΡΡΠ΅Ρ Ρ ΡΠΈΠ³Π½Π°Π»ΠΎΠΌ Π΄Π°ΡΡΠΈΠΊΠ° ΠΏΠΎΠ»ΠΎΠΆΠ΅Π½ΠΈΡ ΠΊΠΎΠ»Π΅Π½ΡΠ°ΡΠΎΠ³ΠΎ Π²Π°Π»Π°.
Π‘ΠΈΠΌΠΏΡΠΎΠΌΡ ΠΊΠΎΠ΄Π° P0016Π‘ΡΡΠ΅ΡΡΠ²ΡΡΡ ΡΠ°Π·Π»ΠΈΡΠ½ΡΠ΅ ΠΌΠ΅ΡΠΎΠ΄Ρ ΠΎΠΏΡΠ΅Π΄Π΅Π»Π΅Π½ΠΈΡ ΠΊΠΎΠ΄Π° P0016.
ΠΠ΅ΠΊΠΎΡΠΎΡΡΠ΅ ΡΠΈΠΌΠΏΡΠΎΠΌΡ ΠΊΠΎΠ΄Π° P0016:
- ΠΡΠΎΠ²Π΅ΡΡΡΠ΅, Π·Π°Π³ΠΎΡΠ°Π΅ΡΡΡ Π»ΠΈ ΠΈΠ½Π΄ΠΈΠΊΠ°ΡΠΎΡ Π΄Π²ΠΈΠ³Π°ΡΠ΅Π»Ρ.
- ΠΠ²ΠΈΠ³Π°ΡΠ΅Π»Ρ Π·Π°ΠΏΡΡΠΊΠ°Π΅ΡΡΡ Ρ Π°ΠΎΡΠΈΡΠ½ΠΎ/Π½Π΅Π½ΠΎΡΠΌΠ°Π»ΡΠ½ΠΎ.
- ΠΡΠΎΠ±Π΅Π³ Π°Π²ΡΠΎΠΌΠΎΠ±ΠΈΠ»Ρ ΡΠΌΠ΅Π½ΡΡΠ°Π΅ΡΡΡ ΠΈΠ·-Π·Π° ΡΠ²Π΅Π»ΠΈΡΠ΅Π½ΠΈΡ ΡΠ°ΡΡ ΠΎΠ΄Π° ΡΠΎΠΏΠ»ΠΈΠ²Π°.
- Π‘Π½ΠΈΠΆΠ΅Π½ΠΈΠ΅ ΠΌΠΎΡΠ½ΠΎΡΡΠΈ
Β ΠΡΡΡ Π½Π΅ΡΠΊΠΎΠ»ΡΠΊΠΎ ΡΠΏΠΎΡΠΎΠ±ΠΎΠ² ΠΏΠΎΡΠ²Π»Π΅Π½ΠΈΡ ΡΡΠΎΠ³ΠΎ ΠΊΠΎΠ΄Π°.
ΠΡΠ½ΠΎΠ²Π½ΡΠ΅ ΠΏΡΠΈΡΠΈΠ½Ρ P0016:
- ΠΠ°ΡΠ»ΡΠ½ΡΠΉ ΡΠ΅Π³ΡΠ»ΠΈΡΡΡΡΠΈΠΉ ΠΊΠ»Π°ΠΏΠ°Π½ ΠΈΠΌΠ΅Π΅Ρ Π·Π°ΡΠΎΡΠ΅Π½ΠΈΠ΅ Π² ΡΠΈΠ»ΡΡΡΠ΅ ΠΌΠ°ΡΠ»ΡΠ½ΠΎΠ³ΠΎ ΡΠ΅Π³ΡΠ»ΠΈΡΡΡΡΠ΅Π³ΠΎ ΠΊΠ»Π°ΠΏΠ°Π½Π°
- ΠΠ΅ΠΏΡΠ°Π²ΠΈΠ»ΡΠ½ΠΎΠ΅ ΠΏΠΎΠ»ΠΎΠΆΠ΅Π½ΠΈΠ΅ ΡΠ°ΡΠΏΡΠ΅Π΄Π΅Π»ΠΈΡΠ΅Π»ΡΠ½ΠΎΠ³ΠΎ Π²Π°Π»Π°.

- Π€Π°Π·Π΅Ρ ΡΠ°ΡΠΏΡΠ΅Π΄Π΅Π»ΠΈΡΠ΅Π»ΡΠ½ΠΎΠ³ΠΎ Π²Π°Π»Π° ΡΠΌΠ΅ΡΠ΅Π½ ΠΈΠ·-Π·Π° Π½Π΅ΠΈΡΠΏΡΠ°Π²Π½ΠΎΡΡΠΈ ΡΠ°Π·ΠΎΠ²ΡΠ°ΡΠ°ΡΠ΅Π»Ρ.
ΠΠ°ΠΊ ΠΎΠ±ΡΡΠΆΠ΄Π°Π»ΠΎΡΡ Π΄Π»Ρ ΠΏΡΠΎΠ±Π»Π΅ΠΌ, ΠΎΡΠ½ΠΎΡΡΡΠΈΡ ΡΡ ΠΊ ΠΊΠΎΠ΄Ρ P0034, ΠΊΠΎΠ΄ P0016 ΠΈΠΌΠ΅Π΅Ρ Π°Π½Π°Π»ΠΎΠ³ΠΈΡΠ½ΡΠ΅ ΠΏΡΠΎΠ±Π»Π΅ΠΌΡ.
Π ΠΎΠ±ΠΎΠΈΡ ΡΠ»ΡΡΠ°ΡΡ Π΄Π²ΠΈΠ³Π°ΡΠ΅Π»Ρ Π½Π°ΡΠΈΠ½Π°Π΅Ρ Π³Π»ΠΎΡ Π½ΡΡΡ ΠΈΠ»ΠΈ ΡΠ°Π±ΠΎΡΠ°ΡΡ Ρ ΠΏΠ΅ΡΠ΅Π±ΠΎΡΠΌΠΈ. ΠΠ° ΡΡΠΈΠΌ ΡΠ»Π΅Π΄ΡΠ΅Ρ ΡΠ½ΠΈΠΆΠ΅Π½ΠΈΠ΅ ΡΠ°ΡΡ ΠΎΠ΄Π° ΡΠΎΠΏΠ»ΠΈΠ²Π°. Π Π² ΠΈΡΠΎΠ³Π΅ ΡΡΠΎ ΠΏΡΠΈΠ²ΠΎΠ΄ΠΈΡ ΠΊ ΡΠ΅ΡΡΠ΅Π·Π½ΡΠΌ ΠΏΠΎΠ²ΡΠ΅ΠΆΠ΄Π΅Π½ΠΈΡΠΌ Π΄Π²ΠΈΠ³Π°ΡΠ΅Π»Ρ. ΠΡΠΈ ΠΏΠΎΠ²ΡΠ΅ΠΆΠ΄Π΅Π½ΠΈΡ Π·Π°Π²ΠΈΡΡΡ ΠΎΡ Π½Π΅ΠΈΡΠΏΡΠ°Π²Π½ΠΎΠΉ Π΄Π΅ΡΠ°Π»ΠΈ.
Π§ΡΠΎ Π΄Π΅Π»Π°ΡΡ ΠΏΠΎΡΠ»Π΅ Π·Π°ΠΌΠ΅Π½Ρ Π΄Π°ΡΡΠΈΠΊΠ° ΡΠ°ΡΠΏΡΠ΅Π΄Π²Π°Π»Π°?ΠΠ°ΡΡΠΈΠΊ ΡΠ°ΡΠΏΡΠ΅Π΄Π΅Π»ΠΈΡΠ΅Π»ΡΠ½ΠΎΠ³ΠΎ Π²Π°Π»Π° Π΄ΠΎΠ»ΠΆΠ΅Π½ Π±ΡΡΡ ΡΡΡΠ°Π½ΠΎΠ²Π»Π΅Π½ Π² ΠΏΡΠ°Π²ΠΈΠ»ΡΠ½ΠΎΠΉ ΠΎΡΠΈΠ΅Π½ΡΠ°ΡΠΈΠΈ. ΠΠΎΡΠ»Π΅ ΠΎΡΠΈΠ΅Π½ΡΠ°ΡΠΈΠΈ Π² ΠΏΡΠ°Π²ΠΈΠ»ΡΠ½ΠΎΠΌ Π½Π°ΠΏΡΠ°Π²Π»Π΅Π½ΠΈΠΈ Π½Π΅ΠΎΠ±Ρ ΠΎΠ΄ΠΈΠΌΠΎ ΡΠ±ΡΠΎΡΠΈΡΡ Π΄Π°ΡΡΠΈΠΊ ΠΏΠ΅ΡΠ΅Π΄ ΠΈΡΠΏΠΎΠ»ΡΠ·ΠΎΠ²Π°Π½ΠΈΠ΅ΠΌ Π°Π²ΡΠΎΠΌΠΎΠ±ΠΈΠ»Ρ.
- ΠΡΠΎΡΠ΅Π΄ΡΡΠ° ΡΠ±ΡΠΎΡΠ° ΠΎΡΠ΅Π½Ρ ΠΏΡΠΎΡΡΠ°. Π‘Π°ΠΌΠΎΠ΅ ΠΏΠ΅ΡΠ²ΠΎΠ΅, ΡΡΠΎ Π½ΡΠΆΠ½ΠΎ ΡΠ΄Π΅Π»Π°ΡΡ, ΡΡΠΎ ΡΠΎΡΡΠ΅Π΄ΠΎΡΠΎΡΠΈΡΡΡΡ Π½Π° ΡΡΠ½ΠΊΡΠΈΠΈ Π²ΠΊΠ»ΡΡΠ΅Π½ΠΈΡ ΠΈ Π²ΡΠΊΠ»ΡΡΠ΅Π½ΠΈΡ, ΡΡΠΈ ΠΏΠ΅ΡΠ΅ΠΊΠ»ΡΡΠ°ΡΠ΅Π»ΠΈ ΠΏΠΎΠ΄ΠΊΠ»ΡΡΠ΅Π½Ρ ΠΊ ΠΌΠ°Π³Π½ΠΈΡΠ°ΠΌ, ΠΊΠΎΡΠΎΡΡΠ΅ Π½Π΅ΠΎΠ±Ρ
ΠΎΠ΄ΠΈΠΌΠΎ ΠΎΡΡΠ΅Π³ΡΠ»ΠΈΡΠΎΠ²Π°ΡΡ Π² ΠΏΠ΅ΡΠ²ΡΡ ΠΎΡΠ΅ΡΠ΅Π΄Ρ.



ΠΠ½ΠΎΠ³Π΄Π° ΡΠ΅ΠΏΠ»ΠΎ ΠΏΡΠΎΠ½ΠΈΠΊΠ°Π΅Ρ Π²Π½ΡΡΡΡ Π΄Π°ΡΡΠΈΠΊΠ° ΠΈ ΡΠ°ΡΠΏΠ»Π°Π²Π»ΡΠ΅Ρ Π½Π΅ΡΠΊΠΎΠ»ΡΠΊΠΎ ΠΊΠΎΠΌΠΏΠΎΠ½Π΅Π½ΡΠΎΠ². Π’Π°ΠΊΠΈΠ΅ ΠΏΠΎΠ²ΡΠ΅ΠΆΠ΄Π΅Π½ΠΈΡ ΠΏΡΠΈΠ²ΠΎΠ΄ΡΡ ΠΊ Π²ΡΡ
ΠΎΠ΄Ρ ΠΈΠ· ΡΡΡΠΎΡ ΠΊΠΎΠ»Π΅Π½ΡΠ°ΡΠΎΠ³ΠΎ Π²Π°Π»Π°.
