Как работает бензонасос на инжекторе: конструктивные особенности
Электрический бензонасос
В автомобильных системах, где бензин подаётся форсунками, нужно давление. Применение старых насосов, конструкция которых подразумевает полностью механический принцип, в современных автомобилях неприемлемо. По этой причине на инжекторах используется только электронасос, качающий бензин непосредственно из топливного резервуара, что обеспечивает нагнетание струи горючего во все части системы питания.
Чем электрический насос лучше механического
Содержание
- 1 Чем электрический насос лучше механического
- 2 Разновидности электробензонасосов
- 3 Принцип функционирования современного электронасоса
Эффективность насоса электрического типа хорошо видна на дизельных авто, где солярка подаётся под высоким давлением, и на бензиновых автомобилях с системой непосредственного впрыска. Горючее впрыскивается прямо в цилиндры силового агрегата. И в этом случае обычный механический насос просто не сможет обеспечить нужный уровень давления.
В инжекторах с применением непосредственного впрыска применяется два насоса. Электрический устанавливается в топливный бак, откуда качает бензин, а второй насос – ТНВД. В задачи последнего входит нагнетать давление бензина перед его непосредственной подачей на форсунки.
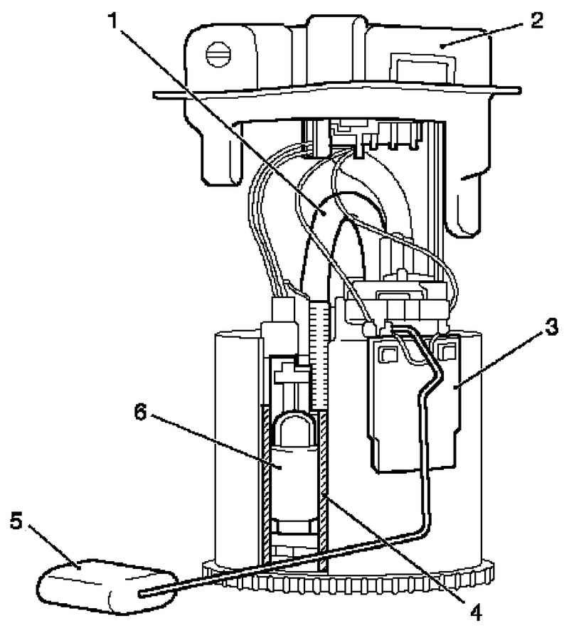
Схема работы бензонасоса на инжекторном двигателе
Электронасос способен прокачивать в среднем 1-2 л/мин. Сумасшедшая эффективность, которой возможна только при давлении в 3-4 атм. Для выравнивания рабочего давления до нужного продуктивного показателя используется специальный регулятор в топливной рейке. Называется он РДД.
Разновидности электробензонасосов
На сегодняшний день различают следующие типы электронасосов.
- Шестерёнчатый насос функционирует за счёт эксцентрикового движения. Устанавливается в топливную магистраль. Оснащён насос двумя шестерёнками внутреннего зацепления, которые при вращении закачивают бензин.
- Роторно-роликовый. Насос этого типа тоже ставится в топливный провод.
Его конструкция включает электрический двигатель, на ротор которого устанавливается диск с роликами. Деталь подобного типа имеет два выхода: один для поступления горючего внутрь, другой – для его выхода. - Турбинный или центробежный. Это самый популярный тип насоса, устанавливаемый непосредственно в бак автомобиля. Топливный провод подключается к нему уже внутри.
Погружной насос или турбинный используется в большинстве современных иномарок. Располагается он в баке, что минимизирует потери топлива, и защищает насос от повреждений лучше. Кроме того, насос внутри бака лучше охлаждается, не перегревается даже при очень длительной работе.
Погружной бензонасос Вин
Охлаждение проводится за счёт омывания топливом корпуса насоса. Благодаря этому отводится значительная часть тепла. Именно по этой причине в рекомендациях к автомобилям с погружными насосами запрещено ездить с полупустым баком, ведь это отрицательно сказывается на ресурсе топливного насоса.
Принцип функционирования современного электронасоса
Команду насос получает от ЭБУ.
Перед запуском в топливной системе создаётся давление. Способствует этому импульс, который подаётся электронным управлением на реле после включения зажигания. Блок управления не только осуществляет контроль над всей работой электрического насоса, но и принимает непосредственное участие в образовании ТВС (топливно-воздушной смеси). К тому же, электроника управляет дроссельной заслонкой, регулирует содержание выхлопных газов и т.д.
На некоторых моделях авто включение насоса происходит в момент открывания водительской двери.
Схема управления
Электробензонасос проталкивает горючее в двигатель. Скорость его работы зависит от норм, выдвигаемых к мотору. А вот скорость работы насоса механического типа бывает неизменной.
Следует знать, что электробензонасосы предназначены для работы под давлением, вследствие чего их конструкция продумана иначе. Они предрасположены к скорому нагреванию и шуму. Принцип действия современного насоса зависит от функционирования двигателя.
Если последний не работает, то и насос не задействуется.
Возможны неисправности элемента, связанные больше с механической частью. Поломки электрического характера тоже бывают, но они случаются крайне редко. Изнашивается, в основном, нагнетатель топливного насоса, ведь на него оказывается большая нагрузка.
Примечательно, что электронасос управляется непосредственно ЭБУ, и задействуется ещё до срабатывания пускателя. Не стоит писать о том, что топливный насос является одним из самых важных элементов системы питания ДВС. Его неисправность легко приводит к перебоям в работе мотора, провалам при нажатии на педаль акселератора и сложностям с запуском.
Что такое бензонасос для автомобиля
Бензонасос автомобиля предназначен для поступления топлива из бака к двигателю. Расскажем что это такое, как работает и узнаем разницу между механическим и электрическим устройством. Как проверить самому. Когда менять. Вопросы и ответы.
Что это такое
Бензонасос подает топливо в двигатель.
Он нужен потому, что мотор и бензобак находятся в противоположных концах автомобиля. В современных авто устанавливаются два типа: механические и электрические. Механические бензонасосы применяются в машинах карбюраторного типа, при этом топливо в карбюратор подается под низким давлением, а электрические — в топливных системах инжекторного типа с подачей топлива под давлением.
Механические бензонасосы крепятся снаружи топливного бака, а электрические — внутри. В некоторых двигателях устанавливаются два бензонасоса: один, работающий на больших объемах под низким давлением, внутри топливного бака. Другой — работающий на малых объемах под высоким давлением, на двигателе или около него. Механические бензонасосы работают по принципу засасывания топлива из бака в двигатель. Расстояние между карбюратором и насосом небольшое, поэтому могут работать под низким давлением.
Электрические бензонасосы «проталкивают» топливо в двигатель. Их работа контролируется электронной системой автомобиля, которая принимает в расчет положение дросселя, соотношение воздуха к топливу и содержание выхлопов.
Бензонасосы работают под давлением, они довольно шумные и быстро нагреваются. Поэтому их размещают в топливном баке — топливо охлаждает и глушит шумы.
Как работает
Бензонасосы запускаются при помощи электродвигателя. Когда поворачиваете замок зажигания авто на включение, бортовой компьютер дает сигнал на запуск. В этот момент на устройство подаётся электрический заряд. Мотор внутри начинает вращаться и в течение нескольких секунд создает давление в топливной системе.
Если через две секунды компьютер не получает сигнал, что мотор включён, бензонасос автоматически отключается в целях безопасности. Именно в первые две секунды после запуска двигателя можно слышать его работу.
Далее топливо засасывается в бензонасос через трубочку и выходит через односторонний клапан. Через топливный фильтр задерживается грязь и мусор. Далее бензин поступает в двигатель. Бензонасос работает, пока двигатель заведён.
Регулятор давления
Поддерживает давление топлива в системе питания автомобиля на безопасном уровне, на который рассчитаны все элементы — трубки, шланги, форсунки.
Напряжение открытия регулятора давления в 3,8 бара говорит о пороге, с которого начинается нормальная работа системы питания. Чем оно ниже, тем лучше.
Когда менять бензонасос
Чаще всего бензонасос преждевременно ломается из-за грязного топливного фильтра. Он трудится на пределе, вырабатывая ресурс быстрее, чем было предусмотрено изготовителем. Поэтому не ленитесь чаще менять топливные фильтры, особенно если качество топлива оставляет желать лучшего. Промывка вряд ли поможет.
Бензонасос выходит из строя из-за износа его механических деталей или подгорания электрических контактов. Поводом для замены является изменение поведения автомобиля.
Вот наиболее частые причины:
- Неадекватная реакция на нажатие педали «газа».
- Потеря мощности, особенно на высоких оборотах.
- Неуверенный пуск двигателя.
- Шум в топливном баке машины.
- Нестабильная работа двигателя на минимальных оборотах холостого хода.
Вопросы и ответы
Как узнать — исправен или нет
Надо перевести ключ зажигания машины во второе положение (должны загореться контрольные лампочки на панели), но мотор не запускать. Если слышен звук — работает, ничего не слышно — значит есть проблемы.
Можно ли ездить на пустом баке
Многие автолюбители прывыкли ездить на «лампочке», когда в баке автомобиля остается минимум бензина. Но как это сказывается на работе бензонасоса? Не начнёт ли он хлебать воздух вместо бензина и преждевременно выйдет из строя. Современный насос располагается в пластиковом стакане, препятствующей отливу топлива при кренах и ускорениях авто.
Даже если бензин полностью закончится, то бензиновый насос перестанет создавать давление, мотор заглохнет и питание не будет поддаваться на насос.
Бензин нужен для смазки
Многие считают, что автомобильное топливо используется как смазка. На самом деле, смазывающая способность бензина мала, а он используется как охладитель.
Может случиться пожар из-за возгорания
Так полагают из-за того, что щётки бензонасоса постоянно искрят и малейшая негерметичность насоса приведёт к пожару. Но его конструкция не герметична, а его детали — щетки и якорь постоянно купаются в бензине. Возгорание невозможно, т.к. концентрация паров бензина высокая (больше стехиометрической) и её поджечь нельзя.
- Поиск неисправностей топливной системы инжектора — коды ошибок
Если перевести на «газ», он погибнет
Когда бензонасос работает на газовом топливе, то он гоняет топливо по малому кругу.
Это не может сказаться на его надежности, т.к. это штатный режим работы. Неприятности могут возникнуть только при полном отсутствии бензина в баке.
Избыточное давление вредно
Считается, что если поставить более мощный бензонасос, то будет создаваться избыточное давление в топливной магистрали. Но регулятор давления отслеживает величину давления, отправляя излишек топлива обратно в бензобак. Поэтому более производительный насос никакого вреда не причинит. Но если установить более слабый, то на «максималке» может не хватать топлива.
Электробензонасос считается одним из самых надежных агрегатов в современном автомобиле. Например, своей смертью от недостатка бензина бензонасос не помрёт. Чаще всего сказывается естественный износ механических деталей.
Каковы функции топливных насосов и форсунок?
Топливные форсунки и топливные насосы являются двумя важными частями современных автомобилей. Оба компонента дизельного двигателя выполняют очень разные функции во время нормального рабочего цикла двигателя, несмотря на схожие характеристики.
ТНВД или топливная форсунка — это «сердце» дизельного двигателя и наиболее важный компонент системы подачи топлива. Он повышает давление дизеля и регулярно и количественно подает топливо в топливную камеру.
История впрыска топливаВпрыск топлива не нов. С самого начала автомобильной промышленности он был там, но стал мейнстримом в 1980-х годах. Со временем система управления двигателем объединяет все современные функции, включая зажигание, подачу топлива, синхронизацию и охлаждение, с компьютерной технологией, позволяющей двигателю развивать максимальную мощность при минимальном расходе топлива.
Именно благодаря системе впрыска топлива вы можете мгновенно запустить двигатель в холодные дни. Без топливных форсунок мы все еще устанавливали бы воздушную заслонку и прогревали бы двигатели в течение нескольких минут, выбрасывая больше дыма и загрязнения.
Какова роль инжектора? Топливные форсунки дизельных генераторов являются важным компонентом системы подачи топлива дизельных двигателей для обеспечения впрыска топлива.
Топливные форсунки распыляют топливо на мелкие капли в соответствии с характеристиками смеси дизельного двигателя. Затем они также впрыскивают его в конкретную камеру сгорания. Топливные форсунки также соответствуют характеристикам распыления различных типов камер сгорания.
Закрытые топливные форсунки широко используются в высокоскоростных дизель-генераторах и в основном состоят из корпуса топливной форсунки и устройства регулирования давления. Топливная форсунка закрытых форсунок представляет собой пару прецизионных деталей, содержащих игольчатые клапаны и корпус игольчатого клапана. Это сопло имеет соответствующий зазор всего 0,002~0,004 мм. Поэтому, после окончания, спаривание и шлифование все равно остаются, но мы можем менять их местами во время использования.
Игольчатый клапан
Обычно игольчатый клапан изготавливается из быстрорежущей стали с хорошей термостойкостью. С другой стороны, корпус игольчатого клапана изготовлен из высококачественной легированной стали с ударопрочностью.
В соответствии с различными конструкциями топливных форсунок закрытые топливные форсунки можно разделить на два типа: штифтовые форсунки и дырчатые форсунки в зависимости от их использования в различных типах камер сгорания.
Производительность топливных форсунок играет фундаментальную роль в работе двигателя. Из-за плохого топлива топливная форсунка не работает должным образом, что приводит к сильному нагарообразованию в цилиндре, а также к ускоренному износу гильзы цилиндра и поршневого кольца. Кроме того, это приводит к нестабильным оборотам холостого хода, повышенному расходу топлива, слабому ускорению, затруднению запуска и чрезмерным выбросам.
Масляные ниппели повреждают двигатель. Поэтому необходима регулярная очистка топливной форсунки. Длительное отсутствие очистки или частая очистка форсунки приведет к ее выходу из строя или повреждению. В тяжелых случаях он полностью блокирует инъекцию. Если это произойдет, немедленно посетите Diesel Components Inc.
Вы, должно быть, уже поняли важность топливных форсунок или ТНВД. Но вопрос в том, как правильно выбрать ТНВД? Это важнее, чем люди понимают, что правильный насос поможет вашему автомобилю работать без сбоев долгие годы.
Помните, покупайте только те насосы, которые идеально подходят для вашего автомобиля. Если давление и расход топлива низкие, то, скорее всего, возникнут проблемы, связанные с производительностью и выбросами. Некоторые производители выпускают насосы, совместимые с различными моделями и размерами и работающие в любых условиях движения.
Функции топливного насосаСистемы двигателя нуждаются в постоянной подаче топлива, которое производится через топливный бак. Топливо забирается из указанных топливных баков и подается в двигатель внутреннего сгорания с помощью топливных насосов.
Топливные насосы перекачивают бензин из топливного бака в двигатель. Они также отвечают за распределение топлива под низким давлением в систему впрыска топлива (или карбюратор) под более высоким давлением.
В карбюраторных двигателях используются насосы низкого давления, расположенные вне топливного бака. Обычно электрические топливные насосы, установленные в топливном баке, полностью используют инжекторные двигатели.
Вы также должны знать, что электрические топливные насосы создают положительное электрическое давление в топливопроводах. Они также подают топливо в двигатель внутреннего сгорания. Кроме того, выключатель зажигания активирует реле, которое управляет более высоким током, необходимым для повышения давления топлива.
Топливная форсунка и топливный насос- Размер
Как правило, топливные форсунки имеют длину от 3 до 4 дюймов и диаметр от 1 до 2 дюймов. Для сравнения, топливные насосы в баке обычно имеют длину от 5 до 7 дюймов и диаметр от четырех до пяти дюймов.
- Функция
Топливная форсунка распыляет топливо под давлением. Он также впрыскивает его в камеру сгорания.
Для сравнения, топливные насосы нагнетают топливо и направляют его через топливную магистраль и топливные форсунки.
- Эффекты
Топливные форсунки снижают давление в топливной системе, а топливные насосы повышают давление в топливной системе.
- Аналоги
Как топливные форсунки, так и топливные насосы работают за счет электричества от электрической системы вашего автомобиля.
- Цикл
Топливный насос включается, когда давление топлива в топливопроводах падает ниже установленного уровня. Как только он достигает этого уровня, топливный насос отключается. Функция топливной форсунки заключается в том, чтобы открыть ее после получения импульса, сгенерированного компьютером автомобиля. Измерение цикла для этого импульса в миллисекундах. А время включения и выключения топливного насоса измеряется в секундах.
Если ваша топливная форсунка вышла из строя, обратитесь в компанию Diesel Components, Inc.
для ремонта ТНВД Зная функции и важность топливных форсунок, мы не ошибемся, если скажем, что они определяют характеристики автомобиля. .
Проверка дизельных топливных форсунок является важным аспектом надлежащего технического обслуживания для обеспечения максимальной производительности двигателя. Тестирование топливных форсунок необходимо для обеспечения максимальной экономии топлива и соблюдения требований по выбросам выхлопных газов, а также для продления срока службы других компонентов, контактирующих с выхлопными газами двигателя. Кроме того, ремонт дизельных топливных форсунок является одной из основных услуг, которые компания Diesel Components, Inc. предлагает с момента своего основания в 19 году.77.
Если у вас есть планы на проверку дизельных топливных форсунок или ремонт дизельных топливных форсунок, свяжитесь с Diesel Components Inc. сейчас.
Как работают топливные насосы с непосредственным впрыском бензина под высоким давлением (GDI)
Топливные насосы с непосредственным впрыском бензина под высоким давлением (GDI) — одна из лучших инноваций в области топливных насосов.
Топливные насосы высокого давления GDI обеспечивают давление топлива, необходимое для правильной работы двигателя GDI.
Что такое технология двигателя GDI?
Бензиновые двигатели с непосредственным впрыском являются более совершенными, чем обычные двигатели. Они предназначены для впрыска топлива под высоким давлением непосредственно в камеру сгорания каждого цилиндра. Это дает несколько преимуществ:
- Улучшение выбросов
- Улучшенная экономия топлива
- Больше мощности
Технология двигателей GDI существует с 90-х годов. И все же он только начинает становиться популярным. Это потому, что автопроизводители видят в этом хороший способ соответствовать все более строгим стандартам выбросов и экономии топлива, установленным правительствами штатов.
Двигатели GDI нуждаются в топливе с более высоким давлением. Вот где на помощь приходят топливные насосы высокого давления GDI.
Как работает топливный насос высокого давления GDI?
Топливные насосы высокого давления GDI представляют собой современные механические топливные насосы.
Топливный насос высокого давления GDI отвечает за создание достаточно высокого давления, чтобы топливо полностью распылялось. Это необходимо двигателю для корректной работы. Система GDI имеет два топливных насоса:
- Насос в баке, отвечающий за подачу достаточного количества топлива в двигатель
- Топливный насос высокого давления GDI, отвечающий за создание достаточного давления
Топливные насосы высокого давления GDI требуют достаточной мощности, чтобы они приводились в действие механически от двигателя. Топливный насос высокого давления GDI обычно приводится в действие распределительным валом. Насос работает при работающем двигателе. Эта установка удерживает топливный насос близко к двигателю. Это гарантирует, что двигатель всегда получает такое давление топлива, которое ему необходимо для нормальной работы.
Конструкция топливного насоса высокого давления GDI напоминает механический топливный насос, но является более совершенным. Его цель состоит в том, чтобы сжать топливо, поступающее из топливного бака, перед его отправкой в топливную рампу.
Датчик давления топлива в системе GDI. Датчик помогает модулю управления трансмиссией (PCM) изменять объем топлива, поступающего на вход насоса. Как правило, насос GDI высокого давления создает давление около 2000 фунтов на квадратный дюйм. Датчик и PCM помогают регулировать давление, чтобы поддерживать давление топлива на идеальном для двигателя уровне в режиме реального времени.
Когда насос в баке подает топливо в топливный насос высокого давления GDI, происходит следующее:
- Топливо низкого давления поступает через верхнюю часть топливного насоса высокого давления GDI.
- Шток якоря (который соединяется с пластиной регулирующего клапана) проталкивает топливо в насосную камеру (внутри насоса).
- Распределительный вал толкает поршень вверх в насосную камеру. Это сужает пространство и выталкивает топливо в рейку. Это приводит к тому, что топливо «выстреливает» из насоса.
Распределительный вал толкает поршень вверх и вниз с большой скоростью.

Его конструкция включает электрический двигатель, на ротор которого устанавливается диск с роликами. Деталь подобного типа имеет два выхода: один для поступления горючего внутрь, другой – для его выхода.