Точки подключения сигнализации ваз 2114, 2115: как установить
Для установки любой сигнализации своими руками следует подробно изучить ее инструкцию.
В нашем примере мы рассмотрим установку сигнализации модели Starline A91.
Сигнализации этой фирмы отлично подходят для установки на автомобилях ВАЗ -2114 и ВАЗ -2115
Перед установкой сигнализации на автомобиль ВАЗ — 2115,2114, нужно хорошо представлять устройство автомобиля, а также определиться, что подключить к сигнализации.
Подключение центрального замка
Содержание
- 1 Подключение центрального замка
- 2 Схема подключения
- 3 Врезка в провода
- 4 Подключение автозапуска
- 5 Настройка
Для начала нужно подробно изучить схему подключения центрального замка на автомобиле ВАЗ — 2115,2114. Найти ее не составляет проблем с помощью поиска в интернете.
Модуль управления центральным замком расположен слева под «торпедо». Заглянув туда, вы обнаружите шесть проводов, выходящих из корпуса модуля.
Для установки сигнализации необходимо отсоединить шнуры синего и коричневого цвета. В итоге получим подключение соответствующее следующей схеме:
Перед подключением сигнализации, следует убедиться в том, что на двери водителя установлен не тумблер, а стандартный актуатор с пятью выходами. В противном случае понадобится установка актуатора, что довольно проблематично.
На автомобилях ВАЗ -2115,2114 за отпирание обычно отвечает белый провод, который подсоединен к седьмой клемме. В случае же отсутствия соединений на клеммах 7 и 5, то восьмая клема соединена с коричневым шнуром. Именно этот шнур и отвечает за отпирание в этом случае.
За запирание замка отвечают клеммы с номер пять и шесть. Такое расположение контактов характерно практически для всех блоков «девятой» серии.
Ни в одной инструкции к сигнализациям почему-то никогда не указывают, что для установки требуется покупка дополнительных элементов.
Нам обязательно понадобятся:
- Два – три диода марки 1N4001 на один Ампер
- Один диод 1N5401 на 3 Ампера
- Два диода на 4 или 5 Ампер в случае если нет отдельных выходов на сигналы поворота.

При установке сигнализации фирмы Старлайн задача значительно упрощается, так как дополнительных частей нужно значительно меньше.
Схема подключения
Тщательно изучив инструкцию по установке сигнализации, можно найти следующую схему подключения:
На этой схеме под обозначением Х2 значится шести контактный разъем. Его нужно подключить по приведенной выше схеме. Если же требуется установка дополнительного актуатора, то лучше использовать схему, приведенную в инструкции.
Теперь разберемся с подключением датчиков дверей. Для этого в разъёме с обозначением Х3 имеется специальный провод.
Врезка в провода
Рядом с водительской дверью прямо по полу походят два жгута проводов. В одном из них имеется кабель, идущий от стояночного тормоза и два провода к сигналам поворота. Второй жгут содержит кабель дверных концевиков. С них и нужно начинать подключение. Для этого снимается накладка порога вместе со щитком боковины. Они крепятся с помощью саморезных винтов, которые следует выкрутить.
Сделав это можно увидеть жгут проводов, показанный на фото:
Этот жгут идет к торпедо. Нас интересует кабель концевиков дверей. В случае, если в разрыв провода вставить диод 1N5401, то ток должен идти в сторону концевиков. А второй диод 1N4001, подключается, как показано на рисунке.
На следующем рисунке показан второй жгут:
Одновременно от синих кабелей делают отводы, и протягивают шнуры к тому месту, где будет установлена сигнализация. А провод ручника разрезают, и в разрез впаивается диод 1N4001 катодом в сторону выключателя.
Подключение автозапуска
В моделях ВАЗ-2114 применяется замок зажигания имеющий три клеммы – 15 (голубой провод), 30 (сиреневый) и 50 (красный). Клемма 30 соединяется с аккумулятором. При повороте ключа с этой клеммой замыкается голубой провод 15. Третья же клемма отвечает за стартер.
Как написано в инструкции, запитать сигнализацию вполне можно и с контакта 30, от которого делается отведение. А кабель из разъёма Х1, желтого цвета, подключают к 15-му разъёму.
После всех проделанных действий остается подключение таходатчика. При этом совмещают рамочную антенну и считывающее устройство. Разъёма Х3 имеет выходящий провод серо-черного цвета. Его соединяют с тахометром как показано на схеме приборной панели ВАЗ:
Это позволит сигнализации контролировать обороты. И в самом конце подсоединяем «массу» от основного блока. Это из разъёма Х3 черный шнур.
Настройка
Настраиваются только функции автозапуска. Для активации режима программирования:
- Отключают охрану
- Ключ зажигания устанавливают в положение 0.
- Затем следует шесть раз нажать клавишу Valet в основном блоке.
- Включают зажигание
- После шести гудков той же клавишей выбирают нужную функцию, а клавишей на брелоке выбирают нужное значение.
Для проверки правильности подключений выполняют следующие действия:
- Отключают на некоторое время желтый шнур от блока А91 к клемме 15.

- Двигатель запускают с помощью ключа зажигания
При этом должен подмигивать индикатор сигнализации.
Карта установки системы Scher-Khan Magicar 12 на автомобиль FIAT 500
Транскрипция содержимого страницы
Если ваш браузер не отображает страницу правильно, пожалуйста, читайте содержимое страницы ниже
Карта установки системы Scher-Khan Magicar 12 на автомобиль FIAT 500
Оглавление 1. Подключение системы Scher-Khan Magicar 12 к цифровой CAN шине автомобиля ..................................... 3 2. Подключение аварийной световой сигнализации ........................................................................................... 5 3. Управление центральным замком .................................................................................................................... 5 4. Подключение датчиков дверей и багажника ................................................................................................... 6 5. Подключение датчиков стояночного тормоза и педали тормоза .................................................................. 6 6. Подключение датчика заведенного двигателя ................................................................................................ 7 7. Подключение датчика зажигания ...................................................................................................................... 7 8. Подключение цепи блокировки......................................................................................................................... 8 9. Установка датчика температуры ........................................................................................................................ 8 10. Установка датчика капота и сирены ................................................................................................................ 8 11. Установка датчика удара .....................................................
............................................................................. 9 12. Установка антенного модуля.......................................................................................................................... 10 13. Установка датчика вызова .............................................................................................................................. 10 14. Установка центрального блока ...................................................................................................................... 11 15. Подключение питания и «массы».................................................................................................................. 11 16. Программирование системы.......................................................................................................................... 11 Телефон технической поддержки 8 (800) 555-3-911 Программное обеспечение и документацию можно получить на сайте компании «Мега-Ф» 2 www.
mega-f.ru и www.scher-khan.ru
*Весь материал, указанный в «Карте установки» носит
рекомендательный характер и не является руководством по
установке на указанный автомобиль!
Устанавливаемые компоненты:
- система тревожной сигнализации Scher-Khan Magicar 12;
- обходчик иммобилайзера Scher-Khan BP-2 (при реализации автозапуска).
В инструкции описано базовое подключение системы.
Все точки подключения можно найти на монтажном блоке предохранителей салона слева.
Необходимо обеспечить доступ к блоку предохранителей салона, определиться с местом установки
основного блока сигнализации.
Наряду с цифровым подключением с помощью встроенного CAN модуля остается
возможность использования аналоговых входов/выходов системы Scher-Khan Magicar 12.
1. Подключение системы Scher-Khan Magicar 12 к цифровой CAN
шине автомобиля
Перед подключением необходимо выбрать соответствующую программу для встроенного CAN
модуля с помощью перемычек JP1, JP2, JP3, находящихся под сдвижной крышкой на блоке, или
программным путем (см.
рис. 1).
Рис.1: Перемычки под крышкой центрального блока
ВНИМАНИЕ: Все работы, связанные с изменением положения перемычек, должны
осуществляться при отключенном питании системы сигнализации.
Телефон технической поддержки 8 (800) 555-3-911
Программное обеспечение и документацию можно получить на сайте компании «Мега-Ф»
3
www.mega-f.ru и www.scher-khan.ruВстроенный CAN модуль обслуживает следующие сигналы:
- датчики открытия дверей;
- датчик тахометра;
- датчик установленного стояночного тормоза;
- датчик багажника;
- реализация режима Slave;
- управление ЦЗ при включенном зажигании (версия v 2.6 и выше).
Для подключения к CAN шине автомобиля необходимо зеленый провод CAN-HIGH разъема CN11
системы Scher-Khan Magicar 12 соединить с проводом контакта 1 разъема диагностики (см. рис. 2), а
синий провод CAN-LOW разъема CN11 системы Scher-Khan Magicar 12 соединить с проводом контакта 9
разъема диагностики (см. рис. 2).
Контакт 1
разъема
Контакт 9
диагностики
разъема
CAN-HIGH
диагностики
CAN-LOW
Рис. 2: Подключение к CAN шине на монтажном блоке.
Телефон технической поддержки 8 (800) 555-3-911
Программное обеспечение и документацию можно получить на сайте компании «Мега-Ф»
4
www.mega-f.ru и www.scher-khan.ruG
E A
Вид a Вид b
Рис.3: Расположение разъемов на блоке NBC (а – вид сзади, b – вид спереди).
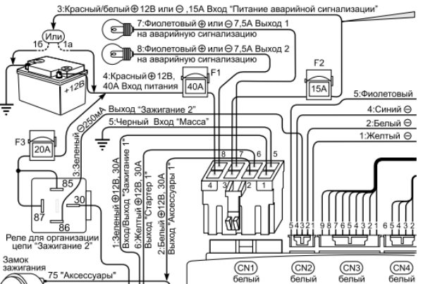
2. Подключение аварийной световой сигнализации
Для управление аварийной световой сигнализацией фиолетовые провода разъема CN2 системы
Scher-Khan Magicar 12 подключить через диоды к проводам контактов 1, 3 разъема С и 8, 10 разъема А
внизу монтажного блока (см.
рис. 3 и схему). Красный/белый провод разъема CN2 системы Scher-Khan
Magicar 12 соединить с +12В.
3. Управление центральным замком
Управление центральным замком однопроводное по минусу, через резистор номиналом 500 –
600 (Ом). Для осуществления отпирания ЦЗ к фиолетовому/белому проводу жгута водительской двери
подключаем желтый/белый провод разъема CN3 системы Scher-Khan Magicar 12 через резистор. Для
осуществления запирания ЦЗ к фиолетовому/белому проводу подключаем зеленый/белый провод
разъема CN3 системы Scher-Khan Magicar 12. Желтый и зеленые провода разъема CN3 системы Scher-Khan
Magicar 12 подсоединить на «массу». См. схему и рис 4.
Телефон технической поддержки 8 (800) 555-3-911
Программное обеспечение и документацию можно получить на сайте компании «Мега-Ф»
5
www.mega-f.ru и www.scher-khan.ru Фиолетовый/белый провод
жгута двери водителя
(управление ЦЗ)
Рис.
4: Подключение ЦЗ.
4. Подключение датчиков дверей и багажника
Информация от датчиков дверей и багажника считывается встроенным модулем CAN системы
Scher-Khan Magicar 11 после проведения процедуры выхода из транспортного режима автомобиля.
5. Подключение датчиков стояночного тормоза и педали тормоза
Информация от датчика стояночного тормоза считывается встроенным модулем CAN системы
Scher-Khan Magicar 11.
Телефон технической поддержки 8 (800) 555-3-911
Программное обеспечение и документацию можно получить на сайте компании «Мега-Ф»
6
www.mega-f.ru и www.scher-khan.ruДля подключения датчика педали тормоза требуется черный/белый
провод разъема CN4 системы Scher-Khan Magicar 12 подключить к проводу
контакта 2 разъема педали тормоза или контакта 27 разъема А (см. рис. 3).
6. Подключение датчика заведенного двигателя
В качестве датчика запущенного двигателя может быть использован датчик тахометра.
При использовании датчика тахометра дополнительных подключений не требуется, т к
информация о тахометрическом сигнале считывается встроенным модулем CAN системы Scher-Khan
Magicar 12. При этом обязательно запрограммировать обороты холостого хода (см. раздел
«Программирование тахометрического сигнала» в руководстве по установке).
7. Подключение датчика зажигания
Для подключения датчика зажигания зеленый провод разъема CN4 системы Scher-Khan Magicar 12
подключить к проводу «+ зажигание», например, подключить к оранжевому проводу разъема замка
зажигания. См. рис. 5.
Оранжевый – Синий –
Зажигание 1 Зажигание 2
Серый - Аксессуары
Красный/зеленый -
+12В Коричневый -
Стартер
Рис. 5: Подключение замка зажигания.
Телефон технической поддержки 8 (800) 555-3-911
Программное обеспечение и документацию можно получить на сайте компании «Мега-Ф»
7
www.
mega-f.ru и www.scher-khan.ru8. Подключение цепи блокировки
В качестве блокировки можно использовать блокировку цепи зажигания
(оранжевый провод в жгуте разъема замка зажигания). См. рис. 5. Для этого
применяем внешнее нормально-замкнутое НЗ реле блокировки идущее в
комплекте системы Scher-Khan Magicar 12. Данное НЗ реле контактами 30 и 87а устанавливаем в разрыв
блокируемой цепи. Управляющим минусом реле является синий провод разъема CN4 системы Scher-Khan
Magicar 12, этот провод подключаем к контакту 86 реле. Контакт 85 реле подключаем к проводу на
котором появляется + питание после включения зажигания (например, к оранжевому проводу разъема
замка зажигания, со стороны замка, до разрыва). (См. схему).
После подключения реле блокировки следует скрытно установить в автомобиле.
Также в качестве блокировки можно использовать блокировку бензонасоса в
водительском пороге.
9. Установка датчика температуры
Кабель датчика температуры подсоединить к разъему CN6 системы Scher-Khan Magicar 12.
Датчик температуры входит в комплект.
10. Установка датчика капота и сирены
Концевик капота подключить к коричневому/черному проводу разъема CN4 системы Scher-Khan
Magicar 12. Возможное место установки концевика капота показано на рисунке 6.
Для подключения сирены необходимо также провести в моторный отсек коричневый провод
разъема CN2 системы Scher-Khan Magicar 12 и соединить его с красным проводом сирены. Черный
провод сирены качественно соединить с «массой» автомобиля. Сирену располагать рупором вниз или в
сторону. Возможное место установки сирены указано на рисунке 6.
Телефон технической поддержки 8 (800) 555-3-911
Программное обеспечение и документацию можно получить на сайте компании «Мега-Ф»
8
www.mega-f.ru и www.scher-khan.ruСирена
Концевик Щит
капота мотора
Рис. 6: Возможное место установки внешнего датчика капота и сирены.
11. Установка датчика удара
Кабель датчика удара установить в разъем CN8 системы Scher-Khan Magicar 12. Датчик должен быть
жестко закреплен. Возможное место установки показано на рисунке 7. При необходимости произвести
его регулировку с помощью поворотных регуляторов на корпусе датчика.
Телефон технической поддержки 8 (800) 555-3-911
Программное обеспечение и документацию можно получить на сайте компании «Мега-Ф»
9
www.mega-f.ru и www.scher-khan.ru«масса»
Возможное место установки
датчика удара
Возможное место установки
+12В
центрального блока за
монтажным блоком
Рис. 7: Возможное место установки датчика удара, центрального блока, подключения питания.
12. Установка антенного модуля
Кабель антенного модуля установить в разъем CN5 системы Scher- Khan Magicar 12. Антенный блок
может быть установлен в верхнем углу лобового стекла. Расстояние от антенны до ближайшей
металлической поверхности должно быть не менее 50 мм. Рекомендуется близкая к вертикальной
ориентация антенного блока, при этом обеспечивается максимальная дальность связи во всех
направлениях вокруг автомобиля.
13. Установка датчика вызова
Кабель датчика вызова установить в разъем CN12 системы Scher-Khan Magicar 12. При установке
руководствуйтесь инструкцией по установке. Возможное место установки показано на рисунке 8.
Телефон технической поддержки 8 (800) 555-3-911
Программное обеспечение и документацию можно получить на сайте компании «Мега-Ф»
10
www.mega-f.ru и www.scher-khan.ruПередняя левая стойка
лобового стекла
Датчик вызова
Наклейка под
датчик вызова
Рис.
8: Возможное место установки датчика вызова владельца.
14. Установка центрального блока
Центральный процессорный блок следует скрытно установить в салоне автомобиля. На рисунке 7
показано возможное место установки центрального блока за монтажным блоком. Возможно иное
месторасположение.
15. Подключение питания и «массы»
Питание +12 В можно взять с толстого красного/черного провода двухконтактного разъема G
монтажного блока. См. рис. 3 и 7. К этому проводу подключаем красный провод разъема CN2 системы
Scher-Khan Magicar 12 через предохранитель 5А (входит в комплект) и красный/белый провод разъема
CN2 системы Scher-Khan Magicar 12 через предохранитель 15А (входит в комплект).
В качестве «массы» можно использовать любую удобную точку подключения на корпусе
автомобиля. В эту точку следует надежно подключить черный провод разъема CN2 системы Scher-Khan
Magicar 12, например, см. рис. 7.
16. Программирование системы
После установки и подключения системы тревожной сигнализации Scher-Khan Magicar 12
необходимо произвести необходимые настройки функций.
Функцию 1-17 установить в значение 2 и 1-1 в значение 3 (включение режима Slave).
При необходимости изменения значений функций на опционные следуйте алгоритму,
приведенному в руководстве по эксплуатации или в руководстве по установке.
ВНИМАНИЕ: Обязательно провести обучение тахометрическому сигналу на оборотах
холостого хода. Для этого:
1. В режиме «снято с охраны» включите зажигание и запустите двигатель автомобиля
2. Нажмите кнопку на датчике вызова на 2 сек. Аварийная сигнализация вспыхнет один раз.
Отпустите кнопку.
3. В течение 5 сек. нажмите и удерживайте 4 сек. кнопку на датчике вызова.
Телефон технической поддержки 8 (800) 555-3-911
Программное обеспечение и документацию можно получить на сайте компании «Мега-Ф»
11
www.mega-f.ru и www.scher-khan.ruВ подтверждение выполнения программирования тахометрического сигнала прозвучит один сигнал сирены, аварийная сигнализация вспыхнет один раз.Если процедура обучения прошла неудачно, прозвучит три сигнала сирены, аварийная сигнализация вспыхнет три раза Замечания и пожелания по данной карте просьба отправлять на e-mail: [email protected] Телефон технической поддержки 8 (800) 555-3-911 Программное обеспечение и документацию можно получить на сайте компании «Мега-Ф» 12 www.mega-f.ru и www.scher-khan.ru
От контактов 1, 3 нижнего
горизонтального разъема С
и контактов 8, 10 нижнего
вертикального разъема А
К фиолетовому/белому проводу
блока предохранителей
Сирена
1 3 8 РЕЗИСТОР 500 Ом
жгута водительской двери
10
5:Жёлтый
7:Коричневый 2А Выход на сирену
4:Жёлтый/белый
F5
15A
4:Фиолетовый
диоды 3 А 7,5А Выход 1 на аварийную сигнализацию 2:Зелёный
3:Фиолетовый
F6
7,5А Выход 2 на аварийную сигнализацию 15A
1:Зелёный/белый
9:Чёрный
к указателям поворотов
“МАССА”
10:Красный 12В F2
Вход питания процессорной части 5A
5:Красный/белый
15A Вход “Питание аварийной сигнализации”
+12 В 13:Черный/белый
«-» датчик педали тормоза к контакту 2
разъема педали тормоза
Аккумуляторная
батарея
“НЗ Блокировка
зажигания 1" Оранжевый провод
замка зажигания
Разрезать
85 (в сторону жгута)
30
87а
86
Cn1 Cn2 Cn3 Cn4 8:Синий 250мА
Выход “Блокировка
двигателя” Концевой
замыкатель
30 30 капота
5:Коричневый/чёрный
87а 87 87а 87 Вход "Датчик капота"
12:Зелёный К оранжевому проводу
Программирование функций Magicar 12 Вход “Зажигание" разъема замка зажигания Оранжевый провод
от замка зажигания
№ Знач.
Описание
ф-ии ф-ии Под крышкой находится программная петля
Целой петле соответствует МКПП
1-1 3 Разрезанной петле соответствует АКПП
Режим SLAVE 1-17 2 Jp2
Jp1
Jp3
Cn12 Cn11 Cn10 Cn9 Cn8 Cn8
Cn7 Cn7
Cn6 Cn5
Подключить Подключить Подключить Подключить к
к разъему CN 12 к разъему CN 8 к разъему CN 6 разъему CN 5
К контакту 9 2.
Синий «CAN Low»
разъема диагностики
К контакту 1 3.Зелёный «CAN High»
Датчик вызова Температурный Антенный
разъема диагностики Датчик удара датчик модуль
Схема подключения системы Scher-Khan Magicar 12 к автомобилю FIAT 500Xpert Alert® Внутренняя сигнализация Wi-Fi
Внутренняя сигнализация обеспечивает дистанционное оповещение круглосуточно и без выходных
Внутренняя сигнализация Xpert Alert® WiFi помогает защитить ваш дом круглосуточно и без выходных от потенциально дорогостоящего ущерба из-за наводнения, отказа насоса или замерзания труб.
Система отслеживает и сообщает о любых условиях тревоги в жилых помещениях, уведомляя вас локально (звуковые и визуальные сигналы тревоги) и удаленно с помощью текстовых SMS-сообщений и / или электронных писем через сеть Wi-Fi или Ethernet на ваш смартфон, планшет или компьютер. Элегантный дизайн корпуса с уникальной формой, гладкими закругленными краями и большой кнопкой со светодиодным кольцом делает эту привлекательную сигнализацию идеальной для жилых помещений.
Когда уровень в резервуаре поднимается, поплавок высокого уровня воды активирует сигнал тревоги, чтобы звуковым и визуальным предупреждением о потенциально угрожающих условиях уровня жидкости. Тревога оснащена хорошо видимым светодиодным кольцом, которое загорается красным цветом при тревоге 1 и желтым цветом при тревоге 2. Звуковой сигнал можно отключить, нажав большую кнопку, но светодиод остается включенным до тех пор, пока существует условие тревоги.
Как только условие устранено, аварийный сигнал автоматически сбрасывается. Красный светодиод «Низкая температура» активируется, когда температура падает ниже 40°F (4°C), чтобы защитить трубы от замерзания; это может быть отключено для установок в холодных областях. Когда возникают условия тревоги, вы получаете уведомление текстовым сообщением/сообщением по электронной почте.
Сигнализация работает с существующей сетью WiFi или Ethernet. Поскольку он не зависит от сотовой связи, это отличное решение для районов с плохой сотовой связью. Никаких ежемесячных платежей или контрактов! Простая установка и настройка делают его отличным вариантом для предприятий, арендуемой недвижимости и сезонных домов, помогая предотвратить дорогостоящий ущерб.
ДАТЧИК ВОДЫ WS360 (ДОПОЛНИТЕЛЬНО)
Датчик воды WS360 доступен исключительно с сигнализацией Xpert Alert® WiFi. При подключении к сигнальному устройству Xpert Alert® WiFi предназначен для предупреждения конечных пользователей о потенциальном ущербе от воды.
Разместите этот датчик в любом месте, где существует риск повреждения водой: подсобное помещение, прачечная, кухня, ванная комната, подвал, поддоны для сбора капель переменного тока и т. д. Когда вода достигает любой стороны, верхней или нижней части датчика 360°, раздается звуковой сигнал. активируется визуальная сигнализация; а также удаленное уведомление, отправленное по электронной почте/тексту контакту(ам) для смарт-устройства, настроенного с блоком сигнализации WiFi. До пяти датчиков могут быть подключены последовательно для мониторинга нескольких мест с помощью одного сигнала тревоги. Ограниченная гарантия сроком на один год.
Особенности
- Корпус NEMA 1 для использования внутри помещений
- 2 входа датчиков для контроля 2 отдельных аварийных состояний
- Светодиодное кольцо сигнализации предупреждает вас о состоянии тревоги; красный для аварийного сигнала 1, желтый для аварийного сигнала 2
- Звуковой сигнал включает сигнализацию 1, сигнализацию 2, сигнал низкой температуры и низкого заряда батареи
- Светодиодные индикаторы питания (зеленый = основное питание, желтый = резервный аккумулятор, красный = низкий заряд аккумулятора)
- Светодиодный индикатор состояния сети (мигает синим = установленное сетевое соединение, горит синим = сетевое соединение установлено)
- Текстовые уведомления и/или уведомления по электронной почте: тревога, потеря питания, восстановление питания, низкая температура, низкий заряд батареи и сигнал тревоги в автономном режиме
- Уведомляет до 4 контактов (2 контакта электронной почты и 2 текстовых, текст только с кодом страны 1)
- Кнопка режима простой точки доступа WiFi (или Ethernet)
- Большая и простая в использовании кнопка тестирования/отключения звука удобно расположена на передней панели сигнализации
- Включает дополнительные контакты для подключения удаленных устройств (продолжает работать при отключении питания)
- Автоматический сброс аварийного сигнала и встроенная резервная аккумуляторная батарея
- Сертифицирован CSA
- 5-летняя ограниченная гарантия
Технические характеристики
- НАПРЯЖЕНИЕ: Первичное: 120 В перем.
тока, 60 Гц, 5 Вт макс. (аварийное состояние) Вторичное: 5 В пост. тока - РЕЗЕРВНАЯ БАТАРЕЯ: литиевая аккумуляторная батарея 3,7 В постоянного тока
- КОРПУС СИГНАЛИЗАЦИИ: 5,5 x 4 x 1,75 дюйма (14 x 10 x 4,5 см), пластик NEMA 1.
- СИГНАЛ СИГНАЛА: 80 децибел на расстоянии 10 футов (3 метра) ШНУР ПИТАНИЯ: 6 футов (1,8 метра) MicroUSB
- КЛЕММЫ ДЛЯ ПОДКЛЮЧЕНИЯ ПОПЛАВКОВОГО ВЫКЛЮЧАТЕЛЯ: Только для подключения поплавкового выключателя – не подавайте питание. (Напряжение на клеммах составляет 3 В постоянного тока).
- ПОПЛАВКОВЫЙ ПЕРЕКЛЮЧАТЕЛЬ: SJE Переключатель управления MilliAmpMaster™ с монтажным зажимом
- Кабель: 3 метра, гибкий, калибр 18, 2-жильный (UL) SJOW, водостойкий (CPE)
- Поплавок: Диаметр 2,74 дюйма x длина 4,83 дюйма (7,0 см x 12,3 см), ударопрочный, коррозионностойкий полипропиленовый корпус для использования в сточных водах и воде при температуре до 140°F (60°C)
- WIFI: Подключение в режиме точки доступа или вручную с помощью Ethernet-соединения (кабель Ethernet не входит в комплект).
На беспроводном маршрутизаторе требуется безопасность WPA2. - ETHERNET: Требуется подключение к сети Ethernet (кабель Ethernet не входит в комплект).
- ПРИМЕЧАНИЕ. Точки доступа Wi-Fi не рекомендуется использовать с этой сигнализацией Wi-Fi, так как это может привести к прерывистым или ненадежным уведомлениям.
- ДОПОЛНИТЕЛЬНЫЕ КОНТАКТЫ СИГНАЛИЗАЦИИ: Нормально открытый, нормально закрытый (сертификат CSA) Напряжение: ≤ 30 В переменного/постоянного тока (класс 2) Ток: максимум 1 А
Загрузки
Доступные загрузки
- Страница каталога с ценами
- Страница каталога без цен
- Особенности и преимущества
- Инструкции по установке
- Краткое руководство
- Руководство по настройке
- Мы рады предложить пятилетнюю ограниченную гарантию
Посетите наш раздел загрузок на этом веб-сайте для получения дополнительной литературы.

библиотека
.Системы сигнализации /
Ищете поддержку
или информацию о покупке?
Система радиочастотной сигнализации Xpert Alert®
Беспроводная технология Подключение наружной панели управления к внутренней сигнализации
Радиочастотная сигнализация Xpert Alert® помогает защитить ваш дом от потенциально дорогостоящего ущерба, вызванного наводнением, отказом насоса и резервированием сточных вод. Радиочастотная система включает (A) сигнализацию Xpert Alert®, (B) модуль радиоприемника, который подключается к внутренней сигнализации, и (C) модуль радиочастотной панели, который устанавливается в наружную панель управления.
Модули радиочастотного приемника и радиочастотной панели беспроводным образом соединяют наружную панель управления с внутренней сигнализацией. Когда контрольная панель находится в состоянии тревоги, она активирует модуль радиочастотной панели через свои вспомогательные контакты сигнализации и отправляет радиосигнал на модуль радиоприемника, чтобы активировать внутреннюю тревогу, предупреждая вас о состоянии тревоги.
Беспроводная конструкция делает эту привлекательную, простую в установке систему идеальной для жилых помещений, включая насосные камеры подъема, сборные баки, канализационные, сельскохозяйственные и другие системы водоснабжения.
Компактная конструкция модуля радиочастотной панели удобно вписывается в большинство корпусов панели управления и включает в себя жгут проводов для быстрой и простой установки. Для корпусов панели управления с ограниченным пространством он также доступен в водонепроницаемой конфигурации NEMA 4X.
Тревога Xpert Alert® имеет 2 входа датчиков; один используется для модуля радиоприемника; один доступен для мониторинга состояния уровня жидкости (полные характеристики сигналов тревоги см. на странице каталога сигналов тревоги Xpert Alert®).
Эта система также доступна с нашей сигнализацией Xpert Alert WiFi, которая круглосуточно и без выходных уведомляет по тексту и/или электронной почте. Он работает в вашей существующей сети Wi-Fi или Ethernet, что означает отсутствие ежемесячных платежей или контрактов.
Характеристики
Стандартные характеристики
- Радиотехнология LoRa (большой радиус действия, маломощная беспроводная платформа)
- Дальность связи до 200 футов (установки над уровнем земли могут превышать 200 футов)
- Светодиодные индикаторы уровня сигнала (зеленый) и тревоги (желтый)
- Аварийный сигнал потери связи
- Конфигурации NEMA 4X доступны для стандартных моделей и моделей с WiFi
Характеристики Wi-Fi
- Модель WiFi включает сигнал тревоги Xpert Alert® WiFi (полные технические характеристики см. на странице каталога сигналов тревоги WiFi XA), модуль радиочастотного приемника и модель радиочастотной панели.
- Круглосуточное уведомление (2 сообщения электронной почты, 2 SMS-сообщения) на смарт-устройство о возможных состояниях:
- Аварийные сигналы, потеря питания, восстановление питания, низкая температура, низкий заряд батареи, сигнализация отключена
Технические характеристики
НАПРЯЖЕНИЕ:
- МОДУЛЬ РЧ-ПРИЕМНИКА
- ПЕРВИЧНЫЙ: 120 В перем.
тока, 60 Гц, макс. 5 Вт. (аварийное состояние) - ВТОРИЧНЫЙ: 5 В пост. тока
- ПЕРВИЧНЫЙ: 120 В перем.
- МОДУЛЬ РЧ-ПАНЕЛИ
- ПЕРВИЧНЫЙ: 120 В переменного тока, 60 Гц
- ЖГУТ ПРОВОДОВ: 24 дюйма (60,96 см), калибр 18
КОРПУС СИГНАЛИЗАЦИИ:
- ВНУТРЕННЯЯ СИГНАЛИЗАЦИЯ С МОДУЛЕМ РЧ-ПРИЕМНИКА: 8,1 x 4 x 1,75 дюйма (20,57 x 10,16 x 4,45 см), пластик NEMA 1
- ПАНЕЛЬНЫЙ МОДУЛЬ: 4,8 x 2,7 x 1,4 дюйма (12,2 x 6,86 x 3,56 см), пластик NEMA 1
- КОРПУС 4X: 8 x 6 x 4 дюйма (20,32 x 15,24 x 10,16 см), пластик NEMA 4X
МЕСТО МОНТАЖА:
- ПАНЕЛЬНЫЙ МОДУЛЬ: Мин. 3 фута над землей
ПРИМЕЧАНИЕ. См. страницу каталога аварийных сигналов Xpert Alert® или Xpert Alert® WiFi для ознакомления со спецификациями продукта.
- Будильник включает кабель питания MicroUSB длиной 6 футов (1,8 метра).
- Поплавковый выключатель продается отдельно.
- Подключайте только к сухим вспомогательным контактам сигнализации.



.......................... 6
5. Подключение датчиков стояночного тормоза и педали тормоза .................................................................. 6
6. Подключение датчика заведенного двигателя ................................................................................................ 7
7. Подключение датчика зажигания ...................................................................................................................... 7
8. Подключение цепи блокировки......................................................................................................................... 8
9. Установка датчика температуры ........................................................................................................................ 8
10. Установка датчика капота и сирены ................................................................................................................ 8
11. Установка датчика удара .....................................................
............................................................................. 9
12. Установка антенного модуля.......................................................................................................................... 10
13. Установка датчика вызова .............................................................................................................................. 10
14. Установка центрального блока ...................................................................................................................... 11
15. Подключение питания и «массы».................................................................................................................. 11
16. Программирование системы.......................................................................................................................... 11
Телефон технической поддержки 8 (800) 555-3-911
Программное обеспечение и документацию можно получить на сайте компании «Мега-Ф»
2
www.

Контакт 1
разъема
Контакт 9
диагностики
разъема
CAN-HIGH
диагностики
CAN-LOW
Рис. 2: Подключение к CAN шине на монтажном блоке.
Телефон технической поддержки 8 (800) 555-3-911
Программное обеспечение и документацию можно получить на сайте компании «Мега-Ф»
4
www.mega-f.ru и www.scher-khan.ru
рис. 3 и схему). Красный/белый провод разъема CN2 системы Scher-Khan
Magicar 12 соединить с +12В.
3. Управление центральным замком
Управление центральным замком однопроводное по минусу, через резистор номиналом 500 –
600 (Ом). Для осуществления отпирания ЦЗ к фиолетовому/белому проводу жгута водительской двери
подключаем желтый/белый провод разъема CN3 системы Scher-Khan Magicar 12 через резистор. Для
осуществления запирания ЦЗ к фиолетовому/белому проводу подключаем зеленый/белый провод
разъема CN3 системы Scher-Khan Magicar 12. Желтый и зеленые провода разъема CN3 системы Scher-Khan
Magicar 12 подсоединить на «массу». См. схему и рис 4.
Телефон технической поддержки 8 (800) 555-3-911
Программное обеспечение и документацию можно получить на сайте компании «Мега-Ф»
5
www.mega-f.ru и www.scher-khan.ru
4: Подключение ЦЗ.
4. Подключение датчиков дверей и багажника
Информация от датчиков дверей и багажника считывается встроенным модулем CAN системы
Scher-Khan Magicar 11 после проведения процедуры выхода из транспортного режима автомобиля.
5. Подключение датчиков стояночного тормоза и педали тормоза
Информация от датчика стояночного тормоза считывается встроенным модулем CAN системы
Scher-Khan Magicar 11.
Телефон технической поддержки 8 (800) 555-3-911
Программное обеспечение и документацию можно получить на сайте компании «Мега-Ф»
6
www.mega-f.ru и www.scher-khan.ru
При использовании датчика тахометра дополнительных подключений не требуется, т к
информация о тахометрическом сигнале считывается встроенным модулем CAN системы Scher-Khan
Magicar 12. При этом обязательно запрограммировать обороты холостого хода (см. раздел
«Программирование тахометрического сигнала» в руководстве по установке).
7. Подключение датчика зажигания
Для подключения датчика зажигания зеленый провод разъема CN4 системы Scher-Khan Magicar 12
подключить к проводу «+ зажигание», например, подключить к оранжевому проводу разъема замка
зажигания. См. рис. 5.
Оранжевый – Синий –
Зажигание 1 Зажигание 2
Серый - Аксессуары
Красный/зеленый -
+12В Коричневый -
Стартер
Рис. 5: Подключение замка зажигания.
Телефон технической поддержки 8 (800) 555-3-911
Программное обеспечение и документацию можно получить на сайте компании «Мега-Ф»
7
www.
mega-f.ru и www.scher-khan.ru
Датчик температуры входит в комплект.
10. Установка датчика капота и сирены
Концевик капота подключить к коричневому/черному проводу разъема CN4 системы Scher-Khan
Magicar 12. Возможное место установки концевика капота показано на рисунке 6.
Для подключения сирены необходимо также провести в моторный отсек коричневый провод
разъема CN2 системы Scher-Khan Magicar 12 и соединить его с красным проводом сирены. Черный
провод сирены качественно соединить с «массой» автомобиля. Сирену располагать рупором вниз или в
сторону. Возможное место установки сирены указано на рисунке 6.
Телефон технической поддержки 8 (800) 555-3-911
Программное обеспечение и документацию можно получить на сайте компании «Мега-Ф»
8
www.mega-f.ru и www.scher-khan.ru
11. Установка датчика удара
Кабель датчика удара установить в разъем CN8 системы Scher-Khan Magicar 12. Датчик должен быть
жестко закреплен. Возможное место установки показано на рисунке 7. При необходимости произвести
его регулировку с помощью поворотных регуляторов на корпусе датчика.
Телефон технической поддержки 8 (800) 555-3-911
Программное обеспечение и документацию можно получить на сайте компании «Мега-Ф»
9
www.mega-f.ru и www.scher-khan.ru
12. Установка антенного модуля
Кабель антенного модуля установить в разъем CN5 системы Scher- Khan Magicar 12. Антенный блок
может быть установлен в верхнем углу лобового стекла. Расстояние от антенны до ближайшей
металлической поверхности должно быть не менее 50 мм. Рекомендуется близкая к вертикальной
ориентация антенного блока, при этом обеспечивается максимальная дальность связи во всех
направлениях вокруг автомобиля.
13. Установка датчика вызова
Кабель датчика вызова установить в разъем CN12 системы Scher-Khan Magicar 12. При установке
руководствуйтесь инструкцией по установке. Возможное место установки показано на рисунке 8.
Телефон технической поддержки 8 (800) 555-3-911
Программное обеспечение и документацию можно получить на сайте компании «Мега-Ф»
10
www.mega-f.ru и www.scher-khan.ru
8: Возможное место установки датчика вызова владельца.
14. Установка центрального блока
Центральный процессорный блок следует скрытно установить в салоне автомобиля. На рисунке 7
показано возможное место установки центрального блока за монтажным блоком. Возможно иное
месторасположение.
15. Подключение питания и «массы»
Питание +12 В можно взять с толстого красного/черного провода двухконтактного разъема G
монтажного блока. См. рис. 3 и 7. К этому проводу подключаем красный провод разъема CN2 системы
Scher-Khan Magicar 12 через предохранитель 5А (входит в комплект) и красный/белый провод разъема
CN2 системы Scher-Khan Magicar 12 через предохранитель 15А (входит в комплект).
В качестве «массы» можно использовать любую удобную точку подключения на корпусе
автомобиля. В эту точку следует надежно подключить черный провод разъема CN2 системы Scher-Khan
Magicar 12, например, см. рис. 7.
16. Программирование системы
После установки и подключения системы тревожной сигнализации Scher-Khan Magicar 12
необходимо произвести необходимые настройки функций.
Функцию 1-17 установить в значение 2 и 1-1 в значение 3 (включение режима Slave).
При необходимости изменения значений функций на опционные следуйте алгоритму,
приведенному в руководстве по эксплуатации или в руководстве по установке.
ВНИМАНИЕ: Обязательно провести обучение тахометрическому сигналу на оборотах
холостого хода. Для этого:
1. В режиме «снято с охраны» включите зажигание и запустите двигатель автомобиля
2. Нажмите кнопку на датчике вызова на 2 сек. Аварийная сигнализация вспыхнет один раз.
Отпустите кнопку.
3. В течение 5 сек. нажмите и удерживайте 4 сек. кнопку на датчике вызова.
Телефон технической поддержки 8 (800) 555-3-911
Программное обеспечение и документацию можно получить на сайте компании «Мега-Ф»
11
www.mega-f.ru и www.scher-khan.ru
Если процедура обучения прошла неудачно, прозвучит три сигнала
сирены, аварийная сигнализация вспыхнет три раза
Замечания и пожелания по данной карте просьба отправлять на e-mail:
Синий «CAN Low»
разъема диагностики
К контакту 1 3.Зелёный «CAN High»
Датчик вызова Температурный Антенный
разъема диагностики Датчик удара датчик модуль
Схема подключения системы Scher-Khan Magicar 12 к автомобилю FIAT 500