Система впрыска топлива K-Jetronic: неисправности системы
K jetronic представляет собой систему впрыска топлива, которая работает по принципу непрерывной дозированной подачи. Он является изначально механическим агрегатом, который управляется расходомером воздуха.
K-Jetronic представляет собой устройство, осуществляющее стабильный впрыск топлива, которое основано на принципе дозаторного управления подачей в непрерывном цикле. Изначально она являлась механическим агрегатом, обеспечивающее непрерывный впрыск. Одним из главных компонентов этой СВТ является механический расходомер, благодаря которому и осуществляется регулирование количества поступающего топлива в двигатель.
K-JetronicПервые модели подобных систем впрыска были разработаны еще вначале 1970 годах и применялись не на всех типах машин. Она была разработана на основе дизельных систем впрыска топлива компаниями Bosch и Kugelfischer. Система представляет собой довольно сложное механическое устройство, которое требует высококвалифицированных специалистов и дорогих запчастей, поэтому устанавливались только на автомобилях, выпускаемых мелкими сериями.
Одним из первых автомобилей, на который была установлена эта система, стал Porsche 911 с объемом двигателя в 2,4 литра 1973 года выпуска. Система неплохо себя зарекомендовала и поэтому выпускалась в основном для американского рынка. Вначале 90-х был выпущен последний Porsche.
Системы впрыска топлива различаются по типу двигателей. Рассмотрим самую распространенную на тот момент от немецкой компании Bosch, устанавливаемую на двигатели без каталитического нейтрализатора. Она представляет собой электромеханический агрегат, который состоит из множества сложных компонентов.
Содержание
- Принцип действия системы впрыска топлива
- Возможные неисправности
- Нет пуска двигателя на холодную или он осуществляется нестабильно
- Двигатель не стабильно работает или повторно не запускается
- Проверка дозатора-распределителя
Принцип действия системы впрыска топлива
Воздух поступает из окружающей среды в воздушный фильтр, там он очищается от пыли и мелкого мусора.
После очистки он поступает в механический воздушный расходомер. Он посредством давления поступающего воздуха осуществляет регулирование качество смеси и ее дозировку.
Далее, очищенный воздух поступает на заслонку дросселя, которая открывается посредством педали газа, акселератором. Затем во впускные каналы для разбрызгивания приготовленной смеси.
Топливо же проходит следующий путь. Из бака нагнетается насосом с давлением не менее 1,5 бар. Затем бензин поступает в аккумулятор давления, где оно сохраняется при изменении силы насоса. Потом, проходя через фильтр, поступает на дозатор, который уже отрегулирован потоком воздуха посредством корректора. А потом по отдельным каналам топливо поступает к форсункам. Дроссельная заслонка отвечает за количество топлива, поступающее в цилиндры.
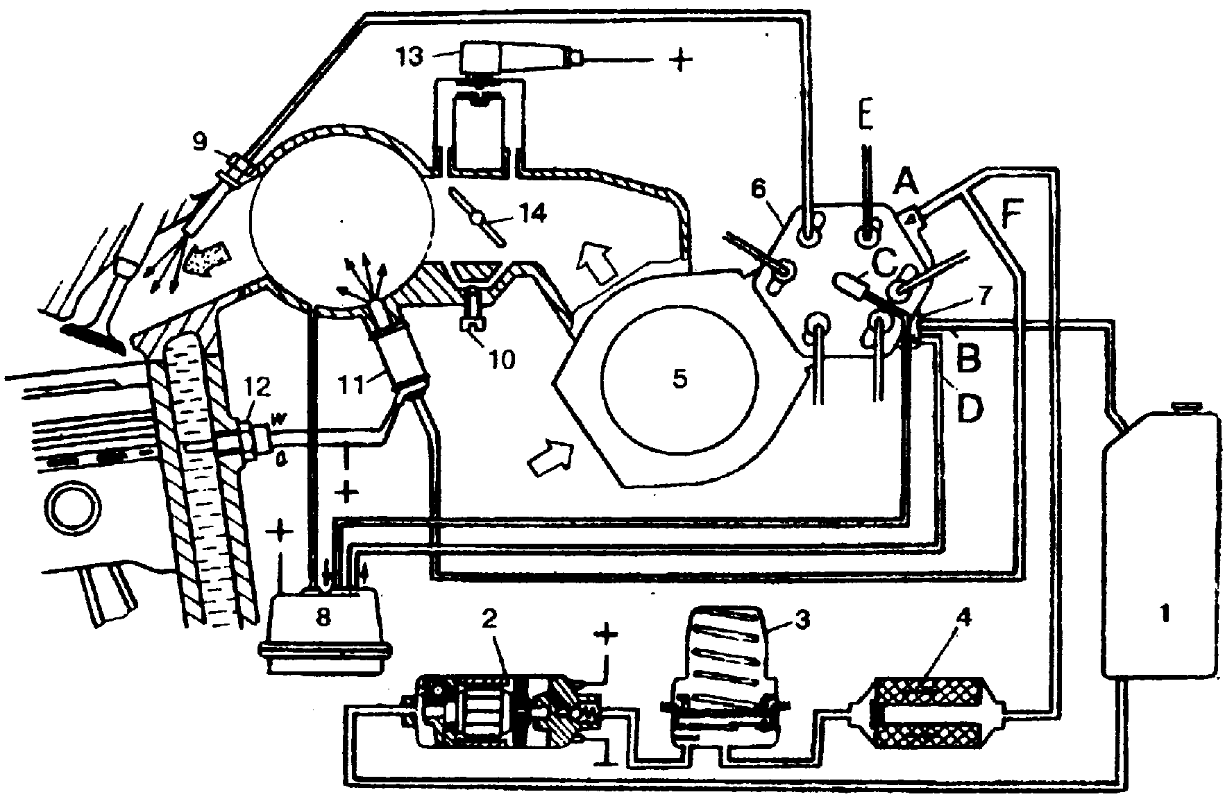
Схема K-JetronicВесь объем воздуха, попадающий в двигатель, измеряется специальным устройством, которое называется расходомер воздуха. Он вместе с дозатором представляет собой единый функциональный блок, который называется регулятором состава топливной смеси.
В нем же находится распределительный диск, называемый ротаметр. Он отклоняется под действием воздушного потока, идущего через входной патрубок. Диск имеет механическую связь посредством системы рычагов с распределительным золотником. Он, перемещаясь вверх под действием рычагов, пропускает некоторое количество бензина, которое поступает через дифференциальные клапаны в форсунки. Они уже непосредственно подают приготовленную смесь в цилиндры. Так как температура окружающей среды бывает разная, а условия работы системы постоянно меняются в зависимости от нее, то в kjetronic применяется специальное устройство, называемое регулятором управляющего давления. Для регулирования оборотов двигателя на холостом ходу используется клапан, шунтирующий дроссельную заслонку. Кроме того, для стабильного запуска мотора применяется дополнительная форсунка, которая управляется дополнительным термореле. Продолжительность ее открытого состояния зависит от температуры двигателя. При запуске мотора топливо одновременно подается во все части системы и сходится в золотнике, на верхний торец которого действует сила, поднимающая его.
Именно здесь установлен механизм, который обеспечивает это регулирование.
На автомобилях с двигателями, оснащенными трехкомпонентными каталитическими нейтрализаторами выхлопных газов, устройство впрыска оснащается рядом дополнительных устройств:
- датчик кислорода;
- устройство управления;
- тактовый клапан или переменный дроссель;
- датчик положения дроссельной заслонки.
Кроме добавления всего перечисленного, были внесены изменения в устройство регулятора качества смеси. А вся система при этом стала управляться электроникой.
Возможные неисправности
Так как устройство инжекторов является весьма сложным, то и вероятность поломок и преждевременного износа также очень высока. Поэтому уместно будет рассмотреть самые часто встречаемые неисправности системы kjetronic.
Нет пуска двигателя на холодную или он осуществляется нестабильно
Система впрыска K-JetronicПри таком виде сбоя в системе впрыска может быть не один неисправный элемент, потому как в запуске двигателя участвуют практически все компоненты и модули устройства.
А так как kjetronic представляет собой самую сложную из всего семейства, то для его обслуживания понадобится помощь высококвалифицированных специалистов. Кроме того, без специального оборудования также не обойтись. Итак, при плохом старте двигателя в холодном состоянии необходимо пройти по следующему пути поиска неисправности:
- система питания двигателя;
- регулятор давления;
- регулятор управляющего давления;
- форсунка впрыска топлива;
- пусковая форсунка;
- датчик температуры охлаждающей жидкости;
- проверка затяжки форсунок;
- устройство регулирование дроссельной заслонки.
Проверка всей системы питания на целостность и уровень давления
При устранении любого вида поломок, связанных с запуском, сначала необходимо проверить именно систему питания двигателя. Она состоит из бака, топливопровода, насоса, аккумулятора давления, фильтра. При поломке любого из этих компонентов существует вероятность отсутствия первоначального старта или плохого запуска двигателя.
На первых этапах ремонта необходимо определить наличие топлива в системе. Это можно осуществить, сняв патрубок с выходного штуцера аккумулятора, а если имеется встроенный датчик давления топлива, то проверить его показания.
Вообще, при любом ремонте системы впрыска топлива k-jetronic требуется сначала производить измерение всех давлений во всевозможных компонентах устройства, а также проверка их герметичности. Итак, если же топлива в системе не, то, скорее всего, неисправен насос. Если же бензин в аккумуляторе имеется, но уровень давления не требуемый, то следует проверить герметичность всей системы и состояние фильтра. Его требуется производить регулярную замену, потому что бумага очень быстро забивается мелкими частицами грязи, находящейся в самом топливе в баке.
Для проверки герметичности всей системы прибегают к временному повышению давления. Для этого понадобится манометр с вентилем и шланги со штуцерами. Его следует установить в разрыв системы нижних камер дифференциальных клапанов и до форсунок.
Далее, запустите двигатель, если это возможно, а по истечении 30 мин заглушите его и проверьте давление, которое должно составлять не меньше 2,5 кг/см2. В случае заниженных показаний следует проверить реле перегрузок и сам регулятор давления.
Если же двигатель не заводится, то следует принудительно включить топливный насос, для этого необходимо замкнуть накоротко силовые контакты его реле. Манометр должен быть подключен в разрыв системы перед регулятором. Показания его должны находиться в пределах 5,3 – 5,7 кг/см2. Если оно ниже и система герметична, то следует проверить сам трубопровод на предмет загрязнения, а затем проверить фильтр, аккумулятор и насос. Все эти компоненты неразборные, поэтому производится только их замена.
K-jetronic c дозатором-распределителемДвигатель не стабильно работает или повторно не запускается
При возникновении подобной проблемы следует произвести проверку давления управления при динамическом режиме.
Если мотор теплый, то дождитесь полного остывания или можно отсоединить провода от датчика температуры и вставить в него резистор с сопротивлением 2,4 кОм.
Манометр должен находиться в разрыве системы питания после нижних камер дифференциальных клапанов и перед штуцером регулятора давления управления. Затем необходимо запустить двигатель и довести частоту оборотов до 2500. Показания на датчике должно находится в пределах 0,3 – 0,45 кг/см2.
Если показания манометра не сходятся с приведенными выше, то необходимо произвести следующее:
- проверить исправность расходомера;
- измерить величину тока электрогидравлического регулятора, если таковой имеется. В противном случае производится диагностика механического;
- убедиться в исправности блока управления в версиях KE.
При любом типе неисправности kjetronic, связанном с пуском двигателя, необходимо производить комплексную проверку всех составляющих. Потому что компонентов достаточно много и неправильное функционирование любого из них может приводить к недолжной работе или отсутствию запуска. Отличия при запуске на холодную и на горячую заключаются в использовании пусковой форсунки.
Проверка дозатора-распределителя
Дозатор-распределитель K-jetronicДвигатель должен быть теплым. Далее, от дозатора следует отсоединить топливопровод и подсоединить шланг, второй конец которого необходимо поместить в мерную емкость. И принудительно включите насос, замкнув контакты. Объем топлива в колбе должен составлять не менее и не более 130 – 150 см3 за 1 мин работы. Если он меньше, то следует заменить дозатор, иначе регулятор, а затем проверить дозатор еще раз.
Если неисправность не найдена, то следует произвести проверку пусковой форсунки, уровень обогащения смеси, датчика температуры системы охлаждения, электрические элементы управления и пр.
Система впрыска «k-Jetronic»
Система
впрыска «K-Jetronic» фирмы BOSCH представляет
собой механическую систему постоянного
впрыска топлива. Топливо под давлением
поступает к форсункам, установленным
перед впускными клапанами во впускном
коллекторе.
Форсунка непрерывно распыляет
топливо, поступающее под давлением.
Давление топлива (расход) зависит от
нагрузки двигателя (от разрежения во
впускном коллекторе) и от температуры
охлаждающей жидкости.
Количество
подводимого воздуха постоянно измеряется
расходомером, а количество впрыскиваемого
топлива строго пропорционально (1:14,7)
количеству поступающего воздуха (за
исключением ряда режимов работы
двигателя, таких как пуск холодного
двигателя, работа под полной нагрузкой
и т.д.) и регулируется дозатором-распределителем
топлива. Дозатор-распределитель или
регулятор состава и количества рабочей
смеси состоит из регулятора количества
топлива и расходомера воздуха.
Регулирование количества топлива
обеспечивается распределителем,
управляемым расходомером воздуха и
регулятором управляющего давления. В
свою очередь воздействие регулятора
управляющего давления определяется
величиной подводимого к нему разрежения
во впускном трубопроводе и температурой
жидкости системы охлаждения двигателя.
Топливный насос 2, (рис. 2), забирает топливо из бака 1 и подает его под давлением около 5 кгс/см2 через накопитель 3 и фильтр 4 к каналу «А» дозатора-распределителя 6. При обычном карбюраторном питании управление двигателем осуществляется воздействием на педаль «газа» т.е. поворотом дроссельной заслонки. Если при карбюраторном питании дроссельная заслонка регулирует количество подаваемой в цилиндры рабочей смеси, то при системе впрыска дроссельная заслонка 11 регулирует только подачу чистого воздуха. Для того чтобы установить требуемое соотношение между количеством поступающего воздуха и количеством впрыскиваемого бензина используется расходомер воздуха с так называемым напорным диском 5 и дозатор-распределитель топлива 6.
В
действительности расходомер не замеряет,
в буквальном смысле слова, расход
воздуха, просто его напорный диск
перемещается «пропорционально»
расходу воздуха. А само название
«расходомер» объясняется тем, что
в этом устройстве использован принцип
действия физического прибора, называемого
трубкой Вентури и применяемого для
замера расхода газов.
Расходомер воздуха системы впрыска топлива представляет собой прецизионный механизм. Напорный диск его очень легкий (толщина примерно 1 мм, диаметр ≈ 100 мм) крепится к рычагу, с другой стороны рычага (см. рис. 2) установлен балансир, уравновешивающий всю систему. С учетом того, что ось вращения рычага лежит в опорах с минимальным трением (подшипники качения), диск очень «чутко» реагирует на изменение расхода воздуха. На оси вращения рычага напорного диска 5 закреплен второй рычаг с роликом.
Ролик
упирается непосредственно в нижний
конец плунжера дозатора-распределителя.
Наличие второго рычага с регулировочным
винтом позволяет менять относительное
положение рычагов, а значит напорного
диска и упорного ролика (плунжера
распределителя) и этим изменять состав
рабочей смеси. Положение винта регулируется
на заводе-изготовителе. На некоторых
автомобилях, например,BMW-5201, -525i, -528i,
-535i, при
необходимости этим винтом можно
отрегулировать содержание СО в
отработавших газах (при его завертывании
смесь обедняется).
Механическая система: расходомер воздуха ≈ дозатор-распределитель обеспечивает только соответствие перемещений напорного диска и плунжера распределителя. Но, если трубка Вентури обеспечивает линейную зависимость перемещения напорного диска от расхода воздуха, то простейший по форме плунжера распределитель, линейной зависимости между перемещением плунжера и расходом бензина уже не дает. Для получения линейной зависимости применена система дифференциальных клапанов, о них речь ниже.
Напомним, «линейная зависимость «≈в буквальном смысле слова означает, что график функции ≈ прямая линия. Другими словами, изменение аргумента вызывает прямо пропорциональное изменение функции. Например, аргумент (расход воздуха) увеличился в 2 раза, во столько же раз увеличится и функция (перемещение). В данном случае независимым переменным (аргументом) будет уже перемещение плунжера, а функцией ≈ расход бензина.
Из
дозатора-распределителя топливо по
каналам «Е» поступает к форсункам
впрыска 9, (см.
рис. 2). Иногда вместо слова
форсунка (от force
≈ франц.
сила) применяется слово инжектор
(лат. injicere≈бросать
внутрь).
Итак,
перемещение напорного диска вызывает
перемещение плунжера распределителя.
Направления перемещений на рис. 2 показаны
стрелками. Взаимосвязь перемещений и
упомянутые выше дифференциальные
клапаны обеспечивают стехиометрическое
соотношение воздуха и бензина в рабочей
смеси. Но, напомним еще раз, характерной
особенностью автомобильного двигателя
является то, что он должен быть приспособлен
к различным режимам: холодный пуск,
холостой ход, частичные нагрузки, полная
нагрузка. Смесь приходится при
соответствующих режимах или обогащать или
обеднять. Для получения соответствия
состава рабочей смеси режиму работы
двигателя в системе впрыска со стороны
верхней части плунжера (см. рис. 2) в
распределитель подходит по каналу «С»
управляющее давление. Величина последнего
определяется регулятором управляющего
давления 8. Это давление в зависимости
от режима работы двигателя имеет большую
или меньшую величину.
Бензиновый
электрический насос 2 (см. рис. 2) работает
независимо от частоты вращения коленчатого
вала двигателя. Он включается при двух
условиях, когда включено зажигание и
вращается коленчатый вал. Если учесть,
что насос имеет запасы по давлению двух
кратный, по подаче десятикратный, то
понятно, что система впрыска должна
иметь регулятор давления питания. Этот
регулятор 7, (см. рис. 2) встроен в
дозатор-распределитель, соединен с
каналом «А» (подвод топлива), по
каналу «В» осуществляется слив
излишнего топлива в бак, канал «D»соединен
с регулятором управляющего давления
8.
О системе впрыска K-Jetronic
О системе впрыска K-Jetronic Эта довольно обширная статья охватывает все аспекты систем впрыска топлива K-jetronic, используемых в автомобилях E21, таких как 318i, 320i и 323i. Чтение этих страниц поможет вам понять, как работает эта система, что она делает и какие ее отдельные части. С момента своего появления системы впрыска топлива Jetronic миллионы раз зарекомендовали себя в суровых условиях ежедневного вождения. Этот успех является результатом преимуществ, которые может предложить впрыск топлива при рассмотрении сегодняшних требований к экономичности, производительности и чистоте выхлопных газов. K-Jetronic представляет собой механическую систему, в которой топливо непрерывно дозируется в соответствии с количеством воздуха, всасываемого двигателем. Используя лямбда-зонд вместе с дополнительным оборудованием для лямбда-регулирования с замкнутым контуром, K-Jetronic уже сегодня может соответствовать требованиям завтрашнего дня по выхлопным газам. Конструкция и принцип работы K-Jetronic рассматриваются в данном Техническом руководстве по эксплуатации.
Страница 3 Просмотрите страницу 3 или щелкните тему ниже. Электрическая схема: Техника выхлопных газов: |
Copyright 2001-2005 e21.tricord.be. Все права защищены. Работает на Unified. |
k jetronic регулировка топливной смеси
AlleVideosBilderShoppingMapsNewsBüchersuchoptionen
Для ранних моделей автомобилей с системой K-jet (механический впрыск топлива) регулировка смеси довольно проста.
Для доступа к регулировочному винту необходим шестигранный ключ на 3 мм. Поворот этого винта вправо обогащает смесь, а поворот влево обедняет ее.
4. März 2011
Регулировка смеси в моделях K-Jet и LH — 200/700/900 — IPD
www.ipdusa.com › Статьи › Регулировка смеси в K-Jet-LH-200 -700-9…
Hervorgehobene Snippets
Специальное видео по регулировке смеси на K-Jetronic — YouTube
www.youtube.com › смотреть
18.03.2022 · КЭ) K(от Немецкое «kontinuierlich» означает непрерывный, без перерыва) МЕХАНИЧЕСКИЙ …
Dauer: 13:46
Прислан: 18.03.2022
Mercedes Ke-Jetronic — Первоначальная регулировка смеси/Для обоих K
www.youtube.com › смотреть
23.02.2023 KE-Jetronic на Mercedes K- и KE…
Dauer: 7:14
Прислан: 23.02.2023
Как отрегулировать смесь холостого хода НЕ на инжекторных двигателях K-Jetronic.
www.youtube.com › смотреть
20.
01.2023 · Объясню, почему не стоит торопиться возиться с винтом регулировки холостого хода на старом…
Dauer: 8:26
Gepostet: 20.01.2023
Mercedes Ke Jetronic- Co/Секционная регулировка винта (соотношение воздушного топлива …
www.youtube.com ›Watch
14.04.2021 · Mercedes.com› Watch
14.04.2021. Jetronic- Винтовая регулировка СО/смеси (регулировка соотношения воздух-топливо) Пластина датчика …
Dauer: 11:09
Прислан: 14.04.2021
Вопрос о регулировке смеси на холостом ходу K-Jet — BenzWorld.org
www. benzworld.org › … › R/C107 SL/SLC Class
Выберите положение винта, обеспечивающее максимально близкий к 50% (+/-10%) рабочий цикл как на холостом ходу, так и на 2500 об/мин. затем ОТСОЕДИНИТЕ O2 …
KE Jetronic — синхронизация и настройка
www.zeepoort.nl › jetronic › ke-jetronic-timing2
Здесь я также рассматриваю основные настройки, связанные с регулировкой топливной смеси.
