Π±Π»ΠΎΠΊ, ΡΠΈΠ»ΠΈΠ½Π΄Ρ, ΠΏΠΎΡΡΠ΅Π½Ρ, ΠΏΠΎΡΡΠ½Π΅Π²ΡΠ΅ ΠΊΠΎΠ»ΡΡΠ° ΠΈ ΡΠ°ΡΡΠ½
ΠΠ»Ρ Π±ΡΠ΄ΡΡΠ΅Π³ΠΎ Π°Π²ΡΠΎΠΌΠΎΠ±ΠΈΠ»ΡΠ½ΠΎΠ³ΠΎ ΠΌΠ΅Ρ Π°Π½ΠΈΠΊΠ°, Π΄ΠΈΠ°Π³Π½ΠΎΡΡΠ° ΡΡΡΡΠΎΠΉΡΡΠ²ΠΎ Π΄Π²ΠΈΠ³Π°ΡΠ΅Π»Ρ Π°Π²ΡΠΎΠΌΠΎΠ±ΠΈΠ»Ρ ΡΠ²Π»ΡΠ΅ΡΡΡ ΠΎΠ΄Π½ΠΎΠΉ ΠΈΠ· ΠΊΠ»ΡΡΠ΅Π²ΡΡ ΡΠ΅ΠΌ. ΠΠΌΠ΅Π½Π½ΠΎ Π΄Π²ΠΈΠ³Π°ΡΠ΅Π»Ρ ΠΎΠ±Π΅ΡΠΏΠ΅ΡΠΈΠ²Π°Π΅Ρ ΡΡΠ°Π½ΡΠΏΠΎΡΡΠ½ΠΎΠ΅ ΡΡΠ΅Π΄ΡΡΠ²ΠΎ ΡΠ½Π΅ΡΠ³ΠΈΠ΅ΠΉ, ΠΊΠΎΡΠΎΡΠ°Ρ Π½ΡΠΆΠ½Π° Π΄Π»Ρ Π΅Π³ΠΎ Π΄Π²ΠΈΠΆΠ΅Π½ΠΈΡ.ΒΠ§Π°ΡΠ΅ Π²ΡΠ΅Π³ΠΎ ΠΌΠ΅Ρ
Π°Π½ΠΈΠ·ΠΌ Π·Π°ΠΏΡΡΠΊΠ° ΡΡΡΡΠΎΠΉΡΡΠ²Π° Π΄Π²ΠΈΠ³Π°ΡΠ΅Π»Ρ Π°Π²ΡΠΎΠΌΠΎΠ±ΠΈΠ»Ρ Π²ΠΎΠ·ΠΌΠΎΠΆΠ΅Π½ Π·Π° ΡΡΡΡ ΠΏΡΠΈΠΌΠ΅Π½Π΅Π½ΠΈΡ Π±Π΅Π½Π·ΠΈΠ½Π° ΠΈΠ»ΠΈ Π΄ΠΈΠ·Π΅Π»Ρ (Π΄ΠΈΠ·Π΅Π»ΡΠ½ΠΎΠ³ΠΎ ΡΠΎΠΏΠ»ΠΈΠ²Π°). Π‘Π³ΠΎΡΠ°Π΅ΠΌΠΎΠ΅ Π²Π½ΡΡΡΠΈ ΠΌΠΎΡΠΎΡΠ° ΡΠΎΠΏΠ»ΠΈΠ²ΠΎ ΠΏΡΠΎΠ΄ΡΡΠΈΡΡΠ΅Ρ ΡΠ΅ΠΏΠ»ΠΎ, ΡΡΠΎ ΠΏΡΠΈΠ²ΠΎΠ΄ΠΈΡ ΠΊ ΡΠ²Π΅Π»ΠΈΡΠ΅Π½ΠΈΡ ΡΠ΅ΠΌΠΏΠ΅ΡΠ°ΡΡΡΡ Π³Π°Π·ΠΎΠ² Π²Π½ΡΡΡΠΈ ΡΠΈΠ»ΠΈΠ½Π΄ΡΠ° Π΄Π²ΠΈΠ³Π°ΡΠ΅Π»Ρ ΠΈ ΡΠΎΡΡΡ Π΄Π°Π²Π»Π΅Π½ΠΈΡ Π³Π°Π·ΠΎΠ². ΠΠΎΠ΄Π²ΠΈΠΆΠ½ΡΠ΅ ΡΠ°ΡΡΠΈ Π΄Π²ΠΈΠ³Π°ΡΠ΅Π»Ρ ΠΏΠΎΠ΄ ΠΈΡ
Π²Π»ΠΈΡΠ½ΠΈΠ΅ΠΌ Π²ΡΡΡΠΏΠ°ΡΡ Π² ΡΠ°Π±ΠΎΡΡ, ΠΈ ΡΠ΅ΠΏΠ»ΠΎΠ²Π°Ρ ΡΠ½Π΅ΡΠ³ΠΈΡ ΠΏΡΠ΅ΠΎΠ±ΡΠ°ΠΆΠ°Π΅ΡΡΡ Π² ΠΌΠ΅Ρ
Π°Π½ΠΈΡΠ΅ΡΠΊΡΡ.
ΠΠ°Π·ΠΎΠ²ΡΠ΅ ΡΠ°ΡΡΠΈ Π΄Π²ΠΈΠ³Π°ΡΠ΅Π»Ρ
Π§ΡΠΎΠ±Ρ Ρ ΠΎΡΠΎΡΠΎ ΠΏΠΎΠ½ΠΈΠΌΠ°ΡΡ ΡΡΡΡΠΎΠΉΡΡΠ²ΠΎ Π΄Π²ΠΈΠ³Π°ΡΠ΅Π»Ρ Π°Π²ΡΠΎΠΌΠΎΠ±ΠΈΠ»Ρ, Π²Π°ΠΆΠ½ΠΎ ΡΠ°Π·Π±ΠΈΡΠ°ΡΡΡΡ, ΡΡΠΎ ΠΈΠ· ΡΠ΅Π±Ρ ΠΏΡΠ΅Π΄ΡΡΠ°Π²Π»ΡΠ΅Ρ Π±Π»ΠΎΠΊ, ΡΠΈΠ»ΠΈΠ½Π΄Ρ, ΠΏΠΎΡΡΠ΅Π½Ρ, ΠΏΠΎΡΡΠ½Π΅Π²ΡΠ΅ ΠΊΠΎΠ»ΡΡΠ° ΠΈ ΡΠ°ΡΡΠ½.
ΠΠ»ΠΎΠΊΒ
ΠΠ΅ΡΠ°Π»Π»ΠΈΡΠ΅ΡΠΊΡΡ ΠΎΡΠ½ΠΎΠ²Ρ ΠΌΠΎΡΠΎΡΠ°, ΠΎΡΡΠΎΠ² Π½Π°Π·ΡΠ²Π°ΡΡ Π±Π»ΠΎΠΊΠΎΠΌ. ΠΡΠΎ ΠΊΠΎΡΠΏΡΡΠ½Π°Ρ Π΄Π΅ΡΠ°Π»Ρ. ΠΠΌΠ΅Π½Π½ΠΎ ΠΊ Π±Π»ΠΎΠΊΡ ΠΊΡΠ΅ΠΏΡΡΡΡ ΠΌΠ΅Ρ Π°Π½ΠΈΠ·ΠΌΡ ΠΈ ΠΎΡΠ΄Π΅Π»ΡΠ½ΡΠ΅ ΡΠ°ΡΡΠΈ ΠΌΠΎΡΠΎΡΠ° ΠΈ Π΅Π³ΠΎ ΡΠΈΡΡΠ΅ΠΌ.
ΠΠ½ΠΎΠ³Π΄Π° ΠΌΠΎΠΆΠ½ΠΎ Π²ΡΡΡΠ΅ΡΠΈΡΡΡΡ Ρ ΡΠ΅ΡΠΌΠΈΠ½ΠΎΠΌ Β«Π±Π»ΠΎΠΊΒ», ΠΈΠ½ΠΎΠ³Π΄Π° β Ρ ΡΠ΅ΡΠΌΠΈΠ½Π°ΠΌΠΈ Β«Π±Π»ΠΎΠΊ Π΄Π²ΠΈΠ³Π°ΡΠ΅Π»ΡΒ», Β«Π±Π»ΠΎΠΊ ΡΠΈΠ»ΠΈΠ½Π΄ΡΠΎΠ²Β». ΠΡΡ ΡΡΠΎ ΠΎΠ΄Π½ΠΎ ΠΈ ΡΠΎΠΆΠ΅.
ΠΠ»ΠΎΠΊ Π΄Π²ΠΈΠ³Π°ΡΠ΅Π»Ρ Π±Π΅ΡΡΡ Π½Π° ΡΠ΅Π±Ρ ΡΠ΅ΡΡΡΠ·Π½ΡΠ΅ Π½Π°Π³ΡΡΠ·ΠΊΠΈ. ΠΠΎΡΡΠΎΠΌΡ ΠΊΠΎΠ½ΡΡΠΎΠ»Ρ ΠΊΠ°ΡΠ΅ΡΡΠ²Π° ΠΏΡΠΈ Π΅Π³ΠΎ ΠΈΠ·Π³ΠΎΡΠΎΠ²Π»Π΅Π½ΠΈΠΈ Π΄ΠΎΠ»ΠΆΠ΅Π½ Π±ΡΡΡ ΠΏΡΠ΅Π΄Π΅Π»ΡΠ½ΠΎ Π²ΡΡΠΎΠΊ. ΠΠ³ΡΠΎΠΌΠ½ΠΎΠ΅ Π²Π½ΠΈΠΌΠ°Π½ΠΈΠ΅ ΡΠ΄Π΅Π»ΡΠ΅ΡΡΡ ΠΊΠ°ΠΊ ΠΌΠ°ΡΠ΅ΡΠΈΠ°Π»Ρ, ΡΠ°ΠΊ ΠΈ ΡΡΠΎΠ²Π½Ρ ΡΠΎΡΠ½ΠΎΡΡΠΈ ΠΈΠ·Π³ΠΎΡΠΎΠ²Π»Π΅Π½ΠΈΡ Π΄Π΅ΡΠ°Π»ΠΈ. ΠΠ»Ρ ΠΏΡΠΎΠΈΠ·Π²ΠΎΠ΄ΡΡΠ²Π° ΠΈΡΠΏΠΎΠ»ΡΠ·ΡΡΡΡΡ Π²ΡΡΠΎΠΊΠΎΡΠΎΡΠ½ΡΠ΅ ΡΡΠ°Π½ΠΊΠΈ.
Π Π°Π½ΡΡΠ΅ Π±Π»ΠΎΠΊΠΈ ΠΈΠ·Π³ΠΎΡΠ°Π²Π»ΠΈΠ²Π°Π»ΠΈ ΠΈΠ· ΠΏΠ΅ΡΠ»ΠΈΡΠ½ΠΎΠ³ΠΎ ΡΡΠ³ΡΠ½Π° Ρ Π»Π΅Π³ΠΈΡΡΡΡΠΈΠΌΠΈ Π΄ΠΎΠ±Π°Π²ΠΊΠ°ΠΌΠΈ. ΠΠΎΠΏΡΠ»ΡΡΠ½ΠΎΡΡΡ ΡΡΠ³ΡΠ½Π° ΠΏΡΠΈ ΠΈΠ·Π³ΠΎΡΠΎΠ²Π»Π΅Π½ΠΈΠΈ Π±Π»ΠΎΠΊΠΎΠ² Π»Π΅Π³ΠΊΠΎ ΠΎΠ±ΡΡΡΠ½ΠΈΠΌΠ° ΡΠ΅ΠΌ, ΡΡΠΎ ΠΌΠ°ΡΠ΅ΡΠΈΠ°Π» ΠΈΠ·Π½ΠΎΡΠΎΡΡΠΎΠ΅ΠΊ, ΡΡΠ°Π±ΠΈΠ»Π΅Π½ ΠΏΠΎ ΡΠ²ΠΎΠΈΠΌ ΡΠ²ΠΎΠΉΡΡΠ²Π°ΠΌ, ΠΌΠ°Π»ΠΎΡΡΠ²ΡΡΠ²ΠΈΡΠ΅Π»Π΅Π½ ΠΊ ΠΏΠ΅ΡΠ΅Π³ΡΠ΅Π²Ρ, Π°Π΄Π°ΠΏΡΠΈΠ²Π΅Π½ ΠΊ ΡΠ΅ΠΌΠΎΠ½ΡΡ. Π‘Π΅ΠΉΡΠ°Ρ Π½Π΅ΠΊΠΎΡΠΎΡΡΠ΅ ΠΏΡΠΎΠΈΠ·Π²ΠΎΠ΄ΠΈΡΠ΅Π»ΠΈ ΡΠ°ΠΊΠΆΠ΅ Π²ΡΠΏΡΡΠΊΠ°ΡΡ Π±Π»ΠΎΠΊΠΈ ΠΈΠ· Π°Π»ΡΠΌΠΈΠ½ΠΈΠ΅Π²ΠΎΠ³ΠΎ, ΠΌΠ°Π³Π½ΠΈΠ΅Π²ΠΎΠ³ΠΎ ΡΠΏΠ»Π°Π²Π°. Π ΡΡΠΎΠΌ ΡΠ»ΡΡΠ°Π΅ Π΅ΡΡΡ Π²ΡΠΈΠ³ΡΡΡ, ΡΠ²ΡΠ·Π°Π½Π½ΡΠΉ Ρ Π²Π΅ΡΠΎΠΌ ΠΌΠΎΡΠΎΡΠ°. ΠΡΠΎ ΠΎΡΠ΅Π½Ρ Π°ΠΊΡΡΠ°Π»ΡΠ½ΠΎ Π΄Π»Ρ Π±Π»ΠΎΠΊΠΎΠ² ΠΌΠΎΡΠΎΡΠΎΠ² ΡΠΏΠΎΡΡΠΊΠ°ΡΠΎΠ².
Π¦ΠΈΠ»ΠΈΠ½Π΄ΡΒ
Π ΡΠ΄ΠΎΠΌ Ρ ΠΏΠΎΠ½ΡΡΠΈΠ΅ΠΌ Β«Π±Π»ΠΎΠΊΒ» ΡΡΠΎΠΈΡ ΠΏΠΎΠ½ΡΡΠΈΠ΅ Β«ΡΠΈΠ»ΠΈΠ½Π΄ΡΒ». ΠΠΎΠ΄ ΡΠΈΠ»ΠΈΠ½Π΄ΡΠΎΠΌ ΠΏΠΎΠ΄ΡΠ°Π·ΡΠΌΠ΅Π²Π°Π΅ΡΡΡ ΡΠΈΠ»ΠΈΠ½Π΄ΡΠΈΡΠ΅ΡΠΊΠΎΠ΅ ΠΎΡΠ²Π΅ΡΡΡΠΈΠ΅, Π²ΡΡΠ²Π΅ΡΠ»Π΅Π½Π½ΠΎΠ΅ Π² Π±Π»ΠΎΠΊΠ΅.Β Π’ΠΎ Π΅ΡΡΡ ΡΡΠΎ ΡΠ°Π±ΠΎΡΠ°Ρ ΠΊΠ°ΠΌΠ΅ΡΠ° ΠΎΠ±ΡΡΠΌΠ½ΠΎΠ³ΠΎ Π²ΡΡΠ΅ΡΠ½Π΅Π½ΠΈΡ.
Π£ΠΏΠ»ΠΎΡΠ½Π΅Π½ΠΈΠ΅ Π²Π΅ΡΡ Π½Π΅ΠΉ ΡΡΠΎΡΠΎΠ½Ρ ΡΠΈΠ»ΠΈΠ½Π΄ΡΠ° ΠΎΠ±Π΅ΡΠΏΠ΅ΡΠΈΠ²Π°Π΅Ρ Π³ΠΎΠ»ΠΎΠ²ΠΊΠ°. ΠΠΌΠ΅Π½Π½ΠΎ Π² Π½Π΅ΠΉ Π½Π°Ρ ΠΎΠ΄ΡΡΡΡ:Β
- ΠΠ»Π°ΠΏΠ°Π½Ρ. ΠΠ±Π΅ΡΠΏΠ΅ΡΠΈΠ²Π°ΡΡ (Π² ΠΏΡΠΎΡΠ΅ΡΡΠ΅ ΠΎΡΠΊΡΡΡΠΈΡ-Π·Π°ΠΊΡΡΡΠΈΡ) ΠΏΠΎΡΡΡΠΏΠ»Π΅Π½ΠΈΠ΅ Π² ΡΠΈΠ»ΠΈΠ½Π΄Ρ Π²ΠΎΠ·Π΄ΡΡ Π°, ΡΠΎΠΏΠ»ΠΈΠ²ΠΎΠ²ΠΎΠ·Π΄ΡΡΠ½ΠΎΠΉ ΡΠΌΠ΅ΡΠΈ. Π’Π°ΠΊΠΆΠ΅ ΡΡΠ΅Π΄ΠΈ ΡΡΠ½ΠΊΡΠΈΠΉ ΠΊΠ»Π°ΠΏΠ°Π½ΠΎΠ² ΠΎΠ±Π΅ΡΠΏΠ΅ΡΠΈΠ²Π°ΡΡ ΠΎΡΠΈΡΡΠΊΡ ΠΊΠ°ΠΌΠ΅ΡΡ ΡΠ³ΠΎΡΠ°Π½ΠΈΡ ΡΠΈΠ»ΠΈΠ½Π΄ΡΠ° ΠΎΡ ΠΎΡΡΠ°Π±ΠΎΡΠ°Π²ΡΠΈΡ (Π²ΡΡ Π»ΠΎΠΏΠ½ΡΡ ) Π³Π°Π·ΠΎΠ². ΠΠ°ΠΊΡΡΡΠΈΠ΅ ΠΊΠ»Π°ΠΏΠ°Π½ΠΎΠ² ΠΈ ΡΠ΄Π΅ΡΠΆΠ°Π½ΠΈΠ΅ ΠΈΡ Π² ΡΠ°ΠΊΠΎΠΌ ΡΠΎΡΡΠΎΡΠ½ΠΈΠΈ ΠΎΠ±Π΅ΡΠΏΠ΅ΡΠΈΠ²Π°ΡΡ ΠΊΠ»Π°ΠΏΠ°Π½Π½ΡΠ΅ ΠΏΡΡΠΆΠΈΠ½Ρ.
- Π Π°ΡΠΏΡΠ΅Π΄Π²Π°Π»Ρ (ΡΠ»Π΅ΠΌΠ΅Π½ΡΡ ΠΏΡΠΈΠ²ΠΎΠ΄Π° ΠΊΠ»Π°ΠΏΠ°Π½ΠΎΠ²). ΠΡ Π½ΠΈΡ Π·Π°Π²ΠΈΡΠΈΡ ΡΠΎ, ΠΊΠ°ΠΊ ΠΎΡΠΊΡΡΠ²Π°ΡΡΡΡ ΠΊΠ»Π°ΠΏΠ°Π½Ρ, ΡΠΊΠΎΠ»ΡΠΊΠΎ Π²ΡΠ΅ΠΌΠ΅Π½ΠΈ ΠΎΠ½ΠΈ Π½Π°Ρ ΠΎΠ΄ΡΡΡΡ Π² ΠΎΡΠΊΡΡΡΠΎΠΌ ΡΠΎΡΡΠΎΡΠ½ΠΈΠΈ
- ΠΠ΅Ρ Π°Π½ΠΈΠ·ΠΌΡ ΠΏΡΠΈΠ²ΠΎΠ΄Π° ΠΊΠ»Π°ΠΏΠ°Π½ΠΎΠ². Π€ΡΠ½ΠΊΡΠΈΡ ΠΈΠ΄Π΅Π½ΡΠΈΡΠ½Π°. Π, ΠΊΠ°ΠΊ Π²ΠΈΠ΄Π½ΠΎ, ΠΈΠ· Π½Π°Π·Π²Π°Π½ΠΈΡ β ΡΡΠΎ ΠΏΡΠΈΠ²ΠΎΠ΄ ΠΊΠ»Π°ΠΏΠ°Π½ΠΎΠ². ΠΠΎ ΡΠ°ΠΌΠΈ ΠΌΠ΅Ρ Π°Π½ΠΈΠ·ΠΌΡ ΠΌΠΎΠ³ΡΡ Π±ΡΡΡ ΡΠ°Π·Π½ΡΠΌΠΈ. ΠΡΡ Π·Π°Π²ΠΈΡΠΈΡ ΠΎΡ ΠΌΠΎΡΠΎΡΠ°: Π½Π°ΠΏΡΠΈΠΌΠ΅Ρ, Π±Π΅Π½Π·ΠΈΠ½ΠΎΠ²ΡΠΉ, Π΄ΠΈΠ·Π΅Π»ΡΠ½ΡΠΉ.
Π¦ΠΈΠ»ΠΈΠ½Π΄Ρ ΠΈΠ³ΡΠ°Π΅Ρ ΡΠΎΠ»Ρ Π½Π°ΠΏΡΠ°Π²Π»ΡΡΡΠ΅Π³ΠΎ Π΄Π»Ρ ΠΏΠΎΡΡΠ½Ρ.
ΠΠΎΡΡΠ΅Π½Ρ, ΠΏΠΎΡΡΠ½Π΅Π²ΡΠ΅ ΠΊΠΎΠ»ΡΡΠ° ΠΈ ΡΠ°ΡΡΠ½
Π¦ΠΈΠ»ΠΈΠ½Π΄ΡΠΈΡΠ΅ΡΠΊΠ°Ρ Π΄Π΅ΡΠ°Π»Ρ ΠΈΠ»ΠΈ ΡΠΎΠ²ΠΎΠΊΡΠΏΠ½ΠΎΡΡΡ Π΄Π΅ΡΠ°Π»Π΅ΠΉ, ΠΊΠΎΡΠΎΡΠ°Ρ ΠΏΡΠ΅ΠΎΠ±ΡΠ°Π·ΡΠ΅Ρ ΡΠ½Π΅ΡΠ³ΠΈΡ Π³ΠΎΡΠ΅Π½ΠΈΡ ΡΠΎΠΏΠ»ΠΈΠ²ΠΎ Π² ΠΌΠ΅Ρ Π°Π½ΠΈΡΠ΅ΡΠΊΡΡ ΡΠ½Π΅ΡΠ³ΠΈΡ, Π½Π°Π·ΡΠ²Π°Π΅ΡΡΡ ΠΏΠΎΡΡΠ½Π΅ΠΌ.

Π ΠΏΡΠΎΡΠΎΡΠΊΠ°Ρ Π½Π° Π±ΠΎΠΊΠΎΠ²ΠΎΠΉ ΠΏΠΎΠ²Π΅ΡΡ Π½ΠΎΡΡΠΈ ΠΏΠΎΡΡΠ½Ρ Π²ΡΡΠ°Π²Π»Π΅Π½Ρ ΠΏΠΎΡΡΠ½Π΅Π²ΡΠ΅ ΠΊΠΎΠ»ΡΡΠ°. ΠΠ»Π°Π³ΠΎΠ΄Π°ΡΡ ΠΈΠΌ ΠΌΠ΅ΠΆΠ΄Ρ ΠΏΠΎΡΡΠ½Π΅ΠΌ ΠΈ ΡΡΠ΅Π½ΠΊΠΎΠΉ ΡΠΈΠ»ΠΈΠ½Π΄ΡΠ° ΡΠΎΠ·Π΄Π°ΡΡΡΡ ΡΠΏΠ»ΠΎΡΠ½Π΅Π½ΠΈΠ΅. ΠΠ°Π΄Π°ΡΠ° ΠΏΠΎΡΡΠ½Π΅Π²ΡΡ ΠΊΠΎΠ»Π΅Ρ Π·Π°ΠΊΠ»ΡΡΠ°Π΅ΡΡΡ Π² ΡΠΎΠ·Π΄Π°Π½ΠΈΠΈ Π±Π°ΡΡΠ΅ΡΠ° Π΄Π»Ρ ΠΏΠ΅ΡΠ΅ΡΠ΅ΠΊΠ°Π½ΠΈΡ ΠΈΠ· ΠΊΠ°ΠΌΠ΅ΡΡ ΡΠ³ΠΎΡΠ°Π½ΠΈΡ Π² ΠΊΠ°ΡΡΠ΅Ρ ΠΊΠΎΠ»Π΅Π½ΡΠ°ΡΠΎΠ³ΠΎ Π²Π°Π»Π° Π³Π°Π·ΠΎΠ².
Π‘ΡΠ΅Π΄ΠΈ Π·Π°Π΄Π°Ρ ΠΏΠΎΡΡΠ½Ρ:
- ΠΠΊΠ°Π·Π°Π½ΠΈΠ΅ ΡΠΈΠ»ΠΎΠ²ΠΎΠ³ΠΎ Π²ΠΎΠ·Π΄Π΅ΠΉΡΡΠ²ΠΈΡ Π½Π° ΡΠ°ΡΡΠ½.
- ΠΡΠ²ΠΎΠ΄ ΡΠ΅ΠΏΠ»Π° ΠΎΡ ΠΊΠ°ΠΌΠ΅ΡΡ ΡΠ³ΠΎΡΠ°Π½ΠΈΡ.
- ΠΠ΅ΡΠΌΠ΅ΡΠΈΠ·Π°ΡΠΈΡ ΠΊΠ°ΠΌΠ΅ΡΡ ΡΠ³ΠΎΡΠ°Π½ΠΈΡ.
ΠΠΎΠ΄Π²ΠΈΠΆΠ½ΠΎΠ΅ ΡΠΎΠ΅Π΄ΠΈΠ½Π΅Π½ΠΈΠ΅ ΠΌΠ΅ΠΆΠ΄Ρ ΠΏΠΎΡΡΠ½Π΅ΠΌ ΠΈ ΠΊΠΎΠ»Π΅Π½ΡΠ°ΡΡΠΌ Π²Π°Π»ΠΎΠΌ ΠΎΠ±Π΅ΡΠΏΠ΅ΡΠΈΠ²Π°Π΅Ρ ΡΠ°ΡΡΠ½. ΠΠΌΠ΅Π½Π½ΠΎ ΡΠ°ΡΡΠ½ ΠΏΠ΅ΡΠ΅Π΄Π°ΡΡ ΡΠΈΠ»Ρ Π΄Π²ΠΈΠΆΡΡΠ΅Π³ΠΎΡΡ ΠΏΠΎΡΡΠ½Ρ ΠΊ Π²ΡΠ°ΡΠ°ΡΡΠ΅ΠΌΡΡΡ ΠΊΠΎΠ»Π΅Π½ΡΠ°ΡΠΎΠΌΡ Π²Π°Π»Ρ.
ΠΠΎΠ»Π΅Π½ΡΠ°ΡΡΠΉ Π²Π°Π»Β
ΠΠΎΠ»Π΅Π½ΡΠ°ΡΡΠΉ Π²Π°Π» β ΡΡΠΎ Π²Π°ΠΆΠ½Π°Ρ ΡΠΎΡΡΠ°Π²Π»ΡΡΡΠ°Ρ ΠΊΡΠΈΠ²ΠΎΡΠΈΠΏΠ½ΠΎ-ΡΠ°ΡΡΠ½Π½ΠΎΠ³ΠΎ ΠΌΠ΅Ρ Π°Π½ΠΈΠ·ΠΌΠ°. ΠΡΠΈΠ²ΠΎΡΠΈΠΏ ΠΊΠΎΠ»Π΅Π½ΡΠ°ΡΠΎΠ³ΠΎ Π²Π°Π»Π° ΡΠΎΠ·Π΄Π°Π΅Ρ Π²ΠΎΠ·Π²ΡΠ°ΡΠ½ΠΎ-ΠΏΠΎΡΡΡΠΏΠ°ΡΠ΅Π»ΡΠ½ΠΎΠ΅ Π΄Π²ΠΈΠΆΠ΅Π½ΠΈΠ΅ ΠΏΠΎΡΡΠ½Ρ ΡΠ΅ΡΠ΅Π· ΡΠ°ΡΡΠ½ (ΠΏΠΎΠ΄Π²ΠΈΠΆΠ½ΡΠΉ ΡΠ»Π΅ΠΌΠ΅Π½Ρ), ΡΠΎ Π΅ΡΡΡ Π²ΠΎΠ·Π²ΡΠ°ΡΠ½ΠΎ-ΠΏΠΎΡΡΡΠΏΠ°ΡΠ΅Π»ΡΠ½ΠΎΠ΅ Π΄Π²ΠΈΠΆΠ΅Π½ΠΈΠ΅ ΠΏΠΎΡΡΠ½Ρ ΠΏΡΠ΅Π²ΡΠ°ΡΠ°Π΅ΡΡΡ Π² ΠΊΡΡΡΡΡΠΈΠΉ ΠΌΠΎΠΌΠ΅Π½Ρ. Π€ΠΈΠ·ΠΈΡΠ΅ΡΠΊΠΈ ΠΊΠΎΠ»Π΅Π½Π²Π°Π» ΡΠ°ΡΠΏΠΎΠ»ΠΎΠΆΠ΅Π½ Π² Π½ΠΈΠΆΠ½Π΅ΠΉ ΡΠ°ΡΡΠΈ Π΄Π²ΠΈΠ³Π°ΡΠ΅Π»Ρ. Π‘Π½ΠΈΠ·Ρ ΠΊΠΎΠ»Π΅Π½Π²Π°Π» ΠΏΡΠΈΠΊΡΡΡ ΠΊΠ°ΡΡΠ΅ΡΠΎΠΌ β ΡΠ°ΠΌΠΎΠΉ Π²Π½ΡΡΠΈΡΠ΅Π»ΡΠ½ΠΎΠΉ Π½Π΅ΠΏΠΎΠ΄Π²ΠΈΠΆΠ½ΠΎΠΉ ΠΈ ΠΏΠΎΠ»ΠΎΠΉ ΡΠ°ΡΡΡΡ Π΄Π²ΠΈΠ³Π°ΡΠ΅Π»Ρ, Π·Π°ΠΊΡΠ΅ΠΏΠ»ΡΠ½Π½ΠΎΠΉ Π½Π° Π±Π»ΠΎΠΊΠ΅ ΡΠ±ΠΎΠΊΡ.
ΠΠΈΠ·ΡΠ°Π»ΡΠ½ΠΎ ΠΊΠ°ΡΡΠ΅Ρ Π½Π°ΠΏΠΎΠΌΠΈΠ½Π°Π΅Ρ ΠΏΠΎΠ΄Π΄ΠΎΠ½.ΠΠΎΠ½ΡΡΡΡΠΊΡΠΈΡ ΠΊΠΎΠ»Π΅Π½ΡΠ°ΡΠΎΠ³ΠΎ Π²Π°Π»Π° ΡΠΎΡΡΠΎΠΈΡ ΠΈΠ· Π½Π΅ΡΠΊΠΎΠ»ΡΠΊΠΎ ΡΠ΅Π΅ΠΊ (ΠΊΠΎΡΠ΅Π½Π½ΡΡ ΠΈ ΡΠ°ΡΡΠ½Π½ΡΡ ). ΠΠ½ΠΈ ΡΠΎΠ΅Π΄ΠΈΠ½Π΅Π½Ρ ΡΠ΅ΠΊΠ°ΠΌΠΈ, ΡΠΎΠ΅Π΄ΠΈΠ½Π΅Π½Π½ΡΡ ΠΌΠ΅ΠΆΠ΄Ρ ΡΠΎΠ±ΠΎΠΉ ΡΠ΅ΠΊΠ°ΠΌΠΈ. ΠΠ΅ΡΡΠΎ ΠΏΠ΅ΡΠ΅Ρ ΠΎΠ΄Π° ΠΎΡ ΡΠ΅ΠΉΠΊΠΈ ΠΊ ΡΠ΅ΠΊΠ΅ Π²ΡΠ΅Π³Π΄Π° ΡΠ²Π»ΡΠ΅ΡΡΡ ΡΠ°ΠΌΡΠΌ Π½Π°Π³ΡΡΠΆΠ΅Π½Π½ΡΠΌ Ρ ΠΊΠΎΠ»Π΅Π½Π²Π°Π»Π°.
ΠΠ° ΠΊΠΎΠ»Π΅Π½ΡΠ°ΡΡΠΉ Π²Π°Π» ΠΏΡΠΈΡ
ΠΎΠ΄ΡΡΡΡ ΠΏΠ΅ΡΠ΅ΠΌΠ΅Π½Π½ΡΠ΅ Π½Π°Π³ΡΡΠ·ΠΊΠΈ ΠΎΡ ΡΠΈΠ» Π΄Π°Π²Π»Π΅Π½ΠΈΡ Π³Π°Π·ΠΎΠ².
ΠΠ»Ρ ΡΠΎΠ³ΠΎ, ΡΡΠΎΠ±Ρ Π½Π΅ Π²ΠΎΠ·Π½ΠΈΠΊΠ°Π»ΠΎ ΠΎΡΠ΅Π²ΡΡ
ΠΏΠ΅ΡΠ΅ΠΌΠ΅ΡΠ΅Π½ΠΈΠΉ ΠΊΠΎΠ»Π΅Π½ΡΠ°ΡΠΎΠ³ΠΎ Π²Π°Π»Π°, ΠΈΡΠΏΠΎΠ»ΡΠ·ΡΠ΅ΡΡΡ ΡΠΏΠΎΡΠ½ΡΠΉ ΠΏΠΎΠ΄ΡΠΈΠΏΠ½ΠΈΠΊ ΡΠΊΠΎΠ»ΡΠΆΠ΅Π½ΠΈΡ. ΠΠ½ ΡΡΡΠ°Π½Π°Π²Π»ΠΈΠ²Π°Π΅ΡΡΡ Π½Π° ΠΎΠ΄Π½ΠΎΠΉ ΠΈΠ· ΡΠ΅Π΅ΠΊ (ΡΡΠ΅Π΄Π½Π΅ΠΉ ΠΈΠ»ΠΈ ΠΊΡΠ°ΠΉΠ½Π΅ΠΉ).
ΠΠ΅ΡΠΊΠΎΠ»ΡΠΊΠΎ Π²Π°ΠΆΠ½ΡΡ ΡΠ΅ΡΠΌΠΈΠ½ΠΎΠ², ΠΊΠ°ΡΠ°ΡΡΠΈΡ ΡΡ ΡΡΡΡΠΎΠΉΡΡΠ²Π° Π΄Π²ΠΈΠ³Π°ΡΠ΅Π»Ρ Π°Π²ΡΠΎΠΌΠΎΠ±ΠΈΠ»Ρ
ΠΠ°ΠΌΠ΅ΡΠ° ΡΠ³ΠΎΡΠ°Π½ΠΈΡ βΠ·Π°ΠΌΠΊΠ½ΡΡΠΎΠ΅ ΠΏΡΠΎΡΡΡΠ°Π½ΡΡΠ²ΠΎ, Π³Π΄Π΅ ΠΎΡΡΡΠ΅ΡΡΠ²Π»ΡΠ΅ΡΡΡ Π²ΠΎΡΠΏΠ»Π°ΠΌΠ΅Π½Π΅Π½ΠΈΠ΅ ΠΈ Π³ΠΎΡΠ΅Π½ΠΈΠ΅ ΡΠΎΠΏΠ»ΠΈΠ²ΠΎΠ²ΠΎΠ·Π΄ΡΡΠ½ΠΎΠΉ ΡΠΌΠ΅ΡΠΈ. Π‘Π²Π΅ΡΡ Ρ ΠΊΠ°ΠΌΠ΅ΡΠ° ΡΠ³ΠΎΡΠ°Π½ΠΈΡ ΠΎΠ³ΡΠ°Π½ΠΈΡΠ΅Π½Π° Π½ΠΈΠΆΠ½Π΅ΠΉ ΠΏΠΎΠ²Π΅ΡΡ Π½ΠΎΡΡΡΡ Π³ΠΎΠ»ΠΎΠ²ΠΊΠΈ ΡΠΈΠ»ΠΈΠ½Π΄ΡΠ°, ΡΠ±ΠΎΠΊΡ β ΡΡΠ΅Π½ΠΊΠ°ΠΌΠΈ ΡΠΈΠ»ΠΈΠ½Π΄ΡΠ°, ΡΠ½ΠΈΠ·Ρ βΠ΄Π½ΠΈΡΠ΅ΠΌ ΠΏΠΎΡΡΠ½Ρ.
ΠΠΎΡΠΎΠΌΡΡΠ»Π° (ΡΠΎΠΊΠ΅ΡΡ).
ΠΠ΅ΡΠ°Π»ΠΈ Π΄Π²ΠΈΠ³Π°ΡΠ΅Π»Ρ, ΡΡΠ½ΠΊΡΠΈΠΈ ΠΊΠΎΡΠΎΡΡΡ
Π·Π°ΠΊΠ»ΡΡΠ°ΡΡΡΡ Π² ΠΏΠ΅ΡΠ΅Π΄Π°ΡΠ΅ Π΄Π²ΠΈΠΆΠ΅Π½ΠΈΡ ΠΎΡ ΡΠ°ΡΠΏΡΠ΅Π΄Π΅Π»ΠΈΡΠ΅Π»ΡΠ½ΠΎΠ³ΠΎ Π²Π°Π»Π° ΠΊ ΠΊΠ»Π°ΠΏΠ°Π½Π°ΠΌ.ΠΠ°Ρ ΠΎΠ²ΠΈΠΊ. ΠΠ΅ΡΠ°Π»Ρ, ΠΎΡΠ²Π΅ΡΡΡΠ²Π΅Π½Π½Π°Ρ Π·Π° ΠΎΠ±Π΅ΡΠΏΠ΅ΡΠ΅Π½ΠΈΠ΅ ΡΠ°Π²Π½ΠΎΠΌΠ΅ΡΠ½ΠΎΠ³ΠΎ Π²ΡΠ°ΡΠ΅Π½ΠΈΡ ΠΊΠΎΠ»Π΅Π½ΡΠ°ΡΠΎΠ³ΠΎ Π²Π°Π»Π°. ΠΠ° ΡΠΈΠ»ΠΈΠ½Π΄ΡΠΈΡΠ΅ΡΠΊΠΎΠΉ ΡΡΡΠ°Π½Π°Π²Π»ΠΈΠ²Π°Π΅ΡΡΡ Π·ΡΠ±ΡΠ°ΡΡΠΉ Π²Π΅Π½Π΅Ρ. ΠΠ½ ΠΏΠΎΠΌΠΎΠ³Π°Π΅Ρ ΠΏΡΠΎΠ²Π΅ΡΡΠΈ ΠΏΡΡΠΊ ΡΠ»Π΅ΠΊΡΡΠΎΡΡΠ°ΡΡΠ΅ΡΠ°.
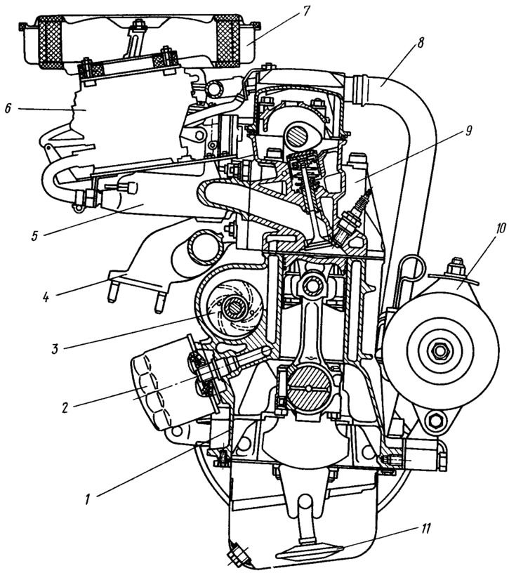
ΠΠ° ΡΡ Π΅ΠΌΠ΅ ΠΏΡΠ΅Π΄ΡΡΠ°Π²Π»Π΅Π½ΠΎ ΡΠ°ΡΠΏΠΎΠ»ΠΎΠΆΠ΅Π½ΠΈΠ΅ ΠΎΡΠ½ΠΎΠ²Π½ΡΡ ΡΠ°ΡΡΠ΅ΠΉ Π΄Π²ΠΈΠ³Π°ΡΠ΅Π»Ρ ΠΏΡΠΈ ΡΠ°ΡΡΠΌΠΎΡΡΠ΅Π½ΠΈΠΈ Π΅Π³ΠΎ ΡΠΎ ΡΡΠΎΡΠΎΠ½Ρ Π΅Π³ΠΎ Π·Π°Π΄Π½Π΅ΠΉ ΡΠ°ΡΡΠΈ. ΠΠ° ΡΠ»Π°Π½ΡΠ΅ ΠΊΠΎΠ»Π΅Π½ΡΠ°ΡΠΎΠ³ΠΎ Π²Π°Π»Π° Π²ΠΈΠ΄Π½Ρ ΠΎΡΠ²Π΅ΡΡΡΠΈΡ ΠΏΠΎΠ΄ Π±ΠΎΠ»ΡΡ, Ρ ΠΏΠΎΠΌΠΎΡΡΡ ΠΊΠΎΡΠΎΡΡΡ ΠΊ ΡΠ»Π°Π½ΡΡ ΠΊΡΠ΅ΠΏΠΈΡΡΡ ΠΌΠ°Ρ ΠΎΠ²ΠΈΠΊ Ρ Π·ΡΠ±ΡΠ°ΡΡΠΌ Π²Π΅Π½ΡΠΎΠΌ, ΠΈΠ»ΠΈ ΠΏΠ»Π°ΡΠΈΠ½Π° ΠΏΡΠΈΠ²ΠΎΠ΄Π° Π³ΠΈΠ΄ΡΠ°Π²Π»ΠΈΡΠ΅ΡΠΊΠΎΠ³ΠΎ ΡΡΠ°Π½ΡΡΠΎΡΠΌΠ°ΡΠΎΡΠ° Π°Π²ΡΠΎΠΌΠ°ΡΠΈΡΠ΅ΡΠΊΠΎΠΉ ΡΡΠ°Π½ΡΠΌΠΈΡΡΠΈΠΈ. ΠΡΡΠΎΡΠ½ΠΈΠΊ: Ford.
ΠΠ²ΡΠΎΠΌΠΎΠ±ΠΈΠ»ΡΠ½ΡΠ΅ Π΄Π²ΠΈΠ³Π°ΡΠ΅Π»ΠΈ
ΠΠΎΠ»ΡΡΠΈΠ½ΡΡΠ²ΠΎ Π΄Π²ΠΈΠ³Π°ΡΠ΅Π»Π΅ΠΉ Π°Π²ΡΠΎΠΌΠΎΠ±ΠΈΠ»Π΅ΠΉ ΠΌΠ½ΠΎΠ³ΠΎΡΠΈΠ»ΠΈΠ½Π΄ΡΠΎΠ²ΡΠ΅. ΠΡΠΎ Π·Π½Π°ΡΠΈΡ ΠΏΡΠΈ ΡΠ°Π±ΠΎΡΠ΅ ΠΈΡΠΏΠΎΠ»ΡΠ·ΡΠ΅ΡΡΡ Π΄Π²Π° ΠΈΠ»ΠΈ Π½Π΅ΡΠΊΠΎΠ»ΡΠΊΠΎ ΡΠΈΠ»ΠΈΠ½Π΄ΡΠΎΠ² ΠΈ Π΄Π²Π° ΠΈΠ»ΠΈ Π½Π΅ΡΠΊΠΎΠ»ΡΠΊΠΎ ΠΏΠΎΡΡΠ½Π΅ΠΉ.Β ΒΠΠ²ΡΠΎΠΏΡΠΎΠΌ Π²ΡΠΏΡΡΠΊΠ°Π΅Ρ ΠΌΠ°ΡΠΈΠ½Ρ Ρ 2-; 3-; 4-; 5-; 6; 8-; 10- ΠΈ 12-ΡΠΈΠ»ΠΈΠ½Π΄ΡΠΎΠ²ΡΠΌΠΈ Π΄Π²ΠΈΠ³Π°ΡΠ΅Π»ΡΠΌΠΈ.Β
Π§Π΅ΠΌ Π±ΠΎΠ»ΡΡΠ΅ ΡΠΈΠ»ΠΈΠ½Π΄ΡΠΎΠ² Ρ ΠΌΠΎΡΠΎΡΠ°, ΡΠ΅ΠΌ Π±ΠΎΠ»ΡΡΠ΅ Π²ΠΎΠ·ΠΌΠΎΠΆΠ½ΠΎΡΡΠ΅ΠΉ Π΄Π»Ρ ΡΠ²Π΅Π»ΠΈΡΠ΅Π½ΠΈΡ ΠΌΠΎΡΠ½ΠΎΡΡΠΈ Π΄Π²ΠΈΠ³Π°ΡΠ΅Π»Ρ. ΠΡΠ»ΠΈ Π½ΡΠΆΠ΅Π½ Π΄Π²ΠΈΠ³Π°ΡΠ΅Π»Ρ, ΠΏΡΠ΅Π΄Π½Π°Π·Π½Π°ΡΠ΅Π½Π½ΡΠΉ Π΄Π»Ρ Π΅Π·Π΄Ρ ΠΏΠΎ Π±Π΅Π·Π΄ΠΎΡΠΎΠΆΡΡ Π»ΠΈΠ±ΠΎ ΠΌΠ°ΡΠΈΠ½Π°, ΡΠ°Π·Π²ΠΈΠ²Π°ΡΡΠ°Ρ ΡΠ²Π΅ΡΡ
Π²ΡΡΠΎΠΊΠΈΠ΅ ΡΠΊΠΎΡΠΎΡΡΠΈ, Π°ΠΊΡΡΠ°Π»ΡΠ½ΠΎ ΠΈΠΌΠ΅Π½Π½ΠΎ ΡΡΡΡΠΎΠΉΡΡΠ²ΠΎ Π΄Π²ΠΈΠ³Π°ΡΠ΅Π»Ρ Π°Π²ΡΠΎΠΌΠΎΠ±ΠΈΠ»Ρ, ΠΎΡΠΈΠ΅Π½ΡΠΈΡΠΎΠ²Π°Π½Π½ΠΎΠ΅ Π½Π° Π±ΠΎΠ»ΡΡΠΎΠ΅ ΠΊΠΎΠ»ΠΈΡΠ΅ΡΡΠ²ΠΎ ΡΠΈΠ»ΠΈΠ½Π΄ΡΠΎΠ².
Π£ΡΡΡΠΎΠΉΡΡΠ²ΠΎ Π΄Π²ΠΈΠ³Π°ΡΠ΅Π»Ρ Ρ Π±ΠΎΠ»ΡΡΠΈΠΌ ΠΊΠΎΠ»ΠΈΡΠ΅ΡΡΠ²ΠΎΠΌ ΡΠΈΠ»ΠΈΠ½Π΄ΡΠΎΠ² ΠΎΠ±Π΅ΡΠΏΠ΅ΡΠΈΠ²Π°Π΅Ρ ΠΎΡΠ»ΠΈΡΠ½ΡΡ ΡΠ°Π²Π½ΠΎΠΌΠ΅ΡΠ½ΠΎΡΡΡ Π²ΡΠ°ΡΠ΅Π½ΠΈΡ ΠΊΠΎΠ»Π΅Π½ΡΠ°ΡΠΎΠ³ΠΎ Π²Π°Π»Π°, Π²Π΅Π΄Ρ ΡΠ³ΠΎΠ» ΠΏΠΎΠ²ΠΎΡΠΎΡΠ° ΠΊΠΎΠ»Π΅Π½ΡΠ°ΡΠΎΠ³ΠΎ Π²Π°Π»Π° ΠΏΡΠΈ 10, 12 ΡΠΈΠ»ΠΈΠ½Π΄ΡΠ°Ρ
β ΠΎΡΠ΅Π½Ρ Π½Π΅Π±ΠΎΠ»ΡΡΠΎΠΉ.
ΠΠΎ Ρ 2-Ρ
ΡΠΈΠ»ΠΈΠ½Π΄ΡΠΎΠ²ΡΡ
Π΄Π²ΠΈΠ³Π°ΡΠ΅Π»Π΅ΠΉ Π΅ΡΡΡ Π΄ΡΡΠ³ΠΎΠ΅ ΠΏΡΠ΅ΠΈΠΌΡΡΠ΅ΡΡΠ²ΠΎ: ΡΠ°ΠΌΡΠ΅ Π»ΡΡΡΠΈΠ΅ ΠΏΠΎΠΊΠ°Π·Π°ΡΠ΅Π»ΠΈ ΡΠΎΠΏΠ»ΠΈΠ²Π½ΠΎΠΉ ΡΡΡΠ΅ΠΊΡΠΈΠ²Π½ΠΎΡΡΠΈ.
Π¦ΠΈΠΊΠ»Ρ Π΄Π²ΠΈΠ³Π°ΡΠ΅Π»Ρ
Π£ΡΡΡΠΎΠΉΡΡΠ²ΠΎ Π΄Π²ΠΈΠ³Π°ΡΠ΅Π»Ρ Π°Π²ΡΠΎΠΌΠΎΠ±ΠΈΠ»Ρ Π²ΡΠ΅Π³Π΄Π° ΡΠ°ΡΡΠΌΠ°ΡΡΠΈΠ²Π°Π΅ΡΡΡ Π² ΠΊΡΠΏΠ΅ Ρ Π΅Π³ΠΎ ΡΠ°Π±ΠΎΡΠΈΠΌ ΡΠΈΠΊΠ»ΠΎΠΌ.Π€ΠΈΠ·ΠΈΡΠ΅ΡΠΊΠΈ ΡΠΈΠΊΠ» β ΡΡΠΎ ΠΏΠ΅ΡΠΈΠΎΠ΄ΠΈΡΠ΅ΡΠΊΠΈ ΠΏΠΎΠ²ΡΠΎΡΡΡΡΠΈΠ΅ΡΡ ΠΏΡΠΎΡΠ΅ΡΡΡ Π² ΠΊΠ°ΠΆΠ΄ΠΎΠΌ Π΅Π³ΠΎ ΡΠΈΠ»ΠΈΠ½Π΄ΡΠ΅. ΠΠΎΡΡΠ°ΡΠΎΡΠ½ΠΎ ΠΏΠΎΠ΄ΡΠΎΠ±Π½ΠΎ ΡΠ°Π·Π½ΠΈΡΠ° ΠΌΠ΅ΠΆΠ΄Ρ ΡΠ°Π±ΠΎΡΠΎΠΉ ΡΠ΅ΡΡΡΡΡ ΡΠ°ΠΊΡΠ½ΠΎΠ³ΠΎ ΠΈ Π΄Π²ΡΡ ΡΠ°ΠΊΡΠ½ΠΎΠ³ΠΎ Π΄Π²ΠΈΠ³Π°ΡΠ΅Π»Ρ ΠΎΡΡΠ°ΠΆΠ΅Π½Π° Π² Π½Π°ΡΠ΅ΠΉ ΡΡΠ°ΡΡΠ΅ ΠΎ Π΄Π²ΠΈΠ³Π°ΡΠ΅Π»Π΅ Π²Π½ΡΡΡΠ΅Π½Π½Π΅Π³ΠΎ ΡΠ³ΠΎΡΠ°Π½ΠΈΡ.
Π‘Π΅Π³ΠΎΠ΄Π½Ρ ΠΌΡ ΠΎΡΡΠ°Π½ΠΎΠ²ΠΈΠΌΡΡ Π½Π° ΡΠ°Π±ΠΎΡΠ΅ ΡΠ΅ΡΡΡΡΡ ΡΠ°ΠΊΡΠ½ΡΡ ΠΌΠΎΡΠΎΡΠΎΠ². ΠΠΌΠ΅Π½Π½ΠΎ ΠΏΠΎ ΡΠ΅ΡΡΡΡΡ ΡΠ°ΠΊΡΠ½ΠΎΠΌΡ ΡΠΈΠΊΠ»Ρ ΡΠ°Π±ΠΎΡΠ°Π΅Ρ Π±ΠΎΠ»ΡΡΠΈΠ½ΡΡΠ²ΠΎ ΡΠΎΠ²ΡΠ΅ΠΌΠ΅Π½Π½ΡΡ Π°Π²ΡΠΎΠ΄Π²ΠΈΠ³Π°ΡΠ΅Π»Π΅ΠΉ. Π₯ΠΎΡΡ ΡΠ°ΠΌ ΠΏΡΠΈΠ½ΡΠΈΠΏ Π΄Π²ΠΈΠ³Π°ΡΠ΅Π»Ρ Π±ΡΠ» ΠΈΠ·ΠΎΠ±ΡΠ΅ΡΡΠ½Β ΠΠΈΠΊΠΎΠ»Π°ΡΡΠΎΠΌ ΠΡΡΠΎ Π² 19-ΠΌ Π²Π΅ΠΊΠ΅.
ΠΠΎΡΡΠ΅Π½Ρ ΡΠ΅ΡΡΡΡΡ
ΡΠ°ΠΊΡΠ½ΠΎΠ³ΠΎ Π΄Π²ΠΈΠ³Π°ΡΠ΅Π»Ρ ΡΠΎΠ²Π΅ΡΡΠ°Π΅Ρ Π½ΠΈΡΡ
ΠΎΠ΄ΡΡΠ΅Π΅ ΠΈ Π²ΠΎΡΡ
ΠΎΠ΄ΡΡΠ΅Π΅ Π΄Π²ΠΈΠΆΠ΅Π½ΠΈΠ΅. ΠΡΠ° ΡΠ°Π±ΠΎΡΠ° ΡΠΊΠ»Π°Π΄ΡΠ²Π°Π΅ΡΡΡ Π² ΠΎΠ΄ΠΈΠ½ ΠΎΠ±ΠΎΡΠΎΡ ΠΊΠΎΠ»Π΅Π½ΡΠ°ΡΠΎΠ³ΠΎ Π²Π°Π»Π°. ΠΡΠΈ Π²ΡΠΎΡΠΎΠΌ ΠΎΠ±ΠΎΡΠΎΡΠ΅ ΠΊΠΎΠ»Π΅Π½ΡΠ°ΡΠΎΠ³ΠΎ Π²Π°Π»Π° Π²Π½ΠΎΠ²Ρ ΠΏΠΎΠ²ΡΠΎΡΡΡΡ ΡΡΠΈ Π΄Π²ΠΈΠΆΠ΅Π½ΠΈΡ.
1. Π’Π°ΠΊΡ Π²ΠΏΡΡΠΊΠ° (Π²ΡΠ°ΡΡΠ²Π°Π½ΠΈΡ). ΠΠΎΡΡΡΠΏΠ»Π΅Π½ΠΈΠ΅ Π² ΡΠΈΠ»ΠΈΠ½Π΄Ρ Π΄Π²ΠΈΠ³Π°ΡΠ΅Π»Ρ ΡΠ²Π΅ΠΆΠ΅Π³ΠΎ Π·Π°ΡΡΠ΄Π°: Π²ΠΎΠ·Π΄ΡΡ Π°- ΠΎΡ Π΄ΠΈΠ·Π΅Π»ΡΠ½ΠΎΠ³ΠΎ ΠΌΠΎΡΠΎΡΠ° Π±Π΅Π½Π·ΠΈΠ½ΠΎΠ²ΠΎΠ³ΠΎ Π΄Π²ΠΈΠ³Π°ΡΠ΅Π»Ρ Ρ ΠΏΡΡΠΌΡΠΌ Π²ΡΠΏΡΡΡΠΊΠΎΠΌ ΠΈΠ»ΠΈ ΡΠΎΠΏΠ»ΠΈΠ²ΠΎΠ²ΠΎΠ·Π΄ΡΡΠ½ΠΎΠΉ ΡΠΌΠ΅ΡΠΈ, ΠΎΡ Π³Π°Π·ΠΎΠ²ΠΎ-ΡΠΎΠΏΠ»ΠΈΠ²Π½ΠΎΠ³ΠΎ Π΄Π²ΠΈΠ³Π°ΡΠ΅Π»Ρ, ΠΌΠΎΡΠΎΡΠ° Ρ ΡΠ°ΡΠΏΡΠ΅Π΄Π΅Π»Π΅Π½Π½ΡΠΌ ΠΈΠ»ΠΈ ΡΠ΅Π½ΡΡΠ°Π»ΡΠ½ΡΠΌ Π²ΠΏΡΡΡΠΊΠΎΠΌ ΡΠΎΠΏΠ»ΠΈΠ²Π°, ΠΈΠ»ΠΈ Π³Π°Π·ΠΎ-ΡΠΎΠΏΠ»ΠΈΠ²Π½ΡΠ΅ Π΄Π²ΠΈΠ³Π°ΡΠ΅Π»ΠΈ). Π ΡΠ΅Π·ΡΠ»ΡΡΠ°ΡΠ΅ ΡΠ°Π·ΡΠ΅ΠΆΠ΅Π½ΠΈΡ, ΡΠΎΠ·Π΄Π°Π½Π½ΠΎΠ³ΠΎ ΠΏΠΎΡΡΠ½Π΅ΠΌ, ΠΏΠ΅ΡΠ΅ΠΏΠ°Π΄ Π΄Π°Π²Π»Π΅Π½ΠΈΡ ΠΌΠ΅ΠΆΠ΄Ρ Π΄Π°Π²Π»Π΅Π½ΠΈΠ΅ΠΌ Π² ΡΠΈΠ»ΠΈΠ½Π΄ΡΠ΅ ΠΈ Π΄Π°Π²Π»Π΅Π½ΠΈΠ΅ ΠΎΠΊΡΡΠΆΠ°ΡΡΠ΅Π³ΠΎ Π²ΠΎΠ·Π΄ΡΡ Π°, Π·Π°ΡΡΠ΄ Π²ΡΡΠ³ΠΈΠ²Π°Π΅ΡΡΡ Π½Π΅ΠΏΠΎΡΡΠ΅Π΄ΡΡΠ²Π΅Π½Π½ΠΎ Π² ΡΠΈΠ»ΠΈΠ½Π΄Ρ.
2. Π’Π°ΠΊΡ ΡΠΆΠ°ΡΠΈΡ. Π¨Π°ΡΡΠ½ ΡΠΎΠ»ΠΊΠ°Π΅Ρ ΠΏΠΎΡΡΠ΅Π½Ρ. ΠΠΎΡΡΠ΅Π½Ρ ΡΠΆΠΈΠΌΠ°Π΅Ρ Π³Π°Π·ΠΎΠΎΠ±ΡΠ°Π·Π½ΡΠΉ ΡΠ²Π΅ΠΆΠΈΠΉ Π·Π°ΡΡΠ΄ Π² ΡΠΈΠ»ΠΈΠ½Π΄ΡΠ΅. Π£ΡΡΡΠΎΠΉΡΡΠ²ΠΎ Π΄ΠΈΠ·Π΅Π»ΡΠ½ΠΎΠ³ΠΎ Π΄Π²ΠΈΠ³Π°ΡΠ΅Π»Ρ Π½Π°ΡΡΡΠΎΠ΅Π½ΠΎ Π½Π° ΡΠΎ, ΡΡΠΎΠ±Ρ ΡΠ΅ΠΌΠΏΠ΅ΡΠ°ΡΡΡΠ° ΡΠΆΠ°ΡΡΡ Π³Π°Π·ΠΎΠ² Π΄ΠΎΠ»ΠΆΠ½Π° Π΄ΠΎΡΡΠΈΠ³Π»Π° ΡΠ΅ΠΌΠΏΠ΅ΡΠ°ΡΡΡΡ Π²ΠΎΡΠΏΠ»Π°ΠΌΠ΅Π½Π΅Π½ΠΈΡ ΡΠΎΠΏΠ»ΠΈΠ²Π°. ΠΡΠ»ΠΈ ΠΆΠ΅ ΡΠ΅ΡΡ ΠΈΠ΄ΡΡ ΠΎΠ± ΡΡΡΡΠΎΠΉΡΡΠ²Π΅ Π³Π°Π·ΠΎ-ΡΠΎΠΏΠ»ΠΈΠ²Π½ΠΎΠ³ΠΎ, Π±Π΅Π½Π·ΠΈΠ½ΠΎΠ²ΠΎΠ³ΠΎ Π΄Π²ΠΈΠ³Π°ΡΠ΅Π»Ρ ΡΠ΅ΠΌΠΏΠ΅ΡΠ°ΡΡΡΠ° Π² ΠΊΠΎΠ½ΡΠ΅ ΡΠ°ΠΊΡΠ° ΡΠΆΠ°ΡΠΈΡ Π΄ΠΎΡΡΠΈΠ³Π°ΡΡ ΡΠ΅ΠΌΠΏΠ΅ΡΠ°ΡΡΡΡ Π²ΠΎΡΠΏΠ»Π°ΠΌΠ΅Π½Π΅Π½ΠΈΡ ΡΠΎΠΏΠ»ΠΈΠ²Π° Π½Π΅ Π΄ΠΎΠ»ΠΆΠ½Π°. ΠΠΎΡΠΏΠ»Π°ΠΌΠ΅Π½Π΅Π½ΠΈΠ΅ ΠΏΡΠΎΠΈΠ·Π²ΠΎΠ΄ΠΈΡΡΡ ΠΎΡ ΡΠ»Π΅ΠΊΡΡΠΎΠΈΡΠΊΡΠΎΠ²ΠΎΠ³ΠΎ ΡΠ°Π·ΡΡΠ΄Π° ΡΠ²Π΅ΡΠΈ Π·Π°ΠΆΠΈΠ³Π°Π½ΠΈΡ.
3. Π’Π°ΠΊΡ ΡΠ°Π±ΠΎΡΠ΅Π³ΠΎ Ρ
ΠΎΠ΄Π°.Β Π’Π΅ΠΌΠΏΠ΅ΡΠ°ΡΡΡΠ° Π³Π°Π·ΠΎΠ² Π² ΡΠΈΠ»ΠΈΠ½Π΄ΡΠ΅ ΡΠ½ΠΈΠΆΠ°Π΅ΡΡΡ, ΡΠ½Π΅ΡΠ³ΠΈΡ Π³ΠΎΡΡΡΠΈΡ
Π³Π°Π·ΠΎΠ² ΠΏΡΠ΅ΠΎΠ±ΡΠ°Π·ΡΠ΅ΡΡΡ Π² ΠΌΠ΅Ρ
Π°Π½ΠΈΡΠ΅ΡΠΊΡΡ ΡΠ½Π΅ΡΠ³ΠΈΡ.
4. Π’Π°ΠΊΡ Π²ΡΠΏΡΡΠΊΠ° ΠΎΡΡΠ°Π±ΠΎΡΠ°Π²ΡΠΈΡ Π³Π°Π·ΠΎΠ². ΠΠΎΡΡΠ΅Π½Ρ Π΄Π²ΠΈΠΆΠ΅ΡΡΡ ΡΠ½ΠΈΠ·ΡΠ²Π²Π΅ΡΡ . ΠΡΡΠ°Π±ΠΎΡΠ°Π²ΡΠΈΠ΅ Π³Π°Π·Ρ Π²ΡΡ ΠΎΠ΄ΡΡ ΠΈΠ· ΡΠΈΠ»ΠΈΠ½Π΄ΡΠ° ΡΠ΅ΡΠ΅Π· Π²ΡΠΏΡΡΠΊΠ½ΠΎΠΉ ΠΊΠ»Π°ΠΏΠ°Π½.
Π£ΡΡΡΠΎΠΉΡΡΠ²ΠΎ Π΄Π²ΠΈΠ³Π°ΡΠ΅Π»Ρ Π°Π²ΡΠΎΠΌΠΎΠ±ΠΈΠ»Ρ ΡΡΡΡΠΎΠ΅Π½ΠΎ ΡΠ°ΠΊ, ΡΡΠΎ ΡΠ΅ΡΡΡΠ΅ ΡΠ°ΠΊΡΠ° ΠΏΠΎΠ²ΡΠΎΡΡΡΡΡΡ ΡΠΈΠΊΠ»ΠΈΡΠ½ΠΎ.Β ΠΠΎΡΡΠ΅Π΄ΡΡΠ²ΠΎΠΌ ΠΌΠ°Ρ ΠΎΠ²ΠΈΠΊΠ° ΠΌΠ΅Ρ Π°Π½ΠΈΡΠ΅ΡΠΊΠ°Ρ ΡΠ½Π΅ΡΠ³ΠΈΡ ΠΏΡΠ΅Π²ΡΠ°ΡΠ°Π΅ΡΡΡ Π²ΠΎ Π²ΡΠ°ΡΠ°ΡΠ΅Π»ΡΠ½ΠΎΠ΅ Π΄Π²ΠΈΠΆΠ΅Π½ΠΈΠ΅ ΠΊΠΎΠ»Π΅Π½Π²Π°Π»Π°.
ΠΠΎΠ΄ΡΠ»ΡΠ½ΠΎΠ΅ ΠΎΠ±ΡΡΠ΅Π½ΠΈΠ΅ Π°Π²ΡΠΎΠΎΡΠ½ΠΎΠ²Π°ΠΌ Π΄ΠΎΡΡΡΠΏΠ½ΠΎ ΠΏΡΠΈ ΠΈΠ·ΡΡΠ΅Π½ΠΈΠΈ ΡΠ»Π΅ΠΊΡΡΠΎΠ½Π½ΡΡ ΠΏΡΠΎΠ³ΡΠ°ΠΌΠΌ ΠΏΠΎ ΠΏΡΠΎΡΠ΅ΡΡΠΈΡΠΌ. Π£Π΄ΠΎΠ±Π½ΡΠΉ Π΄ΠΈΡΡΠ°Π½ΡΠΈΠΎΠ½Π½ΡΠΉ ΡΠΎΡΠΌΠ°Ρ ΠΎΠ±ΡΡΠ΅Π½ΠΈΡ.
Π£ΡΡΡΠΎΠΉΡΡΠ²ΠΎ Π΄Π²ΠΈΠ³Π°ΡΠ΅Π»Ρ Π°Π²ΡΠΎΠΌΠΎΠ±ΠΈΠ»Ρ
ΠΠ»Ρ ΡΠΎΠ³ΠΎ, ΡΡΠΎΠ±Ρ ΠΏΠΎΠ½ΡΡΡ ΠΏΡΠΈΠ½ΡΠΈΠΏ ΡΠ°Π±ΠΎΡΡ Π΄Π²ΠΈΠ³Π°ΡΠ΅Π»Ρ, Π½ΡΠΆΠ½ΠΎ ΠΈΠΌΠ΅ΡΡ Π½Π΅ΠΊΠΎΡΠΎΡΡΠ΅ ΠΏΡΠ΅Π΄ΡΡΠ°Π²Π»Π΅Π½ΠΈΡ ΠΎ ΡΠ°ΠΌΠΎΠΌ Π΄Π²ΠΈΠ³Π°ΡΠ΅Π»Π΅ ΠΈ Π΅Π³ΠΎ ΡΡΡΠΎΠ΅Π½ΠΈΠΈ.
Π ΡΡΡΡΠΎΠΉΡΡΠ²Π΅ Π΄Π²ΠΈΠ³Π°ΡΠ΅Π»Ρ ΠΏΠΎΡΡΠ΅Π½Ρ ΡΠ²Π»ΡΠ΅ΡΡΡ ΠΊΠ»ΡΡΠ΅Π²ΡΠΌ ΡΠ»Π΅ΠΌΠ΅Π½ΡΠΎΠΌ ΡΠ°Π±ΠΎΡΠ΅Π³ΠΎ ΠΏΡΠΎΡΠ΅ΡΡΠ°. ΠΠΎΡΡΠ΅Π½Ρ Π²ΡΠΏΠΎΠ»Π½Π΅Π½ Π² Π²ΠΈΠ΄Π΅ ΠΌΠ΅ΡΠ°Π»Π»ΠΈΡΠ΅ΡΠΊΠΎΠ³ΠΎ ΠΏΡΡΡΠΎΡΠ΅Π»ΠΎΠ³ΠΎ ΡΡΠ°ΠΊΠ°Π½Π°, ΡΠ°ΡΠΏΠΎΠ»ΠΎΠΆΠ΅Π½Π½ΠΎΠ³ΠΎ ΡΡΠ΅ΡΠΈΡΠ΅ΡΠΊΠΈΠΌ Π΄Π½ΠΎΠΌ (Π³ΠΎΠ»ΠΎΠ²ΠΊΠ° ΠΏΠΎΡΡΠ½Ρ) Π²Π²Π΅ΡΡ
. ΠΠ°ΠΏΡΠ°Π²Π»ΡΡΡΠ°Ρ ΡΠ°ΡΡΡ ΠΏΠΎΡΡΠ½Ρ, ΠΈΠ½Π°ΡΠ΅ Π½Π°Π·ΡΠ²Π°Π΅ΠΌΠ°Ρ ΡΠ±ΠΊΠΎΠΉ, ΠΈΠΌΠ΅Π΅Ρ Π½Π΅Π³Π»ΡΠ±ΠΎΠΊΠΈΠ΅ ΠΊΠ°Π½Π°Π²ΠΊΠΈ, ΠΏΡΠ΅Π΄Π½Π°Π·Π½Π°ΡΠ΅Π½Π½ΡΠ΅ Π΄Π»Ρ ΡΠΈΠΊΡΠ°ΡΠΈΠΈ Π² Π½ΠΈΡ
ΠΏΠΎΡΡΠ½Π΅Π²ΡΡ
ΠΊΠΎΠ»Π΅Ρ.![]()
Β
ΠΠΎΠ³Π΄Π° ΠΈΠ· ΠΊΠ°ΡΠ±ΡΡΠ°ΡΠΎΡΠ° ΠΈΠ»ΠΈ ΠΈΠ½ΠΆΠ΅ΠΊΡΠΎΡΠ° Π²Π½ΡΡΡΡ ΡΠΈΠ»ΠΈΠ½Π΄ΡΠ° ΠΏΠΎΠΏΠ°Π΄Π°Π΅Ρ ΡΠΎΠΏΠ»ΠΈΠ²Π½ΠΎ-Π²ΠΎΠ·Π΄ΡΡΠ½Π°Ρ ΠΈΠ»ΠΈ ΡΠΎΠΏΠ»ΠΈΠ²Π½Π°Ρ ΡΠΌΠ΅ΡΡ, ΠΎΠ½Π° ΡΠΆΠΈΠΌΠ°Π΅ΡΡΡ ΠΏΠΎΡΡΠ½Π΅ΠΌ ΠΏΡΠΈ Π΅Π³ΠΎ Π΄Π²ΠΈΠΆΠ΅Π½ΠΈΠΈ Π²Π²Π΅ΡΡ
ΠΈ ΠΏΠΎΠ΄ΠΆΠΈΠ³Π°Π΅ΡΡΡ ΡΠ»Π΅ΠΊΡΡΠΈΡΠ΅ΡΠΊΠΈΠΌ ΡΠ°Π·ΡΡΠ΄ΠΎΠΌ ΠΎΡ ΡΠ²Π΅ΡΠΈ ΡΠΈΡΡΠ΅ΠΌΡ Π·Π°ΠΆΠΈΠ³Π°Π½ΠΈΡ (Π² Π΄ΠΈΠ·Π΅Π»Π΅ ΠΏΡΠΎΠΈΡΡ
ΠΎΠ΄ΠΈΡ ΡΠ°ΠΌΠΎΠ²ΠΎΡΠΏΠ»Π°ΠΌΠ΅Π½Π΅Π½ΠΈΠ΅ ΡΠΌΠ΅ΡΠΈ Π·Π° ΡΡΠ΅Ρ ΡΠ΅Π·ΠΊΠΎΠ³ΠΎ ΡΠΆΠ°ΡΠΈΡ).
ΠΠ°Π»Π΅Π΅ Π½Π΅ΠΎΠ±Ρ ΠΎΠ΄ΠΈΠΌΠΎ ΠΏΡΠ΅ΠΎΠ±ΡΠ°Π·ΠΎΠ²Π°ΡΡ ΡΡΠΎ Π΄Π²ΠΈΠΆΠ΅Π½ΠΈΠ΅ Π²ΠΎ Π²ΡΠ°ΡΠ΅Π½ΠΈΠ΅ Π²Π°Π»Π°. ΠΡΠΎΠΈΡΡ ΠΎΠ΄ΠΈΡ ΡΡΠΎ ΡΠ»Π΅Π΄ΡΡΡΠΈΠΌ ΠΎΠ±ΡΠ°Π·ΠΎΠΌ: Π²Π½ΡΡΡΠΈ ΡΠ±ΠΊΠΈ ΠΏΠΎΡΡΠ½Ρ ΡΠ°ΡΠΏΠΎΠ»ΠΎΠΆΠ΅Π½ ΠΏΠ°Π»Π΅Ρ, Π½Π° ΠΊΠΎΡΠΎΡΠΎΠΌ Π·Π°ΠΊΡΠ΅ΠΏΠ»ΡΠ΅ΡΡΡ Π²Π΅ΡΡ Π½ΡΡ ΡΠ°ΡΡΡ ΡΠ°ΡΡΠ½Π°, ΠΏΠΎΡΠ»Π΅Π΄Π½ΠΈΠΉ ΡΠ°ΡΠ½ΠΈΡΠ½ΠΎ Π·Π°ΡΠΈΠΊΡΠΈΡΠΎΠ²Π°Π½ Π½Π° ΠΊΡΠΈΠ²ΠΎΡΠΈΠΏΠ΅ ΠΊΠΎΠ»Π΅Π½ΡΠ°ΡΠΎΠ³ΠΎ Π²Π°Π»Π°. ΠΠΎΠ»Π΅Π½Π²Π°Π» ΡΠ²ΠΎΠ±ΠΎΠ΄Π½ΠΎ Π²ΡΠ°ΡΠ°Π΅ΡΡΡ Π½Π° ΠΎΠΏΠΎΡΠ½ΡΡ ΠΏΠΎΠ΄ΡΠΈΠΏΠ½ΠΈΠΊΠ°Ρ , ΡΡΠΎ ΡΠ°ΡΠΏΠΎΠ»ΠΎΠΆΠ΅Π½Ρ Π² ΠΊΠ°ΡΡΠ΅ΡΠ΅ Π΄Π²ΠΈΠ³Π°ΡΠ΅Π»Ρ Π²Π½ΡΡΡΠ΅Π½Π½Π΅Π³ΠΎ ΡΠ³ΠΎΡΠ°Π½ΠΈΡ. ΠΡΠΈ Π΄Π²ΠΈΠΆΠ΅Π½ΠΈΠΈ ΠΏΠΎΡΡΠ½Ρ ΡΠ°ΡΡΠ½ Π½Π°ΡΠΈΠ½Π°Π΅Ρ Π²ΡΠ°ΡΠ°ΡΡ ΠΊΠΎΠ»Π΅Π½Π²Π°Π», Ρ ΠΊΠΎΡΠΎΡΠΎΠ³ΠΎ ΠΊΡΡΡΡΡΠΈΠΉ ΠΌΠΎΠΌΠ΅Π½Ρ ΠΏΠ΅ΡΠ΅Π΄Π°Π΅ΡΡΡ Π½Π° ΡΡΠ°Π½ΡΠΌΠΈΡΡΠΈΡ ΠΈ β Π΄Π°Π»Π΅Π΅ ΡΠ΅ΡΠ΅Π· ΡΠΈΡΡΠ΅ΠΌΡ ΡΠ΅ΡΡΠ΅ΡΠ΅Π½ β Π½Π° Π²Π΅Π΄ΡΡΠΈΠ΅ ΠΊΠΎΠ»Π΅ΡΠ°.
Π’Π΅Ρ
Π½ΠΈΡΠ΅ΡΠΊΠΈΠ΅ Ρ
Π°ΡΠ°ΠΊΡΠ΅ΡΠΈΡΡΠΈΠΊΠΈ Π΄Π²ΠΈΠ³Π°ΡΠ΅Π»Ρ. ΠΡΠΈ Π΄Π²ΠΈΠΆΠ΅Π½ΠΈΠΈ Π²Π²Π΅ΡΡ
-Π²Π½ΠΈΠ· Ρ ΠΏΠΎΡΡΠ½Ρ Π΅ΡΡΡ Π΄Π²Π° ΠΏΠΎΠ»ΠΎΠΆΠ΅Π½ΠΈΡ, ΠΊΠΎΡΠΎΡΡΠ΅ Π½Π°Π·ΡΠ²Π°ΡΡΡΡ ΠΌΠ΅ΡΡΠ²ΡΠΌΠΈ ΡΠΎΡΠΊΠ°ΠΌΠΈ. ΠΠ΅ΡΡ
Π½ΡΡ ΠΌΠ΅ΡΡΠ²Π°Ρ ΡΠΎΡΠΊΠ° (ΠΠΠ’) β ΡΡΠΎ ΠΌΠΎΠΌΠ΅Π½Ρ ΠΌΠ°ΠΊΡΠΈΠΌΠ°Π»ΡΠ½ΠΎΠ³ΠΎ ΠΏΠΎΠ΄ΡΠ΅ΠΌΠ° Π³ΠΎΠ»ΠΎΠ²ΠΊΠΈ ΠΈ Π²ΡΠ΅Π³ΠΎ ΠΏΠΎΡΡΠ½Ρ Π²Π²Π΅ΡΡ
, ΠΏΠΎΡΠ»Π΅ ΡΠ΅Π³ΠΎ ΠΎΠ½ Π½Π°ΡΠΈΠ½Π°Π΅Ρ Π΄Π²ΠΈΠΆΠ΅Π½ΠΈΠ΅ Π²Π½ΠΈΠ·; Π½ΠΈΠΆΠ½ΡΡ ΠΌΠ΅ΡΡΠ²Π°Ρ ΡΠΎΡΠΊΠ° (ΠΠΠ’) β ΡΠ°ΠΌΠΎΠ΅ Π½ΠΈΠΆΠ½Π΅Π΅ ΠΏΠΎΠ»ΠΎΠΆΠ΅Π½ΠΈΠ΅ ΠΏΠΎΡΡΠ½Ρ, ΠΏΠΎΡΠ»Π΅ ΠΊΠΎΡΠΎΡΠΎΠ³ΠΎ Π²Π΅ΠΊΡΠΎΡ Π½Π°ΠΏΡΠ°Π²Π»Π΅Π½ΠΈΡ ΠΌΠ΅Π½ΡΠ΅ΡΡΡ ΠΈ ΠΏΠΎΡΡΠ΅Π½Ρ ΡΡΡΡΠ΅ΠΌΠ»ΡΠ΅ΡΡΡ Π²Π²Π΅ΡΡ
.
Π Π°ΡΡΡΠΎΡΠ½ΠΈΠ΅ ΠΌΠ΅ΠΆΠ΄Ρ ΠΠΠ’ ΠΈ ΠΠΠ’ Π½Π°Π·Π²Π°Π½ΠΎ Ρ
ΠΎΠ΄ΠΎΠΌ ΠΏΠΎΡΡΠ½Ρ, ΠΎΠ±ΡΠ΅ΠΌ Π²Π΅ΡΡ
Π½Π΅ΠΉ ΡΠ°ΡΡΠΈ ΡΠΈΠ»ΠΈΠ½Π΄ΡΠ° ΠΏΡΠΈ ΠΏΠΎΠ»ΠΎΠΆΠ΅Π½ΠΈΠΈ ΠΏΠΎΡΡΠ½Ρ Π² ΠΠΠ’ ΠΎΠ±ΡΠ°Π·ΡΠ΅Ρ ΠΊΠ°ΠΌΠ΅ΡΡ ΡΠ³ΠΎΡΠ°Π½ΠΈΡ, Π° ΠΌΠ°ΠΊΡΠΈΠΌΠ°Π»ΡΠ½ΡΠΉ ΠΎΠ±ΡΠ΅ΠΌ ΡΠΈΠ»ΠΈΠ½Π΄ΡΠ° ΠΏΡΠΈ ΠΏΠΎΠ»ΠΎΠΆΠ΅Π½ΠΈΠΈ ΠΏΠΎΡΡΠ½Ρ Π² ΠΠΠ’ ΠΏΡΠΈΠ½ΡΡΠΎ Π½Π°Π·ΡΠ²Π°ΡΡ ΠΏΠΎΠ»Π½ΡΠΌ ΠΎΠ±ΡΠ΅ΠΌΠΎΠΌ ΡΠΈΠ»ΠΈΠ½Π΄ΡΠ°. Π Π°Π·Π½ΠΈΡΠ° ΠΌΠ΅ΠΆΠ΄Ρ ΠΏΠΎΠ»Π½ΡΠΌ ΠΎΠ±ΡΠ΅ΠΌΠΎΠΌ ΠΈ ΠΎΠ±ΡΠ΅ΠΌΠΎΠΌ ΠΊΠ°ΠΌΠ΅ΡΡ ΡΠ³ΠΎΡΠ°Π½ΠΈΡ ΠΏΠΎΠ»ΡΡΠΈΠ»Π° Π½Π°ΠΈΠΌΠ΅Π½ΠΎΠ²Π°Π½ΠΈΠ΅ ΡΠ°Π±ΠΎΡΠ΅Π³ΠΎ ΠΎΠ±ΡΠ΅ΠΌΠ° ΡΠΈΠ»ΠΈΠ½Π΄ΡΠ°.
Π‘ΡΠΌΠΌΠ°ΡΠ½ΡΠΉ ΡΠ°Π±ΠΎΡΠΈΠΉ ΠΎΠ±ΡΠ΅ΠΌ Π²ΡΠ΅Ρ
ΡΠΈΠ»ΠΈΠ½Π΄ΡΠΎΠ² Π΄Π²ΠΈΠ³Π°ΡΠ΅Π»Ρ Π²Π½ΡΡΡΠ΅Π½Π½Π΅Π³ΠΎ ΡΠ³ΠΎΡΠ°Π½ΠΈΡ ΡΠΊΠ°Π·ΡΠ²Π°Π΅ΡΡΡ Π² ΡΠ΅Ρ
Π½ΠΈΡΠ΅ΡΠΊΠΈΡ
Ρ
Π°ΡΠ°ΠΊΡΠ΅ΡΠΈΡΡΠΈΠΊΠ°Ρ
Π΄Π²ΠΈΠ³Π°ΡΠ΅Π»Ρ, Π²ΡΡΠ°ΠΆΠ°Π΅ΡΡΡ Π² Π»ΠΈΡΡΠ°Ρ
, ΠΏΠΎΡΡΠΎΠΌΡ Π² ΠΎΠ±ΠΈΡ
ΠΎΠ΄Π΅ ΠΈΠΌΠ΅Π½ΡΠ΅ΡΡΡ Π»ΠΈΡΡΠ°ΠΆΠΎΠΌ Π΄Π²ΠΈΠ³Π°ΡΠ΅Π»Ρ. ΠΡΠΎΡΠΎΠΉ Π²Π°ΠΆΠ½Π΅ΠΉΡΠ΅ΠΉ Ρ
Π°ΡΠ°ΠΊΡΠ΅ΡΠΈΡΡΠΈΠΊΠΎΠΉ Π»ΡΠ±ΠΎΠ³ΠΎ ΠΠΠ‘ ΡΠ²Π»ΡΠ΅ΡΡΡ ΡΡΠ΅ΠΏΠ΅Π½Ρ ΡΠΆΠ°ΡΠΈΡ (Π‘Π‘), ΠΎΠΏΡΠ΅Π΄Π΅Π»ΡΠ΅ΠΌΠ°Ρ ΠΊΠ°ΠΊ ΡΠ°ΡΡΠ½ΠΎΠ΅ ΠΎΡ Π΄Π΅Π»Π΅Π½ΠΈΡ ΠΏΠΎΠ»Π½ΠΎΠ³ΠΎ ΠΎΠ±ΡΠ΅ΠΌΠ° Π½Π° ΠΎΠ±ΡΠ΅ΠΌ ΠΊΠ°ΠΌΠ΅ΡΡ ΡΠ³ΠΎΡΠ°Π½ΠΈΡ. Π£ ΠΊΠ°ΡΠ±ΡΡΠ°ΡΠΎΡΠ½ΡΡ
Π΄Π²ΠΈΠ³Π°ΡΠ΅Π»Π΅ΠΉ Π‘Π‘ Π²Π°ΡΡΠΈΡΡΠ΅Ρ Π² ΠΈΠ½ΡΠ΅ΡΠ²Π°Π»Π΅ ΠΎΡ 6 Π΄ΠΎ 14, Ρ Π΄ΠΈΠ·Π΅Π»Π΅ΠΉ β ΠΎΡ 16 Π΄ΠΎ 30. ΠΠΌΠ΅Π½Π½ΠΎ ΡΡΠΎΡ ΠΏΠΎΠΊΠ°Π·Π°ΡΠ΅Π»Ρ, Π½Π°ΡΡΠ΄Ρ Ρ ΠΎΠ±ΡΠ΅ΠΌΠΎΠΌ Π΄Π²ΠΈΠ³Π°ΡΠ΅Π»Ρ, ΠΎΠΏΡΠ΅Π΄Π΅Π»ΡΠ΅Ρ Π΅Π³ΠΎ ΠΌΠΎΡΠ½ΠΎΡΡΡ, ΡΠΊΠΎΠ½ΠΎΠΌΠΈΡΠ½ΠΎΡΡΡ ΠΈ ΠΏΠΎΠ»Π½ΠΎΡΡ ΡΠ³ΠΎΡΠ°Π½ΠΈΡ ΡΠΎΠΏΠ»ΠΈΠ²ΠΎ-Π²ΠΎΠ·Π΄ΡΡΠ½ΠΎΠΉ ΡΠΌΠ΅ΡΠΈ, ΡΡΠΎ Π²Π»ΠΈΡΠ΅Ρ Π½Π° ΡΠΎΠΊΡΠΈΡΠ½ΠΎΡΡΡ Π²ΡΠ±ΡΠΎΡΠΎΠ² ΠΏΡΠΈ ΡΠ°Π±ΠΎΡΠ΅ ΠΠΠ‘.
ΠΠΎΡΠ½ΠΎΡΡΡ Π΄Π²ΠΈΠ³Π°ΡΠ΅Π»Ρ ΠΈΠΌΠ΅Π΅Ρ Π±ΠΈΠ½Π°ΡΠ½ΠΎΠ΅ ΠΎΠ±ΠΎΠ·Π½Π°ΡΠ΅Π½ΠΈΠ΅ β Π² Π»ΠΎΡΠ°Π΄ΠΈΠ½ΡΡ
ΡΠΈΠ»Π°Ρ
(Π».
Ρ.) ΠΈ Π² ΠΊΠΈΠ»ΠΎΠ²Π°ΡΡΠ°Ρ
(ΠΊΠΡ). ΠΠ»Ρ ΠΏΠ΅ΡΠ΅Π²ΠΎΠ΄Π° Π΅Π΄ΠΈΠ½ΠΈΡ ΠΎΠ΄Π½Π° Π² Π΄ΡΡΠ³ΡΡ ΠΏΡΠΈΠΌΠ΅Π½ΡΠ΅ΡΡΡ ΠΊΠΎΡΡΡΠΈΡΠΈΠ΅Π½Ρ 0,735, ΡΠΎ Π΅ΡΡΡ 1 Π».Ρ. = 0,735 ΠΊΠΡ.
Π Π°Π±ΠΎΡΠΈΠΉ ΡΠΈΠΊΠ» ΡΠ΅ΡΡΡΠ΅Ρ ΡΠ°ΠΊΡΠ½ΠΎΠ³ΠΎ ΠΠΠ‘ ΠΎΠΏΡΠ΅Π΄Π΅Π»ΡΠ΅ΡΡΡ Π΄Π²ΡΠΌΡ ΠΎΠ±ΠΎΡΠΎΡΠ°ΠΌΠΈ ΠΊΠΎΠ»Π΅Π½ΡΠ°ΡΠΎΠ³ΠΎ Π²Π°Π»Π° β ΠΏΠΎ ΠΏΠΎΠ»-ΠΎΠ±ΠΎΡΠΎΡΠ° Π½Π° ΡΠ°ΠΊΡ, ΡΠΎΠΎΡΠ²Π΅ΡΡΡΠ²ΡΡΡΠΈΠΉ ΠΎΠ΄Π½ΠΎΠΌΡ Ρ ΠΎΠ΄Ρ ΠΏΠΎΡΡΠ½Ρ. ΠΡΠ»ΠΈ Π΄Π²ΠΈΠ³Π°ΡΠ΅Π»Ρ ΠΎΠ΄Π½ΠΎΡΠΈΠ»ΠΈΠ½Π΄ΡΠΎΠ²ΡΠΉ, ΡΠΎ Π² Π΅Π³ΠΎ ΡΠ°Π±ΠΎΡΠ΅ Π½Π°Π±Π»ΡΠ΄Π°Π΅ΡΡΡ Π½Π΅ΡΠ°Π²Π½ΠΎΠΌΠ΅ΡΠ½ΠΎΡΡΡ: ΡΠ΅Π·ΠΊΠΎΠ΅ ΡΡΠΊΠΎΡΠ΅Π½ΠΈΠ΅ Ρ ΠΎΠ΄Π° ΠΏΠΎΡΡΠ½Ρ ΠΏΡΠΈ Π²Π·ΡΡΠ²Π½ΠΎΠΌ ΡΠ³ΠΎΡΠ°Π½ΠΈΠΈ ΡΠΌΠ΅ΡΠΈ ΠΈ Π·Π°ΠΌΠ΅Π΄Π»Π΅Π½ΠΈΠ΅ Π΅Π³ΠΎ ΠΏΠΎ ΠΌΠ΅ΡΠ΅ ΠΏΡΠΈΠ±Π»ΠΈΠΆΠ΅Π½ΠΈΡ ΠΊ ΠΠΠ’ ΠΈ Π΄Π°Π»Π΅Π΅. ΠΠ»Ρ ΡΠΎΠ³ΠΎ, ΡΡΠΎΠ±Ρ ΡΡΡ Π½Π΅ΡΠ°Π²Π½ΠΎΠΌΠ΅ΡΠ½ΠΎΡΡΡ ΠΊΡΠΏΠΈΡΠΎΠ²Π°ΡΡ, Π½Π° Π²Π°Π»Ρ Π·Π° ΠΏΡΠ΅Π΄Π΅Π»Π°ΠΌΠΈ ΠΊΠΎΡΠΏΡΡΠ° ΠΌΠΎΡΠΎΡΠ° ΡΡΡΠ°Π½Π°Π²Π»ΠΈΠ²Π°Π΅ΡΡΡ ΠΌΠ°ΡΡΠΈΠ²Π½ΡΠΉ Π΄ΠΈΡΠΊ-ΠΌΠ°Ρ ΠΎΠ²ΠΈΠΊ Ρ Π±ΠΎΠ»ΡΡΠΎΠΉ ΠΈΠ½Π΅ΡΡΠΈΠΎΠ½Π½ΠΎΡΡΡΡ, Π±Π»Π°Π³ΠΎΠ΄Π°ΡΡ ΡΠ΅ΠΌΡ ΠΌΠΎΠΌΠ΅Π½Ρ Π²ΡΠ°ΡΠ΅Π½ΠΈΡ Π²Π°Π»Π° Π²ΠΎ Π²ΡΠ΅ΠΌΠ΅Π½ΠΈ ΡΡΠ°Π½ΠΎΠ²ΠΈΡΡΡ Π±ΠΎΠ»Π΅Π΅ ΡΡΠ°Π±ΠΈΠ»ΡΠ½ΡΠΌ.
|
Β Π ΠΠΠΠΠΠΠΠ£ΠΠ Π’ΠΠΠΠ ΠΠ ΠΠ§ΠΠ’ΠΠ’Π¬:Β |
ΠΠ²ΠΈΠ³Π°ΡΠ΅Π»Ρ Π°Π²ΡΠΎΠΌΠΎΠ±ΠΈΠ»Ρ. Π‘ΠΎΡΡΠ°Π²Π»ΡΡΡΠΈΠ΅ ΡΠ»Π΅ΠΌΠ΅Π½ΡΡ, ΠΏΡΠΈΠ½ΡΠΈΠΏ ΡΠ°Π±ΠΎΡΡ ΠΈ ΡΡΡΡΠΎΠΉΡΡΠ²ΠΎ Π°Π²ΡΠΎΠΌΠΎΠ±ΠΈΠ»ΡΠ½ΠΎΠ³ΠΎ Π΄Π²ΠΈΠ³Π°ΡΠ΅Π»Ρ
ΠΠ°ΡΠ° ΠΌΠ°ΡΠΈΠ½Π° Β«Π·Π°ΡΡΡΡΠ°Π»Π°Β», Π° Π²Ρ ΠΊΠ°ΠΊ ΠΌΠΎΠΆΠ½ΠΎ Π΄ΠΎΠ»ΡΡΠ΅ Π½Π΅ ΠΎΡΠΊΡΡΠ²Π°Π΅ΡΠ΅ ΠΊΠ°ΠΏΠΎΡ, ΡΡΠΎΠ±Ρ Π½Π΅ ΡΡΠ°Π»ΠΊΠΈΠ²Π°ΡΡΡΡ Ρ ΡΡΠΎΠΉ Π³ΡΡΠ΄ΠΎΠΉ ΠΆΠ΅Π»Π΅Π·Π°, Π² ΠΊΠΎΡΠΎΡΠΎΠΉ Π²Ρ Π½ΠΈΡΠ΅Π³ΠΎ Π½Π΅ ΠΏΠΎΠ½ΠΈΠΌΠ°Π΅ΡΠ΅? Π ΠΌΠΎΠΆΠ΅Ρ, Π²Ρ ΠΏΠΎΠ³ΡΠΎΠΌΡΠ΅ Π²ΠΊΠ»ΡΡΠ°Π΅ΡΠ΅ ΡΠ°Π΄ΠΈΠΎ ΠΈΠ»ΠΈ ΠΏΡΠΎΡΡΠΎ Π³Π»ΡΡΠΈΡΠ΅ Π΄Π²ΠΈΠ³Π°ΡΠ΅Π»Ρ ΠΈ Π½Π°Π΄Π΅Π΅ΡΠ΅ΡΡ, ΡΡΠΎ ΡΡΠΎΡ Π·Π²ΡΠΊ ΠΈΡΡΠ΅Π·Π½Π΅Ρ, ΠΊΠΎΠ³Π΄Π° Π²Ρ Π΅Π³ΠΎ Π·Π°Π²Π΅Π΄Π΅ΡΠ΅ Π½Π° ΡΠ»Π΅Π΄ΡΡΡΠΈΠΉ Π΄Π΅Π½Ρ? Π Π»ΡΠ±ΠΎΠΌ ΡΠ»ΡΡΠ°Π΅, Π΅ΡΠ»ΠΈ Π΄Π²ΠΈΠ³Π°ΡΠ΅Π»Ρ Π°Π²ΡΠΎΠΌΠΎΠ±ΠΈΠ»Ρ ΡΠ²Π»ΡΠ΅ΡΡΡ Π΄Π»Ρ Π²Π°Ρ Π±ΠΎΠ»ΡΡΠΎΠΉ Π·Π°Π³Π°Π΄ΠΊΠΎΠΉ, ΡΠΈΡΠ°ΠΉΡΠ΅ Π΄Π°Π»ΡΡΠ΅! Π£Π·Π½Π°ΠΉΡΠ΅, Π·Π° ΡΡΠ΅Ρ ΡΠ΅Π³ΠΎ ΠΎΠ½ ΡΠ°Π±ΠΎΡΠ°Π΅Ρ ΠΈ ΡΡΠΎ ΠΌΠΎΠΆΠ΅Ρ Π²ΡΠ·ΡΠ²Π°ΡΡ ΡΡΠΎΡ ΠΆΡΡΠΊΠΈΠΉ ΡΡΡΠΊ ΠΈ Π΄ΡΠ΅Π±Π΅Π·Π³!
ΠΠ²ΠΈΠ³Π°ΡΠ΅Π»Ρ ΠΈΠΌΠ΅Π΅Ρ Π½Π΅ΡΠΊΠΎΠ»ΡΠΊΠΎ ΡΠΈΠ»ΠΈΠ½Π΄ΡΠΎΠ², ΡΠ°ΡΠΏΠΎΠ»ΠΎΠΆΠ΅Π½Π½ΡΡ ΠΎΠ΄Π½ΠΈΠΌ ΠΈΠ· ΡΡΠ΅Ρ ΡΠΏΠΎΡΠΎΠ±ΠΎΠ²:
- ΠΠΏΠΏΠΎΠ·ΠΈΡΠ½ΠΎ;
- V-ΠΎΠ±ΡΠ°Π·Π½ΠΎ;
- Π ΠΎΠ΄ΠΈΠ½ ΡΡΠ΄.

Π’Π°ΠΊΠΆΠ΅ Π΅ΡΡΡ ΡΠΎΡΠΎΡΠ½ΡΠ΅ Π΄Π²ΠΈΠ³Π°ΡΠ΅Π»ΠΈ, ΠΏΡΠΈΠ½ΡΠΈΠΏ ΡΠ°Π±ΠΎΡΡ ΠΊΠΎΡΠΎΡΡΡ ΠΈΠ΄Π΅Π½ΡΠΈΡΠ΅Π½, Π½ΠΎ ΡΡΡΡΠΎΠΉΡΡΠ²ΠΎ Π½Π΅ΠΌΠ½ΠΎΠ³ΠΎ ΠΎΡΠ»ΠΈΡΠ°Π΅ΡΡΡ. Π ΠΈΡ ΡΠΈΠ»ΠΈΠ½Π΄ΡΠ΅ ΡΠ°ΡΠΏΠΎΠ»Π°Π³Π°Π΅ΡΡΡ ΡΡΠ΅Ρ Π³ΡΠ°Π½Π½ΡΠΉ ΡΠΎΡΠΎΡ (ΠΏΠΎΡΡΠ΅Π½Ρ), ΠΊΠΎΡΠΎΡΡΠΉ ΠΈ ΡΠΆΠΈΠΌΠ°Π΅Ρ ΡΠΎΠΏΠ»ΠΈΠ²ΠΎ Π²ΠΎΠ·Π΄ΡΡΠ½ΡΡ ΡΠΌΠ΅ΡΡ.
Π Π°Π±ΠΎΡΠ° ΡΠ»Π΅ΠΌΠ΅Π½ΡΠΎΠ² Π΄Π²ΠΈΠ³Π°ΡΠ΅Π»Ρ
ΠΠΎΡΠΏΠ»Π°ΠΌΠ΅Π½Π΅Π½ΠΈΠ΅ Π±Π΅Π½Π·ΠΈΠ½Π° Π² Π½Π΅Π±ΠΎΠ»ΡΡΠΎΠΌ Π·Π°ΠΌΠΊΠ½ΡΡΠΎΠΌ ΠΏΡΠΎΡΡΡΠ°Π½ΡΡΠ²Π΅ ΡΠΎΠ·Π΄Π°Π΅Ρ Π΄ΠΎΡΡΠ°ΡΠΎΡΠ½ΠΎ ΡΠ½Π΅ΡΠ³ΠΈΠΈ, ΡΡΠΎΠ±Ρ ΠΎΡΠ±ΡΠΎΡΠΈΡΡ ΠΊΠ°ΡΡΠΎΡΠ΅Π»ΠΈΠ½Ρ Π½Π° 150 ΠΌΠ΅ΡΡΠΎΠ²! Π Π΅ΡΠ»ΠΈ ΡΠ°ΠΊΠΎΠΉ Π²Π·ΡΡΠ² ΠΏΡΠΎΠΈΡΡ ΠΎΠ΄ΠΈΡ 200 ΡΠ°Π· Π² ΠΌΠΈΠ½ΡΡΡ, ΡΠΎ ΡΠ½Π΅ΡΠ³ΠΈΠΈ Ρ Π²Π°ΡΠΈΡ Π΄Π»Ρ Π΄Π²ΠΈΠΆΠ΅Π½ΠΈΡ Π°Π²ΡΠΎΠΌΠΎΠ±ΠΈΠ»Ρ. ΠΡΠΎΡΠ΅ΡΡ ΡΠ³ΠΎΡΠ°Π½ΠΈΡ ΠΏΡΠΎΠΈΡΡ ΠΎΠ΄ΠΈΡ Π² 4 ΡΠ°ΠΊΡΠ°:
- ΠΠΏΡΡΠΊ. ΠΠΎΡΡΠ΅Π½Ρ Π½Π°ΠΏΠΎΠΌΠΈΠ½Π°Π΅Ρ ΠΏΡΡΠ΅ΡΠ½ΠΎΠ΅ ΡΠ΄ΡΠΎ, ΡΠΎΠ»ΡΠΊΠΎ ΠΎΠ½ Π½Π΅ Π²ΡΠ»Π΅ΡΠ°Π΅Ρ ΠΈΠ· ΠΏΡΡΠΊΠΈ. Π Π½Π°ΡΠ°Π»Π΅ ΡΠΈΠΊΠ»Π° ΠΎΠ½ Π½Π°Ρ ΠΎΠ΄ΠΈΡΡΡ Π²Π²Π΅ΡΡ Ρ ΡΠΈΠ»ΠΈΠ½Π΄ΡΠ° ΠΈ Π½Π°ΡΠΈΠ½Π°Π΅Ρ Π΄Π²ΠΈΠΆΠ΅Π½ΠΈΠ΅ Π²Π½ΠΈΠ·. Π ΡΡΠΎΡ ΠΌΠΎΠΌΠ΅Π½Ρ ΠΎΡΠΊΡΡΠ²Π°Π΅ΡΡΡ Π²ΠΏΡΡΠΊΠ½ΠΎΠΉ ΠΊΠ»Π°ΠΏΠ°Π½, ΠΊΠΎΡΠΎΡΡΠΉ ΠΏΠΎΠ΄Π°Π΅Ρ Π² ΡΠΈΠ»ΠΈΠ½Π΄Ρ, Π²ΠΎΠ·Π΄ΡΡ ΠΈ ΡΠΎΠΏΠ»ΠΈΠ²ΠΎ.
- Π‘ΠΆΠ°ΡΠΈΠ΅. ΠΠΎΠ»Π΅Π½Π²Π°Π» Π·Π°ΡΡΠ°Π²Π»ΡΠ΅Ρ ΠΏΠΎΡΡΠ΅Π½Ρ ΡΠ½ΠΎΠ²Π° Π΄Π²ΠΈΠ³Π°ΡΡΡΡ Π²Π²Π΅ΡΡ , ΡΠΆΠΈΠΌΠ°Ρ ΡΠΌΠ΅ΡΡ ΡΠΎΠΏΠ»ΠΈΠ²Π° ΠΈ Π²ΠΎΠ·Π΄ΡΡ Π°.
- Π Π°Π±ΠΎΡΠΈΠΉ Ρ
ΠΎΠ΄. ΠΠΎΠ³Π΄Π° ΠΏΠΎΡΡΠ΅Π½Ρ Π΄ΠΎΡΡΠΈΠ³Π°Π΅Ρ Π²Π΅ΡΡ
Π½Π΅Π³ΠΎ ΠΏΠΎΠ»ΠΎΠΆΠ΅Π½ΠΈΡ, ΡΠ²Π΅ΡΠ° Π·Π°ΠΆΠΈΠ³Π°Π½ΠΈΡ ΠΏΡΠΈ ΠΏΠΎΠΌΠΎΡΠΈ ΠΈΡΠΊΡΡ ΠΏΠΎΠ΄ΠΆΠΈΠ³Π°Π΅Ρ ΡΠΎΠΏΠ»ΠΈΠ²ΠΎ.
ΠΡΠΎ Π²ΡΠ·ΡΠ²Π°Π΅Ρ Π²Π·ΡΡΠ², ΠΏΠΎΠ΄ Π΄Π΅ΠΉΡΡΠ²ΠΈΠ΅ΠΌ ΠΊΠΎΡΠΎΡΠΎΠ³ΠΎ ΠΏΠΎΡΡΠ΅Π½Ρ Π²Π½ΠΎΠ²Ρ Π΄Π²ΠΈΠΆΠ΅ΡΡΡ Π²Π½ΠΈΠ·. - ΠΡΠΏΡΡΠΊ. ΠΠΎΠ³Π΄Π° ΠΏΠΎΡΡΠ΅Π½Ρ Π΄ΠΎΡΡΠΈΠ³Π°Π΅Ρ Π½ΠΈΠΆΠ½Π΅Π³ΠΎ ΠΏΠΎΠ»ΠΎΠΆΠ΅Π½ΠΈΡ, ΠΎΡΠΊΡΡΠ²Π°Π΅ΡΡΡ Π²ΡΠΏΡΡΠΊΠ½ΠΎΠΉ ΠΊΠ»Π°ΠΏΠ°Π½. ΠΠ½ ΠΎΡΠ²ΠΎΠ΄ΠΈΡ Π²ΡΡ Π»ΠΎΠΏΠ½ΡΠ΅ Π³Π°Π·Ρ Π² Π²ΡΡ Π»ΠΎΠΏΠ½ΡΡ ΡΡΡΠ±Ρ.
ΠΠ»Π΅ΠΌΠ΅Π½ΡΡ Π΄Π²ΠΈΠ³Π°ΡΠ΅Π»Ρ Π°Π²ΡΠΎΠΌΠΎΠ±ΠΈΠ»Ρ
- ΠΠΎΠ·Π΄ΡΡΠ½ΡΠΉ ΡΠΈΠ»ΡΡΡ ΠΎΡΠΈΡΠ°Π΅Ρ Π²ΠΎΠ·Π΄ΡΡ , ΠΏΠΎΡΡΡΠΏΠ°ΡΡΠΈΠΉ Π² ΡΠΈΠ»ΠΈΠ½Π΄ΡΡ, ΡΡΠΎ ΠΎΠ±Π΅ΡΠΏΠ΅ΡΠΈΠ²Π°Π΅Ρ Π»ΡΡΡΠ΅Π΅ ΡΠ³ΠΎΡΠ°Π½ΠΈΠ΅.
- Π‘ΠΈΡΡΠ΅ΠΌΠ° Π²ΠΎΠ·Π΄ΡΡΠ½ΠΎΠ³ΠΎ ΠΎΡ Π»Π°ΠΆΠ΄Π΅Π½ΠΈΡ Π½Π΅ Π΄Π°Π΅Ρ Π΄Π²ΠΈΠ³Π°ΡΠ΅Π»Ρ Π½Π°Π³ΡΠ΅Π²Π°ΡΡΡΡ, ΠΎΠ±Π΅ΡΠΏΠ΅ΡΠΈΠ²Π°Ρ ΡΠΈΡΠΊΡΠ»ΡΡΠΈΡ Π²ΠΎΠ΄Ρ Π²ΠΎΠΊΡΡΠ³ ΡΠΈΠ»ΠΈΠ½Π΄ΡΠΎΠ² ΠΈ ΡΠ΅ΡΠ΅Π· ΡΠ°Π΄ΠΈΠ°ΡΠΎΡ.
- Π’ΠΎΠΏΠ»ΠΈΠ²Π½Π°Ρ ΡΠΈΡΡΠ΅ΠΌΠ° ΠΏΠΎΠ΄Π°Π΅Ρ ΡΠΎΠΏΠ»ΠΈΠ²ΠΎ ΠΈΠ· Π±Π΅Π½Π·ΠΎΠ±Π°ΠΊΠ° ΠΈ ΠΏΡΠΈ ΠΏΠΎΠΌΠΎΡΠΈ ΠΊΠ°ΡΠ±ΡΡΠ°ΡΠΎΡΠ° ΡΠΌΠ΅ΡΠΈΠ²Π°Π΅Ρ Π΅Π³ΠΎ Ρ Π²ΠΎΠ·Π΄ΡΡ ΠΎΠΌ. Π‘ΠΌΠ΅ΡΡ Π·Π°ΡΠ΅ΠΌ ΠΏΠΎΡΡΡΠΏΠ°Π΅Ρ Π² ΡΠΈΠ»ΠΈΠ½Π΄ΡΡ. ΠΠ»Ρ Π½ΠΎΡΠΌΠ°Π»ΡΠ½ΠΎΠΉ ΡΠ°Π±ΠΎΡΡ, ΠΎΡΠΎΠ±Π΅Π½Π½ΠΎ Π² Π·ΠΈΠΌΠ½Π΅Π΅ Π²ΡΠ΅ΠΌΡ, ΡΡΠ΅Π±ΡΠ΅Ρ ΠΏΡΠΎΠ²Π΅Π΄Π΅Π½ΠΈΡ ΠΊΠΎΠΌΠΏΠ»Π΅ΠΊΡΠ½ΠΎΠ³ΠΎ Π’Π. ΠΠΎΡΡΠΎΠΌΡ Π±ΡΠ΄Π΅Ρ ΠΏΠΎΠ»Π΅Π·Π½ΠΎ ΡΠ·Π½Π°ΡΡ ΠΎ ΠΏΠ΅ΡΠΈΠΎΠ΄ΠΈΡΠ½ΠΎΡΡΠΈ ΠΈ ΠΏΠΎΡΡΠ΄ΠΊΠ΅ ΠΎΠ±ΡΠ»ΡΠΆΠΈΠ²Π°Π½ΠΈΡ ΡΠΎΠΏΠ»ΠΈΠ²Π½ΠΎΠΉ ΡΠΈΡΡΠ΅ΠΌΡ ΠΈΠ· ΡΡΠΎΠ³ΠΎ Π²ΠΈΠ΄Π΅ΠΎ.
- Π Π°ΡΠΏΡΠ΅Π΄Π²Π°Π» ΠΎΠ±Π΅ΡΠΏΠ΅ΡΠΈΠ²Π°Π΅Ρ ΠΎΡΠΊΡΡΡΠΈΠ΅ ΠΈ Π·Π°ΠΊΡΡΡΠΈΠ΅ ΠΊΠ»Π°ΠΏΠ°Π½ΠΎΠ². Π‘ΠΊΠΎΡΠΎΡΡΡ Π΅Π³ΠΎ Π²ΡΠ°ΡΠ΅Π½ΠΈΡ ΡΠ°Π²Π½Π° 1/2 ΡΠΊΠΎΡΠΎΡΡΠΈ Π²ΡΠ°ΡΠ΅Π½ΠΈΡ ΠΊΠΎΠ»Π΅Π½Π²Π°Π»Π°.

- Π Π΅ΠΌΠ΅Π½Ρ ΠΠ Π ΡΠΎΠ΅Π΄ΠΈΠ½ΡΠ΅Ρ ΠΊΠΎΠ»Π΅Π½Π²Π°Π» ΠΈ ΡΠ°ΡΠΏΡΠ΅Π΄Π²Π°Π», ΠΎΠ±Π΅ΡΠΏΠ΅ΡΠΈΠ²Π°Ρ ΡΠΈΠ½Ρ ΡΠΎΠ½Π½ΠΎΡΡΡ ΡΠ°Π±ΠΎΡΡ ΠΊΠ»Π°ΠΏΠ°Π½ΠΎΠ² ΠΈ ΠΏΠΎΡΡΠ½Π΅ΠΉ.
- ΠΠΎΡΡΠ½Π΅Π²ΡΠ΅ ΠΊΠΎΠ»ΡΡΠ° ΡΡΡΠ°Π½Π°Π²Π»ΠΈΠ²Π°ΡΡΡΡ Π½Π° ΠΏΠΎΡΡΠ΅Π½Ρ Π΄Π»Ρ ΠΏΡΠ΅Π΄ΠΎΡΠ²ΡΠ°ΡΠ΅Π½ΠΈΡ ΡΡΠ΅ΡΠΊΠΈ ΡΠΎΠΏΠ»ΠΈΠ²Π° Π²ΠΎΠ·Π΄ΡΡ Π° ΠΈΠ· ΠΊΠ°ΠΌΠ΅ΡΡ ΡΠ³ΠΎΡΠ°Π½ΠΈΡ ΠΈ ΡΠ°ΡΡ ΠΎΠ΄Π° ΠΌΠ°ΡΠ»Π°.
- Π‘ΠΈΡΡΠ΅ΠΌΠ° ΡΠΌΠ°Π·ΠΊΠΈ Π΄ΠΎΡΡΠ°Π²Π»ΡΠ΅Ρ ΠΌΠ°ΡΠ»ΠΎ ΠΊΠΎ Π²ΡΠ΅ΠΌ Π½Π΅ΠΎΠ±Ρ ΠΎΠ΄ΠΈΠΌΡΠΌ ΡΠ»Π΅ΠΌΠ΅Π½ΡΠ°ΠΌ Π΄Π²ΠΈΠ³Π°ΡΠ΅Π»Ρ Π΄Π»Ρ ΡΠ½ΠΈΠΆΠ΅Π½ΠΈΡ ΡΡΠ΅Π½ΠΈΡ.
- ΠΠ°ΡΠ»ΡΠ½ΡΠΉ Π½Π°ΡΠΎΡ ΡΡΡΠΊΡΠ΅ΡΡΡ Ρ ΠΊΠΎΠ»Π΅Π½Π²Π°Π»ΠΎΠΌ ΠΈ ΠΎΠ±Π΅ΡΠΏΠ΅ΡΠΈΠ²Π°Π΅Ρ ΠΏΠΎΡΡΡΠΏΠ»Π΅Π½ΠΈΠ΅ ΠΌΠ°ΡΠ»Π° ΠΈΠ· ΠΏΠΎΠ΄Π΄ΠΎΠ½Π° ΠΊΠ°ΡΡΠ΅ΡΠ°.
- Π‘ΠΈΡΡΠ΅ΠΌΠ° ΡΠ½ΠΈΠΆΠ΅Π½ΠΈΡ ΡΠΎΠΊΡΠΈΡΠ½ΠΎΡΡΠΈ Π²ΡΡ Π»ΠΎΠΏΠ° ΠΏΡΠΈ ΠΏΠΎΠΌΠΎΡΠΈ ΠΊΠΎΠΌΠΏΡΡΡΠ΅ΡΠ° ΠΈ Π΄Π°ΡΡΠΈΠΊΠΎΠ² ΡΠ΅Π³ΡΠ»ΠΈΡΡΠ΅Ρ ΠΊΠ°ΡΠ°Π»ΠΈΡΠΈΡΠ΅ΡΠΊΠΈΠΉ Π½Π΅ΠΉΡΡΠ°Π»ΠΈΠ·Π°ΡΠΎΡ Π²ΡΡ Π»ΠΎΠΏΠ½ΡΡ Π³Π°Π·ΠΎΠ², ΡΠΆΠΈΠ³Π°ΡΡΠΈΠΉ Π½Π΅ΠΈΡΠΏΠΎΠ»ΡΠ·ΠΎΠ²Π°Π½Π½ΠΎΠ΅ ΡΠΎΠΏΠ»ΠΈΠ²ΠΎ Π² Π²ΡΡ Π»ΠΎΠΏΠ½ΠΎΠΉ ΡΠΌΠ΅ΡΠΈ.
- ΠΠ²ΡΠΎΠΌΠΎΠ±ΠΈΠ»ΡΠ½ΡΠΉ Π°ΠΊΠΊΡΠΌΡΠ»ΡΡΠΎΡ ΠΎΠ±Π΅ΡΠΏΠ΅ΡΠΈΠ²Π°Π΅Ρ ΡΠ»Π΅ΠΊΡΡΠΈΡΠ΅ΡΠΊΠΈΠΉ ΡΠΎΠΊ, Π½Π΅ΠΎΠ±Ρ ΠΎΠ΄ΠΈΠΌΡΠΉ Π΄Π»Ρ Π·Π°ΠΏΡΡΠΊΠ° Π΄Π²ΠΈΠ³Π°ΡΠ΅Π»Ρ. ΠΠ°ΡΡΠΆΠ°Π΅ΡΡΡ ΠΎΡ Π³Π΅Π½Π΅ΡΠ°ΡΠΎΡΠ°.
- ΠΠΎΠ»ΠΎΠ²ΠΊΠ° Π±Π»ΠΎΠΊΠ° ΡΠΈΠ»ΠΈΠ½Π΄ΡΠΎΠ² ΡΠΎΠ΅Π΄ΠΈΠ½ΡΠ΅ΡΡΡ Ρ Π±Π»ΠΎΠΊΠΎΠΌ ΡΠΈΠ»ΠΈΠ½Π΄ΡΠΎΠ². ΠΠ»Ρ ΠΏΠΎΠ²ΡΡΠ΅Π½ΠΈΡ Π³Π΅ΡΠΌΠ΅ΡΠΈΡΠ½ΠΎΡΡΠΈ ΠΏΡΠΈ ΡΠ³ΠΎΡΠ°Π½ΠΈΠΈ ΠΌΠ΅ΠΆΠ΄Ρ Π±Π»ΠΎΠΊΠΎΠΌ ΠΈ Π³ΠΎΠ»ΠΎΠ²ΠΊΠΎΠΉ Π½Π°Ρ
ΠΎΠ΄ΠΈΡΡΡ ΠΏΡΠΎΠΊΠ»Π°Π΄ΠΊΠ°.

- Π‘ΠΈΡΡΠ΅ΠΌΠ° Π·Π°ΠΆΠΈΠ³Π°Π½ΠΈΡ ΡΠΎΠ·Π΄Π°Π΅Ρ ΡΠ»Π΅ΠΊΡΡΠΈΡΠ΅ΡΠΊΠΈΠΉ ΡΠ°Π·ΡΡΠ΄, ΠΏΡΠΎΡ ΠΎΠ΄ΡΡΠΈΠΉ ΡΠ΅ΡΠ΅Π· ΡΠ°ΡΠΏΡΠ΅Π΄Π΅Π»ΠΈΡΠ΅Π»Ρ Π·Π°ΠΆΠΈΠ³Π°Π½ΠΈΡ, ΠΊΠΎΡΠΎΡΡΠΉ Π·Π°ΡΠ΅ΠΌ ΠΏΠΎΡΡΠ»Π°Π΅Ρ ΠΈΡΠΊΡΡ ΠΏΠΎ ΠΏΡΠΎΠ²ΠΎΠ΄Π°ΠΌ ΠΊ ΡΠ²Π΅ΡΠ°ΠΌ Π·Π°ΠΆΠΈΠ³Π°Π½ΠΈΡ. ΠΠ° ΠΊΠ°ΠΆΠ΄ΡΠΉ ΡΠΈΠ»ΠΈΠ½Π΄Ρ ΠΈΠ΄Π΅Ρ ΡΠ²ΠΎΠΉ ΠΏΡΠΎΠ²ΠΎΠ΄, Π·Π°ΡΡΠ΄ ΠΏΠΎΠ΄Π°Π΅ΡΡΡ Π½Π° ΡΠ²Π΅ΡΠΈ ΠΏΠΎ ΠΎΡΠ΅ΡΠ΅Π΄ΠΈ.
- ΠΡΡ Π»ΠΎΠΏΠ½Π°Ρ ΡΠΈΡΡΠ΅ΠΌΠ° ΡΠ΄Π°Π»ΡΠ΅Ρ Π²ΡΡ Π»ΠΎΠΏΠ½ΡΠ΅ Π³Π°Π·Ρ ΡΠ΅ΡΠ΅Π· Π²ΡΠΏΡΡΠΊΠ½ΠΎΠΉ ΠΊΠΎΠ»Π»Π΅ΠΊΡΠΎΡ ΠΈ Π²ΡΡ Π»ΠΎΠΏΠ½ΡΡ ΡΡΡΠ±Ρ. Π’ΡΠ°Π΄ΠΈΡΠΈΠΎΠ½Π½ΠΎ Π³ΡΠΎΠΌΠΊΠΈΠΉ Π·Π²ΡΠΊ Π²ΡΡ Π»ΠΎΠΏΠ° ΡΠΌΡΠ³ΡΠ°Π΅Ρ Π³Π»ΡΡΠΈΡΠ΅Π»Ρ.
ΠΡΠ»ΠΈ Π½Π΅ Π·Π°Π²ΠΎΠ΄ΠΈΡΡΡ Π΄Π²ΠΈΠ³Π°ΡΠ΅Π»Ρ Π°Π²ΡΠΎΠΌΠΎΠ±ΠΈΠ»Ρ, Π΅ΡΡΡ 3 Π½Π°ΠΈΠ±ΠΎΠ»Π΅Π΅ Π²Π΅ΡΠΎΡΡΠ½ΡΠ΅ ΠΏΡΠΈΡΠΈΠ½Ρ:
- ΠΠ»ΠΎΡ Π°Ρ ΡΠΎΠΏΠ»ΠΈΠ²Π½Π°Ρ ΡΠΌΠ΅ΡΡ. ΠΠ°ΠΊΠΎΠ½ΡΠΈΠ»ΠΎΡΡ ΡΠΎΠΏΠ»ΠΈΠ²ΠΎ, ΠΏΠΎΡΡΠΎΠΌΡ Π² Π΄Π²ΠΈΠ³Π°ΡΠ΅Π»Ρ ΠΏΠΎΡΡΡΠΏΠ°Π΅Ρ ΡΠΎΠ»ΡΠΊΠΎ Π²ΠΎΠ·Π΄ΡΡ . ΠΠ°ΡΠΎΡΠ΅Π½ Π²ΠΎΠ·Π΄ΡΡ ΠΎΠ·Π°Π±ΠΎΡΠ½ΠΈΠΊ. ΠΠΎΠ΄Π°Π΅ΡΡΡ ΡΠ»ΠΈΡΠΊΠΎΠΌ ΠΌΠ½ΠΎΠ³ΠΎ ΠΈΠ»ΠΈ ΠΌΠ°Π»ΠΎ ΡΠΎΠΏΠ»ΠΈΠ²Π°. Π ΡΠΎΠΏΠ»ΠΈΠ²Π΅ ΠΈΠΌΠ΅ΡΡΡΡ ΠΏΡΠΈΠΌΠ΅ΡΠΈ (Π½Π°ΠΏΡ., Π²ΠΎΠ΄Π°), ΠΊΠΎΡΠΎΡΡΠ΅ Π½Π΅ Π΄Π°ΡΡ Π΅ΠΌΡ Π²ΠΎΡΠΏΠ»Π°ΠΌΠ΅Π½ΡΡΡΡΡ.
- ΠΠ»ΠΎΡ Π°Ρ ΠΊΠΎΠΌΠΏΡΠ΅ΡΡΠΈΡ. ΠΠ·Π½ΠΎΡ ΠΏΠΎΡΡΠ½Π΅Π²ΡΡ ΠΊΠΎΠ»Π΅Ρ (Π²ΡΠ·ΡΠ²Π°Π΅Ρ ΡΡΠ΅ΡΠΊΡ Π²ΠΎΠ·Π΄ΡΡ Π°). ΠΠ΅ Π³Π΅ΡΠΌΠ΅ΡΠΈΡΠ½ΠΎΡΡΡ ΠΊΠ»Π°ΠΏΠ°Π½ΠΎΠ² Π²ΡΠ·ΡΠ²Π°Π΅Ρ ΡΡΠ΅ΡΠΊΡ Π²ΠΎ Π²ΡΠ΅ΠΌΡ ΠΊΠΎΠΌΠΏΡΠ΅ΡΡΠΈΠΈ. Π©Π΅Π»ΠΈ Π² Π±Π»ΠΎΠΊΠ΅ ΡΠΈΠ»ΠΈΠ½Π΄ΡΠΎΠ² Π²ΡΠ»Π΅Π΄ΡΡΠ²ΠΈΠ΅ ΠΈΠ·Π½ΠΎΡΠ° ΠΏΡΠΎΠΊΠ»Π°Π΄ΠΊΠΈ.
- ΠΠ»ΠΎΡ
Π°Ρ ΠΈΡΠΊΡΠ°.
ΠΠ·Π½ΠΎΡ ΡΠ²Π΅ΡΠ΅ΠΉ Π·Π°ΠΆΠΈΠ³Π°Π½ΠΈΡ ΠΈΠ»ΠΈ ΠΏΡΠΎΠ²ΠΎΠ΄ΠΎΠ² ΠΊ ΡΠ²Π΅ΡΠ°ΠΌ Π·Π°ΠΆΠΈΠ³Π°Π½ΠΈΡ. ΠΠ±ΡΡΠ² ΠΈΠ»ΠΈ ΡΡΠ΅ΡΡ ΠΏΡΠΎΠ²ΠΎΠ΄Π°. ΠΠ΅ΠΏΡΠ°Π²ΠΈΠ»ΡΠ½ΠΎ Π²ΡΡΡΠ°Π²Π»Π΅Π½ΠΎ Π·Π°ΠΆΠΈΠ³Π°Π½ΠΈΠ΅, Ρ.Π΅. ΠΈΡΠΊΡΠ° ΠΏΠΎΠ΄Π°Π΅ΡΡΡ ΡΠ»ΠΈΡΠΊΠΎΠΌ ΡΠ°Π½ΠΎ ΠΈΠ»ΠΈ ΡΠ»ΠΈΡΠΊΠΎΠΌ ΠΏΠΎΠ·Π΄Π½ΠΎ.
Π‘ΠΏΡΠ°ΡΠΈΠ²Π°ΠΉΡΠ΅ Π² ΠΊΠΎΠΌΠΌΠ΅Π½ΡΠ°ΡΠΈΡΡ . ΠΡΠ²Π΅ΡΠΈΠΌ ΠΎΠ±ΡΠ·Π°ΡΠ΅Π»ΡΠ½ΠΎ!
ΠΠ°ΠΊ ΡΠ°Π±ΠΎΡΠ°Π΅Ρ Π΄Π²ΠΈΠ³Π°ΡΠ΅Π»Ρ?
ΠΠ°ΠΆΠ½ΠΎ Π»ΠΈ ΠΏΠΎΠ½ΠΈΠΌΠ°ΡΡ ΡΡΡΡΠΎΠΉΡΡΠ²ΠΎ Π΄Π²ΠΈΠ³Π°ΡΠ΅Π»Ρ Π΄Π»Ρ ΠΎΠ±ΡΡΠ½ΠΎΠ³ΠΎ ΠΏΠΎΠ»ΡΠ·ΠΎΠ²Π°ΡΠ΅Π»Ρ Π°Π²ΡΠΎΠΌΠΎΠ±ΠΈΠ»Ρ? ΠΡΠΎ ΠΊΠ°ΠΊ ΠΌΠΈΠ½ΠΈΠΌΡΠΌ Π½Π΅ΠΎΠ±Ρ ΠΎΠ΄ΠΈΠΌΠΎ Π΄Π»Ρ ΠΏΡΠ°Π²ΠΈΠ»ΡΠ½ΠΎΠΉ ΡΠΊΡΠΏΠ»ΡΠ°ΡΠ°ΡΠΈΠΈ ΠΌΠΎΡΠΎΡΠ°. ΠΠ°ΠΏΡΠΈΠΌΠ΅Ρ, Π·Π½Π°Π΅ΡΠ΅ Π»ΠΈ Π²Ρ ΠΏΡΠΎ 9-ΡΠΈΠ»ΠΈΠ½Π΄ΡΠΎΠ²ΡΠΉ ΠΌΠΎΡΠΎΡ ΠΠΠ ΠΈΠ»ΠΈ ΡΡΠΎ ΡΠ°ΠΊΠΎΠ΅ ΠΎΠ±ΡΠ΅ΠΌ Π΄Π²ΠΈΠ³Π°ΡΠ΅Π»Ρ? ΠΠ° ΠΏΡΡΡ ΠΌΠΈΠ½ΡΡ ΡΠ°ΡΡΠΊΠ°ΠΆΠ΅ΠΌ ΠΏΡΠΎΡΡΠΎ ΠΎΠ±ΠΎ Π²ΡΠ΅ΠΌ Π²Π°ΠΆΠ½ΠΎΠΌ.
ΠΠΈΠ΄Ρ ΠΌΠΎΡΠΎΡΠΎΠ²
ΠΠ²ΠΈΠ³Π°ΡΠ΅Π»Ρ Π²Π½ΡΡΡΠ΅Π½Π½Π΅Π³ΠΎ ΡΠ³ΠΎΡΠ°Π½ΠΈΡ ΠΏΡΠ΅Π΄ΡΡΠ°Π²Π»ΡΠ΅Ρ ΡΠΎΠ±ΠΎΠΉ Π΄ΠΎΡΡΠ°ΡΠΎΡΠ½ΠΎ ΡΠ»ΠΎΠΆΠ½ΡΡ ΠΊΠΎΠ½ΡΡΡΡΠΊΡΠΈΡ. Π‘ΡΡΠ΅ΡΡΠ²ΡΡΡ Π΄Π²ΡΡ
- ΠΈ ΡΠ΅ΡΡΡΠ΅Ρ
ΡΠ°ΠΊΡΠ½ΡΠ΅ Π΄Π²ΠΈΠ³Π°ΡΠ΅Π»ΠΈ. ΠΠ°ΠΈΠ±ΠΎΠ»Π΅Π΅ ΡΠ°ΡΠΏΡΠΎΡΡΡΠ°Π½Π΅Π½Ρ 4-ΡΠ°ΠΊΡΠ½ΡΠ΅ ΠΌΠΎΡΠΎΡΡ Π² Π°Π²ΡΠΎΠΌΠΎΠ±ΠΈΠ»ΡΡ
ΠΈ ΠΌΠΎΡΠΎΡΠΈΠΊΠ»Π°Ρ
. ΠΠ²ΡΡ
ΡΠ°ΠΊΡΠ½ΠΈΠΊΠΈ ΡΠ°ΠΊΠΆΠ΅ ΠΌΠΎΠ³ΡΡ ΠΏΡΠΈΠΌΠ΅Π½ΡΡΡΡΡ Π² ΡΡΠ°Π½ΡΠΏΠΎΡΡΠ΅, Π½ΠΎ ΡΠ°ΡΠ΅ ΠΈΡ
ΠΈΡΠΏΠΎΠ»ΡΠ·ΡΡΡ Π΄Π»Ρ Π½Π΅ΠΊΠΎΡΠΎΡΡΡ
Π²ΠΈΠ΄ΠΎΠ² Π²ΠΎΠ΄Π½ΡΡ
ΠΈ Π΄Π°ΠΆΠ΅ Π²ΠΎΠ·Π΄ΡΡΠ½ΡΡ
ΡΡΠ΄ΠΎΠ². ΠΠ²ΡΡ
ΡΠ°ΠΊΡΠ½ΡΠ΅ ΠΌΠΎΡΠΎΡΡ ΡΡΡΠ°Π½Π°Π²Π»ΠΈΠ²Π°ΡΡ Π² ΠΌΠΎΡΠΎΠΊΠΎΡΠ°Ρ
, Π±Π΅Π½Π·ΠΎΠΏΠΈΠ»Π°Ρ
ΠΈ ΠΏΡΠΎΡΠ΅ΠΌ ΡΡΡΠΎΠΈΡΠ΅Π»ΡΠ½ΠΎΠΌ Π±Π΅Π½Π·ΠΎΠΈΠ½ΡΡΡΡΠΌΠ΅Π½ΡΠ΅.
ΠΠΎΠ½ΡΡΡΡΠΊΡΠΎΡΡ ΡΡΠΏΠ΅Π»ΠΈ ΠΏΡΠΈΠ΄ΡΠΌΠ°ΡΡ ΡΠ°ΠΊΠΎΠ΅ ΠΌΠ½ΠΎΠΆΠ΅ΡΡΠ²ΠΎ Π°Π³ΡΠ΅Π³Π°ΡΠΎΠ², ΠΏΠΎΠΏΠ°Π΄Π°ΡΡΠΈΡ ΠΏΠΎΠ΄ ΠΎΠΏΡΠ΅Π΄Π΅Π»Π΅Π½ΠΈΠ΅ ΠΠΠ‘. ΠΡ Π±ΡΠ΄Π΅ΠΌ ΡΠ°ΡΡΠΌΠ°ΡΡΠΈΠ²Π°ΡΡ Π½Π°ΠΈΠ±ΠΎΠ»Π΅Π΅ ΠΏΡΠΈΠ²ΡΡΠ½ΡΠ΅ Π²Π°ΡΠΈΠ°Π½ΡΡ. Π Π°ΡΡΠΌΠΎΡΡΠΈΠΌ 4-ΡΠ°ΠΊΡΠ½ΡΠΉ ΠΌΠΎΡΠΎΡ. Π§ΡΠΎΠ±Ρ ΠΏΠΎΠ½ΡΡΡ ΠΏΠΎΡΡΠ΄ΠΎΠΊ ΠΈ ΠΏΡΠΈΠ½ΡΠΈΠΏΡ Π΅Π³ΠΎ ΡΠ°Π±ΠΎΡΡ, ΡΠ°Π·Π±Π΅ΡΠ΅ΠΌΡΡ, ΠΈΠ· ΡΠ΅Π³ΠΎ ΠΎΠ½ ΡΠΎΡΡΠΎΠΈΡ:
- ΡΠΈΠ»ΠΈΠ½Π΄ΡΡ, Π² ΠΊΠΎΡΠΎΡΡΡ ΡΠ°ΡΠΏΠΎΠ»Π°Π³Π°ΡΡΡΡ ΠΏΠΎΡΡΠ½ΠΈ;
- ΠΊΠΎΠ»Π΅Π½ΡΠ°ΡΡΠΉ Π²Π°Π»;
- Π³Π°Π·ΠΎΡΠ°ΡΠΏΡΠ΅Π΄Π΅Π»ΠΈΡΠ΅Π»ΡΠ½ΡΠΉ ΠΌΠ΅Ρ Π°Π½ΠΈΠ·ΠΌ.
Π ΡΡΠΎΠΌΡ Π΄ΠΎΠ±Π°Π²ΠΈΠΌ ΡΠΈΡΡΠ΅ΠΌΡ Π·Π°ΠΆΠΈΠ³Π°Π½ΠΈΡ, ΠΏΠΎΠ΄Π°ΡΠΈ ΡΠΎΠΏΠ»ΠΈΠ²Π° ΠΈ ΠΎΡΠ²ΠΎΠ΄Π° ΠΎΡΡΠ°Π±ΠΎΡΠ°Π½Π½ΡΡ Π³Π°Π·ΠΎΠ², Π° ΡΠ°ΠΊΠΆΠ΅ ΡΠΌΠ°Π·ΠΊΠΈ ΠΈ ΠΎΡ Π»Π°ΠΆΠ΄Π΅Π½ΠΈΡ Π΄Π²ΠΈΠ³Π°ΡΠ΅Π»Ρ.
ΠΡΠ½ΠΎΠ²Π½ΡΠ΅ ΠΏΠΎΠ΄Ρ ΠΎΠ΄Ρ ΠΊ ΠΊΠ»Π°ΡΡΠΈΡΠΈΠΊΠ°ΡΠΈΠΈ ΡΠΈΠ»ΠΎΠ²ΡΡ ΡΡΡΠ°Π½ΠΎΠ²ΠΎΠΊ:
- ΠΠΎ ΠΊΠΎΠ»ΠΈΡΠ΅ΡΡΠ²Ρ ΡΠΈΠ»ΠΈΠ½Π΄ΡΠΎΠ².
- ΠΠΎ ΡΠ°ΡΠΏΠΎΠ»ΠΎΠΆΠ΅Π½ΠΈΡ ΡΠΈΠ»ΠΈΠ½Π΄ΡΠΎΠ².
- ΠΠΎ Π²ΠΈΠ΄Ρ ΡΠΎΠΏΠ»ΠΈΠ²Π°.
1. Π¦ΠΈΠ»ΠΈΠ½Π΄ΡΠΎΠ² ΡΠ°ΡΠ΅ Π²ΡΠ΅Π³ΠΎ Π±ΡΠ²Π°Π΅Ρ ΠΎΡ ΠΎΠ΄Π½ΠΎΠ³ΠΎ Π΄ΠΎ ΡΠ΅ΡΡΠΈ. ΠΠΎΠ»Π΅Π΅ ΠΌΠΎΡΠ½ΡΠ΅ Π°Π²ΡΠΎΠΌΠΎΠ±ΠΈΠ»ΠΈ ΠΌΠΎΠ³ΡΡ ΠΈΡΠΏΠΎΠ»ΡΠ·ΠΎΠ²Π°ΡΡ, Π½Π°ΠΏΡΠΈΠΌΠ΅Ρ, 8, 12 ΠΈΠ»ΠΈ 16 ΡΠΈΠ»ΠΈΠ½Π΄ΡΠΎΠ².
2. Π ΡΡΠ΄Π½ΠΎΠΌ Π΄Π²ΠΈΠ³Π°ΡΠ΅Π»Π΅ ΡΠΈΠ»ΠΈΠ½Π΄ΡΡ Π½Π° ΠΊΠΎΠ»Π΅Π½ΡΠ°ΡΠΎΠΌ Π²Π°Π»Ρ ΡΠ°ΡΠΏΠΎΠ»Π°Π³Π°ΡΡΡΡ ΠΎΠ΄ΠΈΠ½ Π·Π° Π΄ΡΡΠ³ΠΈΠΌ Π² ΡΡΠ΄. Π£Π²Π΅Π»ΠΈΡΠΈΡΡ ΠΌΠΎΡΠ½ΠΎΡΡΡ Π΄Π²ΠΈΠ³Π°ΡΠ΅Π»Ρ Π±Π΅Π· ΡΡΡΠ΅ΡΡΠ²Π΅Π½Π½ΠΎΠ³ΠΎ ΠΈΠ·ΠΌΠ΅Π½Π΅Π½ΠΈΡ ΡΠ°Π·ΠΌΠ΅ΡΠΎΠ² ΠΌΠΎΠΆΠ½ΠΎ ΠΏΡΡΠ΅ΠΌ ΡΠ΄Π²ΠΎΠ΅Π½ΠΈΡ ΠΊΠΎΠ»ΠΈΡΠ΅ΡΡΠ²Π° ΡΠΈΠ»ΠΈΠ½Π΄ΡΠΎΠ².
ΠΡΠΈ ΡΡΠΎΠΌ ΠΎΠ΄ΠΈΠ½ ΡΡΠ΄ ΠΏΠΎΡΡΠ½Π΅ΠΉ ΡΠ°ΡΠΏΠΎΠ»Π°Π³Π°Π΅ΡΡΡ ΠΎΡΠ½ΠΎΡΠΈΡΠ΅Π»ΡΠ½ΠΎ Π²ΡΠΎΡΠΎΠ³ΠΎ ΡΡΠ΄Π° ΠΏΠΎΠ΄ ΡΠ³Π»ΠΎΠΌ 90 Π³ΡΠ°Π΄ΡΡΠΎΠ². Π’Π°ΠΊΠΎΠΉ ΡΠΈΠΏ Π΄Π²ΠΈΠ³Π°ΡΠ΅Π»Ρ Π½Π°Π·ΡΠ²Π°Π΅ΡΡΡ V-ΠΎΠ±ΡΠ°Π·Π½ΡΠΌ. Π‘ΡΡΠ΅ΡΡΠ²ΡΠ΅Ρ Π΅ΡΠ΅ ΠΈ ΠΎΠΏΠΏΠΎΠ·ΠΈΡΠ½ΡΠΉ ΡΠΈΠΏ ΠΌΠΎΡΠΎΡΠ°, ΠΊΠΎΠ³Π΄Π° Π΄Π²Π° ΡΡΠ΄Π° ΠΏΠΎΡΡΠ½Π΅ΠΉ ΡΠ°ΡΠΏΠΎΠ»Π°Π³Π°ΡΡΡΡ ΠΏΠΎΠ΄ ΡΠ³Π»ΠΎΠΌ 180 Π³ΡΠ°Π΄ΡΡΠΎΠ². Π’Π°ΠΊΠΈΠ΅ Π΄Π²ΠΈΠ³Π°ΡΠ΅Π»ΠΈ, Π½Π°ΠΏΡΠΈΠΌΠ΅Ρ, ΠΏΡΠΈΠΌΠ΅Π½ΡΡΡΡΡ Π² Π°Π²ΡΠΎΠΌΠΎΠ±ΠΈΠ»ΡΡ
Subaru. ΠΠ° ΡΡΠ΅Ρ ΠΎΡΠΎΠ±Π΅Π½Π½ΠΎΡΡΠ΅ΠΉ ΡΠ°ΡΠΏΠΎΠ»ΠΎΠΆΠ΅Π½ΠΈΡ ΡΠΈΠ»ΠΈΠ½Π΄ΡΠΎΠ² Π°Π²ΡΠΎΠΌΠΎΠ±ΠΈΠ»Ρ ΠΏΠΎΠ»ΡΡΠ°Π΅Ρ Π±ΠΎΠ»Π΅Π΅ Π½ΠΈΠ·ΠΊΠΈΠΉ ΡΠ΅Π½ΡΡ ΡΡΠΆΠ΅ΡΡΠΈ ΠΈ Π²ΠΈΠ±ΡΠ°ΡΠΈΡ ΠΏΡΠΈ ΡΠ°Π±ΠΎΡΠ΅, Π° ΡΠ°ΠΊΠΆΠ΅ ΠΌΠΈΠ½ΠΈΠΌΠ°Π»ΡΠ½ΡΡ Π²ΡΡΠΎΡΡ ΠΊΠ°ΠΏΠΎΡΠ°.
3. ΠΠΠ‘ ΠΌΠΎΠΆΠ΅Ρ ΡΠ°Π±ΠΎΡΠ°ΡΡ Π½Π° Π±Π΅Π½Π·ΠΈΠ½Π΅ ΠΈ Π΄ΠΈΠ·ΡΠΎΠΏΠ»ΠΈΠ²Π΅. ΠΡΠ»ΠΈΡΠΈΠ΅ Π·Π°ΠΊΠ»ΡΡΠ°Π΅ΡΡΡ Π² ΡΠΎΠΌ, ΡΡΠΎ Π² Π±Π΅Π½Π·ΠΈΠ½ΠΎΠ²ΠΎΠΌ ΠΌΠΎΡΠΎΡΠ΅ ΡΠΎΠΏΠ»ΠΈΠ²ΠΎ ΠΏΠΎΠ΄Π°Π΅ΡΡΡ ΡΠΌΠ΅ΡΠ°Π½Π½ΠΎΠ΅ Ρ Π²ΠΎΠ·Π΄ΡΡ ΠΎΠΌ ΠΈ Π·Π°ΠΆΠΈΠ³Π°Π΅ΡΡΡ Ρ ΠΏΠΎΠΌΠΎΡΡΡ ΠΈΡΠΊΡΡ ΠΎΡ ΡΠ²Π΅ΡΠΈ. Π£ Π΄ΠΈΠ·Π΅Π»ΡΠ½ΠΎΠ³ΠΎ ΠΌΠΎΡΠΎΡΠ° ΡΠΎΠΏΠ»ΠΈΠ²ΠΎ ΠΈ Π²ΠΎΠ·Π΄ΡΡ ΠΏΠΎΠ΄Π°ΡΡΡΡ ΡΠ°Π·Π΄Π΅Π»ΡΠ½ΠΎ, Π²ΠΎΡΠΏΠ»Π°ΠΌΠ΅Π½Π΅Π½ΠΈΠ΅ ΠΏΡΠΎΠΈΡΡ ΠΎΠ΄ΠΈΡ ΠΎΡ Π²ΡΡΠΎΠΊΠΎΠΉ ΡΠ΅ΠΌΠΏΠ΅ΡΠ°ΡΡΡΡ ΡΠΆΠ°ΡΠΎΠ³ΠΎ Π³Π°Π·Π°. ΠΠΌΠ΅ΡΡΠΎ Π±Π΅Π½Π·ΠΈΠ½Π° Π² Π΄Π²ΠΈΠ³Π°ΡΠ΅Π»Π΅ ΡΠΎ ΡΠΌΠ΅ΡΠ°Π½Π½ΡΠΌ ΡΠΎΠΏΠ»ΠΈΠ²ΠΎΠΌ ΠΌΠΎΠΆΠ΅Ρ ΠΈΡΠΏΠΎΠ»ΡΠ·ΠΎΠ²Π°ΡΡΡΡ Π³Π°Π·, Π½Π°ΠΏΡΠΈΠΌΠ΅Ρ, ΠΌΠ΅ΡΠ°Π½.
Π ΠΎΠ΄Π½ΠΎΠΉ ΠΌΠΎΠ΄Π΅Π»ΠΈ Π°Π²ΡΠΎΠΌΠΎΠ±ΠΈΠ»Ρ ΡΠ°ΡΡΠΎ ΠΈΡΠΏΠΎΠ»ΡΠ·ΡΠ΅ΡΡΡ ΡΠ΅Π»Π°Ρ Π»ΠΈΠ½Π΅ΠΉΠΊΠ° Π΄Π²ΠΈΠ³Π°ΡΠ΅Π»Π΅ΠΉ Ρ ΡΠ°Π·Π½ΡΠΌΠΈ Ρ
Π°ΡΠ°ΠΊΡΠ΅ΡΠΈΡΡΠΈΠΊΠ°ΠΌΠΈ Π½Π° Π²ΡΠ±ΠΎΡ ΠΏΠΎΠΊΡΠΏΠ°ΡΠ΅Π»Ρ. ΠΠ°ΠΏΡΠΈΠΌΠ΅Ρ, Π² ΠΏΠΎΠΏΡΠ»ΡΡΠ½ΠΎΠΉ BMW 5-ΠΉ ΡΠ΅ΡΠΈΠΈ (Π60) ΠΌΠΎΠΆΠ΅Ρ ΠΈΡΠΏΠΎΠ»ΡΠ·ΠΎΠ²Π°ΡΡΡΡ ΡΡΠ΄Π½ΡΠΉ 4-ΡΠΈΠ»ΠΈΠ½Π΄ΡΠΎΠ²ΡΠΉ Π΄ΠΈΠ·Π΅Π»ΡΠ½ΡΠΉ Π΄Π²ΠΈΠ³Π°ΡΠ΅Π»Ρ (M47), ΡΡΠ΄Π½ΡΠΉ 6-ΡΠΈΠ»ΠΈΠ½Π΄ΡΠΎΠ²ΡΠΉ ΡΡΡΠ±ΠΎΠ΄ΠΈΠ·Π΅Π»Ρ (Π57) ΠΈΠ»ΠΈ ΠΌΠΎΡΠ½ΡΠΉ 10-ΡΠΈΠ»ΠΈΠ½Π΄ΡΠΎΠ²ΡΠΉ Π±Π΅Π½Π·ΠΈΠ½ΠΎΠ²ΡΠΉ V-ΠΎΠ±ΡΠ°Π·Π½ΠΈΠΊ (S85).
Π Π²ΠΎΡ 9-ΡΠΈΠ»ΠΈΠ½Π΄ΡΠΎΠ²ΡΠΉ Π΄Π²ΠΈΠ³Π°ΡΠ΅Π»Ρ ΠΠΠ ΡΡΠ°Π²ΠΈΠ»ΠΈ Π½Π° ΡΠ°ΠΌΠΎΠ»Π΅ΡΡ, ΠΈ ΡΠ°ΡΠΏΠΎΠ»Π°Π³Π°Π»ΠΈΡΡ ΡΠΈΠ»ΠΈΠ½Π΄ΡΡ ΠΎΡΠ½ΠΎΡΠΈΡΠ΅Π»ΡΠ½ΠΎ Π΄ΡΡΠ³ Π΄ΡΡΠ³Π° Π² Π²ΠΈΠ΄Π΅ Π·Π²Π΅Π·Π΄Ρ.
ΠΠΎΡΡΠ΄ΠΎΠΊ ΡΠ°Π±ΠΎΡΡ Π΄Π²ΠΈΠ³Π°ΡΠ΅Π»Ρ
ΠΠ΅ΡΠ½Π΅ΠΌΡΡ ΠΊ Π΄Π²ΡΡ - ΠΈ ΡΠ΅ΡΡΡΠ΅Ρ ΡΠ°ΠΊΡΠ½ΡΠΌ Π΄Π²ΠΈΠ³Π°ΡΠ΅Π»ΡΠΌ. ΠΠΎΠ½ΡΡΡΡΠΊΡΠΈΠΈ Π΄Π²ΡΡ ΡΠ°ΠΊΡΠ½ΡΡ ΠΌΠΎΡΠΎΡΠΎΠ² ΠΌΠΎΠ³ΡΡ ΡΠΈΠ»ΡΠ½ΠΎ ΡΠ°Π·Π»ΠΈΡΠ°ΡΡΡΡ ΠΈ Π±ΡΡΡ ΠΊΠ°ΠΊ ΠΏΡΠΎΡΠ΅, ΡΠ°ΠΊ ΠΈ Π½Π°ΠΌΠ½ΠΎΠ³ΠΎ ΡΠ»ΠΎΠΆΠ½Π΅Π΅ ΡΠ΅ΡΡΡΠ΅Ρ ΡΠ°ΠΊΡΠ½ΡΡ ΡΠΎΠ±ΡΠ°ΡΡΠ΅Π². ΠΠ° ΡΡΠ΅Ρ ΠΌΠ΅Π½ΡΡΠ΅Π³ΠΎ ΠΊΠΎΠ»ΠΈΡΠ΅ΡΡΠ²Π° ΠΎΠ±ΠΎΡΠΎΡΠΎΠ² ΠΌΠΎΡΠ½ΠΎΡΡΡ Π΄Π²ΡΡ ΡΠ°ΠΊΡΠ½ΠΈΠΊΠΎΠ² Π²ΡΡΠ΅, Π½ΠΎ ΡΠΊΠΎΠ½ΠΎΠΌΠΈΡΠ½ΠΎΡΡΡ Ρ ΡΠΆΠ΅. ΠΠ°Π»Π΅Π½ΡΠΊΠΈΠ΅ ΠΏΠΎ ΡΠ°Π·ΠΌΠ΅ΡΠ°ΠΌ ΠΈ ΠΌΠΎΡΠ½ΠΎΡΡΠΈ ΠΌΠΎΡΠΎΡΡ Π½Π΅ ΡΡΠ΅Π±ΡΡΡ ΡΠ»ΠΎΠΆΠ½ΠΎΠΉ ΡΠΈΡΡΠ΅ΠΌΡ ΠΎΡ Π»Π°ΠΆΠ΄Π΅Π½ΠΈΡ, ΠΌΠ°ΡΠ»ΠΎ Π΄Π»Ρ ΡΠΌΠ°Π·ΠΊΠΈ Π΄ΠΎΠ±Π°Π²Π»ΡΠ΅ΡΡΡ Π½Π΅ΠΏΠΎΡΡΠ΅Π΄ΡΡΠ²Π΅Π½Π½ΠΎ Ρ ΡΠΎΠΏΠ»ΠΈΠ²ΠΎΠΌ Π² ΠΊΠ°ΠΌΠ΅ΡΡ ΡΠ³ΠΎΡΠ°Π½ΠΈΡ.
ΠΠ΄ΠΈΠ½ ΡΠ°ΠΊΡ β ΡΡΠΎ Π΄Π²ΠΈΠΆΠ΅Π½ΠΈΠ΅ ΠΏΠΎΡΡΠ½Ρ Π²Π½ΡΡΡΠΈ ΡΠΈΠ»ΠΈΠ½Π΄ΡΠ° Π²Π²Π΅ΡΡ ΠΈΠ»ΠΈ Π²Π½ΠΈΠ·. Π Π°Π±ΠΎΡΠ° 4-ΡΠ°ΠΊΡΠ½ΠΎΠ³ΠΎ ΠΌΠΎΡΠΎΡΠ° ΡΠΎΡΡΠΎΠΈΡ ΠΈΠ·:
- Π²ΠΏΡΡΠΊΠ°;
- ΡΠΆΠ°ΡΠΈΡ;
- ΡΠ°Π±ΠΎΡΠ΅Π³ΠΎ Ρ ΠΎΠ΄Π°;
- Π²ΡΠΏΡΡΠΊΠ°.
Π£ Π΄Π²ΡΡ ΡΠ°ΠΊΡΠ½ΠΎΠΉ ΡΠΈΠ»ΠΎΠ²ΠΎΠΉ ΡΡΡΠ°Π½ΠΎΠ²ΠΊΠΈ Π²ΠΏΡΡΠΊ ΠΏΡΠΎΠΈΡΡ ΠΎΠ΄ΠΈΡ Π²ΠΎ Π²ΡΠ΅ΠΌΡ ΡΠΆΠ°ΡΠΈΡ (ΠΏΠ΅ΡΠ²ΡΠΉ ΡΠ°ΠΊΡ), Π° ΡΠ°Π±ΠΎΡΠΈΠΉ Ρ ΠΎΠ΄ ΡΠΎΠ²ΠΌΠ΅ΡΠ΅Π½ Ρ Π²ΡΠΏΡΡΠΊΠΎΠΌ ΠΎΡΡΠ°Π±ΠΎΡΠ°Π½Π½ΡΡ Π³Π°Π·ΠΎΠ² (Π²ΡΠΎΡΠΎΠΉ ΡΠ°ΠΊΡ).
Π’Π΅ΠΏΠ΅ΡΡ ΠΏΠΎΠ΄ΡΠΎΠ±Π½Π΅Π΅ ΠΎ ΡΠ΅ΡΡΡΠ΅Ρ
ΡΠ°ΠΊΡΠ½ΠΎΠΌ ΠΏΡΠΎΡΠ΅ΡΡΠ΅.
Π ΡΠΈΠ»ΠΈΠ½Π΄ΡΠ΅ Π½Π°Ρ ΠΎΠ΄ΠΈΡΡΡ ΠΏΠΎΡΡΠ΅Π½Ρ, ΠΊΠΎΡΠΎΡΡΠΉ Ρ ΠΏΠΎΠΌΠΎΡΡΡ ΡΠ°ΡΡΠ½Π° ΠΊΡΠ΅ΠΏΠΈΡΡΡ ΠΊ ΠΊΠΎΠ»Π΅Π½Π²Π°Π»Ρ. Π‘Π²Π΅ΡΡ Ρ ΡΠΈΠ»ΠΈΠ½Π΄ΡΠ° Π½Π°Ρ ΠΎΠ΄ΡΡΡΡ Π²ΠΏΡΡΠΊΠ½ΡΠ΅ ΠΈ Π²ΡΠΏΡΡΠΊΠ½ΡΠ΅ ΠΊΠ»Π°ΠΏΠ°Π½Ρ, Π° ΡΠ°ΠΊΠΆΠ΅ ΡΠ²Π΅ΡΠ°. ΠΠ½ΡΡΡΠ΅Π½Π½ΠΈΠΉ ΠΎΠ±ΡΠ΅ΠΌ Π²ΡΠ΅Ρ ΡΠΈΠ»ΠΈΠ½Π΄ΡΠΎΠ² ΡΠΎΡΡΠ°Π²Π»ΡΠ΅Ρ ΡΠ°ΠΊ Π½Π°Π·ΡΠ²Π°Π΅ΠΌΡΠΉ ΠΎΠ±ΡΠ΅ΠΌ Π΄Π²ΠΈΠ³Π°ΡΠ΅Π»Ρ.
ΠΠΎΡΡΠ΅Π½Ρ ΠΌΠΎΠΆΠ΅Ρ Π½Π°Ρ ΠΎΠ΄ΠΈΡΡΡΡ Π² Π²Π΅ΡΡ Π½Π΅ΠΉ ΡΠΎΡΠΊΠ΅ ΡΠΈΠ»ΠΈΠ½Π΄ΡΠ° (Π²Π΅ΡΡ Π½ΡΡ ΠΌΠ΅ΡΡΠ²Π°Ρ ΡΠΎΡΠΊΠ°), Π½ΠΈΠΆΠ½Π΅ΠΉ (Π½ΠΈΠΆΠ½ΡΡ ΠΌΠ΅ΡΡΠ²Π°Ρ ΡΠΎΡΠΊΠ°) ΠΈΠ»ΠΈ ΠΏΠ΅ΡΠ΅ΠΌΠ΅ΡΠ°ΡΡΡΡ ΠΌΠ΅ΠΆΠ΄Ρ Π½ΠΈΠΌΠΈ.
Π ΠΏΠ΅ΡΠ²ΠΎΠΌ ΡΠ°ΠΊΡΠ΅ ΠΎΡΠΊΡΡΠ²Π°Π΅ΡΡΡ Π²ΠΏΡΡΠΊΠ½ΠΎΠΉ ΠΊΠ»Π°ΠΏΠ°Π½ ΠΈ ΠΏΠΎΡΡΠ΅Π½Ρ ΠΎΠΏΡΡΠΊΠ°Π΅ΡΡΡ. Π’Π°ΠΊΠΈΠΌ ΠΎΠ±ΡΠ°Π·ΠΎΠΌ, ΡΠΈΠ»ΠΈΠ½Π΄Ρ Π½Π°ΠΏΠΎΠ»Π½ΡΠ΅ΡΡΡ Π»ΠΈΠ±ΠΎ ΡΠΌΠ΅ΡΡΡ ΡΠΎΠΏΠ»ΠΈΠ²Π° ΠΈ Π²ΠΎΠ·Π΄ΡΡ Π°, Π»ΠΈΠ±ΠΎ ΡΠΎΠ»ΡΠΊΠΎ Π²ΠΎΠ·Π΄ΡΡ ΠΎΠΌ (Π΄Π»Ρ Π΄ΠΈΠ·Π΅Π»ΡΠ½ΠΎΠ³ΠΎ ΠΌΠΎΡΠΎΡΠ°).
ΠΠΎ Π²ΡΠΎΡΠΎΠΌ ΡΠ°ΠΊΡΠ΅ ΠΏΠΎΡΡΠ΅Π½Ρ ΠΈΠ΄Π΅Ρ Π²Π²Π΅ΡΡ , ΡΠΆΠΈΠΌΠ°Ρ ΡΠΎΠ΄Π΅ΡΠΆΠΈΠΌΠΎΠ΅ ΠΈ ΠΏΠ°ΡΠ°Π»Π»Π΅Π»ΡΠ½ΠΎ ΡΠ²Π΅Π»ΠΈΡΠΈΠ²Π°Ρ Π΅Π³ΠΎ Π΄Π°Π²Π»Π΅Π½ΠΈΠ΅ ΠΈ ΡΠ΅ΠΌΠΏΠ΅ΡΠ°ΡΡΡΡ. Π ΠΊΠΎΠ½ΡΠ΅ ΡΠ°ΠΊΡΠ° ΡΠ²Π΅ΡΠ° Π·Π°ΠΆΠΈΠ³Π°Π½ΠΈΡ ΡΠΎΠ·Π΄Π°Π΅Ρ ΠΈΡΠΊΡΡ, Π² ΡΠ΅Π·ΡΠ»ΡΡΠ°ΡΠ΅ ΡΠ΅Π³ΠΎ ΠΏΡΠΎΠΈΡΡ ΠΎΠ΄ΠΈΡ Π΄Π΅ΡΠΎΠ½Π°ΡΠΈΡ ΡΠΎΠΏΠ»ΠΈΠ²Π½ΠΎΠΉ ΡΠΌΠ΅ΡΠΈ Π² Π±Π΅Π½Π·ΠΈΠ½ΠΎΠ²ΠΎΠΌ Π΄Π²ΠΈΠ³Π°ΡΠ΅Π»Π΅. Π Π΄ΠΈΠ·Π΅Π»ΡΠ½ΠΎΠΌ ΠΆΠ΅ ΡΠ²Π΅ΡΠ° Π½Π΅ ΠΈΡΠΏΠΎΠ»ΡΠ·ΡΠ΅ΡΡΡ, Π° ΡΠΎΠΏΠ»ΠΈΠ²ΠΎ ΠΏΠΎΠ΄Π°Π΅ΡΡΡ Π² ΠΏΠΎΡΠ»Π΅Π΄Π½ΠΈΠΉ ΠΌΠΎΠΌΠ΅Π½Ρ ΡΠ°ΠΊΡΠ°, ΠΊΠΎΡΠΎΡΠΎΠ΅ Π²ΠΎΠ·Π³ΠΎΡΠ°Π΅ΡΡΡ Π·Π° ΡΡΠ΅Ρ Π²ΡΡΠΎΠΊΠΎΠ³ΠΎ Π΄Π°Π²Π»Π΅Π½ΠΈΡ ΠΈ ΡΠ΅ΠΌΠΏΠ΅ΡΠ°ΡΡΡΡ Π²ΠΎΠ·Π΄ΡΡ Π°.
Π ΡΡΠ΅ΡΡΠ΅ΠΌ ΠΈ ΠΎΡΠ½ΠΎΠ²Π½ΠΎΠΌ ΡΠ°ΠΊΡΠ΅ ΡΠ°Π±ΠΎΡΡ ΠΌΠΎΡΠΎΡΠ° Π²ΡΡΠ²ΠΎΠ±ΠΎΠΆΠ΄Π°Π΅ΠΌΠ°Ρ ΠΎΡ Π²Π·ΡΡΠ²Π° ΡΠ½Π΅ΡΠ³ΠΈΡ Π΄Π²ΠΈΠ³Π°Π΅Ρ ΠΏΠΎΡΡΠ΅Π½Ρ Π²Π½ΠΈΠ·.
ΠΠΌΠ΅Π½Π½ΠΎ Π² ΡΡΠΎΡ ΠΌΠΎΠΌΠ΅Π½Ρ ΡΠΎΠ·Π΄Π°Π΅ΡΡΡ ΡΠΈΠ»Π°, ΠΊΠΎΡΠΎΡΠ°Ρ Π·Π°ΡΡΠ°Π²Π»ΡΠ΅Ρ ΠΊΠΎΠ»Π΅Π½ΡΠ°ΡΡΠΉ Π²Π°Π» Π²ΡΠ°ΡΠ°ΡΡΡΡ, Π° ΠΎΡ Π½Π΅Π³ΠΎ Π²ΡΠ°ΡΠ°Π΅ΡΡΡ ΠΈ ΠΌΠ°Ρ
ΠΎΠ²ΠΈΠΊ Π΄Π²ΠΈΠ³Π°ΡΠ΅Π»Ρ.
ΠΠ° ΡΠ΅ΡΠ²Π΅ΡΡΠΎΠΌ ΡΠ°ΠΊΡΠ΅ ΠΏΠΎΡΡΠ΅Π½Ρ ΠΏΠΎΠ΄Π½ΠΈΠΌΠ°Π΅ΡΡΡ ΠΊ Π²Π΅ΡΡ Π½Π΅ΠΉ ΠΌΠ΅ΡΡΠ²ΠΎΠΉ ΡΠΎΡΠΊΠ΅ ΠΏΡΠΈ ΠΎΡΠΊΡΡΡΠΎΠΌ Π²ΡΠΏΡΡΠΊΠ½ΠΎΠΌ ΠΊΠ»Π°ΠΏΠ°Π½Π΅. ΠΡΠΈ ΡΡΠΎΠΌ ΡΠ΄Π°Π»ΡΡΡΡΡ ΠΎΡΡΠ°Π±ΠΎΡΠ°Π½Π½ΡΠ΅ Π³Π°Π·Ρ. ΠΠ°Π»Π΅Π΅ ΡΠΈΠΊΠ» ΠΈΠ· ΡΠ΅ΡΡΡΠ΅Ρ ΡΠ°ΠΊΡΠΎΠ² ΠΏΠΎΠ²ΡΠΎΡΡΠ΅ΡΡΡ.
ΠΡΠ»ΠΈ Π² Π΄Π²ΠΈΠ³Π°ΡΠ΅Π»Π΅ ΠΈΡΠΏΠΎΠ»ΡΠ·ΡΠ΅ΡΡΡ Π½Π΅ΡΠΊΠΎΠ»ΡΠΊΠΎ ΡΠΈΠ»ΠΈΠ½Π΄ΡΠΎΠ², Π΄Π²ΠΈΠΆΠ΅Π½ΠΈΠ΅ ΠΈΡ ΠΏΠΎΡΡΠ½Π΅ΠΉ ΡΠΏΡΠ°Π²Π»ΡΠ΅ΡΡΡ Π³Π°Π·ΠΎΡΠ°ΡΠΏΡΠ΅Π΄Π΅Π»ΠΈΡΠ΅Π»ΡΠ½ΡΠΌ ΠΌΠ΅Ρ Π°Π½ΠΈΠ·ΠΌΠΎΠΌ ΡΠ°ΠΊΠΈΠΌ ΠΎΠ±ΡΠ°Π·ΠΎΠΌ, ΡΡΠΎΠ±Ρ ΡΠΈΠ»ΠΈΠ½Π΄ΡΡ ΠΎΠ΄Π½ΠΎΠ²ΡΠ΅ΠΌΠ΅Π½Π½ΠΎ Π½Π°Ρ ΠΎΠ΄ΠΈΠ»ΠΈΡΡ Π½Π° ΡΠ°Π·Π½ΡΡ ΡΠ°ΠΊΡΠ°Ρ . Π‘ΠΈΡΡΠ΅ΠΌ ΡΠΏΡΠ°Π²Π»Π΅Π½ΠΈΡ Π³Π°Π·ΠΎΡΠ°ΡΠΏΡΠ΅Π΄Π΅Π»Π΅Π½ΠΈΠ΅ΠΌ ΡΡΡΠ΅ΡΡΠ²ΡΠ΅Ρ Π½Π΅ΡΠΊΠΎΠ»ΡΠΊΠΎ β ΠΎΡ ΠΌΠ΅Ρ Π°Π½ΠΈΡΠ΅ΡΠΊΠΈΡ ΡΠ°ΡΠΏΡΠ΅Π΄Π²Π°Π»ΠΎΠ² Π΄ΠΎ ΡΠ»Π΅ΠΊΡΡΠΎΠ½Π½ΡΡ ΠΏΡΠΎΡΠ΅ΡΡΠΎΡΠΎΠ².
ΠΡΠ΅ Π΄Π²ΠΈΠΆΠΈΠΌΡΠ΅ Π΄Π΅ΡΠ°Π»ΠΈ ΠΎΠ±ΡΠ·Π°ΡΠ΅Π»ΡΠ½ΠΎ Π΄ΠΎΠ»ΠΆΠ½Ρ ΠΎΡ
Π»Π°ΠΆΠ΄Π°ΡΡΡΡ ΠΈ ΡΠΌΠ°Π·ΡΠ²Π°ΡΡΡΡ. Π’Π΅ΠΌΠΏΠ΅ΡΠ°ΡΡΡΠ° Π² ΠΌΠΎΠΌΠ΅Π½Ρ Π΄Π΅ΡΠΎΠ½Π°ΡΠΈΠΈ Π΄ΠΎΡΡΠΈΠ³Π°Π΅Ρ Π½Π΅ΡΠΊΠΎΠ»ΡΠΊΠΈΡ
ΡΡΡΡΡ Π³ΡΠ°Π΄ΡΡΠΎΠ². ΠΡ
Π»Π°ΠΆΠ΄Π΅Π½ΠΈΠ΅, ΠΊΠ°ΠΊ ΠΏΡΠ°Π²ΠΈΠ»ΠΎ, ΠΏΡΠΎΠΈΠ·Π²ΠΎΠ΄ΠΈΡΡΡ Ρ ΠΏΠΎΠΌΠΎΡΡΡ ΠΆΠΈΠ΄ΠΊΠΎΡΡΠΈ, ΠΊΠΎΡΠΎΡΠ°Ρ ΠΎΡΠ±ΠΈΡΠ°Π΅Ρ ΡΠ΅ΠΏΠ»ΠΎ Ρ Π΄Π΅ΡΠ°Π»Π΅ΠΉ Π΄Π²ΠΈΠ³Π°ΡΠ΅Π»Ρ. ΠΠ°Π»Π΅Π΅ ΠΆΠΈΠ΄ΠΊΠΎΡΡΡ ΡΠ°ΠΌΠ° Π΄ΠΎΠ»ΠΆΠ½Π° ΠΎΡ
Π»Π°Π΄ΠΈΡΡΡΡ ΠΈ ΡΠ½ΠΎΠ²Π° Π²Π΅ΡΠ½ΡΡΡΡΡ Π² ΠΌΠΎΡΠΎΡ. ΠΡΠ΅Π²ΡΡΠ΅Π½ΠΈΠ΅ Π΄ΠΎΠΏΡΡΡΠΈΠΌΡΡ
ΡΠ΅ΠΌΠΏΠ΅ΡΠ°ΡΡΡ ΠΌΠΎΠΆΠ΅Ρ ΠΏΡΠΈΠ²Π΅ΡΡΠΈ ΠΊ ΠΏΡΠ°ΠΊΡΠΈΡΠ΅ΡΠΊΠΈ ΠΌΠΎΠΌΠ΅Π½ΡΠ°Π»ΡΠ½ΠΎΠΌΡ ΡΠ°Π·ΡΡΡΠ΅Π½ΠΈΡ ΡΠΈΠ»ΠΎΠ²ΠΎΠΉ ΡΡΡΠ°Π½ΠΎΠ²ΠΊΠΈ.
Π Π»Π΅Π³ΠΊΠΎΠ²ΡΡ Π°Π²ΡΠΎΠΌΠΎΠ±ΠΈΠ»ΡΡ ΠΊΠΎΠ»ΠΈΡΠ΅ΡΡΠ²ΠΎ ΠΎΠ±ΠΎΡΠΎΡΠΎΠ² ΠΊΠΎΠ»Π΅Π½Π²Π°Π»Π° ΠΌΠΎΠΆΠ΅Ρ Π΄ΠΎΡΡΠΈΠ³Π°ΡΡ Π²ΠΎΡΡΠΌΠΈ ΡΡΡΡΡ Π² ΠΌΠΈΠ½ΡΡΡ. ΠΠ»Ρ ΠΌΠΈΠ½ΠΈΠΌΠΈΠ·Π°ΡΠΈΠΈ ΠΌΠ΅Ρ Π°Π½ΠΈΡΠ΅ΡΠΊΠΎΠ³ΠΎ ΠΈΠ·Π½ΠΎΡΠ° ΡΠΈΡΡΠ΅ΠΌΠ° ΡΠΌΠ°Π·ΠΊΠΈ Π΄ΠΎΠ»ΠΆΠ½Π° ΡΠ°Π±ΠΎΡΠ°ΡΡ ΠΈΠ΄Π΅Π°Π»ΡΠ½ΠΎ. ΠΠΎΡΡΠΎΠΌΡ Π²Π°ΠΆΠ½ΠΎ ΡΠ»Π΅Π΄ΠΈΡΡ Π·Π° ΡΡΠΎΠ²Π½Π΅ΠΌ ΠΌΠΎΡΠΎΡΠ½ΠΎΠ³ΠΎ ΠΌΠ°ΡΠ»Π° ΠΈ ΡΠ°Π±ΠΎΡΠΎΡΠΏΠΎΡΠΎΠ±Π½ΠΎΡΡΡΡ ΠΌΠ°ΡΠ»ΡΠ½ΠΎΠ³ΠΎ Π½Π°ΡΠΎΡΠ°. Π‘ΠΈΡΡΠ΅ΠΌΡ ΡΠΌΠ°Π·ΠΊΠΈ ΠΈ ΠΎΡ Π»Π°ΠΆΠ΄Π΅Π½ΠΈΡ ΠΌΠΎΠ³ΡΡ ΡΡΡΠ°Π΄Π°ΡΡ ΠΈΠ·-Π·Π° Π·Π°Π³ΡΡΠ·Π½Π΅Π½ΠΈΡ, ΡΡΠΎ Π²Π΅Π΄Π΅Ρ ΠΊ ΡΡΠΆΠ΅Π½ΠΈΡ ΠΈΠ»ΠΈ ΠΏΠ΅ΡΠ΅ΠΊΡΡΡΠΈΡ ΠΊΠ°Π½Π°Π»ΠΎΠ² Π΄Π²ΠΈΠΆΠ΅Π½ΠΈΡ ΠΆΠΈΠ΄ΠΊΠΎΡΡΠ΅ΠΉ.
ΠΠ²ΠΈΠ³Π°ΡΠ΅Π»Ρ Π²Π½ΡΡΡΠ΅Π½Π½Π΅Π³ΠΎ ΡΠ³ΠΎΡΠ°Π½ΠΈΡ — ΡΡΡΡΠΎΠΉΡΡΠ²ΠΎ ΠΈ ΠΏΡΠΈΠ½ΡΠΈΠΏ ΡΠ°Π±ΠΎΡΡ ΠΠΠ‘
ΠΠ²ΠΈΠ³Π°ΡΠ΅Π»Ρ Π²Π½ΡΡΡΠ΅Π½Π½Π΅Π³ΠΎ ΡΠ³ΠΎΡΠ°Π½ΠΈΡ (ΠΠΠ‘) β ΡΡΠΎ ΡΠ°ΠΌΡΠΉ ΡΠ°ΡΠΏΡΠΎΡΡΡΠ°Π½Π΅Π½Π½ΡΠΉ ΡΠΈΠΏ Π΄Π²ΠΈΠ³Π°ΡΠ΅Π»Ρ ΠΈΠ· Π²ΡΠ΅Ρ , ΠΊΠΎΡΠΎΡΡΠ΅ ΡΡΡΠ°Π½Π°Π²Π»ΠΈΠ²Π°ΡΡΡΡ Π² Π½Π°ΡΡΠΎΡΡΠ΅Π΅ Π²ΡΠ΅ΠΌΡ Π½Π° Π°Π²ΡΠΎΠΌΠΎΠ±ΠΈΠ»ΠΈ. ΠΠ΅ΡΠΌΠΎΡΡΡ Π½Π° ΡΠΎ, ΡΡΠΎ ΡΠΎΠ²ΡΠ΅ΠΌΠ΅Π½Π½ΡΠΉ Π΄Π²ΠΈΠ³Π°ΡΠ΅Π»Ρ Π²Π½ΡΡΡΠ΅Π½Π½Π΅Π³ΠΎ ΡΠ³ΠΎΡΠ°Π½ΠΈΡ ΡΠΎΡΡΠΎΠΈΡ ΠΈΠ· ΡΡΡΡΡΠΈ ΡΠ°ΡΡΠ΅ΠΉ, ΠΏΡΠΈΠ½ΡΠΈΠΏ Π΅Π³ΠΎ ΡΠ°Π±ΠΎΡΡ Π²Π΅ΡΡΠΌΠ° ΠΏΡΠΎΡΡ. Π ΡΠ°ΠΌΠΊΠ°Ρ Π΄Π°Π½Π½ΠΎΠΉ ΡΡΠ°ΡΡΠΈ ΠΌΡ ΡΠ°ΡΡΠΌΠΎΡΡΠΈΠΌ ΡΡΡΡΠΎΠΉΡΡΠ²ΠΎ ΠΈ ΠΏΡΠΈΠ½ΡΠΈΠΏ ΡΠ°Π±ΠΎΡΡ ΠΠΠ‘.
ΠΠ½ΠΈΠ·Ρ ΡΡΡΠ°Π½ΠΈΡΡ ΡΠΌΠΎΡΡΠΈΡΠ΅ Π²ΠΈΠ΄Π΅ΠΎ, Π½Π° ΠΊΠΎΡΠΎΡΠΎΠΌ Π½Π°Π³Π»ΡΠ΄Π½ΠΎ ΠΏΠΎΠΊΠ°Π·Π°Π½ΠΎ ΡΡΡΡΠΎΠΉΡΡΠ²ΠΎ ΠΈ ΠΏΡΠΈΠ½ΡΠΈΠΏ ΡΠ°Π±ΠΎΡΡ Π±Π΅Π½Π·ΠΈΠ½ΠΎΠ²ΠΎΠ³ΠΎ ΠΠΠ‘.
Π ΠΊΠ°ΠΆΠ΄ΠΎΠΌ Π΄Π²ΠΈΠ³Π°ΡΠ΅Π»Π΅ Π²Π½ΡΡΡΠ΅Π½Π½Π΅Π³ΠΎ ΡΠ³ΠΎΡΠ°Π½ΠΈΡ Π΅ΡΡΡ ΡΠΈΠ»ΠΈΠ½Π΄Ρ ΠΈ ΠΏΠΎΡΡΠ΅Π½Ρ.
ΠΠΌΠ΅Π½Π½ΠΎ Π²Π½ΡΡΡΠΈ ΡΠΈΠ»ΠΈΠ½Π΄ΡΠ° ΠΠΠ‘ ΠΏΡΠΎΠΈΡΡ
ΠΎΠ΄ΠΈΡ ΠΏΡΠ΅ΠΎΠ±ΡΠ°Π·ΠΎΠ²Π°Π½ΠΈΠ΅ ΡΠ΅ΠΏΠ»ΠΎΠ²ΠΎΠΉ ΡΠ½Π΅ΡΠ³ΠΈΠΈ, Π²ΡΠ΄Π΅Π»ΡΠ΅ΠΌΠΎΠΉ ΠΏΡΠΈ ΡΠΆΠΈΠ³Π°Π½ΠΈΠΈ ΡΠΎΠΏΠ»ΠΈΠ²Π°, Π² ΡΠ½Π΅ΡΠ³ΠΈΡ ΠΌΠ΅Ρ
Π°Π½ΠΈΡΠ΅ΡΠΊΡΡ, ΡΠΏΠΎΡΠΎΠ±Π½ΡΡ Π·Π°ΡΡΠ°Π²ΠΈΡΡ Π½Π°Ρ Π°Π²ΡΠΎΠΌΠΎΠ±ΠΈΠ»Ρ Π΄Π²ΠΈΠ³Π°ΡΡΡΡ. ΠΡΠΎΡ ΠΏΡΠΎΡΠ΅ΡΡ ΠΏΠΎΠ²ΡΠΎΡΡΠ΅ΡΡΡ Ρ ΡΠ°ΡΡΠΎΡΠΎΠΉ Π½Π΅ΡΠΊΠΎΠ»ΡΠΊΠΎ ΡΠΎΡΠ΅Π½ ΡΠ°Π· Π² ΠΌΠΈΠ½ΡΡΡ, ΡΡΠΎ ΠΎΠ±Π΅ΡΠΏΠ΅ΡΠΈΠ²Π°Π΅Ρ Π½Π΅ΠΏΡΠ΅ΡΡΠ²Π½ΠΎΠ΅ Π²ΡΠ°ΡΠ΅Π½ΠΈΠ΅ Π²ΡΡ
ΠΎΠ΄ΡΡΠ΅Π³ΠΎ ΠΈΠ· Π΄Π²ΠΈΠ³Π°ΡΠ΅Π»Ρ ΠΊΠΎΠ»Π΅Π½ΡΠ°ΡΠΎΠ³ΠΎ Π²Π°Π»Π°.
ΠΡΠΈΠ½ΡΠΈΠΏ ΡΠ°Π±ΠΎΡΡ ΡΠ΅ΡΡΡΡΡ ΡΠ°ΠΊΡΠ½ΠΎΠ³ΠΎ Π΄Π²ΠΈΠ³Π°ΡΠ΅Π»Ρ Π²Π½ΡΡΡΠ΅Π½Π½Π΅Π³ΠΎ ΡΠ³ΠΎΡΠ°Π½ΠΈΡ
Π ΠΏΠΎΠ΄Π°Π²Π»ΡΡΡΠ΅ΠΌ Π±ΠΎΠ»ΡΡΠΈΠ½ΡΡΠ²Π΅ Π»Π΅Π³ΠΊΠΎΠ²ΡΡ Π°Π²ΡΠΎΠΌΠΎΠ±ΠΈΠ»Π΅ΠΉ ΡΡΡΠ°Π½Π°Π²Π»ΠΈΠ²Π°ΡΡ ΡΠ΅ΡΡΡΠ΅Ρ ΡΠ°ΠΊΡΠ½ΡΠ΅ Π΄Π²ΠΈΠ³Π°ΡΠ΅Π»ΠΈ Π²Π½ΡΡΡΠ΅Π½Π½Π΅Π³ΠΎ ΡΠ³ΠΎΡΠ°Π½ΠΈΡ, ΠΏΠΎΡΡΠΎΠΌΡ ΠΌΡ ΠΈ Π±Π΅ΡΡΠΌ Π΅Π³ΠΎ Π·Π° ΠΎΡΠ½ΠΎΠ²Ρ.Β Π§ΡΠΎΠ±Ρ Π»ΡΡΡΠ΅ ΠΏΠΎΠ½ΡΡΡ ΠΏΡΠΈΠ½ΡΠΈΠΏ ΡΡΡΡΠΎΠΉΡΡΠ²Π° Π±Π΅Π½Π·ΠΈΠ½ΠΎΠ²ΠΎΠ³ΠΎ ΠΠΠ‘, ΠΏΡΠ΅Π΄Π»Π°Π³Π°Π΅ΠΌ Π²Π°ΠΌ Π²Π·Π³Π»ΡΠ½ΡΡΡ Π½Π° ΡΠΈΡΡΠ½ΠΎΠΊ:
Π£ΡΡΡΠΎΠΉΡΡΠ²ΠΎ Π΄Π²ΠΈΠ³Π°ΡΠ΅Π»Ρ Π²Π½ΡΡΡΠ΅Π½Π½Π΅Π³ΠΎ ΡΠ³ΠΎΡΠ°Π½ΠΈΡ
Π’ΠΎΠΏΠ»ΠΈΠ²Π½ΠΎ-Π²ΠΎΠ·Π΄ΡΡΠ½Π°Ρ ΡΠΌΠ΅ΡΡ, ΠΏΠΎΠΏΠ°Π΄Π°Ρ ΡΠ΅ΡΠ΅Π· Π²ΠΏΡΡΠΊΠ½ΠΎΠΉ ΠΊΠ»Π°ΠΏΠ°Π½ Π² ΠΊΠ°ΠΌΠ΅ΡΡ ΡΠ³ΠΎΡΠ°Π½ΠΈΡ (ΡΠ°ΠΊΡ ΠΏΠ΅ΡΠ²ΡΠΉ β Π²ΠΏΡΡΠΊ), ΡΠΆΠΈΠΌΠ°Π΅ΡΡΡ (ΡΠ°ΠΊΡ Π²ΡΠΎΡΠΎΠΉ β ΡΠΆΠ°ΡΠΈΠ΅) ΠΈ Π²ΠΎΡΠΏΠ»Π°ΠΌΠ΅Π½ΡΠ΅ΡΡΡ ΠΎΡ ΠΈΡΠΊΡΡ ΡΠ²Π΅ΡΠΈ Π·Π°ΠΆΠΈΠ³Π°Π½ΠΈΡ. ΠΡΠΈ ΡΠΆΠΈΠ³Π°Π½ΠΈΠΈ ΡΠΎΠΏΠ»ΠΈΠ²Π°, ΠΏΠΎΠ΄ Π²ΠΎΠ·Π΄Π΅ΠΉΡΡΠ²ΠΈΠ΅ΠΌ Π²ΡΡΠΎΠΊΠΎΠΉ ΡΠ΅ΠΌΠΏΠ΅ΡΠ°ΡΡΡΡ Π² ΡΠΈΠ»ΠΈΠ½Π΄ΡΠ΅ Π΄Π²ΠΈΠ³Π°ΡΠ΅Π»Ρ ΠΎΠ±ΡΠ°Π·ΡΠ΅ΡΡΡ ΠΈΠ·Π±ΡΡΠΎΡΠ½ΠΎΠ΅ Π΄Π°Π²Π»Π΅Π½ΠΈΠ΅, Π·Π°ΡΡΠ°Π²Π»ΡΡΡΠ΅Π΅ ΠΏΠΎΡΡΠ΅Π½Ρ Π΄Π²ΠΈΠ³Π°ΡΡΡΡ Π²Π½ΠΈΠ· ΠΊ ΡΠ°ΠΊ Π½Π°Π·ΡΠ²Π°Π΅ΠΌΠΎΠΉ Π½ΠΈΠΆΠ½Π΅ΠΉ ΠΌΠ΅ΡΡΠ²ΠΎΠΉ ΡΠΎΡΠΊΠ΅ (ΠΠΠ’), ΡΠΎΠ²Π΅ΡΡΠ°Ρ ΠΏΡΠΈ ΡΡΠΎΠΌ ΡΠ°ΠΊΡ ΡΡΠ΅ΡΠΈΠΉ β ΡΠ°Π±ΠΎΡΠΈΠΉ Ρ
ΠΎΠ΄.
Β ΠΠ΅ΡΠ΅ΠΌΠ΅ΡΠ°ΡΡΡ Π²ΠΎ Π²ΡΠ΅ΠΌΡ ΡΠ°Π±ΠΎΡΠ΅Π³ΠΎ Ρ
ΠΎΠ΄Π° Π²Π½ΠΈΠ·, Ρ ΠΏΠΎΠΌΠΎΡΡΡ ΡΠ°ΡΡΠ½Π°, ΠΏΠΎΡΡΠ΅Π½Ρ ΠΏΡΠΈΠ²ΠΎΠ΄ΠΈΡ Π²ΠΎ Π²ΡΠ°ΡΠ΅Π½ΠΈΠ΅ ΠΊΠΎΠ»Π΅Π½ΡΠ°ΡΡΠΉ Π²Π°Π». ΠΠ°ΡΠ΅ΠΌ, ΠΏΠ΅ΡΠ΅ΠΌΠ΅ΡΠ°ΡΡΡ ΠΎΡ ΠΠΠ’ ΠΊ Π²Π΅ΡΡ
Π½Π΅ΠΉ ΠΌΠ΅ΡΡΠ²ΠΎΠΉ ΡΠΎΡΠΊΠ΅ (ΠΠΠ’) ΠΏΠΎΡΡΠ΅Π½Ρ Π²ΡΡΠ°Π»ΠΊΠΈΠ²Π°Π΅Ρ ΠΎΡΡΠ°Π±ΠΎΡΠ°Π½Π½ΡΠ΅ Π³Π°Π·Ρ ΡΠ΅ΡΠ΅Π· Π²ΡΠΏΡΡΠΊΠ½ΠΎΠΉ ΠΊΠ»Π°ΠΏΠ°Π½ Π² Π²ΡΡ
Π»ΠΎΠΏΠ½ΡΡ ΡΠΈΡΡΠ΅ΠΌΡ Π°Π²ΡΠΎΠΌΠΎΠ±ΠΈΠ»Ρ β ΡΡΠΎ ΡΠ΅ΡΠ²Π΅ΡΡΡΠΉ ΡΠ°ΠΊΡ (Π²ΡΠΏΡΡΠΊ) ΡΠ°Π±ΠΎΡΡ Π΄Π²ΠΈΠ³Π°ΡΠ΅Π»Ρ Π²Π½ΡΡΡΠ΅Π½Π½Π΅Π³ΠΎ ΡΠ³ΠΎΡΠ°Π½ΠΈΡ.
Π’Π°ΠΊΡ β ΡΡΠΎ ΠΏΡΠΎΡΠ΅ΡΡ, ΠΏΡΠΎΠΈΡΡ ΠΎΠ΄ΡΡΠΈΠΉ Π² ΡΠΈΠ»ΠΈΠ½Π΄ΡΠ΅ Π΄Π²ΠΈΠ³Π°ΡΠ΅Π»Ρ Π·Π° ΠΎΠ΄ΠΈΠ½ Ρ ΠΎΠ΄ ΠΏΠΎΡΡΠ½Ρ. Π‘ΠΎΠ²ΠΎΠΊΡΠΏΠ½ΠΎΡΡΡ ΡΠ°ΠΊΡΠΎΠ², ΠΏΠΎΠ²ΡΠΎΡΡΡΡΠΈΡ ΡΡ Π² ΡΡΡΠΎΠ³ΠΎΠΉ ΠΏΠΎΡΠ»Π΅Π΄ΠΎΠ²Π°ΡΠ΅Π»ΡΠ½ΠΎΡΡΠΈ ΠΈ Ρ ΠΎΠΏΡΠ΅Π΄Π΅Π»Π΅Π½Π½ΠΎΠΉ ΠΏΠ΅ΡΠΈΠΎΠ΄ΠΈΡΠ½ΠΎΡΡΡΡ, ΠΎΠ±ΡΡΠ½ΠΎ Π½Π°Π·ΡΠ²Π°ΡΡ ΡΠ°Π±ΠΎΡΠΈΠΌ ΡΠΈΠΊΠ»ΠΎΠΌ, Π² Π΄Π°Π½Π½ΠΎΠΌ ΡΠ»ΡΡΠ°Π΅, Π΄Π²ΠΈΠ³Π°ΡΠ΅Π»Ρ Π²Π½ΡΡΡΠ΅Π½Π½Π΅Π³ΠΎ ΡΠ³ΠΎΡΠ°Π½ΠΈΡ.
- Π’Π°ΠΊΡ ΠΏΠ΅ΡΠ²ΡΠΉ — ΠΠΠ£Π‘Π. ΠΠΎΡΡΠ΅Π½Ρ ΠΏΠ΅ΡΠ΅ΠΌΠ΅ΡΠ°Π΅ΡΡΡ ΠΎΡ ΠΠΠ’ ΠΊ ΠΠΠ’, ΠΏΡΠΈ ΡΡΠΎΠΌ Π²ΠΎΠ·Π½ΠΈΠΊΠ°Π΅Ρ ΡΠ°Π·ΡΡΠΆΠ΅Π½ΠΈΠ΅ ΠΈ ΠΏΠΎΠ»ΠΎΡΡΡ ΡΠΈΠ»ΠΈΠ½Π΄ΡΠ° ΠΠΠ‘ Π·Π°ΠΏΠΎΠ»Π½ΡΠ΅ΡΡΡ Π³ΠΎΡΡΡΠ΅ΠΉ ΡΠΌΠ΅ΡΡΡ ΡΠ΅ΡΠ΅Π· ΠΎΡΠΊΡΡΡΡΠΉ Π²ΠΏΡΡΠΊΠ½ΠΎΠΉ ΠΊΠ»Π°ΠΏΠ°Π½. Π‘ΠΌΠ΅ΡΡ, ΠΏΠΎΠΏΠ°Π΄Π°Ρ Π² ΠΊΠ°ΠΌΠ΅ΡΡ ΡΠ³ΠΎΡΠ°Π½ΠΈΡ, ΡΠΌΠ΅ΡΠΈΠ²Π°Π΅ΡΡΡ Ρ ΠΎΡΡΠ°ΡΠΊΠ°ΠΌΠΈ ΠΎΡΡΠ°Π±ΠΎΡΠ°Π²ΡΠΈΡ Π³Π°Π·ΠΎΠ². Π ΠΊΠΎΠ½ΡΠ΅ Π²ΠΏΡΡΠΊΠ° Π΄Π°Π²Π»Π΅Π½ΠΈΠ΅ Π² ΡΠΈΠ»ΠΈΠ½Π΄ΡΠ΅ ΡΠΎΡΡΠ°Π²Π»ΡΠ΅Ρ 0,07β0,095 ΠΠΠ°, Π° ΡΠ΅ΠΌΠΏΠ΅ΡΠ°ΡΡΡΠ° 80-120Β ΒΊΠ‘.
- Π’Π°ΠΊΡ Π²ΡΠΎΡΠΎΠΉ β Π‘ΠΠΠ’ΠΠ.
ΠΠΎΡΡΠ΅Π½Ρ Π΄Π²ΠΈΠΆΠ΅ΡΡΡ ΠΊ ΠΠΠ’, ΠΎΠ±Π° ΠΊΠ»Π°ΠΏΠ°Π½Π° Π·Π°ΠΊΡΡΡΡ, ΡΠ°Π±ΠΎΡΠ°Ρ ΡΠΌΠ΅ΡΡ Π² ΡΠΈΠ»ΠΈΠ½Π΄ΡΠ΅ ΡΠΆΠΈΠΌΠ°Π΅ΡΡΡ, Π° ΡΠΆΠ°ΡΠΈΠ΅ ΡΠΎΠΏΡΠΎΠ²ΠΎΠΆΠ΄Π°Π΅ΡΡΡ ΠΏΠΎΠ²ΡΡΠ΅Π½ΠΈΠ΅ΠΌ Π΄Π°Π²Π»Π΅Π½ΠΈΡ (1,2β1,7 ΠΠΠ°) ΠΈ ΡΠ΅ΠΌΠΏΠ΅ΡΠ°ΡΡΡΡ (300-400Β ΒΊΠ‘). - Π’Π°ΠΊΡ ΡΡΠ΅ΡΠΈΠΉ β Π ΠΠ‘Π¨ΠΠ ΠΠΠΠ. ΠΡΠΈ Π²ΠΎΡΠΏΠ»Π°ΠΌΠ΅Π½Π΅Π½ΠΈΠΈ ΡΠ°Π±ΠΎΡΠ΅ΠΉ ΡΠΌΠ΅ΡΠΈ Π² ΡΠΈΠ»ΠΈΠ½Π΄ΡΠ΅ ΠΠΠ‘ Π²ΡΠ΄Π΅Π»ΡΠ΅ΡΡΡ Π·Π½Π°ΡΠΈΡΠ΅Π»ΡΠ½ΠΎΠ΅ ΠΊΠΎΠ»ΠΈΡΠ΅ΡΡΠ²ΠΎ ΡΠ΅ΠΏΠ»ΠΎΡΡ, ΡΠ΅Π·ΠΊΠΎ ΡΠ²Π΅Π»ΠΈΡΠΈΠ²Π°Π΅ΡΡΡ ΡΠ΅ΠΌΠΏΠ΅ΡΠ°ΡΡΡΠ° (Π΄ΠΎ 2500 Π³ΡΠ°Π΄ΡΡΠΎΠ² ΠΏΠΎ Π¦Π΅Π»ΡΡΠΈΡ). ΠΠΎΠ΄ Π΄Π°Π²Π»Π΅Π½ΠΈΠ΅ΠΌ ΠΏΠΎΡΡΠ΅Π½Ρ ΠΏΠ΅ΡΠ΅ΠΌΠ΅ΡΠ°Π΅ΡΡΡ ΠΊ ΠΠΠ’. ΠΠ°Π²Π»Π΅Π½ΠΈΠ΅ ΡΠ°Π²Π½ΠΎ 4β6 ΠΠΠ°.
- Π’Π°ΠΊΡ ΡΠ΅ΡΠ²Π΅ΡΡΡΠΉ β ΠΠ«ΠΠ£Π‘Π. ΠΠΎΡΡΠ΅Π½Ρ ΡΡΡΠ΅ΠΌΠΈΡΡΡ ΠΊ ΠΠΠ’ ΡΠ΅ΡΠ΅Π· ΠΎΡΠΊΡΡΡΡΠΉ Π²ΡΠΏΡΡΠΊΠ½ΠΎΠΉ ΠΊΠ»Π°ΠΏΠ°Π½, ΠΎΡΡΠ°Π±ΠΎΡΠ°Π²ΡΠΈΠ΅ Π³Π°Π·Ρ Π²ΡΡΠ°Π»ΠΊΠΈΠ²Π°ΡΡΡΡ Π² Π²ΡΠΏΡΡΠΊΠ½ΠΎΠΉ ΡΡΡΠ±ΠΎΠΏΡΠΎΠ²ΠΎΠ΄, Π° Π·Π°ΡΠ΅ΠΌ Π² ΠΎΠΊΡΡΠΆΠ°ΡΡΡΡ ΡΡΠ΅Π΄Ρ. ΠΠ°Π²Π»Π΅Π½ΠΈΠ΅ Π² ΠΊΠΎΠ½ΡΠ΅ ΡΠΈΠΊΠ»Π°: 0,1β0,12 ΠΠΠ°, ΡΠ΅ΠΌΠΏΠ΅ΡΠ°ΡΡΡΠ° 600-900Β ΒΊΠ‘.
Π ΡΠ°ΠΊ, Π²Ρ ΡΠΌΠΎΠ³Π»ΠΈ ΡΠ±Π΅Π΄ΠΈΡΡΡΡ, ΡΡΠΎ Π΄Π²ΠΈΠ³Π°ΡΠ΅Π»Ρ Π²Π½ΡΡΡΠ΅Π½Π½Π΅Π³ΠΎ ΡΠ³ΠΎΡΠ°Π½ΠΈΡ ΡΡΡΡΠΎΠ΅Π½ Π½Π΅ ΠΎΡΠ΅Π½Ρ ΡΠ»ΠΎΠΆΠ½ΠΎ. ΠΠ°ΠΊ Π³ΠΎΠ²ΠΎΡΠΈΡΡΡ, Π²ΡΠ΅ Π³Π΅Π½ΠΈΠ°Π»ΡΠ½ΠΎΠ΅ β ΠΏΡΠΎΡΡΠΎ. Π Π΄Π»Ρ Π±ΠΎΠ»ΡΡΠ΅ΠΉ Π½Π°Π³Π»ΡΠ΄Π½ΠΎΡΡΠΈ ΡΠ΅ΠΊΠΎΠΌΠ΅Π½Π΄ΡΠ΅ΠΌ ΠΏΠΎΡΠΌΠΎΡΡΠ΅ΡΡ Π²ΠΈΠ΄Π΅ΠΎ, Π½Π° ΠΊΠΎΡΠΎΡΠΎΠΌ ΡΠ°ΠΊΠΆΠ΅ ΠΎΡΠ΅Π½Ρ Ρ ΠΎΡΠΎΡΠΎ ΠΏΠΎΠΊΠ°Π·Π°Π½ ΠΏΡΠΈΠ½ΡΠΈΠΏ ΡΠ°Π±ΠΎΡΡ ΠΠΠ‘.
ΠΠΈΠ΄Π΅ΠΎ: ΠΊΠ°ΠΊ ΡΡΡΡΠΎΠ΅Π½ Π΄Π²ΠΈΠ³Π°ΡΠ΅Π»Ρ Π²Π½ΡΡΡΠ΅Π½Π½Π΅Π³ΠΎ ΡΠ³ΠΎΡΠ°Π½ΠΈΡ
youtube.com/embed/v29IZ4RFYSk?rel=0&showinfo=0″ frameborder=»0″ allowfullscreen=»allowfullscreen»/>
ΠΠ· ΡΠ΅Π³ΠΎ ΡΠΎΡΡΠΎΠΈΡ ΠΈ ΠΊΠ°ΠΊ ΡΠ°Π±ΠΎΡΠ°Π΅Ρ Π΄Π²ΠΈΠ³Π°ΡΠ΅Π»Ρ Π°Π²ΡΠΎΠΌΠΎΠ±ΠΈΠ»Ρ?
Π£ ΠΊΠ°ΠΆΠ΄ΠΎΠ³ΠΎ ΠΈΠ· Π½Π°Ρ Π΅ΡΡΡ ΠΎΠΏΡΠ΅Π΄Π΅Π»Π΅Π½Π½ΡΠΉ Π°Π²ΡΠΎΠΌΠΎΠ±ΠΈΠ»Ρ, ΠΎΠ΄Π½Π°ΠΊΠΎ Π»ΠΈΡΡ Π½Π΅ΠΊΠΎΡΠΎΡΡΠ΅ Π²ΠΎΠ΄ΠΈΡΠ΅Π»ΠΈ Π·Π°Π΄ΡΠΌΡΠ²Π°ΡΡΡΡ ΠΎ ΡΠΎΠΌ, ΠΊΠ°ΠΊ ΡΡΡΡΠΎΠ΅Π½ Π΄Π²ΠΈΠ³Π°ΡΠ΅Π»Ρ Π°Π²ΡΠΎΠΌΠΎΠ±ΠΈΠ»Ρ. ΠΡΠΆΠ½ΠΎ ΠΏΠΎΠ½ΠΈΠΌΠ°ΡΡ ΡΠ°ΠΊΠΆΠ΅, ΡΡΠΎ ΠΏΠΎΠ»Π½ΠΎΡΡΡΡ Π·Π½Π°ΡΡ ΡΡΡΡΠΎΠΉΡΡΠ²ΠΎ Π΄Π²ΠΈΠ³Π°ΡΠ΅Π»Ρ Π°Π²ΡΠΎΠΌΠΎΠ±ΠΈΠ»Ρ Π½Π΅ΠΎΠ±Ρ ΠΎΠ΄ΠΈΠΌΠΎ Π»ΠΈΡΡ ΡΠΏΠ΅ΡΠΈΠ°Π»ΠΈΡΡΠ°ΠΌ, ΡΠ°Π±ΠΎΡΠ°ΡΡΠΈΠΌ Π½Π° Π‘Π’Π. Π ΠΏΡΠΈΠΌΠ΅ΡΡ, Ρ ΠΌΠ½ΠΎΠ³ΠΈΡ ΠΈΠ· Π½Π°Ρ Π΅ΡΡΡ ΡΠ°Π·Π»ΠΈΡΠ½ΡΠ΅ ΡΠ»Π΅ΠΊΡΡΠΎΠ½Π½ΡΠ΅ ΡΡΡΡΠΎΠΉΡΡΠ²Π°, Π½ΠΎ ΡΡΠΎ Π²ΠΎΠ²ΡΠ΅ Π½Π΅ ΠΎΠ·Π½Π°ΡΠ°Π΅Ρ, ΡΡΠΎ ΠΌΡ Π΄ΠΎΠ»ΠΆΠ½Ρ ΠΏΠΎΠ½ΠΈΠΌΠ°ΡΡ, ΠΊΠ°ΠΊ ΠΎΠ½ΠΈ ΡΡΡΡΠΎΠ΅Π½Ρ. ΠΡ ΠΏΡΠΎΡΡΠΎ ΠΏΠΎΠ»ΡΠ·ΡΠ΅ΠΌΡΡ ΠΈΠΌΠΈ ΠΏΠΎ ΠΏΡΡΠΌΠΎΠΌΡ Π½Π°Π·Π½Π°ΡΠ΅Π½ΠΈΡ. ΠΠ΄Π½Π°ΠΊΠΎ Ρ ΠΌΠ°ΡΠΈΠ½ΠΎΠΉ ΡΠΈΡΡΠ°ΡΠΈΡ Π½Π΅ΠΌΠ½ΠΎΠ³ΠΎ Π΄ΡΡΠ³Π°Ρ.Β
ΠΡΠ΅ ΠΌΡ ΠΏΠΎΠ½ΠΈΠΌΠ°Π΅ΠΌ, ΡΡΠΎ ΠΏΠΎΡΠ²Π»Π΅Π½ΠΈΠ΅ Π½Π΅ΠΏΠΎΠ»Π°Π΄ΠΎΠΊ Π² Π΄Π²ΠΈΠ³Π°ΡΠ΅Π»Π΅ Π°Π²ΡΠΎΠΌΠΎΠ±ΠΈΠ»Ρ Π½Π°ΠΏΡΡΠΌΡΡ Π²Π»ΠΈΡΠ΅Ρ Π½Π° Π½Π°ΡΠ΅ Π·Π΄ΠΎΡΠΎΠ²ΡΠ΅ ΠΈ ΠΆΠΈΠ·Π½Ρ. ΠΡ ΠΏΡΠ°Π²ΠΈΠ»ΡΠ½ΠΎΠΉ ΡΠ°Π±ΠΎΡΡ ΡΠΈΠ»ΠΎΠ²ΠΎΠ³ΠΎ Π°Π³ΡΠ΅Π³Π°ΡΠ° Π½Π΅ΡΠ΅Π΄ΠΊΠΎ Π·Π°Π²ΠΈΡΠΈΡ ΠΊΠ°ΡΠ΅ΡΡΠ²ΠΎ Π΅Π·Π΄Ρ, Π° ΡΠ°ΠΊΠΆΠ΅ Π±Π΅Π·ΠΎΠΏΠ°ΡΠ½ΠΎΡΡΡ Π»ΡΠ΄Π΅ΠΉ, ΠΊΠΎΡΠΎΡΡΠ΅ Π½Π°Ρ
ΠΎΠ΄ΡΡΡΡ Π² Π°Π²ΡΠΎΠΌΠΎΠ±ΠΈΠ»Π΅. ΠΠΎ ΡΡΠΎΠΉ ΠΏΡΠΈΡΠΈΠ½Π΅, ΡΠ΅ΠΊΠΎΠΌΠ΅Π½Π΄ΡΠ΅ΠΌ ΡΠ΄Π΅Π»ΠΈΡΡ Π²Π½ΠΈΠΌΠ°Π½ΠΈΠ΅ ΠΈΠ·ΡΡΠ΅Π½ΠΈΡ Π΄Π°Π½Π½ΠΎΠΉ ΡΡΠ°ΡΡΠΈ ΠΎ ΡΠΎΠΌ, ΠΊΠ°ΠΊ ΡΠ°Π±ΠΎΡΠ°Π΅Ρ Π΄Π²ΠΈΠ³Π°ΡΠ΅Π»Ρ Π°Π²ΡΠΎΠΌΠΎΠ±ΠΈΠ»Ρ ΠΈ ΠΈΠ· ΡΠ΅Π³ΠΎ ΠΎΠ½ ΡΠΎΡΡΠΎΠΈΡ.
ΠΡΡΠΎΡΠΈΡ ΡΠ°Π·ΡΠ°Π±ΠΎΡΠΊΠΈ Π°Π²ΡΠΎΠΌΠΎΠ±ΠΈΠ»ΡΠ½ΠΎΠ³ΠΎ Π΄Π²ΠΈΠ³Π°ΡΠ΅Π»Ρ
Π ΠΏΠ΅ΡΠ΅Π²ΠΎΠ΄Π΅ Ρ ΠΎΡΠΈΠ³ΠΈΠ½Π°Π»ΡΠ½ΠΎΠ³ΠΎ Π»Π°ΡΠΈΠ½ΡΠΊΠΎΠ³ΠΎ ΡΠ·ΡΠΊΠ° Π΄Π²ΠΈΠ³Π°ΡΠ΅Π»Ρ ΠΈΠ»ΠΈ ΠΌΠΎΡΠΎΡ ΠΎΠ·Π½Π°ΡΠ°Π΅Ρ Β«ΠΏΡΠΈΠ²ΠΎΠ΄ΡΡΠΈΠΉ Π² Π΄Π²ΠΈΠΆΠ΅Π½ΠΈΠ΅Β». Π‘Π΅Π³ΠΎΠ΄Π½Ρ Π΄Π²ΠΈΠ³Π°ΡΠ΅Π»Π΅ΠΌ Π½Π°Π·ΡΠ²Π°ΡΡ ΠΎΠΏΡΠ΅Π΄Π΅Π»Π΅Π½Π½ΠΎΠ΅ ΡΡΡΡΠΎΠΉΡΡΠ²ΠΎ, ΠΏΡΠ΅Π΄Π½Π°Π·Π½Π°ΡΠ΅Π½Π½ΠΎΠ΅ Π΄Π»Ρ ΠΏΡΠ΅ΠΎΠ±ΡΠ°Π·ΠΎΠ²Π°Π½ΠΈΡ ΠΎΠ΄Π½ΠΎΠ³ΠΎ ΠΈΠ· Π²ΠΈΠ΄ΠΎΠ² ΡΠ½Π΅ΡΠ³ΠΈΠΈ Π² ΠΌΠ΅Ρ Π°Π½ΠΈΡΠ΅ΡΠΊΡΡ. Π‘Π°ΠΌΡΠΌΠΈ ΠΏΠΎΠΏΡΠ»ΡΡΠ½ΡΠΌΠΈ ΡΠ΅Π³ΠΎΠ΄Π½Ρ ΡΡΠΈΡΠ°ΡΡΡΡ Π΄Π²ΠΈΠ³Π°ΡΠ΅Π»ΠΈ Π²Π½ΡΡΡΠ΅Π½Π½Π΅Π³ΠΎ ΡΠ³ΠΎΡΠ°Π½ΠΈΡ, ΡΠΈΠΏΡ ΠΊΠΎΡΠΎΡΡΡ Π±ΡΠ²Π°ΡΡ ΡΠ°Π·Π½ΡΠΌΠΈ. ΠΠ΅ΡΠ²ΡΠΉ ΡΠ°ΠΊΠΎΠΉ ΠΌΠΎΡΠΎΡ ΠΏΠΎΡΠ²ΠΈΠ»ΡΡ Π² 1801 Π³ΠΎΠ΄Ρ, ΠΊΠΎΠ³Π΄Π° Π€ΠΈΠ»ΠΈΠΏΠΏ ΠΠ΅Π±ΠΎΠ½ ΠΈΠ· Π€ΡΠ°Π½ΡΠΈΠΈ Π·Π°ΠΏΠ°ΡΠ΅Π½ΡΠΎΠ²Π°Π» ΠΌΠΎΡΠΎΡ, ΠΊΠΎΡΠΎΡΡΠΉ ΡΡΠ½ΠΊΡΠΈΠΎΠ½ΠΈΡΠΎΠ²Π°Π» Π½Π° ΡΠ²Π΅ΡΠΈΠ»ΡΠ½ΠΎΠΌ Π³Π°Π·Π΅. ΠΠΎΡΠ»Π΅ ΡΡΠΎΠ³ΠΎ ΡΠ²ΠΎΠΈ ΡΠ°Π·ΡΠ°Π±ΠΎΡΠΊΠΈ ΠΏΡΠ΅Π΄ΡΡΠ°Π²ΠΈΠ»ΠΈ ΠΠ²Π³ΡΡΡ ΠΡΡΠΎ ΠΈ ΠΠ°Π½ ΠΡΡΠ΅Π½ ΠΠ΅Π½ΡΠ°Ρ. ΠΠ·Π²Π΅ΡΡΠ½ΠΎ, ΡΡΠΎ ΠΠ²Π³ΡΡΡ ΠΡΡΠΎ ΠΏΠ΅ΡΠ²ΡΠΌ Π·Π°ΠΏΠ°ΡΠ΅Π½ΡΠΎΠ²Π°Π» 4-ΡΠ°ΠΊΡΠ½ΡΠΉ Π΄Π²ΠΈΠ³Π°ΡΠ΅Π»Ρ. ΠΠΎ Π½Π°ΡΠ΅Π³ΠΎ Π²ΡΠ΅ΠΌΠ΅Π½ΠΈ ΡΡΡΠΎΠ΅Π½ΠΈΠ΅ Π΄Π²ΠΈΠ³Π°ΡΠ΅Π»Ρ ΠΏΡΠ°ΠΊΡΠΈΡΠ΅ΡΠΊΠΈ Π½Π΅ ΠΈΠ·ΠΌΠ΅Π½ΠΈΠ»ΠΎΡΡ.
Π 1872 Π³ΠΎΠ΄Ρ ΡΠΎΡΡΠΎΡΠ»ΡΡ Π΄Π΅Π±ΡΡ Π°ΠΌΠ΅ΡΠΈΠΊΠ°Π½ΡΠΊΠΎΠ³ΠΎ Π΄Π²ΠΈΠ³Π°ΡΠ΅Π»Ρ, ΠΊΠΎΡΠΎΡΡΠΉ ΡΠ°Π±ΠΎΡΠ°Π» Π½Π° ΠΊΠ΅ΡΠΎΡΠΈΠ½Π΅. ΠΠ΄Π½Π°ΠΊΠΎ Π΄Π°Π½Π½ΡΡ ΠΏΠΎΠΏΡΡΠΊΡ ΡΡΡΠ΄Π½ΠΎ Π±ΡΠ»ΠΎ Π½Π°Π·Π²Π°ΡΡ ΡΠ΄Π°ΡΠ½ΠΎΠΉ, ΠΏΠΎΡΠΊΠΎΠ»ΡΠΊΡ ΠΊΠ΅ΡΠΎΡΠΈΠ½ Π½Π΅ ΠΌΠΎΠ³ Π½ΠΎΡΠΌΠ°Π»ΡΠ½ΠΎ Π²Π·ΡΡΠ²Π°ΡΡΡΡ Π² ΡΠΈΠ»ΠΈΠ½Π΄ΡΠ°Ρ
. Π£ΠΆΠ΅ ΡΠ΅ΡΠ΅Π· 10 Π»Π΅Ρ ΠΠΎΡΠ»ΠΈΠ± ΠΠ°ΠΉΠΌΠ»Π΅Ρ ΠΏΡΠ΅Π·Π΅Π½ΡΠΎΠ²Π°Π» ΡΠ²ΠΎΠΉ Π²Π°ΡΠΈΠ°Π½Ρ Π΄Π²ΠΈΠ³Π°ΡΠ΅Π»Ρ, ΠΊΠΎΡΠΎΡΡΠΉ ΡΠ°Π±ΠΎΡΠ°Π» Π½Π° Π±Π΅Π½Π·ΠΈΠ½Π΅, ΠΏΡΠΈΡΠ΅ΠΌ ΡΠ°Π±ΠΎΡΠ°Π» Π΄ΠΎΠ²ΠΎΠ»ΡΠ½ΠΎ Π½Π΅ΠΏΠ»ΠΎΡ
ΠΎ.
Π Π°ΡΡΠΌΠΎΡΡΠΈΠΌ ΡΠΎΠ²ΡΠ΅ΠΌΠ΅Π½Π½ΡΠ΅ ΡΠΈΠΏΡ Π΄Π²ΠΈΠ³Π°ΡΠ΅Π»Π΅ΠΉ Π°Π²ΡΠΎΠΌΠΎΠ±ΠΈΠ»Ρ ΠΈ ΡΠ°Π·Π±Π΅ΡΠ΅ΠΌΡΡ, ΠΊ ΠΊΠ°ΠΊΠΎΠΌΡ ΠΈΠ· Π½ΠΈΡ ΠΏΡΠΈΠ½Π°Π΄Π»Π΅ΠΆΠΈΡ Π²Π°ΡΠ° ΠΌΠ°ΡΠΈΠ½Π°.
Π’ΠΈΠΏΡ Π°Π²ΡΠΎΠΌΠΎΠ±ΠΈΠ»ΡΠ½ΡΡ Π΄Π²ΠΈΠ³Π°ΡΠ΅Π»Π΅ΠΉ
ΠΠΎΡΠΊΠΎΠ»ΡΠΊΡ Π½Π°ΠΈΠ±ΠΎΠ»Π΅Π΅ ΡΠ°ΡΠΏΡΠΎΡΡΡΠ°Π½Π΅Π½Π½ΡΠΌ Π² Π½Π°ΡΠ΅ Π²ΡΠ΅ΠΌΡ ΡΡΠΈΡΠ°ΡΡ Π΄Π²ΠΈΠ³Π°ΡΠ΅Π»Ρ Π²Π½ΡΡΡΠ΅Π½Π½Π΅Π³ΠΎ ΡΠ³ΠΎΡΠ°Π½ΠΈΡ, ΡΠ°ΡΡΠΌΠΎΡΡΠΈΠΌ ΡΠΈΠΏΡ Π΄Π²ΠΈΠ³Π°ΡΠ΅Π»Π΅ΠΉ, ΠΊΠΎΡΠΎΡΡΠΌΠΈ ΠΎΡΠ½Π°ΡΠ°ΡΡΡΡ ΡΠ΅Π³ΠΎΠ΄Π½Ρ ΠΏΠΎΡΡΠΈ Π²ΡΠ΅ ΠΌΠ°ΡΠΈΠ½Ρ. ΠΠΠ‘ β ΡΡΠΎ Π΄Π°Π»Π΅ΠΊΠΎ Π½Π΅ Π½Π°ΠΈΠ»ΡΡΡΠΈΠΉ ΡΠΈΠΏ Π΄Π²ΠΈΠ³Π°ΡΠ΅Π»Ρ, ΠΎΠ΄Π½Π°ΠΊΠΎ ΠΈΠΌΠ΅Π½Π½ΠΎ Π΅Π³ΠΎ ΠΈΡΠΏΠΎΠ»ΡΠ·ΡΡΡ Π²ΠΎ ΠΌΠ½ΠΎΠ³ΠΈΡ ΡΡΠ°Π½ΡΠΏΠΎΡΡΠ½ΡΡ ΡΡΠ΅Π΄ΡΡΠ²Π°Ρ .
ΠΠ»Π°ΡΡΠΈΡΠΈΠΊΠ°ΡΠΈΡ Π΄Π²ΠΈΠ³Π°ΡΠ΅Π»Π΅ΠΉ Π°Π²ΡΠΎΠΌΠΎΠ±ΠΈΠ»Ρ:
- ΠΠΈΠ·Π΅Π»ΡΠ½ΡΠ΅ Π΄Π²ΠΈΠ³Π°ΡΠ΅Π»ΠΈ. ΠΠΎΠ΄Π°ΡΠ° Π΄ΠΈΠ·Π΅Π»ΡΠ½ΠΎΠ³ΠΎ ΡΠΎΠΏΠ»ΠΈΠ²Π° ΠΎΡΡΡΠ΅ΡΡΠ²Π»ΡΠ΅ΡΡΡ Π² ΡΠΈΠ»ΠΈΠ½Π΄ΡΡ ΠΏΠΎΡΡΠ΅Π΄ΡΡΠ²ΠΎΠΌ ΡΠΏΠ΅ΡΠΈΠ°Π»ΡΠ½ΡΡ ΡΠΎΡΡΡΠ½ΠΎΠΊ. Π’Π°ΠΊΠΈΠ΅ ΠΌΠΎΡΠΎΡΡ Π½Π΅ Π½ΡΠΆΠ΄Π°ΡΡΡΡ Π² ΡΠ»Π΅ΠΊΡΡΠΈΡΠ΅ΡΠΊΠΎΠΉ ΡΠ½Π΅ΡΠ³ΠΈΠΈ Π΄Π»Ρ ΡΠ°Π±ΠΎΡΡ. ΠΠ½Π° ΠΈΠΌ Π½ΡΠΆΠ½Π° Π»ΠΈΡΡ Π΄Π»Ρ Π·Π°ΠΏΡΡΠΊΠ° ΡΠΈΠ»ΠΎΠ²ΠΎΠ³ΠΎ Π°Π³ΡΠ΅Π³Π°ΡΠ°.
- ΠΠ΅Π½Π·ΠΈΠ½ΠΎΠ²ΡΠ΅ Π΄Π²ΠΈΠ³Π°ΡΠ΅Π»ΠΈ. ΠΠ½ΠΈ Π±ΡΠ²Π°ΡΡ ΠΊΠ°ΡΠ±ΡΡΠ°ΡΠΎΡΠ½ΡΠΌΠΈ ΠΈ ΠΈΠ½ΠΆΠ΅ΠΊΡΠΎΡΠ½ΡΠΌΠΈ. Π‘Π΅Π³ΠΎΠ΄Π½Ρ ΠΈΡΠΏΠΎΠ»ΡΠ·ΡΠ΅ΡΡΡ Π½Π΅ΡΠΊΠΎΠ»ΡΠΊΠΎ ΡΠΈΠΏΠΎΠ² ΡΠΈΡΡΠ΅ΠΌ Π²ΠΏΡΡΡΠΊΠ° ΠΈ ΠΊΠ°ΡΠ±ΡΡΠ°ΡΠΎΡΠΎΠ². Π Π°Π±ΠΎΡΠ°ΡΡ ΡΠ°ΠΊΠΈΠ΅ ΠΌΠΎΡΠΎΡΡ Π½Π° Π±Π΅Π½Π·ΠΈΠ½Π΅.
- ΠΠ°Π·ΠΎΠ²ΡΠ΅ Π΄Π²ΠΈΠ³Π°ΡΠ΅Π»ΠΈ.
Π ΡΠ°ΠΊΠΈΡ
Π΄Π²ΠΈΠ³Π°ΡΠ΅Π»ΡΡ
ΠΌΠΎΠΆΠ΅Ρ ΠΈΡΠΏΠΎΠ»ΡΠ·ΠΎΠ²Π°ΡΡΡΡ ΡΠΆΠ°ΡΡΠΉ ΠΈΠ»ΠΈ ΡΠΆΠΈΠΆΠ΅Π½Π½ΡΠΉ Π³Π°Π·. Π’Π°ΠΊΠΈΠ΅ Π³Π°Π·Ρ ΠΏΠΎΠ»ΡΡΠ°ΡΡ Ρ ΠΏΠΎΠΌΠΎΡΡΡ ΠΏΡΠ΅ΠΎΠ±ΡΠ°Π·ΠΎΠ²Π°Π½ΠΈΡ Π΄Π΅ΡΠ΅Π²Π°, ΡΠ³Π»Ρ Π»ΠΈΠ±ΠΎ ΡΠΎΡΡΠ° Π² Π³Π°Π·ΠΎΠΎΠ±ΡΠ°Π·Π½ΠΎΠ΅ ΡΠΎΠΏΠ»ΠΈΠ²ΠΎ.
Π Π°Π±ΠΎΡΠ° ΠΈ ΠΊΠΎΠ½ΡΡΡΡΠΊΡΠΈΡ Π΄Π²ΠΈΠ³Π°ΡΠ΅Π»Ρ Π²Π½ΡΡΡΠ΅Π½Π½Π΅Π³ΠΎ ΡΠ³ΠΎΡΠ°Π½ΠΈΡ
ΠΡΠΈΠ½ΡΠΈΠΏ ΡΠ°Π±ΠΎΡΡ Π΄Π²ΠΈΠ³Π°ΡΠ΅Π»Ρ Π°Π²ΡΠΎΠΌΠΎΠ±ΠΈΠ»Ρ β ΡΡΠΎ Π²ΠΎΠΏΡΠΎΡ, ΠΈΠ½ΡΠ΅ΡΠ΅ΡΡΡΡΠΈΠΉ ΠΏΡΠ°ΠΊΡΠΈΡΠ΅ΡΠΊΠΈ ΠΊΠ°ΠΆΠ΄ΠΎΠ³ΠΎ Π°Π²ΡΠΎΠ²Π»Π°Π΄Π΅Π»ΡΡΠ°. Π Ρ ΠΎΠ΄Π΅ ΠΏΠ΅ΡΠ²ΠΎΠ³ΠΎ ΠΎΠ·Π½Π°ΠΊΠΎΠΌΠ»Π΅Π½ΠΈΡ ΡΠΎ ΡΡΡΠΎΠ΅Π½ΠΈΠ΅ΠΌ Π΄Π²ΠΈΠ³Π°ΡΠ΅Π»Ρ Π²ΡΠ΅ Π²ΡΠ³Π»ΡΠ΄ΠΈΡ ΠΎΡΠ΅Π½Ρ ΡΠ»ΠΎΠΆΠ½ΡΠΌ. ΠΠ΄Π½Π°ΠΊΠΎ Π² ΡΠ΅Π°Π»ΡΠ½ΠΎΡΡΠΈ, Ρ ΠΏΠΎΠΌΠΎΡΡΡ ΡΡΠ°ΡΠ΅Π»ΡΠ½ΠΎΠ³ΠΎ ΠΈΠ·ΡΡΠ΅Π½ΠΈΡ, ΡΡΡΡΠΎΠΉΡΡΠ²ΠΎ Π΄Π²ΠΈΠ³Π°ΡΠ΅Π»Ρ ΡΡΠ°Π½ΠΎΠ²ΠΈΡΡΡ Π²ΠΏΠΎΠ»Π½Π΅ ΠΏΠΎΠ½ΡΡΠ½ΡΠΌ. Π ΡΠ»ΡΡΠ°Π΅ Π½Π΅ΠΎΠ±Ρ ΠΎΠ΄ΠΈΠΌΠΎΡΡΠΈ Π·Π½Π°Π½ΠΈΡ ΠΎ ΠΏΡΠΈΠ½ΡΠΈΠΏΠ΅ ΡΠ°Π±ΠΎΡΡ Π΄Π²ΠΈΠ³Π°ΡΠ΅Π»Ρ ΠΌΠΎΠΆΠ½ΠΎ ΠΈΡΠΏΠΎΠ»ΡΠ·ΠΎΠ²Π°ΡΡ Π² ΠΆΠΈΠ·Π½ΠΈ.
1. ΠΠ»ΠΎΠΊ ΡΠΈΠ»ΠΈΠ½Π΄ΡΠΎΠ² ΠΏΡΠ΅Π΄ΡΡΠ°Π²Π»ΡΠ΅Ρ ΡΠΎΠ±ΠΎΠΉ ΡΠ²ΠΎΠ΅ΠΎΠ±ΡΠ°Π·Π½ΡΠΉ ΠΊΠΎΡΠΏΡΡ ΠΌΠΎΡΠΎΡΠ°. ΠΠ½ΡΡΡΠΈ Π½Π΅Π³ΠΎ ΡΠ°ΡΠΏΠΎΠ»ΠΎΠΆΠ΅Π½Π° ΡΠΈΡΡΠ΅ΠΌΠ° ΠΊΠ°Π½Π°Π»ΠΎΠ², ΠΊΠΎΡΠΎΡΠ°Ρ ΠΈΡΠΏΠΎΠ»ΡΠ·ΡΠ΅ΡΡΡ Π΄Π»Ρ ΠΎΡ Π»Π°ΠΆΠ΄Π΅Π½ΠΈΡ ΠΈ ΡΠΌΠ°Π·ΠΊΠΈ ΡΠΈΠ»ΠΎΠ²ΠΎΠ³ΠΎ Π°Π³ΡΠ΅Π³Π°ΡΠ°. ΠΠ½ ΠΈΡΠΏΠΎΠ»ΡΠ·ΡΠ΅ΡΡΡ Π² ΠΊΠ°ΡΠ΅ΡΡΠ²Π΅ ΠΎΡΠ½ΠΎΠ²Ρ Π΄Π»Ρ Π΄ΠΎΠΏΠΎΠ»Π½ΠΈΡΠ΅Π»ΡΠ½ΠΎΠ³ΠΎ ΠΎΠ±ΠΎΡΡΠ΄ΠΎΠ²Π°Π½ΠΈΡ, ΠΊ ΠΏΡΠΈΠΌΠ΅ΡΡ, ΠΊΠ°ΡΡΠ΅ΡΠ° ΠΈ Π³ΠΎΠ»ΠΎΠ²ΠΊΠΈ Π±Π»ΠΎΠΊΠ° ΡΠΈΠ»ΠΈΠ½Π΄ΡΠΎΠ².
2. ΠΠΎΡΡΠ΅Π½Ρ, ΡΠ²Π»ΡΡΡΠΈΠΉΡΡ ΠΏΡΡΡΠΎΡΠ΅Π»ΡΠΌ ΡΡΠ°ΠΊΠ°Π½ΠΎΠΌ ΠΈΠ· ΠΌΠ΅ΡΠ°Π»Π»Π°.
ΠΠ° Π΅Π³ΠΎ Π²Π΅ΡΡ
Π½Π΅ΠΉ ΡΠ°ΡΡΠΈ ΡΠ°ΡΠΏΠΎΠ»ΠΎΠΆΠ΅Π½Ρ Β«ΠΊΠ°Π½Π°Π²ΠΊΠΈΒ» Π΄Π»Ρ ΠΏΠΎΡΡΠ½Π΅Π²ΡΡ
ΠΊΠΎΠ»Π΅Ρ.
3. ΠΠΎΡΡΠ½Π΅Π²ΡΠ΅ ΠΊΠΎΠ»ΡΡΠ°. ΠΠΎΠ»ΡΡΠ°, ΡΠ°ΡΠΏΠΎΠ»ΠΎΠΆΠ΅Π½Π½ΡΠ΅ Π²Π½ΠΈΠ·Ρ, Π½Π°Π·ΡΠ²Π°ΡΡΡΡ ΠΌΠ°ΡΠ»ΠΎΡΡΠ΅ΠΌΠ½ΡΠΌΠΈ, Π° Π²Π΅ΡΡ Π½ΠΈΠ΅ β ΠΊΠΎΠΌΠΏΡΠ΅ΡΡΠΈΠΎΠ½Π½ΡΠ΅. ΠΠ΅ΡΡ Π½ΠΈΠ΅ ΠΊΠΎΠ»ΡΡΠ° ΠΎΠ±Π΅ΡΠΏΠ΅ΡΠΈΠ²Π°ΡΡ Π²ΡΡΠΎΠΊΠΈΠΉ ΡΡΠΎΠ²Π΅Π½Ρ ΡΠΆΠ°ΡΠΈΡ ΠΈΠ»ΠΈ ΠΊΠΎΠΌΠΏΡΠ΅ΡΡΠΈΡ ΡΠΌΠ΅ΡΠΈ ΡΠΎΠΏΠ»ΠΈΠ²Π° ΠΈ Π²ΠΎΠ·Π΄ΡΡ Π°. ΠΠΎΠ»ΡΡΠ° ΠΈΡΠΏΠΎΠ»ΡΠ·ΡΡΡΡΡ Π΄Π»Ρ ΠΎΠ±Π΅ΡΠΏΠ΅ΡΠ΅Π½ΠΈΡ Π³Π΅ΡΠΌΠ΅ΡΠΈΡΠ½ΠΎΡΡΠΈ ΠΊΠ°ΠΌΠ΅ΡΡ ΡΠ³ΠΎΡΠ°Π½ΠΈΡ, Π° ΡΠ°ΠΊΠΆΠ΅ Π² ΠΊΠ°ΡΠ΅ΡΡΠ²Π΅ ΡΠΏΠ»ΠΎΡΠ½ΠΈΡΠ΅Π»Π΅ΠΉ, ΠΏΡΠ΅Π΄ΠΎΡΠ²ΡΠ°ΡΠ°ΡΡΠΈΡ ΠΏΠΎΠΏΠ°Π΄Π°Π½ΠΈΠ΅ ΠΌΠ°ΡΠ»Π° Π² ΠΊΠ°ΠΌΠ΅ΡΡ ΡΠ³ΠΎΡΠ°Π½ΠΈΡ.
4. ΠΡΠΈΠ²ΠΎΡΠΈΠΏΠ½ΠΎ-ΡΠ°ΡΡΠ½Π½ΡΠΉ ΠΌΠ΅Ρ Π°Π½ΠΈΠ·ΠΌ. ΠΡΠ²Π΅ΡΠ°Π΅Ρ Π·Π° ΠΏΠ΅ΡΠ΅Π΄Π°ΡΡ Π²ΠΎΠ·Π²ΡΠ°ΡΠ½ΠΎ-ΠΏΠΎΡΡΡΠΏΠ°ΡΠ΅Π»ΡΠ½ΠΎΠΉ ΡΠ½Π΅ΡΠ³ΠΈΠΈ ΠΏΠΎΡΡΠ½Π΅Π²ΠΎΠ³ΠΎ Π΄Π²ΠΈΠΆΠ΅Π½ΠΈΡ Π½Π° ΠΊΠΎΠ»Π΅Π½ΡΠ°ΡΡΠΉ Π²Π°Π» Π΄Π²ΠΈΠ³Π°ΡΠ΅Π»Ρ.
ΠΠ½ΠΎΠ³ΠΈΠ΅ Π°Π²ΡΠΎΠ»ΡΠ±ΠΈΡΠ΅Π»ΠΈ Π½Π΅ Π·Π½Π°ΡΡ, ΡΡΠΎ Π½Π° ΡΠ°ΠΌΠΎΠΌ Π΄Π΅Π»Π΅ ΠΏΡΠΈΠ½ΡΠΈΠΏ ΡΠ°Π±ΠΎΡΡ ΠΠΠ‘ ΡΠ²Π»ΡΠ΅ΡΡΡ Π΄ΠΎΡΡΠ°ΡΠΎΡΠ½ΠΎ Π½Π΅ΡΠ»ΠΎΠΆΠ½ΡΠΌ. Π‘Π½Π°ΡΠ°Π»Π° ΡΠΎΠΏΠ»ΠΈΠ²ΠΎ ΠΏΠΎΠΏΠ°Π΄Π°Π΅Ρ ΠΈΠ· ΡΠΎΡΡΡΠ½ΠΎΠΊ Π² ΠΊΠ°ΠΌΠ΅ΡΡ ΡΠ³ΠΎΡΠ°Π½ΠΈΡ, Π³Π΄Π΅ ΠΎΠ½ΠΎ ΡΠΌΠ΅ΡΠΈΠ²Π°Π΅ΡΡΡ Ρ Π²ΠΎΠ·Π΄ΡΡ
ΠΎΠΌ. ΠΠ°ΡΠ΅ΠΌ ΡΠ²Π΅ΡΠ° Π·Π°ΠΆΠΈΠ³Π°Π½ΠΈΡ Π²ΡΠ΄Π°Π΅Ρ ΠΈΡΠΊΡΡ, ΠΊΠΎΡΠΎΡΠ°Ρ Π²ΡΠ·ΡΠ²Π°Π΅Ρ Π²ΠΎΡΠΏΠ»Π°ΠΌΠ΅Π½Π΅Π½ΠΈΠ΅ ΡΠΎΠΏΠ»ΠΈΠ²Π½ΠΎ-Π²ΠΎΠ·Π΄ΡΡΠ½ΠΎΠΉ ΡΠΌΠ΅ΡΠΈ, ΠΈΠ·-Π·Π° ΡΠ΅Π³ΠΎ ΠΎΠ½Π° Π²Π·ΡΡΠ²Π°Π΅ΡΡΡ. ΠΠ°Π·Ρ, ΠΊΠΎΡΠΎΡΡΠ΅ ΡΠΎΡΠΌΠΈΡΡΡΡΡΡ Π² ΡΠ΅Π·ΡΠ»ΡΡΠ°ΡΠ΅ ΡΡΠΎΠ³ΠΎ, Π΄Π²ΠΈΠ³Π°ΡΡ ΠΏΠΎΡΡΠ΅Π½Ρ Π²Π½ΠΈΠ·, Π² ΠΏΡΠΎΡΠ΅ΡΡΠ΅ ΡΠ΅Π³ΠΎ ΠΎΠ½ ΠΏΠ΅ΡΠ΅Π΄Π°Π΅Ρ ΡΠΎΠΎΡΠ²Π΅ΡΡΡΠ²ΡΡΡΠ΅Π΅ Π΄Π²ΠΈΠΆΠ΅Π½ΠΈΠ΅ ΠΊΠΎΠ»Π΅Π½ΡΠ°ΡΠΎΠΌΡ Π²Π°Π»Ρ.
ΠΠΎΠ»Π΅Π½Π²Π°Π» Π½Π°ΡΠΈΠ½Π°Π΅Ρ Π²ΡΠ°ΡΠ°ΡΡ ΡΡΠ°Π½ΡΠΌΠΈΡΡΠΈΡ. ΠΠΎΡΠ»Π΅ ΡΡΠΎΠ³ΠΎ Π½Π°Π±ΠΎΡ ΡΠΏΠ΅ΡΠΈΠ°Π»ΡΠ½ΡΡ
ΡΠ΅ΡΡΠ΅ΡΡΠ½ ΠΎΡΡΡΠ΅ΡΡΠ²Π»ΡΠ΅Ρ ΠΏΠ΅ΡΠ΅Π΄Π°ΡΡ Π΄Π²ΠΈΠΆΠ΅Π½ΠΈΡ Π½Π° ΠΊΠΎΠ»Π΅ΡΠ° ΠΏΠ΅ΡΠ΅Π΄Π½Π΅ΠΉ ΠΈΠ»ΠΈ Π·Π°Π΄Π½Π΅ΠΉ ΠΎΡΠΈ (Π² Π·Π°Π²ΠΈΡΠΈΠΌΠΎΡΡΠΈ ΠΎΡ ΠΏΡΠΈΠ²ΠΎΠ΄Π°, ΠΌΠΎΠΆΠ΅Ρ ΠΈ Π½Π° Π²ΡΠ΅ ΡΠ΅ΡΡΡΠ΅).
ΠΠΌΠ΅Π½Π½ΠΎ ΡΠ°ΠΊ ΡΠ°Π±ΠΎΡΠ°Π΅Ρ Π΄Π²ΠΈΠ³Π°ΡΠ΅Π»Ρ Π°Π²ΡΠΎΠΌΠΎΠ±ΠΈΠ»Ρ. Π’Π΅ΠΏΠ΅ΡΡ Π²Π°Ρ Π½Π΅ ΡΠΌΠΎΠ³ΡΡ ΠΎΠ±ΠΌΠ°Π½ΡΡΡ Π½Π΅Π΄ΠΎΠ±ΡΠΎΡΠΎΠ²Π΅ΡΡΠ½ΡΠ΅ ΡΠΏΠ΅ΡΠΈΠ°Π»ΠΈΡΡΡ, ΠΊΠΎΡΠΎΡΡΠ΅ Π²ΠΎΠ·ΡΠΌΡΡΡΡ Π·Π° ΡΠ΅ΠΌΠΎΠ½Ρ ΡΠΈΠ»ΠΎΠ²ΠΎΠ³ΠΎ Π°Π³ΡΠ΅Π³Π°ΡΠ° Π²Π°ΡΠ΅ΠΉ ΠΌΠ°ΡΠΈΠ½Ρ.
P.S. Π‘ΠΎΠ²Π΅ΡΡΠ΅ΠΌ ΠΎΠ±ΡΠ°ΡΠΈΡΡ Π²Π½ΠΈΠΌΠ°Π½ΠΈΠ΅ Π½Π° ΡΡΠ°ΡΡΡ ΠΎ ΡΠΎΠΌ, ΠΊΠ°ΠΊ Π²ΡΠΏΠΎΠ»Π½ΡΡΡ ΠΌΠΎΠΉΠΊΡ Π΄Π²ΠΈΠ³Π°ΡΠ΅Π»Ρ ΡΠ²ΠΎΠΈΠΌΠΈ ΡΡΠΊΠ°ΠΌΠΈ β Π·Π΄Π΅ΡΡ.
Π£ΡΡΡΠΎΠΉΡΡΠ²ΠΎ ΠΠΠ‘ ΠΈ ΠΏΡΠΈΠ½ΡΠΈΠΏ ΡΠ°Π±ΠΎΡΡ ΠΏΡΠΎΡΡΡΠΌΠΈ ΡΠ»ΠΎΠ²Π°ΠΌΠΈ
Π£ΡΡΡΠΎΠΉΡΡΠ²ΠΎ Π΄Π²ΠΈΠ³Π°ΡΠ΅Π»Ρ Π²Π½ΡΡΡΠ΅Π½Π½Π΅Π³ΠΎ ΡΠ³ΠΎΡΠ°Π½ΠΈΡ
Π ΡΡΠΎΠΉ ΡΡΠ°ΡΡΠ΅ ΠΏΠΎΠ³ΠΎΠ²ΠΎΡΠΈΠΌ ΠΎΠ± ΡΡΡΡΠΎΠΉΡΡΠ²Π΅ Π΄Π²ΠΈΠ³Π°ΡΠ΅Π»Ρ Π²Π½ΡΡΡΠ΅Π½Π½Π΅Π³ΠΎ ΡΠ³ΠΎΡΠ°Π½ΠΈΡ ΡΠ·Π½Π°Π΅ΠΌ ΠΏΡΠΈΠ½ΡΠΈΠΏ Π΅Π³ΠΎ ΡΠ°Π±ΠΎΡΡ. Π Π°ΡΡΠΌΠΎΡΡΠΈΠΌ Π΅Π³ΠΎ Π² ΡΠ°Π·ΡΠ΅Π·Π΅. ΠΠ΅ΡΠΌΠΎΡΡΡ Π½Π° ΡΠΎ, ΡΡΠΎ Π΄Π²ΠΈΠ³Π°ΡΠ΅Π»Ρ Π²Π½ΡΡΡΠ΅Π½Π½Π΅Π³ΠΎ ΡΠ³ΠΎΡΠ°Π½ΠΈΡ Π±ΡΠ» ΠΈΠ·ΠΎΠ±ΡΠ΅ΡΡΠ½ ΡΠΆΠ΅ ΠΎΡΠ΅Π½Ρ Π΄Π°Π²Π½ΠΎ, Π½ΠΎ ΠΎΠ½ Π΄ΠΎ ΡΠΈΡ
ΠΏΠΎΡ ΠΏΠΎΠ»ΡΠ·ΡΠ΅ΡΡΡ ΠΎΠ³ΡΠΎΠΌΠ½ΠΎΠΉ ΠΏΠΎΠΏΡΠ»ΡΡΠ½ΠΎΡΡΡΡ. ΠΡΠ°Π²Π΄Π° Π·Π° Π±ΠΎΠ»ΡΡΠΎΠ΅ ΠΊΠΎΠ»ΠΈΡΠ΅ΡΡΠ²ΠΎ Π²ΡΠ΅ΠΌΠ΅Π½ΠΈ ΠΊΠΎΠ½ΡΡΡΡΠΊΡΠΈΡ Π΄Π²ΠΈΠ³Π°ΡΠ΅Π»Ρ Π²Π½ΡΡΡΠ΅Π½Π½Π΅Π³ΠΎ ΡΠ³ΠΎΡΠ°Π½ΠΈΡ ΠΏΡΠ΅ΡΠ΅ΡΠΏΠ΅Π»Π° ΡΠ°Π·Π»ΠΈΡΠ½ΡΠ΅ ΠΈΠ·ΠΌΠ΅Π½Π΅Π½ΠΈΡ.
Π£ΡΠΈΠ»ΠΈΡ ΠΈΠ½ΠΆΠ΅Π½Π΅ΡΠΎΠ² ΠΏΠΎΡΡΠΎΡΠ½Π½ΠΎ Π½Π°ΠΏΡΠ°Π²Π»Π΅Π½Ρ Π½Π° ΠΎΠ±Π»Π΅Π³ΡΠ΅Π½ΠΈΡ Π²Π΅ΡΠ° Π΄Π²ΠΈΠ³Π°ΡΠ΅Π»Ρ, ΡΠ»ΡΡΡΠ΅Π½ΠΈΡ ΡΠΊΠΎΠ½ΠΎΠΌΠΈΡΠ½ΠΎΡΡΠΈ, ΡΠ²Π΅Π»ΠΈΡΠ΅Π½ΠΈΠ΅ ΠΌΠΎΡΠ½ΠΎΡΡΠΈ, Π° ΡΠ°ΠΊΠΆΠ΅ ΡΠΌΠ΅Π½ΡΡΠ΅Π½ΠΈΡ Π²ΡΠ±ΡΠΎΡΠ° Π²ΡΠ΅Π΄Π½ΡΡ Π²Π΅ΡΠ΅ΡΡΠ².
ΠΠ²ΠΈΠ³Π°ΡΠ΅Π»ΠΈ Π±ΡΠ²Π°ΡΡ Π±Π΅Π½Π·ΠΈΠ½ΠΎΠ²ΡΠ΅ ΠΈ Π΄ΠΈΠ·Π΅Π»ΡΠ½ΡΠ΅. Π’Π°ΠΊΠΆΠ΅ Π²ΡΡΡΠ΅ΡΠ°ΡΡΡΡ ΡΠΎΡΠΎΡΠ½ΡΠ΅ ΠΈ Π³Π°Π·ΠΎΡΡΡΠ±ΠΈΠ½Π½ΡΠ΅ Π΄Π²ΠΈΠ³Π°ΡΠ΅Π»ΠΈ ΠΊΠΎΡΠΎΡΡΠ΅ ΠΈΡΠΏΠΎΠ»ΡΠ·ΡΡΡΡΡ Π½Π°ΠΌΠ½ΠΎΠ³ΠΎ ΡΠ΅ΠΆΠ΅. Π Π½ΠΈΡ ΠΌΡ ΠΏΠΎΠ³ΠΎΠ²ΠΎΡΠΈΠΌ Π² Π΄ΡΡΠ³ΠΈΡ ΡΡΠ°ΡΡΡΡ .
ΠΠΎ ΡΠ°ΡΠΏΠΎΠ»ΠΎΠΆΠ΅Π½ΠΈΡ ΡΠΈΠ»ΠΈΠ½Π΄ΡΠΎΠ² Π΄Π²Ρ Π±ΡΠ²Π°ΡΡ ΡΡΠ΄Π½ΡΠ΅,V- ΠΎΠ±ΡΠ°Π·Π½ΡΠ΅ ΠΈ ΠΎΠΏΠΎΠ·ΠΈΡΠ½ΡΠ΅. ΠΠΎ ΠΊΠΎΠ»ΠΈΡΠ΅ΡΡΠ²Ρ ΡΠΈΠ»ΠΈΠ½Π΄ΡΠΎΠ² 2,4,6,8,10,12,16. ΠΡΡΡΠ΅ΡΠ°ΡΡΡΡ ΠΈ 5 ΡΠΈΠ»ΠΈΠ½Π΄ΡΠΎΠ²ΡΠ΅ Π΄Π²ΠΈΠ³Π°ΡΠ΅Π»ΠΈ Π²Π½ΡΡΡΠ΅Π½Π½Π΅Π³ΠΎ ΡΠ³ΠΎΡΠ°Π½ΠΈΡ.
Π£ ΠΊΠ°ΠΆΠ΄ΠΎΠΉ ΠΊΠΎΠΌΠΏΠΎΠ½ΠΎΠ²ΠΊΠΈ Π΅ΡΡΡ ΡΠ²ΠΎΠΈ ΠΏΡΠ΅ΠΈΠΌΡΡΠ΅ΡΡΠ²Π° Π½Π°ΠΏΡΠΈΠΌΠ΅Ρ ΡΡΠ΄Π½ΡΠΉ 6-ΡΠΈ ΡΠΈΠ»ΠΈΠ½Π΄ΡΠΎΠ²ΡΠΉ Π΄Π²ΠΈΠ³Π°ΡΠ΅Π»Ρ ΡΡΠΎ Ρ ΠΎΡΠΎΡΠΎ ΡΠ±Π°Π»Π°Π½ΡΠΈΡΠΎΠ²Π°Π½Π½ΡΠΉ , Π½ΠΎ ΡΠΊΠ»ΠΎΠ½Π΅Π½ ΠΊ ΠΏΠ΅ΡΠ΅Π³ΡΠ΅Π²Ρ ΠΌΠΎΡΠΎΡ. Π£ V- ΠΎΠ±ΡΠ°Π·Π½ΡΡ Π΄Π²ΠΈΠ³Π°ΡΠ΅Π»Π΅ΠΉ Π΄ΡΡΠ³ΠΎΠ΅ ΠΏΡΠ΅ΠΈΠΌΡΡΠ΅ΡΡΠ²ΠΎ ΠΎΠ½ΠΈ Π·Π°Π½ΠΈΠΌΠ°ΡΡ ΠΌΠ΅Π½ΡΡΠ΅ ΠΌΠ΅ΡΡΠΎ ΠΏΠΎΠ΄ ΠΊΠ°ΠΏΠΎΡΠΎΠΌ, Π½ΠΎ ΠΏΡΠΈ ΡΡΠΎΠΌ Π·Π°ΡΡΡΠ΄Π½ΡΡΡ ΠΎΠ±ΡΠ»ΡΠΆΠΈΠ²Π°Π½ΠΈΠ΅ ΠΈΠ·-Π·Π° ΠΎΠ³ΡΠ°Π½ΠΈΡΠ΅Π½Π½ΠΎΠ³ΠΎ Π΄ΠΎΡΡΡΠΏΠ°. Π Π°Π½ΡΡΠ΅ Π²ΡΡΡΠ΅ΡΠ°Π»ΠΈΡΡ ΠΈ ΡΡΠ΄Π½ΡΠ΅ 8 ΡΠΈΠ»ΠΈΠ½Π΄ΡΠΎΠ²ΡΠ΅ Π΄Π²ΠΈΠ³Π°ΡΠ΅Π»ΠΈ Π²Π΅ΡΠΎΡΡΠ½Π΅ΠΉ Π²ΡΠ΅Π³ΠΎ ΠΈΡ Π½Π΅ ΡΡΠ°Π»ΠΎ ΠΈΠ·-Π·Π° ΡΠΈΠ»ΡΠ½ΠΎΠΉ ΡΠΊΠ»ΠΎΠ½Π½ΠΎΡΡΠΈ ΠΊ ΠΏΠ΅ΡΠ΅Π³ΡΠ΅Π²Ρ ΠΈ ΠΎΠ½ΠΈ Π·Π°Π½ΠΈΠΌΠ°Π»ΠΈ ΠΌΠ½ΠΎΠ³ΠΎ ΠΌΠ΅ΡΡΠ° ΠΏΠΎΠ΄ ΠΊΠ°ΠΏΠΎΡΠΎΠΌ.
ΠΠ²ΠΈΠ³Π°ΡΠ΅Π»Ρ Π²Π½ΡΡΡΠ΅Π½Π½Π΅Π³ΠΎ ΡΠ³ΠΎΡΠ°Π½ΠΈΡ (ΠΠΠ‘) Π² 3D» src=»https://www.youtube.com/embed/ybv5FvYpGzY?feature=oembed» frameborder=»0″ allow=»accelerometer; autoplay; encrypted-media; gyroscope; picture-in-picture» allowfullscreen=»»/>
. ΠΠΎ ΡΠΈΠΏΡ ΡΠ°Π±ΠΎΡΡ Π΄Π²Ρ Π±ΡΠ²Π°ΡΡ Π΄Π²ΡΡ ΡΠΈΠΏΠΎΠ²: Π΄Π²ΡΡ ΡΠ°ΠΊΡΠ½ΡΠ΅ ΠΈ ΡΠ΅ΡΡΡΠ΅Ρ ΡΠ°ΠΊΡΠ½ΡΠ΅. ΠΠ²ΡΡ ΡΠ°ΠΊΡΠ½ΡΠ΅ Π΄Π²ΠΈΠ³Π°ΡΠ΅Π»ΠΈ Π²Π½ΡΡΡΠ΅Π½Π½Π΅Π³ΠΎ ΡΠ³ΠΎΡΠ°Π½ΠΈΡ Π² ΠΎΡΠ½ΠΎΠ²Π½ΠΎΠΌ ΠΏΡΠΈΠΌΠ΅Π½ΡΡΡΡΡ Π½Π° ΠΌΠΎΡΠΎΡΠΈΠΊΠ»Π°Ρ . Π Π°Π²ΡΠΎΠΌΠΎΠ±ΠΈΠ»ΡΡ ΠΏΡΠ°ΠΊΡΠΈΡΠ΅ΡΠΊΠΈ Π²ΡΠ΅Π³Π΄Π° ΠΈΡΠΏΠΎΠ»ΡΠ·ΠΎΠ²Π°Π»ΠΈΡΡ 4 ΡΠ°ΠΊΡΠ½ΡΠ΅ Π΄Π²ΠΈΠ³Π°ΡΠ΅Π»ΠΈ.
Π£ΡΡΡΠΎΠΉΡΡΠ²ΠΎ Π΄Π²Ρ
Π Π°ΡΡΠΌΠΎΡΡΠΈΠΌ Π΄Π²ΠΈΠ³Π°ΡΠ΅Π»Ρ Π² ΡΠ°Π·ΡΠ΅Π·Π΅
ΠΠ²ΠΈΠ³Π°ΡΠ΅Π»Ρ Π²Π½ΡΡΡΠ΅Π½Π½Π΅Π³ΠΎ ΡΠ³ΠΎΡΠ°Π½ΠΈΡ ΡΠΎΡΡΠΎΠΈΡ ΠΈΠ· ΡΠ»Π΅Π΄ΡΡΡΠΈΡ ΠΊΠΎΠΌΠΏΠΎΠ½Π΅Π½ΡΠΎΠ² ΠΈ Π²ΡΠΏΠΎΠΌΠΎΠ³Π°ΡΠ΅Π»ΡΠ½ΡΡ ΡΠΈΡΡΠ΅ΠΌ.
1) ΠΠ»ΠΎΠΊ ΡΠΈΠ»ΠΈΠ½Π΄ΡΠΎΠ². ΠΠ»ΠΎΠΊ ΡΠΈΠ»ΠΈΠ½Π΄ΡΠΎΠ² ΠΈ ΡΠ²Π»ΡΠ΅ΡΡΡ Π³Π»Π°Π²Π½ΡΠΌ ΡΠ΅Π»ΠΎΠΌ Π΄Π²ΠΈΠ³Π°ΡΠ΅Π»Ρ Π² ΠΊΠΎΡΠΎΡΠΎΠΌ ΠΈ ΠΏΡΠΎΠΈΡΡ
ΠΎΠ΄ΠΈΡ ΡΠ°Π±ΠΎΡΠ° ΠΏΠΎΡΡΠ½Π΅ΠΉ.
ΠΠ±ΡΡΠ½ΠΎ ΡΠΎΡΡΠΎΠΈΡ ΠΈΠ· ΡΡΠ³ΡΠ½Π° ΠΈ ΠΎΠ±Π»Π°Π΄Π°Π΅Ρ ΠΎΡ
Π»Π°Π΄ΠΈΡΠ΅Π»ΡΠ½ΠΎΠΉ ΡΡΠ±Π°ΡΠΊΠΎΠΉ Π΄Π»Ρ ΠΎΡ
Π»Π°ΠΆΠ΄Π΅Π½ΠΈΡ.
2) ΠΠ΅Ρ Π°Π½ΠΈΠ·ΠΌ ΠΠ Π. ΠΠ°Π·ΠΎΡΠ°ΡΠΏΡΠ΅Π΄Π΅Π»ΠΈΡΠ΅Π»ΡΠ½ΡΠΉ ΠΌΠ΅Ρ Π°Π½ΠΈΠ·ΠΌ ΡΠ΅Π³ΡΠ»ΠΈΡΡΠ΅Ρ ΠΏΠΎΠ΄Π°ΡΡ ΡΠΎΠΏΠ»ΠΈΠ²Π½ΠΎ-Π²ΠΎΠ·Π΄ΡΡΠ½ΠΎΠΉ ΡΠΌΠ΅ΡΠΈ ΠΈ ΠΎΡΠ²ΠΎΠ΄ Π²ΡΡ Π»ΠΎΠΏΠ½ΡΡ Π³Π°Π·ΠΎΠ². Π‘ ΠΏΠΎΠΌΠΎΡΡΡ ΠΊΡΠ»Π°ΡΠΊΠΎΠ² ΡΠ°ΡΠΏΡΠ΅Π΄Π²Π°Π»Π° ΠΊΠΎΡΠΎΡΡΠ΅ Π²ΠΎΠ·Π΄Π΅ΠΉΡΡΠ²ΡΡΡ Π½Π° ΠΏΡΡΠΆΠΈΠ½Ρ ΠΊΠ»Π°ΠΏΠ°Π½ΠΎΠ². ΠΠ»Π°ΠΏΠ°Π½Π° ΠΎΡΠΊΡΡΠ²Π°ΡΡΡΡ Π»ΠΈΠ±ΠΎ, Π·Π°ΠΊΡΡΠ²Π°ΡΡΡΡ Π² Π·Π°Π²ΠΈΡΠΈΠΌΠΎΡΡΠΈ ΠΎΡ ΡΠ°ΠΊΡΠ° Π΄Π²ΠΈΠ³Π°ΡΠ΅Π»Ρ. ΠΡΠΈ ΠΎΡΠΊΡΡΡΠΈΠΈ Π²ΠΏΡΡΠΊΠ½ΡΡ ΠΊΠ»Π°ΠΏΠ°Π½ΠΎΠ² ΡΠΈΠ»ΠΈΠ½Π΄ΡΡ Π½Π°ΠΏΠΎΠ»Π½ΡΡΡΡΡ ΡΠΎΠΏΠ»ΠΈΠ²Π½ΠΎ-Π²ΠΎΠ·Π΄ΡΡΠ½ΠΎΠΉ ΡΠΌΠ΅ΡΡΡ. ΠΡΠΈ ΠΎΡΠΊΡΡΡΠΈΠΈ Π²ΡΠΏΡΡΠΊΠ½ΡΡ ΠΊΠ»Π°ΠΏΠ°Π½ΠΎΠ² ΠΏΡΠΎΠΈΡΡ ΠΎΠ΄ΠΈΡ ΠΎΡΠ²ΠΎΠ΄ Π²ΡΡ Π»ΠΎΠΏΠ½ΡΡ Π³Π°Π·ΠΎΠ².
3) ΠΠΎΡΡΠ½Π΅Π²Π°Ρ Π³ΡΡΠΏΠΏΠ°. ΠΠ»Π°Π³ΠΎΠ΄Π°ΡΡ ΡΠ½Π΅ΡΠ³ΠΈΠΈ Π²Π·ΡΡΠ²Π° ΡΠΎΠΏΠ»ΠΈΠ²Π½ΠΎ-Π²ΠΎΠ·Π΄ΡΡΠ½ΠΎΠΉ ΡΠΌΠ΅ΡΠΈ ΠΏΠΎΡΡΠ΅Π½Ρ ΠΎΠΏΡΡΠΊΠ°Π΅ΡΡΡ Π²Π½ΠΈΠ·. Π§Π΅ΡΠ΅Π· ΡΠ°ΡΡΠ½ ΠΎΠ½ ΠΏΠ΅ΡΠ΅Π΄Π°Π΅Ρ ΡΠ½Π΅ΡΠ³ΠΈΡ Π½Π° ΠΊΠΎΠ»Π΅Π½Π²Π°Π». ΠΠΎΡΡΠ½Π΅Π²Π°Ρ Π³ΡΡΠΏΠΏΠ° ΡΠΎΡΡΠΎΠΈΡ ΠΈΠ·: ΠΏΠΎΡΡΠ½Ρ, ΠΏΠΎΡΡΠ½Π΅Π²ΡΡ ΠΊΠΎΠ»Π΅Ρ, ΠΏΠΎΡΡΠ½Π΅Π²ΠΎΠ³ΠΎ ΠΏΠ°Π»ΡΡΠ° ( ΠΊΠΎΡΠΎΡΡΠΉ ΠΏΡΠΎΡΠ½ΠΎ ΡΠΎΠ΅Π΄ΠΈΠ½ΡΠ΅ΡΡΡ Ρ ΡΠ°ΡΡΠ½ΠΎΠΌ). ΠΠ»Π°Π³ΠΎΠ΄Π°ΡΡ ΠΏΠΎΡΡΠ½Π΅Π²ΡΠΌ ΠΊΠΎΠ»ΡΡΠ°ΠΌ. ΠΠΎΡΡΠ΅Π½Ρ ΠΏΠ»ΠΎΡΠ½ΠΎ ΠΏΡΠΈΠ»Π΅Π³Π°Π΅Ρ ΠΊ ΡΡΠ΅Π½ΠΊΠ°ΠΌ ΡΠΈΠ»ΠΈΠ½Π΄ΡΠΎΠ². ΠΠΎΠ»Π΅Π΅ ΠΏΠΎΠ΄ΡΠΎΠ±Π½ΠΎ ΠΏΡΠΎ ΡΡΡΡΠΎΠΉΡΡΠ²ΠΎ ΠΏΠΎΡΡΠ½Ρ ΠΌΠΎΠΆΠ½ΠΎ ΡΠ·Π½Π°ΡΡ Π·Π΄Π΅ΡΡ.
4) ΠΠ¨Π- ΠΡΠΈΠ²ΠΎΡΠΈΠΏΠ½ΠΎ-ΡΠ°ΡΡΠ½Π½ΡΠΉ ΠΌΠ΅Ρ
Π°Π½ΠΈΠ·ΠΌ. ΠΠ»Π°Π³ΠΎΠ΄Π°ΡΡ ΠΏΠ΅ΡΠ΅Π΄Π°ΡΠ΅ ΡΠ½Π΅ΡΠ³ΠΈΠΈ ΡΠ°ΡΡΠ½Π° Π½Π° ΠΊΠΎΠ»Π΅Π½Π²Π°Π» ΡΠΎΠ²Π΅ΡΡΠ°Π΅ΡΡΡ ΠΏΠΎΠ»Π΅Π·Π½Π°Ρ ΡΠ°Π±ΠΎΡΠ°.
5) ΠΠ°ΡΠ»ΡΠ½ΡΠΉ ΠΏΠΎΠ΄Π΄ΠΎΠ½. Π ΠΌΠ°ΡΠ»ΡΠ½ΠΎΠΌ ΠΏΠΎΠ΄Π΄ΠΎΠ½Π΅ Π½Π°Ρ ΠΎΠ΄ΠΈΡΡΡ ΠΌΠΎΡΠΎΡΠ½ΠΎΠ΅ ΠΌΠ°ΡΠ»ΠΎ ΠΊΠΎΡΠΎΡΠΎΠ΅ ΠΈ ΠΈΡΠΏΠΎΠ»ΡΠ·ΡΠ΅ΡΡΡ ΡΠΈΡΡΠ΅ΠΌΠΎΠΉ ΡΠΌΠ°Π·ΠΊΠΈ Π΄Π»Ρ ΡΠΌΠ°Π·ΡΠ²Π°Π½ΠΈΡ ΠΏΠΎΠ΄ΡΠΈΠΏΠ½ΠΈΠΊΠΎΠ² ΠΈ ΠΊΠΎΠΌΠΏΠΎΠ½Π΅Π½ΡΠΎΠ² Π΄Π²Ρ.
6) Π‘ΠΈΡΡΠ΅ΠΌΠ° ΠΎΡ Π»Π°ΠΆΠ΄Π΅Π½ΠΈΡ. ΠΠ»Π°Π³ΠΎΠ΄Π°ΡΡ ΡΠΈΡΡΠ΅ΠΌΠ΅ ΠΎΡ Π»Π°ΠΆΠ΄Π΅Π½ΠΈΡ Π΄Π²ΠΈΠ³Π°ΡΠ΅Π»Ρ Π²Π½ΡΡΡΠ΅Π½Π½Π΅Π³ΠΎ ΡΠ³ΠΎΡΠ°Π½ΠΈΡ ΠΏΠΎΠ΄Π΄Π΅ΡΠΆΠΈΠ²Π°Π΅Ρ ΠΎΠΏΡΠΈΠΌΠ°Π»ΡΠ½ΡΡ ΡΠ΅ΠΌΠΏΠ΅ΡΠ°ΡΡΡΡ. Π‘ΠΈΡΡΠ΅ΠΌΠ° ΠΎΡ Π»Π°ΠΆΠ΄Π΅Π½ΠΈΡ ΡΠΎΡΡΠΎΠΈΡ ΠΈΠ·: ΠΏΠΎΠΌΠΏΡ, ΡΠ°Π΄ΠΈΠ°ΡΠΎΡΠ°, ΡΠ΅ΡΠΌΠΎΡΡΠ°ΡΠ°, ΠΏΠ°ΡΡΡΠ±ΠΊΠΎΠ² ΠΎΡ Π»Π°ΠΆΠ΄Π΅Π½ΠΈΡ , Π° ΡΠ°ΠΊΠΆΠ΅ ΠΎΡ Π»Π°Π΄ΠΈΡΠ΅Π»ΡΠ½ΠΎΠΉ ΡΡΠ±Π°ΡΠΊΠΈ.
7) Π‘ΠΈΡΡΠ΅ΠΌΠ° ΡΠΌΠ°Π·ΠΊΠΈ. Π‘ΠΈΡΡΠ΅ΠΌΠ° ΡΠΌΠ°Π·ΠΊΠΈ ΡΠ»ΡΠΆΠΈΡ Π΄Π»Ρ Π·Π°ΡΠΈΡΡ ΠΊΠΎΠΌΠΏΠΎΠ½Π΅Π½ΡΠΎΠ² Π΄Π²ΠΈΠ³Π°ΡΠ΅Π»Ρ ΠΎΡ ΠΏΡΠ΅ΠΆΠ΄Π΅ Π²ΡΠ΅ΠΌΠ΅Π½Π½ΠΎΠ³ΠΎ ΠΈΠ·Π½ΠΎΡΠ°. ΠΡΠΎΠΌΠ΅ ΡΠΎΠ³ΠΎ Π±Π»Π°Π³ΠΎΠ΄Π°ΡΡ ΠΌΠΎΡΠΎΡΠ½ΠΎΠΌΡ ΠΌΠ°ΡΠ»Ρ Π² Π΄Π²ΠΈΠ³Π°ΡΠ΅Π»Π΅ Π²Π½ΡΡΡΠ΅Π½Π½Π΅Π³ΠΎ ΡΠ³ΠΎΡΠ°Π½ΠΈΡ ΠΏΡΠΎΠΈΡΡ ΠΎΠ΄ΠΈΡ ΠΎΡ Π»Π°ΠΆΠ΄Π΅Π½ΠΈΠ΅ ΠΈ Π·Π°ΡΠΈΡΠ° ΠΎΡ ΠΊΠΎΡΡΠΎΠ·ΠΈΠΈ. Π‘ΠΈΡΡΠ΅ΠΌΠ° ΡΠΌΠ°Π·ΠΊΠΈ ΡΠΎΡΡΠΎΠΈΡ ΠΈΠ·: ΠΌΠ°ΡΠ»ΡΠ½ΠΎΠ³ΠΎ Π½Π°ΡΠΎΡΠ°, ΠΌΠ°ΡΠ»ΡΠ½ΠΎΠ³ΠΎ ΡΠΈΠ»ΡΡΡΠ°, ΠΌΠ°ΡΠ»ΡΠ½ΡΡ ΠΌΠ°Π³ΠΈΡΡΡΠ°Π»Π΅ΠΉ ΠΈ ΠΌΠ°ΡΠ»ΡΠ½ΠΎΠ³ΠΎ ΠΏΠΎΠ΄Π΄ΠΎΠ½Π°.
8) Π‘ΠΈΡΡΠ΅ΠΌΠ° ΠΏΠΈΡΠ°Π½ΠΈΡ. Π‘ΠΈΡΡΠ΅ΠΌΠ° ΠΏΠΈΡΠ°Π½ΠΈΡ ΠΎΠ±Π΅ΡΠΏΠ΅ΡΠΈΠ²Π°Π΅Ρ ΡΠ²ΠΎΠ΅Π²ΡΠ΅ΠΌΠ΅Π½Π½ΡΡ ΠΏΠΎΠ΄Π°ΡΡ ΡΠΎΠΏΠ»ΠΈΠ²Π°. Π Π°Π·Π»ΠΈΡΠ°Π΅ΡΡΡ Π½Π° 3 Π²ΠΈΠ΄Π° ΠΊΠ°ΡΠ±ΡΡΠ°ΡΠΎΡ, ΠΌΠΎΠ½ΠΎΠ²ΠΏΡΡΡΠΊ ΠΈ ΠΈΠ½ΠΆΠ΅ΠΊΡΠΎΡ.
Π£Π·Π½Π°ΡΡ Π±ΠΎΠ»Π΅Π΅ ΠΏΠΎΠ΄ΡΠΎΠ±Π½ΠΎ ΠΎ ΡΠΎΠΌ, ΡΡΠΎ Π»ΡΡΡΠ΅ ΠΊΠ°ΡΠ±ΡΡΠ°ΡΠΎΡ ΠΈΠ»ΠΈ ΠΈΠ½ΠΆΠ΅ΠΊΡΠΎΡ ΠΌΠΎΠΆΠ½ΠΎ ΠΏΠ΅ΡΠ΅ΠΉΠ΄Ρ ΠΏΠΎ ΡΡΡΠ»ΠΊΠ΅.
Π ΠΊΠ°ΡΠ±ΡΡΠ°ΡΠΎΡΠ΅ ΡΠΎΠΏΠ»ΠΈΠ²Π½ΠΎ-Π²ΠΎΠ·Π΄ΡΡΠ½Π°Ρ ΡΠΌΠ΅ΡΡ Π³ΠΎΡΠΎΠ²ΠΈΡΡΡΡ Π² ΠΊΠ°ΡΠ±ΡΡΠ°ΡΠΎΡΠ΅ Π΄Π»Ρ ΠΏΠΎΡΠ»Π΅Π΄ΡΡΡΠ΅ΠΉ ΠΏΠΎΠ΄Π°ΡΠΈ.
ΠΠ°ΡΠ±ΡΡΠ°ΡΠΎΡ ΠΎΠ±Π»Π°Π΄Π°Π΅Ρ ΠΌΠ΅Ρ
Π°Π½ΠΈΡΠ΅ΡΠΊΠΈΠΌ ΡΠΎΠΏΠ»ΠΈΠ²Π½ΡΠΌ Π½Π°ΡΠΎΡΠΎΠΌ.
ΠΠΎΠ½ΠΎΠ²ΠΏΡΡΡΠΊ ΡΡΠΎ ΠΏΠΎ ΡΡΡΠΈ ΠΏΠ΅ΡΠ΅Ρ ΠΎΠ΄ ΠΎΡ ΠΊΠ°ΡΠ±ΡΡΠ°ΡΠΎΡΠ° ΠΊ ΠΈΠ½ΠΆΠ΅ΠΊΡΠΎΡΡ ΠΈΠ»ΠΈ ΠΏΡΠΎΠΌΠ΅ΠΆΡΡΠΎΡΠ½ΠΎΠ΅ Π·Π²Π΅Π½ΠΎ. ΠΠ»Π°Π³ΠΎΠ΄Π°ΡΡ Π±Π»ΠΎΠΊΡ ΡΠΏΡΠ°Π²Π»Π΅Π½ΠΈΡ Π½Π° ΠΎΠ΄Π½Ρ Π΅Π΄ΠΈΠ½ΡΡΠ²Π΅Π½Π½ΡΡ ΡΠΎΡΡΡΠ½ΠΊΡ ΠΏΠΎΠ΄Π°ΡΡΡΡ ΠΊΠΎΠΌΠ°Π½Π΄Π° ΠΎ Π½Π΅ΠΎΠ±Ρ ΠΎΠ΄ΠΈΠΌΠΎΠΌ ΠΊΠΎΠ»ΠΈΡΠ΅ΡΡΠ²Π΅ ΡΠΎΠΏΠ»ΠΈΠ²Π°.
ΠΠ½ΠΆΠ΅ΠΊΡΠΎΡ. ΠΠ½ΠΆΠ΅ΠΊΡΠΎΡΠ½ΡΠ΅ ΡΠΈΡΡΠ΅ΠΌΡ ΡΠΎΠΏΠ»ΠΈΠ²Π° ΠΎΠ±Π»Π°Π΄Π°ΡΡ. ΠΠΠ£- ΡΠ»Π΅ΠΊΡΡΠΎΠ½Π½ΡΠΉ Π±Π»ΠΎΠΊ ΡΠΏΡΠ°Π²Π»Π΅Π½ΠΈΡ, ΡΠΎΡΡΡΠ½ΠΊΠΈ, ΡΠΎΠΏΠ»ΠΈΠ²Π½Π°Ρ ΡΠ°ΠΌΠΏΠ°. ΠΠ»Π°Π³ΠΎΠ΄Π°ΡΡ ΠΊΠΎΠΌΠ°Π½Π΄Π°ΠΌ ΠΠΠ£ Π½Π° ΡΠΎΡΡΡΠ½ΠΊΠΈ ΠΏΠΎΠ΄Π°ΡΡΡΡ ΡΠΈΠ³Π½Π°Π» ΠΎ ΡΠΎΠΌ ΠΊΠ°ΠΊΠΎΠ΅ ΠΊΠΎΠ»ΠΈΡΠ΅ΡΡΠ²ΠΎ ΡΠΎΠΏΠ»ΠΈΠ²Π° Π½Π΅ΠΎΠ±Ρ ΠΎΠ΄ΠΈΠΌΠΎ Π² Π΄Π°Π½Π½ΡΠΉ ΠΌΠΎΠΌΠ΅Π½Ρ. ΠΡΠΎ ΠΠΠ£ Π±ΠΎΠ»Π΅Π΅ ΠΏΠΎΠ΄ΡΠΎΠ±Π½ΠΎ ΠΌΠΎΠΆΠ½ΠΎ ΡΠ·Π½Π°ΡΡ Π·Π΄Π΅ΡΡ.
ΠΠ° ΡΠ΅Π³ΠΎΠ΄Π½ΡΡΠ½ΠΈΠΉ ΠΌΠΎΠΌΠ΅Π½Ρ ΡΡΠΎ ΡΠ°ΠΌΡΠ΅ ΡΠ°ΡΠΏΡΠΎΡΡΡΠ°Π½Π΅Π½Π½ΡΠ΅ ΡΠΎΠΏΠ»ΠΈΠ²Π½ΡΠ΅ ΡΠΈΡΡΠ΅ΠΌΡ. Π’Π°ΠΊ ΠΊΠ°ΠΊ ΠΎΠ±Π»Π°Π΄Π°ΡΡ ΡΡΠ΄ΠΎΠΌ ΠΏΡΠ΅ΠΈΠΌΡΡΠ΅ΡΡΠ². ΠΠΊΠΎΠ½ΠΎΠΌΠΈΡΠ½ΠΎΡΡΡ, ΡΠΊΠΎΠ»ΠΎΠ³ΠΈΡΠ½ΠΎΡΡΡ ΠΈ Π»ΡΡΡΠ°Ρ ΠΎΡΠ΄Π°ΡΠ° ΠΏΠΎ ΡΡΠ°Π²Π½Π΅Π½ΠΈΡ Ρ ΠΌΠΎΠ½ΠΎΠ²ΠΏΡΡΡΠΊΠΎΠΌ ΠΈ ΠΊΠ°ΡΠ±ΡΡΠ°ΡΠΎΡΠΎΠΌ.
Π’Π°ΠΊΠΆΠ΅ ΡΡΡΠ΅ΡΡΠ²ΡΠ΅Ρ ΠΏΡΡΠΌΠΎΠΉ Π²ΠΏΡΡΡΠΊ ΡΠΎΠΏΠ»ΠΈΠ²Π°. ΠΠ΄Π΅ ΡΠΎΡΡΡΠ½ΠΊΠΈ Π²ΠΏΡΡΡΠΊΠΈΠ²Π°ΡΡ ΡΠΎΠΏΠ»ΠΈΠ²ΠΎ Π½Π΅ΠΏΠΎΡΡΠ΅Π΄ΡΡΠ²Π΅Π½Π½ΠΎ Π² ΠΊΠ°ΠΌΠ΅ΡΡ ΡΠ³ΠΎΡΠ°Π½ΠΈΡ , Π½Π΅ ΠΈΡΠΏΠΎΠ»ΡΠ·ΡΠ΅ΡΡΡ ΡΠ°ΡΡΠΎ ΠΏΠΎ ΠΏΡΠΈΡΠΈΠ½Π΅ Π±ΠΎΠ»Π΅Π΅ ΡΠ»ΠΎΠΆΠ½ΠΎΠΉ ΠΊΠΎΠ½ΡΡΡΡΠΊΡΠΈΠΈ ΠΈ ΠΌΠ΅Π½ΡΡΠ΅ΠΉ Π½Π°Π΄ΡΠΆΠ½ΠΎΡΡΠΈ ΠΏΠΎ ΡΡΠ°Π²Π½Π΅Π½ΠΈΡ Ρ ΡΠ°ΡΠΏΡΠ΅Π΄Π΅Π»ΠΈΡΠ΅Π»ΡΠ½ΡΠΌ Π²ΠΏΡΡΡΠΊΠΎΠΌ. ΠΡΠ΅ΠΈΠΌΡΡΠ΅ΡΡΠ²ΠΎ ΡΠ°ΠΊΠΎΠΉ ΠΊΠΎΠ½ΡΡΡΡΠΊΡΠΈΠΈ Π² Π»ΡΡΡΠ΅ΠΉ ΡΠΊΠΎΠ½ΠΎΠΌΠΈΡΠ½ΠΎΡΡΠΈ ΠΈ ΡΠΊΠΎΠ»ΠΎΠ³ΠΈΡΠ½ΠΎΡΡΠΈ.![]()
9) Π‘ΠΈΡΡΠ΅ΠΌΠ° Π·Π°ΠΆΠΈΠ³Π°Π½ΠΈΡ. Π‘ΠΈΡΡΠ΅ΠΌΠ° Π·Π°ΠΆΠΈΠ³Π°Π½ΠΈΡ ΡΠ»ΡΠΆΠΈΡ Π΄Π»Ρ Π²ΠΎΡΠΏΠ»Π°ΠΌΠ΅Π½Π΅Π½ΠΈΡ ΡΠΎΠΏΠ»ΠΈΠ²Π½ΠΎ-Π²ΠΎΠ·Π΄ΡΡΠ½ΠΎΠΉ ΡΠΌΠ΅ΡΠΈ. Π‘ΠΎΡΡΠΎΠΈΡ ΠΈΠ· Π²ΡΡΠΎΠΊΠΎΠ²ΠΎΠ»ΡΡΠ½ΡΡ ΠΏΡΠΎΠ²ΠΎΠ΄ΠΎΠ², ΠΊΠ°ΡΡΡΠ΅ΠΊ Π·Π°ΠΆΠΈΠ³Π°Π½ΠΈΡ, ΡΠ²Π΅Ρ Π·Π°ΠΆΠΈΠ³Π°Π½ΠΈΡ. Π‘ΡΠ°ΡΡΠ΅Ρ Π·Π°ΠΏΡΡΠΊΠ°Π΅Ρ Π΄Π²ΠΈΠ³Π°ΡΠ΅Π»Ρ Π²Π½ΡΡΡΠ΅Π½Π½Π΅Π³ΠΎ ΡΠ³ΠΎΡΠ°Π½ΠΈΡ. ΠΠΎΠ»Π΅Π΅ ΠΏΠΎΠ΄ΡΠΎΠ±Π½ΠΎ ΠΎ ΡΡΠ°ΡΡΠ΅ΡΠ΅ ΠΌΠΎΠΆΠ½ΠΎ ΡΠ·Π½Π°ΡΡ ΠΏΠ΅ΡΠ΅ΠΉΠ΄Ρ ΠΏΠΎ ΡΡΡΠ»ΠΊΠ΅.
10) ΠΠ°Ρ ΠΎΠ²ΠΈΠΊ. ΠΠ»Π°Π²Π½ΠΎΠΉ Π·Π°Π΄Π°ΡΠ΅ΠΉ ΠΌΠ°Ρ ΠΎΠ²ΠΈΠΊΠ° ΡΠ²Π»ΡΠ΅ΡΡΡ Π·Π°ΠΏΡΡΠΊ Π΄Π²Ρ Ρ ΠΏΠΎΠΌΠΎΡΡΡ ΡΡΠ°ΡΡΠ΅ΡΠ° ΡΠ΅ΡΠ΅Π· ΠΊΠΎΠ»Π΅Π½Π²Π°Π».
ΠΡΠΈΠ½ΡΠΈΠΏ ΡΠ°Π±ΠΎΡΡ
ΠΠ²ΠΈΠ³Π°ΡΠ΅Π»Ρ Π²Π½ΡΡΡΠ΅Π½Π½Π΅Π³ΠΎ ΡΠ³ΠΎΡΠ°Π½ΠΈΡ ΡΠΎΠ²Π΅ΡΡΠ°Π΅Ρ 4 ΡΠΈΠΊΠ»Π° ΠΈΠ»ΠΈ ΡΠ°ΠΊΡΠ°.
1) ΠΠΏΡΡΠΊ. ΠΠ° ΡΡΠΎΠΉ ΡΡΠ°Π΄ΠΈΠΈ ΠΏΡΠΎΠΈΡΡ ΠΎΠ΄ΠΈΡ Π²ΠΏΡΡΠΊ ΡΠΎΠΏΠ»ΠΈΠ²Π½ΠΎ-Π²ΠΎΠ·Π΄ΡΡΠ½ΠΎΠΉ ΡΠΌΠ΅ΡΠΈ.
2) Π‘ΠΆΠ°ΡΠΈΠ΅. ΠΡΠΈ ΡΠΆΠ°ΡΠΈΠΈ ΠΏΡΠΎΠΈΡΡ ΠΎΠ΄ΠΈΡ ΡΠΆΠ°ΡΠΈΠ΅ ΠΏΠΎΡΡΠ½Π΅ΠΌ ΡΠΎΠΏΠ»ΠΈΠ²Π½ΠΎ-Π²ΠΎΠ·Π΄ΡΡΠ½ΠΎΠΉ ΡΠΌΠ΅ΡΠΈ.
3) Π Π°Π±ΠΎΡΠΈΠΉ Ρ ΠΎΠ΄. ΠΠΎΡΡΠ΅Π½Ρ ΠΏΠΎΠ΄ Π΄Π°Π²Π»Π΅Π½ΠΈΠ΅ΠΌ Π³Π°Π·ΠΎΠ² ΠΎΡΠΏΡΠ°Π²Π»ΡΠ΅ΡΡΡ Π² ΠΠΠ’( Π½ΠΈΠΆΠ½ΡΡ ΠΌΠ΅ΡΡΠ²ΡΡ ΡΠΎΡΠΊΡ). ΠΠΎΡΡΠ΅Π½Ρ ΠΏΠ΅ΡΠ΅Π΄Π°Π΅Ρ ΡΠ½Π΅ΡΠ³ΠΈΡ Π½Π° ΡΠ°ΡΡΠ½, Π·Π°ΡΠ΅ΠΌ ΡΠ΅ΡΠ΅Π· ΡΠ°ΡΡΠ½ ΠΏΠ΅ΡΠ΅Π΄Π°Π΅ΡΡΡ ΡΠ½Π΅ΡΠ³ΠΈΡ Π½Π° ΠΊΠΎΠ»Π΅Π½Π²Π°Π». Π’Π°ΠΊΠΈΠΌ ΠΎΠ±ΡΠ°Π·ΠΎΠΌ ΠΏΡΠΎΠΈΡΡ ΠΎΠ΄ΠΈΡ ΠΎΠ±ΠΌΠ΅Π½ ΡΠ½Π΅ΡΠ³ΠΈΠΈ Π³Π°Π·ΠΎΠ² Π½Π° ΠΏΠΎΠ»Π΅Π·Π½ΡΡ ΠΌΠ΅Ρ Π°Π½ΠΈΡΠ΅ΡΠΊΡΡ ΡΠ°Π±ΠΎΡΡ.
4) ΠΡΠΏΡΡΠΊ. ΠΠΎΡΡΠ΅Π½Ρ ΠΎΡΠΏΡΠ°Π²Π»ΡΠ΅ΡΡΡ Π²Π²Π΅ΡΡ
. ΠΡΠΏΡΡΠΊΠ½ΡΠ΅ ΠΊΠ»Π°ΠΏΠ°Π½Π° ΠΎΡΠΊΡΡΠ²Π°ΡΡΡΡ, ΡΡΠΎΠ±Ρ Π²ΡΠΏΡΡΡΠΈΡΡ ΠΏΡΠΎΠ΄ΡΠΊΡΡ ΡΠ°ΡΠΏΠ°Π΄Π°.
ΠΠ½Π½ΠΎΠ²Π°ΡΠΈΠΈ Π΄Π²ΠΈΠ³Π°ΡΠ΅Π»Ρ Π²Π½ΡΡΡΠ΅Π½Π½Π΅Π³ΠΎ ΡΠ³ΠΎΡΠ°Π½ΠΈΡ
1) ΠΡΠΏΠΎΠ»ΡΠ·ΠΎΠ²Π°Π½ΠΈΠ΅ Π² Π΄Π²Ρ Π»Π°Π·Π΅ΡΠΎΠ² Π΄Π»Ρ Π²ΠΎΡΠΏΠ»Π°ΠΌΠ΅Π½Π΅Π½ΠΈΡ ΡΠΎΠΏΠ»ΠΈΠ²Π°. ΠΠΎ ΡΡΠ°Π²Π½Π΅Π½ΠΈΡ ΡΠΎ ΡΠ²Π΅ΡΠ°ΠΌΠΈ Π·Π°ΠΆΠΈΠ³Π°Π½ΠΈΡ Ρ Π»Π°Π·Π΅ΡΠΎΠ² Π±ΡΠ΄Π΅Ρ ΠΏΡΠΎΡΠ΅ Π½Π°ΡΡΡΠΎΠΉΠΊΠ° ΡΠ³Π»Π° Π·Π°ΠΆΠΈΠ³Π°Π½ΠΈΡ ΠΈ Π±ΡΠ΄Π΅Ρ Π±ΠΎΠ»ΡΡΠ°Ρ ΠΌΠΎΡΠ½ΠΎΡΡΡ. ΠΠ±ΡΡΠ½ΡΠ΅ ΡΠ²Π΅ΡΠΈ ΠΏΡΠΈ ΡΠΈΠ»ΡΠ½ΠΎΠΉ ΠΈΡΠΊΡΠ΅ Π±ΡΡΡΡΠΎ Π²ΡΡ ΠΎΠ΄ΡΡ ΠΈΠ· ΡΡΡΠΎΡ.
2) Π’Π΅Ρ Π½ΠΎΠ»ΠΎΠ³ΠΈΡ FreeValve ΡΡΠ° ΡΠ΅Ρ Π½ΠΎΠ»ΠΎΠ³ΠΈΡ ΠΏΠΎΠ΄ΡΠ°Π·ΡΠΌΠ΅Π²Π°Π΅Ρ Π΄Π²ΠΈΠ³Π°ΡΠ΅Π»Ρ Π±Π΅Π· ΡΠ°ΡΠΏΡΠ΅Π΄Π²Π°Π»ΠΎΠ². ΠΠΌΠ΅ΡΡΠΎ ΡΠ°ΡΠΏΡΠ΅Π΄Π²Π°Π»ΠΎΠ² ΠΊΠ»Π°ΠΏΠ°Π½Π°ΠΌΠΈ ΡΠΏΡΠ°Π²Π»ΡΡΡ ΠΈΠ½Π΄ΠΈΠ²ΠΈΠ΄ΡΠ°Π»ΡΠ½ΡΠ΅ ΠΏΡΠΈΠ²ΠΎΠ΄Ρ Π½Π° ΠΊΠ°ΠΆΠ΄ΡΠΉ ΠΊΠ»Π°ΠΏΠ°Π½. ΠΠΊΠΎΠ»ΠΎΠ³ΠΈΡΠ½ΠΎΡΡΡ ΠΈ ΡΠΊΠΎΠ½ΠΎΠΌΠΈΡΠ½ΠΎΡΡΡ ΡΠ°ΠΊΠΈΡ Π΄Π²Ρ Π²ΡΡΠ΅. Π’Π΅Ρ Π½ΠΎΠ»ΠΎΠ³ΠΈΡ ΡΠ°Π·ΡΠ°Π±ΠΎΡΠ°Π½Π° Π΄ΠΎΡΠ΅ΡΠ½Π΅ΠΉ ΠΊΠΎΠΌΠΏΠ°Π½ΠΈΠ΅ΠΉ Koniesseg ΠΈ ΠΈΠΌΠ΅Π΅Ρ ΡΡ ΠΎΠΆΠ΅Π΅ Π½Π°Π·Π²Π°Π½ΠΈΠ΅ FreeValve. Π’Π΅Ρ Π½ΠΎΠ»ΠΎΠ³ΠΈΡ ΠΏΠΎΠΊΠ° ΡΡΡΠ°Ρ, Π½ΠΎ ΡΠΆΠ΅ ΠΏΡΠΎΠ΄Π΅ΠΌΠΎΠ½ΡΡΡΠΈΡΠΎΠ²Π°Π»Π° ΡΡΠ΄ ΠΏΡΠ΅ΠΈΠΌΡΡΠ΅ΡΡΠ². Π§ΡΠΎ Π±ΡΠ΄Π΅Ρ Π΄Π°Π»ΡΡΠ΅ Π²ΡΠ΅ΠΌΡ ΠΏΠΎΠΊΠ°ΠΆΠ΅Ρ.
3) Π Π°Π·Π΄Π΅Π»Π΅Π½ΠΈΠ΅ Π΄Π²ΠΈΠ³Π°ΡΠ΅Π»Π΅ΠΉ Π½Π° Ρ
ΠΎΠ»ΠΎΠ΄Π½ΡΡ ΠΈ Π³ΠΎΡΡΡΡΡ ΡΠ°ΡΡΠΈ. Π‘ΡΡΡ ΡΠ΅Ρ
Π½ΠΎΠ»ΠΎΠ³ΠΈΠΈ Π² ΡΠΎΠΌ, ΡΡΠΎ Π΄Π²ΠΈΠ³Π°ΡΠ΅Π»Ρ Π΄Π΅Π»ΠΈΡΡΡ Π½Π° Π΄Π²Π΅ ΡΠ°ΡΡΠΈ. Π Ρ
ΠΎΠ»ΠΎΠ΄Π½ΠΎΠΉ Π±ΡΠ΄Π΅Ρ ΠΏΡΠΎΠΈΡΡ
ΠΎΠ΄ΠΈΡΡ Π²ΠΏΡΡΠΊ ΠΈ ΡΠΆΠ°ΡΠΈΠ΅ ΡΠ°ΠΊ ΠΊΠ°ΠΊ ΡΡΠΈ ΡΡΠ°Π΄ΠΈΠΈ Π±ΠΎΠ»Π΅Π΅ ΡΡΡΠ΅ΠΊΡΠΈΠ²Π½ΠΎ Π±ΡΠ΄ΡΡ ΠΏΡΠΎΠΈΡΡ
ΠΎΠ΄ΠΈΡΡ Π² Ρ
ΠΎΠ»ΠΎΠ΄Π½ΠΎΠΉ ΡΠ°ΡΡΠΈ. ΠΠ»Π°Π³ΠΎΠ΄Π°ΡΡ ΡΡΠΎΠΉ ΡΠ΅Ρ
Π½ΠΎΠ»ΠΎΠ³ΠΈΠΈ ΠΈΠ½ΠΆΠ΅Π½Π΅ΡΡ ΠΎΠ±Π΅ΡΠ°ΡΡ ΡΠ»ΡΡΡΠ΅Π½ΠΈΠ΅ ΠΏΡΠΎΠΈΠ·Π²ΠΎΠ΄ΠΈΡΠ΅Π»ΡΠ½ΠΎΡΡΠΈ Π½Π° 30-40%.
Π Π³ΠΎΡΡΡΠ΅ΠΉ ΡΠ°ΡΡΠΈ Π±ΡΠ΄ΡΡ ΠΏΡΠΎΠΈΡΡ
ΠΎΠ΄ΠΈΡΡ Π²ΠΎΡΠΏΠ»Π°ΠΌΠ΅Π½Π΅Π½ΠΈΠ΅ ΠΈ Π²ΡΡ
Π»ΠΎΠΏ.
Π ΠΎ ΠΊΠ°ΠΊΠΈΡ Π±ΡΠ΄ΡΡΠΈΡ ΡΠ΅Ρ Π½ΠΎΠ»ΠΎΠ³ΠΈΡΡ Π΄Π²ΠΈΠ³Π°ΡΠ΅Π»Ρ Π²Π½ΡΡΡΠ΅Π½Π½Π΅Π³ΠΎ ΡΠ³ΠΎΡΠ°Π½ΠΈΡ ΠΡ ΡΠ»ΡΡΠ°Π»ΠΈ ΠΎΠ±ΡΠ·Π°ΡΠ΅Π»ΡΠ½ΠΎ ΠΏΠΎΠ΄Π΅Π»ΠΈΡΠ΅ΡΡ ΡΡΠΈΠΌ Π² ΠΊΠΎΠΌΠΌΠ΅Π½ΡΠ°ΡΠΈΡΡ .
ΠΊΠ°ΠΊ ΠΏΡΠΈΠ³ΠΎΡΠΎΠ²ΠΈΡΡ ΠΏΠΈΡΠΎΠ³ Π½Π° ΡΠΊΠΎΠ²ΠΎΡΠΎΠ΄Π΅Π»ΠΎΠ±Π°Π½ΠΎΠ²ΡΠΊΠΈΠΉ Ρ Π°ΡΡΠΊΠΎΠ²
ΠΠΎΡ ΠΊΠ°ΠΊ ΡΠ°Π±ΠΎΡΠ°Π΅Ρ Π΄Π²ΠΈΠ³Π°ΡΠ΅Π»Ρ Π²Π°ΡΠ΅Π³ΠΎ Π°Π²ΡΠΎΠΌΠΎΠ±ΠΈΠ»Ρ
ΠΠ»Ρ Π±ΠΎΠ»ΡΡΠΈΠ½ΡΡΠ²Π° Π»ΡΠ΄Π΅ΠΉ Π°Π²ΡΠΎΠΌΠΎΠ±ΠΈΠ»Ρ — ΡΡΠΎ ΡΠΎ, ΡΡΠΎ ΠΎΠ½ΠΈ Π·Π°ΠΏΡΠ°Π²Π»ΡΡΡ Π±Π΅Π½Π·ΠΈΠ½ΠΎΠΌ, ΠΊΠΎΡΠΎΡΡΠΉ ΠΏΠ΅ΡΠ΅ΠΌΠ΅ΡΠ°Π΅Ρ ΠΈΡ ΠΈΠ· ΡΠΎΡΠΊΠΈ Π Π² ΡΠΎΡΠΊΡ Π. ΠΠΎ Π·Π°Π΄ΡΠΌΡΠ²Π°Π»ΠΈΡΡ Π»ΠΈ Π²Ρ ΠΊΠΎΠ³Π΄Π°-Π½ΠΈΠ±ΡΠ΄Ρ, ΠΊΠ°ΠΊ ΡΡΠΎ Π½Π° ΡΠ°ΠΌΠΎΠΌ Π΄Π΅Π»Π΅ Π΄Π΅Π»Π°Π΅Ρ ? Π§ΡΠΎ Π·Π°ΡΡΠ°Π²Π»ΡΠ΅Ρ Π΅Π³ΠΎ Π΄Π²ΠΈΠ³Π°ΡΡΡΡ? ΠΡΠ»ΠΈ Π²Ρ Π΅ΡΠ΅ Π½Π΅ ΠΏΡΠΈΠ½ΡΠ»ΠΈ ΡΠ»Π΅ΠΊΡΡΠΎΠΌΠΎΠ±ΠΈΠ»Ρ Π² ΠΊΠ°ΡΠ΅ΡΡΠ²Π΅ ΠΏΠΎΠ²ΡΠ΅Π΄Π½Π΅Π²Π½ΠΎΠ³ΠΎ Π²ΠΎΠ΄ΠΈΡΠ΅Π»Ρ, ΠΌΠ°Π³ΠΈΡ ΡΠ²ΠΎΠ΄ΠΈΡΡΡ ΠΊ ΡΠΎΠΌΡ, ΡΡΠΎ ΡΠ²ΠΎΠ΄ΠΈΡΡΡ ΠΊ Π΄Π²ΠΈΠ³Π°ΡΠ΅Π»Ρ Π²Π½ΡΡΡΠ΅Π½Π½Π΅Π³ΠΎ ΡΠ³ΠΎΡΠ°Π½ΠΈΡ — ΡΠΎΠΉ ΡΡΡΠΊΠ΅, ΠΊΠΎΡΠΎΡΠ°Ρ ΡΡΠΌΠΈΡ ΠΏΠΎΠ΄ ΠΊΠ°ΠΏΠΎΡΠΎΠΌ. ΠΠΎ ΠΊΠ°ΠΊ ΠΈΠΌΠ΅Π½Π½ΠΎ ΡΠ°Π±ΠΎΡΠ°Π΅Ρ Π΄Π²ΠΈΠ³Π°ΡΠ΅Π»Ρ?
Π ΡΠ°ΡΡΠ½ΠΎΡΡΠΈ, Π΄Π²ΠΈΠ³Π°ΡΠ΅Π»Ρ Π²Π½ΡΡΡΠ΅Π½Π½Π΅Π³ΠΎ ΡΠ³ΠΎΡΠ°Π½ΠΈΡ ΡΠ²Π»ΡΠ΅ΡΡΡ ΡΠ΅ΠΏΠ»ΠΎΠ²ΡΠΌ Π΄Π²ΠΈΠ³Π°ΡΠ΅Π»Π΅ΠΌ Π² ΡΠΎΠΌ ΡΠΌΡΡΠ»Π΅, ΡΡΠΎ ΠΎΠ½ ΠΏΡΠ΅ΠΎΠ±ΡΠ°Π·ΡΠ΅Ρ ΡΠ½Π΅ΡΠ³ΠΈΡ ΡΠ΅ΠΏΠ»Π° Π³ΠΎΡΡΡΠ΅Π³ΠΎ Π±Π΅Π½Π·ΠΈΠ½Π° Π² ΠΌΠ΅Ρ
Π°Π½ΠΈΡΠ΅ΡΠΊΡΡ ΡΠ°Π±ΠΎΡΡ ΠΈΠ»ΠΈ ΠΊΡΡΡΡΡΠΈΠΉ ΠΌΠΎΠΌΠ΅Π½Ρ.ΠΡΠΎΡ ΠΊΡΡΡΡΡΠΈΠΉ ΠΌΠΎΠΌΠ΅Π½Ρ ΠΏΡΠΈΠΌΠ΅Π½ΡΠ΅ΡΡΡ ΠΊ ΠΊΠΎΠ»Π΅ΡΠ°ΠΌ, ΡΡΠΎΠ±Ρ Π·Π°ΡΡΠ°Π²ΠΈΡΡ ΠΌΠ°ΡΠΈΠ½Ρ Π΄Π²ΠΈΠ³Π°ΡΡΡΡ.
Π Π΅ΡΠ»ΠΈ Π²Ρ Π½Π΅ ΡΠΏΡΠ°Π²Π»ΡΠ΅ΡΠ΅ ΡΡΠ°ΡΠΈΠ½Π½ΡΠΌ Π΄Π²ΡΡ
ΡΠ°ΠΊΡΠ½ΡΠΌ Saab (ΠΊΠΎΡΠΎΡΡΠΉ Π·Π²ΡΡΠΈΡ ΠΊΠ°ΠΊ ΡΡΠ°ΡΠ°Ρ Π±Π΅Π½Π·ΠΎΠΏΠΈΠ»Π° ΠΈ ΠΈΠ·ΡΡΠ³Π°Π΅Ρ ΠΌΠ°ΡΠ»ΡΠ½ΡΠΉ Π΄ΡΠΌ ΠΈΠ· Π²ΡΡ
Π»ΠΎΠΏΠ½ΡΡ
Π³Π°Π·ΠΎΠ²), Π²Π°Ρ Π΄Π²ΠΈΠ³Π°ΡΠ΅Π»Ρ ΡΠ°Π±ΠΎΡΠ°Π΅Ρ ΠΏΠΎ ΠΎΠ΄Π½ΠΈΠΌ ΠΈ ΡΠ΅ΠΌ ΠΆΠ΅ ΠΎΡΠ½ΠΎΠ²Π½ΡΠΌ ΠΏΡΠΈΠ½ΡΠΈΠΏΠ°ΠΌ, Π½Π΅Π·Π°Π²ΠΈΡΠΈΠΌΠΎ ΠΎΡ ΡΠΎΠ³ΠΎ, ΡΠΏΡΠ°Π²Π»ΡΠ΅ΡΠ΅ Π»ΠΈ Π²Ρ Ford ΠΈΠ»ΠΈ Ferrari.
ΠΠ²ΠΈΠ³Π°ΡΠ΅Π»ΠΈ ΠΈΠΌΠ΅ΡΡ ΠΏΠΎΡΡΠ½ΠΈ, ΠΊΠΎΡΠΎΡΡΠ΅ ΠΏΠ΅ΡΠ΅ΠΌΠ΅ΡΠ°ΡΡΡΡ Π²Π²Π΅ΡΡ ΠΈ Π²Π½ΠΈΠ· Π²Π½ΡΡΡΠΈ ΠΌΠ΅ΡΠ°Π»Π»ΠΈΡΠ΅ΡΠΊΠΈΡ ΡΡΡΠ±ΠΎΠΊ, Π½Π°Π·ΡΠ²Π°Π΅ΠΌΡΡ ΡΠΈΠ»ΠΈΠ½Π΄ΡΠ°ΠΌΠΈ. ΠΡΠ΅Π΄ΡΡΠ°Π²ΡΡΠ΅, ΡΡΠΎ Π²Ρ Π΅Π΄Π΅ΡΠ΅ Π½Π° Π²Π΅Π»ΠΎΡΠΈΠΏΠ΅Π΄Π΅: Π²Π°ΡΠΈ Π½ΠΎΠ³ΠΈ Π΄Π²ΠΈΠ³Π°ΡΡΡΡ Π²Π²Π΅ΡΡ ΠΈ Π²Π½ΠΈΠ·, ΡΡΠΎΠ±Ρ ΠΊΡΡΡΠΈΡΡ ΠΏΠ΅Π΄Π°Π»ΠΈ. ΠΠΎΡΡΠ½ΠΈ ΡΠΎΠ΅Π΄ΠΈΠ½Π΅Π½Ρ ΡΡΠ΅ΡΠΆΠ½ΡΠΌΠΈ (ΠΎΠ½ΠΈ ΠΊΠ°ΠΊ Π²Π°ΡΠΈ Π³ΠΎΠ»Π΅Π½ΠΈ) Ρ ΠΊΠΎΠ»Π΅Π½ΡΠ°ΡΡΠΌ Π²Π°Π»ΠΎΠΌ, ΠΈ ΠΎΠ½ΠΈ ΠΏΠ΅ΡΠ΅ΠΌΠ΅ΡΠ°ΡΡΡΡ Π²Π²Π΅ΡΡ ΠΈ Π²Π½ΠΈΠ·, ΡΡΠΎΠ±Ρ Π²ΡΠ°ΡΠ°ΡΡ ΠΊΠΎΠ»Π΅Π½ΡΠ°ΡΡΠΉ Π²Π°Π» Π΄Π²ΠΈΠ³Π°ΡΠ΅Π»Ρ, ΡΠ°ΠΊ ΠΆΠ΅, ΠΊΠ°ΠΊ Π²Π°ΡΠΈ Π½ΠΎΠ³ΠΈ Π²ΡΠ°ΡΠ°ΡΡ Π²Π΅Π»ΠΎΡΠΈΠΏΠ΅Π΄, ΠΊΠΎΡΠΎΡΡΠΉ, Π² ΡΠ²ΠΎΡ ΠΎΡΠ΅ΡΠ΅Π΄Ρ, ΠΏΡΠΈΠ²ΠΎΠ΄ΠΈΡ Π² Π΄Π΅ΠΉΡΡΠ²ΠΈΠ΅ Π²Π΅Π΄ΡΡΠ΅Π΅ ΠΊΠΎΠ»Π΅ΡΠΎ Π²Π΅Π»ΠΎΡΠΈΠΏΠ΅Π΄Π° ΠΈΠ»ΠΈ Π²Π΅Π΄ΡΡΠΈΠ΅ ΠΊΠΎΠ»Π΅ΡΠ° Π°Π²ΡΠΎΠΌΠΎΠ±ΠΈΠ»Ρ. .Π Π·Π°Π²ΠΈΡΠΈΠΌΠΎΡΡΠΈ ΠΎΡ Π°Π²ΡΠΎΠΌΠΎΠ±ΠΈΠ»Ρ Π² Π΄Π²ΠΈΠ³Π°ΡΠ΅Π»Π΅ ΠΎΠ±ΡΡΠ½ΠΎ Π±ΡΠ²Π°Π΅Ρ ΠΎΡ Π΄Π²ΡΡ Π΄ΠΎ 12 ΡΠΈΠ»ΠΈΠ½Π΄ΡΠΎΠ², Π² ΠΊΠ°ΠΆΠ΄ΠΎΠΌ ΠΈΠ· ΠΊΠΎΡΠΎΡΡΡ ΠΏΠΎΡΡΠ΅Π½Ρ ΠΏΠ΅ΡΠ΅ΠΌΠ΅ΡΠ°Π΅ΡΡΡ Π²Π²Π΅ΡΡ ΠΈ Π²Π½ΠΈΠ·.
ΠΡΠΊΡΠ΄Π° ΠΈΡΡ ΠΎΠ΄ΠΈΡ ΠΌΠΎΡΠ½ΠΎΡΡΡ Π΄Π²ΠΈΠ³Π°ΡΠ΅Π»Ρ
ΠΡΠΈ ΠΏΠΎΡΡΠ½ΠΈ ΠΏΡΠΈΠ²ΠΎΠ΄ΡΡΡΡ Π² Π΄Π²ΠΈΠΆΠ΅Π½ΠΈΠ΅ Π²Π²Π΅ΡΡ
ΠΈ Π²Π½ΠΈΠ· ΡΡΡΡΡΠΈ ΠΊΡΠΎΡΠ΅ΡΠ½ΡΡ
ΠΊΠΎΠ½ΡΡΠΎΠ»ΠΈΡΡΠ΅ΠΌΡΡ
Π²Π·ΡΡΠ²ΠΎΠ², ΠΏΡΠΎΠΈΡΡ
ΠΎΠ΄ΡΡΠΈΡ
ΠΊΠ°ΠΆΠ΄ΡΡ ΠΌΠΈΠ½ΡΡΡ, ΡΠΎΠ·Π΄Π°Π²Π°Π΅ΠΌΡΡ
ΡΠΌΠ΅ΡΠΈΠ²Π°Π½ΠΈΠ΅ΠΌ ΡΠΎΠΏΠ»ΠΈΠ²Π° Ρ ΠΊΠΈΡΠ»ΠΎΡΠΎΠ΄ΠΎΠΌ ΠΈ Π²ΠΎΡΠΏΠ»Π°ΠΌΠ΅Π½Π΅Π½ΠΈΠ΅ΠΌ ΡΠΌΠ΅ΡΠΈ.
ΠΠ°ΠΆΠ΄ΡΠΉ ΡΠ°Π·, ΠΊΠΎΠ³Π΄Π° ΡΠΎΠΏΠ»ΠΈΠ²ΠΎ Π²ΠΎΡΠΏΠ»Π°ΠΌΠ΅Π½ΡΠ΅ΡΡΡ, Π½Π°Π·ΡΠ²Π°Π΅ΡΡΡ ΡΠ°ΠΊΡΠΎΠΌ ΡΠ³ΠΎΡΠ°Π½ΠΈΡ ΠΈΠ»ΠΈ ΡΠΈΠ»ΠΎΠ²ΡΠΌ Ρ
ΠΎΠ΄ΠΎΠΌ. Π’Π΅ΠΏΠ»ΠΎ ΠΈ ΡΠ°ΡΡΠΈΡΡΡΡΠΈΠ΅ΡΡ Π³Π°Π·Ρ ΠΎΡ ΡΡΠΎΠ³ΠΎ ΠΌΠΈΠ½ΠΈ-Π²Π·ΡΡΠ²Π° ΡΠΎΠ»ΠΊΠ°ΡΡ ΠΏΠΎΡΡΠ΅Π½Ρ Π²Π½ΠΈΠ· Π² ΡΠΈΠ»ΠΈΠ½Π΄ΡΠ΅.
ΠΠΎΡΡΠΈ Π²ΡΠ΅ ΡΠΎΠ²ΡΠ΅ΠΌΠ΅Π½Π½ΡΠ΅ Π΄Π²ΠΈΠ³Π°ΡΠ΅Π»ΠΈ Π²Π½ΡΡΡΠ΅Π½Π½Π΅Π³ΠΎ ΡΠ³ΠΎΡΠ°Π½ΠΈΡ (Π΄Π»Ρ ΠΏΡΠΎΡΡΠΎΡΡ ΠΌΡ ΡΠΎΡΡΠ΅Π΄ΠΎΡΠΎΡΠΈΠΌΡΡ Π·Π΄Π΅ΡΡ Π½Π° Π±Π΅Π½Π·ΠΈΠ½ΠΎΠ²ΡΡ ΡΠΈΠ»ΠΎΠ²ΡΡ ΡΡΡΠ°Π½ΠΎΠ²ΠΊΠ°Ρ ) ΠΎΡΠ½ΠΎΡΡΡΡΡ ΠΊ ΡΠ΅ΡΡΡΠ΅Ρ ΡΠ°ΠΊΡΠ½ΡΠΌ. ΠΠΎΠΌΠΈΠΌΠΎ ΡΠ°ΠΊΡΠ° ΡΠ³ΠΎΡΠ°Π½ΠΈΡ, ΠΊΠΎΡΠΎΡΡΠΉ ΡΠΎΠ»ΠΊΠ°Π΅Ρ ΠΏΠΎΡΡΠ΅Π½Ρ Π²Π½ΠΈΠ· ΠΎΡ Π²Π΅ΡΡ Π½Π΅ΠΉ ΡΠ°ΡΡΠΈ ΡΠΈΠ»ΠΈΠ½Π΄ΡΠ°, Π΅ΡΡΡ Π΅ΡΠ΅ ΡΡΠΈ Ρ ΠΎΠ΄Π°: Π²ΠΏΡΡΠΊ, ΡΠΆΠ°ΡΠΈΠ΅ ΠΈ Π²ΡΠΏΡΡΠΊ.
ΠΠ²ΠΈΠ³Π°ΡΠ΅Π»ΡΠΌ Π½Π΅ΠΎΠ±Ρ ΠΎΠ΄ΠΈΠΌ Π²ΠΎΠ·Π΄ΡΡ (Π° ΠΈΠΌΠ΅Π½Π½ΠΎ ΠΊΠΈΡΠ»ΠΎΡΠΎΠ΄) Π΄Π»Ρ ΡΠΆΠΈΠ³Π°Π½ΠΈΡ ΡΠΎΠΏΠ»ΠΈΠ²Π°. ΠΠΎ Π²ΡΠ΅ΠΌΡ ΡΠ°ΠΊΡΠ° Π²ΠΏΡΡΠΊΠ° ΠΊΠ»Π°ΠΏΠ°Π½Ρ ΠΎΡΠΊΡΡΠ²Π°ΡΡΡΡ, ΠΏΠΎΠ·Π²ΠΎΠ»ΡΡ ΠΏΠΎΡΡΠ½Ρ Π΄Π΅ΠΉΡΡΠ²ΠΎΠ²Π°ΡΡ ΠΊΠ°ΠΊ ΡΠΏΡΠΈΡ, ΠΊΠΎΠ³Π΄Π° ΠΎΠ½ Π΄Π²ΠΈΠΆΠ΅ΡΡΡ Π²Π½ΠΈΠ·, Π²ΡΡΠ³ΠΈΠ²Π°Ρ ΠΎΠΊΡΡΠΆΠ°ΡΡΠΈΠΉ Π²ΠΎΠ·Π΄ΡΡ ΡΠ΅ΡΠ΅Π· ΡΠΈΡΡΠ΅ΠΌΡ Π²ΠΏΡΡΠΊΠ° Π΄Π²ΠΈΠ³Π°ΡΠ΅Π»Ρ.ΠΠΎΠ³Π΄Π° ΠΏΠΎΡΡΠ΅Π½Ρ Π΄ΠΎΡΡΠΈΠ³Π°Π΅Ρ Π½ΠΈΠΆΠ½Π΅ΠΉ ΡΠΎΡΠΊΠΈ ΡΠ²ΠΎΠ΅Π³ΠΎ Ρ ΠΎΠ΄Π°, Π²ΠΏΡΡΠΊΠ½ΡΠ΅ ΠΊΠ»Π°ΠΏΠ°Π½Ρ Π·Π°ΠΊΡΡΠ²Π°ΡΡΡΡ, ΡΡΡΠ΅ΠΊΡΠΈΠ²Π½ΠΎ ΡΠΏΠ»ΠΎΡΠ½ΡΡ ΡΠΈΠ»ΠΈΠ½Π΄Ρ Π΄Π»Ρ ΡΠ°ΠΊΡΠ° ΡΠΆΠ°ΡΠΈΡ, ΠΊΠΎΡΠΎΡΡΠΉ Π½Π°Ρ ΠΎΠ΄ΠΈΡΡΡ Π² Π½Π°ΠΏΡΠ°Π²Π»Π΅Π½ΠΈΠΈ, ΠΏΡΠΎΡΠΈΠ²ΠΎΠΏΠΎΠ»ΠΎΠΆΠ½ΠΎΠΌ ΡΠ°ΠΊΡΡ Π²ΠΏΡΡΠΊΠ°. ΠΠ²ΠΈΠΆΠ΅Π½ΠΈΠ΅ ΠΏΠΎΡΡΠ½Ρ Π²Π²Π΅ΡΡ ΡΠΆΠΈΠΌΠ°Π΅Ρ Π²ΡΠ°ΡΡΠ²Π°Π΅ΠΌΡΠΉ Π·Π°ΡΡΠ΄.
Π§Π΅ΡΡΡΠ΅ ΡΠ°ΠΊΡΠ° ΡΠ΅ΡΡΡΠ΅Ρ ΡΠ°ΠΊΡΠ½ΠΎΠ³ΠΎ Π΄Π²ΠΈΠ³Π°ΡΠ΅Π»Ρ
Getty Images
Π ΡΠ°ΠΌΡΡ
ΡΠΎΠ²ΡΠ΅ΠΌΠ΅Π½Π½ΡΡ
Π΄Π²ΠΈΠ³Π°ΡΠ΅Π»ΡΡ
Π±Π΅Π½Π·ΠΈΠ½ Π²ΠΏΡΡΡΠΊΠΈΠ²Π°Π΅ΡΡΡ Π½Π΅ΠΏΠΎΡΡΠ΅Π΄ΡΡΠ²Π΅Π½Π½ΠΎ Π² ΡΠΈΠ»ΠΈΠ½Π΄ΡΡ Π² Π²Π΅ΡΡ
Π½Π΅ΠΉ ΡΠ°ΡΡΠΈ ΡΠ°ΠΊΡΠ° ΡΠΆΠ°ΡΠΈΡ.
(ΠΡΡΠ³ΠΈΠ΅ Π΄Π²ΠΈΠ³Π°ΡΠ΅Π»ΠΈ ΠΏΡΠ΅Π΄Π²Π°ΡΠΈΡΠ΅Π»ΡΠ½ΠΎ ΡΠΌΠ΅ΡΠΈΠ²Π°ΡΡ Π²ΠΎΠ·Π΄ΡΡ
ΠΈ ΡΠΎΠΏΠ»ΠΈΠ²ΠΎ Π²ΠΎ Π²ΡΠ΅ΠΌΡ ΡΠ°ΠΊΡΠ° Π²ΠΏΡΡΠΊΠ°.) Π Π»ΡΠ±ΠΎΠΌ ΡΠ»ΡΡΠ°Π΅, Π½Π΅ΠΏΠΎΡΡΠ΅Π΄ΡΡΠ²Π΅Π½Π½ΠΎ ΠΏΠ΅ΡΠ΅Π΄ ΡΠ΅ΠΌ, ΠΊΠ°ΠΊ ΠΏΠΎΡΡΠ΅Π½Ρ Π΄ΠΎΡΡΠΈΠ³Π½Π΅Ρ Π²Π΅ΡΡ
Π½Π΅ΠΉ ΡΠΎΡΠΊΠΈ ΡΠ²ΠΎΠ΅Π³ΠΎ Ρ
ΠΎΠ΄Π°, ΠΈΠ·Π²Π΅ΡΡΠ½ΠΎΠΉ ΠΊΠ°ΠΊ Π²Π΅ΡΡ
Π½ΡΡ ΠΌΠ΅ΡΡΠ²Π°Ρ ΡΠΎΡΠΊΠ°, ΡΠ²Π΅ΡΠΈ Π·Π°ΠΆΠΈΠ³Π°Π½ΠΈΡ Π²ΠΎΡΠΏΠ»Π°ΠΌΠ΅Π½ΡΡΡ ΡΠΌΠ΅ΡΡ Π²ΠΎΠ·Π΄ΡΡ
Π° ΠΈ ΡΠΎΠΏΠ»ΠΈΠ²Π°.
ΠΠΎΠ·Π½ΠΈΠΊΠ°ΡΡΠ΅Π΅ Π² ΡΠ΅Π·ΡΠ»ΡΡΠ°ΡΠ΅ ΡΠ°ΡΡΠΈΡΠ΅Π½ΠΈΠ΅ Π³ΠΎΡΡΡΠΈΡ Π³ΠΎΡΡΡΠΈΡ Π³Π°Π·ΠΎΠ² ΡΠΎΠ»ΠΊΠ°Π΅Ρ ΠΏΠΎΡΡΠ΅Π½Ρ Π² ΠΏΡΠΎΡΠΈΠ²ΠΎΠΏΠΎΠ»ΠΎΠΆΠ½ΠΎΠΌ Π½Π°ΠΏΡΠ°Π²Π»Π΅Π½ΠΈΠΈ (Π²Π½ΠΈΠ·) Π²ΠΎ Π²ΡΠ΅ΠΌΡ ΡΠ°ΠΊΡΠ° ΡΠ³ΠΎΡΠ°Π½ΠΈΡ. ΠΡΠΎ Ρ ΠΎΠ΄, ΠΏΡΠΈ ΠΊΠΎΡΠΎΡΠΎΠΌ ΠΊΠΎΠ»Π΅ΡΠ° Π²Π°ΡΠ΅Π³ΠΎ Π°Π²ΡΠΎΠΌΠΎΠ±ΠΈΠ»Ρ ΠΊΡΡΡΡΡΡΡ, ΠΊΠ°ΠΊ ΠΊΠΎΠ³Π΄Π° Π²Ρ Π½Π°ΠΆΠΈΠΌΠ°Π΅ΡΠ΅ Π½Π° ΠΏΠ΅Π΄Π°Π»ΠΈ Π²Π΅Π»ΠΎΡΠΈΠΏΠ΅Π΄Π°. ΠΠΎΠ³Π΄Π° ΡΠ°ΠΊΡ ΡΠ³ΠΎΡΠ°Π½ΠΈΡ Π΄ΠΎΡΡΠΈΠ³Π°Π΅Ρ Π½ΠΈΠΆΠ½Π΅ΠΉ ΠΌΠ΅ΡΡΠ²ΠΎΠΉ ΡΠΎΡΠΊΠΈ, Π²ΡΠΏΡΡΠΊΠ½ΡΠ΅ ΠΊΠ»Π°ΠΏΠ°Π½Ρ ΠΎΡΠΊΡΡΠ²Π°ΡΡΡΡ, ΠΏΠΎΠ·Π²ΠΎΠ»ΡΡ Π³Π°Π·Π°ΠΌ ΡΠ³ΠΎΡΠ°Π½ΠΈΡ ΠΎΡΠΊΠ°ΡΠΈΠ²Π°ΡΡΡΡ ΠΈΠ· Π΄Π²ΠΈΠ³Π°ΡΠ΅Π»Ρ (ΠΊΠ°ΠΊ ΡΠΏΡΠΈΡ, Π²ΡΡΠ°Π»ΠΊΠΈΠ²Π°ΡΡΠΈΠΉ Π²ΠΎΠ·Π΄ΡΡ ), ΠΊΠΎΠ³Π΄Π° ΠΏΠΎΡΡΠ΅Π½Ρ ΡΠ½ΠΎΠ²Π° ΠΏΠΎΠ΄Π½ΠΈΠΌΠ°Π΅ΡΡΡ.ΠΠΎΠ³Π΄Π° Π²ΡΡ Π»ΠΎΠΏ Π²ΡΡ ΠΎΠ΄ΠΈΡ — ΠΎΠ½ ΠΏΡΠΎΡ ΠΎΠ΄ΠΈΡ ΡΠ΅ΡΠ΅Π· Π²ΡΡ Π»ΠΎΠΏΠ½ΡΡ ΡΠΈΡΡΠ΅ΠΌΡ Π°Π²ΡΠΎΠΌΠΎΠ±ΠΈΠ»Ρ ΠΏΠ΅ΡΠ΅Π΄ Π²ΡΡ ΠΎΠ΄ΠΎΠΌ ΠΈΠ· Π·Π°Π΄Π½Π΅ΠΉ ΡΠ°ΡΡΠΈ Π°Π²ΡΠΎΠΌΠΎΠ±ΠΈΠ»Ρ — Π²ΡΡ Π»ΠΎΠΏΠ½ΡΠ΅ ΠΊΠ»Π°ΠΏΠ°Π½Ρ Π·Π°ΠΊΡΡΠ²Π°ΡΡΡΡ Π² Π²Π΅ΡΡ Π½Π΅ΠΉ ΠΌΠ΅ΡΡΠ²ΠΎΠΉ ΡΠΎΡΠΊΠ΅, ΠΈ Π²Π΅ΡΡ ΠΏΡΠΎΡΠ΅ΡΡ Π½Π°ΡΠΈΠ½Π°Π΅ΡΡΡ ΡΠ½ΠΎΠ²Π°.
ΠΡΠΎΡ ΠΊΠΎΠ½ΡΠ΅Π½Ρ ΠΈΠΌΠΏΠΎΡΡΠΈΡΠΎΠ²Π°Π½ ΠΈΠ· {embed-name}. ΠΡ ΠΌΠΎΠΆΠ΅ΡΠ΅ Π½Π°ΠΉΡΠΈ ΡΠΎΡ ΠΆΠ΅ ΠΊΠΎΠ½ΡΠ΅Π½Ρ Π² Π΄ΡΡΠ³ΠΎΠΌ ΡΠΎΡΠΌΠ°ΡΠ΅ ΠΈΠ»ΠΈ Π½Π°ΠΉΡΠΈ Π΄ΠΎΠΏΠΎΠ»Π½ΠΈΡΠ΅Π»ΡΠ½ΡΡ ΠΈΠ½ΡΠΎΡΠΌΠ°ΡΠΈΡ Π½Π° ΠΈΡ
Π²Π΅Π±-ΡΠ°ΠΉΡΠ΅.
Π ΠΌΠ½ΠΎΠ³ΠΎΡΠΈΠ»ΠΈΠ½Π΄ΡΠΎΠ²ΠΎΠΌ Π°Π²ΡΠΎΠΌΠΎΠ±ΠΈΠ»ΡΠ½ΠΎΠΌ Π΄Π²ΠΈΠ³Π°ΡΠ΅Π»Π΅ ΡΠΈΠΊΠ»Ρ ΠΎΡΠ΄Π΅Π»ΡΠ½ΡΡ ΡΠΈΠ»ΠΈΠ½Π΄ΡΠΎΠ² ΡΠΌΠ΅ΡΠ΅Π½Ρ Π΄ΡΡΠ³ ΠΎΡ Π΄ΡΡΠ³Π° ΠΈ ΡΠ°Π²Π½ΠΎΠΌΠ΅ΡΠ½ΠΎ ΡΠ°ΡΠΏΡΠ΅Π΄Π΅Π»Π΅Π½Ρ, ΡΠ°ΠΊ ΡΡΠΎ ΡΠ°ΠΊΡΡ ΡΠ³ΠΎΡΠ°Π½ΠΈΡ Π½Π΅ ΠΏΡΠΎΠΈΡΡ ΠΎΠ΄ΡΡ ΠΎΠ΄Π½ΠΎΠ²ΡΠ΅ΠΌΠ΅Π½Π½ΠΎ, Π° Π΄Π²ΠΈΠ³Π°ΡΠ΅Π»Ρ ΡΠ²Π»ΡΠ΅ΡΡΡ ΠΌΠ°ΠΊΡΠΈΠΌΠ°Π»ΡΠ½ΠΎ ΡΠ±Π°Π»Π°Π½ΡΠΈΡΠΎΠ²Π°Π½Π½ΡΠΌ ΠΈ ΠΏΠ»Π°Π²Π½ΡΠΌ.
Getty Images
ΠΠΎ Π½Π΅ Π²ΡΠ΅ Π΄Π²ΠΈΠ³Π°ΡΠ΅Π»ΠΈ ΠΎΠ΄ΠΈΠ½Π°ΠΊΠΎΠ²Ρ. ΠΠ½ΠΈ Π±ΡΠ²Π°ΡΡ ΡΠ°Π·Π½ΡΡ ΡΠΎΡΠΌ ΠΈ ΡΠ°Π·ΠΌΠ΅ΡΠΎΠ². Π Π±ΠΎΠ»ΡΡΠΈΠ½ΡΡΠ²Π΅ Π°Π²ΡΠΎΠΌΠΎΠ±ΠΈΠ»ΡΠ½ΡΡ Π΄Π²ΠΈΠ³Π°ΡΠ΅Π»Π΅ΠΉ ΡΠΈΠ»ΠΈΠ½Π΄ΡΡ ΡΠ°ΡΠΏΠΎΠ»ΠΎΠΆΠ΅Π½Ρ ΠΏΠΎ ΠΏΡΡΠΌΠΎΠΉ Π»ΠΈΠ½ΠΈΠΈ, Π½Π°ΠΏΡΠΈΠΌΠ΅Ρ, Π² ΡΡΠ΄Π½ΠΎΠΌ ΡΠ΅ΡΡΡΠ΅Ρ ΡΠΈΠ»ΠΈΠ½Π΄ΡΠΎΠ²ΠΎΠΌ Π΄Π²ΠΈΠ³Π°ΡΠ΅Π»Π΅, ΠΈΠ»ΠΈ ΠΎΠ±ΡΠ΅Π΄ΠΈΠ½Π΅Π½Ρ Π΄Π²Π° ΡΡΠ΄Π° ΡΡΠ΄Π½ΡΡ ΡΠΈΠ»ΠΈΠ½Π΄ΡΠΎΠ² Π² Π²ΠΈΠ΄Π΅ V-ΠΎΠ±ΡΠ°Π·Π½ΠΎΠΉ ΡΠΎΡΠΌΡ, ΠΊΠ°ΠΊ Π² V-6 ΠΈΠ»ΠΈ V-8. ΠΠ²ΠΈΠ³Π°ΡΠ΅Π»ΠΈ ΡΠ°ΠΊΠΆΠ΅ ΠΊΠ»Π°ΡΡΠΈΡΠΈΡΠΈΡΡΡΡΡΡ ΠΏΠΎ ΡΠ°Π·ΠΌΠ΅ΡΡ ΠΈΠ»ΠΈ ΡΠ°Π±ΠΎΡΠ΅ΠΌΡ ΠΎΠ±ΡΠ΅ΠΌΡ, ΠΊΠΎΡΠΎΡΡΠΉ ΠΏΡΠ΅Π΄ΡΡΠ°Π²Π»ΡΠ΅Ρ ΡΠΎΠ±ΠΎΠΉ ΡΠΎΠ²ΠΎΠΊΡΠΏΠ½ΡΠΉ ΠΎΠ±ΡΠ΅ΠΌ ΡΠΈΠ»ΠΈΠ½Π΄ΡΠΎΠ² Π΄Π²ΠΈΠ³Π°ΡΠ΅Π»Ρ.
Π Π°Π·Π»ΠΈΡΠ½ΡΠ΅ ΡΠΈΠΏΡ Π΄Π²ΠΈΠ³Π°ΡΠ΅Π»Π΅ΠΉ
ΠΠΎΠ½Π΅ΡΠ½ΠΎ, ΡΡΡΠ΅ΡΡΠ²ΡΡΡ ΠΈΡΠΊΠ»ΡΡΠ΅Π½ΠΈΡ ΠΈ Π½Π΅Π·Π½Π°ΡΠΈΡΠ΅Π»ΡΠ½ΡΠ΅ ΡΠ°Π·Π»ΠΈΡΠΈΡ ΡΡΠ΅Π΄ΠΈ Π΄Π²ΠΈΠ³Π°ΡΠ΅Π»Π΅ΠΉ Π²Π½ΡΡΡΠ΅Π½Π½Π΅Π³ΠΎ ΡΠ³ΠΎΡΠ°Π½ΠΈΡ, ΠΏΡΠ΅Π΄ΡΡΠ°Π²Π»Π΅Π½Π½ΡΡ
Π½Π° ΡΡΠ½ΠΊΠ΅.ΠΠ°ΠΏΡΠΈΠΌΠ΅Ρ, Π΄Π²ΠΈΠ³Π°ΡΠ΅Π»ΠΈ Ρ ΡΠΈΠΊΠ»ΠΎΠΌ ΠΡΠΊΠΈΠ½ΡΠΎΠ½Π° ΠΈΠ·ΠΌΠ΅Π½ΡΡΡ ΡΠ°Π·Ρ Π³Π°Π·ΠΎΡΠ°ΡΠΏΡΠ΅Π΄Π΅Π»Π΅Π½ΠΈΡ, ΡΡΠΎΠ±Ρ ΡΠ΄Π΅Π»Π°ΡΡ Π΄Π²ΠΈΠ³Π°ΡΠ΅Π»Ρ Π±ΠΎΠ»Π΅Π΅ ΡΡΡΠ΅ΠΊΡΠΈΠ²Π½ΡΠΌ, Π½ΠΎ ΠΌΠ΅Π½Π΅Π΅ ΠΌΠΎΡΠ½ΡΠΌ.
Π’ΡΡΠ±ΠΎΠ½Π°Π΄Π΄ΡΠ² ΠΈ Π½Π°Π΄Π΄ΡΠ², ΡΠ³ΡΡΠΏΠΏΠΈΡΠΎΠ²Π°Π½Π½ΡΠ΅ Π²ΠΌΠ΅ΡΡΠ΅ Ρ ΠΎΠΏΡΠΈΡΠΌΠΈ ΠΏΡΠΈΠ½ΡΠ΄ΠΈΡΠ΅Π»ΡΠ½ΠΎΠΉ ΠΈΠ½Π΄ΡΠΊΡΠΈΠΈ, Π½Π°Π³Π½Π΅ΡΠ°ΡΡ Π΄ΠΎΠΏΠΎΠ»Π½ΠΈΡΠ΅Π»ΡΠ½ΡΠΉ Π²ΠΎΠ·Π΄ΡΡ
Π² Π΄Π²ΠΈΠ³Π°ΡΠ΅Π»Ρ, ΡΡΠΎ ΡΠ²Π΅Π»ΠΈΡΠΈΠ²Π°Π΅Ρ Π΄ΠΎΡΡΡΠΏΠ½ΡΠΉ ΠΊΠΈΡΠ»ΠΎΡΠΎΠ΄ ΠΈ, ΡΠ»Π΅Π΄ΠΎΠ²Π°ΡΠ΅Π»ΡΠ½ΠΎ, ΠΊΠΎΠ»ΠΈΡΠ΅ΡΡΠ²ΠΎ ΡΠΎΠΏΠ»ΠΈΠ²Π°, ΠΊΠΎΡΠΎΡΠΎΠ΅ ΠΌΠΎΠΆΠ΅Ρ Π±ΡΡΡ ΡΠΎΠΆΠΆΠ΅Π½ΠΎ, ΡΡΠΎ ΠΏΡΠΈΠ²ΠΎΠ΄ΠΈΡ ΠΊ ΡΠ²Π΅Π»ΠΈΡΠ΅Π½ΠΈΡ ΠΌΠΎΡΠ½ΠΎΡΡΠΈ, ΠΊΠΎΠ³Π΄Π° Π²Ρ ΡΡΠΎΠ³ΠΎ Ρ
ΠΎΡΠΈΡΠ΅, ΠΈ Π±ΠΎΠ»ΡΡΠ΅ΠΉ ΡΡΡΠ΅ΠΊΡΠΈΠ²Π½ΠΎΡΡΠΈ, ΠΊΠΎΠ³Π΄Π° Π²Ρ Π½Π°Π΄Π΅Π²Π°Π΅ΡΠ΅ Π½Π΅ Π½ΡΠΆΠ½Π° ΡΠΈΠ»Π°. ΠΡΠ΅ ΡΡΠΎ Π΄ΠΈΠ·Π΅Π»ΡΠ½ΡΠ΅ Π΄Π²ΠΈΠ³Π°ΡΠ΅Π»ΠΈ ΠΎΠ±Ρ
ΠΎΠ΄ΡΡΡΡ Π±Π΅Π· ΡΠ²Π΅ΡΠ΅ΠΉ Π·Π°ΠΆΠΈΠ³Π°Π½ΠΈΡ. ΠΠΎ Π½Π΅Π·Π°Π²ΠΈΡΠΈΠΌΠΎ ΠΎΡ Π΄Π²ΠΈΠ³Π°ΡΠ΅Π»Ρ, Π΅ΡΠ»ΠΈ ΠΎΠ½ ΠΎΡΠ½ΠΎΡΠΈΡΡΡ ΠΊ ΡΠΈΠΏΡ Π΄Π²ΠΈΠ³Π°ΡΠ΅Π»Π΅ΠΉ Π²Π½ΡΡΡΠ΅Π½Π½Π΅Π³ΠΎ ΡΠ³ΠΎΡΠ°Π½ΠΈΡ, ΠΎΡΠ½ΠΎΠ²Ρ Π΅Π³ΠΎ ΡΠ°Π±ΠΎΡΡ ΠΎΡΡΠ°ΡΡΡΡ Π½Π΅ΠΈΠ·ΠΌΠ΅Π½Π½ΡΠΌΠΈ.Π ΡΠ΅ΠΏΠ΅ΡΡ Π²Ρ ΠΈΡ
Π·Π½Π°Π΅ΡΠ΅.
ΠΠΎΡΠ° ΠΏΡΠΎΠ²Π΅ΡΡΠΈ Π²Π΅ΡΠ΅Π½Π½ΡΡ ΡΠ±ΠΎΡΠΊΡ? ΠΠΎΠΏΡΠΎΠ±ΡΠΉΡΠ΅ ΠΏΡΠΎΠ΄ΡΠΊΡΡ Meguiar, ΠΊΠΎΡΠΎΡΡΠ΅ ΠΌΡ ΠΈΡΠΏΠΎΠ»ΡΠ·ΡΠ΅ΠΌ Π² Π½Π°ΡΠ΅ΠΌ Π°Π²ΡΠΎΠΏΠ°ΡΠΊΠ΅
Π‘ΡΠ΅Π΄ΡΡΠ²ΠΎ Π΄Π»Ρ ΠΌΡΡΡΡ ΡΡΠΊ ΠΈ Π²ΠΎΡΠΊΠ° Meguiar’s Ultimate Wash & Wax
Ultimate Quik Detailer ΠΎΡ Meguiar
ΠΠΎΠ»ΠΎΡΠ΅Π½ΡΠ΅ ΠΈΠ· ΠΌΠΈΠΊΡΠΎΡΠΈΠ±ΡΡ Meguiar’s Water Magnet
ΠΠ΅ΡΠ°Π»ΡΡΠΈΠΊ ΠΈΠ½ΡΠ΅ΡΡΠ΅ΡΠ° Meguiar’s Ultimate
ΠΡΠΎΡ ΠΊΠΎΠ½ΡΠ΅Π½Ρ ΡΠΎΠ·Π΄Π°Π΅ΡΡΡ ΠΈ ΠΏΠΎΠ΄Π΄Π΅ΡΠΆΠΈΠ²Π°Π΅ΡΡΡ ΡΡΠ΅ΡΡΠ΅ΠΉ ΡΡΠΎΡΠΎΠ½ΠΎΠΉ ΠΈ ΠΈΠΌΠΏΠΎΡΡΠΈΡΡΠ΅ΡΡΡ Π½Π° ΡΡΡ ΡΡΡΠ°Π½ΠΈΡΡ, ΡΡΠΎΠ±Ρ ΠΏΠΎΠΌΠΎΡΡ ΠΏΠΎΠ»ΡΠ·ΠΎΠ²Π°ΡΠ΅Π»ΡΠΌ ΡΠΊΠ°Π·Π°ΡΡ ΡΠ²ΠΎΠΈ Π°Π΄ΡΠ΅ΡΠ° ΡΠ»Π΅ΠΊΡΡΠΎΠ½Π½ΠΎΠΉ ΠΏΠΎΡΡΡ.
ΠΡ ΠΌΠΎΠΆΠ΅ΡΠ΅ Π½Π°ΠΉΡΠΈ Π±ΠΎΠ»ΡΡΠ΅ ΠΈΠ½ΡΠΎΡΠΌΠ°ΡΠΈΠΈ ΠΎΠ± ΡΡΠΎΠΌ ΠΈ ΠΏΠΎΠ΄ΠΎΠ±Π½ΠΎΠΌ ΠΊΠΎΠ½ΡΠ΅Π½ΡΠ΅ Π½Π° ΡΠ°ΠΉΡΠ΅ piano.io.
ΠΠ°ΠΊ ΡΠ°Π±ΠΎΡΠ°Π΅Ρ Π°Π²ΡΠΎΠΌΠΎΠ±ΠΈΠ»ΡΠ½ΡΠΉ Π΄Π²ΠΈΠ³Π°ΡΠ΅Π»Ρ
Π― Π½ΠΈΠΊΠΎΠ³Π΄Π° Π½Π΅ Π±ΡΠ» Π°Π²ΡΠΎΠ»ΡΠ±ΠΈΡΠ΅Π»Π΅ΠΌ. ΠΠ½Π΅ ΠΏΡΠΎΡΡΠΎ Π½Π΅ Π±ΡΠ»ΠΎ Π½ΠΈΠΊΠ°ΠΊΠΎΠ³ΠΎ ΠΈΠ½ΡΠ΅ΡΠ΅ΡΠ° ΠΊΠΎΠΏΠ°ΡΡΡΡ ΠΏΠΎΠ΄ ΠΊΠ°ΠΏΠΎΡΠΎΠΌ, ΡΡΠΎΠ±Ρ ΠΏΠΎΠ½ΡΡΡ, ΠΊΠ°ΠΊ ΡΠ°Π±ΠΎΡΠ°Π΅Ρ ΠΌΠΎΡ ΠΌΠ°ΡΠΈΠ½Π°. ΠΠ° ΠΈΡΠΊΠ»ΡΡΠ΅Π½ΠΈΠ΅ΠΌ Π·Π°ΠΌΠ΅Π½Ρ Π²ΠΎΠ·Π΄ΡΡΠ½ΡΡ ΡΠΈΠ»ΡΡΡΠΎΠ² ΠΈΠ»ΠΈ Π·Π°ΠΌΠ΅Π½Ρ ΠΌΠ°ΡΠ»Π° Π²ΡΠ΅ΠΌΡ ΠΎΡ Π²ΡΠ΅ΠΌΠ΅Π½ΠΈ, Π΅ΡΠ»ΠΈ Ρ ΠΌΠ΅Π½Ρ ΠΊΠΎΠ³Π΄Π°-Π»ΠΈΠ±ΠΎ Π²ΠΎΠ·Π½ΠΈΠΊΠ°Π»Π° ΠΏΡΠΎΠ±Π»Π΅ΠΌΠ° Ρ ΠΌΠΎΠ΅ΠΉ ΠΌΠ°ΡΠΈΠ½ΠΎΠΉ, Ρ ΠΏΡΠΎΡΡΠΎ ΠΎΡΠ½Π΅Ρ Π΅Π΅ ΠΊ ΠΌΠ΅Ρ Π°Π½ΠΈΠΊΡ, ΠΈ ΠΊΠΎΠ³Π΄Π° ΠΎΠ½ Π²ΡΡΠ΅Π», ΡΡΠΎΠ±Ρ ΠΎΠ±ΡΡΡΠ½ΠΈΡΡ, ΡΡΠΎ Π½Π΅ ΡΠ°ΠΊ, Ρ Π²Π΅ΠΆΠ»ΠΈΠ²ΠΎ ΠΊΠΈΠ²Π½ΡΠ» ΠΈ ΠΏΡΠΈΡΠ²ΠΎΡΠΈΠ»ΡΡ. ΠΊΠ°ΠΊ Π±ΡΠ΄ΡΠΎ Ρ Π·Π½Π°Π», ΠΎ ΡΠ΅ΠΌ ΠΎΠ½ Π³ΠΎΠ²ΠΎΡΠΈΠ».
ΠΠΎ Π² ΠΏΠΎΡΠ»Π΅Π΄Π½Π΅Π΅ Π²ΡΠ΅ΠΌΡ ΠΌΠ½Π΅ Π½Π΅ ΡΠ΅ΡΠΏΠ΅Π»ΠΎΡΡ ΠΈΠ·ΡΡΠΈΡΡ ΠΎΡΠ½ΠΎΠ²Ρ ΡΠ°Π±ΠΎΡΡ Π°Π²ΡΠΎΠΌΠΎΠ±ΠΈΠ»Π΅ΠΉ. Π― Π½Π΅ ΠΏΠ»Π°Π½ΠΈΡΡΡ ΡΡΠ°Π½ΠΎΠ²ΠΈΡΡΡΡ Π·Π°ΡΠ΄Π»ΡΠΌ ΠΎΠ±Π΅Π·ΡΡΠ½ΠΎΠΉ, Π½ΠΎ Ρ Ρ
ΠΎΡΡ ΠΈΠΌΠ΅ΡΡ Π±Π°Π·ΠΎΠ²ΠΎΠ΅ ΠΏΡΠ΅Π΄ΡΡΠ°Π²Π»Π΅Π½ΠΈΠ΅ ΠΎ ΡΠΎΠΌ, ΠΊΠ°ΠΊ Π²ΡΠ΅ Π² ΠΌΠΎΠ΅ΠΉ ΠΌΠ°ΡΠΈΠ½Π΅ Π΄Π΅ΠΉΡΡΠ²ΠΈΡΠ΅Π»ΡΠ½ΠΎ ΡΠ°Π±ΠΎΡΠ°Π΅Ρ. ΠΠ°ΠΊ ΠΌΠΈΠ½ΠΈΠΌΡΠΌ, ΡΡΠΈ Π·Π½Π°Π½ΠΈΡ ΠΏΠΎΠ·Π²ΠΎΠ»ΡΡ ΠΌΠ½Π΅ ΠΏΠΎΠ½ΡΡΡ, ΠΎ ΡΠ΅ΠΌ ΠΌΠ΅Ρ
Π°Π½ΠΈΠΊ Π³ΠΎΠ²ΠΎΡΠΈΡ Π² ΡΠ»Π΅Π΄ΡΡΡΠΈΠΉ ΡΠ°Π·, ΠΊΠΎΠ³Π΄Π° Ρ ΡΡΠ΄Ρ Π² ΠΌΠ°ΡΠΈΠ½Ρ. ΠΡΠΎΠΌΠ΅ ΡΠΎΠ³ΠΎ, ΠΌΠ½Π΅ ΠΊΠ°ΠΆΠ΅ΡΡΡ, ΡΡΠΎ ΠΌΡΠΆΡΠΈΠ½Π° Π΄ΠΎΠ»ΠΆΠ΅Π½ ΡΠΌΠ΅ΡΡ ΠΏΠΎΠ½ΠΈΠΌΠ°ΡΡ ΠΎΡΠ½ΠΎΠ²Ρ ΡΠ΅Ρ
Π½ΠΎΠ»ΠΎΠ³ΠΈΠΈ, ΠΊΠΎΡΠΎΡΡΡ ΠΎΠ½ ΠΈΡΠΏΠΎΠ»ΡΠ·ΡΠ΅Ρ. Π΅ΠΆΠ΅Π΄Π½Π΅Π²Π½ΠΎ. Π§ΡΠΎ ΠΊΠ°ΡΠ°Π΅ΡΡΡ ΡΡΠΎΠ³ΠΎ Π²Π΅Π±-ΡΠ°ΠΉΡΠ°, Ρ Π·Π½Π°Ρ, ΠΊΠ°ΠΊ ΡΠ°Π±ΠΎΡΠ°ΡΡ ΠΊΠΎΠ΄ΠΈΡΠΎΠ²Π°Π½ΠΈΠ΅ ΠΈ SEO; ΠΏΠΎΡΠ° ΠΌΠ½Π΅ ΠΈΠ·ΡΡΠΈΡΡ Π±ΠΎΠ»Π΅Π΅ ΠΊΠΎΠ½ΠΊΡΠ΅ΡΠ½ΡΠ΅ Π²Π΅ΡΠΈ Π² ΠΌΠΎΠ΅ΠΌ ΠΌΠΈΡΠ΅, Π½Π°ΠΏΡΠΈΠΌΠ΅Ρ, ΡΡΠΎ Π½Π°Ρ
ΠΎΠ΄ΠΈΡΡΡ ΠΏΠΎΠ΄ ΠΊΠ°ΠΏΠΎΡΠΎΠΌ ΠΌΠΎΠ΅ΠΉ ΠΌΠ°ΡΠΈΠ½Ρ.
Π― ΠΏΠΎΠ»Π°Π³Π°Ρ, ΡΡΠΎ Π΅ΡΡΡ ΠΈ Π΄ΡΡΠ³ΠΈΠ΅ Π²Π·ΡΠΎΡΠ»ΡΠ΅ ΠΌΡΠΆΡΠΈΠ½Ρ, ΠΏΠΎΡ ΠΎΠΆΠΈΠ΅ Π½Π° ΠΌΠ΅Π½Ρ — Π»ΡΠ΄ΠΈ, ΠΊΠΎΡΠΎΡΡΠ΅ Π½Π΅ Π·Π°Π½ΠΈΠΌΠ°ΡΡΡΡ ΠΌΠ°ΡΠΈΠ½Π°ΠΌΠΈ, Π½ΠΎ ΠΈΠΌ Π½Π΅ΠΌΠ½ΠΎΠ³ΠΎ ΠΈΠ½ΡΠ΅ΡΠ΅ΡΠ½ΠΎ, ΠΊΠ°ΠΊ ΡΠ°Π±ΠΎΡΠ°ΡΡ ΠΈΡ ΠΌΠ°ΡΠΈΠ½Ρ. Π’Π°ΠΊ ΡΡΠΎ Ρ ΠΏΠ»Π°Π½ΠΈΡΡΡ ΠΏΠΎΠ΄Π΅Π»ΠΈΡΡΡΡ ΡΠ΅ΠΌ, ΡΡΠΎ Ρ ΡΠ·Π½Π°Π» Π² Ρ ΠΎΠ΄Π΅ ΡΠΎΠ±ΡΡΠ²Π΅Π½Π½ΠΎΠ³ΠΎ ΠΈΡΡΠ»Π΅Π΄ΠΎΠ²Π°Π½ΠΈΡ, ΠΈ Π²ΡΠ΅ΠΌΡ ΠΎΡ Π²ΡΠ΅ΠΌΠ΅Π½ΠΈ Π²ΠΎΠ·ΡΠΌΡΡΡ Π·Π° ΡΠ΅ΡΠΈΡ ΡΡΠ°ΡΠ΅ΠΉ, ΠΊΠΎΡΠΎΡΡΠ΅ ΠΌΡ Π½Π°Π·ΠΎΠ²Π΅ΠΌ Gearhead 101. Π¦Π΅Π»Ρ ΡΠΎΡΡΠΎΠΈΡ Π² ΡΠΎΠΌ, ΡΡΠΎΠ±Ρ ΠΎΠ±ΡΡΡΠ½ΠΈΡΡ ΡΠ°ΠΌΡΠ΅ ΠΎΡΠ½ΠΎΠ²Ρ ΡΠΎΠ³ΠΎ, ΠΊΠ°ΠΊ ΡΠ°Π±ΠΎΡΠ°ΡΡ ΡΠ°Π·Π»ΠΈΡΠ½ΡΠ΅ ΡΠ°ΡΡΠΈ Π² Π°Π²ΡΠΎΠΌΠΎΠ±ΠΈΠ»Π΅, ΠΈ ΠΏΡΠ΅Π΄ΠΎΡΡΠ°Π²ΠΈΡΡ ΡΠ΅ΡΡΡΡΡ ΠΎ ΡΠΎΠΌ, Π³Π΄Π΅ Π²Ρ ΠΌΠΎΠΆΠ΅ΡΠ΅ ΡΠ·Π½Π°ΠΉΡΠ΅ Π±ΠΎΠ»ΡΡΠ΅ ΡΠ°ΠΌΠΎΡΡΠΎΡΡΠ΅Π»ΡΠ½ΠΎ.
ΠΡΠ°ΠΊ, Π±Π΅Π· Π»ΠΈΡΠ½ΠΈΡ ΡΠ»ΠΎΠ², ΠΌΡ Π½Π°ΡΠ½Π΅ΠΌ Π½Π°Ρ ΠΏΠ΅ΡΠ²ΡΠΉ ΡΡΠΎΠΊ Gearhead 101 Ρ ΠΎΠ±ΡΡΡΠ½Π΅Π½ΠΈΡ Π²ΡΠ΅Ρ ΡΠΎΠ½ΠΊΠΎΡΡΠ΅ΠΉ ΡΠ΅ΡΠ΄ΡΠ° Π°Π²ΡΠΎΠΌΠΎΠ±ΠΈΠ»Ρ: Π΄Π²ΠΈΠ³Π°ΡΠ΅Π»Ρ Π²Π½ΡΡΡΠ΅Π½Π½Π΅Π³ΠΎ ΡΠ³ΠΎΡΠ°Π½ΠΈΡ.
ΠΠ²ΠΈΠ³Π°ΡΠ΅Π»Ρ Π²Π½ΡΡΡΠ΅Π½Π½Π΅Π³ΠΎ ΡΠ³ΠΎΡΠ°Π½ΠΈΡ
ΠΠ²ΠΈΠ³Π°ΡΠ΅Π»Ρ Π²Π½ΡΡΡΠ΅Π½Π½Π΅Π³ΠΎ ΡΠ³ΠΎΡΠ°Π½ΠΈΡ Π½Π°Π·ΡΠ²Π°Π΅ΡΡΡ Β«Π΄Π²ΠΈΠ³Π°ΡΠ΅Π»Π΅ΠΌ Π²Π½ΡΡΡΠ΅Π½Π½Π΅Π³ΠΎ ΡΠ³ΠΎΡΠ°Π½ΠΈΡΒ», ΠΏΠΎΡΠΎΠΌΡ ΡΡΠΎ ΡΠΎΠΏΠ»ΠΈΠ²ΠΎ ΠΈ Π²ΠΎΠ·Π΄ΡΡ ΡΠ³ΠΎΡΠ°ΡΡ Π²Π½ΡΡΡΠΈ Π΄Π²ΠΈΠ³Π°ΡΠ΅Π»Ρ , ΡΠΎΠ·Π΄Π°Π²Π°Ρ ΡΠ½Π΅ΡΠ³ΠΈΡ Π΄Π»Ρ Π΄Π²ΠΈΠΆΠ΅Π½ΠΈΡ ΠΏΠΎΡΡΠ½Π΅ΠΉ, ΠΊΠΎΡΠΎΡΡΠ΅, Π² ΡΠ²ΠΎΡ ΠΎΡΠ΅ΡΠ΅Π΄Ρ, ΠΏΡΠΈΠ²ΠΎΠ΄ΡΡ Π² Π΄Π²ΠΈΠΆΠ΅Π½ΠΈΠ΅ Π°Π²ΡΠΎΠΌΠΎΠ±ΠΈΠ»Ρ (ΠΌΡ ΠΏΠΎΠ΄ΡΠΎΠ±Π½ΠΎ ΠΏΠΎΠΊΠ°ΠΆΠ΅ΠΌ Π²Π°ΠΌ, ΠΊΠ°ΠΊ ΡΡΠΎ ΠΏΡΠΎΠΈΡΡ ΠΎΠ΄ΠΈΡ Π½ΠΈΠΆΠ΅. ).
Π‘ΡΠ°Π²Π½ΠΈΡΠ΅ ΡΡΠΎ Ρ Π΄Π²ΠΈΠ³Π°ΡΠ΅Π»Π΅ΠΌ Π²Π½Π΅ΡΠ½Π΅Π³ΠΎ ΡΠ³ΠΎΡΠ°Π½ΠΈΡ, Π³Π΄Π΅ ΡΠΎΠΏΠ»ΠΈΠ²ΠΎ ΡΠΆΠΈΠ³Π°Π΅ΡΡΡ Π·Π° ΠΏΡΠ΅Π΄Π΅Π»Π°ΠΌΠΈ Π΄Π²ΠΈΠ³Π°ΡΠ΅Π»Ρ, ΠΈ ΡΠ½Π΅ΡΠ³ΠΈΡ, ΡΠΎΠ·Π΄Π°Π²Π°Π΅ΠΌΠ°Ρ ΠΏΡΠΈ ΡΡΠΎΠΌ ΡΠ³ΠΎΡΠ°Π½ΠΈΠΈ, ΡΠ²Π»ΡΠ΅ΡΡΡ Π΅Π³ΠΎ Π΄Π²ΠΈΠΆΡΡΠ΅ΠΉ ΡΠΈΠ»ΠΎΠΉ.
ΠΠ°ΡΠΎΠ²ΡΠ΅ Π΄Π²ΠΈΠ³Π°ΡΠ΅Π»ΠΈ — Π»ΡΡΡΠΈΠΉ ΡΠΎΠΌΡ ΠΏΡΠΈΠΌΠ΅Ρ.Π£Π³ΠΎΠ»Ρ ΡΠΆΠΈΠ³Π°Π΅ΡΡΡ Π·Π° ΠΏΡΠ΅Π΄Π΅Π»Π°ΠΌΠΈ Π΄Π²ΠΈΠ³Π°ΡΠ΅Π»Ρ, ΠΊΠΎΡΠΎΡΡΠΉ Π½Π°Π³ΡΠ΅Π²Π°Π΅Ρ Π²ΠΎΠ΄Ρ Π΄Π»Ρ ΠΏΡΠΎΠΈΠ·Π²ΠΎΠ΄ΡΡΠ²Π° ΠΏΠ°ΡΠ°, ΠΊΠΎΡΠΎΡΡΠΉ Π·Π°ΡΠ΅ΠΌ ΠΏΡΠΈΠ²ΠΎΠ΄ΠΈΡ Π² Π΄Π΅ΠΉΡΡΠ²ΠΈΠ΅ Π΄Π²ΠΈΠ³Π°ΡΠ΅Π»Ρ.
ΠΠΎΠ»ΡΡΠΈΠ½ΡΡΠ²ΠΎ Π»ΡΠ΄Π΅ΠΉ Π΄ΡΠΌΠ°Π΅Ρ, ΡΡΠΎ Π² ΠΌΠΈΡΠ΅ ΠΌΠ΅Ρ Π°Π½ΠΈΠ·ΠΈΡΠΎΠ²Π°Π½Π½ΠΎΠ³ΠΎ Π΄Π²ΠΈΠΆΠ΅Π½ΠΈΡ ΠΏΠ°ΡΠΎΠ²ΡΠ΅ Π΄Π²ΠΈΠ³Π°ΡΠ΅Π»ΠΈ Π²Π½Π΅ΡΠ½Π΅Π³ΠΎ ΡΠ³ΠΎΡΠ°Π½ΠΈΡ ΠΏΡΠΈΡΠ»ΠΈ ΡΠ°Π½ΡΡΠ΅, ΡΠ΅ΠΌ Π΄Π²ΠΈΠ³Π°ΡΠ΅Π»ΠΈ Π²Π½ΡΡΡΠ΅Π½Π½Π΅Π³ΠΎ ΡΠ³ΠΎΡΠ°Π½ΠΈΡ. Π Π΅Π°Π»ΡΠ½ΠΎΡΡΡ ΡΠ°ΠΊΠΎΠ²Π°, ΡΡΠΎ Π΄Π²ΠΈΠ³Π°ΡΠ΅Π»Ρ Π²Π½ΡΡΡΠ΅Π½Π½Π΅Π³ΠΎ ΡΠ³ΠΎΡΠ°Π½ΠΈΡ Π±ΡΠ» ΠΏΠ΅ΡΠ²ΡΠΌ. (ΠΠ°, Π΄ΡΠ΅Π²Π½ΠΈΠ΅ Π³ΡΠ΅ΠΊΠΈ Π²ΠΎΠ·ΠΈΠ»ΠΈΡΡ Ρ ΠΏΠ°ΡΠΎΠ²ΡΠΌΠΈ Π΄Π²ΠΈΠ³Π°ΡΠ΅Π»ΡΠΌΠΈ, Π½ΠΎ ΠΈΠ· ΠΈΡ ΡΠΊΡΠΏΠ΅ΡΠΈΠΌΠ΅Π½ΡΠΎΠ² Π½ΠΈΡΠ΅Π³ΠΎ ΠΏΡΠ°ΠΊΡΠΈΡΠ΅ΡΠΊΠΎΠ³ΠΎ Π½Π΅ Π²ΡΡΠ»ΠΎ.)
Π 16 -ΠΌ Π³ΠΎΠ΄Π°Ρ
ΠΈΠ·ΠΎΠ±ΡΠ΅ΡΠ°ΡΠ΅Π»ΠΈ ΡΠΎΠ·Π΄Π°Π»ΠΈ Π΄Π²ΠΈΠ³Π°ΡΠ΅Π»Ρ Π²Π½ΡΡΡΠ΅Π½Π½Π΅Π³ΠΎ ΡΠ³ΠΎΡΠ°Π½ΠΈΡ, ΠΈΡΠΏΠΎΠ»ΡΠ·ΡΡ ΠΏΠΎΡΠΎΡ
Π² ΠΊΠ°ΡΠ΅ΡΡΠ²Π΅ ΡΠΎΠΏΠ»ΠΈΠ²Π° Π΄Π»Ρ Π΄Π²ΠΈΠΆΠ΅Π½ΠΈΡ ΠΏΠΎΡΡΠ½Π΅ΠΉ.ΠΠ° ΡΠ°ΠΌΠΎΠΌ Π΄Π΅Π»Π΅, ΠΈΡ
Π΄Π²ΠΈΠ³Π°Π» Π½Π΅ ΠΏΠΎΡΠΎΡ
. ΠΡΠΈΠ½ΡΠΈΠΏ ΡΠ°Π±ΠΎΡΡ ΡΡΠΎΠ³ΠΎ ΡΠ°Π½Π½Π΅Π³ΠΎ Π΄Π²ΠΈΠ³Π°ΡΠ΅Π»Ρ Π²Π½ΡΡΡΠ΅Π½Π½Π΅Π³ΠΎ ΡΠ³ΠΎΡΠ°Π½ΠΈΡ Π·Π°ΠΊΠ»ΡΡΠ°Π»ΡΡ Π² ΡΠΎΠΌ, ΡΡΠΎ Π²Ρ Π²ΡΡΠ°Π²Π»ΡΠ΅ΡΠ΅ ΠΏΠΎΡΡΠ΅Π½Ρ ΠΏΠΎΠ»Π½ΠΎΡΡΡΡ Π² Π²Π΅ΡΡ
Π½ΡΡ ΡΠ°ΡΡΡ ΡΠΈΠ»ΠΈΠ½Π΄ΡΠ°, Π° Π·Π°ΡΠ΅ΠΌ Π·Π°ΠΆΠΈΠ³Π°Π΅ΡΠ΅ ΠΏΠΎΡΠΎΡ
ΠΏΠΎΠ΄ ΠΏΠΎΡΡΠ½Π΅ΠΌ. ΠΠΎΡΠ»Π΅ Π²Π·ΡΡΠ²Π° ΠΎΠ±ΡΠ°Π·ΠΎΠ²Π°Π»ΡΡ Π²Π°ΠΊΡΡΠΌ, ΠΊΠΎΡΠΎΡΡΠΉ Π·Π°ΡΠΎΡΠ°Π» ΠΏΠΎΡΡΠ΅Π½Ρ Π² ΡΠΈΠ»ΠΈΠ½Π΄Ρ. ΠΠΎΡΠΊΠΎΠ»ΡΠΊΡ ΡΡΠΎΡ Π΄Π²ΠΈΠ³Π°ΡΠ΅Π»Ρ ΠΏΠΎΠ»Π°Π³Π°Π»ΡΡ Π½Π° ΠΈΠ·ΠΌΠ΅Π½Π΅Π½ΠΈΡ Π΄Π°Π²Π»Π΅Π½ΠΈΡ Π²ΠΎΠ·Π΄ΡΡ
Π° Π΄Π»Ρ ΠΏΠ΅ΡΠ΅ΠΌΠ΅ΡΠ΅Π½ΠΈΡ ΠΏΠΎΡΡΠ½Ρ, ΠΎΠ½ΠΈ Π½Π°Π·Π²Π°Π»ΠΈ Π΅Π³ΠΎ Π°ΡΠΌΠΎΡΡΠ΅ΡΠ½ΡΠΌ Π΄Π²ΠΈΠ³Π°ΡΠ΅Π»Π΅ΠΌ.
ΠΡΠΎ Π±ΡΠ»ΠΎ Π½Π΅ ΠΎΡΠ΅Π½Ρ ΡΡΡΠ΅ΠΊΡΠΈΠ²Π½ΠΎ. Π 17 — Π³ΠΎΠ΄Π°ΠΌ ΠΏΠ°ΡΠΎΠ²ΡΠ΅ Π΄Π²ΠΈΠ³Π°ΡΠ΅Π»ΠΈ Π±ΡΠ»ΠΈ ΠΌΠ½ΠΎΠ³ΠΎΠΎΠ±Π΅ΡΠ°ΡΡΠΈΠΌΠΈ, ΠΏΠΎΡΡΠΎΠΌΡ ΠΎΡ Π΄Π²ΠΈΠ³Π°ΡΠ΅Π»Ρ Π²Π½ΡΡΡΠ΅Π½Π½Π΅Π³ΠΎ ΡΠ³ΠΎΡΠ°Π½ΠΈΡ ΠΎΡΠΊΠ°Π·Π°Π»ΠΈΡΡ.
Π’ΠΎΠ»ΡΠΊΠΎ Π² 1860 Π³ΠΎΠ΄Ρ Π±ΡΠ» ΠΈΠ·ΠΎΠ±ΡΠ΅ΡΠ΅Π½ Π½Π°Π΄Π΅ΠΆΠ½ΡΠΉ, ΡΠ°Π±ΠΎΡΠ°ΡΡΠΈΠΉ Π΄Π²ΠΈΠ³Π°ΡΠ΅Π»Ρ Π²Π½ΡΡΡΠ΅Π½Π½Π΅Π³ΠΎ ΡΠ³ΠΎΡΠ°Π½ΠΈΡ. ΠΠ΅Π»ΡΠ³ΠΈΠΉΡΠΊΠΈΠΉ ΠΏΠ°ΡΠ΅Π½Ρ ΠΏΠΎ ΠΈΠΌΠ΅Π½ΠΈ ΠΠ°Π½ ΠΠΎΠ·Π΅Ρ ΠΡΡΠ΅Π½ ΠΠ΅Π½ΡΠ°Ρ Π·Π°ΠΏΠ°ΡΠ΅Π½ΡΠΎΠ²Π°Π» Π΄Π²ΠΈΠ³Π°ΡΠ΅Π»Ρ, ΠΊΠΎΡΠΎΡΡΠΉ Π²ΠΏΡΡΡΠΊΠΈΠ²Π°Π» ΠΏΡΠΈΡΠΎΠ΄Π½ΡΠΉ Π³Π°Π· Π² ΡΠΈΠ»ΠΈΠ½Π΄Ρ, ΠΊΠΎΡΠΎΡΡΠΉ Π²ΠΏΠΎΡΠ»Π΅Π΄ΡΡΠ²ΠΈΠΈ Π²ΠΎΡΠΏΠ»Π°ΠΌΠ΅Π½ΡΠ»ΡΡ ΠΏΠΎΡΡΠΎΡΠ½Π½ΡΠΌ ΠΏΠ»Π°ΠΌΠ΅Π½Π΅ΠΌ ΡΡΠ΄ΠΎΠΌ Ρ ΡΠΈΠ»ΠΈΠ½Π΄ΡΠΎΠΌ. ΠΠ½ ΡΠ°Π±ΠΎΡΠ°Π» Π°Π½Π°Π»ΠΎΠ³ΠΈΡΠ½ΠΎ ΠΏΠΎΡΠΎΡ ΠΎΠ²ΠΎΠΌΡ Π°ΡΠΌΠΎΡΡΠ΅ΡΠ½ΠΎΠΌΡ Π΄Π²ΠΈΠ³Π°ΡΠ΅Π»Ρ, Π½ΠΎ Π½Π΅ ΡΠ»ΠΈΡΠΊΠΎΠΌ ΡΡΡΠ΅ΠΊΡΠΈΠ²Π½ΠΎ.
ΠΡΠ½ΠΎΠ²ΡΠ²Π°ΡΡΡ Π½Π° ΡΡΠΎΠΉ ΡΠ°Π±ΠΎΡΠ΅, Π² 1864 Π³ΠΎΠ΄Ρ Π΄Π²Π° Π½Π΅ΠΌΠ΅ΡΠΊΠΈΡ ΠΈΠ½ΠΆΠ΅Π½Π΅ΡΠ° ΠΏΠΎ ΠΈΠΌΠ΅Π½ΠΈ ΠΠΈΠΊΠΎΠ»Π°ΡΡ ΠΠ²Π³ΡΡΡ ΠΡΡΠΎ ΠΈ ΠΠΉΠ³Π΅Π½ ΠΠ°Π½Π³Π΅Π½ ΠΎΡΠ½ΠΎΠ²Π°Π»ΠΈ ΠΊΠΎΠΌΠΏΠ°Π½ΠΈΡ, ΠΊΠΎΡΠΎΡΠ°Ρ ΠΏΡΠΎΠΈΠ·Π²ΠΎΠ΄ΠΈΠ»Π° Π΄Π²ΠΈΠ³Π°ΡΠ΅Π»ΠΈ, Π°Π½Π°Π»ΠΎΠ³ΠΈΡΠ½ΡΠ΅ ΠΌΠΎΠ΄Π΅Π»ΠΈ ΠΠ΅Π½ΡΠ°ΡΠ°.ΠΡΡΠΎ ΠΎΡΠΊΠ°Π·Π°Π»ΡΡ ΠΎΡ ΡΠΏΡΠ°Π²Π»Π΅Π½ΠΈΡ ΠΊΠΎΠΌΠΏΠ°Π½ΠΈΠ΅ΠΉ ΠΈ Π½Π°ΡΠ°Π» ΡΠ°Π±ΠΎΡΠ°ΡΡ Π½Π°Π΄ ΠΊΠΎΠ½ΡΡΡΡΠΊΡΠΈΠ΅ΠΉ Π΄Π²ΠΈΠ³Π°ΡΠ΅Π»Ρ, Π½Π°Π΄ ΠΊΠΎΡΠΎΡΠΎΠΉ ΠΎΠ½ ΠΈΠ³ΡΠ°Π» Ρ 1861 Π³ΠΎΠ΄Π°. ΠΠ³ΠΎ ΠΊΠΎΠ½ΡΡΡΡΠΊΡΠΈΡ ΠΏΡΠΈΠ²Π΅Π»Π° ΠΊ ΡΠΎΠΌΡ, ΡΡΠΎ ΠΌΡ ΡΠ΅ΠΏΠ΅ΡΡ Π·Π½Π°Π΅ΠΌ ΠΊΠ°ΠΊ ΡΠ΅ΡΡΡΠ΅Ρ ΡΠ°ΠΊΡΠ½ΡΠΉ Π΄Π²ΠΈΠ³Π°ΡΠ΅Π»Ρ, ΠΈ Π±Π°Π·ΠΎΠ²Π°Ρ ΠΊΠΎΠ½ΡΡΡΡΠΊΡΠΈΡ Π΄Π²ΠΈΠ³Π°ΡΠ΅Π»Ρ Π΄ΠΎ ΡΠΈΡ ΠΏΠΎΡ ΠΈΡΠΏΠΎΠ»ΡΠ·ΡΠ΅ΡΡΡ Π² Π°Π²ΡΠΎΠΌΠΎΠ±ΠΈΠ»ΡΡ .
ΠΠ½Π°ΡΠΎΠΌΠΈΡ Π°Π²ΡΠΎΠΌΠΎΠ±ΠΈΠ»ΡΠ½ΠΎΠ³ΠΎ Π΄Π²ΠΈΠ³Π°ΡΠ΅Π»Ρ
ΠΠ²ΠΈΠ³Π°ΡΠ΅Π»Ρ V-6
Π― ΠΏΠΎΠΊΠ°ΠΆΡ Π²Π°ΠΌ, ΠΊΠ°ΠΊ Π·Π΄Π΅ΡΡ ΡΠ°Π±ΠΎΡΠ°Π΅Ρ ΡΠ΅ΡΡΡΠ΅Ρ
ΡΠ°ΠΊΡΠ½ΡΠΉ Π΄Π²ΠΈΠ³Π°ΡΠ΅Π»Ρ, Π½ΠΎ ΠΏΡΠ΅ΠΆΠ΄Π΅ ΡΠ΅ΠΌ Ρ ΡΡΠΎ ΡΠ΄Π΅Π»Π°Ρ, Ρ ΠΏΠΎΠ΄ΡΠΌΠ°Π», ΡΡΠΎ Π±ΡΠ»ΠΎ Π±Ρ ΠΏΠΎΠ»Π΅Π·Π½ΠΎ ΠΏΡΠΎΠΉΡΠΈΡΡ ΠΏΠΎ ΡΠ°Π·Π»ΠΈΡΠ½ΡΠΌ ΡΠ°ΡΡΡΠΌ Π΄Π²ΠΈΠ³Π°ΡΠ΅Π»Ρ, ΡΡΠΎΠ±Ρ Π²Ρ ΠΈΠΌΠ΅Π»ΠΈ ΠΏΡΠ΅Π΄ΡΡΠ°Π²Π»Π΅Π½ΠΈΠ΅ ΠΎ ΡΠΎΠΌ, ΡΡΠΎ Π΄Π΅Π»Π°Π΅Ρ, ΡΡΠΎ Π² ΡΠ΅ΡΡΡΠ΅Ρ
ΡΠ°ΠΊΡΠ½ΡΠΉ ΠΏΡΠΎΡΠ΅ΡΡ.
Π ΡΡΠΈΡ
ΠΎΠ±ΡΡΡΠ½Π΅Π½ΠΈΡΡ
ΠΈΡΠΏΠΎΠ»ΡΠ·ΡΠ΅ΡΡΡ ΡΠ΅ΡΠΌΠΈΠ½ΠΎΠ»ΠΎΠ³ΠΈΡ, ΠΎΡΠ½ΠΎΠ²Π°Π½Π½Π°Ρ Π½Π° Π΄ΡΡΠ³ΠΈΡ
ΡΠ΅ΡΠΌΠΈΠ½Π°Ρ
ΠΈΠ· ΡΠΏΠΈΡΠΊΠ°, ΠΏΠΎΡΡΠΎΠΌΡ Π½Π΅ Π±Π΅ΡΠΏΠΎΠΊΠΎΠΉΡΠ΅ΡΡ, Π΅ΡΠ»ΠΈ Π²Ρ ΡΠ½Π°ΡΠ°Π»Π° Π·Π°ΠΏΡΡΠ°Π΅ΡΠ΅ΡΡ. ΠΡΠΎΡΡΠΈΡΠ΅ Π²ΡΠ΅, ΡΡΠΎΠ±Ρ ΠΏΠΎΠ»ΡΡΠΈΡΡ ΠΎΠ±ΡΠ΅Π΅ ΠΏΡΠ΅Π΄ΡΡΠ°Π²Π»Π΅Π½ΠΈΠ΅, Π° Π·Π°ΡΠ΅ΠΌ ΠΏΡΠΎΡΡΠΈΡΠ΅ Π΅ΡΠ΅ ΡΠ°Π·, ΡΡΠΎΠ±Ρ ΠΈΠΌΠ΅ΡΡ ΠΎΠ±ΡΠ΅Π΅ ΠΏΡΠ΅Π΄ΡΡΠ°Π²Π»Π΅Π½ΠΈΠ΅ ΠΎ ΠΊΠ°ΠΆΠ΄ΠΎΠΉ ΡΠ°ΡΡΠΈ, ΠΎ ΠΊΠΎΡΠΎΡΠΎΠΉ ΠΈΠ΄Π΅Ρ ΡΠ΅ΡΡ.
ΠΠ»ΠΎΠΊ ΡΠΈΠ»ΠΈΠ½Π΄ΡΠΎΠ² (Π±Π»ΠΎΠΊ ΡΠΈΠ»ΠΈΠ½Π΄ΡΠΎΠ²)
ΠΠ»ΠΎΠΊ ΡΠΈΠ»ΠΈΠ½Π΄ΡΠΎΠ² — ΡΡΠΎ ΠΎΡΠ½ΠΎΠ²Π° Π΄Π²ΠΈΠ³Π°ΡΠ΅Π»Ρ. ΠΠΎΠ»ΡΡΠΈΠ½ΡΡΠ²ΠΎ Π±Π»ΠΎΠΊΠΎΠ² ΡΠΈΠ»ΠΈΠ½Π΄ΡΠΎΠ² ΠΎΡΠ»ΠΈΡΡ ΠΈΠ· Π°Π»ΡΠΌΠΈΠ½ΠΈΠ΅Π²ΠΎΠ³ΠΎ ΡΠΏΠ»Π°Π²Π°, Π½ΠΎ Π½Π΅ΠΊΠΎΡΠΎΡΡΠ΅ ΠΏΡΠΎΠΈΠ·Π²ΠΎΠ΄ΠΈΡΠ΅Π»ΠΈ ΠΏΠΎ-ΠΏΡΠ΅ΠΆΠ½Π΅ΠΌΡ ΠΈΡΠΏΠΎΠ»ΡΠ·ΡΡΡ ΠΆΠ΅Π»Π΅Π·ΠΎ.ΠΠ»ΠΎΠΊ Π΄Π²ΠΈΠ³Π°ΡΠ΅Π»Ρ ΡΠ°ΠΊΠΆΠ΅ Π½Π°Π·ΡΠ²Π°ΡΡ Π±Π»ΠΎΠΊΠΎΠΌ ΡΠΈΠ»ΠΈΠ½Π΄ΡΠΎΠ² ΠΈΠ·-Π·Π° Π±ΠΎΠ»ΡΡΠΎΠ³ΠΎ ΠΎΡΠ²Π΅ΡΡΡΠΈΡ ΠΈΠ»ΠΈ ΡΡΡΠ±ΠΎΠΊ, Π½Π°Π·ΡΠ²Π°Π΅ΠΌΡΡ ΡΠΈΠ»ΠΈΠ½Π΄ΡΠ°ΠΌΠΈ, ΠΊΠΎΡΠΎΡΡΠ΅ Π·Π°Π»ΠΈΡΡ Π² ΠΈΠ½ΡΠ΅Π³ΡΠΈΡΠΎΠ²Π°Π½Π½ΡΡ ΠΊΠΎΠ½ΡΡΡΡΠΊΡΠΈΡ. Π ΡΠΈΠ»ΠΈΠ½Π΄ΡΠ΅ ΠΏΠΎΡΡΠ½ΠΈ Π΄Π²ΠΈΠ³Π°ΡΠ΅Π»Ρ ΡΠΊΠΎΠ»ΡΠ·ΡΡ Π²Π²Π΅ΡΡ ΠΈ Π²Π½ΠΈΠ·. Π§Π΅ΠΌ Π±ΠΎΠ»ΡΡΠ΅ ΡΠΈΠ»ΠΈΠ½Π΄ΡΠΎΠ² Π² Π΄Π²ΠΈΠ³Π°ΡΠ΅Π»Π΅, ΡΠ΅ΠΌ ΠΎΠ½ ΠΌΠΎΡΠ½Π΅Π΅. ΠΠΎΠΌΠΈΠΌΠΎ ΡΠΈΠ»ΠΈΠ½Π΄ΡΠΎΠ², Π² Π±Π»ΠΎΠΊ Π²ΡΡΡΠΎΠ΅Π½Ρ Π΄ΡΡΠ³ΠΈΠ΅ ΠΊΠ°Π½Π°Π»Ρ ΠΈ ΠΊΠ°Π½Π°Π»Ρ, ΠΊΠΎΡΠΎΡΡΠ΅ ΠΏΠΎΠ·Π²ΠΎΠ»ΡΡΡ ΠΌΠ°ΡΠ»Ρ ΠΈ ΠΎΡ Π»Π°ΠΆΠ΄Π°ΡΡΠ΅ΠΉ ΠΆΠΈΠ΄ΠΊΠΎΡΡΠΈ ΡΠ΅ΡΡ ΠΊ ΡΠ°Π·Π»ΠΈΡΠ½ΡΠΌ ΡΠ°ΡΡΡΠΌ Π΄Π²ΠΈΠ³Π°ΡΠ΅Π»Ρ.
ΠΠΎΡΠ΅ΠΌΡ Π΄Π²ΠΈΠ³Π°ΡΠ΅Π»Ρ Π½Π°Π·ΡΠ²Π°Π΅ΡΡΡ Β«V6Β» ΠΈΠ»ΠΈ Β«V8Β»?
ΠΡΠ»ΠΈΡΠ½ΡΠΉ Π²ΠΎΠΏΡΠΎΡ! ΠΡΠΎ ΡΠ²ΡΠ·Π°Π½ΠΎ Ρ ΡΠΎΡΠΌΠΎΠΉ ΠΈ ΠΊΠΎΠ»ΠΈΡΠ΅ΡΡΠ²ΠΎΠΌ ΡΠΈΠ»ΠΈΠ½Π΄ΡΠΎΠ² Π² Π΄Π²ΠΈΠ³Π°ΡΠ΅Π»Π΅.
Π ΡΠ΅ΡΡΡΠ΅Ρ ΡΠΈΠ»ΠΈΠ½Π΄ΡΠΎΠ²ΡΡ Π΄Π²ΠΈΠ³Π°ΡΠ΅Π»ΡΡ ΡΠΈΠ»ΠΈΠ½Π΄ΡΡ ΠΎΠ±ΡΡΠ½ΠΎ ΡΡΡΠ°Π½Π°Π²Π»ΠΈΠ²Π°ΡΡΡΡ ΠΏΠΎ ΠΏΡΡΠΌΠΎΠΉ Π»ΠΈΠ½ΠΈΠΈ Π½Π°Π΄ ΠΊΠΎΠ»Π΅Π½ΡΠ°ΡΡΠΌ Π²Π°Π»ΠΎΠΌ. ΠΡΠ° ΠΊΠΎΠΌΠΏΠΎΠ½ΠΎΠ²ΠΊΠ° Π΄Π²ΠΈΠ³Π°ΡΠ΅Π»Ρ Π½Π°Π·ΡΠ²Π°Π΅ΡΡΡ ΡΡΠ΄Π½ΡΠΌ Π΄Π²ΠΈΠ³Π°ΡΠ΅Π»Π΅ΠΌ .
ΠΡΠ΅ ΠΎΠ΄Π½Π° ΡΠ΅ΡΡΡΠ΅Ρ ΡΠΈΠ»ΠΈΠ½Π΄ΡΠΎΠ²Π°Ρ ΠΊΠΎΠΌΠΏΠΎΠ½ΠΎΠ²ΠΊΠ° Π½Π°Π·ΡΠ²Π°Π΅ΡΡΡ Β«ΠΏΠ»ΠΎΡΠΊΠ°Ρ ΡΠ΅ΡΠ²Π΅ΡΠΊΠ°Β». ΠΠ΄Π΅ΡΡ ΡΠΈΠ»ΠΈΠ½Π΄ΡΡ ΡΠ°ΡΠΏΠΎΠ»ΠΎΠΆΠ΅Π½Ρ Π³ΠΎΡΠΈΠ·ΠΎΠ½ΡΠ°Π»ΡΠ½ΠΎ Π΄Π²ΡΠΌΡ ΡΡΠ΄Π°ΠΌΠΈ, ΠΊΠΎΠ»Π΅Π½ΡΠ°ΡΡΠΉ Π²Π°Π» ΠΈΠ΄Π΅Ρ ΠΏΠΎΡΠ΅ΡΠ΅Π΄ΠΈΠ½Π΅.
ΠΠΎΠ³Π΄Π° Π΄Π²ΠΈΠ³Π°ΡΠ΅Π»Ρ ΠΈΠΌΠ΅Π΅Ρ Π±ΠΎΠ»Π΅Π΅ ΡΠ΅ΡΡΡΠ΅Ρ ΡΠΈΠ»ΠΈΠ½Π΄ΡΠΎΠ², ΠΎΠ½ΠΈ Π΄Π΅Π»ΡΡΡΡ Π½Π° Π΄Π²Π° ΡΡΠ΄Π° ΡΠΈΠ»ΠΈΠ½Π΄ΡΠΎΠ² — ΠΏΠΎ ΡΡΠΈ (ΠΈΠ»ΠΈ Π±ΠΎΠ»Π΅Π΅) ΡΠΈΠ»ΠΈΠ½Π΄ΡΠ° Π½Π° ΠΊΠ°ΠΆΠ΄ΡΡ ΡΡΠΎΡΠΎΠ½Ρ. Π Π°Π·Π΄Π΅Π»Π΅Π½ΠΈΠ΅ ΡΠΈΠ»ΠΈΠ½Π΄ΡΠΎΠ² Π½Π° Π΄Π²Π° ΡΡΠ΄Π° Π΄Π΅Π»Π°Π΅Ρ Π΄Π²ΠΈΠ³Π°ΡΠ΅Π»Ρ ΠΏΠΎΡ ΠΎΠΆΠΈΠΌ Π½Π° Π±ΡΠΊΠ²Ρ V.βV-ΠΎΠ±ΡΠ°Π·Π½ΡΠΉ Π΄Π²ΠΈΠ³Π°ΡΠ΅Π»Ρ Ρ ΡΠ΅ΡΡΡΡ ΡΠΈΠ»ΠΈΠ½Π΄ΡΠ°ΠΌΠΈ = Π΄Π²ΠΈΠ³Π°ΡΠ΅Π»Ρ V6. V-ΠΎΠ±ΡΠ°Π·Π½ΡΠΉ Π΄Π²ΠΈΠ³Π°ΡΠ΅Π»Ρ Ρ Π²ΠΎΡΠ΅ΠΌΡΡ ΡΠΈΠ»ΠΈΠ½Π΄ΡΠ°ΠΌΠΈ = V8 — ΠΏΠΎ ΡΠ΅ΡΡΡΠ΅ Π² ΠΊΠ°ΠΆΠ΄ΠΎΠΌ ΡΡΠ΄Ρ ΡΠΈΠ»ΠΈΠ½Π΄ΡΠΎΠ².
ΠΠ°ΠΌΠ΅ΡΠ° ΡΠ³ΠΎΡΠ°Π½ΠΈΡ
Π ΠΊΠ°ΠΌΠ΅ΡΠ΅ ΡΠ³ΠΎΡΠ°Π½ΠΈΡ Π΄Π²ΠΈΠ³Π°ΡΠ΅Π»Ρ ΠΏΡΠΎΠΈΡΡ
ΠΎΠ΄ΠΈΡ Π²ΠΎΠ»ΡΠ΅Π±ΡΡΠ²ΠΎ. ΠΠ΄Π΅ΡΡ ΡΠΎΠΏΠ»ΠΈΠ²ΠΎ, Π²ΠΎΠ·Π΄ΡΡ
, Π΄Π°Π²Π»Π΅Π½ΠΈΠ΅ ΠΈ ΡΠ»Π΅ΠΊΡΡΠΈΡΠ΅ΡΡΠ²ΠΎ ΠΎΠ±ΡΠ΅Π΄ΠΈΠ½ΡΡΡΡΡ, ΡΡΠΎΠ±Ρ ΡΠΎΠ·Π΄Π°ΡΡ Π½Π΅Π±ΠΎΠ»ΡΡΠΎΠΉ Π²Π·ΡΡΠ², ΠΊΠΎΡΠΎΡΡΠΉ ΠΏΠ΅ΡΠ΅ΠΌΠ΅ΡΠ°Π΅Ρ ΠΏΠΎΡΡΠ½ΠΈ Π°Π²ΡΠΎΠΌΠΎΠ±ΠΈΠ»Ρ Π²Π²Π΅ΡΡ
ΠΈ Π²Π½ΠΈΠ·, ΡΠΎΠ·Π΄Π°Π²Π°Ρ ΡΠ°ΠΊΠΈΠΌ ΠΎΠ±ΡΠ°Π·ΠΎΠΌ ΡΠΈΠ»Ρ Π΄Π»Ρ Π΄Π²ΠΈΠΆΠ΅Π½ΠΈΡ Π°Π²ΡΠΎΠΌΠΎΠ±ΠΈΠ»Ρ.
ΠΠ°ΠΌΠ΅ΡΠ° ΡΠ³ΠΎΡΠ°Π½ΠΈΡ ΡΠΎΡΡΠΎΠΈΡ ΠΈΠ· ΡΠΈΠ»ΠΈΠ½Π΄ΡΠ°, ΠΏΠΎΡΡΠ½Ρ ΠΈ Π³ΠΎΠ»ΠΎΠ²ΠΊΠΈ Π±Π»ΠΎΠΊΠ° ΡΠΈΠ»ΠΈΠ½Π΄ΡΠΎΠ².Π¦ΠΈΠ»ΠΈΠ½Π΄Ρ Π΄Π΅ΠΉΡΡΠ²ΡΠ΅Ρ ΠΊΠ°ΠΊ ΡΡΠ΅Π½ΠΊΠ° ΠΊΠ°ΠΌΠ΅ΡΡ ΡΠ³ΠΎΡΠ°Π½ΠΈΡ, Π²Π΅ΡΡ
Π½ΡΡ ΡΠ°ΡΡΡ ΠΏΠΎΡΡΠ½Ρ Π΄Π΅ΠΉΡΡΠ²ΡΠ΅Ρ ΠΊΠ°ΠΊ Π΄Π½ΠΎ ΠΊΠ°ΠΌΠ΅ΡΡ ΡΠ³ΠΎΡΠ°Π½ΠΈΡ, Π° Π³ΠΎΠ»ΠΎΠ²ΠΊΠ° ΡΠΈΠ»ΠΈΠ½Π΄ΡΠ° ΡΠ»ΡΠΆΠΈΡ ΠΏΠΎΡΠΎΠ»ΠΊΠΎΠΌ ΠΊΠ°ΠΌΠ΅ΡΡ ΡΠ³ΠΎΡΠ°Π½ΠΈΡ.
ΠΠΎΠ»ΠΎΠ²ΠΊΠ° ΡΠΈΠ»ΠΈΠ½Π΄ΡΠ°
ΠΠΎΠ»ΠΎΠ²ΠΊΠ° Π±Π»ΠΎΠΊΠ° ΡΠΈΠ»ΠΈΠ½Π΄ΡΠΎΠ² ΠΏΡΠ΅Π΄ΡΡΠ°Π²Π»ΡΠ΅Ρ ΡΠΎΠ±ΠΎΠΉ ΠΊΡΡΠΎΠΊ ΠΌΠ΅ΡΠ°Π»Π»Π°, ΠΊΠΎΡΠΎΡΡΠΉ Π½Π°Ρ ΠΎΠ΄ΠΈΡΡΡ Π½Π°Π΄ ΡΠΈΠ»ΠΈΠ½Π΄ΡΠ°ΠΌΠΈ Π΄Π²ΠΈΠ³Π°ΡΠ΅Π»Ρ. Π Π³ΠΎΠ»ΠΎΠ²ΠΊΠ΅ Π±Π»ΠΎΠΊΠ° ΡΠΈΠ»ΠΈΠ½Π΄ΡΠΎΠ² ΠΎΡΠ»ΠΈΡΡ Π½Π΅Π±ΠΎΠ»ΡΡΠΈΠ΅ Π·Π°ΠΊΡΡΠ³Π»Π΅Π½Π½ΡΠ΅ ΡΠ³Π»ΡΠ±Π»Π΅Π½ΠΈΡ Π΄Π»Ρ ΡΠΎΠ·Π΄Π°Π½ΠΈΡ ΠΏΡΠΎΡΡΡΠ°Π½ΡΡΠ²Π° Π² Π²Π΅ΡΡ Π½Π΅ΠΉ ΡΠ°ΡΡΠΈ ΠΊΠ°ΠΌΠ΅ΡΡ ΡΠ³ΠΎΡΠ°Π½ΠΈΡ. ΠΡΠΎΠΊΠ»Π°Π΄ΠΊΠ° Π³ΠΎΠ»ΠΎΠ²ΠΊΠΈ Π³Π΅ΡΠΌΠ΅ΡΠΈΡΠ½ΠΎ Π·Π°ΠΊΡΡΠ²Π°Π΅Ρ ΡΡΡΠΊ ΠΌΠ΅ΠΆΠ΄Ρ Π³ΠΎΠ»ΠΎΠ²ΠΊΠΎΠΉ Π±Π»ΠΎΠΊΠ° ΡΠΈΠ»ΠΈΠ½Π΄ΡΠΎΠ² ΠΈ Π±Π»ΠΎΠΊΠΎΠΌ ΡΠΈΠ»ΠΈΠ½Π΄ΡΠΎΠ².ΠΠΏΡΡΠΊΠ½ΡΠ΅ ΠΈ Π²ΡΠΏΡΡΠΊΠ½ΡΠ΅ ΠΊΠ»Π°ΠΏΠ°Π½Ρ, ΡΠ²Π΅ΡΠΈ Π·Π°ΠΆΠΈΠ³Π°Π½ΠΈΡ ΠΈ ΡΠΎΠΏΠ»ΠΈΠ²Π½ΡΠ΅ ΡΠΎΡΡΡΠ½ΠΊΠΈ (ΡΡΠΈ Π΄Π΅ΡΠ°Π»ΠΈ Π±ΡΠ΄ΡΡ ΠΎΠ±ΡΡΡΠ½Π΅Π½Ρ ΠΏΠΎΠ·ΠΆΠ΅) ΡΠ°ΠΊΠΆΠ΅ ΡΡΡΠ°Π½ΠΎΠ²Π»Π΅Π½Ρ Π½Π° Π³ΠΎΠ»ΠΎΠ²ΠΊΠ΅ Π±Π»ΠΎΠΊΠ° ΡΠΈΠ»ΠΈΠ½Π΄ΡΠΎΠ².
ΠΠΎΡΡΠ΅Π½Ρ
ΠΠΎΡΡΠ½ΠΈ ΠΏΠ΅ΡΠ΅ΠΌΠ΅ΡΠ°ΡΡΡΡ Π²Π²Π΅ΡΡ
ΠΈ Π²Π½ΠΈΠ· ΠΏΠΎ ΡΠΈΠ»ΠΈΠ½Π΄ΡΡ. ΠΠ½ΠΈ ΠΏΠΎΡ
ΠΎΠΆΠΈ Π½Π° ΠΏΠ΅ΡΠ΅Π²Π΅ΡΠ½ΡΡΡΠ΅ ΡΡΠΏΠΎΠ²ΡΠ΅ Π±Π°Π½ΠΊΠΈ. ΠΠΎΠ³Π΄Π° ΡΠΎΠΏΠ»ΠΈΠ²ΠΎ Π²ΠΎΡΠΏΠ»Π°ΠΌΠ΅Π½ΡΠ΅ΡΡΡ Π² ΠΊΠ°ΠΌΠ΅ΡΠ΅ ΡΠ³ΠΎΡΠ°Π½ΠΈΡ, ΡΠΈΠ»Π° ΡΠΎΠ»ΠΊΠ°Π΅Ρ ΠΏΠΎΡΡΠ΅Π½Ρ Π²Π½ΠΈΠ·, ΠΊΠΎΡΠΎΡΡΠΉ, Π² ΡΠ²ΠΎΡ ΠΎΡΠ΅ΡΠ΅Π΄Ρ, ΠΏΠ΅ΡΠ΅ΠΌΠ΅ΡΠ°Π΅Ρ ΠΊΠΎΠ»Π΅Π½ΡΠ°ΡΡΠΉ Π²Π°Π» (ΡΠΌ.
ΠΠΈΠΆΠ΅). ΠΠΎΡΡΠ΅Π½Ρ ΠΏΡΠΈΠΊΡΠ΅ΠΏΠ»Π΅Π½ ΠΊ ΠΊΠΎΠ»Π΅Π½ΡΠ°ΡΠΎΠΌΡ Π²Π°Π»Ρ ΡΠ΅ΡΠ΅Π· ΡΠ°ΡΡΠ½, ΠΎΠ½ ΠΆΠ΅ ΡΠ°ΡΡΠ½. ΠΠ½ ΡΠΎΠ΅Π΄ΠΈΠ½ΡΠ΅ΡΡΡ Ρ ΡΠ°ΡΡΠ½ΠΎΠΌ ΡΠ΅ΡΠ΅Π· ΠΏΠΎΡΡΠ½Π΅Π²ΠΎΠΉ ΠΏΠ°Π»Π΅Ρ, Π° ΡΠ°ΡΡΠ½ ΡΠΎΠ΅Π΄ΠΈΠ½ΡΠ΅ΡΡΡ Ρ ΠΊΠΎΠ»Π΅Π½ΡΠ°ΡΡΠΌ Π²Π°Π»ΠΎΠΌ ΡΠ΅ΡΠ΅Π· ΡΠ°ΡΡΠ½Π½ΡΠΉ ΠΏΠΎΠ΄ΡΠΈΠΏΠ½ΠΈΠΊ.
ΠΠ° Π²Π΅ΡΡ Π½Π΅ΠΉ ΡΠ°ΡΡΠΈ ΠΏΠΎΡΡΠ½Ρ Π²Ρ Π½Π°ΠΉΠ΄Π΅ΡΠ΅ ΡΡΠΈ ΠΈΠ»ΠΈ ΡΠ΅ΡΡΡΠ΅ ΠΊΠ°Π½Π°Π²ΠΊΠΈ, ΠΎΡΠ»ΠΈΡΡΠ΅ Π² ΠΌΠ΅ΡΠ°Π»Π»Π΅. ΠΠ½ΡΡΡΠΈ ΠΊΠ°Π½Π°Π²ΠΎΠΊ Π²ΡΡΠ°Π²Π»Π΅Π½Ρ ΠΏΠΎΡΡΠ½Π΅Π²ΡΠ΅ ΠΊΠΎΠ»ΡΡΠ° . ΠΠΎΡΡΠ½Π΅Π²ΡΠ΅ ΠΊΠΎΠ»ΡΡΠ° — ΡΡΠΎ ΡΠ°ΡΡΡ, ΠΊΠΎΡΠΎΡΠ°Ρ ΡΠ°ΠΊΡΠΈΡΠ΅ΡΠΊΠΈ ΠΊΠ°ΡΠ°Π΅ΡΡΡ ΡΡΠ΅Π½ΠΎΠΊ ΡΠΈΠ»ΠΈΠ½Π΄ΡΠ°. ΠΠ½ΠΈ ΡΠ΄Π΅Π»Π°Π½Ρ ΠΈΠ· ΠΆΠ΅Π»Π΅Π·Π° ΠΈ Π±ΡΠ²Π°ΡΡ Π΄Π²ΡΡ Π²ΠΈΠ΄ΠΎΠ²: ΠΊΠΎΠΌΠΏΡΠ΅ΡΡΠΈΠΎΠ½Π½ΡΠ΅ ΠΊΠΎΠ»ΡΡΠ° ΠΈ ΠΌΠ°ΡΠ»ΡΠ½ΡΠ΅ ΠΊΠΎΠ»ΡΡΠ°. ΠΠΎΠΌΠΏΡΠ΅ΡΡΠΈΠΎΠ½Π½ΡΠ΅ ΠΊΠΎΠ»ΡΡΠ° — ΡΡΠΎ Π²Π΅ΡΡ Π½ΠΈΠ΅ ΠΊΠΎΠ»ΡΡΠ°, ΠΎΠ½ΠΈ ΠΏΡΠΈΠΆΠΈΠΌΠ°ΡΡΡΡ Π½Π°ΡΡΠΆΡ ΠΊ ΡΡΠ΅Π½ΠΊΠ°ΠΌ ΡΠΈΠ»ΠΈΠ½Π΄ΡΠ°, ΠΎΠ±Π΅ΡΠΏΠ΅ΡΠΈΠ²Π°Ρ ΠΏΡΠΎΡΠ½ΠΎΠ΅ ΡΠΏΠ»ΠΎΡΠ½Π΅Π½ΠΈΠ΅ ΠΊΠ°ΠΌΠ΅ΡΡ ΡΠ³ΠΎΡΠ°Π½ΠΈΡ. ΠΠ°ΡΠ»ΡΠ½ΠΎΠ΅ ΠΊΠΎΠ»ΡΡΠΎ — ΡΡΠΎ Π½ΠΈΠΆΠ½Π΅Π΅ ΠΊΠΎΠ»ΡΡΠΎ Π½Π° ΠΏΠΎΡΡΠ½Π΅, ΠΊΠΎΡΠΎΡΠΎΠ΅ ΠΏΡΠ΅Π΄ΠΎΡΠ²ΡΠ°ΡΠ°Π΅Ρ ΠΏΡΠΎΡΠ°ΡΠΈΠ²Π°Π½ΠΈΠ΅ ΠΌΠ°ΡΠ»Π° ΠΈΠ· ΠΊΠ°ΡΡΠ΅ΡΠ° Π² ΠΊΠ°ΠΌΠ΅ΡΡ ΡΠ³ΠΎΡΠ°Π½ΠΈΡ.ΠΠ½ ΡΠ°ΠΊΠΆΠ΅ Π²ΡΡΠΈΡΠ°Π΅Ρ ΠΈΠ·Π»ΠΈΡΠΊΠΈ ΠΌΠ°ΡΠ»Π° ΡΠΎ ΡΡΠ΅Π½ΠΎΠΊ ΡΠΈΠ»ΠΈΠ½Π΄ΡΠΎΠ² ΠΈ ΠΎΠ±ΡΠ°ΡΠ½ΠΎ Π² ΠΊΠ°ΡΡΠ΅Ρ.
ΠΠΎΠ»Π΅Π½ΡΠ°ΡΡΠΉ Π²Π°Π»
ΠΠΎΠ»Π΅Π½ΡΠ°ΡΡΠΉ Π²Π°Π» — ΡΡΠΎ ΡΠΎ, ΡΡΠΎ ΠΏΡΠ΅ΠΎΠ±ΡΠ°Π·ΡΠ΅Ρ Π΄Π²ΠΈΠΆΠ΅Π½ΠΈΠ΅ ΠΏΠΎΡΡΠ½Π΅ΠΉ Π²Π²Π΅ΡΡ
ΠΈ Π²Π½ΠΈΠ· Π²ΠΎ Π²ΡΠ°ΡΠ°ΡΠ΅Π»ΡΠ½ΠΎΠ΅ Π΄Π²ΠΈΠΆΠ΅Π½ΠΈΠ΅, ΠΊΠΎΡΠΎΡΠΎΠ΅ ΠΏΠΎΠ·Π²ΠΎΠ»ΡΠ΅Ρ Π°Π²ΡΠΎΠΌΠΎΠ±ΠΈΠ»Ρ Π΄Π²ΠΈΠ³Π°ΡΡΡΡ. ΠΠΎΠ»Π΅Π½ΡΠ°ΡΡΠΉ Π²Π°Π» ΠΎΠ±ΡΡΠ½ΠΎ Π²Ρ
ΠΎΠ΄ΠΈΡ ΠΏΠΎ Π΄Π»ΠΈΠ½Π΅ Π² Π±Π»ΠΎΠΊ ΡΠΈΠ»ΠΈΠ½Π΄ΡΠΎΠ² ΡΡΠ΄ΠΎΠΌ Ρ Π½ΠΈΠΆΠ½Π΅ΠΉ ΡΠ°ΡΡΡΡ.
ΠΠ½ ΠΏΡΠΎΡΡΠΈΡΠ°Π΅ΡΡΡ ΠΎΡ ΠΎΠ΄Π½ΠΎΠ³ΠΎ ΠΊΠΎΠ½ΡΠ° Π±Π»ΠΎΠΊΠ° Π΄Π²ΠΈΠ³Π°ΡΠ΅Π»Ρ Π΄ΠΎ Π΄ΡΡΠ³ΠΎΠ³ΠΎ. Π ΠΏΠ΅ΡΠ΅Π΄Π½Π΅ΠΉ ΡΠ°ΡΡΠΈ Π΄Π²ΠΈΠ³Π°ΡΠ΅Π»Ρ ΠΊΠΎΠ»Π΅Π½ΡΠ°ΡΡΠΉ Π²Π°Π» ΡΠΎΠ΅Π΄ΠΈΠ½ΡΠ΅ΡΡΡ Ρ ΡΠ΅Π·ΠΈΠ½ΠΎΠ²ΡΠΌΠΈ ΡΠ΅ΠΌΠ½ΡΠΌΠΈ, ΠΊΠΎΡΠΎΡΡΠ΅ ΡΠΎΠ΅Π΄ΠΈΠ½ΡΡΡΡΡ Ρ ΡΠ°ΡΠΏΡΠ΅Π΄Π΅Π»ΠΈΡΠ΅Π»ΡΠ½ΡΠΌ Π²Π°Π»ΠΎΠΌ ΠΈ ΠΏΠ΅ΡΠ΅Π΄Π°ΡΡ ΠΌΠΎΡΠ½ΠΎΡΡΡ Π½Π° Π΄ΡΡΠ³ΠΈΠ΅ ΡΠ°ΡΡΠΈ Π°Π²ΡΠΎΠΌΠΎΠ±ΠΈΠ»Ρ; Π² Π·Π°Π΄Π½Π΅ΠΉ ΡΠ°ΡΡΠΈ Π΄Π²ΠΈΠ³Π°ΡΠ΅Π»Ρ ΡΠ°ΡΠΏΡΠ΅Π΄Π΅Π»ΠΈΡΠ΅Π»ΡΠ½ΡΠΉ Π²Π°Π» ΡΠΎΠ΅Π΄ΠΈΠ½ΡΠ΅ΡΡΡ Ρ ΡΡΠ°Π½ΡΠΌΠΈΡΡΠΈΠ΅ΠΉ, ΠΊΠΎΡΠΎΡΠ°Ρ ΠΏΠ΅ΡΠ΅Π΄Π°Π΅Ρ ΠΌΠΎΡΠ½ΠΎΡΡΡ Π½Π° ΠΊΠΎΠ»Π΅ΡΠ°.ΠΠ° ΠΊΠ°ΠΆΠ΄ΠΎΠΌ ΠΊΠΎΠ½ΡΠ΅ ΠΊΠΎΠ»Π΅Π½ΡΠ°ΡΠΎΠ³ΠΎ Π²Π°Π»Π° Π²Ρ Π½Π°ΠΉΠ΄Π΅ΡΠ΅ ΡΠ°Π»ΡΠ½ΠΈΠΊΠΈ ΠΈΠ»ΠΈ Β«ΡΠΏΠ»ΠΎΡΠ½ΠΈΡΠ΅Π»ΡΠ½ΡΠ΅ ΠΊΠΎΠ»ΡΡΠ°Β», ΠΊΠΎΡΠΎΡΡΠ΅ ΠΏΡΠ΅Π΄ΠΎΡΠ²ΡΠ°ΡΠ°ΡΡ ΡΡΠ΅ΡΠΊΡ ΠΌΠ°ΡΠ»Π° ΠΈΠ· Π΄Π²ΠΈΠ³Π°ΡΠ΅Π»Ρ.
ΠΠΎΠ»Π΅Π½ΡΠ°ΡΡΠΉ Π²Π°Π» Π½Π°Ρ
ΠΎΠ΄ΠΈΡΡΡ Π² ΡΠ°ΠΊ Π½Π°Π·ΡΠ²Π°Π΅ΠΌΠΎΠΌ ΠΊΠ°ΡΡΠ΅ΡΠ΅ Π΄Π²ΠΈΠ³Π°ΡΠ΅Π»Ρ. ΠΠ°ΡΡΠ΅Ρ Π½Π°Ρ
ΠΎΠ΄ΠΈΡΡΡ ΠΏΠΎΠ΄ Π±Π»ΠΎΠΊΠΎΠΌ ΡΠΈΠ»ΠΈΠ½Π΄ΡΠΎΠ². ΠΠ°ΡΡΠ΅Ρ Π·Π°ΡΠΈΡΠ°Π΅Ρ ΠΊΠΎΠ»Π΅Π½ΡΠ°ΡΡΠΉ Π²Π°Π» ΠΈ ΡΠ°ΡΡΠ½Ρ ΠΎΡ ΠΏΠΎΡΡΠΎΡΠΎΠ½Π½ΠΈΡ
ΠΏΡΠ΅Π΄ΠΌΠ΅ΡΠΎΠ². ΠΠ±Π»Π°ΡΡΡ Π² Π½ΠΈΠΆΠ½Π΅ΠΉ ΡΠ°ΡΡΠΈ ΠΊΠ°ΡΡΠ΅ΡΠ° Π½Π°Π·ΡΠ²Π°Π΅ΡΡΡ ΠΌΠ°ΡΠ»ΡΠ½ΡΠΌ ΠΏΠΎΠ΄Π΄ΠΎΠ½ΠΎΠΌ, ΠΈ ΠΈΠΌΠ΅Π½Π½ΠΎ Π·Π΄Π΅ΡΡ Ρ
ΡΠ°Π½ΠΈΡΡΡ ΠΌΠ°ΡΠ»ΠΎ Π²Π°ΡΠ΅Π³ΠΎ Π΄Π²ΠΈΠ³Π°ΡΠ΅Π»Ρ. ΠΠ½ΡΡΡΠΈ ΠΌΠ°ΡΠ»ΡΠ½ΠΎΠ³ΠΎ ΠΏΠΎΠ΄Π΄ΠΎΠ½Π° Π²Ρ Π½Π°ΠΉΠ΄Π΅ΡΠ΅ ΠΌΠ°ΡΠ»ΡΠ½ΡΠΉ Π½Π°ΡΠΎΡ, ΠΊΠΎΡΠΎΡΡΠΉ ΠΏΡΠΎΠΊΠ°ΡΠΈΠ²Π°Π΅Ρ ΠΌΠ°ΡΠ»ΠΎ ΡΠ΅ΡΠ΅Π· ΡΠΈΠ»ΡΡΡ, Π° Π·Π°ΡΠ΅ΠΌ ΡΡΠΎ ΠΌΠ°ΡΠ»ΠΎ ΡΠ°Π·Π±ΡΡΠ·Π³ΠΈΠ²Π°Π΅ΡΡΡ Π½Π° ΠΊΠΎΠ»Π΅Π½ΡΠ°ΡΡΠΉ Π²Π°Π», ΡΠ°ΡΡΠ½Π½ΡΠ΅ ΠΏΠΎΠ΄ΡΠΈΠΏΠ½ΠΈΠΊΠΈ ΠΈ ΡΡΠ΅Π½ΠΊΠΈ ΡΠΈΠ»ΠΈΠ½Π΄ΡΠ°, ΡΡΠΎΠ±Ρ ΠΎΠ±Π΅ΡΠΏΠ΅ΡΠΈΡΡ ΡΠΌΠ°Π·ΠΊΡ Π΄Π»Ρ Π΄Π²ΠΈΠΆΠ΅Π½ΠΈΡ ΠΏΠΎΡΡΠ½Ρ.ΠΠ°ΡΠ»ΠΎ Π² ΠΊΠΎΠ½Π΅ΡΠ½ΠΎΠΌ ΠΈΡΠΎΠ³Π΅ ΡΡΠ΅ΠΊΠ°Π΅Ρ ΠΎΠ±ΡΠ°ΡΠ½ΠΎ Π² ΠΌΠ°ΡΠ»ΡΠ½ΡΠΉ ΠΏΠΎΠ΄Π΄ΠΎΠ½, ΡΡΠΎΠ±Ρ ΡΠ½ΠΎΠ²Π° Π½Π°ΡΠ°ΡΡ ΠΏΡΠΎΡΠ΅ΡΡ.
ΠΠ΄ΠΎΠ»Ρ ΠΊΠΎΠ»Π΅Π½ΡΠ°ΡΠΎΠ³ΠΎ Π²Π°Π»Π° ΡΠ°ΡΠΏΠΎΠ»ΠΎΠΆΠ΅Π½Ρ ΡΡΠ°Π²Π½ΠΎΠ²Π΅ΡΠΈΠ²Π°ΡΡΠΈΠ΅ Π²ΡΡΡΡΠΏΡ, ΠΊΠΎΡΠΎΡΡΠ΅ Π΄Π΅ΠΉΡΡΠ²ΡΡΡ ΠΊΠ°ΠΊ ΠΏΡΠΎΡΠΈΠ²ΠΎΠ²Π΅ΡΡ, ΡΡΠ°Π²Π½ΠΎΠ²Π΅ΡΠΈΠ²Π°Ρ ΠΊΠΎΠ»Π΅Π½ΡΠ°ΡΡΠΉ Π²Π°Π» ΠΈ ΠΏΡΠ΅Π΄ΠΎΡΠ²ΡΠ°ΡΠ°Ρ ΠΏΠΎΠ²ΡΠ΅ΠΆΠ΄Π΅Π½ΠΈΠ΅ Π΄Π²ΠΈΠ³Π°ΡΠ΅Π»Ρ ΠΈΠ·-Π·Π° ΠΊΠΎΠ»Π΅Π±Π°Π½ΠΈΠΉ, Π²ΠΎΠ·Π½ΠΈΠΊΠ°ΡΡΠΈΡ ΠΏΡΠΈ Π²ΡΠ°ΡΠ΅Π½ΠΈΠΈ ΠΊΠΎΠ»Π΅Π½ΡΠ°ΡΠΎΠ³ΠΎ Π²Π°Π»Π°.
Π’Π°ΠΊΠΆΠ΅ Π²Π΄ΠΎΠ»Ρ ΠΊΠΎΠ»Π΅Π½ΡΠ°ΡΠΎΠ³ΠΎ Π²Π°Π»Π° Π½Π°Ρ ΠΎΠ΄ΡΡΡΡ ΠΊΠΎΡΠ΅Π½Π½ΡΠ΅ ΠΏΠΎΠ΄ΡΠΈΠΏΠ½ΠΈΠΊΠΈ. ΠΠΎΡΠ΅Π½Π½ΡΠ΅ ΠΏΠΎΠ΄ΡΠΈΠΏΠ½ΠΈΠΊΠΈ ΠΎΠ±Π΅ΡΠΏΠ΅ΡΠΈΠ²Π°ΡΡ Π³Π»Π°Π΄ΠΊΡΡ ΠΏΠΎΠ²Π΅ΡΡ Π½ΠΎΡΡΡ ΠΌΠ΅ΠΆΠ΄Ρ ΠΊΠΎΠ»Π΅Π½ΡΠ°ΡΡΠΌ Π²Π°Π»ΠΎΠΌ ΠΈ Π±Π»ΠΎΠΊΠΎΠΌ ΡΠΈΠ»ΠΈΠ½Π΄ΡΠΎΠ² Π΄Π»Ρ Π²ΡΠ°ΡΠ΅Π½ΠΈΡ ΠΊΠΎΠ»Π΅Π½ΡΠ°ΡΠΎΠ³ΠΎ Π²Π°Π»Π°.
Π Π°ΡΠΏΡΠ΅Π΄Π²Π°Π»
Π Π°ΡΠΏΡΠ΅Π΄Π΅Π»ΠΈΡΠ΅Π»ΡΠ½ΡΠΉ Π²Π°Π» — ΡΡΠΎ ΠΌΠΎΠ·Π³ Π΄Π²ΠΈΠ³Π°ΡΠ΅Π»Ρ.ΠΠ½ ΡΠ°Π±ΠΎΡΠ°Π΅Ρ Π²ΠΌΠ΅ΡΡΠ΅ Ρ ΠΊΠΎΠ»Π΅Π½ΡΠ°ΡΡΠΌ Π²Π°Π»ΠΎΠΌ ΡΠ΅ΡΠ΅Π· Π·ΡΠ±ΡΠ°ΡΡΠΉ ΡΠ΅ΠΌΠ΅Π½Ρ, ΡΡΠΎΠ±Ρ Π²ΠΏΡΡΠΊΠ½ΡΠ΅ ΠΈ Π²ΡΠΏΡΡΠΊΠ½ΡΠ΅ ΠΊΠ»Π°ΠΏΠ°Π½Ρ ΠΎΡΠΊΡΡΠ²Π°Π»ΠΈΡΡ ΠΈ Π·Π°ΠΊΡΡΠ²Π°Π»ΠΈΡΡ Π² Π½ΡΠΆΠ½ΠΎΠ΅ Π²ΡΠ΅ΠΌΡ Π΄Π»Ρ ΠΎΠΏΡΠΈΠΌΠ°Π»ΡΠ½ΠΎΠΉ ΡΠ°Π±ΠΎΡΡ Π΄Π²ΠΈΠ³Π°ΡΠ΅Π»Ρ. Π Π°ΡΠΏΡΠ΅Π΄Π΅Π»ΠΈΡΠ΅Π»ΡΠ½ΡΠΉ Π²Π°Π» ΠΈΡΠΏΠΎΠ»ΡΠ·ΡΠ΅Ρ ΠΎΠ²Π°Π»ΡΠ½ΡΠ΅ Π²ΡΡΡΡΠΏΡ, ΠΊΠΎΡΠΎΡΡΠ΅ ΠΏΡΠΎΡ ΠΎΠ΄ΡΡ ΠΏΠΎΠΏΠ΅ΡΠ΅ΠΊ Π½Π΅Π³ΠΎ, ΡΡΠΎΠ±Ρ ΠΊΠΎΠ½ΡΡΠΎΠ»ΠΈΡΠΎΠ²Π°ΡΡ Π²ΡΠ΅ΠΌΡ ΠΎΡΠΊΡΡΡΠΈΡ ΠΈ Π·Π°ΠΊΡΡΡΠΈΡ ΠΊΠ»Π°ΠΏΠ°Π½ΠΎΠ².
ΠΠΎΠ»ΡΡΠΈΠ½ΡΡΠ²ΠΎ ΡΠ°ΡΠΏΡΠ΅Π΄Π΅Π»ΠΈΡΠ΅Π»ΡΠ½ΡΡ
Π²Π°Π»ΠΎΠ² ΠΏΡΠΎΡ
ΠΎΠ΄ΡΡ ΡΠ΅ΡΠ΅Π· Π²Π΅ΡΡ
Π½ΡΡ ΡΠ°ΡΡΡ Π±Π»ΠΎΠΊΠ° ΡΠΈΠ»ΠΈΠ½Π΄ΡΠΎΠ² Π½Π΅ΠΏΠΎΡΡΠ΅Π΄ΡΡΠ²Π΅Π½Π½ΠΎ Π½Π°Π΄ ΠΊΠΎΠ»Π΅Π½ΡΠ°ΡΡΠΌ Π²Π°Π»ΠΎΠΌ. Π ΡΡΠ΄Π½ΡΡ
Π΄Π²ΠΈΠ³Π°ΡΠ΅Π»ΡΡ
ΠΎΠ΄ΠΈΠ½ ΡΠ°ΡΠΏΡΠ΅Π΄Π΅Π»ΠΈΡΠ΅Π»ΡΠ½ΡΠΉ Π²Π°Π» ΡΠΏΡΠ°Π²Π»ΡΠ΅Ρ ΠΊΠ°ΠΊ Π²ΠΏΡΡΠΊΠ½ΡΠΌ, ΡΠ°ΠΊ ΠΈ Π²ΡΠΏΡΡΠΊΠ½ΡΠΌ ΠΊΠ»Π°ΠΏΠ°Π½Π°ΠΌΠΈ.
ΠΠ° V-ΠΎΠ±ΡΠ°Π·Π½ΡΡ
Π΄Π²ΠΈΠ³Π°ΡΠ΅Π»ΡΡ
ΠΈΡΠΏΠΎΠ»ΡΠ·ΡΡΡΡΡ Π΄Π²Π° ΠΎΡΠ΄Π΅Π»ΡΠ½ΡΡ
ΡΠ°ΡΠΏΡΠ΅Π΄Π²Π°Π»Π°.ΠΠ΄ΠΈΠ½ ΡΠΏΡΠ°Π²Π»ΡΠ΅Ρ ΠΊΠ»Π°ΠΏΠ°Π½Π°ΠΌΠΈ Π½Π° ΠΎΠ΄Π½ΠΎΠΉ ΡΡΠΎΡΠΎΠ½Π΅ V, Π° Π΄ΡΡΠ³ΠΎΠΉ — ΠΊΠ»Π°ΠΏΠ°Π½Π°ΠΌΠΈ Π½Π° ΠΏΡΠΎΡΠΈΠ²ΠΎΠΏΠΎΠ»ΠΎΠΆΠ½ΠΎΠΉ ΡΡΠΎΡΠΎΠ½Π΅. ΠΠ΅ΠΊΠΎΡΠΎΡΡΠ΅ V-ΠΎΠ±ΡΠ°Π·Π½ΡΠ΅ Π΄Π²ΠΈΠ³Π°ΡΠ΅Π»ΠΈ (Π½Π°ΠΏΡΠΈΠΌΠ΅Ρ, ΡΠΎΡ, ΡΡΠΎ Π½Π° Π½Π°ΡΠ΅ΠΉ ΠΈΠ»Π»ΡΡΡΡΠ°ΡΠΈΠΈ) Π±ΡΠ΄ΡΡ ΠΈΠΌΠ΅ΡΡ Π΄Π°ΠΆΠ΅ Π΄Π²Π° ΡΠ°ΡΠΏΡΠ΅Π΄Π΅Π»ΠΈΡΠ΅Π»ΡΠ½ΡΡ
Π²Π°Π»Π° Π½Π° ΡΡΠ΄ ΡΠΈΠ»ΠΈΠ½Π΄ΡΠΎΠ². ΠΠ΄ΠΈΠ½ ΡΠ°ΡΠΏΡΠ΅Π΄Π΅Π»ΠΈΡΠ΅Π»ΡΠ½ΡΠΉ Π²Π°Π» ΡΠΏΡΠ°Π²Π»ΡΠ΅Ρ ΠΎΠ΄Π½ΠΎΠΉ ΡΡΠΎΡΠΎΠ½ΠΎΠΉ ΠΊΠ»Π°ΠΏΠ°Π½ΠΎΠ², Π° Π΄ΡΡΠ³ΠΎΠΉ ΡΠ°ΡΠΏΡΠ΅Π΄Π΅Π»ΠΈΡΠ΅Π»ΡΠ½ΡΠΉ Π²Π°Π» — Π΄ΡΡΠ³ΠΎΠΉ ΡΡΠΎΡΠΎΠ½ΠΎΠΉ.
Π‘ΠΈΡΡΠ΅ΠΌΠ° ΡΠΈΠ½Ρ ΡΠΎΠ½ΠΈΠ·Π°ΡΠΈΠΈ
ΠΠ°ΠΊ ΡΠΏΠΎΠΌΠΈΠ½Π°Π»ΠΎΡΡ Π²ΡΡΠ΅, ΡΠ°ΡΠΏΡΠ΅Π΄Π΅Π»ΠΈΡΠ΅Π»ΡΠ½ΡΠΉ Π²Π°Π» ΠΈ ΠΊΠΎΠ»Π΅Π½ΡΠ°ΡΡΠΉ Π²Π°Π» ΠΊΠΎΠΎΡΠ΄ΠΈΠ½ΠΈΡΡΡΡ ΡΠ²ΠΎΠ΅ Π΄Π²ΠΈΠΆΠ΅Π½ΠΈΠ΅ ΡΠ΅ΡΠ΅Π· ΡΠ΅ΠΌΠ΅Π½Ρ ΠΈΠ»ΠΈ ΡΠ΅ΠΏΡ ΠΠ Π. Π¦Π΅ΠΏΡ ΠΠ Π ΡΠ΄Π΅ΡΠΆΠΈΠ²Π°Π΅Ρ ΠΊΠΎΠ»Π΅Π½ΡΠ°ΡΡΠΉ Π²Π°Π» ΠΈ ΡΠ°ΡΠΏΡΠ΅Π΄Π΅Π»ΠΈΡΠ΅Π»ΡΠ½ΡΠΉ Π²Π°Π» Π² ΠΎΠ΄Π½ΠΎΠΌ ΠΈ ΡΠΎΠΌ ΠΆΠ΅ ΠΏΠΎΠ»ΠΎΠΆΠ΅Π½ΠΈΠΈ ΠΎΡΠ½ΠΎΡΠΈΡΠ΅Π»ΡΠ½ΠΎ Π΄ΡΡΠ³ Π΄ΡΡΠ³Π° Π²ΡΠ΅ Π²ΡΠ΅ΠΌΡ Π²ΠΎ Π²ΡΠ΅ΠΌΡ ΡΠ°Π±ΠΎΡΡ Π΄Π²ΠΈΠ³Π°ΡΠ΅Π»Ρ.ΠΡΠ»ΠΈ ΡΠ°ΡΠΏΡΠ΅Π΄Π²Π°Π» ΠΈ ΠΊΠΎΠ»Π΅Π½ΡΠ°ΡΡΠΉ Π²Π°Π» ΠΏΠΎ ΠΊΠ°ΠΊΠΎΠΉ-Π»ΠΈΠ±ΠΎ ΠΏΡΠΈΡΠΈΠ½Π΅ ΡΠ°ΡΡΠΈΠ½Ρ ΡΠΎΠ½ΠΈΠ·ΠΈΡΡΡΡΡΡ (Π½Π°ΠΏΡΠΈΠΌΠ΅Ρ, ΡΠ΅ΠΏΡ ΠΏΡΠΈΠ²ΠΎΠ΄Π° ΠΠ Π ΠΏΡΠΎΠΏΡΡΠΊΠ°Π΅Ρ Π·ΡΠ±ΡΠ°ΡΡΠΉ Π²Π΅Π½Π΅Ρ), Π΄Π²ΠΈΠ³Π°ΡΠ΅Π»Ρ Π½Π΅ Π±ΡΠ΄Π΅Ρ ΡΠ°Π±ΠΎΡΠ°ΡΡ.
ΠΠ»Π°ΠΏΠ°Π½Π½ΡΠΉ
ΠΠ»Π°ΠΏΠ°Π½Π½ΡΠΉ ΠΌΠ΅Ρ
Π°Π½ΠΈΠ·ΠΌ — ΡΡΠΎ ΠΌΠ΅Ρ
Π°Π½ΠΈΡΠ΅ΡΠΊΠ°Ρ ΡΠΈΡΡΠ΅ΠΌΠ°, ΠΊΠΎΡΠΎΡΠ°Ρ ΡΡΡΠ°Π½ΠΎΠ²Π»Π΅Π½Π° ββΠ½Π° Π³ΠΎΠ»ΠΎΠ²ΠΊΠ΅ Π±Π»ΠΎΠΊΠ° ΡΠΈΠ»ΠΈΠ½Π΄ΡΠΎΠ² ΠΈ ΡΠΏΡΠ°Π²Π»ΡΠ΅Ρ ΡΠ°Π±ΠΎΡΠΎΠΉ ΠΊΠ»Π°ΠΏΠ°Π½ΠΎΠ².
ΠΠ»Π°ΠΏΠ°Π½Π½ΡΠΉ ΠΌΠ΅Ρ
Π°Π½ΠΈΠ·ΠΌ ΡΠΎΡΡΠΎΠΈΡ ΠΈΠ· ΠΊΠ»Π°ΠΏΠ°Π½ΠΎΠ², ΠΊΠΎΡΠΎΠΌΡΡΠ΅Π», ΡΠΎΠ»ΠΊΠ°ΡΠ΅Π»Π΅ΠΉ ΠΈ ΠΏΠΎΠ΄ΡΠ΅ΠΌΠ½ΠΈΠΊΠΎΠ².
ΠΠ»Π°ΠΏΠ°Π½Ρ
ΠΠ»Π°ΠΏΠ°Π½Ρ Π±ΡΠ²Π°ΡΡ Π΄Π²ΡΡ ΡΠΈΠΏΠΎΠ²: Π²ΠΏΡΡΠΊΠ½ΡΠ΅ ΠΈ Π²ΡΠΏΡΡΠΊΠ½ΡΠ΅.ΠΠΏΡΡΠΊΠ½ΡΠ΅ ΠΊΠ»Π°ΠΏΠ°Π½Ρ ΠΏΠΎΠ΄Π°ΡΡ ΡΠΌΠ΅ΡΡ Π²ΠΎΠ·Π΄ΡΡ Π° ΠΈ ΡΠΎΠΏΠ»ΠΈΠ²Π° Π² ΠΊΠ°ΠΌΠ΅ΡΡ ΡΠ³ΠΎΡΠ°Π½ΠΈΡ, ΡΡΠΎΠ±Ρ ΡΠΎΠ·Π΄Π°ΡΡ ΡΠ³ΠΎΡΠ°Π½ΠΈΠ΅ Π΄Π»Ρ ΠΏΠΈΡΠ°Π½ΠΈΡ Π΄Π²ΠΈΠ³Π°ΡΠ΅Π»Ρ. ΠΡΠΏΡΡΠΊΠ½ΡΠ΅ ΠΊΠ»Π°ΠΏΠ°Π½Ρ ΠΏΠΎΠ·Π²ΠΎΠ»ΡΡΡ Π²ΡΡ Π»ΠΎΠΏΠ½ΡΠΌ Π³Π°Π·Π°ΠΌ, ΠΎΠ±ΡΠ°Π·ΠΎΠ²Π°Π²ΡΠΈΠΌΡΡ ΠΏΠΎΡΠ»Π΅ ΡΠ³ΠΎΡΠ°Π½ΠΈΡ, Π²ΡΡ ΠΎΠ΄ΠΈΡΡ ΠΈΠ· ΠΊΠ°ΠΌΠ΅ΡΡ ΡΠ³ΠΎΡΠ°Π½ΠΈΡ.
Π Π°Π²ΡΠΎΠΌΠΎΠ±ΠΈΠ»ΡΡ ΠΎΠ±ΡΡΠ½ΠΎ Π΅ΡΡΡ ΠΎΠ΄ΠΈΠ½ Π²ΠΏΡΡΠΊΠ½ΠΎΠΉ ΠΊΠ»Π°ΠΏΠ°Π½ ΠΈ ΠΎΠ΄ΠΈΠ½ Π²ΡΠΏΡΡΠΊΠ½ΠΎΠΉ ΠΊΠ»Π°ΠΏΠ°Π½ Π½Π° ΡΠΈΠ»ΠΈΠ½Π΄Ρ. ΠΠΎΠ»ΡΡΠΈΠ½ΡΡΠ²ΠΎ Π²ΡΡΠΎΠΊΠΎΠΏΡΠΎΠΈΠ·Π²ΠΎΠ΄ΠΈΡΠ΅Π»ΡΠ½ΡΡ Π°Π²ΡΠΎΠΌΠΎΠ±ΠΈΠ»Π΅ΠΉ (Π―Π³ΡΠ°ΡΡ, ΠΠ°Π·Π΅ΡΠ°ΡΠΈ ΠΈ Π΄Ρ.) ΠΠΌΠ΅ΡΡ ΡΠ΅ΡΡΡΠ΅ ΠΊΠ»Π°ΠΏΠ°Π½Π° Π½Π° ΡΠΈΠ»ΠΈΠ½Π΄Ρ (Π΄Π²Π° Π²ΠΏΡΡΠΊΠ½ΡΡ , Π΄Π²Π° Π²ΡΠΏΡΡΠΊΠ½ΡΡ ). Π₯ΠΎΡΡ Honda Π½Π΅ ΡΡΠΈΡΠ°Π΅ΡΡΡ Β«Π²ΡΡΠΎΠΊΠΎΠΏΡΠΎΠΈΠ·Π²ΠΎΠ΄ΠΈΡΠ΅Π»ΡΠ½ΡΠΌΒ» Π±ΡΠ΅Π½Π΄ΠΎΠΌ, ΠΎΠ½Π° ΡΠ°ΠΊΠΆΠ΅ ΠΈΡΠΏΠΎΠ»ΡΠ·ΡΠ΅Ρ Π² ΡΠ²ΠΎΠΈΡ Π°Π²ΡΠΎΠΌΠΎΠ±ΠΈΠ»ΡΡ ΡΠ΅ΡΡΡΠ΅ ΠΊΠ»Π°ΠΏΠ°Π½Π° Π½Π° ΡΠΈΠ»ΠΈΠ½Π΄Ρ.ΠΡΡΡ Π΄Π°ΠΆΠ΅ Π΄Π²ΠΈΠ³Π°ΡΠ΅Π»ΠΈ Ρ ΡΡΠ΅ΠΌΡ ΠΊΠ»Π°ΠΏΠ°Π½Π°ΠΌΠΈ Π½Π° ΡΠΈΠ»ΠΈΠ½Π΄Ρ — Π΄Π²ΡΠΌΡ Π²ΠΏΡΡΠΊΠ½ΡΠΌΠΈ ΠΊΠ»Π°ΠΏΠ°Π½Π°ΠΌΠΈ, ΠΎΠ΄Π½ΠΈΠΌ Π²ΡΠΏΡΡΠΊΠ½ΡΠΌ ΠΊΠ»Π°ΠΏΠ°Π½ΠΎΠΌ. ΠΠ½ΠΎΠ³ΠΎΠΊΠ»Π°ΠΏΠ°Π½Π½ΡΠ΅ ΡΠΈΡΡΠ΅ΠΌΡ ΠΏΠΎΠ·Π²ΠΎΠ»ΡΡΡ Π°Π²ΡΠΎΠΌΠΎΠ±ΠΈΠ»Ρ Π»ΡΡΡΠ΅ Β«Π΄ΡΡΠ°ΡΡΒ», ΡΡΠΎ, Π² ΡΠ²ΠΎΡ ΠΎΡΠ΅ΡΠ΅Π΄Ρ, ΡΠ»ΡΡΡΠ°Π΅Ρ Ρ Π°ΡΠ°ΠΊΡΠ΅ΡΠΈΡΡΠΈΠΊΠΈ Π΄Π²ΠΈΠ³Π°ΡΠ΅Π»Ρ.
ΠΠΎΡΠΎΠΌΡΡΠ»Π°
ΠΠΎΡΠΎΠΌΡΡΠ»Π° — ΡΡΠΎ ΠΌΠ°Π»Π΅Π½ΡΠΊΠΈΠ΅ ΡΡΡΠ°Π³ΠΈ, ΠΊΠΎΡΠΎΡΡΠ΅ ΠΊΠ°ΡΠ°ΡΡΡΡ ΠΊΡΠ»Π°ΡΠΊΠΎΠ² ΠΈΠ»ΠΈ ΠΊΡΠ»Π°ΡΠΊΠΎΠ² ΡΠ°ΡΠΏΡΠ΅Π΄Π΅Π»ΠΈΡΠ΅Π»ΡΠ½ΠΎΠ³ΠΎ Π²Π°Π»Π°.
ΠΠΎΠ³Π΄Π° Π»Π΅ΠΏΠ΅ΡΡΠΎΠΊ ΠΏΠΎΠ΄Π½ΠΈΠΌΠ°Π΅Ρ ΠΎΠ΄ΠΈΠ½ ΠΊΠΎΠ½Π΅Ρ ΠΊΠΎΡΠΎΠΌΡΡΠ»Π°, Π΄ΡΡΠ³ΠΎΠΉ ΠΊΠΎΠ½Π΅Ρ ΠΊΠΎΡΠΎΠΌΡΡΠ»Π° Π΄Π°Π²ΠΈΡ Π½Π° ΡΡΠΎΠΊ ΠΊΠ»Π°ΠΏΠ°Π½Π°, ΠΎΡΠΊΡΡΠ²Π°Ρ ΠΊΠ»Π°ΠΏΠ°Π½, ΡΡΠΎΠ±Ρ Π²ΠΏΡΡΡΠΈΡΡ Π²ΠΎΠ·Π΄ΡΡ
Π² ΠΊΠ°ΠΌΠ΅ΡΡ ΡΠ³ΠΎΡΠ°Π½ΠΈΡ ΠΈΠ»ΠΈ Π²ΡΠΏΡΡΡΠΈΡΡ Π²ΡΡ
Π»ΠΎΠΏ.ΠΡΠΎ ΡΠ°Π±ΠΎΡΠ°Π΅Ρ ΠΊΠ°ΠΊ ΠΊΠ°ΡΠ΅Π»ΠΈ.
Π’ΠΎΠ»ΠΊΠ°ΡΠ΅Π»ΠΈ / ΠΏΠΎΠ΄ΡΠ΅ΠΌΠ½ΠΈΠΊΠΈ
ΠΠ½ΠΎΠ³Π΄Π° ΠΊΡΠ»Π°ΡΠΊΠΈ ΡΠ°ΡΠΏΡΠ΅Π΄Π΅Π»ΠΈΡΠ΅Π»ΡΠ½ΠΎΠ³ΠΎ Π²Π°Π»Π° Π½Π΅ΠΏΠΎΡΡΠ΅Π΄ΡΡΠ²Π΅Π½Π½ΠΎ ΠΊΠ°ΡΠ°ΡΡΡΡ ΠΊΠΎΡΠΎΠΌΡΡΠ»Π° (ΠΊΠ°ΠΊ Π²Ρ Π²ΠΈΠ΄ΠΈΡΠ΅ Π½Π° Π΄Π²ΠΈΠ³Π°ΡΠ΅Π»ΡΡ Ρ Π²Π΅ΡΡ Π½ΠΈΠΌ ΡΠ°ΡΠΏΡΠ΅Π΄Π΅Π»ΠΈΡΠ΅Π»ΡΠ½ΡΠΌ Π²Π°Π»ΠΎΠΌ), ΠΎΡΠΊΡΡΠ²Π°Ρ ΠΈ Π·Π°ΠΊΡΡΠ²Π°Ρ ΠΊΠ»Π°ΠΏΠ°Π½. Π Π΄Π²ΠΈΠ³Π°ΡΠ΅Π»ΡΡ Ρ Π²Π΅ΡΡ Π½ΠΈΠΌ ΡΠ°ΡΠΏΠΎΠ»ΠΎΠΆΠ΅Π½ΠΈΠ΅ΠΌ ΠΊΠ»Π°ΠΏΠ°Π½ΠΎΠ² ΠΊΡΠ»Π°ΡΠΊΠΈ ΡΠ°ΡΠΏΡΠ΅Π΄Π΅Π»ΠΈΡΠ΅Π»ΡΠ½ΠΎΠ³ΠΎ Π²Π°Π»Π° Π½Π΅ ΠΊΠΎΠ½ΡΠ°ΠΊΡΠΈΡΡΡΡ Π½Π°ΠΏΡΡΠΌΡΡ Ρ ΠΊΠΎΡΠΎΠΌΡΡΠ»Π°ΠΌΠΈ, ΠΏΠΎΡΡΠΎΠΌΡ ΠΈΡΠΏΠΎΠ»ΡΠ·ΡΡΡΡΡ ΡΠΎΠ»ΠΊΠ°ΡΠ΅Π»ΠΈ ΠΈΠ»ΠΈ ΡΠΎΠ»ΠΊΠ°ΡΠ΅Π»ΠΈ.
Π’ΠΎΠΏΠ»ΠΈΠ²Π½ΡΠ΅ ΡΠΎΡΡΡΠ½ΠΊΠΈ
Π§ΡΠΎΠ±Ρ ΡΠΎΠ·Π΄Π°ΡΡ ΡΠ³ΠΎΡΠ°Π½ΠΈΠ΅, Π½Π΅ΠΎΠ±Ρ
ΠΎΠ΄ΠΈΠΌΠΎΠ΅ Π΄Π»Ρ Π΄Π²ΠΈΠΆΠ΅Π½ΠΈΡ ΠΏΠΎΡΡΠ½Π΅ΠΉ, Π½Π°ΠΌ Π½ΡΠΆΠ½ΠΎ ΡΠΎΠΏΠ»ΠΈΠ²ΠΎ Π² ΡΠΈΠ»ΠΈΠ½Π΄ΡΠ°Ρ
.ΠΠΎ 1980-Ρ
Π³ΠΎΠ΄ΠΎΠ² Π°Π²ΡΠΎΠΌΠΎΠ±ΠΈΠ»ΠΈ ΠΈΡΠΏΠΎΠ»ΡΠ·ΠΎΠ²Π°Π»ΠΈ ΠΊΠ°ΡΠ±ΡΡΠ°ΡΠΎΡΡ Π΄Π»Ρ ΠΏΠΎΠ΄Π°ΡΠΈ ΡΠΎΠΏΠ»ΠΈΠ²Π° Π² ΠΊΠ°ΠΌΠ΅ΡΡ ΡΠ³ΠΎΡΠ°Π½ΠΈΡ. Π‘Π΅Π³ΠΎΠ΄Π½Ρ Π²ΡΠ΅ Π°Π²ΡΠΎΠΌΠΎΠ±ΠΈΠ»ΠΈ ΠΈΡΠΏΠΎΠ»ΡΠ·ΡΡΡ ΠΎΠ΄Π½Ρ ΠΈΠ· ΡΡΠ΅Ρ
ΡΠΈΡΡΠ΅ΠΌ Π²ΠΏΡΡΡΠΊΠ° ΡΠΎΠΏΠ»ΠΈΠ²Π°: ΠΏΡΡΠΌΠΎΠΉ Π²ΠΏΡΡΡΠΊ ΡΠΎΠΏΠ»ΠΈΠ²Π°, Π²ΠΏΡΡΡΠΊ ΡΠΎΠΏΠ»ΠΈΠ²Π° ΡΠ΅ΡΠ΅Π· ΠΎΡΠ²Π΅ΡΡΡΠΈΡ ΠΈΠ»ΠΈ Π²ΠΏΡΡΡΠΊ ΡΠΎΠΏΠ»ΠΈΠ²Π° ΡΠ΅ΡΠ΅Π· ΠΊΠΎΡΠΏΡΡ Π΄ΡΠΎΡΡΠ΅Π»ΡΠ½ΠΎΠΉ Π·Π°ΡΠ»ΠΎΠ½ΠΊΠΈ.
ΠΡΠΈ Π½Π΅ΠΏΠΎΡΡΠ΅Π΄ΡΡΠ²Π΅Π½Π½ΠΎΠΌ Π²ΠΏΡΡΡΠΊΠ΅ ΡΠΎΠΏΠ»ΠΈΠ²Π° ΠΊΠ°ΠΆΠ΄ΡΠΉ ΡΠΈΠ»ΠΈΠ½Π΄Ρ ΠΈΠΌΠ΅Π΅Ρ ΡΠΎΠ±ΡΡΠ²Π΅Π½Π½ΡΡ ΡΠΎΡΡΡΠ½ΠΊΡ, ΠΊΠΎΡΠΎΡΠ°Ρ Π²ΠΏΡΡΡΠΊΠΈΠ²Π°Π΅Ρ ΡΠΎΠΏΠ»ΠΈΠ²ΠΎ ΠΏΡΡΠΌΠΎ Π² ΠΊΠ°ΠΌΠ΅ΡΡ ΡΠ³ΠΎΡΠ°Π½ΠΈΡ Π² ΡΠ°ΠΌΡΠΉ ΠΏΠΎΠ΄Ρ ΠΎΠ΄ΡΡΠΈΠΉ ΠΌΠΎΠΌΠ΅Π½Ρ Π΄Π»Ρ ΡΠ³ΠΎΡΠ°Π½ΠΈΡ.
ΠΡΠΈ ΡΠ°ΡΠΏΡΠ΅Π΄Π΅Π»Π΅Π½Π½ΠΎΠΌ Π²ΠΏΡΡΡΠΊΠ΅ ΡΠΎΠΏΠ»ΠΈΠ²Π° Π²ΠΌΠ΅ΡΡΠΎ ΡΠΎΠ³ΠΎ, ΡΡΠΎΠ±Ρ ΡΠ°ΡΠΏΡΠ»ΡΡΡ ΡΠΎΠΏΠ»ΠΈΠ²ΠΎ Π½Π΅ΠΏΠΎΡΡΠ΅Π΄ΡΡΠ²Π΅Π½Π½ΠΎ Π² ΡΠΈΠ»ΠΈΠ½Π΄Ρ, ΠΎΠ½ΠΎ ΡΠ°ΡΠΏΡΠ»ΡΠ΅ΡΡΡ Π²ΠΎ Π²ΠΏΡΡΠΊΠ½ΠΎΠΉ ΠΊΠΎΠ»Π»Π΅ΠΊΡΠΎΡ ΡΡΠ°Π·Ρ Π·Π° ΠΊΠ»Π°ΠΏΠ°Π½ΠΎΠΌ.ΠΠΎΠ³Π΄Π° ΠΊΠ»Π°ΠΏΠ°Π½ ΠΎΡΠΊΡΡΠ²Π°Π΅ΡΡΡ, Π²ΠΎΠ·Π΄ΡΡ ΠΈ ΡΠΎΠΏΠ»ΠΈΠ²ΠΎ ΠΏΠΎΠΏΠ°Π΄Π°ΡΡ Π² ΠΊΠ°ΠΌΠ΅ΡΡ ΡΠ³ΠΎΡΠ°Π½ΠΈΡ.
Π‘ΠΈΡΡΠ΅ΠΌΡ Π²ΠΏΡΡΡΠΊΠ° ΡΠΎΠΏΠ»ΠΈΠ²Π° Π² ΠΊΠΎΡΠΏΡΡΠ΅ Π΄ΡΠΎΡΡΠ΅Π»ΡΠ½ΠΎΠΉ Π·Π°ΡΠ»ΠΎΠ½ΠΊΠΈ ΡΠ°Π±ΠΎΡΠ°ΡΡ ΠΊΠ°ΠΊ ΠΊΠ°ΡΠ±ΡΡΠ°ΡΠΎΡΡ, Π½ΠΎ Π±Π΅Π· ΠΊΠ°ΡΠ±ΡΡΠ°ΡΠΎΡΠ°. ΠΠΌΠ΅ΡΡΠΎ ΡΠΎΠ³ΠΎ, ΡΡΠΎΠ±Ρ ΠΊΠ°ΠΆΠ΄ΡΠΉ ΡΠΈΠ»ΠΈΠ½Π΄Ρ ΠΏΠΎΠ»ΡΡΠΈΠ» ΡΠ²ΠΎΡ ΡΠΎΠ±ΡΡΠ²Π΅Π½Π½ΡΡ ΡΠΎΠΏΠ»ΠΈΠ²Π½ΡΡ ΡΠΎΡΡΡΠ½ΠΊΡ, Π΅ΡΡΡ ΡΠΎΠ»ΡΠΊΠΎ ΠΎΠ΄Π½Π° ΡΠΎΠΏΠ»ΠΈΠ²Π½Π°Ρ ΡΠΎΡΡΡΠ½ΠΊΠ°, ΠΊΠΎΡΠΎΡΠ°Ρ ΠΈΠ΄Π΅Ρ ΠΊ ΠΊΠΎΡΠΏΡΡΡ Π΄ΡΠΎΡΡΠ΅Π»ΡΠ½ΠΎΠΉ Π·Π°ΡΠ»ΠΎΠ½ΠΊΠΈ. Π’ΠΎΠΏΠ»ΠΈΠ²ΠΎ ΡΠΌΠ΅ΡΠΈΠ²Π°Π΅ΡΡΡ Ρ Π²ΠΎΠ·Π΄ΡΡ ΠΎΠΌ Π² ΠΊΠΎΡΠΏΡΡΠ΅ Π΄ΡΠΎΡΡΠ΅Π»ΡΠ½ΠΎΠΉ Π·Π°ΡΠ»ΠΎΠ½ΠΊΠΈ, Π° Π·Π°ΡΠ΅ΠΌ ΡΠ°ΡΠΏΡΠ΅Π΄Π΅Π»ΡΠ΅ΡΡΡ ΠΏΠΎ ΡΠΈΠ»ΠΈΠ½Π΄ΡΠ°ΠΌ ΡΠ΅ΡΠ΅Π· Π²ΠΏΡΡΠΊΠ½ΡΠ΅ ΠΊΠ»Π°ΠΏΠ°Π½Ρ.
Π‘Π²Π΅ΡΠ° Π·Π°ΠΆΠΈΠ³Π°Π½ΠΈΡ
ΠΠ°Π΄ ΠΊΠ°ΠΆΠ΄ΡΠΌ ΡΠΈΠ»ΠΈΠ½Π΄ΡΠΎΠΌ Π½Π°Ρ
ΠΎΠ΄ΠΈΡΡΡ ΡΠ²Π΅ΡΠ° Π·Π°ΠΆΠΈΠ³Π°Π½ΠΈΡ. ΠΠΎΠ³Π΄Π° ΠΎΠ½ Π·Π°Π³ΠΎΡΠ°Π΅ΡΡΡ, ΠΎΠ½ Π²ΠΎΡΠΏΠ»Π°ΠΌΠ΅Π½ΡΠ΅Ρ ΡΠΆΠ°ΡΠΎΠ΅ ΡΠΎΠΏΠ»ΠΈΠ²ΠΎ ΠΈ Π²ΠΎΠ·Π΄ΡΡ
, Π²ΡΠ·ΡΠ²Π°Ρ ΠΌΠΈΠ½ΠΈ-Π²Π·ΡΡΠ², ΠΊΠΎΡΠΎΡΡΠΉ ΡΠΎΠ»ΠΊΠ°Π΅Ρ ΠΏΠΎΡΡΠ΅Π½Ρ Π²Π½ΠΈΠ·.
Π§Π΅ΡΡΡΠ΅Ρ ΡΠ°ΠΊΡΠ½ΡΠΉ ΡΠΈΠΊΠ»
ΠΡΠ°ΠΊ, ΡΠ΅ΠΏΠ΅ΡΡ, ΠΊΠΎΠ³Π΄Π° ΠΌΡ Π·Π½Π°Π΅ΠΌ Π²ΡΠ΅ ΠΎΡΠ½ΠΎΠ²Π½ΡΠ΅ ΡΠ°ΡΡΠΈ Π΄Π²ΠΈΠ³Π°ΡΠ΅Π»Ρ, Π΄Π°Π²Π°ΠΉΡΠ΅ ΠΏΠΎΡΠΌΠΎΡΡΠΈΠΌ Π½Π° Π΄Π²ΠΈΠΆΠ΅Π½ΠΈΠ΅, ΠΊΠΎΡΠΎΡΠΎΠ΅ Π½Π° ΡΠ°ΠΌΠΎΠΌ Π΄Π΅Π»Π΅ Π·Π°ΡΡΠ°Π²Π»ΡΠ΅Ρ Π½Π°ΡΡ ΠΌΠ°ΡΠΈΠ½Ρ Π΄Π²ΠΈΠ³Π°ΡΡΡΡ: ΡΠ΅ΡΡΡΠ΅Ρ ΡΠ°ΠΊΡΠ½ΡΠΉ ΡΠΈΠΊΠ».
ΠΠ° ΠΏΡΠΈΠ²Π΅Π΄Π΅Π½Π½ΠΎΠΌ Π²ΡΡΠ΅ ΡΠΈΡΡΠ½ΠΊΠ΅ ΠΏΠΎΠΊΠ°Π·Π°Π½ ΡΠ΅ΡΡΡΠ΅Ρ ΡΠ°ΠΊΡΠ½ΡΠΉ ΡΠΈΠΊΠ» Π² ΠΎΠ΄Π½ΠΎΠΌ ΡΠΈΠ»ΠΈΠ½Π΄ΡΠ΅. ΠΡΠΎ ΠΏΡΠΎΠΈΡΡ ΠΎΠ΄ΠΈΡ ΠΈ Π² Π΄ΡΡΠ³ΠΈΡ ΡΠΈΠ»ΠΈΠ½Π΄ΡΠ°Ρ . ΠΠΎΠ²ΡΠΎΡΠΈΡΠ΅ ΡΡΠΎΡ ΡΠΈΠΊΠ» ΡΡΡΡΡΡ ΡΠ°Π· Π² ΠΌΠΈΠ½ΡΡΡ, ΠΈ Π²Ρ ΠΏΠΎΠ»ΡΡΠΈΡΠ΅ Π΄Π²ΠΈΠΆΡΡΡΡΡΡ ΠΌΠ°ΡΠΈΠ½Ρ.
ΠΡ Π²ΠΎΡ. ΠΡΠ½ΠΎΠ²Ρ ΡΠ°Π±ΠΎΡΡ Π°Π²ΡΠΎΠΌΠΎΠ±ΠΈΠ»ΡΠ½ΠΎΠ³ΠΎ Π΄Π²ΠΈΠ³Π°ΡΠ΅Π»Ρ. ΠΠ°Π³Π»ΡΠ½ΠΈΡΠ΅ ΡΠ΅Π³ΠΎΠ΄Π½Ρ ΠΏΠΎΠ΄ ΠΊΠ°ΠΏΠΎΡ Π²Π°ΡΠ΅Π³ΠΎ Π°Π²ΡΠΎΠΌΠΎΠ±ΠΈΠ»Ρ ΠΈ ΠΏΠΎΡΠΌΠΎΡΡΠΈΡΠ΅, ΡΠΌΠΎΠΆΠ΅ΡΠ΅ Π»ΠΈ Π²Ρ ΡΠΊΠ°Π·Π°ΡΡ Π½Π° Π΄Π΅ΡΠ°Π»ΠΈ, ΠΊΠΎΡΠΎΡΡΠ΅ ΠΌΡ ΠΎΠ±ΡΡΠΆΠ΄Π°Π»ΠΈ.ΠΡΠ»ΠΈ Π²Π°ΠΌ Π½ΡΠΆΠ½Π° Π΄ΠΎΠΏΠΎΠ»Π½ΠΈΡΠ΅Π»ΡΠ½Π°Ρ ΠΈΠ½ΡΠΎΡΠΌΠ°ΡΠΈΡ ΠΎ ΡΠΎΠΌ, ΠΊΠ°ΠΊ ΡΡΡΡΠΎΠ΅Π½ Π°Π²ΡΠΎΠΌΠΎΠ±ΠΈΠ»Ρ, ΠΏΠΎΡΠΌΠΎΡΡΠΈΡΠ΅ ΠΊΠ½ΠΈΠ³Ρ How Cars Work. ΠΡΠΎ ΠΎΡΠ΅Π½Ρ ΠΏΠΎΠΌΠΎΠ³Π»ΠΎ ΠΌΠ½Π΅ Π² ΠΌΠΎΠΈΡ ΠΈΡΡΠ»Π΅Π΄ΠΎΠ²Π°Π½ΠΈΡΡ . ΠΠ²ΡΠΎΡ ΠΎΡΠ»ΠΈΡΠ½ΠΎ ΡΠΏΡΠ°Π²Π»ΡΠ΅ΡΡΡ Ρ ΠΏΠ΅ΡΠ΅Π²ΠΎΠ΄ΠΎΠΌ Π²Π΅ΡΠ΅ΠΉ Π½Π° ΡΠ·ΡΠΊ, ΠΏΠΎΠ½ΡΡΠ½ΡΠΉ Π΄Π°ΠΆΠ΅ Π½ΠΎΠ²ΠΈΡΠΊΡ.
ΠΡΠ½ΠΎΠ²Π½ΡΠ΅ ΡΠ°ΡΡΠΈ Π°Π²ΡΠΎΠΌΠΎΠ±ΠΈΠ»ΡΠ½ΠΎΠ³ΠΎ Π΄Π²ΠΈΠ³Π°ΡΠ΅Π»Ρ
ΠΠ°ΡΠ΅ΠΌΡ Π΄Π²ΠΈΠ³Π°ΡΠ΅Π»Ρ, ΠΊΠ°ΠΊ ΠΈ Π»ΡΠ΄ΡΠΌ, Π΄Π»Ρ ΠΏΠ΅ΡΠ΅Π΄Π²ΠΈΠΆΠ΅Π½ΠΈΡ ΡΡΠ΅Π±ΡΠ΅ΡΡΡ ΡΠ½Π΅ΡΠ³ΠΈΡ. Π€Π°ΠΊΡΠΈΡΠ΅ΡΠΊΠΈ, ΠΎΡΠ½ΠΎΠ²Π½Π°Ρ Π·Π°Π΄Π°ΡΠ° Π΄Π²ΠΈΠ³Π°ΡΠ΅Π»Ρ — ΠΏΡΠ΅ΠΎΠ±ΡΠ°Π·ΠΎΠ²ΡΠ²Π°ΡΡ ΡΠ½Π΅ΡΠ³ΠΈΡ ΠΈΠ· ΡΠΎΠΏΠ»ΠΈΠ²Π° Ρ ΠΏΠΎΠΌΠΎΡΡΡ ΠΈΡΠΊΡΡ, ΡΡΠΎΠ±Ρ ΡΠΎΠ·Π΄Π°ΡΡ Π΄Π²ΠΈΠΆΡΡΡΡΡΡ ΡΠΈΠ»Ρ.
ΠΡΠΎ Π²Π½ΡΡΡΠ΅Π½Π½Π΅Π΅ ΡΠ³ΠΎΡΠ°Π½ΠΈΠ΅ ΡΠΎΠ·Π΄Π°Π΅Ρ ΠΊΡΠΎΡΠ΅ΡΠ½ΡΠ΅ ΡΠ΄Π΅ΡΠΆΠΈΠ²Π°Π΅ΠΌΡΠ΅ Π²Π·ΡΡΠ²Ρ, Π²ΡΠ·ΡΠ²Π°ΡΡΠΈΠ΅ Π΄Π²ΠΈΠΆΠ΅Π½ΠΈΠ΅. Π₯ΠΎΡΡ ΠΌΠ½ΠΎΠ³ΠΈΠ΅ ΠΈΠ· Π½Π°Ρ ΡΡΠΈΡΠ°ΡΡ Π΄Π²ΠΈΠ³Π°ΡΠ΅Π»Ρ ΠΎΠ΄Π½ΠΈΠΌ ΠΎΡΠ½ΠΎΠ²Π½ΡΠΌ ΠΊΠΎΠΌΠΏΠΎΠ½Π΅Π½ΡΠΎΠΌ, Π½Π° ΡΠ°ΠΌΠΎΠΌ Π΄Π΅Π»Π΅ ΠΎΠ½ ΡΠΎΡΡΠΎΠΈΡ ΠΈΠ· Π½Π΅ΡΠΊΠΎΠ»ΡΠΊΠΈΡ
ΠΎΡΠ΄Π΅Π»ΡΠ½ΡΡ
ΠΊΠΎΠΌΠΏΠΎΠ½Π΅Π½ΡΠΎΠ², ΡΠ°Π±ΠΎΡΠ°ΡΡΠΈΡ
ΠΎΠ΄Π½ΠΎΠ²ΡΠ΅ΠΌΠ΅Π½Π½ΠΎ. ΠΠΎΠ·ΠΌΠΎΠΆΠ½ΠΎ, Π²Ρ ΡΠ»ΡΡΠ°Π»ΠΈ ΠΎ Π½Π°Π·Π²Π°Π½ΠΈΡΡ
Π½Π΅ΠΊΠΎΡΠΎΡΡΡ
ΠΈΠ· ΡΡΠΈΡ
Π΄Π΅ΡΠ°Π»Π΅ΠΉ Π°Π²ΡΠΎΠΌΠΎΠ±ΠΈΠ»ΡΠ½ΠΎΠ³ΠΎ Π΄Π²ΠΈΠ³Π°ΡΠ΅Π»Ρ, Π½ΠΎ Π²Π°ΠΆΠ½ΠΎ Π·Π½Π°ΡΡ, ΠΊΠ°ΠΊΠΎΠ²Π° ΠΈΡ
ΡΠΎΠ»Ρ ΠΈ ΠΊΠ°ΠΊ ΠΎΠ½ΠΈ ΡΠΎΠΎΡΠ½ΠΎΡΡΡΡΡ Ρ Π΄ΡΡΠ³ΠΈΠΌΠΈ ΠΊΠΎΠΌΠΏΠΎΠ½Π΅Π½ΡΠ°ΠΌΠΈ Π΄Π²ΠΈΠ³Π°ΡΠ΅Π»Ρ.
ΠΠΎΠ·Π½Π°ΠΊΠΎΠΌΡΡΠ΅ΡΡ Ρ Π²Π°ΡΠΈΠΌ Π΄Π²ΠΈΠ³Π°ΡΠ΅Π»Π΅ΠΌ
ΠΠ²ΡΠΎΠΌΠΎΠ±ΠΈΠ»ΡΠ½ΡΠ΅ Π΄Π²ΠΈΠ³Π°ΡΠ΅Π»ΠΈ ΡΠΊΠΎΠ½ΡΡΡΡΠΈΡΠΎΠ²Π°Π½Ρ Π²ΠΎΠΊΡΡΠ³ Π³Π΅ΡΠΌΠ΅ΡΠΈΡΠ½ΡΡ ΡΠΏΡΡΠ³ΠΈΡ ΠΌΠ΅ΡΠ°Π»Π»ΠΈΡΠ΅ΡΠΊΠΈΡ ΡΠΈΠ»ΠΈΠ½Π΄ΡΠΎΠ².ΠΠΎΠ»ΡΡΠΈΠ½ΡΡΠ²ΠΎ ΡΠΎΠ²ΡΠ΅ΠΌΠ΅Π½Π½ΡΡ Π°Π²ΡΠΎΠΌΠΎΠ±ΠΈΠ»Π΅ΠΉ ΠΈΠΌΠ΅ΡΡ ΠΎΡ ΡΠ΅ΡΡΡΠ΅Ρ Π΄ΠΎ Π²ΠΎΡΡΠΌΠΈ ΡΠΈΠ»ΠΈΠ½Π΄ΡΠΎΠ² , , , Ρ ΠΎΡΡ Π½Π΅ΠΊΠΎΡΠΎΡΡΠ΅ Π°Π²ΡΠΎΠΌΠΎΠ±ΠΈΠ»ΠΈ ΠΌΠΎΠ³ΡΡ ΠΈΠΌΠ΅ΡΡ Π΄ΠΎ ΡΠ΅ΡΡΠ½Π°Π΄ΡΠ°ΡΠΈ ΡΠΈΠ»ΠΈΠ½Π΄ΡΠΎΠ²! Π¦ΠΈΠ»ΠΈΠ½Π΄ΡΡ ΠΎΡΠΊΡΡΠ²Π°ΡΡΡΡ ΠΈ Π·Π°ΠΊΡΡΠ²Π°ΡΡΡΡ ΡΠΎΡΠ½ΠΎ Π² Π½ΡΠΆΠ½ΠΎΠ΅ Π²ΡΠ΅ΠΌΡ, ΡΡΠΎΠ±Ρ ΠΏΠΎΠ΄Π°ΡΡ ΡΠΎΠΏΠ»ΠΈΠ²ΠΎ, ΡΠΎΠ΅Π΄ΠΈΠ½ΠΈΡΡΡΡ Ρ ΠΈΡΠΊΡΠΎΠΉ Π΄Π»Ρ Π²Π½ΡΡΡΠ΅Π½Π½Π΅Π³ΠΎ Π³ΠΎΡΠ΅Π½ΠΈΡ ΠΈ Π²ΡΠΏΡΡΡΠΈΡΡ ΠΎΠ±ΡΠ°Π·ΠΎΠ²Π°Π²ΡΠΈΠ΅ΡΡ Π²ΡΡ Π»ΠΎΠΏΠ½ΡΠ΅ Π³Π°Π·Ρ. Π₯ΠΎΡΡ Π΄Π²ΠΈΠ³Π°ΡΠ΅Π»Ρ ΡΠΎΡΡΠΎΠΈΡ ΠΈΠ· Π½Π΅ΡΠΊΠΎΠ»ΡΠΊΠΈΡ ΠΊΠΎΠΌΠΏΠΎΠ½Π΅Π½ΡΠΎΠ², ΠΌΡ ΡΠΎΡΡΠ°Π²ΠΈΠ»ΠΈ ΡΠΏΠΈΡΠΎΠΊ Π½Π°ΠΈΠ±ΠΎΠ»Π΅Π΅ Π²Π°ΠΆΠ½ΡΡ ΡΠ°ΡΡΠ΅ΠΉ Π°Π²ΡΠΎΠΌΠΎΠ±ΠΈΠ»ΡΠ½ΠΎΠ³ΠΎ Π΄Π²ΠΈΠ³Π°ΡΠ΅Π»Ρ ΠΈ ΠΈΡ ΡΡΠ½ΠΊΡΠΈΠΉ, ΠΊΠΎΡΠΎΡΡΠ΅ ΠΈΡΠΏΠΎΠ»ΡΠ·ΡΡΡΡΡ Π² Π²Π°ΡΠ΅ΠΌ Π°Π²ΡΠΎΠΌΠΎΠ±ΠΈΠ»Π΅.
ΠΠ±ΡΠ°ΡΠΈΡΠ΅ΡΡ ΠΊ ΡΡ
Π΅ΠΌΠ΅, ΡΡΠΎΠ±Ρ ΠΎΠΏΡΠ΅Π΄Π΅Π»ΠΈΡΡ, Π³Π΄Π΅ ΠΎΠ½ΠΈ Π½Π°Ρ
ΠΎΠ΄ΡΡΡΡ Π½Π° Π²Π°ΡΠ΅ΠΌ Π΄Π²ΠΈΠ³Π°ΡΠ΅Π»Π΅.- ΠΠ»ΠΎΠΊ Π΄Π²ΠΈΠ³Π°ΡΠ΅Π»Ρ — ΡΡΠΎ ΡΠ°ΠΌΠ°Ρ ΡΠ΅ΡΠ΄ΡΠ΅Π²ΠΈΠ½Π° Π΄Π²ΠΈΠ³Π°ΡΠ΅Π»Ρ. Π§Π°ΡΡΠΎ ΠΎΠ½ ΡΠ΄Π΅Π»Π°Π½ ΠΈΠ· Π°Π»ΡΠΌΠΈΠ½ΠΈΡ ΠΈΠ»ΠΈ ΠΆΠ΅Π»Π΅Π·Π°, ΠΎΠ½ ΠΈΠΌΠ΅Π΅Ρ Π½Π΅ΡΠΊΠΎΠ»ΡΠΊΠΎ ΠΎΡΠ²Π΅ΡΡΡΠΈΠΉ Π΄Π»Ρ ΡΠΈΠ»ΠΈΠ½Π΄ΡΠΎΠ², Π° ΡΠ°ΠΊΠΆΠ΅ ΠΎΠ±Π΅ΡΠΏΠ΅ΡΠΈΠ²Π°Π΅Ρ ΠΏΡΡΠΈ ΠΏΠΎΡΠΎΠΊΠ° Π²ΠΎΠ΄Ρ ΠΈ ΠΌΠ°ΡΠ»Π° Π΄Π»Ρ ΠΎΡ Π»Π°ΠΆΠ΄Π΅Π½ΠΈΡ ΠΈ ΡΠΌΠ°Π·ΠΊΠΈ Π΄Π²ΠΈΠ³Π°ΡΠ΅Π»Ρ. ΠΡΡΠΈ Π΄Π»Ρ ΠΌΠ°ΡΠ»Π° ΡΠΆΠ΅, ΡΠ΅ΠΌ ΠΏΡΡΠΈ Π΄Π»Ρ ΠΏΠΎΡΠΎΠΊΠ° Π²ΠΎΠ΄Ρ. Π Π±Π»ΠΎΠΊΠ΅ Π΄Π²ΠΈΠ³Π°ΡΠ΅Π»Ρ ΡΠ°ΠΊΠΆΠ΅ ΡΠ°ΡΠΏΠΎΠ»ΠΎΠΆΠ΅Π½Ρ ΠΏΠΎΡΡΠ½ΠΈ, ΠΊΠΎΠ»Π΅Π½ΡΠ°ΡΡΠΉ Π²Π°Π», ΡΠ°ΡΠΏΡΠ΅Π΄Π΅Π»ΠΈΡΠ΅Π»ΡΠ½ΡΠΉ Π²Π°Π» ΠΈ ΠΎΡ ΡΠ΅ΡΡΡΠ΅Ρ Π΄ΠΎ Π΄Π²Π΅Π½Π°Π΄ΡΠ°ΡΠΈ ΡΠΈΠ»ΠΈΠ½Π΄ΡΠΎΠ² — Π² Π·Π°Π²ΠΈΡΠΈΠΌΠΎΡΡΠΈ ΠΎΡ Π°Π²ΡΠΎΠΌΠΎΠ±ΠΈΠ»Ρ, Π² Π»ΠΈΠ½ΠΈΡ, ΡΠ°ΠΊΠΆΠ΅ ΠΈΠ·Π²Π΅ΡΡΠ½ΡΡ ΠΊΠ°ΠΊ ΡΡΠ΄Π½ΡΠΉ, ΠΏΠ»ΠΎΡΠΊΠΈΠΉ ΠΈΠ»ΠΈ Π² ΡΠΎΡΠΌΠ΅ V.
- ΠΠΎΡΡΠ½ΠΈ — ΠΏΡΠ΅Π΄ΡΡΠ°Π²Π»ΡΡΡ ΡΠΎΠ±ΠΎΠΉ ΡΠΈΠ»ΠΈΠ½Π΄ΡΠΈΡΠ΅ΡΠΊΠΈΠΉ Π°ΠΏΠΏΠ°ΡΠ°Ρ Ρ ΠΏΠ»ΠΎΡΠΊΠΎΠΉ ΠΏΠΎΠ²Π΅ΡΡ
Π½ΠΎΡΡΡΡ ΡΠ²Π΅ΡΡ
Ρ.Π ΠΎΠ»Ρ ΠΏΠΎΡΡΠ½Ρ Π·Π°ΠΊΠ»ΡΡΠ°Π΅ΡΡΡ Π² ΠΏΠ΅ΡΠ΅Π΄Π°ΡΠ΅ ΡΠ½Π΅ΡΠ³ΠΈΠΈ, ΠΎΠ±ΡΠ°Π·ΠΎΠ²Π°Π²ΡΠ΅ΠΉΡΡ Π² ΡΠ΅Π·ΡΠ»ΡΡΠ°ΡΠ΅ ΡΠ³ΠΎΡΠ°Π½ΠΈΡ, ΠΊΠΎΠ»Π΅Π½ΡΠ°ΡΠΎΠΌΡ Π²Π°Π»Ρ Π΄Π»Ρ Π΄Π²ΠΈΠΆΠ΅Π½ΠΈΡ Π°Π²ΡΠΎΠΌΠΎΠ±ΠΈΠ»Ρ. ΠΠΎΡΡΠ½ΠΈ ΠΏΠ΅ΡΠ΅ΠΌΠ΅ΡΠ°ΡΡΡΡ Π²Π²Π΅ΡΡ
ΠΈ Π²Π½ΠΈΠ· Π²Π½ΡΡΡΠΈ ΡΠΈΠ»ΠΈΠ½Π΄ΡΠ° Π΄Π²Π°ΠΆΠ΄Ρ Π·Π° ΠΊΠ°ΠΆΠ΄ΡΠΉ ΠΎΠ±ΠΎΡΠΎΡ ΠΊΠΎΠ»Π΅Π½ΡΠ°ΡΠΎΠ³ΠΎ Π²Π°Π»Π°. ΠΠΎΡΡΠ½ΠΈ Π΄Π²ΠΈΠ³Π°ΡΠ΅Π»Π΅ΠΉ, Π²ΡΠ°ΡΠ°ΡΡΠΈΡ
ΡΡ ΡΠΎ ΡΠΊΠΎΡΠΎΡΡΡΡ 1250 ΠΎΠ± / ΠΌΠΈΠ½, Π±ΡΠ΄ΡΡ ΠΏΠ΅ΡΠ΅ΠΌΠ΅ΡΠ°ΡΡΡΡ Π²Π²Π΅ΡΡ
ΠΈ Π²Π½ΠΈΠ· 2500 ΡΠ°Π· Π² ΠΌΠΈΠ½ΡΡΡ.
ΠΠ½ΡΡΡΠΈ ΠΏΠΎΡΡΠ½Ρ Π½Π°Ρ
ΠΎΠ΄ΡΡΡΡ ΠΏΠΎΡΡΠ½Π΅Π²ΡΠ΅ ΠΊΠΎΠ»ΡΡΠ°, ΠΊΠΎΡΠΎΡΡΠ΅ ΠΏΠΎΠΌΠΎΠ³Π°ΡΡ ΡΠΎΠ·Π΄Π°Π²Π°ΡΡ ΡΠΆΠ°ΡΠΈΠ΅ ΠΈ ΡΠΌΠ΅Π½ΡΡΠ°ΡΡ ΡΡΠ΅Π½ΠΈΠ΅ ΠΎΡ ΠΏΠΎΡΡΠΎΡΠ½Π½ΠΎΠ³ΠΎ ΡΡΠ΅Π½ΠΈΡ ΡΠΈΠ»ΠΈΠ½Π΄ΡΠ°. - ΠΠΎΠ»Π΅Π½ΡΠ°ΡΡΠΉ Π²Π°Π» t — ΠΠΎΠ»Π΅Π½ΡΠ°ΡΡΠΉ Π²Π°Π» ΡΠ°ΡΠΏΠΎΠ»ΠΎΠΆΠ΅Π½ Π² Π½ΠΈΠΆΠ½Π΅ΠΉ ΡΠ°ΡΡΠΈ Π±Π»ΠΎΠΊΠ° ΡΠΈΠ»ΠΈΠ½Π΄ΡΠΎΠ², Π²Π½ΡΡΡΠΈ ΡΠ΅ΠΉΠΊΠΈ ΠΊΠΎΠ»Π΅Π½ΡΠ°ΡΠΎΠ³ΠΎ Π²Π°Π»Π° (ΠΎΠ±Π»Π°ΡΡΡ Π²Π°Π»Π°, ΠΊΠΎΡΠΎΡΠ°Ρ ΠΎΠΏΠΈΡΠ°Π΅ΡΡΡ Π½Π° ΠΏΠΎΠ΄ΡΠΈΠΏΠ½ΠΈΠΊΠΈ).ΠΡΠΎΡ ΡΡΠ°ΡΠ΅Π»ΡΠ½ΠΎ ΠΎΠ±ΡΠ°Π±ΠΎΡΠ°Π½Π½ΡΠΉ ΠΈ ΡΠ±Π°Π»Π°Π½ΡΠΈΡΠΎΠ²Π°Π½Π½ΡΠΉ ΠΌΠ΅Ρ Π°Π½ΠΈΠ·ΠΌ ΡΠΎΠ΅Π΄ΠΈΠ½Π΅Π½ Ρ ΠΏΠΎΡΡΠ½ΡΠΌΠΈ ΡΠ΅ΡΠ΅Π· ΡΠ°ΡΡΠ½. ΠΠΎΠ΄ΠΎΠ±Π½ΠΎ ΡΠΎΠΌΡ, ΠΊΠ°ΠΊ ΡΠ°Π±ΠΎΡΠ°Π΅Ρ Π΄ΠΎΠΌΠΊΡΠ°Ρ Π² ΠΊΠΎΡΠΎΠ±ΠΊΠ΅, ΠΊΠΎΠ»Π΅Π½ΡΠ°ΡΡΠΉ Π²Π°Π» ΠΏΡΠ΅Π²ΡΠ°ΡΠ°Π΅Ρ ΠΏΠΎΡΡΠ½ΠΈ Π²Π²Π΅ΡΡ ΠΈ Π²Π½ΠΈΠ· Π² Π²ΠΎΠ·Π²ΡΠ°ΡΠ½ΠΎ-ΠΏΠΎΡΡΡΠΏΠ°ΡΠ΅Π»ΡΠ½ΠΎΠ΅ Π΄Π²ΠΈΠΆΠ΅Π½ΠΈΠ΅ Ρ ΡΠ°ΡΡΠΎΡΠΎΠΉ Π²ΡΠ°ΡΠ΅Π½ΠΈΡ Π΄Π²ΠΈΠ³Π°ΡΠ΅Π»Ρ.
- Π Π°ΡΠΏΡΠ΅Π΄Π΅Π»ΠΈΡΠ΅Π»ΡΠ½ΡΠΉ Π²Π°Π» — Π Π·Π°Π²ΠΈΡΠΈΠΌΠΎΡΡΠΈ ΠΎΡ Π°Π²ΡΠΎΠΌΠΎΠ±ΠΈΠ»Ρ ΡΠ°ΡΠΏΡΠ΅Π΄Π²Π°Π» ΠΌΠΎΠΆΠ΅Ρ ΡΠ°ΡΠΏΠΎΠ»Π°Π³Π°ΡΡΡΡ Π»ΠΈΠ±ΠΎ Π²Π½ΡΡΡΠΈ Π±Π»ΠΎΠΊΠ° Π΄Π²ΠΈΠ³Π°ΡΠ΅Π»Ρ, Π»ΠΈΠ±ΠΎ Π² Π³ΠΎΠ»ΠΎΠ²ΠΊΠ°Ρ
ΡΠΈΠ»ΠΈΠ½Π΄ΡΠΎΠ². ΠΠ½ΠΎΠ³ΠΈΠ΅ ΡΠΎΠ²ΡΠ΅ΠΌΠ΅Π½Π½ΡΠ΅ Π°Π²ΡΠΎΠΌΠΎΠ±ΠΈΠ»ΠΈ ΠΈΠΌΠ΅ΡΡ ΠΈΡ
Π² Π³ΠΎΠ»ΠΎΠ²ΠΊΠ°Ρ
ΡΠΈΠ»ΠΈΠ½Π΄ΡΠΎΠ², ΡΠ°ΠΊΠΆΠ΅ ΠΈΠ·Π²Π΅ΡΡΠ½ΡΡ
ΠΊΠ°ΠΊ Π΄Π²ΠΎΠΉΠ½ΠΎΠΉ Π²Π΅ΡΡ
Π½ΠΈΠΉ ΡΠ°ΡΠΏΡΠ΅Π΄Π΅Π»ΠΈΡΠ΅Π»ΡΠ½ΡΠΉ Π²Π°Π» (DOHC) ΠΈΠ»ΠΈ ΠΎΠ΄ΠΈΠ½Π°ΡΠ½ΡΠΉ Π²Π΅ΡΡ
Π½ΠΈΠΉ ΡΠ°ΡΠΏΡΠ΅Π΄Π΅Π»ΠΈΡΠ΅Π»ΡΠ½ΡΠΉ Π²Π°Π» (SOHC), ΠΈ ΠΏΠΎΠ΄Π΄Π΅ΡΠΆΠΈΠ²Π°ΡΡΡΡ ΠΏΠΎΡΠ»Π΅Π΄ΠΎΠ²Π°ΡΠ΅Π»ΡΠ½ΠΎΡΡΡΡ ΠΏΠΎΠ΄ΡΠΈΠΏΠ½ΠΈΠΊΠΎΠ², ΠΊΠΎΡΠΎΡΡΠ΅ ΡΠΌΠ°Π·ΡΠ²Π°ΡΡΡΡ ΠΌΠ°ΡΠ»ΠΎΠΌ Π΄Π»Ρ ΡΠ²Π΅Π»ΠΈΡΠ΅Π½ΠΈΡ ΡΡΠΎΠΊΠ° ΡΠ»ΡΠΆΠ±Ρ.
Π ΠΎΠ»Ρ ΡΠ°ΡΠΏΡΠ΅Π΄Π΅Π»ΠΈΡΠ΅Π»ΡΠ½ΠΎΠ³ΠΎ Π²Π°Π»Π° ΡΠΎΡΡΠΎΠΈΡ Π² ΡΠΎΠΌ, ΡΡΠΎΠ±Ρ ΡΠ΅Π³ΡΠ»ΠΈΡΠΎΠ²Π°ΡΡ Π²ΡΠ΅ΠΌΡ ΠΎΡΠΊΡΡΡΠΈΡ ΠΈ Π·Π°ΠΊΡΡΡΠΈΡ ΠΊΠ»Π°ΠΏΠ°Π½ΠΎΠ² ΠΈ ΠΏΡΠΈΠ½ΠΈΠΌΠ°ΡΡ Π²ΡΠ°ΡΠ°ΡΠ΅Π»ΡΠ½ΠΎΠ΅ Π΄Π²ΠΈΠΆΠ΅Π½ΠΈΠ΅ ΠΎΡ ΠΊΠΎΠ»Π΅Π½ΡΠ°ΡΠΎΠ³ΠΎ Π²Π°Π»Π° ΠΈ ΠΏΠ΅ΡΠ΅Π²ΠΎΠ΄ΠΈΡΡ Π΅Π³ΠΎ Π² Π΄Π²ΠΈΠΆΠ΅Π½ΠΈΠ΅ Π²Π²Π΅ΡΡ
ΠΈ Π²Π½ΠΈΠ· Π΄Π»Ρ ΡΠΏΡΠ°Π²Π»Π΅Π½ΠΈΡ Π΄Π²ΠΈΠΆΠ΅Π½ΠΈΠ΅ΠΌ ΠΏΠΎΠ΄ΡΠ΅ΠΌΠ½ΠΈΠΊΠΎΠ², ΠΏΠ΅ΡΠ΅ΠΌΠ΅ΡΠ΅Π½ΠΈΠ΅ΠΌ ΡΠΎΠ»ΠΊΠ°ΡΠ΅Π»Π΅ΠΉ, ΠΊΠΎΡΠΎΠΌΡΡΠ΅Π» ΠΈ ΠΊΠ»Π°ΠΏΠ°Π½ΠΎΠ². . - ΠΠΎΠ»ΠΎΠ²ΠΊΠ° Π±Π»ΠΎΠΊΠ° ΡΠΈΠ»ΠΈΠ½Π΄ΡΠΎΠ² — ΠΡΠ΅ΠΏΠΈΡΡΡ ΠΊ Π΄Π²ΠΈΠ³Π°ΡΠ΅Π»Ρ Ρ ΠΏΠΎΠΌΠΎΡΡΡ Π±ΠΎΠ»ΡΠΎΠ² ΡΠΈΠ»ΠΈΠ½Π΄ΡΠ°, ΡΠΏΠ»ΠΎΡΠ½Π΅Π½Π° ΠΏΡΠΎΠΊΠ»Π°Π΄ΠΊΠΎΠΉ Π³ΠΎΠ»ΠΎΠ²ΠΊΠΈ . ΠΠΎΠ»ΠΎΠ²ΠΊΠ° Π±Π»ΠΎΠΊΠ° ΡΠΈΠ»ΠΈΠ½Π΄ΡΠΎΠ² ΡΠΎΠ΄Π΅ΡΠΆΠΈΡ ΠΌΠ½ΠΎΠΆΠ΅ΡΡΠ²ΠΎ ΡΠ»Π΅ΠΌΠ΅Π½ΡΠΎΠ², Π²ΠΊΠ»ΡΡΠ°Ρ ΠΏΡΡΠΆΠΈΠ½Ρ ΠΊΠ»Π°ΠΏΠ°Π½ΠΎΠ², ΠΊΠ»Π°ΠΏΠ°Π½Ρ, ΡΠΎΠ»ΠΊΠ°ΡΠ΅Π»ΠΈ, ΡΠΎΠ»ΠΊΠ°ΡΠ΅Π»ΠΈ, ΠΊΠΎΡΠΎΠΌΡΡΠ»Π° ΠΈ ΡΠ°ΡΠΏΡΠ΅Π΄Π΅Π»ΠΈΡΠ΅Π»ΡΠ½ΡΠ΅ Π²Π°Π»Ρ Π΄Π»Ρ ΡΠΏΡΠ°Π²Π»Π΅Π½ΠΈΡ ΠΏΡΠΎΡ ΠΎΠ΄Π°ΠΌΠΈ, ΠΊΠΎΡΠΎΡΡΠ΅ ΠΏΠΎΠ·Π²ΠΎΠ»ΡΡΡ ΠΏΠΎΡΠΎΠΊΡ Π²ΡΠ°ΡΡΠ²Π°Π΅ΠΌΠΎΠ³ΠΎ Π²ΠΎΠ·Π΄ΡΡ Π° Π² ΡΠΈΠ»ΠΈΠ½Π΄ΡΡ Π²ΠΎ Π²ΡΠ΅ΠΌΡ ΡΠ°ΠΊΡΠ° Π²ΠΏΡΡΠΊΠ°, Π° ΡΠ°ΠΊΠΆΠ΅ Π²ΡΠΏΡΡΠΊΠ½ΡΠ΅ ΠΊΠ°Π½Π°Π»Ρ, ΠΊΠΎΡΠΎΡΡΠ΅ ΡΠ΄Π°Π»ΡΡΡ Π²ΡΡ Π»ΠΎΠΏΠ½ΡΠ΅ Π³Π°Π·Ρ Π²ΠΎ Π²ΡΠ΅ΠΌΡ ΡΠ°ΠΊΡΠ° Π²ΡΠΏΡΡΠΊΠ°. .
- Π Π΅ΠΌΠ΅Π½Ρ / ΡΠ΅ΠΏΡ ΠΏΡΠΈΠ²ΠΎΠ΄Π° ΠΠ Π — Π Π°ΡΠΏΡΠ΅Π΄Π΅Π»ΠΈΡΠ΅Π»ΡΠ½ΡΠΉ ΠΈ ΠΊΠΎΠ»Π΅Π½ΡΠ°ΡΡΠΉ Π²Π°Π»Ρ ΡΠΈΠ½Ρ
ΡΠΎΠ½ΠΈΠ·ΠΈΡΠΎΠ²Π°Π½Ρ Π΄Π»Ρ ΠΎΠ±Π΅ΡΠΏΠ΅ΡΠ΅Π½ΠΈΡ ΡΠΎΡΠ½ΠΎΠΉ ΡΠΈΠ½Ρ
ΡΠΎΠ½ΠΈΠ·Π°ΡΠΈΠΈ Π΄Π»Ρ ΠΏΡΠ°Π²ΠΈΠ»ΡΠ½ΠΎΠΉ ΡΠ°Π±ΠΎΡΡ Π΄Π²ΠΈΠ³Π°ΡΠ΅Π»Ρ. Π Π΅ΠΌΠ΅Π½Ρ ΠΈΠ·Π³ΠΎΡΠΎΠ²Π»Π΅Π½ ΠΈΠ· ΡΠ²Π΅ΡΡ
ΠΏΡΠΎΡΠ½ΠΎΠΉ ΡΠ΅Π·ΠΈΠ½Ρ Ρ Π·ΡΠ±ΡΡΠΌΠΈ Π΄Π»Ρ Π·Π°Ρ
Π²Π°ΡΠ° ΡΠΊΠΈΠ²ΠΎΠ² ΡΠ°ΡΠΏΡΠ΅Π΄Π΅Π»ΠΈΡΠ΅Π»ΡΠ½ΠΎΠ³ΠΎ ΠΈ ΠΊΠΎΠ»Π΅Π½ΡΠ°ΡΠΎΠ³ΠΎ Π²Π°Π»ΠΎΠ².
Π¦Π΅ΠΏΡ, ΠΏΠΎΡ
ΠΎΠΆΠ°Ρ Π½Π° Π²Π°ΡΡ Π²Π΅Π»ΠΎΡΠΈΠΏΠ΅Π΄Π½ΡΡ, ΠΎΠ±Π²ΠΈΠ²Π°Π΅Ρ ΡΠΊΠΈΠ²Ρ Π·ΡΠ±ΡΡΠΌΠΈ.
ΠΠ±ΡΠΈΠ΅ ΠΏΡΠΎΠ±Π»Π΅ΠΌΡ Π΄Π²ΠΈΠ³Π°ΡΠ΅Π»Ρ
ΠΡΠΈ ΡΠ°ΠΊΠΎΠΌ ΠΊΠΎΠ»ΠΈΡΠ΅ΡΡΠ²Π΅ ΠΌΠ΅Ρ Π°Π½ΠΈΠ·ΠΌΠΎΠ², Π²ΡΠΏΠΎΠ»Π½ΡΡΡΠΈΡ ΠΌΠ½ΠΎΠΆΠ΅ΡΡΠ²ΠΎ Π·Π°Π΄Π°Ρ Ρ ΠΌΠΎΠ»Π½ΠΈΠ΅Π½ΠΎΡΠ½ΠΎΠΉ ΡΠΊΠΎΡΠΎΡΡΡΡ, ΡΠΎ Π²ΡΠ΅ΠΌΠ΅Π½Π΅ΠΌ ΠΈΡ Π΄Π΅ΡΠ°Π»ΠΈ ΠΌΠΎΠ³ΡΡ Π½Π°ΡΠ°ΡΡ ΠΈΠ·Π½Π°ΡΠΈΠ²Π°ΡΡΡΡ, ΠΈΠ·-Π·Π° ΡΠ΅Π³ΠΎ Π²Π°Ρ Π°Π²ΡΠΎΠΌΠΎΠ±ΠΈΠ»Ρ Π±ΡΠ΄Π΅Ρ Π²Π΅ΡΡΠΈ ΡΠ΅Π±Ρ ΠΏΠΎ-Π΄ΡΡΠ³ΠΎΠΌΡ.ΠΠΎΡ Π½Π°ΠΈΠ±ΠΎΠ»Π΅Π΅ ΡΠ°ΡΡΡΠ΅ ΠΏΡΠΎΠ±Π»Π΅ΠΌΡ Ρ Π΄Π²ΠΈΠ³Π°ΡΠ΅Π»Π΅ΠΌ ΠΈ ΡΠ²ΡΠ·Π°Π½Π½ΡΠ΅ Ρ Π½ΠΈΠΌΠΈ ΡΠΈΠΌΠΏΡΠΎΠΌΡ:
- ΠΠ»ΠΎΡ ΠΎΠ΅ ΡΠΆΠ°ΡΠΈΠ΅ — ΠΏΡΠΈΠ²ΠΎΠ΄ΠΈΡ ΠΊ ΠΏΠΎΡΠ΅ΡΠ΅ ΠΌΠΎΡΠ½ΠΎΡΡΠΈ, ΠΏΡΠΎΠΏΡΡΠΊΠ°ΠΌ Π·Π°ΠΆΠΈΠ³Π°Π½ΠΈΡ ΠΈΠ»ΠΈ Π½Π΅ΠΏΡΡΠΊΡ Π΄Π²ΠΈΠ³Π°ΡΠ΅Π»Ρ.
- Π’ΡΠ΅ΡΠ½ΡΠ²ΡΠΈΠΉ Π±Π»ΠΎΠΊ Π΄Π²ΠΈΠ³Π°ΡΠ΅Π»Ρ — Π²ΡΠ·ΡΠ²Π°Π΅Ρ ΠΏΠ΅ΡΠ΅Π³ΡΠ΅Π², Π΄ΡΠΌ ΠΈΠ· Π²ΡΡ Π»ΠΎΠΏΠ½ΡΡ Π³Π°Π·ΠΎΠ² ΠΈΠ»ΠΈ ΡΡΠ΅ΡΠΊΡ ΠΎΡ Π»Π°ΠΆΠ΄Π°ΡΡΠ΅ΠΉ ΠΆΠΈΠ΄ΠΊΠΎΡΡΠΈ, ΠΎΠ±ΡΡΠ½ΠΎ ΠΈΠ΄Π΅Π½ΡΠΈΡΠΈΡΠΈΡΡΠ΅ΠΌΡΡ ΡΠ±ΠΎΠΊΡ Π΄Π²ΠΈΠ³Π°ΡΠ΅Π»Ρ.
- ΠΠΎΠ²ΡΠ΅ΠΆΠ΄Π΅Π½Ρ ΠΏΠΎΡΡΠ½ΠΈ, ΠΊΠΎΠ»ΡΡΠ° ΠΈ / ΠΈΠ»ΠΈ ΡΠΈΠ»ΠΈΠ½Π΄ΡΡ — ΠΈΠ·Π΄Π°ΡΡ Π΄ΡΠ΅Π±Π΅Π·ΠΆΠ°ΡΠΈΠ΅ Π·Π²ΡΠΊΠΈ, ΡΠΈΠ½ΠΈΠΉ Π΄ΡΠΌ ΠΈΠ· Π²ΡΡ Π»ΠΎΠΏΠ½ΠΎΠΉ ΡΡΡΠ±Ρ, ΡΠ΅Π·ΠΊΠΈΠΉ Ρ ΠΎΠ»ΠΎΡΡΠΎΠΉ Ρ ΠΎΠ΄ ΠΈΠ»ΠΈ Π½Π΅ΡΠ΄Π°ΡΠ½ΡΠΉ ΡΠ΅ΡΡ Π½Π° Π²ΡΠ±ΡΠΎΡΡ Π²ΡΡ Π»ΠΎΠΏΠ½ΡΡ Π³Π°Π·ΠΎΠ².
- Π‘Π»ΠΎΠΌΠ°Π½Π½ΡΠ΅ ΠΈΠ»ΠΈ ΠΈΠ·Π½ΠΎΡΠ΅Π½Π½ΡΠ΅ ΡΡΠ΅ΡΠΆΠ½ΠΈ, ΠΏΠΎΠ΄ΡΠΈΠΏΠ½ΠΈΠΊΠΈ ΠΈ ΠΏΠ°Π»ΡΡΡ — Π²ΡΠ·ΡΠ²Π°ΡΡ ΠΏΠΎΡΡΡΠΊΠΈΠ²Π°ΡΡΠΈΠ΅ ΠΈΠ»ΠΈ ΡΠΈΠΊΠ°ΡΡΠΈΠ΅ Π·Π²ΡΠΊΠΈ, Π½ΠΈΠ·ΠΊΠΎΠ΅ Π΄Π°Π²Π»Π΅Π½ΠΈΠ΅ ΠΌΠ°ΡΠ»Π°, ΠΎΠ±Π½Π°ΡΡΠΆΠ΅Π½ΠΈΠ΅ ΠΌΠ΅ΡΠ°Π»Π»ΠΈΡΠ΅ΡΠΊΠΎΠΉ ΡΡΡΡΠΆΠΊΠΈ Π² ΠΌΠΎΡΠΎΡΠ½ΠΎΠΌ ΠΌΠ°ΡΠ»Π΅ ΠΈΠ»ΠΈ Π΄ΡΠ΅Π±Π΅Π·ΠΆΠ°Π½ΠΈΠ΅ ΠΏΡΠΈ ΡΡΠΊΠΎΡΠ΅Π½ΠΈΠΈ.

ΠΠ²ΡΠΎΠΌΠΎΠ±ΠΈΠ»ΡΠ½ΡΠ΅ Π΄Π²ΠΈΠ³Π°ΡΠ΅Π»ΠΈ ΠΌΠΎΠ³ΡΡ ΠΏΠΎΠΊΠ°Π·Π°ΡΡΡΡ ΡΠ»ΠΎΠΆΠ½ΡΠΌΠΈ, Π½ΠΎ ΠΈΡ Π·Π°Π΄Π°ΡΠ° ΠΏΡΠΎΡΡΠ°: Π΄Π²ΠΈΠ³Π°ΡΡ Π²Π°Ρ Π°Π²ΡΠΎΠΌΠΎΠ±ΠΈΠ»Ρ Π²ΠΏΠ΅ΡΠ΅Π΄. ΠΠΎΡΠΊΠΎΠ»ΡΠΊΡ ΡΠ°ΠΊ ΠΌΠ½ΠΎΠ³ΠΎ ΠΊΠΎΠΌΠΏΠΎΠ½Π΅Π½ΡΠΎΠ² ΡΠ°Π±ΠΎΡΠ°ΡΡ Π²ΠΌΠ΅ΡΡΠ΅, ΡΡΠΎΠ±Ρ ΡΠΎΠ·Π΄Π°ΡΡ ΡΡΠΎ Π΄Π²ΠΈΠΆΠ΅Π½ΠΈΠ΅, Π²Π°Ρ Π°Π²ΡΠΎΠΌΠΎΠ±ΠΈΠ»Ρ ΠΎΠ±ΡΠ·Π°ΡΠ΅Π»ΡΠ½ΠΎ Π΄ΠΎΠ»ΠΆΠ΅Π½ ΠΏΠΎΠ»ΡΡΠ°ΡΡ Π½Π°Π΄Π»Π΅ΠΆΠ°ΡΠ΅Π΅ ΠΎΠ±ΡΠ»ΡΠΆΠΈΠ²Π°Π½ΠΈΠ΅, ΡΡΠΎΠ±Ρ ΠΎΠ±Π΅ΡΠΏΠ΅ΡΠΈΡΡ Π΅Π³ΠΎ Π΄ΠΎΠ»Π³ΠΎΠ²Π΅ΡΠ½ΠΎΡΡΡ. Π Π΅Π³ΡΠ»ΡΡΠ½ΡΠ΅ ΠΏΠ»Π°Π½ΠΎΠ²ΡΠ΅ Π·Π°ΠΌΠ΅Π½Ρ ΠΌΠ°ΡΠ»Π°, ΠΏΡΠΎΠΌΡΠ²ΠΊΠΈ ΠΆΠΈΠ΄ΠΊΠΎΡΡΠΈ, Π° ΡΠ°ΠΊΠΆΠ΅ Π·Π°ΠΌΠ΅Π½Π° ΡΠ΅ΠΌΠ½Π΅ΠΉ ΠΈ ΡΠ»Π°Π½Π³ΠΎΠ² Π² ΡΠ΅ΠΊΠΎΠΌΠ΅Π½Π΄ΠΎΠ²Π°Π½Π½ΠΎΠ΅ Π²ΡΠ΅ΠΌΡ — ΠΎΡΠ»ΠΈΡΠ½ΡΠΉ ΡΠΏΠΎΡΠΎΠ± ΠΏΡΠ΅Π΄ΠΎΡΠ²ΡΠ°ΡΠΈΡΡ Π½Π΅ΠΏΡΠΈΡΡΠ½ΡΠ΅ ΡΠΈΡΡΠ°ΡΠΈΠΈ, ΡΠ²ΡΠ·Π°Π½Π½ΡΠ΅ Ρ ΠΎΡΠΊΠ°Π·ΠΎΠΌ Π΄Π²ΠΈΠ³Π°ΡΠ΅Π»Ρ.
Sun Auto Service ΡΠΏΠ΅ΡΠΈΠ°Π»ΠΈΠ·ΠΈΡΡΠ΅ΡΡΡ Π½Π° ΠΎΠ±ΡΠ»ΡΠΆΠΈΠ²Π°Π½ΠΈΠΈ ΠΈ ΡΠ΅ΠΌΠΎΠ½ΡΠ΅ Π΄Π²ΠΈΠ³Π°ΡΠ΅Π»Π΅ΠΉ.ΠΠΎΠ³Π΄Π° Π²Ρ ΠΈΡΠ΅ΡΠ΅ ΡΠ΅ΡΠ²ΠΈΡΠ½ΡΠΉ ΡΠ΅Π½ΡΡ Π΄Π»Ρ ΡΡ
ΠΎΠ΄Π° Π·Π° ΡΠ²ΠΎΠΈΠΌ Π°Π²ΡΠΎΠΌΠΎΠ±ΠΈΠ»Π΅ΠΌ, Π²Π°ΠΌ Π½ΡΠΆΠ΅Π½ ΡΠ΅Π»ΠΎΠ²Π΅ΠΊ, ΠΊΠΎΡΠΎΡΠΎΠΌΡ Π²Ρ ΠΌΠΎΠΆΠ΅ΡΠ΅ Π΄ΠΎΠ²Π΅ΡΡΡΡ, ΡΡΠΎΠ±Ρ ΠΎΠ½ ΠΎΠ±Π΅ΡΠΏΠ΅ΡΠΈΠ» ΡΠ΅ΡΡΠ½ΡΡ ΠΈ ΠΊΠ°ΡΠ΅ΡΡΠ²Π΅Π½Π½ΡΡ ΡΠ°Π±ΠΎΡΡ. Sun Auto Service — ΡΡΠΎ ΡΠΎΡ ΡΠ΅ΡΠ²ΠΈΡ, Π½Π° ΠΊΠΎΡΠΎΡΡΠΉ Π²Ρ ΠΌΠΎΠΆΠ΅ΡΠ΅ ΠΏΠΎΠ»ΠΎΠΆΠΈΡΡΡΡ, ΡΡΠΎΠ±Ρ ΠΎΠ±Π΅ΡΠΏΠ΅ΡΠΈΡΡ ΡΠ΅ΡΡΠ½ΠΎΠ΅ ΠΈ ΠΊΠ°ΡΠ΅ΡΡΠ²Π΅Π½Π½ΠΎΠ΅ ΠΎΠ±ΡΠ»ΡΠΆΠΈΠ²Π°Π½ΠΈΠ΅ ΠΏΠΎ Π΄ΠΎΡΡΡΠΏΠ½ΠΎΠΉ ΡΠ΅Π½Π΅. ΠΡ Ρ Π³ΠΎΡΠ΄ΠΎΡΡΡΡ ΡΠΎΠΎΠ±ΡΠ°Π΅ΠΌ, ΡΡΠΎ Π½Π°ΡΠ° ΠΊΠΎΠΌΠΏΠ°Π½ΠΈΡ ΠΈΠΌΠ΅Π΅Ρ ΡΠ΅ΠΉΡΠΈΠ½Π³ A + Ρ Better Business Bureau, Ρ Π½Π°Ρ ΡΠ°Π±ΠΎΡΠ°ΡΡ ΡΠ΅ΡΡΠΈΡΠΈΡΠΈΡΠΎΠ²Π°Π½Π½ΡΠ΅ ΡΠ΅Ρ
Π½ΠΈΡΠ΅ΡΠΊΠΈΠ΅ ΡΠΏΠ΅ΡΠΈΠ°Π»ΠΈΡΡΡ ASE ΠΈ ΠΌΡ ΠΏΡΠ΅Π΄Π»Π°Π³Π°Π΅ΠΌ Π½Π΅Π²Π΅ΡΠΎΡΡΠ½ΡΡ ΠΎΠ±ΡΠ΅Π½Π°ΡΠΈΠΎΠ½Π°Π»ΡΠ½ΡΡ Π³Π°ΡΠ°Π½ΡΠΈΡ, ΠΊΠΎΡΠΎΡΠ°Ρ ΠΎΠ±Π΅ΡΠΏΠ΅ΡΠΈΡ Π²Π°ΡΠ΅ ΡΠ΄ΠΎΠ²Π»Π΅ΡΠ²ΠΎΡΠ΅Π½ΠΈΠ΅ Π΅ΡΠ΅ Π΄ΠΎΠ»Π³ΠΎΠ΅ Π²ΡΠ΅ΠΌΡ ΠΏΠΎΡΠ»Π΅ ΡΠΎΠ³ΠΎ, ΠΊΠ°ΠΊ Π²Π°Ρ Π°Π²ΡΠΎΠΌΠΎΠ±ΠΈΠ»Ρ ΠΏΠΎΠΊΠΈΠ½Π΅Ρ Π½Π°Ρ ΡΠ΅ΡΠ²ΠΈΡΠ½ΡΠΉ ΡΠ΅Π½ΡΡ.
Π‘Π΅ΡΠ²ΠΈΡ Π½Π° ΡΡΠΎΠ²Π½Π΅ Π΄ΠΈΠ»Π΅ΡΡΠΊΠΎΠ³ΠΎ ΡΠ΅Π½ΡΡΠ° ΠΏΠΎ ΡΠ΅Π½Π΅, ΠΊΠΎΡΠΎΡΠ°Ρ ΡΠΎΠΎΡΠ²Π΅ΡΡΡΠ²ΡΠ΅Ρ Π²Π°ΡΠ΅ΠΌΡ Π±ΡΠ΄ΠΆΠ΅ΡΡ? ΠΡΠΎ Π½Π΅ ΡΠ»ΠΈΡΠΊΠΎΠΌ Ρ
ΠΎΡΠΎΡΠΎ, ΡΡΠΎΠ±Ρ Π±ΡΡΡ ΠΏΡΠ°Π²Π΄ΠΎΠΉ, ΡΡΠΎ ΡΡΠΈΠ»Ρ Sun Auto Service.
101 Π§ΠΠ‘Π’Π¬ 1: ΠΡΠ½ΠΎΠ²Ρ ΡΠ°Π±ΠΎΡΡ Ρ Π΄Π²ΠΈΠ³Π°ΡΠ΅Π»Π΅ΠΌ Π΄Π»Ρ ΡΠ°ΠΉΠ½ΠΈΠΊΠΎΠ²
ΠΠΠΠΠΠ’Π ΠΠ ΠΠ«, Π§Π’Π ΠΠ« ΠΠ ΠΠΠ«Π¨ΠΠΠ’ΠΠ‘Π¬ ΠΊ ΠΎΡΡΡΡΠΌ ΠΎΡΡΡΠ΅Π½ΠΈΡΠΌ ΠΈ ΡΠΊΠΎΡΠΎΡΡΠΈ Π±ΡΡΡΡΠΎΠΉ Π΅Π·Π΄Ρ, , Π½ΠΎ Π½Π΅ Π·Π½Π°Π΅ΡΠ΅ ΠΏΠ΅ΡΠ²ΠΎΠΉ Π²Π΅ΡΠΈ ΠΎ ΡΠΎΠΌ, ΡΡΠΎ Π½Π° ΡΠ°ΠΌΠΎΠΌ Π΄Π΅Π»Π΅ ΠΏΡΠΎΠΈΡΡ ΠΎΠ΄ΠΈΡ ΠΏΠΎΠ΄ ΠΊΠ°ΠΏΠΎΡΠΎΠΌ? Π₯ΠΎΡΠΈΡΠ΅ ΡΠ·Π½Π°ΡΡ Π±ΠΎΠ»ΡΡΠ΅ ΠΎ ΡΠΎΠΌ, ΡΡΠΎ ΠΏΡΠΎΠΈΡΡ ΠΎΠ΄ΠΈΡ, Π½Π΅ ΠΏΠΎΡΠ΅ΡΠ°Ρ Auto Shop 101? ΠΠ°Ρ ΠΏΡΠ³Π°Π΅Ρ ΡΠ΅Ρ Π½ΠΈΠΊ Π² Π²Π°ΡΠ΅ΠΌ ΠΌΠ΅ΡΡΠ½ΠΎΠΌ ΠΌΠ°Π³Π°Π·ΠΈΠ½Π΅ ΠΏΡΠΎΠΈΠ·Π²ΠΎΠ΄ΠΈΡΠ΅Π»ΡΠ½ΠΎΡΡΠΈ, ΠΏΠΎΡΠΎΠΌΡ ΡΡΠΎ ΠΎΠ½ Π²ΡΠ΅Π³Π΄Π° ΠΏΡΡΠ°Π΅ΡΡΡ ΠΏΡΠΎΠ΄Π°ΡΡ Π²Π°ΠΌ ΠΌΠΈΠ³Π°ΡΡΡΡ ΠΆΠΈΠ΄ΠΊΠΎΡΡΡ, ΠΏΠΎΠ΄ΡΠΈΠΏΠ½ΠΈΠΊΠΈ Π³Π»ΡΡΠΈΡΠ΅Π»Ρ ΠΈ Π΄ΡΡΠ³ΠΈΠ΅ Π΄Π΅ΡΠ°Π»ΠΈ, ΠΎ ΡΡΡΠ΅ΡΡΠ²ΠΎΠ²Π°Π½ΠΈΠΈ ΠΊΠΎΡΠΎΡΡΡ Π²Ρ Π΄Π°ΠΆΠ΅ Π½Π΅ ΡΠ²Π΅ΡΠ΅Π½Ρ? ΠΡΠ»ΠΈ Π²Ρ ΠΎΡΠ²Π΅ΡΠΈΠ»ΠΈ Β«Π΄Π°Β» Π½Π° Π»ΡΠ±ΠΎΠΉ ΠΈΠ· ΡΡΠΈΡ Π²ΠΎΠΏΡΠΎΡΠΎΠ², Π²Π°ΠΌ ΡΠ»Π΅Π΄ΡΠ΅Ρ Π½Π°ΡΠ°ΡΡ ΠΈΠΌΠ΅Π½Π½ΠΎ Ρ ΡΡΠΎΠ³ΠΎ.ΠΡ ΡΠ°ΡΡΠΊΠ°ΠΆΠ΅ΠΌ Π²Π°ΠΌ Π²ΡΠ΅ ΠΎ ΡΡΠΌΠ½ΠΎΠΌ ΠΊΡΡΠΊΠ΅ ΠΌΠ΅ΡΠ°Π»Π»Π°, ΠΏΡΠΈΠΊΡΠ΅ΠΏΠ»Π΅Π½Π½ΠΎΠ³ΠΎ ΠΊ Π²Π°ΡΠΈΠΌ ΠΊΠΎΠ»Π΅ΡΠ°ΠΌ, ΠΈ Π½Π΅ΠΌΠ½ΠΎΠ³ΠΎ ΠΎ ΡΠΎΠΌ, ΡΡΠΎ Π·Π°ΡΡΠ°Π²Π»ΡΠ΅Ρ Π΅Π³ΠΎ Π΄Π²ΠΈΠ³Π°ΡΡΡΡ Π²ΠΏΠ΅ΡΠ΅Π΄.
Π’Π΅ΠΊΡΡ ΠΠ°ΠΉΠΊΠ° ΠΠΎΠ΄Π·ΠΈΠΌΡ ΠΈ ΠΡΠ½ΠΎΠ»ΡΠ΄Π° ΠΡΡ Π΅Π½ΠΈΠΎ // Π€ΠΎΡΠΎΠ³ΡΠ°ΡΠΈΠΈ ΠΈ ΠΈΠ»Π»ΡΡΡΡΠ°ΡΠΈΠΈ ΡΠΎΡΡΡΠ΄Π½ΠΈΠΊΠΎΠ² DSPORT
ΠΠ‘ΠΠΠ Π’ ΠΡΠΏΡΡΠΊ β 148ΠΠ½Π°Π½ΠΈΠ΅ — ΡΠΈΠ»Π°
Π§ΡΠΎΠ±Ρ ΠΏΠΎΠ»Π½ΠΎΡΡΡΡ ΠΏΠΎΠ½ΡΡΡ, ΠΊΠ°ΠΊ ΡΠ°Π±ΠΎΡΠ°ΡΡ Π½ΠΎΠ²Π΅ΠΉΡΠΈΠ΅ ΡΠΊΠΎΡΠΎΡΡΠ½ΡΠ΅ Π΄Π΅ΡΠ°Π»ΠΈ, Π²Π°ΠΌ ΡΠ½Π°ΡΠ°Π»Π° Π½ΡΠΆΠ½ΠΎ ΠΏΠΎΠ½ΡΡΡ, ΠΊΠ°ΠΊ ΡΠ°Π±ΠΎΡΠ°Π΅Ρ Π΄Π²ΠΈΠ³Π°ΡΠ΅Π»Ρ.
ΠΠΎΠ»ΡΡΠΈΠ½ΡΡΠ²ΠΎ ΠΈΠ·Π²Π΅ΡΡΠ½ΡΡ
Π½Π°ΠΌ Π°Π²ΡΠΎΠΌΠΎΠ±ΠΈΠ»Π΅ΠΉ ΠΎΡΠ½Π°ΡΠ΅Π½Ρ ΡΠ°ΠΊ Π½Π°Π·ΡΠ²Π°Π΅ΠΌΡΠΌΠΈ 4-ΡΠ°ΠΊΡΠ½ΡΠΌΠΈ Π΄Π²ΠΈΠ³Π°ΡΠ΅Π»ΡΠΌΠΈ.4-ΡΠ°ΠΊΡΠ½ΡΠΉ — ΡΡΠΎ ΡΠ΅ΡΡΡΠ΅ ΡΠ°ΠΊΡΠ° Π² ΡΠ½Π΅ΡΠ³Π΅ΡΠΈΡΠ΅ΡΠΊΠΎΠΌ ΡΠΈΠΊΠ»Π΅; ΡΠ°ΠΊΡ Π²ΠΏΡΡΠΊΠ°, ΡΠ°ΠΊΡ ΡΠΆΠ°ΡΠΈΡ, ΡΠ°Π±ΠΎΡΠΈΠΉ ΡΠ°ΠΊΡ ΠΈ ΡΠ°ΠΊΡ Π²ΡΠΏΡΡΠΊΠ°. ΠΡ ΡΠ°ΡΡΠΌΠΎΡΡΠΈΠΌ ΠΈΡ
Π±ΠΎΠ»Π΅Π΅ ΠΏΠΎΠ΄ΡΠΎΠ±Π½ΠΎ Π² ΡΠ°Π·Π΄Π΅Π»Π΅ Β«ΠΠΠΠΠΠ’ΠΠΠ¬ 101, Π§ΠΠ‘Π’Π¬ 2Β». ΠΠ° Π΄Π°Π½Π½ΡΠΉ ΠΌΠΎΠΌΠ΅Π½Ρ Π²Π°ΠΌ Π½ΡΠΆΠ½ΠΎ Π·Π½Π°ΡΡ, ΡΡΠΎ ΡΠ΅ΡΡΡΠ΅Ρ
ΡΠ°ΠΊΡΠ½ΡΠΉ ΡΠΈΠΊΠ» ΠΎΠ±ΡΡΡΠ½ΡΠ΅Ρ, ΠΊΠ°ΠΊ ΡΠΌΠ΅ΡΡ Π±Π΅Π½Π·ΠΈΠ½Π° ΠΈ Π²ΠΎΠ·Π΄ΡΡ
Π° ΠΌΠΎΠΆΠ΅Ρ Π±ΡΡΡ Π²ΠΎΡΠΏΠ»Π°ΠΌΠ΅Π½Π΅Π½Π°, ΡΠΎΠΆΠΆΠ΅Π½Π° ΠΈ ΠΏΠ»Π°Π²Π½ΠΎ ΠΏΡΠ΅ΠΎΠ±ΡΠ°Π·ΠΎΠ²Π°Π½Π° Π² ΠΏΠΎΠ»Π΅Π·Π½ΡΡ ΠΌΠΎΡΠ½ΠΎΡΡΡ, ΡΡΠΎΠ±Ρ ΡΠ±ΡΠΎΡΠΈΡΡ Π²Π°Ρ Π½Π° ΡΠ΅ΡΠ²Π΅ΡΡΡ ΠΌΠΈΠ»ΠΈ, ΠΏΠΎ ΡΡΠ°ΡΡΠ΅ ΠΈΠ»ΠΈ ΠΏΡΠΎΡΡΠΎ Π΄ΠΎΡΡΠ°Π²ΠΈΡΡ Π²Π°Ρ ΠΊ Π Π°Π±ΠΎΡΠ°.
ΠΠ²ΠΈΠ³Π°ΡΠ΅Π»Ρ ΡΠΎΡΡΠΎΠΈΡ ΠΈΠ· Π½Π΅ΡΠΊΠΎΠ»ΡΠΊΠΈΡ ΠΎΡΠ½ΠΎΠ²Π½ΡΡ ΠΊΠΎΠΌΠΏΠΎΠ½Π΅Π½ΡΠΎΠ²; Π±Π»ΠΎΠΊ, ΠΊΡΠΈΠ²ΠΎΡΠΈΠΏ, ΡΠ°ΡΡΠ½Ρ, ΠΏΠΎΡΡΠ½ΠΈ, Π³ΠΎΠ»ΠΎΠ²ΠΊΡ (ΠΈΠ»ΠΈ Π³ΠΎΠ»ΠΎΠ²ΠΊΠΈ), ΠΊΠ»Π°ΠΏΠ°Π½Ρ, ΠΊΡΠ»Π°ΡΠΊΠΈ, Π²ΠΏΡΡΠΊΠ½ΡΡ ΠΈ Π²ΡΠΏΡΡΠΊΠ½ΡΡ ΡΠΈΡΡΠ΅ΠΌΡ ΠΈ ΡΠΈΡΡΠ΅ΠΌΡ Π·Π°ΠΆΠΈΠ³Π°Π½ΠΈΡ.ΠΡΠΈ ΡΠ°ΡΡΠΈ ΡΠ°Π±ΠΎΡΠ°ΡΡ Π²ΠΌΠ΅ΡΡΠ΅, ΡΡΠΎΠ±Ρ ΠΈΡΠΏΠΎΠ»ΡΠ·ΠΎΠ²Π°ΡΡ Ρ ΠΈΠΌΠΈΡΠ΅ΡΠΊΡΡ ΡΠ½Π΅ΡΠ³ΠΈΡ Π±Π΅Π½Π·ΠΈΠ½Π°, ΠΏΡΠ΅ΠΎΠ±ΡΠ°Π·ΠΎΠ²ΡΠ²Π°Ρ ΠΌΠ½ΠΎΠΆΠ΅ΡΡΠ²ΠΎ ΠΌΠ΅Π»ΠΊΠΈΡ ΠΈ Π±ΡΡΡΡΡΡ ΠΏΡΠΎΡΠ΅ΡΡΠΎΠ² ΡΠ³ΠΎΡΠ°Π½ΠΈΡ Π² Π²ΡΠ°ΡΠ°ΡΠ΅Π»ΡΠ½ΠΎΠ΅ Π΄Π²ΠΈΠΆΠ΅Π½ΠΈΠ΅, ΠΊΠΎΡΠΎΡΠΎΠ΅ Π² ΠΊΠΎΠ½Π΅ΡΠ½ΠΎΠΌ ΠΈΡΠΎΠ³Π΅ ΡΠ°ΡΠΊΡΡΡΠΈΠ²Π°Π΅Ρ Π²Π°ΡΠΈ ΠΊΠΎΠ»Π΅ΡΠ° ΠΈ ΠΏΡΠΈΠ²ΠΎΠ΄ΠΈΡ Π² Π΄Π²ΠΈΠΆΠ΅Π½ΠΈΠ΅ Π²Π°Ρ Π°Π²ΡΠΎΠΌΠΎΠ±ΠΈΠ»Ρ.
Block Hole, Π‘ΡΠ½
ΠΠ»ΠΎΠΊ — ΡΡΠΎ ΠΎΡΠ½ΠΎΠ²Π½Π°Ρ ΡΠ°ΡΡΡ Π΄Π²ΠΈΠ³Π°ΡΠ΅Π»Ρ, ΠΊΠΎΡΠΎΡΠ°Ρ ΡΠΎΠ΄Π΅ΡΠΆΠΈΡ Π²ΠΎΠ·Π²ΡΠ°ΡΠ½ΠΎ-ΠΏΠΎΡΡΡΠΏΠ°ΡΠ΅Π»ΡΠ½ΡΠ΅ ΠΊΠΎΠΌΠΏΠΎΠ½Π΅Π½ΡΡ, ΠΊΠΎΡΠΎΡΡΠ΅ ΠΈΡΠΏΠΎΠ»ΡΠ·ΡΡΡ ΡΠ½Π΅ΡΠ³ΠΈΡ Π±Π΅Π½Π·ΠΈΠ½Π°.
ΠΡΠ»ΠΈ Π²Ρ Π·Π°Π³Π»ΡΠ½Π΅ΡΠ΅ ΠΏΠΎΠ΄ ΠΊΠ°ΠΏΠΎΡ, ΡΠΎ ΡΠ²ΠΈΠ΄ΠΈΡΠ΅, ΡΡΠΎ Π² ΡΠ΅Π½ΡΡΠ΅ ΠΌΠΎΡΠΎΡΠ½ΠΎΠ³ΠΎ ΠΎΡΡΠ΅ΠΊΠ° Π½Π°Ρ
ΠΎΠ΄ΠΈΡΡΡ Π±ΠΎΠ»ΡΡΠΎΠΉ ΠΊΡΡΠΎΠΊ ΠΌΠ΅ΡΠ°Π»Π»Π°, ΠΊ ΠΊΠΎΡΠΎΡΠΎΠΌΡ, ΠΊΠ°ΠΆΠ΅ΡΡΡ, ΠΏΡΠΈΠΊΡΠ΅ΠΏΠ»Π΅Π½Π° ΡΠ΅Π»Π°Ρ ΠΊΡΡΠ° Π΄ΡΡΠ³ΠΎΠ³ΠΎ ΠΌΠ΅ΡΠ°Π»Π»Π°, ΠΏΡΠΎΠ²ΠΎΠ΄ΠΎΠ² ΠΈ ΡΡΡΠ±ΠΎΠΊ.
ΠΠ»ΠΎΠΊ ΠΈΠΌΠ΅Π΅Ρ ΠΊΡΡΠ³Π»ΡΠ΅ ΠΎΡΠ²Π΅ΡΡΡΠΈΡ, Π² ΠΊΠΎΡΠΎΡΡΡ
ΠΏΠΎΡΡΠ½ΠΈ ΡΠΊΠΎΠ»ΡΠ·ΡΡ Π²Π²Π΅ΡΡ
ΠΈ Π²Π½ΠΈΠ·. ΠΠ°ΠΆΠ΄ΠΎΠ΅ ΠΎΡΠ²Π΅ΡΡΡΠΈΠ΅ Π½Π°Π·ΡΠ²Π°Π΅ΡΡΡ Β«ΡΠ°ΡΡΠΎΡΠΊΠΎΠΉ ΡΠΈΠ»ΠΈΠ½Π΄ΡΠ°Β». ΠΠΎΡΠΊΠΎΠ»ΡΠΊΡ ΠΎΡΠ²Π΅ΡΡΡΠΈΠ΅ ΡΠΈΠ»ΠΈΠ½Π΄ΡΠ° ΠΈΠ»ΠΈ Β«ΡΠΈΠ»ΠΈΠ½Π΄ΡΒ» ΠΈΠΌΠ΅Π΅Ρ ΠΎΠ΄ΠΈΠ½ ΠΏΠΎΡΡΠ΅Π½Ρ, ΠΎΠ±ΡΠ΅Π΅ ΠΊΠΎΠ»ΠΈΡΠ΅ΡΡΠ²ΠΎ ΡΠΈΠ»ΠΈΠ½Π΄ΡΠΎΠ² Π² Π±Π»ΠΎΠΊΠ΅ ΡΠ°Π²Π½ΠΎ ΠΊΠΎΠ»ΠΈΡΠ΅ΡΡΠ²Ρ ΠΏΠΎΡΡΠ½Π΅ΠΉ; ΡΠ΅ΡΡΡΠ΅Ρ
ΡΠΈΠ»ΠΈΠ½Π΄ΡΠΎΠ²ΡΠΉ Π΄Π²ΠΈΠ³Π°ΡΠ΅Π»Ρ ΠΈΠΌΠ΅Π΅Ρ ΡΠ΅ΡΡΡΠ΅ ΠΎΡΠ²Π΅ΡΡΡΠΈΡ ΠΈ ΡΠ΅ΡΡΡΠ΅ ΠΏΠΎΡΡΠ½Ρ, ΡΠ΅ΡΡΠΈΡΠΈΠ»ΠΈΠ½Π΄ΡΠΎΠ²ΡΠΉ Π΄Π²ΠΈΠ³Π°ΡΠ΅Π»Ρ Π±ΡΠ΄Π΅Ρ ΠΈΠΌΠ΅ΡΡ ΡΠ΅ΡΡΡ ΠΎΡΠ²Π΅ΡΡΡΠΈΠΉ ΠΈ ΡΠ΅ΡΡΡ ΠΏΠΎΡΡΠ½Π΅ΠΉ ΠΈ ΡΠ°ΠΊ Π΄Π°Π»Π΅Π΅. ΠΠΎΠ»ΠΎΠ²ΠΊΠ° Π±Π»ΠΎΠΊΠ° ΡΠΈΠ»ΠΈΠ½Π΄ΡΠΎΠ² Π½Π°Π·ΡΠ²Π°Π΅ΡΡΡ Π³ΠΎΠ»ΠΎΠ²ΠΊΠΎΠΉ, ΠΏΠΎΡΠΎΠΌΡ ΡΡΠΎ ΠΎΠ½Π° Π½Π°Ρ
ΠΎΠ΄ΠΈΡΡΡ Π½Π°Π²Π΅ΡΡ
Ρ Π±Π»ΠΎΠΊΠ°, Π·Π°ΠΊΡΡΠ²Π°Ρ ΡΠΈΠ»ΠΈΠ½Π΄ΡΡ ΠΈ ΠΏΠΎΡΡΠ½ΠΈ. ΠΠ΅ΠΊΠΎΡΠΎΡΡΠ΅ Π΄Π²ΠΈΠ³Π°ΡΠ΅Π»ΠΈ ΠΈΠΌΠ΅ΡΡ ΡΠΈΠ»ΠΈΠ½Π΄ΡΡ, ΡΠ°ΡΠΏΠΎΠ»ΠΎΠΆΠ΅Π½Π½ΡΠ΅ Π³ΠΎΡΠΈΠ·ΠΎΠ½ΡΠ°Π»ΡΠ½ΠΎ Π½Π°ΠΏΡΠΎΡΠΈΠ² Π΄ΡΡΠ³ Π΄ΡΡΠ³Π° ΠΈΠ»ΠΈ ΠΈΠΌΠ΅ΡΡΠΈΠ΅ V-ΠΎΠ±ΡΠ°Π·Π½ΡΡ ΠΊΠΎΠ½ΡΠΈΠ³ΡΡΠ°ΡΠΈΡ.Π ΡΠ΅Π·ΡΠ»ΡΡΠ°ΡΠ΅ Π΅ΡΡΡ Π΄Π²Π΅ Π³ΠΎΠ»ΠΎΠ²ΠΊΠΈ, Π·Π°ΠΊΡΡΠ²Π°ΡΡΠΈΠ΅ ΡΡΠ°ΡΡΠΊΠΈ Π½Π° Π±Π»ΠΎΠΊΠ΅ Ρ ΠΎΡΠΊΡΡΡΡΠΌΠΈ ΠΏΠΎΡΡΠ½ΡΠΌΠΈ. ΠΠ° Π΄Π°Π½Π½ΡΠΉ ΠΌΠΎΠΌΠ΅Π½Ρ Π½Π°ΠΌ ΠΏΡΠΎΡΡΠΎ Π½ΡΠΆΠ½ΠΎ Π·Π½Π°ΡΡ, ΡΡΠΎ Π³ΠΎΠ»ΠΎΠ²ΠΊΠ° ΡΠΈΠ»ΠΈΠ½Π΄ΡΠΎΠ², ΠΈΠ»ΠΈ, Π΄Π»Ρ ΠΊΡΠ°ΡΠΊΠΎΡΡΠΈ, Π³ΠΎΠ»ΠΎΠ²ΠΊΠ° ΠΏΡΠΎΡΡΠΎ ΡΠΈΠ΄ΠΈΡ Π½Π° Π²Π΅ΡΡ
Π½Π΅ΠΉ ΡΠ°ΡΡΠΈ Π±Π»ΠΎΠΊΠ° ΠΈ Π·Π°ΠΊΡΡΠ²Π°Π΅Ρ ΠΊΠ°ΠΆΠ΄ΡΠΉ ΠΈΠ· ΡΠΈΠ»ΠΈΠ½Π΄ΡΠΎΠ², Π² ΠΊΠΎΡΠΎΡΡΡ
Π΅ΡΡΡ ΠΏΠΎΡΡΠ½ΠΈ.
ΠΠ»ΠΎΠΊ ΡΠ°ΠΊΠΆΠ΅ ΠΈΠΌΠ΅Π΅Ρ Π½Π΅ΡΠΊΠΎΠ»ΡΠΊΠΎ Π·Π°Π»ΠΈΡΡΡ Π² Π½Π΅Π³ΠΎ ΠΏΡΠΎΡ ΠΎΠ΄ΠΎΠ² Π΄Π»Ρ ΠΆΠΈΠ΄ΠΊΠΎΡΡΠΈ. ΠΠ΅ΠΊΠΎΡΠΎΡΡΠ΅ ΠΈΠ· Π½ΠΈΡ ΠΈΡΠΏΠΎΠ»ΡΠ·ΡΡΡΡΡ Π΄Π»Ρ Π½Π°ΠΏΡΠ°Π²Π»Π΅Π½ΠΈΡ ΠΎΡ Π»Π°ΠΆΠ΄Π°ΡΡΠ΅ΠΉ ΠΆΠΈΠ΄ΠΊΠΎΡΡΠΈ, Π½Π°Π·ΡΠ²Π°Π΅ΠΌΠΎΠΉ Β«ΠΎΡ Π»Π°ΠΆΠ΄Π°ΡΡΠ΅ΠΉ ΠΆΠΈΠ΄ΠΊΠΎΡΡΡΡΒ», Π²ΠΎΠΊΡΡΠ³ ΡΠΈΠ»ΠΈΠ½Π΄ΡΠΎΠ² Π΄Π»Ρ ΠΏΠΎΠ΄Π΄Π΅ΡΠΆΠ°Π½ΠΈΡ ΡΠ΅ΠΌΠΏΠ΅ΡΠ°ΡΡΡΡ Π΄Π²ΠΈΠ³Π°ΡΠ΅Π»Ρ ΠΈ ΠΏΡΠ΅Π΄ΠΎΡΠ²ΡΠ°ΡΠ΅Π½ΠΈΡ ΠΏΠ΅ΡΠ΅Π³ΡΠ΅Π²Π°. ΠΡΡΠ³ΠΈΠ΅ ΠΊΠ°Π½Π°Π»Ρ Π½Π°ΠΏΡΠ°Π²Π»ΡΡΡ ΠΌΠΎΡΠΎΡΠ½ΠΎΠ΅ ΠΌΠ°ΡΠ»ΠΎ ΠΊ Π΄Π²ΠΈΠΆΡΡΠΈΠΌΡΡ ΡΠ°ΡΡΡΠΌ Π΄Π»Ρ ΡΠΌΠ°Π·ΠΊΠΈ ΠΈ Π·Π°ΡΠΈΡΡ ΠΎΡ ΡΡΠ΅Π½ΠΈΡ, ΡΠ½ΠΈΠΆΠ°ΡΡΠ΅Π³ΠΎ ΠΌΠΎΡΠ½ΠΎΡΡΡ.ΠΠΎΡΠΊΠΎΠ»ΡΠΊΡ Π±Π»ΠΎΠΊ Π΄ΠΎΠ»ΠΆΠ΅Π½ Π²ΡΠ΄Π΅ΡΠΆΠΈΠ²Π°ΡΡ ΠΎΠ³ΡΠΎΠΌΠ½ΠΎΠ΅ Π΄Π°Π²Π»Π΅Π½ΠΈΠ΅ Π² ΡΠΈΠ»ΠΈΠ½Π΄ΡΠ΅, ΠΏΡΠΎΠΈΠ·Π²ΠΎΠ΄ΠΈΡΠ΅Π»ΠΈ Π΄Π»Ρ ΠΏΡΠΎΡΠ½ΠΎΡΡΠΈ ΠΎΡΠ»ΠΈΠ²Π°ΡΡ Π΅Π³ΠΎ ΠΈΠ· ΠΆΠ΅Π»Π΅Π·Π°. ΠΡΡΠ³ΠΈΠ΅ ΠΏΡΠΎΠΈΠ·Π²ΠΎΠ΄ΠΈΡΠ΅Π»ΠΈ ΠΎΡΠ»ΠΈΠ²Π°ΡΡ Π»Π΅Π³ΠΊΠΈΠ΅ Π°Π»ΡΠΌΠΈΠ½ΠΈΠ΅Π²ΡΠ΅ Π±Π»ΠΎΠΊΠΈ Π΄Π»Ρ ΡΠ½ΠΈΠΆΠ΅Π½ΠΈΡ Π²Π΅ΡΠ°. Π Π°Π»ΡΠΌΠΈΠ½ΠΈΠ΅Π²ΡΡ Π±Π»ΠΎΠΊΠ°Ρ ΠΈΡΠΏΠΎΠ»ΡΠ·ΡΠ΅ΡΡΡ Π³ΠΈΠ»ΡΠ·Π° ΡΠΈΠ»ΠΈΠ½Π΄ΡΠ° ΠΈΠ· ΡΡΠ°Π»ΡΠ½ΠΎΠ³ΠΎ ΡΠΏΠ»Π°Π²Π° ΠΈΠ»ΠΈ ΠΎΡΠ²Π΅ΡΡΡΠΈΡ ΡΠΎ ΡΠΏΠ΅ΡΠΈΠ°Π»ΡΠ½ΡΠΌ ΠΏΠΎΠΊΡΡΡΠΈΠ΅ΠΌ, ΡΡΠΎΠ±Ρ ΠΎΠ½ΠΈ ΠΈΠΌΠ΅Π»ΠΈ Π±ΠΎΠ»Π΅Π΅ ΡΠ²Π΅ΡΠ΄ΡΡ ΠΏΠΎΠ²Π΅ΡΡ Π½ΠΎΡΡΡ ΠΈ ΠΎΠ±Π΅ΡΠΏΠ΅ΡΠΈΠ²Π°Π»ΠΈ ΡΠ²Π΅Π»ΠΈΡΠ΅Π½Π½ΡΠΉ ΡΡΠΎΠΊ ΡΠ»ΡΠΆΠ±Ρ.
Π ΠΎΡΠ°ΡΠΈΠΎΠ½Π½Π°Ρ ΡΡΠ°Π½ΡΠΈΡ
ΠΠΎΡΡΠ½ΠΈ ΠΏΠ΅ΡΠ΅ΠΌΠ΅ΡΠ°ΡΡΡΡ Π²Π²Π΅ΡΡ
ΠΈ Π²Π½ΠΈΠ· Π² ΡΠΈΠ»ΠΈΠ½Π΄ΡΠ°Ρ
Π±Π»ΠΎΠΊΠ°, ΠΏΠΎΡΠΎΠΌΡ ΡΡΠΎ Π² ΡΠΈΠ»ΠΈΠ½Π΄ΡΠ΅ Π²ΠΎΡΠΏΠ»Π°ΠΌΠ΅Π½ΡΠ΅ΡΡΡ ΡΠΌΠ΅ΡΡ ΡΠΎΠΏΠ»ΠΈΠ²Π° ΠΈ Π²ΠΎΠ·Π΄ΡΡ
Π°.ΠΠΎΡΠ»Π΅Π΄ΡΡΡΠ΅Π΅ ΡΠ³ΠΎΡΠ°Π½ΠΈΠ΅ Π±ΡΡΡΡΠΎ ΡΠ°ΡΡΠΈΡΡΠ΅ΡΡΡ ΠΈ ΡΠΎΠ»ΠΊΠ°Π΅Ρ ΠΏΠΎΡΡΠ΅Π½Ρ Π²Π½ΠΈΠ· ΠΏΠΎ Π΄Π»ΠΈΠ½Π΅ ΠΎΡΠ²Π΅ΡΡΡΠΈΡ ΡΠΈΠ»ΠΈΠ½Π΄ΡΠ°, ΠΎΡ Π³ΠΎΠ»ΠΎΠ²ΠΊΠΈ ΡΠΈΠ»ΠΈΠ½Π΄ΡΠ°, ΠΈ Ρ Π±ΠΎΠ»ΡΡΠΈΠΌ Π΄Π°Π²Π»Π΅Π½ΠΈΠ΅ΠΌ.
ΠΡΠ° ΠΌΠΎΡΠ½ΠΎΡΡΡ, ΠΏΡΠΎΠΈΠ·Π²ΠΎΠ΄ΠΈΠΌΠ°Ρ Π² ΠΎΠ΄Π½ΠΎΠΌ ΡΠΈΠ»ΠΈΠ½Π΄ΡΠ΅, ΡΠΌΠ½ΠΎΠΆΠ°Π΅ΡΡΡ, ΠΏΠΎΡΠΎΠΌΡ ΡΡΠΎ ΡΠΎΠ±ΡΡΠΈΡ ΡΠ³ΠΎΡΠ°Π½ΠΈΡ ΠΏΠΎΠ²ΡΠΎΡΡΡΡΡΡ Π² ΠΊΠ°ΠΆΠ΄ΠΎΠΌ ΠΈΠ· ΡΠΈΠ»ΠΈΠ½Π΄ΡΠΎΠ². ΠΡΠΎ ΠΎΡΠ½ΠΎΠ²Π½Π°Ρ ΠΏΡΠ΅Π΄ΠΏΠΎΡΡΠ»ΠΊΠ° ΡΠΎΠ³ΠΎ, ΠΊΠ°ΠΊ ΡΠ°Π±ΠΎΡΠ°Π΅Ρ Π΄Π²ΠΈΠ³Π°ΡΠ΅Π»Ρ.
ΠΠ°ΠΆΠ΄ΡΠΉ ΠΏΠΎΡΡΠ΅Π½Ρ ΡΠ½Π°Π±ΠΆΠ΅Π½ ΠΌΠ΅ΡΠ°Π»Π»ΠΈΡΠ΅ΡΠΊΠΈΠΌΠΈ ΠΊΠΎΠ»ΡΡΠ°ΠΌΠΈ Ρ ΠΎΡΠΊΡΡΡΡΠΌ ΠΊΠΎΠ½ΡΠΎΠΌ, ΠΊΠΎΡΠΎΡΡΠ΅ Π½Π°Π·ΡΠ²Π°ΡΡΡΡ ΠΏΡΠΎΡΡΠΎ Β«ΠΊΠΎΠ»ΡΡΠ°ΠΌΠΈΒ». ΠΡΠΎ ΡΠΎΠ½ΠΊΠΈΠ΅, ΠΊΡΡΠ³Π»ΡΠ΅, ΡΠΏΡΡΠ³ΠΈΠ΅ ΠΌΠ΅ΡΠ°Π»Π»ΠΈΡΠ΅ΡΠΊΠΈΠ΅ Π΄Π΅ΡΠ°Π»ΠΈ, ΠΊΠΎΡΠΎΡΡΠ΅ Π²Ρ
ΠΎΠ΄ΡΡ Π² ΠΊΠ°Π½Π°Π²ΠΊΠΈ Π²ΠΎΠΊΡΡΠ³ ΠΊΠΎΠ½ΡΠ°ΠΊΡΠ½ΡΡ
ΠΏΠ»ΠΎΡΠ°Π΄ΠΎΠΊ ΠΊΠΎΠ»Π΅Ρ Π² Π²Π΅ΡΡ
Π½Π΅ΠΉ ΡΠ°ΡΡΠΈ ΠΏΠΎΡΡΠ½Π΅ΠΉ.ΠΠΎΠ»ΡΡΠ° Π΄Π΅ΠΉΡΡΠ²ΡΡΡ ΠΊΠ°ΠΊ ΡΠΏΠ»ΠΎΡΠ½Π΅Π½ΠΈΠ΅, ΠΊΠΎΡΠΎΡΠΎΠ΅ ΡΠ΄Π΅ΡΠΆΠΈΠ²Π°Π΅Ρ Π΄Π°Π²Π»Π΅Π½ΠΈΠ΅ Π² ΡΠΈΠ»ΠΈΠ½Π΄ΡΠ΅ ΠΎΡ ΡΠ³ΠΎΡΠ΅Π²ΡΠ΅Π³ΠΎ Π²ΠΎΠ·Π΄ΡΡ
Π° ΠΈ ΡΠΎΠΏΠ»ΠΈΠ²Π½ΠΎΠΉ ΡΠΌΠ΅ΡΠΈ ΠΌΠ΅ΠΆΠ΄Ρ Π³ΠΎΠ»ΠΎΠ²ΠΊΠΎΠΉ ΠΈ Π²Π΅ΡΡ
Π½Π΅ΠΉ ΡΠ°ΡΡΡΡ ΡΠΈΠ»ΠΈΠ½Π΄ΡΠ°, Π³Π°ΡΠ°Π½ΡΠΈΡΡΡ, ΡΡΠΎ Π΄Π°Π²Π»Π΅Π½ΠΈΠ΅ ΡΠΎΠ»ΠΊΠ°Π΅Ρ ΠΏΠΎΡΡΠ΅Π½Ρ Π²Π½ΠΈΠ·, Π° Π½Π΅ ΠΏΡΠΎΡΠ°Π»ΠΊΠΈΠ²Π°Π΅Ρ Π΅Π³ΠΎ ΠΌΠΈΠΌΠΎ. ΠΠΎΡΡΠ½Π΅Π²ΡΠ΅ ΠΊΠΎΠ»ΡΡΠ° ΡΠ°ΠΊΠΆΠ΅ ΡΠΎΡΠΊΡΠ΅Π±Π°ΡΡ ΠΌΠ°ΡΠ»ΠΎ ΡΠΎ ΡΡΠ΅Π½ΠΎΠΊ ΡΠΈΠ»ΠΈΠ½Π΄ΡΠ°, ΡΡΠΎΠ±Ρ Π²ΡΠ΅ ΠΌΠ°ΡΠ»ΠΎ Π²Π°ΡΠ΅Π³ΠΎ Π΄Π²ΠΈΠ³Π°ΡΠ΅Π»Ρ Π½Π΅ ΡΠ³ΠΎΡΠ΅Π»ΠΎ Π²ΠΎ Π²ΡΠ΅ΠΌΡ ΡΠ³ΠΎΡΠ°Π½ΠΈΡ. Π‘ΡΡΠ΅ΡΡΠ²ΡΠ΅Ρ ΡΠ°ΠΊΠΆΠ΅ Π³ΠΎΡΡΠΈΡΠΎΠ²Π°Π½Π½ΠΎΠ΅ ΠΊΠΎΠ»ΡΡΠΎ, ΠΈΠ·Π²Π΅ΡΡΠ½ΠΎΠ΅ ΠΊΠ°ΠΊ ΠΌΠ°ΡΠ»ΡΠ½ΠΎΠ΅ ΠΊΠΎΠ»ΡΡΠΎ, ΠΊΠΎΡΠΎΡΠΎΠ΅ ΠΏΠΎΠ·Π²ΠΎΠ»ΡΠ΅Ρ ΠΌΠ°ΡΠ»Ρ ΡΠΌΠ°Π·ΡΠ²Π°ΡΡ ΡΡΠ΅Π½ΠΊΠΈ ΡΠΈΠ»ΠΈΠ½Π΄ΡΠ°, ΡΡΠΎΠ±Ρ ΠΏΠΎΡΡΠ΅Π½Ρ, ΠΊΠΎΠ»ΡΡΠ° ΠΈ ΡΠΈΠ»ΠΈΠ½Π΄ΡΡ Π½Π΅ ΠΈΠ·Π½Π°ΡΠΈΠ²Π°Π»ΠΈΡΡ ΠΏΡΠ΅ΠΆΠ΄Π΅Π²ΡΠ΅ΠΌΠ΅Π½Π½ΠΎ.ΠΡΠ»ΠΈ Π±Ρ Ρ Π²Π°ΡΠΈΡ
ΠΏΠΎΡΡΠ½Π΅ΠΉ Π½Π΅ Π±ΡΠ»ΠΎ ΠΊΠΎΠ»Π΅Ρ ΠΈΠ»ΠΈ ΠΊΠΎΠ»Π΅Ρ, ΠΊΠΎΡΠΎΡΡΠ΅ Π½Π΅ ΠΎΡΠ΅Π½Ρ Ρ
ΠΎΡΠΎΡΠΎ ΡΠΏΠ»ΠΎΡΠ½ΡΠ»ΠΈΡΡ, ΡΠ³ΠΎΡΠ°Π½ΠΈΠ΅ Π½Π΅ ΡΠΌΠΎΠ³Π»ΠΎ Π±Ρ ΡΠΎΠ»ΠΊΠ½ΡΡΡ ΠΏΠΎΡΡΠ΅Π½Ρ Π²Π½ΠΈΠ· Ρ Π±ΠΎΠ»ΡΡΠΎΠΉ ΡΠΈΠ»ΠΎΠΉ, ΠΈ Π²Π°ΡΠ° ΠΌΠ°ΡΠΈΠ½Π° Π½Π΅ Π²ΡΠ΄Π°Π»Π° Π±Ρ Π½ΠΈΠΊΠ°ΠΊΠΎΠΉ ΠΌΠΎΡΠ½ΠΎΡΡΠΈ, Π΅ΡΠ»ΠΈ Π±Ρ ΠΎΠ½Π° Π²ΠΎΠΎΠ±ΡΠ΅ ΡΠ°Π±ΠΎΡΠ°Π»Π°.
ΠΡΠΎΠΌΠ΅ ΡΠΎΠ³ΠΎ, Π΅ΡΠ»ΠΈ Π±Ρ ΠΊΠΎΠ»ΡΡΠ° Π½Π΅ ΠΌΠΎΠ³Π»ΠΈ ΡΠΎΡΠΊΡΠ΅ΡΡΠΈ ΠΌΠ°ΡΠ»ΠΎ ΡΠΎ ΡΡΠ΅Π½ΠΎΠΊ ΡΠΈΠ»ΠΈΠ½Π΄ΡΠ°, Π² Π²Π°ΡΠ΅ΠΌ Π΄Π²ΠΈΠ³Π°ΡΠ΅Π»Π΅ Π² ΠΊΠΎΠ½Π΅ΡΠ½ΠΎΠΌ ΠΈΡΠΎΠ³Π΅ Π·Π°ΠΊΠΎΠ½ΡΠΈΠ»ΠΎΡΡ Π±Ρ ΠΌΠ°ΡΠ»ΠΎ, ΠΎΠ½ΠΎ Π·Π°ΠΊΠ»ΠΈΠ½ΠΈΠ»ΠΎ ΠΈ ΠΎΠ±ΡΠ°Π·ΠΎΠ²Π°Π»ΠΎ Π±Ρ ΠΎΠ³ΡΠΎΠΌΠ½ΠΎΠ΅ ΠΊΠΎΠ»ΠΈΡΠ΅ΡΡΠ²ΠΎ Π½Π΅ΠΏΡΠΈΡΡΠ½ΠΎΠ³ΠΎ ΡΠ΅ΡΠ½ΠΎΠ³ΠΎ Π΄ΡΠΌΠ° ΠΎΡ Π³ΠΎΡΡΡΠ΅Π³ΠΎ ΠΌΠ°ΡΠ»Π°.
ΠΠΎΡΡΠ½ΠΈ ΠΈ ΡΡΠΎΠΊΠΈ
ΠΠΎΡΠ»Π΅ ΡΠΎΠ³ΠΎ, ΠΊΠ°ΠΊ Π±Π»ΠΎΠΊ ΠΎΡΠΈΡΠ΅Π½, ΠΈΠ·ΠΌΠ΅ΡΠ΅Π½ ΠΈ ΠΎΠ±ΡΠ°Π±ΠΎΡΠ°Π½, ΠΊΠΎΠ»Π΅Π½ΡΠ°ΡΡΠΉ Π²Π°Π» ΠΌΠΎΠΆΠ΅Ρ Π±ΡΡΡ ΡΡΡΠ°Π½ΠΎΠ²Π»Π΅Π½, ΠΈ Π½Π°Π±ΠΎΡ ΠΏΠΎΡΡΠ½Π΅ΠΉ ΠΈ ΡΠ°ΡΡΠ½ΠΎΠ² Π·Π°ΠΏΠΎΠ»Π½ΠΈΡ ΠΎΡΠ²Π΅ΡΡΡΠΈΡ.ΠΠΎΡΡΠ½ΠΈ ΠΏΡΠΈΠΊΡΠ΅ΠΏΠ»Π΅Π½Ρ ΠΊ ΠΌΠ΅ΡΠ°Π»Π»ΠΈΡΠ΅ΡΠΊΠΎΠΉ Π΄Π΅ΡΠ°Π»ΠΈ, Π½Π°Π·ΡΠ²Π°Π΅ΠΌΠΎΠΉ ΡΠ°ΡΡΠ½ΠΎΠΌ. ΠΠ°Π΄Π°ΡΠ° ΡΠ°ΡΡΠ½Π° — ΠΏΠ΅ΡΠ΅Π΄Π°Π²Π°ΡΡ ΡΠΈΠ»Ρ Π΄Π°Π²Π»Π΅Π½ΠΈΡ, ΡΠΎΠ»ΠΊΠ°ΡΡΠ΅Π³ΠΎ ΠΏΠΎΡΡΠ΅Π½Ρ ΠΏΠΎ ΠΎΡΠ²Π΅ΡΡΡΠΈΡ ΡΠΈΠ»ΠΈΠ½Π΄ΡΠ°, Π½Π° ΠΊΠΎΠ»Π΅Π½ΡΠ°ΡΡΠΉ Π²Π°Π» ΠΈΠ»ΠΈ Β«ΠΊΡΠΈΠ²ΠΎΡΠΈΠΏΒ». ΠΠ±Π΅ΡΠΏΠ΅ΡΠΈΠ²Π°Ρ ΡΠ²ΡΠ·Ρ ΠΌΠ΅ΠΆΠ΄Ρ ΠΏΠΎΡΡΠ½Π΅ΠΌ ΠΈ ΠΊΡΠΈΠ²ΠΎΡΠΈΠΏΠΎΠΌ, ΠΏΠΎΠ½ΡΡΠ½ΠΎ, ΠΊΠ°ΠΊ ΡΠ°ΡΡΠ½Ρ ΠΏΠΎΠ»ΡΡΠΈΠ»ΠΈ ΡΠ²ΠΎΠ΅ Π½Π°Π·Π²Π°Π½ΠΈΠ΅.
Π¨Π°ΡΡΠ½ ΡΠΎΠ΅Π΄ΠΈΠ½Π΅Π½ Ρ ΠΏΠΎΡΡΠ½Π΅ΠΌ ΡΡΡΠ±ΠΊΠΎΠΉ, Π½Π°Π·ΡΠ²Π°Π΅ΠΌΠΎΠΉ ΠΏΠ°Π»ΡΡΠ΅ΠΌ. Π¨ΡΠΈΡΡ Π΄Π»Ρ Π·Π°ΠΏΡΡΡΡΡ ΠΏΡΠΎΡ
ΠΎΠ΄ΠΈΡ ΡΠ΅ΡΠ΅Π· ΠΎΡΠ²Π΅ΡΡΡΠΈΠ΅ Π² ΠΏΠΎΡΡΠ½Π΅ ΠΈ ΠΎΡΠ²Π΅ΡΡΡΠΈΠ΅ Π½Π° ΠΌΠ΅Π½ΡΡΠ΅ΠΉ ΡΡΠΎΡΠΎΠ½Π΅ ΡΠ°ΡΡΠ½Π°; ΡΡΠ° ΠΎΠ±Π»Π°ΡΡΡ Π½Π°Π·ΡΠ²Π°Π΅ΡΡΡ ΠΌΠ°Π»ΡΠΌ ΠΊΠΎΠ½ΡΠΎΠΌ ΡΠ°ΡΡΠ½Π°.ΠΠΎΠ»ΡΡΠΎΠΉ ΠΊΠΎΠ½Π΅Ρ ΡΡΠΎΠΊΠ° — ΡΡΠΎ ΠΎΠ±Π»Π°ΡΡΡ, ΠΊΠΎΡΠΎΡΠ°Ρ ΡΠΎΠ΅Π΄ΠΈΠ½ΡΠ΅ΡΡΡ Ρ ΠΊΡΠΈΠ²ΠΎΡΠΈΠΏΠΎΠΌ. ΠΠΎΠ»ΡΡΠΎΠΉ ΠΊΠΎΠ½Π΅Ρ ΡΡΠ΅ΡΠΆΠ½Ρ ΠΈΠΌΠ΅Π΅Ρ ΡΡΠ΅ΠΌΠ½ΡΡ ΡΠ΅ΠΊΡΠΈΡ, Π½Π°Π·ΡΠ²Π°Π΅ΠΌΡΡ ΡΠΎΡΡΠ΅Π²ΠΎΠΉ ΠΊΡΡΡΠΊΠΎΠΉ ΠΈΠ»ΠΈ ΠΊΡΡΡΠΊΠΎΠΉ, ΠΊΠΎΡΠΎΡΠ°Ρ ΠΏΠΎΠ·Π²ΠΎΠ»ΡΠ΅Ρ ΠΏΡΠΈΠΊΡΠ΅ΠΏΠΈΡΡ Π΅Π³ΠΎ ΠΊ ΠΊΡΠΈΠ²ΠΎΡΠΈΠΏΡ.
ΠΠΎΠ²Π΅ΡΡ
Π½ΠΎΡΡΡ, Π½Π° ΠΊΠΎΡΠΎΡΠΎΠΉ ΡΠ°ΡΡΠ½ ΠΏΠΎΠ²ΠΎΡΠ°ΡΠΈΠ²Π°Π΅ΡΡΡ Π²ΠΎΠΊΡΡΠ³ ΠΏΠ°Π»ΡΡΠ° Π½Π° Π·Π°ΠΏΡΡΡΡΠ΅, Π½Π°Π·ΡΠ²Π°Π΅ΡΡΡ ΡΠ΅ΠΉΠΊΠΎΠΉ ΠΏΠ°Π»ΡΡΠ° Π½Π° Π·Π°ΠΏΡΡΡΡΠ΅. ΠΠ±Π»Π°ΡΡΡ Π½Π° ΠΊΡΠΈΠ²ΠΎΡΠΈΠΏΠ΅, Π³Π΄Π΅ ΡΠ°ΡΡΠ½ ΡΠΎΠ΅Π΄ΠΈΠ½ΡΠ΅ΡΡΡ ΠΈ Π²ΡΠ°ΡΠ°Π΅ΡΡΡ Π²ΠΎΠΊΡΡΠ³, Π½Π°Π·ΡΠ²Π°Π΅ΡΡΡ ΡΠ΅ΠΉΠΊΠΎΠΉ ΡΠ°ΡΡΠ½Π° ΠΊΠΎΠ»Π΅Π½ΡΠ°ΡΠΎΠ³ΠΎ Π²Π°Π»Π°. Π¦Π°ΠΏΡΡ ΠΊΠΎΠ»Π΅Π½ΡΠ°ΡΠΎΠ³ΠΎ Π²Π°Π»Π° Π±ΠΎΠ»ΡΡΠ΅, ΡΠ΅ΠΌ ΡΠ΅ΠΉΠΊΠΈ Π½Π°ΡΡΡΠ½ΡΡ
ΠΏΠ°Π»ΡΡΠ΅Π², ΠΏΠΎΡΠΎΠΌΡ ΡΡΠΎ ΡΠ΅ΠΉΠΊΠ° ΠΊΡΠΈΠ²ΠΎΡΠΈΠΏΠ° ΠΏΠΎΡΡΠΎΡΠ½Π½ΠΎ Π²ΡΠ°ΡΠ°Π΅ΡΡΡ Ρ Π²ΡΡΠΎΠΊΠΎΠΉ ΡΠΊΠΎΡΠΎΡΡΡΡ, Π² ΠΎΡΠ»ΠΈΡΠΈΠ΅ ΠΎΡ ΠΏΡΠΎΡΡΠΎΠ³ΠΎ Π²ΠΎΠ·Π²ΡΠ°ΡΠ½ΠΎ-ΠΏΠΎΡΡΡΠΏΠ°ΡΠ΅Π»ΡΠ½ΠΎΠ³ΠΎ ΠΊΠ°ΡΠ°ΡΡΠ΅Π³ΠΎΡΡ Π΄Π²ΠΈΠΆΠ΅Π½ΠΈΡ Π½Π° ΠΊΠΎΠ½ΡΠ΅ ΡΠ°ΡΡΠ½Π° Ρ Π·Π°ΠΏΡΡΡΡΠ΅ΠΌ.ΠΡΠΎ Π²ΡΡΠΎΠΊΠΎΡΠΊΠΎΡΠΎΡΡΠ½ΠΎΠ΅ Π²ΡΠ°ΡΠ΅Π½ΠΈΠ΅ ΡΡΠ΅Π±ΡΠ΅Ρ Π±ΠΎΠ»ΡΡΠ΅ΠΉ ΠΏΠ»ΠΎΡΠ°Π΄ΠΈ ΠΏΠΎΠ²Π΅ΡΡ
Π½ΠΎΡΡΠΈ, ΡΡΠΎΠ±Ρ ΠΏΡΠ΅Π΄ΠΎΡΠ²ΡΠ°ΡΠΈΡΡ ΠΏΠΎΠ²ΡΠ΅ΠΆΠ΄Π΅Π½ΠΈΠ΅ ΡΡΠΎΠΊΠ° ΠΈ ΠΊΡΠΈΠ²ΠΎΡΠΈΠΏΠ° ΡΡΠ΅Π½ΠΈΠ΅ΠΌ. ΠΠΎΠ»ΡΡΠΎΠΉ ΠΊΠΎΠ½Π΅Ρ ΡΡΠΎΠΊΠ° ΠΏΠ»Π°Π²Π½ΠΎ Π²ΡΠ°ΡΠ°Π΅ΡΡΡ Π½Π° ΡΠ΅ΠΉΠΊΠ΅ ΠΊΡΠΈΠ²ΠΎΡΠΈΠΏΠ° Π½Π° ΠΌΠ°ΡΠ»ΡΠ½ΠΎΠΉ ΠΏΠ»Π΅Π½ΠΊΠ΅ ΠΏΠΎΠ΄ Π΄Π°Π²Π»Π΅Π½ΠΈΠ΅ΠΌ, ΠΊΠΎΡΠΎΡΠ°Ρ ΠΏΠΎΠΊΡΡΠ²Π°Π΅Ρ ΠΏΠΎΠ΄ΡΠΈΠΏΠ½ΠΈΠΊ ΡΠΊΠΎΠ»ΡΠΆΠ΅Π½ΠΈΡ ΠΈΠ· ΠΌΡΠ³ΠΊΠΎΠ³ΠΎ ΠΌΠ΅ΡΠ°Π»Π»Π°. ΠΠ° Π±ΠΎΠ»ΡΡΠΈΠ½ΡΡΠ²Π΅ Π΄Π²ΠΈΠ³Π°ΡΠ΅Π»Π΅ΠΉ Π½Π° ΠΌΠ°Π»ΠΎΠΌ ΠΊΠΎΠ½ΡΠ΅ ΡΡΠΎΠΊΠ° Π΅ΡΡΡ Π±ΡΠΎΠ½Π·ΠΎΠ²Π°Ρ Π²ΡΡΠ»ΠΊΠ° Π΄Π»Ρ ΠΏΠ°Π»ΡΡΠ° ΠΊΠΈΡΡΠΈ, ΠΊΠΎΡΠΎΡΡΠΉ ΠΏΠΈΡΠ°Π΅ΡΡΡ ΡΠΌΠ°Π·ΠΊΠΎΠΉ ΡΠ°Π·Π±ΡΡΠ·Π³ΠΈΠ²Π°Π½ΠΈΠ΅ΠΌ. ΠΠ° Π½Π΅ΠΊΠΎΡΠΎΡΡΡ
Π΄Π²ΠΈΠ³Π°ΡΠ΅Π»ΡΡ
Π½Π° Π·Π°ΠΏΡΡΡΡΠ΅ ΠΏΠ°Π»Π΅Ρ ΠΏΠΎΠ΄Π°Π΅ΡΡΡ ΠΈΠ· ΠΌΠ°ΡΠ»Π°, ΡΠΎΡΠΊΠ°Π±Π»ΠΈΠ²Π°Π΅ΠΌΠΎΠ³ΠΎ ΠΊΠΎΠ»ΡΡΠ°ΠΌΠΈ ΡΠΎ ΡΡΠ΅Π½ΠΎΠΊ ΡΠΈΠ»ΠΈΠ½Π΄ΡΠ°, ΡΠ΅ΡΠ΅Π· ΠΊΠ°Π½Π°Π» ΠΈΠ· ΠΊΠ°Π½Π°Π²ΠΊΠΈ Π΄Π»Ρ ΠΌΠ°ΡΠ»ΡΠ½ΠΎΠ³ΠΎ ΠΊΠΎΠ»ΡΡΠ°, Π½Π°Π·ΡΠ²Π°Π΅ΠΌΠΎΠΉ ΠΌΠ°ΡΠ»Π΅Π½ΠΊΠΎΠΉ Π΄Π»Ρ ΠΏΠ°Π»ΡΡΠ°.
ΠΡΠΎ ΡΠ΅Π΄ΠΊΠΎ, Π½ΠΎ Π±ΡΠ²Π°ΡΡ ΡΠ»ΡΡΠ°ΠΈ, ΠΊΠΎΠ³Π΄Π° Π½Π° ΠΏΠ°Π»Π΅Ρ Π½Π° Π·Π°ΠΏΡΡΡΡΠ΅ ΠΏΠΎΠ΄Π°Π΅ΡΡΡ ΠΌΠ°ΡΠ»ΠΎ ΠΏΠΎΠ΄ Π΄Π°Π²Π»Π΅Π½ΠΈΠ΅ΠΌ ΠΈΠ· ΠΏΠΎΠ΄ΡΠΈΠΏΠ½ΠΈΠΊΠ° ΡΡΠΎΠΊΠ° ΠΈΠ· ΠΎΡΠ²Π΅ΡΡΡΠΈΡ, ΠΏΡΠΎΡΠ²Π΅ΡΠ»Π΅Π½Π½ΠΎΠ³ΠΎ ΠΏΠΎ Π²ΡΠ΅ΠΉ Π΄Π»ΠΈΠ½Π΅ ΡΡΠ΅ΡΠΆΠ½Ρ ΠΎΡ Π±ΠΎΠ»ΡΡΠΎΠ³ΠΎ ΠΊΠΎΠ½ΡΠ° ΡΡΠ΅ΡΠΆΠ½Ρ.
ΠΡΠΈΠ²ΠΎΡΠΈΠΏ Π―Π½ΠΊΠ΅ΡΡ
Π ΡΠΊΠΎΡΡΠΊΠ° Π΄Π²ΠΈΠ³Π°ΡΠ΅Π»Ρ ΠΎΡΠ΅Π½Ρ ΠΏΠΎΡ
ΠΎΠΆΠ° Π½Π° ΠΊΡΠΈΠ²ΠΎΡΠΈΠΏ Π²Π΅Π»ΠΎΡΠΈΠΏΠ΅Π΄Π°. Π‘ΠΈΠ»Π° Π΄Π²ΠΈΠΆΠ΅Π½ΠΈΡ Π²Π²Π΅ΡΡ
ΠΈ Π²Π½ΠΈΠ· ΠΏΡΠΈ Π½Π°ΠΆΠ°ΡΠΈΠΈ ΠΏΠ΅Π΄Π°Π»Π΅ΠΉ ΡΠΎΡΠ½ΠΎ ΡΠ°ΠΊΠ°Ρ ΠΆΠ΅, ΠΊΠ°ΠΊ ΡΠΈΠ»Π° Π΄Π²ΠΈΠΆΠ΅Π½ΠΈΡ ΠΏΠΎΡΡΠ½Π΅ΠΉ Π²Π²Π΅ΡΡ
ΠΈ Π²Π½ΠΈΠ· ΠΏΠΎ ΠΊΠ°Π½Π°Π»Ρ ΡΠΈΠ»ΠΈΠ½Π΄ΡΠ°.Π Π°Π²ΡΠΎΠΌΠΎΠ±ΠΈΠ»ΡΠ½ΠΎΠΌ Π΄Π²ΠΈΠ³Π°ΡΠ΅Π»Π΅ Π²ΠΌΠ΅ΡΡΠΎ ΡΠ½Π΅ΡΠ³ΠΈΠΈ Π²Π°ΡΠΈΡ
Π½ΠΎΠ³, Π½Π°ΠΆΠΈΠΌΠ°ΡΡΠΈΡ
Π½Π° ΠΏΠ΅Π΄Π°Π»ΠΈ Π΄Π»Ρ ΡΠΎΠ·Π΄Π°Π½ΠΈΡ ΡΠΈΠ»Ρ, ΡΠ½Π΅ΡΠ³ΠΈΡ ΡΠ³ΠΎΡΠ°Π½ΠΈΡ Π² ΡΠΈΠ»ΠΈΠ½Π΄ΡΠ΅ ΠΈ Π΄Π°Π²Π»Π΅Π½ΠΈΠ΅, Π΄Π΅ΠΉΡΡΠ²ΡΡΡΠ΅Π΅ Π½Π° ΠΏΠΎΡΡΠ΅Π½Ρ, ΡΠΎΠ·Π΄Π°ΡΡ ΡΠ½Π΅ΡΠ³ΠΈΡ. ΠΡΠ»ΠΈ Π²Ρ ΠΏΠΎΡΠΌΠΎΡΡΠΈΡΠ΅ Π½Π° ΠΈΠ·ΠΎΠ±ΡΠ°ΠΆΠ΅Π½ΠΈΠ΅, Π²Ρ ΡΠ²ΠΈΠ΄ΠΈΡΠ΅, ΡΡΠΎ ΠΊΡΠΈΠ²ΠΎΡΠΈΠΏΠ½Π°Ρ ΡΡΠΊΠΎΡΡΠΊΠ° ΠΈΠΌΠ΅Π΅Ρ ΡΠΌΠ΅ΡΠ΅Π½ΠΈΠ΅, ΡΠΎΡΠ½ΠΎ ΡΠ°ΠΊ ΠΆΠ΅, ΠΊΠ°ΠΊ ΠΈ ΡΡΠΊΠΎΡΡΠΊΠ° Π²Π΅Π»ΠΎΡΠΈΠΏΠ΅Π΄Π°, ΠΏΠΎΡΡΠΎΠΌΡ ΡΡΠΎΠΊΠΈ ΠΈ ΠΏΠΎΡΡΠ½ΠΈ Π²ΡΠΏΠΎΠ»Π½ΡΡΡ ΡΡ ΠΆΠ΅ ΡΡΠ½ΠΊΡΠΈΡ, ΡΡΠΎ ΠΈ Π²Π°ΡΠΈ Π½ΠΎΠ³ΠΈ. ΠΠ° Π²Π΅Π»ΠΎΡΠΈΠΏΠ΅Π΄Π΅, ΠΊΠΎΠ³Π΄Π° Π²Ρ ΠΊΡΡΡΠΈΡΠ΅ ΠΏΠ΅Π΄Π°Π»ΠΈ Π²Π½ΠΈΠ·, Π²Π°Ρ Π²Π΅Π»ΠΎΡΠΈΠΏΠ΅Π΄ ΠΈΠ΄Π΅Ρ Π²ΠΏΠ΅ΡΠ΅Π΄, Π° ΡΠΌΠ΅ΡΠ΅Π½Π½ΡΠΉ Π±ΡΠΎΡΠΎΠΊ ΠΈΠ΄Π΅Ρ Π²Π²Π΅ΡΡ
Ρ Π΄ΡΡΠ³ΠΎΠΉ ΡΡΠΎΡΠΎΠ½Ρ.
Π’ΠΎΡΠ½ΠΎ ΡΠ°ΠΊ ΠΆΠ΅, ΠΊΠΎΠ³Π΄Π° ΠΎΠ΄ΠΈΠ½ ΠΏΠΎΡΡΠ΅Π½Ρ ΡΠΎΠ»ΠΊΠ°Π΅ΡΡΡ Π²Π½ΠΈΠ· ΠΏΡΠΈ ΡΠ³ΠΎΡΠ°Π½ΠΈΠΈ Π²ΠΎΠ·Π΄ΡΡ
Π° / ΡΠΎΠΏΠ»ΠΈΠ²Π°, ΠΎΠ½ ΠΏΠΎΠ²ΠΎΡΠ°ΡΠΈΠ²Π°Π΅Ρ ΠΊΡΠΈΠ²ΠΎΡΠΈΠΏ ΠΈ ΡΠΎΠ»ΠΊΠ°Π΅Ρ Π΄ΡΡΠ³ΠΎΠΉ ΠΏΠΎΡΡΠ΅Π½Ρ Π²Π²Π΅ΡΡ
, Π³ΠΎΡΠΎΠ²ΡΠΉ ΠΊ ΡΠ»Π΅Π΄ΡΡΡΠ΅ΠΌΡ ΡΠ³ΠΎΡΠ°Π½ΠΈΡ.ΠΡΠΎ ΡΠΎ, ΡΡΠΎ Π·Π°ΡΡΠ°Π²Π»ΡΠ΅Ρ Π²Π°ΡΡ ΠΌΠ°ΡΠΈΠ½Ρ Π΄Π²ΠΈΠ³Π°ΡΡΡΡ Π²ΠΏΠ΅ΡΠ΅Π΄. ΠΠΎΠ»Π΅Π½ΡΠ°ΡΡΠΉ Π²Π°Π» ΠΏΡΠΈΠΊΡΠ΅ΠΏΠ»Π΅Π½ ΠΊ Π±Π»ΠΎΠΊΡ ΠΌΠ΅ΡΠ°Π»Π»ΠΈΡΠ΅ΡΠΊΠΈΠΌΠΈ ΠΊΡΡΠΊΠ°ΠΌΠΈ, Π½Π°Π·ΡΠ²Π°Π΅ΠΌΡΠΌΠΈ Π³Π»Π°Π²Π½ΡΠΌΠΈ ΠΊΡΡΡΠΊΠ°ΠΌΠΈ. ΠΡΠΈΠ²ΠΎΡΠΈΠΏ ΡΠ°ΠΊΡΠΈΡΠ΅ΡΠΊΠΈ Π·Π°ΠΆΠ°Ρ Π½Π° Π±Π»ΠΎΠΊΠ΅, Π° Π½Π΅ ΠΏΡΠΈΠΊΡΠ΅ΠΏΠ»Π΅Π½, Ρ ΠΏΠΎΠΌΠΎΡΡΡ Π΄ΠΎΠΏΠΎΠ»Π½ΠΈΡΠ΅Π»ΡΠ½ΡΡ
ΠΏΠΎΠ΄ΡΠΈΠΏΠ½ΠΈΠΊΠΎΠ² ΡΠΊΠΎΠ»ΡΠΆΠ΅Π½ΠΈΡ (Π½Π°Π·ΡΠ²Π°Π΅ΠΌΡΡ
ΠΊΠΎΡΠ΅Π½Π½ΡΠΌΠΈ ΠΏΠΎΠ΄ΡΠΈΠΏΠ½ΠΈΠΊΠ°ΠΌΠΈ), ΠΊΠΎΡΠΎΡΡΠ΅ ΠΏΠΎΠΌΠΎΠ³Π°ΡΡ ΡΠΌΠ°Π·ΡΠ²Π°ΡΡ ΡΠ΅ΠΉΠΊΠΈ ΠΊΡΠΈΠ²ΠΎΡΠΈΠΏΠ°. Π Π³Π»Π°Π²Π½ΡΡ
ΡΠ΅ΠΉΠΊΠ°Ρ
ΡΠ°ΠΊΠΆΠ΅ Π΅ΡΡΡ ΠΎΡΠ²Π΅ΡΡΡΠΈΡ, ΠΊΠΎΡΠΎΡΡΠ΅ ΠΏΠΎΠ·Π²ΠΎΠ»ΡΡΡ ΠΌΠ°ΡΠ»Ρ ΠΏΠΎΠ΄ Π΄Π°Π²Π»Π΅Π½ΠΈΠ΅ΠΌ ΠΈΠ· ΠΌΠ°ΡΠ»ΡΠ½ΠΎΠΉ ΡΠΈΡΡΠ΅ΠΌΡ Π΄Π²ΠΈΠ³Π°ΡΠ΅Π»Ρ ΡΠΌΠ°Π·ΡΠ²Π°ΡΡ ΡΠ΅ΠΉΠΊΡ ΠΈ ΠΏΠΎΠ΄ΡΠΈΠΏΠ½ΠΈΠΊΠΈ.
Π Π³ΠΎΠ»ΠΎΠ²ΠΊΠ΅ Π±Π»ΠΎΠΊΠ° ΡΠΈΠ»ΠΈΠ½Π΄ΡΠΎΠ² ΡΠ°ΠΊΠΆΠ΅ Π½Π°Ρ ΠΎΠ΄ΡΡΡΡ Π²ΠΏΡΡΠΊΠ½ΠΎΠΉ ΠΈ Π²ΡΠΏΡΡΠΊΠ½ΠΎΠΉ ΠΊΠ»Π°ΠΏΠ°Π½Ρ.ΠΠΏΡΡΠΊΠ½ΡΠ΅ ΠΈ Π²ΡΠΏΡΡΠΊΠ½ΡΠ΅ ΠΊΠ»Π°ΠΏΠ°Π½Ρ ΠΏΡΠ΅Π΄ΡΡΠ°Π²Π»ΡΡΡ ΡΠΎΠ±ΠΎΠΉ ΠΌΠ΅ΡΠ°Π»Π»ΠΈΡΠ΅ΡΠΊΠΈΠ΅ Π΄Π΅ΡΠ°Π»ΠΈ, Π½Π°ΠΏΠΎΠΌΠΈΠ½Π°ΡΡΠΈΠ΅ ΡΡΠΎΠΉΠ½ΠΈΠΊΠΈ Π΄Π»Ρ Π³ΠΎΠ»ΡΡΠ°. ΠΠ»Π°ΠΏΠ°Π½Ρ Π΄Π΅ΠΉΡΡΠ²ΡΡΡ ΠΊΠ°ΠΊ Π΄Π²Π΅ΡΠ½ΡΠ΅ ΠΏΡΠΎΠ΅ΠΌΡ Π΄Π»Ρ Π²Ρ ΠΎΠ΄ΡΡΠ΅Π³ΠΎ Π²ΠΎΠ·Π΄ΡΡ Π° ΠΈ ΡΠΎΠΏΠ»ΠΈΠ²Π° ΠΈ Π²ΡΡ ΠΎΠ΄ΡΡΠΈΡ Π²ΡΡ Π»ΠΎΠΏΠ½ΡΡ Π³Π°Π·ΠΎΠ² ΡΠΎΠΎΡΠ²Π΅ΡΡΡΠ²Π΅Π½Π½ΠΎ. ΠΠΎ Π²ΡΠ΅ΠΌΡ 4-ΡΠ°ΠΊΡΠ½ΠΎΠ³ΠΎ ΠΏΡΠΎΡΠ΅ΡΡΠ° Π²ΠΏΡΡΠΊΠ½ΡΠ΅ ΠΊΠ»Π°ΠΏΠ°Π½Ρ ΠΎΡΠΊΡΡΠ²Π°ΡΡΡΡ, ΠΏΡΠΎΠΏΡΡΠΊΠ°Ρ ΡΠΎΠΏΠ»ΠΈΠ²Π½ΠΎ-Π²ΠΎΠ·Π΄ΡΡΠ½ΡΡ ΡΠΌΠ΅ΡΡ Π² ΠΊΠ°ΠΌΠ΅ΡΡ ΡΠ³ΠΎΡΠ°Π½ΠΈΡ, Π·Π°ΡΠ΅ΠΌ Π·Π°ΠΊΡΡΠ²Π°ΡΡΡΡ, ΠΊΠΎΠ³Π΄Π° ΠΏΠΎΡΡΠ΅Π½Ρ ΠΏΠΎΠ΄Π½ΠΈΠΌΠ°Π΅ΡΡΡ Π΄Π»Ρ ΡΠΆΠ°ΡΠΈΡ ΡΠΌΠ΅ΡΠΈ. ΠΠΎΡΠ»Π΅ ΡΠΎΠ³ΠΎ, ΠΊΠ°ΠΊ ΡΠΌΠ΅ΡΡ Π²ΠΎΡΠΏΠ»Π°ΠΌΠ΅Π½ΠΈΠ»Π°ΡΡ ΠΈ ΡΠ³ΠΎΡΠ΅Π»Π°, ΠΏΠΎΡΡΠ΅Π½Ρ Π²Π΄Π°Π²Π»ΠΈΠ²Π°Π΅ΡΡΡ Π² Π΅Π³ΠΎ ΠΎΡΠ²Π΅ΡΡΡΠΈΠ΅. ΠΠΎΠ³Π΄Π° ΠΏΠΎΡΡΠ΅Π½Ρ ΠΏΠΎΠ΄Π½ΠΈΠΌΠ°Π΅ΡΡΡ ΠΎΠ±ΡΠ°ΡΠ½ΠΎ, Π²ΡΠΏΡΡΠΊΠ½ΡΠ΅ ΠΊΠ»Π°ΠΏΠ°Π½Ρ ΠΎΡΠΊΡΡΠ²Π°ΡΡΡΡ, ΡΡΠΎΠ±Ρ Π²ΡΠΏΡΡΡΠΈΡΡ ΡΠ³ΠΎΡΠ΅Π²ΡΠΈΠ΅ Π³Π°Π·Ρ, Π° Π·Π°ΡΠ΅ΠΌ Π·Π°ΠΊΡΡΠ²Π°ΡΡΡΡ, Π³ΠΎΡΠΎΠ²ΡΡΡ ΠΊ ΡΠ»Π΅Π΄ΡΡΡΠ΅ΠΌΡ Π²ΠΈΡΠΊΡ ΡΠΈΠΊΠ»Π° Π΄Π²ΠΈΠ³Π°ΡΠ΅Π»Ρ.
ΠΠ»Ρ ΠΎΡΠΊΡΡΡΠΈΡ ΠΊΠ»Π°ΠΏΠ°Π½ΠΎΠ² Π² Π΄Π²ΠΈΠ³Π°ΡΠ΅Π»Π΅ Π΅ΡΡΡ ΠΌΠ΅ΡΠ°Π»Π»ΠΈΡΠ΅ΡΠΊΠΈΠ΅ ΡΡΠ΅ΡΠΆΠ½ΠΈ, Π½Π°Π·ΡΠ²Π°Π΅ΠΌΡΠ΅ ΡΠ°ΡΠΏΡΠ΅Π΄Π΅Π»ΠΈΡΠ΅Π»ΡΠ½ΡΠΌΠΈ Π²Π°Π»Π°ΠΌΠΈ, ΠΊΠΎΡΠΎΡΡΠ΅ ΠΈΠΌΠ΅ΡΡ ΡΠΏΠ΅ΡΠΈΠ°Π»ΡΠ½ΡΠ΅ Π²ΡΡΡΡΠΏΡ (Π²ΡΡΡΡΠΏΡ), ΠΈΡΠΏΠΎΠ»ΡΠ·ΡΠ΅ΠΌΡΠ΅ Π΄Π»Ρ ΠΎΡΠΊΡΡΡΠΈΡ ΠΊΠ»Π°ΠΏΠ°Π½ΠΎΠ². ΠΡΠ»Π°ΡΠΊΠΈ Π²ΡΠ°ΡΠ°ΡΡΡΡ Ρ ΠΏΠΎΠΌΠΎΡΡΡ ΡΠ΅ΠΌΠ½Ρ ΠΈΠ»ΠΈ ΡΠ΅ΠΏΠΈ, ΠΊΠΎΡΠΎΡΠ°Ρ ΡΠΎΠ΅Π΄ΠΈΠ½ΡΠ΅Ρ Π²ΡΠ°ΡΠ°ΡΡΠΈΠΉΡΡ ΠΊΡΠΈΠ²ΠΎΡΠΈΠΏ Ρ ΠΊΡΠ»Π°ΡΠΊΠΎΠ²ΡΠΌΠΈ ΡΠ΅ΡΡΠ΅ΡΠ½ΡΠΌΠΈ; ΡΡΠΎ ΡΠΎ, ΡΡΠΎ Π½Π°Π·ΡΠ²Π°Π΅ΡΡΡ ΡΠ΅ΠΌΠ½Π΅ΠΌ ΠΠ Π ΠΈΠ»ΠΈ ΡΠ΅ΠΏΡΡ ΠΠ Π. ΠΠ΅ΠΊΠΎΡΠΎΡΡΠ΅ ΠΊΡΠ»Π°ΡΠΊΠΈ ΡΠ°ΡΠΏΡΠ΅Π΄Π΅Π»ΠΈΡΠ΅Π»ΡΠ½ΠΎΠ³ΠΎ Π²Π°Π»Π° Π½Π°ΠΆΠΈΠΌΠ°ΡΡ Π½Π΅ΠΏΠΎΡΡΠ΅Π΄ΡΡΠ²Π΅Π½Π½ΠΎ Π½Π° ΠΊΠ»Π°ΠΏΠ°Π½Ρ, ΡΡΠΎΠ±Ρ ΠΎΡΠΊΡΡΡΡ ΠΈΡ , Π½ΠΎ Π±ΠΎΠ»ΡΡΠΈΠ½ΡΡΠ²ΠΎ Π΄Π²ΠΈΠ³Π°ΡΠ΅Π»Π΅ΠΉ ΡΠ»ΠΈΡΠ½ΡΡ Π°Π²ΡΠΎΠΌΠΎΠ±ΠΈΠ»Π΅ΠΉ ΡΠ°Π±ΠΎΡΠ°ΡΡ ΠΊΠΎΡΠ²Π΅Π½Π½ΠΎ ΡΠ΅ΡΠ΅Π· ΠΊΠΎΡΠΎΠΌΡΡΠ»ΠΎ. ΠΠΎΡΠΎΠΌΡΡΠ»ΠΎ — ΡΡΠΎ, ΠΏΠΎ ΡΡΡΠΈ, ΠΌΠΈΠ½ΠΈΠ°ΡΡΡΠ½ΡΠ΅ ΠΊΠ°ΡΠ΅Π»ΠΈ; ΠΎΠ΄ΠΈΠ½ ΠΊΠΎΠ½Π΅Ρ ΠΊΠΎΡΠΎΠΌΡΡΠ»Π° ΡΠΎΠ»ΠΊΠ°Π΅ΡΡΡ Π²Π²Π΅ΡΡ Π²ΡΡΡΡΠΏΠΎΠΌ ΡΠ°ΡΠΏΡΠ΅Π΄Π΅Π»ΠΈΡΠ΅Π»ΡΠ½ΠΎΠ³ΠΎ Π²Π°Π»Π°, ΡΡΠΎ Π·Π°ΡΡΠ°Π²Π»ΡΠ΅Ρ Π΄ΡΡΠ³ΠΎΠΉ ΠΊΠΎΠ½Π΅Ρ Π½Π°Π΄Π°Π²ΠΈΡΡ Π½Π° Π½Π°ΠΊΠΎΠ½Π΅ΡΠ½ΠΈΠΊ ΠΊΠ»Π°ΠΏΠ°Π½Π°, ΡΡΠΎΠ±Ρ ΠΎΡΠΊΡΡΡΡ ΠΊΠ»Π°ΠΏΠ°Π½.ΠΡΡΠΆΠΈΠ½Ρ ΠΊΠ»Π°ΠΏΠ°Π½ΠΎΠ² — ΡΡΠΎ Π±ΡΠΊΠ²Π°Π»ΡΠ½ΠΎ ΠΏΡΡΠΆΠΈΠ½Ρ, ΠΏΡΠΈΠΊΡΠ΅ΠΏΠ»Π΅Π½Π½ΡΠ΅ ΠΊ ΠΊΠ»Π°ΠΏΠ°Π½Π°ΠΌ, ΠΊΠΎΡΠΎΡΡΠ΅ ΠΏΠΎΠΌΠΎΠ³Π°ΡΡ ΡΠ΄Π΅ΡΠΆΠΈΠ²Π°ΡΡ ΠΈΡ Π·Π°ΠΊΡΡΡΡΠΌΠΈ, ΠΊΠΎΠ³Π΄Π° ΠΎΠ½ΠΈ Π΄ΠΎΠ»ΠΆΠ½Ρ Π±ΡΡΡ Π·Π°ΠΊΡΡΡΡ.
ΠΠ»Π°Π²Π½ΡΠΉ HonchoΠΠ°ΠΊ ΡΠΏΠΎΠΌΠΈΠ½Π°Π»ΠΎΡΡ ΡΠ°Π½Π΅Π΅, Π³ΠΎΠ»ΠΎΠ²ΠΊΠ° Π±Π»ΠΎΠΊΠ° ΡΠΈΠ»ΠΈΠ½Π΄ΡΠΎΠ² ΠΏΡΠ΅Π΄ΡΡΠ°Π²Π»ΡΠ΅Ρ ΡΠΎΠ±ΠΎΠΉ Π±ΠΎΠ»ΡΡΠΎΠΉ ΠΊΡΡΠΎΠΊ ΠΌΠ΅ΡΠ°Π»Π»Π°, ΠΊΠΎΡΠΎΡΡΠΉ ΠΏΡΠΈΠΊΡΠ΅ΠΏΠ»ΡΠ΅ΡΡΡ ΠΊ Π²Π΅ΡΡ Π½Π΅ΠΉ ΡΠ°ΡΡΠΈ Π±Π»ΠΎΠΊΠ° ΠΈ Π·Π°ΠΊΡΡΠ²Π°Π΅Ρ ΡΠΈΠ»ΠΈΠ½Π΄ΡΡ, Π² ΠΊΠΎΡΠΎΡΡΡ ΠΏΡΠΎΠΈΡΡ ΠΎΠ΄ΠΈΡ ΡΠ³ΠΎΡΠ°Π½ΠΈΠ΅. ΠΠΎΠ»ΠΎΠ²ΠΊΠ°, ΠΎΠ±ΡΡΠ½ΠΎ ΠΈΠ·Π³ΠΎΡΠΎΠ²Π»Π΅Π½Π½Π°Ρ ΠΈΠ· Π°Π»ΡΠΌΠΈΠ½ΠΈΡ, ΡΠ°ΠΊΠΆΠ΅ ΡΠΎΠ΄Π΅ΡΠΆΠΈΡ ΡΠ²Π΅ΡΠΈ Π·Π°ΠΆΠΈΠ³Π°Π½ΠΈΡ, ΠΊΠ»Π°ΠΏΠ°Π½Ρ ΠΈ ΠΎΡΡΠ°Π»ΡΠ½ΡΡ ΡΠ°ΡΡΡ ΠΊΠ»Π°ΠΏΠ°Π½Π½ΠΎΠ³ΠΎ ΠΌΠ΅Ρ Π°Π½ΠΈΠ·ΠΌΠ° (ΠΏΡΡΠΆΠΈΠ½Ρ ΠΊΠ»Π°ΠΏΠ°Π½ΠΎΠ², ΡΠΈΠΊΡΠ°ΡΠΎΡΡ, ΡΠ°ΡΠΏΡΠ΅Π΄Π΅Π»ΠΈΡΠ΅Π»ΡΠ½ΡΠ΅ Π²Π°Π»Ρ).
ΠΠΎΠ»ΠΎΠ²ΠΊΠ° (Π³ΠΎΠ»ΠΎΠ²ΠΊΠΈ) Π΄ΠΎΠ»ΠΆΠ½Ρ Π±ΡΡΡ Π·Π°ΡΡΠ½ΡΡΡ Π²Π½ΠΈΠ· ΠΊ Π±Π»ΠΎΠΊΡ, ΡΡΠΎΠ±Ρ ΡΠ΄Π΅ΡΠΆΠΈΠ²Π°ΡΡ Π±ΡΡΡΡΠΎΠ΅ ΡΠ°ΡΡΠΈΡΠ΅Π½ΠΈΠ΅ Π²ΠΎΡΠΏΠ»Π°ΠΌΠ΅Π½Π΅Π½Π½ΠΎΠΉ Π²ΠΎΠ·Π΄ΡΡΠ½ΠΎ-ΡΠΎΠΏΠ»ΠΈΠ²Π½ΠΎΠΉ ΡΠΌΠ΅ΡΠΈ Π±Π΅Π· Π΄Π΅ΡΠΎΡΠΌΠ°ΡΠΈΠΈ, ΠΎΡΠ΄Π΅Π»Π΅Π½ΠΈΡ ΠΈΠ»ΠΈ ΠΏΠΎΠ»Π½ΠΎΠ³ΠΎ ΡΠ΄ΡΠ²Π°Π½ΠΈΡ Π²Π΅ΡΡ Π½Π΅ΠΉ ΡΠ°ΡΡΠΈ Π±Π»ΠΎΠΊΠ°.ΠΠΎΠ³Π΄Π° Π³ΠΎΠ»ΠΎΠ²ΠΊΠ° ΠΏΡΠΈΠΆΠΈΠΌΠ°Π΅ΡΡΡ ΠΊ Π±Π»ΠΎΠΊΡ, ΠΎΠ½Π° ΡΠΎΠ·Π΄Π°Π΅Ρ ΠΎΠ±Π»Π°ΡΡΡ Π½Π°Π²Π΅ΡΡ Ρ ΠΊΠ°ΠΆΠ΄ΠΎΠ³ΠΎ ΡΠΈΠ»ΠΈΠ½Π΄ΡΠ°, Π³Π΄Π΅ ΡΠ½Π΅ΡΠ³ΠΈΡ ΡΠ³ΠΎΡΠ°Π½ΠΈΡ Π²ΡΡΠ²ΠΎΠ±ΠΎΠΆΠ΄Π°Π΅ΡΡΡ ΠΈ ΡΠΎΠΊΡΡΠΈΡΡΠ΅ΡΡΡ Π½Π° ΠΏΠΎΡΡΠ½Π΅. ΠΡΠ° Π·ΠΎΠ½Π° Π½Π°Π·ΡΠ²Π°Π΅ΡΡΡ ΠΊΠ°ΠΌΠ΅ΡΠΎΠΉ ΡΠ³ΠΎΡΠ°Π½ΠΈΡ. ΠΡΠ»ΠΈ Π²Ρ ΠΏΠΎΡΠΌΠΎΡΡΠΈΡΠ΅ Π½Π° ΡΡΠΎΡΠΎΠ½Ρ Π³ΠΎΠ»ΠΎΠ²ΠΊΠΈ ΡΠΈΠ»ΠΈΠ½Π΄ΡΠ°, ΠΊΠΎΡΠΎΡΠ°Ρ ΠΊΡΠ΅ΠΏΠΈΡΡΡ Π±ΠΎΠ»ΡΠ°ΠΌΠΈ ΠΊ Π±Π»ΠΎΠΊΡ, Π²Ρ ΡΠ²ΠΈΠ΄ΠΈΡΠ΅ ΠΊΠ°ΠΌΠ΅ΡΡ ΡΠ³ΠΎΡΠ°Π½ΠΈΡ ΠΊΠ°ΠΊ ΠΏΡΠΎΡΡΡΠ°Π½ΡΡΠ²Π° Π² Π³ΠΎΠ»ΠΎΠ²ΠΊΠ΅, ΠΊΠΎΡΠΎΡΡΠ΅ ΡΠΎΠ²ΠΏΠ°Π΄Π°ΡΡ Ρ Π²Π΅ΡΡΠΈΠ½Π°ΠΌΠΈ ΠΎΡΠ²Π΅ΡΡΡΠΈΠΉ ΡΠΈΠ»ΠΈΠ½Π΄ΡΠΎΠ². Π ΠΊΠ°ΠΆΠ΄ΠΎΠΉ ΠΊΠ°ΠΌΠ΅ΡΠ΅ Π²ΠΈΠ΄Π½Ρ ΠΊΠΎΠ½ΡΠΈΠΊ ΡΠ²Π΅ΡΠΈ Π·Π°ΠΆΠΈΠ³Π°Π½ΠΈΡ ΠΈ ΠΏΠ»ΠΎΡΠΊΠΈΠ΅ ΡΠ°ΡΡΠΈ ΠΊΠ»Π°ΠΏΠ°Π½ΠΎΠ². ΠΠΌΠ΅Π½Π½ΠΎ Π² ΡΡΠΎΠΉ ΠΊΠ°ΠΌΠ΅ΡΠ΅ ΡΠ³ΠΎΡΠ°Π½ΠΈΡ ΡΠ²Π΅ΡΠ° Π·Π°ΠΆΠΈΠ³Π°Π½ΠΈΡ ΡΠΎΠ·Π΄Π°Π΅Ρ ΡΠ»Π΅ΠΊΡΡΠΈΡΠ΅ΡΠΊΡΡ Π΄ΡΠ³Ρ, ΠΊΠΎΡΠΎΡΠ°Ρ Π²ΠΎΡΠΏΠ»Π°ΠΌΠ΅Π½ΡΠ΅Ρ ΡΠΎΠΏΠ»ΠΈΠ²Π½ΠΎ-Π²ΠΎΠ·Π΄ΡΡΠ½ΡΡ ΡΠΌΠ΅ΡΡ.
ΠΠΎΠ»ΠΎΠ²ΠΊΠ° ΡΠ°ΠΊΠΆΠ΅ ΠΈΠΌΠ΅Π΅Ρ Π²ΡΡΡΠΎΠ΅Π½Π½ΡΠ΅ Π² Π½Π΅Π΅ ΠΏΡΠΎΡ ΠΎΠ΄Ρ, ΠΊΠΎΡΠΎΡΡΠ΅ ΠΏΠΎΠ·Π²ΠΎΠ»ΡΡΡ ΠΎΡ Π»Π°ΠΆΠ΄Π°ΡΡΠ΅ΠΉ ΠΆΠΈΠ΄ΠΊΠΎΡΡΠΈ ΠΈΠ»ΠΈ ΠΌΠ°ΡΠ»Ρ (Π² Π·Π°Π²ΠΈΡΠΈΠΌΠΎΡΡΠΈ ΠΎΡ ΡΠΈΠΏΠ° ΠΏΡΠΎΡ ΠΎΠ΄Π°) ΡΠΈΡΠΊΡΠ»ΠΈΡΠΎΠ²Π°ΡΡ ΡΠ΅ΡΠ΅Π· Π³ΠΎΠ»ΠΎΠ²ΠΊΡ, ΠΏΠΎΠΌΠΎΠ³Π°Ρ Π΅ΠΉ ΡΠΎΡ ΡΠ°Π½ΡΡΡ ΠΎΡ Π»Π°ΠΆΠ΄Π΅Π½ΠΈΠ΅ ΠΈ ΡΠΌΠ°Π·ΠΊΡ. ΠΠ΅ΠΆΠ΄Ρ Π³ΠΎΠ»ΠΎΠ²ΠΊΠΎΠΉ ΠΈ Π±Π»ΠΎΠΊΠΎΠΌ Π²Ρ Π½Π°ΠΉΠ΄Π΅ΡΠ΅ ΠΊΡΡΠΎΠΊ ΠΌΠ΅ΡΠ°Π»Π»Π° ΠΈΠ»ΠΈ ΠΊΠΎΠΌΠΏΠΎΠ·ΠΈΡΠ½ΠΎΠ³ΠΎ ΠΌΠ°ΡΠ΅ΡΠΈΠ°Π»Π°, Π² ΠΊΠΎΡΠΎΡΠΎΠΌ Π΅ΡΡΡ ΠΎΠ±Π»Π°ΡΡΠΈ, Π²ΡΡΠ΅Π·Π°Π½Π½ΡΠ΅ Π΄Π»Ρ ΠΊΠ°ΠΆΠ΄ΠΎΠ³ΠΎ ΠΎΡΠ²Π΅ΡΡΡΠΈΡ ΠΈ ΠΊΠ°ΠΆΠ΄ΠΎΠ³ΠΎ ΠΏΡΠΎΡ ΠΎΠ΄Π°, ΠΈΠ΄ΡΡΠ΅Π³ΠΎ ΠΎΡ Π±Π»ΠΎΠΊΠ° ΠΊ Π³ΠΎΠ»ΠΎΠ²ΠΊΠ΅. ΠΡΠΎΡ Π·Π°ΠΆΠ°ΡΡΠΉ ΠΊΡΡΠΎΠΊ Π½Π°Π·ΡΠ²Π°Π΅ΡΡΡ ΠΏΡΠΎΠΊΠ»Π°Π΄ΠΊΠΎΠΉ Π³ΠΎΠ»ΠΎΠ²ΠΊΠΈ Π±Π»ΠΎΠΊΠ° ΡΠΈΠ»ΠΈΠ½Π΄ΡΠΎΠ².
Π‘ΡΠΌΠ°ΡΡΠ΅Π΄ΡΠΈΠΉ ΠΏΠΎΠ΅Π·Π΄ΠΠΎΠ»ΡΡΠΈΠ½ΡΡΠ²ΠΎ ΡΠΎΠ²ΡΠ΅ΠΌΠ΅Π½Π½ΡΡ Π΄Π²ΠΈΠ³Π°ΡΠ΅Π»Π΅ΠΉ ΠΈΠΌΠ΅ΡΡ ΠΊΠ»Π°ΠΏΠ°Π½Π½ΡΠΉ ΠΌΠ΅Ρ Π°Π½ΠΈΠ·ΠΌ Ρ Π΄Π²ΡΠΌΡ Π²Π΅ΡΡ Π½ΠΈΠΌΠΈ ΡΠ°ΡΠΏΡΠ΅Π΄Π²Π°Π»Π°ΠΌΠΈ (DOHC), ΡΡΠΎ ΠΎΠ·Π½Π°ΡΠ°Π΅Ρ, ΡΡΠΎ Π²ΠΏΡΡΠΊΠ½ΡΠ΅ ΠΈ Π²ΡΠΏΡΡΠΊΠ½ΡΠ΅ ΠΊΠ»Π°ΠΏΠ°Π½Ρ ΠΈΠΌΠ΅ΡΡ ΡΠΎΠ±ΡΡΠ²Π΅Π½Π½ΡΠ΅ ΡΠ°ΡΠΏΡΠ΅Π΄Π²Π°Π»Ρ.ΠΡΠ΅ΠΈΠΌΡΡΠ΅ΡΡΠ²ΠΎ Π½Π°Π»ΠΈΡΠΈΡ ΠΎΡΠ΄Π΅Π»ΡΠ½ΡΡ ΡΠ°ΡΠΏΡΠ΅Π΄Π΅Π»ΠΈΡΠ΅Π»ΡΠ½ΡΡ Π²Π°Π»ΠΎΠ² ΡΠΎΡΡΠΎΠΈΡ Π² ΡΠΎΠΌ, ΡΡΠΎ ΠΊΠ°ΠΆΠ΄ΡΠΉ ΠΊΡΠ»Π°ΡΠΎΠΊ ΠΌΠΎΠΆΠ½ΠΎ ΡΠ°Π·ΠΌΠ΅ΡΡΠΈΡΡ ΠΎΡΠ΅Π½Ρ Π±Π»ΠΈΠ·ΠΊΠΎ ΠΊ ΠΊΠ»Π°ΠΏΠ°Π½Ρ, ΡΡΠΎ ΠΏΠΎΠ·Π²ΠΎΠ»ΡΠ΅Ρ ΠΊΡΠ»Π°ΡΠΊΠ°ΠΌ ΡΠ°Π±ΠΎΡΠ°ΡΡ Π»ΠΈΠ±ΠΎ Π½Π΅ΠΏΠΎΡΡΠ΅Π΄ΡΡΠ²Π΅Π½Π½ΠΎ Π½Π° ΠΊΠ»Π°ΠΏΠ°Π½Π°Ρ , Π»ΠΈΠ±ΠΎ ΡΠ΅ΡΠ΅Π· ΠΎΡΠ΅Π½Ρ ΠΌΠ°Π»Π΅Π½ΡΠΊΠΈΠΉ ΠΊΠΎΡΠΎΠΌΡΡΠ΅Π». ΠΡΠΎ ΡΠ½ΠΈΠΆΠ°Π΅Ρ ΠΈΠ½Π΅ΡΡΠΈΠΎΠ½Π½ΡΡ ΠΌΠ°ΡΡΡ ΠΊΠ»Π°ΠΏΠ°Π½Π½ΠΎΠ³ΠΎ ΠΌΠ΅Ρ Π°Π½ΠΈΠ·ΠΌΠ° Π΄ΠΎ ΠΌΠΈΠ½ΠΈΠΌΡΠΌΠ°, ΡΡΠΎ Π΅ΡΠ΅ Π±ΠΎΠ»ΡΡΠ΅ ΡΠΏΠΎΡΠΎΠ±ΡΡΠ²ΡΠ΅Ρ ΡΠ°Π±ΠΎΡΠ΅ Π½Π° Π²ΡΡΠΎΠΊΠΈΡ ΠΎΠ±ΠΎΡΠΎΡΠ°Ρ . ΠΠΎΡΡΠΈ Π²ΠΎ Π²ΡΠ΅Ρ ΡΠΎΠ²ΡΠ΅ΠΌΠ΅Π½Π½ΡΡ Π²ΡΡΠΎΠΊΠΎΠΏΡΠΎΠΈΠ·Π²ΠΎΠ΄ΠΈΡΠ΅Π»ΡΠ½ΡΡ Π΄Π²ΠΈΠ³Π°ΡΠ΅Π»ΡΡ ΠΈΡΠΏΠΎΠ»ΡΠ·ΡΡΡΡΡ ΠΊΠ»Π°ΠΏΠ°Π½Π½ΡΠ΅ ΠΌΠ΅Ρ Π°Π½ΠΈΠ·ΠΌΡ DOHC, ΡΡΠΎΠ±Ρ ΠΌΠ°ΠΊΡΠΈΠΌΠ°Π»ΡΠ½ΠΎ ΡΠ²Π΅Π»ΠΈΡΠΈΡΡ Π΄ΠΎΡΡΡΠΏΠ½ΡΡ ΠΌΠΎΡΠ½ΠΎΡΡΡ ΠΏΡΠΈ Π²ΡΡΠΎΠΊΠΈΡ ΠΎΠ±ΠΎΡΠΎΡΠ°Ρ . Mitsubishi 4B11, ΡΡΡΠ°Π½ΠΎΠ²Π»Π΅Π½Π½ΡΠΉ Π² EVO X, ΠΈ Mazda MZR 2.3 DISI, Π½Π°ΠΉΠ΄Π΅Π½Π½ΡΠΉ Π² MAZDASPEED3, ΡΠ²Π»ΡΡΡΡΡ ΡΡΠΊΠΈΠΌΠΈ ΠΏΡΠΈΠΌΠ΅ΡΠ°ΠΌΠΈ ΡΠΎΠ²ΡΠ΅ΠΌΠ΅Π½Π½ΡΡ Π²ΡΡΠΎΠΊΠΎΠΏΡΠΎΠΈΠ·Π²ΠΎΠ΄ΠΈΡΠ΅Π»ΡΠ½ΡΡ Π΄Π²ΠΈΠ³Π°ΡΠ΅Π»Π΅ΠΉ DOHC.
Π Π°Π·Π½ΠΈΡΠ° ΠΌΠ΅ΠΆΠ΄Ρ Π°Π²ΡΠΎΠΌΠΎΠ±ΠΈΠ»ΡΠ½ΡΠΌΠΈ Π΄Π²ΠΈΠ³Π°ΡΠ΅Π»ΡΠΌΠΈ
ΠΠ²ΡΠΎΠΌΠΎΠ±ΠΈΠ»ΡΠ½ΡΠ΅ ΠΈΠ½ΠΆΠ΅Π½Π΅ΡΡ ΠΏΡΠΈ ΠΏΡΠΎΠ΅ΠΊΡΠΈΡΠΎΠ²Π°Π½ΠΈΠΈ Π°Π²ΡΠΎΠΌΠΎΠ±ΠΈΠ»Π΅ΠΉ Π·Π°Π±ΠΎΡΡΡΡΡ ΠΎ ΡΠΎΠΎΡΠ½ΠΎΡΠ΅Π½ΠΈΠΈ ΠΌΠ°ΡΡΡ ΠΊ ΠΌΠΎΡΠ½ΠΎΡΡΠΈ. ΠΠ΅ΡΠΌΠΎΡΡΡ Π½Π° ΡΠΎ, ΡΡΠΎ Π² ΠΎΡΡΠ°ΡΠ»ΠΈ Π±ΠΎΠ»ΡΡΠΎΠ΅ Π²Π½ΠΈΠΌΠ°Π½ΠΈΠ΅ ΡΠ΄Π΅Π»ΡΠ΅ΡΡΡ ΠΎΠ±Π»Π΅Π³ΡΠ΅Π½ΠΈΡ, ΠΈΡΡΠ»Π΅Π΄ΠΎΠ²Π°ΡΠ΅Π»ΠΈ ΡΠ°ΠΊΠΆΠ΅ ΠΈΡΡΡ Π±ΠΎΠ»Π΅Π΅ ΡΡΡΠ΅ΠΊΡΠΈΠ²Π½ΡΡ ΠΊΠΎΠ½ΡΡΡΡΠΊΡΠΈΡ Π΄Π²ΠΈΠ³Π°ΡΠ΅Π»Ρ. ΠΠ²ΠΈΠ³Π°ΡΠ΅Π»Ρ Π²Π½ΡΡΡΠ΅Π½Π½Π΅Π³ΠΎ ΡΠ³ΠΎΡΠ°Π½ΠΈΡ (IC) Π² Π½Π°ΡΡΠΎΡΡΠ΅Π΅ Π²ΡΠ΅ΠΌΡ ΡΠ²Π»ΡΠ΅ΡΡΡ ΠΏΡΠ΅Π΄ΠΏΠΎΡΡΠΈΡΠ΅Π»ΡΠ½ΡΠΌ Π΄Π²ΠΈΠ³Π°ΡΠ΅Π»Π΅ΠΌ Π΄Π»Ρ ΡΡΠ°Π½ΡΠΏΠΎΡΡΠ½ΡΡ ΡΡΠ΅Π΄ΡΡΠ², Π½ΠΎ ΡΠ°ΡΡΡΡΠ°Ρ ΠΎΠ·Π°Π±ΠΎΡΠ΅Π½Π½ΠΎΡΡΡ ΠΏΠΎ ΠΏΠΎΠ²ΠΎΠ΄Ρ ΠΈΠ·ΠΌΠ΅Π½Π΅Π½ΠΈΡ ΠΊΠ»ΠΈΠΌΠ°ΡΠ° Ρ Π³ΠΎΠ΄Π°ΠΌΠΈ ΠΏΡΠΈΠ²Π»Π΅ΠΊΠ»Π° ΠΊ ΡΠ»Π΅ΠΊΡΡΠΎΠΌΠΎΠ±ΠΈΠ»ΡΠΌ ΠΏΠΎΠ²ΡΡΠ΅Π½Π½ΠΎΠ΅ Π²Π½ΠΈΠΌΠ°Π½ΠΈΠ΅.
ΠΠΎΠ½ΠΈΠΌΠ°Π½ΠΈΠ΅ ΡΠ°Π·Π½ΠΈΡΡ ΠΌΠ΅ΠΆΠ΄Ρ ΡΡΠΈΠΌΠΈ Π΄Π²ΠΈΠ³Π°ΡΠ΅Π»ΡΠΌΠΈ ΠΈ ΡΠΎΠ³ΠΎ, ΠΊΠ°ΠΊ ΠΎΠ½ΠΈ Π²Π»ΠΈΡΡΡ Π½Π° ΡΠ΅ΡΡΡΡΡ, Π½Π΅ Π³ΠΎΠ²ΠΎΡΡ ΡΠΆΠ΅ ΠΎ ΡΠΎΠΎΡΠ½ΠΎΡΠ΅Π½ΠΈΠΈ Π²Π΅ΡΠ° ΠΈ ΠΌΠΎΡΠ½ΠΎΡΡΠΈ, ΠΏΠΎΠ·Π²ΠΎΠ»ΡΠ΅Ρ Π²ΡΡΠ²ΠΈΡΡ ΠΊΠ»ΡΡΠ΅Π²ΡΠ΅ ΡΠ²ΠΎΠΉΡΡΠ²Π°, ΠΊΠΎΡΠΎΡΡΠ΅ ΠΌΠΎΠ³ΡΡ ΡΠΊΠ°Π·ΡΠ²Π°ΡΡ Π½Π° ΡΠΎ, ΠΊΠΎΠ³Π΄Π° ΠΈΠ»ΠΈ Π΅ΡΠ»ΠΈ Π΄Π²ΠΈΠ³Π°ΡΠ΅Π»Ρ Π²Π½ΡΡΡΠ΅Π½Π½Π΅Π³ΠΎ ΡΠ³ΠΎΡΠ°Π½ΠΈΡ ΠΌΠΎΠΆΠ΅Ρ Π²ΡΠΉΡΠΈ ΠΈΠ· ΡΡΡΠΎΡ.
ΠΠΎΡΡΠ½Π΅Π²ΠΎΠΉ Π΄Π²ΠΈΠ³Π°ΡΠ΅Π»Ρ Π²Π½ΡΡΡΠ΅Π½Π½Π΅Π³ΠΎ ΡΠ³ΠΎΡΠ°Π½ΠΈΡ
ΠΡΡΠ»Π΅Π΄ΠΎΠ²Π°ΡΠ΅Π»ΠΈ ΠΎΠ±Π½Π°ΡΡΠΆΠΈΠ»ΠΈ, ΡΡΠΎ ΠΏΡΡΠ΅ΠΌ ΡΠ΅Π³ΡΠ»ΠΈΡΠΎΠ²ΠΊΠΈ ΡΠ°Π· Π³Π°Π·ΠΎΡΠ°ΡΠΏΡΠ΅Π΄Π΅Π»Π΅Π½ΠΈΡ ΠΏΠΎΡΡΠ½Π΅Π²ΠΎΠ³ΠΎ Π΄Π²ΠΈΠ³Π°ΡΠ΅Π»Ρ ΠΏΡΠΎΠΈΠ·Π²ΠΎΠ΄ΠΈΡΠ΅Π»ΡΠ½ΠΎΡΡΡ ΠΌΠΎΠΆΠ΅Ρ Π±ΡΡΡ Π·Π½Π°ΡΠΈΡΠ΅Π»ΡΠ½ΠΎ ΡΠ»ΡΡΡΠ΅Π½Π°. ΠΠ΅ΠΊΠΎΡΠΎΡΡΠ΅ ΠΊΠΎΠΌΠΏΠ°Π½ΠΈΠΈ, Π½Π°ΠΏΡΠΈΠΌΠ΅Ρ Ferrari, ΡΠ°Π·ΡΠ°Π±ΠΎΡΠ°Π»ΠΈ Π΄ΠΈΠ½Π°ΠΌΠΈΡΠ΅ΡΠΊΠΈΠ΅ ΠΊΠ»Π°ΠΏΠ°Π½Ρ. ΠΠ΄ΠΈΠ½ ΠΈΠ· ΠΏΡΠΈΠΌΠ΅ΡΠΎΠ² ΠΌΠΎΠΆΠ΅Ρ ΠΏΠΎΡ Π²Π°ΡΡΠ°ΡΡΡΡ ΡΡΠ΅Ρ ΠΌΠ΅ΡΠ½ΡΠΌ ΠΊΡΠ»Π°ΡΠΊΠΎΠΌ ΡΠΎ ΡΠΊΠΎΠ»ΡΠ·ΡΡΠΈΠΌ ΡΠ°ΡΠΏΡΠ΅Π΄Π΅Π»ΠΈΡΠ΅Π»ΡΠ½ΡΠΌ Π²Π°Π»ΠΎΠΌ, ΠΊΠΎΡΠΎΡΡΠΉ ΠΈΠ·ΠΌΠ΅Π½ΡΠ΅Ρ ΡΠΈΠ½Ρ ΡΠΎΠ½ΠΈΠ·Π°ΡΠΈΡ Π΄Π²ΠΈΠ³Π°ΡΠ΅Π»Ρ ΠΏΠΎ ΠΌΠ΅ΡΠ΅ ΠΈΠ·ΠΌΠ΅Π½Π΅Π½ΠΈΡ ΡΡΠ΅Π±ΠΎΠ²Π°Π½ΠΈΠΉ ΠΊ Π΄Π²ΠΈΠ³Π°ΡΠ΅Π»Ρ. (ΠΡΠ΅Π΄ΠΈΡ: Drivingtestsuccess.com)ΠΠΠ ΠΏΠΎΡΡΠ½Π΅Π²ΠΎΠ³ΠΎ Π΄Π²ΠΈΠ³Π°ΡΠ΅Π»Ρ Π² ΡΠ΅Π»ΠΎΠΌ ΡΠΎΡΡΠ°Π²Π»ΡΠ΅Ρ ΠΎΡ 28 Π΄ΠΎ 45%. ΠΠ½ ΠΌΠΎΠΆΠ΅Ρ ΠΈΠΌΠ΅ΡΡ ΡΠΎΡΠ½ΠΈ Π΄Π²ΠΈΠΆΡΡΠΈΡ ΡΡ ΡΠ°ΡΡΠ΅ΠΉ, ΠΊΠΎΡΠΎΡΡΠ΅ ΠΌΠΎΠ³ΡΡ Π±ΡΡΡ ΠΈΡΡΠΎΡΠ½ΠΈΠΊΠΎΠΌ Π±ΠΎΠ»ΡΡΠ΅Π³ΠΎ ΠΊΠΎΠ»ΠΈΡΠ΅ΡΡΠ²Π° ΡΠ΅Ρ Π½ΠΈΡΠ΅ΡΠΊΠΎΠ³ΠΎ ΠΎΠ±ΡΠ»ΡΠΆΠΈΠ²Π°Π½ΠΈΡ, ΡΡΠΌΠ° ΠΈ ΠΏΠΎΡΠ΅ΡΡ ΡΠ½Π΅ΡΠ³ΠΈΠΈ, ΡΠ΅ΠΌ ΡΠΎΡΠΎΡΠ½ΡΠ΅ ΠΈΠ»ΠΈ ΡΠ»Π΅ΠΊΡΡΠΈΡΠ΅ΡΠΊΠΈΠ΅ Π΄Π²ΠΈΠ³Π°ΡΠ΅Π»ΠΈ, ΠΊΠΎΡΠΎΡΡΠ΅ ΠΈΠΌΠ΅ΡΡ ΠΌΠ΅Π½ΡΡΠ΅Π΅ ΠΊΠΎΠ»ΠΈΡΠ΅ΡΡΠ²ΠΎ Π΄Π΅ΡΠ°Π»Π΅ΠΉ ΠΈ ΠΌΠ΅Π½ΡΡΡΡ ΡΠ»ΠΎΠΆΠ½ΠΎΡΡΡ.ΠΠ΅ΡΠΌΠΎΡΡΡ Π½Π° ΡΡΠΈ ΠΏΡΠΎΠ±Π»Π΅ΠΌΡ, ΡΠΎΠΎΡΠ½ΠΎΡΠ΅Π½ΠΈΠ΅ Π²Π΅ΡΠ° ΠΈ ΠΌΠΎΡΠ½ΠΎΡΡΠΈ ΠΏΠΎΠΊΠ° ΡΠ΄Π΅ΡΠΆΠΈΠ²Π°Π΅Ρ ΠΏΠΎΡΡΠ½Π΅Π²ΡΠ΅ Π΄Π²ΠΈΠ³Π°ΡΠ΅Π»ΠΈ IC Π½Π° Π²ΡΡΠΎΡΠ΅.
Π‘Π°ΠΌΡΠΌ ΡΠ°ΡΠΏΡΠΎΡΡΡΠ°Π½Π΅Π½Π½ΡΠΌ Π΄Π²ΠΈΠ³Π°ΡΠ΅Π»Π΅ΠΌ Π½Π° Π΄ΠΎΡΠΎΠ³Π°Ρ ΡΠ΅Π³ΠΎΠ΄Π½Ρ ΡΠ²Π»ΡΠ΅ΡΡΡ ΡΠ΅ΡΡΡΠ΅Ρ ΡΠ°ΠΊΡΠ½ΡΠΉ ΠΏΠΎΡΡΠ½Π΅Π²ΠΎΠΉ Π΄Π²ΠΈΠ³Π°ΡΠ΅Π»Ρ IC. ΠΠ°ΠΆΠ΄ΡΠΉ Ρ ΠΎΠ΄ Π²ΡΠΏΠΎΠ»Π½ΡΠ΅Ρ Π·Π°Π΄Π°ΡΡ Π² ΡΠΈΠΊΠ»Π΅ ΡΠ³ΠΎΡΠ°Π½ΠΈΡ, ΠΊΠΎΡΠΎΡΡΠΉ Π²ΡΠ°ΡΠ°Π΅Ρ ΠΊΠΎΠ»Π΅Π½ΡΠ°ΡΡΠΉ Π²Π°Π» ΠΈΠ»ΠΈ Π²Π΅Π΄ΡΡΠΈΠΉ Π²Π°Π». Π‘ ΠΊΠ°ΠΆΠ΄ΡΠΌ Ρ ΠΎΠ΄ΠΎΠΌ ΠΏΠΎΡΡΠ΅Π½Ρ ΠΏΠ΅ΡΠ΅ΠΌΠ΅ΡΠ°Π΅ΡΡΡ ΠΈΠ· Π²Π΅ΡΡ Π½Π΅ΠΉ ΠΌΠ΅ΡΡΠ²ΠΎΠΉ ΡΠΎΡΠΊΠΈ (ΡΠ°ΠΌΠΎΠ΅ Π²Π΅ΡΡ Π½Π΅Π΅ ΠΏΠΎΠ»ΠΎΠΆΠ΅Π½ΠΈΠ΅, ΠΊΠΎΡΠΎΡΠΎΠ³ΠΎ ΠΌΠΎΠΆΠ΅Ρ Π΄ΠΎΡΡΠΈΡΡ ΠΏΠΎΡΡΠ΅Π½Ρ Π² ΡΠΈΠ»ΠΈΠ½Π΄ΡΠ΅) Π² Π½ΠΈΠΆΠ½ΡΡ ΠΌΠ΅ΡΡΠ²ΡΡ ΡΠΎΡΠΊΡ (ΡΠ°ΠΌΠΎΠ΅ Π½ΠΈΠΆΠ½Π΅Π΅ ΠΏΠΎΠ»ΠΎΠΆΠ΅Π½ΠΈΠ΅).
ΠΠ΅ΡΠ²ΡΠΉ Ρ ΠΎΠ΄, ΡΠ°ΠΊΡ Π²ΠΏΡΡΠΊΠ° ΠΈΠ»ΠΈ Π²ΠΏΡΡΠΊΠ°, Π²ΡΡΠ³ΠΈΠ²Π°Π΅Ρ Π²ΠΎΠ·Π΄ΡΡ ΠΈ ΡΠΎΠΏΠ»ΠΈΠ²ΠΎ Π² ΡΠΈΠ»ΠΈΠ½Π΄Ρ.Π Π΄ΠΈΠ·Π΅Π»ΡΡ ΡΡΠΎΡ Ρ ΠΎΠ΄ ΡΠΎΠ»ΡΠΊΠΎ Π²ΡΡΠ³ΠΈΠ²Π°Π΅Ρ Π²ΠΎΠ·Π΄ΡΡ ; ΡΠΎΠΏΠ»ΠΈΠ²ΠΎ Π²ΠΏΡΡΡΠΊΠΈΠ²Π°Π΅ΡΡΡ Π½Π΅ΠΏΠΎΡΡΠ΅Π΄ΡΡΠ²Π΅Π½Π½ΠΎ ΠΏΠ΅ΡΠ΅Π΄ ΡΠ°Π±ΠΎΡΠΈΠΌ ΡΠ°ΠΊΡΠΎΠΌ. ΠΠΎΠ³Π΄Π° ΠΏΠΎΡΡΠ΅Π½Ρ Π²ΠΎΠ·Π²ΡΠ°ΡΠ°Π΅ΡΡΡ Π½Π°Π²Π΅ΡΡ , ΠΎΠ½ ΡΠΆΠΈΠΌΠ°Π΅Ρ ΡΠΌΠ΅ΡΡ; ΡΠ²Π΅ΡΠ° Π·Π°ΠΆΠΈΠ³Π°Π½ΠΈΡ Π²ΠΎΡΠΏΠ»Π°ΠΌΠ΅Π½ΡΠ΅Ρ Π΅Π³ΠΎ. ΠΠΈΠ·Π΅Π»ΡΠ½ΡΠ΅ Π΄Π²ΠΈΠ³Π°ΡΠ΅Π»ΠΈ ΠΈΠΌΠ΅ΡΡ Π±ΠΎΠ»Π΅Π΅ Π²ΡΡΠΎΠΊΡΡ ΡΡΠ΅ΠΏΠ΅Π½Ρ ΡΠΆΠ°ΡΠΈΡ, ΡΡΠΎ ΠΏΡΠΈΠ²ΠΎΠ΄ΠΈΡ ΠΊ Π±ΠΎΠ»Π΅Π΅ Π²ΡΡΠΎΠΊΠΈΠΌ ΡΠ΅ΠΌΠΏΠ΅ΡΠ°ΡΡΡΠ°ΠΌ, ΡΡΠΎ Π²ΡΠ·ΡΠ²Π°Π΅Ρ ΡΠ³ΠΎΡΠ°Π½ΠΈΠ΅, ΠΊΠΎΠ³Π΄Π° ΡΠΎΠΏΠ»ΠΈΠ²ΠΎ Π²ΠΏΡΡΡΠΊΠΈΠ²Π°Π΅ΡΡΡ Π±Π΅Π· ΡΠ²Π΅ΡΠΈ Π·Π°ΠΆΠΈΠ³Π°Π½ΠΈΡ. ΠΠΈΠ·Π΅Π»ΡΠ½ΡΠ΅ Π΄Π²ΠΈΠ³Π°ΡΠ΅Π»ΠΈ ΠΈΠΌΠ΅ΡΡ Π½Π°Π³ΡΠ΅Π²Π°ΡΠ΅Π»ΡΠ½ΡΠ΅ ΡΠ»Π΅ΠΌΠ΅Π½ΡΡ, Π½Π°Π·ΡΠ²Π°Π΅ΠΌΡΠ΅ ΡΠ²Π΅ΡΠ°ΠΌΠΈ Π½Π°ΠΊΠ°Π»ΠΈΠ²Π°Π½ΠΈΡ, Π² ΠΊΠΎΡΠΎΡΡΡ ΡΠ°ΡΠΏΠΎΠ»ΠΎΠΆΠ΅Π½Ρ ΡΠ²Π΅ΡΠΈ Π·Π°ΠΆΠΈΠ³Π°Π½ΠΈΡ, ΠΊΠΎΡΠΎΡΡΠ΅ ΠΏΠΎΠΌΠΎΠ³Π°ΡΡ ΠΏΡΠΎΠ³ΡΠ΅Π²Π°ΡΡ ΠΊΠ°ΠΌΠ΅ΡΡ ΡΠ³ΠΎΡΠ°Π½ΠΈΡ ΠΏΡΠΈ Ρ ΠΎΠ»ΠΎΠ΄Π½ΠΎΠΌ ΠΏΡΡΠΊΠ΅.
Π’ΠΎΠΏΠ»ΠΈΠ²ΠΎ-Π²ΠΎΠ·Π΄ΡΡΠ½Π°Ρ ΡΠΌΠ΅ΡΡ Π²ΠΎΡΠΏΠ»Π°ΠΌΠ΅Π½ΡΠ΅ΡΡΡ Π²ΠΎ Π²ΡΠ΅ΠΌΡ ΡΠ»Π΅Π΄ΡΡΡΠ΅Π³ΠΎ ΡΠ°ΠΊΡΠ°, ΡΠ°Π±ΠΎΡΠ΅Π³ΠΎ ΡΠ°ΠΊΡΠ°, ΠΈ ΡΠ°ΡΡΠΈΡΡΡΡΠΈΠ΅ΡΡ Π³Π°Π·Ρ ΠΎΡ ΠΏΠΎΡΡΠ½Ρ Ρ ΠΌΠ°Π»ΠΎΠΉ ΡΠΈΠ»ΠΎΠΉ Π²Π·ΡΡΠ²Π° Π΄ΠΎ Π½ΠΈΠΆΠ½Π΅ΠΉ ΠΌΠ΅ΡΡΠ²ΠΎΠΉ ΡΠΎΡΠΊΠΈ.ΠΠ°ΠΊΠΎΠ½Π΅Ρ, ΡΠ΅ΡΠ²Π΅ΡΡΡΠΉ ΡΠ°ΠΊΡ, ΡΠ°ΠΊΡ Π²ΡΠΏΡΡΠΊΠ°, Π²ΠΎΠ·Π²ΡΠ°ΡΠ°Π΅Ρ ΠΏΠΎΡΡΠ΅Π½Ρ Π² Π²Π΅ΡΡ Π½ΡΡ ΠΌΠ΅ΡΡΠ²ΡΡ ΡΠΎΡΠΊΡ ΠΈ Π²ΡΡΠ°Π»ΠΊΠΈΠ²Π°Π΅Ρ Π³Π°Π·Ρ ΠΈΠ· ΡΠΈΠ»ΠΈΠ½Π΄ΡΠ°.
ΠΠΈΠ½Π΅ΠΉΠ½ΡΠ΅ ΠΌΠΎΠΌΠ΅Π½ΡΡ ΠΏΠΎΡΡΠ½Π΅ΠΉ ΠΏΡΠ΅ΠΎΠ±ΡΠ°Π·ΡΡΡΡΡ Π²ΠΎ Π²ΡΠ°ΡΠ°ΡΠ΅Π»ΡΠ½ΠΎΠ΅ Π΄Π²ΠΈΠΆΠ΅Π½ΠΈΠ΅ ΡΠ΅ΡΠ΅Π· ΡΠ°ΡΡΠ½Ρ, ΠΊΠΎΡΠΎΡΡΠ΅ ΠΏΠΎΠ²ΠΎΡΠ°ΡΠΈΠ²Π°ΡΡ ΠΊΠΎΠ»Π΅Π½ΡΠ°ΡΡΠΉ Π²Π°Π». Π ΡΠ²ΠΎΡ ΠΎΡΠ΅ΡΠ΅Π΄Ρ, ΠΊΠΎΠ»Π΅Π½ΡΠ°ΡΡΠΉ Π²Π°Π» ΠΏΡΠΈΠ²ΠΎΠ΄ΠΈΡ Π² Π΄Π²ΠΈΠΆΠ΅Π½ΠΈΠ΅ ΡΡΠ°Π½ΡΠΌΠΈΡΡΠΈΡ. ΠΠΎΠ»Π΅Π½ΡΠ°ΡΡΠΉ Π²Π°Π» ΡΠ°ΠΊΠΆΠ΅ ΡΠΎΠ΅Π΄ΠΈΠ½ΡΠ΅ΡΡΡ Ρ ΡΠ°ΡΠΏΡΠ΅Π΄Π²Π°Π»ΠΎΠΌ (-Π°ΠΌΠΈ) — ΠΎΠ±ΡΡΠ½ΠΎ Ρ ΠΏΠΎΠΌΠΎΡΡΡ ΡΠ΅ΠΌΠ½Ρ, Ρ ΠΎΡΡ ΠΈΠ½ΠΎΠ³Π΄Π° ΠΈΡΠΏΠΎΠ»ΡΠ·ΡΠ΅ΡΡΡ ΡΠΎΠ»ΠΈΠΊΠΎΠ²Π°Ρ ΡΠ΅ΠΏΡ. Π Π°ΡΠΏΡΠ΅Π΄Π΅Π»ΠΈΡΠ΅Π»ΡΠ½ΡΠΉ Π²Π°Π» Π²ΡΠ°ΡΠ°Π΅Ρ ΠΊΡΠ»Π°ΡΠΊΠΈ, ΡΡΠΎΠ±Ρ ΠΎΡΠΊΡΡΠ²Π°ΡΡ ΠΈ Π·Π°ΠΊΡΡΠ²Π°ΡΡ ΠΊΠ»Π°ΠΏΠ°Π½Ρ, ΠΊΠΎΠ½ΡΡΠΎΠ»ΠΈΡΡΡ Π²ΡΠ΅ΠΌΡ Π²ΠΏΡΡΠΊΠ° ΠΈ Π²ΡΠΏΡΡΠΊΠ° Π³Π°Π·ΠΎΠ² Π² ΡΠΈΠ»ΠΈΠ½Π΄ΡΠ°Ρ .
Π ΠΎΡΠΎΡΠ½ΡΠΉ Π΄Π²ΠΈΠ³Π°ΡΠ΅Π»Ρ ΠΠ°Π½ΠΊΠ΅Π»Ρ ΡΠ²Π»ΡΠ΅ΡΡΡ ΠΌΠΎΠ΄ΡΠ»ΡΠ½ΡΠΌ — ΠΏΡΠΈ ΡΡΠ»ΠΎΠ²ΠΈΠΈ, ΡΡΠΎ ΠΊΠΎΠ»Π΅Π½ΡΠ°ΡΡΠΉ Π²Π°Π» Π΄ΠΎΡΡΠ°ΡΠΎΡΠ½ΠΎ Π΄Π»ΠΈΠ½Π½ΡΠΉ, ΡΡΠΎΠ±Ρ Π²ΠΌΠ΅ΡΡΠΈΡΡ ΡΠΎΡΠΎΡΡ. Π 1991 Π³ΠΎΠ΄Ρ Mazda ΠΈΡΠΏΠΎΠ»ΡΠ·ΠΎΠ²Π°Π»Π° ΡΠ΅ΡΡΡΠ΅Ρ ΡΠΎΡΠΎΡΠ½ΡΠΉ Π΄Π²ΠΈΠ³Π°ΡΠ΅Π»Ρ, ΡΡΠΎΠ±Ρ ΡΡΠ°ΡΡ Π΅Π΄ΠΈΠ½ΡΡΠ²Π΅Π½Π½ΠΎΠΉ ΡΠΏΠΎΠ½ΡΠΊΠΎΠΉ Π°Π²ΡΠΎΠΌΠΎΠ±ΠΈΠ»ΡΠ½ΠΎΠΉ ΠΊΠΎΠΌΠΏΠ°Π½ΠΈΠ΅ΠΉ, Π²ΡΠΈΠ³ΡΠ°Π²ΡΠ΅ΠΉ 24-ΡΠ°ΡΠΎΠ²ΠΎΠΉ ΠΠ΅-ΠΠ°Π½. ΠΡΠΎ Π±ΡΠ΄Π΅Ρ Π΅Π΄ΠΈΠ½ΡΡΠ²Π΅Π½Π½ΡΠΉ ΡΠΎΡΠΎΡΠ½ΡΠΉ Π΄Π²ΠΈΠ³Π°ΡΠ΅Π»Ρ, ΠΊΠΎΡΠΎΡΡΠΉ ΠΊΠΎΠ³Π΄Π°-Π»ΠΈΠ±ΠΎ Π²ΡΠΈΠ³ΡΡΠ²Π°Π» ΡΡΠΎΡ ΡΠΈΡΡΠ», ΠΏΠΎΡΠΊΠΎΠ»ΡΠΊΡ ΡΡΠΊΠΎΠ²ΠΎΠ΄ΡΡΠΈΠΉ ΠΎΡΠ³Π°Π½ Π³ΠΎΠ½ΠΊΠΈ ΠΎΠ±ΡΡΠ²ΠΈΠ» ΡΠΎΡΠΎΡΠ½ΡΠ΅ Π΄Π²ΠΈΠ³Π°ΡΠ΅Π»ΠΈ Π²Π½Π΅ Π·Π°ΠΊΠΎΠ½Π° Π² 1992 Π³ΠΎΠ΄Ρ.Π§ΡΠΎΠ±Ρ ΠΏΠΎΠ»ΡΡΠΈΡΡ ΠΌΠ°ΠΊΡΠΈΠΌΠ°Π»ΡΠ½ΡΡ ΠΌΠΎΡΠ½ΠΎΡΡΡ ΠΎΡ ΠΊΠ°ΠΆΠ΄ΠΎΠ³ΠΎ Ρ ΠΎΠ΄Π°, Π΄ΠΈΠ·Π°ΠΉΠ½Π΅ΡΡ Π² ΠΎΡΠ½ΠΎΠ²Π½ΠΎΠΌ ΡΠ΄Π΅Π»ΡΡΡ Π²Π½ΠΈΠΌΠ°Π½ΠΈΠ΅ ΠΊΠΎΠ½ΡΡΡΡΠΊΡΠΈΠΈ ΠΏΠΎΡΡΠ½Π΅ΠΉ, ΠΊΡΠ»Π°ΡΠΊΠΎΠ² ΠΈ ΠΊΠ»Π°ΠΏΠ°Π½ΠΎΠ². . ΠΠΎΠ²ΡΡΠ΅Π½ΠΈΠ΅ ΠΏΡΠΎΠΈΠ·Π²ΠΎΠ΄ΠΈΡΠ΅Π»ΡΠ½ΠΎΡΡΠΈ ΠΈ ΡΡΡΠ΅ΠΊΡΠΈΠ²Π½ΠΎΡΡΠΈ ΡΠ°ΡΡΠΎ Π·Π°Π²ΠΈΡΠΈΡ ΠΎΡ ΡΠ²Π΅Π»ΠΈΡΠ΅Π½ΠΈΡ ΡΠΊΠΎΡΠΎΡΡΠΈ ΠΈΠ»ΠΈ ΠΎΠ± / ΠΌΠΈΠ½ ΠΈ Π΄Π°Π²Π»Π΅Π½ΠΈΡ Π½Π° ΡΡΠΈ ΠΊΠΎΠΌΠΏΠΎΠ½Π΅Π½ΡΡ.ΠΡΠΎ ΠΌΠΎΠΆΠ΅Ρ Π±ΡΡΡ Π½Π΅ΠΏΡΠΎΡΡΠΎ: ΡΡΠΎ-ΡΠΎ ΡΡΠΎΠ»Ρ ΠΆΠ΅ ΠΏΡΠΎΡΡΠΎΠ΅, ΠΊΠ°ΠΊ ΡΠ²Π΅Π»ΠΈΡΠ΅Π½ΠΈΠ΅ Π΄Π°Π²Π»Π΅Π½ΠΈΡ Π²ΠΎ Π²ΡΠ΅ΠΌΡ ΡΠ°ΠΊΡΠΎΠ² ΡΠΆΠ°ΡΠΈΡ (Π½Π°ΠΏΡΠΈΠΌΠ΅Ρ, ΡΡΠ΅ΠΏΠ΅Π½ΠΈ ΡΠΆΠ°ΡΠΈΡ), ΠΌΠΎΠΆΠ΅Ρ ΠΏΠΎΡΡΠ΅Π±ΠΎΠ²Π°ΡΡ ΡΠΎΠ²Π΅ΡΡΠ΅Π½Π½ΠΎ Π½ΠΎΠ²ΠΎΠΉ Π³ΠΎΠ»ΠΎΠ²ΠΊΠΈ Π±Π»ΠΎΠΊΠ° ΡΠΈΠ»ΠΈΠ½Π΄ΡΠΎΠ², ΠΏΠΎΡΡΠ½Π΅ΠΉ ΠΈ ΡΠ°ΡΡΠ½Π°, ΡΠ΄Π΅Π»Π°Π½Π½ΡΡ ΠΈΠ· ΠΌΠ°ΡΠ΅ΡΠΈΠ°Π»ΠΎΠ², ΠΊΠΎΡΠΎΡΡΠ΅ Π²ΡΠ΄Π΅ΡΠΆΠΈΠ²Π°ΡΡ Π±ΠΎΠ»Π΅Π΅ Π²ΡΡΠΎΠΊΠΈΠ΅ Π½Π°Π³ΡΡΠ·ΠΊΠΈ. ΠΠΎΠ»Π΅Π΅ Π²ΡΡΠΎΠΊΠΈΠ΅ Π½Π°Π³ΡΡΠ·ΠΊΠΈ ΡΠ°ΠΊΠΆΠ΅ ΠΌΠΎΠ³ΡΡ ΠΏΠΎΡΡΠ΅Π±ΠΎΠ²Π°ΡΡ ΡΠΎΠΏΠ»ΠΈΠ²Π° Ρ Π±ΠΎΠ»Π΅Π΅ Π²ΡΡΠΎΠΊΠΈΠΌ ΠΎΠΊΡΠ°Π½ΠΎΠ²ΡΠΌ ΡΠΈΡΠ»ΠΎΠΌ Π΄Π»Ρ ΠΏΡΠ°Π²ΠΈΠ»ΡΠ½ΠΎΠ³ΠΎ Π·Π°ΠΆΠΈΠ³Π°Π½ΠΈΡ. ΠΠ³Π½ΠΎΡΠΈΡΠΎΠ²Π°Π½ΠΈΠ΅ Π»ΡΠ±ΠΎΠΉ ΠΈΠ· ΡΡΠΈΡ ΠΏΡΠΎΠ±Π»Π΅ΠΌ ΠΌΠΎΠΆΠ΅Ρ ΠΏΡΠΈΠ²Π΅ΡΡΠΈ ΠΊ ΡΡΠ΅Π·ΠΌΠ΅ΡΠ½ΠΎΠΌΡ ΠΈΠ·Π½ΠΎΡΡ Π΄Π²ΠΈΠ³Π°ΡΠ΅Π»Ρ ΠΈ Π½Π΅ΡΡΡΠ΅ΠΊΡΠΈΠ²Π½ΠΎΠΉ ΡΠ°Π±ΠΎΡΠ΅.
Π ΠΎΡΠΎΡΠ½ΡΠΉ Π΄Π²ΠΈΠ³Π°ΡΠ΅Π»Ρ Π²Π½ΡΡΡΠ΅Π½Π½Π΅Π³ΠΎ ΡΠ³ΠΎΡΠ°Π½ΠΈΡ
Π ΠΎΡΠΎΡΠ½ΡΠΉ Π΄Π²ΠΈΠ³Π°ΡΠ΅Π»Ρ, Π° ΠΈΠΌΠ΅Π½Π½ΠΎ ΡΠΎΡΠΎΡΠ½ΡΠΉ Π΄Π²ΠΈΠ³Π°ΡΠ΅Π»Ρ ΠΠ°Π½ΠΊΠ΅Π»Ρ, Π½Π΅ ΠΈΠΌΠ΅Π΅Ρ ΠΏΠΎΡΡΠ½Π΅ΠΉ, Π° ΠΈΠΌΠ΅Π΅Ρ ΡΡΠ΅Ρ Π»ΠΎΠΏΠ°ΡΡΠ½ΡΠΉ ΡΡΠ΅ΡΠ³ΠΎΠ»ΡΠ½ΡΠΉ ΡΠΎΡΠΎΡ.ΠΠ»ΡΡΠ΅Π²ΡΠ΅ ΠΎΡΠ»ΠΈΡΠΈΡ ΠΎΡ ΠΏΠΎΡΡΠ½Π΅Π²ΠΎΠ³ΠΎ Π΄Π²ΠΈΠ³Π°ΡΠ΅Π»Ρ — ΡΡΠΎ ΡΠΌΠ΅Π½ΡΡΠ΅Π½ΠΈΠ΅ ΠΊΠΎΠ»ΠΈΡΠ΅ΡΡΠ²Π° Π΄Π΅ΡΠ°Π»Π΅ΠΉ, ΡΠ½ΠΈΠΆΠ΅Π½ΠΈΠ΅ Π²ΠΈΠ±ΡΠ°ΡΠΈΠΈ ΠΈ ΡΠΏΠΎΡΠΎΠ±Π½ΠΎΡΡΡ Π΄Π²ΠΈΠ³Π°ΡΠ΅Π»Ρ ΡΠ°Π±ΠΎΡΠ°ΡΡ Π½Π° Π²ΡΡΠΎΠΊΠΈΡ ΡΠΊΠΎΡΠΎΡΡΡΡ (ΠΎΠ± / ΠΌΠΈΠ½). ΠΠ²ΠΈΠ³Π°ΡΠ΅Π»Ρ Π²ΡΠΏΡΡΠΊΠ°Π΅ΡΡΡ Π² ΠΎΡΠ½ΠΎΡΠΈΡΠ΅Π»ΡΠ½ΠΎ Π½Π΅Π±ΠΎΠ»ΡΡΠΎΠΌ ΠΊΠΎΡΠΏΡΡΠ΅ Ρ Π²ΡΡΠΎΠΊΠΎΠΉ ΡΠ΄Π΅Π»ΡΠ½ΠΎΠΉ ΠΌΠΎΡΠ½ΠΎΡΡΡΡ. ΠΠΎ ΡΡΠ°Π²Π½Π΅Π½ΠΈΡ Ρ ΠΏΠΎΡΡΠ½Π΅Π²ΡΠΌΠΈ Π΄Π²ΠΈΠ³Π°ΡΠ΅Π»ΡΠΌΠΈ, ΠΏΡΠΎΡΡΠ°Ρ ΠΊΠΎΠ½ΡΠ΅ΠΏΡΠΈΡ ΡΠΎΡΠΎΡΠ½ΠΎΠ³ΠΎ Π΄Π²ΠΈΠ³Π°ΡΠ΅Π»Ρ ΠΈ ΡΠ»ΠΎΠΆΠ½Π°Ρ Π³Π΅ΠΎΠΌΠ΅ΡΡΠΈΡ Π²ΡΠ·Π²Π°Π»ΠΈ ΡΡΡΠ°ΡΡΠ½ΡΠ΅ ΡΠΏΠΎΡΡ ΠΎ ΡΠΎΠΌ, ΠΏΠΎΡΠ΅ΠΌΡ ΠΎΠ½ Π½Π΅ ΠΏΠΎΠ»ΡΠ·ΡΠ΅ΡΡΡ Π±ΠΎΠ»ΡΡΠ΅ΠΉ ΠΏΠΎΠΏΡΠ»ΡΡΠ½ΠΎΡΡΡΡ.
Π§ΡΠΎΠ±Ρ ΠΏΡΠ΅Π΄ΡΡΠ°Π²ΠΈΡΡ ΡΠ΅Π±Π΅ Π²Π½ΡΡΡΠ΅Π½Π½ΡΡ ΡΠ°ΡΡΡ ΡΠΎΡΠΎΡΠ½ΠΎΠ³ΠΎ Π΄Π²ΠΈΠ³Π°ΡΠ΅Π»Ρ, ΡΠ½Π°ΡΠ°Π»Π° Π½Π΅ΠΎΠ±Ρ ΠΎΠ΄ΠΈΠΌΠΎ Π·Π½Π°ΡΡ, ΡΡΠΎ ΡΠ°ΠΊΠΎΠ΅ ΡΠΏΠΈΡΡΠΎΡ ΠΈΠΎΠ΄ (ΡΠ°ΠΊΠΆΠ΅ Π½Π°Π·ΡΠ²Π°Π΅ΠΌΡΠΉ ΡΠΏΠΈΡΠΈΠΊΠ»ΠΎΠΈΠ΄ΠΎΠΉ).ΠΠΏΠΈΡΡΠΎΡ ΠΈΠΎΠ΄Ρ — ΡΡΠΎ Π³Π΅ΠΎΠΌΠ΅ΡΡΠΈΡΠ΅ΡΠΊΠΈΠ΅ ΡΠΈΠ³ΡΡΡ, ΠΎΠ±ΡΠ°Π·ΠΎΠ²Π°Π½Π½ΡΠ΅ ΠΏΡΡΠ΅ΠΌ ΠΎΡΡΠ»Π΅ΠΆΠΈΠ²Π°Π½ΠΈΡ ΡΠΎΡΠΊΠΈ ΠΏΠΎ ΡΠ°Π΄ΠΈΡΡΡ ΡΠΎΡΠΌΡ, ΠΊΠΎΡΠΎΡΠ°Ρ Π²ΡΠΊΠ°ΡΡΠ²Π°Π΅ΡΡΡ ΠΈΠ»ΠΈ Π½Π°Ρ ΠΎΠ΄ΠΈΡΡΡ Π²Π½ΡΡΡΠΈ Π΄ΡΡΠ³ΠΎΠΉ ΡΠΎΡΠΌΡ. ΠΡΠ»ΠΈ Π²Ρ ΠΊΠΎΠ³Π΄Π°-Π»ΠΈΠ±ΠΎ ΠΈΡΠΏΠΎΠ»ΡΠ·ΠΎΠ²Π°Π»ΠΈ ΡΠΏΠΈΡΠΎΠ³ΡΠ°Ρ, Π²Ρ ΠΈΠ³ΡΠ°Π»ΠΈ Ρ ΡΠΏΠΈΡΡΠΎΡ ΠΈΠΎΠ΄Π°ΠΌΠΈ. ΠΠΎΡΠΏΡΡ ΡΠΎΡΠΎΡΠ½ΠΎΠ³ΠΎ Π΄Π²ΠΈΠ³Π°ΡΠ΅Π»Ρ ΠΏΡΠ΅Π΄ΡΡΠ°Π²Π»ΡΠ΅Ρ ΡΠΎΠ±ΠΎΠΉ ΠΏΡΠΎΡΡΠΎΠΉ ΡΠΏΠΈΡΡΠΎΡ ΠΈΠΎΠ΄ ΠΈΠ· Π΄Π²ΡΡ ΠΎΠΊΡΡΠΆΠ½ΠΎΡΡΠ΅ΠΉ. Π ΠΎΡΠΎΡ ΡΠΊΡΡΠ΅Π½ΡΡΠΈΡΠ½ΠΎ Π²ΡΠ°ΡΠ°Π΅ΡΡΡ Π²Π½ΡΡΡΠΈ ΠΊΠΎΡΠΏΡΡΠ°, ΡΠ΅ΠΌ ΡΠ°ΠΌΡΠΌ ΠΈΠ·ΠΌΠ΅Π½ΡΡ ΠΎΠ±ΡΠ΅ΠΌ ΡΡΠ΅Ρ ΠΏΡΠΎΡΡΡΠ°Π½ΡΡΠ² (ΠΊΠ°ΠΌΠ΅Ρ), ΠΎΠ±ΡΠ°Π·ΠΎΠ²Π°Π½Π½ΡΡ ΠΌΠ΅ΠΆΠ΄Ρ Π½ΠΈΠΌΠΈ.
ΠΡΠ½ΠΎΡΠ΅Π½ΠΈΠ΅ Π²Π΅ΡΠ° ΠΊ ΠΌΠΎΡΠ½ΠΎΡΡΠΈ Π²Π°ΠΆΠ½ΠΎ, ΠΈ Ρ ΠΎΡΡ ΡΠ»Π΅ΠΊΡΡΠΎΠΌΠΎΠ±ΠΈΠ»ΠΈ ΠΈ Π³ΠΈΠ±ΡΠΈΠ΄Ρ Π±ΠΎΠ»Π΅Π΅ ΡΡΡΠ΅ΠΊΡΠΈΠ²Π½Ρ, ΡΠ΅ΠΌ Π΄Π²ΠΈΠ³Π°ΡΠ΅Π»ΠΈ Π²Π½ΡΡΡΠ΅Π½Π½Π΅Π³ΠΎ ΡΠ³ΠΎΡΠ°Π½ΠΈΡ, ΡΡΠΎ ΡΠΎΠΎΡΠ½ΠΎΡΠ΅Π½ΠΈΠ΅ Π½Π΅ΠΎΠ±Ρ ΠΎΠ΄ΠΈΠΌΠΎ ΡΠ»ΡΡΡΠΈΡΡ, ΡΡΠΎΠ±Ρ ΠΎΠ½ΠΈ ΠΌΠΎΠ³Π»ΠΈ ΠΊΠΎΠ½ΠΊΡΡΠΈΡΠΎΠ²Π°ΡΡ Π½Π° ΡΡΠ½ΠΊΠ΅ ΡΡΠ°Π½ΡΠΏΠΎΡΡΠ½ΡΡ ΡΡΠ΅Π΄ΡΡΠ².ΠΠ»Π΅ΠΊΡΡΠΎΠΌΠΎΠ±ΠΈΠ»ΠΈ Π½Π΅ ΠΏΡΠ΅Π΄ΡΡΠ°Π²Π»Π΅Π½Ρ, ΡΠ°ΠΊ ΠΊΠ°ΠΊ ΠΊΠΎΠ»ΠΈΡΠ΅ΡΡΠ²ΠΎ Π²ΠΊΠ»ΡΡΠ΅Π½Π½ΡΡ ΠΌΠΎΠΆΠ΅Ρ ΡΠΈΠ»ΡΠ½ΠΎ ΡΠ°Π·Π»ΠΈΡΠ°ΡΡΡΡ. ΠΠ΄Π½Π°ΠΊΠΎ Π² ΡΠ΅Π»ΠΎΠΌ ΡΠΊΠΎΠ½ΠΎΠΌ-ΠΌΠΎΠ΄Π΅Π»ΠΈ Π²Π΅ΡΠΈΠ»ΠΈ Π±ΠΎΠ»ΡΡΠ΅, ΡΠ΅ΠΌ Π³ΠΈΠ±ΡΠΈΠ΄Ρ. Π¦ΠΈΡΡΡ ΠΈΡΠΏΠΎΠ»ΡΠ·ΡΡΡΡΡ ΡΠΎΠ»ΡΠΊΠΎ Π΄Π»Ρ ΡΠΎΠ³ΠΎ, ΡΡΠΎΠ±Ρ Π΄Π°ΡΡ ΠΎΠ±ΡΠ΅Π΅ ΠΏΡΠ΅Π΄ΡΡΠ°Π²Π»Π΅Π½ΠΈΠ΅ ΠΎ ΡΠΎΠΎΡΠ½ΠΎΡΠ΅Π½ΠΈΠΈ ΠΌΠ°ΡΡΡ Π°Π²ΡΠΎΠΌΠΎΠ±ΠΈΠ»Ρ ΠΊ ΠΌΠΎΡΠ½ΠΎΡΡΠΈ Ρ ΡΠ΅ΡΠ΅Π½ΠΈΠ΅ΠΌ Π²ΡΠ΅ΠΌΠ΅Π½ΠΈ.Π ΠΎΡΠΎΡΠ½ΡΠ΅ Π΄Π²ΠΈΠ³Π°ΡΠ΅Π»ΠΈ ΠΈΠΌΠ΅ΡΡ ΡΡ ΠΆΠ΅ ΡΠ΅ΡΡΡΠ΅Ρ ΡΠ°ΠΊΡΠ½ΡΡ ΠΏΠΎΡΠ»Π΅Π΄ΠΎΠ²Π°ΡΠ΅Π»ΡΠ½ΠΎΡΡΡ ΠΏΠΎΡΡΠ½Π΅Π²ΡΡ Π΄Π²ΠΈΠ³Π°ΡΠ΅Π»Π΅ΠΉ: Π²ΠΏΡΡΠΊ, ΡΠΆΠ°ΡΠΈΠ΅, ΠΌΠΎΡΠ½ΠΎΡΡΡ ΠΈ Π²ΡΠΏΡΡΠΊ. ΠΡΠ°ΡΠ΅Π½ΠΈΠ΅ ΡΠΎΡΠΎΡΠ° ΡΠ²Π΅Π»ΠΈΡΠΈΠ²Π°Π΅Ρ ΠΎΠ±ΡΠ΅ΠΌ ΠΏΠ΅ΡΠ²ΠΎΠΉ ΠΊΠ°ΠΌΠ΅ΡΡ Π²ΡΠ°ΡΡΠ²Π°Π½ΠΈΡ Π²ΠΎΠ·Π΄ΡΡ Π° ΠΈ ΡΠΎΠΏΠ»ΠΈΠ²Π° — ΡΠ°ΠΊΡΠ° Π²ΠΏΡΡΠΊΠ°. ΠΠΎ ΠΌΠ΅ΡΠ΅ ΡΠΎΠ³ΠΎ ΠΊΠ°ΠΊ ΡΠΎΡΠΎΡ ΠΏΡΠΎΠ΄ΠΎΠ»ΠΆΠ°Π΅Ρ Π²ΡΠ°ΡΠ°ΡΡΡΡ, ΠΎΠ±ΡΠ΅ΠΌ Π² ΠΊΠ°ΠΌΠ΅ΡΠ΅ ΡΠΆΠΈΠΌΠ°Π΅ΡΡΡ, ΡΠΆΠΈΠΌΠ°Ρ ΡΠΎΠ΄Π΅ΡΠΆΠΈΠΌΠΎΠ΅ ΠΊΠ°ΠΌΠ΅ΡΡ, Π²ΡΠ·ΡΠ²Π°Ρ ΡΠ°ΠΊΡ ΡΠΆΠ°ΡΠΈΡ.ΠΡΠΎΠ±Π»Π΅ΠΌΠ° Π½Π° ΡΠ»Π΅Π΄ΡΡΡΠ΅ΠΌ ΡΡΠ°ΠΏΠ΅ Π·Π°ΠΊΠ»ΡΡΠ°Π΅ΡΡΡ Π² ΡΠΎΠΌ, ΡΡΠΎ Π³Π΅ΠΎΠΌΠ΅ΡΡΠΈΡ ΠΌΠ΅ΠΆΠ΄Ρ ΠΊΠΎΡΠΏΡΡΠΎΠΌ ΠΈ ΡΠΎΡΠΎΡΠΎΠΌ ΡΠ°Π·Π΄Π΅Π»ΡΠ΅Ρ ΠΊΠ°ΠΌΠ΅ΡΡ Π½Π° Π΄Π²Π° ΠΏΡΠΎΡΡΡΠ°Π½ΡΡΠ²Π°. ΠΡΠ° ΡΠ΄Π»ΠΈΠ½Π΅Π½Π½Π°Ρ ΠΈ ΡΠ°Π·Π΄Π΅Π»Π΅Π½Π½Π°Ρ ΠΊΠ°ΠΌΠ΅ΡΠ° Π·Π°ΠΆΠΈΠ³Π°Π½ΠΈΡ ΠΌΠΎΠΆΠ΅Ρ ΠΏΡΠ΅ΠΏΡΡΡΡΠ²ΠΎΠ²Π°ΡΡ ΠΏΠΎΠ»Π½ΠΎΠΌΡ ΡΠ³ΠΎΡΠ°Π½ΠΈΡ, ΠΏΠΎΡΠΊΠΎΠ»ΡΠΊΡ ΡΠ°ΡΡΡ Π²ΠΎΠ·Π΄ΡΡΠ½ΠΎ-ΡΠΎΠΏΠ»ΠΈΠ²Π½ΠΎΠΉ ΡΠΌΠ΅ΡΠΈ ΠΎΡΡΠ΅ΠΊΠ°Π΅ΡΡΡ ΠΎΡ ΡΠ²Π΅ΡΠΈ Π·Π°ΠΆΠΈΠ³Π°Π½ΠΈΡ.
Π§ΡΠΎΠ±Ρ ΠΏΠΎΠΌΠΎΡΡ, Π΅ΡΡΡ Π»ΠΈΠ±ΠΎ Π΄Π²Π΅ ΡΠ²Π΅ΡΠΈ Π·Π°ΠΆΠΈΠ³Π°Π½ΠΈΡ, Π»ΠΈΠ±ΠΎ ΠΎΠ΄Π½Π° ΡΠ²Π΅ΡΠ° Π·Π°ΠΆΠΈΠ³Π°Π½ΠΈΡ Ρ ΠΈΡΠΊΠ»ΡΡΠ΅Π½ΠΈΠ΅ΠΌ ΠΈΠ»ΠΈ Π²ΡΠ΅ΠΌΠΊΠΎΠΉ Π² ββΡΠΎΡΠΎΡΠ΅, ΡΡΠΎΠ±Ρ ΠΏΠΎΠ·Π²ΠΎΠ»ΠΈΡΡ ΡΠΌΠ΅ΡΠΈ ΠΏΡΠΎΠ½ΠΈΠΊΠ½ΡΡΡ Π² ΠΎΠ±Π° ΠΏΡΠΎΡΡΡΠ°Π½ΡΡΠ²Π° ΠΊΠ°ΠΌΠ΅ΡΡ. ΠΠ±ΡΡΠ½ΠΎ ΠΈΡΠΏΠΎΠ»ΡΠ·ΡΡΡΡΡ Π΄Π²Π΅ ΡΠ²Π΅ΡΠΈ Π·Π°ΠΆΠΈΠ³Π°Π½ΠΈΡ, ΠΈ Mazda Π΄Π°ΠΆΠ΅ ΠΈΡΠΏΠΎΠ»ΡΠ·ΠΎΠ²Π°Π»Π° ΡΡΠΈ ΡΠ²Π΅ΡΠΈ Π·Π°ΠΆΠΈΠ³Π°Π½ΠΈΡ Π² ΡΠ²ΠΎΠΈΡ Π³ΠΎΠ½ΠΎΡΠ½ΡΡ Π°Π²ΡΠΎΠΌΠΎΠ±ΠΈΠ»ΡΡ .Π Π°ΡΡΠΈΡΡΡΡΠΈΠ΅ΡΡ Π³Π°Π·Ρ Π²ΡΠ°ΡΠ°ΡΡ ΡΠΎΡΠΎΡ Π΄Π°Π»ΡΡΠ΅ Π² ΡΠ°ΠΊΡ ΡΠ°ΡΡΠΈΡΠ΅Π½ΠΈΡ ΠΈΠ»ΠΈ ΡΠ°Π±ΠΎΡΠ΅Π³ΠΎ ΡΠ°ΠΊΡΠ°. Π ΠΊΠΎΠ½ΡΠ΅ ΠΊΠΎΠ½ΡΠΎΠ², ΡΠ°ΡΡΠΈΡΠ΅Π½ΠΈΠ΅ ΠΏΡΠΈΠ²ΠΎΠ΄ΠΈΡ Π² Π΄Π²ΠΈΠΆΠ΅Π½ΠΈΠ΅ ΡΠΎΡΠΎΡ ΡΡΠ΄Π°, Π³Π΄Π΅ Π² ΠΊΠΎΡΠΏΡΡΠ΅ Π΅ΡΡΡ Π²ΡΡ Π»ΠΎΠΏΠ½ΠΎΠ΅ ΠΎΡΠ²Π΅ΡΡΡΠΈΠ΅. ΠΠ±ΡΠ΅ΠΌ ΠΌΠ΅ΠΆΠ΄Ρ ΠΊΠΎΡΠΏΡΡΠΎΠΌ ΠΈ ΡΠΎΡΠΎΡΠΎΠΌ ΡΠ½ΠΎΠ²Π° ΡΠΆΠΈΠΌΠ°Π΅ΡΡΡ, Π²ΡΡΠ°Π»ΠΊΠΈΠ²Π°Ρ Π²ΡΡ Π»ΠΎΠΏΠ½ΡΠ΅ Π³Π°Π·Ρ ΠΈΠ· ΠΊΠ°ΠΌΠ΅ΡΡ — ΡΠ°ΠΊΡ Π²ΡΡ Π»ΠΎΠΏΠ°.
Π ΠΎΡΠΎΡΠ½ΡΠ΅ Π΄Π²ΠΈΠ³Π°ΡΠ΅Π»ΠΈ Π½Π΅ Π΄ΠΎΠ»ΠΆΠ½Ρ ΠΏΠ΅ΡΠ΅Ρ ΠΎΠ΄ΠΈΡΡ ΠΎΡ Π»ΠΈΠ½Π΅ΠΉΠ½ΠΎΠ³ΠΎ Π΄Π²ΠΈΠΆΠ΅Π½ΠΈΡ ΠΊ Π²ΡΠ°ΡΠ°ΡΠ΅Π»ΡΠ½ΠΎΠΌΡ, ΡΡΠΎ ΠΈΡΠΊΠ»ΡΡΠ°Π΅Ρ ΡΠ΅Π·ΠΊΠΈΠ΅ ΠΈΠ·ΠΌΠ΅Π½Π΅Π½ΠΈΡ Π½Π°ΠΏΡΠ°Π²Π»Π΅Π½ΠΈΡ ΠΏΠΎΡΡΠ½Π΅ΠΉ, ΠΏΠΎΡΡΠΎΠΌΡ ΡΠΎΡΠΎΡΠ½ΡΠ΅ Π΄Π²ΠΈΠ³Π°ΡΠ΅Π»ΠΈ Π³Π΅Π½Π΅ΡΠΈΡΡΡΡ Π³ΠΎΡΠ°Π·Π΄ΠΎ Π±ΠΎΠ»Π΅Π΅ Π½ΠΈΠ·ΠΊΠΈΠ΅ Π²ΠΈΠ±ΡΠ°ΡΠΈΠΈ. ΠΠΎΠ²ΠΎΡΠΎΡΠ½Π°Ρ ΠΊΠΎΠ½ΡΡΡΡΠΊΡΠΈΡ ΡΠ°ΠΊΠΆΠ΅ ΠΏΠΎΠ·Π²ΠΎΠ»ΡΠ΅Ρ ΡΠ°Π±ΠΎΡΠ΅ΠΌΡ ΡΠ°ΠΊΡΡ ΡΠ°Π±ΠΎΡΠ°ΡΡ ΠΏΡΠΈ Π±ΠΎΠ»Π΅Π΅ Π΄Π»ΠΈΡΠ΅Π»ΡΠ½ΠΎΠΌ Π²ΡΠ°ΡΠ΅Π½ΠΈΠΈ Π²Π°Π»Π°, ΡΠ΅ΠΌ ΡΠ°ΠΌΡΠΌ ΡΠΌΠ΅Π½ΡΡΠ°Ρ ΡΠΏΠΎΡΠ°Π΄ΠΈΡΠ΅ΡΠΊΠΈΠΉ ΠΊΡΡΡΡΡΠΈΠΉ ΠΌΠΎΠΌΠ΅Π½Ρ Π½Π° ΠΊΠΎΠ»Π΅Π½ΡΠ°ΡΠΎΠΌ Π²Π°Π»Ρ (ΠΎΡ Π·Π°ΠΆΠΈΠ³Π°Π½ΠΈΡ Π΄ΠΎ Π²ΡΠΏΡΡΠΊΠ° ΠΎΠΊΠΎΠ»ΠΎ 270 Π³ΡΠ°Π΄.ΠΏΠΎΠ²ΠΎΡΠΎΡΠ°, ΠΏΠΎ ΡΡΠ°Π²Π½Π΅Π½ΠΈΡ Ρ 180 Π³ΡΠ°Π΄. Π½Π° ΠΏΠΎΡΡΠ½Π΅Π²ΡΡ Π΄Π²ΠΈΠ³Π°ΡΠ΅Π»ΡΡ ). Π ΠΊΠΎΠ½Π΅ΡΠ½ΠΎΠΌ ΡΡΠ΅ΡΠ΅, ΠΎΠ΄ΠΈΠ½ ΡΠΎΡΠΎΡ Π² ΡΠΎΡΠΎΡΠ½ΠΎΠΌ Π΄Π²ΠΈΠ³Π°ΡΠ΅Π»Π΅ ΠΌΠΎΠΆΠ½ΠΎ ΡΡΠ°Π²Π½ΠΈΡΡ Ρ ΡΡΠ΅ΠΌΡ ΠΏΠΎΡΡΠ½ΡΠΌΠΈ Π² ΠΏΠΎΡΡΠ½Π΅Π²ΠΎΠΌ Π΄Π²ΠΈΠ³Π°ΡΠ΅Π»Π΅. Π ΠΎΡΠΎΡΠ½ΡΠ΅ Π΄Π²ΠΈΠ³Π°ΡΠ΅Π»ΠΈ ΡΠ°ΡΡΠΎ ΠΈΠΌΠ΅ΡΡ Π΄Π²Π° ΡΠΎΡΠΎΡΠ° Π΄Π»Ρ ΠΏΠ»Π°Π²Π½ΠΎΠΉ ΡΠ°Π±ΠΎΡΡ ΠΈ ΡΠΎΠΏΠΎΡΡΠ°Π²ΠΈΠΌΡ Ρ Π΄Π²ΠΈΠ³Π°ΡΠ΅Π»ΡΠΌΠΈ V6.
ΠΡΠ΅ Π² 1960-Ρ Π³ΠΎΠ΄Π°Ρ Π½Π΅ΠΊΠΎΡΠΎΡΡΠ΅ ΡΡΠΊΠΎΠ²ΠΎΠ΄ΠΈΡΠ΅Π»ΠΈ ΠΈ ΠΎΠ±ΠΎΠ·ΡΠ΅Π²Π°ΡΠ΅Π»ΠΈ Π΄ΡΠΌΠ°Π»ΠΈ, ΡΡΠΎ ΡΠΎΡΠΎΡΠ½ΡΠ΅ ΠΊΠΎΠ½ΡΡΡΡΠΊΡΠΈΠΈ ΡΡΠ°Π½ΡΡ ΠΏΡΠ΅Π΄ΠΏΠΎΡΡΠΈΡΠ΅Π»ΡΠ½ΡΠΌ Π²Π°ΡΠΈΠ°Π½ΡΠΎΠΌ Π΄Π»Ρ Π»Π΅Π³ΠΊΠΎΠ²ΡΡ ΠΈ Π³ΡΡΠ·ΠΎΠ²ΡΡ Π°Π²ΡΠΎΠΌΠΎΠ±ΠΈΠ»Π΅ΠΉ. ΠΠΎ Mazda, ΠΏΠ΅ΡΠ²Π°Ρ ΠΊΠΎΠΌΠΏΠ°Π½ΠΈΡ, ΠΊΠΎΡΠΎΡΠ°Ρ Π½Π°ΡΠ°Π»Π° ΠΌΠ°ΡΡΠΎΠ²ΠΎΠ΅ ΠΏΡΠΎΠΈΠ·Π²ΠΎΠ΄ΡΡΠ²ΠΎ ΡΠΎΡΠΎΡΠ½ΡΡ Π΄Π²ΠΈΠ³Π°ΡΠ΅Π»Π΅ΠΉ, ΠΏΡΠ΅ΠΊΡΠ°ΡΠΈΠ»Π° ΠΏΡΠΎΠΈΠ·Π²ΠΎΠ΄ΡΡΠ²ΠΎ ΠΏΠΎΡΠ»Π΅ 2012 Π³ΠΎΠ΄Π°. Mazda Π·Π°ΡΠ²ΠΈΠ»Π°, ΡΡΠΎ, Π΅ΡΠ»ΠΈ ΠΊΠΎΠΌΠΏΠ°Π½ΠΈΡ Π½Π΅ ΡΠΌΠΎΠΆΠ΅Ρ ΠΎΠΏΡΠ°Π²Π΄Π°ΡΡ Π΅ΠΆΠ΅Π³ΠΎΠ΄Π½ΠΎΠ΅ ΠΏΡΠΎΠΈΠ·Π²ΠΎΠ΄ΡΡΠ²ΠΎ 100 000 Π΅Π΄ΠΈΠ½ΠΈΡ, Π΄Π²ΠΈΠ³Π°ΡΠ΅Π»Ρ ΠΠ°Π½ΠΊΠ΅Π»Ρ Π±ΠΎΠ»ΡΡΠ΅ Π½Π΅ Π±ΡΠ΄Π΅Ρ ΠΏΡΠΎΠΈΠ·Π²ΠΎΠ΄ΠΈΡΡΡΡ.ΠΠ΄Π½Π°ΠΊΠΎ ΠΈΡΡΠ»Π΅Π΄ΠΎΠ²Π°Π½ΠΈΡ ΠΏΠΎ ΡΠ»ΡΡΡΠ΅Π½ΠΈΡ Π΄Π²ΠΈΠ³Π°ΡΠ΅Π»Ρ Π²ΡΠ΅ Π΅ΡΠ΅ ΠΏΡΠΎΠ΄ΠΎΠ»ΠΆΠ°ΡΡΡΡ.
Π§ΡΠΎ ΡΠ»ΡΡΠΈΠ»ΠΎΡΡ Ρ ΡΠΎΡΠΎΡΠ½ΡΠΌ Π΄Π²ΠΈΠ³Π°ΡΠ΅Π»Π΅ΠΌ, ΠΈΠΌΠ΅Ρ ΡΡΠΎΠ»ΡΠΊΠΎ ΠΏΡΠ΅ΠΈΠΌΡΡΠ΅ΡΡΠ²? Π ΠΎΡΠΎΡΠ½ΡΠΉ Π΄Π²ΠΈΠ³Π°ΡΠ΅Π»Ρ ΠΌΠΎΠΆΠ΅Ρ ΡΠ°Π±ΠΎΡΠ°ΡΡ Π²ΡΠ΅Π³ΠΎ Ρ ΡΡΠ΅ΠΌΡ Π΄Π²ΠΈΠΆΡΡΠΈΠΌΠΈΡΡ ΡΠ°ΡΡΡΠΌΠΈ, ΡΡΠΎ Π΄Π΅Π»Π°Π΅Ρ Π΅Π³ΠΎ ΠΏΡΠΎΡΡΡΠΌ ΠΈ Π»Π΅Π³ΠΊΠΈΠΌ Π² ΠΎΠ±ΡΠ»ΡΠΆΠΈΠ²Π°Π½ΠΈΠΈ. ΠΠ°Π·ΠΎΠ²ΡΠ΅ ΠΏΠΎΡΡΠ½Π΅Π²ΡΠ΅ Π΄Π²ΠΈΠ³Π°ΡΠ΅Π»ΠΈ ΠΈΠΌΠ΅ΡΡ Π½Π΅ ΠΌΠ΅Π½Π΅Π΅ 40 Π΄Π²ΠΈΠΆΡΡΠΈΡ ΡΡ ΡΠ°ΡΡΠ΅ΠΉ. ΠΡΠΎ ΠΏΡΠΈΠ²Π΅Π»ΠΎ ΠΊ ΠΏΠΎΡΠ²Π»Π΅Π½ΠΈΡ Π½Π΅ΠΊΠΎΡΠΎΡΡΡ ΡΠ΅ΠΎΡΠΈΠΉ Π·Π°Π³ΠΎΠ²ΠΎΡΠ° ΠΎ ΡΠΎΠΌ, ΠΊΠ°ΠΊ Π°Π²ΡΠΎΠΌΠΎΠ±ΠΈΠ»Ρ Ρ ΡΠ°ΠΊΠΈΠΌ ΠΌΠ°Π»ΡΠΌ ΠΊΠΎΠ»ΠΈΡΠ΅ΡΡΠ²ΠΎΠΌ Π΄Π΅ΡΠ°Π»Π΅ΠΉ ΠΌΠΎΠΆΠ΅Ρ ΠΏΠΎΡΠ΅ΡΡΡΡ ΠΌΠΈΠ»Π»ΠΈΠΎΠ½Ρ ΠΊΠΎΠΌΠΏΠ°Π½ΠΈΠΉ, ΠΏΡΠΎΠΈΠ·Π²ΠΎΠ΄ΡΡΠΈΡ Π·Π°ΠΏΡΠ°ΡΡΠΈ. ΠΠΎ Π»ΡΡΡΠΈΠΉ Π°ΡΠ³ΡΠΌΠ΅Π½Ρ Π² ΠΏΠΎΠ»ΡΠ·Ρ ΠΏΠΎΡΡΠ½Π΅Π²ΡΡ Π΄Π²ΠΈΠ³Π°ΡΠ΅Π»Π΅ΠΉ — ΡΡΠΎ ΡΠ»ΠΎΠΆΠ½ΡΠ΅ ΡΠΏΠ»ΠΎΡΠ½Π΅Π½ΠΈΡ, Π½ΠΈΠ·ΠΊΠΈΠΉ ΠΊΡΡΡΡΡΠΈΠΉ ΠΌΠΎΠΌΠ΅Π½Ρ ΠΈ ΡΠ΅ΠΏΠ»ΠΎΠ²ΠΎΠΉ ΠΠΠ.
ΠΠ°Π·ΠΎΠ²ΡΠΉ Π΄Π²ΠΈΠ³Π°ΡΠ΅Π»Ρ ΠΏΠΎΡΡΠΎΡΠ½Π½ΠΎΠ³ΠΎ ΡΠΎΠΊΠ° ΠΈΠ·ΠΌΠ΅Π½ΡΠ΅Ρ ΠΏΠΎΡΠΎΠΊ ΡΠ»Π΅ΠΊΡΡΠΈΡΠ΅ΡΡΠ²Π°, ΡΡΠΎΠ±Ρ ΠΊΠ°ΡΡΡΠΊΠ° Π½Π΅ ΡΠΎΠ²ΠΏΠ°Π΄Π°Π»Π° ΠΏΠΎ ΡΠ°Π·Π΅ Ρ ΠΌΠ°Π³Π½ΠΈΡΠ½ΡΠΌ ΠΏΠΎΠ»Π΅ΠΌ, ΡΠ°ΠΊ ΡΡΠΎ ΠΎΠ½Π° Π²ΡΠ°ΡΠ°Π»Π°ΡΡ Π½Π΅ΠΏΡΠ΅ΡΡΠ²Π½ΠΎ. (ΠΡΠ΅Π΄ΠΈΡ: Expainthatstuff.com)Π₯ΠΎΡΡ Mazda ΡΠ΅ΡΠΈΠ»Π° Π½Π΅ΠΊΠΎΡΠΎΡΡΠ΅ ΠΏΡΠΎΠ±Π»Π΅ΠΌΡ, Π²ΡΠ΅ ΠΆΠ΅ ΠΎΡΡΠ°Π²Π°Π»ΠΎΡΡ Π½Π΅ΠΊΠΎΡΠΎΡΠΎΠ΅ ΠΌΠ΅ΠΆΠΊΠ°ΠΌΠ΅ΡΠ½ΠΎΠ΅ Π·Π°Π³ΡΡΠ·Π½Π΅Π½ΠΈΠ΅ ΠΈ Π½Π΅ΠΏΡΠ΅Π΄Π½Π°ΠΌΠ΅ΡΠ΅Π½Π½ΡΠΉ ΡΠ°ΡΡ ΠΎΠ΄ ΠΌΠ°ΡΠ»Π°, ΡΡΠΎ ΠΏΡΠΈΠ²Π΅Π»ΠΎ ΠΊ ΠΏΡΠΎΠ±Π»Π΅ΠΌΠ°ΠΌ Ρ Π²ΡΠ±ΡΠΎΡΠ°ΠΌΠΈ ΠΈ ΡΡΡΠ΅ΠΊΡΠΈΠ²Π½ΠΎΡΡΡΡ. ΠΠΎ ΠΌΠ΅ΡΠ΅ ΡΠΆΠ΅ΡΡΠΎΡΠ΅Π½ΠΈΡ Π½ΠΎΡΠΌ Π²ΡΠ±ΡΠΎΡΠΎΠ² ΠΏΠΎΡΡΡΠ°Π΄Π°Π»ΠΈ ΡΠΎΡΠΎΡΠ½ΡΠ΅ ΡΡΠ°Π½ΡΠΏΠΎΡΡΠ½ΡΠ΅ ΡΡΠ΅Π΄ΡΡΠ²Π°. ΠΡΠΎΠΌΠ΅ ΡΠΎΠ³ΠΎ, ΠΊΠΎΠ»Π΅Π½ΡΠ°ΡΡΠΉ Π²Π°Π» Π²ΡΠ°ΡΠ°Π΅ΡΡΡ ΡΡΠΈ ΡΠ°Π·Π° Π·Π° ΠΎΠ΄ΠΈΠ½ ΠΎΠ±ΠΎΡΠΎΡ ΡΠΎΡΠΎΡΠ°.ΠΡΠΎ ΡΠΎΠΎΡΠ½ΠΎΡΠ΅Π½ΠΈΠ΅ 3: 1 Π½Π΅ ΠΎΠ±Π΅ΡΠΏΠ΅ΡΠΈΠ²Π°Π΅Ρ ΠΊΠΎΠ½ΠΊΡΡΠ΅Π½ΡΠΎΡΠΏΠΎΡΠΎΠ±Π½ΡΠΉ ΠΊΡΡΡΡΡΠΈΠΉ ΠΌΠΎΠΌΠ΅Π½Ρ Π½Π° Π½ΠΈΠ·ΠΊΠΈΡ ΠΎΠ±ΠΎΡΠΎΡΠ°Ρ (ΠΏΠΎ ΡΡΠ°Π²Π½Π΅Π½ΠΈΡ Ρ ΠΏΠΎΡΡΠ½Π΅Π²ΡΠΌ Π΄Π²ΠΈΠ³Π°ΡΠ΅Π»Π΅ΠΌ). ΠΠΎΡ ΠΏΠΎΡΠ΅ΠΌΡ ΡΠΎΡΠΎΡΠ½ΡΠ΅ Π΄Π²ΠΈΠ³Π°ΡΠ΅Π»ΠΈ ΠΎΡΠ»ΠΈΡΠ½ΠΎ ΠΏΠΎΠ΄Ρ ΠΎΠ΄ΡΡ Π΄Π»Ρ ΠΏΡΠΈΠ»ΠΎΠΆΠ΅Π½ΠΈΠΉ ΡΡΠ΅Π΄Π½Π΅Π³ΠΎ ΠΈ Π²ΡΡΠΎΠΊΠΎΠ³ΠΎ ΡΡΠΎΠ²Π½Ρ, ΡΠ°ΠΊΠΈΡ ΠΊΠ°ΠΊ ΡΠ°ΠΌΠΎΠ»Π΅ΡΡ, ΠΌΠΎΡΡΠΊΠΈΠ΅ ΠΈ Π³ΠΎΠ½ΠΎΡΠ½ΡΠ΅ Π°Π²ΡΠΎΠΌΠΎΠ±ΠΈΠ»ΠΈ, Π½ΠΎ Π½Π΅ Π΄Π»Ρ ΠΏΠΎΠ²ΡΠ΅Π΄Π½Π΅Π²Π½ΡΡ ΠΏΠΎΠ΅Π·Π΄ΠΎΠΊ.
Π’Π΅ΠΏΠ»ΠΎΠ²ΠΎΠΉ ΠΠΠ ΡΠΎΡΠΎΡΠ½ΡΡ ΠΊΠΎΠ½ΡΡΡΡΠΊΡΠΈΠΉ ΡΠ½ΠΈΠΆΠ΅Π½ ΠΈΠ·-Π·Π° Π±ΠΎΠ»ΡΡΠ΅ΠΉ ΠΏΠ»ΠΎΡΠ°Π΄ΠΈ ΠΏΠΎΠ²Π΅ΡΡ Π½ΠΎΡΡΠΈ (ΠΏΠΎ ΡΡΠ°Π²Π½Π΅Π½ΠΈΡ Ρ ΠΏΠΎΡΡΠ½Π΅Π²ΡΠΌΠΈ Π΄Π²ΠΈΠ³Π°ΡΠ΅Π»ΡΠΌΠΈ) Π² ΠΊΠ°ΠΌΠ΅ΡΠ΅ ΡΠ³ΠΎΡΠ°Π½ΠΈΡ. ΠΡΠΎ ΠΏΠΎΠ·Π²ΠΎΠ»ΡΠ΅Ρ ΡΠ΅ΠΏΠ»Ρ ΠΏΡΠΎΠ½ΠΈΠΊΠ°ΡΡ Π² ΠΊΠΎΡΠΏΡΡ ΠΈ ΡΠΎΡΠΎΡ. Π‘Π»Π΅Π΄ΡΠ΅Ρ ΡΠ°ΠΊΠΆΠ΅ ΠΎΡΠΌΠ΅ΡΠΈΡΡ, ΡΡΠΎ ΠΎΠΊΠΎΠ»ΠΎ ΡΡΠ΅ΡΠΈ ΠΎΡ Π»Π°ΠΆΠ΄Π΅Π½ΠΈΡ ΡΠΎΡΠΎΡΠ½ΠΎΠ³ΠΎ Π΄Π²ΠΈΠ³Π°ΡΠ΅Π»Ρ ΠΎΡΡΡΠ΅ΡΡΠ²Π»ΡΠ΅ΡΡΡ Ρ ΠΏΠΎΠΌΠΎΡΡΡ ΠΌΠ°ΡΠ»Π°, ΠΏΠΎΡΡΠΎΠΌΡ ΠΎΡ Π»Π°ΠΆΠ΄Π΅Π½ΠΈΠ΅ ΠΌΠ°ΡΠ»Π° ΡΠ²Π»ΡΠ΅ΡΡΡ ΠΎΠ±ΡΠ·Π°ΡΠ΅Π»ΡΠ½ΡΠΌ.ΠΡΠ±ΡΠΎΡΡ — Π΅ΡΠ΅ ΠΎΠ΄Π½Π° ΠΏΡΠΎΠ±Π»Π΅ΠΌΠ° ΡΠΎΡΠΎΡΠ½ΡΡ Π΄Π²ΠΈΠ³Π°ΡΠ΅Π»Π΅ΠΉ. ΠΠ°ΠΏΡΠΈΠΌΠ΅Ρ, ΠΏΠΎΡΠ»Π΅Π΄Π½ΠΈΠΉ ΡΠ΅ΡΠΈΠΉΠ½ΡΠΉ Π΄Π²ΠΈΠ³Π°ΡΠ΅Π»Ρ RX-8 Π½Π΅ ΠΌΠΎΠΆΠ΅Ρ ΡΠΎΠΎΡΠ²Π΅ΡΡΡΠ²ΠΎΠ²Π°ΡΡ ΡΠ΅ΠΊΡΡΠΈΠΌ ΡΡΠ°Π½Π΄Π°ΡΡΠ°ΠΌ ΠΌΠΈΡΡΠΈΠΈ, ΠΏΠΎΡΡΠΎΠΌΡ Π½ΡΠ½Π΅ΡΠ½ΠΈΠΉ Π΄ΠΈΠ·Π°ΠΉΠ½ Π½Π΅ ΠΌΠΎΠΆΠ΅Ρ Π±ΡΡΡ ΡΠΎΠ·Π΄Π°Π½ ΡΠ΅Π³ΠΎΠ΄Π½Ρ Π±Π΅Π· ΡΠ»ΡΡΡΠ΅Π½ΠΈΡ Π²ΡΠ±ΡΠΎΡΠΎΠ².
ΠΡΠ΅ΠΈΠΌΡΡΠ΅ΡΡΠ²Π° ΡΠΎΡΠΎΡΠ½ΡΡ Π΄Π²ΠΈΠ³Π°ΡΠ΅Π»Π΅ΠΉ — ΡΠΌΠ΅Π½ΡΡΠ΅Π½ΠΈΠ΅ ΠΊΠΎΠ»ΠΈΡΠ΅ΡΡΠ²Π° Π΄Π΅ΡΠ°Π»Π΅ΠΉ ΠΈ Π²ΠΈΠ±ΡΠ°ΡΠΈΠΉ — ΠΌΠΎΠ³Π»ΠΈ Π±ΡΡΡ ΠΏΡΠΈΡΠΈΠ½ΠΎΠΉ ΡΠΎΠ³ΠΎ, ΡΡΠΎ Π½Π΅ΠΊΠΎΡΠΎΡΡΠ΅ ΠΊΠΎΠΌΠΏΠ°Π½ΠΈΠΈ Π½Π°ΡΠ°Π»ΠΈ ΠΈΡΡΠ»Π΅Π΄ΠΎΠ²Π°ΡΡ Π΄Π²ΠΈΠ³Π°ΡΠ΅Π»ΠΈ Ρ ΠΎΠΏΠΏΠΎΠ·ΠΈΡΠ½ΡΠΌ ΠΏΠΎΡΡΠ½Π΅ΠΌ / ΠΎΠΏΠΏΠΎΠ·ΠΈΡΠ½ΡΠΌ ΡΠΈΠ»ΠΈΠ½Π΄ΡΠΎΠΌ (OPOC). ΠΡΠΎ ΠΏΠΎΡΡΠ½Π΅Π²ΡΠ΅ Π΄Π²ΠΈΠ³Π°ΡΠ΅Π»ΠΈ Ρ ΠΏΠΎΡΡΠ½ΡΠΌΠΈ Π² ΠΎΠ΄Π½ΠΎΠΉ ΠΏΠ»ΠΎΡΠΊΠΎΡΡΠΈ, Π½ΠΎ Π² ΠΏΡΠΎΡΠΈΠ²ΠΎΠΏΠΎΠ»ΠΎΠΆΠ½ΡΡ ΡΠΈΠ»ΠΈΠ½Π΄ΡΠ°Ρ . ΠΠΎΠ³Π΄Π° ΡΠ΅ΡΡΡΠ΅ ΠΏΠΎΡΡΠ½Ρ ΡΠ°Π±ΠΎΡΠ°ΡΡ Π² Π΄Π²ΡΡ ΠΏΡΠΎΡΠΈΠ²ΠΎΠΏΠΎΠ»ΠΎΠΆΠ½ΡΡ ΡΠΈΠ»ΠΈΠ½Π΄ΡΠ°Ρ ΠΈ Π½Π°Ρ ΠΎΠ΄ΡΡΡΡ Π² ΠΏΡΡΠΌΠΎΠΌ ΠΏΡΠΎΡΠΈΠ²ΠΎΡΡΠΎΡΠ½ΠΈΠΈ, Π²ΠΈΠ±ΡΠ°ΡΠΈΠΈ ΡΠ½ΠΈΠΆΠ°ΡΡΡΡ Π·Π° ΡΡΠ΅Ρ ΡΡΠ°Π²Π½ΠΎΠ²Π΅ΡΠΈΠ²Π°Π½ΠΈΡ Π²ΠΎΠ·Π²ΡΠ°ΡΠ½ΠΎ-ΠΏΠΎΡΡΡΠΏΠ°ΡΠ΅Π»ΡΠ½ΡΡ ΡΠΈΠ» ΡΠΎ ΡΠΌΠ΅ΠΆΠ½ΡΠΌ ΠΏΠΎΡΡΠ½Π΅ΠΌ.ΠΡΠΎ ΡΠ°ΠΊΠΆΠ΅ ΡΠ²Π΅Π»ΠΈΡΠΈΠ²Π°Π΅Ρ ΡΠ°ΠΊΡ ΡΠ³ΠΎΡΠ°Π½ΠΈΡ Π΄ΠΎ ΠΎΠ΄Π½ΠΎΠ³ΠΎ ΠΏΠΎΠ²ΠΎΡΠΎΡΠ° ΠΊΠΎΠ»Π΅Π½ΡΠ°ΡΠΎΠ³ΠΎ Π²Π°Π»Π°, Π° Π½Π΅ Π΄ΠΎ ΠΊΠ°ΠΆΠ΄ΠΎΠ³ΠΎ Π΄ΡΡΠ³ΠΎΠ³ΠΎ ΠΏΠΎΠ²ΠΎΡΠΎΡΠ°, ΠΊΠ°ΠΊ ΡΡΠΎ Π½Π°Π±Π»ΡΠ΄Π°Π΅ΡΡΡ Π² ΡΡΠ°Π΄ΠΈΡΠΈΠΎΠ½Π½ΡΡ ΠΏΠΎΡΡΠ½Π΅Π²ΡΡ Π΄Π²ΠΈΠ³Π°ΡΠ΅Π»ΡΡ .
Π 2010 Π³ΠΎΠ΄Ρ Ecomotors Π·Π°ΡΠ²ΠΈΠ»Π°, ΡΡΠΎ ΠΌΠΎΠΆΠ΅Ρ ΠΏΠΎΠ»ΡΡΠΈΡΡ ΠΎΡ Π΄Π²ΡΡ ΡΠ°ΠΊΡΠ½ΠΎΠ³ΠΎ Π΄Π²ΠΈΠ³Π°ΡΠ΅Π»Ρ OPOC Π² ΡΠ΅ΡΡΡΠ΅ ΡΠ°Π·Π° Π±ΠΎΠ»ΡΡΠ΅ ΠΌΠΎΡΠ½ΠΎΡΡΠΈ, ΡΠ΅ΠΌ ΠΎΡ ΡΠ΅ΡΡΡΠ΅Ρ ΡΠ°ΠΊΡΠ½ΠΎΠ³ΠΎ Π΄Π²ΠΈΠ³Π°ΡΠ΅Π»Ρ ΡΠΎΠΉ ΠΆΠ΅ ΠΌΠ°ΡΡΡ. ΠΠ΄Π½ΠΈΠΌ ΠΈΠ· ΡΠΏΠΎΡΠΎΠ±ΠΎΠ² Π΄ΠΎΠ±ΠΈΡΡΡΡ ΡΡΠΎΠ³ΠΎ Π±ΡΠ»ΠΎ ΡΠΌΠ΅Π½ΡΡΠ΅Π½ΠΈΠ΅ ΠΊΠΎΠ»ΠΈΡΠ΅ΡΡΠ²Π° Π΄Π΅ΡΠ°Π»Π΅ΠΉ. ΠΠ²ΠΈΠ³Π°ΡΠ΅Π»Ρ OPOC ΠΌΠΎΡΠ½ΠΎΡΡΡΡ 300 Π».Ρ. ΡΠΎΡΡΠΎΠΈΡ ΠΈΠ· 62 ΠΏΠΎΠ΄Π²ΠΈΠΆΠ½ΡΡ ΡΠ°ΡΡΠ΅ΠΉ. ΠΠ±ΡΡΠ½ΡΠΉ Π΄Π²ΠΈΠ³Π°ΡΠ΅Π»Ρ Ρ Π°Π½Π°Π»ΠΎΠ³ΠΈΡΠ½ΠΎΠΉ ΠΌΠΎΡΠ½ΠΎΡΡΡΡ ΠΈΠΌΠ΅Π΅Ρ ΠΎΠΊΠΎΠ»ΠΎ 385 Π΄Π²ΠΈΠΆΡΡΠΈΡ ΡΡ ΡΠ°ΡΡΠ΅ΠΉ. ΠΡΠΎΠΌΠ΅ ΡΠΎΠ³ΠΎ, ΠΏΡΠΎΡΠΈΠ²ΠΎΠ΄Π΅ΠΉΡΡΠ²ΡΡΡΠΈΠ΅ ΡΠΈΠ»Ρ ΠΎΠ·Π½Π°ΡΠ°ΡΡ, ΡΡΠΎ Π½Π° ΠΎΡΠ½ΠΎΠ²Π½ΡΠ΅ ΠΏΠΎΠ΄ΡΠΈΠΏΠ½ΠΈΠΊΠΈ ΠΊΠΎΠ»Π΅Π½ΡΠ°ΡΠΎΠ³ΠΎ Π²Π°Π»Π° Π½Π΅Ρ (ΠΈΠ»ΠΈ Π½Π΅Ρ Π½ΠΎΠΌΠΈΠ½Π°Π»ΡΠ½ΡΡ ) ΡΠΈΠ».Π Ρ ΠΌΠ΅Π½ΡΡΠΈΠΌΠΈ ΡΡΠΈΠ»ΠΈΡΠΌΠΈ ΠΊΠΎΠ½ΡΡΡΡΠΊΡΠΎΡΡ ΡΠΌΠΎΠ³Π»ΠΈ ΡΠ΄Π΅Π»Π°ΡΡ ΠΊΠΎΡΠΏΡΡ ΠΈΠ· Π»Π΅Π³ΠΊΠΎΠ³ΠΎ ΠΌΠ°Π³Π½ΠΈΡ.
ΠΠ»Π΅ΠΊΡΡΠΎΠ΄Π²ΠΈΠ³Π°ΡΠ΅Π»ΠΈ
Π’ΡΡΠ΄Π½ΠΎ Π½Π°ΠΉΡΠΈ ΡΠΎΡΠ½ΡΠΉ ΡΠ΅ΠΉΡΠΈΠ½Π³ ΡΡΡΠ΅ΠΊΡΠΈΠ²Π½ΠΎΡΡΠΈ ΡΠ»Π΅ΠΊΡΡΠΎΠΌΠΎΠ±ΠΈΠ»Π΅ΠΉ (EV). Π₯ΠΎΡΡ Π΄Π²ΠΈΠ³Π°ΡΠ΅Π»Ρ ΠΌΠΎΠΆΠ΅Ρ ΠΈΠΌΠ΅ΡΡ ΠΠΠ ΠΎΡ 85 Π΄ΠΎ 95%, ΠΏΠΎΡΠ»Π΅ ΡΠΎΠ³ΠΎ, ΠΊΠ°ΠΊ ΠΏΠΈΡΠ°Π½ΠΈΠ΅ ΠΏΡΠΎΡ ΠΎΠ΄ΠΈΡ ΡΠ΅ΡΠ΅Π· ΠΈΠ½Π²Π΅ΡΡΠΎΡ, Π°ΠΊΠΊΡΠΌΡΠ»ΡΡΠΎΡ ΠΈ Π·Π°ΡΡΠ΄Π½ΠΎΠ΅ ΡΡΡΡΠΎΠΉΡΡΠ²ΠΎ, ΠΠΠ ΡΠ»Π΅ΠΊΡΡΠΎΠΌΠΎΠ±ΠΈΠ»Ρ ΠΏΡΠΈΠ±Π»ΠΈΠΆΠ°Π΅ΡΡΡ ΠΊ 70%. ΠΠ΄Π½Π°ΠΊΠΎ ΡΠ»Π΅ΠΊΡΡΠΈΡΠ΅ΡΠΊΠΈΠ΅ Π΄Π²ΠΈΠ³Π°ΡΠ΅Π»ΠΈ ΠΈ Π°ΠΊΠΊΡΠΌΡΠ»ΡΡΠΎΡΡ ΠΌΠΎΠ³ΡΡ Π±ΡΡΡ ΠΎΡΠ½ΠΎΡΠΈΡΠ΅Π»ΡΠ½ΠΎ ΡΡΠ²ΡΡΠ²ΠΈΡΠ΅Π»ΡΠ½Ρ ΠΊ Ρ ΠΎΠ»ΠΌΠΈΡΡΠΎΠΉ ΠΌΠ΅ΡΡΠ½ΠΎΡΡΠΈ ΠΈ ΠΏΠ΅ΡΠ΅ΠΏΠ°Π΄Π°ΠΌ ΡΠ΅ΠΌΠΏΠ΅ΡΠ°ΡΡΡΡ, ΠΊΠΎΡΠΎΡΡΠ΅ ΠΌΠΎΠ³ΡΡ ΡΠ½ΠΈΠ·ΠΈΡΡ ΡΡΡΠ΅ΠΊΡΠΈΠ²Π½ΠΎΡΡΡ Π΄Π°ΠΆΠ΅ ΠΎΡΡΠ°.Π’Π°ΠΊΠΈΠΌ ΠΎΠ±ΡΠ°Π·ΠΎΠΌ, Ρ Π±ΠΎΠ»Π΅Π΅ Π²ΡΡΠΎΠΊΠΎΠΉ ΡΡΡΠ΅ΠΊΡΠΈΠ²Π½ΠΎΡΡΡΡ, ΡΠ΅ΠΌ Π΄Π²ΠΈΠ³Π°ΡΠ΅Π»Ρ Π²Π½ΡΡΡΠ΅Π½Π½Π΅Π³ΠΎ ΡΠ³ΠΎΡΠ°Π½ΠΈΡ, ΠΏΡΠ°ΠΊΡΠΈΡΠ΅ΡΠΊΠΈ Π±Π΅Π· Π΄Π²ΠΈΠΆΡΡΠΈΡ ΡΡ ΡΠ°ΡΡΠ΅ΠΉ Π² Π΄Π²ΠΈΠ³Π°ΡΠ΅Π»Π΅, Π½ΡΠ»Π΅Π²ΡΠΌ Π²ΡΠ±ΡΠΎΡΠΎΠΌ ΠΈ Π²ΠΎΠ·ΠΌΠΎΠΆΠ½ΠΎΡΡΡΡ ΠΈΡΠΏΠΎΠ»ΡΠ·ΠΎΠ²Π°ΡΡ ΡΠ΅ΠΊΡΠΏΠ΅ΡΠ°ΡΠΈΠ²Π½ΠΎΠ΅ ΡΠΎΡΠΌΠΎΠΆΠ΅Π½ΠΈΠ΅ Π΄Π»Ρ ΠΏΠΎΠ²ΡΡΠ΅Π½ΠΈΡ ΡΡΡΠ΅ΠΊΡΠΈΠ²Π½ΠΎΡΡΠΈ Π½Π° 9-16% (ΠΊΠ°ΠΊ ΠΎΠΏΡΠ±Π»ΠΈΠΊΠΎΠ²Π°Π½ΠΎ Π² ΠΈΡΡΠ»Π΅Π΄ΠΎΠ²Π°Π½ΠΈΠΈ), ΠΏΠΎΡΠ΅ΠΌΡ ΠΏΡΠΎΠ΄Π°ΠΆΠΈ ΡΠ»Π΅ΠΊΡΡΠΎΠΌΠΎΠ±ΠΈΠ»Π΅ΠΉ Π½ΠΈΠΆΠ΅, ΡΠ΅ΠΌ Ρ Π½Π΅ΠΊΠΎΡΠΎΡΡΡ Π°Π²ΡΠΎΠΌΠΎΠ±ΠΈΠ»Π΅ΠΉ? Π°Π½Π°Π»ΠΈΡΠΈΠΊΠΈ Π΄ΡΠΌΠ°Π»ΠΈ, ΡΡΠΎ ΠΎΠ½ΠΈ Π±ΡΠ΄ΡΡ?
Π ΡΠ΅Π»ΠΎΠΌ, ΠΎΠ³ΡΠ°Π½ΠΈΡΠ΅Π½Π½ΡΠΉ Π·Π°ΠΏΠ°Ρ Ρ ΠΎΠ΄Π°, Π²ΡΠ΅ΠΌΡ Π·Π°ΡΡΠ΄ΠΊΠΈ Π°ΠΊΠΊΡΠΌΡΠ»ΡΡΠΎΡΠ° ΠΈ Π±ΠΎΠ»Π΅Π΅ Π²ΡΡΠΎΠΊΠΈΠ΅ ΡΠ΅Π½Ρ Π΄Π΅Π»Π°ΡΡ ΡΠ»Π΅ΠΊΡΡΠΎΠΌΠΎΠ±ΠΈΠ»ΠΈ Π²Π½Π΅ Π΄ΠΎΡΡΠ³Π°Π΅ΠΌΠΎΡΡΠΈ Π΄Π»Ρ ΠΎΠ±ΡΡΠ½ΠΎΠ³ΠΎ ΡΠ΅Π»ΠΎΠ²Π΅ΠΊΠ°. Π‘ ΡΠ΅Ρ Π½ΠΎΠ»ΠΎΠ³ΠΈΡΠ΅ΡΠΊΠΎΠΉ ΡΠΎΡΠΊΠΈ Π·ΡΠ΅Π½ΠΈΡ Π³Π»Π°Π²Π½ΡΠΉ Π½Π΅Π΄ΠΎΡΡΠ°ΡΠΎΠΊ ΡΠ»Π΅ΠΊΡΡΠΎΠΌΠΎΠ±ΠΈΠ»Π΅ΠΉ — ΡΡΠΎ Π°ΠΊΠΊΡΠΌΡΠ»ΡΡΠΎΡ.ΠΠΈΡΠΈΠΉ-ΠΈΠΎΠ½Π½ΡΠ΅ Π°ΠΊΠΊΡΠΌΡΠ»ΡΡΠΎΡΡ — ΡΠ°ΠΌΡΠ΅ ΠΌΠΎΡΠ½ΡΠ΅ ΠΈΠ· ΡΠ΅ΡΠΈΠΉΠ½ΠΎ Π²ΡΠΏΡΡΠΊΠ°Π΅ΠΌΡΡ Π°ΠΊΠΊΡΠΌΡΠ»ΡΡΠΎΡΠΎΠ². ΠΠΎ ΠΎΠ½ΠΈ ΡΡΠΆΠ΅Π»ΡΠ΅, Π΄ΠΎΡΠΎΠ³ΠΈΠ΅ ΠΈ ΠΈΠΌΠ΅ΡΡ ΡΠΏΠΎΡΠΎΠ±Π½ΠΎΡΡΡ ΠΏΠ΅ΡΠ΅Π³ΡΠ΅Π²Π°ΡΡΡΡ Π΄ΠΎ ΡΠ΅ΠΏΠ»ΠΎΠ²ΠΎΠ³ΠΎ ΡΠ°Π·Π³ΠΎΠ½Π° (Π²ΠΎΡΠΏΠ»Π°ΠΌΠ΅Π½Π΅Π½ΠΈΡ). ΠΠΎΠ»ΡΡΠΈΠ½ΡΡΠ²ΠΎ Π½ΠΎΠ²ΡΡ Π°ΠΊΠΊΡΠΌΡΠ»ΡΡΠΎΡΠ½ΡΡ ΡΠ΅Ρ Π½ΠΎΠ»ΠΎΠ³ΠΈΠΉ ΠΎΡΠΈΠ΅Π½ΡΠΈΡΠΎΠ²Π°Π½Ρ Π½Π° Π±ΠΎΠ»Π΅Π΅ Π½ΠΈΠ·ΠΊΠΎΠ΅ Π½Π°ΠΏΡΡΠΆΠ΅Π½ΠΈΠ΅, Ρ Π°ΡΠ°ΠΊΡΠ΅ΡΠ½ΠΎΠ΅ Π΄Π»Ρ Π±Π°ΡΠ°ΡΠ΅Π΅ΠΊ AA. ΠΡΠΈ Π½ΠΎΠ²ΠΎΠ²Π²Π΅Π΄Π΅Π½ΠΈΡ Π½Π΅ ΠΌΠ°ΡΡΡΠ°Π±ΠΈΡΡΡΡΡΡ Π΄Π»Ρ ΠΏΡΠΈΠΌΠ΅Π½Π΅Π½ΠΈΡ Π² ΡΡΠ°Π½ΡΠΏΠΎΡΡΠ½ΡΡ ΡΡΠ΅Π΄ΡΡΠ²Π°Ρ .
Π ΡΠ»Π΅ΠΊΡΡΠΎΠΌΠΎΠ±ΠΈΠ»ΡΡ ΠΈΡΠΏΠΎΠ»ΡΠ·ΡΡΡΡΡ Π΄Π²Π° ΡΠΈΠΏΠ° ΡΠ»Π΅ΠΊΡΡΠΎΠ΄Π²ΠΈΠ³Π°ΡΠ΅Π»Π΅ΠΉ: Π±Π΅ΡΡΠ΅ΡΠΎΡΠ½ΡΠ΅ Π΄Π²ΠΈΠ³Π°ΡΠ΅Π»ΠΈ ΠΏΠΎΡΡΠΎΡΠ½Π½ΠΎΠ³ΠΎ ΡΠΎΠΊΠ° ΠΈ ΡΡΠ΅Ρ ΡΠ°Π·Π½ΡΠ΅ Π°ΡΠΈΠ½Ρ ΡΠΎΠ½Π½ΡΠ΅ Π΄Π²ΠΈΠ³Π°ΡΠ΅Π»ΠΈ ΠΏΠ΅ΡΠ΅ΠΌΠ΅Π½Π½ΠΎΠ³ΠΎ ΡΠΎΠΊΠ°.
ΠΠ²ΠΈΠ³Π°ΡΠ΅Π»ΠΈΠΏΠΎΡΡΠΎΡΠ½Π½ΠΎΠ³ΠΎ ΡΠΎΠΊΠ° ΡΠ°Π±ΠΎΡΠ°ΡΡ ΠΎΡ ΠΊΠ°ΡΡΡΠΊΠΈ ΠΈΠ»ΠΈ ΠΊΠΎΠ½ΡΡΡΠ°, ΠΏΠΎΠ΄Π²Π΅ΡΠ΅Π½Π½ΠΎΠ³ΠΎ ΠΌΠ΅ΠΆΠ΄Ρ ΠΏΠΎΠ»ΡΡΠ°ΠΌΠΈ ΠΌΠ°Π³Π½ΠΈΡΠ°.ΠΠΎΡΡΠΎΡΠ½Π½ΡΠΉ ΡΠ»Π΅ΠΊΡΡΠΈΡΠ΅ΡΠΊΠΈΠΉ ΡΠΎΠΊ ΡΠΎΠ·Π΄Π°Π΅Ρ Π²ΡΠ΅ΠΌΠ΅Π½Π½ΠΎΠ΅ ΠΌΠ°Π³Π½ΠΈΡΠ½ΠΎΠ΅ ΠΏΠΎΠ»Π΅, Π·Π°ΡΡΠ°Π²Π»ΡΡ Π΅Π³ΠΎ ΠΏΠΎΠ²ΠΎΡΠ°ΡΠΈΠ²Π°ΡΡΡΡ ΠΈ Π²ΡΡΠ°Π²Π½ΠΈΠ²Π°ΡΡΡΡ Ρ ΠΏΠΎΠ»ΡΡΠ½ΠΎΡΡΡΡ. ΠΠ°ΡΠ΅ΠΌ ΡΠ»Π΅ΠΊΡΡΠΈΡΠ΅ΡΠΊΠΈΠΉ ΠΏΠ΅ΡΠ΅ΠΊΠ»ΡΡΠ°ΡΠ΅Π»Ρ (ΠΊΠΎΠΌΠΌΡΡΠ°ΡΠΎΡ) ΠΌΠ΅Π½ΡΠ΅Ρ Π½Π°ΠΏΡΠ°Π²Π»Π΅Π½ΠΈΠ΅ ΡΠΎΠΊΠ° Π½Π° ΠΏΡΠΎΡΠΈΠ²ΠΎΠΏΠΎΠ»ΠΎΠΆΠ½ΠΎΠ΅, ΠΈΠ·ΠΌΠ΅Π½ΡΡ ΠΏΠΎΠ»ΡΡΠ½ΠΎΡΡΡ. ΠΡΠΎ ΠΏΠΎΠ·Π²ΠΎΠ»ΡΠ΅Ρ ΠΊΠ°ΡΡΡΠΊΠ΅ Π²ΡΠ°ΡΠ°ΡΡΡΡ Π±Π΅ΡΠΊΠΎΠ½Π΅ΡΠ½ΠΎ.
ΠΡΠΎΡΡΠΎΠ΅ ΠΎΠ±ΡΡΡΠ½Π΅Π½ΠΈΠ΅
ΠΠ΅ΠΊΠΎΡΠΎΡΡΠ΅ ΠΈΠ· ΠΏΡΠ΅ΠΈΠΌΡΡΠ΅ΡΡΠ² Π΄Π²ΠΈΠ³Π°ΡΠ΅Π»Π΅ΠΉ ΠΏΠΎΡΡΠΎΡΠ½Π½ΠΎΠ³ΠΎ ΡΠΎΠΊΠ° Π²ΠΊΠ»ΡΡΠ°ΡΡ Π½Π΅ΠΌΠ΅Π΄Π»Π΅Π½Π½ΡΠΉ Π²ΡΡΠΎΠΊΠΈΠΉ ΠΊΡΡΡΡΡΠΈΠΉ ΠΌΠΎΠΌΠ΅Π½Ρ, ΠΈ ΠΎΠ½ΠΈ ΠΎΡΠ½ΠΎΡΠΈΡΠ΅Π»ΡΠ½ΠΎ ΡΠ΅Π½ΡΠ°Π±Π΅Π»ΡΠ½Ρ. Π‘ Π΄ΡΡΠ³ΠΎΠΉ ΡΡΠΎΡΠΎΠ½Ρ, ΠΎΠ½ΠΈ Π½Π΅ Π΄ΠΎΠ»ΠΆΠ½Ρ ΡΠ°Π±ΠΎΡΠ°ΡΡ Π±Π΅Π· Π½Π°Π³ΡΡΠ·ΠΊΠΈ, ΡΠ°ΠΊ ΠΊΠ°ΠΊ ΡΡΠΎ ΠΌΠΎΠΆΠ΅Ρ ΠΏΠΎΠ²ΡΠ΅Π΄ΠΈΡΡ Π΄Π²ΠΈΠ³Π°ΡΠ΅Π»Ρ. ΠΠΎΡ ΠΏΠΎΡΠ΅ΠΌΡ ΠΈΡΠΏΠΎΠ»ΡΠ·ΠΎΠ²Π°Π½ΠΈΠ΅ Π΄Π²ΠΈΠ³Π°ΡΠ΅Π»Ρ ΠΏΠΎΡΡΠΎΡΠ½Π½ΠΎΠ³ΠΎ ΡΠΎΠΊΠ° Π΄Π»Ρ Π²ΡΠ°ΡΠ΅Π½ΠΈΡ ΡΠ΅ΠΌΠ½Ρ ΠΌΠΎΠΆΠ΅Ρ Π±ΡΡΡ ΠΏΠ»ΠΎΡ ΠΎΠΉ ΠΊΠΎΠ½ΡΡΡΡΠΊΡΠΈΠ΅ΠΉ.ΠΡΠ»ΠΈ ΡΠ΅ΠΌΠ΅Π½Ρ ΡΠΎΡΠΌΠΎΠ·ΠΈΡ, Π½Π°Π³ΡΡΠ·ΠΊΠ° ΠΎΡΡΡΡΡΡΠ²ΡΠ΅Ρ, ΠΈ Π΄Π²ΠΈΠ³Π°ΡΠ΅Π»Ρ ΠΌΠΎΠΆΠ΅Ρ Π²ΡΠΉΡΠΈ ΠΈΠ· ΡΡΡΠΎΡ. ΠΠ²ΠΈΠ³Π°ΡΠ΅Π»ΠΈ ΠΏΠΎΡΡΠΎΡΠ½Π½ΠΎΠ³ΠΎ ΡΠΎΠΊΠ° ΡΠ°ΠΊΠΆΠ΅ Π½Π΅ ΠΈΠ΄Π΅Π°Π»ΡΠ½Ρ Π΄Π»Ρ ΠΏΠΎΠ΄Π΄Π΅ΡΠΆΠ°Π½ΠΈΡ ΡΠΊΠΎΡΠΎΡΡΠΈ ΠΏΡΠΈ ΡΠ°Π·Π»ΠΈΡΠ½ΡΡ ΡΡΠ»ΠΎΠ²ΠΈΡΡ Π½Π°Π³ΡΡΠ·ΠΊΠΈ — Π½Π°ΠΏΡΠΈΠΌΠ΅Ρ, ΡΠ»Π΅ΠΊΡΡΠΎΠΌΠΎΠ±ΠΈΠ»Ρ Ρ ΡΡΠΈΠΌ Π΄Π²ΠΈΠ³Π°ΡΠ΅Π»Π΅ΠΌ ΠΌΠΎΠΆΠ΅Ρ Π½Π΅ ΡΠ°Π±ΠΎΡΠ°ΡΡ Π½Π° Ρ ΠΎΠ»ΠΌΠΈΡΡΠΎΠΉ ΠΌΠ΅ΡΡΠ½ΠΎΡΡΠΈ. Π Ρ ΠΎΡΡ ΡΠ΅Π³ΡΠ»ΠΈΡΠΎΠ²ΠΊΠ° Π½Π°ΠΏΡΡΠΆΠ΅Π½ΠΈΡ ΠΌΠΎΠΆΠ΅Ρ ΡΠΏΡΠ°Π²Π»ΡΡΡ ΡΠΊΠΎΡΠΎΡΡΡΡ Π΄Π²ΠΈΠ³Π°ΡΠ΅Π»Ρ ΠΏΠΎΡΡΠΎΡΠ½Π½ΠΎΠ³ΠΎ ΡΠΎΠΊΠ°, Π΄Π²ΠΈΠ³Π°ΡΠ΅Π»Ρ ΠΈΠΌΠ΅Π΅Ρ ΠΌΠ°ΠΊΡΠΈΠΌΠ°Π»ΡΠ½ΡΡ ΡΠΊΠΎΡΠΎΡΡΡ Π²ΡΠ°ΡΠ΅Π½ΠΈΡ, ΠΏΡΠ΅Π²ΡΡΠ°ΡΡΡΡ ΠΊΠΎΡΠΎΡΡΡ ΠΎΠ½ Π½Π΅ ΠΌΠΎΠΆΠ΅Ρ Π²ΡΠΉΡΠΈ, ΠΏΠΎΡΡΠΎΠΌΡ ΡΠΊΠΎΡΠΎΡΡΡ Π²ΡΠ°ΡΠ΅Π½ΠΈΡ ΠΎΠ³ΡΠ°Π½ΠΈΡΠ΅Π½Π°.
Π Π΄Π²ΠΈΠ³Π°ΡΠ΅Π»ΡΡΠΏΠ΅ΡΠ΅ΠΌΠ΅Π½Π½ΠΎΠ³ΠΎ ΡΠΎΠΊΠ° ΠΈΡΠΏΠΎΠ»ΡΠ·ΡΠ΅ΡΡΡ ΠΊΠΎΠ»ΡΡΠΎ ΠΈΠ· Π»Π°ΠΌΠΈΠ½ΠΈΡΠΎΠ²Π°Π½Π½ΠΎΠ³ΠΎ ΠΌΠ΅ΡΠ°Π»Π»Π° Π΄Π»Ρ ΡΠΎΠ·Π΄Π°Π½ΠΈΡ ΠΌΠ°Π³Π½ΠΈΡΠ½ΠΎΠ³ΠΎ ΠΏΠΎΠ»Ρ ΠΏΡΠΈ ΠΏΠΎΠ΄Π°ΡΠ΅ ΠΏΠ΅ΡΠ΅ΠΌΠ΅Π½Π½ΠΎΠ³ΠΎ ΡΠΎΠΊΠ°.ΠΠ»Π΅ΠΊΡΡΠΎΠΌΠ°Π³Π½ΠΈΡΡ ΠΎΠΊΡΡΠΆΠ°ΡΡ ΡΠΎΡΠΎΡ. ΠΠ΅ΡΠ΅ΠΌΠ΅Π½Π½ΡΠΉ ΡΠΎΠΊ Π·Π°ΡΡΠ°Π²Π»ΡΠ΅Ρ Π½Π°ΠΏΡΡΠΆΠ΅Π½Π½ΠΎΡΡΡ ΠΌΠ°Π³Π½ΠΈΡΠ½ΠΎΠ³ΠΎ ΠΏΠΎΠ»Ρ ΡΠ»Π΅ΠΊΡΡΠΎΠΌΠ°Π³Π½ΠΈΡΠΎΠ² ΠΏΠΎΠ²ΡΡΠ°ΡΡΡΡ ΠΈ ΠΏΠΎΠ½ΠΈΠΆΠ°ΡΡΡΡ, ΡΠΎΠ·Π΄Π°Π²Π°Ρ ΡΠΌΠ΅ΡΠ°ΡΡΠ΅Π΅ΡΡ ΠΌΠ°Π³Π½ΠΈΡΠ½ΠΎΠ΅ ΠΏΠΎΠ»Π΅, ΠΊΠΎΡΠΎΡΠΎΠ΅ ΡΠΎΠ·Π΄Π°Π΅Ρ ΠΊΡΡΡΡΡΠΈΠΉ ΠΌΠΎΠΌΠ΅Π½Ρ.
ΠΡΡΡ Π΄Π²Π΅ ΠΏΠ°ΡΡ ΡΠ»Π΅ΠΊΡΡΠΎΠΌΠ°Π³Π½ΠΈΡΠ½ΡΡ ΠΊΠ°ΡΡΡΠ΅ΠΊ, ΠΊΠΎΡΠΎΡΡΠ΅ ΠΏΠΎ ΠΎΡΠ΅ΡΠ΅Π΄ΠΈ Π²ΠΎΠ·Π±ΡΠΆΠ΄Π°ΡΡΡΡ ΠΏΠ΅ΡΠ΅ΠΌΠ΅Π½Π½ΡΠΌ ΡΠΎΠΊΠΎΠΌ. ΠΠ°ΡΡ ΡΠ°ΡΠΏΠΎΠ»ΠΎΠΆΠ΅Π½Ρ Π² ΠΏΡΠΎΡΠΈΠ²ΠΎΡΠ°Π·Π΅ Π΄ΡΡΠ³ Ρ Π΄ΡΡΠ³ΠΎΠΌ, ΡΠ°ΠΊ ΡΡΠΎ ΠΏΠΎΠ²ΡΡΠ΅Π½ΠΈΠ΅ ΠΈ ΠΏΠΎΠ½ΠΈΠΆΠ΅Π½ΠΈΠ΅ ΠΏΠ΅ΡΠ΅ΠΌΠ΅Π½Π½ΠΎΠ³ΠΎ ΡΠΎΠΊΠ° Π±ΡΠ΄Π΅Ρ ΠΈΠ·ΠΌΠ΅Π½ΡΡΡ ΠΌΠ°Π³Π½ΠΈΡΠ½ΠΎΠ΅ ΠΏΠΎΠ»Π΅ ΠΌΠ΅ΠΆΠ΄Ρ Π½ΠΈΠΌΠΈ. ΠΡΠΎ ΠΈΠ·ΠΌΠ΅Π½Π΅Π½ΠΈΠ΅ Π²ΡΠ·ΡΠ²Π°Π΅Ρ ΡΠ»Π΅ΠΊΡΡΠΈΡΠ΅ΡΠΊΠΈΠΉ ΡΠΎΠΊ Π² ΡΠΎΡΠΎΡΠ΅, ΠΊΠΎΡΠΎΡΡΠΉ ΡΠΎΠ·Π΄Π°Π΅Ρ ΡΠΎΠ±ΡΡΠ²Π΅Π½Π½ΠΎΠ΅ ΠΌΠ°Π³Π½ΠΈΡΠ½ΠΎΠ΅ ΠΏΠΎΠ»Π΅. Π ΠΎΡΠΎΡ Π±ΡΠ΄Π΅Ρ ΠΏΡΡΠ°ΡΡΡΡ ΠΏΡΠΎΡΠΈΠ²ΠΎΠ΄Π΅ΠΉΡΡΠ²ΠΎΠ²Π°ΡΡ ΠΌΠ°Π³Π½ΠΈΡΠ½ΠΎΠΌΡ ΠΏΠΎΠ»Ρ ΠΊΠ°ΡΡΡΠ΅ΠΊ, Π½ΠΎ, ΠΏΠΎΡΠΊΠΎΠ»ΡΠΊΡ ΠΏΠΎΠ»Π΅ ΠΈΠ·ΠΌΠ΅Π½ΡΠ΅ΡΡΡ Ρ ΠΏΠ΅ΡΠ΅ΠΌΠ΅Π½Π½ΡΠΌ ΡΠΎΠΊΠΎΠΌ, ΡΠΎΡΠΎΡ Π±ΡΠ΄Π΅Ρ Π²ΡΠ°ΡΠ°ΡΡΡΡ.ΠΠ²ΠΈΠ³Π°ΡΠ΅Π»ΠΈΠΏΠ΅ΡΠ΅ΠΌΠ΅Π½Π½ΠΎΠ³ΠΎ ΡΠΎΠΊΠ° ΠΎΠ±Π»Π°Π΄Π°ΡΡ Π±ΠΎΠ»Π΅Π΅ Π²ΡΡΠΎΠΊΠΈΠΌ ΠΊΡΡΡΡΡΠΈΠΌ ΠΌΠΎΠΌΠ΅Π½ΡΠΎΠΌ ΠΈ ΡΠΊΠΎΡΠΎΡΡΡΡ ΠΏΠΎ ΡΡΠ°Π²Π½Π΅Π½ΠΈΡ Ρ Π΄Π²ΠΈΠ³Π°ΡΠ΅Π»ΡΠΌΠΈ ΠΏΠΎΡΡΠΎΡΠ½Π½ΠΎΠ³ΠΎ ΡΠΎΠΊΠ°. ΠΠ½ΠΈ ΡΠ°ΠΊΠΆΠ΅ Π»ΡΡΡΠ΅ Π°Π΄Π°ΠΏΡΠΈΡΡΡΡΡΡ ΠΊ ΠΏΠ΅ΡΠ΅ΠΌΠ΅Π½Π½ΠΎΠΉ ΡΠΊΠΎΡΠΎΡΡΠΈ ΠΈ Π½Π°Π³ΡΡΠ·ΠΊΠ°ΠΌ, ΠΏΠΎΡΡΠΎΠΌΡ Π»ΡΡΡΠ΅ ΠΏΠΎΠ΄Ρ ΠΎΠ΄ΡΡ Π΄Π»Ρ Ρ ΠΎΠ»ΠΌΠΎΠ². ΠΠ½ ΡΠ°ΠΊΠΆΠ΅ Π»Π΅Π³ΡΠ΅ ΠΏΡΠΈΠ½ΠΈΠΌΠ°Π΅Ρ ΡΠ½Π΅ΡΠ³ΠΈΡ ΠΎΡ ΡΠ΅ΠΊΡΠΏΠ΅ΡΠ°ΡΠΈΠ²Π½ΠΎΠ³ΠΎ ΡΠΎΡΠΌΠΎΠΆΠ΅Π½ΠΈΡ, ΡΠ΅ΠΌ Π΄Π²ΠΈΠ³Π°ΡΠ΅Π»Ρ ΠΏΠΎΡΡΠΎΡΠ½Π½ΠΎΠ³ΠΎ ΡΠΎΠΊΠ°. ΠΠΎ ΠΎΠ±ΠΌΠΎΡΠΊΠ° ΠΊΠ°ΡΡΡΠΊΠΈ ΠΌΠΎΠΆΠ΅Ρ Π±ΡΡΡ ΡΡΠΆΠ΅Π»ΠΎΠΉ, ΠΈ ΠΏΡΠΈ ΠΈΡΠΏΠΎΠ»ΡΠ·ΠΎΠ²Π°Π½ΠΈΠΈ Π±Π°ΡΠ°ΡΠ΅ΠΉ Π½Π΅ΠΎΠ±Ρ ΠΎΠ΄ΠΈΠΌ ΠΈΠ½Π²Π΅ΡΡΠΎΡ. ΠΠ°ΠΊ ΠΏΡΠ°Π²ΠΈΠ»ΠΎ, ΠΎΠ±ΡΠ°Ρ ΡΡΠΎΠΈΠΌΠΎΡΡΡ Π΄Π²ΠΈΠ³Π°ΡΠ΅Π»Ρ ΠΏΠ΅ΡΠ΅ΠΌΠ΅Π½Π½ΠΎΠ³ΠΎ ΡΠΎΠΊΠ° Π²ΡΡΠ΅, ΡΠ΅ΠΌ Ρ ΡΠΎΠΏΠΎΡΡΠ°Π²ΠΈΠΌΠΎΠ³ΠΎ Π΄Π²ΠΈΠ³Π°ΡΠ΅Π»Ρ ΠΏΠΎΡΡΠΎΡΠ½Π½ΠΎΠ³ΠΎ ΡΠΎΠΊΠ°.
ΠΠ²ΠΈΠ³Π°ΡΠ΅Π»ΠΈ ΠΏΠ΅ΡΠ΅ΠΌΠ΅Π½Π½ΠΎΠ³ΠΎ ΠΈ ΠΏΠΎΡΡΠΎΡΠ½Π½ΠΎΠ³ΠΎ ΡΠΎΠΊΠ° ΠΏΡΠΈΠΌΠ΅Π½ΡΡΡΡΡ Π² Π°Π²ΡΠΎΠΌΠΎΠ±ΠΈΠ»ΡΡ ΠΈ Π²Π½Π΅Π΄ΠΎΡΠΎΠΆΠ½ΠΈΠΊΠ°Ρ . ΠΠΎ Π΄Π»Ρ ΡΠΎΠ³ΠΎ, ΡΡΠΎΠ±Ρ ΡΠ»Π΅ΠΊΡΡΠΎΠ΄Π²ΠΈΠ³Π°ΡΠ΅Π»ΠΈ ΠΈ ΡΠ»Π΅ΠΊΡΡΠΎΠΌΠΎΠ±ΠΈΠ»ΠΈ ΡΡΠ°Π»ΠΈ ΠΆΠΈΠ·Π½Π΅ΡΠΏΠΎΡΠΎΠ±Π½ΡΠΌΠΈ, ΠΏΠΎΡΡΠ΅Π±ΡΡΡΡΡ ΡΠ΅ΡΡΠ΅Π·Π½ΡΠ΅ Π΄ΠΎΡΡΠΈΠΆΠ΅Π½ΠΈΡ Π² ΠΎΠ±Π»Π°ΡΡΠΈ Π°ΠΊΠΊΡΠΌΡΠ»ΡΡΠΎΡΠ½ΡΡ ΡΠ΅Ρ Π½ΠΎΠ»ΠΎΠ³ΠΈΠΉ.Π’Π΅ΠΊΡΡΠΈΠΉ Π·Π°ΠΏΠ°Ρ ΡΠ½Π΅ΡΠ³ΠΈΠΈ, Π½Π΅ΠΎΠ±Ρ ΠΎΠ΄ΠΈΠΌΡΠΉ Π΄Π»Ρ ΠΏΠΈΡΠ°Π½ΠΈΡ ΡΠ»Π΅ΠΊΡΡΠΎΠΌΠΎΠ±ΠΈΠ»Π΅ΠΉ, Π΄ΠΎΠ±Π°Π²Π»ΡΠ΅Ρ ΡΠ»ΠΈΡΠΊΠΎΠΌ ΠΌΠ½ΠΎΠ³ΠΎ Π²Π΅ΡΠ°, ΡΡΠΎ Π΄Π΅Π»Π°Π΅Ρ ΡΠΎΠΎΡΠ½ΠΎΡΠ΅Π½ΠΈΠ΅ Π²Π΅ΡΠ° ΠΈ ΠΌΠΎΡΠ½ΠΎΡΡΠΈ ΡΠ»ΠΈΡΠΊΠΎΠΌ Π²ΡΡΠΎΠΊΠΈΠΌ. Π’Π°ΠΊΠΆΠ΅ ΡΡΡΠ΅ΡΡΠ²ΡΡΡ ΠΏΡΠΎΠ±Π»Π΅ΠΌΡ ΠΌΠ΅Π΄Π»Π΅Π½Π½ΠΎΠΉ ΠΏΠΎΠ΄Π·Π°ΡΡΠ΄ΠΊΠΈ ΠΈ ΡΠΊΠΎΠ»ΠΎΠ³ΠΈΡΠ΅ΡΠΊΠΈ ΡΠΈΡΡΠΎΠΉ ΡΡΠΈΠ»ΠΈΠ·Π°ΡΠΈΠΈ.
ΠΠ½Π°Π»ΠΈΠ· Β«ΠΎΡ ΠΊΠΎΠ»ΡΠ±Π΅Π»ΠΈ Π΄ΠΎ ΠΌΠΎΠ³ΠΈΠ»ΡΒ», ΠΎΠΏΡΠ±Π»ΠΈΠΊΠΎΠ²Π°Π½Π½ΡΠΉ Π‘ΠΎΡΠ·ΠΎΠΌ ΠΎΠ±Π΅ΡΠΏΠΎΠΊΠΎΠ΅Π½Π½ΡΡ ΡΡΠ΅Π½ΡΡ , ΠΏΠΎΠΊΠ°Π·ΡΠ²Π°Π΅Ρ, ΡΡΠΎ ΡΠ»Π΅ΠΊΡΡΠΎΠΌΠΎΠ±ΠΈΠ»Ρ Ρ ΠΏΡΠΎΠ±Π΅Π³ΠΎΠΌ Π² 84 ΠΌΠΈΠ»ΠΈ ΠΏΡΠΎΠΈΠ·Π²ΠΎΠ΄ΠΈΡ ΠΏΡΠΈΠΌΠ΅ΡΠ½ΠΎ Π½Π° 15% Π±ΠΎΠ»ΡΡΠ΅ Π²ΡΠ±ΡΠΎΡΠΎΠ², ΡΠ΅ΠΌ ΠΎΠ±ΡΡΠ½ΡΠΉ Π°Π²ΡΠΎΠΌΠΎΠ±ΠΈΠ»Ρ. ΠΡΡ ΡΠ°Π·Π½ΠΈΡΡ ΠΌΠΎΠΆΠ½ΠΎ ΠΊΠΎΠΌΠΏΠ΅Π½ΡΠΈΡΠΎΠ²Π°ΡΡ Π·Π° Π³ΠΎΠ΄ Π²ΠΎΠΆΠ΄Π΅Π½ΠΈΡ, ΠΈ Π°Π²ΡΠΎΠΌΠΎΠ±ΠΈΠ»Ρ Π±ΡΠ΄Π΅Ρ Π²ΡΠ΄Π΅Π»ΡΡΡ Π²Π΄Π²ΠΎΠ΅ ΠΌΠ΅Π½ΡΡΠ΅ Π·Π°Π³ΡΡΠ·Π½ΡΡΡΠΈΡ Π²Π΅ΡΠ΅ΡΡΠ² Π² ΡΠ΅ΡΠ΅Π½ΠΈΠ΅ Π²ΡΠ΅Π³ΠΎ ΡΡΠΎΠΊΠ° ΡΠ»ΡΠΆΠ±Ρ, Π²ΠΊΠ»ΡΡΠ°Ρ ΠΏΡΠΎΠΈΠ·Π²ΠΎΠ΄ΡΡΠ²ΠΎ.ΠΠΎ ΠΌΠ΅ΡΠ΅ ΡΠΎΠ³ΠΎ, ΠΊΠ°ΠΊ Π² Π±Π»ΠΈΠΆΠ°ΠΉΡΠΈΠ΅ Π³ΠΎΠ΄Ρ Π·Π°ΠΊΠ»ΡΡΠ°ΡΡΡΡ ΡΠ΄Π΅Π»ΠΊΠΈ, ΡΠ°ΠΊΠΈΠ΅ ΠΊΠ°ΠΊ ΠΠ°ΡΠΈΠΆΡΠΊΠΎΠ΅ ΡΠΎΠ³Π»Π°ΡΠ΅Π½ΠΈΠ΅, Π² ΡΡΠΎΡΠΎΠ½Ρ ΡΠ³Π»Π΅ΡΠΎΠ΄Π½ΠΎ-Π½Π΅ΠΉΡΡΠ°Π»ΡΠ½ΠΎΠ³ΠΎ ΠΎΠ±ΡΠ΅ΡΡΠ²Π°, ΠΌΡ ΠΌΠΎΠΆΠ΅ΠΌ ΡΠ²ΠΈΠ΄Π΅ΡΡ Π±ΠΎΠ»ΡΡΠ΅ ΡΠ»Π΅ΠΊΡΡΠΎΠΌΠΎΠ±ΠΈΠ»Π΅ΠΉ Π½Π° Π΄ΠΎΡΠΎΠ³Π°Ρ .
ΠΠ΄Π½Π°ΠΊΠΎ, ΠΊΠ°ΠΊ ΠΈ ΠΌΠ½ΠΎΠ³ΠΈΠ΅ ΡΠ΅Ρ Π½ΠΎΠ»ΠΎΠ³ΠΈΠΈ, Π΄Π»Ρ Π΄ΠΎΡΡΠΈΠΆΠ΅Π½ΠΈΡ ΠΎΠΏΡΠΈΠΌΠ°Π»ΡΠ½ΠΎΠΉ ΡΡΡΠ΅ΠΊΡΠΈΠ²Π½ΠΎΡΡΠΈ Π½Π΅ΠΎΠ±Ρ ΠΎΠ΄ΠΈΠΌΠΎ Π½Π΅ΡΠΊΠΎΠ»ΡΠΊΠΎ. ΠΠ·-Π·Π° ΡΠ΅ΠΊΡΡΠ΅Π³ΠΎ ΡΠΎΡΡΠΎΡΠ½ΠΈΡ Π±Π°ΡΠ°ΡΠ΅ΠΉ ΠΌΠ΅Π½ΡΡΠΈΠ΅ Π΄Π²ΠΈΠ³Π°ΡΠ΅Π»ΠΈ IC ΡΠΎΡΠ΅ΡΠ°ΡΡΡΡ Ρ ΡΠ΅Ρ Π½ΠΎΠ»ΠΎΠ³ΠΈΡΠΌΠΈ ΡΠ»Π΅ΠΊΡΡΠΎΠΏΡΠΈΠ²ΠΎΠ΄Π°, ΠΊΠΎΡΠΎΡΡΠ΅ Π΄Π΅Π»Π°ΡΡ Π΄Π°ΠΆΠ΅ ΡΡΠ°Π½Π΄Π°ΡΡΡ Π²ΡΠ±ΡΠΎΡΠΎΠ² 2025 Π³ΠΎΠ΄Π° (54,5 ΠΌΠΈΠ»Ρ Π½Π° Π³Π°Π»Π»ΠΎΠ½) Π±ΠΎΠ»Π΅Π΅ Π»Π΅Π³ΠΊΠΈΠΌΠΈ Π΄Π»Ρ Π΄ΠΎΡΡΠΈΠΆΠ΅Π½ΠΈΡ, ΡΠ΅ΠΌ Π½Π΅ΠΊΠΎΡΠΎΡΡΠ΅ ΠΌΠΎΠ³Π»ΠΈ ΠΏΠ΅ΡΠ²ΠΎΠ½Π°ΡΠ°Π»ΡΠ½ΠΎ ΠΏΠΎΠ΄ΡΠΌΠ°ΡΡ. ΠΡΠ»ΠΈ Π³ΠΈΠ±ΡΠΈΠ΄Π½ΡΠ΅ ΠΈΠ½Π½ΠΎΠ²Π°ΡΠΈΠΈ Π² ΠΊΠΎΠ½ΡΡΡΡΠΊΡΠΈΠΈ Π΄Π²ΠΈΠ³Π°ΡΠ΅Π»Ρ Π²Π½ΡΡΡΠ΅Π½Π½Π΅Π³ΠΎ ΡΠ³ΠΎΡΠ°Π½ΠΈΡ Π½Π΅ ΡΠ»ΡΡΡΠ°ΡΡ Ρ Π°ΡΠ°ΠΊΡΠ΅ΡΠΈΡΡΠΈΠΊΠΈ ΠΈ ΡΠΎΡΡ ΠΏΠΎΡΡΠ½Π΅Π²ΠΎΠ³ΠΎ Π΄Π²ΠΈΠ³Π°ΡΠ΅Π»Ρ, ΠΎΠ½ΠΈ, ΠΏΠΎ ΠΊΡΠ°ΠΉΠ½Π΅ΠΉ ΠΌΠ΅ΡΠ΅, ΡΠ²Π΅Π»ΠΈΡΠΈΠ²Π°ΡΡ Π½Π°ΠΊΠ»ΠΎΠ½ Π΅Π³ΠΎ ΡΠ±ΡΠ²Π°ΡΡΠ΅ΠΉ ΠΎΡΠ΄Π°ΡΠΈ ΠΈ ΠΏΡΠΎΠ΄Π»Π΅Π²Π°ΡΡ ΡΡΠΎΠΊ ΡΡΡΠ΅ΡΡΠ²ΠΎΠ²Π°Π½ΠΈΡ Π΄Π²ΠΈΠ³Π°ΡΠ΅Π»Π΅ΠΉ Π²Π½ΡΡΡΠ΅Π½Π½Π΅Π³ΠΎ ΡΠ³ΠΎΡΠ°Π½ΠΈΡ — ΠΏΠΎ ΠΊΡΠ°ΠΉΠ½Π΅ΠΉ ΠΌΠ΅ΡΠ΅, Π½Π° Π΄Π°Π½Π½ΡΠΉ ΠΌΠΎΠΌΠ΅Π½Ρ.
ΠΠ²ΡΠΎΠ·Π°ΠΏΡΠ°ΡΡΡ | ΠΠ· ΠΊΠ°ΠΊΠΈΡ ΡΠ°ΡΡΠ΅ΠΉ ΡΠΎΡΡΠΎΠΈΡ Π°Π²ΡΠΎΠΌΠΎΠ±ΠΈΠ»ΡΠ½ΡΠΉ Π΄Π²ΠΈΠ³Π°ΡΠ΅Π»Ρ? Π ΠΊΠ°ΠΊ ΠΎΠ½ΠΈ ΠΈΡΠΏΠΎΠ»ΡΠ·ΡΡΡΡΡ?
ΠΠ²ΠΈΠ³Π°ΡΠ΅Π»ΠΈ Π²Π½ΡΡΡΠ΅Π½Π½Π΅Π³ΠΎ ΡΠ³ΠΎΡΠ°Π½ΠΈΡ — ΡΡΠΎ ΡΠΈΠ»ΠΎΠ²ΡΠ΅ Π°Π³ΡΠ΅Π³Π°ΡΡ, ΠΎΡΠ²Π΅ΡΠ°ΡΡΠΈΠ΅ Π·Π° Π²ΡΠ°ΡΠ΅Π½ΠΈΠ΅ ΠΊΠΎΠ»Π΅Ρ Π² Π°Π²ΡΠΎΠΌΠΎΠ±ΠΈΠ»ΡΡ , ΠΈ ΠΎΠ½ΠΈ Π΄Π΅Π»Π°ΡΡ ΡΡΠΎ ΠΏΡΡΠ΅ΠΌ ΠΏΡΠ΅ΠΎΠ±ΡΠ°Π·ΠΎΠ²Π°Π½ΠΈΡ Ρ ΠΈΠΌΠΈΡΠ΅ΡΠΊΠΎΠΉ ΡΠ½Π΅ΡΠ³ΠΈΠΈ Π² ΠΌΠ΅Ρ Π°Π½ΠΈΡΠ΅ΡΠΊΡΡ. ΠΡΠΎΡΠ΅ Π³ΠΎΠ²ΠΎΡΡ, Π΄Π²ΠΈΠ³Π°ΡΠ΅Π»Ρ Π²Π½ΡΡΡΠ΅Π½Π½Π΅Π³ΠΎ ΡΠ³ΠΎΡΠ°Π½ΠΈΡ ΠΏΠΎΠ·Π²ΠΎΠ»ΡΠ΅Ρ ΡΠΆΠΈΠ³Π°ΡΡ ΡΠΎΠΏΠ»ΠΈΠ²ΠΎ (Ρ ΠΈΠΌΠΈΡΠ΅ΡΠΊΠΎΠ΅), ΠΊΠΎΡΠΎΡΠΎΠ΅, Π² ΡΠ²ΠΎΡ ΠΎΡΠ΅ΡΠ΅Π΄Ρ, Π·Π°ΡΡΠ°Π²Π»ΡΠ΅Ρ ΠΊΠΎΠ»Π΅ΡΠ° Π°Π²ΡΠΎΠΌΠΎΠ±ΠΈΠ»Ρ Π΄Π²ΠΈΠ³Π°ΡΡΡΡ (ΠΌΠ΅Ρ Π°Π½ΠΈΡΠ΅ΡΠΊΠΈ). Π‘Π³ΠΎΡΠ°Π½ΠΈΠ΅ Π² ΡΡΠΎΠΌ ΡΠ»ΡΡΠ°Π΅ Π½Π°Π·ΡΠ²Π°Π΅ΡΡΡ Β«Π²Π½ΡΡΡΠ΅Π½Π½ΠΈΠΌΒ», ΠΏΠΎΡΠΎΠΌΡ ΡΡΠΎ ΠΏΡΠΎΡΠ΅ΡΡ ΡΠ³ΠΎΡΠ°Π½ΠΈΡ ΡΠΎΠΏΠ»ΠΈΠ²Π° ΠΏΡΠΎΠΈΡΡ ΠΎΠ΄ΠΈΡ Π²Π½ΡΡΡΠΈ Π΄Π²ΠΈΠ³Π°ΡΠ΅Π»Ρ.
Π§ΡΠΎΠ±Ρ ΠΏΠΎΠ½ΡΡΡ, ΠΊΠ°ΠΊ ΡΠ°Π±ΠΎΡΠ°Π΅Ρ Π΄Π²ΠΈΠ³Π°ΡΠ΅Π»Ρ, Π² ΡΡΠΎΠΉ ΡΡΠ°ΡΡΠ΅ ΠΎΠ±ΡΡΠΆΠ΄Π°ΡΡΡΡ Π²ΡΠ΅ Π΅Π³ΠΎ ΠΎΡΠ½ΠΎΠ²Π½ΡΠ΅ ΡΠ°ΡΡΠΈ ΠΈ ΡΠΎΠ»Ρ, ΠΊΠΎΡΠΎΡΡΡ ΠΊΠ°ΠΆΠ΄Π°Ρ ΡΠ°ΡΡΡ Π²ΡΠΏΠΎΠ»Π½ΡΠ΅Ρ Π² ΠΎΠ±ΡΠ΅ΠΉ ΡΠ°Π±ΠΎΡΠ΅ Π΄Π²ΠΈΠ³Π°ΡΠ΅Π»Ρ Π°Π²ΡΠΎΠΌΠΎΠ±ΠΈΠ»Ρ.
ΠΠ»ΠΎΠΊ Π΄Π²ΠΈΠ³Π°ΡΠ΅Π»Ρ — ΡΠ°ΠΊΠΆΠ΅ ΠΈΠ·Π²Π΅ΡΡΠ½ΡΠΉ ΠΊΠ°ΠΊ Β«Π±Π»ΠΎΠΊ ΡΠΈΠ»ΠΈΠ½Π΄ΡΠΎΠ²Β» ΠΈΠ»ΠΈ ΠΏΡΠΎΡΡΠΎ Β«Π±Π»ΠΎΠΊΒ» — ΡΡΠΎ ΠΌΠ΅ΡΠ°Π»Π»ΠΈΡΠ΅ΡΠΊΠ°Ρ ΠΊΠΎΠ½ΡΡΡΡΠΊΡΠΈΡ, ΠΊΠΎΡΠΎΡΠ°Ρ ΡΠΎΠ΄Π΅ΡΠΆΠΈΡ ΠΎΡΠ½ΠΎΠ²Π½ΡΠ΅ ΡΠ°ΡΡΠΈ Π΄Π²ΠΈΠ³Π°ΡΠ΅Π»Ρ Π²Π½ΡΡΡΠ΅Π½Π½Π΅Π³ΠΎ ΡΠ³ΠΎΡΠ°Π½ΠΈΡ. ΠΠ½ ΠΎΡΠ»ΠΈΡ Ρ ΡΠΈΠ»ΠΈΠ½Π΄ΡΠΈΡΠ΅ΡΠΊΠΈΠΌΠΈ ΠΏΠΎΠ»ΠΎΡΡΡΠΌΠΈ (Π½Π°Π·ΡΠ²Π°Π΅ΠΌΡΠΌΠΈ ΡΠΈΠ»ΠΈΠ½Π΄ΡΠ°ΠΌΠΈ), ΠΌΠ°ΡΠ»ΡΠ½ΡΠΌΠΈ ΠΊΠ°Π½Π°Π»Π°ΠΌΠΈ ΠΈ ΠΊΠ°Π½Π°Π»Π°ΠΌΠΈ Π΄Π»Ρ ΠΎΡ Π»Π°ΠΆΠ΄Π°ΡΡΠ΅ΠΉ ΠΆΠΈΠ΄ΠΊΠΎΡΡΠΈ. Π Π±ΠΎΠ»ΡΡΠΈΠ½ΡΡΠ²Π΅ ΡΠΎΠ²ΡΠ΅ΠΌΠ΅Π½Π½ΡΡ Π°Π²ΡΠΎΠΌΠΎΠ±ΠΈΠ»Π΅ΠΉ Π±Π»ΠΎΠΊΠΈ ΡΠΈΠ»ΠΈΠ½Π΄ΡΠΎΠ² ΠΈΠ·Π³ΠΎΡΠ°Π²Π»ΠΈΠ²Π°ΡΡΡΡ ΠΈΠ· Π°Π»ΡΠΌΠΈΠ½ΠΈΠ΅Π²ΡΡ ΡΠΏΠ»Π°Π²ΠΎΠ², Π² ΡΠΎ Π²ΡΠ΅ΠΌΡ ΠΊΠ°ΠΊ Π² Π³ΡΡΠ·ΠΎΠ²ΠΈΠΊΠ°Ρ ΠΈ ΡΡΠ°ΡΡΡ ΠΌΠΎΠ΄Π΅Π»ΡΡ Π°Π²ΡΠΎΠΌΠΎΠ±ΠΈΠ»Π΅ΠΉ Π±Π»ΠΎΠΊΠΈ Π΄Π²ΠΈΠ³Π°ΡΠ΅Π»Π΅ΠΉ ΠΈΠ·Π³ΠΎΡΠ°Π²Π»ΠΈΠ²Π°ΡΡΡΡ ΠΈΠ· ΡΡΠ³ΡΠ½Π°.
Π Π°ΡΠΏΡΠΎΡΡΡΠ°Π½Π΅Π½Π½ΡΠ΅ ΠΏΡΠΈΡΠΈΠ½Ρ ΠΎΡΠΊΠ°Π·ΠΎΠ² Π±Π»ΠΎΠΊΠ° ΡΠΈΠ»ΠΈΠ½Π΄ΡΠΎΠ²ΠΠ»ΠΎΠΊΠΈ Π΄Π²ΠΈΠ³Π°ΡΠ΅Π»Ρ ΡΠ°ΡΡΡΠΈΡΠ°Π½Ρ Π½Π° Π΄Π»ΠΈΡΠ΅Π»ΡΠ½ΡΠΉ ΡΡΠΎΠΊ ΡΠ»ΡΠΆΠ±Ρ, Π½ΠΎ Π½Π΅ΠΊΠΎΡΠΎΡΡΠ΅ ΠΏΡΠΈΡΠΈΠ½Ρ ΠΌΠΎΠ³ΡΡ ΡΠΎΠΊΡΠ°ΡΠΈΡΡ ΠΈΡ ΡΡΠΎΠΊ ΡΠ»ΡΠΆΠ±Ρ.
1. Π£ΡΠ΅ΡΠΊΠ° — Π΅ΡΠ»ΠΈ Π²Ρ Π·Π°ΠΌΠ΅ΡΠΈΠ»ΠΈ Π»ΡΠΆΡ ΠΆΠΈΠ΄ΠΊΠΎΡΡΠΈ ΠΏΠΎΠ΄ Π΄Π²ΠΈΠ³Π°ΡΠ΅Π»Π΅ΠΌ, ΡΡΠΎ ΠΏΡΠΈΠ·Π½Π°ΠΊ Π²ΠΎΠ·ΠΌΠΎΠΆΠ½ΠΎΠΉ ΡΡΠ΅ΡΠΊΠΈ. Π£ΡΠ΅ΡΠΊΠΈ ΠΌΠΎΠ³ΡΡ ΠΏΡΠΎΠΈΡΡ ΠΎΠ΄ΠΈΡΡ ΠΈΠ· ΡΠ°Π΄ΠΈΠ°ΡΠΎΡΠ°, ΡΠ΅ΡΠ΄Π΅ΡΠ½ΠΈΠΊΠ° Π½Π°Π³ΡΠ΅Π²Π°ΡΠ΅Π»Ρ, Π²ΠΎΠ΄ΡΠ½ΠΎΠ³ΠΎ Π½Π°ΡΠΎΡΠ°, ΠΎΡΠ»Π°Π±Π»Π΅Π½Π½ΡΡ ΡΠ»Π°Π½Π³ΠΎΠ² ΠΈΠ»ΠΈ Π·Π°ΠΌΠ΅ΡΠ·ΡΠΈΡ ΠΏΡΠΎΠ±ΠΎΠΊ ΠΈΠ»ΠΈ Π΄Π°ΠΆΠ΅ ΠΈΠ· ΡΡΠ΅ΡΠΈΠ½Ρ Π² ΡΠ°ΠΌΠΎΠΌ Π±Π»ΠΎΠΊΠ΅.
2. ΠΠ·Π½ΠΎΡΠ΅Π½Π½ΡΠΉ ΡΠΈΠ»ΠΈΠ½Π΄Ρ — ΡΡΠ΅Π½ΠΊΠΈ ΡΠΈΠ»ΠΈΠ½Π΄ΡΠ° ΠΌΠΎΠ³ΡΡ ΠΈΠ·Π½Π°ΡΠΈΠ²Π°ΡΡΡΡ ΠΈ ΡΡΠ΅ΡΠ½ΡΡΡ.Π‘Π΅ΡΡΠ΅Π·Π½ΠΎ ΠΏΠΎΠ²ΡΠ΅ΠΆΠ΄Π΅Π½Π½ΡΠ΅ ΡΠΈΠ»ΠΈΠ½Π΄ΡΡ ΠΈΠ»ΠΈ Π±Π»ΠΎΠΊΠΈ ΡΠΈΠ»ΠΈΠ½Π΄ΡΠΎΠ² Π½Π΅ΠΎΠ±Ρ ΠΎΠ΄ΠΈΠΌΠΎ Π±ΡΠ΄Π΅Ρ ΠΎΡΡΠ΅ΠΌΠΎΠ½ΡΠΈΡΠΎΠ²Π°ΡΡ.
3. ΠΠΎΡΠΈΡΡΡΠΉ Π±Π»ΠΎΠΊ — ΠΏΠ»ΠΎΡ ΠΎ ΠΎΡΠ»ΠΈΡΡΠ΅ ΠΌΠ°ΡΠ΅ΡΠΈΠ°Π»Ρ ΠΌΠΎΠ³ΡΡ Π²ΡΠ·Π²Π°ΡΡ ΠΏΠΎΡΠΈΡΡΠΎΡΡΡ Π² Π±Π»ΠΎΠΊΠ΅ ΡΠΈΠ»ΠΈΠ½Π΄ΡΠΎΠ². ΠΠΈΠΊΠ°ΠΊΠΎΠΉ ΡΠ΅ΠΌΠΎΠ½Ρ Π½Π΅ ΠΌΠΎΠΆΠ΅Ρ ΡΠ΅ΡΠΈΡΡ ΠΏΡΠΎΠ±Π»Π΅ΠΌΡ ΠΏΠΎΡΠΈΡΡΠΎΡΡΠΈ Π² Π±Π»ΠΎΠΊΠ΅ ΡΠΈΠ»ΠΈΠ½Π΄ΡΠΎΠ². ΠΡΠ»ΠΈ Π²Ρ ΠΎΠ±Π½Π°ΡΡΠΆΠΈΡΠ΅ ΡΡΠΎ ΡΠΎΡΡΠΎΡΠ½ΠΈΠ΅, Π½ΠΎ ΡΡΠΎΠΊ Π³Π°ΡΠ°Π½ΡΠΈΠΈ ΠΏΡΠΎΠΈΠ·Π²ΠΎΠ΄ΠΈΡΠ΅Π»Ρ Π΅ΡΠ΅ Π½Π΅ ΠΈΡΡΠ΅ΠΊ, Π²Ρ ΠΌΠΎΠΆΠ΅ΡΠ΅ ΠΏΠΎΠ»Π½ΠΎΡΡΡΡ Π·Π°ΠΌΠ΅Π½ΠΈΡΡ Π±Π»ΠΎΠΊ Π΄Π²ΠΈΠ³Π°ΡΠ΅Π»Ρ.
Π¦ΠΈΠ»ΠΈΠ½Π΄ΡΡ, Π³ΠΎΠ»ΠΎΠ²ΠΊΠ° ΡΠΈΠ»ΠΈΠ½Π΄ΡΠΎΠ² ΠΈ ΠΏΠΎΡΡΠ½ΠΈ Π²ΠΌΠ΅ΡΡΠ΅ ΡΠΎΡΡΠ°Π²Π»ΡΡΡ ΠΊΠ°ΠΌΠ΅ΡΡ ΡΠ³ΠΎΡΠ°Π½ΠΈΡ, ΠΊΠΎΡΠΎΡΠ°Ρ ΡΠ²Π»ΡΠ΅ΡΡΡ ΡΠ°ΡΡΡΡ Π΄Π²ΠΈΠ³Π°ΡΠ΅Π»Ρ, Π³Π΄Π΅ ΠΏΡΠΎΠΈΡΡ ΠΎΠ΄ΠΈΡ Π²ΡΠ΅ Π²Π·ΡΡΠ²Π½ΠΎΠ΅ Π΄Π΅ΠΉΡΡΠ²ΠΈΠ΅.ΠΡ ΠΌΠΎΠΆΠ΅ΡΠ΅ Π΄ΡΠΌΠ°ΡΡ ΠΎ ΡΠΈΠ»ΠΈΠ½Π΄ΡΠ°Ρ ΠΊΠ°ΠΊ ΠΎ Π±ΠΎΠΊΠΎΠ²ΡΡ ΡΡΠΎΡΠΎΠ½Π°Ρ , Π³ΠΎΠ»ΠΎΠ²ΠΊΠ΅ ΡΠΈΠ»ΠΈΠ½Π΄ΡΠΎΠ² ΠΊΠ°ΠΊ ΠΎ Π²Π΅ΡΡ Π½Π΅ΠΉ ΡΠ°ΡΡΠΈ, Π° ΠΎ ΠΏΠΎΡΡΠ½ΡΡ ΠΊΠ°ΠΊ ΠΎ Π½ΠΈΠΆΠ½Π΅ΠΉ ΡΠ°ΡΡΠΈ ΠΊΠ°ΠΌΠ΅ΡΡ ΡΠ³ΠΎΡΠ°Π½ΠΈΡ.
ΠΠΎΡΡΠ½ΠΈ
ΠΠΎΡΡΠ½ΠΈ ΠΏΡΠ΅Π΄ΡΡΠ°Π²Π»ΡΡΡ ΡΠΎΠ±ΠΎΠΉ Π½Π΅Π±ΠΎΠ»ΡΡΠΈΠ΅ ΡΠΈΠ»ΠΈΠ½Π΄ΡΠΈΡΠ΅ΡΠΊΠΈΠ΅ Π΄Π²ΠΈΠΆΡΡΠΈΠ΅ΡΡ ΡΠ°ΡΡΠΈ Π²Π½ΡΡΡΠΈ ΠΊΠ°ΠΌΠ΅ΡΡ ΡΠ³ΠΎΡΠ°Π½ΠΈΡ. ΠΡΠΈ ΠΌΠ°Π»Π΅Π½ΡΠΊΠΈΠ΅ ΡΠΈΠ»ΠΈΠ½Π΄ΡΠΈΡΠ΅ΡΠΊΠΈΠ΅ Π΄Π΅ΡΠ°Π»ΠΈ (ΠΏΠΎΡΡΠ½ΠΈ) ΡΠΊΠΎΠ»ΡΠ·ΡΡ Π²Π²Π΅ΡΡ ΠΈ Π²Π½ΠΈΠ· Π²Π½ΡΡΡΠΈ ΡΠΈΠ»ΠΈΠ½Π΄ΡΠΈΡΠ΅ΡΠΊΠΈΡ ΠΏΠΎΠ»ΠΎΡΡΠ΅ΠΉ (ΡΠΈΠ»ΠΈΠ½Π΄ΡΠΎΠ²) ΠΈ ΡΡΡΠ³ΠΈΠ²Π°ΡΡΡΡ ΠΏΠΎΡΡΠ½Π΅Π²ΡΠΌΠΈ ΠΊΠΎΠ»ΡΡΠ°ΠΌΠΈ. ΠΠΎΠ³Π΄Π° ΠΏΡΠΎΠΈΡΡ ΠΎΠ΄ΠΈΡ Π³ΠΎΡΠ΅Π½ΠΈΠ΅, Π²Π·ΡΡΠ²Π½Π°Ρ ΡΠΈΠ»Π° ΡΠΎΠ»ΠΊΠ°Π΅Ρ ΠΏΠΎΡΡΠ½ΠΈ Π²Π½ΠΈΠ·. ΠΠ²ΠΈΠΆΠ΅Π½ΠΈΠ΅ ΠΏΠΎΡΡΠ½Π΅ΠΉ Π·Π°ΡΡΠ°Π²Π»ΡΠ΅Ρ ΠΊΠΎΠ»Π΅Π½ΡΠ°ΡΡΠΉ Π²Π°Π» Π²ΡΠΏΠΎΠ»Π½ΡΡΡ ΡΠ²ΠΎΡ ΡΠ°Π±ΠΎΡΡ.
ΠΠΎΡΡΠ΅Π½Ρ ΡΡΠ²ΠΎΠ»Π°
ΠΡΠΎΡ ΡΠΈΠΏ ΠΏΠΎΡΡΠ½Ρ — ΠΎΠ΄Π½Π° ΠΈΠ· ΡΠ°ΠΌΡΡ ΡΡΠ°ΡΡΡ ΠΊΠΎΠ½ΡΡΡΡΠΊΡΠΈΠΉ, ΠΈΡΠΏΠΎΠ»ΡΠ·ΡΠ΅ΠΌΡΡ Π΄Π»Ρ Π²Π½ΡΡΡΠ΅Π½Π½ΠΈΡ Π΄Π²ΠΈΠ³Π°ΡΠ΅Π»Π΅ΠΉ. ΠΠ½ Π΄Π΅ΠΉΡΡΠ²ΡΠ΅Ρ Π½Π΅ ΡΠΎΠ»ΡΠΊΠΎ ΠΊΠ°ΠΊ ΠΏΠΎΡΡΠ΅Π½Ρ, Π½ΠΎ ΠΈ ΠΊΠ°ΠΊ ΡΠΈΠ»ΠΈΠ½Π΄ΡΠΈΡΠ΅ΡΠΊΠ°Ρ ΡΡΠ°Π²Π΅ΡΡΠ°. ΠΠ½ Π΄Π»ΠΈΠ½Π½Π΅Π΅, ΡΠ΅ΠΌ ΡΠΈΡΠΈΠ½Π°, ΠΈ ΠΈΠΌΠ΅Π΅Ρ ΠΊΠ°Π½Π°Π²ΠΊΡ Π΄Π»Ρ ΠΌΠ°ΡΠ»ΡΠ½ΠΎΠ³ΠΎ ΠΊΠΎΠ»ΡΡΠ° ΠΏΠΎΠ΄ ΠΏΠΎΡΡΠ½Π΅Π²ΡΠΌ ΠΏΠ°Π»ΡΡΠ΅ΠΌ. Π ΡΠ²ΠΎΠ΅ Π²ΡΠ΅ΠΌΡ ΠΏΠΎΡΡΠ½ΠΈ ΡΡΠ²ΠΎΠ»Π° ΠΈΡΠΏΠΎΠ»ΡΠ·ΠΎΠ²Π°Π»ΠΈΡΡ Π² ΠΎΡΠ½ΠΎΠ²Π½ΠΎΠΌ Π΄Π»Ρ Π΄ΠΈΠ·Π΅Π»ΡΠ½ΡΡ ΠΈ Π±Π΅Π½Π·ΠΈΠ½ΠΎΠ²ΡΡ Π΄Π²ΠΈΠ³Π°ΡΠ΅Π»Π΅ΠΉ.
ΠΠΎΡΡΠ΅Π½Ρ ΠΊΡΠ΅ΠΉΡΠΊΠΎΠΏΡΠ°
Π Π½ΠΈΠ·ΠΊΠΎΠΎΠ±ΠΎΡΠΎΡΠ½ΡΡ Π΄Π²ΠΈΠ³Π°ΡΠ΅Π»ΡΡ ΠΎΠ±ΡΡΠ½ΠΎ ΠΈΡΠΏΠΎΠ»ΡΠ·ΡΡΡΡΡ ΠΏΠΎΡΡΠ½ΠΈ ΠΊΡΠ΅ΠΉΡΠΊΠΎΠΏΡΠ° Π΄Π»Ρ ΡΠΌΠ΅Π½ΡΡΠ΅Π½ΠΈΡ Π±ΠΎΠΊΠΎΠ²ΡΡ ΡΠΈΠ», Π΄Π΅ΠΉΡΡΠ²ΡΡΡΠΈΡ Π½Π° ΠΏΠΎΡΡΠ΅Π½Ρ.
ΠΠ±ΡΠΈΠ΅ ΠΏΡΠΎΠ±Π»Π΅ΠΌΡ, ΡΠ²ΡΠ·Π°Π½Π½ΡΠ΅ Ρ ΠΏΠΎΡΡΠ½ΡΠΌΠΈΠΠΈΠΆΠ΅ ΠΏΠ΅ΡΠ΅ΡΠΈΡΠ»Π΅Π½Ρ ΠΎΠ±ΡΠΈΠ΅ ΠΏΡΠΎΠ±Π»Π΅ΠΌΡ, ΡΠ²ΡΠ·Π°Π½Π½ΡΠ΅ Ρ ΠΏΠΎΡΡΠ½ΡΠΌΠΈ:
1. ΠΠ΅ΡΠ΅Π³ΡΠ΅Π² — ΠΈΠ·Π³ΠΈΠ± ΠΈΠ»ΠΈ Π±Π»ΠΎΠΊΠΈΡΠΎΠ²ΠΊΠ° Π²ΠΏΡΡΡΠΊΠΈΠ²Π°Π΅ΠΌΠΎΠ³ΠΎ ΠΌΠ°ΡΠ»Π°, Π½Π΅ΠΏΡΠ°Π²ΠΈΠ»ΡΠ½Π°Ρ ΡΡΡΠ°Π½ΠΎΠ²ΠΊΠ° ΠΏΠΎΡΡΠ½Ρ, Π½Π΅ΠΈΡΠΏΡΠ°Π²Π½ΠΎΡΡΠΈ Π² ΡΠΈΡΡΠ΅ΠΌΠ΅ ΠΎΡ Π»Π°ΠΆΠ΄Π΅Π½ΠΈΡ ΠΈ ΠΎΠ³ΡΠ°Π½ΠΈΡΠ΅Π½ΠΈΡ Π»ΠΈΠ½Π΅ΠΉΠ½ΠΎΠΉ ΠΏΠΎΠ²Π΅ΡΡ Π½ΠΎΡΡΠΈ ΠΎΠ±Π»Π°ΡΡΡ ΠΌΠΎΠΆΠ΅Ρ Π²ΡΠ·Π²Π°ΡΡ ΠΏΠ΅ΡΠ΅Π³ΡΠ΅Π². ΠΠ΅ΡΠ΅Π³ΡΠ΅Π² ΠΌΠΎΠΆΠ΅Ρ ΠΏΠΎΠ²ΡΠ΅Π΄ΠΈΡΡ ΠΎΡΠ²Π΅ΡΡΡΠΈΠ΅ Π² Π³ΠΎΠ»ΠΎΠ²ΠΊΠ΅ Π±Π»ΠΎΠΊΠ° ΡΠΈΠ»ΠΈΠ½Π΄ΡΠΎΠ², ΡΡΠΎ ΠΏΠΎΠ²Π»ΠΈΡΠ΅Ρ Π½Π° ΡΠ°Π±ΠΎΡΡ ΠΏΠΎΡΡΠ½Ρ.
2. ΠΠΎΠ»ΠΎΠΌΠΊΠ° Π΄Π½ΠΈΡΠ° ΠΏΠΎΡΡΠ½Ρ — Π½Π΅ΠΈΡΠΏΡΠ°Π²Π½ΡΠ΅ ΡΠΎΡΡΡΠ½ΠΊΠΈ ΠΈ Π½Π΅ΡΡΡΠ΅ΠΊΡΠΈΠ²Π½ΡΠ΅ ΡΠΈΡΡΠ΅ΠΌΡ ΠΎΡ Π»Π°ΠΆΠ΄Π΅Π½ΠΈΡ ΠΌΠΎΠ³ΡΡ ΠΏΡΠΈΠ²Π΅ΡΡΠΈ ΠΊ ΡΠ°ΡΡΡΠ΅ΡΠΊΠΈΠ²Π°Π½ΠΈΡ Π΄Π½ΠΈΡΠ° ΠΏΠΎΡΡΠ½Ρ.
3. Π‘Π»Π΅Π΄Ρ ΡΠ΄Π°ΡΠΎΠ² — Π²ΡΡΡΡΠΏ ΠΏΠΎΡΡΠ½Ρ, ΡΡΠ΅Π·ΠΌΠ΅ΡΠ½Π°Ρ ΠΎΠ±ΡΠ°Π±ΠΎΡΠΊΠ°, Π½Π°Π³Π°Ρ, Π½Π΅Π΄ΠΎΡΡΠ°ΡΠΎΡΠ½ΡΠΉ Π·Π°Π·ΠΎΡ ΠΊΠ»Π°ΠΏΠ°Π½Π° ΠΈ Π½Π΅ΠΏΡΠ°Π²ΠΈΠ»ΡΠ½Π°Ρ Π²ΡΠ΅ΠΌΠΊΠ° ΠΊΠ»Π°ΠΏΠ°Π½Π° ΠΌΠΎΠ³ΡΡ Π²ΡΠ·Π²Π°ΡΡ ΡΠ»Π΅Π΄Ρ ΡΠ΄Π°ΡΠΎΠ².
ΠΠΎΡΡΠ½Π΅Π²ΡΠ΅ ΠΊΠΎΠ»ΡΡΠ°ΠΠΎΡΡΠ½Π΅Π²ΡΠ΅ ΠΊΠΎΠ»ΡΡΠ° ΠΏΠΎΠΌΠΎΠ³Π°ΡΡ Π³Π΅ΡΠΌΠ΅ΡΠΈΠ·ΠΈΡΠΎΠ²Π°ΡΡ ΠΊΠ°ΠΌΠ΅ΡΡ, Π² ΠΊΠΎΡΠΎΡΠΎΠΉ Π΄Π²ΠΈΠΆΡΡΡΡ ΠΏΠΎΡΡΠ½ΠΈ. Π‘ΡΡΠ΅ΡΡΠ²ΡΠ΅Ρ Π½Π΅ΡΠΊΠΎΠ»ΡΠΊΠΎ ΡΠΈΠΏΠΎΠ² ΠΏΠΎΡΡΠ½Π΅Π²ΡΡ ΠΊΠΎΠ»Π΅Ρ, ΠΈΡΠΏΠΎΠ»ΡΠ·ΡΠ΅ΠΌΡΡ Π΄Π»Ρ ΡΠ°Π·Π»ΠΈΡΠ½ΡΡ Π΄Π²ΠΈΠ³Π°ΡΠ΅Π»Π΅ΠΉ, Π° ΠΈΠΌΠ΅Π½Π½ΠΎ:
1. ΠΠΎΠΌΠΏΡΠ΅ΡΡΠΈΠΎΠ½Π½ΡΠ΅ ΠΏΠΎΡΡΠ½Π΅Π²ΡΠ΅ ΠΊΠΎΠ»ΡΡΠ° — ΡΡΠΎΡ ΡΠΈΠΏ Π±ΡΠ» ΡΠ°Π·ΡΠ°Π±ΠΎΡΠ°Π½ Π΄Π»Ρ ΡΠΏΠ»ΠΎΡΠ½Π΅Π½ΠΈΡ Π³Π°Π·ΠΎΠ² ΡΠ³ΠΎΡΠ°Π½ΠΈΡ ΠΈ ΠΏΠ΅ΡΠ΅Π΄Π°ΡΠΈ ΡΠ΅ΠΏΠ»Π° ΠΎΡ ΠΏΠΎΡΡΠ½Ρ ΠΊ ΡΡΠ΅Π½ΠΊΠ°ΠΌ ΠΏΠΎΡΡΠ½Ρ.
2. ΠΡΡΠ·Π΅ΡΡΠ΅ΠΌΠ½ΡΠ΅ ΠΏΠΎΡΡΠ½Π΅Π²ΡΠ΅ ΠΊΠΎΠ»ΡΡΠ° — ΡΡΠΎΡ ΡΠΈΠΏ ΡΠ°ΡΡΠΎ Π½Π°Π·ΡΠ²Π°ΡΡ ΡΠ΅Π·Π΅ΡΠ²Π½ΡΠΌ ΠΊΠΎΠΌΠΏΡΠ΅ΡΡΠΈΠΎΠ½Π½ΡΠΌ ΠΊΠΎΠ»ΡΡΠΎΠΌ ΠΈΠ»ΠΈ ΠΊΠΎΠ»ΡΡΠ°ΠΌΠΈ ΠΠ°ΠΏΡΠ΅, ΠΈ ΠΎΠ½ Π±ΡΠ» ΡΠ°Π·ΡΠ°Π±ΠΎΡΠ°Π½ Π² ΠΊΠ°ΡΠ΅ΡΡΠ²Π΅ ΡΠ΅Π·Π΅ΡΠ²Π½ΠΎΠ³ΠΎ Π΄Π»Ρ ΠΏΡΠ΅Π΄ΠΎΡΠ²ΡΠ°ΡΠ΅Π½ΠΈΡ ΡΡΠ΅ΡΠΊΠΈ ΠΈ ΠΎΠ±Π΅ΡΠΏΠ΅ΡΠ΅Π½ΠΈΡ ΡΠΈΡΡΠΎΡΡ Π»ΠΈΠ½Π΅ΠΉΠ½ΠΎΠΉ ΠΏΠΎΠ²Π΅ΡΡ Π½ΠΎΡΡΠΈ ΠΎΡ ΠΈΠ·Π»ΠΈΡΠΊΠΎΠ² ΠΌΠ°ΡΠ»Π°. ΠΠ½ ΠΈΠΌΠ΅Π΅Ρ Π½Π°ΠΊΠ»ΠΎΠ½Π½ΡΡ ΠΏΠΎΠ²Π΅ΡΡ Π½ΠΎΡΡΡ, ΠΊΠΎΡΠΎΡΠ°Ρ ΠΎΡΠΈΡΠ°Π΅Ρ ΠΈΠ»ΠΈ ΡΠ΄Π°Π»ΡΠ΅Ρ ΠΈΠ·Π»ΠΈΡΠΊΠΈ ΠΌΠ°ΡΠ»Π° Ρ ΠΏΠΎΠ²Π΅ΡΡ Π½ΠΎΡΡΠΈ Π΄Π»Ρ ΠΎΠ±Π΅ΡΠΏΠ΅ΡΠ΅Π½ΠΈΡ ΠΎΠΏΡΠΈΠΌΠ°Π»ΡΠ½ΠΎΠΉ ΡΠ°Π±ΠΎΡΡ Π΄Π²ΠΈΠ³Π°ΡΠ΅Π»Ρ.
3. ΠΠΎΡΡΠ½Π΅Π²ΡΠ΅ ΠΊΠΎΠ»ΡΡΠ° ΡΠΊΡΠ΅Π±ΠΊΠ° — ΡΠ°ΠΊΠΆΠ΅ Π½Π°Π·ΡΠ²Π°Π΅ΠΌΡΠ΅ ΠΌΠ°ΡΠ»ΠΎΡΡΠ΅ΠΌΠ½ΡΠΌΠΈ ΠΊΠΎΠ»ΡΡΠ°ΠΌΠΈ, ΡΠΊΡΠ΅Π±ΠΊΠΎΠ²ΡΠ΅ ΠΊΠΎΠ»ΡΡΠ° ΠΎΡΠ²Π΅ΡΠ°ΡΡ Π·Π° ΡΠ΅Π³ΡΠ»ΠΈΡΠΎΠ²Π°Π½ΠΈΠ΅ ΠΊΠΎΠ»ΠΈΡΠ΅ΡΡΠ²Π° ΠΌΠ°ΡΠ»Π°, ΠΏΡΠΎΡ ΠΎΠ΄ΡΡΠ΅Π³ΠΎ ΠΌΠ΅ΠΆΠ΄Ρ ΡΡΠ΅Π½ΠΊΠ°ΠΌΠΈ ΡΠΈΠ»ΠΈΠ½Π΄ΡΠ°.ΠΠ½ΠΈ ΡΠ°Π²Π½ΠΎΠΌΠ΅ΡΠ½ΠΎ ΡΠ°ΡΠΏΡΠ΅Π΄Π΅Π»ΡΡΡ ΠΌΠ°ΡΠ»ΠΎ ΠΏΠΎ ΠΎΠΊΡΡΠΆΠ½ΠΎΡΡΠΈ Π»ΠΈΠ½Π΅ΠΉΠ½ΠΎΠΉ ΠΏΠΎΠ²Π΅ΡΡ Π½ΠΎΡΡΠΈ. Π£ Π½ΠΈΡ Π΅ΡΡΡ ΠΎΡΠ²Π΅ΡΡΡΠΈΡ Π² ΠΈΡ ΡΠ°Π΄ΠΈΠ°Π»ΡΠ½ΠΎΠΌ ΡΠ΅Π½ΡΡΠ΅, ΡΡΠΎ ΠΏΠΎΠ·Π²ΠΎΠ»ΡΠ΅Ρ ΠΎΡΡΠ°Π±ΠΎΡΠ°Π½Π½ΠΎΠΌΡ ΠΌΠ°ΡΠ»Ρ ΡΡΠ΅ΠΊΠ°ΡΡ ΠΎΠ±ΡΠ°ΡΠ½ΠΎ ΠΊ ΠΊΠΎΠ»Π΅Π½ΡΠ°ΡΠΎΠΌΡ Π²Π°Π»Ρ, Π° Π½Π΅ ΠΊ Π΄ΡΡΠ³ΠΈΠΌ ΡΠ°ΡΡΡΠΌ Π΄Π²ΠΈΠ³Π°ΡΠ΅Π»Ρ.
ΠΠΎΠ΄ Π±Π»ΠΎΠΊΠΎΠΌ Π΄Π²ΠΈΠ³Π°ΡΠ΅Π»Ρ Π½Π°Ρ ΠΎΠ΄ΠΈΡΡΡ ΠΊΠ°ΡΡΠ΅Ρ. Π Π½Π΅ΠΌ Π½Π°Ρ ΠΎΠ΄ΠΈΡΡΡ ΠΊΠΎΠ»Π΅Π½ΡΠ°ΡΡΠΉ Π²Π°Π», ΠΊΠΎΡΠΎΡΡΠΉ ΡΠ²Π»ΡΠ΅ΡΡΡ ΡΠ°ΡΡΡΡ Π΄Π²ΠΈΠ³Π°ΡΠ΅Π»Ρ, ΠΏΡΠ΅ΠΎΠ±ΡΠ°Π·ΡΡΡΠ΅ΠΉ Π»ΠΈΠ½Π΅ΠΉΠ½ΠΎΠ΅ Π΄Π²ΠΈΠΆΠ΅Π½ΠΈΠ΅ ΠΏΠΎΡΡΠ½Ρ Π² ΠΊΡΡΠ³ΠΎΠ²ΠΎΠ΅ Π΄Π²ΠΈΠΆΠ΅Π½ΠΈΠ΅, ΠΊΠΎΡΠΎΡΠΎΠ΅ ΠΏΡΠΈΠ²ΠΎΠ΄ΠΈΡ Π² Π΄Π²ΠΈΠΆΠ΅Π½ΠΈΠ΅ ΠΊΠΎΠ»Π΅ΡΠ°. ΠΠΎΠ»Π΅Π½ΡΠ°ΡΡΠ΅ Π²Π°Π»Ρ ΡΠΏΡΠΎΠ΅ΠΊΡΠΈΡΠΎΠ²Π°Π½Ρ ΡΠ°ΠΊΠΈΠΌ ΠΎΠ±ΡΠ°Π·ΠΎΠΌ, ΡΡΠΎΠ±Ρ Π²ΡΠ΄Π΅ΡΠΆΠΈΠ²Π°ΡΡ Π²ΡΡΠΎΠΊΡΡ ΡΡΠ΅ΠΏΠ΅Π½Ρ ΠΈΠ·Π½ΠΎΡΠ° ΠΈ ΠΏΠΎΡΡΠΎΡΠ½Π½ΡΠ΅ ΠΊΡΡΡΠΈΠ»ΡΠ½ΡΠ΅ ΠΊΠΎΠ»Π΅Π±Π°Π½ΠΈΡ ΠΎΡ ΡΠ΅Π·ΠΊΠΈΡ ΡΡΠΊΠΎΡΠ΅Π½ΠΈΠΉ ΠΈ Π·Π°ΠΌΠ΅Π΄Π»Π΅Π½ΠΈΠΉ.ΠΠΎ ΡΡΠΎΠΉ ΠΏΡΠΈΡΠΈΠ½Π΅ ΠΈΡ Π²ΡΠΊΠΎΠ²ΡΠ²Π°ΡΡ ΠΈΠ· Π½ΠΈΡΡΠΈΠ΄Π½ΠΎΠΉ ΠΈΠ»ΠΈ Π»Π΅Π³ΠΈΡΠΎΠ²Π°Π½Π½ΠΎΠΉ ΡΡΠ°Π»ΠΈ Ρ ΡΠ΅ΡΠΌΠΈΡΠ΅ΡΠΊΠΎΠΉ ΠΎΠ±ΡΠ°Π±ΠΎΡΠΊΠΎΠΉ.
ΠΡΠ½ΠΎΠ²Π½ΡΠ΅ ΠΊΠΎΠΌΠΏΠΎΠ½Π΅Π½ΡΡ ΠΊΠΎΠ»Π΅Π½ΡΠ°ΡΠΎΠ³ΠΎ Π²Π°Π»Π°1. Π¦Π°ΠΏΡΡ — ΡΡΠΎ ΡΠ°ΡΡΠΈ ΠΊΠΎΠ»Π΅Π½ΡΠ°ΡΠΎΠ³ΠΎ Π²Π°Π»Π°, ΠΊΠΎΡΠΎΡΡΠ΅ Π²ΡΠ°ΡΠ°ΡΡΡΡ Π²Π½ΡΡΡΠΈ ΠΏΠΎΠ΄ΡΠΈΠΏΠ½ΠΈΠΊΠ°. Π‘ΡΡΠ΅ΡΡΠ²ΡΠ΅Ρ Π΄Π²Π° ΡΠΈΠΏΠ° ΡΠ΅ΠΉΠΊΠΈ, Π° ΠΈΠΌΠ΅Π½Π½ΠΎ:
- ΠΊΠΎΡΠ΅Π½Π½Π°Ρ ΡΠ΅ΠΉΠΊΠ° ΠΏΠΎΠ΄ΡΠΈΠΏΠ½ΠΈΠΊΠ° — ΡΠ°ΠΊΠΆΠ΅ ΠΈΠ·Π²Π΅ΡΡΠ½Π°Ρ ΠΊΠ°ΠΊ ΠΎΡΠ½ΠΎΠ²Π½Π°Ρ ΠΊΠΎΡΠ΅Π½Π½Π°Ρ ΡΠ΅ΠΉΠΊΠ°; ΠΎΠΏΡΠ΅Π΄Π΅Π»ΡΠ΅Ρ ΠΎΡΡ Π²ΡΠ°ΡΠ΅Π½ΠΈΡ ΠΊΠΎΠ»Π΅Π½ΡΠ°ΡΠΎΠ³ΠΎ Π²Π°Π»Π°
- ΡΠ΅ΠΉΠΊΠ° ΡΠ°ΡΡΠ½Π° — ΡΠ΅ΠΉΠΊΠ° ΡΠ°ΡΡΠ½Π°, ΡΠ°ΡΡΠ½Π½ΡΠ΅ ΡΠ΅ΠΉΠΊΠΈ, ΡΠ°ΡΡΠ½Π½ΡΠ΅ ΡΠ΅ΠΉΠΊΠΈ; ΡΠΎΠ΅Π΄ΠΈΠ½ΡΠ΅ΡΡΡ Ρ Π³ΠΎΠ»ΠΎΠ²ΠΊΠΎΠΉ ΡΠ°ΡΡΠ½Π°
2.Π¨Π°ΡΡΠ½Ρ — Π΄Π΅ΡΠ°Π»ΠΈ, ΡΠΎΠ΅Π΄ΠΈΠ½ΡΡΡΠΈΠ΅ ΡΠ΅ΠΉΠΊΡ ΠΏΠΎΠ΄ΡΠΈΠΏΠ½ΠΈΠΊΠ° Ρ ΡΠ΅ΠΉΠΊΠΎΠΉ ΡΠ°ΡΡΠ½Π°.
3. ΠΡΠΎΡΠΈΠ²ΠΎΠ²Π΅ΡΡ — ΡΡΠΎ Π²ΡΡΡΡΠΏΡ, ΠΊΠΎΡΠΎΡΡΠ΅ ΡΡΠ°Π²Π½ΠΎΠ²Π΅ΡΠΈΠ²Π°ΡΡ ΡΠΈΠ»ΡΠ½ΡΠ΅ ΡΠΈΠ»Ρ, Π΄Π΅ΠΉΡΡΠ²ΡΡΡΠΈΠ΅ Π½Π° ΠΊΠΎΠ»Π΅Π½ΡΠ°ΡΡΠΉ Π²Π°Π».
ΠΠ½ΠΈΠ·Ρ ΠΊΠ°ΡΡΠ΅ΡΠ° Π½Π°Ρ ΠΎΠ΄ΠΈΡΡΡ ΠΌΠ°ΡΠ»ΡΠ½ΡΠΉ ΠΏΠΎΠ΄Π΄ΠΎΠ½, Π² ΠΊΠΎΡΠΎΡΠΎΠΌ ΡΠ°ΡΠΏΠΎΠ»ΠΎΠΆΠ΅Π½ ΠΌΠ°ΡΠ»ΡΠ½ΡΠΉ Π½Π°ΡΠΎΡ. ΠΠ°ΡΠ»ΡΠ½ΡΠΉ Π½Π°ΡΠΎΡ ΡΠ°ΡΡΠΎ Π½Π°Π·ΡΠ²Π°ΡΡ ΡΠ΅ΡΠ΄ΡΠ΅ΠΌ ΡΠΈΡΡΠ΅ΠΌΡ ΡΠΌΠ°Π·ΠΊΠΈ Π΄Π²ΠΈΠ³Π°ΡΠ΅Π»Ρ Π°Π²ΡΠΎΠΌΠΎΠ±ΠΈΠ»Ρ. ΠΠ½ ΠΏΡΠ΅Π΄Π½Π°Π·Π½Π°ΡΠ΅Π½ Π΄Π»Ρ Π·Π°Π±ΠΎΡΠ° ΠΌΠ°ΡΠ»Π° ΠΈ Π΅Π³ΠΎ ΡΠΈΡΠΊΡΠ»ΡΡΠΈΠΈ. ΠΠ½ ΠΏΠΎΠΌΠΎΠ³Π°Π΅Ρ ΡΡΠ°Π±ΠΈΠ»ΠΈΠ·ΠΈΡΠΎΠ²Π°ΡΡ Π΄Π°Π²Π»Π΅Π½ΠΈΠ΅ ΠΌΠ°ΡΠ»Π° ΠΈ ΡΠ΅Π³ΡΠ»ΠΈΡΠΎΠ²Π°ΡΡ ΡΠ΅ΠΌΠΏΠ΅ΡΠ°ΡΡΡΡ Π² Π°Π²ΡΠΎΠΌΠΎΠ±ΠΈΠ»Π΅.ΠΡΠ΅ΠΊΡΠ°ΡΠ΅Π½ΠΈΠ΅ ΡΠ°Π±ΠΎΡΡ ΠΌΠ°ΡΠ»ΡΠ½ΠΎΠ³ΠΎ Π½Π°ΡΠΎΡΠ° ΠΏΡΠ°ΠΊΡΠΈΡΠ΅ΡΠΊΠΈ Π²ΡΠ΅Π³Π΄Π° ΠΏΡΠΈΠ²ΠΎΠ΄ΠΈΡ ΠΊ ΠΏΠΎΠ»Π½ΠΎΠΌΡ Π²ΡΡ ΠΎΠ΄Ρ ΠΈΠ· ΡΡΡΠΎΡ Π΄Π²ΠΈΠ³Π°ΡΠ΅Π»Ρ.
ΠΠ°ΠΊ ΡΠ°Π±ΠΎΡΠ°Π΅Ρ ΠΌΠ°ΡΠ»ΡΠ½ΡΠΉ Π½Π°ΡΠΎΡΠ§Π΅ΡΠ΅Π· ΡΡΡΠ±Ρ, Π½Π°Π·ΡΠ²Π°Π΅ΠΌΡΡ Π²ΡΠ°ΡΡΠ²Π°ΡΡΠ΅ΠΉ ΡΡΡΠ±ΠΎΠΉ, ΠΌΠ°ΡΠ»ΡΠ½ΡΠΉ Π½Π°ΡΠΎΡ ΠΌΠΎΠΆΠ΅Ρ Π²ΡΠ°ΡΡΠ²Π°ΡΡ ΠΌΠ°ΡΠ»ΠΎ. Π‘ΠΎΠΏΠ»ΠΎ ΡΡΠΎΠΉ ΡΡΡΠ±Ρ ΡΠ°ΡΠΏΠΎΠ»ΠΎΠΆΠ΅Π½ΠΎ Π½ΠΈΠΆΠ΅ ΡΡΠΎΠ²Π½Ρ ΠΌΠ°ΡΠ»Π° ΠΈ ΠΎΡΠ½Π°ΡΠ΅Π½ΠΎ ΡΠΈΠ»ΡΡΡΠΎΠΌ, ΠΊΠΎΡΠΎΡΡΠΉ ΠΏΡΠ΅Π΄ΠΎΡΠ²ΡΠ°ΡΠ°Π΅Ρ ΠΏΠΎΠΏΠ°Π΄Π°Π½ΠΈΠ΅ ΡΠ°ΡΡΠΈΡ Π² Π½Π°ΡΠΎΡ. ΠΠ°ΡΠ»ΡΠ½ΡΠ΅ Π½Π°ΡΠΎΡΡ ΡΠ°ΠΊΠΆΠ΅ Π½Π°Π·ΡΠ²Π°ΡΡ Β«ΠΏΠΎΡΡΠ½Π΅Π²ΡΠΌΠΈ Π½Π°ΡΠΎΡΠ°ΠΌΠΈ ΠΏΡΡΠΌΠΎΠ³ΠΎ Π²ΡΡΠ΅ΡΠ½Π΅Π½ΠΈΡΒ», ΠΏΠΎΡΠΎΠΌΡ ΡΡΠΎ ΠΊΠΎΠ»ΠΈΡΠ΅ΡΡΠ²ΠΎ ΠΏΠΎΡΡΡΠΏΠ°ΡΡΠ΅Π³ΠΎ ΠΌΠ°ΡΠ»Π° ΡΠ°Π²Π½ΠΎ ΠΊΠΎΠ»ΠΈΡΠ΅ΡΡΠ²Ρ Π²ΡΡ ΠΎΠ΄ΡΡΠ΅Π³ΠΎ.ΠΠΎΠ»ΠΈΡΠ΅ΡΡΠ²ΠΎ ΠΌΠ°ΡΠ»Π°, ΠΏΠ΅ΡΠ΅ΠΊΠ°ΡΠΈΠ²Π°Π΅ΠΌΠΎΠ³ΠΎ ΠΎΡ ΠΎΠ΄Π½ΠΎΠΉ ΡΠ°ΡΡΠΈ Π΄Π²ΠΈΠ³Π°ΡΠ΅Π»Ρ ΠΊ Π΄ΡΡΠ³ΠΎΠΉ, ΠΏΠΎΠ»Π½ΠΎΡΡΡΡ Π·Π°Π²ΠΈΡΠΈΡ ΠΎΡ ΡΠΊΠΎΡΠΎΡΡΠΈ, ΡΠ°Π·ΠΌΠ΅ΡΠ° ΠΈ ΠΊΠΎΠ½ΡΡΡΡΠΊΡΠΈΠΈ Π½Π°ΡΠΎΡΠ°.
ΠΠ°ΡΠ΅ΠΌ ΡΠΌΠ°Π·ΡΠ²Π°ΡΡ Π΄Π²ΠΈΠ³Π°ΡΠ΅Π»ΠΈΠΠ²ΠΈΠ³Π°ΡΠ΅Π»Ρ ΡΠ»Π΅Π΄ΡΠ΅Ρ ΡΠΌΠ°Π·ΡΠ²Π°ΡΡ ΠΏΠΎ ΡΠ»Π΅Π΄ΡΡΡΠΈΠΌ ΠΏΡΠΈΡΠΈΠ½Π°ΠΌ:
- ΠΠ»Ρ ΠΏΡΠ΅Π΄ΠΎΡΠ²ΡΠ°ΡΠ΅Π½ΠΈΡ ΡΡΠ΅Π½ΠΈΡ ΠΈΠ»ΠΈ Π»ΡΠ±ΠΎΠ³ΠΎ Π΄ΡΡΠ³ΠΎΠ³ΠΎ ΠΈΠ·Π½ΠΎΡΠ° Π²ΡΠ΅Ρ ΡΠΊΠΎΠ»ΡΠ·ΡΡΠΈΡ ΠΊΠΎΠΌΠΏΠΎΠ½Π΅Π½ΡΠΎΠ² Π΄Π²ΠΈΠ³Π°ΡΠ΅Π»Ρ
- ΠΠ»Ρ ΠΎΠ±Π΅ΡΠΏΠ΅ΡΠ΅Π½ΠΈΡ ΠΈΡΠΏΡΠ°Π²Π½ΠΎΡΡΠΈ ΠΊΠΎΠΌΠΏΠΎΠ½Π΅Π½ΡΠΎΠ² Π΄Π²ΠΈΠ³Π°ΡΠ΅Π»Ρ Π΄ΠΎΠ»ΠΆΠ½ΡΠΌ ΠΎΠ±ΡΠ°Π·ΠΎΠΌ ΠΎΡ Π»Π°ΠΆΠ΄Π΅Π½ Π΄Π»Ρ ΠΏΡΠ΅Π΄ΠΎΡΠ²ΡΠ°ΡΠ΅Π½ΠΈΡ ΠΏΠ΅ΡΠ΅Π³ΡΠ΅Π²Π°
- ΠΠ»Ρ Π·Π°ΡΠΈΡΡ Π΄Π²ΠΈΠ³Π°ΡΠ΅Π»Ρ ΠΎΡ ΠΊΠΎΡΡΠΎΠ·ΠΈΠΈ
- ΠΠ»Ρ ΡΠΌΠ΅Π½ΡΡΠ΅Π½ΠΈΡ Π²ΠΈΠ±ΡΠ°ΡΠΈΠΈ ΠΈ ΡΡΠΌΠ°
- ΠΠ»Ρ ΡΠΏΠ»ΠΎΡΠ½Π΅Π½ΠΈΡ ΠΏΠΎΠ²Π΅ΡΡ Π½ΠΎΡΡΠΈ ΠΊΠΎΠ½ΡΠ°ΠΊΡΠ° ΠΌΠ΅ΠΆΠ΄Ρ ΡΡΠ΅Π½ΠΊΠ°ΠΌΠΈ ΡΠΈΠ»ΠΈΠ½Π΄ΡΠ° ΠΈ ΠΏΠΎΡΡΠ½Π΅ΠΌ
Π Π°ΡΠΏΡΠ΅Π΄Π΅Π»ΠΈΡΠ΅Π»ΡΠ½ΡΠΉ Π²Π°Π» ΡΠ°ΡΡΠΎ Π½Π°Π·ΡΠ²Π°ΡΡ ΠΌΠΎΠ·Π³ΠΎΠΌ Π΄Π²ΠΈΠ³Π°ΡΠ΅Π»Ρ, ΠΏΠΎΡΠΎΠΌΡ ΡΡΠΎ ΡΡΠΎ ΡΠ°ΡΡΡ, ΠΊΠΎΡΠΎΡΠ°Ρ ΠΊΠΎΠ½ΡΡΠΎΠ»ΠΈΡΡΠ΅Ρ ΠΊΠΎΠ»ΠΈΡΠ΅ΡΡΠ²ΠΎ Π³ΠΎΡΡΡΠ΅ΠΉ ΡΠΌΠ΅ΡΠΈ, ΠΊΠΎΡΠΎΡΡΡ Π΄Π²ΠΈΠ³Π°ΡΠ΅Π»Ρ ΠΏΡΠΈΠ½ΠΈΠΌΠ°Π΅Ρ ΠΈ Π²ΡΡΠ°Π»ΠΊΠΈΠ²Π°Π΅Ρ.ΠΠ½ ΡΠ°Π±ΠΎΡΠ°Π΅Ρ Ρ ΠΊΠΎΠ»Π΅Π½ΡΠ°ΡΡΠΌ Π²Π°Π»ΠΎΠΌ ΠΈ ΡΠ΅ΠΌΠ½Π΅ΠΌ Π³Π°Π·ΠΎΡΠ°ΡΠΏΡΠ΅Π΄Π΅Π»ΠΈΡΠ΅Π»ΡΠ½ΠΎΠ³ΠΎ ΠΌΠ΅Ρ Π°Π½ΠΈΠ·ΠΌΠ°, ΡΡΠΎΠ±Ρ Π³Π°ΡΠ°Π½ΡΠΈΡΠΎΠ²Π°ΡΡ, ΡΡΠΎ ΠΊΠ»Π°ΠΏΠ°Π½Ρ Π·Π°ΠΊΡΡΠ²Π°ΡΡΡΡ ΠΈ ΠΎΡΠΊΡΡΠ²Π°ΡΡΡΡ Ρ ΡΠΎΡΠ½ΠΎΠΉ ΡΠΈΠ½Ρ ΡΠΎΠ½ΠΈΠ·Π°ΡΠΈΠ΅ΠΉ. Π Π°ΡΠΏΡΠ΅Π΄Π΅Π»ΠΈΡΠ΅Π»ΡΠ½ΡΠ΅ Π²Π°Π»Ρ ΠΎΠ±ΡΡΠ½ΠΎ ΠΈΠ·Π³ΠΎΡΠ°Π²Π»ΠΈΠ²Π°ΡΡ ΠΈΠ· ΡΡΠ³ΡΠ½Π°, ΡΠ΅ΡΠΌΠΎΠΎΠ±ΡΠ°Π±ΠΎΡΠ°Π½Π½ΠΎΠΉ ΠΈΠ»ΠΈ Π°Π·ΠΎΡΠΈΡΠΎΠ²Π°Π½Π½ΠΎΠΉ ΡΡΠ°Π»ΠΈ.
Π¨Π°ΡΡΠ½ — ΡΡΠΎ ΠΆΠ΅ΡΡΠΊΠ°Ρ Π΄Π΅ΡΠ°Π»Ρ, ΠΊΠΎΡΠΎΡΠ°Ρ ΡΠΎΠ΅Π΄ΠΈΠ½ΡΠ΅Ρ ΠΏΠΎΡΡΠ΅Π½Ρ Ρ ΠΊΠΎΠ»Π΅Π½ΡΠ°ΡΡΠΌ Π²Π°Π»ΠΎΠΌ, Π½ΠΎ ΠΏΠΎΠΌΠΈΠΌΠΎ ΡΡΠΎΠΉ ΡΠΎΠ΅Π΄ΠΈΠ½ΠΈΡΠ΅Π»ΡΠ½ΠΎΠΉ ΡΡΠ½ΠΊΡΠΈΠΈ, ΠΎΠ½ ΡΠ°ΠΊΠΆΠ΅ ΠΏΠ΅ΡΠ΅Π΄Π°Π΅Ρ ΠΌΠΎΡΠ½ΠΎΡΡΡ ΠΎΡ ΠΏΠΎΡΡΠ½Ρ ΠΊ ΠΊΠΎΠ»Π΅Π½ΡΠ°ΡΠΎΠΌΡ Π²Π°Π»Ρ.
Π‘ΡΠ΅ΡΠΆΠ½ΠΈ ΠΎΠ±ΡΡΠ½ΠΎ ΠΈΠ·Π³ΠΎΡΠ°Π²Π»ΠΈΠ²Π°ΡΡΡΡ ΠΈΠ· ΠΌΠΈΠΊΡΠΎΠ»Π΅Π³ΠΈΡΠΎΠ²Π°Π½Π½ΠΎΠΉ ΡΡΠ°Π»ΠΈ Π΄Π»Ρ ΠΎΠ±Π΅ΡΠΏΠ΅ΡΠ΅Π½ΠΈΡ Π²ΡΡΠΎΠΊΠΎΠΉ ΠΏΡΠΎΡΠ½ΠΎΡΡΠΈ. ΠΠ½ΠΈ ΡΠ°ΠΊΠΆΠ΅ ΠΌΠΎΠ³ΡΡ Π±ΡΡΡ ΠΈΠ·Π³ΠΎΡΠΎΠ²Π»Π΅Π½Ρ ΠΈΠ· Π²ΡΡΠΎΠΊΠΎΠΊΠ°ΡΠ΅ΡΡΠ²Π΅Π½Π½ΠΎΠ³ΠΎ Π°Π»ΡΠΌΠΈΠ½ΠΈΡ (Π»Π΅Π³ΠΊΠΈΠΉ ΠΈ ΡΠΏΠΎΡΠΎΠ±Π½ΡΠΉ ΠΏΠΎΠ³Π»ΠΎΡΠ°ΡΡ ΡΠΈΠ»ΡΠ½ΡΠ΅ ΡΠ΄Π°ΡΡ) ΠΈΠ»ΠΈ ΡΠΈΡΠ°Π½Π° (Π»Π΅Π³ΠΊΠΈΠΉ ΠΈ Π½Π΅Π²Π΅ΡΠΎΡΡΠ½ΠΎ ΠΏΡΠΎΡΠ½ΡΠΉ Π΄Π»Ρ Π²ΡΡΠΎΠΊΠΎΠΏΡΠΎΠΈΠ·Π²ΠΎΠ΄ΠΈΡΠ΅Π»ΡΠ½ΡΡ Π΄Π²ΠΈΠ³Π°ΡΠ΅Π»Π΅ΠΉ).
ΠΡΠΎΠ±Π»Π΅ΠΌΡ Ρ ΡΠ°ΡΡΠ½Π°ΠΌΠΈΠ¨Π°ΡΡΠ½Ρ ΠΏΠΎΡΡΠΎΡΠ½Π½ΠΎ Π½Π°Ρ ΠΎΠ΄ΡΡΡΡ ΠΏΠΎΠ΄ Π½Π°ΠΏΡΡΠΆΠ΅Π½ΠΈΠ΅ΠΌ, ΠΊΠΎΡΠΎΡΠΎΠ΅ ΠΏΡΠΎΠ΄ΠΎΠ»ΠΆΠ°Π΅Ρ ΡΠ²Π΅Π»ΠΈΡΠΈΠ²Π°ΡΡΡΡ ΠΏΠΎ ΠΌΠ΅ΡΠ΅ ΡΠ²Π΅Π»ΠΈΡΠ΅Π½ΠΈΡ ΡΠΊΠΎΡΠΎΡΡΠΈ Π΄Π²ΠΈΠ³Π°ΡΠ΅Π»Ρ. ΠΠ½ΠΈ ΠΏΠΎΠ΄Π²Π΅ΡΠΆΠ΅Π½Ρ ΡΠ°ΡΡΡΠΆΠ΅Π½ΠΈΡ ΠΈ ΡΠΆΠ°ΡΠΈΡ. ΠΠ±ΡΡΠ½ΡΠΉ Π²ΡΡ ΠΎΠ΄ ΠΈΠ· ΡΡΡΠΎΡ ΡΡΠ΅ΡΠΆΠ½Ρ, Π½Π°Π·ΡΠ²Π°Π΅ΠΌΡΠΉ Β«Π²ΡΠ±ΡΠΎΡΠΎΠΌ ΡΡΠ΅ΡΠΆΠ½ΡΒ», ΠΌΠΎΠΆΠ΅Ρ Π΄Π°ΠΆΠ΅ ΠΏΡΠΈΠ²Π΅ΡΡΠΈ ΠΊ ΠΎΡΠΊΠ°Π·Ρ Π΄Π²ΠΈΠ³Π°ΡΠ΅Π»Ρ.
ΠΠ»Π°ΠΏΠ°Π½Ρ — ΡΡΠΎ ΡΠ°ΡΡΠΈ Π΄Π²ΠΈΠ³Π°ΡΠ΅Π»Ρ, ΠΊΠΎΡΠΎΡΡΠ΅ ΠΏΠΎΠ·Π²ΠΎΠ»ΡΡΡ Π³ΠΎΡΡΡΠ΅ΠΉ ΡΠΌΠ΅ΡΠΈ ΠΏΠΎΡΡΡΠΏΠ°ΡΡ Π² ΡΠΈΡΡΠ΅ΠΌΡ ΠΈ Π²ΡΡ ΠΎΠ΄ΠΈΡΡ ΠΈΠ· Π½Π΅Π΅. ΠΠΏΡΡΠΊΠ½ΡΠ΅ ΠΊΠ»Π°ΠΏΠ°Π½Ρ ΠΎΡΠΊΡΡΠ²Π°ΡΡΡΡ Π΄Π»Ρ Π²ΠΏΡΡΠΊΠ° ΡΠΎΠΏΠ»ΠΈΠ²Π½ΠΎ-Π²ΠΎΠ·Π΄ΡΡΠ½ΠΎΠΉ ΡΠΌΠ΅ΡΠΈ, Π° Π²ΡΠΏΡΡΠΊΠ½ΡΠ΅ ΠΊΠ»Π°ΠΏΠ°Π½Ρ ΠΏΠΎΠ·Π²ΠΎΠ»ΡΡΡ ΡΠ³ΠΎΡΠ΅Π²ΡΠ΅ΠΌΡ Π³Π°Π·Ρ ΡΠ»Π΅ΡΡΡΠΈΠ²Π°ΡΡΡΡ.ΠΠ»Π°ΠΏΠ°Π½Ρ Π΄ΠΎΠ»ΠΆΠ½Ρ ΠΎΡΠΊΡΡΠ²Π°ΡΡΡΡ ΠΈ Π·Π°ΠΊΡΡΠ²Π°ΡΡΡΡ Ρ ΡΠΎΡΠ½ΠΎΠΉ ΡΠΈΠ½Ρ ΡΠΎΠ½ΠΈΠ·Π°ΡΠΈΠ΅ΠΉ, ΡΡΠΎΠ±Ρ ΠΎΠ±Π΅ΡΠΏΠ΅ΡΠΈΡΡ ΠΎΠΏΡΠΈΠΌΠ°Π»ΡΠ½ΡΡ ΡΠ°Π±ΠΎΡΡ Π΄Π²ΠΈΠ³Π°ΡΠ΅Π»Ρ.
Π¦ΠΈΠ»ΠΈΠ½Π΄Ρ ΠΎΠ±ΡΡΠ½ΠΎ ΠΈΠΌΠ΅Π΅Ρ ΠΎΠ΄ΠΈΠ½ Π²ΠΏΡΡΠΊΠ½ΠΎΠΉ ΠΈ ΠΎΠ΄ΠΈΠ½ Π²ΡΠΏΡΡΠΊΠ½ΠΎΠΉ ΠΊΠ»Π°ΠΏΠ°Π½, Π½ΠΎ Π½Π΅ΡΠ΅Π΄ΠΊΠΈ ΡΠ»ΡΡΠ°ΠΈ, ΠΊΠΎΠ³Π΄Π° Π² Π½Π΅ΠΊΠΎΡΠΎΡΡΡ Π°Π²ΡΠΎΠΌΠΎΠ±ΠΈΠ»ΡΡ Π΅ΡΡΡ ΠΌΠ½ΠΎΠ³ΠΎΠΊΠ»Π°ΠΏΠ°Π½Π½ΡΠ΅ ΡΠΈΠ»ΠΈΠ½Π΄ΡΡ, ΠΎΡΠΎΠ±Π΅Π½Π½ΠΎ Π΄Π»Ρ Π²ΡΡΠΎΠΊΠΎΠΏΡΠΎΠΈΠ·Π²ΠΎΠ΄ΠΈΡΠ΅Π»ΡΠ½ΡΡ Π°Π²ΡΠΎΠΌΠΎΠ±ΠΈΠ»Π΅ΠΉ. ΠΡΠΏΠΎΠ»ΡΠ·ΠΎΠ²Π°Π½ΠΈΠ΅ ΠΌΠ½ΠΎΠ³ΠΎΠΊΠ»Π°ΠΏΠ°Π½Π½ΡΡ ΡΠΈΡΡΠ΅ΠΌ ΠΏΠΎΠ·Π²ΠΎΠ»ΡΠ΅Ρ Π΄Π²ΠΈΠ³Π°ΡΠ΅Π»ΡΠΌ Β«Π΄ΡΡΠ°ΡΡΒ» ΠΈ ΡΠ°Π±ΠΎΡΠ°ΡΡ Π»ΡΡΡΠ΅.
ΠΠΎΠ»ΠΎΠ²ΠΊΠ° Π±Π»ΠΎΠΊΠ° ΡΠΈΠ»ΠΈΠ½Π΄ΡΠΎΠ² — ΡΡΠΎ ΠΌΠ΅ΡΠ°Π»Π»ΠΈΡΠ΅ΡΠΊΠ°Ρ Π΄Π΅ΡΠ°Π»Ρ, ΡΠ°ΡΠΏΠΎΠ»ΠΎΠΆΠ΅Π½Π½Π°Ρ Π² Π²Π΅ΡΡ Π½Π΅ΠΉ ΡΠ°ΡΡΠΈ ΡΠΈΠ»ΠΈΠ½Π΄ΡΠΎΠ² Ρ ΠΎΡΠ»ΠΈΡΡΠΌΠΈ Π½Π° Π½Π΅ΠΉ ΠΊΡΡΠ³Π»ΡΠΌΠΈ Π²ΡΠ΅ΠΌΠΊΠ°ΠΌΠΈ. ΠΠ΄Π΅ΡΡ ΡΡΡΠ°Π½Π°Π²Π»ΠΈΠ²Π°ΡΡΡΡ ΠΊΠ»Π°ΠΏΠ°Π½Ρ, ΡΠΎΠΏΠ»ΠΈΠ²Π½ΡΠ΅ ΡΠΎΡΡΡΠ½ΠΊΠΈ ΠΈ ΡΠ²Π΅ΡΠΈ Π·Π°ΠΆΠΈΠ³Π°Π½ΠΈΡ.ΠΡΠΈ ΠΏΡΠΎΠΈΠ·Π²ΠΎΠ΄ΡΡΠ²Π΅ Π³ΠΎΠ»ΠΎΠ²ΠΎΠΊ ΡΠΈΠ»ΠΈΠ½Π΄ΡΠΎΠ² ΠΎΠ±ΡΡΠ½ΠΎ ΠΈΡΠΏΠΎΠ»ΡΠ·ΡΠ΅ΡΡΡ ΡΡΠ³ΡΠ½, ΠΏΠΎΡΠΎΠΌΡ ΡΡΠΎ ΠΎΠ½ ΠΏΡΠΎΡΠ½ΡΠΉ ΠΈ Π½Π΅Π΄ΠΎΡΠΎΠ³ΠΎΠΉ. ΠΠ±ΡΠ°ΡΠ½ΠΎΠΉ ΡΡΠΎΡΠΎΠ½ΠΎΠΉ ΡΠ²Π»ΡΠ΅ΡΡΡ Π½ΠΈΠ·ΠΊΠ°Ρ ΡΡΡΠ΅ΠΊΡΠΈΠ²Π½ΠΎΡΡΡ ΡΠ°ΡΡΠ΅ΠΈΠ²Π°Π½ΠΈΡ ΡΠ΅ΠΏΠ»Π°. ΠΠΎ ΡΡΠΎΠΉ ΠΏΡΠΈΡΠΈΠ½Π΅ Π±ΠΎΠ»ΡΡΠΈΠ½ΡΡΠ²ΠΎ ΠΏΡΠΎΠΈΠ·Π²ΠΎΠ΄ΠΈΡΠ΅Π»Π΅ΠΉ Π°Π²ΡΠΎΠΌΠΎΠ±ΠΈΠ»ΡΠ½ΡΡ Π΄Π²ΠΈΠ³Π°ΡΠ΅Π»Π΅ΠΉ ΠΏΡΠ΅Π΄ΠΏΠΎΡΠΈΡΠ°ΡΡ ΠΈΡΠΏΠΎΠ»ΡΠ·ΠΎΠ²Π°ΡΡ Π°Π»ΡΠΌΠΈΠ½ΠΈΠ΅Π²ΡΠ΅ Π³ΠΎΠ»ΠΎΠ²ΠΊΠΈ Π±Π»ΠΎΠΊΠ° ΡΠΈΠ»ΠΈΠ½Π΄ΡΠΎΠ², ΠΊΠΎΡΠΎΡΡΠ΅ Π»Π΅Π³ΡΠ΅ ΠΈ ΡΡΡΠ΅ΠΊΡΠΈΠ²Π½Π΅Π΅ ΡΠ°ΡΡΠ΅ΠΈΠ²Π°ΡΡ ΡΠ΅ΠΏΠ»ΠΎ, ΠΎΡΠΎΠ±Π΅Π½Π½ΠΎ Π΄Π»Ρ Π²ΡΡΠΎΠΊΠΎΠΏΡΠΎΠΈΠ·Π²ΠΎΠ΄ΠΈΡΠ΅Π»ΡΠ½ΡΡ Π°Π²ΡΠΎΠΌΠΎΠ±ΠΈΠ»Π΅ΠΉ, ΡΠ°ΠΊΠΈΡ ΠΊΠ°ΠΊ Π³ΠΎΠ½ΠΎΡΠ½ΡΠ΅ Π°Π²ΡΠΎΠΌΠΎΠ±ΠΈΠ»ΠΈ ΠΈ Π΄ΡΡΠ³ΠΈΠ΅ Π±ΡΡΡΡΡΠ΅ Π°Π²ΡΠΎΠΌΠΎΠ±ΠΈΠ»ΠΈ.
Π€ΡΠ½ΠΊΡΠΈΠΈ Π³ΠΎΠ»ΠΎΠ²ΠΊΠΈ Π±Π»ΠΎΠΊΠ° ΡΠΈΠ»ΠΈΠ½Π΄ΡΠΎΠ²ΠΠ΅ΠΊΠΎΡΠΎΡΡΠ΅ ΠΈΠ· ΠΎΡΠ½ΠΎΠ²Π½ΡΡ ΡΡΠ½ΠΊΡΠΈΠΉ Π³ΠΎΠ»ΠΎΠ²ΠΊΠΈ Π±Π»ΠΎΠΊΠ° ΡΠΈΠ»ΠΈΠ½Π΄ΡΠΎΠ² Π²ΠΊΠ»ΡΡΠ°ΡΡ ΡΠ»Π΅Π΄ΡΡΡΠ΅Π΅:
- ΡΠΏΠ»ΠΎΡΠ½ΡΠ΅Ρ ΠΊΠ°ΠΌΠ΅ΡΡ ΡΠ³ΠΎΡΠ°Π½ΠΈΡ
- Π΄Π΅ΠΉΡΡΠ²ΡΠ΅Ρ ΠΊΠ°ΠΊ ΠΊΠ°Π½Π°Π», ΠΏΠΎΠ·Π²ΠΎΠ»ΡΡΡΠΈΠΉ ΡΠΌΠ΅ΡΠΈ ΡΠ΅ΠΊΡΡΠΈΡ ΡΡΠ΅Π΄ Π΄ΠΎΡΡΠΈΡΡ ΠΊΠ°ΠΌΠ΅ΡΡ ΡΠ³ΠΎΡΠ°Π½ΠΈΡ. ΠΎΡ Π»Π°ΠΆΠ΄Π°ΡΡΠ°Ρ ΠΆΠΈΠ΄ΠΊΠΎΡΡΡ Π΄Π»Ρ ΠΎΡΠ²ΠΎΠ΄Π° ΡΠ΅ΠΏΠ»Π°
ΠΠ΅ΡΠ΅Π³ΡΠ΅Π² Π΄Π²ΠΈΠ³Π°ΡΠ΅Π»Ρ Π²ΡΠ·ΡΠ²Π°Π΅Ρ ΠΌΠ½ΠΎΠΆΠ΅ΡΡΠ²ΠΎ ΠΏΡΠΎΠ±Π»Π΅ΠΌ.ΠΡΠΎ ΠΌΠΎΠΆΠ΅Ρ ΠΏΡΠΈΠ²Π΅ΡΡΠΈ ΠΊ ΡΠ°ΡΡΡΠ΅ΡΠΊΠΈΠ²Π°Π½ΠΈΡ ΠΈΠ»ΠΈ ΠΏΠΎΠ²ΡΠ΅ΠΆΠ΄Π΅Π½ΠΈΡ Π³ΠΎΠ»ΠΎΠ²ΠΊΠΈ Π±Π»ΠΎΠΊΠ° ΡΠΈΠ»ΠΈΠ½Π΄ΡΠΎΠ². Π’ΡΠ΅ΡΠΈΠ½Π° ΠΌΠΎΠΆΠ΅Ρ Π²ΡΠ·Π²Π°ΡΡ ΠΏΡΠΎΡΠ°ΡΠΈΠ²Π°Π½ΠΈΠ΅ ΠΌΠ°ΡΠ»Π° Π² ΠΊΠ°ΠΌΠ΅ΡΡ ΡΠ³ΠΎΡΠ°Π½ΠΈΡ ΠΈ ΠΏΠΎΠ²Π»ΠΈΡΡΡ Π½Π° ΡΠ°Π±ΠΎΡΡ Π΄Π²ΠΈΠ³Π°ΡΠ΅Π»Ρ. ΠΠΎΠ³Π΄Π° ΡΡΠΎ ΠΏΡΠΎΠΈΠ·ΠΎΠΉΠ΄Π΅Ρ, Π²ΠΎΠ·Π½ΠΈΠΊΠ½Π΅Ρ Π½Π΅ΠΎΠ±Ρ ΠΎΠ΄ΠΈΠΌΠΎΡΡΡ Π·Π°ΠΌΠ΅Π½ΠΈΡΡ ΠΈΠ»ΠΈ Π·Π°ΠΌΠ΅Π½ΠΈΡΡ Π΄Π²ΠΈΠ³Π°ΡΠ΅Π»Ρ, ΡΡΠΎ ΠΎΠ±ΠΎΠΉΠ΄Π΅ΡΡΡ Π΄ΠΎΡΠΎΠ³ΠΎ.
ΠΠΎ ΠΌΠ΅ΡΠ΅ ΡΠΎΠ³ΠΎ, ΠΊΠ°ΠΊ Π²Ρ Π·Π½Π°ΠΊΠΎΠΌΠΈΡΠ΅ΡΡ Ρ ΠΊΠ°ΠΆΠ΄ΠΎΠΉ ΡΠ°ΡΡΡΡ, ΠΎΠ±ΡΡΠΆΠ΄Π°Π΅ΠΌΠΎΠΉ Π² ΡΡΠΎΠΉ ΡΡΠ°ΡΡΠ΅ ΠΈ Π΄ΡΡΠ³ΠΈΡ ΡΡΡΠ»ΠΊΠ°Ρ , Π±ΡΠ»ΠΎ Π±Ρ Π½Π΅ΠΏΠ»ΠΎΡ ΠΎ Π²ΡΠΏΠΎΠΌΠ½ΠΈΡΡ, ΡΡΠΎ ΡΠΊΠ°Π·Π°Π» ΠΡΠΈΡΡΠΎΡΠ΅Π»Ρ. Π¦Π΅Π»ΠΎΠ΅ — ΡΡΠΎ, ΡΠ°ΠΊ ΡΠΊΠ°Π·Π°ΡΡ, Π±ΠΎΠ»ΡΡΠ΅, ΡΠ΅ΠΌ ΡΡΠΌΠΌΠ° Π΅Π³ΠΎ ΡΠ°ΡΡΠ΅ΠΉ. ΠΠ°ΠΉΠ΄ΠΈΡΠ΅ Π²ΡΠ΅ΠΌΡ, ΡΡΠΎΠ±Ρ ΡΠ·Π½Π°ΡΡ, ΠΊΠ°ΠΊ ΠΎΠ΄ΠΈΠ½ ΠΊΠΎΠΌΠΏΠΎΠ½Π΅Π½Ρ, Π½Π΅Π·Π°Π²ΠΈΡΠΈΠΌΠΎ ΠΎΡ ΡΠΎΠ³ΠΎ, Π½Π°ΡΠΊΠΎΠ»ΡΠΊΠΎ ΠΎΠ½ ΠΊΠ°ΠΆΠ΅ΡΡΡ ΠΌΠ°Π»Π΅Π½ΡΠΊΠΈΠΌ ΠΈΠ»ΠΈ Π½Π΅Π²Π°ΠΆΠ½ΡΠΌ, Π²Π»ΠΈΡΠ΅Ρ Π½Π° Π²Π΅ΡΡ Π΄Π²ΠΈΠ³Π°ΡΠ΅Π»Ρ.
Π‘ΠΏΠ°ΡΠΈΠ±ΠΎ, ΡΡΠΎ Π½Π°ΡΠ»ΠΈ Π²ΡΠ΅ΠΌΡ ΠΏΡΠΎΡΠΈΡΠ°ΡΡ ΡΡΡ ΡΡΠ°ΡΡΡ. ΠΡΠ»ΠΈ Π²Ρ Π½Π°ΡΠ»ΠΈ ΡΡΠΎ ΠΏΠΎΠ»Π΅Π·Π½ΡΠΌ ΠΈΠ»ΠΈ Ρ Π²Π°Ρ Π΅ΡΡΡ Π²ΠΎΠΏΡΠΎΡΡ, ΡΠΎΠΎΠ±ΡΠΈΡΠ΅ ΠΌΠ½Π΅ ΠΎΠ± ΡΡΠΎΠΌ ΠΏΠΎ ΡΠ»Π΅ΠΊΡΡΠΎΠ½Π½ΠΎΠΉ ΠΏΠΎΡΡΠ΅ [email protected]. ΠΡ ΡΠ°ΠΊΠΆΠ΅ ΠΌΠΎΠΆΠ΅ΡΠ΅ ΠΏΡΠΎΡΠΈΡΠ°ΡΡ ΠΌΠΎΡ Π΄ΡΡΠ³ΡΡ ΡΡΠ°ΡΡΡ ΠΎ ΡΠΎΠΌ, ΠΊΠ°ΠΊ Π°Π²ΡΠΎΠΌΠΎΠ±ΠΈΠ»Ρ ΡΠ°Π±ΠΎΡΠ°Π΅Ρ ΠΎΡ Π Π΄ΠΎ Π―!
ΠΡΠ·Π΅ΠΉ ΠΈΡΡΠΎΠ½ΡΠΊΠΎΠ³ΠΎ ΠΊΠΎΠ»ΡΡΠ° | Π£ΡΡΡΠΎΠΉΡΡΠ²ΠΎ ΠΈ ΡΠ°Π±ΠΎΡΠ° Π΄Π²ΠΈΠ³Π°ΡΠ΅Π»Ρ
Π£ΡΡΡΠΎΠΉΡΡΠ²ΠΎ ΠΈ ΡΠ°Π±ΠΎΡΠ° Π΄Π²ΠΈΠ³Π°ΡΠ΅Π»Ρ
ΠΠΎΠ½ΡΡΡΡΠΊΡΠΈΡ Π΄Π²ΠΈΠ³Π°ΡΠ΅Π»Ρ
ΠΡΠ»ΠΈ Π²Ρ ΠΊΠΎΠ³Π΄Π°-Π»ΠΈΠ±ΠΎ Π·Π°Π³Π»ΡΠ΄ΡΠ²Π°Π»ΠΈ ΠΏΠΎΠ΄ ΠΊΠ°ΠΏΠΎΡ ΡΠΎΠ²ΡΠ΅ΠΌΠ΅Π½Π½ΠΎΠ³ΠΎ Π»Π΅Π³ΠΊΠΎΠ²ΠΎΠ³ΠΎ Π°Π²ΡΠΎΠΌΠΎΠ±ΠΈΠ»Ρ, Π²Ρ ΡΠΆΠ΅ Π·Π½Π°Π΅ΡΠ΅, ΡΡΠΎ ΡΠΎΠ²ΡΠ΅ΠΌΠ΅Π½Π½ΡΠ΅ Π°Π²ΡΠΎΠΌΠΎΠ±ΠΈΠ»ΡΠ½ΡΠ΅ Π΄Π²ΠΈΠ³Π°ΡΠ΅Π»ΠΈ ΡΠΊΡΡΡΡ ΠΏΠΎΠ΄ ΠΊΠΎΠΆΡΡ Π°ΠΌΠΈ, ΠΊΠΎΠΆΡΡ Π°ΠΌΠΈ, ΠΏΡΠΎΠ²ΠΎΠ΄Π°ΠΌΠΈ, ΡΠ»Π°Π½Π³Π°ΠΌΠΈ ΠΈ ΡΠ»ΠΎΠΆΠ½ΡΠΌΠΈ ΡΠΈΡΡΠ΅ΠΌΠ°ΠΌΠΈ ΡΠΏΡΠ°Π²Π»Π΅Π½ΠΈΡ, ΠΊΠΎΡΠΎΡΡΠ΅ Π½Π΅ ΠΏΠΎΠ·Π²ΠΎΠ»ΡΡΡ ΡΠ²ΠΈΠ΄Π΅ΡΡ Π²Π½ΡΡΡΠ΅Π½Π½ΡΡ ΡΠ°Π±ΠΎΡΡ Π΄Π²ΠΈΠ³Π°ΡΠ΅Π»Ρ (ΡΡΡΡΠΊΡΡΡΡ) .
Π§ΡΠΎΠ±Ρ ΠΎΠ±Π»Π΅Π³ΡΠΈΡΡ ΠΏΠΎΠ½ΠΈΠΌΠ°Π½ΠΈΠ΅ ΡΡΠΎΠΉ ΠΊΠΎΠ½ΡΡΡΡΠΊΡΠΈΠΈ, ΠΌΡ ΠΏΡΠ΅Π΄ΡΡΠ°Π²ΠΈΠ»ΠΈ ΡΠΈΡΡΠ½ΠΎΠΊ, Π½Π° ΠΊΠΎΡΠΎΡΠΎΠΌ ΠΏΠΎΠΊΠ°Π·Π°Π½Ρ ΠΎΡΠ½ΠΎΠ²Π½ΡΠ΅ Π΄Π²ΠΈΠΆΡΡΠΈΠ΅ΡΡ ΡΠ°ΡΡΠΈ Π΄Π²ΠΈΠ³Π°ΡΠ΅Π»Ρ ΡΠΎΠ²ΡΠ΅ΠΌΠ΅Π½Π½ΠΎΠ³ΠΎ Π»Π΅Π³ΠΊΠΎΠ²ΠΎΠ³ΠΎ Π°Π²ΡΠΎΠΌΠΎΠ±ΠΈΠ»Ρ.
ΠΠΎΠΌΠ΅ΡΡΠΈΡΠ΅ ΠΊΡΡΡΠΎΡ ΠΌΡΡΠΈ Π½Π° ΠΊΠ°ΠΆΠ΄ΠΎΠ΅ ΠΈΠ· Π½Π°Π·Π²Π°Π½ΠΈΠΉ ΠΊΠΎΠΌΠΏΠΎΠ½Π΅Π½ΡΠΎΠ².
Π¨Π΅ΡΡΠ΅ΡΠ½Ρ ΡΠ°ΡΠΏΡΠ΅Π΄Π΅Π»ΠΈΡΠ΅Π»ΡΠ½Π°Ρ
Π Π΅ΠΌΠ΅Π½Ρ ΠΠ Π
Π Π°ΡΠΏΡΠ΅Π΄Π²Π°Π»
ΠΠΎΡΡΠ΅Π½Ρ
Π¨Π°ΡΡΠ½
ΠΠΎΠ»Π΅Π½ΡΠ°ΡΡΠΉ Π²Π°Π»
ΠΡΡΡΠΊΠ° ΠΏΠΎΠ΄ΡΠΈΠΏΠ½ΠΈΠΊΠ°
Π‘ΡΠ°ΡΡΠ΅Ρ
ΠΠ°Ρ ΠΎΠ²ΠΈΠΊ
ΠΠ»Π°ΠΏΠ°Π½
ΠΡΡΠΆΠΈΠ½Π° ΠΊΠ»Π°ΠΏΠ°Π½Π°
Π¦ΠΈΡΠΈΡΡΠ΅ΡΡΡ ΠΈΠ· «Enjin ha kounatteiru γ¨ γ³ γΈ γ³ γ― γ γ γͺ γ£ γ¦ γ γ» (Grand Prix BOOK PUBLISHING CO.ΠΠΠ,)
Π Π°Π±ΠΎΡΠ° Π΄Π²ΠΈΠ³Π°ΡΠ΅Π»Ρ
ΠΡ Π½Π°ΡΠ½Π΅ΠΌ ΠΎΠ±ΡΡΡΠ½Π΅Π½ΠΈΠ΅ Π±Π°Π·ΠΎΠ²ΠΎΠΉ ΡΠ°Π±ΠΎΡΡ Π΄Π²ΠΈΠ³Π°ΡΠ΅Π»Ρ Ρ ΡΠ°ΡΡΠΌΠΎΡΡΠ΅Π½ΠΈΡ ΡΠ΅ΡΡΡΠ΅Ρ ΡΠ°ΠΊΡΠ½ΠΎΠ³ΠΎ ΡΠ°Π±ΠΎΡΠ΅Π³ΠΎ ΡΠΈΠΊΠ»Π° Π΄Π²ΠΈΠ³Π°ΡΠ΅Π»Ρ. ΠΡΠΈ ΡΠ΅ΡΡΡΠ΅ ΡΠ°ΠΊΡΠ° ΠΎΠ±ΡΡΠ½ΠΎ Π½Π°Π·ΡΠ²Π°ΡΡΡΡ (1) ΡΠ°ΠΊΡΠΎΠΌ Π²ΠΏΡΡΠΊΠ°, (2) ΡΠ°ΠΊΡΠΎΠΌ ΡΠΆΠ°ΡΠΈΡ, (3) ΡΠ°ΠΊΡΠΎΠΌ ΡΠ³ΠΎΡΠ°Π½ΠΈΡ (ΡΠ°ΡΡΠΈΡΠ΅Π½ΠΈΡ) ΠΈ (4) ΡΠ°ΠΊΡΠΎΠΌ Π²ΡΠΏΡΡΠΊΠ°.
ΠΠ°Π²Π°ΠΉΡΠ΅ ΠΏΠΎΡΠΌΠΎΡΡΠΈΠΌ, ΠΊΠ°ΠΊ ΡΠ°Π±ΠΎΡΠ°Π΅Ρ ΡΠΈΠΏΠΈΡΠ½ΡΠΉ ΡΠ΅ΡΡΡΠ΅Ρ ΡΠ°ΠΊΡΠ½ΡΠΉ Π΄Π²ΠΈΠ³Π°ΡΠ΅Π»Ρ.
Π¦ΠΈΡΠΈΡΡΠ΅ΡΡΡ ΠΈΠ· «Enjin ha kounatteiru γ¨ γ³ γΈ γ³ γ― γ γ γͺ γ£ γ¦ γ γ» (Grand Prix BOOK PUBLISHING CO.


ΠΡΠΎ Π²ΡΠ·ΡΠ²Π°Π΅Ρ Π²Π·ΡΡΠ², ΠΏΠΎΠ΄ Π΄Π΅ΠΉΡΡΠ²ΠΈΠ΅ΠΌ ΠΊΠΎΡΠΎΡΠΎΠ³ΠΎ ΠΏΠΎΡΡΠ΅Π½Ρ Π²Π½ΠΎΠ²Ρ Π΄Π²ΠΈΠΆΠ΅ΡΡΡ Π²Π½ΠΈΠ·.

ΠΠ·Π½ΠΎΡ ΡΠ²Π΅ΡΠ΅ΠΉ Π·Π°ΠΆΠΈΠ³Π°Π½ΠΈΡ ΠΈΠ»ΠΈ ΠΏΡΠΎΠ²ΠΎΠ΄ΠΎΠ² ΠΊ ΡΠ²Π΅ΡΠ°ΠΌ Π·Π°ΠΆΠΈΠ³Π°Π½ΠΈΡ. ΠΠ±ΡΡΠ² ΠΈΠ»ΠΈ ΡΡΠ΅ΡΡ ΠΏΡΠΎΠ²ΠΎΠ΄Π°. ΠΠ΅ΠΏΡΠ°Π²ΠΈΠ»ΡΠ½ΠΎ Π²ΡΡΡΠ°Π²Π»Π΅Π½ΠΎ Π·Π°ΠΆΠΈΠ³Π°Π½ΠΈΠ΅, Ρ.Π΅. ΠΈΡΠΊΡΠ° ΠΏΠΎΠ΄Π°Π΅ΡΡΡ ΡΠ»ΠΈΡΠΊΠΎΠΌ ΡΠ°Π½ΠΎ ΠΈΠ»ΠΈ ΡΠ»ΠΈΡΠΊΠΎΠΌ ΠΏΠΎΠ·Π΄Π½ΠΎ.
ΠΠΎΡΡΠ΅Π½Ρ Π΄Π²ΠΈΠΆΠ΅ΡΡΡ ΠΊ ΠΠΠ’, ΠΎΠ±Π° ΠΊΠ»Π°ΠΏΠ°Π½Π° Π·Π°ΠΊΡΡΡΡ, ΡΠ°Π±ΠΎΡΠ°Ρ ΡΠΌΠ΅ΡΡ Π² ΡΠΈΠ»ΠΈΠ½Π΄ΡΠ΅ ΡΠΆΠΈΠΌΠ°Π΅ΡΡΡ, Π° ΡΠΆΠ°ΡΠΈΠ΅ ΡΠΎΠΏΡΠΎΠ²ΠΎΠΆΠ΄Π°Π΅ΡΡΡ ΠΏΠΎΠ²ΡΡΠ΅Π½ΠΈΠ΅ΠΌ Π΄Π°Π²Π»Π΅Π½ΠΈΡ (1,2β1,7 ΠΠΠ°) ΠΈ ΡΠ΅ΠΌΠΏΠ΅ΡΠ°ΡΡΡΡ (300-400Β ΒΊΠ‘).
Π ΡΠ°ΠΊΠΈΡ
Π΄Π²ΠΈΠ³Π°ΡΠ΅Π»ΡΡ
ΠΌΠΎΠΆΠ΅Ρ ΠΈΡΠΏΠΎΠ»ΡΠ·ΠΎΠ²Π°ΡΡΡΡ ΡΠΆΠ°ΡΡΠΉ ΠΈΠ»ΠΈ ΡΠΆΠΈΠΆΠ΅Π½Π½ΡΠΉ Π³Π°Π·. Π’Π°ΠΊΠΈΠ΅ Π³Π°Π·Ρ ΠΏΠΎΠ»ΡΡΠ°ΡΡ Ρ ΠΏΠΎΠΌΠΎΡΡΡ ΠΏΡΠ΅ΠΎΠ±ΡΠ°Π·ΠΎΠ²Π°Π½ΠΈΡ Π΄Π΅ΡΠ΅Π²Π°, ΡΠ³Π»Ρ Π»ΠΈΠ±ΠΎ ΡΠΎΡΡΠ° Π² Π³Π°Π·ΠΎΠΎΠ±ΡΠ°Π·Π½ΠΎΠ΅ ΡΠΎΠΏΠ»ΠΈΠ²ΠΎ.
Π ΡΠ΅ΡΡΡΠ΅Ρ
ΡΠΈΠ»ΠΈΠ½Π΄ΡΠΎΠ²ΡΡ
Π΄Π²ΠΈΠ³Π°ΡΠ΅Π»ΡΡ
ΡΠΈΠ»ΠΈΠ½Π΄ΡΡ ΠΎΠ±ΡΡΠ½ΠΎ ΡΡΡΠ°Π½Π°Π²Π»ΠΈΠ²Π°ΡΡΡΡ ΠΏΠΎ ΠΏΡΡΠΌΠΎΠΉ Π»ΠΈΠ½ΠΈΠΈ Π½Π°Π΄ ΠΊΠΎΠ»Π΅Π½ΡΠ°ΡΡΠΌ Π²Π°Π»ΠΎΠΌ. ΠΡΠ° ΠΊΠΎΠΌΠΏΠΎΠ½ΠΎΠ²ΠΊΠ° Π΄Π²ΠΈΠ³Π°ΡΠ΅Π»Ρ Π½Π°Π·ΡΠ²Π°Π΅ΡΡΡ ΡΡΠ΄Π½ΡΠΌ Π΄Π²ΠΈΠ³Π°ΡΠ΅Π»Π΅ΠΌ .
ΠΠ½ΡΡΡΠΈ ΠΏΠΎΡΡΠ½Ρ Π½Π°Ρ
ΠΎΠ΄ΡΡΡΡ ΠΏΠΎΡΡΠ½Π΅Π²ΡΠ΅ ΠΊΠΎΠ»ΡΡΠ°, ΠΊΠΎΡΠΎΡΡΠ΅ ΠΏΠΎΠΌΠΎΠ³Π°ΡΡ ΡΠΎΠ·Π΄Π°Π²Π°ΡΡ ΡΠΆΠ°ΡΠΈΠ΅ ΠΈ ΡΠΌΠ΅Π½ΡΡΠ°ΡΡ ΡΡΠ΅Π½ΠΈΠ΅ ΠΎΡ ΠΏΠΎΡΡΠΎΡΠ½Π½ΠΎΠ³ΠΎ ΡΡΠ΅Π½ΠΈΡ ΡΠΈΠ»ΠΈΠ½Π΄ΡΠ°.
Π ΠΎΠ»Ρ ΡΠ°ΡΠΏΡΠ΅Π΄Π΅Π»ΠΈΡΠ΅Π»ΡΠ½ΠΎΠ³ΠΎ Π²Π°Π»Π° ΡΠΎΡΡΠΎΠΈΡ Π² ΡΠΎΠΌ, ΡΡΠΎΠ±Ρ ΡΠ΅Π³ΡΠ»ΠΈΡΠΎΠ²Π°ΡΡ Π²ΡΠ΅ΠΌΡ ΠΎΡΠΊΡΡΡΠΈΡ ΠΈ Π·Π°ΠΊΡΡΡΠΈΡ ΠΊΠ»Π°ΠΏΠ°Π½ΠΎΠ² ΠΈ ΠΏΡΠΈΠ½ΠΈΠΌΠ°ΡΡ Π²ΡΠ°ΡΠ°ΡΠ΅Π»ΡΠ½ΠΎΠ΅ Π΄Π²ΠΈΠΆΠ΅Π½ΠΈΠ΅ ΠΎΡ ΠΊΠΎΠ»Π΅Π½ΡΠ°ΡΠΎΠ³ΠΎ Π²Π°Π»Π° ΠΈ ΠΏΠ΅ΡΠ΅Π²ΠΎΠ΄ΠΈΡΡ Π΅Π³ΠΎ Π² Π΄Π²ΠΈΠΆΠ΅Π½ΠΈΠ΅ Π²Π²Π΅ΡΡ
ΠΈ Π²Π½ΠΈΠ· Π΄Π»Ρ ΡΠΏΡΠ°Π²Π»Π΅Π½ΠΈΡ Π΄Π²ΠΈΠΆΠ΅Π½ΠΈΠ΅ΠΌ ΠΏΠΎΠ΄ΡΠ΅ΠΌΠ½ΠΈΠΊΠΎΠ², ΠΏΠ΅ΡΠ΅ΠΌΠ΅ΡΠ΅Π½ΠΈΠ΅ΠΌ ΡΠΎΠ»ΠΊΠ°ΡΠ΅Π»Π΅ΠΉ, ΠΊΠΎΡΠΎΠΌΡΡΠ΅Π» ΠΈ ΠΊΠ»Π°ΠΏΠ°Π½ΠΎΠ². .
Π¦Π΅ΠΏΡ, ΠΏΠΎΡ
ΠΎΠΆΠ°Ρ Π½Π° Π²Π°ΡΡ Π²Π΅Π»ΠΎΡΠΈΠΏΠ΅Π΄Π½ΡΡ, ΠΎΠ±Π²ΠΈΠ²Π°Π΅Ρ ΡΠΊΠΈΠ²Ρ Π·ΡΠ±ΡΡΠΌΠΈ.