Бензонасос ВАЗ 2110: неисправности и ремонт
Бензонасос и его роль в топливной системе ВАЗ 2110
В «десятке» как и в других автомобилях, где установлены силовые установки для топлива, бензонасос служит элементом, который нагнетает топливо в схеме «топливный бак мотор». Он подает бензин к дозирующему компоненту, функцию которого, в зависимости от устройства топливного комплекса, играет либо карбюратор, либо форсунка в системе инжекторных двигателей.
В автомобилях разного типа подачи горючего используют, электрический бензонасос инжектор, либо механический насос топлива на карбюраторных модификациях. Соответственно, чтобы купить бензонасос, необходимо знать, какой тип бензиновых агрегатов установлен и эксплуатируется в автомобиле, требующем ремонта топливной системы.
Покупать бензонасосы ВАЗ 2110, цена которых по карману большинству наших автолюбителей, следует фабричного изготовления. Конечно, эта деталь на инжекторный двигатель конструктивно сложнее и стоит дороже, но пределы цен весьма разумны и допустимы в своих границах.
Кроме того, бензонасос инжектор, цена на который выше аналога на карбюраторном двигателе, технологически сложнее и обладает рядом существенных преимуществ.
Что же такое бензонасос и как он работает
Бензонасос ваз является неотъемлемой деталью каждого автомобиля, на котором установлен двигатель внутреннего сгорания, поэтому его необходимо держать в хорошем состоянии. Обычно бензонасос ломается в двух случаях: когда засорен сетчатый фильтр (как его заменить мы расскажем вам ниже) и когда владелец автомобиля ездит на пустом баке.
В первом и во втором случае бензонасос работает на полную мощность и очень сильно изнашивается.
Примечание. Автовладельцам рекомендуется выработать у себя привычку ездить на полупустом баке, в таком случае бензонасос дольше прослужит.
В старых же автомобилях бензонасос вовсе не используется, поэтому проблемы его поломки не возникает, но, разумеется, приходят и другие проблемы. В современных же автомобилях бензобак и двигатель находятся на разных частях автомобиля, и бензонасос перекачивает топливо из одной части в другую.
Типы бензонасосов современных автомобилей:
Существует два вида двигателей: карбюраторный и двигатель инжекторного вида, оба вида этих двигателей используют разные бензонасосы. Карбюраторный использует механический бензонасос, и топливо обычно подается под небольшим давлением.
Инжекторный двигатель наоборот подает топливо быстро и под высоким давлением и использует при этом электрический тип бензонасоса(см.Электробензонасос ваз 2110 и все про него). Ваз 2110 использует как карбюраторные двигатели, так и инжекторные, это зависит от комплектации автомобиля.
Крепятся эти бензонасосы по-разному, механический тип бензонасоса крепится на топливный бензобак, а электрический бензонасос находится прямо в топливном бензобаке. Также, существуют комплектации ВАЗ 2110 с двумя бензонасосами, первый крепится к бензобаку и работает на малых объемах, а второй находится прямо в двигателе и работает на очень больших объемах.
Электрические бензонасосы работают по такому принципу: они проталкивают топливо в двигатель и скорость проталкивания топлива зависит от того, какой двигатель установлен на автомобиле.
Если мощный двигатель, то скорость проталкивания топлива будет большой, если же двигатель достаточно слабый, то скорость проталкивания будет ниже.
Примечание. Скорость проталкивания топлива на электрических бензонасосах регулируется электронной системой, установленной на автомобиле.
На старых же автомобилях нет электрического бензонасоса, и скорость подачи топлива никак не регулируется. Старые бензонасосы подают топливо в двигатель с постоянной скоростью, что позволяет ему не заглохнуть.
Электрические бензонасосы очень и очень шумные, и именно поэтому их и устанавливают прямо в топливном баке. Они очень быстро нагреваются, но топливо, находящееся в топливном баке, остужает бензонасос и приглушает лишние шумы.
Где находится бензонасос ВАЗ 2110?
А располагается он у авто отечественного производства непосредственно в баке автомобиля. Разберемся подробнее с бензонасосом ВАЗ 2110 инжектор.
Схема бензонасоса (электрического)
Само устройство электробензонасоса 2110 достаточно простое – узел представляет собой электродвигатель, на который подается питание 12 Вольт.
БН монтируется в корпусе, на его входе устанавливается сеточка – фильтр грубой очистки. Фильтрующий элемент не дает частичкам грязи проникать в корпус насоса, тем самым предохраняя устройство от засорения и возможной поломки.
В электрической схеме бензонасоса ВАЗ присутствуют следующие элементы:
- ключ зажигания;
- предохранитель;
- реле;
- электропроводка;
- блок управления двигателем.
При повороте ключа зажигания через реле питание подается на клеммы БН, и насос начинает качать бензин. После того как входная магистраль топливопровода заполнилась бензином, ЭБУ (блок управления) через реле дает команду на отключение напряжения – топливная система готова к запуску двигателя, остается только лишь мотор прокрутить стартером
Реле бензонасоса ВАЗ 2110
Реле в любой электрической схеме предназначено для замыкания и размыкания цепи, его основная роль – защитить элементы электросхемы от большого пускового тока. При запуске ДВС ток, необходимый для прокрутки стартера, достигает 80-300 Ампер, и если реле не будет установлено, может пострадать любой элемент электрической схемы.
Реле бензонасоса ВАЗ 2110 – стандартного типа, внутри пластмассового корпуса находится электромагнитная катушка с сердечником, при подаче напряжения за счет электромагнитного поля происходит замыкание контактов. Реле 2110 – четырехконтактное, рассчитано на ток 30 Ампер.
Особенности конструкции бензонасосов карбюраторной и инжекторной систем впрыска топлива
Механические бензонасосы, которые устанавливались на первых модификациях ВАЗ 2110/2112, имеют простую конструкцию. В её основе лежит комплект мембран, выполненных из специальной прорезиненой ткани, устойчивой к химическому действию бензина. Корпус насоса имеет два клапана: впускной и выпускной. Мембраны приводятся в действие при помощи штока (толкателя). Его двигает кулачковый механизм, вращаемый распредвалом.
Такой механический бензонасос может служить десятилетиями, пока не износится приводной шток, или не порвётся какая-то из мембран. Да и то, если такое случится, заменить эти элементы можно за полчаса.
Первые модификации ВАЗ 2110 с карбюраторной системой впрыска оснащались механическими бензонасосами
С электрическим бензонасосом дела обстоят намного сложнее. Основу его конструкции составляет небольшой электрический двигатель. Он ничем не отличается от обычного, хотя работает, полностью погружённым в бензин. Давление в системе здесь создаёт не мембрана (хотя есть и такие насосы), а специальной формы крыльчатка, насаженная на вал электродвигателя.
Ресурс электрического топливного насоса составляет 150–200 тыс. км пробега. Но выйти из строя он может и гораздо раньше. Основная причина поломок при неизрасходованном ресурсе — присадки, добавляемые в бензин, а также различного рода механические примеси. Первые разрушают щётки и коллектор, а вторые засоряют клапанные механизмы.
В инжекторных ВАЗ 2110/2112 бензонасос имеет электрическую конструкцию и входит в состав погружного топливного модуля.
За что отвечает комплект реле с блоком предохранителей?
Как проверить реле бензонасоса ВАЗ 2110
Схема стеклоочистителя ВАЗ 2110.
Снял, проверил — работает как нужно.
Причина отказа бензонасоса на ВАЗ-2110.
Реле торпеды #34.
ВАЗ-21114 и ВАЗ-21124 с распределенным впрыском топлива под нормы токсичнос…
не работает бензонасос на 2110 как проверить подается ли напряжение на него…
Ваз 2110 электросхема бензонасоса.
Реле вентилятора ваз.
Демонтаж стартера и связь с реле.
Либо плохая масса бензонасоса под ручником, либо сдыхает реле БН, либо серы.
..
7.2.18. Снятие контроллера, реле и предохранителей.
Не работает бензонасос на 2110 инжектор, ни с того ни с сего (Чебоксары) .
Ваз 2110 электробензонасос и его снятие.
ВАЗ-2109 (инжектор) — ВАЗ-передний привод.
Фишка бензонасоса Ваз 2113,14,15.
БЕНЗОНАСОС НЕ КАЧАЕТ. бензонасос не качает.
#517478. Как боротся с перегревом бензонасоса.
бензонасос (топливный насос) ВАЗ 2114 2115.
При повороте ключа бензонасос.
и снимаем бензонасос с направляющих.
Реле бензонасоса.
Не качает бензонасос на ваз 2110? выявление и устранение причин неисправности
Вечером заехал в гараж, а утром не смог завести. Обычно включаю зажигание при этом слышен щелчок реле и жужжание насоса и где-то через 3-5 секунд опять слышен щелчок реле и насос замолкает и поворачиваю ключ до конца, работает стартер но двигатель не заводится потому как нет давления в системе питания, насос не качает.
Ищу причину отказа бензонасоса путем проверки предохранителя, который находится
Под боковиной в глубине находятся блок предохранителей, реле и ЭБУ.
Блок реле и предохранителей в увеличенном виде
Вначале проверил предохранитель под номером 3 вынул из гнезда осмотрел состояние контактов и прибором проверил целостность, предохранитель оказался целым (к стати на 15 ампер)
это не помогло, далее проверил реле под номером 4. Для этого отвернул гайки указанные стрелками, чтобы снять реле и поставить заведомо исправное.
Где взять исправное реле? Можно снять на время проверки в монтажном блоке реле “дальний свет” оно точно такое же как и реле бензонасоса.
Это не помогло, снял заднее сидение под, которым находится бензобак с погружным насосом.
Далее открывается перед нами
Прежде чем произвести выше указанные действия я проверил цепь питания (+)(-) т.е. масса бензонасоса на разъёме под номером 5 прибором можно и контрольной лампой результат положительный, проверил целостность цепи на косичке на разъемах под номерами 4,6
Может случиться что не будет цепи питания (+) или (–) на разъеме под номером 5.
Если (–) т.е. масса не приходит на разъем нужно проверить место соединения с кузовом. У меня цепи питания прозвонились.
- Место подключения массы труднодоступное, чтобы добраться нужно разобрать верхнюю и нижнюю облицовку туннеля пола.
- Я проверил цепи питания приходят до разъема под
номером 4, а бензонасос не работает, то произвел вышеуказанные действия как показано на рисунке, достал топливный модуль с бензонасосом из топливного бака. Снял прижимное кольцо и прокладку - Осторожно вытащил топливный модуль из бака немного, наклонив в сторону правой двери салона, чтобы не погнуть поводок поплавка датчика указателя топлива (ДУТ)
Разобрал топливный модуль. Отдельно проверил насос напрямую от аккумулятора. Насос работает. Проверил разъемы и нашел причину отказа оказывается плюсовой контакт разъема (в виде штыря) снизу под кожухом слегка подгорел. Контакт (в виде штыря) разъема почистил, а другую сторону разъема не смог.
- Купил в сборе с поплавком.
Собрал топливный модуль, не устанавливая в бензобак проверил, работает. Устанавливать насос нужно стрелкой в сторону багажника. Установил и поехал бензонасос работает нормально.
Источник: https://subscribe.ru/group/poleznyie-servisyi-i-programmyi-dlya-nachinayuschih-polzovatelej/12852783
Не качает бензонасос ВАЗ 2110: причины, как устранить своими руками. Что делать, если бензонасос ВАЗ 2110 не работает. Не работает бензонасос ВАЗ 2110. Поиск и устранение неисправностей
На любом легковом авто с бензиновым мотором бензонасос предназначен для подачи горючего под давлением из бензобака в дозирующее устройство — зависимо от модификации двигателя на автомобилях ВАЗ топливная система бывает инжекторной либо карбюраторной.
Где находится бензонасос на ВАЗ 2110
На ВАЗ 2110 бензонасос может быть электрическим либо механическим. Его вид зависит от типа топливной системы, которая установлена на двигателе.
БН (бензонасос) на карбюраторном двигателе «десятки» находится сзади клапанной крышки, возле прерывателя-распределителя, а на автомобилях с инжекторным мотором он расположен в топливном баке.
Если бензонасос начинает давать сбой, ДВС не развивает обороты и не тянет, а порой силовой агрегат и вовсе не запускается.
Схема бензонасоса ВАЗ 2110
Устройство электробензонасоса 2110 довольно простое — узел являет собой электромотор, на который поступает питание 12 В. Бензонасос устанавливается в корпусе, а на его входе монтируется сеточка, то есть фильтр грубой очистки. Благодаря фильтрующему элементу частицы грязи не проникают в корпус насоса, что предохраняет устройство от засорения.
В электрическую схему БН ВАЗ входят такие элементы:
- Блок управления мотором.
- Ключ зажигания.
- Электропроводка.
- Реле.
- Предохранитель.
- На ВАЗ 2110, которые выпускались до 2000 года, устанавливались механические бензонасосы.
- Состоит такой БН из следующих частей:
- Металлического корпуса.
- Возвратной пружины.
- Верхней крышки.
- Двух клапанов.
- Толкателя с диафрагмой.

Закачка топлива из бензобака выполняется благодаря колебаниям диафрагмы, открытию и закрытию клапанов. Диафрагма с толкателем приводится в движение от эксцентрика распредвала, на нижнем корпусе бензонасоса присутствует рычаг ручной подкачки топлива.
Питание бензонасоса ВАЗ 2110
Во время поворота ключа зажигания на клеммы бензонасоса через реле подается питание, и БН начинает качать топливо. Когда входная магистраль топливопровода заполнится бензином, ЭБУ через реле подает команду отключить напряжение — топливная система полностью готова к запуску ДВС, остается лишь прокрутить стартером двигатель.
Ваз 2110 не качает бензонасос, причины
Сначала рассмотрим неисправности механического БН. Все элементы автомобильного ДВС подвержены старению и износу, точно также под влиянием времени вырабатывается ресурс у механического бензонасоса.
К основным неисправностям механического устройства относятся:
- Поломки клапанов.
- Растрескивание диафрагмы.

- Коробление корпусов.
При пропускании диафрагмой воздуха бензонасос может перестать закачивать топливо в карбюратор, также через рваную мембрану бензин попадает в картер, где смешивается с двигательным маслом.
При попадании топлива в масло расход топлива резко повышается, а сам мотор начинает плохо запускаться, особенно, если он прогрет. Проверить наличие топлива в картере довольно просто — если поджечь зажигалкой масляный щуп, произойдет возгорание.
Кроме того, из масляного картера будет пахнуть топливом.
Частым дефектом, возникающим в механических бензонасосах, является коробление поверхности в точке крепления БН к корпусу вспомогательных устройств. При деформации поверхности моторное масло начинает подтекать в стыке между плоскостями.
Теперь что касается электробензонасоса.
Если он перестал функционировать, причин возникшей поломки может быть несколько:
- Сгорел моторчик бензонасоса.
- Перестало работать реле.

- Сгорел предохранитель.
- Повреждена электропроводка.
- Выход из строя блока управления мотором.
Как проверить бензонасос ВАЗ 2110
Когда водитель на автомобиле с инжекторным ДВС включает зажигание, электромоторчик начинает функционировать — при этом слышно специфическое жужжание. Если же не отмечается никаких звуков, значит бензонасос не качает топливо.
Еще одна характерная поломка электробензонасоса — закачка топлива выполняется, однако функционирование сопровождается сильным шумом. Если бензонасос шумит — это явный признак того, что данное устройство не «проживет» долго, и скоро выйдет из строя.
Где находятся реле и предохранитель бензонасоса
В любой электросхеме реле предназначено для размыкания и замыкания цепи, его основной ролью является защита элементов электрической схемы от высокого пускового тока. Во время запуска двигателя ток, который нужен для прокручивания стартера, составляет 80-300 Ампер, и если не будет установлено реле, может пострадать любой компонент электросхемы.
На «десятках» реле бензонасоса стандартное, в пластмассовом корпусе расположена электромагнитная катушка и сердечник, при подаче напряжения благодаря электромагнитному полю происходит замыкание контактов. На ВАЗ 2110 реле четырехконтактное и рассчитано на ток в 30 Ампер.
Реле бензонасоса на «десятке» (инжектор) расположено в салоне авто, под приборной панелью, возле центральной консоли. После демонтажа защитного пластмассового кожуха, из трех расположенных здесь элементов, реле, которое отвечает за работу бензонасоса, будет находится по центру (на рис. под номером 5). Предохранитель бензонасоса находится слева от реле.
Как заменить предохранитель бензонасоса
Для замены предохранителя бензонасоса открутите два винта защитного кожуха и демонтируйте его. Далее выньте предохранитель и проверьте его состояние, а заодно и целостность контактов, в которых расположен предохранитель. Если он перегорел, установите на его место новый. Довольно часто бывает так, что предохранитель перегорает сразу же после замены.
Основные причины такого явления:
- Замыкание в электропроводке.
- «Коротит» сам бензонасос.
Как проверить и заменить реле бензонасоса
Если электробензонасос во время включения зажигания не подает признаков жизни, это совсем не означает, что он сгорел. Причиной поломки также может быть «релюшка». Наиболее простой метод проверки реле бензонасоса на слух — во время включения зажигания оно должно щелкать. Если же щелчка не слышно, значит, вероятнее всего, реле неисправно.
Однако все не так просто — поломка может быть «хитрой», к примеру, машина не запускается с первого раза. Причиной поломки могут быть подгоревшие контакты реле.
В таком случае проверить работоспособность насоса очень просто:
- Снимите защитный кожух, который скрывает колодку с предохранителями и реле.
- Открутите крепления колодки и выньте ее, она останется держаться на проводах.
- Выдерните реле из колодки и поставьте перемычку между 2-мя противоположными контактами, так, мы подадим питание напрямую на бензонасос.

- Если электромотор бензонасоса при таком соединении начинает шуметь, значит, скорее всего, сам бензонасос рабочий, и неисправность кроется в реле. В таком случае замените реле.
Фильтры грубой и тонкой очистки топлива: где находятся когда и как менять
Российский бензин не всегда соответствует требованиям качества, поэтому со временем по причине плохого топлива в топливном баке скапливается осадок.
Грязь также забивает сетку электробензонасоса, в результате скопившейся грязи горючее не полностью попадает в топливопровод, и в функционировании двигателя появляются перебои.
Для устранения неисправности нужно заменить либо очистить фильтр грубой очистки. Однако чтоб добраться до сеточки, необходимо снимать бензонасос.
Обратите внимание
Перед разборкой в топливной системе нужно снизить давление, в противном случае во время отворачивания штуцеров топливопровода топливо может залить весь салон транспортного средства. Для стравливания давления выньте предохранитель бензонасоса, запустите двигатель и подождите, пока он заглохнет.
Замена сетки бензонасоса на «десятке» (инжектор) выполняется таким образом:
- Выключите зажигание.
- В салоне на заднем сиденье найдите петли и потяните за них, чтобы откинуть вперед нижние сидения (правое и левое).
- Под сидением на днище расположен люк, крепится он на двух саморезах.
- Открутите шурупы и демонтируйте люк.
- Разъедините штекер с проводами, с помощью которых на электробензонасос подается питание, для чего отогните фиксатор и отдерните части разъема друг от друга.
- Открутите штуцеры топливных трубок — главной подачи и «обратки» (ключом на 17 мм).
- Открутите гайки прижимной пластины бензонасоса, здесь 8 креплений (ключом на 7 мм).
- Поскольку гайки мелкие, лучше сложить их в какую-то банку, иначе можете потерять их. Снимите пластину и выньте из топливного бака насос в сборе. Насос нужно снимать вместе с уплотнительным кольцом, поднимайте насос аккуратно, во избежание повреждения датчика уровня топлива. Во время извлечения корпуса нужно наклонить бензонасос, чтобы он вышел из бака.

- Снимите с бензонасоса сетку и установите новую деталь.
- Установите бензонасос на место.
Нет питания на бензонасосе 2110, как проверить и устранить
Проводка выходит на БН в количестве трех проводов: показатель уровня топлива, отрицательный и положительный. Причиной того, что бензонасос не качает, может быть элементарное отсутствие питания.
Для проверки питания на бензонасос необходимо взять лампу на 12 Вольт и прикрепить ее провода на отрицательный и положительный контакты на внешнем разъеме БН. Когда вы повернете ключ зажигания, контрольная лампочка должна загореться. Если этого не произошло, то проблема заключается во внешних цепях.
Для этого поочередно подключите отрицательный и положительный контакты, демонтированные с разъема БН, к массе топливного насоса, а затем к реле.
Если отрицательный контакт находится на массе, зажигание включено и лампа моргнула, значит контакт нерабочий, лампа не моргнула, значит нерабочий положительный контакт.
Если контакт на реле, и лампа зажглась, значит проводка повреждена на участке от БН к реле.
Сгорел моторчик бензонасоса, как проверить и заменить
Еще одной причиной выхода бензонасоса из строя может быть поломка моторчика — ключевого элемента, гоняющего топливо. Его работоспособность проверяется той же лампочкой: прикрепите ее провода к любой клемме моторчика и прокрутите зажигание. Если лампочка моргнула, моторчик можно выкидывать.
Советы профи
Рекомендуем посмотреть следующее видео:
Источник: https://prosedan.ru/ne-kachaet-benzonasos-vaz-2110-prichiny-kak-ustranit-svoimi-rukami
Не качает бензонасос ваз 2110 инжектор причины
Ситуация, когда глохнет двигатель и не качает бензонасос на ВАЗ 2110, может поставить начинающего автолюбителя в сложное положение. Особенно, если он плохо знаком с системой подачи топлива и ее конфигурацией, а также с перечнем оборудования, которое обеспечивает штатное функционирование данной системы.
Отсутствие топлива на выходном штуцере насоса еще не является фактом его выхода из строя.
Не качает бензонасос на ВАЗ 2110 не только из-за своей поломки, так как может быть несколько причин такого его поведения.
Теперь главное не паниковать и в первую очередь вспомнить, когда машина заправлялась в последний раз. Показатель индикатора на приборной панели еще ни о чем не говорит. Датчик уровня в баке может «залипнуть», как и стрелка на индикаторе (см. список причин почему он может не работать ).
Если машине уже больше 3-х лет и она промеряла своими шинами больше 100 тысяч пробега, то от ее систем и оборудования можно ожидать любых сюрпризов в плане отказов.
Порядок тестирования причин отказа
Следующей под подозрение попадает электрическая проводка запитки насоса. В цепи питания от бортовой системы автомобиля до электрического мотора насоса находится плавкая предохранительная вставка и реле. Установлены они не на основной плате предохранителей, а на дополнительной, которая на «десятке» помещена под передней панелью справа от блока рулевого управления.
Если смотреть на этот дополнительный блок, то реле и предохранительная вставка электродвигателя насоса будет находится слева (там всего три набора реле и предохранителей).
Проверка проводки не требует особых знаний и не занимает большого времени. Но если с электропитанием все в норме, дальнейшая проверка требует демонтажа корпуса насоса.
Причины, заложенные в насосе
Полностью не подавать топливо насос может только по двум причинам:
- перегорание обмоток электродвигателя;
- топливный фильтр забился до такой степени, что оставшегося диаметра сечения их отверстий не хватает для вытягивания насосом топлива из бака.
Как первая, так и вторая причины равноправно вероятны, при этом они взаимосвязаны. При загрязнении фильтров, когда их давно не только не меняли, но и не чистили, их пропускная способность резко снижается.
К этому можно прибавить процессы осадки на стенках топливной магистрали различных примесей и добавок, которые водятся в нашем бензине в огромном количестве.
Как следствие, повышается нагрузка на бензонасос, он работает на пределе возможностей и начинает перегреваться.
Охлаждается бензонасос циркулирующим через него топливом, так как оно имеет более низкую температуру по сравнению с водой и является прекрасным охладителем.
Но это определение правдиво только для качественного бензина (редкость в наше время).
Следовательно, некондиционный бензин не может в достаточной степени охладить работающий с перегрузками насос и обмотки его электродвигателя прогорают.
Чтобы сразу не приступать к разбору бензонасоса, необходимо убедиться в достаточном уровне проходимости участка топливной магистрали. проложенной от входного штуцера до бензобака.
Перед началом любых работ, связанных с тестированием или ремонтом топливного оборудования, необходимо в первую очередь сбросить давление в магистрали. Для этого из цепи электропитания насоса изымается предохранитель, а двигателю дается время на выработку остатков бензина, после чего он самостоятельно глохнет.
Для окончательного стравливания давления необходимо сделать несколько дополнительных оборотов стартером, как от аккумулятора, так и вручную.
Убедившись, что топливные шланги не забиты. а фильтр высокой очистки не загрязнен и ничего не препятствует поступлению бензина к насосу, можно с уверенностью констатировать факт, что не качает бензонасос на ВАЗ 2110 в связи с выходом из строя его электромотора. Имеется еще вариант, что заклинило нагнетатель. но это не меняет ситуации – бензонасос требует полной замены.
- Замена топливного фильтра на Лада Гранта. Ничего сложного
- Почему машина глохнет при торможении? Основные причины автонедуга
- Не качает бензонасос ВАЗ 2106? Знакомая проблема. Решить ее просто
- Почему не поступает топливо в карбюратор? Основные причины и способы устранения поломки
Проблемы в работе бензонасоса ВАЗ 2110
Назначение топливного насоса, характеристики и возможные поломки
Топливный насос предназначен для бесперебойной подачи бензина в двигатель внутреннего сгорания (ДВС) автомобиля.
Так как в зависимости от системы подачи бензина, автомобили делятся на карбюраторные и инжекторные, то, соответственно, насос ВАЗ 2110 бывает двух видов: механический и электрический.
Механический топливный насос неприхотлив, ремонтопригоден и не вызывает особых проблем в работе, но в настоящее время не соответствует параметрам экологичности и экономичности.
Важно
Нынешним требованиям отвечает инжекторный впрыск, который помогает осуществлять электрический бензонасос ВАЗ. Он подает бензин в ДВС через инжекторы под высоким давлением, что позволяет легко дозировать топливо, уменьшая потребление и повышая мощность двигателя. Основная характеристика — это давление бензонасоса, которое может составлять от 4 до 7 атм.
Из-за перепадов или отсутствия давления двигатель автомашины работает с перебоями, не заводится и тем самым вызывает беспокойство в самый неподходящий момент. В то же время, проявляя выдержку и используя представленные здесь рекомендации в отношении ремонта бензонасоса ВАЗ, можно исправить ситуацию за короткое время.
Основные признаки неправильной работы топливного насоса ВАЗ 2110 следующие.
- Отсутствие гула вращения бензонасоса (он находится в бензобаке под задним сидением) в начальный момент запуска ДВС (ключ в положении зажигания). Причинами может служить выход из строя непосредственно бензонасоса ВАЗ, пропажа питания на нем.
- Появление нехарактерного шума работы может наблюдаться при пустом бензиновом баке и при сильном засорении топливного фильтра.
- Малая мощность ДВС (движение только на 1 или 2 передаче) характерна для топливного насоса, с которым автомашина прошла более 90 тысяч км. Из-за реальных условий эксплуатации ресурс работы насоса ВАЗ сокращается, и это проявляется в ослаблении давления.
- Движение машины рывками указывает на то, что давление в системе топливного насоса меняется, что обычно является следствием засоренности фильтра.

Если вид неисправности топливного насоса определен, стоит найти причину для устранения неполадки.
Устранение неисправностей, простые советы для уверенной работы бензонасоса
- Если бензонасос ВАЗ не вращается, то прежде всего проверяется целостность его предохранителя и работоспособность реле путем замены этих деталей. Находятся они за щитком консоли, снизу, со стороны переднего пассажира.
При удовлетворительном их состоянии для тестирования работы нужно подать напряжение питания на топливный насос прямым путем. Для этого необходимо убрать подушку с заднего сидения и открыть щиток, закрепленный винтами.
Нужно помнить, что при установленной охранной сигнализации в подводе питания на насос ВАЗ будет участвовать дополнительное реле отключения на случай взлома.
- Если топливный насос не отреагировал на подачу напряжения или предстоит проверка и замена фильтра, то нужно произвести следующие действия для извлечения бензонасоса из топливного бака.
Для сброса давления в топливных магистралях отключается топливный насос с помощью предохранителя и заводится машина.После того как ДВС заглохнет, открывается бензобак со стороны заливной горловины для сброса давления паров бензина, отключается минусовая клемма от аккумулятора (во избежание пожара), отсоединяется электрический разъем с фланца установки насоса на бензобаке, отсоединяются разъемы магистральных бензопроводов (резиновое бензостойкое кольцо на штуцерах магистралей подлежит замене), откручивается фланец (8 гаек с шестигранником на 7 мм), снимается резиновая прокладка и извлекается топливный насос ВАЗ в сборе с поплавком и сетчатым фильтром (предварительно рядом подстилается тряпка, чтобы не испачкать салон бензином). Производится замена фильтра бензонасоса или его чистка. В случае поломки насоса ставится новый, так как его конструкция обычно неремонтопригодна.
- При малой мощности ДВС проверяется давление в системе подачи топлива. Это делается либо самостоятельно с помощью покупного комплекта с манометром, или методом проверки на станции техобслуживания (СТО).
Если давление бензонасоса нестабильно и при пережатой обратной шланге меньше 4 атм. то насос подлежит съему и замене. В противном случае проблема может состоять в засорении инжекторных форсунок или неправильной работе регулятора давления топлива.
Совсем не обязательно несколько раз менять топливный насос транспортного средства для понимания основных тезисов его успешной работы:
- езда на автомобиле с пустым баком является экстремальным режимом для бензонасоса и обходится в конечном итоге гораздо дороже, чем банальная заправка топливом;
- бензонасос «не любит» сомнительный бензин, что также приводит к частой замене фильтра и самого насоса;
- при замене бензонасоса ВАЗ 2110 можно отдать предпочтение импортным аналогам, давление которых выше и чья работа отличается большей стабильностью.
Чувствовать себя хозяином автомашины — значит заботиться о ней, как о члене своей семьи. В этом случае она будет служить долго. И каждую поездку можно будет расценивать как ее благодарность за чуткое отношение своего владельца.
По каким причинам может не качать бензонасос на ВАЗ-2110
Бесперебойная работа автомобиля ВАЗ-2110 напрямую зависит от топливной системы. Если ее не поддерживать в надлежащем состоянии, она очень быстро выйдет из строя. Поэтому, когда машина с утра не заводится, появилась проблема в системе подачи топлива. В большинстве случаев она связана с состоянием бензонасоса. Главная роль бензонасоса – подача топлива и поддержание давления.
Диагностика бензонасоса
Если бензобак полный, аккумулятор в нормальном состоянии, свечи сухие и дают искру, а стартер вращает двигатель, то причина в бензонасосе.
Наиболее распространенная причина – после включения зажигания не поступает питание к бензонасосу. Точно так же она проявляется при движении автомобиля, когда пропадает питание и мотор начинает глохнуть.
Еще один важный нюанс – это подача необходимого количества горючего.
Насос может быть рабочим, выдавать гул и жужжание, то есть подача питания происходит, но не вырабатывать требуемого давления.
Нормальным считается давление в топливной системе при рабочем бензонасосе больше 3 бар. Это давление собирается в топливной рампе и соответствует показателю от 300 КПа. Чтобы проверить состояние, нужно взять манометр и измерить давление в топливной рейке, учитывая те показатели, что считаются нормой для каждой отдельной модели.
Для ВАЗ-2110 с инжектором давление, в момент включения зажигания, показывать должно не меньше, чем три атмосферы, на холостом ходу – 2,5, а при нажатии педали газа – от 2,5 до 3 атмосфер. Этот метод позволяет точно определить:
- Выход регулятора давления в рампе из строя.
- Неисправность бензонасоса либо снижение эффективности работы из-за износа.
- Сильное загрязнение фильтра либо сетки.
Понижение давления ведет к тому, что двигатель не заводится или запуск происходит с трудом, начинает троить, во время работы появляются провалы. Если виной этому является насос, то, возможно, забилась сеточка грубой очистки бензонасоса.
В этой ситуации нет необходимости менять весь агрегат, можно почистить сеточку или поставить новую. Если вы подозреваете, что не поступает питание на бензонасос, нужно включить зажигание и слушать. Во время работы бензонасоса должно слышаться легкое жужжание или гул.
А если ничего не слышно, то появилась проблема с работой бензонасоса или проводкой к нему.
В главный список причин, по которым не качает бензонасос на автомобиле ВАЗ-2110 можно отнести:
- неисправность предохранителя;
- нерабочее реле;
- поломка моторчика;
- окисление контактов в проводке, ведущей к бензонасосу;
- поломка бензонасоса.
Почти на всех моделях авто проводка на бензонасос состоит из трех проводов: «плюсовой», «минусовой» и провод для определения количества топлива в баке.
Если бензонасос перестал качать, возможно, повреждена проводка. Проверить питание можно при помощи лампы на 12 Вт, запитав ее с внешнего разъема бензонасоса.
Где находится реле бензонасоса ВАЗ 2110: схема, фото
На любом легковом транспортном средстве, который ездит на бензине, бензонасос выполняет функцию подачи топлива из бака в дозирующее устройство.
Топливная система бывает двух видов: карбюраторная и инжекторная.
Бензонасосы на машинах с карбюраторными двигателями находятся с обратной стороны клапанной крышки, недалеко от прерывателя-распределителя. В автомобиле с инжекторным двигателем бензонасос (далее – БН) располагается в топливном баке. В том случае, когда БН выходит из строя, мотору становится тяжело развивать обороты и тянуть. В частых случаях мотор вообще не запускается.
Схема электрического БН
Устройство электрического бензонасоса (далее – ЭБН) на отечественном автомобиле ВАЗ-2110 по своей структуре очень простое. Оно представляет собой электродвигатель с питанием в 12 вольт. Данное устройство обеспечивает защиту корпуса наноса от поступления туда частичек грязи и пыли, что выполняет функцию предохранения его от вероятной поломки и загрязнения.
В ЭБН автомобиля ВАЗ-2110 находятся такие элементы:
- замок зажигания;
- предохранители;
- реле;
- электрическая проводка;
- блок управления двигателем.

Когда ключ зажигания поворачивается, питание подается на клеммы БН через реле автомобиля, и насос качает бензин. После заполнения входной магистрали топливопровода горючей жидкостью, электрическим блоком управления дается команда на выключение напряжения. Таким образом, топливная система готовится к запуску двигателя автомобиля. Необходимо всего лишь прокрутить при помощи стартера мотор.
Читайте также: Где находится реле бензонасоса ВАЗ-2115 и как его найти
Реле БН на ВАЗ-2110
Функцией реле в любой электросхеме является замыкание и размыкание цепи в целях защиты элементов всей схемы от высокого пускового тока. Во время запуска двигателя ток, который необходим для того, чтобы стартер прокрутился, доходит до 80-300 Ампер. В том случае, если реле отсутствует, любой элемент электросхемы может выйти из строя.
Реле БН отечественной «десятки» имеет внутри корпуса из пластмассы электромагнитную катушку с сердечником. Когда происходит подача напряжения контакты сразу же замыкаются.
Реле на данный автомобиль является четырехконтактным.
ВАЗ-2110 реле бензонасоса – где находится
В том случае, когда реле двигателя отказывается запускаться, необходимо осуществить замену нерабочей детали. Для этого нужно знать, что реле БН на ВАЗ-2110 находится в автомобильном салоне и расположено около центральной консоли под приборной панелью. С целью демонтажа реле нужно отвинтить два болта из трех находящихся здесь элементов на защитном пластмассовом кожухе. Реле, которое отвечает за исправную работу насоса, находится по центру.
Распространенные причины, приводящие к неисправности реле:
- Значительное превышение эксплуатационного срока элемента.
- Плохое качество материалов катушки реле, а также самих контактов.
- Неверное соединение электропроводки реле.
Причин, по которым реле БН может не работать, очень много, но исход у них всех один – двигатель автомобиля не заводится. В таком случае есть два возможных варианта: неисправность либо БН, либо самого реле.
Определить, что реле находится в исправном состоянии можно по электрическому звуку, который будет слышен во время попытки завести двигатель машины. При таком варианте развития событий впору сделать вывод, что БН не работает.
Читайте также: Где находится реле печки в автомобиле ВАЗ-2114
Одной из самых основных причин, по которой БН может выпасть из строя, является засорение его сетки. В таком случае его нужно срочно заменить, чтобы устранить данную проблему. Сначала необходимо полностью отключить аккумуляторную батарею, чтобы обесточить машину и обезопасить себя. Затем сбросить давление, открутив при этом колпачок на алюминиевой лампе из пластмассы. После этого надавить на штуцер при помощи твердого и тупого предмета. Давление внутри БН будет сброшено тогда, когда потечет горячая жидкость. После этого штуцер необходимо закрутить обратно.
Заметить, что фильтрационная сетка засорилась, может каждый автовладелец без особого труда. Ведь сетка в таком случае становится или серого цвета, или черного, в зависимости от того, насколько она была загрязнена.
После данной замены необходимо собрать все элементы бензонасоса в той последовательности, в которой они и стояли
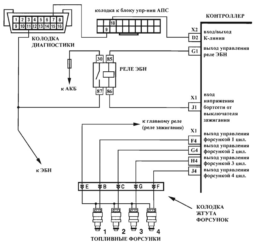
Распиновка бензонасоса ваз 2110
Электросхема бензонасоса в инжекторном ВАЗ 2110
Топливный насосНа чтение 3 мин.
электросхема бензонасоса ваз 2110 инжектор, ее устройство, принцип работы, а также способы проверки основных неисправностей в электро цепи бензонасоса.
Автомобиль Ваз 2110 с системой инжектор даже через несколько лет после того как модель сняли с производства по-прежнему весьма популярен среди автолюбителей. Главные причины этого — простота обслуживания и надежность машины. Однако есть и негативные моменты у ВАЗ 2110 с системой инжектор очень часто бывают проблемы с электроникой. Электросхема достаточно сложна для русского автомобиля и насчитывает 75 элементов.
Однако самое слабое место топливный насос.
Его электросхема выглядит следующим образом:
- Основным является реле бензонасоса, там установлены все необходимые предохранители.
- Далее, электросхема расходится от одного из предохранителей к колодке диагностики и самому устройству.
- От следующего к главному реле и форсункам.
- Далее, электросхема идет к электронному блоку управления.
- Также электросхема топливного насоса идет к аккумулятору.
Таким образом, получается, что у ВАЗ 2110 с инжектор, насос имеет в своем составе 4 электродетали. В случае сбоев связанных с работой насоса их и следует проверять первыми.
Принцип работы
Дабы вам было проще разобраться в электрической схеме 2110 с системой инжектор, рассмотрим его устройство и сам принцип работы.
Итак, в процессе принимают участие:
- Электронный блок управления.
- Реле включения топливного агрегата.
- Предохранители, которые защищают электрическую цепь устройства от перегрузок.
На практике топливный агрегат начинает работу в момент поворота ключа зажигается на один оборот. Прежде чем завести двигатель прислушайтесь – в этот момент можно услышать, как устройство начинает работать и накачивает бензин.
Неисправности в электросхеме
Теперь, когда вы знаете устройство агрегата, давайте разберемся, что делать в случае его неисправностей. Итак, если он не подает признаков жизни – проблема, скорее всего, в перегоревших электродеталях.
Искать их нужно не в электрическом блоке, а непосредственно в салоне Ваз 2110 с системой инжектор. Процесс выглядит следующим образом:
- Первым делом найдите предохранители. Они располагаются около передней консоли с правой пассажирской стороны. Там необходимо отыскать пластиковый щиток и демонтировать его. (Крепится деталь на трех саморезах).
- Там вы обнаружите три предохранителя и столько же реле.
- Реле, расположенное, по центру питает топливный. Слева от него располагается тот, который защищает форсунки. Его необходимо вынуть и проверить на работоспособность. Если, деталь окислилась зачистите контакты. Если видимых повреждение нет, возможно, предохранитель перегорел и его придется заменить.
Если же не помогают вышеперечисленные методы, более
Бензонасос на Ваз 2110 неисправен – что делать? Пошаговая инструкция замены
Бензонасос на автомобилях Ваз 2110, является важным элементом топливной системы автомобиля. Он отвечает за перекачку бензина из бака в двигатель под давлением. Из –за плохого качества бензина очень часто этот элемент выходит из строя, что в свою очередь существенно влияет на нестабильную работу ДВС автомобиля.
В сегодняшней статье я расскажу вам, о основных причинах неисправности бензонасоса, как понять, что именно он вышел из строя, дам пошаговую инструкцию по демонтажу и установке этого элемента автомобиля.
Конструкция бензонасоса Ваз 2110 для инжекторных и карбюраторных моделей автомобиля
На автомобили Ваз 2110 устанавливаются два типа бензонасосов в зависимости от типа двигателя автомобиля. Первый тип механический устанавливается преимущественно на карбюраторные модели, второй тип – электрические которые устанавливаются на инверторные десятки.
Механические бензонасосы, которые устанавливались на первых модификациях ВАЗ 2110/2112, имеют простую конструкцию. В её основе лежит комплект мембран, выполненных из специальной прорезиненой ткани, устойчивой к химическому действию бензина. Корпус насоса имеет два клапана: впускной и выпускной. Мембраны приводятся в действие при помощи штока (толкателя). Его двигает кулачковый механизм, вращаемый распредвалом.
Такой механический бензонасос может служить десятилетиями, пока не износится приводной шток, или не порвётся какая-то из мембран. Да и то, если такое случится, заменить эти элементы можно за полчаса.
С электрическим бензонасосом дела обстоят намного сложнее. Основу его конструкции составляет небольшой электрический двигатель. Он ничем не отличается от обычного, хотя работает, полностью погружённым в бензин. Давление в системе здесь создаёт не мембрана (хотя есть и такие насосы), а специальной формы крыльчатка, насаженная на вал электродвигателя.
Бензонасос ВАЗ 2110 располагается непосредственно в баке автомобиля.Ресурс электрического топливного насоса составляет 150–200 тыс. км пробега. Но выйти из строя он может и гораздо раньше. Основная причина поломок при неизрасходованном ресурсе — присадки, добавляемые в бензин, а также различного рода механические примеси. Первые разрушают щётки и коллектор, а вторые засоряют клапанные механизмы.
Причины неисправности
В процессе эксплуатации автовладельцы ВАЗ 2110 могут столкнуться с некоторыми сложностями, связанными с данным элементом. Неисправности бензонасоса ВАЗ 2110 инжектор могут быть следующими:
- выход элемента из строя из-за поломки;
- загрязненный бак или некачественный бензин с посторонними вкраплениями, которые загрязняют фильтр насоса.
Самый первый верный указатель на то, что у ВАЗ 2110 неисправен бензонасос, является такой симптом: мотор «дергается» во время работы, особенно на средних и высоких оборотах. Это свидетельствует о том, что давление топлива недостаточно. А ведь именно за это отвечает бензонасос. Но иногда причину следует искать в форсунках, а также РДТ.
Бензонасос Ваз 2110 в разобранном виде (на фото вы сами можете увидеть грязь в стакане)Существуют основные признаки неисправности бензонасоса ВАЗ 2110 инжектор, при которых обязательно стоит предпринять действия по проверке данной комплектующей:
- Громкий шум, который элемент ранее не издавал.
- Транспортное средство отказывается набирать обороты, а также не двигается при включении первой или второй передачи.
- Автомобиль двигается рывками и странно ведет себя на дороге.
- Работа двигателя внезапно прекратилась.
Каждую из неисправностей бензонасоса ВАЗ 2110 необходимо тщательно рассмотреть, чтобы понимать, что делать при столкновении с ними.
Как проверить топливный насос на Ваз 2110
Если бензобак полный, аккумулятор в обычном состоянии, свечки сухие и дают искру, а стартер крутит движок, то причина в бензонасосе. Более всераспространенная причина – после включения зажигания не поступает питание к бензонасосу.
Сборка бензонасоса Ваз 2110 (установка вставки)Точно так же она проявляется при движении автомобиля, когда теряется питание и мотор начинает глохнуть. Очередной принципиальный аспект – это подача нужного количества горючего.
Пошаговая инструкция проверки механического бензонасоса
Первым делом проверим, работает ли вообще подающая система вашего ВАЗ 2110. Для этого нужно провести следующие мероприятия:
- Снимите топливный шланг насоса с исходного или нагнетательного штуцера;
- Несколько раз вручную нажмите на рычаг для подкачки топлива;
- Если помпа работоспособная, через штуцер сразу польется сильная струя топлива;
- Если же струи нет или она очень слабая, необходимо будет провести другие проверочные работы.
Далее проверим рабочее состояние впускного клапана:
- Отключите шланг от всасывающего штуцера, чтобы в итоге оба шланга оказались демонтированы каждый со своего штуцера.
- Заткните просто пальцем всасывающий штуцер, после чего несколько раз дерните рычаг для ручной подкачки горючего. Если все работает нормально, палец начнет засасывать внутрь штуцера. Такой эффект свидетельствует об исправности насоса. Потому проблему ищем в баке или магистралях.
- Если же всасывания нет, придется разобрать устройство с целью замены впускного клапана. Его герметичность, вероятнее всего, нарушена.
Следующим этапом является проверка топливного насоса Ваз 2110 на герметичность для этого:
- Приложить палец к отверстию от нагнетательного штуцера, несколько раз подкачать горючее ручной подкачкой;
- При этом из отверстия должна идти струя воздуха, существенно отталкивающая прижатый палец;
- Если струя окажется слабой или ее не будет, бензонасос попросту не качает.
В этой ситуации есть два варианта — искать проблему внутри устройства топливного насоса, разбирая помпу, либо менять полностью агрегат.
Пошаговая инструкция проверки электрического топливного насоса Ваз 2110
Чтобы проверить электрический бензонасос на Ваз 2110, потребуется индикатор, продающийся в любом автомобильном магазине. Установку индикатора, в каждом конкретном случае, следует делать, согласно той инструкции, которая к нему прилагается. Затем запускают двигатель и, через несколько минут, его глушат. После этого изучают показания индикатора: в норме давление не должно снижаться ниже отметки 1,6 атм. – в противном случае, придётся заменить или форсунку, или регулятор.
Можно проверить бензонасос и с помощью манометра. Его подключают непосредственно к топливной рампе, а сам прибор при этом выводится к лобовому стеклу автомобиля (делают это под кромкой капота).
Процесс проверки давления в бензонасосе Ваз 2110Как только включается зажигание, необходимо снять показания манометра (они не должны превышать 380 кПа, и быть меньше 300 кПа). После разгона автомобиля (оптимально будет сделать это до 3 передачи), опять нужно снять показания манометра, которые, при исправном бензонасосе, не должны сильно разниться, и выходить за указанный диапазон.
В случае, когда машина глохнет во время езды, в первую очередь, проверяют реле на бензонасосе. Эта процедура состоит из подключения в разъём топливного насоса специальной лампочки. После этого, включают зажигание. Если, в течение нескольких секунд, лампочка будет гореть, то реле топливного насоса исправно.
Если начало протекать топливо, то необходимо просто поменять фильтры или прокладки. Также может потребоваться и замена диафрагмы, либо, в редких случаях, клапанов.
Помните о том, что в работе с топливной системой необходимо соблюдать предельную аккуратность. Лучше всего сразу ехать к специалистам, которые точно знают, как проверить бензонасос быстро и эффективно.
Видео: Особенности работы и основные неисправности топливного насоса Ваз 2110
Выбор топливного насоса на десятку – на что обратить внимание
Выбирая бензонасос на Ваз 2110 очень часто происходит путаница в понятиях: модуль бензонасоса и сам бензонасос. В первом случае идет речь о конструкции в сборе, которую мы вынимаем из бака, во втором – имеется виду мотор бензонасоса.
Выбор топливного насоса осуществляется по следующим критериям: надежность и бесшумность работы, ведь, чем тише насос функционирует, тем комфортнее его использование.
При выборе топливного насоса требуется приобретение такого же изделия с аналогичным номенклатурным номером. Часто автолюбители среди множества аналогов выделяют топливный насос Вosch, который используется на 1,6-литровых авто и снабжен регулятором давления уровня горючего.
Топливный насос Bosh на Ваз 2110 – плюсы и минусы производительность и характеристики
Производитель Bosch выпускает для каждого типа топливной системы свой бензонасос. Почему после выхода из строя родного бензонасоса, народ ставит бензонасос Bosch с Ваз 2110? Как же соответствие давления и производительности бензонасоса с родным? Если поставить с большим давлением, увеличиться расход?
Расход не увеличивается от производительности бензонасоса, так как на автомобилях срабатывает обратка и лишнее топливо возвращается в бак, так же имеется регулятор давления топлива из название понятно я думаю, какую функцию он выполняет.
Следовательно, был насос 2,8 bar, поставили бензонасос Bosch Ваз 2110 с 3,8 bar станет только лучше. Расход топлива может увеличиться, если бензонасос не создает достаточного давления в рампе и форсунки начинают не распылять, а лить бензин, который не сгорает.
Фото: Топливный насос Bosh рекомендуется устанавливать на отечественные модели автомобилей в том числе и на Ваз 2110Чаще всего, характеристики бензонасосов (не только Bosch, но и других производителей) могут отличаются длиной, давлением, расположением фишек для клемм и все. Сеточка бензонасоса по посадочным местам не отличается, а вот по форме может.
Фишку под клемму можно переделать или поставить с того же ВАЗа. Важна длина бензонасоса, так как от этого зависит его работа при низком уровне топлива в баке, а если он в модуле, то тогда нужно соответствие, что бы его поставить.
Как заменить бензонасос на Ваз 2110 своими руками – пошаговая инструкция
Для того, чтобы заменить бензонасос на Ваз 2110 необходимо выполнить следующий порядок действий:
- Отсоедините отрицательную клемму аккумулятора;
- Сбросьте остаточное давление в топливной рампе посредством специального штуцера;
- Насос топливный «десятки» находится под задним сиденьем автомобиля. Откидываем сиденье и откручиваем защитную крышку;
- Отключаете электрический клеммник насоса, откручиваете магистрали подачи и слива топлива.
- Резиновые прокладки наконечников магистралей следует заменить;
- На ВАЗ 2112 бензонасос удерживается восемью болтами на уплотнительном кольце с подкладкой
- Вам остается только извлечь старый бензонасос и поставить новый согласно указывающей стрелке на корпусе изделия.
Как видите снятие и установка бензонасоса на Ваз 2110 простая процедура, которая не потребует от вас специальных навыков.
Профилактика и полезные советы
Для беспроблемной эксплуатации и увеличения ресурса топливного насоса профессионалы рекомендуют:
- заправляться только качественным топливом;
- поддерживать максимальный уровень топлива в баке;
- не пользоваться автомобилем с разряженным аккумулятором;
- своевременно производить замену топливного фильтра;
- реже пользоваться спортивным режимом езды.
Самостоятельная диагностика и замена бензонасоса достаточно проста. Для этого необходимо лишь тщательно следовать рекомендациям профессионалов. Это же касается и профилактических мер. Заправляйтесь качественным бензином и не забывайте вовремя заменить топливный фильтр. Тогда проблемы с бензонасосом у вас будут возникать гораздо реже
Видео: Самостоятельна замена бензонасоса Ваз 2110
Бензонасос ВАЗ-2110. Основные проблемы и их решение
Если двигатель автомобиля ВАЗ-2110 считать сердечным, то бензонасос ВАЗ-2110 смело можно назвать его кровеносным. Если бензонасос не работает должным образом, топлива может поступать меньше, чем необходимо, а если он полностью выйдет из строя, автомобиль просто не будет работать.
Перебои в подаче топлива
Если полностью отказал бензонасос ВАЗ-2110, то подача топлива не будет осуществляться, а значит, двигатель автомобиля не заведется.Самый простой способ проверить работоспособность устройства — вставить ключ в замок зажигания и повернуть его в первое положение. После такой манипуляции должен появиться звук, соответствующий подкачке топлива. Если есть звук, то причину неисправности транспортного средства нужно искать в другом месте. Вы можете проверить все топливные шланги. Если соответствующий звук не появляется, причина действительно кроется в бензонасосе. Это может быть выход из строя устройства или сбой питания.
Очень часто при нестабильном двигателе, потере мощности и, как следствие, глохоте автовладельцы ищут причину в дроссельном узле, RXH и DPDZ.Но часто случается, что виновником такого поведения силового агрегата может быть обычное загрязнение в топливной системе, не позволяющее бензину поступать в необходимом количестве. В этом случае следует проверить фильтры тонкой и грубой очистки. Первый из них находится рядом с топливным баком. Он прикреплен к шлангам, идущим от топливного бака и к топливной рампе. Его необходимо открутить и осмотреть. Если в фильтре есть загрязнения, его следует заменить, после чего проверить работу автомобиля.Если это не помогло, очистите или замените грубую сетку. В этом случае необходимо снять бензонасос ВАЗ-2110. Для очистки можно использовать автомобильные очистители, например очиститель карбюратора, а затем продуть компрессором.
Как снять бензонасос ВАЗ-2110
- Первое, что нужно сделать — обесточить весь электромобиль, чтобы случайная искра не стала причиной возгорания. Для этого отсоедините провод от минусовой клеммы аккумуляторной батареи.
- Следующий шаг — выбросить заднее сиденье, под которым находится люк к бензобаку.
- Затем нужно открутить четыре винта, которыми крепится пластиковая или металлическая крышка люка, после чего снять ее.
- Теперь видна внешняя часть насоса. Вы можете отсоединить терминал от бортовой электросети и отсоединить топливные шланги.
- Чтобы достать бензонасос ВАЗ-2110 из топливного бака, необходимо открутить гайки крепления.
- При снятии пластиковый стаканчик может упасть.Но это не страшно, так как вернуть на место довольно просто.
- Установите устройство в обратном порядке.
Финансовая составляющая
На бензонасос ВАЗ-2110 цена зависит от производителя. Он колеблется от 1,5 до 2,5 тысяч рублей. Что касается сетки бензонасоса, то ее стоимость составляет всего 50-60 рублей. Это примерно те же деньги, которые уйдут на уборщицу. Все работы можно делать самостоятельно. Если обратиться в автосервис, снятие и установка бензонасоса обойдется примерно в 800 рублей.Если вы хотите почистить сетку или заменить ее, то некоторые автосервисы могут добавить к этой цене еще 100-150 рублей. Замена фильтра тонкой очистки автовладельцу обойдется в 250 рублей.
p>Перестрелка топливного насоса, часть 2
В прошлом месяце мы провели для вас серию испытаний топливных насосов, в том числе сравнение реальных и «поддельных» топливных насосов. Продолжая с того места, где мы остановились, наша вторая часть посвящена тестированию ряда топливных насосов OEM, включая некоторые из более новых высокопроизводительных моделей, доступных сегодня на рынке.Имейте в виду, что наши задокументированные динамометрические числа насоса не обязательно отражают производительность вашего агрегата, и для любого динамометра числа могут варьироваться от одного агрегата к другому. Самое важное, что нужно вынести из этой истории, — это понять возможности вашего OEM / вторичного насоса и важность поддержания надлежащей подачи топлива.
Фото 2/21 | Перестрелка с топливным насосом, часть 2 — Заправка энергии Более высокое давление топлива (PSI) = меньше топлива?
Топливный насос — один из важнейших компонентов двигателя внутреннего сгорания.Имейте в виду, что топливные насосы подают объем топлива; они не создают и не создают необходимое давление в топливных магистралях. Автомобили с турбонаддувом, использующие регулятор давления топлива, зависящий от наддува, будут свидетелями скачков топлива до 100 фунтов на квадратный дюйм при первоначальном нажатии на педаль газа на WOT. Когда давление в линии подачи топлива увеличивается для компенсации расхода топлива, насос буквально начинает замедляться, поскольку он пытается протолкнуть необходимое топливо из бака к форсункам. Как показано на всех динамических диаграммах испытаний RC Engineering, в зависимости от характеристик давления и расхода в фунтах на квадратный дюйм значения (расход) начинают значительно падать, когда давление и сила тока увеличиваются из-за нагрузки.
Фото 3/21 | Перестрелка с топливным насосом, часть 2 — Заправка энергииДля приложений с наддувом, поскольку числовое значение наддува добавляется к базовому давлению топлива, жизненно важно, чтобы насос обеспечивал необходимый объем при повышенных давлениях топлива. Таким образом, в то время как помпа выдает здоровые цифры при 3 барах, если вы повышаете 2 бара, он должен выдать необходимый объем при 5 барах. Это то, что следует учитывать тем, кто перешел на форсунки большего размера, но отказывается или просто не имеет времени или денег, чтобы заменить ваши топливные насосы OEM.
При тестировании наших насосов на динамометре топливного насоса RC Engineering компания RC использовала установленное напряжение 13,5 А для отображения характеристик потока, связанных с увеличением напряжения. При параллельном сравнении характеристик потока в зависимости от увеличения напряжения, номинальная сила тока, а также пропускная способность были значительно выше по мере повышения уровней psi. Сегодня для большинства автомобилей нормальное рабочее напряжение топливного насоса составляет 13,5 В. Однако по мере увеличения потребности в топливе и использования аудиосистем и различных внутренних и внешних компонентов это вызывает уменьшение силы тока в автомобиле и колебания выходной мощности, заставляя топливный насос увеличивать или уменьшать поток.Чтобы устранить проблему и поддерживать постоянное напряжение, или, если вы хотите увеличить напряжение, производители, такие как Aeromotive (контроллер электрического топливного насоса Billet), предлагают усилители топливного насоса с превосходными проверенными результатами. При низкой потребности в топливе FPSC замедляет рабочий цикл топливного насоса и расход топлива, что, в свою очередь, снижает ненужный прием остаточного тепла из моторного отсека. По мере увеличения потребности FPSC возвращает топливный насос к 100-процентному рабочему циклу для максимального расхода с использованием технологии импульсной модуляции.
Фото 4/21 | Контроллер автомобильного топливного насоса 04«Повышение напряжения — отличный способ получить немного больше потока, если он вам нужен. Топливный насос — один из немногих компонентов, которые не предназначены для работы при традиционных 12-13 В. Что касается любого понижения. Что касается долговечности, RC не имеет никаких долгосрочных данных, чтобы поддерживать напряжение по сравнению с долговечностью, но мы можем предположить, что если вы обременете свой топливный насос чрезмерным напряжением, он будет испытывать более короткий срок службы », — говорит представитель RC Engineering Джон Парк.
Подавляющее большинство владельцев спортивных автомобилей с высокой мощностью, таких как R34 Skylines и Supra TT, с большим успехом внедрили систему с двойным или тройным топливным насосом. Использование двух или трех насосов внутри топливного бака позволяет десяткам двигателей RB26 или 2JZ подтолкнуть маркер мощностью более 1000 лошадиных сил с уверенностью в том, что достаточное количество топлива поступает в каждый инжектор на высоких оборотах. При использовании установки с несколькими насосами обязательно перемонтировать каждый насос отдельно, а не объединять оба насоса в заводскую схему с одним проводом.Использование одного и того же провода в линию вызывает перегрузку по току внутри проводов и значительную потерю напряжения, вызывая меньший расход топлива, чем при использовании обычного метода с одним насосом.
Фото 5/21 | Перестрелка с топливным насосом, часть 2 — Заправка энергии«Использование нескольких насосов (при условии, что имеется достаточно места) — еще один способ увеличения объема и возможностей регулирования давления. Хотя вы не обязательно получаете вдвое больше топлива, увеличение общего потока является значительным и хорошо работает для различных приложений «, — говорит Парк.
Недостатками использования нескольких топливных насосов являются дополнительные расходы на приобретение двух-трех топливных насосов, размещение нескольких насосов в топливном баке, изменение проводки заводской топливной системы и, при необходимости, добавление дополнительных блоков регулятора напряжения, предназначенных для каждого топливного насоса. . Конечно, всегда есть проблема с выходом из строя одного или нескольких насосов.
Общее практическое правило состоит в том, что каждый галлон газа эквивалентен 5,8-6,5 фунтам (вес варьируется в зависимости от температуры).Допустим, вы на трассе, и мы измерили, что бензин составляет 6 фунтов на галлон. Если вы наполните свой 14-галлонный бак Evo IX (печально известный тем, что страдает от нехватки топлива при пустом 1/4 бака) до максимальной емкости, общий вес составит 84 фунта. Это мертвый груз, который следует учитывать в соревнованиях, которые не требуют штрафа или должны проходить более трех кругов за сессию. Итак, какое простое, но эффективное решение для тех, кто любит бегать на выходных, желающих насладиться небольшой пробежкой на четверть мили или карвингом на вершине, не попадая в опасные условия наклона? Его просто называют расширительным бачком.
Фото 6/21 | Разборные расширительные баки топливного насоса 06Теория расширительного бачка проста. Топливо хранится во внешнем блоке, когда его помещают между заводским насосом в баке и линиями, ведущими к двигателю. Запитываемый насосом, агрегат предотвращает нехватку топлива из-за резких поворотов, торможения и ускорения, сохраняя дополнительное топливо в алюминиевом расширительном баке. Подача через встроенный насос, расширительный бак подает достаточное количество топлива в ваш двигатель, если OEM-бак когда-либо испытывает икоту или голод из-за своей конструкции.Топливный расширительный бак предлагает небольшую дополнительную страховку для заядлых энтузиастов сопротивления, шоссейных гонок или автокросса, которые планируют участвовать в гонках на своем автомобиле, не опасаясь повредить двигатель.
КомпанияIntegrated Engineering недавно представила новую концепцию конструкции расширительного бака с системой заготовок, использующей один или два топливных насоса Bosch 044. Эта оригинальная конструкция обеспечивает погружение корпуса насоса в резервуар более чем на 75 процентов. Использование топлива для погружения насоса заглушает шумный насос, обеспечивает более низкие рабочие температуры насоса для увеличения срока службы и гарантирует, что он будет иметь топливо даже на крутых поворотах или ускорениях, когда OEM-насос может испытывать топливный голод.
Unisia JECS WRX в сравнении с Unisia JECS STI Топливо
Марка: Unisia JECS 02-05 WRX 130 LPH
Насос: Нет
Вольт: 13,5
Испытательная жидкость S / G: 0,76
Температура жидкости: 69
Было бы несправедливо сравнивать эти два насоса по принципу «яблоки с яблоками» из-за того, что насос WRX ’02-2005 рассчитан на 130 л / ч, а топливный насос STI ’05 — 145 л / ч, но мы сгруппировали оба вместе, чтобы определить два топливных насоса OEM от одного типа / производителя автомобиля.Насос WRX запускается быстро, но быстро начинает спотыкаться при повышении давления топлива. Обратите внимание на значительное падение подачи топлива после открытия перепускного клапана при 75 фунтах на квадратный дюйм. Байпас предназначен для продления срока службы насоса в случае скачка давления, но эта мера безопасности часто приводит к катастрофе для высокопроизводительного автомобиля с приложениями с высоким наддувом / мощностью.
| фунтов на квадратный дюйм | Амперы | фунтов / час | галлонов / час | л / час | л / мин | CC / мин | Гр / мин | Гр / сек | л.с. |
| 35 | 6.2 | 274 | 45,67 | 172,87 | 2,88 | 2881,19 | 2071,46 | 34,52 | 498,2 |
| 40 | 6,4 | 260 | 43,33 | 164,04 | 2,73 | 2733,97 | 1965,62 | 32.76 | 472,7 |
| 45 | 6,7 | 250 | 41,67 | 157,73 | 2,63 | 2628,82 | 1890.02 | 31,50 | 454,5 |
| 50 | 6,9 | 234 | 39,00 | 147,63 | 2.46 | 2460,58 | 1769.06 | 29,48 | 425,5 |
| 55 | 7,2 | 220 | 36,67 | 138.80 | 2,31 | 2313,36 | 1663,21 | 27,72 | 400,0 |
| 60 | 7.3 | 205 | 34,17 | 129,34 | 2,16 | 2155,63 | 1549,81 | 25,83 | 372,7 |
| 65 | 7,6 | 190 | 31,67 | 119,87 | 2,00 | 1997.90 | 1436,41 | 23.94 | 345,5 |
| 70 | 7,8 | 167 | 27,83 | 105,36 | 1,76 | 1756.05 | 1262,53 | 21,04 | 303,6 |
| 75 | 8 | 142 | 23,67 | 89,59 | 1.49 | 1493,17 | 1073,53 | 17,89 | 258,2 |
| 80 | 8,2 | 109 | 18,17 | 68,77 | 1,15 | 1146,17 | 824,05 | 13,73 | 198,2 |
| 85 | 8,4 | 74 | 11.60 | 43,91 | 0,73 | 731,86 | 526,18 | 8,77 | 134,5 |
| 90 | 8,7 | 25 | 4,17 | 15,77 | 0,26 | 262,88 | 189,00 | 3,15 | 45,5 |
Примечание: Перепускной клапан открывается при 75 фунтах на кв. Дюйм. Значение
лошадиных сил при BSFC, равном 0.55 показано в последнем столбце справа.
Марка: Unisia JECS 2005 STI 145LPH
Насос: Нет
Вольт: 13,5
Тестовая жидкость S / G: 0,76
Температура жидкости: 69
Топливный насос STI работает лучше, чем агрегат WRX, но, как и его аналог, насос быстро ухудшает подачу топлива, как только байпас открывается при 75 фунтах на квадратный дюйм.Он показал скромные 17,67 л / ч при давлении 85 фунтов на квадратный дюйм.
| фунтов на квадратный дюйм | Амперы | фунтов / час | галлонов / час | л / час | л / мин | CC / мин | Гр / мин | Гр / сек | л.с. |
| 35 | 6.9 | 311 | 51,83 | 196,22 | 3,27 | 3270,25 | 2351,18 | 39,19 | 565,5 |
| 40 | 7,1 | 297 | 49,50 | 187,38 | 3,12 | 3123,04 | 2245,34 | 37.42 | 540,0 |
| 45 | 7,3 | 278 | 46,33 | 175,39 | 2,92 | 2923,25 | 2101,70 | 35,03 | 505,5 |
| 50 | 7,5 | 261 | 43,50 | 164,67 | 2.74 | 2744,49 | 1973,18 | 32,89 | 474,5 |
| 55 | 7,7 | 246 | 41,00 | 155,21 | 2,59 | 2586,76 | 1859,78 | 31,00 | 447,3 |
| 60 | 7.9 | 229 | 38,17 | 144,48 | 2,41 | 2408,00 | 1731,25 | 28,85 | 416,4 |
| 65 | 8,1 | 212 | 35,33 | 133,75 | 2,23 | 2229,24 | 1602,73 | 26.71 | 385,5 |
| 70 | 8,4 | 197 | 32,83 | 124,29 | 2,07 | 2071,51 | 1489,33 | 24,82 | 358,2 |
| 75 | 8,6 | 168 | 28,00 | 105,99 | 1.77 | 1766,57 | 1270.09 | 21,17 | 305,5 |
| 80 | 8,7 | 138 | 23,00 | 87,07 | 1,45 | 1451,11 | 1043.29 | 17,39 | 250,9 |
| 85 | 8,9 | 28 | 4.67 | 17,67 | 0,29 | 294,43 | 211,68 | 3,53 | 50,9 |
Примечание: Перепускной клапан открывается при 75 фунт / кв. Дюйм. Значение
лошадиных сил при BSFC 0,55 показано в последнем столбце справа.
Марка: Deatschwerks DW65C 265 LPH
Насос: 120320
Вольт: 13,5
Тестовая жидкость S / G: 0.76
Температура жидкости: 69
По размерам самый маленький насос в нашем тесте, этот скромный по размеру агрегат удивил нас, предоставив большие количества. Разработанный для использования в таких транспортных средствах, как модели WRX / STI, BRZ и Scion FR-S ’08 и новее, этот агрегат мощностью 320 л / ч при 9,3 В и 50 фунт / кв.дюйм производил приличные 249,21 л / ч и мощностью 718,2 л.с. Турбинное колесо DW65C, представленное DeatschWerks как первый в мире высокопроизводительный насос с 65-миллиметровым корпусом, обеспечивает долговечность и совместимость с этанолом.
Фото 11/21 | Перестрелка с топливным насосом, часть 2 — Заправка энергии| фунтов на квадратный дюйм | Амперы | фунтов / час | галлонов / час | л / час | л / мин | CC / мин | Гр / мин | Гр / сек | л.с. |
| 35 | 8.4 | 441 | 73,50 | 278,23 | 4,64 | 4637,24 | 3333,99 | 55,57 | 801,8 |
| 40 | 8,6 | 426 | 71,00 | 268,77 | 4,48 | 4479,51 | 3220,59 | 53.68 | 774,5 |
| 45 | 8,9 | 409 | 68,17 | 258,04 | 4,30 | 4300,75 | 3092.07 | 51,53 | 743,6 |
| 50 | 9,3 | 395 | 65,83 | 249,21 | 4.15 | 4153,53 | 2986.23 | 49,77 | 718,2 |
| 55 | 9,6 | 381 | 63,50 | 240,38 | 4.01 | 4006,32 | 2880,38 | 48.01 | 692,7 |
| 60 | 9.9 | 363 | 60,50 | 229,02 | 3,82 | 3817.05 | 2744,30 | 45,74 | 660,0 |
| 65 | 10,2 | 348 | 58,00 | 219,56 | 3,66 | 3659.32 | 2630,90 | 43.85 | 632,7 |
| 70 | 10,4 | 327 | 54,50 | 206,31 | 3,44 | 3438,50 | 2472.14 | 41,20 | 594,5 |
| 75 | 10,8 | 311 | 51,83 | 196,22 | 3.27 | 3270,25 | 2351,18 | 39,19 | 565,5 |
| 80 | 11 | 292 | 48,67 | 184,23 | 3,07 | 3070,46 | 2207,54 | 36,79 | 530,9 |
| 85 | 11.3 | 275 | 11,60 | 43,91 | 0,73 | 731,86 | 526,18 | 8,77 | 500,0 |
| 90 | 11,6 | 259 | 43,17 | 163,41 | 2,72 | 2723,46 | 1958,06 | 32.63 | 470,9 |
| 95 | 11,9 | 239 | 39,83 | 150,79 | 2,51 | 2513.15 | 1806,86 | 30,11 | 434,5 |
| 100 | 12,3 | 220 | 36,67 | 138.80 | 2.31 | 2313,36 | 1663,21 | 27,72 | 400,0 |
Примечание: Перепускной клапан открывается при 75 фунт / кв. Дюйм. Значение
лошадиных сил при BSFC 0,55 показано в последнем столбце справа.
Марка: AEM High-Flow 320 LPH
Насос: 50-1000
Вольт: 13.5
Тестовая жидкость S / G: 0,76
Температура жидкости: 69
AEM можно считать новичком на рынке топливных насосов, но не позволяйте их юности обмануть вас. Новейший топливный насос в линейке AEM рассчитан на 320 л / ч при 43 фунтах на квадратный дюйм и представляет собой устройство прямого подключения, которое может использоваться как для автомобилей с наддувом, так и с принудительной индукцией. После тестирования устройства мы обнаружили, что насос обеспечивает стабильную подачу топлива под напряжением на протяжении всего теста, что было общей проблемой среди более дешевых «подделок» моделей, которые мы тестировали в первой части.
Фото 13/21 | Перестрелка с топливным насосом, часть 2 — Заправка энергии| фунтов на квадратный дюйм | Амперы | фунтов / час | галлонов / час | л / час | л / мин | CC / мин | Гр / мин | Гр / сек | л.с. |
| 35 | 10.5 | 514 | 85,67 | 324.29 | 5,40 | 5404,85 | 3885,87 | 64,76 | 934,5 |
| 40 | 10,9 | 494 | 82,33 | 311,67 | 5,19 | 5194,55 | 3734,67 | 62.24 | 898,2 |
| 45 | 11,2 | 475 | 79,17 | 299,69 | 4,99 | 4994,76 | 3591.03 | 59,85 | 863,6 |
| 50 | 11,6 | 453 | 75,50 | 285,81 | 4.76 | 4763,42 | 3424,71 | 57,08 | 823,6 |
| 55 | 12 | 435 | 72,50 | 274,45 | 4,57 | 4574.15 | 3288,63 | 54,81 | 790,9 |
| 60 | 12.4 | 420 | 70,00 | 264,99 | 4,42 | 4416,42 | 3175,23 | 52,92 | 763,6 |
| 65 | 12,7 | 404 | 67,33 | 254,89 | 4,25 | 4248,17 | 3054,27 | 50.90 | 734,5 |
| 70 | 13,1 | 387 | 64,50 | 244,16 | 4,07 | 4069,41 | 2925,74 | 48,76 | 703,6 |
| 75 | 13,4 | 362 | 60,33 | 228,39 | 3.81 | 3806,53 | 2736,74 | 45,61 | 658,2 |
| 80 | 13,8 | 346 | 57,67 | 218,30 | 3,64 | 3638.29 | 2615,78 | 43,60 | 629,1 |
| 85 | 14.3 | 330 | 55,00 | 208,20 | 3,47 | 3470,04 | 2494,82 | 41,58 | 600,0 |
| 90 | 14,6 | 306 | 51,00 | 193.06 | 3,22 | 3217,68 | 2313,38 | 38.56 | 556,4 |
| 95 | 15 | 280 | 46,67 | 176,66 | 2,94 | 2944,28 | 2116,82 | 35,28 | 509,1 |
| 100 | 15,6 | 238 | 39,67 | 150,16 | 2.50 | 2502,64 | 1799,30 | 29,99 | 432,7 |
Примечание: Перепускной клапан открывается при 95 фунт / кв. Дюйм. Значение
лошадиных сил при BSFC 0,55 показано в последнем столбце справа.
Марка: Deatschwerks DW200 255 LPH
Насос: 120328
Вольт: 13,5
Тестовая жидкость S / G: 0,76
Температура жидкости: 69
Модель DW200 может обеспечивать скорость 255 л / час по выгодной цене, предлагая высокую производительность.Хотя показатели производительности были немного ниже, чем у 65C, DW200 все же смог показать хорошие показатели с 232,81 л / ч при 50 фунтах на квадратный дюйм, твердые цифры, которые способны поддерживать 670 л.с.
Фото 15/21 | Перестрелка с топливным насосом, часть 2 — Заправка энергии| фунтов на квадратный дюйм | Амперы | фунтов / час | галлонов / час | л / час | л / мин | CC / мин | Гр / мин | Гр / сек | л.с. |
| 35 | 8.6 | 400 | 66,67 | 252,37 | 4,21 | 4206,11 | 3024.03 | 50,40 | 727,3 |
| 40 | 8,9 | 389 | 64,83 | 245,43 | 4,09 | 4090.44 | 2940,86 | 49.01 | 707,3 |
| 45 | 9,1 | 380 | 63,33 | 239,75 | 4,00 | 3995,81 | 2872,82 | 47,88 | 690,9 |
| 50 | 9.4 | 369 | 61,50 | 232,81 | 3,88 | 3880.14 | 2789,66 | 46,49 | 670,9 |
| 55 | 9,6 | 356 | 59,33 | 224,61 | 3,74 | 3743.44 | 2691,38 | 44,86 | 647,3 |
| 60 | 9,8 | 345 | 57,50 | 217,67 | 3,63 | 3627,77 | 2608.22 | 43,47 | 627,3 |
| 65 | 10.1 | 334 | 55,67 | 210,73 | 3,51 | 3512.10 | 2525.06 | 42,08 | 607,3 |
| 70 | 10,4 | 316 | 52,67 | 199,37 | 3,32 | 3322.83 | 2388,98 | 39,82 | 574,5 |
| 75 | 10,7 | 310 | 51,67 | 195,58 | 3,26 | 3259,74 | 2343,62 | 39,06 | 563,6 |
| 80 | 11 | 302 | 50.33 | 190,54 | 3,18 | 3175,61 | 2283.14 | 38,05 | 549,1 |
| 85 | 11,3 | 289 | 48,17 | 182,33 | 3,04 | 3038.92 | 2184.86 | 36,41 | 525,5 |
| 90 | 11,5 | 275 | 45,83 | 173,50 | 2,89 | 2891,70 | 2079.02 | 34,65 | 500,0 |
| 95 | 11.8 | 257 | 42,83 | 162,15 | 2,70 | 2702,43 | 1942,94 | 32,38 | 467,3 |
| 100 | 12,1 | 234 | 39,00 | 147,63 | 2,46 | 2460.58 | 1769.06 | 29,48 | 425,5 |
Примечание: Перепускной клапан открывается при давлении XX фунтов на кв. Дюйм.
Значение мощности в лошадиных силах при BSFC 0,55 показано в последнем столбце справа.
Марка: Denso 2006 EVO IX MR 190 LPH
Насос: Нет
Вольт: 13,5
Тестовая жидкость S / G: 0,76
Температура жидкости: 69
Нет ничего удивительного в том, что Evo IX по-прежнему остается популярным автомобилем для тюнинга, но чаще всего владельцы Evo на различных интернет-форумах отказываются заменять свои OEM-насосы.Мы решили протестировать насос с малым пробегом и обнаружили, что, хотя он работает лучше, чем топливный насос OEM STI. Мало того, что номинальные 190 л / ч казались щедрыми, насосу Evo также не хватало необходимого расхода топлива, необходимого при более высоких уровнях psi. Было показано, что при 80 фунтах на квадратный дюйм он достигает своего предела; он выдавал скромные 106,62 л / ч с рейтингом 307,3 л.с. .
Фото 17/21 | Перестрелка с топливным насосом, часть 2 — Заправка энергии| фунтов на квадратный дюйм | Амперы | фунтов / час | галлонов / час | л / час | л / мин | CC / мин | Гр / мин | Гр / сек | л.с. |
| 35 | 10.3 | 336 | 56,00 | 211,99 | 3,53 | 3533,13 | 2540,18 | 42,34 | 610,9 |
| 40 | 10,6 | 316 | 52,67 | 199,37 | 3,32 | 3322.83 | 2388,98 | 39,82 | 574,5 |
| 45 | 10,9 | 293 | 48,83 | 184,86 | 3,08 | 3080.98 | 2215.10 | 36,92 | 532,7 |
| 50 | 11.3 | 277 | 46,17 | 174,76 | 2,91 | 2912,73 | 2094.14 | 34,90 | 503,6 |
| 55 | 11,6 | 259 | 43,17 | 163,41 | 2,72 | 2723.46 | 1958,06 | 32,63 | 470,9 |
| 60 | 11,9 | 241 | 40,17 | 152,05 | 2,53 | 2534,18 | 1821,98 | 30,37 | 438,2 |
| 65 | 12.2 | 222 | 37,00 | 140,06 | 2,33 | 2334,39 | 1678,33 | 27,97 | 403,6 |
| 70 | 12,4 | 204 | 34,00 | 128,71 | 2,15 | 2145.12 | 1542,25 | 25,70 | 370,9 |
| 75 | 12,8 | 189 | 31,50 | 119,24 | 1,99 | 1987,39 | 1428,85 | 23,81 | 343,6 |
| 80 | 13.2 | 169 | 28,17 | 106,62 | 1,78 | 1777.08 | 1277.65 | 21,29 | 307,3 |
| 85 | 13,5 | 140 | 23,33 | 88,33 | 1,47 | 1472.14 | 1058,41 | 17,64 | 254,5 |
| 90 | 13,8 | 112 | 18,67 | 70,66 | 1,18 | 1177,71 | 846,73 | 14,11 | 203,6 |
| 95 | 14.2 | 86 | 14,33 | 54,26 | 0,90 | 904,31 | 650,17 | 10,84 | 156,4 |
Примечание: Перепускной клапан открывается при 85 фунтах на кв. Дюйм. Значение
лошадиных сил при BSFC 0,55 показано в последнем столбце справа.
Марка: Denso Supra TT OEM 260LPH
Насос: 195130-1020
Вольт: 13.5
Тестовая жидкость S / G: 0,76
Температура жидкости: 69
Этот насос Denso остается популярным обновлением среди автомобилей от Subaru до Hondas в качестве альтернативы благодаря высокой производительности и надежности. При скорости 260 л / ч насос Denso обеспечивает обилие топлива, но при этом он обходится дорого при покупке нового и имеет громоздкие размеры, что ограничивает взаимозаменяемость во многих топливных системах в баке.
Фото 19/21 | Перестрелка с топливным насосом, часть 2 — Заправка энергии| фунтов на квадратный дюйм | Амперы | фунтов / час | галлонов / час | л / час | л / мин | CC / мин | Гр / мин | Гр / сек | л.с. |
| 35 | 15 | 530 | 88.33 | 334,39 | 5,57 | 5573.10 | 4006,83 | 66,78 | 963,6 |
| 40 | 15,2 | 513 | 85,50 | 323,66 | 5,39 | 5394,34 | 3878.31 | 64,64 | 932,7 |
| 45 | 15,5 | 492 | 82,00 | 310,41 | 5,17 | 5173,52 | 3719,55 | 61,99 | 894,5 |
| 50 | 15.6 | 469 | 78,17 | 295,90 | 4,93 | 4931,67 | 3545,67 | 59,09 | 852,7 |
| 55 | 16 | 450 | 75,00 | 283,91 | 4,73 | 4731.88 | 3402.03 | 56,70 | 818,2 |
| 60 | 16,2 | 420 | 70,00 | 264,99 | 4,42 | 4416,42 | 3175,23 | 52,92 | 763,6 |
| 65 | 16.5 | 396 | 66,00 | 249,84 | 4,16 | 4164.05 | 2993,79 | 49,90 | 720,0 |
| 70 | 16,7 | 370 | 61,67 | 233,44 | 3,89 | 3890.65 | 2797.22 | 46,62 | 672,7 |
| 75 | 17 | 341 | 56,83 | 215,14 | 3,59 | 3585,71 | 2577.98 | 42,97 | 620,0 |
| 80 | 17.1 | 302 | 50,33 | 190,54 | 3,18 | 3175,61 | 2283.14 | 38,05 | 549,1 |
| 85 | 17,4 | 262 | 43,67 | 165,30 | 2,76 | 2755.00 | 1980,74 | 33.01 | 476,4 |
Примечание: Перепускной клапан открывается при 85 фунтах на кв. Дюйм. Значение
лошадиных сил при BSFC 0,55 показано в последнем столбце справа.
Марка: Deatschwerks DW300 340LPH
Насос: 120406
Вольт: 13,5
Тестовая жидкость S / G: 0,76
Температура жидкости: 69
DW300 — это самая крупная установка прямого подключения, которую может предложить DeatschWerks, обеспечивающая производительность 340 л / ч (90 галлонов в час) и способность поддерживать более 1000 л.с.DW300, предлагаемый в качестве комплекта для прямого подключения к многочисленным импортным автомобилям, развивал впечатляющие 270 л / ч при 60 фунтах на кв. Дюйм при мощности, поддерживающей 778 л.с. Не уверены в своих потребностях в топливе? Посетите веб-сайт DeatschWerks, чтобы использовать калькулятор топливного насоса для определения правильной заправки вашего автомобиля.
Фото 21/21 | Перестрелка с топливным насосом, часть 2 — Заправка энергииСмотреть фотогалерею (21) Фото
| фунтов на квадратный дюйм | Амперы | фунтов / час | галлонов / час | л / час | л / мин | CC / мин | Гр / мин | Гр / сек | л.с. |
| 35 | 12.9 | 521 | 86,83 | 328,71 | 5,48 | 5478,46 | 3938,79 | 65,65 | 947,3 |
| 40 | 13,4 | 505 | 84,17 | 318,61 | 5,31 | 5310.22 | 3817,83 | 63,63 | 918,2 |
| 45 | 13,7 | 484 | 80,67 | 305,36 | 5,09 | 5089,39 | 3659.07 | 60,98 | 880,0 |
| 50 | 14 | 469 | 78.17 | 295,90 | 4,93 | 4931,67 | 3545,67 | 59,09 | 852,7 |
| 55 | 14,4 | 449 | 74,83 | 283,28 | 4,72 | 4721,36 | 3394.47 | 56,57 | 816,4 |
| 60 | 14,7 | 428 | 71,33 | 270,03 | 4,50 | 4500,54 | 3235,71 | 53,93 | 778,2 |
| 65 | 15 | 410 | 68.33 | 258,68 | 4,31 | 4311.26 | 3099,63 | 51,66 | 745,5 |
| 70 | 15,5 | 390 | 65,00 | 246,06 | 4,10 | 4100.96 | 2948.43 | 49,14 | 709,1 |
| 75 | 15,9 | 370 | 61,67 | 233,44 | 3,89 | 3890,65 | 2797.22 | 46,62 | 672,7 |
| 80 | 16.1 | 353 | 58,83 | 222,71 | 3,71 | 3711,89 | 2668,70 | 44,48 | 641,8 |
| 85 | 16,5 | 324 | 54,00 | 204,42 | 3,41 | 3406.95 | 2449,46 | 40,82 | 589,1 |
| 90 | 16,8 | 308 | 51,33 | 194,32 | 3,24 | 3238,71 | 2328,50 | 38,81 | 560,0 |
| 95 | 17.2 | 286 | 47,67 | 180,44 | 3,01 | 3007,37 | 2162,18 | 36,04 | 520,0 |
| 100 | 17,5 | 266 | 44,33 | 167,82 | 2,80 | 2797.06 | 2010,98 | 33,52 | 483,6 |
Примечание: Перепускной клапан открывается при давлении XX фунтов на кв. Дюйм.
Значение мощности в лошадиных силах при BSFC 0,55 показано в последнем столбце справа.
Что такое реле бензонасоса ВАЗ-2110. Как использовать с будильниками
Из статьи вы узнаете о том, что такое реле бензонасоса ВАЗ-2110. Следует сразу отметить, что разница между карбюратором и системой впрыска колоссальная.Первый работает из-за разницы давления в атмосфере и внутри двигателя, а второй из-за большого количества электронных компонентов. А за двигатель отвечает немалое количество датчиков и исполнительных механизмов. Но обо всем — подробнее. Для начала стоит задуматься, какой бензонасос входит в десятку лучших, а также для чего он нужен.
Конструкция топливного насоса
Фактически, это электродвигатель, работающий от постоянного тока. Он имеет обмотку возбуждения на роторе и обмотку статора.Ротор снабжен специальными щетками из графита. Но самое главное — этот двигатель приводит в действие насос особой конструкции, который качает бензин. Следовательно, вся система в целом способна создавать некоторое давление топлива в трубопроводе. Для запуска всей постройки есть реле запуска бензонасоса ВАЗ-2110. Он находится в ногах пассажира, на отдельном блоке. Здесь также можно найти предохранитель, защищающий цепь питания. Кроме того, датчик уровня бензина в баке также выполнен в едином блоке с насосом.Самые распространенные поплавковые датчики давления или ультразвуковые датчики на автомобилях, а особенно десятки, не используются.
Топливная система работает десятки
Итак, с чего начать, садясь в машину? Правильно поверните ключ в замке зажигания и подождите несколько секунд, пока «что-то сзади не перестанет гудеть». Некоторые даже не задумываются о том, что выпускается для звуков. И это работает мотор насоса. Ведь при выключении зажигания реле бензонасоса ВАЗ-2110 замыкает цепь, и подает питание на мотор.Следовательно, давление в топливной системе начинает накачиваться. Без впрыска не может работать система впрыска. Когда он достигает рабочего значения, двигатель перестает вращаться. И когда оно падает ниже минимального значения давления, на двигатель подается питание и снова подается давление. Следовательно, бензонасос работает не постоянно, а циклически, это зависит от давления в топливной рампе.
Несколько идей, которые используют автомобилисты
А теперь нам нужно поговорить о безопасности автомобиля.Конечно, даже если это старая десятка, жаль. А в случае банальной кражи хозяин опускает руки. Но иногда спасает даже самая простая сигнализация, которая блокирует жизненно важные электрические цепи автомобиля. В частности, с помощью силового выхода автосигнализации можно разомкнуть силовую цепь реле бензонасоса ВАЗ-2110. Инжектор в этом случае просто не выйдет, так как давление в рампе не повышается. Также есть возможность разомкнуть цепь питания всего электронного блока управления.Другими словами, при включении зажигания (при условии, что машина не снята с охраны) вы не услышите характерного «гудения» из задней части машины.
Вывод
По сути, реле бензонасоса ВАЗ-2110 представляет собой простое электромеханическое устройство. Он служит для питания главного жизненно важного органа системы впрыска форсунок — насоса, подающего топливо в рампу. Заменить его несложно, только восстановлению не подлежит. Благо цена вполне приемлемая — в среднем 80 рублей.Но самое главное из всего вышеперечисленного — реле можно использовать немного «по-другому», а именно для защиты от злоумышленников. Даже если у вас нет сигнализации, просто установите секретную кнопку, которая будет управлять подачей питания на электромагнитное реле. Конечно, только вы должны знать о его существовании.
Выход из строя стандартной системы контроля топлива… Дополнение! — Блог о производительности Concept Z
Несколько месяцев назад я опубликовал сообщение о том, как я отказался от штатного блока управления топливным насосом в пользу установки с фиксированным напряжением и большего FPR для обработки дополнительного потока топлива.Когда я делал этот мод в ноябре, это в основном было достигнуто за счет эффективного заземления провода заземления, ведущего к насосу, поскольку в противном случае FPCU модулирует сторону земли для управления скоростью топливного насоса.
Однако, проехав несколько месяцев, я заметил, что автомобиль не выдерживает давления топлива на более высоких уровнях наддува (скажем, 20 фунтов на квадратный дюйм). Сначала я немного поправил это, но быстро понял, что что-то не так. Для устранения неисправности я заменил топливный фильтр грубой очистки, приемный патрубок на насосе и даже сам топливный насос (Walbro 485).После замены помпы сначала вроде решилось. Мои AFR вернулись туда, где я ожидал, вероятно, из-за компенсации на карте, которую я сделал, но давление топлива все еще не соответствовало ускорению, как должно. Разумеется, еще через месяц или около того я мог наблюдать пиковое давление топлива на уровне 4,3 бара, а затем его снижение до 3,9 бара. Он должен был достигать пика при 4,4 бара и удерживаться или очень близко к нему (большинство контроллеров наддува позволяют слегка сузиться, что является нормальным).
Исчерпав почти все очевидные варианты, я начал задаваться вопросом, не была ли причина в штатной проводке. Естественно, первым делом нужно было начать поиски в Интернете, чтобы узнать, не возникали ли у других пользователей аналогичные проблемы с 485. Его чаще всего используют ребята из GT-R и Evo, и ни у кого из них не было никаких проблем с ним. Фактически, в сообществе GT-R было довольно хорошо известно, что он может обеспечивать мощность 1000 л.с. + на E85, так что я не думал, что разгоняю свой насос на скудных ~ 480 л.с.
Но на TT.net я начал находить несколько подсказок в таких сообщениях:
У меня было два насоса Walbro со штатной проводкой. Я видел, что давление топлива не могло подняться вместе с давлением наддува. Перешел на провода более толстого сечения, проблема решена.
Я не говорю, что штатная проводка сгорит с двумя насосами, но она не может обеспечить достаточную силу тока.
Я работаю с низковольтной проводкой каждый день. Вот основная проблема с этой настройкой.
Жгут проводов, идущий от ремня безопасности к самому топливному насосу, представляет собой провод 18AWG. Провод 18 калибра рассчитан на 10 ампер. Вот диаграмма, показывающая розыгрыш 1 насоса Walbro 255
Да, и этот последний сопровождался несколькими фотографиями вроде этой.
Сгоревший разъем топливного насоса, от работающих сдвоенных насосов на штатной проводке!
Конечно, эти пользователи говорили о двойных настройках Walbro 255, но беглый взгляд на спецификации Walbros для 485 показывает, что это действительно может быть ограничивающим фактором даже с одним насосом.
Я обошел диапазон давления, в который пытался попасть.
Очевидно, это вывело нас за пределы рабочего диапазона штатной проводки 18AWG. Когда я осмотрел переборку, оказалось, что провод источника питания (оранжевый), идущий к перегородке, был явно более толстого калибра, ближе к 14 или 12 AWG. Но провода заземления на переборке были намного меньше, примерно 18 авг, а провод источника питания, идущий в саму переборку (становится белым с черной полосой), явно имеет крошечные 18 авг. Почему Nissan решил так сильно уменьшить датчик на самом последнем этапе в цепи топливного насоса, мне непонятно, но они это сделали.Я проверил дополнительный пигтейл Walbro, который у меня был, и он был 14awg, что подходит для ~ 24 ампер, что также дает некоторое окно безопасности.
Теперь, на этом этапе, я мог бы протянуть новый провод от батареи к новому реле зажигания, но я действительно хотел сохранить стандартное реле и проводку на месте. Это позволяет блоку управления двигателем активировать топливный насос, так что он работает только при вращении двигателя, плюс короткая заливка до и после работы. Проводка на разъеме FPCU на шасси оказалась той же 12-14awg, и рядом с ней была удобная точка заземления.Когда вы посмотрите на электрическую схему, вы увидите, что жгут в основном получает питание от реле (не показано), затем Ts отключается и идет к FPCU и к насосу. Опять же, FPCU модулирует землю, чтобы изменить скорость, поэтому в моей настройке мне просто нужно было получить его питание и землю.
По какой-то причине провод питания также отключился на пути к FPCU, но даже если взглянуть на диаграмму, можно было понять, что используется самый внешний контакт (вверху справа, если вы держите разъем жгута проводов в руке и глядя на женские контакты на нем) установил самое прямое соединение.
На этом этапе я решил проложить новый жгут прямо от разъема FPCU на жгуте шасси до переборки, дав топливному насосу прямое надежное соединение с проводкой 14AWG, не беспокоясь о том, где жгут OEM может или не может уменьшиться. до 18awg. Во-первых, я начал с изготовления индивидуальной обвязки. Это было сделано с помощью штыревого разъема, который я ранее удалил из неисправного FPCU, и у него есть только один провод, идущий к этому оранжевому контакту. Он проходит рядом с заземляющим проводом, который использует ушко 12-14awg, обжатое и припаянное на конце.
Заказной жгут питания топливного насоса.
Оранжевый — сила, а фиолетовый — моя земля. Пигтейл на конце будет проложен на перегородке топливного насоса для подключения к насосу. Для этого я буквально просто просверлил отверстие в пыльнике поверх переборки (следите за тем, чтобы не зацепить существующие провода!)
Easy Peasy.
Теперь на самой переборке есть несколько пластиковых проходных соединителей, которые герметизированы, чтобы проводка проводилась внутри бака без каких-либо утечек или чего-либо еще.Они не кажутся съемными, и я не знаю, насколько они тяжелые, поэтому я просто удалил те два, которые на самом деле идут прямо к насосу, так как я не хотел, чтобы в баке болтались случайные горячие провода. . Затем просверлил несколько отверстий…
Глоток.
К ним следует добавить резиновые гайки с расширяющимся колодцем, которые выглядят следующим образом.
Резиновая гайка расширительного колодца
Они имеют резьбу внизу. Вы продеваете их в отверстие, и когда вы затягиваете болт в резьбовую часть, резиновое сверло разрушается и образует пончик.Таким образом, он создает уплотнение и обеспечивает безопасный способ подачи электричества через переборку!
Нижняя сторона перегородки с установленной гайкой колодца и продетым болтом. Вы также можете увидеть исходную точку, из которой я удалил один из исходных проводов.
На нижней стороне шайба и гайка крепят проушину, ведущую от самого топливного насоса к гайке колодца. К сожалению, фотографий этого нет, но это говорит само за себя. Я повторил процесс и установил вторую гайку для колодца, одну для питания и одну для земли.Вы можете увидеть, как они были установлены здесь (в основном то же самое внизу).
Оранжевый: питание, фиолетовый: заземление.
Опять же, разъемы обжаты и припаяны, чтобы убедиться, что они не расшатываются или что-то в этом роде. Это правда, что я мог бы заземлить насос прямо на переборку, вы можете видеть, что я даже поставил новое заземление рядом со старым, но я хотел поставить чистое, прочное заземление непосредственно на насос, не беспокоясь о том, сколько электричества. собирается вернуться через танк, подвески танков, шасси и т. д.
Вот и все. Жгут проходит от верхней части переборки прямо до разъема FPCU. В шасси имеется шпилька, на которую болтами прикручивается заводской FPCU; Я счистил краску наждачной бумагой и убедился, что соединение прочно. Старый трехжильный прямоугольный разъем перегородки остается отсоединенным. К моему удовольствию, топливный насос заправился, и не загорелся, когда я повернул ключ, и, как вы, наверное, догадались по тому факту, что я даже пишу эту статью, это помогло.После нескольких пробных запусков он поддерживает давление твердого топлива на уровне 4,4 бар на протяжении всего цикла. Мне даже пришлось накинуть тонну топлива на верхнюю часть моей топливной карты, чтобы машина не работала слишком сильно. Время покажет, насколько хорошо держатся гайки, я использовал их впервые, но пока что они работают хорошо.
Я не планирую в ближайшее время увеличивать мощность этой машины до невероятных размеров, я нацелился на 500+. Но в будущем вы вполне могли бы переключиться на установку с двумя топливными насосами, не меняя здесь ни тонны.Моя идея состояла бы в том, чтобы установить вторую гайку для колодца, чтобы обеспечить питание второго насоса. Я бы использовал переключатель давления наддува, чтобы включить второй топливный насос, скажем, при 10 фунтах на квадратный дюйм. Переключатель наддува активирует реле (Bosch 30A), которое подает питание на второй насос. Два насоса будут Т-их производительность вместе, но в этот момент вы можете подумать о серьезной модификации вашей переборки и использовать фитинги -8 AN или что-то в этом роде.






Для сброса давления в топливных магистралях отключается топливный насос с помощью предохранителя и заводится машина.
Если давление бензонасоса нестабильно и при пережатой обратной шланге меньше 4 атм. то насос подлежит съему и замене. В противном случае проблема может состоять в засорении инжекторных форсунок или неправильной работе регулятора давления топлива.