Какая топливная система лучше Siemens или Delphi?
Топливные системы Siemens и Delphi весьма надежны и неприхотливы в эксплуатации, поэтому широко востребованы у большинства автомобилистов.
Описание системы Siemens
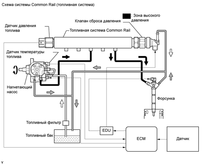
Топливная система Siemens включает в себя насос высокого давления, клапан контроля потока, пьезо-форсунки, датчик давления, ТНВД, рампу и клапан потока давления. В зависимости от модели топливная система имеет разное максимальное впрысковое давление. Оно может доходить до 1500 бар и больше. Более современные системы Siemens имеют интеркулер, и повышенное впрысковое давление. Например, модель VDO PCR 2.3 K9k, разработанная специально для автомобилей концерна «Рено-Ниссан», имеет давление 1650 бар. Данная система с 2012 года стала применяться в «Мерседесах». Для такой системы предусмотрена система контроля впрыска SID 301 и SID 304. Siemens VDO PCR 2.3 K9k – одна из наиболее популярных систем Siemens с традиционной конструкцией: топливо подается из бака при помощи лопастного насоса низкого давления, который встроен в ТНВД.
Также из хорошо зарекомендовавших себя моделей немецкой марки можно назвать Siemens VDO PCR 2.1, в которой используются стандартные форсунки, требующие к себе своевременного технического обслуживания. Безусловно, ремонт форсунок Siemens зависит не только от конкретной модификации, но и от сложности конструкции. Например, форсунка системы Siemens VDO PCR 2.1 включает в себя пьезоэлемент, коннектор, поршень, канал подачи топлива, распылителя, иглу, а также управляющую гидравлическую камеру.
Каждая модель наделена определенными характеристиками и разработана для конкретных автомобилей.
Описание системы Delphi
Конструкция топливной системы Delphi не сильно отличается от современных моделей Siemens, однако принцип работы имеет некоторые особенности и преимущества. Трудоемкость обслуживания систем Delphi тоже зависит от сложности конструкции.
Работа системы Delphi, как и Siemens, находится под полным контролем ЭБУ (электронный блок управления) двигателем. ЭБУ контролирует работу топливного насоса и обеспечивает электронное управление системы повторного сжигания отработавших газов. Однако у системы Delphi есть еще специальные датчики, которые более эффективно отслеживают работу технических узлов. Например, эти датчики фиксируют положение педали акселератора, уровень разрежения во впускном коллекторе, отслеживают обороты двигателя и положение коленчатого вала, а также контролируют температуру охлаждающей жидкости и всасываемого воздуха.
Еще одна особенность системы Delphi заключается в управлении акселератором, оборудованным датчиком положения педали, который подсоединен к насосу высокого давления.
А вот в некоторых системах Siemens вместо датчика до сих пор используется обычный трос. У инновационной системы Delphi датчик, подсоединенный к акселератору, предназначен для передачи в ЭБУ сигналов положения педали. Также этот датчик помогает электронному блоку (ЭБУ) контролировать работу топливного насоса.
Какую систему лучше выбрать?
Исходя из всего вышесказанного, можно утверждать, что именно система Delphi является более технологичной. В ней используются самые передовые решения, обеспечивающие бесперебойную работу и длительный срок службы всех элементов топливной системы Delphi. Что касается компании Siemens, она специализируется на проверенных временем решениях. Обе системы обладают высокой надежностью, но требуют своевременного технического обслуживания. Главное, чтобы специалисты фирменного СТО обеспечили качественный ремонт топливной аппаратуры.
Топливная система Delphi — Cars History.ru
Топливная система Delphi — Cars History.
ruвсе марки авто мира
BMW Ford Hyundai Kia Porsche В гараже Все для авто Двигатель Интересное Ликбез Не про авто Ремонт и подготовка двигателя Техническое обслуживание автомобиля Технологические указания по уходу за основными узлами трактора Электрооборудование автомобиля
Skoda Fabia Monte Carlo Если вернуться в историю автомобилестроения, то первая Monte Carlo появилась пред изумленной публикой в далеком тридцать восьмом году двадцатого века, причем одновременно с моделью Skoda Popular Sport, что была ориентирована на спортивный стиль. Из семидесяти экземпляров, вышедших тогда «в свет», подавляющее …
27 декабря 2018г.
Практика показывает, что наибольшее количество случаев выхода из лада топливной системы связано с плохим качеством топлива. Поэтому диагностика и ремонт форсунок Delphi поможет предотвратить различные неисправности и продлить работу топливной системы. Важно помнить, что лучший качественный, гарантийный ремонт форсунок Delphi нужно заказывать в МультиДизель» — ремонт европейских дизельных автомобилей, можно ознакомиться с их услугами на multi-diesel.
ru.
Каждый автолюбитель знает о том, что дизтопливо не должно содержать в своем составе механических примесей, в результате воздействия различных факторов в топливо попадают всевозможные субстанции, которые не самым лучшим образом воздействуют на систему. И это проводит к различным поломкам, а как результат з значительным финансовым затратам. Безусловно, вы вряд ли сможете как то повлиять на качество заправляемого топлива. Поскольку в нашей стране этой никак не регулируется. Вместе с тем, в случае поломок следует пользоваться только услугами надежных компаний, которые выполняет все работы на самом высоком уровне.
Характерной особенностью является то, что компания «Delphi»разрабатывала свою топливную систему для автомобилей люкс класса. Что нужно знать для проведения эффективного ремонта топливной системы Delphi?
- Следует устранить причину выхода из строя форсунки, а не только произвести замену обратного клапана;
- Обязательно должнавы полняться промывка топливной системы, если было обнаружено, что топливо имеет загрязнения;
- Работы по ремонту топливной системы в обязательном порядке подразумевает и замену фильтра.
В результате этого значительно увеличится эффективность ремонта; - Для безотказной и надежной работы механизмов следует для выполнения ремонтных работ использовать только оригинальные запчасти Делфи, поскольку это в разы продлит срок службы топливной системы вашего автомобиля.
Еще одно важное значение эксплуатации дизельного авто состоит в использовании присадок. Не нужнопользоватьсяприсадками для того чтобы очистить очистки бак и топливные магистрали, лучше всего для этих целей воспользоваться услугами профессионалов. Соблюдение этих простых правил позволит вам безотказно эксплуатировать свое авто очень долгое время без обращения в ремонтные сервисы.
Фото: eurodiesel.com
Click to rate this post!
- Правила приобретения автомобиля Chery
- OMODA С5 – инновация среди транспортных средств
- Покердом казино: новые возможности для гемблеров
- Казино Вулкан: преимущества и особенности
- Как заказать эвакуатор грузовой
- ООО «Сервис Транс-Карго» – надежная доставка грузов
- Гибка оцинкованных труб
- Замена масла в двигателе
- Старда Казино: ассортимент, регистрация и привилегии
- Профессиональный ремонт и обслуживание автомобилей концерна VAG2
- Как подготовить машину к зиме: 4 совета
- Казино Вулкан Чемпион: сервис, софт и преимущества
- Мелбет казино: сильные стороны и важные нюансы
- Автоматы бесплатно: где найти и как использовать?
- Carso – надежный и проверенный дилер!
- Игровые автоматы демо: где играть бесплатно?
- Казино с выводом денег Максбет: особенности и специфика
- Как правильно быстро продать автомобиль
все марки авто мира
Топливные модули и насосы
Управление топливом и уход
Топливные модули и насосы
Когда дело доходит до создания топливных модулей, Delphi Technologies применяет свой опыт производства оригинального оборудования и технологическое лидерство, чтобы обеспечить высочайший уровень производительности и удовлетворенности клиентов.
Delphi Technologies разрабатывает каждый топливный модуль в соответствии с теми же строгими стандартами, которые мы применяем к деталям, которые мы производим для ведущих производителей автомобилей, таких как Volkswagen и PSA.
Отличительные особенности топливных насосов Delphi
- Анодированный алюминий может снизить потери потока на до 100% при сильном загрязнении
- Новый углеродный коллектор продлевает срок службы топливного насоса на до 300% преждевременный износ*
- Литой якорь защищает обмотки насоса в коррозионных средах
- Контакты в виде кнопок имеют дополнительный износостойкий материал, который может выдержать более 1 миллиона циклов
- Высокопроизводительный синтетический сетчатый входной фильтр способен отфильтровывать все частицы размером более 30 микрон
- Отчетливо Delphi с ярко-синим цветом верхняя крышка топливного насоса, верхняя крышка модуля и материал сетчатого фильтра
*При загрязненном топливе или топливо с смесями спиртового спирта
| Часть № | Top Applications | |||||||||
| FG0407 | 44.![]() | FG0407 | 444- | FG0407 | 444- | 44- | FG0407 | 44- | 9 Chevrolet Silverado 1500 V6, 2003-99 Silverado 1500 V8, 2003-01 Silverado 1500 HD V8, 2003-99 Silverado 2500 V8, 2003-01 Silverado 2500 HD V8, 2003-01 Silverado 3500 V8; 2004-99 GMC Sierra 1500 V6, 2003-99 Sierra 1500 V8, 2003-01 Sierra 1500 HD V8, 2003-99 Sierra 2500 V8, 2003-01 Sierra 2500 HD V8, 2003-01 Sierra 3500 V8 | |
| 2013-09 Chevrolet Silverado 1500 V8; 2013-09 GMC Sierra 1500 V8, 2013-12 Юкон XL 1500 V8 | ||||||||||
| FG0817 | 2006-04 Dodge Ram 1500 V6, 2006-04 RAM 1500 V8 | |||||||||
| FG1053 | 2016-05 CHRYSLER 300 V6, 2017-05 300 V8; V800; V8; V800; 2010-09 Dodge Challenger V6, 2017-15 Challenger V6, 2017-09 Challenger V8, 2014-06 Charger V6, 2016-06 Charger V8, 2008-05 Magnum V6, 2008-05 Magnum V8 | 2010-05 Крайслер 300 V6, 2010-05 300 V8; 2010-09 Dodge Challenger V6, 2010-06 Charger V6, 2010-09 Charger V8, 2008-05 Magnum V6 |
В обзоре.
..- Поставщик уровня 1 для 25 ведущих мировых производителей автомобилей
- Производитель надежных деталей подачи топлива на протяжении более 80 лет
- Ведущий на рынке Североамериканский поставщик управления топливом с охватом более 95 %
- Программы обучения под руководством экспертов и техническая горячая линия для ведущих технических специалистов ASE и OEM-экспертов доступны
Посетите наш каталог
Обязательно очистите топливный бак.
Очень важно очистить топливный бак перед заменой топливного насоса или модуля топливного насоса в сборе . В противном случае вы рискуете вернуться, если загрязняющие вещества в грязном баке приведут к выходу из строя нового насоса. Узнайте больше о том, как очистить резервуар за десять простых шагов. Кроме того, Delphi Technologies предлагает удобный комплект для очистки топливного бака, который поможет вам выполнить работу.
com/embed/xr6TbsfBtnc» title=»Fuel Video — Contamination» frameborder=»0″ allow=»accelerometer; autoplay; clipboard-write; encrypted-media; gyroscope; picture-in-picture» allowfullscreen=»»>Внимательно прочтите все инструкции.
Например, при замене топливного насоса нашими деталями FG1052, FG1053 или FG1588 вам необходимо обратить внимание на инструкции, приведенные в коробке, поскольку мы обновили комплект проводки, чтобы снизить риск перегрева. .
Отличие Дельфы
100-летний опыт производства оригинальных комплектующих, поставщик ведущих мировых автопроизводителей
Наследие оригинального оборудования и знания, встроенные в каждую запасную часть
Полный ассортимент для широкого спектра автомобилей и модельных годов
Упрощенные артикулы для простого управления запасами
Поддержка с помощью инструментов, советов и обучения
Ресурсы по связанным продуктам и файлы для загрузки
Топливные системы Как Технический совет Техники
Обновление проводки для FG1052, FG1053, FG1588
Если вы приобрели Delphi Technologies FG1052, FG1053 или FG1588, вы заметите, что он поставляется с обновленным комплектом проводки.
Свяжитесь с нами
Подробнее об управлении подачей топлива и уходе
Очистите комплект бака
Независимо от того, занимаетесь ли вы домашним ремонтом или ремонтируете топливный насос, вам также необходимо очистить и осмотреть топливный бак.
Регулятор давления топлива
Точность является ключевым фактором для регулятора давления топлива на любом транспортном средстве. Поэтому, когда вам нужно подобрать запасную часть, выбирайте Delphi Technologies.
Указанная форма больше не существует или в настоящее время не опубликована.
Посетите наш центр контактов, чтобы найти ряд типов запросов, которые помогут вам найти именно ту поддержку, которую вы ищете.
Свяжитесь сегодня
Регулятор давления топлива
Управление топливом и уход
Регулятор давления топлива
Точность является ключевым фактором для регулятора давления топлива на любом автомобиле.
Поэтому, когда вам нужно выбрать запасную часть, выберите Delphi Technologies — бренд, который был разработан для обеспечения стабильной работы оригинальных запчастей. Мы проверяем наши топливные насосы на производительность и долговечность и используем полученные результаты для изготовления более качественных деталей. Вот почему Delphi Technologies владеет более чем 30 оригинальными разработками и 150 патентами в области топливных модулей и насосов.
О регуляторах давления топлива Delphi Technologies.
Эти продуманные конструкции, а также тщательное тестирование и поиск и устранение неисправностей помогли нам создать регуляторы давления топлива и другие топливные компоненты, которые выдерживают испытания временем, стандартами выбросов и удовлетворенностью клиентов.
Критично для работы двигателя.
Регулятор давления топлива поддерживает надлежащее и постоянное давление в форсунках в различных условиях движения. Слишком высокое давление может вызвать пропуски зажигания и увеличить выбросы автомобиля.
Низкое давление может привести к снижению производительности автомобиля и медленному запуску двигателя или его полному отсутствию. Как высокое, так и низкое давление могут снизить эффективность использования топлива и даже сократить срок службы двигателя. Негерметичная диафрагма регулятора давления топлива часто приводит к снижению давления топлива, но эту проблему бывает сложно диагностировать. Проблемы с регулятором часто неправильно диагностируются как проблемы с кислородным датчиком и могут вызывать появление нескольких вводящих в заблуждение кодов OBD II.
Плавная работа и комплексное покрытие.
Производители транспортных средств переместили регуляторы давления топлива из топливной рампы в моторном отсеке в бак, что позволяет снизить температуру топлива и повысить эффективность работы автомобилей. Наша оригинальная конструкция повышает точность управления подачей топлива для плавного вождения и снижения выбросов, которые порадуют ваших клиентов. Delphi использует эксклюзивные диафрагмы из нейлоновой ткани NitrileTM, которые являются прочными и устойчивыми к агрессивному топливу с высоким содержанием этанола.
Наши регуляторы давления топлива доступны в двух различных исполнениях — с универсальным давлением и с мини-картриджем — для широкого применения на отечественных транспортных средствах.
Все мини-картриджные регуляторы Delphi проходят 100% испытания расходомером, а давление откалибровано на заводе. Шесть артикулов мини-картриджей Delphi составляют более половины объема продаж приложений GM, что помогает оптимизировать ваши запасы и сократить ваши инвестиции.
Отличие Дельфы
100-летний опыт производства оригинальных комплектующих, поставщик ведущих мировых автопроизводителей
Наследие оригинального оборудования и знания, встроенные в каждую запасную часть
Комплексный портфель для широкого спектра автомобилей и модельных годов
Упрощенные артикулы для простого управления запасами
Поддержка с помощью инструментов, советов и обучения
Ресурсы по связанным продуктам и файлы для загрузки
Топливные системы Как Технический совет Техники
Обновление проводки для FG1052, FG1053, FG1588
Если вы приобрели Delphi Technologies FG1052, FG1053 или FG1588, вы заметите, что он поставляется с обновленным комплектом проводки.

В результате этого значительно увеличится эффективность ремонта;