Руководство по ремонту Daewoo Nexia / Део Нексия
- Руководства по ремонту
- Руководство по ремонту Дэу Нексия 94+ г.в.
Общая информация об автомобиле.
Daewoo Nexia — наиболее популярная среди новых иномарок на отечественном рынке. Эта переднеприводная модель существует в версиях 3/5-дверного хэтчбека и 4-дверного седана низшего среднего класса. Разработана на платформе Opel Kadett 80-х годов. Производство начато в 1994, в последние годы собирается в Узбекистане. В комплектацию GLE входят: регулировка водительского сиденья по высоте, противотуманные фары, электростеклоподъемники, часы, а также встроенная стереомагнитола с автоматически убирающейся антенной. Кондиционер, АБС и подушку безопасности нужно заказывать отдельно.
Каждый автомобилист рано или поздно задумывается на тему того, как отремонтировать авто своими руками. Не исключением являются и владельцы Деу Нексия. Часто автомобилисты ищут руководство по ремонту Дэу Нексия с возможностью скачать. Мы учли это пожелание наших читателей и скоро эта возможность появится на сайте.
Вообще, ремонт Дэу Нексия вполне возможно провести своими руками. Для этого нужно иметь под рукой руководство и помощника, который упростит и ускорит процесс ремонта.
В данный момент выбор двигателей небогат: 1,5-литровые бензиновые инжекторные — 75-сильный или 16-клапанный 90-сильный (последний предпочтительнее, так как значительно динамичнее). Максимальная скорость тоже не слишком высока — 170 км/ч. Зато очень длинная третья передача позволяет почти не переключаться в городском потоке, поскольку разогнаться на ней можно с 30 до 120 км/ч. К заметным недостаткам Nexia (да и других моделей Daewoo) можно отнести низкий ресурс подвески (даже новых автомобилей) на отечественных дорогах. Тормоза довольно ватные, да и эффективность их заметно меняется от перепадов влажности. Есть претензии к качеству сборки кузова: на первых партиях узбекских Nexia слишком гуляли размеры зазоров панелей.
Салон Нексии оборудован широкими регулируемыми сиденьями с боковой поддержкой, множеством полочек, карманов и ящиков. Панель управления оформляется серым и черным пластиком. Вместительный багажный отсек позволят размещать грузы больших размеров.
Большинство деталей и агрегатов вполне можно отремонтировать самому. Главное, не бояться и четко выполнять рекомендации из книги.
↓ Комментарии ↓
1. Панель приборов и органы управления
1.0 Панель приборов и органы управления
1.1. Переключатели и включатели
1.2 Оборудование салона и кузова
1.3 Вентиляция, отопление и кондиционирование салона
1.4. Техническое обслуживание автомобиля
1.5. Комбинация приборов
2. Техническое обслуживание
2.0 Техническое обслуживание
2.1 Общие инструкции по ремонту
2.2 Идентификационный номер автомобиля
2.3 Подъем автомобиля
2.4 Техническое обслуживание автомобиля
2.5. Контрольные осмотры и техобслуживание, проводимые владельцем
2.6 Моменты затяжки резьбовых соединений
2.7 Характеристики автомобиля с системой многоточечного впрыска топлива
2.8 Характеристики автомобилей (2 верхних распределительных вала двигателя)
2.9 Размеры и масса автомобилей
3. Двигатель (один верхний распределительный вал)
3.0 Двигатель (один верхний распределительный вал)
3.1 Технические характеристики
3.2 Система смазки
3.3 Техническое обслуживание и ремонт двигателя
3.4 Проверка компрессии
3.5 Демонтаж и монтаж двигателя в сборе
3.6 Опоры двигателя
3.7 Впускной коллектор и прокладка
3.8 Выпускной коллектор и прокладка
3.9 Крышка корпуса распредвала
3.10 Шкив коленчатого вала
3.11 Передняя крышка зубчатого ремня
3.12 Зубчатое колесо распределительного вала
3.13 Зубчатое колесо коленчатого вала
3.14 Задняя крышка зубчатого ремня
3.15 Регулировка натяжения зубчатого ремня
3.16 Проверка углового положения распределительного вала
3.17 Переднее уплотнение коленчатого вала
3.18 Распределительный вал. Рычаги. Гидрокомпенсаторы зазоров
3.19 Клапанные пружины. Уплотнения стержней клапанов
3.20 Головка цилиндров. Корпус распределительного вала
3.21 Ремонт головки блока цилиндров
3.22 Демонтаж клапанов
3.23 Направляющие втулки клапанов
3.24 Развертывание отверстий втулок
3.25 Клапаны
3.26 Клапанные пружины
3.27 Седла клапанов
3.28 Уплотнения клапанов
3.29 Высота стержня клапана относительно головки блока цилиндров
3.30. Толкатели клапанов с гидрокомпенсаторами зазоров
3.31 Масляный поддон
3.32 Приемный патрубок с масляным фильтром
3.33 Масляный насос
3.34 Ремонт масляного насоса
3.35 Поршни и шатуны
3.36 Маховик. Заднее уплотнение коленчатого вала
3.37 Коленчатый вал
3.38 Шатуны и коренные подшипники
3.39 Замена вкладышей
3.40 Поршневая группа и шатуны
3.41 Поршневые пальцы и кольца
3.42 Блок цилиндров
3.43 Монтаж поршней
3.44 Балансировка диска с зубчатым венцом
3.45 Ремонт резьбовых отверстий
3.46. Диагностика неисправностей двигателя
4. Двигатель (два верхних распределительных вала)
4.0 Двигатель (два верхних распределительных вала)
4.2 Общее описание
4.3 Работа гидравлических компенсаторов зазоров
4.4 Система смазки
4.5 Техническое обслуживание и ремонт
4.6 Проверка компрессии
4.7 Демонтаж и монтаж двигателя в сборе
4.8 Клиновой ремень
4.9 Опоры двигателя
4.10 Впускной коллектор и прокладка
4.11 Выпускной коллектор и прокладка
4.12 Крышка клапанного механизма и прокладка
4.13 Шкив коленчатого вала
4.14 Передняя крышка зубчатого ремня
4.15 Зубчатый ремень
4.16 Натяжитель зубчатого ремня
4.17 Зубчатое колесо распределительного вала
4.18 Зубчатое колесо коленчатого вала
4.19 Задняя крышка зубчатого ремня
4.20 Переднее уплотнение коленчатого вала
4.21 Распределительный вал. Гидрокомпенсаторы зазоров клапанов
4.22 Головка блока цилиндров
4.23 Ремонт головки блока цилиндров
4.24 Клапанные пружины. Уплотнения стержней клапанов
4.25 Демонтаж клапанов
4.26 Направляющие втулки клапанов
4.27 Развертывание отверстий втулок
4.28 Клапаны
4.29 Клапанные пружины
4.30 Седла клапанов
4.31 Масляный поддон
4.32 Приемный патрубок с масляным фильтром
4.33 Масляный насос
4.34 Ремонт масляного насоса
4.35 Поршни и шатуны
4.36 Маховик. Заднее уплотнение коленчатого вала
4.37 Коленчатый вал
4.38 Шатуны и коренные подшипники
4.39 Замена вкладышей
4.40 Поршневые пальцы и кольца
4.41 Блок цилиндров
4.42 Монтаж поршней
4.43 Балансировка диска с зубчатым венцом
4.44 Ремонт резьбовых отверстий
4.45 Диагностика неисправностей
5. Система охлаждения
5.0 Система охлаждения
5.2 Общее описание
5.3 Уход за системой охлаждения
5.4 Проверка термостата
5.5 Проверка герметичности системы охлаждения
5.6 Слив и заполнение системы охлаждающей жидкостью
5.7 Термостат
5.8 Водяной насос
5.9 Электрический вентилятор
5.10 Расширительный бачок
5.11 Датчик сигнализатора перегрева двигателя
5.12 Радиатор
5.13 Диагностика неисправностей системы охлаждения
6. Топливная и выхлопная системы
6.0 Топливная и выхлопная системы
6.2 Система впрыска топлива
6.3 Режимы функционирования системы
6.4. Основные узлы системы
7. Электрическое оборудование двигателя
7.0 Электрическое оборудование двигателя
7.2 Общее описание
7.3 Правила ухода за аккумулятором
7.4 Проверка аккумулятора
7.5 Зарядка аккумулятора
7.6 Аккумуляторная батарея
7.7 Система пуска двигателя
7.8 Диагностика неисправностей
7.9 Алгоритм диагностики неисправностей
7.10 Тяговое реле
7.11 Муфта свободного хода (МСХ)
7.12 Ремонт узлов стартера 5МТ и 10МТ
7.13 Генератор
7.14 Диагностика неисправностей генератора CS-121
7.15 Демонтаж генератора
7.16 Ремонт генератора CS-130
8. Система зажигания
8.0 Система зажигания
8.2 Диагностика неисправностей свечи зажигания
8.3 Распределитель зажигания
8.4 Катушка зажигания
8.5 Ремонт распределителя зажигания
8.6 Система регулирования опережения зажигания
8.7 Установка момента зажигания
9. Электронный блок управления и датчики
9.0 Электронный блок управления и датчики
9.2. Датчики
10. Сцепление
10.0 Сцепление
10.2 Общее описание
10.3 Диагностика неисправностей
10.4 Трос привода сцепления
10.5 Педаль сцепления
10.6 Ведомый и нажимной диски, привод сцепления
10.7 Удаление воздуха из гидравлического привода сцепления
10.8 Главный цилиндр
10.9 Рабочий цилиндр сцепления
10.10 Основные неисправности сцепления, их причины и способы устранения
11. Пятиступенчатая коробка передач и главная передача RPO MM5
11.0 Пятиступенчатая коробка передач и главная передача RPO MM5
11.2 Общее описание
11.3 Диагностика неисправностей
11.4 Возможные причины повышенного шума коробки передач
11.5 Проверка уровня трансмиссионного масла
11.6 Регулировка привода механизма переключения
11.7 Рычаг переключения передач
11.8 Напольный механизм управления коробкой передач
11.9 Тяга механизма управления
11.10 Промежуточный рычаг
11.11 Привод спидометра
11.12 Крышка механизма переключателя
11.13 Уплотнения полуосей
11.14 Трансмиссии в сборе
11.15 Разборка коробки передач и главной передачи
11.16 Характерные неисправности коробки передач и возможные причины
12. Автоматическая трансмиссия
12.0 Автоматическая трансмиссия
12.2 Термины, принятые сокращения и аббревиатуры
12.3 Общее описание трансмиссии
12.4 Основные узлы коробки передач
12.5 Методы локализации утечек рабочей жидкости
12.6 Проверка уровня рабочей жидкости в трансмиссии 4Т40-Е
12.7 Диагностика неисправностей узлов трансмиссии
13. Рулевое управление
13.0 Рулевое управление
13.2 Общее описание
13.3 Реечный рулевой механизм в сборе
13.4 Наконечники рулевых тяг
13.5 Рулевые тяги
13.6 Кожух картера рулевого механизма
13.7 Муфта рулевого вала
13.8 Уплотнительный чехол отверстия переднего щита кузова
13.9 Плунжер рейки
13.10 Вал-шестерня
13.11 Рейка
13.12 Игольчатый подшипник
13.13 Направляющая втулка рейки
13.14 Проверка нейтрального положения рейки
13.15 Рекомендации по замене уплотнений в гидроусилителе
13.16 Проверка уровня и долив рабочей жидкости
13.17 Удаление воздуха из гидросистемы
13.18 Рулевой механизм с гидроусилителем в сборе
13.19 Шланги и трубопроводы
13.20 Бачок
13.21 Наконечники рулевых тяг
13.22 Рулевые тяги
13.23 Втулки шарниров рулевых тяг
13.24 Муфта рулевого вала
13.25 Уплотнительный чехол
13.26 Трубопроводы гидроцилиндра
13.27 Регулировка предварительного натяга пружины плунжера
13.28 Уплотнения вала гидрораспределителя и верхний подшипник
13.29 Рулевой механизм
13.30 Проверка нейтрального положения рейки
13.31 Ремень привода насоса
13.32 Шкив привода насоса
13.33 Насос в сборе
13.34 Рычаги управления на рулевой колонке
13.35 Рулевое колесо
13.36 Замок зажигания
13.37 Рулевая колонка
13.38 Рычажной выключатель, рулевой вал, рулевая колонка (нерегулируемая)
13.39 Рычажной выключатель, рулевой вал, рулевая колонка (регулируемая)
14. Колеса и шины
14.0 Колеса и шины
14.2 Замена колес
14.3 Колесные болты
14.4 Обкатка шин
14.5 Хранение шин
14.6 Балансировка колес
14.7 Цепи противоскольжения
14.8 Проверка давления в шинах
14.9 Проверка профиля шин
14.10 Проверка вентиля
14.11 Углы установки колес автомобиля
14.12 Предварительная проверка технического состояния
14.13 Регулировка схождения передних колес
14.14 Проверка схождения задних колес
14.15 Проверка угла развала задних колес
14.16 Обозначения колесных дисков и шин
15. Передняя подвеска
15.0 Передняя подвеска
15.2 Общее описание
15.3 Проверка величины сил трения в подвеске
15.4 Проверка состояния подшипниковых опор и шаровых шарниров
15.5 Стабилизатор
15.6 Стойка в сборе с подшипниковой опорой
15.7 Нижний рычаг
15.8 Шаровой шарнир
15.9 Ступица и подшипник колеса
15.10 Верхняя опора
15.11 Пружины
15.12 Амортизатор
15.13 Втулки шарниров нижнего рычага
16. Привод передних колес
16.0 Привод передних колес
16.2 Общее описание
16.3 Карданные валы в сборе
16.4 Наружное отражательное кольцо
16.5 Чехол наружного шарнира
16.6 Наружный шарнир
16.7 Чехол внутреннего шарнира типа «Трипод»
16.8 Чехол шарнира типа «Лебро» с перекрестными канавками
16.9 Уплотнение карданного вала в картере трансмиссии
17. Задняя подвеска
17.0 Задняя подвеска
17.2 Общее описание
17.3 Техническое обслуживание и ремонт
17.4 Проверка величины сил трения в подвеске
17.5 Подшипники колес
17.6 Амортизатор
17.7 Стабилизатор
17.8 Пружины
17.9 Втулки шарниров задней подвески
17.10 Задняя подвеска в сборе
17.11 Ступица
18. Тормозная система
18.0 Тормозная система
18.2 Общее описание
18.3 Проверка технического состояния тормозной системы
18.4 Заполнение бачка главного тормозного цилиндра
18.5 Удаление воздуха из тормозной системы
18.6 Промывка тормозной системы
18.7 Проверка регулятора тормозных сил
18.8 Тормозные шланги (передние)
18.9 Тормозные шланги (задние)
18.10 Стояночный тормоз
18.10. Рычаг стояночного тормоза
18.11 Проверка состояния передних тормозных накладок
18.12 Проверка состояния задних тормозных накладок
18.13 Тормозные диски
18.14 Тормозные барабаны
18.15 Тормозная педаль
18.16 Главный тормозной цилиндр
18.17 Бачок
18.18 Регуляторы тормозных сил (пропорциональные клапаны)
18.19 Главный тормозной цилиндр в сборе
18.20 Ремонт главного тормозного цилиндра
18.21 Дисковый тормозной механизм
18.22 Колодки и накладки
18.23 Защитный чехол поршня
18.24 Тормозной диск
18.25 Суппорт
18.26 Щиток
18.27 Ремонт суппорта
18.28 Барабанный тормозной механизм
18.29 Регулировка тормозного механизма
18.30 Регулировка стояночного тормоза
18.31 Опорный тормозной диск
18.32 Колесный цилиндр
18.33 Ремонт колесного цилиндра
18.34 Вакуумный усилитель тормозов
18.35. Антиблокировочная система тормозов
18.36 Удаление воздуха из тормозного гидравлического привода
18.37 Удаление воздуха из тормозного гидравлического привода вручную
18.38 Клапан для удаления воздуха из блока модуляторов
18.39 Электромагнитные клапаны модуляторов
18.40 Блок гидравлических модуляторов с электродвигателями
18.41 Электронный блок управления торможением
18.42 Датчик угловой скорости переднего колеса
18.43 Гибкая проводка ДУС переднего колеса
18.44 Датчик угловой скорости заднего колеса
18.45. Гибкая проводка ДУС заднего колеса
18.46 Системный электрический предохранитель
18.47 Реле АБС
18.48 Сигнализаторы
19. Кузов
19.0 Кузов
19.2 Идентификация и использование ключей
19.3 Приклеиваемые боковые молдинги
19.4 Диагностика и ремонт негерметичности кузова
19.5 Антикоррозионная обработка
19.6. Демонтаж уплотнений ветрового и заднего стекол
19.7. Ветровое стекло
19.8. Заднее стекло (кузов седан)
19.9 Стекло задней двери (кузов хетчбек)
19.10 Треугольное боковое стекло
19.11. Устранение негерметичности уплотнений
19.12. Зеркало заднего вида
19.13. Электрообогреватель заднего стекла
19.14. Бамперы
19.15 Наружная вентиляционная решетка
19.16 Выключатель передней двери
19.17 Капот
19.18 Петли капота
19.19 Упор капота
19.20 Запорное устройство капота
19.21 Предохранительная защелка капота
19.22 Трос защелки капота
19.23 Решетка радиатора
19.24 Переднее крыло
19.25. Панели обивки дверей
19.26. Оборудование дверей (передние и задние двери)
19.27. Дверные замки
19.28. Стекла дверей
19.29 Наружные зеркала заднего вида
19.30 Демонтаж и монтаж передних и задних дверей
19.31. Задние панели обивки (кузов хетчбек)
19.32. Панели обивки (кузов седан)
19.33 Наружная панель
19.34 Вентиляционнай клапан (кузов хетчбек)
19.35 Лючок горловины топливного бака
19.36. Открывающиеся форточки (кузов хетчбек)
19.37. Задняя полка (кузов седан)
19.38 Крышка багажного отделения (кузов хетчбек)
19.39 Накладка задней стенки багажника (кузов седан)
19.40. Крышка багажника (кузов седан)
19.41 Задний комбинированный фонарь
19.42. Задняя дверь (кузов хетчбек)
19.43 Крыша
19.44 Панель потолка
19.45 Противосолнечные козырьки
19.46 Плафон внутреннего освещения
19.47. Панели и оборудование салона
19.48 Наружные продольные накладки крыши
19.49. Вентиляционный люк
19.50. Передние сиденья
19.51. Заднее сиденье
20. Система отопления, вентиляции и кондиционирования воздуха
20.0 Система отопления, вентиляции и кондиционирования воздуха
20.2 Система кондиционирования воздуха
20.3 Диагностика неисправностей
20.4 Особенности кондиционера
20.5 Работа системы кондиционирования воздуха
20.6. Управление системой кондиционирования воздуха
20.7 Реле и выключатели
20.8. Диагностика неисправностей
20.9. Техническое обслуживание
20.10. Снятие и установка узлов системы кондиционирования воздуха
20.11 Компрессор V-5 – описание работы
21. Электрооборудование
21.0 Электрооборудование
21.2 Обозначения элементов электрооборудования
21.3 Обозначение цвета проводов
21.4 Идентификационная табличка ЭБУ
21.5. Электрические разъемы, предохранители и реле
21.6. Электрические схемы
automend.ru
Ремонт Дэу Нексия своими руками. Ремонт Daewoo Nexia 8 и 16 клапанов
Сайт etlib.ru предоставляет доступ к обширному каталогу материалов, который делает ремонт Дэу Нексия своими руками доступным каждому. Здесь имеются различные видео, фотоотчеты, инструкции и советы по обслуживанию, ремонту и эксплуатации Дэу Нексия.
Информация постоянно дополняется и умножается, представляя таким образом лучшую альтернативу руководства по ремонту Дэу Нексия. Обычный мануал содержит в себе статичный набор инструкций, в лучше случае дополненный несколькими фото. В свою очередь, каталог материалов по ремонту Дэу Нексия этим не ограничивается, и дает возможность бесплатно взглянуть на видео по ремонту своими руками, прямо спросить совета у настоящих экспертов авторемонта, или поделиться собственными наблюдениями, помогая собрату автовладельцу.
А помощь, безусловно понадобиться: хоть Дэу Нексия и весьма хороший автомобиль, но все же заставляет своих владельцев задумываться над такими вещами как: замена клапанов или замена ремня ГРМ. Случаются задачи и попроще, навроде замены подшипника или замены замка. Ну, и конечно — замена масла — процедура периодического ТО, знакомая каждому водителю.
Экскурс в историю Дэу Нексия
Daewoo, как известно, южнокорейская компания, но Дэу Нексия имеет и немецкие корни. Автомобиль бы разработан концерном Opel на основе Opel Kadett, а впоследствии был модернизирован Дэу. Некогда Дэу Нексия собиралась на заводах Южной Кореи, Египта, Вьетнама и Румынии, но с 1996-го до настоящего времени авто производится только в Узбекистане. Пережив рестайлы и два поколения, Дэу Нексия снискала популярность у водителей, о чем свидетельствует “тираж” машин в 500,000 экземпляров.
Комплектация и типы Дэу Нексия
Daewoo Nexia долгое время оснащалась одним 1.5 двигателем, который менялся по мере своего морального устарения. Мощность этого двигателя была вполне приличной — до 100 лошадиных сил — при наличии 16-ти клапанной головки блока цилиндров. Но она встречалась достаточно редко, куда чаще шла 8-клапанная, с которой двигатель выдавал 75 “лошадок”. В 2008 году, на смену не отвечавшим требованиям Евро-3 движкам, пришел двигатель 1.6, мощностью в 109 лошадиных сил.
Нексия имеет три варианта кузова:
- седан;
- трех дверный хэтчбек;
- пяти дверный хэтчбек.
При этом на российском рынке Daewoo Nexia продавалась только в кузове седан двух комплектаций: GL и GLE. Базовая GL выглядит аскетичной — простенькая магнитола да кондиционер. Люксовая GLE же имеет более привлекательный внешний вид — декоративные колпаки, шильдики, крашенные бамперы, солнцезащитная полоса на лобовом… К тому же расширенная комплектация оборудована электростеклопдъемниками, центральным замком, мягкой оббивкой дверей. Предусмотрена установка кондиционера и ГУРа, но не все машины были ими оснащены.
Новая Нексия
После рестайла 2008-го года, который обновил бамперы, фары и интеръер Нексии (помимо нового движка), настала пора второго поколения, которое пришлось на 2015 год. С этого времени на конвейере началось постепенное замещение Daewoo Nexia Ravon Nexia — бюджетной моделью, которая является результатом слияния седана и хэтчбека Шевроле Авео.
Подробнееetlib.ru
Двигатель (один верхний распределительный вал) Daewoo Nexia. Описание, схемы, фото
- Руководства по ремонту
- Руководство по ремонту Дэу Нексия 94+ г.в.
- Двигатель (один верхний распределительный вал)
3.0 Двигатель (один верхний распределительный вал)
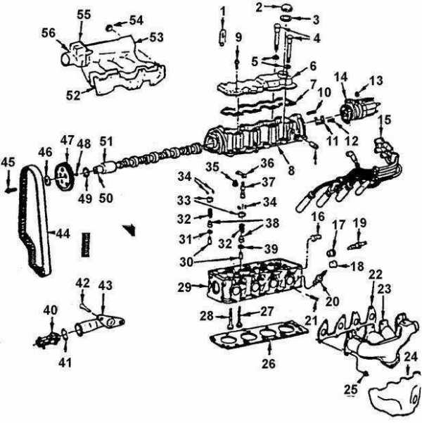
Верхняя часть двигателя (1,5 л, Р4 SOHC) 1. ПРОУШИНА ДЛЯ ПОДЪЕМА ДВИГАТЕЛЯ 2. КРЫШКА ЗАЛИВНОЙ ГОРЛОВИНЫ 3. УПЛОТНЕНИЕ КРЫШКИ 4. БОЛТ КРЕПЛЕНИЯ ГОЛОВКИ 5. ШАЙБА 6. КРЫШКА КОРПУСА РАСПРЕДВАЛА 7. ПРОКЛАДКА 8. КОРПУС РАСПРЕДВАЛА 9. БОЛТ КРЕПЛЕНИЯ КРЫШКИ 10. БОЛТ 11….
3.1 Технические характеристики
Общие характеристики Тип двигателя Рядный, 4-цилиндровый Рабочий объем 1,5 л Код двигателя в идентификационном номере автомобиля 1 Диаметр цилиндра 76,5 мм Ход поршня 81,5 мм Степень сжатия 8,6 Порядок работы цилиндров 1–3–4–2 Угол фаски кла…
3.2 Система смазки
Смазочная система двигателя Принудительная система смазки включает в себя полнопоточный масляный фильтр и шестеренный насос. Насос забирает масло из поддона, которое проходит через приемный сетчатый фильтр, и подает его в систему смазки через масляный фильтр. На двигателе установле…
3.3 Техническое обслуживание и ремонт двигателя
Для исключения возможностей повреждения двигателя и снижения его надежности необходимо внимательно изучить и соблюдать приведенные ниже рекомендации. Запрещается поднимать или опирать поднятый двигатель на масляный поддон. В этом случае возможна деформация поддона и повреждение приемного фильтр…
3.4 Проверка компрессии
Предупреждение Отсоединить клемму «ВАТ» от блока зажигания или распределителя. Компрессия в цилиндрах двигателя проверяется для определения технического состояния поршневых колец и плотности прилегания клапанов к седлам. Компрессию проверяют при открытых дроссельной и воздушной заслонках, в…
3.5 Демонтаж и монтаж двигателя в сборе
Снять или отсоединить ПОРЯДОК ВЫПОЛНЕНИЯ 1. Реле топливного насоса. 2. Запустить двигатель и дать ему поработать до остановки. 3. Прокрутить коленчатый вал в течение 10 секунд.
4. Отрицательный провод аккумуляторной батареи и «массовый» провод двигателя.
5. Слить ох…
3.6 Опоры двигателя
Предупреждение Во избежание травмирования следует внимательно следить за правильностью установки и надежностью крепления двигателя к технологической траверсе, устанавливаемой над моторным отсеком. Двигатель в сборе. Опоры двигателя 201. КРОНШТЕЙН ЗАДНЕЙ ОПОРЫ 202. БОЛТ…
3.7 Впускной коллектор и прокладка
Впускной коллектор А. ВАКУУМНЫЙ ШЛАНГ РЕГУЛЯТОРА ДАВЛЕНИЯ В. ШЛАНГ ТОРМОЗНОГО УСИЛИТЕЛЯ С. ВАКУУМНЫЙ ШЛАНГ РЕСИВЕРА КОНДИЦИОНЕРА ВОЗДУХА D. ВАКУУМНЫЙ ШЛАНГ БАЧКА Е. ВАКУУМНЫЙ ШЛАНГ ДАТЧИКА ДАВЛЕНИЯ ВО ВПУСКНОМ ТРУБОПРОВОДЕ F. ШЛАНГ ВЕНТИЛЯЦИИ КАРТЕРА G. ПРОДУВОЧНЫЙ ШЛАНГ БАЧКА…
3.8 Выпускной коллектор и прокладка
Выпускной коллектор А. ПРОВОДА СВЕЧЕЙ ЗАЖИГАНИЯ 23. ВЫПУСКНОЙ КОЛЛЕКТОР 25. ГАЙКИ ПОСЛЕДОВАТЕЛЬНОСТЬ ОТВИНЧИВАНИЯ 8–7–6–5–4–3–2–1 ПОСЛЕДОВАТЕЛЬНОСТЬ ЗАТЯЖКИ 1–2–3–4–5–6–7–8 Теплозащитный кожух выпускного коллектора А. ПРОВОДА СВЕЧЕЙ ЗАЖИГАНИЯ В. БОЛТЫ ТЕПЛОЗА…
3.9 Крышка корпуса распредвала
Снять или отсоединить ПОРЯДОК ВЫПОЛНЕНИЯ 1. Шланг воздухочистителя и шланг сапуна. 2. Болты 9 и крышку корпуса распредвала. 3. Уплотняемые поверхности крышки 6 и корпуса 8 распредвала. Установить или присоединить ПОРЯДОК ВЫПОЛНЕНИЯ 1. Новую проклад…
3.10 Шкив коленчатого вала
Снять или отсоединить ПОРЯДОК ВЫПОЛНЕНИЯ 1. Отрицательный провод аккумуляторной батареи. 2. Ослабить крепление генератора и освободить приводной ремень. 3. Ослабить крепление компрессора кондиционера и освободить приводной ремень.
4. Вывинтить болт 144 крепления шкива….
3.11 Передняя крышка зубчатого ремня
Снять или отсоединить ПОРЯДОК ВЫПОЛНЕНИЯ 1. Отрицательный провод аккумуляторной батареи. 2. Ремень со шкива генератора. 3. Ремень со шкива компрессора.
4. Демонтировать насос рулевого усилителя с трубопроводами.
5. Переднюю крышку зубчатого ремня. Установи…
3.12 Зубчатое колесо распределительного вала
Зубчатое колесо распредвала 44. ЗУБЧАТЫЙ РЕМЕНЬ 45. БОЛТ КРЕПЛЕНИЯ ЗУБЧАТОГО КОЛЕСА 47. ЗУБЧАТОЕ КОЛЕСО РАСПРЕДВАЛА 51. РАСПРЕДВАЛ Снять или отсоединить ПОРЯДОК ВЫПОЛНЕНИЯ 1. Переднюю крышку зубчатого ремня и крышку 6 корпуса распредвала. 2. Зубчатый реме…
3.13 Зубчатое колесо коленчатого вала
Снять или отсоединить ПОРЯДОК ВЫПОЛНЕНИЯ 1. Болт 144 крепления шкива и шкив 145. 2. Переднюю крышку зубчатого ремня. 3. Зубчатый ремень 44.
4. Болт 143 крепления шкива, стопорную шайбу 142 и зубчатое колесо. Установить или присоединить ПОРЯДОК ВЫПОЛНЕНИЯ …
3.14 Задняя крышка зубчатого ремня
Задняя крышка зубчатого ремня А. МЕТКА НА ШКИВЕ КОЛЕНЧАТОГО ВАЛА В. УКАЗАТЕЛЬ НА ЗАДНЕЙ КРЫШКЕ ЗУБЧАТОГО РЕМНЯ Снять или отсоединить ПОРЯДОК ВЫПОЛНЕНИЯ 1. Зубчатый ремень. 2. Зубчатое колесо с распредвала. 3. Болты задней крышки (включая нижний болт). …
3.15 Регулировка натяжения зубчатого ремня
Установка коленчатого вала по метке на шкиве 43. БОЛТ КРЕПЛЕНИЯ ЗУБЧАТОГО КОЛЕСА 44. ЗУБЧАТЫЙ РЕМЕНЬ А. МЕТКА НА ШКИВЕ КОЛЕНЧАТОГО ВАЛА В. УКАЗАТЕЛЬ НА ЗАДНЕЙ КРЫШКЕ ЗУБЧАТОГО РЕМНЯ Регулировка натяжителя ремня Отрегулировать ПОРЯДОК ВЫ…
3.16 Проверка углового положения распределительного вала
При проведении операций, связанных с демонтажом и монтажом зубчатого ремня, головки цилиндров, распредвала или коленчатого вала, необходимо контролировать натяжение зубчатого ремня. Правильное угловое положение распредвала 47. ЗУБЧАТОЕ КОЛЕСО РАСПРЕДВАЛА С. МЕТКА НА ЗУБЧАТОМ КОЛЕ…
3.17 Переднее уплотнение коленчатого вала
Монтаж переднего уплотнения коленчатого вала 137. МАСЛЯНЫЙ НАСОС Снять или отсоединить ПОРЯДОК ВЫПОЛНЕНИЯ 1. Зубчатое колесо 141. 2. Шпонку 129 и упорную шайбу 140. 3. Заднюю крышку зубчатого ремня.
4. Переднее уплотнение 139. Установить или…
3.18 Распределительный вал. Рычаги. Гидрокомпенсаторы зазоров
Зубчатое колесо распредвала 47. ЗУБЧАТОЕ КОЛЕСО РАСПРЕДВАЛА Снять или отсоединить ПОРЯДОК ВЫПОЛНЕНИЯ 1. Крышку 6 корпуса распредвала. 2. Для удержания клапанов подвести сжатый воздух в цилиндры двигателя через переходники, ввернутые в свечные отверстия. …
3.19 Клапанные пружины. Уплотнения стержней клапанов
Снять или отсоединить ПОРЯДОК ВЫПОЛНЕНИЯ 1. Крышку 6 корпуса распредвала. 2. Клапан рециркуляции отработавших газов для установки монтажного приспособления. 3. Свечи зажигания 20. Для удержания клапанов подвести сжатый воздух в цилиндры двигателя через переходники, ввернуты…
3.20 Головка цилиндров. Корпус распределительного вала
Последовательность демонтажа болтов головки цилиндров Последовательность затяжки болтов головки цилиндров Последовательные стадии затяжки болтов головки цилиндров Предупреждение При демонтаже головки цилиндров или корпуса распредвала не…
3.21 Ремонт головки блока цилиндров
Очистка направляющих втулок клапанов Проверка плоскостности поверхности прилегания головки блока цилиндров Измерение высоты головки блока цилиндров А = 96 ± 0,25 мм Предупреждение Перед демонтажем головки блока цилиндров и механизма газо…
3.22 Демонтаж клапанов
Разобрать ПОРЯДОК ВЫПОЛНЕНИЯ Снять клапаны и клапанные пружины. Предупреждение При разборке механизма газораспределения необходимо сохранить комплектацию деталей в отдельных группах и при сборке установить их строго на те же места, которые они занимали до разборки. В противном с…
3.23 Направляющие втулки клапанов
Измерение зазора между клапаном и направляющей втулкой Развертывание отверстий втулок Измерить ПОРЯДОК ВЫПОЛНЕНИЯ Зазоры между стержнем клапана и втулкой. Можно использовать два способа измерения. – Вставить клапан во втулку. Приподнят…
3.24 Развертывание отверстий втулок
Предупреждение Во избежание поломок режущих кромок и заедания развертки следует ограничить прикладываемый к развертке момент. Предварительно необходимо тщательно очистить отверстия втулок от нагара и смолистых отложений. Не давить сильно на развертку. Клапаны с увеличенным диаметром стержня …
3.25 Клапаны
Характер износа наконечника стержня клапана Зоны износа клапана 1. НАКОНЕЧНИК СТЕРЖНЯ 2. КАНАВКА ДЛЯ УСТАНОВКИ СУХАРЕЙ 3. НАИМЕНЕЕ ИЗНАШИВАЕМЫЙ УЧАСТОК СТЕРЖНЯ 4. НАИБОЛЕЕ ИЗНАШИВАЕМЫЕ УЧАСТКИ СТЕРЖНЯ 5. ФАСКА 6. КРОМКА Измерить ПОРЯДОК В…
3.26 Клапанные пружины
Проверить ПОРЯДОК ВЫПОЛНЕНИЯ Состояние клапанных пружин. Параллельность торцов пружины. Если торцы не параллельны, пружина погнута и подлежит замене. Опорные тарелки пружин на износ и выработку канавок. Дефектные тарелки заменить.
3.27 Седла клапанов
Установка направляющего стержня шлифовальной машинки 1. НАПРАВЛЯЮЩИЙ СТЕРЖЕНЬ Шлифовальная головка для обработки седел клапанов Размеры фасок седел клапанов 1. СЕДЛО ВПУСКНОГО КЛАПАНА 2. СЕДЛО ВЫПУСКНОГО КЛАПАНА Притирка клапанов …
3.28 Уплотнения клапанов
Предупреждение Надеть монтажную втулку с уплотнением на конец стержня клапана и слегка смазать маслом. Перед монтажом обрезать монтажную втулку на нужную длину. Продвинуть новое уплотнение вдоль стержня клапана и надеть на направляющую втулку. Снять монтажную втулку.
3.29 Высота стержня клапана относительно головки блока цилиндров
Измерение высоты стержня клапана с помощью скобы 1. МИНИМАЛЬНЫЙ ЗАЗОР МЕЖДУ СКОБОЙ И НАКОНЕЧНИКОМ СТЕРЖНЯ КЛАПАНА РАВЕН 0,38 MM (ПЛОСКИЙ ЩУП ТОЛЩИНОЙ 0,38 MM ИМЕЕТСЯ В РЕМОНТНОМ КОМПЛЕКТЕ ВТ-3005 КАРБЮРАТОРА) 2. ИЗМЕРИТЕЛЬНАЯ СКОБА 3. МЕСТА ОПИРАНИЯ СКОБЫ НА ГОЛОВКУ БЛОКА ЦИЛИНДРО…
3.30. Толкатели клапанов с гидрокомпенсаторами зазоров
(Категория). Список материалов смотрите внутри…
3.31 Масляный поддон
Привалочная плоскость для монтажа масляного поддона А. НАНЕСТИ ГЕРМЕТИК НА ПЛОСКОСТЬ СТЫКА Снять или отсоединить ПОРЯДОК ВЫПОЛНЕНИЯ 1. Отрицательный провод батареи. 2. Поднять и закрепить автомобиль. 3. Вывинтить сливную пробку и слить масло из поддона. …
3.32 Приемный патрубок с масляным фильтром
Снять или отсоединить ПОРЯДОК ВЫПОЛНЕНИЯ 1. Масляный поддон 125. 2. Кронштейн 132 приемного патрубка. 3. Приемный патрубок 130 с уплотнением 131. Установить или присоединить ПОРЯДОК ВЫПОЛНЕНИЯ 1. Новое уплотнение 131 во входное отверстие масляного насос…
3.33 Масляный насос
Масляный насос 1. КОРПУС НАСОСА 2. ПРОБКА 3. УПЛОТНЕНИЕ 4. ВЕДУЩАЯ ШЕСТЕРНЯ 5. ВЕДОМАЯ ШЕСТЕРНЯ 6. КРЫШКА 7. ВИНТ Мб 8. ПРОКЛАДКА 9. ВТУЛКА 10. КЛАПАН СЛИВНОЙ 11. БОЛТ 12. КОЛЬЦО 13. ПРУЖИНА КЛАПАНА 14. ПЛУНЖЕР 15. БОЛТ С ШАЙБОЙ Масляный насос …
3.34 Ремонт масляного насоса
Предупреждение При ремонте масляного насоса следует очистить масляный поддон от грязи, заменить масляный фильтр и заменить моторное масло свежим. Разобрать ПОРЯДОК ВЫПОЛНЕНИЯ 1. Слить масло из насоса. 2. Приемный патрубок в сборе с фильтром. 3. Крышку насоса.
4. Шест…
3.35 Поршни и шатуны
Снять или отсоединить ПОРЯДОК ВЫПОЛНЕНИЯ 1. Масляный поддон 125, масляный насос 137, головку цилиндров 29. 2. Опустить поршень 160 в низшее положение. Удалить буртик на зеркале цилиндра. 3. Снять крышку 157 нижней головки и вкладыши 158 шатунного подшипника. Предварительно …
3.36 Маховик. Заднее уплотнение коленчатого вала
Снять или отсоединить ПОРЯДОК ВЫПОЛНЕНИЯ 1. Картер трансмиссии. 2. Крепежные болты и маховик 116. 3. Кожух сцепления и ведомый диск 115 сцепления (только коробка передач с ручным управлением).
4. Вынуть заднее уплотнение 117. Очистить посадочное гнездо уплотнения в блоке…
3.37 Коленчатый вал
Проверка бокового зазора шатуна А. ИЗМЕРЕНИЕ БОКОВОГО ЗАЗОРА ШАТУНА Снять или отсоединить ПОРЯДОК ВЫПОЛНЕНИЯ 1. Двигатель. 2. Слить масло. 3. Установить двигатель на стенд.
4. Вывинтить свечи зажигания 20.
5. Шкив 145 со ступицей.
6. Крышку з…
3.38 Шатуны и коренные подшипники
Маркировка вкладышей коренных подшипников В коренных подшипниках используются прецизионные вкладыши, которые поставляются в запасные части комплектами с номинальными и уменьшенными размерами (см. рис. Маркировка вкладышей коренных подшипников).
3.39 Замена вкладышей
Измерение зазора коренного подшипника Монтаж упорных подшипников коленчатого вала 1. УПОРНЫЕ БУРТИКИ СРЕДНЕГО КОРЕННОГО ПОДШИПНИКА 2. ДЕРЕВЯННЫЙ БРУСОК Измерение осевого зазора коленчатого вала Измерение боковых зазоров шатунов …
3.40 Поршневая группа и шатуны
Монтаж предохранительных трубок на шатунные болты 1. Использовать короткие куски шланга диаметром 3/8 дюйма в качестве направляющих при демонтаже поршней в сборе с шатунами. Снять или отсоединить ПОРЯДОК ВЫПОЛНЕНИЯ 1. Пометить поршни порядковыми номерами цилиндров…
3.41 Поршневые пальцы и кольца
Демонтаж поршневого пальца Измерение зазора в замке поршневого кольца 1. ПЛОСКИЙ ЩУП 2. ПОРШНЕВОЕ КОЛЬЦО 3. ЗАЗОР В ЗАМКЕ КОЛЬЦА, КОТОРОЕ УСТАНОВЛЕНО В ЦИЛИНДРЕ В НИЖНЕЕ ПОЛОЖЕНИЕ Измерение бокового зазора кольца в канавке ИЗМЕРЕНИЕ БОКОВОГО ЗА…
3.42 Блок цилиндров
Проверка плоскостности поверхности прилегания головки блока цилиндров 1. ПРЯМОЛИНЕЙНЫЙ СТЕРЖЕНЬ 2. ПЛОСКИЙ ЩУП Измерение диаметра отверстия подшипника 1. НУТРОМЕР 2. БЛОК ЦИЛИНДРОВ Измерение конусности и овальности цилиндра Профиль изношенн…
3.43 Монтаж поршней
Место замера диаметра цилиндра Измерение поршня КОНУСНОСТЬ ПОРШНЯ. Измерить диаметр поршня на уровне оси отверстия под палец и диаметр юбки. ДИАМЕТР ПОРШНЯ. Измерить диаметр поршня в сечении которое находится ниже оси отверстия под палец на 19 мм. Предупрежд…
3.44 Балансировка диска с зубчатым венцом
Расположение балансировочных грузов на диске Балансировка диска производится с помощью грузов, закрепляемых за края отверстий диска. ПОРЯДОК ВЫПОЛНЕНИЯ 1. Пометить диск в четырех местах, отстоящих друг от друга на 90 градусов. 2. Установить на одно из помеченны…
3.45 Ремонт резьбовых отверстий
Ремонт резьбовых отверстий Предупреждение Во избежание травмирования глаз использовать защитные очки. Дефектные резьбовые отверстия могут быть отремонтированы путем рассверливания, нарезания резьбы большего диаметра и установки ввертных резьбовых втулок. ПОРЯДОК ВЫПО…
3.46. Диагностика неисправностей двигателя
(Категория). Список материалов смотрите внутри…
↓ Комментарии ↓
1. Панель приборов и органы управления
1.0 Панель приборов и органы управления
1.1. Переключатели и включатели
1.2 Оборудование салона и кузова
1.3 Вентиляция, отопление и кондиционирование салона
1.4. Техническое обслуживание автомобиля
1.5. Комбинация приборов
2. Техническое обслуживание
2.0 Техническое обслуживание
2.1 Общие инструкции по ремонту
2.2 Идентификационный номер автомобиля
2.3 Подъем автомобиля
2.4 Техническое обслуживание автомобиля
2.5. Контрольные осмотры и техобслуживание, проводимые владельцем
2.6 Моменты затяжки резьбовых соединений
2.7 Характеристики автомобиля с системой многоточечного впрыска топлива
2.8 Характеристики автомобилей (2 верхних распределительных вала двигателя)
2.9 Размеры и масса автомобилей
3. Двигатель (один верхний распределительный вал)
3.0 Двигатель (один верхний распределительный вал)
3.1 Технические характеристики
3.2 Система смазки
3.3 Техническое обслуживание и ремонт двигателя
3.4 Проверка компрессии
3.5 Демонтаж и монтаж двигателя в сборе
3.6 Опоры двигателя
3.7 Впускной коллектор и прокладка
3.8 Выпускной коллектор и прокладка
3.9 Крышка корпуса распредвала
3.10 Шкив коленчатого вала
3.11 Передняя крышка зубчатого ремня
3.12 Зубчатое колесо распределительного вала
3.13 Зубчатое колесо коленчатого вала
3.14 Задняя крышка зубчатого ремня
3.15 Регулировка натяжения зубчатого ремня
3.16 Проверка углового положения распределительного вала
3.17 Переднее уплотнение коленчатого вала
3.18 Распределительный вал. Рычаги. Гидрокомпенсаторы зазоров
3.19 Клапанные пружины. Уплотнения стержней клапанов
3.20 Головка цилиндров. Корпус распределительного вала
3.21 Ремонт головки блока цилиндров
3.22 Демонтаж клапанов
3.23 Направляющие втулки клапанов
3.24 Развертывание отверстий втулок
3.25 Клапаны
3.26 Клапанные пружины
3.27 Седла клапанов
3.28 Уплотнения клапанов
3.29 Высота стержня клапана относительно головки блока цилиндров
3.30. Толкатели клапанов с гидрокомпенсаторами зазоров
3.31 Масляный поддон
3.32 Приемный патрубок с масляным фильтром
3.33 Масляный насос
3.34 Ремонт масляного насоса
3.35 Поршни и шатуны
3.36 Маховик. Заднее уплотнение коленчатого вала
3.37 Коленчатый вал
3.38 Шатуны и коренные подшипники
3.39 Замена вкладышей
3.40 Поршневая группа и шатуны
3.41 Поршневые пальцы и кольца
3.42 Блок цилиндров
3.43 Монтаж поршней
3.44 Балансировка диска с зубчатым венцом
3.45 Ремонт резьбовых отверстий
3.46. Диагностика неисправностей двигателя
4. Двигатель (два верхних распределительных вала)
4.0 Двигатель (два верхних распределительных вала)
4.2 Общее описание
4.3 Работа гидравлических компенсаторов зазоров
4.4 Система смазки
4.5 Техническое обслуживание и ремонт
4.6 Проверка компрессии
4.7 Демонтаж и монтаж двигателя в сборе
4.8 Клиновой ремень
4.9 Опоры двигателя
4.10 Впускной коллектор и прокладка
4.11 Выпускной коллектор и прокладка
4.12 Крышка клапанного механизма и прокладка
4.13 Шкив коленчатого вала
4.14 Передняя крышка зубчатого ремня
4.15 Зубчатый ремень
4.16 Натяжитель зубчатого ремня
4.17 Зубчатое колесо распределительного вала
4.18 Зубчатое колесо коленчатого вала
4.19 Задняя крышка зубчатого ремня
4.20 Переднее уплотнение коленчатого вала
4.21 Распределительный вал. Гидрокомпенсаторы зазоров клапанов
4.22 Головка блока цилиндров
4.23 Ремонт головки блока цилиндров
4.24 Клапанные пружины. Уплотнения стержней клапанов
4.25 Демонтаж клапанов
4.26 Направляющие втулки клапанов
4.27 Развертывание отверстий втулок
4.28 Клапаны
4.29 Клапанные пружины
4.30 Седла клапанов
4.31 Масляный поддон
4.32 Приемный патрубок с масляным фильтром
4.33 Масляный насос
4.34 Ремонт масляного насоса
4.35 Поршни и шатуны
4.36 Маховик. Заднее уплотнение коленчатого вала
4.37 Коленчатый вал
4.38 Шатуны и коренные подшипники
4.39 Замена вкладышей
4.40 Поршневые пальцы и кольца
4.41 Блок цилиндров
4.42 Монтаж поршней
4.43 Балансировка диска с зубчатым венцом
4.44 Ремонт резьбовых отверстий
4.45 Диагностика неисправностей
5. Система охлаждения
5.0 Система охлаждения
5.2 Общее описание
5.3 Уход за системой охлаждения
5.4 Проверка термостата
5.5 Проверка герметичности системы охлаждения
5.6 Слив и заполнение системы охлаждающей жидкостью
5.7 Термостат
5.8 Водяной насос
5.9 Электрический вентилятор
5.10 Расширительный бачок
5.11 Датчик сигнализатора перегрева двигателя
5.12 Радиатор
5.13 Диагностика неисправностей системы охлаждения
6. Топливная и выхлопная системы
6.0 Топливная и выхлопная системы
6.2 Система впрыска топлива
6.3 Режимы функционирования системы
6.4. Основные узлы системы
7. Электрическое оборудование двигателя
7.0 Электрическое оборудование двигателя
7.2 Общее описание
7.3 Правила ухода за аккумулятором
7.4 Проверка аккумулятора
7.5 Зарядка аккумулятора
7.6 Аккумуляторная батарея
7.7 Система пуска двигателя
7.8 Диагностика неисправностей
7.9 Алгоритм диагностики неисправностей
7.10 Тяговое реле
7.11 Муфта свободного хода (МСХ)
7.12 Ремонт узлов стартера 5МТ и 10МТ
7.13 Генератор
7.14 Диагностика неисправностей генератора CS-121
7.15 Демонтаж генератора
7.16 Ремонт генератора CS-130
8. Система зажигания
8.0 Система зажигания
8.2 Диагностика неисправностей свечи зажигания
8.3 Распределитель зажигания
8.4 Катушка зажигания
8.5 Ремонт распределителя зажигания
8.6 Система регулирования опережения зажигания
8.7 Установка момента зажигания
9. Электронный блок управления и датчики
9.0 Электронный блок управления и датчики
9.2. Датчики
10. Сцепление
10.0 Сцепление
10.2 Общее описание
10.3 Диагностика неисправностей
10.4 Трос привода сцепления
10.5 Педаль сцепления
10.6 Ведомый и нажимной диски, привод сцепления
10.7 Удаление воздуха из гидравлического привода сцепления
10.8 Главный цилиндр
10.9 Рабочий цилиндр сцепления
10.10 Основные неисправности сцепления, их причины и способы устранения
11. Пятиступенчатая коробка передач и главная передача RPO MM5
11.0 Пятиступенчатая коробка передач и главная передача RPO MM5
11.2 Общее описание
11.3 Диагностика неисправностей
11.4 Возможные причины повышенного шума коробки передач
11.5 Проверка уровня трансмиссионного масла
11.6 Регулировка привода механизма переключения
11.7 Рычаг переключения передач
11.8 Напольный механизм управления коробкой передач
11.9 Тяга механизма управления
11.10 Промежуточный рычаг
11.11 Привод спидометра
11.12 Крышка механизма переключателя
11.13 Уплотнения полуосей
11.14 Трансмиссии в сборе
11.15 Разборка коробки передач и главной передачи
11.16 Характерные неисправности коробки передач и возможные причины
12. Автоматическая трансмиссия
12.0 Автоматическая трансмиссия
12.2 Термины, принятые сокращения и аббревиатуры
12.3 Общее описание трансмиссии
12.4 Основные узлы коробки передач
12.5 Методы локализации утечек рабочей жидкости
12.6 Проверка уровня рабочей жидкости в трансмиссии 4Т40-Е
12.7 Диагностика неисправностей узлов трансмиссии
13. Рулевое управление
13.0 Рулевое управление
13.2 Общее описание
13.3 Реечный рулевой механизм в сборе
13.4 Наконечники рулевых тяг
13.5 Рулевые тяги
13.6 Кожух картера рулевого механизма
13.7 Муфта рулевого вала
13.8 Уплотнительный чехол отверстия переднего щита кузова
13.9 Плунжер рейки
13.10 Вал-шестерня
13.11 Рейка
13.12 Игольчатый подшипник
13.13 Направляющая втулка рейки
13.14 Проверка нейтрального положения рейки
13.15 Рекомендации по замене уплотнений в гидроусилителе
13.16 Проверка уровня и долив рабочей жидкости
13.17 Удаление воздуха из гидросистемы
13.18 Рулевой механизм с гидроусилителем в сборе
13.19 Шланги и трубопроводы
13.20 Бачок
13.21 Наконечники рулевых тяг
13.22 Рулевые тяги
13.23 Втулки шарниров рулевых тяг
13.24 Муфта рулевого вала
13.25 Уплотнительный чехол
13.26 Трубопроводы гидроцилиндра
13.27 Регулировка предварительного натяга пружины плунжера
13.28 Уплотнения вала гидрораспределителя и верхний подшипник
13.29 Рулевой механизм
13.30 Проверка нейтрального положения рейки
13.31 Ремень привода насоса
13.32 Шкив привода насоса
13.33 Насос в сборе
13.34 Рычаги управления на рулевой колонке
13.35 Рулевое колесо
13.36 Замок зажигания
13.37 Рулевая колонка
13.38 Рычажной выключатель, рулевой вал, рулевая колонка (нерегулируемая)
13.39 Рычажной выключатель, рулевой вал, рулевая колонка (регулируемая)
14. Колеса и шины
14.0 Колеса и шины
14.2 Замена колес
14.3 Колесные болты
14.4 Обкатка шин
14.5 Хранение шин
14.6 Балансировка колес
14.7 Цепи противоскольжения
14.8 Проверка давления в шинах
14.9 Проверка профиля шин
14.10 Проверка вентиля
14.11 Углы установки колес автомобиля
14.12 Предварительная проверка технического состояния
14.13 Регулировка схождения передних колес
14.14 Проверка схождения задних колес
14.15 Проверка угла развала задних колес
14.16 Обозначения колесных дисков и шин
15. Передняя подвеска
15.0 Передняя подвеска
15.2 Общее описание
15.3 Проверка величины сил трения в подвеске
15.4 Проверка состояния подшипниковых опор и шаровых шарниров
15.5 Стабилизатор
15.6 Стойка в сборе с подшипниковой опорой
15.7 Нижний рычаг
15.8 Шаровой шарнир
15.9 Ступица и подшипник колеса
15.10 Верхняя опора
15.11 Пружины
15.12 Амортизатор
15.13 Втулки шарниров нижнего рычага
16. Привод передних колес
16.0 Привод передних колес
16.2 Общее описание
16.3 Карданные валы в сборе
16.4 Наружное отражательное кольцо
16.5 Чехол наружного шарнира
16.6 Наружный шарнир
16.7 Чехол внутреннего шарнира типа «Трипод»
16.8 Чехол шарнира типа «Лебро» с перекрестными канавками
16.9 Уплотнение карданного вала в картере трансмиссии
17. Задняя подвеска
17.0 Задняя подвеска
17.2 Общее описание
17.3 Техническое обслуживание и ремонт
17.4 Проверка величины сил трения в подвеске
17.5 Подшипники колес
17.6 Амортизатор
17.7 Стабилизатор
17.8 Пружины
17.9 Втулки шарниров задней подвески
17.10 Задняя подвеска в сборе
17.11 Ступица
18. Тормозная система
18.0 Тормозная система
18.2 Общее описание
18.3 Проверка технического состояния тормозной системы
18.4 Заполнение бачка главного тормозного цилиндра
18.5 Удаление воздуха из тормозной системы
18.6 Промывка тормозной системы
18.7 Проверка регулятора тормозных сил
18.8 Тормозные шланги (передние)
18.9 Тормозные шланги (задние)
18.10 Стояночный тормоз
18.10. Рычаг стояночного тормоза
18.11 Проверка состояния передних тормозных накладок
18.12 Проверка состояния задних тормозных накладок
18.13 Тормозные диски
18.14 Тормозные барабаны
18.15 Тормозная педаль
18.16 Главный тормозной цилиндр
18.17 Бачок
18.18 Регуляторы тормозных сил (пропорциональные клапаны)
18.19 Главный тормозной цилиндр в сборе
18.20 Ремонт главного тормозного цилиндра
18.21 Дисковый тормозной механизм
18.22 Колодки и накладки
18.23 Защитный чехол поршня
18.24 Тормозной диск
18.25 Суппорт
18.26 Щиток
18.27 Ремонт суппорта
18.28 Барабанный тормозной механизм
18.29 Регулировка тормозного механизма
18.30 Регулировка стояночного тормоза
18.31 Опорный тормозной диск
18.32 Колесный цилиндр
18.33 Ремонт колесного цилиндра
18.34 Вакуумный усилитель тормозов
18.35. Антиблокировочная система тормозов
18.36 Удаление воздуха из тормозного гидравлического привода
18.37 Удаление воздуха из тормозного гидравлического привода вручную
18.38 Клапан для удаления воздуха из блока модуляторов
18.39 Электромагнитные клапаны модуляторов
18.40 Блок гидравлических модуляторов с электродвигателями
18.41 Электронный блок управления торможением
18.42 Датчик угловой скорости переднего колеса
18.43 Гибкая проводка ДУС переднего колеса
18.44 Датчик угловой скорости заднего колеса
18.45. Гибкая проводка ДУС заднего колеса
18.46 Системный электрический предохранитель
18.47 Реле АБС
18.48 Сигнализаторы
19. Кузов
19.0 Кузов
19.2 Идентификация и использование ключей
19.3 Приклеиваемые боковые молдинги
19.4 Диагностика и ремонт негерметичности кузова
19.5 Антикоррозионная обработка
19.6. Демонтаж уплотнений ветрового и заднего стекол
19.7. Ветровое стекло
19.8. Заднее стекло (кузов седан)
19.9 Стекло задней двери (кузов хетчбек)
19.10 Треугольное боковое стекло
19.11. Устранение негерметичности уплотнений
19.12. Зеркало заднего вида
19.13. Электрообогреватель заднего стекла
19.14. Бамперы
19.15 Наружная вентиляционная решетка
19.16 Выключатель передней двери
19.17 Капот
19.18 Петли капота
19.19 Упор капота
19.20 Запорное устройство капота
19.21 Предохранительная защелка капота
19.22 Трос защелки капота
19.23 Решетка радиатора
19.24 Переднее крыло
19.25. Панели обивки дверей
19.26. Оборудование дверей (передние и задние двери)
19.27. Дверные замки
19.28. Стекла дверей
19.29 Наружные зеркала заднего вида
19.30 Демонтаж и монтаж передних и задних дверей
19.31. Задние панели обивки (кузов хетчбек)
19.32. Панели обивки (кузов седан)
19.33 Наружная панель
19.34 Вентиляционнай клапан (кузов хетчбек)
19.35 Лючок горловины топливного бака
19.36. Открывающиеся форточки (кузов хетчбек)
19.37. Задняя полка (кузов седан)
19.38 Крышка багажного отделения (кузов хетчбек)
19.39 Накладка задней стенки багажника (кузов седан)
19.40. Крышка багажника (кузов седан)
19.41 Задний комбинированный фонарь
19.42. Задняя дверь (кузов хетчбек)
19.43 Крыша
19.44 Панель потолка
19.45 Противосолнечные козырьки
19.46 Плафон внутреннего освещения
19.47. Панели и оборудование салона
19.48 Наружные продольные накладки крыши
19.49. Вентиляционный люк
19.50. Передние сиденья
19.51. Заднее сиденье
20. Система отопления, вентиляции и кондиционирования воздуха
20.0 Система отопления, вентиляции и кондиционирования воздуха
20.2 Система кондиционирования воздуха
20.3 Диагностика неисправностей
20.4 Особенности кондиционера
20.5 Работа системы кондиционирования воздуха
20.6. Управление системой кондиционирования воздуха
20.7 Реле и выключатели
20.8. Диагностика неисправностей
20.9. Техническое обслуживание
20.10. Снятие и установка узлов системы кондиционирования воздуха
20.11 Компрессор V-5 – описание работы
21. Электрооборудование
21.0 Электрооборудование
21.2 Обозначения элементов электрооборудования
21.3 Обозначение цвета проводов
21.4 Идентификационная табличка ЭБУ
21.5. Электрические разъемы, предохранители и реле
21.6. Электрические схемы
automend.ru
Ремонт Нексии | Нексия
Ремонт Нексии
Неожиданно для владельца Нексии становится проблема, когда автомобиль вдруг глохнет. Причин может быть несколько почему глохнет ваш автомобиль, и в этой статье мы разберем
Подвеска
Рано или поздно подвеска автомобиля требует обслуживания, автомобиль дэу не исключение. Замена шаровой опоры нексии не частая процедура, а когда придет время менять, то
Неисправности
Нексия довольно надежный автомобиль, но рано или поздно бывает что на малых оборотах начинает дергаться. Иногда может загореться чек, а иногда рывки и дерганье
Неисправности
Если не заводится нексия, то найти причину гораздо проще чем может показаться. В этой статье разберем все возможные причины из-за которых могут быть проблемы.
Неисправности
На фоне повышения цен на бензин, многие автовладельцы задумываются о расходе топлива своего автомобиля. Водители Дэу Нексия не исключение в этом вопросе. Ведь этот
Неисправности
Замерзли двери – это стандартная картина для владельца Нексии зимним утром. Для того чтобы замерзли двери, даже не обязательно обильно поливать их водой в
Двигатель
Замена термостата на нексии не хлопотное дело, выполнить работы можно самостоятельно обладая некоторым инструментом и свободным временем. Термостат обычно служит достаточно долго, и многие
Обслуживание
Топливный фильтр в любом автомобиле это расходный материал. По мере эксплуатации необходима его своевременная замена. Из этой статьи вы узнаете, как заменить топливный фильтр
Неисправности
Какие запчасти покупать, если оборвался ремень ГРМ на Нексии, статья будет полезна также владельцам Шевроле Авео, Шевроле Лачетти и Шевроле Круз, дальше узнаете почему.
Обслуживание
Если Вы читаете эту статью, значит Вас мучает вопрос, как решить проблему плохого света на нексии. Да, автомобиль дэу нексия имеет недостаток – плохой
xn--e1agfkw9f.xn--p1ai
Daewoo Nexia | Капитальный ремонт двигателя — общая информация
Капитальный ремонт двигателя — общая информация
Не всегда легко определить, когда требуется и требуется ли вообще производить полный капитальный ремонт двигателя. При решении должен учитываться целый комплекс факторов.
Большой пробег автомобиля далеко не обязательно является причиной для проведения капитального ремонта двигателя, также как и малый пробег не является 100% гарантией того, что капремонт не требуется. Наиболее важным условием, пожалуй, является своевременное и частое выполнение процедур обслуживания автомобиля. Двигатель, подвергавшийся регулярным и частым сменам двигательного масла и фильтра, а также другим процедурам по обслуживанию двигателя, должен проработать надежно на протяжении многих тысяч километров. С другой стороны, пренебрежение процедурами обслуживания двигателя может привести к необходимости его капитального ремонта через очень короткое время.
Чрезмерный расход масла указывает на необходимость уделения внимания состоянию поршневых колец, седел клапанов и/или направляющих втулок клапанов. Перед тем, как прийти к заключению об износе поршневых колец или направляющих втулок клапанов, проверьте, не является ли причиной расхода масла его утечки. Выявлению причины возникшей проблемы поможет измерение компрессионного давления (см. Часть Ремонт двигателя без извлечения его из автомобиля).
Измерьте давление масла с помощью манометра, установленного вместо датчика-выключателя давления масла, сравните полученное значение с приведенным в Спецификациях. Если давление масла слишком мало, то это может указывать на возможный износ коренных подшипников, подшипников нижних головок шатуна, и/или масляного насоса.
Потеря мощности, неровная работа двигателя, стук или металлический шум в двигателе, чрезмерный шум при работе клапанного механизма, чрезмерный расход топлива также могут указывать на необходимость проведения капитального ремонта двигателя, в особенности, если все эти признаки проявляются одновременно. В случае, если проведение полного комплекта процедур обслуживания не исправит ситуацию, единственным решением может быть проведение серьезных механических работ.
Капитальный ремонт двигателя подразумевает восстановление характеристик всех внутренних частей двигателя до спецификационных значений нового двигателя. При капитальном ремонте двигателя может осуществляться проточка цилиндров (если необходимо) и замена поршней и поршневых колец. Обычно устанавливаются новые коренные подшипники и подшипники нижних головок шатуна; при необходимости может быть заменен или проточен коленвал для восстановления его шеек. Обычно обязательно требуется проведение восстановительных работ с клапанами, так как их состояние к моменту проведения капитального ремонта двигателя является далеко не лучшим. Одновременно с капитальным ремонтом двигателя может быть проведен капитальный ремонт других компонентов таких, как распределитель (если имеется), стартер и генератор. Результатом проведения капитального ремонта двигателя является получение двигателя, имеющего характеристики нового. Такой двигатель должен проработать много километров.
|
При проведении капитального ремонта двигателя должны быть также заменены такие критические компоненты системы охлаждения, как шланги, термостат и водяной насос. Необходимо также провести тщательную проверку радиатора с целью удостовериться в отсутствии закупорок и утечек. Неплохой идеей при проведении капитального ремонта двигателя будет заменить масляный насос. |
Перед тем, как приступить к капитальному ремонту двигателя, внимательно прочитайте данную главу, чтобы подготовить себя к детальному проведению данной работы. Капитальный ремонт двигателя не является сложной процедурой в том случае, если Вы будете тщательно следовать инструкциям, приобретете в свое распоряжение необходимый инструмент и оборудование и уделите должное внимание всем требуемым в Спецификациях значениям. Однако проведение капитального ремонта двигателя может потребовать значительного количества времени.
Приготовьтесь к тому, что автомобиль окажется в нерабочем состоянии в течение минимум 2-х недель, в особенности, если потребуется проведение инженерных работ для ремонта и восстановления его деталей. Удостоверьтесь в наличии запасных частей и необходимого специального инструмента и оборудования. Большая часть работ может быть проведена с помощью обычного слесарного инструмента, однако для проведения некоторых измерений, необходимых при принятии решения не требует ли отдельные детали замены, потребуется применение точного измерительного инструмента. Во многих случаях дилемма о необходимости замены или необходимости восстановления какой либо детали может быть решена лишь в условиях инженерных мастерских, соответствующая деталь должна быть осмотрена квалифицированными специалистами.
|
Всегда перед тем, как решить, какие процедуры ремонта или обслуживания должны быть предприняты в условиях инженерных мастерских, полностью разберите двигатель и тщательно осмотрите все его компоненты (в особенности детали блока цилиндров / картера и коленвал). В общем случае состояние именно этих компонентов является определяющим фактором при выборе, должен ли двигатель подлежать капитальному ремонту или соответствующая деталь должна быть заменена на новый или восстановленный элемент. Однако, не спешите покупать запасные части или производить капительный ремонт других компонентов до тех пор, пока они не будут тщательно осмотрены. Обычно процедура капитального ремонта двигателя занимает значительное время, поэтому не стоит экономить и устанавливать в двигатель изношенные или нестандартные детали. |
В заключение стоит заметить, что гарантией максимального срока службы двигателя с минимальными проблемами после его восстановления, является его аккуратная сборка в условиях абсолютно чистого помещения.
automn.ru
|
Нексия — ремонтопригодный автомобиль, который вполне возможно обслуживать самостоятельно. Практически каждый владелец нексии сможет сам выполнить следующие операции по ремонту:
ДЛЯ ВАШЕГО УДОБСТВА в колонке СЛЕВА расположен указатель по материалам ДАННОГО РАЗДЕЛА — вы найдете всю необходимую информацию!
Результаты самостоятельного ремонта нексии Как уже было сказано, нексия в отличии от большинства иномарок очень ремонтопригодна, и заменить отдельные узлы и детали под силы практически каждому. Ну, и конечно же, выполняя ремонт самостоятельно, вы сэкономите немало денежных средств, которые вы потом сможете потратить на более полезные вещи. |
www.nexia-faq.ru
| Работа | Цена | Цена | Цена | Цена |
|---|---|---|---|---|
| Наименование работ/Модель автомобиля | Нексия 8 кл | Нексия 16 кл, Эсперо | Матиз/Тико | Леганза |
| Ремонт двигателя, топливной системы, системы впуска и выпуска. Капитальный ремонт двигателя ДЭУ (Daewoo) | ||||
| Капитальный ремонт двигателя | 20000 | 23000 | 18000 | 23000 |
| Двигатель снять/поставить | 6000 | 8000 | 5500 | 8500 |
| Гидрокомпенсаторы — замена | 4200 | 5500 | 5500 | |
| Колпачки маслосъемные — замена | 7500 | 9500 | 5500 | 9500 |
| Насос масляный — замена | 2400 | 3000 | 2400 | 3000 |
| Насос топливный — замена | 700 | 700 | 700 | 700 |
| Подушка двигателя — замена | 600 | 600 | 600 | 600 |
| Прокладка впускного коллектора — замена | 1000 | 1000 | 1000 | 1000 |
| Прокладка выпускного колектора — замена | 1200 | 1500 | 1200 | 1800 |
| Прокладка ГБЦ — замена | 5000 | 6500 | 4500 | 6000 |
| Прокладка клапанной крышки — замена | 450 | 600 | 450 | 600 |
| Комплект ГРМ — замена | 2500 | 3000 | 2400 | 3500 |
| Сальник коленвала задний замена/ с АКПП | 3800 | 3800 | 3500 | 4200 |
| Сальник распредвала — замена | 3200 | 3600 | 3100 | 4200 |
| Фильтр воздушный | 200 | 200 | 200 | 200 |
| Глушитель — замена | 450 | 450 | 450 | 450 |
| Труба приемная — замена | 700 | 700 | 700 | 700 |
| Бак топливный — замена | 2000 | 2000 | 1800 | 2200 |
| Фильтр топливный — замена | 400 | 400 | 380 | 450 |
| Масло в двигателе — замена | 400 | 400 | 400 | 400 |
| Диагностика двигателя компьютерная | 850 | 850 | 850 | 850 |
| Промывка инжектора жидкостная | 1200 | 1200 | 1200 | 1200 |
| Промывка инжектора ультразвуковая | 2100 | 2100 | 2100 | 2100 |
| Шланг топливный — замена | 200 | 200 | 200 | 200 |
| Дроссельная заслонка — чистка | 600 | 600 | 600 | 600 |
| Ремонт системы охлаждения ДЭУ (Daewoo) | Нексия 8 кл | Нексия 16 кл | Матиз/Тико | Леганза |
| Насос водяной — замена | 2700 | 3400 | 2700 | 3900 |
| Радиатор охлаждения — замена | 1000 | 1000 | 900 | 1000 |
| Радиатор кондиционера — замена | 1000 | 1000 | 900 | 1000 |
| Охлаждающая жидкость — замена | 800 | 800 | 800 | 800 |
| Вентилятор — замена | 600 | 600 | 600 | 600 |
| Ремонт подвески и рулевого управления ДЭУ (Daewoo) | Нексия | Матиз/Тико | Эсперо/Леганза /Нубира | |
| Амортизатор передний — замена | 850 | 800 | 850 | |
| Амортизатор задний — замена | 500 | 450 | 500 | |
| Втулка стабилизатора — замена 2 стороны | 600 | 600 | 600 | |
| Опора шаровая — замена | 450 | 450 | 550 | |
| Пружина передняя — замена | 850 | 850 | 850 | |
| Пружина задняя — замена | 650 | 650 | 600 | |
| Подшипник ступицы — передний — замена | 1000 | 1000 | 1000 | |
| Подшипник ступицы задний — замена | 800 | 800 | 800 | |
| Рычаг подвески — замена | 1100 | 1100 | 1100 | |
| Сайлентблоки задней балки — замена | 1500 | 1500 | 1800 | |
| ШРУС внутренний — замена | 850 | 850 | 850 | |
| ШРУС наружний — замена | 700 | 700 | 700 | |
| Рейка рулевая — замена | 2200 | 2200 | 2200 | |
| Рейка рулевя с ГУР — замена | 2500 | 2500 | 2500 | |
| Рулевые наконечники — замена 2 стороны | 500 | 500 | 500 | |
| Рулевая тяга — замена | 450 | 450 | 450 | |
| Ремень ГУР -замена | 250 | 250 | 250 | |
| Насос ГУР — замена | 1200 | 1200 | 1200 | |
| Ремонт тормозной системы ДЭУ (Daewoo) | Нексия | Матиз/Тико | Леганза /Нубира | |
| Вакуумный усилитель тормозов | 850 | 850 | 850 | |
| Диск тормозной передний — 2 стороны | 1100 | 1000 | 1200 | |
| Диск тормозной задний | 1200 | 1000 | 1400 | |
| Колодки тормозные передние | 450 | 450 | 450 | |
| Колодки тормозные задние | 500 | 500 | 500 | |
| Рычаг ручного тормоза | 1200 | 1200 | 1200 | |
| Суппорт тормозной передний | 550 | 550 | 600 | |
| Цилиндр тормозной задний — замена | 500 | 500 | — | |
| Тормозная жидкость — замена | 600 | 600 | 700 | |
| Трос ручного тормоза — замена | 1000 | 1000 | 1000 | |
| Шланг тормозной замена | 350 | 350 | 350 | |
| Ремонт КПП и сцепления ДЭУ (Daewoo) | Нексия,Эсперо | Матиз/Тико | Леганза /Нубира | |
| Сцепление -замена | 3800 | 3500 | 4200 | |
| Механизм рычага сцепления — замена | 500 | 500 | 500 | |
| Механизм переключния передач — замена | 1000 | 1000 | 1200 | |
| Масло в МКПП — замена | 400 | 400 | 400 | |
| Подушка МКПП | 600 | 600 | 600 | |
| МКПП/АКПП снятие-установка | 2600/2800 | 2600/2800 | 2600/2800 | |
| Маховик — замена | 4000 | 3900 | 4400 | |
| Трос сцепления — замена | 450 | 450 | 450 | |
| Трос спидометра — замена | 500 | 500 | 500 | |
| Ремонт электрики ДЭУ (Daewoo) | Нексия 8 кл | Матиз/Тико | Нексия 16 кл, Эсперо, Леганза,Нубира | |
| Генератор — замена | 900 | 900 | 1100 | |
| Контактная группа замка зажигания — замена | 500 | 500 | 500 | |
| Катушка индуктивности — замена | 250 | 250 | 250 | |
| Крышка трамблера — замена | 300 | 300 | 300 | |
| Мотор стеклоочистителя — замена | 850 | 850 | 850 | |
| Провода высоковольтные — замена | 300 | 300 | 300 | |
| Реле втягивающее — замена при снятом | 400 | 400 | 400 | |
| Трамблер — замена | 450 | 450 | 450 | |
| Сигнал звуковой — замена | 450 | 450 | 450 | |
| Свечи зажигания -замена | 200 | 200 | 250 | |
| Стартер — замена | 850 | 850 | 2000 |
sarsto.ru
