Замена цепи ГРМ Nissan Qashqai
Функциональное предназначение цепи ГРМ
Особенности замены цепи
Виды неисправностей
Причины износа
Признаки неисправностей
Как часто необходимо производить замену цепи ГРМ Nissan Qashqai



ФУНКЦИОНАЛЬНОЕ ПРЕДНАЗНАЧЕНИЕ ЦЕПИ ГРМ
Цепной привод ГРМ Nissan Qashqai является частью газораспределительного механизма и участвует в передаче крутящего момента от коленчатого вала к распределительному. Цепь может соединять их напрямую или участвовать в работе косвенно, объединяя например распределительные валы между собой, если их два, при этом функциональное предназначение ее остается неизменным.
Контроль состояния цепи ГРМ, замена «успокоителей» и натяжителей, является частью планового технического обслуживания автомобиля и играет важную роль в работе двигателя транспортного средства. Производить контроль состояния газораспределительной системы необходимо регулярно, так как это напрямую влияет на мощность автомобиля, чувствительность при подаче газа и расход топлива.



ОСОБЕННОСТИ ЗАМЕНЫ ЦЕПИ
В большинстве моторов старых моделей автомобилей, для передачи крутящего момента использовались цепи с роликовыми звеньями, часто составляющие шли в два-три ряда, это делало цепь ГРМ очень надежным, практически вечным механизмом, не нуждающемся в постоянном техобслуживании. Часто автомобиль проходил до 300 000 км. и цепь механизма получала лишь боковой люфт, а самое страшное что могло произойти с газораспределительным механизмом это перескакивание звеньев, обрывы были крайне редки. С течением времени, тенденцией в создании автомобилей стали производственная цена, экономичность, экологичность и вес мотора автомобиля, влияющий на его мощность. В этих условиях производители стали стремиться к замене цепи ГРМ, на более легкий, дешевый и простой в техобслуживании ремень ГРМ. А те моторы, в конструкции которых сохранились цепи, роликовые составляющие были заменены на легкие пластинчатые звенья, более надежные чем ремни ГРМ, но все же не такие прочные, как роликовые цепи.
Цепь газораспределительного механизма Nissan Qashqai обладает рядом особенностей, кардинально отличающих ее от ремня ГРМ.
1. Цепь является прочным механизмом, износ ее происходит значительно дольше, чем ремня ГРМ, обрывы случаются, но значительно реже, чем у двигателей с ременным приводом.
2. Обрыв цепи газораспределительного механизма происходит достаточно редко, а значит и поломка двигателя, требующая дорогостоящего капитального ремонта, возникает не часто.
3. Цепи ГРМ достаточно шумны, но при современном уровне шумоизоляции автомобиля, этот параметр становится не очень важным.
4. При изнашивании цепи происходит ее люфт и поперечное биение, это свидетельствует о необходимости замены старой цепи на новую. Так как деталь металлическая провисание и поперечное биение сопровождается сильным шумом, не заметить и не придать значение которому просто невозможно. Шум под капотом будет являться первым «звонком» свидетельствующим о необходимости проведения техобслуживания автомобиля.
5. Главным минусом замены цепи ГРМ Nissan Qashqai является то, что она располагается внутри блока цилиндров и осуществить оценку ее состояния, не имея подготовки и опыта достаточно сложно. Кроме того, демонтаж и замена, при таком устройстве, процесс длительный и трудоемкий, а значит дорогостоящий.
6. В работе цепи ГРМ участвуют натяжители и успокоители – это расходные детали, которые быстро изнашиваются и нуждаются в более частых заменах, чем сама цепь ГРМ.
ВИДЫ НЕИСПРАВНОСТЕЙ
1. У цепей ГРМ, при полной исправности наблюдается естественный ход, который компенсируется натяжителями, при подаче давления масла. Неисправностью считается сильное боковое биение цепи ГРМ, которое появляется при растягивании звеньев. Определить реальную степень растяжки цепи можно только при квалифицированном осмотре газораспределительного механизма.
2. Люфт – это непосредственное растяжение цепи, которое наблюдается при длительной эксплуатации, может приводить к перескакиванию звеньев цепи и сбою в работе газораспределительного механизма, это приводит уменьшению чувствительности мотора при нажатии педали газа и увеличению расхода топлива.
3. Обрыв цепи ГРМ Nissan Qashqai – является самым опасным для двигателя повреждением, в случае цепного привода мотора встречается не часто, но имеет место быть. В случае возникновения такой неисправности распределительный вал перестает быть связанным с коленчатым валом и может остановиться совершенно произвольно в таком положении, при котором какой-либо из клапанов газораспределительного механизма будет открыт. В этом случае поршень, двигаясь вверх, может столкнуться с клапаном, что приведет к его деформации и двигателю автомобиля грозит серьезный ремонт. Необходимо отметить, что обрыв цепи ГРМ не происходит неожиданно, практически всегда это сопровождается изменениями в работе транспортного средства, уменьшению его мощности, изменению потребления бензина и возникновением посторонних шумов.
Для предупреждения и профилактики работы газораспределительного механизма необходимо периодически производить дефектовку цепи ГРМ, это сохранит мотор автомобиля от поломки, предупредит преждевременный износ двигателя и увеличит срок его эксплуатации.



ПРИЧИНЫ ИЗНОСА
1. Эксплуатация автомобиля Nissan Qashqai в экстремальных условиях. Частая езда по грунтованным дорогам, буксировка прицепов, тяжелых грузов, передвижение на повышенных скоростях приводит увеличению нагрузки на коленчатый вал, раскручиванию его до максимальных оборотов, что приводит к растяжению цепи ГРМ.
2. Так как цепь ГРМ располагается внутри блока цилиндров, она полностью омывается моторным маслом и как следствие очень чувствительно относится к его качеству. В случае использования качественного синтетичного масла обладающего в своем составе специализированными моющими присадками, срок службы цепи ГРМ значительно увеличивается
3. В работе цепи ГРМ участвуют детали, которые регулируют натяжение цепи, они являются расходными и нуждаются в периодической замене. Во время техобслуживания автомобиля необходимо проверять степень износа натяжителя и «успокоителя», несвоевременная замена данных деталей может привести к растяжению цепи и перескакиванию звеньев.
ПРИЗНАКИ НЕИСПРАВНОСТИ
1. Увеличение потребления бензина автомобилем;
2. Уменьшение мощности двигателя; 3. Появление лязга и шума под капотом автомобиля при заведенном моторе;
4. Полная остановка автомобиля на ходу, при попытке запуска мотор не заводится, а стартер вращается легче обычного;
5. Неустойчивая работа двигателя Nissan Qashqai на холостом ходу и в движении;
6. Возникновение выстрелов в ресивере инжектора и выхлопной трубе.
Все эти неполадки могут свидетельствовать о сдвижении фаз газораспределения и ослабления натяжки цепи. Если на своем автомобиле вы заметили один или несколько признаков и этого списка – немедленно обратитесь в СТО, для проведения осмотра.



КАК ЧАСТО НУЖНО ПРОИЗВОДИТЬ ЗАМЕНУ ЦЕПИ ГРМ
Частота замены любых расходных материалов для автомобилей Nissan Qashqai зависит от стиля вождения и режима эксплуатации машины. При экстремальном стиле вождения и агрессивном использовании транспортного средства производить замену цепи ГРМ необходимо по мере ее разбалтывания и износа.
В нормальных условиях эксплуатации необходимо производить замену цепи ГРМ в плановом режиме, каждые 100 — 150 000 км. пробега. Если на вашем автомобиле установлен аналоговый ремень, замену необходимо производить чуть раньше срока рекомендованного производителем транспортного средства.
Доверяйте свой автомобиль только профессиональным специалистам способным произвести грамотную дефектовку цепи ГРМ, оценить боковое биение и люфт, произвести замену и корректировку работы натяжителей, «успокоителей» цепного привода и замену цепи ГРМ Nissan Qashqai.
nissanqashqai.autoservice-km.ru
Nissan Qashqai Снятие и установка замена натяжителя успокоителя и цепи привода распредвалов газораспределительного механизма Ниссан Кашкай 2007
Nissan Qashqai > Двигатель > Снятие и установка цепи привода газораспределительного механизма Ниссан КашкайNissan QashqaiСнятие и установка цепи привода газораспределительного механизма
Вам потребуются: торцовые головки «на 8», «на 10», «на 13», «на 16», «на 19», отвертка с плоским лезвием.
1. Установите автомобиль на подъемник, снимите правое переднее колесо.
2. Снимите правый боковой брызговик двигателя (см. Снятие и установка брызговиков двигателя).
3. Снимите декоративный кожух двигателя (см. Снятие и установка декоративного кожуха двигателя).
4. Снимите впускной коллектор (см. Снятие и установка впускного коллектора).

5. Слейте масло из системы смазки двигателя (см. Замена масла в двигателе и масляного фильтра).
ПРИМЕЧАНИЕ.
Далее регулировка зазоров в приводе клапанов для наглядности показана на снятом двигателе.
6. Снимите крышку головки блока цилиндров (см. Замена прокладки крышки головки блока цилиндров).
7. Установите поршень 1-го цилиндра в положение ВМТ такта сжатия (см. Установка поршня первого цилиндра в положение ВМТ такта сжатия).

8. Установите под двигатель надежную опору
9. и снимите правую опору подвески двигателя (см. Замена правой опоры подвески силового агрегата).
ПРИМЕЧАНИЕ.
Часть последующих операций для наглядности показана на снятом двигателе.
10. Снимите ремень привода вспомогательных агрегатов (см. Проверка и замена ремня привода вспомогательных агрегатов).
11. Удерживая шкив коленчатого вала от проворачивания, выверните болт крепления шкива коленчатого вала не более чем на 10 15 мм
12. установите съемник и спрессуйте шкив с коленчатого вала.
13. Окончательно выверните болт крепления шкива и снимите шкив.

14. Снимите автоматический натяжитель ремня привода вспомогательных агрегатов (см. Снятие и установка автоматического натяжителя ремня привода вспомогательных агрегатов).

15. Отсоедините колодку жгута проводов от электромагнитного клапана системы изменения фаз газораспределения, выверните болт его крепления

16. и снимите электромагнитный клапан.

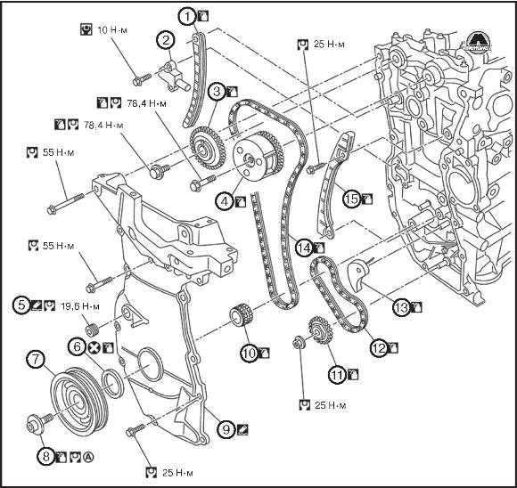
17. Выверните болты крепления крышки газораспределительного механизма в последовательности, указанной на рис. 5.8

Рис. 5.8. Последовательность выворачивания болтов крепления крышки газораспределительного механизма и места разрезания уплотнителя.

18. разрежьте уплотнение в местах, показанных стрелками на рис. 5.8, и снимите крышку.
ПРИМЕЧАНИЕ.
Для выворачивания болтов крепления крышки газораспределительного механизма потребуются торцовые головки четырех размеров.
Болты крепления 11, 15, 19, 21 выполнены под торцовую головку «на 16», болты 9, 12, 13, 16, 17 под торцовую головку «на 13», болты 1, 2, 3, 4, 5, 6, 7, 8, 10, 14, 18, 20 под торцовую головку «на 10», болт 22 под торцовую головку «на 8».
19. Отожмите натяжитель цепи газораспределительного механизма и зафиксируйте его, вставив в отверстие штифт диаметром 1,5 мм.
20. Выверните болт верхнего крепления натяжной направляющей цепи газораспределительного механизма
21. извлеките болт с втулкой
22. и снимите натяжную направляющую.
23. Выверните верхний и нижний болты крепления направляющей цепи газораспределительного механизма
24. и снимите направляющую..

25. Снимите цепь привода газораспределительного механизма со звездочки коленчатого вала

26. со звездочек валов выпускных и выпускных клапанов, затем снимите цепь.

27. При необходимости выверните два болта крепления натяжителя к блоку цилиндров

28. и снимите натяжитель.
29. Установите цепь привода газораспределительного механизма в направляющие и натяжитель в порядке, обратном снятию, совместив метки на цепи с метками на звездочках.
30. Очистите привалочные поверхности двигателя и крышки газораспределительного механизма от старого герметика.

31. Нанесите новый герметик на привалочную поверхность крышки газораспределительного механизма валиком толщиной 3,4 4,4 мм.
32. Установите крышку газораспределительного механизма и затяните болты в порядке, указанном на рис. 5.9: болты крепления 2, 4, 6, 8, 12 моментом 75 Н·м; болты крепления 6, 7, 10, 11, 14 моментом 55 Н·м; болты крепления 3, 5, 9, 13, 15, 16, 17, 18, 19, 20, 21, 22 моментом 25,5 Н·м; болт крепления 1 моментом 6,6 Н·м.

Рис. 5.9. Последовательность затяжки болтов крепления крышки газораспределительного механизма.
33. Установите детали в порядке, обратном снятию.
Снятие и установка цепи привода газораспределительного механизма Nissan Qashqai
Купить бумажную книгу «NISSAN QASHQAI руководство по ремонту»
nissan-qashqai.dv13.ru
Замена цепи ГРМ на Ниссан Кашкай с двигателем MR20DE
Чтобы заменить цепь ГРМ на Ниссан Кашкай с двигателем MR20DE, представлен следующий алгоритм действий.
1. Для начала снимаем переднее правое колесо.
2. Снимаем подкрылок переднего правого колеса.
3. Сливаем масло.
Помните, что этот шаг выполняется на холодном двигателе.
Далее необходимо снять впускной коллектор, клапанную крышку, а также приводной ремень.
4. Выставляем цилиндр №1 в ВМТ на такт сжатия со следующим процессом:
Повернуть шкив коленвала (1) по часовой стрелке и совместить метки ВМТ (B) зубчатый индикатор (A) на передней
крышке.
Здесь следует убедиться, что кулачки распредвалов цилиндра №1 (в) стоят в положении, как показано на рисунке.
5. Снимаем шкив коленвала таким образом:
Зафиксируйте шкив коленвала (1) при помощи держателя (A). Дальше нужно ослабить болт шкива коленвала на 10 мм (0.39 в).
Теперь снимаем шкив коленвала, используя съемник.
После этого потребуется трансмиссионный домкрат для поддержания нижней поверхности двигателя и снятия опоры двигателя.
Затем снимаем масляный поддон, после чего снимаем электромагнитный клапан управления фазовращателем.
11. Дальше снимаем ремень привода автоматического натяжителя.
12. Снимаем переднюю крышку. Для этого необходимо ослабить болты крепления в обратном порядке, как указано на рисунке.
{{ADID-undefined}}
Снимаем переднюю крышку.
Здесь нужно быть осторожным, дабы не повредить сопрягаемые поверхности.
13. Теперь снимаем из передней крышки передний сальник. Для этого следует поддеть его с помощью отвертки.
Здесь также нужно быть осторожным, чтобы не повредить переднюю крышку.
14. Затем снимаем натяжитель цепи ГРМ. Для этого необходимо вставить стопорный штифт (а) в отверстие, после чего закрепить его.
Рекомендуется использовать в качестве стопора пальца прочный металлический стержень примерно 1,5 мм (0.059 в) в диаметре.
После чего снимаем натяжитель цепи ГРМ (1).
Далее снимаем успокоитель (2), натяжитель (3), а также цепь ГРМ (1).
Затем снимаем звездочку коленвала и цепь, руководствуясь рисунком:
Теперь можно приступать к установке цепи ГРМ.
На рисунке можно увидеть метки цепи ГРМ вместе с соответствующими метками на звездочках.
Помните, что коленчатый ключ должен смотреть прямо вверх.
1 — цепь ГРМ
2 — звездочки распредвала (EXH)
3 — натяжитель цепи ГРМ
4 — натяжное устройство цепи привода
5 — балансировочный вал
6 — балансировочное устройство приводной цепи
7 — балансировочный блок натяжителя цепи ГРМ
8 — звездочка коленвала
9 — успокоитель цепи ГРМ
10 — звездочки распредвала (INT)
A — метка (темно-синюю)
B — метка (штамповка)
C — вал коленчатый в положении вертикально вверх
D — метка (штамповка)
E — метка (оранжевая)
F — метка (наружный ПАЗ*)*: Есть две наружных канавки в звездочке распредвала (INT). Должна совпадать широкая.
Затем устанавливаем звездочки коленвала (2), балансировочного вала (3), а также натяжное устройство цепи ГРМ (1).
Устанавливаем на место, совмещая совпадение знаков на всех звездочках и устройствах натяжения цепи ГРМ.
При этом необходимо убедиться, что в совпадении меток балансировочного устройства цепи ГРМ.
A — метка (штамповка)
B — метка (оранжевая)
C — метка (темно-синяя)
После этого затягиваем болт звездочки балансировочного вала.
Устанавливаем натяжное устройство цепи привода (1).
Фиксируем поршень в максимально сжатом положении, используя стопор штифта (а), после чего устанавливаем его.
После установки балансира натяжного устройства цепи привода извлекаем ( ) стопор пальца.
Снова проверяем соответствие меток балансировочного устройства цепи ГРМ и на всех звездочках.
Дальше совмещаем совпадение знаков всех звездочек с соответствующими метками цепи ГРМ.
*: Здесь есть 2 наружных канавок в звездочке распредвала (INT). Более широкая — это соответствующая метка.
Помните, что если эти метки не совпадают, необходимо повернуть распредвал, немного удерживая шестигранную часть для исправления положение.
{{ADID-undefined}}
1 — звездочки распредвала (EXH)
2 — звездочки распредвала (INT)
3 — цепь ГРМ
A — метка (темно-синяя)
B — метка (штамповка)
C — метка (наружный ПАЗ*)
D — метка (оранжевая)
E — метка (штамповка)
Инструменты:
- Набор головок и ключей
- Отвертка
- Молоток
- Домкрат
(Visited 1 213 times, 1 visits today)
Похожие статьи:
avtofixit.com
Замена цепи ГРМ Ниссан Кашкай 2.0 и 1.6 своими руками: метки, фото и инструкция
2527 ПросмотровЦепь ГРМ обеспечивает вращение валов двигателя, за счет чего воздух смешивается с топливом в нужной пропорции и попадает в силовой агрегат автомобиля, а выхлопные газы при этом из него удаляются. Работа механизма газораспределения напрямую влияет на эксплуатационные показатели работы мотора, поэтому за его состоянием необходимо тщательно следить и при обнаружении малейших признаков неисправности принимать меры. Когда цепь или ремень газораспределительного механизма рвется, то неизбежен дорогостоящий ремонт автомобиля.
Особенности устройства цепного механизма на Nissan Qashqai
ГРМ на Ниссан Кашкай с объемами двигателей 1.5 и 2.0 л, а также на других бензиновых агрегатах цепного типа, в то время как система газораспределительного механизма Ниссан Кашкай 1.6 л, который в качестве топлива использует дизель, имеет ремень ГРМ.
Замена цепи механизма Nissan Qashqai 2.0 л, 1.2 л, 1.5 л должна выполняться по регламенту через каждые 150–200 тысяч км пробега, а ремень на дизелях 1.6 л следует менять через такой же временной промежуток.


Цепной механизм более надежен и долговечен, по сравнению с ремнем, и, как правило, менять его приходится реже, чем обычно указано в мануале. В большинстве случаев он эффективно выполняет свои функции и после 150 тысяч км и может без нареканий прослужить до 250–300 тысяч км пробега.
Однако, в отличие от ремня, цепная система способствует более высокому уровню шума при работе мотора, а также отличается более сложными работами при смене данного элемента.
Как заменить цепь механизма
При работе с цепочкой ГРМ на Ниссан Кашкай 2л или других бензиновых моторах, выполняемой своими руками, нужно соблюдать такую последовательность действий:
- Демонтировать правое переднее колесо.
- После следует снять подкрылок и произвести слитие масла.
- Первый цилиндр выставляется на такт сжатия: шкив коленчатого вала крутится по ходу часовой стрелки, при этом метки ВМТ совмещаются с зубчатым индикатором.
- Снимается ремень, находящийся на приводе натяжителя.
- После производится снятие впускного коллектора и клапанной крышки.
- Снимается шкив коленчатого вала и опора мотора.
- Удаляется масляный поддон.
- Следующий шаг – снятие крышки двигателя, для чего ослабляются болты, с крышки снимается сальник передний, который необходимо поддеть отверткой.
- После снимается натяжитель, успокоитель и сама цепь механизма газораспределения.

Внимание! Все работы важно производить при холодном двигателе!

Следующий шаг – установка новой детали газораспределительного механизма.
Заключение
Замена ремня ГРМ, который устанавливается на дизельных версиях автомобиля Nissan Qashqai, производится аналогичным образом. Если владелец не уверен в своей компетентности, то лучше доверить проведение ремонтных работ по замене цепи ГРМ Ниссан Кашкай 2.0 л и других модификаций мотора профессионалам. От качества установки ремня или цепи зависит, сколько прослужит двигатель без повреждений и сложных ремонтов.
portalmashin.ru
Газораспределительный механизм автомобиля Nissan Qashqai 2
5. Газораспределительный механизм
Цепь привода газораспределительного механизма

1. Башмак натяжителя приводной цепи. 2. Натяжитель цепи привода газораспределительного механизма. 3. Звездочка выпускного распределительного вала. 4. Звездочка впускного распределительного вала. 5. Заглушка. 6. Передний сальник. 7. Шкив коленчатого вала. 8. Болт шкива коленчатого вала. 9. Передняя крышка. 10. Звездочка коленчатого вала. 11. Звездочка масляного насоса. 12. Цепь привода масляного насоса. 13. Натяжитель цепи привода масляного насоса. 14. Цепь привода газораспределительного механизма. 15. Успокоитель приводной цепи.
ПримечаниеА: см. процедуру затяжки в тексте руководства.: заменять деталь новой после каждого снятия.: необходимо нанести моторное масло.: места нанесения герметика.Снятие
ВНИМАНИЕНаправление вращения, упоминаемое далее по тексту, наблюдается с передней части двигателя.1. Снять переднее правое колесо.
2. Снять правый подкрылок.
3. Слить моторное масло.
Выполнять данный шаг только на холодном двигателе.4. Снять следующие части:
— Впускной коллектор.
— Ремень привода навесного оборудования.
— Шкив водяного насоса.
— Правый кабель массы.
5. Поддержать нижнюю поверхность двигателя трансмиссионным домкратом, а затем снять монтажный кронштейн двигателя и правый упругий элемент крепления.
6. Снять крышку коромысел.
7. Установить поршень первого цилиндра в положение верхней мертвой точки хода сжатия следующим образом:
— Провернуть шкив коленчатого вала (2) по часовой стрелке до совмещения метки ВМТ (без цветной метки) (А) с указателем (1) на передней крышке. Белая цветная метка (В) не используется для обслуживания двигателя.
— Убедиться в том, что установочные метки каждой звездочки распределительных валов установлены, как показано на рисунке.
1. Звездочка выпускного распределительного вала. 2. Звездочка впускного распределительного вала. А. Установочная метка (штамп). В. Установочная метка (боковая канавка).
Если метки не находятся в указанном положении, провернуть шкив коленчатого вала на еще один оборот для установки меток в необходимое положение.8. Снять шкив коленчатого вала следующим образом:
— Зафиксировать шкив коленчатого вала (1), используя подходящее приспособление (А).
— Ослабить болты шкива коленчатого вала.
Не извлекать болты шкива коленчатого вала, поскольку они используются в качестве установочных точек съемника шкива.— Установить съемник шкива (KV11103000) (А) напротив резьбовых отверстий под болты Мб (В) на шкиве, а затем снять шкив коленчатого вала.

9. Снять переднюю крышку двигателя следующим образом:
— Отвернуть болты в порядке обратном указанному на рисунке.

— Разрезать герметик в точках, указанных на рисунке стрелкой, а затем снять переднюю крышку двигателя.

10. При помощи подходящего инструмента извлечь передний сальник коленчатого вала из передней крышки.
Соблюдать осторожность, чтобы не повредить переднюю крышку.11. Снять натяжитель цепи (1):
— Полностью сжать рычаг натяжителя (А), после чего вжать плунжер (С) внутрь натяжителя. Язычок (В) отпускается полным нажатием рычага, в результате чего плунжер может снова перемещаться.
— Потянув рычаг, совместить отверстие в нем с отверстием в корпусе. Когда отверстие рычага совпадает с отверстием в корпусе, плунжер фиксируется. Если выступающие части храповика плунжера и язычка находятся друг напротив друга, отверстия не совпадают. В этот момент необходимо правильно зацепить их и совместить отверстия слегка переместив плунжер.
— Вставить стопорный штифт (D) в отверстие корпуса через отверстие рычага, после чего зафиксировать рычаг в верхнем положении. На рисунке в качестве примера показано использование для фиксации шестигранника 2.5 мм.
— Снять натяжитель цепи.
12. Снять успокоитель (2) и башмак натяжителя приводной цепи.
13.Снять цепь привода газораспределительного механизма (2). Потянув провисающую часть приводной цепи в сторону звездочки выпускного распределительного вала (1), снять цепь, начиная со стороны звездочки выпускного распределительного вала.
Не проворачивать коленчатый или распределительные валы после снятия цепи привода газораспределительного механизма. Это может стать причиной повреждения клапанов и поршней вследствие взаимного соприкосновения.14. Снять звездочку коленчатого вала и детали привода масляного насоса:
— Снять натяжитель цепи (1), потянув его с оси (В) отверстия пружинного фиксатора (А).
— Удерживая верхнюю часть вала масляного насоса насадкой TORX (размер: Е8), ослабить и отвернуть гайки звездочки масляного насоса.
— Одновременно снять звездочку коленчатого вала (1), цепь привода масляного насоса (2) и звездочку масляного насоса (3).
Установка
На рисунке показано взаимное расположение установочных меток на приводной цепи и соответствующих звездочках после установки компонентов.
1. Цепь привода газораспределительного механизма. 2. Звездочка выпускного распределительного вала. 3. Башмак натяжителя приводной цепи. 4. Натяжитель приводной цепи. 5. Цепь привода масляного насоса. 6. Звездочка масляного насоса. 7. Звездочка коленчатого вала. 8. Успокоитель приводной цепи. 9. Звездочка впускного распределительного вала.
А. Темно-синее звено. В. Установочная метка (штамп). С. Оранжевое звено. D. Установочная метка (штамп). Е. Шпонка коленчатого вала (направлена вверх). F. Установочная метка (боковая накатка). G. Темно-синее звено.
1. Установить звездочку коленчатого вала и детали привода масляного насоса:
— Одновременно установить звездочку коленчатого вала (1), цепь привода масляного насоса (2) и звездочку масляного насоса (3).
Стрелка указывает переднюю часть двигателя.— Установить звездочку коленчатого вала так, чтобы сторона с псевдошестерней (А) была направлена в сторону задней части двигателя.
— Установить звездочку масляного насоса так, чтобы сторона с шестигранником (В) была направлении в сторону передней части двигателя.
На компонентах привода масляного насоса установочные метки отсутствуют.— Удерживая верхнюю часть вала масляного насоса насадкой Тоrх (размер: Е8), затянуть гайки звездочки масляного насоса.
1. Звездочка коленчатого вала.
2. Цепь привода масляного насоса.
3. Звездочка масляного насоса.
— Установить натяжитель цепи (1), для чего вставить корпус на ось (В), одновременно установив пружину в фиксирующее отверстие (А) передней поверхности блока цилиндров. Убедиться в том, что после установки цепь привода масляного насоса натянута.
2. Установить цепь привода газораспределительного механизма:
— Установить цепь, совместив все соответствующие метки на звеньях и звездочках.

9 Если установочные метки не совпадают, немного провернуть распределительный вал, чтобы исправить положение.
— Снова проверить положение установочных меток на каждой звездочке и цепи привода газораспределительного механизма после установки цепи, придерживая её руками.— Чтобы избежать проскакивания зубьев звездочки в приводной цепи, не вращать коленчатый и распределительный вал, пока не установлена передняя крышка двигателя.3. Установить башмак натяжителя (1) и успокоитель (2) приводной цепи.

4. Установить механизм натяжителя приводной цепи (1):

— Зафиксировать плунжер в положении полного сжатия, используя стопорный штифт (А), а затем установить механизм натяжителя.
— Осторожно извлечь стопорный штифт после того, как механизм натяжителя будет установлен.
5. Снова проверить положение установочных меток всех звездочек и приводной цепи.
6. Установить передний сальник коленчатого вала в переднюю крышку.
7. Установить переднюю крышку двигателя:
— Нанести непрерывный валик герметика на поверхности установки передней крышки двигателя, как показано на рисунке.
Использовать оригинальный герметик Nissan или эквивалентный.
1. Головка блока цилиндров. 2. Блок цилиндров. 3. Верхняя часть масляного поддона. А. Участки нанесения герметика (0 3.0-4.0 мм).
— Нанести непрерывный валик герметика на переднюю крышку двигателя.

А. Область нанесения герметика (3.0-4.0 мм).
— Затянуть болты в указанной последовательности.
— После затяжки болтов необходимо снова проверить величину их затяжки в указанной последовательности.
Необходимо удалить излишки герметика с поверхностей.8. Вставить шкив коленчатого вала, совместив его со шпонкой коленчатого вала.
При использовании для установки шкива коленчатого вала пластикового молотка необходимо стучать по центральной части шкива (не по краям).При установке следить за тем, чтобы не повредить кромки переднего сальника.9. Затянуть болт шкива коленчатого вала:
Для затяжки болта шкива коленчатого вала зафиксировать шкив специальным держателем.— Нанести свежее моторное масло на резьбу и посадочные поверхности болта шкива коленчатого вала.
— Затянуть болт шкива коленчатого вала моментом 35.0 Н-м.
— Нанести метку краской (В) на шкив коленчатого вала напротив любой угловой метки (А), соответствующих шести краям болта (1).

— Дотянуть болт еще на 60° по часовой стрелке (угол дотяжки), ориентируясь по угловым меткам.
10.Убедиться в том, что коленчатый вал свободно вращается по часовой стрелке от усилия рук.
11. Установить остающиеся детали в порядке, обратном снятию.
Проверка приводной цепи после снятия
Проверить на наличие трещин и чрезмерного износа пластины и ролики звеньев приводной цепи. Если необходимо, заменить приводную цепь новой.

А. Трещины. В. Износ.
Проверки после установки
Проверка герметичности
1. Перед пуском двигателя, проверить уровни масла и рабочих жидкостей двигателя. Если уровень ниже требуемого, долить.
2. Используя приведенную ниже процедуру, проверить наличие утечек топлива:
— Повернуть замок зажигания в положение “ON” (но не запускать двигатель). Создав давление в топливопроводах, проверить наличие утечек в соединениях.
— Запустить двигатель. Увеличивая частоту вращения коленчатого вала двигателя, снова проверить наличие утечек в соединениях.
3. Дать поработать двигателю для проверки наличия посторонних шумов и вибраций.
Если гидравлическое давление внутри натяжителя цепи падает после снятия/установки, провисание башмака натяжителя может вызывать дребезжащий шум во время и сразу после пуска двигателя. Однако, это не указывает на наличие неисправности. Шум прекратится после того, как давление будет набрано.4. Тщательно прогреть двигатель, чтобы убедиться в отсутствии утечек топлива или рабочих жидкостей двигателя (в том числе моторного масла и охлаждающей жидкости).
5. Удалить воздух прокачкой из трубопроводов и шлангов гидравлических систем, которые подвергались разъединению (например, системы охлаждения двигателя).
6. После того, как двигатель остынет, снова проверить уровни масла/рабочих жидкостей двигателя. Если необходимо, дозаправить до нужного уровня.
Распределительные валы

1. Крышки распределительных валов (№№2 — 5). 2. Крышка распределительных валов (№1). 3. Звездочка выпускного распределительного вала. 4. Звездочка впускного распределительного вала. 5. Головка блока цилиндров. 6. Масляный фильтр (фазовращателя впускного распредвала). 7. Шайба. 8. Резьбовая пробка. 9. Электромагнитный клапан фазовращателя впускного распредвала. 10. Уплотнительное кольцо круглого сечения. 11. Уплотнительное кольцо круглого сечения. 12. Датчик положения распределительного вала (датчик фаз). 13. Толкатели клапанов. 14. Впускной распределительный вал. 15. Выпускной распределительный вал.
: подобрать необходимую толщину.Снятие и установка
Этот раздел содержит процедуры по снятию и установке распределительного вала при установленной передней крышке двигателя. Если передняя крышка двигателя была снята предварительно, необходимо изменить следующие шаги:Шаг 8: после снятия звездочки распределительного вала снять крышки распределительных валов (№№2 — 5).Шаг 9: выпускной распределительный вал может быть снят одновременно с впускным распределительным валом.Шаг 10: если болт крепления звездочки впускного распределительного вала снят, поднятие распределительного вала не обязательно.1. Поддержать нижнюю поверхность двигателя трансмиссионным домкратом, а затем снять монтажный кронштейн двигателя и правый упругий элемент крепления.
2. Снять крышку головки блока цилиндров (крышку коромысел).
3. Снять датчик положения распределительного вала с задней части головки блока цилиндров.
Соблюдать осторожность, не допускать ударов по датчику положения распределительного вала.4. Установить поршень первого цилиндра в положение верхней мертвой точки хода сжатия следующим образом:

— Убедиться в том, что установочные метки каждой звездочки распредвала установлены, как показано на рисунке.

1. Цепь привода газораспределительного механизма. 2. Звездочка выпускного распределительного вала. 3. Звездочка впускного распределительного вала.
A. Установочная метка (краска).
B. Установочная метка (штамп).
C. Установочная метка (боковая накатка).
— Нанести метки краской на звеньях приводной цепи.
5. Зафиксировать плунжер натяжителя цепи в полностью сжатом положении следующим образом (после этого отпустить натяжитель приводной цепи):
— Извлечь пробку (2) из передней крышки (1).
— Нажать до упора рычаг (В) натяжителя цепи (2) через отверстие в передней крышке, после чего вставить стопорный штифт (А) в боковое отверстие блока цилиндров и зафиксировать рычаг в нижнем положении.
23
monolith.in.ua
Замена цепи ГРМ Ниссан Кашкай
! Обращаем ваше внимание на то, что вся представленная на сайте информация, касающаяся стоимости сервисного обслуживания носит информационный характер и ни при каких условиях не является публичной офертой, определяемой положениями Статьи 437 (2) Гражданского кодекса Российской Федерации
Число приверженцев покупки автомобилей с приводом в виде цепи увеличивается с каждым годом, поскольку инженерами компании полностью исключена вероятность обрыва механизма, как и дорогостоящие работы, связанные с восстановлением клапанов двигателя.
При соблюдении рекомендаций производителя по сервисному обслуживанию силовой агрегат с таким типом привода демонстрирует отличные показатели надежности и имеет рабочий ресурс до 200 тыс. км пробега. Замена деталей газораспределительного механизма, как правило требуется при их износе.
Когда менять
По регламенту технического обслуживания устанавливать новую цепь по прохождении определенного километража необходимости нет. Производитель полагает надёжность оригинального аксессуара достаточной для всего гарантийного срока эксплуатации автомобиля Ниссан.
Проверку состояния приводной системы следует проводить при каждом ТО, обратившись к специалистам станции технического обслуживания можно получить рекомендации о профилактике оборудования. Своевременная замена масла и корректно, работающая система охлаждения способствуют увеличению эксплуатационного срока привода.
Важно! Промывка радиатора через каждые 10 тыс. км, если автомобиль эксплуатируется в агрессивных условиях, и после каждых 30 тысяч при соблюдении умеренного стиля вождения, необходима для поддержания многих систем Nissan, включая механизм ГРМ.
Признаки неполадок
Поскольку оборвать цепь невозможно даже при самых тяжёлых условиях эксплуатации, нужно внимательно следить за возможными проявлениями неисправностей, которые несложно отличить от любых иных поломок авто.
- При визуальном осмотре натяжитель будет выдвинут на максимальную длину, более 1 см.
- ДВС показывает нестабильные обороты, заметное снижение тяги, увеличенный расход топлива или масла.
- На небольшой скорости заметны рывки, стук, посторонний шум в месте расположения силового агрегата.
- Появление желтого индикатора неисправности двигателя на панели приборов.
Заметив любой из характерных симптомов, следует максимально быстро обратиться за проведением диагностики к проверенным, хорошим специалистам. Если обнаружится, что привод растянут, но на проведение ремонтных операций автовладелец не настроен, итогом промедления может стать поломка цилиндропоршневой группы двигателя. Удорожание стоимости ремонта, а также увеличение сроков ремонта неминуемо.
Переустановка привода – также не бюджетный вид работ и желание отложить его на максимально возможный срок понятно, но не логично. Покупка большого количества запчастей, сопутствующих основной поломке, не внушает оптимизма:
- Натяжитель и успокоитель
- сальник распредвала, коленвала
- прокладки свечных колодцев клапанной крышки,
- звёздочки, направляющие
- масло и антифриз
Дополнительно нужно быть уверенными в качестве услуг, предоставляемом профессиональными сотрудниками и надежности всех заменяемых деталей.
В Тех.Центре «Гараж» разработана система скидок на диагностику и ремонт, работает собственный склад автозапчастей. Замена цепи ГРМ Ниссан Кашкай производится в каждом из филиалов, даем гарантию на обслуживание.
www.nissan-nissan.ru
Замена ремня ГРМ Nissan Qashqai
Функциональное предназначение ремня ГРМ
Виды неисправностей
Причины и оценка износа ремня ГРМ
Признаки неисправности
Как часто необходимо менять ремень ГРМ Nissan Qashqai
Какой ремень ГРМ лучше выбрать



ФУНКЦИОНАЛЬНОЕ ПРЕДНАЗНАЧЕНИЕ РЕМНЯ ГРМ
Замена ремня ГРМ является частью планового технического обслуживания автомобиля Nissan Qashqai и играет важную роль в работе двигателя транспортного средства. Несвоевременная замена ремня может привести к сбою в работе мотора, а обрыв к деформации клапана газораспределительного механизма и необходимости проведения капитального ремонта двигателя.
Все детали газораспределительного механизма тесно связаны друг с другом, впрыск воздушно-топливной смеси приводит в движение поршень цилиндра двигателя, который в свою очередь толкает коленчатый вал, связанный ремнем привода с распределительным валом. Таким образом, происходит движение распредвала, который регулирует частоту движения клапанов. Ремень ГРМ Nissan Qashqai связывает между собой шестерни и передает крутящий момент от коленчатого вала к распределительному, влияя на скорость его вращения. При исправности системы частота их оборотов должна быть равна.


ВИДЫ НЕИСПРАВНОСТЕЙ РЕМНЯ ГРМ
- Износ ремня ГРМ приводит к изменению силы передачи крутящего момента от коленчатого вала к распределительному, в результате происходит изменение частоты движения поршней и клапанов двигателя. Это в свою очередь ведет к сбою в работе газораспределительной системы, быстрому нагреванию двигателя и как следствие уменьшению мощности мотора и росту потребления топливной смеси. Для надежной и бесперебойной работы мотора необходимо чтобы клапаны закрывались и открывались в одной частоте с поршнями двигателя. Если из-за износа, возникает проскальзывание ремня ГРМ, это может стать причиной обрыва.
- Обрыв ремня ГРМ Nissan Qashqai – является самым опасным для двигателя повреждением. В случае возникновения такой неисправности распределительный вал перестает быть связанным с коленчатым валом и может остановиться совершенно произвольно в таком положении, при котором какой-либо из клапанов газораспределительного механизма будет открыт. В этом случае поршень, двигаясь вверх, может столкнуться с клапаном, что приведет к его деформации. В этом случае двигателю автомобиля грозит серьезный ремонт. Необходимо отметить, что обрыв ремня ГРМ не происходит неожиданно, практически всегда это сопровождается изменениями в работе двигателя автомобиля, уменьшению его мощности, изменению потребления бензина, возникновению посторонних писка, скрипов и т.д.
Для предупреждения и профилактики работы газораспределительного механизма необходимо периодически производить замену ремня ГРМ, это сохранит мотор автомобиля Nissan Qashqai от поломки, предупредит преждевременный износ двигателя и увеличит срок его эксплуатации.



ПРИЧИНЫ И ОЦЕНКА ИЗНОСА РЕМНЯ ГРМ
Износ ремня ГРМ происходит по ряду причин, избегая которые можно продлить срок службы двигателя автомобиля.
- эксплуатация автомобиля Nissan Qashqai в экстремальных условиях. Частая езда по грунтованным дорогам, буксировка прицепов, тяжелых грузов, передвижение на повышенных скоростях приводит увеличению нагрузки на коленчатый вал, раскручиванию его до максимальных оборотов, что приводит к стиранию ремня ГРМ и ускорению его износа.
- технические неполадки в двигателе Nissan Qashqai. Течь антифриза или масла в течении продолжительного промежутка времени может приводить к химическому повреждению ремня ГРМ, образованию на нем трещин, расслоения и как следствие его обрыву.
- на автомобиле используется некачественный ремень ГРМ, материал которого не устойчив к воздействию негативных факторов окружающей среды.
- заклинивание натяжного или паразитного ролика приводит к натяжению ремня ГРМ и его обрыву.
- при износе подшипников водяной помпы и его остановке возникает резкий рывок от коленчатого вала и обрыв ремня.
Для предупреждения полного износа ремня ГРМ , необходимо периодически, при визуальном осмотре газораспределительного механизма , проверять наличие повреждений на поверхности ремня. Для проведения осмотра и оценки ременного привода необходимо открутить и снять защитный кожух механизма, под которым скрывается двигатель. Первыми признаками износа является:
- появление масляных и антифризных подтеков способных химическим способом разрушить ремень ГРМ, при длительном воздействии;
- возникновение продольных трещин на задней поверхности ремня;
- образование поперечных трещин на внутренней поверхности ремня привода;
- разлохмаченная поверхность и нарушение целостности края также являются признаком износа;
- об износе ремня также свидетельствует резиновая пыль на поверхности детали;
- если зубья ремня ГРМ начали отслаиваться, или стираться, деталь подлежит немедленной замене на новую.


ПРИЗНАКИ НЕИСПРАВНОСТИ РЕМНЯ ГРМ
- Увеличилось потребление бензина автомобилем
- Уменьшилась мощность двигателя
- Полная остановка автомобиля на ходу, при попытке запуска мотор не заводится, а стартер вращается легче обычного
- Неустойчивая работа двигателя на холостом ходу и в движении;
- Возникновение выстрелов в рессивере инжектора и выхлопной трубе
Все эти неполадки могут свидетельствовать о сдвижении фаз газораспределения и ослабления натяжки ремня. Если на своем автомобиле Nissan Qashqai вы заметили один или несколько признаков и этого списка – немедленно обратитесь в СТО, для проведения осмотра.
КАК ЧАСТО НЕОБХОДИМО ПРОИЗВОДИТЬ ЗАМЕНУ РЕМНЯ ГРМ Nissan Qashqai
Частота замены любых расходных материалов для автомобилей зависит от стиля вождения и режима эксплуатации автомобиля. При экстремальном стиле вождения и агрессивном использовании транспортного средства производить замену ремня ГРМ необходимо по мере его износа и стирания зубцов.
В нормальных условиях эксплуатации необходимо производить замену оригинального ремня ГРМ в плановом режиме, каждые 60 — 70 000 км. пробега. За этот период он вырабатывает свой ресурс и приходит в негодность. Если на вашем автомобиле Nissan Qashqai установлен аналоговый ремень, замену необходимо производить чуть раньше срока рекомендованного производителем транспортного средства.
КАКОЙ РЕМЕНЬ ГРМ ЛУЧШЕ ВЫБРАТЬ
Современные ремни для газораспределительной системы представляют собой высокотехнологичное изделие, отличающееся повышенной прочностью и износостойкостью, способное выдерживать высокие динамические нагрузки. Производятся ремни ГРМ из неопрена или полихлорпрена с усилением прочными нитями корда из стекловолокна, нейлона и хлопка.
- Чтобы избежать ошибки связанной с покупкой ремня ГРМ, обратитесь к специалистам, которые помогут по WIN коду вашего автомобиля заказать ремень привода ГРМ, подходящий для двигателя вашего автомобиля. Эта деталь является одной из самых важных в конструкции мотора, малейшее отклонение в длине, ширине, форме и размеру зубьев может привести в возникновению неполадок в двигателе машины Nissan Qashqai.
- Не пытайтесь экономить при покупке ремня ГРМ, дешевое изделие может быть некачественной подделкой, которая быстро придет в негодность и в будущем может стать причиной серьезной поломки двигателя. Лучшим вариантом для любого автомобиля являются оригинальные детали, стоимость их выше аналоговых, но при эксплуатации автомобиля они себя быстро окупают.
- При покупке ремня ГРМ проверяйте его на жесткость, хороший ремень должен быть эластичным и легко гнуться. Чем хуже ремень, тем более жёстким он будет.
- Не допускается наличие на ремне зубцов, наплывов, пор – это признаки некачественного ремня, который быстро придет в негодность. Поверхность изделия должна быть гладкой, допускаются маленькие заусенцы.
- При самостоятельной покупке проверяйте артикул ремня ГРМ, нанесенный на тыльной стороне, он должен соответствовать WIN коду автомобиля. Если возможности сравнить код ремня и автомобиля нет, то необходимо произвести визуальное сравнение старого и нового ремня, они должны быть полностью идентичны.
- Чтобы избежать покупки подделки, старайтесь приобретать запчасти только у официальных, проверенных дилеров.
- Не экономьте на квалифицированной замене ремня ГРМ, обращайтесь в наш сертифицированный автосервис, где грамотные механики помогут с ремонтом автомобиля Nissan Qashqai. А в магазине запчастей вы сможете купить оригинальные запчасти для своего автомобиля.
nissanqashqai.autoservice-km.ru
