Шприц для смазки шкворней в категории «Оборудование и товары для предоставления услуг»
Гибкий шланг к шприц-масленке 12″ с металлической оплеткой G.I. KRAFT KW-401-12 (для смазки, для замены масла)
На складе
Доставка по Украине
248.8 — 261.24 грн
от 2 продавцов
379 грн
Купить
Шприц маслоперекачивающий 500мл (гибкие концевики) G.I. KRAFT K-504 (для смазки, для масла, масляный) ТОП
На складе
Доставка по Украине
1 106 грн
Купить
Шприц масленка тавотница G.I.KRAFT KTPL-479 (для смазки, для масла, двухплунжерный) ТОП
На складе
Доставка по Украине
1 248 грн
Купить
Шприц для заливки масла 500мл (гибкий концевик) G.I. KRAFT K-501 (для смазки, для масла, маслозаливной) ТОП
На складе
Доставка по Украине
866 грн
Купить
Шприц для смазки TOPTUL JJAA1402 ТОП
На складе
Доставка по Украине
1 313 грн
Купить
Пистолет, шприц для смазки, солидолонагнетатель, для промазки шкворней Газель (пр-во INTERTOOL)
На складе
Доставка по Украине
500 грн
Купить
Набор аксессуаров для шприц-масленки 7ед.
G.I. KRAFT K-410 (для смазки, для замены масла, насадки) ТОП
На складе
Доставка по Украине
1 916 грн
Купить
Шприц для заливки масла рычажно-плунжерный 400мл G.I. KRAFT KL-451 (для смазки) ТОП
На складе
Доставка по Украине
1 028 грн
Купить
Гибкий шланг с наконечником к шприц-масленке 12″ (L310mm) G.I. KRAFT K-401-12 (для смазки, для замены масла)
На складе
Доставка по Украине
176.15 — 186.4 грн
от 2 продавцов
316 грн
Купить
Шприц для змащування двоплунжерний 600см3 з гнучким шлангом. INTERTOOL HT-0060
На складе
Доставка по Украине
649 грн
551.65 грн
Купить
Шприц для масла рычажно-плунжерный 400мл G.I. KRAFT KL-488N (для смазки, для масла, маслозаливной, масляный)
На складе
Доставка по Украине
2 244.
94 — 2 375.6 грн
от 2 продавцов
2 506 грн
Купить
Шприц для смазки INTERTOOL HT-0063
На складе
Доставка по Украине
429 — 522 грн
от 9 продавцов
429 грн
Купить
Шприц для смазки 500cm PRESSOL
Доставка по Украине
980 грн
Купить
Шприц для смазки пневматический с гибким шлангом 12 TOPTUL JGAE0204 AG, код: 6709549
Доставка по Украине
2 950 грн
2 064.98 грн
Купить
Шприц для смазки 400 мл двухплунжерный Pro-Line G.I.KRAFT KTPL-479 KS, код: 6450133
Доставка по Украине
1 700 грн
1 173.98 грн
Купить
Смотрите также
Шприц рычажно-плунжерный для смазки 400 мл G.I.KRAFT KL-451 KS, код: 7411464
Доставка по Украине
1 350 грн
942.98 грн
Купить
Шприц для смазки пневматический с гибким шлангом 12 TOPTUL JGAE0204 KS, код: 6709549
Доставка по Украине
2 950 грн
2 064.98 грн
Купить
Шприц рычажно-плунжерный для смазки 400 мл G.
I.KRAFT KL-451 MN, код: 7411464
Доставка по Украине
1 350 грн
942.98 грн
Купить
Шприц рычажно-плунжерный для смазки 400 мл G.I.KRAFT KL-451 PK, код: 7411464
Доставка по Украине
1 350 грн
942.98 грн
Купить
Шприц рычажно-плунжерный для смазки 400 мл G.I.KRAFT KL-451 ZZ, код: 7411464
Доставка по Украине
1 350 грн
942.98 грн
Купить
Шприц для смазки пневматический с гибким шлангом 12 TOPTUL JGAE0204 ZZ, код: 6709549
Доставка по Украине
2 950 грн
2 064.98 грн
Купить
Шприц для смазки 400 мл двухплунжерный Pro-Line G.I.KRAFT KTPL-479 ZZ, код: 6450133
Доставка по Украине
1 700 грн
1 173.98 грн
Купить
Шприц для смазки 400 мл двухплунжерный Pro-Line G.I.KRAFT KTPL-479 EV, код: 6450133
Доставка по Украине
1 700 грн
1 173.98 грн
Купить
Шприц для смазки 400 мл двухплунжерный Pro-Line G.I.KRAFT KTPL-479 TV, код: 6450133
Доставка по Украине
1 700 грн
1 173.
98 грн
Купить
Шприц рычажно-плунжерный для смазки 400 мл G.I.KRAFT KL-451 SC, код: 7411464
Доставка по Украине
1 350 грн
942.98 грн
Купить
Шприц для смазки 400 мл двухплунжерный Pro-Line G.I.KRAFT KTPL-479 SC, код: 6450133
Доставка по Украине
1 700 грн
1 173.98 грн
Купить
Шприц для смазки пневматический с гибким шлангом 12 TOPTUL JGAE0204 OB, код: 6709549
Доставка по Украине
2 950 грн
2 064.98 грн
Купить
Шприц для смазки 400 мл двухплунжерный Pro-Line G.I.KRAFT KTPL-479 KB, код: 6450133
Доставка по Украине
1 700 грн
1 173.98 грн
Купить
Шприц для смазки пневматический с гибким шлангом 12 TOPTUL JGAE0204 ES, код: 6709549
Доставка по Украине
2 950 грн
2 064.98 грн
Купить
Ремонт ГАЗ 2705 (Газель) : Смазка автомобиля
- Руководства по ремонту
- Руководство по ремонту ГАЗ 2705 (Газель) 1995+ г.в.
- Смазка автомобиля
В процессе проведения технического обслуживания автомобиля запрещается использование других марок горючезмазочных материалов и жидкостей, кроме указанных в табл.
11.4, 11.5 и 11.6.
Перед тем, как производить смазку, удалите грязь с пресс-масленок и пробок, чтобы избежать проникновения ее в механизмы автомобиля.
Производить смазку шприцем следует до тех пор, пока свежая смазка не покажется из мест стыков деталей узла, подвергающегося смазке.
При замене моторного масла на масло другой марки или другой фирмы обязательна промывка системы смазки промывочным маслом.
Запрещается смешивание (доливка) моторных масел различных марок и различных фирм.
Таблица 11.4. Карта смазки
Наименование точки смазывания | Кол. точек | Кол. смазоч. материала | Наименование смазки, масла | Периодичность | Выполняемые работы | ||
ТО-1 | ТО-2 | СО | |||||
Система смазки двигателя | 1 | 6 л | См. | + | + | — | Сменить масло и фильтрующий элемент масляного фильтра (см. раздел 4.1) — ЗМЗ-4025, 4026. Сменить масло и масляный фильтр — двигатели 4215, ЗМЗ-4061, 4063. |
Втулка ротора датчика-распределителя зажигания (421 ЗМЗ-4025, 4026) | 1 | Масло для двигателя | — | + | — | Смазать 4-5 каплями втулку ротора | |
Картер коробки передач | 1 | 1,2 л | При температуре от -25° С до +40° С масло «Супер Т-3″. Дублирующие масла: ТСп-15К, «Уфалюб унитранс», «Девон СуперТ». | — — | + +++ | — — | Проверить уровень и, при необходимости долить до уровня нижней кромки заливного отверстия (для пробки, расположенной с правой стороны) или на 7 мм ниже уровня нижней кромки заливного отверстия (для пробки, расположенной с левой стороны). Сменить масло, очистить магнитную сливную пробку. |
Игольчатые подшипники карданных шарниров | 3 | 60 г | Масло «Супер Т-3». Дублирующие масла: «Уфалюб Унитрас», «Девон Супер Т» | — | + | — | Сменить через пресс-масленки до выхода свежей смазки из-под всех уплотнений |
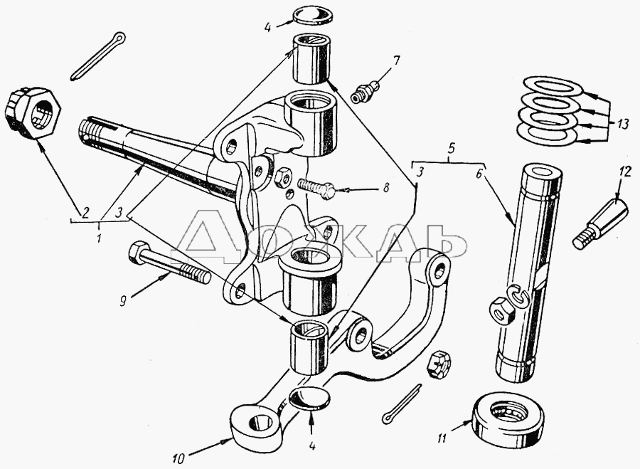
Втулки и опорные подшипники шкворней поворотных кулаков | 2 | 25 г | Солидол С Дублирующая смазка Солидол Ж | + | + | — | Смазать через пресс-масленку до появления смазки из-под уплотнителя опорного подшипника и из зазора между верхней бобышкой кулака и балкой. |
Картер заднего моста | 1 | 3,0 л (2,2* л) | При температуре от -25° С до +40° С масло «Супер Т-3″. Дублирующие масла: «Уфалюб унитранс», «Девон СуперТ». При температуре от -40° С до +20° С масло «Лукойл ТМ5» SAE 75W90 | — — | + +++ | — — | Проверить уровень и, при необходимости, долить до уровня контрольной пробки. Сменить масло, очистить магнитную сливную пробку после эксплуатации при низких температурах на масле с добавлением дизельного топлива, сменить масло весной |
Подшипники ступиц задних колес | 4 | 66 г | При температуре от -25° С до +40° С масло «Супер Т-3″. | — | +++ | — | При смене масла в заднем мосту снять ступицы, промыть их керосином, просушить, заложить по 15 г смазки в каждый подшипник и в полость между рабочими кромками манжет на 2/3 объема. Смазать рабочие кромки манжеты тонким слоем смазки. |
Подшипники ступиц передних колес | 4 | 270 г | Литол-24. Дублирующая смазка ЛИТА | — | +++ | — | Снять ступицы, промыть керосином, просушить заложить свежую смазку по 15 г во внутренние подшипники, по 10 г в наружные подшипники, по 110 г в полости ступиц и в полость между рабочими кромками манжет, смазав кромки тонким слоем смазки. |
Амортизаторы | 4 | 0,28х4=112 г | АЖ-12Т. Дублирующая жидкость — веретенное масло АУ | — | — | — | Сменить, при необходимости, жидкость |
Картер рулевого механизма | 1 | 0,45-0,5 л | Масло «Супер Т-3» Дублирующие масла: «Уфалюб Унитранс», «Девон Супер Т» | — | + | — | Проверить уровень и, при необходимости, долить. Уровень масла должен быть в пределах 15 мм вниз от нижней кромки заливного отверстия |
Уплотнитель рулевого вала | 1 | 5 г | Смазка Литол-24. | — | — | + | Сдвинуть кромку уплотнителя и смазать рабочую поверхность вала |
Карданные шарниры рулевого привода | 4 | 7 г | Литол-24. Дублирующие смазки: Солидол С, Солидол Ж | — | — | + | Смазать через пресс-масленку до появления свежей смазки |
Пополнительный бачок главного тормозного цилиндра | 1 | 0,52 л | Тормозная жидкость «РОСДОТ». Дублирующая жидкость «Томь» | — | — | + | Сменить жидкость два раза в год (весной) |
Бачок главного цилиндра гидропривода выключения сцепления | 1 | 0,2 л | Тормозная жидкость «РОСДОТ». | — | — | + | Сменить жидкость два раза в год (весной) |
Клеммы аккумуляторной батареи | 2 | 10 г | Пластичная смазка ПВК или солидол | — | — | + | Смазать тонким слоем |
Замки и приводы замков дверей (наружный и внутренний) | 28 | 40 г | Масло ВМГЗ или МГЕ10А | — | + | + | |
Выключатели замков дверей | 4 | 8 г | Литол-24. | — | — | + | Перед смазкой промыть |
Ограничители дверей кабины | 2 | 2 г | Литол-24. Дублирующая смазка ЛИТА | — | — | + | Смазать рычаг по мере необходимости при появлении скрипа |
Трущиеся поверхности направляющих боковой двери | 3 | 30 г | Литол-24. Дублирующая смазка ЛИТА | — | + | — | Перед смазкой протереть |
Замок капота | 1 | 1 г | Масло ВМГЗ или МГЕ10А | При необходимости, при заедании щеколды | |||
Привод замка капота | 1 | 15 г | Литол-24. | — | — | + | Перед смазкой промыть. Смазать трущиеся поверхности тонким слоем |
Петли капота | 2 | 2 г | Масло ВМГЗ или МГЕ10А | — | — | + | Смазать при необходимости, при появлении скрипа |
Подшипник верхнего ролика боковой двери автофургонов и автобусов | 1 | 20 г | Литол-24, ЛИТА или ЦИАТИМ-201 | + | + | — | Заложить смазку |
Система охлаждения двигателя | 1 | 9,7** л 11,5*** л | Охлаждающие жидкости ТОСОЛ-А40М, ОЖ-40, «Лена», «Термосол», Марка А-40 | — | — | + | Проверить плотность при сезонном обслуживании |
* Для неразъемного моста с запрессованными кожухами.
** Для автомобилей с одним отопителем.
*** Для автомобилей с дополнительным отопителем (автобусы и автофургоны с двумя рядами сидений).
Таблица 11.5. Перечень сертифицированных моторных масел
Модель двигателя | Марки числа | Классы вязкости по SAE | Классификация по СТО ААИ 003-98 (API) | ГОСТ, ТУ | Применение |
Семейтсво двигателей ЗМЗ-402 и 4215 | «ТНК Мотор Ойл» | 5W-30, 10W-30, 10W-40, 15W-40 | БЗ/Д1 (SF/СС) | ТУ-38.301-41-148-01 | 5W-30 от -25 до +20°С 5W-40 от -25 до +35°С 10W-30 от -20 до +30°С 10W-40 от -20 до +35°С 15W-40 от -15 до +35°С 15W-40 от-15 до +45°С 20W-40 от -10 до +45°С SAE30 от -5 до +45° С |
Уфалюб | 15W-40 | БЗ/Д1 (SF/СС) | ТУ 38. | ||
Уфалюб-Люкс | 10W-30, 15W-40 | БЗ/Д1 (SF/СС) | ТУ 0253.004.05766540-96 | ||
Антрол | 10W-30 | БЗ/Д1 (SF/СС) | ТУ 38.601.01.220-92 | ||
Норси | 10W-30, 10W-40 15W-40, 20W-40 | БЗ/Д1 (SF/СС) | ТУ 38.601.07.21-94 | ||
«Яр-Марка» 1 и 2 | 10W-30, 15W-40 | БЗ/Д1 (SF/СС) | ТУ 38. | ||
Нафтан МБ | 15W-40 | БЗ/Д1 (SF/СС) | ТУ РБ 057784770-90-96 | ||
Самойл | 10W-30, 10W-40, 15W-30, 15W-40, 20W-40 | БЗ/Д1 (SF/СС) | ТУ 38.301.12002-94 | ||
Велс 1 и 2 | 10W-30 | БЗ/Д1 (SF/СС) | ТУ 0253.072.00148636-95 | ||
«Стандарт 3,5» | 10W-30, 15W-40 | БЗ/Д1 (SF/СС) | ТУ 38. | ||
«Лукойл Стандарт» | 10W-30, 15W-40 | БЗ/Д1 (SF/СС) | ТУ 38.301-29-93-95 | ||
Спектрол | 10W-30, 10W-40, 15W-30 | БЗ/Д1 (SF/СС) | ТУ 0253.003.069113380-95 | ||
Яр-Марка» Экстра | 5W-30, 5W-40 | БЗ/Д2 (SF/СD) | ТУ 38.301.25.36-97 | ||
Ферганол | 30 | БЗ (SF) | ТУ Уз. | ||
«A3 МОЛ» | 15W-40, 20W-40 | БЗ/Д1 (SF/СС) | ТУ У 00152365060-97 | ||
«Юкос-Плюс» | 5W-30, 10W-30, 10W-40, 15W-40, 20W-40 | БЗ/Д1 (SF/CC) | ТУ 0253-003-48120848-98 | ||
ESSO Extra | 10W-30, 15W-40 | БЗ/Д1 (SF/CC) | Спецификация ф. ESSO | ||
Семейство двигателей ЗМЗ-406 | «Лукойл Супер» | 5W-30, 5W-40 | Б4/Д2 (SG/CD) | ТУ 0253-078-00148636-96 | 5W-30 от -25 до +20° С 5W-40 от -25 до +35° С 10W-30 от -20 до +30°С 10W-40 от -20 до +35°С 15W-40 от -15 до +45°С 20W-40 от-10 до +45°С |
«Яр-Марка Супер» | 5W-30, 5W-40 | Б4/Д2 (SG/CD) | ТУ 38. | ||
Новойл-Синт | 5W-30, 5W-40 | Б4/Д2 (SG/CD) | ТУ 0253-004-05766528-97 | ||
ESSO ULTRA | 10W-40 | SJ/SH/CF | Спецификация ф. ESSO | ||
ESSO UNIFLO | 15W-40 | SJ/SH/CF | Спецификация ф. ESSO | ||
«Омскойл Люкс» | 5W-30, 5W-40, 10W-30, 10W-40, 15W-40, 20W-40 | Б4/Д2 (SG/CD) | ТУ 308. | ||
«Юкос Супер» | 5W-40, 10W-40, 15W-40 | Б4/Д2 (SG/CD) | ТУ 0253-011-48120848-98 | ||
«Лукойл Супер» | 5W-40, 10W-40, 15W-40 | Б4/Д2 (SG/CD) | ТУ 0253-075-00148636-99 | ||
«Лукойл Люкс» | 5W-40, 10W-40, 15W-40 | Б4/Д2 (SG/CF) | ТУ 0253-088-00148636-97 | ||
«Лукойл Супер» | 5W-30, 5W-40, 10W-30, 10W-40, 15W-40 | Б4/Д2 (SG/CD) | ТУ 308. | ||
«ТНК-Супер-Ойл» | 5W-40, 10W-40, 15W-40, 20W-40 | Б4/Д2 (SG/CD) | ТУ 308.301-41-171-01 | ||
«Havoline F3X1 Extra» | 10W-40 | Б4/Д2 (SJ/CF) | Спецификация ф. Тексако | ||
«Havoline F3» | 10W-40, 15W-40 | Б4/Д2 (SJ/CF) | Спецификация ф. Тексако | ||
«Яр Марка Люкс» | 5W-30, 5W-40, 10W-30, 15W-40 | Б4/Д2 (SJ/CF) | ТУ 0253-010-17915330-99 | ||
«Люкс-1», 2, 3, 4, 5, 6 | 5W-30, 5W-40, 10W-30, 10W-40, 15W-40, 20W-40 | Б4/Д2 (SG/CD) | ТУ 308. |
Таблица 11.6. Зарубежные аналоги горюче-смазочных материалов и эксплуатационных жидкостей
Материалы российского производства | Классификация, спецификация,аналогов | Примечание |
Бензин АИ-93 | Регуляр 91-96 RON | (RON — октавное число по исследовательскому методу) |
Моторные масла | SAE 5 w/30; SAE 15 w/30; SAE 20 w/30; Масла фирмы «ESSO» API SJ/SH/CD марок ULTRON, ULTRA, UNIFLO | |
Трансмиссионные масла | API GL-5; SAE 85 W90 | |
Смазка Литол-24 | Mil-G-18709A; Mil -G-10924C | Указанные аналоги применяются в узлах трансмиссии, кроме заднего места |
Смазка ЛИТА | SM-iC-4515A(Ford) | |
Солидол С или Ж | VWTL-738; Mil-G-10924C; SM1C-74 A (Ford) | |
Графитная смазка УСсА | W-G-671 d 078. | |
Охлаждающая жидкость ТОСОЛ-А40М или ОЖ «Лена» | Антифриз на основе этиленгликоля с комплексом ингибиторов коррозии и пеногасителем | |
Тормозная жидкость «РОСДОТ», «Томь» | Тормозные жидкости типа DOT-4 или DOT-3, SAE I 1703f FMVSS 116A | Применять в соответствии с рекомендацией дилера, продавшего автомобиль |
Скачать информацию со страницы
↓ Комментарии ↓
1. Введение
1.0 Введение
2. Паспортные данные автомобиля
2.0 Паспортные данные автомобиля
2.1 Идентификационный номер ТС (VIN)
3. Технические данные и характеристики автомобилей
3.0 Технические данные и характеристики автомобилей
4.
Органы управления и приборы
4.0 Органы управления и приборы
5. Двигатель
5.0 Двигатель
5.1. Двигатели ЗМЗ-4025, -4026
5.2. Двигатели УМЗ-4215С*, УМЗ-42150*
5.3. Двигатели ЗМЗ-4061, ЗМЗ-4063
6. Трансмиссия
6.0 Трансмиссия
6.1. Сцепление
6.2. Коробка передач
6.3. Карданная передача
6.4. Задний мост
7. Ходовая часть
7.0 Ходовая часть
7.1. Подвеска
7.2. Колеса и шины
7.3. Ступицы задних колес
7.4. Ступицы передних колес
7.5. Балка передней подвески и рулевые тяги
8. Рулевое управление
8.0 Рулевое управление
8.1 Возможные неисправности рулевого управления и способы их устранения
8.2 Техническое обслуживание рулевого управления
8.3. Регулировка рулевого управления
8.4. Ремонт рулевого управления
9. Тормозная система
9.0 Тормозная система
9.1 Возможные неисправности тормозных систем и способы их устранения
9.2 Рабочая тормозная система
9.3 Запасная тормозная система
9.4. Вакуумный усилитель
9.
5 Главный тормозной цилиндр
9.6 Регулятор давления
9.7 Тормозные механизмы передних колес
9.8 Тормозные механизмы задних колес
9.9 Стояночная тормозная система
9.10. Техническое обслуживание и ремонт тормозных систем
10. Электрооборудование
10.0 Электрооборудование
10.1. Электрооборудование автомобилей с двигателями ЗМЗ-4025, ЗМЗ-4026
10.2 Электрооборудование автомобилей с двигателями 4215С, 42150
10.3. Электрооборудование автомобилей с двигателями ЗМЗ-4061, ЗМЗ-4063
11. Кузов автомобиля
11.0 Кузов автомобиля
11.1 Особенности технического обслуживания кузова
11.2 Ремонт кузова
11.3. Замена кузова
11.4. Двери
11.5. Отопление и вентиляция кузова
12. Техническое обслуживание
12.0 Техническое обслуживание
12.1 Ежедневное техническое обслуживание (ЕО)
12.2 Периодичность ТО-1 и ТО-2 в зависимости от условий эксплуатации
12.3 Периодическое техническое обслуживание* (ТО-1, ТО-2, СО)
12.4 Смазка автомобиля
13. Приложения
13.
0 Приложения
13.1 Приложение 1. Заправочные объемы
13.2 Приложение 2. Лампы, применяемые на автомобиле
13.3 Приложение 3. Подшипники качения, применяемые на автомобиле
13.4 Приложение 4. Манжеты и уплотнители, применяемые на автомобиле
13.5 Приложение 5. Моменты затяжки
13.6 Приложение 6. Эксплуатационные материалы
13.7 Приложение 7. Перечень изделий, содержащих драгоценные металлы
13.8 Cхема 1.
13.9 Схема 2.
Смазать или потерять
Шкворень управляемого моста — это точка поворота между балкой моста и концами колес. Это также точка соединения поворотного кулака, концов колес и управляемой оси. Роль поворотного шкворня управляемого моста заключается в поддержании геометрии рулевого управления автомобиля, поскольку он обеспечивает возможность поворота колес влево или вправо.
Поскольку поворотный шкворень управляемого моста является важным компонентом, обслуживание и техническое обслуживание никогда не должны отставать. Замена шкворня управляемого моста может быть длительной и утомительной процедурой, но методы профилактического обслуживания могут помочь облегчить будущие работы с полным обслуживанием, а также продлить срок службы шкворня и увеличить время между заменами.
Наиболее важным аспектом профилактического обслуживания шкворня управляемого моста является смазка.
Остерегайтесь износа
Понимание предупреждающих знаков, указывающих на потенциальную проблему шкворня управляемого моста, будет иметь большое значение, когда придет время заменить сам шкворень. Если предупреждающие знаки будут проигнорированы, не только усложнится процедура замены, но и потребуется решить дополнительные проблемы с техническим обслуживанием, а также дополнительные проблемы безопасности, поскольку они связаны с работоспособностью автомобиля.
Первым, кто заметит возможную проблему с поворотным шкворнем управляемого моста, скорее всего, будет водитель.
«Водитель потенциально может почувствовать рывки или тряску руля при повороте руля или при движении прямо», — говорит Джеки Стоквелл, менеджер по продукции для послепродажного обслуживания переднего управляемого моста и электрификации в Meritor. «Это почти может показаться проблемой мировоззрения, но потенциально это может быть ключевой фигурой».
Meritor является глобальным поставщиком решений для трансмиссии, мобильности, тормозной системы и послепродажного обслуживания для грузовых автомобилей и промышленных рынков.
«Водителю может быть трудно управлять грузовиком, так как без надлежащей смазки регулировочные прокладки не позволят легко управлять рулевым управлением», — говорит Скотт Доннелли, менеджер по обучению послепродажного обслуживания, старший инженер по качеству Dana Aftermarket. «В критических случаях недостаток смазки может привести к износу регулировочных прокладок и возникновению точек заедания в рулевом управлении. Эти точки захвата затруднили бы ввод небольших исправлений водителю без предварительного преодоления привязки из-за поврежденных компонентов. Водителю приходилось дергать руль даже при небольших движениях, что могло привести к опасной дорожной ситуации». Dana проектирует, производит и продает системы трансмиссии и электродвижения. Бренды Dana Aftermarket поддерживают рынки легковых и легких грузовиков, тяжелых грузовиков и автобусов, а также внедорожного оборудования.
«Иногда [водители] слышат неуклюжие звуки, исходящие от управляемой оси», — говорит Алехандро Айяла, старший менеджер по продуктам Kaiser Gaff и подвески для STEMCO. STEMCO поставляет линейку высокопроизводительных систем и компонентов для коммерческого транспорта.
Если водитель сообщает о каких-либо проблемах с рулевым управлением или о странном шуме от управляемой оси, технические специалисты должны провести дальнейшее расследование. Во-первых, техник должен проверить неравномерный износ шин.
«В случае проблемы со шкворнем это будет внутренний [плечевой] износ шины», — говорит Айяла. «Шина вместо того, чтобы быть прямой [и] перпендикулярной земле, начинает открываться снизу наружу. Таким образом, внутренний износ является наиболее распространенным».
Помимо поиска неравномерного износа шин, технические специалисты также могут определить проблему со шкворнем рулевой оси, выполнив проверку всего конца колеса.
«Если они подняли грузовик, лучший способ проверить, нужно ли заменить [шкворень рулевой оси], — это поднять переднюю ось над землей и приложить давление к верхней части колеса и нижней части колесо и проверьте осевой люфт», — говорит Стоквелл.
«Конечный люфт — это, по сути, слишком большое движение шины. Очевидно, вам нужно поворачивать влево и вправо, но вы не хотите, чтобы было какое-либо движение вверх и вниз. Используйте циферблатный индикатор и проведите надлежащую измеренную проверку; если [осевой люфт] превышает десятитысячные дюйма, мы рекомендуем вам заменить этот [шкворень]. Вы можете не совсем почувствовать десять тысячных дюйма [движения], это звучит как очень маленькое число. Вот почему мы рекомендуем делать это всякий раз, когда у вас есть возможность оторвать ось от земли».
Выполнение такой процедуры с циферблатным индикатором каждый раз, когда поднимается управляемая ось, позволит автопарку вести журнал осевого люфта; Отслеживание увеличения осевого люфта может предотвратить износ шин и снизить частоту замены шин.
«Когда шкворень рулевой оси будет новым, у них будет люфт в три-четыре тысячных дюйма», — говорит Айяла. «Это не правило, но в общих чертах. Как только он достигнет десятитысячного [диапазона] движения, эти шины будут быстро изнашиваться.
И это признак того, что вам нужно заменить вора в законе. Если вы проверяете [движение] и регистрируете это, вы можете увидеть, когда ваш главный герой нуждается в ремонте. Вы ждете, пока шины изношены? Или вы ставите новые шины и изнашиваете их преждевременно, потому что у вас уже изношен шкворень?»
А теперь самое сложное
Вам будет трудно найти техника, который утверждает, что ему нравится заменять шкворни рулевой оси. Процедура тонкая и трудоемкая, не говоря уже о технической и точной с минимальной погрешностью. Хотя процедуры снятия и установки шкворня рулевого моста различаются от автомобиля к автомобилю, есть несколько универсальных шагов, советов и приемов, которые следует учитывать.
На первом этапе замены шкворня управляемого моста необходимо снести и снять с автомобиля весь конец колеса, оставив только поворотный кулак, соединенный с балкой моста.
После того, как колпачки поворотных кулаков и ключи извлечены, необходимо извлечь сам шкворень.
«Самое сложное в этой работе — увидеть, как выйдет главный герой», — говорит Айяла из STEMCO. «Выйдет ли? Иногда он как бы вмерзает в ось, и его очень трудно удалить. Иногда, как только [техник] удалил все компоненты, одно касание [к шкворню] и шкворень выпадает. Вот когда техник становится очень счастливым и говорит: «Да!»
Однако, если шкворень застрял в канале ствола, извлечение может быть проблематичным. Шкворень может заклинить при попадании влаги и мусора в канал ствола; со временем это загрязнение может привести к ржавчине, которая может сварить штифт и отверстие вместе. Прессы, молотки и любые инструменты, имеющиеся в распоряжении техника, должны быть использованы для удаления захваченного шкворня. STEMCO предлагает систему удаления шкворня QwikeXtract, которая включает в себя 50-тонный гидравлический пресс, помогающий техническим специалистам в удалении заклинивших шкворней.
«Одна из самых больших проблем, с которыми сталкиваются технические специалисты, — извлечь втулку из поворотного кулака, не повредив отверстие втулки, — говорит Доннелли из Dana Aftermarket.
«Мы рекомендовали им использовать перфоратор для удаления поворотного кулака и пресс-инструмент для его повторной установки. Не рекомендуется использовать шлифовальную машину для снятия втулки».
После извлечения шкворня техническим специалистам потребуется очистить и очистить отверстие перед установкой нового комплекта шкворня. После удаления предыдущего комплекта и очистки от мусора техническим специалистам необходимо измерить, чтобы отверстие было круглым; круглое отверстие обеспечит правильную посадку нового комплекта шкворня, а также предотвратит преждевременный износ нового шкворня.
STEMCO предлагает оборудование Axle Pro Equipment (APE), помогающее установить круглое отверстие и обеспечить правильную посадку шкворня управляемой оси.
«С помощью оборудования Axle Pro мы сверлим отверстие и обрабатываем его, чтобы оно соответствовало спецификациям оригинального оборудования», — говорит Айяла из STEMCO. «Это отверстие мы надеваем на него втулку из закаленной стали, которая будет прочнее, чем отливка оси, тем самым делая отверстие прочнее на всю жизнь.
APE — это оборудование, которое просверливает это отверстие, выравнивает его, а затем заполняет его втулкой, чтобы вернуть размеры туда, где они должны быть».
Комплекты поворотных шкворней и процедуры установки
После определения округлости канала пора установить новый комплект шкворня. Первым шагом в процессе установки будет выбор подходящего комплекта шкворней.
«Технический специалист должен собрать шкворень управляемого моста, используя комплект, в который включены все компоненты, например оригинальные комплекты Spicer, соответствующие спецификациям оригинального оборудования», — говорит Доннелли из Dana Aftermarket. «Они были спроектированы, разработаны и изготовлены для совместной работы, поэтому технические специалисты могут быть уверены, что они устанавливают компоненты того же качества, что и на новом грузовике. Кроме того, важно заменять сразу все изнашиваемые элементы, включая втулки, уплотнения, пакет прокладок, упорные подшипники и шкворни».
Для определения правильного комплекта шкворня для установки на автомобиль, особенно если это первая замена шкворня на управляемой оси автомобиля, может потребоваться небольшое исследование.
Meritor предлагает функцию поиска Xact, специально для комплектов шкворня, на платформе MeritorPartsXpress.com, чтобы помочь смягчить дилеммы несоответствия комплекта оси.
«Все, что вам нужно знать, это марку, модель и год выпуска автомобиля, над которым вы работаете, и это даст вам комплект шкворня для вашего приложения», — говорит Стоквелл из Meritor. «Кроме того, это даст вам различные варианты втулок. Таким образом, вы можете выбрать набор расширителей, если у вас есть такие технические возможности, вы можете выбрать втулку предварительного размера, если вам нужна прочная посадка без необходимости развертывания, или вы можете выбрать спиральную втулку, если вам просто нужна быстрая и простая работа. У нас также есть в нашем поиске по каталогу на MeritorPartsXpress.com [возможность, где] вы можете развернуть шкворня по длине, диаметру, типу втулки, которую вы ищете, [или] если вы знаете марку оси, но, возможно, не модель. Вы можете детализировать все эти различные атрибуты, чтобы таким же образом добраться до нужного комплекта вора в законе ».
Служба поддержки STEMCO готова помочь клиентам определить необходимый им комплект шкворня, — говорит Айяла.
Установка соответствующего комплекта шкворня управляемой оси зависит от автомобиля, но при установке следует учитывать универсальные аспекты. Рекомендуется следовать процедурам установки изготовителя оси. Как правило, установка начинается с установки втулок в отверстие.
Оборудование, необходимое для установки проходного изолятора, зависит от типа устанавливаемого проходного изолятора. Драйверы втулки являются обычным явлением. При использовании спиральной втулки установку можно выполнить вручную с помощью острогубцев. Традиционные втулки развертки должны быть соответствующим образом расширены перед установкой.
«Для развертывания требуется специальное оборудование, а также очень высокие технические возможности, — говорит Стоквелл. «Это [] очень точный процесс, так как вы не хотите вынимать слишком много материала, потому что вам нужна плотная посадка между штифтом и втулкой… это может снова вызвать неравномерный износ втулки».
Компания Meritor также предлагает два различных типа втулок без развальцовки, в том числе спиральную втулку FastSet, которую можно вкрутить в поворотный кулак вручную.
«Это самый простой способ для любого, даже для новичка, выполнить работу по установке переднего рулевого управления [шкворня]», — говорит Стоквелл.
«При установке втулок на шпиндели мы всегда рекомендуем провести разброс шпинделя [испытание] — проведите шкворень от одной втулки к другой втулке, и вы должны почувствовать проскальзывание без заедания», — говорит Аяла. «На шпиндель приходится две втулки, и вы можете проверить, проходит ли штифт через одну или другую втулку, но штифт должен проходить через обе втулки одновременно. Иногда технические специалисты забывают это сделать. Они идут и устанавливают шкворень и заканчивают ремонт, а тугое рулевое управление продолжает происходить, потому что втулка не выровняется. Это ключевой тест, прежде чем вы войдете и завершите установку».
Установка манжетных уплотнений — еще один важный этап установки шкворня управляемого моста.
Для каждой втулки имеется манжетное уплотнение, обращенное к оси. Манжетное уплотнение позволяет смазке выходить из втулки, удаляя изношенную смазку и любые загрязнения, одновременно предотвращая попадание грязи во втулки. Когда транспортные средства проходят через различные среды, ось сталкивается с пылью и влагой. Если манжетное уплотнение установлено неправильно, этот мусор попадает во втулку и способствует износу и разрушению.
Благодаря круглому отверстию и правильно установленным втулкам и уплотнениям техники теперь могут следовать рекомендациям производителя оси по процедурам сборки.
Смазать или потерять
После того, как поворотный кулак прикреплен к балке оси с помощью шкворня, последним этапом процедуры установки является нанесение смазки.
«Смазка имеет ключевое значение для жизни шкворня», — говорит Айяла из STEMCO.
Во время установки смазка наносится в двух точках шкворня управляемого моста.
«Верхняя и нижняя крышки поворотного кулака имеют резьбу для установки масленки», — говорит Доннелли из Dana Aftermarket.
«Масленка является точкой входа для смазки после завершения сборки шкворня. Мы рекомендуем литиевую смазку класса 1 или 2 по SAE».
Требуется, чтобы смазка системы поворотного шкворня управляемого моста была нанесена дополнительно во время сборки.
«Самое важное, что [для] продления срока службы шкворней, — это регулярная смазка», — говорит Стоквелл из Meritor. «Мы предлагаем разнообразный график в зависимости от применения грузовика. Например, мы рекомендуем [для] небольшого пробега, тяжелого обслуживания [грузовика], такого как мусоровоз или часто останавливающийся городской развозной грузовик, [смазывать] примерно каждые 15 000 миль. Но линейную перегонку или применение с большим пробегом можно выполнять реже, например, при каждой замене масла или ближе к 50 000 миль».
Компания Meritor разработала таблицу для составления графика профилактического обслуживания, в которой рекомендуются интервалы смазывания шкворня управляемого моста в зависимости от назначения и использования автомобиля в эксплуатации.
Автопаркам также следует ознакомиться с Рекомендуемой практикой 651 Совета по техническому обслуживанию, чтобы понять правильные интервалы смазки и рекомендации.
«Поддержание надлежащей смазки в системе очень поможет и обеспечит долгий срок службы системы», — говорит Аяла. «При надлежащей смазке это даже помогает не блокировать шкворень, когда пришло время его заменить, потому что вместо ржавчины всегда была эта смазка. Поддержание надлежащей смазки является ключевым моментом».
Заключение
Обслуживание шкворня управляемого моста обширно. На протяжении всего процесса существует множество различных этапов, каждый из которых имеет свои особенности, которые необходимо учитывать при создании эффективной и действенной процедуры. Чтобы устранить общие болевые точки, флоты могут применять методы на каждом из этих этапов, которые в долгосрочной перспективе принесут дивиденды. Создайте рабочий журнал, который измеряет осевой люфт с концом колеса, измеряя осевой люфт каждый раз, когда управляемая ось поднимается и увеличивается колея.

табл. 11. 5
При температуре от -40° С до +20° С масло «Лукойл ТМ-5» SAE 75W90
В случае выхода смазки из-под крышки шкворня необходимо подтянуть болты крепления крышки и промыть шкворневое соединение смесью трансмиссионного масла с керосином в соотношении 1:1 через пресс-масленку
Дублирующие масла: «Уфалюб унитранс», «Девон СуперТ». При температуре от -40° С до +20° С масло «Лукойл ТМ5» SAE 75W90
Дублирующая смазка ЛИТА
Дублирующая жидкость «Томь»
Дублирующая смазка ЛИТА
Дублирующая смазка ЛИТА
302.032-90
301.25.19-95
301.-19-79-98
39.3-145-96
301.25.37-97
301.19-113-98
601-07-46-02
301-19-113-98