Изготовлдение прицепа для лодки своими руками
Содержание:
- 1 С чего начать
- 2 Размеры прицепа
- 3 Конструктивные особенности
- 4 Где взять чертеж
- 5 Регистрация
Прицеп для перевозки лодки ПВХ, алюминиевой с мотором или без него необходим и с этим не поспоришь. Другое дело купить его или сделать своими руками это выбор каждого человека.
Если разобраться, то его изготовление не такое сложное дело, не требующее серьезных инженерных решений. Люди, обладающие навыками работы с железом, смогут его сделать.
Самодельный прицеп иногда получается даже лучше покупного, и дело не только в цене, он будет изготовлен индивидуально для вашей лодки, по её размерам. Хотя цена тоже имеет значение.
Изготовление прицепа своими руками обойдется вам в 2,5 раза дешевле, чем покупной фаркоп, а кому — то и ещё меньше.
Изготовление такого прицепа особенно оправдано для перевозки лодки ПВХ на небольшие расстояния.
Для перевозки лодок ПВХ используют направляющие.
Наиболее распространенная ситуация, когда народ берется своими руками построить средство передвижения для лодки, это расстояние до водоема 1- 2 километра.
Для лодки ПВХ подойдет более облегченная конструкция, чем для большого катера.
С чего начать
Определитесь с формой и габаритами своего прицепа. Посмотрите, какие имеются в продаже, какая у них конструкция и форма.
Ваш самодельный прицеп должен соответствовать не только размерам лодки, но и автомобиля, к которому будете его цеплять.
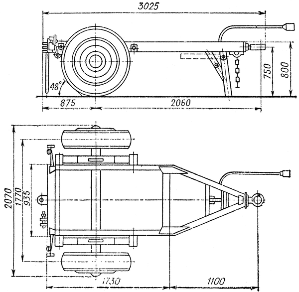
Как и любой механизм, изготовление надо начинать с чертежа. За основу возможно взять любую конструкцию, которую по вашему мнению вы сможете осилить и подогнать её под размер вашей лодки. Но если вы еще не определились, то остановите свой выбор на А-образной конструкции, в которой косые перекладины сходятся в начале сцепки.
Размеры прицепа
Главное не просчитаться с габаритами. Лучше семь раз отмерить!
Если сделаете узкий прицеп, то его будет плохо видно в боковые зеркала вашего автомобиля.
Надо рассчитать габариты конструкции так, чтобы колеса не были под самой лодкой, потому что будет трудно загонять её в воду.
Продумывая габариты лодочного прицепа, надо учесть особенности места, с которого будете его загонять в воду, возможно там большая глубина. Но если рыбачите в разных местах, то это не актуально.
Конструктивные особенности
Вам необходимо будет учесть распределение нагрузки на ось самодельного прицепа. Большая часть её, что составит примерно 2/3 от всей нагрузки, должна приходиться на переднюю часть, и лишь 1/3 часть на заднюю. Если вы не соблюдете это условие, то задок вашего автомобиля будет задран, вы не сможете нормально транспортировать свою лодку.
Также важен расчет центра тяжести, который должен находиться на середине прицепа, это надо для распределения равномерной нагрузки на шаровые составляющие. Для того, чтобы найти центр тяжести у вашей лодки, поставьте ее на полено так, чтобы она не падала, отметьте место, где соблюдается баланс, через него должна пройти ось прицепа.
Если продумать, то возможно сделать съемными упор, лебедку и направляющие, таким образом конструкция будет более универсальной, его возможно будет использовать для других целей, а вдруг пригодится!
Если у вас тяжелая алюминиевая лодка или катер, то не советую делать прицеп на роликах, при перевозки они оставляют вмятины на корпусе. Направляющие лучше заделать мягким и прочным материалом.
Где взять чертеж
В настоящее время любые чертежи это не секрет за семью печатями, который передается от деда к внуку. Если вы владеете интернетом, то обязательно найдете подходящую конструкцию. Возможно, и подгонять ничего будет не нужно, просто воспользоваться готовыми чертежами.
Например, можно воспользоваться таким:
Еще один чертеж самодельного прицепа для надувной лодки:
Для изготовления самодельной модели прицепа вы должны решить для себя такие вопросы:
- кто и как будет сваривать металл;
- где кроить и разрезать металл;
- есть ли у вас токарный станок, чтобы при необходимости делать токарную работу (стачивать болты и др.
).
Регистрация
Если не хотите неприятностей с полицией, то прицеп для лодки надо будет зарегистрировать.
Самодельные прицепы подлежат регистрации точно так же как и заводские в ГИБДД, поэтому они должны соответствовать определенным стандартам по ширине, высоте и длине прицепа вместе с автомобилем:
- 20 метров — длина всей сцепки;
- 3,8- высота;
- 2,2 – ширина.
Меньше – пожалуйста, больше – нельзя.
Никогда не знаешь где тебя будет поджидать слуга закона, поэтому регистрация нужна.
Народная примета: Гроза внезапно застала в дороге — значит, на месте прибытия вам не очень рады будут.
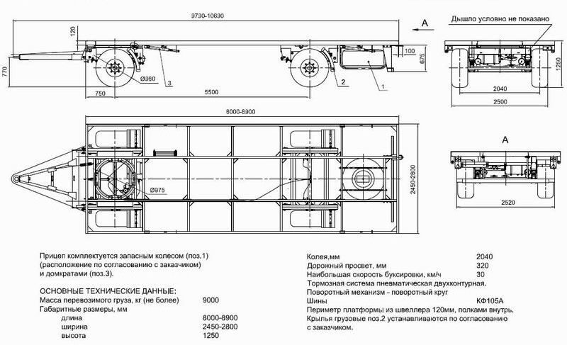
Прицеп зерновоз
Предназначен для перевозки различных сельскохозяйственных и промышленных грузов по всем видам дорог, в пределах габарита и грузоподъёмности прицепа.
Прицеп зерновоз
Технические характеристики:
- Габаритные размеры
-
длина, мм
7750
-
длина кузова внутренняя, мм
5160
-
ширина, мм
2500
-
ширина кузова внутренняя, мм
2315
-
высота, мм
2950
-
высота бортов основных, мм
580
-
высота бортов надставных металлических, мм
600
-
база, мм
3800
-
колея колёс, мм
1890
-
- Объём кузова
- с основными бортами 6,9 м3
- с надставными бортами 14,1 м3
- Весовые характеристики
-
грузоподъёмность, кг
12000
-
масса снаряженного транспортного средства, кг
5200
-
полная масса транспортного средства, кг
17200
-
- Распределение полной массы:
-
на переднюю ось, кг
8600
-
на заднюю ось, кг
8600
-
- Тормозная система
- рабочая: двухпроводной пневматический привод, тормозные механизмы всех колес – барабанного типа
стояночная: пневматический привод от пружинных энергоаккумуляторов на тормозные механизмы задних колес
- Подвеска
- на двух основных и двух полуэллиптических рессорах
- Колёса и шины
- дисковые колёса: 8 колёс + 1 запасное
- шины 10,00 R20,0
- диски 7,0-20
- Электрооборудование:
- рабочее напряжение 24 вольт
- Лакокрасочное покрытие
- окраска прицепа производится в окрасочной камере по RALу заказчика, температура сушки краски 80 °С
- Комплектация
- противооткатные башмаки – 2 шт.

- ключ крышки ступицы – 1 шт.
- ключ ступицы – 1 шт.
- противооткатные башмаки – 2 шт.
- Дополнительные характеристики
- угол опрокидывания кузова – 45°
- максимальная скорость движения транспортного средства – 80 км/ч
- Все данные, приведённые выше, являются приблизительными. Возможны отклонения вследствие как установки дополнительного оборудования и аксессуаров, так и в зависимости от типа тягача. Чертёж дан в качестве иллюстрации и может отличаться от действительной конструкции.
Цена сельскохозяйственного прицепа, полуприцепа, фургона
Цена сельскохозяйственного прицепа, полуприцепа, фургона, зависит от модели, конструктивной особенности и комплектации оборудованием. Уточнить стоимость сельскохозяйственного прицепа, полуприцепа, фургона Вы можете по электронной почте: [email protected] или позвонив к нам по телефонам, указанным на странице контакты.
Грузовой транспорт и седельные тягачи
Грузовой транспорт и седельные тягачи подходящие по стандарту к нашим полуприцепам с высотой ССУ от 1100 мм до 1350 мм: Mercedes — «Мерседес»; Volvo — «Вольво»; Scania — «Скания»; Renault — «Рено»; MAN — «МАН»; Mack — «Мак»; DAF — «Даф»; «МАЗ»; «КАМАЗ».
При необходимости, по желанию клиента, можем спроектировать полуприцеп с любой высотой ССУ и любой конфигурации, который будет соответствовать техническим нормам. К каждому клиенту индивидуальный подход.
Trailer Dimensions — Stream Logistics
| FLATBED TRAILER  |
| STEP DECK TRAILER  |
| DOUBLE DROP TRAILER  |
| EXTENDABLE DOUBLE DROP TRAILER  |
| RGN TRAILER  |
| EXTENDABLE RGN TRAILER  |
| ПРИЦЕП HOT SHOT  |
| MODULAR FRAME TRAILER  |
| DRY VAN TRAILER  |
| REEFER TRAILER  |
| CONESTOGA TRAILER  |
| INTERMODAL TRAILER  |
| PUP TRAILER  |
ПЛАТНАЯ СТУПЕНЬКА С ДВОЙНЫМ ОПУСКАНИЕМ, ВЫДВИЖНАЯ С ДВОЙНЫМ ОПУСКАНИЕМ, ВЫДВИЖНАЯ RGNH, ГИДРАВЛИЧЕСКАЯ, МОДУЛЬНАЯ РАМА, СУХОЙ ФУРГОН, РЕФЕР, КОНЕСТО, ВЕНТИЛЬ, МОДАЛЬ, UP
СКАЧАТЬ PDFВОПРОСЫ?
ПЛАНТОВЫЙ ПРИЦЕП
Бортовые полуприцепы предназначены для перевозки длинных, тяжелых или нестандартных грузов, что создает проблемы при погрузке/разгрузке закрытого прицепа.
| Размеры полуприцепа ПЛАТФОРМА | |
| Длина | 48′ — 53′ |
| Ширина | 102 дюйма |
| Высота | 60 дюймов |
| ПЛАТФОРМЫ Максимальный типичный груз | |
| Ширина груза | 102 дюйма |
| Высота груза | 102–108 дюймов |
| Вес груза | 48 000 фунтов |
| Счетчик поддонов | 24 |
Есть вопросы или запросы относительно государственных разрешений на перевозку вашего груза или груза? Свяжитесь с нами, и наш эксперт по негабаритным и разрешенным логистическим вопросам с радостью поможет.
ПРИЦЕП ДЛЯ ПОДЪЕМНИКОВ
Полуприцепы с подножками, также известные как откидные платформы, предназначены для перевозки товаров, которые слишком высоки для стандартной платформы. Прицеп состоит из двух палуб, верхней и нижней. Использование нижней палубы или колодца позволяет легально перевозить грузы высотой до 10 футов, обеспечивая при этом те же возможности погрузки/разгрузки, что и стандартная бортовая платформа.
| Размеры полуприцепа STEP DECK | |
| Длина: Всего | 48′ — 53′ |
| Длина: Нижняя палуба | 37′ — 43′ |
| Длина: верхняя палуба | 10′ — 11′ |
| Ширина | 102 дюйма |
| Высота: Нижняя палуба | 42 дюйма |
| Высота: верхняя палуба | 60 дюймов |
| ПОДЪЕМНАЯ ПАЛУБА Максимальное количество груза | |
| Ширина груза | 102 дюйма |
| Высота груза | 120–126 дюймов |
| Вес груза | 45 000 фунтов |
| Счетчик поддонов | 24 |
Есть вопросы или запросы относительно государственных разрешений на перевозку вашего груза или груза? Свяжитесь с нами, и наш эксперт по негабаритным и разрешенным логистическим вопросам с радостью поможет.
ДВОЙНОЙ ПРИЦЕП
(LOWBOY)
Двухместные полуприцепы предназначены для перевозки негабаритных грузов как легально, так и с использованием разрешений/сопровождения. Состоит из трех палуб: верхней, нижней и нулевой. Низкий профиль колодца позволяет легально перевозить грузы высотой до 12 футов. Благодаря нескольким вариантам прицепов, таким как выдвижная платформа, двойные опрокидывания позволяют перевозить широкий спектр негабаритных грузов.
| Размеры полуприцепа DOUBLE DROP | |
| Длина: Всего | 48′ |
| Длина: основной колодец | 26′ — 30′ |
| Длина: передняя/задняя деки | 8′ — 10′ |
| Ширина | 102 дюйма |
| Высота | 18–24 дюйма |
| DOUBLE DROP Максимальный типичный груз | |
| Ширина груза | 102 дюйма |
| Высота груза | 144–150 дюймов |
| Вес груза | 40 000 фунтов |
Есть вопросы или запросы относительно государственных разрешений на перевозку вашего груза или груза? Свяжитесь с нами, и наш эксперт по негабаритным и разрешенным логистическим вопросам с радостью поможет.
УДЛИНЯЕМЫЙ ПРИЦЕП
(LOWBOY)
Раздвижные прицепы Double Drop предназначены для перевозки как законных, так и негабаритных (разрешенных, сопровождаемых) грузов и особенно подходят для грузов, которые слишком длинны для «колодца» стандартного двухместного автомобиля. Скиньте трейлер. Расширяемые двойные опускные устройства имеют возможность расширять свой «колодец» с помощью двух (2) стержней, что позволяет полностью поддерживать более длинные товары по длине. Double Drops позволяет перевозить широкий спектр негабаритных грузов, которые можно загружать и разгружать с помощью крана.
| Размеры полуприцепа EXTENDABLE DOUBLE DROP | |
| Длина: Всего | Около 80 футов (полностью выдвинут) |
| Длина: основной колодец | 31 ‘- 60’ |
| Длина: передняя/задняя деки | 8′ — 10′ |
| Ширина | 102 дюйма |
| Высота | 18–24 дюйма |
| УДЛИНЯЕМАЯ ДВОЙНАЯ ПАДЕНИЕ Типичные максимальные грузоподъемности | |
| Длина груза | 60′ |
| Ширина груза | 102 дюйма |
| Высота груза | 144–150 дюймов |
| Вес груза | 40 000 фунтов |
Есть вопросы или запросы относительно государственных разрешений на перевозку вашего груза или груза? Свяжитесь с нами, и наш эксперт по негабаритным и разрешенным логистическим вопросам с радостью поможет.
ТРЕЙЛЕР RGN
Полуприцепы RGN (съемная гусиная шея, также называемая low boy или double drop) предназначены для перевозки негабаритных грузов как легально, так и с использованием разрешений/сопровождения. RGN особенно полезны для продуктов, которые можно перевозить на прицепе, таких как тракторы, специальные автомобили и тяжелая техника. Благодаря возможности отсоединения от кабины и опускающимся пандусам груз можно легко загружать и вывозить.
| Размеры полуприцепа RGN | |
| Длина: Всего | 48′ |
| Длина: основной колодец | 26′ — 30′ |
| Длина: задняя полка | 8′ — 10′ |
| Ширина | 102 дюйма |
| Высота | 18–24 дюйма |
| RGN Типовые максимальные грузы | |
| Ширина груза | 102 дюйма |
| Высота груза | 144–150 дюймов |
| Вес груза | 40 000 фунтов |
Есть вопросы или запросы относительно государственных разрешений на перевозку вашего груза или груза? Свяжитесь с нами, и наш эксперт по негабаритным и разрешенным логистическим вопросам с радостью поможет.
РАЗДВИЖНОЙ ТРЕЙЛЕР RGN
Раздвижные прицепы RGN (съемная гусиная шея) предназначены для перевозки как законных, так и негабаритных (разрешенных, сопровождаемых) грузов и особенно полезны для товаров, длина которых слишком велика для стандартного прицепа RGN. Расширяемые RGN имеют возможность расширять свой «колодец» с помощью двух (2) стержней, что позволяет полностью поддерживать более длинные товары по длине. Кроме того, возможность отсоединения от кабины в сочетании с опускающимися пандусами позволяет легко загружать и выгружать грузы, например тяжелую технику, или загружать и разгружать с помощью крана, например, модульные здания.
| Размеры полуприцепа EXTENDABLE RGN | |
| Длина: Всего | Около 80 футов (полностью выдвинут) |
| Длина: основной колодец | 31 ‘- 60’ |
| Длина: задняя полка | 8′ — 10′ |
| Ширина | 102 дюйма |
| Высота | 18–24 дюйма |
| УДЛИНЯЕМЫЙ RGN Максимальный типичный груз | |
| Длина груза | 60′ |
| Ширина груза | 102 дюйма |
| Высота груза | 144–150 дюймов |
| Вес груза | 40 000 фунтов |
Есть вопросы или запросы относительно государственных разрешений на перевозку вашего груза или груза? Свяжитесь с нами, и наш эксперт по негабаритным и разрешенным логистическим вопросам с радостью поможет.
ТРЕЙЛЕР HOT SHOT
Полуприцепы Hot Shot предназначены для перевозки длинных или нестандартных грузов. Однако они ограничены меньшим весом груза. Открытый характер прицепа позволяет выполнять погрузку/разгрузку сзади, сбоку или сверху; позволяя вилочным погрузчикам и кранам равномерно поднимать груз. Низкий профиль палубы позволяет легально перевозить грузы высотой до 10 футов.
| Размеры полуприцепа HOT SHOT | |
| Длина | 40′ |
| Ширина | 102 дюйма |
| Высота | 36–42 дюйма |
| HOT SHOT Типовые максимальные грузы | |
| Ширина груза | 102 дюйма |
| Высота груза | 120″ — 131″ |
| Вес груза | 15 000 фунтов |
Есть вопросы или запросы относительно государственных разрешений на перевозку вашего груза или груза? Свяжитесь с нами, и наш эксперт по негабаритным и разрешенным логистическим вопросам с радостью поможет.
ГИДРАВЛИЧЕСКИЙ ПРИЦЕП
Гидравлические прицепы предназначены для перевозки как коммерческих, так и жилых модульных единиц, в основном, но не ограничиваясь ими, единиц, изготовленных из древесины (древесины). Оснащен несколькими (до 4) специальными подъемными системами с высокой грузоподъемностью, которые при размещении под модульной единицей позволяют поднимать и/или опускать всю платформу прицепа на постоянном уровне, позволяя поднимать или поднимать модульную единицу. вне криббеджа, без необходимости в бригадах, вилочных погрузчиках или кранах. Идеально подходит для транспортировки на автономную складскую площадку и обратно, которая часто используется для обратной засыпки модульных блоков перед началом проекта.
| ГИДРАВЛИЧЕСКИЕ Размеры полуприцепа | |
| Длина | Приблизительно 40–60 футов |
| Ширина | 102 дюйма |
| Высота | 30–32 дюйма |
| ГИДРАВЛИЧЕСКОЕ Типовое максимальное количество груза | |
| Максимальные значения сильно различаются. | |
Есть вопросы или запросы относительно государственных разрешений на перевозку вашего груза или груза? Свяжитесь с нами, и наш эксперт по негабаритным и разрешенным логистическим вопросам с радостью поможет.
ПРИЦЕП С МОДУЛЬНОЙ РАМОЙ
Рамы специально разработаны для перевозки модульных единиц, как коммерческих, так и жилых, деревянных (деревянных) или стальных. Рамы могут быть изготовлены с различными размерами, а также с конфигурациями осей, в зависимости от предпочтений завода-изготовителя или для конкретной работы. Язычок или передняя часть рамы оснащена цапфой и буксируется на рабочую площадку с помощью тележки. Поскольку эти рамы часто принадлежат самой фабрике-производителю, после разгрузки они складываются в три (3) стопки и возвращаются на фабрику для повторной загрузки или хранения для следующего проекта.
| МОДУЛЬНАЯ РАМА Размеры полуприцепа | |
| Длина | Приблизительно 40–60 футов |
| Ширина | 102 дюйма |
| Высота | 30–32 дюйма |
| МОДУЛЬНАЯ РАМА Максимальный типичный груз |
Есть вопросы или запросы относительно государственных разрешений на перевозку вашего груза или груза? Свяжитесь с нами, и наш эксперт по негабаритным и разрешенным логистическим вопросам с радостью поможет.
СУХОЙ ФУРГОН ТРЕЙЛЕР
Сухие фургоны полуприцепы предназначены для перевозки самых разнообразных сухих продуктов благодаря полностью закрытому характеру прицепа, который позволяет защитить груз от непогоды. Продукты на поддонах наиболее распространены, поскольку их можно эффективно и безопасно загружать/разгружать с помощью вилочного погрузчика или домкрата для поддонов.
| DRY VAN Размеры полуприцепа | |
| Длина | 48′ — 53′ |
| Ширина | 102 дюйма |
| Высота двери | 110 дюймов |
| Общая высота | 13 футов 6 дюймов |
| СУХОЙ ФУРГОН Стандартный максимум | |
| Ширина груза | 98″ — 101″ |
| Высота груза | 108–110 дюймов |
| Вес груза | 45 000 фунтов |
| Счетчик поддонов | 24 — 26 |
ПРИЦЕП-РЕФЕРАТОР
Полуприцеп-рефрижератор предназначен для перевозки продуктов, требующих хранения при определенной температуре или температурном диапазоне на протяжении всего пути следования.
В то время как рефрижераторы традиционно используются для охлаждения грузов, рефрижераторы могут храниться при более высоких температурах, чтобы защитить грузы от замерзания, или перевозить сухие грузы с выключенной холодильной установкой.
| Размеры полуприцепа REEFER | |
| Длина | 48′ — 53′ |
| Ширина | 102 дюйма |
| Высота двери | 110 дюймов |
| Высота | 13 футов 6 дюймов |
| РЕФЕРАТОР Типичный Максимальный объем груза | |
| Ширина груза | 96–98 дюймов |
| Высота груза | 103,5 дюйма |
| Вес груза | 44 000 фунтов |
| Счетчик поддонов | 24 |
ТРЕЙЛЕР CONESTOGA
Полуприцепы Conestoga сконструированы таким образом, чтобы обеспечивать закрытый характер сухогрузного фургона, обеспечивая при этом те же возможности погрузки/разгрузки, что и бортовые платформы.
Раздвижная шторка в открытом состоянии позволяет загружать/выгружать груз сбоку, сзади или сверху. В закрытом состоянии шторка обеспечивает защиту сухого фургона от непогоды без риска трения брезента о груз.
| Размеры полуприцепа CONESTOGA | |
| Длина | 48′ — 53′ |
| Ширина | 102 дюйма |
| Высота двери | 98″ — 102″ |
| Общая высота | 13 футов 6 дюймов |
| CONESTOGA Максимальное количество типовых грузов | |
| Ширина груза | 102 дюйма |
| Высота груза | 98″ — 102″ |
| Вес груза | 45 000–48 000 фунтов |
| Счетчик поддонов | 24 — 26 |
ИНТЕРМОДАЛЬНЫЙ ПРИЦЕП
Интермодальные полуприцепы предназначены для перевозки грузов на поддонах, для которых требуется полностью закрытый прицеп.
Интермодальные контейнеры особенно полезны для продуктов, не зависящих от времени, чтобы обеспечить экономию затрат на железнодорожный транспорт. Эта экономия затрат является наиболее существенной при доставке в/из основных рыночных путей на расстояние более 1500 миль.
| Размеры полуприцепа INTERMODAL | |
| Длина | 53′ |
| Ширина | 102 дюйма |
| Высота двери | 109 дюймов |
| Общая высота | 114 дюймов |
| ИНТЕРМОДАЛЬНЫЕ Максимальные типичные грузы | |
| Ширина груза | 98 дюймов |
| Высота груза | 109,5 дюйма |
| Вес груза | 42 500–43 000 фунтов |
| Счетчик поддонов | 26 |
ПРИЦЕП PUP
Полуприцепы Pup предназначены для подъема и доставки местных грузов на поддонах.
Уменьшенная длина прицепов-щенков позволяет легко маневрировать в/из некоммерческих зон, не подходящих для больших прицепов. Трейлеры Pup являются наиболее распространенным типом оборудования с прикрепленными подъемными воротами, позволяющими выполнять разгрузку / погрузку в местах, где нет дока или надлежащего оборудования для обработки грузов.
| Размеры полуприцепа PUP | |
| Длина | 28′ |
| Ширина | 102 дюйма |
| Высота двери | 104 дюйма |
| Общая высота | 13 футов 6 дюймов |
| Максимальный типичный груз PUP | |
| Ширина груза | 98″ — 100″ |
| Высота груза | 95 дюймов |
| Вес груза | 22 000 фунтов |
| Счетчик поддонов | 14 |
Drawing Of The Flatbed Trailer — изображения и стоковые фотографии
785 изображения
- изображения
- фотографии
- графика
- 90 видео 90 видео
4 Durchstöbern Sie 785
чертеж бортового прицепа Stock-Photografie und Bilder.
Oder starten Sie eine neuesuche, um noch mehr Stock-Photografie und Bilder zu entdecken. vektor-lkw-vorlage isoliert auf weiss — чертеж бортового прицепа стоковая графика, -клипарт, -мультфильмы и -символы lkw für werbung seite, vorder- und rückansicht isoliert auf weißemhintergrund. макет грузового lkw вектора иллюстрации — чертеж бортового прицепа stock-grafiken, -clipart, -cartoons und -symboleLKW-Ladung weißen realistische Lieferung. LKW für Werbung Seite,…
Weißer realistischer Lieferwagen. LKW für Werbeseite, Vorder- und Rückansicht isoliert auf weißem Hintergrund. Vektorillustration EPS 10.
изометрический lkws — чертеж бортового прицепа сток-график, -клипарт, -мультфильмы и -символ -мультфильмы и -символVektor-LKW-Vorlage isoliert auf weiss
Vector Trucks Vorlage für Markenidentität. Verfügbar EPS-10 getrennt nach Gruppen und Ebenen mit Transparenzeffekten für Ein-Klick-Repaint.
vektor-straße züge set vorlage isoliert auf weiss — чертеж бортового прицепа стоковая графика, -клипарт, -мультфильмы и -символы
Vektor-Straße Züge Set vorlage isoliert auf weiss
Vector Road Trains Set vorlage isoliert auf weiß. Verfügbares EPS-10 getrennt nach Gruppen und Schichten
18 Wheeler traktor anhänger semi-truck — рисунок бортового прицепа — графика, -клипарт, -мультфильмы и -символ18 Wheeler Traktor Anhänger Semi-Truck
автомобилей и последних автомобилей. verschiedene autos und lkws — рисунок бортового прицепа стоковая графика, -клипарт, -мультфильмы и -символAutos und Lastwagen. Verschiedene Autos und LKWs
pferdeanhänger malbuch für kinder. pferdeanhänger — чертеж бортового прицепа, графика, клипарт, мультфильмы и символыPferdeanhänger Malbuch für Kinder. Pferdeanhänger
Pferdeanhänger Malbuch для детей. Seitenansicht des Pferdeanhängers. Pickup mit Pferdeanhänger isoliert auf weißem Hintergrund
Americanische Straße Trainieren Silhouetten, umrisse, konturen.
seite und perspektivische ansicht der semi-lkw mit anhänger. vektor-illustration isoliert auf weißemhintergrund — чертеж бортового прицепа стоковая графика, -клипарт, -мультфильмы и -символAmerikanische Straße trainieren Silhouetten, Umrisse, Konturen….
винтажная футболка 2 — рисунок бортового прицепа сток- grafiken, -clipart, -cartoons und -symboleВИНТАЖНАЯ ФУТБОЛКА 2
Абстрактные силуэты американских спутников на белом фоне. eine handgezeichnete linienkunst eines sattelwagens. strichzeichnungsansicht von der seite. — рисунок бортового прицепа сток-график, -клипарт, -мультфильмы и -символAbstrakte Silhouette des Americanischen Sattelzug auf weißem…
Americanischer Sattelzug abstrakte Silhouette auf weißem Hintergrund. Eine handgezeichnete Linienzeichnung eines Sattelzugwagens. Liniengrafik-Illustrationsansicht von der Seite.
vektor semi truck vorlage isoliert auf weiss — чертеж бортового прицепа стоковая графика, -клипарт, -мультфильмы и -symboleвекторный полуприцеп vorlage isoliert auf weiss
lkw mit auflieger.
вектор — чертеж бортового прицепа сток-график, -клипарт, -мультфильмы и -символLKW с доставкой. Контейнеровоз Vektor
абстрактный силуэт на заднем плане. eine handgezeichnete linienkunst eines sattelzuges. vektorillustrationsansicht фон дер Seite. — чертеж бортового прицепа — графика, -клипарт, -мультфильмы и -символContainer Truck abstrakte Silhouette auf weißem Hintergrund. …
fahrzeuge und transportbezogene handgezeichnete symbole set, doodle-stil vektor-illustration — рисунок бортового прицепа stock-grafiken, -clipart, -cartoons und -symboleFAHRZEUGE UND TRANSPORTBEZOGENE HANDGEZEICHNETE SYMBOLE Set,…
FAHRZEUGE UND TRANSPORT Verwandte handgezeichnete Symbole Set, Doodle Style Vektorillustration
auto-doodle-symbole — чертеж бортового прицепа stock-grafiken, -clipart, -cartoons und -symbole 9002 Auto -Doodle-SymboleAuto-Icons im Doodle-Style auf Weiß
hallo-detaillierte kommerzielle semi-truck — чертеж бортового прицепа stock-grafiken, -clipart, -cartoons und -symboleHallo-Detaillierte kommerzielle semi-truck
Vector Hi-Detail-Nutzfahrzeug.
vektor semi truck vorlage isoliert auf weiss — чертеж бортового прицепа стоковая графика, -клипарт, -мультфильмы и -symbole Verfügbares EPS-10, getrennt nach Gruppen und Ebenen für eine einfache Bearbeitung fahrzeug- und transportbezogenes musterdesign. modernes liniendesign — рисунок бортового прицепа стоковая графика, -клипарт, -мультфильмы и -символ
ПРЕДУПРЕЖДЕНИЕ Verfügbares cdr-12- и ai-10-Vektorformat, получаемый из Gruppen mit Transparenzoption zur einfachen Bearbeitung.FAHRZEUG-UND TRANSPORTBEZOGENES MUSTERDESIGN. MODERNES…
vektor-lkw-vorlage isoliert auf weiss — рисунок бортового прицепа стоковая графика, -клипарт, -мультфильмы и -символVektor-LKW-Vorlage isoliert auf weiss
векторный мультфильм бортовой прицеп сток-график, -клипарт, -мультфильмы и -символVector Cartoon Semi Truck Vorlage
грузовик — рисунок бортового прицепа сток-график, -клипарт, -мультфильмы и -символвинтаж рубашка автобуса — рисунок бортового прицепа сток- графика, -клипарт, -мультфильмы и -символВИНТАЖНАЯ РУБАШКА ДЛЯ АВТОБУСА
американский бортовой прицеп с абстрактным силуэтом на белом фоне.
eine handzeichnung eines lkw-autos. anhänger mit ausziehbarem achsanhänger montiert. tieflader-sattelzug mit bagger — drawing of the бортовой прицеп stock-grafiken, -clipart, -cartoons und -symboleAmerican Flatbed Trailer Truck abstrakte Silhouette auf weißem…
American Flatbed Trailer Truck abstrakte Silhouette auf weißem Hintergrund. Eine Handzeichnung eines LKW-Autos. Anhänger mit ausfahrbarem Achsanhänger. Tieflader-LKW с Bagger
süße einfache cartoon-autos nahtloses muster auf weißemhintergrund. — чертеж бортового прицепа — графика, -клипарт, -мультфильмы и -символSüße einfache Cartoon-Autos nahtloses Muster auf weißem…
Niedliche einfache Cartoon-Autos nahtloses Muster auf weißem Hintergrund.
fahrzeug- und transportbezogenes musterdesign. modernes liniendesign — рисунок бортового прицепа стоковая графика, -клипарт, -мультфильмы и -символFAHRZEUG-UND TRANSPORTBEZOGENES MUSTERDESIGN.
vecector halbleiter mockup isoliert auf weiß — чертеж бортового прицепа Stock-grafiken, -clipart, -cartoons und -symbole векториллюстрация. — чертеж бортового прицепа — графика, -клипарт, -мультфильмы и -символ
МОДЕРН…Gabelstaplerarbeiter entlädt LKW. Векториллюстрация.
Gabelstaplerarbeiter entlädt LKW. Вектордарстелунг.
vektor handgezeichnete, flache, farbenfrohe illustration — рисунок бортового прицепа — графика, -клипарт, -мультфильмы и -символВектор handgezeichnete, flache, farbenfrohe Illustration
Flache handgezeichnete Illustration. Wohnmobil isoliert auf weißem Hintergrund
anhänger lkw-zeichnung — рисунок бортового прицепа Stock-grafiken, -clipart, -cartoons und -symboleAnhänger Lkw-Zeichnung
Handgezeichnete Vektorzeichnung eines Trailers Trucks. Schwarz-Weiß-Skizze auf Transparentem Hintergrund (.eps-Datei).
satz von vektor handgezeichneten flachen bunten illustrationen — чертеж бортового прицепа стоковая графика, -клипарт, -мультфильмы и -символ
Используйте данные в формате EPS (v10) и JPG в высоком разрешении.Satz von Vector handgezeichneten flachen bunten Illustrationen
Lineare handgezeichnete Illustrationen. Camping mit Wohnwagenelementen isoliert auf weißem Hintergrund
autoanhänger illustration — чертеж бортового прицепа stock-grafiken, -clipart, -cartoons und -symboleAutoanhänger Illustration
Stilisierte Vektordarstellung eines PKW-Anhängers
retro-farm-truck. реалистический фарбауто. векторцейхнунг. seitenansicht. isoliertes objekt auf weißem hintergrund. изолирен. — рисунок бортового прицепа сток-график, -клипарт, -мультфильмы и -символРетро-Фермерский Грузовик. Реалистичные Фарбауто. Vektorzeichnung….
lkw oder militärfahrzeug, вектор-каракули-символ.
кригтранспорте. auf weiß isolieren. — чертеж бортового прицепа — графика, -клипарт, -мультфильмы и -символLKW oder Militärfahrzeug, Vektor-Doodle-Symbol. Кригтранспорте.
wohnwagen unterwegs — чертеж бортового прицепа стоковая графика, -клипарт, -мультфильмы и -символWohnwagen unterwegs
Einfach editierbarer Motor Главная Reise векторные иллюстрации. Jede Tatsache войны separat geschichtet
set aus funkelnden Goldenen Lichtern. rotierende feuerwerkslichter in der nacht. gelbe funken bilden einen leuchtenden kreis. feurig glänzende schlangen. frohe weihnachten grußkarte design — чертеж бортового прицепа стоковая графика, -клипарт, -мультфильмы и -символSet aus funkelnden Goldenen Lichtern. Rotierende…
lkw oder militärfahrzeug, вектор-каракули-символ. кригтранспорте. auf weiß isolieren. — рисунок бортового прицепа сток-график, -клипарт, -мультфильмы и -символLKW или Militärfahrzeug, вектор-каракули-символ.
Американский бортовой грузовик с прицепом абстрактный силуэт на заднем плане. eine handzeichnung eines lkw-autos. anhänger mit ausziehbarem achsanhänger montiert. leerer tieflader-lkw — рисунок бортового прицепа стоковая графика, -клипарт, -мультфильмы и -символ
Кригтранспорте.Американский бортовой прицеп абстрактный силуэт на белом фоне…
Американский бортовой прицеп абстрактный силуэт на белом фоне. Eine Handzeichnung eines LKW-Autos. Anhänger mit ausfahrbarem Achsanhänger. Леерер Тифладер-LKW
vektorillustration zum erlernen des bechstabens t in klein- und großbuchstaben für kinder mit 3 cartoon-bildern. танкваген такси шнайдер. — чертеж прицепа с бортовой платформой стоковая графика, -клипарт, -мультфильмы и -символVektorillustration zum Erlernen des Buchstabens T in Klein- und…
tragbarer wasseranhänger — рисунок прицепа с бортовой платформой стоковая графика, -клипарт, -мультфильмы und -symboleTragbarer Wasseranhänger
Stilisierte Vektorillustration von Zeichnungen eines tragbaren Wasseranhängers
Satz von Vector handgezeichneten flachen bunten illustrationen — drawing of the бортовой прицеп Stock-grafiken, -clipart, -cartoons und -symboleSatz von Vector handgezeichneten flachen bunten Illustrationen
Flacher handgezeichneter Aufklebersatz von Illustrationen mit Strich.
vintage retro rv camper van icon icon illustration vorlage mit line art konzept auf weißemhintergrund — рисунок бортового прицепа сток-графика, -клипарт, -мультфильмы и -символ
Camping mit Wohnmobil-Anhängerelementen isoliert auf dunklem HintergrundVintage Retro RV Camper Van Icon Icon Illustration Иллюстрация с…
Vintage Retro Wohnmobil Icon Icon Illustrationsvorlage mit Line Art Konzept auf weißem Hintergrund
vektorgezeichneter transport. — чертеж бортового прицепа сток-график, -клипарт, -мультики и -символВекторгезейхнетер Транспорт.
zisternen-lkw, seitenansicht. нутцфарцойге. schwerer spezialtransport für den transport von öl, benzin, flussigem kraftstoff. leistungsstarker kraftstofftanker auf rädern. Логистика. танкластаваген. skizzieren — рисунок бортового прицепа стоковая графика, -клипарт, -мультфильмы и -символZisternen-LKW, Seitenansicht. Nutzfahrzeuge. Schwerer…
Zisternenwagen, Seitenansicht.
lkw-трактор-символ. zeichnung mit linearer tinte und schwarzem umriss. vordere seitenansicht. векторная иллюстрация с ярким графическим изображением. das isolierte objekt auf weißemhintergrund. изолирен. — рисунок бортового прицепа сток-график, -клипарт, -мультфильмы и -символ
Nutzfahrzeuge. Schwerer Spezialtransport für den Transport von Öl, Benzin, flüssigem Kraftstoff. Leistungsstarker Kraftstofftanker auf Rädern. Логистикгешефт. Танклаваген. SkizzierenLKW-Трактор-Символ. Zeichnung mit linearer Tinte und schwarzem…
Symbol für Sattelzugmaschine. Schwarze Umrisszeichnung für lineare Tuscheskizze. Seitenansicht von vorne. Векторные яркие иллюстрации Графика handgezeichnete. Das isolierte Objekt auf weißem Hintergrund. Изолирен.
coole abholung unterwegs — рисунок бортового прицепа стоковая графика, -клипарт, -мультфильмы и -символCoole Abholung unterwegs
Einfach editierbarer Jahrgang Reise-Vektor-Illustration für Wohnmobile.
van kurier türkis concept icon — чертеж бортового прицепа stock-grafiken, -clipart, -cartoons und -symbole -cartoons und -symbole
Jede Tatsache войны separat geschichtetЦветочный ретро-кемпер Häuser auf Rädern
Retro Blumenwohnmobil Häuser auf Rädern. Кемпинг Хиппи Транспорт. Wander Клипарты. Kinder entwerfen isoliertes Element Vektor Doodle naive Kunst Illustration
Американский грузовик имеет абстрактный силуэт на белом фоне. eine handgezeichnete linienkunst eines amerikanischen lastwagenwagens. flache illustrationsansicht von der seite. — рисунок бортового прицепа сток-график, -клипарт, -мультфильмы и -символАмериканский грузовик на абстрактном силуэте подвески на белом фоне
Американский грузовик LKW на абстрактном силуэте подвески на заднем плане. Eine handgezeichnete Linienkunst eines amerikanischen Lastwagens. Flache Illustrationsansicht von der Seite.
набор значков линии грузовика с жидкостью.
символ для крафтового транспорта. изолированный векторный рисунок — чертеж бортового прицепа с изображением, клипартом, мультфильмами и символамиLiquid Truck Line Icon Set. Symbole für den Kraftstofftransport….
Набор иконок Schmierstoff-Linien. Kraftstoffтранспортныйсимвол. Isolierte Vektorbilder im einfachen Stil
müllwagen — рисунок бортового прицепа Stock-grafiken, -clipart, -cartoons und -symboleMüllwagen
Einfach editierbarer Jahrgang Мюльваген-Вектор-Иллюстрация. Набор иконок линии грузовых автомобилей
. автотранспорт- и транспортсимвол. Изолированный векторный рисунок — чертеж бортового прицепа с изображением, клипартом, мультфильмами и символамиНабор иконок для грузовых автомобилей. Автотранспорт- und Transportsymbole….
Набор иконок грузовых автомобилей. Автотранспорт и транспортный символ. Изолированные векторные изображения в стиле
набор иконок линии грузовика.
frachttransport- und liefersymbole — рисунок бортового прицепа стоковая графика, -клипарт, -мультфильмы и -символTruck Line Icon Set. Frachttransport- und Liefersymbole
LKW-Line Icon-Set. Frachttransport- und Liefersymbole. Isolierte Vektorbilder
set von verschiedenen lkws. вектор-иллюстрация. — рисунок бортового прицепа сток-график, -клипарт, -мультфильмы и -символУстановите фоновые версии LKWs. Вектор-иллюстрация.
Satz verschiedener LKWs. Вектордарстелунг.
векторгезеичнетер транспорт. — чертеж бортового прицепа сток-график, -клипарт, -мультики и -символВекторгезейхнетер Транспорт.
Векторгезейхнетер Транспорт. Isoliert auf weißem Hintergrund.
полуприцеп-линия-символ. символ для фрахттранспорта и schlepperanhänger. isoliertes vektorbild — рисунок бортового прицепа стоковая графика, -клипарт, -мультфильмы и -символСимвол линии полуприцепа.
Symbol für Frachttransport und…Semi-LKW-Liniensymbol. Frachttransport und Sattelzug-Symbol. Isoliertes Vektorbild im einfachen Stil
символ der muldenkipperlinie. schwere baumaschinen. isoliertes vektorbild — чертеж бортового прицепа — графика, -клипарт, -мультфильмы и -символSymbol der Muldenkipperlinie. Швере Баумашинен. isoliertes…
Symbol für die Muldenkipperlinie. Швере Баумашинен. Isoliertes Vektorbild im einfachen Stil
символ der kraftstoff-lkw-linie. бензин- и дизельтранспортсимвол. isoliertes vektorbild — чертеж бортового прицепа — графика, -клипарт, -мультфильмы и -символSymbol der Kraftstoff-LKW-Linie. Бензин и…
Kraftstoff-LKW-Linie Symbol. Бензин- и дизельный транспортсимвол. Isoliertes Vektorbild im einfachen Stil
vektorgezeichneter transport. — чертеж бортового прицепа сток-график, -клипарт, -мультики и -символВекторгезейхнетер Транспорт.
Разное

).

Oder starten Sie eine neuesuche, um noch mehr Stock-Photografie und Bilder zu entdecken. vektor-lkw-vorlage isoliert auf weiss — чертеж бортового прицепа стоковая графика, -клипарт, -мультфильмы и -символы lkw für werbung seite, vorder- und rückansicht isoliert auf weißemhintergrund. макет грузового lkw вектора иллюстрации — чертеж бортового прицепа stock-grafiken, -clipart, -cartoons und -symbole
seite und perspektivische ansicht der semi-lkw mit anhänger. vektor-illustration isoliert auf weißemhintergrund — чертеж бортового прицепа стоковая графика, -клипарт, -мультфильмы и -символ
вектор — чертеж бортового прицепа сток-график, -клипарт, -мультфильмы и -символ
ПРЕДУПРЕЖДЕНИЕ Verfügbares cdr-12- и ai-10-Vektorformat, получаемый из Gruppen mit Transparenzoption zur einfachen Bearbeitung.
eine handzeichnung eines lkw-autos. anhänger mit ausziehbarem achsanhänger montiert. tieflader-sattelzug mit bagger — drawing of the бортовой прицеп stock-grafiken, -clipart, -cartoons und -symbole
МОДЕРН…
Используйте данные в формате EPS (v10) и JPG в высоком разрешении.
кригтранспорте. auf weiß isolieren. — чертеж бортового прицепа — графика, -клипарт, -мультфильмы и -символ
Кригтранспорте.
Camping mit Wohnmobil-Anhängerelementen isoliert auf dunklem Hintergrund
Nutzfahrzeuge. Schwerer Spezialtransport für den Transport von Öl, Benzin, flüssigem Kraftstoff. Leistungsstarker Kraftstofftanker auf Rädern. Логистикгешефт. Танклаваген. Skizzieren
Jede Tatsache войны separat geschichtet
символ для крафтового транспорта. изолированный векторный рисунок — чертеж бортового прицепа с изображением, клипартом, мультфильмами и символами
frachttransport- und liefersymbole — рисунок бортового прицепа стоковая графика, -клипарт, -мультфильмы и -символ
Symbol für Frachttransport und…