Импортные аналоги отечественных стабилитронов
Обознач. Аналог Обознач. Аналог Обознач. Аналог
1075Z4 Д808 1N1807A Д815В 1N2046-1 Д815Д
1094Z4 Д814В 1N1817 Д815Е 1N2047-1 Д815Е
1095Z4 Д814В 1N1817C Д815Е 1N2048-1 Д815Ж
1102 КС133А 1N1819 Д815Ж 1N2498 Д815Г
1103 КС133А 1N1819A Д815Ж 1N2500 Д815Д
1104 КС147А 1N1927 КС139А 1N2500A Д815Д
1106 КС168А 1N1927A КС139А 1N3148 Д815В
1322 Д816А 1N1984 КС168В 1N3827 КС456А
1327 Д816Б 1N1984A КС168В 1N3827A КС456А
1333 Д816В 1N1984B КС168В 1N3995 Д815И
1347 Д816Д 1N1985 КС182А 1N3995A Д815И
1422 Д816А 1N1985A КС182А 1N4026 Д816А
1427 Д816Б 1N1985B КС182А 1N4026A Д816А
1433 Д816В 1N1986 КС210Б 1N4026B Д816А
1439 Д816Г 1N1986A КС210Б 1N4028 Д816Б
1447 Д816Д 1N1986B КС210Б 1N4028A Д816Б
185Z4 Д814Б, (В) 1N1988 КС215Ж 1N4028B Д816Б
1N1355 Д815Е 1N1988A КС215Ж 1N4030 Д816В
1N1355A Д815Е 1N1988B КС215Ж 1N4030A Д816В
1N1520 КС456А 1N1989 КС218Ж 1N4030B Д816В
1N1520A КС456А 1N1989A КС218Ж 1N4032 Д816Г
1N1602 Д815Б 1N1989B КС218Ж 1N4032A Д816Г
1N1765 КС456А 1N1990 КС222Ж 1N4032B Д816Г
1N1765A КС456А 1N1990A КС222Ж 1N4038 Д817Б
1N1803 Д815А 1N1990B КС222Ж 1N4038A Д817Б
1N1803A Д815А 1N2041 Д815И 1N4038B Д817Б
1N1805 Д815Б 1N2042 Д815А 1N4040 Д817В
1N1807 Д815В 1N2045A Д815Г 1N4040A Д817В
Обознач.
Аналог Обознач. Аналог Обознач. Аналог
1N4040B Д817В 1S2110 Д814Г BLVA168C КС168А
1N4042 Д817Г 1S2110A Д814Г BLVA195 КC196А
1N4042A Д817Г 1S333 Д814А BLVA195A КС196А
1N4042B Д817Г 1S334 Д814А BLVA195B КС196А
1N4099 КС168А 1S336 Д814Г BLVA195C КС196А
1N4622 КС139А 1S472 КС190А BLVA468 КС168А
1N4624 КС147А 1S473 Д811, Д814Г BLVA468A КС168А
1N4655 КС456А 1S55 Д818В BLVA468B КС168А
1N4686 КС139А 1S7033 КС133А BLVA468C КС168А
1N4688 КС147А 1S7033A КС133А BLVA495 КС196А
1N4734 КС456А 1S7033B КС133А BLVA495A КС196А
1N4734A КС456А 1S760 Д813 BLVA495B КС196А
1N4912 Д814Д 2A44 КС133А BLVA495C КС196А
1N4912A Д814Д 5330 Д816Б BZ6,8 КС168В
1N4968 Д816Б 5332 КС168В BZ7,5 КС175А
1N4968A Д816Б 5338 Д817А BZ8,2 КС182А
1N4968B Д816Б 5430 Д816Б BZ9,1 КС191А
1N4978 Д817Б 5432 Д816В BZX29C4V7 КС447А
1N4978A Д817Б 5508 КС133А BZX29C5V6 КС456А
1N4978B Д817Б 653C3 КС168В BZX46C3V3 КС133А
1N4980 Д817В 653C4 КС170А BZX55C3V3 КС133А
1N5518B КС133А 653C7 Д808 BZX55C4V7 КС147А
1N5518C КС133А 653C9 Д808 BZX55C5V6 КС156А
1N5518D КС133А 654C9 КС190А BZX59C11 Д811
1N674 КС147А 655C9 КС210Б BZX69C11 Д811
1N710 КС168А 7708 КС433А BZX83C12 КС212Е
1N710A КС168А 9607 КС175А BZX83C33 КС133А
1N721А КС156А AZ11 КС211Ж BZX84C10 КС210Б
1N750A КС147А AZ13 КС213Ж BZX84C11 КС211Ж
1N752A КС156А AZ15 КС215Ж BZX84C7V5 КС175А
1N764 Д809 AZ22 КС222Ж BZX84C7V8 КС175А
1N764-1 Д814А AZ4 Д814А BZX84C9V1 КС191А
1N764-3 Д818А AZ6,8 КС168В BZX85C4V7 КС447А
1N764A Д809 AZ7,5 КС175А BZX85C5V6 КС456А
1N766 Д813 AZ8,2 КС182А BZX88C4V7 КС147А
1N766A Д813 AZ9,1 КС191А BZX88C5V6 КС156А
1S193 Д814А AZX84C11 КС211Ж BZY56 КС147А
1S194 Д818А BLVA168 КС168А BZY50 КС168А
1S196 Д814Г BLVA168A КС168А BZY83C11 Д811
1S2033 КС133А BLVA168B КС168А BZY83C4V7 КС147А
1S2033A КС133А
| Отечественные производители стабилитронов | ||
| Наименование | Напряжение стабилизации, В | |
| Импортные стабилитроны | ||
| BZX55C0V8 — BZX55C100 | 0.8-100 (0.5 Вт, 5% и 2%) | |
| BZX85C3V6 — BZX85C100 | 3.6-200 (1.3 Вт, 5% и 2%) | |
| 1N4728 — 1N4764 | 3.3-100 (1 Вт, 10% и 5%) | |
| Отечественные интегральные аналоги стабилитрона | ||
| К142ЕН19 | 2.5-30 (ток до 100мА) | |
| К1156ЕР5 | 2. 5-36 (ток до 100мА) 1% | |
| Отечественные прецизионные стабилитроны (до 5%) | ||
| Д818(А-Е) | 8, 8.5, 9, 9.5 | |
| 2С108(Г-Р) | 6,4 | |
| 2С166(А-В),КС166(А-В) | 6.4, 6.6 | |
| 2С164(Н-К) | 6.4, 6.6 | |
| 2С190(Б-Д),КС190(Б-Д) | 9 | |
| 2С190(Е-Т) | 9 | |
| 2С191(М-Р),КС191(М-Р) | 9,1 | |
| 2С191(С-Ф),КС191(С-Ф) | 9,1 | |
| КС211(Б-Д) | 11 | |
| КС405А | 6,2 | |
| КС515Г,КС520В,КС524Г, КС531, КС547 | 15, 20, 24, 31, 47 | |
| КС539Г,КС568В,КС582Г, КС596В | 39, 68, 82, 96 | |
| Отечественные импульсные стабилитроны | ||
| 2С175Е-2С213Е,КС175Е-КС213Е | 7. 5, 8.2, 9.1, 10, 11, 12, 13 | |
| Отечественные двуханодные стабилитроны | ||
| 2С170А,КС170А | 7 | |
| КС162А,КС168В,КС175А, КС182А, КС191А, КС210Б, КС213Б | 6.2, 6.8, 7.5, 8.2, 9.1, 10, 11, 12, 13 | |
| Отечественные стабисторы | ||
| 2С107А,КС107А | 0,6 | |
| 2С113А,2С119А,КС113А, КС119А | 1.25, 1.86 | |
| Отечественные стабилитроны общего назначения | ||
| Д808-Д813 | 8, 9, 10, 11, 13 | |
| Д814(А-Д) | 8, 9, 10, 11, 13 | |
| Д815(А-Д), Д816(А-Д),Д817(А-Д) | 5. 6, 6.8, 8.2, 10, 12, 15, 18, 22, 27, 33, 39,
47, 56, 68, 82, 100 | |
| КС133А-КС168А | 3.3, 3.9, 4.7, 5.6, 6.8 | |
| 2С133Г-2С156Г | 3.3, 3.9, 4.7, 5.6 | |
| 2С156Ф | 5,6 | |
| 2С175Ж-2С224Ж, КС175Ж-КС224Ж | 7.5, 8.2, 9.1, 10, 11, 12, 13, 15, 16, 18, 20, 22,24 | |
| 2С175Ц-2С212Ц | 7.5, 8.2, 9.1, 10, 11, 12 | |
| 2С291А,КС291А | 91 | |
| КС406(А,Б), КС508(А-Д) | 8. 2, 10, 12, 15, 16, 18, 24 | |
| КС407(А-Д) | 3.3, 3.9, 4.7, 5.1, 6.8 | |
| КС409А | 5,6 | |
| 2С433А-2С468А, КС433А-КС468А | 3.3, 3.9, 4.7, 5.6, 6.8 | |
| КС509(А-В) | 14.7, 18, 20 | |
| КС533А | 33 | |
| 2С551А-2С600А, КС551А-КС600А | 51, 91, 100 | |
| КС620А-КС680А | 120, 130, 150, 180 | |
| 2С920А-2С980А | 120, 130, 150, 180 | |
| интернет казино играть casino riva казино Aladdins Gold Главная страница прецизионный стабилитрон Д818А,Б,В,Г,Д,Е — напряжение стабилизации, характеристики, параметры (pdf) прецизионный стабилитрон 2С108Г,Д,Е,Ж,И,К,Л,М,Н,П,Р — электрические характеристики, ток стабилизации (pdf) прецизионный стабилитрон КС166А,Б,В — подробные параметры и характеристики (pdf) прецизионный стабилитрон 2С164Н,П,Р,Т — характеристики и параметры параметры прецизионных стабилитронов КС190Б, КС190В, КС190Г, КС190Д (pdf) прецизионный стабилитрон КС190Б,В,Г,Д подробные электрические характеристики прецизионный стабилитрон КС191М,Н,Р,П — характеристики, графики (pdf) прецизионный стабилитрон КC211Б,В,Г,Д — параметры, графики (pdf) прецизионный стабилитрон КС405А — характеристики, графики (pdf) прецизионные стабилитроны КС515Г,КС520В,КС524Г,КС531В,КС547В — характеристики, графики (pdf) прецизионные стабилитроны КС539Г,КС568В,КС582Г,КС596В — характеристики, графики (pdf) импульсные стабилитроны КС175Е, КС182Е, КС191Е, КС210Е, КС211Е, КС212Е, КС213Е — напряжение стабилизации, параметры , графики (pdf) двуханодные стабилитроны КС170А, КС162А, КС168В, КС175А, КС182А, КС191А, КС210А, КС213Б — характеристики, параметры, графики (pdf) стабисторы КС170А, КС113А, КС119А — характеристики, параметры, графики (pdf) стабилитроны Д808, Д809, Д810, Д811, Д813 — напряжение стабилизации, характеристики, параметры, графики (pdf) стабилитроны Д814А, Д814Б, Д814В, Д814Г, Д814Д — подробные характеристики, параметры, графики зависимостей параметров (pdf) стабилитроны Д815А, Д815Б, Д815В, Д815Г, Д815Д, Д815Е, Д815Ж, Д816А, Д816Б, Д816В, Д816Г, Д816Д, Д817А,Б,В,Г- характеристики, напряжение стабилизации, графики зависимостей параметров (pdf) стабилитроны КС133А, КС139А, КС147А, КС156А, КС168А — цветовая маркировка, подробные характеристики, параметры (pdf) стабилитроны КС175Ж, КС182Ж, КС191Ж, КС210Ж, КС211Ж, КС212Ж, КС213Ж, КС215Ж, КС216Ж, КС218Ж, КС220Ж, КС222Ж, КС224Ж- цветовая маркировка, подробные характеристики, графики зависимостей параметров (pdf) стабилитроны КС406А,Б, КС508А,Б,В,Г,Д — подробные характеристики, цветовая маркировка (pdf) стабилитроны Д814А, Д814Б, Д814В, Д814Г, Д814Д — подробные характеристики, параметры, графики зависимостей параметров (pdf) стабилитроны КС533А, КС551А, КС591А, КС600А, КС620А, КС630А, КС650А, КС680А — подробные характеристики, графики зависимостей параметров (pdf) | ||
4.
2. Электродвигатели постоянного тока. Технические характеристики.- Информация о материале
- Родительская категория: Электрооборудование кранов.
- Категория: Крановые электродвигатели
- Опубликовано: 18 февраля 2011
- Просмотров: 11232
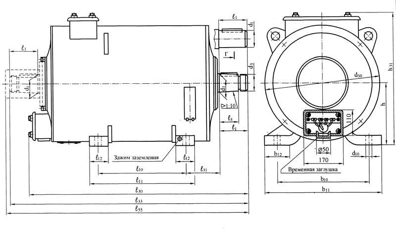
Металлургические и крановые двигатели постоянного тока серии Д12÷Д806.
Двигатели закрытые, с естественным охлаждением в кратковременном режиме 60 мин и защищенных, с независимой вентиляцией в продолжительном режиме S1 (ПВ=100%). Таблица 1.
| Испол- нение | Тип двига- теля | Высота оси вращ., мм | Последовательное | Смешанное | Параллельное со стабилизирующей обмоткой и параллельное | |||||||
Мощн. , кВт | Ток, А | Частота вращ., об/мин | Мощн., кВт | Ток, А | Частота вращ., об/мин | Мощн., кВт | Ток, А | Частота вращ. со стабили- зирующей обмоткой, об/мин | Частота вращ. без стабили- зирующей обмотки, об/мин | |||
| Напряжение 220В. | ||||||||||||
| Тихо- ходное | Д12 | 160 | 2,5 | 16 | 1100 | 2,5 | 15 | 1175 | 2,5 | 14,6 | 1140 | 1180 |
| Д21 | 180 | 4,5 | 28 | 900 | 4,5 | 27 | 1050 | 4,5 | 26 | 1000 | 1030 | |
| Д22 | 180 | 6,0 | 36,5 | 850 | 6,0 | 34 | 1050 | 6,0 | 33 | 1070 | 1100 | |
| Д31 | 225 | 8,0 | 46,5 | 800 | 8,0 | 44,5 | 870 | 8,0 | 44 | 820 | 840 | |
| Д32 | 225 | 12,0 | 69 | 675 | 12,0 | 66 | 780 | 12,0 | 65 | 740 | 770 | |
| Д41 | 250 | 16,0 | 89 | 630 | 16,0 | 86,5 | 700 | 16,0 | 86 | 670 | 690 | |
| Д806 | 250 | 22,0 | 120 | 575 | 22,0 | 116 | 650 | 22,0 | 116 | 635 | 650 | |
| Д808 | 280 | 37,0 | 200 | 525 | 37,0 | 192 | 575 | 37,0 | 192 | 565 | 575 | |
| Быстро- ходное | Д21 | 180 | 5,5 | 33 | 1200 | 5,5 | 31,5 | 1450 | 5,5 | 31 | 1400 | 1440 |
| Д22 | 180 | 8,0 | 46 | 1200 | 8,0 | 44 | 1390 | 8,0 | 43,5 | 1450 | 1510 | |
| Д31 | 225 | 12,0 | 67 | 1100 | 12,0 | 65 | 1280 | 12,0 | 64 | 1310 | 1360 | |
| Д32 | 225 | 18,0 | 98 | 960 | 18,0 | 95 | 1100 | 18,0 | 94 | 1140 | 1190 | |
| Д41 | 250 | 24,0 | 130 | 970 | 24,0 | 125 | 1120 | 24,0 | 124 | 1060 | 1100 | |
| Д806 | 250 | 32,0 | 170 | 900 | 32,0 | 165 | 980 | 32,0 | 165 | 980 | 1000 | |
| Д808 | 280 | 47,0 | 250 | 720 | 47,0 | 240 | 800 | — | 240 | 770 | 800 | |
Напряжение 440В.![]() | ||||||||||||
| Тихо- ходное | Д21 | 180 | 4,0 | 13 | 1050 | 4,0 | 12,5 | 1240 | 4,0 | 12 | 1200 | 1220 |
| Д31 | 225 | 6,7 | 19,5 | 800 | 6,7 | 19 | 850 | 6,7 | 19 | 860 | 875 | |
| Д41 | 250 | 15,0 | 43 | 660 | 15,0 | 40 | 710 | 15,0 | 40 | 695 | 710 | |
| Д808 | 280 | 37,0 | 100 | 525 | 37,0 | 96 | 575 | 37,0 | 96 | 565 | 575 | |
| Быстро- ходное | Д22 | 180 | 7,0 | 20,5 | 1180 | 7,0 | 20 | 1420 | 7,0 | 19,5 | 1420 | 1460 |
| Д32 | 225 | 17,0 | 47 | 970 | 17,0 | 45 | 1150 | 17,0 | 45 | 1150 | 1190 | |
| Д806 | 250 | 32,0 | 85 | 900 | 32,0 | 82 | 980 | 32,0 | 82 | 980 | 1000 | |
Двигатели закрытые, с естественным охлаждением в кратковременном режиме 60 мин и защищенных, с независимой вентиляцией в продолжительном режиме S1 (ПВ=100%).
Таблица 1 (продолжение).
| Испол- нение | Тип двига- теля | Высо- та оси вращ., мм | Макс. частота вращ., об/мин | Динами- ческий момент инерции якоря, кг*м2 | Кол-во охлаж- дающего воздуха, м3/мин | Статич. напор, мм вод.ст. (Па) | Макс. вращ. момент, Н*м, при возбуждении | Масса двигателя горизонтального исполнения с 2 концами вала, паралл. возбуждения, кг, не более | |||
| После- дова- тельное | Сме- шан- ное | Паралл. со стабили- зирующей обмоткой | Паралл. | ||||||||
| Напряжение 220В. | |||||||||||
| Тихо- ходное | Д12 | 160 | 3600 | 0,050 | 2,5 | 25(245) | 87 | 71 | 63 | 54 | 130 |
| Д21 | 180 | 3600 | 0,125 | 3,5 | 17(167) | 190 | 145 | 130 | 113 | 200 | |
| Д22 | 180 | 3600 | 0,155 | 4,5 | 20(196) | 270 | 190 | 160 | 140 | 225 | |
| Д31 | 225 | 3600 | 0,300 | 6,0 | 22(216) | 380 | 310 | 280 | 245 | 310 | |
| Д32 | 225 | 3300 | 0,425 | 7,0 | 30(294) | 680 | 515 | 465 | 400 | 365 | |
| Д41 | 250 | 3000 | 0,800 | 8,0 | 20(196) | 940 | 765 | 685 | 600 | 540 | |
| Д806 | 250 | 2600 | 1,00 | 10,0 | 30(294) | 1460 | 1130 | 998 | 875 | 635 | |
| Д808 | 280 | 2300 | 2,00 | 13,0 | 40(392) | 2690 | 2150 | 1880 | 1660 | 885 | |
| Быстро- ходное | Д21 | 180 | 3600 | 0,125 | 3,5 | 17(167) | 175 | 130 | 110 | 99 | 200 |
| Д22 | 180 | 3600 | 0,155 | 4,5 | 20(196) | 255 | 190 | 160 | 140 | 225 | |
| Д31 | 225 | 3600 | 0,300 | 6,0 | 22(216) | 420 | 310 | 265 | 230 | 310 | |
| Д32 | 225 | 3300 | 0,425 | 7,0 | 30(294) | 720 | 550 | 450 | 390 | 365 | |
| Д41 | 250 | 3000 | 0,800 | 8,0 | 20(196) | 945 | 715 | 650 | 565 | 540 | |
| Д806 | 250 | 2600 | 1,00 | 10,0 | 30(294) | 1360 | 1160 | 935 | 825 | 635 | |
| Д808 | 280 | 2300 | 2,00 | 13,0 | 40(392) | 2495 | 1965 | 1750 | 1515 | 885 | |
Напряжение 440В.![]() | |||||||||||
| Тихо- ходное | Д21 | 180 | 3600 | 0,125 | 3,5 | 17(167) | 115 | 85 | 75 | 67 | 200 |
| Д31 | 225 | 3600 | 0,300 | 6,0 | 22(216) | 255 | 210 | 180 | 155 | 310 | |
| Д41 | 250 | 3000 | 0,800 | 8,0 | 20(196) | 695 | 570 | 495 | 435 | 540 | |
| Д808 | 280 | 2300 | 2,00 | 13,0 | 40(392) | 2155 | 1720 | 1500 | 1320 | 885 | |
| Быстро- ходное | Д22 | 180 | 3600 | 0,155 | 4,5 | 20(196) | 180 | 130 | 115 | 98 | 225 |
| Д32 | 225 | 3300 | 0,425 | 7,0 | 30(294) | 535 | 395 | 340 | 295 | 365 | |
| Д806 | 250 | 2600 | 0,800 | 10,0 | 30(294) | 1090 | 875 | 750 | 655 | 635 | |
Примечания:
1.
Рекомендуется использовать табл. 1. при выборе и заказе двигателей. 2. Данные кратковременного режима 60 мин и продолжительного режима S1 являются номинальными и одинаковыми (охлаждение разное).
Двигатели закрытые с естественным охлаждением, режим работы повторно-кратковременный ПВ=40%. Таблица 2.
| Испол- нение | Тип двига- теля | Высота оси вращения h, мм | Возбуждение | |||||||||||
| Последовательное | Смешанно | Параллельное со стабилизирующей обмоткой | Параллельное | |||||||||||
| Мощ- ность, кВт | Ток, А | Частота вращения, об/мин | Мощ- ность, кВт | Ток, А | Частота вращения, об/мин | Мощ- ность, кВт | Ток, А | Частота вращения, об/м | Мощ- ность, кВт | Ток, А | Частота вращения, об/мин | |||
| Напряжение 220 В | ||||||||||||||
| Тихо- ходное | Д12 Д21 Д22 Д31 Д32 Д41 Д806 Д808 | 160 180 180 225 225 250 250 280 | 2,4 3,6 4,8 6,8 9,5 13 17 24 | 15 22 28 38,5 53 71 92 125 | 1150 1040 970 900 760 730 640 615 | 2,4 3,6 4,8 6,8 9,5 13 17 24 | 14 21 27 37 51 70 88 124 | 1230 1140 1120 910 840 740 730 650 | 2,4 3,6 4,8 6,8 9,5 13 16 22 | 14 20,5 26 37 51 69,5 84 112 | 1200 1060 1120 850 770 700 700 620 | 2,4 3,6 4,8 6,8 9,5 13 16 22 | 14 20,5 26 37 51 69,5 84 112 | 1230 1080 1150 880 800 720 710 630 |
| Быстро- ходное | Д21 Д22 Д31 Д32 Д41 Д806 Д808 | 180 180 225 225 250 250 280 | 4,4 6,5 9,5 13,5 18 23 30 | 26 37 52,5 72 96 120 155 | 1340 1300 1190 1100 1060 1010 850 | 4,4 6,5 9,5 13 18 23 30 | 25 36 51 66 95 118 152 | 1550 1475 1360 1200 1160 1060 860 | 4,4 6,5 9,5 13 17,5 21 26 | 24,5 34 50,5 68 90,5 110 134 | 1460 1510 1360 1190 1120 1050 810 | 4,4 6,5 9,5 13 17,5 21 26 | 24,5 34 50,5 68 90,5 110 134 | 1500 1570 1420 1240 1160 1060 825 |
| Напряжение 440 В | ||||||||||||||
| Тихо- ходное | Д21 Д31 Д41 Д808 | 180 225 250 280 | 3,1 5,2 12,5 24 | 10 16 34,5 63 | 1230 900 760 615 | 3,2 5,3 13 — | 10 15,5 35 — | 1310 900 740 — | 3,1 5,2 12,5 22 | 9,5 14,5 34 56 | 1280 890 710 620 | 3,1 5,2 12,5 22 | 9,5 14,5 34 56 | 1300 910 720 630 |
| Быстро-ходное | Д22 Д32 Д806 | 180 225 250 | 5,6 12,6 23 | 16,5 34 60 | 1300 1200 1010 | 5,5 11,5 — | 16 33 — | 1530 1260 — | 5,6 12 21 | 15,5 31,5 55 | 1510 1200 1050 | 5,6 12 21 | 15,5 31,5 55 | 1550 1240 1060 |
Двигатели тропического исполнения, режим работы кратковременный 60 мин (закрытое исполнение) и продолжительный ПВ = 100% (исполнение с независимой вентиляцией).
Таблица 3.1
Испол- | Тип двигателя | Высота оси вращения двигателя h, мм | ВОЗБУЖДЕНИЕ | |||||||||
Последовательно | Смешанное | Параллельное со стабилизирующей обмоткой и параллельное | ||||||||||
Мощность кВт | Ток, А | Частота вращения, об/мин | Мощность кВт | Ток, А | Частота вращения, об/мин | Мощность кВт | Ток, А | Частота вращения со стаб-щей обмоткой, об/мин | Частота вращения без стаб-щей обмотки, об/мин | |||
Напряжение 220 В | ||||||||||||
Тихо- | Д12 | 160 | 2,3 | 14 | 1170 | 2,3 | 13,5 | 1200 | 2,3 | 13 | 1160 | 1200 |
Быстро-ходное | Д21 | 180 | 5,1 | 31 | 1250 | 5,1 | 29 | 1480 | 5,1 | 28,5 | 1420 | 1460 |
Напряжение 440 В | ||||||||||||
Тихо- | Д21 | 180 | 3,7 | 12 | 1100 | 3,7 | 11,5 | 1270 | 3,7 | 11 | 1220 | 1240 |
Быстро-ходное | Д22 | 180 | 6,5 | 19 | 1230 | 6,5 | 18 | 1440 | 6,5 | 18 | 1440 | 1480 |
Двигатели тропического исполнения, режим работы повторно – кратковременный, ПВ = 40% (закрытое исполнение).
Таблица 3.2
Испол- | Тип двига- | Высота оси вращения двигателя h, мм | ВОЗБУЖДЕНИЕ | |||||||||
Последовательно | Смешанное | Параллельное со стабилизирующей обмоткой и параллельное | ||||||||||
Мощность кВт | Ток, А | Частота вра- | Мощ- | Ток, А | Частота вра- | Мощ- | Ток, А | Частота вращения со стаб-щей обмоткой, об/мин | Частота вращения без стаб-щей обмотки, об/мин | |||
Напряжение 220 В | ||||||||||||
Тихо- | Д12 | 160 | 2,2 | 13,5 | 1200 | 2,2 | 13 | 1260 | 2,2 | 12,5 | 1220 | 1250 |
Быстро-ходное | Д21 | 180 | 4,1 | 24 | 1400 | 4,1 | 23 | 1580 | 4,1 | 23 | 1470 | 1510 |
Напряжение 440 В | ||||||||||||
Тихо- | Д21 | 180 | 3,0 | 9,5 | 1280 | 2,9 | 8,5 | 1340 | 2,9 | 8,5 | 1300 | 1230 |
Быстро-ходное | Д22 | 180 | 5,2 | 15 | 1650 | 5,2 | 14,5 | 1530 | 5,2 | 14,5 | 1530 | 1570 |
Примечание: При температуре окружающей среды от 40 до 60 С, мощность двигателей снижается на 1,5% на каждый градус повышения температуры.
В данной таблице 3.1, 3.2 приведены мощности двигателей при температуре окружающей среды 45 С.
Металлургические и крановые двигатели постоянного тока серии Д810-Д818.
Основные параметры двигателей серии Д810-Д818
| Тип двигателя | Мощность, кВт | Частота вращения, об/мин, при возбуждении: | Масса, кг | |||
| последов. | смешанном | параллельном со стабилизир. обмоткой | паралл. | |||
| Двигатели закрытого исполнения с естественным охлаждением Режим работы S2-60 мин. Напряжение 220В. | ||||||
| Д810 | 55 | 500 | 550 | 540 | 550 | 1215 |
| Д812 | 75 | 475 | 515 | 500 | 515 | 1570 |
| Д814 | 115 | 760 | 500 | 490 | 500 | 2240 |
| Д816 | 150 | 450 | 480 | 470 | 480 | 2860 |
| Д818 | 186 | 410 | 435 | 440 | 450 | 3745 |
| Напряжение 440В | ||||||
| Д810 | 55 | 510 | 560 | 550 | 560 | 1215 |
| Д812 | 75 | 500 | 520 | 510 | 520 | 1570 |
| Д814 | 115 | 460 | 500 | 480 | 500 | 2240 |
| Д816 | 160 | 460 | 490 | 480 | 490 | 2860 |
| Д818 | 186 | 410 | 435 | 440 | 450 | 3745 |
| Двигатели защищенного исполнения с независимой вентиляцией Режим работы S1 Напряжение 220В | ||||||
| Д810 | 55 | 500 | 550 | 540 | 550 | 1215 |
| Д812 | 85 | 475 | 515 | 500 | 515 | 1570 |
| Д814 | 125 | 460 | 500 | 490 | 500 | 2240 |
| Д816 | 170 | 450 | 480 | 470 | 480 | 2860 |
| Д818 | 200 | 410 | 435 | 440 | 450 | 3745 |
| Напряжение 440В | ||||||
| Д810 | 55 | 510 | 560 | 550 | 560 | 1215 |
| Д812 | 80 | 500 | 520 | 510 | 520 | 1570 |
| Д814 | 125 | 460 | 500 | 480 | 500 | 2240 |
| Д816 | 170 | 460 | 490 | 480 | 490 | 2860 |
| Д818 | 200 | 410 | 435 | 440 | 450 | 3745 |
Основные параметры электродвигателей с пониженной частотой вращения
| Тип двигателя | Мощность, кВт | Напряжение, В | Частота вращения, об/мин | Масса, кг |
| Двигатели закрытого исполнения с естественным охлаждением в режиме S2-60мин и защищенные с независимой вентиляцией в режиме S1 | ||||
| Д810 | 17,5 | 220 | 165 | 1215 |
| Д812 | 17 | 220 | 115 | 1570 |
| Д816 | 70 | 220 | 240 | 2860 |
| Двигатели закрытого исполнения с естественным охлаждением в режиме S3-40% | ||||
| Д810 | 14 | 220 | 158 | 1215 |
| Д812 | 13,5 | 220 | 130 | 1570 |
| Д816 | 35 | 220 | 260 | 2860 |
| Двигатели закрытого исполнения с естественным охлаждением в режиме S2-60мин и защищенные с независимой вентиляцией | ||||
| Д810 | 35 | 440 | 370 | 1215 |
| Д812 | 35 | 440 | 270 | 1570 |
| Двигатели закрытого исполнения с естественным охлаждением в режиме S3-40% | ||||
| Д810 | 28 | 440 | 390 | 1215 |
| Д812 | 28 | 440 | 290 | 1570 |
- Назад
- Вперед
Новый портативный коротковолновый радиоприемник SIHUADON D-808
Большое спасибо автору SWLing Post , Adid, который пишет:
Привет, Томас,
Вчера я нашел эту короткую анимацию:
youtube.com/embed/CYEh49RTkd4?version=3&rel=1&showsearch=0&showinfo=1&iv_load_policy=1&fs=1&hl=en-US&autohide=2&wmode=transparent» allowfullscreen=»true» sandbox=»allow-scripts allow-same-origin allow-popups allow-presentation»>Итак, я зашел на их сайт, чтобы посмотреть на этот красивый черно-янтарный экран. новая модель.
https://xhdata.com.cn/ (как ни странно, там продаются и вещи Tecsun)
Не планирую покупать в ближайшее время, так как не думаю, что они добавили «прокрутку воспоминаний», так как там стоит на R108.
Итак, кто-нибудь из присутствующих может прокомментировать черный SIHUADON D-808?
С уважением, Ади
Спасибо, что поделились этим, Адид!
Мне также очень любопытно, если кто-либо из читателей SWLing Post приобрел SIHUADON D-808 и мог бы прокомментировать какие-либо различия (кроме поверхностных) между ним и XHADATA D-808.
Распространяйте любовь по радио
Эта запись была размещена в Новости, Новости, Коротковолновое радио с метками Adid, D-808, Коротковолновое радио, SIHUADON D-808, XHDATA D-808 на от Томаса.Пожалуйста, посетите наших замечательных спонсоров:
Щелкните здесь, чтобы просмотреть список всех спонсоров.
Кофейный фонд
Хотите угостить меня чашечкой кофе? Сладкий! Кофе помогает питать SWLing Post! Нажмите здесь, чтобы сделать пожертвование через PayPal.
Станьте покровителем почты SWLing!
Сэкономьте 20% на Ham Radio Prep с кодом купона: QRPER
Найдите сообщение SWLing:
Поиск:
Партнерские ссылки
Многие из вас в прошлом предлагали SWLing Post присоединиться к программе партнерских ссылок.
The SWLing Post в настоящее время участвует в двух партнерских рекламных программах с двумя крупными розничными торговцами, которые до сих пор продают коротковолновые радиоприемники, партнерской программе Amazon Services LLC и партнерстве eBay, предназначенных для предоставления таким сайтам, как наш, средств для получения платы за рекламу за счет рекламы и ссылок.
этим розничным продавцам радиотоваров. Многие из наших ссылок теперь работают как партнерские ссылки. Это означает, что при переходе по этим ссылкам небольшой процент от покупной цены товаров, которые вы покупаете у этих продавцов, поможет покрыть текущие расходы нашего сайта. Мы надеемся, что вы понимаете, и благодарны за вашу поддержку.
Но обратите внимание, что мы никогда не будем никогда создавать ссылку на пост и продукт явно для получения комиссии. Кроме того, мы всегда стараемся включать ссылки на другие розничные варианты, если они доступны, поскольку мы поддерживаем и свободно рекламируем независимых розничных продавцов радиолюбителей. Спасибо и вам за поддержку этих сайтов.
Прослушать архив коротких волн
Последние сообщения
- Кампания в помощь WRMI после обширного ущерба, нанесенного ураганом
- Тестирование рамочной приемной антенны MFJ-1886
- Sangean ATS-909X2: Uli ищет информацию о версии прошивки 78
- 2022 День слушателя на Radio Romania International
- Tokyo Rose: изучение истории Ивы Тогури и генезиса «Нулевого часа»
Почтовые архивы SWLing
- октябрь 2022 (18)
- сентябрь 2022 (36)
- август 2022 (35)
- июль 2022 (40)
- июнь 2022 (40)
- май 2022 (45)
- апрель 2022 (46)
- март 2022 (66)
- Февраль 2022 (54)
- январь 2022 (48)
- декабрь 2021 (54)
- ноябрь 2021 (51)
- октябрь 2021 (46)
- сентябрь 2021 (46)
- август 2021 (47)
- июль 2021 (41)
- июнь 2021 (61)
- май 2021 (56)
- апрель 2021 (52)
- март 2021 (55)
- Февраль 2021 (63)
- январь 2021 (60)
- декабрь 2020 (69)
- ноябрь 2020 (74)
- Октябрь 2020 (83)
- сентябрь 2020 г.
(80) - август 2020 (62)
- июль 2020 (77)
- июнь 2020 (69)
- май 2020 (81)
- апрель 2020 г. (74)
- март 2020 г. (76)
- Февраль 2020 (55)
- январь 2020 (73)
- декабрь 2019 г. (80)
- ноябрь 2019 (75)
- Октябрь 2019 (77)
- сентябрь 2019 г. (66)
- август 2019 (54)
- июль 2019 (61)
- июнь 2019 (65)
- Май 2019 (66)
- апрель 2019 (55)
- март 2019 г. (55)
- Февраль 2019 (54)
- Январь 2019 (68)
- Декабрь 2018 (58)
- ноябрь 2018 (59)
- Октябрь 2018 (68)
- Сентябрь 2018 (57)
- август 2018 (76)
- июль 2018 (56)
- июнь 2018 (68)
- Май 2018 (67)
- Апрель 2018 г. (68)
- март 2018 (76)
- Февраль 2018 (58)
- Январь 2018 г. (82)
- Декабрь 2017 г. (80)
- ноябрь 2017 г. (71)
- Октябрь 2017 г.
(68) - Сентябрь 2017 г. (85)
- август 2017 г. (84)
- июль 2017 (78)
- июнь 2017 г. (64)
- Май 2017 (51)
- Апрель 2017 г. (72)
- март 2017 г. (75)
- Февраль 2017 г. (84)
- Январь 2017 (105)
- Декабрь 2016 г. (85)
- ноябрь 2016 (76)
- Октябрь 2016 г. (55)
- Сентябрь 2016 г. (68)
- август 2016 г. (96)
- июль 2016 (58)
- июнь 2016 г. (67)
- Май 2016 (60)
- Апрель 2016 г. (70)
- март 2016 г. (78)
- Февраль 2016 г. (55)
- Январь 2016 г. (84)
- декабрь 2015 г. (72)
- ноябрь 2015 г. (64)
- Октябрь 2015 (56)
- Сентябрь 2015 (56)
- август 2015 г. (38)
- июль 2015 г. (49)
- июнь 2015 г. (53)
- Май 2015 (33)
- Апрель 2015 г. (43)
- март 2015 г. (56)
- Февраль 2015 (46)
- Январь 2015 г.
(40) - декабрь 2014 (53)
- ноябрь 2014 (49)
- Октябрь 2014 (45)
- Сентябрь 2014 (47)
- август 2014 (40)
- июль 2014 (48)
- июнь 2014 (38)
- Май 2014 (45)
- Апрель 2014 г. (49)
- март 2014 г. (48)
- Февраль 2014 (28)
- Январь 2014 (40)
- декабрь 2013 г. (62)
- ноябрь 2013 г. (37)
- Октябрь 2013 (48)
- Сентябрь 2013 (39)
- август 2013 г. (40)
- июль 2013 г. (21)
- июнь 2013 г. (36)
- Май 2013 (31)
- Апрель 2013 г. (36)
- март 2013 г. (52)
- Февраль 2013 г. (46)
- Январь 2013 (39)
- Декабрь 2012 (37)
- ноябрь 2012 (23)
- Октябрь 2012 (30)
- Сентябрь 2012 (21)
- август 2012 (33)
- июль 2012 (17)
- июнь 2012 (23)
- май 2012 (28)
- апрель 2012 (35)
- март 2012 г.
(26) - Февраль 2012 (31)
- Январь 2012 (25)
- Декабрь 2011 (22)
- ноябрь 2011 (17)
- Октябрь 2011 (16)
- Сентябрь 2011 (17)
- август 2011 (22)
- июль 2011 (24)
- июнь 2011 (18)
- май 2011 (7)
- Апрель 2011 г. (4)
- Март 2011 (1)
- Февраль 2011 (5)
- Январь 2011 (4)
- Декабрь 2010 (5)
- ноябрь 2010 (4)
- Октябрь 2010 (7)
- Сентябрь 2010 (4)
- август 2010 (8)
- июль 2010 (5)
- июнь 2010 г. (2)
- Май 2010 (3)
- Апрель 2010 г. (2)
- март 2010 г. (4)
- Февраль 2010 (3)
- Январь 2010 (4)
- Декабрь 2009 (2)
- ноябрь 2009 (8)
- Октябрь 2009 (3)
- Сентябрь 2009 (2)
- август 2009 г. (2)
- июль 2009 (3)
- Май 2009 (1)
- Апрель 2009 г. (2)
- март 2009 г.
(1) - Февраль 2009 г. (3)
- Январь 2009 (3)
- Декабрь 2008 г. (5)
- ноябрь 2008 г. (1)
Блогролл
- Радиоролики времен холодной войны
- Критическая дистанция
- Даштуны
- Страница радиоприемника Дэйва
- DX Международный
- Dxer.ca
- DXing.com
- Фофио
- Мир радио Гленна Хаузера
- Радиожурнал Грега
- Отчет Mount Evelyn DX
- НАСВА
- Номера-Станции.com
- На сайте Shortwaves.com
- Одна девушка, одна планета
- Старые радиоприемники Фила
- Радиовыживший
- RNW Винтажное хранилище
- Сакаэ Обара
- Данные испытаний приемника Sherwood
- Короткие волны.info
- Бюллетень коротких волн (Швеция)
- Коротковолновый блог DX
- Индекс коротковолнового радио
- Коротковолновая наука
- Ежедневные новости SolderSmoke
- SWL Фестиваль
- Синтон (французский)
- Геркулодж
- ВА1ЛОУ
Направляющие
- Данные испытаний приемника Sherwood
- Индекс коротковолнового радио
- World Radio TV Справочник
Теги
Дэн снова посещает почтенный портативный радиоприемник XHDATA D-808
Большое спасибо Дэну Робинсону, автору SWLing Post , который поделился следующим гостевым постом:
от Дэна Робинсона
900s.
рынок приемников был весьма впечатляющим, особенно с учетом продолжающегося снижения использования коротковолнового радиовещательного канала в качестве метода передачи.
В каких могли быть финальные модели от Tecsun мы видели PL-330, PL-990x и H-501x, каждый из которых привносит в игру впечатляющие функции и возможности. Sangean, наконец, представила обновленный ATS-909×2, включая раннее обновление прошивки, которое должно было исправить некоторые проблемы с этим ресивером.
Как я заметил в некоторых недавних обзорах, сам факт того, что сообщество слушателей все еще видит какие-либо новые приемники, является поводом для благодарности, хотя у нас также есть возможность приобрести множество классических приемников, и мы все еще можем отлично работать в сегодняшней среде прослушивания.
Ресивер XHDATA D-808, появившийся несколько лет назад и завоевавший популярность среди любителей прослушивания, стал настоящим хитом. Многочисленные обзоры есть в сети, в том числе здесь, на SWLing Post, и отличные обзоры Жиля Летурно здесь и здесь.
Модель 808 сравнивают и до сих пор сравнивают с CCrane Skywave SSB, гораздо меньшим по размеру и компактным приемником. К сожалению, по моему опыту, оба страдают от мягкого приглушения.
Я приобрел D-808 вскоре после его появления на основании первых положительных отзывов. Я использовал его один раз на пляже во Флориде, где условия приема были лучше, чем у некоторых старых портативных устройств в моей коллекции, таких как SONY ICF-SW07, ICF-SW55 и Panasonic RF-B65.
Я был впечатлен чувствительностью 808, большим динамиком и включением диапазона AIR, хотя я заметил некоторые цифровые артефакты и согласен с такими недостатками, как небольшое мягкое приглушение звука и пыхтение, а также медлительность процессора.
Я упаковал D-808 в коробку и хранил его там, где он лежал до недавнего времени, когда я снова вынул его после опыта использования Sangean ATS-909×2 — отсюда и название этого краткого комментария.
Компания Sangean приняла несколько основных решений с 909×2.
Многие из них довольно положительно относятся к старым 909х. Для многих пользователей 909×2 имеет более чем достаточно функций, чтобы оправдать более высокую цену приемника.
Я пришел к другому выводу после того, как вернул свой ATS-909×2, и начал думать о том, как D-808 мог проинформировать инженеров Sangean, когда они обдумывали, какие функции добавить в 909×2. В какой мере дизайнеры Sangean смотрели на различные другие портативные устройства, включая D-808, мы, вероятно, никогда не узнаем.
D-808 ДЕМОНСТРИРУЕТ ВАЖНОСТЬ И ВЛИЯНИЕ ФИЛЬТРА ПОЛОСЫ ПОЛОСЫ В SSBУправление полосой пропускания AM на ATS-909×2 очень удобно. Однако бросается в глаза отсутствие многополосной связи в режиме SSB. Удивительно, что Sangean, похоже, не признала эту функцию обязательной.
Компания Tecsun начала обеспечивать это на небольших приемниках много лет назад, и в PL-880, превосходном, хотя и несовершенном портативном устройстве, которое также штурмом покорило мир прослушивания, а также в недавних 330, 990x и 501x.
Повторное использование D-808 через несколько лет напомнило мне, что этот маленький ресивер китайского производства предлагает не менее СЕМЬ полосы пропускания, в режиме AM. Позвольте мне повторить это еще раз: СЕМЬ (7) полос пропускания.
Вы не найдете такой возможности избирательности даже в Drake R8B. После этого вы получаете возможность непрерывного управления полосой пропускания, которую можно найти в премиальных DSP-ресиверах.
Итак, в режиме AM у вас есть: 6 кГц, 4 кГц, 3 кГц, 2,5 кГц, 2,0 кГц, 1,8 кГц и 1,00 кГц
D-808 также имеет возможность точной настройки. Это не то же самое, что Tecsun, которые на самом деле позволяют вам повторно калибровать и с настройкой, которая остается установленной как для USB, так и для LSB. На D-808 вы выполняете точную настройку до нуля, но вам нужно повторить коррекцию для LSB и USB на той частоте, на которой вы работаете — это немного сложнее, но на моем 808 тонкая настройка, тем не менее, очень плавная.
Тем не менее, в сочетании с параметрами полосы пропускания SIX в режиме SSB, опция точной настройки на 808 является превосходной функцией, не говоря уже о том, что на моем конкретном D-808 почти нет «трелей» при выполнении тонкой настройки. операция настройки.
Итак, в SSB на D-808 у вас есть: 4,0 кГц, 3,0 кГц, 2,2 кГц, 1,2 кГц, 1,0 кГц и потрясающие 0,5 кГц! Представьте себе, что: .5 кГц
Я обычно запоминаю такие вещи, но когда я впервые попробовал D-808 во Флориде в 2018 году, я был больше сосредоточен на оценке чувствительности, звука и таких проблемах, как довольно медленный отклик DSP, когда смена режимов.
Видео Демонстрация пропускной способности D-808 в режимах AM и SSB:
Итак, теперь вы должны поднять меня с пола, пока я снова посещаю D-808 и понимаю, что это за удивительно способное маленькое радио действительно есть – опять же, см.
отличные обзоры Жиля, в которых он уделяет этому факту много внимания.
Несколько лет назад я использовал такие приемники, как SONY SW-55 и Panasonic RF-B65, для DX-съемки на берегу океана. Это отличные приемники, но модель 55 ограничена двумя полосами пропускания, УЗКОЙ и ШИРОКОЙ, подобно SONY 2010 и SW-77, которые также имеют эффективное синхронное обнаружение.
Одним из моих лучших DX-уловов в то время было Radio Rwanda на частоте 6055 кГц, как раз перед его завершением в конце дня по восточному времени. Используя Panasonic RF-B65, у которого НЕТ опций пропускной способности, я смог услышать и записать полный выход и идентификатор.
Однако, если бы в то время существовал D-808, это было бы намного проще из-за нескольких полос пропускания как в AM, так и в SSB. Я полагаю, что SONY ICF-SW7600GR также справился бы со своей задачей, но у него также нет нескольких вариантов пропускной способности, которые есть у D-808.
В наши дни, когда количество станций в эфире еще больше сократилось, таких примеров может быть все меньше и больше.
Но нужно отметить, что для ЛЮБИТЕЛЬСКОГО прослушивания радио удивительная пропускная способность D-808 действительно выделяет его среди остальных.
Рад ли я заново открыть для себя D-808? Вы держите пари. Он был в моем списке ПРОДАВАТЬ приемники. Теперь у него есть отсрочка, и он твердо вернулся в мой список хранителей.
Я должен думать, что крайне маловероятно, что появится новая версия D-808, если только кто-то не слышал в приемнике слухов, чего не слышал я. Возможно, ребята из XHDATA/RadioWOW поймут этот намек.
Если бы XHDATA изменила дизайн 808, большинство улучшений, на которые можно было бы надеяться, были бы очевидны: более новый и быстрый чип DSP для ускорения смены режима, разъем для внешней записи. Надеяться на такую же регулировку калибровки, как и в приемниках Tecsun, было бы очень далеко.
Когда я действительно начинаю мечтать, я думаю о XHDATA или каком-то другом производителе, разрабатывающем портативное устройство, подобное 808 (почему бы не назвать его 1000 Super DSP), которое на самом деле имеет плавную регулировку полосы пропускания.
Этого никогда не произойдет.
Сомнительно, что XHDATA или какой-либо другой производитель рассмотрит возможность прямой конкуренции с Tecsun и Sangean. Но D-808 завоевал себе место в категории небольших портативных устройств по чрезвычайно конкурентоспособной цене.
Поскольку это не исчерпывающий ретро-обзор D-808, я не стал вдаваться в различные негативы, о существовании которых знает каждый владелец D-808.
Отсутствие разъема RECORD OUT это одно. D-808x может реализовать функцию Bluetooth, как у Tecsun, и возможность записи на MicroSD (хотя это приводит к проблемам, которые, по-видимому, помешали Tecsun сделать то же самое). И, конечно же, избавьтесь от мягкого приглушения.
В заключение я возвращаюсь к вопросу, который возник у меня, когда я использовал Sangean ATS-909×2: что Sangean могла или должна была узнать от D-808.
Это был небольшой, хорошо спроектированный DSP-радиоприемник, который ворвался на сцену с выдающимися возможностями и даже сегодня ценится среди тех, кто им владеет.
Нужно ли повторять? СЕМЬ полос пропускания в режиме AM и MW и ШЕСТЬ в SSB и LW.
Каждая компания, производящая приемники, принимает собственные решения. Также важно, чтобы мы выразили благодарность компании Sangean за ее последнюю (возможно, последнюю) попытку пересмотреть 909xxxx, так как Tecsun предлагает не менее ТРЕХ превосходных приемников мирового диапазона.
Компания Sangean получила отзывы от меня и других рецензентов о x2. Все это направлено на то, чтобы помочь компании возможно исправить недостатки в новом приемнике. Я надеюсь, что этот комментарий станет еще одним шагом в этом направлении.
Распространяйте любовь к радио
Портативное радио XHDATA D-808/Sihuadon D-808 AM/FM/SW/SSB/Airband
Хотя оно доступно уже некоторое время, чем больше я слышал об этом радио, тем больше более заинтригован я стал. Казалось, это радио, с которым я должен познакомиться, отчасти из-за его происхождения, отчасти из-за нескольких положительных полевых отзывов о его общей производительности, особенно на AM, и отчасти из-за его разумной цены.
Я заплатил 112,87 долларов + 10 долларов за доставку на eBay, хотя в других регионах, кроме США, это стоит меньше. Мое радио прибыло через 34 дня после того, как я его купил, что уложилось в обещанный срок, указанный на аукционе. Почему так долго? Вот где история XHDATA D-808 становится интересной, и это связано с отсутствием патентной защиты у китайских производителей.
Redsun, которая работала с C. Crane над созданием своих единственных в своем роде моделей CC Skywave и Skywave SSB, не имеет никакого контроля над другими производителями, которые, по-видимому, могут свободно копировать части этих конструкций и изменять их любым способом. они хотят. Это также является причиной того, что производители больше не предоставляют схемы и руководства по обслуживанию своих продуктов, что раньше было стандартной практикой, что является печальным положением дел.
Таково происхождение D-808. Очевидно, чтобы предотвратить конфликты с C. Crane, Redsun согласилась не экспортировать XHDATA D-808 в США, но в конце концов предприимчивый продавец eBay нашел способ отправить радиостанцию в США через Израиль.
Таким образом, более высокая цена, чем нам пришлось бы заплатить в противном случае (хотя я думаю, что D-808 все еще является выгодной сделкой), а также более длительные сроки доставки. Обычно я не стал бы переплачивать за радиоприемник, который обычно здесь не продается, но в случае с D-808 отчеты о его характеристиках показали, что оно того стоит.
Хотя XHDATA D-808 оформлен иначе, чем Skywave, и немного крупнее, он основан на том же чипе Silicon labs Si4735 DSP, который используется во многих радиостанциях, включая популярные C. Crane Skywave SSB, Eton Satellit и Путешественник III. И хотя в D-808 отсутствует метеодиапазон NOAA для радиостанций Skywave (поскольку это служба США, в радиостанции, не предназначенной для рынка США, нет смысла), было несколько усовершенствований, которые повышают возможности D-808. производительность на ступеньку выше — RDS на FM вместе с лучшим качеством звука и немного лучшей чувствительностью AM. Основной причиной превосходства AM является ферритовый стержень антенны D-808 размером 3 7/8 дюйма по сравнению с ферритовым стержнем размером 2 ¾ дюйма в радиостанциях Skywave… этот больший ферритовый стержень легко объясняет разницу, которую я слышу.
Примечание. Очень похожий Digitech AR-1780 работает на элементах AA, а не на внутреннем литий-ионном элементе XHDADA, и доступен на сайте Jaycar.com или в других разделах Google «Jaycar» или «Digitech».
Характеристики и характеристики:
FM: 87,5–108 МГц/64–108 МГц с FM RDS Стерео/моно Переключение 0,1/01 МГц Шаг настройки
MW: 520–1710 кГц/520–1020 кГц /9K/1K шагов
LW: 150 – 450 кГц 9K/1K шагов
SW: 1711 – 29999 кГц 5K/1K шагов
Air: 118–137 МГц с шагом 0,25/0,001 МГц
SSB с тонкой настройкой (тонкая настройка работает на всех диапазонах)
Настройка с помощью регулятора или кнопок вверх/вниз с помощью ATS Вход
Режим блокировки
Часы/Будильник/Таймер сна
Полоса пропускания MW/SW: 7) 6K, 4K, 3K, 2,5K, 2K, 1,8K и 1K
Полоса пропускания SSB: 6) 2K, 2K, 3K, , 1,2K, 1K и 500 Гц
500 ячеек памяти
Переключаемый дисплей: время (по умолчанию), сила сигнала/отношение сигнал/шум, температура (по Фаренгейту или по Цельсию) и время будильника.
Подсветка может быть автоматической или заблокированной
Регулятор шумоподавления (работает на всех диапазонах, что необычно)
Гнездо для наушников 3,5 мм
Гнездо внешней антенны 3,5 мм для SW/FM/Air
Быстрый/медленный/стоп (блокировка) ) Tuning Speeds
Вы также можете отключить звуковой сигнал, нажав кнопку #5 Beep при выключенном радио.
Кнопка Light постоянно включает подсветку циферблата… приятная функция.
Кнопка сброса
Источник питания: перезаряжаемый USB 18650 Литий-ионный аккумулятор 3,7 В
Кабель Micro USB и чехол для переноски входят в комплект поставки
Интересно отметить, что хотя во многих радиостанциях используются одни и те же чипы DSP Silicon labs Si4735, эти чипы предлагают множество настройки, которые производитель может настроить, чтобы настроить многие детали работы. Добавьте к этому тот факт, что каждая радиостанция будет иметь свою собственную ферритовую стержневую AM-антенну, штыревую антенну SW/FM/Air и динамик, которые будут влиять на прием и качество звука, и вы увидите, что две радиостанции могут использовать один и тот же чип DSP и при этом быть довольно отличается во многом.
Есть также, конечно, много областей, где производительность будет идентичной… мой собственный опыт показывает, что прием SW/FM/Air имеет тенденцию быть похожим, когда штыревые антенны одинаковы, в то время как прием AM будет отличаться в зависимости от размера встроенной антенны. в ферритовом стержне АМ-антенны.
Производительность:
Grundig Satellit – C. Crane Skywave SSB – Tecsun PL-660 Внизу: XHDATA D-808
Модель XHDATA D-808 с производительностью AM занимает ** ½ места в списке Mega Shootout это наверху для этого размера класса радио. На AM он превосходит известные, более крупные радиостанции, такие как Tecsun PL-660/680/880, Sony ICF-7600G/GR или даже гораздо более роскошную Sangean ATS-909X, использующую встроенные антенны, слышим слабые сигналы, которые представляют собой не что иное, как шипение. на тех наборах. Единственными радиоприемниками среднего и малого размера, которые соответствуют чувствительности AM, являются немного более крупный Eton Satellit, оригинальный Degen DE-1103 (не более поздняя версия DSP) и снятые с производства близнецы Eton / Grundig E5 / G5.
Для своего размера это одно горячее маленькое AM-радио.
FM Performance так же хорош, как и лучшие из сегодняшних портативных DSP … он получает твердую ***** в списке FM Mega Shootout и предлагает выбор стерео / моно и RDS для FM, которые приветствуются функции . Вопреки тому, что написано в руководстве, антенный разъем работает на FM, хотя и не отключает штыревую антенну. Я просто сложил хлыст и попробовал его с обычным сложенным диполем, и мне удалось улучшить несколько очень слабых станций. Измерение сигнала оказало здесь решающую помощь со сравнительными числовыми показаниями мощности сигнала и отношения сигнал/шум.
Короткие волны также превосходны в этой категории . Сравнивая его с известными моделями от Eton, Sangean, Sony и Tecsun, он был очень близок по большей части спектра SW по сравнению с самыми популярными портативными компьютерами SW на сегодняшний день. Опять же, это неудивительно, так как многие из этих радиостанций используют одинаковые или похожие чипы DSP, которые, кажется, творят чудеса с более короткими штырями, которые вы обычно найдете в небольших радиостанциях.
Иногда D-808 был немного менее чувствителен к очень слабым сигналам трассировки, но с другими сигналами он работал лучше. Одна радиостанция здесь, PL-660, имеет преимущество синхронного обнаружения, которое работает хорошо, а иногда и является огромным преимуществом. Примечательно, что со всеми этими маленькими радиостанциями, включая более крупные, такие как PL-660 и ATS-9.09X, удерживание радиостанции в руке иногда обеспечивает значительное усиление из-за эффекта противовеса, а перемещение любой из радиостанций на несколько дюймов туда или сюда часто приводило к большим различиям в приеме, чем различия, присущие радиостанциям. Кроме того, важно помнить, что гораздо большие различия в чувствительности могут быть получены с помощью антенны с коротким проводом, такой как обычные наматывающиеся антенны.
Производительность SSB была хорошей по стандартам портативных устройств. Добиться естественного качества голоса было довольно легко, а непрерывная точная настройка с числовым значением +/- доставляет удовольствие.
Кстати, ручка Fine-Tuning работает на всех диапазонах.
Я проверил антенный разъем и обнаружил, что он работает на диапазонах SW, FM и Air. Я читал в Интернете комментарии о том, что это работает и на AM, но у меня нет. Возможно, это было производственное изменение, но также возможно, что можно подключить внешнюю антенну и с помощью индуктивной связи или заземления получить некоторое усиление AM-сигналов… Я наблюдал этот эффект на многих радиостанциях.
Полосовые фильтры XHDATA D-808 обладают превосходными характеристиками – избирательность AM/SW кажется очень хорошей при сохранении хорошей высокочастотной характеристики вообще, кроме очень узких настроек, которые обеспечивают большую избирательность и чувствительность к сигналам на пороге слышимости . Селективность FM превосходна и находится на одном уровне с лучшими из современных портативных DSP FM.
Я также обнаружил, что регулятор шумоподавления на самом деле работает на ВСЕХ диапазонах, что является необычной функцией — в руководстве указано, что он работает только в диапазоне Air, что обычно и бывает.
XHDATA D-808 имеет хороший дисплей , который может одновременно отображать время и частоту, что очень удобно, наряду с дополнительными параметрами уровня сигнала/отношения сигнала к шуму, температуры (по Фаренгейту или по Цельсию), установки времени и времени будильника. который радио по умолчанию использует при включении. Показания сигнала являются относительными и не могут быть напрямую связаны с типичными показаниями S-Meter, но, тем не менее, они предоставляют интересную информацию о том, на что вы настроены, и могут быть определенным преимуществом при настройке или наведении антенны. Подсветка дисплея является автоматической, или кнопка подсветки при желании включит ее постоянно… еще одна приятная особенность.
Вы можете отключить звуковой сигнал, нажав кнопку звукового сигнала №5 при выключенном радио.
Настройка очень гибкая. Вы можете использовать кнопки Up/Down, которые также предлагают функции сканирования и ATS, ручку настройки можно нажимать для переключения между скоростями настройки Fast/Slow/Stop, а если оставить ее в быстром режиме, колесико Fine Tuning настраивается в медленном режиме, поэтому у вас есть мгновенный доступ к настройке двух скоростей без изменения режимов настройки.
Вы также можете напрямую ввести частоту, для чего сначала нужно нажать клавишу Freg. На страницах также настроено 500 воспоминаний для удобства организации.
Качество звука также очень хорошее для радиоприемника такого размера и фактически находится где-то между меньшим Skywave/Skywave SSB и более крупными радиостанциями, такими как упомянутые нами Eton, Sangean и Tecsuns. XHDATA слишком велик, чтобы считаться сверхлегким, но из-за его немного большего размера вы получаете немного лучший звук.
Также с положительной стороны D-808, похоже, не имеет отсутствия мягкого отключения звука , что делает его удобным для пользователя и отлично подходит для простой настройки. Некоторые жаловались на приглушение звука или пыхтение во время настройки, но я обнаружил, что и то, и другое значительно снижается в режиме медленной настройки. В этом режиме громкость немного падает, когда вы настраиваетесь, но не настолько, чтобы вы не могли слышать то, что вы настраиваете, и она быстро сбрасывается.
Да, могло быть и лучше, но это не плохо.
Срок службы батареи с входящей в комплект литий-ионной батареей 18650 3,7 В составляет 34 часа при нормальной громкости, даже с подсветкой циферблата в течение некоторого времени, и моя радиостанция легко уложилась в эту цифру, давая дни использования без подзарядки. Сначала я подумал, что у меня плохой аккумулятор, потому что после того, как я полностью зарядил его и начал использовать радиостанцию, индикатор заряда батареи очень быстро упал на один сегмент, но я обнаружил, что это именно то, как ведет себя измеритель. Радио играло в течение нескольких дней обычного использования, в то время как счетчик медленно падал.
Множество параллельных сравнений
Конечно, должны быть и некоторые недостатки, но, учитывая небольшой размер D-808, я их не нашел. Самым большим упущением является то, что нет переключателя Local/DX или регулятора для ограничения сильных сигналов от внешних антенн, и действительно, в некоторых моих тестах внешних антенн была некоторая перегрузка, с которой большие портативные устройства могли справиться лучше.
С другой стороны, у Skywave нет разъема для внешней антенны или переключателя Local/Distant. Эти функции являются общими для всех больших радиостанций, что, я думаю, говорит о том, что по мере того, как радиостанции становятся меньше, они больше ориентированы на портативность, а не на постоянные установки, привязанные к внешним антеннам, поэтому есть лучший выбор, если вы будете часто использовать внешнюю антенну. антенна.
Некоторые примечания относительно руководства пользователя XHDATA D-808:
Это не самое лучшее руководство, но оно поможет вам понять большую часть того, что вам нужно изучить. Я нашел несколько ошибок, но их может быть больше. Некоторые из них, по-видимому, вызваны тем фактом, что один и тот же чип DSP обычно запрограммирован немного по-разному в других радиостанциях.
*Хотя в инструкции указано, что на радиостанции нет «кнопки зарядки». D-808 разработан так, чтобы всегда находиться в режиме автоматической зарядки, поскольку он содержит перезаряжаемую литий-ионную батарею.
* Шумоподавление работает на всех диапазонах вопреки тому, что написано в инструкции.
* Разъем для внешней антенны также работает на FM, но не отключает штыревую антенну.
* В разделе «Установка времени» в процедуре отсутствуют слова «Кнопка установки времени».
Заключение: XHDATA D-808 определенно отражает состояние китайского производства сегодня как в хорошем, так и в плохом смысле.
Преимущество в том, что инновации никогда не прекращаются. Даже в пределах данной модели часто (может быть, я должен сказать, что Обычно ) конструкция меняется по ходу дела, так что радио, купленное сегодня, может быть внутренне изменено по сравнению с той же моделью, купленной всего несколько месяцев назад. Это может представлять собой шаг вперед или назад в зависимости от причин внесения изменений. Но, без сомнения, они постоянно выпускают новые модели, и общее состояние техники сегодня в некотором роде лучше, чем всего несколько лет назад.
XHDATA D-808 — прекрасный тому пример… кажется, его бы не существовало, если бы C. Crane и Redsun не работали над разработкой радиостанций Skywave. Он также представляет собой отличное воплощение чипа Silicon labs Si4735 DSP с отличной базовой производительностью DSP, не ограниченной программным отключением звука или сомнительным программированием шумоподавления, а также с отличным набором функций.
Плохая ситуация заключается в том, что, по-видимому, больше не существует никакой защиты интеллектуальной собственности. Если какой-либо проект можно взять, скопировать (они называют это «обратным проектированием») и изменить, это, безусловно, может задушить разработку, потому что дешевле скопировать существующую схему, чем разрабатывать свою собственную. Я думаю, что было бы неприятно тратить деньги на новый дизайн только для того, чтобы обнаружить, что кто-то другой взял ваше радио и использовал его в качестве отправной точки для новой модели.
После всего сказанного я обычно не вдаюсь в политику… Я просто хотел объяснить, как появилось это радио и чем оно похоже и чем отличается от радио C.

Datasheets с подробными характеристиками.
5-36 (ток до 100мА) 1%
5, 8.2, 9.1, 10, 11, 12, 13
6, 6.8, 8.2, 10, 12, 15, 18, 22, 27, 33, 39,
47, 56, 68, 82, 100
2, 10, 12, 15, 16, 18, 24
, кВт

(80)
(68)
(40)
(26)
(1)