Мопедный двигатель Д6, его система зажигания и основные типичные неисправности
Рижские мопеды были широко известны в СССР своим качеством, надежностью и неприхотливостью. Именно эти качества ценились тогдашними владельцами мопедов и вообще любой мототехники. Несмотря на, то что завод изготовитель уже давно закрыт его продукция до сих пор ездит и пользуется у ценителей определенным спросом.
Самые распространенные двигатели Д6 сейчас активно пользуются спросом и без самих мопедов – их комфортно ставить на велосипеды.
Таким образом, получается любопытная неприхотливая конструкция, которая может довести своего хозяина куда нужно будет и не будет требовать огромных средств на свое содержание.

Зажигания на моторе д6
Система зажигания
Система зажигания – это такой элемент, который в том или ином виде присутствует на любом транспортном средстве. Представляет собой она набор устройств и приборов, которые отвечают за возникновение искры высокого напряжения для последующего воспламенение топливной смеси в цилиндрах двигателя. Искра должна появляться в определенный момент, четко в связи с порядком работы двигателя. Если искра появляется, но не учитывая порядок – это уже признак неисправности и, причем, очень значительная.
Основную роль в системе зажигания играет магнето. Состоит оно из:
- Ротор-магнит.
- Кулачек-прерыватель.
- Сердечник.
- Индукционная катушка.
- Прерыватель с конденсатором.
К остальным элементам всей системы зажигания также относится высоковольтный провод и свеча зажигания.
Неисправности системы
Неисправности с этой системой в двигателе Д6 могут быть связаны с совершенно различными вещами. Однако провести диагностику и ремонт вполне по силам самостоятельно, начинать какие-либо манипуляции нужно только после того, как будет отключен от выводного винта провод зажигания.
Начать описывать неисправности стоит с самой распространённой. И является ей нагар на нижней части свечи. Нагар может быть сухим или маслянистым – зависит это от того богатой или бедной является топливная смесь и от правильности приготовления смеси. Если смесь слишком бедная, то нагар будет сухим, если же было добавлено слишком много масла в бак, то нагар будет маслянистым. В любом случае – следствием появления нагар будет отсутствие искрового разряда или же он будет, но настолько слабым, что это будет недостаточно чтобы поджечь смесь.
Следующей в списке будет возможная трещина изолятора свечи. Вследствие этого могут замкнуться электроды внутри непосредственно изолятора. Эти неисправности приводят к тому, что свеча становится непригодной к использованию.
Проверка свечи
Если же эти две неисправности не подошли, их нет, но зажигания все равно нет, то придется проверять свечу на работоспособность. Для этого мы выворачиваем свечу из картеру и снимаем прокладку. Далее, перед выявлением неисправности нужно привести свечу в надлежащий вид: убираем все отложения и нагар с корпуса свечи и проверяем зазор между электродами, если нужно, то с помощью щупа устанавливаем его равным значению 0,4 – 0,6 мм. Далее, одеваем высоковольтный провод на свечу и кладем ее на картер мотора. Теперь приподымаем на подножке заднее колесо и вращая вал двигателя смотрим появляется ли искра зажигания. Если искры нет, то проверяем на рабочей свече все остальное оборудование. Полностью рабочую свечу нужно всегда иметь в запасе на подобный случай. Таким образом, мы выявляем все неисправности сразу – если проверенная свеча дала искру, то прошлая свеча уже отжила свое, если же и новая свеча не дает искры – дело в высоковольтном кабеле или магнето. Стоит упомянуть, что категорически запрещено вращать колесо и двигатель без свечи, такие действия могут привести к пробою индукционной катушки.
Бесконтактная система
Электронное зажигание также является одним из видов системы на моторе Д6. Переходить на него решают особые ценители этой техники, эта система работает значительно стабильнее и обеспечивает более качественное воспламенения и сгорания рабочей смеси в цилиндре двигателя. Ведя разговор о зажигании не упомянуть эту систему просто невозможно.
Электронная система представляет собой два блока работающих вместе. Называются они – энергетический и электронный коммутаторы. Первый устанавливает на основание картера и состоит из сердечника, вместе с которым устанавливает и зарядная катушка, катушка выполняется таким образом, чтобы иметь возможность работать вместо родного прерывателя.
Интернет наполнен массой схем по поводу того, как изготовить такое зажигание практически самостоятельно. Сделать это не слишком сложно, но как результат можно получить плюсы в виде 100% уверенности в надежности работы как управляющей катушки, так и всего зажигания в целом. Найти же заводское электронное зажигание довольно проблематично, так как завод изготовитель не функционирует уже почти 20 лет.
autodont.ru
Система контактного зажигания двигателей Д4 – Д5
Катушки индуктивности

Схема зажигания от магнето

Как и в двигателях Д6 и Д8, также и в Д5 и Д5 используется классическое зажигание от магнето. Для него не нужен аккумулятор, энергия (электро движущая сила) вырабатывается при быстром поворачивании магнита (насаженного на коленчатый вал двигателя) в «рамке» из трансформаторного железа, на которую намотаны катушки (рамка в сборе, с катушками, называется также «подковой»). Катушки важны, они преобразовывают ЭДС в собственно искру. Хоть с виду катушка на «подкове» и одна, на самом деле их там две – низковольтная, которая собственно и выдаёт энергию, она намотана из относительно толстого провода, и высоковольтная, которая низкое напряжение преобразует в высоковольтную искру, которую, собственно, и видно на свече. Провод высоковольтной катушки достаточно тонкий, перемотать её в домашних условиях не так уж просто. В двигателе Д8 высоковольтная катушка – выносная, крепится снаружи, но в Д4 и 5 – она встроена, намотана на «подкову». Первичная, низковольтная обмотка индукционной катушки Д4-5 изготовлена из проволоки диаметром 0,64 мм и имеет 160 витков. У высоковольтной обмотки 8000 витков при диаметре проволоки 0,06 мм, причём каждый слой витков отделяется от ниже лежащего изолирующим слоем из стекловолокна.
Слабое место моторов Д4-5 — катушка зажигания, обмотки высоковольтной катушки замыкаются друг с другом, или вообще теряется проводимость. Результат — «слабая искра». Нормальная искра между контактами свечи — синяя, видимо толстая, чем толще, тем лучше. Если искра красноватая, рыжая — нехорошо, возможно, её не хватит, чтобы зажечь смесь.
Чтобы надёжно проверить катушку зажигания приборным методом, оные приборы нужны такие, которые в сервисах и гаражах не встречается. Обычным тестером (или лампочкой с батарейкой) можно разве что проверить, нет ли в ней обрыва, и нет ли замыкания на «массу». Для этого провод, который выходит из катушки, отсоединяем от контакта и конденсатора, и смотрим контакт между проводом и латунным лепестком, он должен быть. Также должен быть контакт между лепестком и «массой». Разница между сопротивлением «вывод провода-масса» и «лепесток-масса» есть, но простеньким тестером почти неразличима. Если там, где надо — контакт есть, то-есть нет обрыва провода, то проверить, работает ли катушка, можно только экспериментальным путём — установив на заведомо исправный двигатель с отрегулированным карбюратором и попробовав его завести. К сожалению, из-за пробоев между витками катушки, которые нельзя увидеть и замерить в гараже, бывает и так, что искра на воздухе, на свече даже — есть, видна, синяя (правда, тонкая), но бензомасляную смесь в цилиндре, под давлением — всё равно не зажигает.
Катушка зажигания без обрыва, нормальная:

Магнит:

От того, насколько сильный магнит , как хорошо он «притягивает», зависит и то, какую энергию выдаст магнето. Иногда, хоть и редко, магнит размагничивается (от весьма сильного нагрева, например), что приводит к «слабой искре».
Магнит в моторе Д4-5 посажен на коленвал на шпонку, повернуть его (исправный) на валу невозможно. Сбитый, шатающийся магнит на двигателе Д4 (в отличие от Д6) встречается крайне редко, и сам практически не ломается. Если не планируется полная разборка двигателя на части — снимать магнит нет никакой необходимости! Также шпонкой на нужный угол фиксируется и кулачок прерывателя, так что существует теоретическая возможность сняв магнит, посадить его на вал неправильной стороной.
Магнит, вращаясь, вырабатывает энергию, которая и проскакивает искрой в зазоре свечи. Чтобы искра проскакивала в нужный момент (это важно для того, чтобы двигатель работал), в системе зажигания двигателей Д есть контактная группа, т.н. «контактики».
Контактная группа
Кулачок (неровный валик) насаженный поверх магнита на коленвалу, разжимает контакты, надавливая на молоточек прерывателя (коричневая деталька, которая выступом скользит по кулачку). В момент размыкания контактов, когда кулачок, повернувшись толстой частью, отжимает молоточек с подвижным контактом, и проскакивает искра на свече. Поэтому, регулируя зажигание смотрят, когда контакты разжимаются.
Конденсатор в системе нужен для того, чтобы контакты не слишком искрили и не обгорали.
Высоковольтный провод и наконечники
На выходе высоковольтной катушки (латунный язычок с торца «подковы») уже идёт высокое напряжение (8000-12000 В), которое стремиться «перескочить» на массу, поэтому от этого язычка идёт толстый и хорошо изолированный высоковольтный провод. Простой провод вместо специального работать если и будет, то не так хорошо. Вообще без провода, с неподсоединённым к свече наконечником, или с не соединённой с «массой» свечой – ездить весьма вредно для двигателя, высокое напряжение, «искра», всё равно вырабатывается, и, не имея возможности пройти по предусмотренному пути, ищет другие проходы, прожигая изоляцию катушек, портя зажигание!
Провод, также, по моему опыту — не годится современный автомобильный. То ли он подразумевает куда большее напряжение, то ли ещё что, но мне кажется, что с классическим металлическим — работает устойчивей, чем с современным высоковольтным проводом.
Ещё момент, связанный с проводом — стандартные Советские наконечники на высоковольтный провод содержат «подавительное сопротивление», резистор аж на 10 килоом. Оно там включено, чтобы подавлять электромагнитные помехи, создаваемые системой зажигания. Но, во-первых, современные приборы не так уж и чувствительны к помехам, и во-вторых, на преодоление сопротивления уходит энергия, и «искра слабее». Так что общая рекомендация — вынуть сопртивление. Для этого захватываем «утконосами» винт, который ввинчивается в середину провода, и выкручиваем его. Можно ВД-40 предварительно пшикнуть. Затем вынимаем резистор (чёрный цилиндрик) и родную пружинку, и заменяем её более длинной пружинкой, например, от авторучки.

Соответственно, если задача, наоборот, защитится от помех — то резистор в цепь добавляем, можно ещё экранировать сам провод (использовать коаксиальный, скажем), вернуть на место (найти, согнуть схожий) металлический кожушок на наконечник провода.
Свеча зажигания
В инструкции к двигателю Д4 рекомендуется использование свечи А11, с короткой резьбой. Свечу с длинной резьбой, «автомобильную» без переходника применять нельзя! Кроме рекомендованной А11 без особых негативных последствий можно применять и А14. Признак правильно подобранной свечи — после сотни пройденных километров изолятор светло-коричневого или светло-серого цвета.
Иностранные аналоги А11 и А14 — N19 и N17 для Brisk, W8 и W9 для Bosch, B5 и B6 для NGK. Если первые цифры-буквы в индексе свечи соответствующего производителя другие — то эта свеча не совсем подходит для Д4 и Д5. Для Д6 и Д8 допустимо применение свечей и с большим калильным числом, но именно Д4 с родным цилиндром — достаточно сильно дефорсированный, его «родная» свеча — А11.
Зазор на свече (расстояние между элктродами свечи) рекомендован около 0,5 мм., но из-за слабости высоковольтной катушки Д4 зазор можно чуть уменьшить, до 0,3. скажем. Это — 2-3 бритвенных лезвия.
При использовании некачественного масла (особенно отработанного масла. которое быстро портит двигатель и свечу) электроды могут засорится продуктами неполного сгорания (в случае с «отработкой» — ещё и проводящими продуктами, так как она содержит металлические частицы). Обжигать свечу на огне нельзя, так риск испортить свечу куда больше, чем возможность её почистить. От чрезмерной температуры потрескается керамика внутри, и из-за трещин свеча выйдет из строя намного раньше. Свечу промываем в ацетоне, чистим щёткой, можно — мягкой проволочной. Но опять же, как правило — хватает просто несколько раз провести между контактами тряпочкой.
Обеспечение чистоты проводов и контактов
Общая рекомендация про вообще всякие провода и контакты — держать их в чистоте! В наконечниках высоковольтного провода не должно быть абсолютно никакой ржавчины, масла, грязи. Также и сами «контактики» у магнита тоже рекомендуется протереть тщательно спиртом, ацетоном или чем-то подобным. Слой масла с частичками металла — проводит, энергия теряется, результат — «слабая искра». Ещё аспект, на что стоит обратить внимание, чистя систему зажигания — неподвижный контакт должен быть изолирован от «массы». Если от него отсоединить вывод катушки и конденсатора — то контакта с «массой» не должно быть.

то-есть стержнёк, вставляющийся в центр провода, и пружинка, прижимающаяся к лепестку. Разлохмаченные и замасленные жилки — недопустимы, искра по ним может, и пройдёт, но часть её энергии, нужная для поджигания смеси, уйдёт на преодоление нечёткого контакта в этом пучке.
Контакты, те, что размыкает кулачок — нельзя чистить наждачной бумагой, они должны как можно плотнее друг к другу прилегать, быть совершенно плоскими, и если уж чистить — то мелким-мелким надфилем, проводя его между зажатыми контактами. А проводя гибкой наждачкой — только закруглим края, сделав контакт выпуклым, ухудшив прилегание. К слову, по-настоящему требующие такой жёсткой чистки, обгоревшие контакты на двигателях Д — большая редкость, в подавляющем большинстве случаев хватает просто протереть тряпочкой, смоченной в ацетоне или спирте.
В собранном виде — тестером или лампочкой удостоверьтесь, что от латунного лепестка и до центрального электрода свечи — совершенно чёткий и надёжный контакт, чистое соединение.
Настройка зажигания
Искра должна проскакивать в нужный момент, чтобы зажжённая искрой смесь смогла дольше всего давить на поршень. Этот момент (когда должна проскочить искра) — когда поршень немного не дошёл до верхней мёртвой точки — точки, после которой он начнёт опускаться. Немного раньше надо зажечь потому, что бензо-масляно-воздушная смесь в цилиндре не взрывается мгновенно, а горит с некоторой не такой уж большой скоростью. Соответственно, момент зажигания надо подобрать так, чтобы максимально разгорелось, когда поршень начнёт идти вниз. Это и есть «опережение зажигания». В двигателе Д5 угол опережения постоянный, т. е. при работе двигателя его величина не изменяется.
Опережение зажигания выражается либо в градусах угла поворота коленчатого вала, либо в миллиметрах хода поршня относительно в. м. т. В двигателях Д5 и Д6 опережение зажигания по углу поворота коленчатого вала равно 30°, что соответствует 3,5 мм хода поршня до верхней мёртвой точки.
На практике это выражается в том, что настраивая зажигание, надо добиться того, что контакты размыкаются тогда, когда поршень не дошёл 3,5 мм до верхней точки.
Определить момент, когда контакты размыкаются, можно двумя способами: 1) точнее подключить тестер или лампочку через контакты, когда погаснет — они и разомкнулись; 2) но можно и вставить между ними тоненькую, папиросную бумажку — когда бумажка выпадет, тогда контакты и разомкнулись. NB! Если смотреть со стороны зажигания — коленвал крутится по часовой стрелке.
Осталось замерить, когда же поршень в тех самых 3,5 мм до ВМТ. Проще всего это сделать специальным приборчиком, который вворачивается в свечное отверстие. Но можно и штангенциркулем, или же совсем просто — любым стержнем. Выкрутив свечу, по центру опускаем в цилиндр стержень. Медленно крутим коленвал, пока стержень выталкивает. Когда перестаёт выталкивать — в ВМТ, делаем на стержне отметку на уровне среза цилиндра. Затем стержень вытаскивем, и отмечаем на нём 3,5 миллиметра ниже отметки ВМТ.
Затем, руководствуясь рисунками ниже по тексту, добиваемся того, чтобы контакты размыкались в тот момент, когда риска на стержне (3,5 мм до ВМТ) как раз показывается на срезе цилиндра, благо на Д4 и Д5 это увидеть несложно.
Настройка зажигания Д4

Настройка зажигания Д5

Электронное зажигание
Конструктивно обусловленные проблемы с зажиганием Д4 и Д5 можно решить радикально — установив катушку и электронный блок конденсаторного зажигания от китайского аналога, КД. Размер магнита и посадочные места катушки — полностью совпадают. Угол посадки магнита (расположение шпонки) — менять не надо, всё совпадает и работает.
Также отмечено, что, регулируя зажигание, в те периоды, когда контакты разомкнуты — стоит добится того, чтобы зазор при разомкнутых контактах не был слишком большим (больше 0,5-0,8 мм), иначе может уменьшится мощность пробивающей искры.
Типичные неисправности зажигания:
1. Закоптило/залило свечу (переобогащённая смесь) и искры в ней нет. Лечение: прочистить (залитую — вымыть в ацетоне или в бензине без масла и высушить (можно немного, осторожно подогреть), закопчённую — чистить механически, зубочисткой и металл. щёткой, хотя иногда промывка ацетоном тоже помогает) или заменить свечу на чистую.
2. Испортился резистор в уголке. Починка -з аменить резистор на новый, если вам важна помехозащищённость, или (проще и надёжней) вообще убрать его, заменив на пружинку. В полевых условиях, если уголок не раскручивается а другого нет, непосредственно прицепить высоковольтный провод к свече без уголка. Как только появится возможность — вернуть наконечник, просто примотанный провод склонен отваливаться.
3. Закоротило либо провод прерывателя/конденсатора либо высоковольтный на массу (найти и устранить короткое замыкание)
4. В прерывателе разболтались заклёпки и он коротит на землю. (либо срезать заклёпки, делать новые прокладки и собирать на винтах, либо менять прерыватель. Идея повернуть контакт так, чтобы не коротило — плохая, опять закоротит)» Спорно, применимо ли это к Д5.
5. Исчез контакт между катушкой-прерывателем конденсатором (отвинтился винт или резьбу срезало, винт улетел или обломало чей-то вывод — восстановить контакт. Если срезало резьбу, винт фиксировать гайкой). Такое случается часто — см. раздел про чистку контактов.
6. Пробило катушку или конденсатор (это лечится только заменой. Но сначала надо убедиться, что это именно так. Отдельное слово по пробою и обрыву катушки — для двигателей Д4, Д5, Д6 (т.е. без внешней катушки) можно, если штатная первичка цела, прицепить внешнюю катушку.)
7. Оборвало катушку или конденсатор (в общем-то то же, что и для пробоя. Одно НО: для двигателей Д4-6 есть шанс, что вторичку оборвало у высоковольтного вывода. Тогда КРАЙНЕ АККУРАТНО снимаем изоляцию с катушки, находим обрыв и заново собираем, крайне качественно изолируя. Например, »’Новичок»’ после такого тщательно замотал катушку лакотканью, а поверх — тканью, пропитанной эпоксидкой (до герметичности всей катушки))
8. Замаслило прерыватель (неисправен сальник) (заменить сальник, промыть и высушить прерыватель). Также для чистоты пространства отсека зажигания — хорошо в угол положить чистую и сухую ватку, она будет вбирать масло.
9. Развинтились винты крепления прерывателя и он всегда замкнут. (настроить прерыватель, хорошо завинтить винты, подложив под них гровер) См. раздел «Настройка зажигания».
10. Срезало шпонку между коленвалом и магнитом или кулачком.
11. При сборке Д4-Д5 магнит был перевёрнут (перевернуть обратно). Иагнит несимметричный, хоть таким и кажется, и правильный способ установки (например, верхняя сторона) на нём никак не помечен. Но при неправильной установке зажигание работать не будет!) Поэтому если уж очень надо снять магнит — пометьте внешнюю сторону.
Сергей Sbech
Обсуждение статьи «Система контактного зажигания двигателей Д4 – Д5»
www.magazinmopedov.ru
ЗАН – электронное Зажигание с Автоматом уоз, Новикова. — Электрооборудывание — Каталог статей
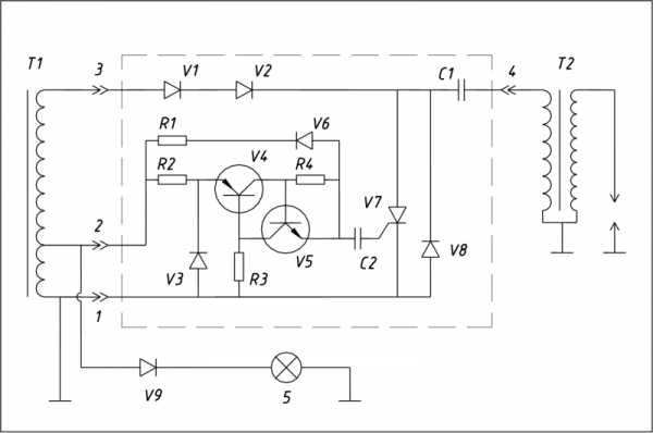
Николаем Новиковым (г.Рыбинск) уже давно была разработана и с успехом применяется электронная бесконтактная тиристорная система зажигания.Система предназначена, в основном, для использования на моторах Д6 – Д8.
Основное отличие данной системы от прочих состоит в том, что в ней реализовано автоматическое изменение угла опережения зажигания, в зависимости от оборотов двигателя.
Система получает управляющий сигнал, для определения момента зажигания искры, непосредственно с катушки возбуждения. То есть система работает без отдельного датчика момента зажигания.
Хотя система и аналоговая, но она обеспечивает характеристику АУОЗ, приближенную к оптимальной на всех режимах – от холостого хода, до максимальных оборотов.
Схема зажигания собирается из минимального количества доступных и недорогих радиодеталей. Она не сложна в изготовлении и не требует наладки и обслуживания.
Николаем было собрано уже более 200 экземпляров. Они
устанавливались многими мотолюбителями Рыбинска и района на различную
технику и показали себя с лучшей стороны.
Система была протестирована испытательной станцией завода по
изготовлению снегоходов «Буран», входящего в состав Рыбинского
производственного объединения моторостроения (сейчас – НПО «Сатурн» им.
П.А. Люлька и «Русская Механика»). Было получено положительное
заключение, подтверждающее заявленные мною параметры.
Пример практического использования данной системы на личном мопеде Новикова — Рига-13:
Двигатель легко заводится в любое время года, холодный или прогретый.
Раскручивается до 7000 оборотов в мин.
Мопед уверенно тянет как на малом газу, так и при полностью открытом дросселе.
Скорость мопеда возросла до 55 км/ч.
Перегревов двигателя не происходит, даже при продолжительном движении с максимальной скоростью.
Эту систему бесконтактного электронного зажигания так же можно использовать в любой технике с магдино и датчиком момента зажигания. К таким относятся, например, мопеды с моторами V50 и Ш62, снегоход «Буран», лодочные моторы, импортные скутеры, и многие другие конструкции с двухтактными двигателями. Для установки системы нужно к выводу 2 коммутатора, подключить провод от управляющего датчика штатного зажигания.
Также, силами участников форума ДЫРЧИК.РУ, эта система устанавливалась и на двигатели Д4–Д5.
===========================================
Устройство системы:

1 – общий вывод; 2 – вывод датчика; 3 – вывод заряда;
4 – вывод ВВ катушки; 5 – лампа фары: 2,5В, 0,72А;
Т1 – Катушка магнето Д8; Т2 – Высоковольтная катушка.
С1 – 3,3мФ; С2 – 0,068 мФ;
V1 – КД105Г; V2 – КД105Г; V3 – КД521;
V4 – КТ361; V5 – КТ315;
V6 – КД521; V7 – КУ201; V8 – КД105Г; V9 – КД202;
R1 – 30К; R2 – 3,9К; R3 – 1,8К; R4 – 20К;
Работа системы
Провод штатной катушки зажигания Т1, который раньше подключался к
кулачкам прерывателя, теперь используется для получения сигнала
управления. (Вывод 2)
Сигнал поступает на пороговое устройство V4–V5, формирующее импульс для открытия тиристора V7.
Во время прохождения отрицательной полуволны, через вывод 2, через резистор R1 и диод V6, заряжается конденсатор С2.
Пороговое в это время заперто резистором R2.
Далее, при смене полярности входного напряжения (положительная
полуволна), при достижении 0,5…0,7 В., через резисторы R2, R3 и
эмиттерный переход транзистора V4 открывается пороговое устройство
V4–V5.
Таким образом, энергия (с левой по схеме обкладки) конденсатора С2 со
знаком «минус», через транзисторы V5, V4 и диод V3 замыкается на правую
обкладку, а энергия заряда С2 со знаком «плюс» (с правой обкладки)
открывает тиристор V7.
При этом конденсатор С1 через тиристор V7 замыкается на катушку
зажигания. Колебательный процесс, происходящий в контуре первичной
обмотки ВВ катушки Т2, сначала вызывает высокое напряжение на вторичной
обмотке, а затем выдает импульс тока обратного напряжения.
Этот импульс запирает тиристор V7, и через диод V8 немного заряжает С1.
В следующий момент, продолжающийся рост напряжения на катушке Т1 вывод 3 (положительная полуволна), вновь заряжает С1.
Далее процесс повторяется.
Ротор, относительно катушки, установлен так, что, в момент приближения
поршня к точке вспышки, напряжение положительной полуволны только
начинает расти от ноля.
Рост напряжения, на этом участке поворота ротора, происходит по пологой кривой.
При росте частоты оборотов, кривая становится круче.
Напряжение срабатывания порогового устройства V4–V5 (равное 0,5…0,7В)
достигается раньше – относительно угла поворота ротора (коленвала).
Использование области малых напряжений, для управления моментом
зажигания, обеспечивает широкий сектор изменения угла опережения
зажигания.
Таким образом, реализуется автоматический УОЗ.
Удаленность этого рабочего участка от верхней границы напряжения
полуволны позволяет получить характеристику роста УОЗ, практически — на
любых оборотах
Замечу, что на отрицательную полуволну магнето нагрузку давать нельзя!
В этом случае произойдет разбалансировка колебательного процесса, и момент искрового разряда будет смещен.
––––––––––––––––––––––––––––––––––––––––––––––––––––––––––
Блок зажигания выполнен навесным монтажом прямо с выводов тиристора V7.
Сборка помещена в трубку из пластмассы диаметром 32мм и длиной 100мм и залита эпоксидным компаундом.
Система чувствительна к воде, поэтому после проверки заливать ёё обязательно!

Высоковольтные катушки лучше применять автомобильные – от транзисторных
систем, с высоким коэффициентом трансформации. Они, при той же
стоимости что и ТЛМ, имеют больший КПД и значительно надежнее в
эксплуатации.
—————————————————————————————
Свет в системе
Присутствие диода V9 позволяет использовать положительную полуволну для питания лампы фары от вывода 2.
Прямое напряжение этого диода равно 1 В и нагрузка от ламп не повлияет
на работу системы зажигания, так как напряжение для ее срабатывания
равно 0,5…0,7 В.
Напряжение в цепи фары оказывается стабилизированным 2,5…3В.
Мощность по свету – примерно 3Вт.
Превышение этой мощности ведет к снижению яркости света.
Для яркого уверенного света надо иметь фару с лампой 2,5…3В Х 1,0А. Правда, такой лампы я пока не нашел.
Или можно использовать 2 фары с лампами 2,4В Х 0,5А. Эти лампы в продаже есть.
На задний габарит останется 2,4В Х 0,25А.
Возможны и иные варианты, главное – не превышать общую нагрузку на катушку более 3Вт.
Дополнительно можно использовать энергию обратной индуктивности, которая теряется в ВВ катушке после искры:

ВАЖНОЕ ЗАМЕЧАНИЕ!
В обоих случаях, при заведенном моторе фара должна быть включена постоянно! Либо не должна быть включена совсем.
Нельзя ставить выключатель и включать – выключать фару при работе. Это может привести к пробою системы!
————————————————————————————
Доработка магнето
Ввиду того, что магнето, изначально, было предназначено для контактного зажигания, требуется произвести несколько несложных доработок его конструкции.
Для получения оптимального сигнала от катушки необходимо добиться
такого положения ротора относительно катушки в требуемый момент, чтобы
тиристор, на холостых оборотах, открывался бы с опережением 10º, а при
увеличении оборотов – УОЗ увеличивался плавно, пропорционально
оборотам.
Это положение ротора было установлено опытным путем.
Для обеспечения такого положения придется произвести небольшую доработку магнето.
При этом можно обойтись минимальным вмешательством в конструкцию магнето и избежать сложной доработки деталей.
Доработка катушки зажигания:
1. На фланце крепления «подковы» необходимо выполнить новые крепежные отверстия и срезать верхний правый угол.

Уточнение размеров требуется в связи с тем, что детали изготовлены заводом с очень большими разбросами допусков.
2. На сердечнике – «подкове» также необходимо срезать правый верхний угол. Удобнее это сделать на электронаждаке.



Такое положение должен занять статор магнето на двигателе. 
В отсеке картера обычно ничего дорабатывать не надо, «подкова» свободно
входит на свое новое место. Иногда приходится немного (0,5мм) подпилить
бобышку крепления крышки. Но, лучше сначала попробовать спилить металл
с «подковы».
Если обмотка штатной катушки была повреждена, то ее нужно удалить и намотать новую.
Рекомендуемые параметры:
Низковольтная обмотка (1-2) – 180 витков, провод 0,62мм.
Высоковольтная обмотка (2-3) – 5000 витков, провод 0,15…0,18мм.
Направление витков 
Катушку мотать виток – к витку, а высоковольтную обмотку изолировать послойно и пропитать лаком.
Данное количество витков получено исходя из максимального
заполнения имеющегося объема обмоткой, а следовательно, катушка с
такими параметрами имеет максимальный КПД, возможный для данной
конструкции.
Такая катушка, будет работать лучше штатной.
Но если имеется неповрежденная штатная катушка, то можно использовать ее.
Катушку двигателя Д8 можно использовать без доработок.
Катушка двигателя Д6 требует небольшой доработки.
Во-первых, наружную изоляцию нужно размотать и вывод сделать не язычком, а проводом. Он пойдет на конденсатор С1. (вывод 3)
Во-вторых массу нужно отпаять от подковы и натянуть на нее кембрик,
чтоб гарантированно заизолировать от массы. Это будет
датчиковый/световой провод (вывод 2).
Провод, который штатно шел на кулачки, теперь – на массу. (вывод 1)
Доработка ротора:
Ротор магнето теперь должен устанавливается лицевой стороной вовнутрь, на ту же шпонку.
Это поворачивает его на 90 градусов от штатного положения. Сравните
картинку выше и картинку ниже. Они обе прорисованы для одного положения
коленвала. На верхней — перевернутый ротор, на нижней — ротор в штатном
положении.
Но при этом нужно учесть, следующий момент.
Довольно часто встречаются ротора намагниченные с разным
расположением магнитных полюсов относительно шпоночного паза. Это
делалось потому, что контактной системе зажигания безразлично, какова
полярность полюсов у ротора.
В разработанной системе, как основной используется ротор с такой полярностью:
Это схема положения ротора в контактной СЗ! 
Здесь:
Мотор — в ВМТ, в этот момент «правильный» ротор — ЮЖНЫМ полюсом (S) —
справа от шпонки, начинает входить в нижний полюс сердечника катушки;
Если же у вас не маркированный ротор, то воспользуйтесь компасом или маркированным магнитом.
Все помним, что полюса одной полярности отталкиваются, разной — притягиваются. Пометьте полюса ротора маркером.
Имея «правильный» ротор система не требует более никаких доработок.
Если же ротор с «неправильной» ориентацией полюсов использовать с этой
схемой, то момент образования искры развернется на 180º и будет
происходить перед НМТ. Тогда мотор просто не заведется.
Менять местами выводы катушки бессмысленно — это другая система, здесь так просто не получится!
В том случае, если у вас «неправильный» ротор, имеется несколько вариантов исправления:
– намотать катушку генератора в противоположном направлении.
– пропилить новый шпоночный паз, строго напротив штатного. Это позволит развернуть магнит на 180º
Изготовление
паза требует аккуратности и точности исполнения – если ротор будет
«болтаться» на шпонке, его быстро разобьет, а параметры системы будут
нестабильны.
– проще всего было бы заменить ротор на подходящий, по полюсовке, для этой схемы. Деталь недорогая и продается свободно.
=======================================
ЗАМЕЧАНИЕ.
ОБЯЗАТЕЛЬНО необходимо контролировать параметры тиристоров 201 и, очень
желательно – диодов 202. Они имеют большой разброс параметров открытия,
а при температуре выше 40ºС могут начать пропускать ток, который должны
удерживать!.
Их нужно испытывать. Нужно собрать цепь — источник питания с лампой, подать напряжение, и греть деталь паяльником.
Тиристоры 201 с буквой А работают стабильнее чем с буквой Н.
Если напряжение для открытия тиристора на управляющем электроде больше 5В, то его ставить нельзя! Схема будет работать не стабильно или совсем не будет – на холостых и малых оборотах.
Открытие диода 202 должно происходить не ниже 1В.
moped-mokik.ucoz.ru
Электронное зажигание для Д6 — Электрооборудывание — Каталог статей
В настоящее время в эксплуатации находится немалое количество моторов серии Д5-Д8,оборудованных электромеханической контактной системой зажигания.Однако контактные системы зажигания подвержены износу, и неизбежно наступает момент, когда запуск становится очень затруднённым, а работа мотора — ненадёжной. Из-за того, что изношены, как правило, большинство деталей магнето устанавливают тракторное магнето. Не буду перечислять недостатки установки тракторного магнето(и его последующей работы), это не есть задачей этой статьи, а раскажу о том как сделать электронное зажигание( далее по тексту ЭЗ) для двигателей Д6-Д8.
Электронное зажигание состоит из двух блоков — энергетического и электронного коммутатора (рис. 1). Энергетический блок смонтирован на основании магнето и состоит из сердечника, на котором расположена зарядная катушка , управляющая катушка выполнена таким образом что устанавливается вместо штатного прерывателя.
<>РИС.1.
Принципиальная электрическая схема электронного зажигания (рис. 2) практически не отличается от рассмотренной в журнале «За рулем» № 7 за 1986 год схемы серийного ЭЗ с БКС251.3734 (который имеет еще и стабилизатор), поэтому не привожу описания принципа ее работы. Также можно использовать электронный блок КЕТ-1 которые стоят на «Минсках» и «Восходах». (Рекомендую применять гораздо более надёжный симистор ВТ138-800 (на 800 вольт), либо более высоковольтные той же серии и диоды КД226Д).
<>РИС.2.
Управляющую катушку нужно сделать по размерам (рис.3) из текстолита или гетинакса подходящей толщины (желательно склеить супер-клеем ). Высота управляющей катушки должна быть 15мм.В средину вставляется сердечник из листов трансформаторной стали (можно использовать из пришедшего в негодность трансформатора). Зарядная катушка наматывается проводом ПЭВ-2 диаметром 0,12 мм и имеет 5000-6000 витков, причем через каждые 1200 витков прокладывается изоляционная бумага или лакоткань. Управляющая катушка (датчик) наматывается этим же проводом и имеет 1500-1800 витков. С зарядной и управляющей катушек нужно сделать по два вывода(не садить на массу) чтоб потом правильно соединить со схемой начала и концы катушек. (нужно чтоб «плюс» на зарядной катушке появился в НМТ, а на датчике во ВМТ ). Концы обмоток соединяются вместе и подключаются к массе мотора.
<>РИС.3.
В блоке коммутатора на плате из стеклотекстолита или гетинакса смонтированы все электронные компоненты- накопительный конденсатор, тиристор и диоды. Блок размещен в пластмассовой коробке подходящих размеров и закреплен на раме.
Наиболее высокие показатели ЭЗ, в том числе и по надежности, были получены при эксплуатации в качестве высоковольтных трансформаторов типа Б300Б или 2102.3705 от мотоциклов.
Управление искрообразованием в ЭЗ осуществляется магнитом, а не кулачком и прерывателем магнето. Необходимый угол опережения зажигания при установке ЭЗ достигают перемещением датчика в пазах вверх-вниз (в этом положении примерно и находится оптимальный угол опережения — прямопропорционально зависит от количества витков датчика). То есть наивыгоднейший угол устанавливается по максимальной частоте вращения коленчатого вала — можно определить на слух и по максимальной скорости мопеда. При появлении признаков калильного зажигания (падения числа оборотов, перегрева свечи) следует уменьшить угол опережения зажигания.
В заключение надо сказать о том что после переделки зажигания на електронное двигатель начал пускаться без проблем(что свойственно серии Д..),может работать с зазором на свече 1.5мм и более. Особое внимание нужно обратить на подключение обеих катушек , при неправильном их подключении искра появится в НМТ или ее вообще не будет. Недостатком этой системы является то что крышка магнето без переделки упирается в датчик. Чтобы это ликвидировать можно выпилить лючок под датчик а сверху закрыть его по типу так как это сделано у мотоциклов или же под крышку сделать прокладку из доступного материала толщиной более 15мм.
moped-mokik.ucoz.ru
|
| |||||||||||||||||||||||||||||||||||||||||||||||||||||||||||||||||||||||||||||||||||||||||||||||||||||||||||||||||||||||||||||||||||||||||||||||||||||||||||||||||||||||||||||||||||||||||||||||||||||||||||||||||||||||||||||||||||||||||||||||||||||||||||||||||||||||||||||||||||||||||||||||||||||||||||
funer.ru




















