ΡΡ Π΅ΠΌΠ°, ΠΎΡΠ΅ΡΠ΅Π΄Π½ΠΎΡΡΡ ΠΈ ΠΏΠΎΡΠ»Π΅Π΄ΠΎΠ²Π°ΡΠ΅Π»ΡΠ½ΠΎΡΡΡ Π΄Π΅ΠΉΡΡΠ²ΠΈΠΉ
ΠΡΠΎΠΊΠ°ΡΠΊΠ° ΡΠΎΡΠΌΠΎΠ·ΠΎΠ² β ΡΡΠΎ ΠΎΠΏΠ΅ΡΠ°ΡΠΈΡ ΡΠ΄Π°Π»Π΅Π½ΠΈΡ Π²ΠΎΠ·Π΄ΡΡ Π° ΠΈΠ· ΡΠΎΡΠΌΠΎΠ·Π½ΠΎΠΉ ΡΠΈΡΡΠ΅ΠΌΡ. Π’Π°ΠΊ ΠΊΠ°ΠΊ ΠΆΠΈΠ΄ΠΊΠΎΡΡΡ Π½Π΅ ΡΠΆΠΈΠΌΠ°Π΅ΡΡΡ, ΡΠΎ Π½Π°ΠΆΠ°ΡΠΈΠ΅ Π½Π° ΡΡΡΠ°Π³ ΡΠΎΡΠΌΠΎΠ·Π° ΠΏΠ΅ΡΠ΅Π΄Π°Π΅Ρ ΡΡΠΈΠ»ΠΈΠ΅ Π½Π° ΡΠΎΡΠΌΠΎΠ·Π° ΠΌΠ³Π½ΠΎΠ²Π΅Π½Π½ΠΎ ΠΈ ΡΠ°Π²Π½ΠΎΠΌΠ΅ΡΠ½ΠΎ.
ΠΡΠ»ΠΈ Π±ΡΠ΄Π΅Ρ Π²ΠΎΠ·Π΄ΡΡ Π² Π³ΠΈΠ΄ΡΠΎΡΠΈΡΡΠ΅ΠΌΠ΅, ΡΠΎ Π²ΠΎΠ·ΠΌΠΎΠΆΠ½ΠΎ:
- ΠΠ΅Π΄Π»Π΅Π½Π½ΠΎΠ΅ ΡΡΠ°Π±Π°ΡΡΠ²Π°Π½ΠΈΠ΅. ΠΠ°Π΄Π΅ΡΠΆΠΊΠ° ΠΎΡ ΠΌΠΎΠΌΠ΅Π½ΡΠ° Π½Π°ΠΆΠ°ΡΠΈΡ Π½Π° ΠΏΠ΅Π΄Π°Π»Ρ ΠΈ ΡΡΠ°Π±Π°ΡΡΠ²Π°Π½ΠΈΡ ΡΡΠΏΠΏΠΎΡΡΠ°.
- ΠΠΎΠ»ΡΡΠΎΠ΅ ΡΠΎΠΏΡΠΎΡΠΈΠ²Π»Π΅Π½ΠΈΠ΅ Π½ΠΎΠ³Π΅ Π²Π½Π°ΡΠ°Π»Π΅ ΠΈ ΡΠ΅Π·ΠΊΠΎΠ΅ ΠΏΡΠΎΠ²Π°Π»ΠΈΠ²Π°Π½ΠΈΠ΅ ΠΏΠ΅Π΄Π°Π»ΠΈ Π² ΠΊΠΎΠ½ΡΠ΅. ΠΡΡΠ΅ΡΡΠ²Π΅Π½Π½ΠΎ, Π΅ΡΠ»ΠΈ Π½Π΅Ρ ΡΡΠΈΠ»ΠΈΡ Π½Π° ΠΏΠ΅Π΄Π°Π»ΠΈ, ΡΠΎ Π½Π΅Ρ ΡΡΠΈΠ»ΠΈΠ΅ Π½Π° ΡΡΠΏΠΏΠΎΡΡΠ΅. Π’ΠΎΡΠΌΠΎΠ·Π° Β«ΠΏΡΠΎΠ²Π°Π»ΠΈΠ²Π°ΡΡΡΡΒ»
- ΠΠΎΠ»Π΅ΡΠ° Π±ΡΠ΄ΡΡ ΡΡ Π²Π°ΡΡΠ²Π°ΡΡΡΡ Π½Π΅ΡΠ°Π²Π½ΠΎΠΌΠ΅ΡΠ½ΠΎ (Π³Π΄Π΅ Π²ΠΎΠ·Π΄ΡΡ β ΡΠ°ΠΌ ΠΌΠ΅Π½ΡΡΠ΅ ΡΡΠΈΠ»ΠΈΠ΅). ΠΡΠΈ ΡΠΊΡΡΡΠ΅Π½Π½ΠΎΠΌ ΡΠΎΡΠΌΠΎΠΆΠ΅Π½ΠΈΠΈ Π½Π° ΡΠΊΠΎΠ»ΡΠ·ΠΊΠΎΠΉ Π΄ΠΎΡΠΎΠ³Π΅ ΠΌΠ°ΡΠΈΠ½Ρ Π·Π°Π½Π΅ΡΠ΅Ρ.
- ΠΠΎΠ·Π΄ΡΡ Π² ΡΠΈΡΡΠ΅ΠΌΠ΅ Π·Π½Π°ΡΠΈΡΠ΅Π»ΡΠ½ΠΎ ΡΠ²Π΅Π»ΠΈΡΠΈΠ²Π°Π΅Ρ ΡΠΎΡΠΌΠΎΠ·Π½ΠΎΠΉ ΠΏΡΡΡ.
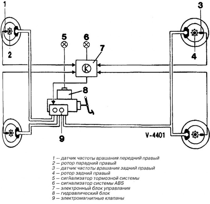
ΠΠ½Π΅ΡΠ½ΠΈΠΉ Π²ΠΈΠ΄ ΡΠΎΡΠΌΠΎΠ·Π½ΠΎΠΉ ΡΠΈΡΡΠ΅ΠΌΡ ΠΠΈΠ²Π° Π¨Π΅Π²ΡΠΎΠ»Π΅
Π‘ΠΎΠ΄Π΅ΡΠΆΠ°Π½ΠΈΠ΅ ΡΡΠ°ΡΡΠΈ:
- 1 ΠΠΎΠ³Π΄Π° Π½ΡΠΆΠ½ΠΎ Π²ΡΠΏΠΎΠ»Π½ΡΡΡ ΠΏΡΠΎΠΊΠ°ΡΠΊΡ ΡΠΎΡΠΌΠΎΠ·Π½ΠΎΠΉ ΡΠΈΡΡΠ΅ΠΌΡ
- 2 ΠΠ½ΡΡΡΡΠΌΠ΅Π½ΡΡ ΠΈ ΠΌΠ°ΡΠ΅ΡΠΈΠ°Π»Ρ Π΄Π»Ρ ΡΠ°Π±ΠΎΡΡ
- 3 Π‘Ρ Π΅ΠΌΠ° ΠΏΡΠΎΠΊΠ°ΡΠΈΠ²Π°Π½ΠΈΡ ΠΊΠΎΠ½ΡΡΡΠΎΠ²
- 4 ΠΠΎΡΠ°Π³ΠΎΠ²Π°Ρ ΠΈΠ½ΡΡΡΡΠΊΡΠΈΡ
- 5 ΠΡΠΎΠΊΠ°ΡΠΊΠ° ΠΎΠ΄Π½ΠΎΠΌΡ
- 6 ΠΡΠΎΠ±Π΅Π½Π½ΠΎΡΡΠΈ ΠΏΡΠΎΠΊΠ°ΡΠΊΠΈ ΡΠΎΡΠΌΠΎΠ·ΠΎΠ² Ρ ΠΠΠ‘
- 7 ΠΠΎΠ»Π΅Π·Π½ΠΎΠ΅ Π²ΠΈΠ΄Π΅ΠΎ
ΠΠΎΠ³Π΄Π° Π½ΡΠΆΠ½ΠΎ Π²ΡΠΏΠΎΠ»Π½ΡΡΡ ΠΏΡΠΎΠΊΠ°ΡΠΊΡ ΡΠΎΡΠΌΠΎΠ·Π½ΠΎΠΉ ΡΠΈΡΡΠ΅ΠΌΡ
Π’ΡΠ΅Π±ΡΠ΅ΡΡΡ ΠΏΡΠΎΠΊΠ°ΡΠΈΠ²Π°ΡΡ ΡΠΎΡΠΌΠΎΠ·Π° Π² ΡΠ»Π΅Π΄ΡΡΡΠΈΡ ΡΠ»ΡΡΠ°ΡΡ :
- ΠΠ°ΠΌΠ΅Π½Π° ΡΠΎΡΠΌΠΎΠ·Π½ΠΎΠΉ ΠΆΠΈΠ΄ΠΊΠΎΡΡΠΈ (ΡΠΎ Π²ΡΠ΅ΠΌΠ΅Π½Π΅ΠΌ Π² Π½Π΅ΠΉ ΠΏΠΎΡΠ²Π»ΡΠ΅ΡΡΡ Π²ΠΎΠ΄Π°) ΠΏΠΎΡΠ»Π΅ ΠΏΡΠΎΠ±Π΅Π³Π° Π² 50-60 ΡΡΡΡΡ ΠΊΠΌ ΠΈΠ»ΠΈ ΡΠ°Π· Π² 2 Π³ΠΎΠ΄Π°.

- ΠΠ°ΠΌΠ΅Π½Π° ΡΠ»Π΅ΠΌΠ΅Π½ΡΠΎΠ² ΡΠΎΡΠΌΠΎΠ·Π½ΠΎΠΉ ΡΠΈΡΡΠ΅ΠΌΡ.
- Π ΡΠ»ΡΡΠ°Π΅ ΠΏΠΎΡΠ΅ΡΠΈ Π³Π΅ΡΠΌΠ΅ΡΠΈΡΠ½ΠΎΡΡΠΈ ΠΈΠ·-Π·Π° ΠΌΠ΅Ρ Π°Π½ΠΈΡΠ΅ΡΠΊΠΎΠ³ΠΎ ΠΏΠΎΠ²ΡΠ΅ΠΆΠ΄Π΅Π½ΠΈΡ Π΅Π΅ ΡΠ°ΡΡΠ΅ΠΉ.
- Π£ΡΠ΅ΡΠΊΠ° ΡΠΎΡΠΌΠΎΠ·Π½ΠΎΠΉ ΠΆΠΈΠ΄ΠΊΠΎΡΡΠΈ (Π’Π) ΠΈ ΠΏΠ°Π΄Π΅Π½ΠΈΠ΅ ΡΡΠΎΠ²Π½Ρ Π² ΡΠ°ΡΡΠΈΡΠΈΡΠ΅Π»ΡΠ½ΠΎΠΌ Π±Π°ΡΠΊΠ΅ Π½ΠΈΠΆΠ΅ ΠΌΠΈΠ½ΠΈΠΌΠ°Π»ΡΠ½ΠΎ ΡΠ°Π·ΡΠ΅ΡΠ΅Π½Π½ΠΎΠ³ΠΎ.
- ΠΠΎΡΠ»Π΅ ΡΡΡΠ°Π½ΠΎΠ²ΠΊΠΈ Π½ΠΎΠ²ΡΡ ΡΠΎΡΠΌΠΎΠ·Π½ΡΡ ΠΊΠΎΠ»ΠΎΠ΄ΠΎΠΊ ΡΡΠΎΠ±Ρ Π²Π΅ΡΠ½ΡΡΡ ΡΡΠΎΠΊΠΈ ΡΠΈΠ»ΠΈΠ½Π΄ΡΠΎΠ² Π² ΡΠ°Π±ΠΎΡΠ΅Π΅ ΠΏΠΎΠ»ΠΎΠΆΠ΅Π½ΠΈΠ΅ ΠΏΠΎΡΠ»Π΅ ΡΠΎΠ³ΠΎ ΠΊΠ°ΠΊ ΠΎΠ½ΠΈ Π±ΡΠ»ΠΈ ΡΠ°Π·Π²Π΅Π΄Π΅Π½Ρ Π΄Π»Ρ Π΄Π΅ΠΌΠΎΠ½ΡΠ°ΠΆΠ° ΠΊΠΎΠ»ΠΎΠ΄ΠΎΠΊ.
ΠΠ½ΡΡΡΡΠΌΠ΅Π½ΡΡ ΠΈ ΠΌΠ°ΡΠ΅ΡΠΈΠ°Π»Ρ Π΄Π»Ρ ΡΠ°Π±ΠΎΡΡ
ΠΠ»Ρ ΠΏΡΠΎΠ²Π΅Π΄Π΅Π½ΠΈΡ ΠΏΠΎΡΡΠ΅Π±ΡΡΡΡΡ:
- Π½ΠΎΠ²Π°Ρ ΡΠΎΡΠΌΠΎΠ·Π½Π°Ρ ΠΆΠΈΠ΄ΠΊΠΎΡΡΡ DOT 4;
- Π½Π°Π±ΠΎΡ Π³Π°Π΅ΡΠ½ΡΡ ΠΊΠ»ΡΡΠ΅ΠΉ;
- ΠΏΡΠΎΠ·ΡΠ°ΡΠ½Π°Ρ ΡΡΡΠ±ΠΊΠ° Ρ Π΄ΠΈΠ°ΠΌΠ΅ΡΡΠΎΠΌ, ΠΏΠΎΠ΄Ρ ΠΎΠ΄ΡΡΠΈΠΌ Π΄Π»Ρ ΠΎΠ΄Π΅Π²Π°Π½ΠΈΡ Π½Π° ΡΡΡΡΠ΅Ρ;
- Π΅ΠΌΠΊΠΎΡΡΡ, Π² ΠΊΠΎΡΠΎΡΡΡ Π±ΡΠ΄Π΅Ρ ΡΡΠ΅ΠΊΠ°ΡΡ Π’Π;
- ΡΠ΅ΡΠΊΠ° Π΄Π»Ρ ΠΎΡΠΈΡΡΠΊΠΈ ΡΡΡΡΠ΅ΡΠ° ΠΎΡ Π³ΡΡΠ·ΠΈ;
- ΡΠΌΠ°Π·ΠΊΠ° Π΄Π»Ρ ΡΠ΅Π·ΡΠ±ΠΎΠ²ΡΡ ΡΠΎΠ΅Π΄ΠΈΠ½Π΅Π½ΠΈΠΉ.
ΠΡΠΎΠΌΠ΅ ΠΌΠ°ΡΠ΅ΡΠΈΠ°Π»ΠΎΠ² ΠΈ ΠΈΠ½ΡΡΡΡΠΌΠ΅Π½ΡΠ° ΠΏΠΎΠ½Π°Π΄ΠΎΠ±ΠΈΡΡΡ Π½Π°ΠΏΠ°ΡΠ½ΠΈΠΊ. ΠΠ½ Π±ΡΠ΄Π΅Ρ Π²ΡΠΏΠΎΠ»Π½ΡΡΡ ΠΊΠΎΠΌΠ°Π½Π΄Ρ ΡΠΈΠ΄Ρ Π½Π° Π²ΠΎΠ΄ΠΈΡΠ΅Π»ΡΡΠΊΠΎΠΌ ΠΊΡΠ΅ΡΠ»Π΅.
Π‘Ρ Π΅ΠΌΠ° ΠΏΡΠΎΠΊΠ°ΡΠΈΠ²Π°Π½ΠΈΡ ΠΊΠΎΠ½ΡΡΡΠΎΠ²
ΠΠ° Π°Π²ΡΠΎΠΌΠΎΠ±ΠΈΠ»Π΅ ΠΠΈΠ²Π° Π¨Π΅Π²ΡΠΎΠ»Π΅ Π΄Π²Π° ΠΎΠ΄ΠΈΠ½Π°ΠΊΠΎΠ²ΡΡ
ΠΊΠΎΠ½ΡΡΡΠ° ΡΠΎΡΠΌΠΎΠ·Π½ΡΡ
ΡΠΈΡΡΠ΅ΠΌ Π΄Π»Ρ ΠΎΠ±Π΅ΡΠΏΠ΅ΡΠ΅Π½ΠΈΡ Π±Π΅Π·ΠΎΠΏΠ°ΡΠ½ΠΎΡΡΠΈ Π² ΡΠ»ΡΡΠ°Π΅ ΡΠ°Π·Π³Π΅ΡΠΌΠ΅ΡΠΈΠ·Π°ΡΠΈΠΈ ΠΎΠ΄Π½ΠΎΠ³ΠΎ ΠΈΠ· Π½ΠΈΡ
.
ΠΠ΄ΠΈΠ½ ΠΊΠΎΠ½ΡΡΡ ΡΠΎΡΡΠΎΠΈΡ ΠΈΠ· ΡΠ»Π΅ΠΌΠ΅Π½ΡΠΎΠ² ΡΠΎΡΠΌΠΎΠ·Π½ΠΎΠΉ ΡΠΈΡΡΠ΅ΠΌΡ ΡΠ°ΡΠΏΠΎΠ»ΠΎΠΆΠ΅Π½Π½ΡΡ Π΄ΠΈΠ°Π³ΠΎΠ½Π°Π»ΡΠ½ΠΎ Π·Π°Π΄Π½Π΅Π³ΠΎ ΠΏΡΠ°Π²ΠΎΠ³ΠΎ (ΠΠ) ΠΈ ΠΏΠ΅ΡΠ΅Π΄Π½Π΅Π³ΠΎ Π»Π΅Π²ΠΎΠ³ΠΎ (ΠΠ) ΠΊΠΎΠ»Π΅Ρ. ΠΡΡΠ³ΠΎΠΉ ΡΠΎΠΎΡΠ²Π΅ΡΡΡΠ²Π΅Π½Π½ΠΎ Π·Π°Π΄Π½Π΅Π³ΠΎ Π»Π΅Π²ΠΎΠ³ΠΎ (ΠΠ) ΠΈ ΠΏΠ΅ΡΠ΅Π΄Π½Π΅Π³ΠΎ ΠΏΡΠ°Π²ΠΎΠ³ΠΎ (ΠΠ). ΠΠΎΡΠ»Π΅Π΄ΠΎΠ²Π°ΡΠ΅Π»ΡΠ½ΠΎΡΡΡ ΡΠ°Π±ΠΎΡΡ ΠΏΠΎ ΠΏΡΠΎΠΊΠ°ΡΠΊΠ΅ Π±ΡΠ΄Π΅Ρ ΡΠ°ΠΊΠΎΠΉ: ΠΠ-ΠΠ-ΠΠ-ΠΠ.
ΠΠΎΡΠ»Π΅Π΄ΠΎΠ²Π°ΡΠ΅Π»ΡΠ½ΠΎΡΡΡ ΠΏΡΠΎΠΊΠ°ΡΠΈΠ²Π°Π½ΠΈΡ ΡΠΎΡΠΌΠΎΠ·ΠΎΠ²
Π‘ΠΏΠ΅ΡΠ΅Π΄ΠΈ Π½Π° ΠΠΈΠ²Π΅ Π¨Π΅Π²ΡΠΎΠ»Π΅ ΠΏΠΎ Π΄Π²Π° ΡΡΡΡΠ΅ΡΠ° Π½Π° ΠΊΠ°ΠΆΠ΄ΠΎΠΌ ΠΊΠΎΠ»Π΅ΡΠ΅. ΠΡΠΈ ΠΏΡΠΎΠΊΠ°ΡΠΊΠ΅ ΠΏΠ΅ΡΠ΅Π΄Π½ΠΈΡ ΠΌΠ΅Ρ Π°Π½ΠΈΠ·ΠΌΠΎΠ² ΡΠ½Π°ΡΠ°Π»Π° ΡΠ°Π±ΠΎΡΠ°ΠΉΡΠ΅ Ρ Π²Π΅ΡΡ Π½ΠΈΠΌ ΡΡΡΡΠ΅ΡΠΎΠΌ, Π° Π·Π°ΡΠ΅ΠΌ Ρ Π½ΠΈΠΆΠ½ΠΈΠΌ.
ΠΠΎΡΠ°Π³ΠΎΠ²Π°Ρ ΠΈΠ½ΡΡΡΡΠΊΡΠΈΡ
ΠΠ° Π°Π²ΡΠΎΠΌΠΎΠ±ΠΈΠ»ΡΡ ΠΠΈΠ²Π° Π¨Π΅Π²ΡΠΎΠ»Π΅ Π±Π΅Π· ΠΠΠ‘ Π½Π΅ΠΎΠ±Ρ ΠΎΠ΄ΠΈΠΌΠΎ Π½Π°Π³ΡΡΠ·ΠΈΡΡ Π·Π°Π΄Π½ΡΡ ΡΠ°ΡΡΡ Π°Π²ΡΠΎΠΌΠΎΠ±ΠΈΠ»Ρ ΠΈΠ»ΠΈ ΠΈΠΌΠΈΡΠΈΡΠΎΠ²Π°ΡΡ Π·Π°Π³ΡΡΠ·ΠΊΡ. ΠΠ»Ρ ΡΡΠΎΠ³ΠΎ Π΄ΠΎΡΡΠ°ΡΠΎΡΠ½ΠΎ Π²ΡΡΠ°Π²ΠΈΡΡ ΠΎΡΠ²Π΅ΡΡΠΊΡ ΠΌΠ΅ΠΆΠ΄Ρ ΠΏΡΠΈΠΆΠΈΠΌΠ½ΠΎΠΉ ΠΏΠ»Π°ΡΡΠΈΠ½ΠΎΠΉ ΠΈ ΡΡΠΎΠΊΠΎΠΌ ΡΠ΅Π³ΡΠ»ΡΡΠΎΡΠ° ΡΠΎΡΠΌΠΎΠ·Π½ΡΡ ΡΠΈΠ».
Π Π°Π±ΠΎΡΡ Π²ΡΠΏΠΎΠ»Π½ΡΡΡΡΡ Π½Π° ΡΠΌΠΎΡΡΠΎΠ²ΠΎΠΉ ΠΊΠ°Π½Π°Π²Π΅. ΠΠ°ΡΠΈΠ½Π°ΡΡ ΡΠΎΠ³Π»Π°ΡΠ½ΠΎ ΡΡ Π΅ΠΌΠ΅ Π½Π°Π΄ΠΎ Ρ Π·Π°Π΄Π½Π΅Π³ΠΎ ΠΏΡΠ°Π²ΠΎΠ³ΠΎ ΠΊΠΎΠ»Π΅ΡΠ°. ΠΠ»Ρ ΠΏΡΠΎΠΊΠ°ΡΠΊΠΈ Π²ΡΠΏΠΎΠ»Π½ΡΠ΅ΠΌ ΠΏΠΎΡΠ»Π΅Π΄ΠΎΠ²Π°ΡΠ΅Π»ΡΠ½ΠΎΡΡΡ ΠΎΠΏΠ΅ΡΠ°ΡΠΈΠΉ:
- Π‘Π½ΠΈΠΌΠ°Π΅ΠΌ ΠΏΡΠ»Π΅Π·Π°ΡΠΈΡΠ½ΡΠΉ ΠΊΠΎΠ»ΠΏΠ°ΡΠΎΠΊ.
Π‘Π½ΡΡΡ Π·Π°ΡΠΈΡΠ½ΡΠΉ ΠΊΠΎΠ»ΠΏΠ°ΡΠ΅ΠΊ
- Π‘ΠΌΠΎΡΠΈΠΌ ΡΡΡΡΠ΅Ρ Π°ΡΡΠΎΠ·ΠΎΠ»ΡΠ½ΠΎΠΉ ΡΠΌΠ°Π·ΠΊΠΎΠΉ, ΡΡΠΎΠ±Ρ Π½Π΅ ΠΈΡΠΏΠΎΡΡΠΈΡΡ ΡΡΡΡΠ΅Ρ.

- ΠΠ°ΠΊΠΈΠ΄Π½ΡΠΌ ΠΊΠ»ΡΡΠΎΠΌ Π·Π°ΡΡΠ½ΡΡΡ Π±ΠΎΠ»Ρ. ΠΠ°Π΄Π΅Π½Π΅ΠΌ ΡΡΡΠ±ΠΊΡ Π½Π° ΡΡΡΡΠ΅Ρ ΠΈ ΠΎΠΏΡΡΡΠΈΠΌ Π΅Ρ ΠΊΠΎΠ½Π΅Ρ Π² ΠΏΡΠΈΠ³ΠΎΡΠΎΠ²Π»Π΅Π½Π½ΡΡ Π΅ΠΌΠΊΠΎΡΡΡ.
ΠΠ°Π΄Π΅ΡΡ ΡΠ»Π°Π½Π³
- ΠΠ°Π΅ΠΌ ΠΊΠΎΠΌΠ°Π½Π΄Ρ Π½Π°ΠΏΠ°ΡΠ½ΠΈΠΊΡ 3-4 ΡΠ°Π·Π° Π½Π°ΠΆΠ°ΡΡ Π½Π° ΡΠΎΡΠΌΠΎΠ·. ΠΠΎΡΠ»Π΅Π΄Π½ΠΈΠΉ ΡΠ°Π· ΠΎΠ½ Π΄ΠΎΠ»ΠΆΠ΅Π½ ΡΠ΄Π΅ΡΠΆΠ°ΡΡ ΠΏΠ΅Π΄Π°Π»Ρ Π² Π½ΠΈΠΆΠ½Π΅ΠΌ ΠΏΠΎΠ»ΠΎΠΆΠ΅Π½ΠΈΠΈ.
- ΠΠ»ΡΡΠΎΠΌ Π½Π° 8 ΠΌΠΌ ΠΎΡΠ²Π΅ΡΠ½Π΅ΠΌ ΡΡΡΡΠ΅Ρ Π½Π° ΠΏΠΎΠ»ΠΎΠ²ΠΈΠ½Ρ ΠΈΠ»ΠΈ ΡΡΠΈ ΡΠ΅ΡΠ²Π΅ΡΡΠΈ ΠΎΠ±ΠΎΡΠΎΡΠ°. Π§Π΅ΡΠ΅Π· ΡΡΡΡΠ΅Ρ Π½Π°ΡΠ½Π΅Ρ Π²ΡΡΠ΅ΠΊΠ°ΡΡ Π’Π ΠΈ Π²ΠΎΠ·ΠΌΠΎΠΆΠ½ΠΎ ΠΏΠΎΡΠ²ΡΡΡΡ ΠΏΡΠ·ΡΡΡΠΊΠΈ Π²ΠΎΠ·Π΄ΡΡ Π°. Π ΠΏΡΠΎΡΠ΅ΡΡΠ΅ ΠΏΠ΅Π΄Π°Π»Ρ ΡΠΎΡΠΌΠΎΠ·Π° Π΄ΠΎΠ»ΠΆΠ½Π° ΠΏΠ»Π°Π²Π½ΠΎ ΠΎΠΏΡΡΡΠΈΡΡΡΡ Π΄ΠΎ ΡΠ°ΠΌΠΎΠ³ΠΎ ΠΏΠΎΠ»Π°.
- ΠΠ°ΠΊΡΡΡΠΈΠΌ ΡΡΡΡΠ΅Ρ Π½Π° ΠΌΠ΅ΡΡΠΎ ΠΈ Π΄Π°Π΄ΠΈΠΌ ΠΊΠΎΠΌΠ°Π½Π΄Ρ Π½Π°ΠΏΠ°ΡΠ½ΠΈΠΊΡ ΠΎΡΠΏΡΡΡΠΈΡΡ ΠΏΠ΅Π΄Π°Π»Ρ.
- ΠΠ΄Π΅Π½Π΅ΠΌ Π·Π°ΡΠΈΡΠ½ΡΠΉ ΠΊΠΎΠ»ΠΏΠ°ΡΠΎΠΊ.
ΠΠ΅ΡΠ΅Ρ ΠΎΠ΄ΠΈΠΌ ΠΊ Π΄ΡΡΠ³ΠΎΠΌΡ ΠΊΠΎΠ»Π΅ΡΡ (ΠΠ) ΠΏΠ΅ΡΠ²ΠΎΠ³ΠΎ ΠΊΠΎΠ½ΡΡΡΠ°. ΠΠ°Π»Π΅Π΅ ΠΏΠ΅ΡΠ΅Ρ ΠΎΠ΄ΠΈΠΌ ΠΊ ΠΎΠ±ΡΠ»ΡΠΆΠΈΠ²Π°Π½ΠΈΡ Π²ΡΠΎΡΠΎΠ³ΠΎ ΠΊΠΎΠ½ΡΡΡΠ°: Π·Π°Π΄Π½Π΅Π΅ Π»Π΅Π²ΠΎΠ΅ ΠΈ ΠΏΠ΅ΡΠ΅Π΄Π½Π΅Π΅ ΠΏΡΠ°Π²ΠΎΠ΅.
ΠΡΠΈ ΠΏΡΠΎΠΊΠ°ΡΠΊΠ΅ ΠΎΠ±ΡΠ·Π°ΡΠ΅Π»ΡΠ½ΠΎ ΡΠ»Π΅Π΄ΡΠ΅Ρ ΡΠ»Π΅Π΄ΠΈΡΡ Π·Π° ΡΡΠΎΠ²Π½Π΅ΠΌ ΡΠΎΡΠΌΠΎΠ·Π½ΠΎΠΉ ΠΆΠΈΠ΄ΠΊΠΎΡΡΠΈ Π² ΡΠ°ΡΡΠΈΡΠΈΡΠ΅Π»ΡΠ½ΠΎΠΌ Π±Π°ΡΠΊΠ΅ ΠΈ Π²ΠΎΠ²ΡΠ΅ΠΌΡ ΠΏΠΎΠ΄Π»ΠΈΠ²Π°ΡΡ ΡΠ²Π΅ΠΆΠ΅ΠΉ.
ΠΡΠΎΠΊΠ°ΡΠΊΠ° ΠΎΠ΄Π½ΠΎΠΌΡ
ΠΠ»Ρ ΠΏΡΠΎΠΊΠ°ΡΠΈΠ²Π°Π½ΠΈΡ ΡΠΎΡΠΌΠΎΠ·ΠΎΠ² Π² ΠΎΠ΄ΠΈΠ½ΠΎΡΠΊΡ ΡΡΡΠ΅ΡΡΠ²ΡΠ΅Ρ ΡΠΏΠ΅ΡΠΈΠ°Π»ΡΠ½ΠΎΠ΅ ΠΏΡΠΈΡΠΏΠΎΡΠΎΠ±Π»Π΅Π½ΠΈΠ΅ β Π°ΡΡΠ°ΡΠΎΡ.
Π‘Π°ΠΌΡΠΉ ΠΏΡΠΎΡΡΠΎΠΉ ΡΠΎΡΡΠΎΠΈΡ ΠΈΠ· ΠΊΡΡΡΠΊΠΈ, ΠΊΠΎΡΠΎΡΠ°Ρ Π½Π°ΠΊΡΡΡΠΈΠ²Π°Π΅ΡΡΡ Π½Π° Π±Π°ΡΠΎΠΊ Π³Π»Π°Π²Π½ΠΎΠ³ΠΎ ΡΠΈΠ»ΠΈΠ½Π΄ΡΠ°, ΠΈ ΡΠ»Π°Π½Π³Π° Ρ Π½Π°ΠΊΠΎΠ½Π΅ΡΠ½ΠΈΠΊΠΎΠΌ Π΄Π»Ρ ΡΠΎΠ΅Π΄ΠΈΠ½Π΅Π½ΠΈΡ Ρ ΠΊΠΎΠ»Π΅ΡΠΎΠΌ.
ΠΡΡΠ°ΡΠΎΡ Π΄Π»Ρ ΠΏΡΠΎΠΊΠ°ΡΠΊΠΈ ΡΠΎΡΠΌΠΎΠ·ΠΎΠ² Π² ΠΎΠ΄ΠΈΠ½ΠΎΡΠΊΡ
ΠΠΎΠ·Π΄ΡΡ ΠΈΠ· Π½Π°ΠΊΠ°ΡΠ΅Π½Π½ΠΎΠ³ΠΎ ΠΊΠΎΠ»Π΅ΡΠ° ΡΠΎΠ·Π΄Π°Π΅Ρ Π΄Π°Π²Π»Π΅Π½ΠΈΠ΅, ΠΊΠΎΡΠΎΡΠΎΠ΅ Π±ΡΠ΄Π΅Ρ ΠΈΠΌΠΈΡΠΈΡΠΎΠ²Π°ΡΡ Π½Π°ΠΆΠ°ΡΠΈΠ΅ Π½Π° ΠΏΠ΅Π΄Π°Π»Ρ ΡΠΎΡΠΌΠΎΠ·Π°.
ΠΠΎΡΠ»Π΅Π΄ΠΎΠ²Π°ΡΠ΅Π»ΡΠ½ΠΎΡΡΡ Π΄Π°Π»ΡΠ½Π΅ΠΉΡΠΈΡ ΠΎΠΏΠ΅ΡΠ°ΡΠΈΠΉ Π½Π΅ ΠΎΡΠ»ΠΈΡΠ°Π΅ΡΡΡ ΠΎΡ Π΄Π΅ΠΉΡΡΠ²ΠΈΠΉ Ρ Π½Π°ΠΏΠ°ΡΠ½ΠΈΠΊΠΎΠΌ.
ΠΡΠΎΠ±Π΅Π½Π½ΠΎΡΡΠΈ ΠΏΡΠΎΠΊΠ°ΡΠΊΠΈ ΡΠΎΡΠΌΠΎΠ·ΠΎΠ² Ρ ΠΠΠ‘
ΠΠ° Π°Π²ΡΠΎΠΌΠΎΠ±ΠΈΠ»ΡΡ ΠΠΈΠ²Π° Π¨Π΅Π²ΡΠΎΠ»Π΅ Ρ ΡΡΡΠ°Π½ΠΎΠ²Π»Π΅Π½Π½ΠΎΠΉ ΠΠΠ‘ ΠΏΡΠΎΠΊΠ°ΡΠ°ΡΡ ΡΠΎΡΠΌΠΎΠ·Π° Ρ ΠΏΠΎΠΌΠΎΡΡΡ Π²ΠΊΠ»ΡΡΠ΅Π½ΠΈΡ Π½Π°ΡΠΎΡΠ° Π½Π΅ ΠΏΠΎΠ»ΡΡΠΈΡΡΡ. ΠΡΠΈ Π²ΠΊΠ»ΡΡΠ΅Π½ΠΈΠΈ Π·Π°ΠΆΠΈΠ³Π°Π½ΠΈΡ ΠΎΠ½ Π½Π΅ Π·Π°ΠΏΡΡΠΊΠ°Π΅ΡΡΡ. ΠΠΎΡΡΠΎΠΌΡ Π²Π΅ΡΡ ΠΏΡΠΎΡΠ΅ΡΡ ΠΏΠΎΠ»Π½ΠΎΡΡΡΡ ΠΈΠ΄Π΅Π½ΡΠΈΡΠ΅Π½ Ρ ΠΌΠ°ΡΠΈΠ½Π°ΠΌΠΈ Π±Π΅Π· ΠΠΠ‘.
Π ΡΠ΅Π΄ΠΊΠΈΡ ΡΠ»ΡΡΠ°ΡΡ ΠΌΠΎΠΆΠ½ΠΎ ΡΡΠΎΠ»ΠΊΠ½ΡΡΡΡΡ Ρ ΡΠΈΡΡΠ°ΡΠΈΠ΅ΠΉ ΠΊΠΎΠ³Π΄Π° ΠΏΡΠΈ Π½Π°ΠΆΠ°ΡΠΈΠΈ Π½Π° ΠΏΠ΅Π΄Π°Π»Ρ ΡΠΎΡΠΌΠΎΠ·Π½Π°Ρ ΠΆΠΈΠ΄ΠΊΠΎΡΡΡ Π½Π΅ Π²ΡΡΠ΅ΠΊΠ°Π΅Ρ ΡΠ΅ΡΠ΅Π· ΠΎΡΠ»Π°Π±Π»Π΅Π½Π½ΡΠΉ ΡΡΡΡΠ΅Ρ.
ΠΡΠΎ ΡΠ²ΡΠ·Π°Π½ΠΎ Ρ ΡΠ΅ΠΌ, ΡΡΠΎ ΠΊΠ»Π°ΠΏΠ°Π½Π° Π² ΡΠΈΡΡΠ΅ΠΌΠ΅ ΠΠΠ‘ Π½Π°Ρ ΠΎΠ΄ΡΡΡΡ Π² Π·Π°ΠΊΡΡΡΠΎΠΌ ΠΏΠΎΠ»ΠΎΠΆΠ΅Π½ΠΈΠΈ.
Π ΡΠ°ΠΊΠΎΠΉ ΡΠΈΡΡΠ°ΡΠΈΠΈ ΠΏΠΎΡΡΠ΅Π±ΡΠ΅ΡΡΡ ΠΏΠΎΠ΄ΠΊΠ»ΡΡΠ΅Π½ΠΈΠ΅ Π΄ΠΈΠ°Π³Π½ΠΎΡΡΠΈΡΠ΅ΡΠΊΠΎΠ³ΠΎ ΡΠΊΠ°Π½Π΅ΡΠ° Ρ ΡΡΡΠ°Π½ΠΎΠ²Π»Π΅Π½Π½ΠΎΠΉ ΡΠΏΠ΅ΡΠΈΠ°Π»ΠΈΠ·ΠΈΡΠΎΠ²Π°Π½Π½ΠΎΠΉ ΠΏΡΠΎΠ³ΡΠ°ΠΌΠΌΠΎΠΉ. ΠΠ»Ρ ΡΡΠΎΠ³ΠΎ ΡΠ΅ΠΊΠΎΠΌΠ΅Π½Π΄ΡΠ΅ΠΌ ΠΎΠ±ΡΠ°ΡΠΈΡΡΡΡ Π² ΡΠ΅ΡΡΠΈΡΠΈΡΠΈΡΠΎΠ²Π°Π½Π½ΡΠΉ ΡΠ΅ΡΠ²ΠΈΡ ΠΏΠΎ ΠΎΠ±ΡΠ»ΡΠΆΠΈΠ²Π°Π½ΠΈΡ Π°Π²ΡΠΎΠΌΠΎΠ±ΠΈΠ»Π΅ΠΉ ΠΠΈΠ²Π° Π¨Π΅Π²ΡΠΎΠ»Π΅.
ΠΡΠΎΠΊΠ°ΡΠ°ΡΡ ΡΠΎΡΠΌΠΎΠ·Π° Π½Π° ΠΠΈΠ²Π΅ Π¨Π΅Π²ΡΠΎΠ»Π΅ Π½Π΅ ΡΠ»ΠΈΡΠΊΠΎΠΌ ΡΠ»ΠΎΠΆΠ½ΠΎ ΠΏΡΠΈ Π½Π°Π»ΠΈΡΠΈΠΈ ΠΏΠΎΠΌΠΎΡΠ½ΠΈΠΊΠ° ΠΈ Π½Π΅ΠΊΠΎΡΠΎΡΠΎΠΉ ΡΠ½ΠΎΡΠΎΠ²ΠΊΠΈ. Π ΠΏΡΠΎΠ΄Π°ΠΆΠ΅ ΡΡΡΠ΅ΡΡΠ²ΡΡΡ Π½Π°Π±ΠΎΡΡ Π²ΠΊΠ»ΡΡΠ°ΡΡΠΈΠ΅ Π²ΡΠ΅ Π΄Π»Ρ Π·Π°ΠΌΠ΅Π½Ρ Π’Π ΠΈ ΠΎΠ±Π»Π΅Π³ΡΠ°ΡΡΠΈΠ΅ Π²ΡΠΏΠΎΠ»Π½Π΅Π½ΠΈΠ΅ ΠΎΠΏΠ΅ΡΠ°ΡΠΈΠΈ.
ΠΡΠΈ ΡΠ°Π±ΠΎΡΠ΅ Ρ Π’Π ΠΏΠΎΠΌΠ½ΠΈΡΠ΅ ΠΎ ΡΠΎΠ±Π»ΡΠ΄Π΅Π½ΠΈΠΈ ΠΏΡΠ°Π²ΠΈΠ» ΡΠ΅Ρ Π½ΠΈΠΊΠΈ Π±Π΅Π·ΠΎΠΏΠ°ΡΠ½ΠΎΡΡΠΈ β ΡΡΠΎ Ρ ΠΈΠΌΠΈΡΠ΅ΡΠΊΠΈ Π°ΠΊΡΠΈΠ²Π½ΠΎΠ΅ Π²Π΅ΡΠ΅ΡΡΠ²ΠΎ. ΠΠ΅ΡΠ΅Π³ΠΈΡΠ΅ Π³Π»Π°Π·Π° ΠΈ ΠΌΠΎΠΉΡΠ΅ ΡΡΠΊΠΈ ΠΏΡΠΈ ΠΏΠΎΠΏΠ°Π΄Π°Π½ΠΈΠΈ. ΠΠΎ Π²ΡΠ΅ΠΌΡ ΡΠ°Π±ΠΎΡΡ ΠΊΠΎΠ»Π΅ΡΠΎ, Ρ ΠΊΠΎΡΠΎΡΡΠΌ ΡΠ°Π±ΠΎΡΠ°Π΅ΡΡ, ΠΏΠΎΠ΄Π½ΠΈΠΌΠ°Π΅ΠΌ Π²ΡΡΠ΅ Π΄ΡΡΠ³ΠΈΡ . Π’ΠΎΠ³Π΄Π° Π²ΠΎΠ·Π΄ΡΡ , ΡΡΡΠ΅ΠΌΡΡΠΈΠΉΡΡ Π²Π²Π΅ΡΡ , Π±ΡΡΡΡΠ΅Π΅ ΠΏΠΎΠ΄ΠΎΠΉΠ΄Π΅Ρ ΠΊ ΡΡΡΡΠ΅ΡΡ. ΠΠ΅ΠΊΠΎΡΠΎΡΡΠ΅ ΠΏΠΎΡΡΡΠΊΠΈΠ²Π°ΡΡ ΠΏΠΎ ΡΡΠΏΠΏΠΎΡΡΡ Π² ΡΠ΅Ρ ΠΆΠ΅ ΡΠ΅Π»ΡΡ .
Π‘ Π½Π°ΠΏΠ°ΡΠ½ΠΈΠΊΠΎΠΌ
72.55%
Π ΠΎΠ΄ΠΈΠ½ΠΎΡΠΊΡ
27.45%
ΠΡΠΎΠ³ΠΎΠ»ΠΎΡΠΎΠ²Π°Π»ΠΎ: 51
ΠΠΎΠΆΠ°Π»ΡΠΉΡΡΠ° Π½Π°ΠΏΠΈΡΠΈΡΠ΅ Π² ΠΊΠΎΠΌΠΌΠ΅Π½ΡΠ°ΡΠΈΡΡ ΠΊ ΡΡΠ°ΡΡΠ΅ ΡΠ²ΠΎΠΈ Π·Π°ΠΌΠ΅ΡΠ°Π½ΠΈΡ ΠΈ ΡΠΎΠ²Π΅ΡΡ ΠΏΠΎ ΠΏΡΠΎΠΊΠ°ΡΠΈΠ²Π°Π½ΠΈΡ ΡΠΎΡΠΌΠΎΠ·ΠΎΠ² ΠΠΈΠ²Π° Π¨Π΅Π²ΡΠΎΠ»Π΅.
ΠΠΎΠ»Π΅Π·Π½ΠΎΠ΅ Π²ΠΈΠ΄Π΅ΠΎ
ΠΠΎΡΠΌΠΎΡΡΠΈΡΠ΅ Π½ΠΈΠΆΠ΅ Π² Π²ΠΈΠ΄Π΅ΠΎ ΡΠΎΠ²Π΅ΡΡ ΠΏΠΎ ΠΏΡΠΎΠΊΠ°ΡΠΊΠ΅ ΡΠΎΡΠΌΠΎΠ·ΠΎΠ² ΠΠΈΠ²Π° Π¨Π΅Π²ΡΠΎΠ»Π΅.
Β
ΠΠΎΡ ΠΎΠΆΠΈΠ΅ ΡΡΠ°ΡΡΠΈ:ΠΠ°ΠΊ ΠΏΡΠ°Π²ΠΈΠ»ΡΠ½ΠΎ ΠΏΡΠΎΠΊΠ°ΡΠ°ΡΡ ΡΠΎΡΠΌΠΎΠ·Π° Ρ Π°Π±Ρ
ΠΠ»Π°Π²Π½Π°Ρ Β» Π Π΅ΠΌΠΎΠ½Ρ ΠΈ ΠΎΠ±ΡΠ»ΡΠΆΠΈΠ²Π°Π½ΠΈΠ΅
Π Π΅ΠΌΠΎΠ½Ρ ΠΈ ΠΎΠ±ΡΠ»ΡΠΆΠΈΠ²Π°Π½ΠΈΠ΅ΠΠ²ΡΠΎΡ ΠΠ»Π΅ΠΊΡΠ°Π½Π΄Ρ ΠΡΠ΄Π° ΠΠ° ΡΡΠ΅Π½ΠΈΠ΅ 5 ΠΌΠΈΠ½. ΠΡΠΎΡΠΌΠΎΡΡΠΎΠ² 2k. ΠΠΏΡΠ±Π»ΠΈΠΊΠΎΠ²Π°Π½ΠΎ
ΠΠ»Π°Π³ΠΎΠ΄Π°ΡΡ ΠΈΡΠΏΠΎΠ»ΡΠ·ΠΎΠ²Π°Π½ΠΈΡ ΡΠΎΠ²ΡΠ΅ΠΌΠ΅Π½Π½ΡΡ
ΡΠ΅Ρ
Π½ΠΎΠ»ΠΎΠ³ΠΈΠΉ ΠΊΠΎΠ½ΡΡΡΡΠΊΡΠΎΡΠ°ΠΌ ΡΠ΄Π°Π»ΠΎΡΡ ΡΡΡΠ΅ΡΡΠ²Π΅Π½Π½ΠΎ ΡΠ»ΡΡΡΠΈΡΡ ΡΠΎΡΠΌΠΎΠ·Π½ΡΡ ΡΠΈΡΡΠ΅ΠΌΡ Π°Π²ΡΠΎΠΌΠΎΠ±ΠΈΠ»Ρ. ΠΠΎΠ»ΡΡΠΈΠ½ΡΡΠ²ΠΎ ΠΌΠΎΠ΄Π΅Π»Π΅ΠΉ ΠΏΠΎΡΠ»Π΅Π΄Π½ΠΈΡ
Π»Π΅Ρ ΠΎΠ±ΠΎΡΡΠ΄ΡΡΡ ΡΠΈΡΡΠ΅ΠΌΠΎΠΉ ΡΠΎΡΠΌΠΎΠ·ΠΎΠ² Ρ ABS. ΠΠ½Π° ΠΏΠΎΠ·Π²ΠΎΠ»ΡΠ΅Ρ ΡΠΈΠ½Ρ
ΡΠΎΠ½ΠΈΠ·ΠΈΡΠΎΠ²Π°ΡΡ ΡΠΊΠΎΡΠΎΡΡΡ Π²ΡΠ°ΡΠ΅Π½ΠΈΡ ΠΊΠΎΠ»ΡΡ ΠΏΡΠΈ Π·Π°Π½ΠΎΡΠ΅ ΠΈΠ»ΠΈ ΡΠΊΡΡΡΠ΅Π½Π½ΠΎΠΌ ΡΠΎΡΠΌΠΎΠΆΠ΅Π½ΠΈΠΈ. ΠΡΠΎ Π²ΡΡΠ°Π²Π½ΠΈΠ²Π°Π΅Ρ Ρ
ΠΎΠ΄ ΠΌΠ°ΡΠΈΠ½Ρ Π½Π° ΡΠΊΠΎΠ»ΡΠ·ΠΊΠΎΠΌ Π΄ΠΎΡΠΎΠΆΠ½ΠΎΠΌ ΠΏΠΎΠΊΡΡΡΠΈΠΈ ΠΈ ΡΡΡΠ΅ΡΡΠ²Π΅Π½Π½ΠΎ ΡΠΎΠΊΡΠ°ΡΠ°Π΅Ρ ΡΠΎΡΠΌΠΎΠ·Π½ΠΎΠΉ ΠΏΡΡΡ.
ΠΡΠΎΠ±Π΅Π½Π½ΠΎΡΡΠΈ ABS
Π ΠΏΡΠΎΡΠ΅ΡΡΠ΅ ΡΠΎΡΠΌΠΎΠΆΠ΅Π½ΠΈΡ Π½Π° ΡΠ΅Π½ΡΡΠ°Π»ΡΠ½ΡΠΉ ΠΏΡΠ»ΡΡ ΠΏΠΎΡΡΡΠΏΠ°ΡΡ ΡΠΈΠ³Π½Π°Π»Ρ Ρ Π΄Π°ΡΡΠΈΠΊΠΎΠ² ΠΏΠ΅ΡΠ΅Π΄Π½ΠΈΡ ΠΈ Π·Π°Π΄Π½ΠΈΡ ΠΊΠΎΠ»ΡΡ. ΠΡΠΎΠΈΡΡ ΠΎΠ΄ΠΈΡ ΡΡΡΠ΅ΠΊΡΠΈΠ²Π½ΠΎΠ΅ Π·Π°ΠΌΠ΅Π΄Π»Π΅Π½ΠΈΠ΅ Π²ΡΠ°ΡΠ΅Π½ΠΈΡ ΠΊΠΎΠ»ΡΡ Ρ ΡΠ°ΠΊΠΎΠΉ ΠΆΠ΅ ΡΠΊΠΎΡΠΎΡΡΡΡ, ΠΊΠ°ΠΊ ΠΈ ΡΠΊΠΎΡΠΎΡΡΡ Π΄Π²ΠΈΠΆΠ΅Π½ΠΈΡ Π°Π²ΡΠΎΠΌΠΎΠ±ΠΈΠ»Ρ. Π’Π΅ΡΡΡ ΠΈ ΡΠ°ΡΡΡΡΡ ΠΏΠΎΠΊΠ°Π·Π°Π»ΠΈ, ΡΡΠΎ ΡΠ°ΠΊΠ°Ρ ΡΠΎΡΠΌΠΎΠ·Π½Π°Ρ ΡΠΈΡΡΠ΅ΠΌΠ° Π½Π°ΠΈΠ±ΠΎΠ»Π΅Π΅ ΡΡΡΠ΅ΠΊΡΠΈΠ²Π½Π° ΠΏΡΠΈ Π»ΡΠ±ΠΎΠΉ ΠΏΠΎΠ³ΠΎΠ΄Π΅ ΠΈ Π½Π° Π»ΡΠ±ΠΎΠΌ Π΄ΠΎΡΠΎΠΆΠ½ΠΎΠΌ ΠΏΠΎΠΊΡΡΡΠΈΠΈ.
ΠΠ΅ΡΠΌΠΎΡΡΡ Π½Π° ΡΠ΅Ρ Π½ΠΈΡΠ΅ΡΠΊΠΈΠ΅ ΠΎΡΠ»ΠΈΡΠΈΡ ΡΠΈΡΡΠ΅ΠΌ ABS Ρ ΡΠ°Π·Π½ΡΡ ΠΌΠ°ΡΠΎΠΊ Π°Π²ΡΠΎΠΌΠΎΠ±ΠΈΠ»Π΅ΠΉ, Π²ΡΠ΅ ΡΡΡΡΠΎΠΉΡΡΠ²Π° ΠΈΠΌΠ΅ΡΡ ΡΠ»Π΅Π΄ΡΡΡΠΈΠ΅ ΡΠΎΡΡΠ°Π²Π»ΡΡΡΠΈΠ΅:
- ΠΠ°ΡΡΠΈΠΊΠΈ ΡΡΠΊΠΎΡΠ΅Π½ΠΈΡ ΠΈ Π·Π°ΠΌΠ΅Π΄Π»Π΅Π½ΠΈΡ, ΡΠ°ΡΠΏΠΎΠ»ΠΎΠΆΠ΅Π½Π½ΡΠ΅ Π½Π° ΡΡΡΠΏΠΈΡΠ°Ρ ΠΊΠΎΠ»ΡΡ.
- ΠΠ»Π°ΠΏΠ°Π½Ρ ΡΠΏΡΠ°Π²Π»Π΅Π½ΠΈΡ, ΠΊΠΎΡΠΎΡΡΠ΅ ΡΠ΅Π³ΡΠ»ΠΈΡΡΡΡ Π΄Π°Π²Π»Π΅Π½ΠΈΠ΅ Π² ΠΌΠ°Π³ΠΈΡΡΡΠ°Π»ΠΈ ΠΎΡΠ½ΠΎΠ²Π½ΠΎΠΉ ΡΠΎΡΠΌΠΎΠ·Π½ΠΎΠΉ ΡΠΈΡΡΠ΅ΠΌΡ.
- ΠΠ»Π΅ΠΊΡΡΠΎΠ½Π½ΡΠΉ Π±Π»ΠΎΠΊ, ΠΊΠΎΡΠΎΡΡΠΉ ΠΎΠ±ΡΠ°Π±Π°ΡΡΠ²Π°Π΅Ρ ΡΠΈΠ³Π½Π°Π»Ρ ΠΈ ΠΏΠΎ Π½ΠΈΠΌ ΡΠ΅Π³ΡΠ»ΠΈΡΡΠ΅Ρ ΠΏΠΎΠ»ΠΎΠΆΠ΅Π½ΠΈΠ΅ ΠΊΠ»Π°ΠΏΠ°Π½ΠΎΠ².
Π‘ΠΎΠ²Π΅Ρ: ΠΠΎΠΊΡΠΏΠ°Ρ Π°Π²ΡΠΎΠΌΠΎΠ±ΠΈΠ»Ρ Ρ ΡΡΡΠ°Π½ΠΎΠ²Π»Π΅Π½Π½ΠΎΠΉ Π½Π° Π½ΡΠΌ ABS, Π½Π΅ ΡΡΠΎΠΈΡ ΡΠ°ΡΡΠ»Π°Π±Π»ΡΡΡΡΡ. Π‘ΠΈΡΡΠ΅ΠΌΠ° Π»ΠΈΡΡ ΠΏΠΎΠΌΠΎΠ³Π°Π΅Ρ Π² ΡΠΊΡΡΡΠ΅Π½Π½ΡΡ ΡΠΈΡΡΠ°ΡΠΈΡΡ Π½Π° Π΄ΠΎΡΠΎΠ³Π΅, Π° Π½Π΅ ΠΏΠΎΠ»Π½ΠΎΡΡΡΡ Π±Π΅ΡΡΡ ΡΠΏΡΠ°Π²Π»Π΅Π½ΠΈΠ΅ Π² ΡΠ²ΠΎΠΈ ΡΡΠΊΠΈ.
ΠΠΎΠ³Π΄Π° Π΄Π΅Π»Π°ΡΡ ΠΏΡΠΎΠΊΠ°ΡΠΊΡ ΡΠΎΡΠΌΠΎΠ·ΠΎΠ² ΠΈ Π·Π°ΡΠ΅ΠΌ ΡΡΠΎ Π½ΡΠΆΠ½ΠΎ
ΠΡΠΎΠΈΠ·Π²ΠΎΠ΄ΠΈΡΠ΅Π»ΠΈ ΡΠ΅ΠΊΠΎΠΌΠ΅Π½Π΄ΡΡΡ Π΄Π΅Π»Π°ΡΡ ΠΏΡΠΎΠΊΠ°ΡΠΊΡ ΡΠΎΡΠΌΠΎΠ·ΠΎΠ² ΠΊΠ°ΠΆΠ΄ΡΠ΅ 50-60 ΡΡΡΡΡ ΠΊΠΈΠ»ΠΎΠΌΠ΅ΡΡΠΎΠ².
ΠΡΠΎΠΊΠ°ΡΠΊΠ° ΠΏΠΎΠ·Π²ΠΎΠ»ΡΠ΅Ρ ΡΠ±ΡΠ°ΡΡ Π»ΠΈΡΠ½ΠΈΠΉ Π²ΠΎΠ·Π΄ΡΡ ΠΈ ΡΠ΄Π΅Π»Π°ΡΡ ΡΠΎΡΠΌΠΎΠ·Π½ΡΡ ΡΠΈΡΡΠ΅ΠΌΡ ΠΌΠ°ΠΊΡΠΈΠΌΠ°Π»ΡΠ½ΠΎ ΡΡΡΠ΅ΠΊΡΠΈΠ²Π½ΠΎΠΉ. ΠΠ° ΠΏΡΠ°ΠΊΡΠΈΠΊΠ΅ ΠΎΡΠ½ΠΎΠ²Π½ΡΠΌΠΈ ΠΏΡΠΈΠ·Π½Π°ΠΊΠ°ΠΌΠΈ Π½Π΅ΠΎΠ±Ρ ΠΎΠ΄ΠΈΠΌΠΎΡΡΠΈ ΠΏΡΠΎΠΊΠ°ΡΠΊΠΈ ΡΡΠΈΡΠ°ΡΡΡΡ:
- ΠΏΠ΅Π΄Π°Π»Ρ ΡΠΎΡΠΌΠΎΠ·Π° Ρ ΠΎΠ΄ΠΈΡ Π±ΠΎΠ»Π΅Π΅ ΠΏΠ»Π°Π²Π½ΠΎ, ΡΠ²Π΅Π»ΠΈΡΠΈΠ»ΡΡ ΡΠ°Π±ΠΎΡΠΈΠΉ Ρ ΠΎΠ΄ Π°Π²ΡΠΎΠΌΠΎΠ±ΠΈΠ»Ρ;
- Π²ΠΎΠ·Π΄ΡΡ ΠΈΠ½ΠΎΠ³Π΄Π° ΠΏΠΎΠΏΠ°Π΄Π°Π΅Ρ Π² ΡΠΈΡΡΠ΅ΠΌΡ ΠΏΠΎΡΠ»Π΅ ΡΠ΅ΠΌΠΎΠ½ΡΠ½ΡΡ ΡΠ°Π±ΠΎΡ Π΄ΡΡΠ³ΠΈΡ ΡΠ·Π»ΠΎΠ² Π°Π²ΡΠΎΡΡΠ°Π½ΡΠΏΠΎΡΡΠ°;
- ΡΡΠΎΠ²Π΅Π½Ρ ΡΠΎΡΠΌΠΎΠ·Π½ΠΎΠΉ ΠΆΠΈΠ΄ΠΊΠΎΡΡΠΈ Π² Π±Π°ΡΠΊΠ΅ ΡΠ΅Π·ΠΊΠΎ ΡΠΏΠ°Π».
ΠΠ»Ρ Π°Π²ΡΠΎΠΌΠΎΠ±ΠΈΠ»Π΅ΠΉ Ρ ΡΠΈΡΡΠ΅ΠΌΠΎΠΉ ABS Π΄Π΅Π»Π°ΡΡ ΠΏΡΠΎΠΊΠ°ΡΠΊΡ Π½Π΅ΡΠΊΠΎΠ»ΡΠΊΠΎ ΡΠ»ΠΎΠΆΠ½Π΅Π΅. ΠΠΎ Π΅ΡΠ»ΠΈ Π·Π½Π°ΡΡ ΡΠ΅Ρ Π½ΠΎΠ»ΠΎΠ³ΠΈΡ ΠΈ Π²ΡΠΏΠΎΠ»Π½ΡΡΡ Π²ΡΠ΅ Π΄Π΅ΠΉΡΡΠ²ΠΈΡ Π² ΠΏΡΠ°Π²ΠΈΠ»ΡΠ½ΠΎΠΌ ΠΏΠΎΡΡΠ΄ΠΊΠ΅, ΡΠΎ ΡΠ°ΠΊΡΡ ΡΠ°Π±ΠΎΡΡ ΠΌΠΎΠΆΠ½ΠΎ ΠΏΡΠΎΠ²Π΅ΡΡΠΈ Π±Π΅Π· ΠΏΡΠΈΠ²Π»Π΅ΡΠ΅Π½ΠΈΡ ΠΌΠ°ΡΡΠ΅ΡΠΎΠ². ΠΡΠΎ ΠΎΡΠ½ΠΎΡΠΈΡΡΡ ΠΊΠ°ΠΊ ΠΊ ΠΎΡΠ΅ΡΠ΅ΡΡΠ²Π΅Π½Π½ΡΠΌ Π°Π²ΡΠΎΠΌΠΎΠ±ΠΈΠ»ΡΠΌ, ΡΠ°ΠΊ ΠΈ ΠΊ ΠΈΠ½ΠΎΠΌΠ°ΡΠΊΠ°ΠΌ.
ΠΠ°ΠΆΠ΄Π°Ρ ΠΌΠΎΠ΄Π΅Π»Ρ ΠΈΠΌΠ΅Π΅Ρ ΡΠ²ΠΎΠΈ ΠΎΡΠΎΠ±Π΅Π½Π½ΠΎΡΡΠΈ ΠΏΡΠΎΠΊΠ°ΡΠΊΠΈ ΡΠΎΡΠΌΠΎΠ·ΠΎΠ² Ρ ABSΠΠ°ΠΆΠ΄Π°Ρ ΠΌΠΎΠ΄Π΅Π»Ρ ΠΈΠΌΠ΅Π΅Ρ ΡΠ²ΠΎΠΈ ΠΎΡΠΎΠ±Π΅Π½Π½ΠΎΡΡΠΈ ΠΏΡΠΎΠΊΠ°ΡΠΊΠΈ ΡΠΎΡΠΌΠΎΠ·ΠΎΠ², ΠΏΠΎΡΡΠΎΠΌΡ ΠΏΠ΅ΡΠ΅Π΄ Π½Π°ΡΠ°Π»ΠΎΠΌ ΡΠ΅ΠΌΠΎΠ½ΡΠ° Π½Π°ΠΉΠ΄ΠΈΡΠ΅ ΠΈΠ½ΡΡΡΡΠΊΡΠΈΡ ΠΈΠΌΠ΅Π½Π½ΠΎ Π΄Π»Ρ Π²Π°ΡΠ΅Π³ΠΎ Π°Π²ΡΠΎ.
ΠΠ°ΠΊ ΠΏΡΠ°Π²ΠΈΠ»ΡΠ½ΠΎ ΠΏΡΠΎΠΊΠ°ΡΠ°ΡΡ (ΠΏΠΎΡΡΠ΄ΠΎΠΊ Π΄Π΅ΠΉΡΡΠ²ΠΈΠΉ)
Π’Π°ΠΊΠΎΠΉ ΡΠ΅ΠΌΠΎΠ½Ρ ΡΡΠ΅Π±ΡΠ΅Ρ Π½Π΅ ΡΠΎΠ»ΡΠΊΠΎ ΡΠ΅ΠΎΡΠ΅ΡΠΈΡΠ΅ΡΠΊΠΎΠΉ ΠΏΠΎΠ΄Π³ΠΎΡΠΎΠ²ΠΊΠΈ, Π½ΠΎ ΠΈ Π½Π΅ΠΊΠΎΡΠΎΡΡΡ ΠΏΡΠ°ΠΊΡΠΈΡΠ΅ΡΠΊΠΈΡ Π½Π°Π²ΡΠΊΠΎΠ². ΠΠΎΡΡΠΎΠΌΡ Π΅ΡΠ»ΠΈ Ρ Π²Π°Ρ Π΅ΡΡΡ Π·Π½Π°ΠΊΠΎΠΌΡΠΉ Π°Π²ΡΠΎΠ»ΡΠ±ΠΈΡΠ΅Π»Ρ, ΠΊΠΎΡΠΎΡΡΠΉ ΡΠΆΠ΅ Π΄Π΅Π»Π°Π» ΠΏΡΠΎΠΊΠ°ΡΠΊΡ ΡΠΎΡΠΌΠΎΠ·ΠΎΠ², Π½Π΅ Π»ΠΈΡΠ½ΠΈΠΌ Π±ΡΠ΄Π΅Ρ ΠΏΠΎΠ·Π²Π°ΡΡ Π΅Π³ΠΎ. Π‘Π°ΠΌΠ° ΠΏΡΠΎΠΊΠ°ΡΠΊΠ° ΠΎΡΠ»ΠΈΡΠ°Π΅ΡΡΡ Π² Π·Π°Π²ΠΈΡΠΈΠΌΠΎΡΡΠΈ ΠΎΡ ΠΊΠΎΠ½ΡΡΡΡΠΊΡΠΈΠ²Π½ΡΡ ΠΎΡΠΎΠ±Π΅Π½Π½ΠΎΡΡΠ΅ΠΉ Π°Π²ΡΠΎΠΌΠΎΠ±ΠΈΠ»Ρ. ΠΡΠ»ΠΈ Π³ΠΈΠ΄ΡΠΎΠ°ΠΊΠΊΡΠΌΡΠ»ΡΡΠΎΡ, Π½Π°ΡΠΎΡ ΠΈ Π³ΠΈΠ΄ΡΠΎΠΊΠ»Π°ΠΏΠ°Π½Π° Π½Π°Ρ ΠΎΠ΄ΡΡΡΡ Π² ΠΎΠ΄Π½ΠΎΠΌ ΠΌΠ΅ΡΡΠ΅, ΡΠΎ ΡΠ°Π±ΠΎΡΠ° Π±ΡΠ΄Π΅Ρ ΡΡ ΠΎΠΆΠ° Ρ ΠΌΠΎΠ΄Π΅Π»ΡΠΌΠΈ Π±Π΅Π· ABS.
ΠΠ°ΠΊΠΎΠΉ ΠΈΠ½ΡΡΡΡΠΌΠ΅Π½Ρ ΠΏΠΎΡΡΠ΅Π±ΡΠ΅ΡΡΡ Π΄Π»Ρ ΡΠ΅ΠΌΠΎΠ½ΡΠ°
ΠΡΠΎΠΌΠ΅ ΠΎΠ±ΡΡΠ½ΠΎΠ³ΠΎ ΡΠ»Π΅ΡΠ°ΡΠ½ΠΎΠ³ΠΎ ΠΈΠ½ΡΡΡΡΠΌΠ΅Π½ΡΠ°, ΠΌΠΎΠΆΠ΅Ρ ΠΏΠΎΡΡΠ΅Π±ΠΎΠ²Π°ΡΡΡΡ ΡΠΏΠ΅ΡΠΈΠ°Π»ΡΠ½ΠΎΠ΅ ΠΎΠ±ΠΎΡΡΠ΄ΠΎΠ²Π°Π½ΠΈΠ΅, Π½Π°ΠΏΡΠΈΠΌΠ΅Ρ, ΡΠΊΠ°Π½Π΅Ρ. Π‘ Π΅Π³ΠΎ ΠΏΠΎΠΌΠΎΡΡΡ ΡΡΠΈΡΡΠ²Π°ΡΡ ΠΈΠ½ΡΠΎΡΠΌΠ°ΡΠΈΡ Ρ ΡΠ»Π΅ΠΊΡΡΠΎΠ½Π½ΠΎΠ³ΠΎ Π±Π»ΠΎΠΊΠ°. Π Π½Π΅ΠΊΠΎΡΠΎΡΡΡ ΠΌΠΎΠ΄Π΅Π»ΡΡ , ΠΊΡΠΎΠΌΠ΅ ΡΠΈΡΡΠ΅ΠΌΡ ABS, ΡΡΡΠ°Π½Π°Π²Π»ΠΈΠ²Π°ΡΡ Π΄ΠΎΠΏΠΎΠ»Π½ΠΈΡΠ΅Π»ΡΠ½ΡΠ΅ ΡΠΈΡΡΠ΅ΠΌΡ ΠΊΠΎΠ½ΡΡΠΎΠ»Ρ Π΄Π²ΠΈΠΆΠ΅Π½ΠΈΡ. Π ΡΡΠΎΠΌ ΡΠ»ΡΡΠ°Π΅ Π±ΡΠ΄Π΅Ρ Π»ΡΡΡΠ΅ ΠΎΡΠ²Π΅Π·ΡΠΈ Π°Π²ΡΠΎΠΌΠΎΠ±ΠΈΠ»Ρ Π² ΡΠ΅ΡΠ²ΠΈΡ, ΡΠ°ΠΊ ΠΊΠ°ΠΊ ΠΏΡΠΎΠΊΠ°ΡΠΊΠ° ΠΏΠΎΠ²Π»ΠΈΡΠ΅Ρ Π½Π° ΡΠ°Π±ΠΎΡΡ Π΄ΡΡΠ³ΠΈΡ ΡΠΈΡΡΠ΅ΠΌ.
Π‘Ρ Π΅ΠΌΠ° ΡΠ°Π±ΠΎΡΡ
ΠΠ΅Π·Π°Π²ΠΈΡΠΈΠΌΠΎ ΠΎΡ ΡΠΈΠΏΠ° ABS ΡΡΡΠ΅ΡΡΠ²ΡΠ΅Ρ Π½Π΅ΡΠΊΠΎΠ»ΡΠΊΠΎ ΠΏΡΠ°Π²ΠΈΠ» ΠΏΡΠΎΠ²Π΅Π΄Π΅Π½ΠΈΡ ΡΠ΅ΠΌΠΎΠ½ΡΠ°, ΡΠ°ΠΊΡΡ ΡΡ
Π΅ΠΌΡΒ Π½ΡΠΆΠ½ΠΎ ΡΠΎΠ±Π»ΡΠ΄Π°ΡΡ Π² Π»ΡΠ±ΠΎΠΌ ΡΠ»ΡΡΠ°Π΅.
Π’Π°ΠΊ ΠΊΠ°ΠΊ ΠΌΠ°ΠΊΡΠΈΠΌΠ°Π»ΡΠ½ΠΎΠ΅ Π΄Π°Π²Π»Π΅Π½ΠΈΠ΅ Π² Π³ΠΈΠ΄ΡΠΎΡΠΈΡΡΠ΅ΠΌΠ΅ ΡΠΎΡΡΠ°Π²Π»ΡΠ΅Ρ 180 Π°ΡΠΌ, ΠΏΠ΅ΡΠ΅Π΄ Π½Π°ΡΠ°Π»ΠΎΠΌ ΡΠ΅ΠΌΠΎΠ½ΡΠ° Π΅Π³ΠΎ Π½Π΅ΠΎΠ±Ρ
ΠΎΠ΄ΠΈΠΌΠΎ ΡΠ½ΠΈΠ·ΠΈΡΡ. ΠΠ»Ρ ΡΡΠΎΠ³ΠΎ Π²ΡΠΊΠ»ΡΡΠ°Π΅ΠΌ Π·Π°ΠΆΠΈΠ³Π°Π½ΠΈΠ΅ ΠΈ ΠΎΠΊΠΎΠ»ΠΎ 20 ΡΠ°Π· ΠΏΡΠΎΠΆΠΈΠΌΠ°Π΅ΠΌ ΠΏΠ΅Π΄Π°Π»Ρ ΡΠΎΡΠΌΠΎΠ·Π°. Π’Π°ΠΊΠΈΠΌ ΠΎΠ±ΡΠ°Π·ΠΎΠΌ, ΠΏΡΠΎΠΈΡΡ
ΠΎΠ΄ΠΈΡ Π²ΡΠ±ΡΠΎΡ Π½Π΅ΠΊΠΎΡΠΎΡΠΎΠ³ΠΎ ΠΊΠΎΠ»ΠΈΡΠ΅ΡΡΠ²Π° ΠΆΠΈΠ΄ΠΊΠΎΡΡΠΈ ΠΈ Π΄Π°Π²Π»Π΅Π½ΠΈΠ΅ ΠΏΠ°Π΄Π°Π΅Ρ. ΠΠΎΡΠ»Π΅ ΠΎΡΠΊΠ»ΡΡΠ΅Π½ΠΈΡ Π·Π°ΠΆΠΈΠ³Π°Π½ΠΈΡ ΠΎΡΡΠΎΠ΅Π΄ΠΈΠ½ΡΠ΅ΠΌ Π²ΡΠ΅ ΡΠ°Π·ΡΡΠΌΡ Π½Π° Π±Π°ΡΠΊΠ΅ Ρ ΡΠΎΡΠΌΠΎΠ·Π½ΠΎΠΉ ΠΆΠΈΠ΄ΠΊΠΎΡΡΡΡ.
Π‘ΠΎΠ²Π΅Ρ: ΠΡΠΎΠΊΠ°ΡΠΊΠ° ΡΠΎΡΠΌΠΎΠ·ΠΎΠ² Π½Π° ΠΏΠ΅ΡΠ΅Π΄Π½ΠΈΡ ΠΈ Π·Π°Π΄Π½ΠΈΡ ΠΊΠΎΠ»ΡΡΠ°Ρ ΠΎΡΠ»ΠΈΡΠ°Π΅ΡΡΡ, Π²Π°ΠΆΠ½ΠΎ Π²ΡΠΏΠΎΠ»Π½ΡΡΡ ΡΠ°Π±ΠΎΡΡ Π² ΠΏΡΠ°Π²ΠΈΠ»ΡΠ½ΠΎΠΉ ΠΏΠΎΡΠ»Π΅Π΄ΠΎΠ²Π°ΡΠ΅Π»ΡΠ½ΠΎΡΡΠΈ.
ΠΡΠΎΠΊΠ°ΡΠΊΠ° ΡΠΎΡΠΌΠΎΠ·ΠΎΠ² ΠΏΠ΅ΡΠ΅Π΄Π½ΠΈΡ ΠΊΠΎΠ»ΡΡ
- ΠΠ°Π΄Π΅Π²Π°Π΅ΠΌ ΡΠ»Π°Π½Π³ Π½Π° ΠΏΡΠΎΠΊΠ°ΡΠ½ΠΎΠΉ ΡΡΡΡΠ΅Ρ;
- ΠΡΠΊΡΡΠ²Π°Π΅ΠΌ ΡΡΡΡΠ΅Ρ Π½Π° 1 ΠΎΠ±ΠΎΡΠΎΡ;
ΠΡΠΊΡΡΠ²Π°Π΅ΠΌΒ ΡΡΡΡΠ΅Ρ Π½Π° 1 ΠΏΠΎΠ²ΠΎΡΠΎΡ
- ΠΒ ΡΡΠΎ ΠΆΠ΅ Π²ΡΠ΅ΠΌΡ Π²ΡΠΎΡΠΎΠΉ ΡΠ΅Π»ΠΎΠ²Π΅ΠΊ Π²ΡΠΆΠΈΠΌΠ°Π΅Ρ ΠΏΠ΅Π΄Π°Π»Ρ ΡΠΎΡΠΌΠΎΠ·Π° ΠΈ Π΄Π΅ΡΠΆΠΈΡ Π΅ΡΒ Π² ΡΠ°ΠΊΠΎΠΌ ΠΏΠΎΠ»ΠΎΠΆΠ΅Π½ΠΈΠΈ Π½Π΅ΠΊΠΎΡΠΎΡΠΎΠ΅ Π²ΡΠ΅ΠΌΡ;
- ΠΠ°Π±Π»ΡΠ΄Π°Π΅ΠΌ Π·Π° Π²ΡΡ
ΠΎΠ΄ΠΎΠΌ Π»ΠΈΡΠ½Π΅Π³ΠΎ Π²ΠΎΠ·Π΄ΡΡ
Π° ΠΈΠ· ΡΠΈΡΡΠ΅ΠΌΡ;
ΠΠ°Π±Π»ΡΠ΄Π°Π΅ΠΌ Π·Π° Π²ΡΡ ΠΎΠ΄ΠΎΠΌ Π²ΠΎΠ·Π΄ΡΡ Π°
- ΠΠΎΡΠ»Π΅ ΠΎΡΠΈΡΠ΅Π½ΠΈΡ ΠΏΠ°ΡΡΡΠ±ΠΊΠ° ΠΎΡ Π²ΠΎΠ·Π΄ΡΡ
Π° Π½ΡΠΆΠ½ΠΎ Π·Π°ΠΊΡΡΡΠΈΡΡ ΡΡΡΡΠ΅Ρ ΠΈ ΡΠΎΠ»ΡΠΊΠΎ ΠΏΠΎΡΠ»Π΅ ΡΡΠΎΠ³ΠΎ ΠΌΠΎΠΆΠ½ΠΎ ΠΎΡΠΆΠΈΠΌΠ°ΡΡ ΠΏΠ΅Π΄Π°Π»Ρ ΡΠΎΡΠΌΠΎΠ·Π°.

ΠΠ°Π΄Π½Π΅Π΅ ΠΏΡΠ°Π²ΠΎΠ΅
- ΠΠ°Π΄Π΅Π²Π°Π΅ΠΌ ΡΠ»Π°Π½Π³ ΠΈ ΠΏΠΎΠ²ΠΎΡΠ°ΡΠΈΠ²Π°Π΅ΠΌ ΡΡΡΡΠ΅Ρ Π½Π° 1 ΠΎΠ±ΠΎΡΠΎΡ;
- ΠΠ°ΠΆΠΈΠΌΠ°Π΅ΠΌ ΠΏΠ΅Π΄Π°Π»Ρ ΡΠΎΡΠΌΠΎΠ·Π° ΠΈ ΠΏΠΎΠ²ΠΎΡΠ°ΡΠΈΠ²Π°Π΅ΠΌ Π·Π°ΠΌΠΎΠΊ Π·Π°ΠΆΠΈΠ³Π°Π½ΠΈΡ Π΄ΠΎ ΠΎΡΠΌΠ΅ΡΠΊΠΈ Ρ ΡΠΈΡΡΠΎΠΉ 2;
- ΠΡΠΈ ΡΡΠΎΠΌ Π²ΠΊΠ»ΡΡΠ°Π΅ΡΡΡ Π² ΡΠ°Π±ΠΎΡΡ Π½Π°ΡΠΎΡ, ΠΊΠΎΡΠΎΡΡΠΉ ΠΈ Π²ΡΠ²ΠΎΠ΄ΠΈΡ ΠΆΠΈΠ΄ΠΊΠΎΡΡΡ Ρ Π»ΠΈΡΠ½ΠΈΠΌ Π²ΠΎΠ·Π΄ΡΡ ΠΎΠΌ ΠΈΠ· ΡΠΈΡΡΠ΅ΠΌΡ;
- ΠΠΎΡΠ»Π΅ Π²ΡΡ ΠΎΠ΄Π° Β«Π²ΠΎΠ·Π΄ΡΡΠ½ΠΎΠΉΒ» ΠΆΠΈΠ΄ΠΊΠΎΡΡΠΈ Π·Π°ΠΊΡΡΠ²Π°Π΅ΠΌ ΡΡΡΡΠ΅Ρ;
- ΠΡΠΏΡΡΠΊΠ°Π΅ΠΌ ΠΏΠ΅Π΄Π°Π»Ρ ΡΠΎΡΠΌΠΎΠ·Π° ΠΈ Π²ΡΠΊΠ»ΡΡΠ°Π΅ΠΌ Π·Π°ΠΆΠΈΠ³Π°Π½ΠΈΠ΅.
ΠΠ°Π΄Π½Π΅Π΅ Π»Π΅Π²ΠΎΠ΅
- ΠΠΎΡΠ»Π΅ Π½Π΅Π±ΠΎΠ»ΡΡΠΎΠ³ΠΎ ΠΏΡΠΎΠΌΠ΅ΠΆΡΡΠΊΠ° Π²ΡΠ΅ΠΌΠ΅Π½ΠΈ ΠΏΠΎΠ»Π½ΠΎΡΡΡΡ ΠΎΡΠΏΡΡΠΊΠ°Π΅ΠΌ ΠΏΠ΅Π΄Π°Π»Ρ ΠΈ ΠΆΠ΄ΡΠΌ ΠΏΠΎΠΊΠ° Π½Π°ΡΠΎΡ Π°Π²ΡΠΎΠΌΠ°ΡΠΈΡΠ΅ΡΠΊΠΈ Π²ΡΠΊΠ»ΡΡΠΈΡΡΡ.
- ΠΠΎΡΠ»Π΅ Π²ΡΡ ΠΎΠ΄Π° Π»ΠΈΡΠ½Π΅Π³ΠΎ Π²ΠΎΠ·Π΄ΡΡ Π° Π·Π°ΠΊΡΡΡΠΈΠ²Π°Π΅ΠΌ ΡΡΡΡΠ΅Ρ ΠΈ Π½Π°ΠΏΠΎΠ»ΠΎΠ²ΠΈΠ½Ρ ΠΎΡΠΆΠΈΠΌΠ°Π΅ΠΌ ΠΏΠ΅Π΄Π°Π»Ρ;
- ΠΠ΅ Π²ΡΠΆΠΈΠΌΠ°Π΅ΠΌ ΠΏΠ΅Π΄Π°Π»Ρ ΡΠΎΡΠΌΠΎΠ·Π°, ΠΆΠΈΠ΄ΠΊΠΎΡΡΡ Π½Π°ΡΠ½ΡΡΒ Π²ΡΡ ΠΎΠ΄ΠΈΡΡ ΠΏΠΎΠ΄ Π΄Π΅ΠΉΡΡΠ²ΠΈΠ΅ΠΌ ΡΠ°Π±ΠΎΡΡ Π½Π°ΡΠΎΡΠ°;
- ΠΠΎΠ²ΡΠΎΡΡΠ΅ΠΌ ΠΏΠ΅ΡΠ²ΡΠΉ ΠΏΡΠ½ΠΊΡ, ΠΊΠ°ΠΊ ΠΈ Π΄Π»Ρ Π·Π°Π΄Π½Π΅Π³ΠΎ ΠΊΠΎΠ»ΡΡΠ°;
ΠΠ°Π΄Π΅ΠΆΠ½ΠΎ Π·Π°ΠΆΠΈΠΌΠ°Π΅ΠΌ ΡΠ°Π·ΡΠ΅ΠΌΡ ΠΈ ΠΏΡΠΎΠ²Π΅ΡΡΠ΅ΠΌ Π²ΡΠ΅ ΡΠΎΠ΅Π΄ΠΈΠ½Π΅Π½ΠΈΡ
- ΠΡΠΊΠ»ΡΡΠ°Π΅ΠΌ Π·Π°ΠΆΠΈΠ³Π°Π½ΠΈΠ΅ ΠΈ ΠΏΠΎΠ΄ΠΊΠ»ΡΡΠ°Π΅ΠΌ ΡΠ°Π·ΡΡΠΌΡ ΠΎΠ±ΡΠ°ΡΠ½ΠΎ ΠΊ Π±Π°ΡΠΊΡ Ρ ΡΠΎΡΠΌΠΎΠ·Π½ΠΎΠΉ ΠΆΠΈΠ΄ΠΊΠΎΡΡΡΡ. ΠΡΠΎΠ²Π΅ΡΡΠ΅ΠΌ Π½Π°Π΄ΡΠΆΠ½ΠΎΡΡΡ ΡΠΎΠ΅Π΄ΠΈΠ½Π΅Π½ΠΈΠΉ ΠΈ ΡΠΌΠΎΡΡΠΈΠΌ Π½Π° ΠΈΠ½Π΄ΠΈΠΊΠ°ΡΠΎΡ ΡΠ°Π±ΠΎΡΡ ΡΠΈΡΡΠ΅ΠΌΡ ABS.
ΠΠ½ Π΄ΠΎΠ»ΠΆΠ΅Π½ ΠΏΠΎΡΡΡ
Π½ΡΡΡ, Π΅ΡΠ»ΠΈ Π²ΡΠ΅ Π±ΡΠ»ΠΎ ΡΠ΄Π΅Π»Π°Π½ΠΎ Π²Π΅ΡΠ½ΠΎ.
ΠΠΎΠ΄ΡΠΊΠ°Π·ΠΊΠΈ Π½Π° Π²ΠΈΠ΄Π΅ΠΎ (ΠΏΡΠΎΠΊΠ°ΡΠΈΠ²Π°Π΅ΠΌ Π½Π°Β Mitsubishi Pajero 3)
ΠΡΠ°Π½ΡΡ ΡΠ°Π±ΠΎΡΡΒ Ρ ABS Π½Π°Β ΡΠ°Π·Π½ΡΡ ΠΌΠΎΠ΄Π΅Π»ΡΡ Π°Π²ΡΠΎ
Π£ΡΠΈΡΡΠ²Π°Ρ ΡΠΎ, ΡΡΠΎ Π½Π° ΠΎΡΠ΅ΡΠ΅ΡΡΠ²Π΅Π½Π½ΡΡ ΠΌΠ°ΡΠΈΠ½Π°Ρ ΠΈ ΠΈΠ½ΠΎΠΌΠ°ΡΠΊΠ°Ρ ΡΠΈΡΡΠ΅ΠΌΠ° ABS ΠΈΠΌΠ΅Π΅Ρ ΡΠ²ΠΎΠΈ ΠΎΡΠΎΠ±Π΅Π½Π½ΠΎΡΡΠΈ, ΡΡΠΎΠΈΡ Π·Π°ΡΠ°Π½Π΅Π΅ ΠΏΠΎΠ΄Π³ΠΎΡΠΎΠ²ΠΈΡΡ Π½Π΅ΠΎΠ±Ρ ΠΎΠ΄ΠΈΠΌΡΠΉ ΠΈΠ½ΡΡΡΡΠΌΠ΅Π½Ρ ΠΈ ΠΎΠ±ΠΎΡΡΠ΄ΠΎΠ²Π°Π½ΠΈΠ΅, ΠΊΠΎΡΠΎΡΠΎΠ΅ ΠΏΠΎΠ½Π°Π΄ΠΎΠ±ΠΈΡΡΡ, ΡΡΠΎΠ±Ρ ΠΏΡΠΎΠΊΠ°ΡΠ°ΡΡ ΡΠΈΡΡΠ΅ΠΌΡ ΠΏΡΠ°Π²ΠΈΠ»ΡΠ½ΠΎ.
- ΠΏΡΠΈ ΡΠ°ΡΠΏΠΎΠ»ΠΎΠΆΠ΅Π½ΠΈΠΈ Π½Π°ΡΠΎΡΠ° ΠΈ Π³ΠΈΠ΄ΡΠΎΠ°ΠΊΠΊΡΠΌΡΠ»ΡΡΠΎΡΠ° Π² ΠΎΠ΄Π½ΠΎΠΌ ΡΠ·Π»Π΅ ΠΏΡΠΎΠΊΠ°ΡΠΊΠ° ΡΡΡΠ΅ΡΡΠ²Π΅Π½Π½ΠΎ ΡΠΏΡΠΎΡΠ°Π΅ΡΡΡ, ΡΠΏΠ΅ΡΠΈΠ°Π»ΡΠ½ΠΎΠ΅ ΠΎΠ±ΠΎΡΡΠ΄ΠΎΠ²Π°Π½ΠΈΠ΅ Π½Π΅ ΠΏΠΎΡΡΠ΅Π±ΡΠ΅ΡΡΡ;
- ΠΏΡΠΈ ΠΎΡΠ΄Π΅Π»ΡΠ½ΠΎΠΌ ΡΠ°ΡΠΏΠΎΠ»ΠΎΠΆΠ΅Π½ΠΈΠΈ (ΠΊΠ°ΠΊ Ρ Π±ΠΎΠ»ΡΡΠΈΠ½ΡΡΠ²Π° ΠΈΠ½ΠΎΠΌΠ°ΡΠΎΠΊ) Π½ΡΠΆΠ½ΠΎ ΠΈΡΠΏΠΎΠ»ΡΠ·ΠΎΠ²Π°ΡΡ ΡΠ»Π΅ΠΊΡΡΠΎΠ½Π½ΡΠΉ ΡΠΊΠ°Π½Π΅Ρ Π΄Π»Ρ ΡΡΠΈΡΡΠ²Π°Π½ΠΈΡ Π΄Π°Π½Π½ΡΡ Ρ Π±Π»ΠΎΠΊΠ° ΡΠΏΡΠ°Π²Π»Π΅Π½ΠΈΡ;
- Π² ΡΠ»ΡΡΠ°Π΅ Π΄ΠΎΠΏΠΎΠ»Π½ΠΈΡΠ΅Π»ΡΠ½ΡΡ ΡΠΈΡΡΠ΅ΠΌ ΠΊΠΎΠ½ΡΡΠΎΠ»Ρ ΡΡΠΎΠΈΡ Π½Π΅ ΠΏΡΠΎΠΊΠ°ΡΠΈΠ²Π°ΡΡ ΡΠ°ΠΌΠΎΡΡΠΎΡΡΠ΅Π»ΡΠ½ΠΎ, Π° Π²ΡΡ ΠΆΠ΅ ΠΎΠ±ΡΠ°ΡΠΈΡΡΡΡ Π² ΡΠ΅ΡΠ²ΠΈΡ Π΄Π»Ρ ΠΏΡΠΎΠΊΠ°ΡΠΊΠΈ ΡΠΎΡΠΌΠΎΠ·ΠΎΠ² Ρ ABS
Π§ΡΠΎΠ±Ρ Π½Π°Π»Π°Π΄ΠΈΡΡ ΡΠ°Π±ΠΎΡΡ ΡΠΎΡΠΌΠΎΠ·Π½ΠΎΠΉ ΡΠΈΡΡΠ΅ΠΌΡ Ρ ABS, Π½Π΅ΠΎΠ±Ρ
ΠΎΠ΄ΠΈΠΌΠΎ ΠΈΠ·ΡΡΠΈΡΡ ΡΠ΅Ρ
Π½ΠΈΡΠ΅ΡΠΊΡΡ Π΄ΠΎΠΊΡΠΌΠ΅Π½ΡΠ°ΡΠΈΡ ΠΏΠΎ ΡΠ²ΠΎΠ΅ΠΌΡ Π°Π²ΡΠΎΠΌΠΎΠ±ΠΈΠ»Ρ ΠΈ ΠΎΠΏΡΠ΅Π΄Π΅Π»ΠΈΡΡ ΡΠ°ΡΠΏΠΎΠ»ΠΎΠΆΠ΅Π½ΠΈΠ΅ ΠΎΡΠ½ΠΎΠ²Π½ΡΡ
ΡΠ»Π΅ΠΌΠ΅Π½ΡΠΎΠ² ΡΠΈΡΡΠ΅ΠΌΡ.
ΠΡΠΏΠΎΠ»Π½Π΅Π½ΠΈΠ΅ ΡΠ°ΠΊΠΎΠ³ΠΎ ΡΠ΅ΠΌΠΎΠ½ΡΠ° Π½Π΅ΡΠ»ΠΎΠΆΠ½ΠΎΠ΅, Π½ΠΎ ΠΌΠΎΠΆΠ΅Ρ ΠΏΠΎΠ½Π°Π΄ΠΎΠ±ΠΈΡΡΡΡ ΠΏΠΎΠΌΠΎΡΡ Π·Π½Π°ΠΊΠΎΠΌΠΎΠ³ΠΎ Π΄Π»Ρ ΡΠ΅Π³ΡΠ»ΠΈΡΠΎΠ²Π°Π½ΠΈΡ ΠΏΠΎΠ»ΠΎΠΆΠ΅Π½ΠΈΡ ΡΠΎΡΠΌΠΎΠ·Π½ΠΎΠΉ ΠΏΠ΅Π΄Π°Π»ΠΈ ΠΏΡΠΈ Π²ΡΡ
ΠΎΠ΄Π΅ ΠΆΠΈΠ΄ΠΊΠΎΡΡΠΈ.
- ΠΠ²ΡΠΎΡ: ΠΠ»Π΅ΠΊΡΠ°Π½Π΄Ρ ΠΡΠ΄Π°
- Π Π°ΡΠΏΠ΅ΡΠ°ΡΠ°ΡΡ
(5 Π³ΠΎΠ»ΠΎΡΠΎΠ², ΡΡΠ΅Π΄Π½Π΅Π΅: 3.8 ΠΈΠ· 5)
ΠΠΎΠ΄Π΅Π»ΠΈΡΠ΅ΡΡ Ρ Π΄ΡΡΠ·ΡΡΠΌΠΈ!ΠΡΠΎΠΊΠ°ΡΠΊΠ° ΡΠΎΡΠΌΠΎΠ·ΠΎΠ² Ρ ΠΠΠ‘: Π°Π²ΡΠΎΠΌΠΎΠ±ΠΈΠ»ΠΈ GM Chevy Silverado
ΠΠ°ΡΡΠΈ ΠΠ°ΡΠ»ΠΈ, ΡΠ΅Ρ Π½ΠΈΡΠ΅ΡΠΊΠΈΠΉ ΡΠ΅Π΄Π°ΠΊΡΠΎΡ Babcox
ΠΡΠΎΠΊΠ°ΡΠΊΠ° ΡΠΎΡΠΌΠΎΠ·ΠΎΠ² ΠΏΠΎΡΠ»Π΅ Π·Π°ΠΌΠ΅Π½Ρ ΡΠΎΡΠΌΠΎΠ·Π½ΡΡ
ΠΊΠΎΠΌΠΏΠΎΠ½Π΅Π½ΡΠΎΠ² β ΡΠ°Π³, ΠΊΠΎΡΠΎΡΡΠΉ Π½Π΅Π»ΡΠ·Ρ ΠΏΡΠΎΠΏΡΡΠΊΠ°ΡΡ, Π΅ΡΠ»ΠΈ Π²Ρ Ρ
ΠΎΡΠΈΡΠ΅, ΡΡΠΎΠ±Ρ ΠΏΠ΅Π΄Π°Π»Ρ ΡΠΎΡΠΌΠΎΠ·Π° Π±ΡΠ»Π° ΡΠ²Π΅ΡΠ΄ΠΎΠΉ. ΠΠΎΠ·Π΄ΡΡ
, ΠΏΠΎΠΏΠ°Π²ΡΠΈΠΉ Π² ΠΌΠ°Π³ΠΈΡΡΡΠ°Π»ΠΈ, ΡΡΠΏΠΏΠΎΡΡΡ ΠΈΠ»ΠΈ ΠΊΠΎΠ»Π΅ΡΠ½ΡΠ΅ ΡΠΈΠ»ΠΈΠ½Π΄ΡΡ, ΡΠ΄Π΅Π»Π°Π΅Ρ ΠΏΠ΅Π΄Π°Π»Ρ ΠΌΡΠ³ΠΊΠΎΠΉ ΠΈ Π³ΡΠ±ΡΠ°ΡΠΎΠΉ. ΠΠΎΠ·Π΄ΡΡ
ΡΠΆΠΈΠΌΠ°Π΅ΠΌ, ΠΏΠΎΡΡΠΎΠΌΡ ΠΏΡΠΈ Π²ΠΊΠ»ΡΡΠ΅Π½ΠΈΠΈ ΡΠΎΡΠΌΠΎΠ·ΠΎΠ² Π»ΡΠ±ΡΠ΅ ΠΏΡΠ·ΡΡΡΠΊΠΈ Π²ΠΎΠ·Π΄ΡΡ
Π° Π² ΡΠΈΡΡΠ΅ΠΌΠ΅ Π΄ΠΎΠ»ΠΆΠ½Ρ Π±ΡΡΡ ΡΠΆΠ°ΡΡ, ΠΏΡΠ΅ΠΆΠ΄Π΅ ΡΠ΅ΠΌ Π³ΠΈΠ΄ΡΠ°Π²Π»ΠΈΡΠ΅ΡΠΊΠ°Ρ ΠΆΠΈΠ΄ΠΊΠΎΡΡΡ ΠΏΠ΅ΡΠ΅Π΄Π°ΡΡ Π΄Π°Π²Π»Π΅Π½ΠΈΠ΅ Π΄Π»Ρ Π²ΠΊΠ»ΡΡΠ΅Π½ΠΈΡ ΡΠΎΡΠΌΠΎΠ·ΠΎΠ².
ΠΠ°ΠΊ ΠΏΡΠ°Π²ΠΈΠ»ΠΎ, ΡΠΎΡΠΌΠΎΠ·Π½ΡΠ΅ ΠΊΠΎΠ½ΡΡΡΡ Π½Π° Π±ΠΎΠ»ΡΡΠΈΠ½ΡΡΠ²Π΅ Π°Π²ΡΠΎΠΌΠΎΠ±ΠΈΠ»Π΅ΠΉ Ρ Π°Π½ΡΠΈΠ±Π»ΠΎΠΊΠΈΡΠΎΠ²ΠΎΡΠ½ΠΎΠΉ ΡΠΈΡΡΠ΅ΠΌΠΎΠΉ ΡΠΎΡΠΌΠΎΠ·ΠΎΠ² ΠΌΠΎΠΆΠ½ΠΎ ΠΏΡΠΎΠΊΠ°ΡΠ°ΡΡ ΠΎΠ±ΡΡΠ½ΡΠΌ ΡΠΏΠΎΡΠΎΠ±ΠΎΠΌ β ΠΏΡΠΈ ΡΡΠ»ΠΎΠ²ΠΈΠΈ, ΡΡΠΎ Π² Π±Π»ΠΎΠΊ ΠΌΠΎΠ΄ΡΠ»ΡΡΠΎΡΠ° ΠΠΠ‘ Π½Π΅ ΠΏΠΎΠΏΠ°Π» Π²ΠΎΠ·Π΄ΡΡ . ΠΡΠ»ΠΈ Π΅Π΄ΠΈΠ½ΡΡΠ²Π΅Π½Π½ΡΠ΅ ΠΊΠΎΠΌΠΏΠΎΠ½Π΅Π½ΡΡ, ΠΊΠΎΡΠΎΡΡΠ΅ Π²Ρ Π·Π°ΠΌΠ΅Π½ΠΈΠ»ΠΈ, Π½Π°Ρ ΠΎΠ΄ΠΈΠ»ΠΈΡΡ Π½ΠΈΠΆΠ΅ ΠΏΠΎ ΠΏΠΎΡΠΎΠΊΡ ΠΎΡ ΠΌΠΎΠ΄ΡΠ»ΡΡΠΎΡΠ° (ΡΡΠΏΠΏΠΎΡΡΡ, ΠΊΠΎΠ»Π΅ΡΠ½ΡΠ΅ ΡΠΈΠ»ΠΈΠ½Π΄ΡΡ, ΡΠΎΡΠΌΠΎΠ·Π½ΡΠ΅ ΡΠ»Π°Π½Π³ΠΈ ΠΈΠ»ΠΈ ΡΡΡΠ±ΠΎΠΏΡΠΎΠ²ΠΎΠ΄Ρ), ΡΠΊΠΎΡΠ΅Π΅ Π²ΡΠ΅Π³ΠΎ, ΠΎΠ±ΡΡΠ½ΡΠ΅ ΠΏΡΠΎΡΠ΅Π΄ΡΡΡ ΠΏΡΠΎΠΊΠ°ΡΠΊΠΈ ΠΎΡΠΈΡΡΡΡ ΡΡΡΠ±ΠΎΠΏΡΠΎΠ²ΠΎΠ΄Ρ ΠΎΡ Π½Π΅ΠΆΠ΅Π»Π°ΡΠ΅Π»ΡΠ½ΠΎΠ³ΠΎ Π²ΠΎΠ·Π΄ΡΡ Π°.
ΠΡΠΎΠΊΠ°ΡΠΊΡ ΡΠΎΡΠΌΠΎΠ·ΠΎΠ² ΠΌΠΎΠΆΠ½ΠΎ ΠΏΡΠΎΠΊΠ°ΡΠΈΠ²Π°ΡΡ Π²ΡΡΡΠ½ΡΡ, Ρ ΠΏΠΎΠΌΠΎΡΡΡ ΠΏΡΠΎΠΊΠ°ΡΠΊΠΈ, ΠΈΠ½ΠΆΠ΅ΠΊΡΠΎΡΠ° ΠΈΠ»ΠΈ Π²Π°ΠΊΡΡΠΌΠ½ΠΎΠ³ΠΎ ΠΏΡΠΎΠΊΠ°ΡΠΈΠ²Π°ΡΠ΅Π»Ρ. ΠΠ΅ ΠΈΠΌΠ΅Π΅Ρ Π·Π½Π°ΡΠ΅Π½ΠΈΡ, ΠΊΠ°ΠΊΠΎΠΉ ΠΌΠ΅ΡΠΎΠ΄ Π²Ρ ΠΈΡΠΏΠΎΠ»ΡΠ·ΡΠ΅ΡΠ΅, Π΅ΡΠ»ΠΈ Π²ΡΠ΅ Π»ΠΈΠ½ΠΈΠΈ ΠΈ ΠΊΠΎΠΌΠΏΠΎΠ½Π΅Π½ΡΡ ΠΏΡΠΎΠΌΡΠ²Π°ΡΡΡΡ Π΄ΠΎΡΡΠ°ΡΠΎΡΠ½ΡΠΌ ΠΊΠΎΠ»ΠΈΡΠ΅ΡΡΠ²ΠΎΠΌ ΠΆΠΈΠ΄ΠΊΠΎΡΡΠΈ Π΄Π»Ρ ΡΠ΄Π°Π»Π΅Π½ΠΈΡ Π»ΡΠ±ΡΡ Π·Π°Ρ Π²Π°ΡΠ΅Π½Π½ΡΡ ΠΏΡΠ·ΡΡΡΠΊΠΎΠ² Π²ΠΎΠ·Π΄ΡΡ Π° ΠΈΠ»ΠΈ Π²ΠΎΠ·Π΄ΡΡΠ½ΡΡ ΠΊΠ°ΡΠΌΠ°Π½ΠΎΠ².
ΠΠ°ΠΈΠ±ΠΎΠ»Π΅Π΅ ΡΠ°ΡΠΏΡΠΎΡΡΡΠ°Π½Π΅Π½Π½Π°Ρ ΠΏΡΠΎΡΠ΅Π΄ΡΡΠ° ΠΏΡΠΎΠΊΠ°ΡΠΊΠΈ ΡΠΎΡΡΠΎΠΈΡ Π² ΡΠΎΠΌ, ΡΡΠΎΠ±Ρ ΡΠ½Π°ΡΠ°Π»Π° ΠΏΡΠΎΠΊΠ°ΡΠ°ΡΡ ΡΠΎΡΠΌΠΎΠ·, ΡΠ°ΠΌΡΠΉ Π΄Π°Π»ΡΠ½ΠΈΠΉ ΠΎΡ Π³Π»Π°Π²Π½ΠΎΠ³ΠΎ ΡΠΈΠ»ΠΈΠ½Π΄ΡΠ°, Π° Π·Π°ΡΠ΅ΠΌ ΠΏΡΠΎΠΊΠ°ΡΠ°ΡΡ Π΄ΡΡΠ³ΠΎΠΉ ΡΠΎΡΠΌΠΎΠ·, ΠΊΠΎΡΠΎΡΡΠΉ ΠΈΡΠΏΠΎΠ»ΡΠ·ΡΠ΅Ρ ΡΠΎΡ ΠΆΠ΅ Π³ΠΈΠ΄ΡΠ°Π²Π»ΠΈΡΠ΅ΡΠΊΠΈΠΉ ΠΊΠΎΠ½ΡΡΡ (ΡΡΠΎ ΠΌΠΎΠΆΠ΅Ρ Π±ΡΡΡ Π΄ΡΡΠ³ΠΎΠΉ Π·Π°Π΄Π½ΠΈΠΉ ΡΠΎΡΠΌΠΎΠ· Π½Π° Π·Π°Π΄Π½Π΅ΠΏΡΠΈΠ²ΠΎΠ΄Π½ΠΎΠΌ Π°Π²ΡΠΎΠΌΠΎΠ±ΠΈΠ»Π΅ ΠΈΠ»ΠΈ Π³ΡΡΠ·ΠΎΠ²ΠΈΠΊΠ΅, ΠΈΠ»ΠΈ Π½Π°ΠΏΡΠΎΡΠΈΠ² ΠΏΠ΅ΡΠ΅Π΄Π½Π΅Π³ΠΎ ΡΠΎΡΠΌΠΎΠ·Π° Π½Π° ΠΏΠ΅ΡΠ΅Π΄Π½Π΅ΠΏΡΠΈΠ²ΠΎΠ΄Π½ΠΎΠΌ Π°Π²ΡΠΎΠΌΠΎΠ±ΠΈΠ»Π΅ ΠΈΠ»ΠΈ ΠΌΠΈΠ½ΠΈΠ²ΡΠ½Π΅).
ΠΠΎΡΠ»Π΅ ΠΏΡΠΎΠΊΠ°ΡΠΊΠΈ ΠΈΠ· Π½ΠΈΡ ΠΏΡΠΎΠΊΠ°ΡΠ°ΠΉΡΠ΅ Π΄ΡΡΠ³ΠΎΠΉ ΡΠΎΡΠΌΠΎΠ·Π½ΠΎΠΉ ΠΊΠΎΠ½ΡΡΡ, Π½Π°ΡΠΈΠ½Π°Ρ Ρ ΡΠ°ΠΌΠΎΠ³ΠΎ Π΄Π°Π»ΡΠ½Π΅Π³ΠΎ ΡΠΎΡΠΌΠΎΠ·Π° ΠΎΡ Π³Π»Π°Π²Π½ΠΎΠ³ΠΎ ΡΠΈΠ»ΠΈΠ½Π΄ΡΠ°.
ΠΡΠ΅Π³Π΄Π° ΡΠ²Π΅ΡΡΠΉΡΠ΅ΡΡ Ρ ΡΠ΅ΠΊΠΎΠΌΠ΅Π½Π΄ΡΠ΅ΠΌΠΎΠΉ ΠΈΠ·Π³ΠΎΡΠΎΠ²ΠΈΡΠ΅Π»Π΅ΠΌ Π°Π²ΡΠΎΠΌΠΎΠ±ΠΈΠ»Ρ ΠΏΠΎΡΠ»Π΅Π΄ΠΎΠ²Π°ΡΠ΅Π»ΡΠ½ΠΎΡΡΡΡ ΠΏΡΠΎΠΊΠ°ΡΠΊΠΈ, ΡΠ°ΠΊ ΠΊΠ°ΠΊ ΠΎΠ½Π° ΠΌΠΎΠΆΠ΅Ρ ΡΠ°Π·Π»ΠΈΡΠ°ΡΡΡΡ Π² Π·Π°Π²ΠΈΡΠΈΠΌΠΎΡΡΠΈ ΠΎΡ ΠΊΠΎΠ½ΡΠΈΠ³ΡΡΠ°ΡΠΈΠΈ ΡΠΈΡΡΠ΅ΠΌΡ.
ΠΠΎΡΠΌΠΎΡΡΠΈΡΠ΅, ΠΏΡΠ΅ΠΆΠ΄Π΅ ΡΠ΅ΠΌ ΠΏΡΡΠ³Π°ΡΡ
ΠΠΎ ΡΡΠΎ, Π΅ΡΠ»ΠΈ Π²Ρ Π·Π°ΠΌΠ΅Π½ΠΈΠ»ΠΈ Π³Π»Π°Π²Π½ΡΠΉ ΡΠΈΠ»ΠΈΠ½Π΄Ρ, ΡΠΎΡΠΌΠΎΠ·Π½ΡΡ ΠΌΠ°Π³ΠΈΡΡΡΠ°Π»Ρ ΠΈΠ»ΠΈ ΠΊΠ»Π°ΠΏΠ°Π½ ΠΏΠ΅ΡΠ΅Π΄ ΠΌΠΎΠ΄ΡΠ»ΡΡΠΎΡΠΎΠΌ ABS? Π Π΅ΡΠ»ΠΈ Π±Ρ ΠΏΡΠΈΡΠ»ΠΎΡΡ Π·Π°ΠΌΠ΅Π½ΠΈΡΡ ΠΌΠΎΠ΄ΡΠ»ΡΡΠΎΡ ΠΈΠ»ΠΈ Π°ΠΊΠΊΡΠΌΡΠ»ΡΡΠΎΡ Π²ΡΡΠΎΠΊΠΎΠ³ΠΎ Π΄Π°Π²Π»Π΅Π½ΠΈΡ? Π’Π΅ΠΏΠ΅ΡΡ Π²Π°ΠΌ ΠΏΡΠ΅Π΄ΡΡΠΎΠΈΡ Π±ΠΎΠ»Π΅Π΅ ΡΠ»ΠΎΠΆΠ½Π°Ρ ΡΠ°Π±ΠΎΡΠ°.
ΠΠΎΠ·Π΄ΡΡ
ΠΌΠΎΠΆΠ΅Ρ Π±ΡΡΡ ΠΎΡΠ΅Π½Ρ ΡΡΡΠ΄Π½ΠΎ ΡΠ΄Π°Π»ΠΈΡΡ ΠΈΠ· ΡΠ·Π»Π° ΠΌΠΎΠ΄ΡΠ»ΡΡΠΎΡΠ° ABS ΠΈΠ·-Π·Π° ΠΌΠ½ΠΎΠΆΠ΅ΡΡΠ²Π° Π·Π°ΠΊΠΎΡΠ»ΠΊΠΎΠ² Π²Π½ΡΡΡΠΈ Π±Π»ΠΎΠΊΠ°. ΠΠΎΠ΄ΡΠ»ΡΡΠΎΡ ΠΌΠΎΠΆΠ΅Ρ ΠΈΠΌΠ΅ΡΡ ΠΎΡ Π²ΠΎΡΡΠΌΠΈ Π΄ΠΎ Π΄Π΅ΡΡΡΠΈ ΠΈΠ»ΠΈ Π±ΠΎΠ»Π΅Π΅ ΡΠ»Π΅ΠΊΡΡΠΎΠΌΠ°Π³Π½ΠΈΡΠ½ΡΡ
ΠΊΠ»Π°ΠΏΠ°Π½ΠΎΠ² ABS/ΡΠΏΡΠ°Π²Π»Π΅Π½ΠΈΡ ΡΡΠ³ΠΎΠΉ, Π° ΡΠ°ΠΊΠΆΠ΅ ΡΠ°Π·Π»ΠΈΡΠ½ΡΠ΅ ΠΎΠ±ΡΠ°ΡΠ½ΡΠ΅ ΠΊΠ»Π°ΠΏΠ°Π½Ρ ΠΈ ΡΡΠΏΠΈΠΊΠΎΠ²ΡΠ΅ ΠΏΠΎΡΡΡ. Π Π½Π΅ΠΊΠΎΡΠΎΡΡΡ
ΠΌΠΎΠ΄ΡΠ»ΡΡΠΎΡΠ°Ρ
ABS Π΅ΡΡΡ ΡΠΏΠ΅ΡΠΈΠ°Π»ΡΠ½ΡΠ΅ Π²ΠΈΠ½ΡΡ Π΄Π»Ρ Π²ΡΠΏΡΡΠΊΠ° Π²ΠΎΠ·Π΄ΡΡ
Π°, ΠΏΠΎΠΌΠΎΠ³Π°ΡΡΠΈΠ΅ Π²ΡΠΏΡΡΡΠΈΡΡ Π·Π°Ρ
Π²Π°ΡΠ΅Π½Π½ΡΠΉ Π²ΠΎΠ·Π΄ΡΡ
ΠΏΡΠΈ ΠΏΡΠΎΠΊΠ°ΡΠΊΠ΅ ΡΠΈΡΡΠ΅ΠΌΡ. ΠΡΡΠ³ΠΈΠ΅ ΡΡΠΎΠ³ΠΎ Π½Π΅ Π΄Π΅Π»Π°ΡΡ ΠΈ ΡΡΠ΅Π±ΡΡΡ ΠΈΡΠΏΠΎΠ»ΡΠ·ΠΎΠ²Π°Π½ΠΈΡ ΡΠΊΠ°Π½ΠΈΡΡΡΡΠ΅Π³ΠΎ ΠΏΡΠΈΠ±ΠΎΡΠ° Π΄Π»Ρ Π²ΠΊΠ»ΡΡΠ΅Π½ΠΈΡ ΡΠΎΠ»Π΅Π½ΠΎΠΈΠ΄ΠΎΠ² ABS Π²ΠΎ Π²ΡΠ΅ΠΌΡ ΠΏΡΠΎΠΊΠ°ΡΠΊΠΈ ΡΠΈΡΡΠ΅ΠΌΡ.
Π§ΡΠΎΠ±Ρ Π»ΡΡΡΠ΅ ΠΏΠΎΠ½ΡΡΡ, ΡΡΠΎ ΠΌΠΎΠΆΠ΅Ρ ΠΏΠΎΡΡΠ΅Π±ΠΎΠ²Π°ΡΡΡΡ, Π΄Π°Π²Π°ΠΉΡΠ΅ ΡΠ°ΡΡΠΌΠΎΡΡΠΈΠΌ Π½Π΅ΠΊΠΎΡΠΎΡΡΠ΅ ΠΏΡΠΎΡΠ΅Π΄ΡΡΡ ΠΏΡΠΎΠΊΠ°ΡΠΊΠΈ Π΄Π»Ρ Π½Π΅ΠΊΠΎΡΠΎΡΡΡ ΡΠ°ΡΠΏΡΠΎΡΡΡΠ°Π½Π΅Π½Π½ΡΡ ΡΠΈΡΡΠ΅ΠΌ ABS General Motors .
Π‘ΠΈΡΡΠ΅ΠΌΠ° Delco ABS-VI
ΠΠ½ΡΠΈΠ±Π»ΠΎΠΊΠΈΡΠΎΠ²ΠΎΡΠ½Π°Ρ ΡΠΎΡΠΌΠΎΠ·Π½Π°Ρ ΡΠΈΡΡΠ΅ΠΌΠ° Delco ABS-VI, ΠΏΡΠ΅Π΄ΡΡΠ°Π²Π»Π΅Π½Π½Π°Ρ Π² 1991 Π³ΠΎΠ΄Ρ Π² ΠΊΠ°ΡΠ΅ΡΡΠ²Π΅ ΠΎΠΏΡΠΈΠΈ Π½Π° ΠΌΠΎΠ΄Π΅Π»ΡΡ
Saturn, Buick Skylark, Oldsmobile Cutlass Calais ΠΈ Pontiac Grand Am, ΠΈΡΠΏΠΎΠ»ΡΠ·ΠΎΠ²Π°Π»Π°ΡΡ Π½Π° ΠΌΠ½ΠΎΠ³ΠΈΡ
ΠΠ΅ΡΠ΅Π΄Π½Π΅ΠΏΡΠΈΠ²ΠΎΠ΄Π½ΡΠ΅ Π°Π²ΡΠΎΠΌΠΎΠ±ΠΈΠ»ΠΈ General Motors, Π²ΠΊΠ»ΡΡΠ°Ρ Chevrolet Lumina ΠΈ APV, Chevrolet Beretta, Corsica ΠΈ Cavalier, Pontiac Grand Prix, Sunbird, Oldsmobile Cutlass Supreme ΠΈ Buick Regal.
Π‘ΠΈΡΡΠ΅ΠΌΠ° Delco VI ΠΏΡΠ΅Π΄ΡΡΠ°Π²Π»ΡΠ΅Ρ ΡΠΎΠ±ΠΎΠΉ Π½Π΅ΠΈΠ½ΡΠ΅Π³ΡΠΈΡΠΎΠ²Π°Π½Π½ΡΡ ΡΠΈΡΡΠ΅ΠΌΡ ABS Ρ ΠΎΠ±ΡΡΠ½ΡΠΌ Π³Π»Π°Π²Π½ΡΠΌ ΡΠΎΡΠΌΠΎΠ·Π½ΡΠΌ ΡΠΈΠ»ΠΈΠ½Π΄ΡΠΎΠΌ ΠΈ ΡΡΠΈΠ»ΠΈΡΠ΅Π»Π΅ΠΌ ΠΌΠΎΡΠ½ΠΎΡΡΠΈ. ΠΠ½ ΠΈΠΌΠ΅Π΅Ρ ΡΠ΅ΡΡΡΠ΅ Π΄Π°ΡΡΠΈΠΊΠ° ΡΠΊΠΎΡΠΎΡΡΠΈ Π²ΡΠ°ΡΠ΅Π½ΠΈΡ ΠΊΠΎΠ»Π΅Ρ, Π½ΠΎ ΠΏΡΠ΅Π΄ΡΡΠ°Π²Π»ΡΠ΅Ρ ΡΠΎΠ±ΠΎΠΉ ΡΡΠ΅Ρ ΠΊΠ°Π½Π°Π»ΡΠ½ΡΡ ΡΠΈΡΡΠ΅ΠΌΡ. ΠΠ΅ΡΠ΅Π΄Π½ΠΈΠ΅ ΡΠΎΡΠΌΠΎΠ·Π° ΡΠΏΡΠ°Π²Π»ΡΡΡΡΡ ΠΎΡΠ΄Π΅Π»ΡΠ½ΠΎ, Π° Π·Π°Π΄Π½ΠΈΠ΅ ΡΠΎΡΠΌΠΎΠ·Π° ΠΈΠΌΠ΅ΡΡ ΠΎΠ±ΡΠΈΠΉ ΠΊΠΎΠ½ΡΡΡ ABS.
Π Π³Π»Π°Π²Π½ΠΎΠΌΡ ΡΠΈΠ»ΠΈΠ½Π΄ΡΡ ΠΏΡΠΈΠΊΡΠ΅ΠΏΠ»Π΅Π½Ρ Π³ΠΈΠ΄ΡΠ°Π²Π»ΠΈΡΠ΅ΡΠΊΠΈΠΉ ΠΌΠΎΠ΄ΡΠ»ΡΡΠΎΡ ΠΈ Π±Π»ΠΎΠΊ Π΄Π²ΠΈΠ³Π°ΡΠ΅Π»Ρ.
ΠΠΎΠ΄ΡΠ»ΡΡΠΎΡ ΡΠ΄Π΅ΡΠΆΠΈΠ²Π°Π΅ΡΡΡ Π΄Π²ΡΠΌΡ ΠΏΠΎΠ»ΡΠΌΠΈ Π±ΠΎΠ»ΡΠ°ΠΌΠΈ Π½Π° Π΄Π²ΡΡ
Π²Π΅ΡΡ
Π½ΠΈΡ
Π²ΡΡ
ΠΎΠ΄Π½ΡΡ
ΠΎΡΠ²Π΅ΡΡΡΠΈΡΡ
Π³Π»Π°Π²Π½ΠΎΠ³ΠΎ ΡΠΈΠ»ΠΈΠ½Π΄ΡΠ° ΠΈ Π΄Π²ΡΠΌΡ ΠΏΠ΅ΡΠ΅Ρ
ΠΎΠ΄Π½ΡΠΌΠΈ ΡΡΡΠ±ΠΊΠ°ΠΌΠΈ Π½Π° Π΄Π²ΡΡ
Π½ΠΈΠΆΠ½ΠΈΡ
Π²ΡΡ
ΠΎΠ΄Π½ΡΡ
ΠΎΡΠ²Π΅ΡΡΡΠΈΡΡ
. ΠΠ°ΠΆΠ½ΡΠΉ ΡΠ΅ΡΠ²ΠΈΡΠ½ΡΠΉ ΠΌΠΎΠΌΠ΅Π½Ρ, Π½Π° ΠΊΠΎΡΠΎΡΡΠΉ ΡΠ»Π΅Π΄ΡΠ΅Ρ ΠΎΠ±ΡΠ°ΡΠΈΡΡ Π²Π½ΠΈΠΌΠ°Π½ΠΈΠ΅, Π·Π°ΠΊΠ»ΡΡΠ°Π΅ΡΡΡ Π² ΡΠΎΠΌ, ΡΡΠΎ Π΄Π²Π΅ Π½ΠΈΠΆΠ½ΠΈΠ΅ ΠΏΠ΅ΡΠ΅Ρ
ΠΎΠ΄Π½ΡΠ΅ ΡΡΡΠ±ΠΊΠΈ ΠΈ ΡΠΏΠ»ΠΎΡΠ½ΠΈΡΠ΅Π»ΡΠ½ΡΠ΅ ΠΊΠΎΠ»ΡΡΠ° Π΄ΠΎΠ»ΠΆΠ½Ρ Π±ΡΡΡ Π·Π°ΠΌΠ΅Π½Π΅Π½Ρ, Π΅ΡΠ»ΠΈ Π³Π»Π°Π²Π½ΡΠΉ ΡΠΈΠ»ΠΈΠ½Π΄Ρ ΠΈ ΠΌΠΎΠ΄ΡΠ»ΡΡΠΎΡ ΠΎΡΡΠΎΠ΅Π΄ΠΈΠ½Π΅Π½Ρ Π΄ΡΡΠ³ ΠΎΡ Π΄ΡΡΠ³Π°. ΠΡΠΎ Π½Π΅ΠΎΠ±Ρ
ΠΎΠ΄ΠΈΠΌΠΎ Π΄Π»Ρ ΠΏΡΠ΅Π΄ΠΎΡΠ²ΡΠ°ΡΠ΅Π½ΠΈΡ ΡΡΠ΅ΡΠ΅ΠΊ, ΠΊΠΎΡΠΎΡΡΠ΅ ΠΌΠΎΠ³ΡΡ ΠΏΡΠΈΠ²Π΅ΡΡΠΈ ΠΊ ΠΎΡΠΊΠ°Π·Ρ ΡΠΎΡΠΌΠΎΠ·ΠΎΠ².
Π£Π·Π΅Π» ΠΌΠΎΠ΄ΡΠ»ΡΡΠΎΡΠ° ΠΈΠΌΠ΅Π΅Ρ ΠΆΠΈΠ΄ΠΊΠΎΡΡΠ½ΡΠ΅ ΠΊΠ°ΠΌΠ΅ΡΡ Π΄Π»Ρ Π²ΡΠ΅Ρ
ΡΠ΅ΡΡΡΠ΅Ρ
ΡΠΎΡΠΌΠΎΠ·ΠΎΠ², Π΄Π²Π° ΠΈΠ·ΠΎΠ»ΠΈΡΡΡΡΠΈΡ
ΡΠ»Π΅ΠΊΡΡΠΎΠΌΠ°Π³Π½ΠΈΡΠ½ΡΡ
ΠΊΠ»Π°ΠΏΠ°Π½Π°, ΡΠ΅ΡΡΡΠ΅ ΠΎΠ±ΡΠ°ΡΠ½ΡΡ
ΡΠ°ΡΠΈΠΊΠ°, ΠΌΠΎΡΠΎΡΠ½ΡΠΉ Π±Π»ΠΎΠΊ, ΡΠΎΠ΄Π΅ΡΠΆΠ°ΡΠΈΠΉ ΡΡΠΈ Π΄Π²ΡΠ½Π°ΠΏΡΠ°Π²Π»Π΅Π½Π½ΡΡ
Π΄Π²ΠΈΠ³Π°ΡΠ΅Π»Ρ ΠΏΠΎΡΡΠΎΡΠ½Π½ΠΎΠ³ΠΎ ΡΠΎΠΊΠ° Ρ ΡΠ»Π΅ΠΊΡΡΠΎΠΌΠ°Π³Π½ΠΈΡΠ½ΡΠΌΠΈ ΡΠΎΡΠΌΠΎΠ·Π°ΠΌΠΈ (EMB) ΠΈ/ΠΈΠ»ΠΈ ΠΏΡΡΠΆΠΈΠ½Π½ΡΠΌΠΈ ΡΠΎΡΠΌΠΎΠ·Π°ΠΌΠΈ (ESB), ΡΡΠΈ ΡΠ°ΡΠΈΠΊΠΎΠ²ΡΡ
Π²ΠΈΠ½ΡΠ° Π°Π³ΡΠ΅Π³Π°ΡΡ, ΡΠ΅ΡΡΡΠ΅ ΠΏΠΎΡΡΠ½Ρ, ΠΊΠΎΠΌΠΏΠ»Π΅ΠΊΡ ΡΠ΅ΡΡΠ΅ΡΠ΅Π½ΡΠ°ΡΠΎΠ³ΠΎ ΠΏΡΠΈΠ²ΠΎΠ΄Π° ΠΈ ΠΊΠΎΠΆΡΡ
ΡΠ΅ΡΡΠ΅ΡΠ½ΠΈ. ΠΠΎΡΠΎΡΠ½ΡΠΉ Π±Π»ΠΎΠΊ ΠΌΠΎΠ΄ΡΠ»ΡΡΠΎΡΠ°, Π·Π°ΠΏΠΎΡΠ½ΡΠ΅ ΡΠ»Π΅ΠΊΡΡΠΎΠΌΠ°Π³Π½ΠΈΡΠ½ΡΠ΅ ΠΊΠ»Π°ΠΏΠ°Π½Ρ, ΠΊΡΡΡΠΊΠ° ΡΠ΅ΡΡΠ΅ΡΠ½ΠΈ ΠΈ ΠΎΡΠ΄Π΅Π»ΡΠ½ΡΠ΅ ΡΠ΅ΡΡΠ΅ΡΠ½ΠΈ ΡΠ²Π»ΡΡΡΡΡ ΠΎΠ±ΡΠ»ΡΠΆΠΈΠ²Π°Π΅ΠΌΡΠΌΠΈ Π΄Π΅ΡΠ°Π»ΡΠΌΠΈ ΠΈ ΠΌΠΎΠ³ΡΡ Π·Π°ΠΌΠ΅Π½ΡΡΡΡΡ ΠΎΡΠ΄Π΅Π»ΡΠ½ΠΎ.
Π’ΠΎΡΠΌΠΎΠ·Π° Π°Π²ΡΠΎΠΌΠΎΠ±ΠΈΠ»Π΅ΠΉ GM, ΠΎΠ±ΠΎΡΡΠ΄ΠΎΠ²Π°Π½Π½ΡΡ Delco ABS-VI, ΠΌΠΎΠΆΠ½ΠΎ ΠΏΡΠΎΠΊΠ°ΡΠΈΠ²Π°ΡΡ Π²ΡΡΡΠ½ΡΡ, Π²Π°ΠΊΡΡΠΌΠΎΠΌ ΠΈΠ»ΠΈ ΠΏΠΎΠ΄ Π΄Π°Π²Π»Π΅Π½ΠΈΠ΅ΠΌ. ΠΠ±ΡΡΠ½Π°Ρ ΠΏΠΎΡΠ»Π΅Π΄ΠΎΠ²Π°ΡΠ΅Π»ΡΠ½ΠΎΡΡΡ ΠΊΡΠΎΠ²ΠΎΡΠ΅ΡΠ΅Π½ΠΈΡ: ΡΠΏΡΠ°Π²Π° ΡΠ·Π°Π΄ΠΈ, ΡΠ»Π΅Π²Π° ΡΠ·Π°Π΄ΠΈ, ΡΠΏΡΠ°Π²Π° ΡΠΏΠ΅ΡΠ΅Π΄ΠΈ, ΡΠ»Π΅Π²Π° ΡΠΏΠ΅ΡΠ΅Π΄ΠΈ.
ΠΡΠΎΠΊΠ°ΡΠΊΠ° ΡΠΈΡΡΠ΅ΠΌΡ Delco ABS-VI
ΠΠ΄Π½Π°ΠΊΠΎ ΠΏΡΠ΅ΠΆΠ΄Π΅ ΡΠ΅ΠΌ Π½Π°ΡΠ°ΡΡ, Π²Ρ Π΄ΠΎΠ»ΠΆΠ½Ρ ΡΠ±Π΅Π΄ΠΈΡΡΡΡ, ΡΡΠΎ Π·Π°Π΄Π½ΠΈΠ΅ ΠΏΠΎΡΡΠ½ΠΈ Π² ΠΌΠΎΠ΄ΡΠ»ΡΡΠΎΡΠ΅ Delco ABS-VI Π½Π°Ρ
ΠΎΠ΄ΡΡΡΡ Π² ΠΈΡΡ
ΠΎΠ΄Π½ΠΎΠΌ ΠΏΠΎΠ»ΠΎΠΆΠ΅Π½ΠΈΠΈ, ΡΡΠΎΠ±Ρ ΠΊΠΎΠ½ΡΡΠΎΠ»ΡΠ½ΡΠ΅ ΡΠ°ΡΠΈΠΊΠΈ Π½Π΅ ΡΠ΅Π»ΠΈ. ΠΡΠ»ΠΈ ΡΡΠΎΠ³ΠΎ Π½Π΅ ΡΠ΄Π΅Π»Π°ΡΡ, Π²Ρ Π½Π΅ ΡΠΌΠΎΠΆΠ΅ΡΠ΅ ΠΏΡΠΎΠΊΠ°ΡΠ°ΡΡ Π·Π°Π΄Π½ΠΈΠ΅ ΡΠΎΡΠΌΠΎΠ·Π½ΡΠ΅ ΠΌΠ°Π³ΠΈΡΡΡΠ°Π»ΠΈ.
ΠΡΠΎ ΠΌΠΎΠΆΠ½ΠΎ ΡΠ΄Π΅Π»Π°ΡΡ Π΄Π²ΡΠΌΡ ΡΠΏΠΎΡΠΎΠ±Π°ΠΌΠΈ:
Π‘ ΠΏΠΎΠΌΠΎΡΡΡ Π΄ΠΈΠ°Π³Π½ΠΎΡΡΠΈΡΠ΅ΡΠΊΠΎΠ³ΠΎ ΠΏΡΠΈΠ±ΠΎΡΠ° Tech 1 ΠΈΠ»ΠΈ Π°Π½Π°Π»ΠΎΠ³ΠΈΡΠ½ΠΎΠ³ΠΎ Π²ΡΠ±Π΅ΡΠΈΡΠ΅ ΡΠ΅ΠΆΠΈΠΌ ΠΏΡΠΎΠ²Π΅ΡΠΊΠΈ ABS F4, Π·Π°ΡΠ΅ΠΌ Π²ΡΠ±Π΅ΡΠΈΡΠ΅ ΠΎΠΏΡΠΈΡ F0 Β«ΡΡΡΠ½ΠΎΠ΅ ΡΠΏΡΠ°Π²Π»Π΅Π½ΠΈΠ΅Β». Π’Π΅ΠΏΠ΅ΡΡ Π²Ρ ΠΌΠΎΠΆΠ΅ΡΠ΅ Π΄Π°ΡΡ ΠΊΠΎΠΌΠ°Π½Π΄Ρ Π·Π°Π΄Π½Π΅ΠΌΡ Π΄Π²ΠΈΠ³Π°ΡΠ΅Π»Ρ ΠΏΠ΅ΡΠ΅Π²Π΅ΡΡΠΈ ΠΏΠΎΡΡΠ½ΠΈ Π² ΠΈΡΡ
ΠΎΠ΄Π½ΠΎΠ΅ ΠΏΠΎΠ»ΠΎΠΆΠ΅Π½ΠΈΠ΅.
ΠΠ΅Π· Π΄ΠΈΠ°Π³Π½ΠΎΡΡΠΈΡΠ΅ΡΠΊΠΎΠ³ΠΎ ΠΏΡΠΈΠ±ΠΎΡΠ° ΠΎΡΠΊΡΠΎΠΉΡΠ΅ ΠΏΠ΅ΡΠ΅Π΄Π½ΠΈΠΉ ΡΡΡΡΠ΅Ρ Π΄Π»Ρ Π²ΡΠΏΡΡΠΊΠ° Π²ΠΎΠ·Π΄ΡΡ
Π° Π½Π° ΠΌΠΎΠ΄ΡΠ»ΡΡΠΎΡΠ΅. ΠΡ
Π΄Π²Π°, ΠΏΠΎΡΡΠΎΠΌΡ ΠΎΠ±ΡΠ·Π°ΡΠ΅Π»ΡΠ½ΠΎ ΠΎΡΠΊΡΠΎΠΉΡΠ΅ ΠΏΠ΅ΡΠ΅Π΄Π½ΠΈΠΉ. ΠΠ°ΡΠ΅ΠΌ ΠΏΡΠΎΠΊΠ°ΡΠ°ΠΉΡΠ΅ ΠΌΠΎΠ΄ΡΠ»ΡΡΠΎΡ. ΠΠ°ΠΊΡΡΡΠΈΡΠ΅ Π²ΠΈΠ½Ρ, Π·Π°ΡΠ΅ΠΌ ΠΏΡΠΎΠΊΠ°ΡΠ°ΠΉΡΠ΅ ΠΎΠ±Π° ΠΏΠ΅ΡΠ΅Π΄Π½ΠΈΡ
ΡΠΎΡΠΌΠΎΠ·Π°, Π½Π°ΡΠΈΠ½Π°Ρ Ρ ΠΏΡΠ°Π²ΠΎΠ³ΠΎ.
ΠΠΎΡΠ»Π΅ ΠΏΡΠΎΠ²Π΅ΡΠΊΠΈ ΡΠ²Π΅ΡΠ΄ΠΎΡΡΠΈ ΠΏΠ΅Π΄Π°Π»ΠΈ ΠΏΡΠΎΠ΅Π΄ΡΡΠ΅ Π½Π° Π°Π²ΡΠΎΠΌΠΎΠ±ΠΈΠ»Π΅ ΡΠΎ ΡΠΊΠΎΡΠΎΡΡΡΡ Π½Π΅ Π±ΠΎΠ»Π΅Π΅ ΡΡΠ΅Ρ ΠΌΠΈΠ»Ρ Π² ΡΠ°Ρ. ΠΠΎΠ½ΡΡΠΎΠ»Π»Π΅Ρ Π°Π²ΡΠΎΠΌΠ°ΡΠΈΡΠ΅ΡΠΊΠΈ ΠΏΠ΅ΡΠ΅Π·Π°Π³ΡΡΠ·ΠΈΡ ΡΠΈΡΡΠ΅ΠΌΡ, Π΄Π°Π² ΠΊΠΎΠΌΠ°Π½Π΄Ρ Π·Π°Π΄Π½Π΅ΠΌΡ Π΄Π²ΠΈΠ³Π°ΡΠ΅Π»Ρ Π²Π΅ΡΠ½ΡΡΡΡΡ Π² ΠΈΡΡ ΠΎΠ΄Π½ΠΎΠ΅ ΠΏΠΎΠ»ΠΎΠΆΠ΅Π½ΠΈΠ΅. ΠΠ°ΠΊ ΡΠΎΠ»ΡΠΊΠΎ ΡΡΠΎ ΠΏΡΠΎΠΈΠ·ΠΎΡΠ»ΠΎ, Π²Ρ ΠΌΠΎΠΆΠ΅ΡΠ΅ ΠΎΡΡΠ°Π½ΠΎΠ²ΠΈΡΡ Π°Π²ΡΠΎΠΌΠΎΠ±ΠΈΠ»Ρ ΠΈ ΠΏΡΠΎΠΊΠ°ΡΠ°ΡΡ Π·Π°Π΄Π½ΠΈΠ΅ ΡΠΎΡΠΌΠΎΠ·Π°.
Π‘ΠΈΡΡΠ΅ΠΌΠ° ABS Delphi DBC-7
Π‘ΠΈΡΡΠ΅ΠΌΠ° Delphi Brake Control (DBC) 7 ABS, ΠΏΡΠ΅Π΄ΡΡΠ°Π²Π»Π΅Π½Π½Π°Ρ Π² 1999 Π³ΠΎΠ΄Ρ Π½Π° Buick Regal, Century ΠΈ Chevrolet Tracker, ΡΠ²Π»ΡΠ΅ΡΡΡ ΠΏΡΠ΅Π΅ΠΌΠ½ΠΈΠΊΠΎΠΌ ΡΠΈΡΡΠ΅ΠΌΡ Delco ABS-VI. ΠΠ½ Π·Π°ΠΌΠ΅Π½ΠΈΠ» ABS-VI Π² 2000 Π³ΠΎΠ΄Ρ Π½Π° Chevrolet Impala, Monte Carlo, Malibu, Cavalier and Venture, Pontiac Sunfire ΠΈ Montana, Π° ΡΠ°ΠΊΠΆΠ΅ Oldsmobile Cutlass ΠΈ Silhouette.
Π ΠΎΡΠ»ΠΈΡΠΈΠ΅ ΠΎΡ Π±ΠΎΠ»Π΅Π΅ ΡΠ°Π½Π½Π΅ΠΉ ΡΠΈΡΡΠ΅ΠΌΡ ABS-VI, DBC-7 Π½Π΅ ΠΈΡΠΏΠΎΠ»ΡΠ·ΡΠ΅Ρ ΠΏΠ»ΡΠ½ΠΆΠ΅ΡΡ Ρ ΠΏΡΠΈΠ²ΠΎΠ΄ΠΎΠΌ ΠΎΡ Π΄Π²ΠΈΠ³Π°ΡΠ΅Π»Ρ Π΄Π»Ρ ΠΈΠ·ΠΌΠ΅Π½Π΅Π½ΠΈΡ Π΄Π°Π²Π»Π΅Π½ΠΈΡ Π² ΡΠΎΡΠΌΠΎΠ·Π½ΡΡ
ΠΌΠ°Π³ΠΈΡΡΡΠ°Π»ΡΡ
. Π Π½Π΅ΠΌ ΠΈΡΠΏΠΎΠ»ΡΠ·ΡΡΡΡΡ ΡΠΎΠ»Π΅Π½ΠΎΠΈΠ΄Ρ, ΠΊΠ°ΠΊ ΠΈ Π² Π±ΠΎΠ»ΡΡΠΈΠ½ΡΡΠ²Π΅ Π΄ΡΡΠ³ΠΈΡ
ΡΠΈΡΡΠ΅ΠΌ ABS. ΠΠ»Π°ΠΏΠ°Π½ ΠΌΠΎΠ΄ΡΠ»ΡΡΠΎΡΠ° ΡΠΎΡΠΌΠΎΠ·Π½ΠΎΠ³ΠΎ Π΄Π°Π²Π»Π΅Π½ΠΈΡ ΠΈΠΌΠ΅Π΅Ρ ΠΎΠ΄ΠΈΠ½ Π²ΠΏΡΡΠΊΠ½ΠΎΠΉ (Π²ΠΊΠ»ΡΡΠ°ΡΡΠΈΠΉ) ΠΊΠ»Π°ΠΏΠ°Π½ ΠΈ ΠΎΠ΄ΠΈΠ½ Π²ΡΠΏΡΡΠΊΠ½ΠΎΠΉ (ΠΎΡΠΏΡΡΠΊΠ°ΡΡΠΈΠΉ) ΠΊΠ»Π°ΠΏΠ°Π½ Π΄Π»Ρ ΠΊΠ°ΠΆΠ΄ΠΎΠ³ΠΎ ΡΠΎΡΠΌΠΎΠ·Π½ΠΎΠ³ΠΎ ΠΊΠ°Π½Π°Π»Π°, Π° ΡΠ°ΠΊΠΆΠ΅ Π΄Π²Π° Π°ΠΊΠΊΡΠΌΡΠ»ΡΡΠΎΡΠ° (ΠΏΠΎ ΠΎΠ΄Π½ΠΎΠΌΡ Π½Π° ΠΊΠ°ΠΆΠ΄ΡΠΉ ΡΠΎΡΠΌΠΎΠ·Π½ΠΎΠΉ ΠΊΠΎΠ½ΡΡΡ).
Π’Π°ΠΊΠΈΠΌ ΠΎΠ±ΡΠ°Π·ΠΎΠΌ, BPMV ΡΠΎΠ΄Π΅ΡΠΆΠΈΡ Π² ΠΎΠ±ΡΠ΅ΠΉ ΡΠ»ΠΎΠΆΠ½ΠΎΡΡΠΈ ΡΠ΅ΡΡΡ ΠΊΠ»Π°ΠΏΠ°Π½ΠΎΠ² ABS Π΄Π»Ρ ΡΡΠ΅Ρ ΠΊΠ°Π½Π°Π»ΡΠ½ΠΎΠΉ ΡΠΈΡΡΠ΅ΠΌΡ, Π²ΠΎΡΠ΅ΠΌΡ ΠΊΠ»Π°ΠΏΠ°Π½ΠΎΠ² ABS Π΄Π»Ρ ΡΠ΅ΡΡΡΠ΅Ρ ΠΊΠ°Π½Π°Π»ΡΠ½ΠΎΠΉ ΡΠΈΡΡΠ΅ΠΌΡ ΠΈΠ»ΠΈ 10 ΠΊΠ»Π°ΠΏΠ°Π½ΠΎΠ² ABS, Π΅ΡΠ»ΠΈ Π½Π° Π°Π²ΡΠΎΠΌΠΎΠ±ΠΈΠ»Π΅ ΡΡΡΠ°Π½ΠΎΠ²Π»Π΅Π½Π° ββΡΠΈΡΡΠ΅ΠΌΠ° ΠΊΠΎΠ½ΡΡΠΎΠ»Ρ ΡΡΠ³ΠΈ TCS. ΠΠΏΡΡΠΊΠ½ΡΠ΅ ΠΊΠ»Π°ΠΏΠ°Π½Ρ Π½ΠΎΡΠΌΠ°Π»ΡΠ½ΠΎ ΠΎΡΠΊΡΡΡΡ, Π° Π²ΡΠΏΡΡΠΊΠ½ΡΠ΅ ΠΊΠ»Π°ΠΏΠ°Π½Ρ Π½ΠΎΡΠΌΠ°Π»ΡΠ½ΠΎ Π·Π°ΠΊΡΡΡΡ. ΠΠ° ΡΠΎΠ»Π΅Π½ΠΎΠΈΠ΄ ΠΊΠ°ΠΆΠ΄ΠΎΠ³ΠΎ ΠΊΠ»Π°ΠΏΠ°Π½Π° ΠΏΠΎΠ΄Π°Π΅ΡΡΡ ΠΏΠΈΡΠ°Π½ΠΈΠ΅, ΠΊΠΎΠ³Π΄Π° ΠΊΠΎΠ½ΡΡΠΎΠ»Π»Π΅Ρ ΡΠΎΡΠΌΠΎΠ·Π½ΠΎΠΉ ΡΠΈΡΡΠ΅ΠΌΡ ΠΎΠ±Π΅ΡΠΏΠ΅ΡΠΈΠ²Π°Π΅Ρ Π·Π°Π·Π΅ΠΌΠ»Π΅Π½ΠΈΠ΅ Π΄Π»Ρ Π·Π°ΠΌΡΠΊΠ°Π½ΠΈΡ ΡΠ΅ΠΏΠΈ.
ΠΡΠ΅ ΠΏΡΠΈΠ»ΠΎΠΆΠ΅Π½ΠΈΡ Π΄Π»Ρ Π»Π΅Π³ΠΊΠΎΠ²ΡΡ
Π°Π²ΡΠΎΠΌΠΎΠ±ΠΈΠ»Π΅ΠΉ GM ΠΏΡΠ΅Π΄ΡΡΠ°Π²Π»ΡΡΡ ΡΠΎΠ±ΠΎΠΉ ΡΠ΅ΡΡΡΠ΅Ρ
ΠΊΠ°Π½Π°Π»ΡΠ½ΡΠ΅ ΡΠΈΡΡΠ΅ΠΌΡ ABS, ΠΏΠΎΡΡΠΎΠΌΡ ΠΊΠ°ΠΆΠ΄ΡΠΉ ΠΈΠ· ΡΠ΅ΡΡΡΠ΅Ρ
Π²ΡΡ
ΠΎΠ΄ΠΎΠ² BPMV
ΠΏΠΎΠ΄ΠΊΠ»ΡΡΠ΅Π½ ΠΊ ΡΠΎΡΠΌΠΎΠ·Π½ΠΎΠΉ ΠΌΠ°Π³ΠΈΡΡΡΠ°Π»ΠΈ Π΄Π»Ρ ΠΎΡΠ΄Π΅Π»ΡΠ½ΠΎΠ³ΠΎ ΠΊΠΎΠ»Π΅ΡΠ°. ΠΠΈΠ½ΠΈΠΈ ΠΈΠΌΠ΅ΡΡ ΡΠ²Π΅ΡΠΎΠ²ΡΡ ΠΌΠ°ΡΠΊΠΈΡΠΎΠ²ΠΊΡ Π΄Π»Ρ ΠΈΠ΄Π΅Π½ΡΠΈΡΠΈΠΊΠ°ΡΠΈΠΈ:
β’ ΠΠ΅Π²Π°Ρ Π·Π°Π΄Π½ΡΡ ΡΠ°ΡΡΡ ΡΠΈΠΎΠ»Π΅ΡΠΎΠ²Π°Ρ;
β’ ΠΠ°Π΄Π½ΡΡ ΠΏΡΠ°Π²Π°Ρ ΠΆΠ΅Π»ΡΠ°Ρ;
β’ ΠΠ΅Π²Π°Ρ ΠΏΠ΅ΡΠ΅Π΄Π½ΡΡ ΡΠ°ΡΡΡ ΠΊΡΠ°ΡΠ½Π°Ρ; ΠΈ
β’ ΠΡΠ°Π²Π°Ρ ΠΏΠ΅ΡΠ΅Π΄Π½ΡΡ ΡΡΠΎΡΠΎΠ½Π° Π·Π΅Π»Π΅Π½ΠΎΠ³ΠΎ ΡΠ²Π΅ΡΠ°.
ΠΡΠΎΠΊΠ°ΡΠΊΠ° Π±Π»ΠΎΠΊΠ° ABS Delphi DBC-7
ΠΠ»Ρ ΠΏΡΠΎΠΊΠ°ΡΠΊΠΈ ΠΎΡΠ΄Π΅Π»ΡΠ½ΡΡ
ΡΠΎΡΠΌΠΎΠ·Π½ΡΡ
ΠΌΠ°Π³ΠΈΡΡΡΠ°Π»Π΅ΠΉ ΠΌΠΎΠΆΠ½ΠΎ ΠΈΡΠΏΠΎΠ»ΡΠ·ΠΎΠ²Π°ΡΡ ΠΎΠ±ΡΡΠ½ΡΠ΅ ΠΏΡΠΎΡΠ΅Π΄ΡΡΡ ΠΏΡΠΎΠΊΠ°ΡΠΊΠΈ ΠΏΡΠΈ ΡΡΠ»ΠΎΠ²ΠΈΠΈ, ΡΡΠΎ Π² ΠΌΠΎΠ΄ΡΠ»ΡΡΠΎΡ ABS Π½Π΅ ΠΏΠΎΠΏΠ°Π» Π²ΠΎΠ·Π΄ΡΡ
.
ΠΠΎ Π΅ΡΠ»ΠΈ Π² ΠΌΠΎΠ΄ΡΠ»ΡΡΠΎΡ ΠΏΠΎΠΏΠ°Π» Π²ΠΎΠ·Π΄ΡΡ
, ΡΠΈΡΡΠ΅ΠΌΡ Π½Π΅ΠΎΠ±Ρ
ΠΎΠ΄ΠΈΠΌΠΎ ΠΏΡΠΎΠΊΠ°ΡΠ°ΡΡ Ρ ΠΏΠΎΠΌΠΎΡΡΡ ΡΡΡΡΠΎΠΉΡΡΠ²Π° Π΄Π»Ρ ΡΠ±ΡΠΎΡΠ° Π΄Π°Π²Π»Π΅Π½ΠΈΡ ΠΈ Π΄ΠΈΠ°Π³Π½ΠΎΡΡΠΈΡΠ΅ΡΠΊΠΎΠ³ΠΎ ΠΏΡΠΈΠ±ΠΎΡΠ°:
1. ΠΠΎΠ΄ΡΠΎΠ΅Π΄ΠΈΠ½ΠΈΡΠ΅ ΡΡΡΡΠΎΠΉΡΡΠ²ΠΎ Π΄Π»Ρ Π²ΡΠΏΡΡΠΊΠ° Π²ΠΎΠ·Π΄ΡΡ
Π° ΠΊ Π±Π°ΡΠΊΡ Π³Π»Π°Π²Π½ΠΎΠ³ΠΎ ΡΠΈΠ»ΠΈΠ½Π΄ΡΠ°.
2. ΠΠΊΠ»ΡΡΠΈΡΠ΅ Π·Π°ΠΆΠΈΠ³Π°Π½ΠΈΠ΅.
3. ΠΡΠΈ Π·Π°ΠΊΡΡΡΡΡ ΠΏΡΠΎΠΊΠ°ΡΠ½ΡΡ Π²ΠΈΠ½ΡΠ°Ρ ΡΠΎΠ·Π΄Π°ΠΉΡΠ΅ Π΄Π°Π²Π»Π΅Π½ΠΈΠ΅ Π² ΡΠΈΡΡΠ΅ΠΌΠ΅ Π΄ΠΎ 35 ΡΡΠ½ΡΠΎΠ² Π½Π° ΠΊΠ²Π°Π΄ΡΠ°ΡΠ½ΡΠΉ Π΄ΡΠΉΠΌ.
4. ΠΡΠ±Π΅ΡΠΈΡΠ΅ Β«ΠΡΠΎΡΠ΅Π΄ΡΡΠ° Π°Π²ΡΠΎΠΌΠ°ΡΠΈΡΠ΅ΡΠΊΠΎΠΉ ΠΏΡΠΎΠΊΠ°ΡΠΊΠΈΒ» Π½Π° ΡΠΊΠ°Π½ΠΈΡΡΡΡΠ΅ΠΌ ΠΏΡΠΈΠ±ΠΎΡΠ΅. ΠΠ°ΡΠ΅ΠΌ ΡΠΊΠ°Π½ΠΈΡΡΡΡΠΈΠΉ ΠΏΡΠΈΠ±ΠΎΡ ΠΏΠΎΠ΄Π°ΡΡ ΠΏΠΈΡΠ°Π½ΠΈΠ΅ Π½Π° ΡΠΎΠ»Π΅Π½ΠΎΠΈΠ΄Ρ ABS Π² BPMV ΠΈ Π·Π°ΠΏΡΡΡΠΈΡ ΠΈΡ Π² ΡΠ΅ΡΠ΅Π½ΠΈΠ΅ ΠΎΠ΄Π½ΠΎΠΉ ΠΌΠΈΠ½ΡΡΡ.
ΠΠΎΡΠ»Π΅ ΡΡΠΎΠ³ΠΎ ΡΠΊΠ°Π½Π΅Ρ Π΄Π°ΡΡ ΡΠΊΠ°Π·Π°Π½ΠΈΠ΅ ΠΏΡΠΎΠΊΠ°ΡΠ°ΡΡ ΠΊΠ°ΠΆΠ΄ΠΎΠ΅ ΠΊΠΎΠ»Π΅ΡΠΎ. ΠΠΎ Π²ΡΠ΅ΠΌΡ ΡΡΠΎΠ³ΠΎ ΡΠ°Π³Π° Π½Π°ΡΠΎΡ ΡΠ°Π±ΠΎΡΠ°Π΅Ρ, ΠΈ ΡΠΎΠΎΡΠ²Π΅ΡΡΡΠ²ΡΡΡΠΈΠΉ Π²ΡΠΏΡΡΠΊΠ½ΠΎΠΉ ΠΊΠ»Π°ΠΏΠ°Π½ ΡΡΠ°Π±Π°ΡΡΠ²Π°Π΅Ρ Π² ΡΠ΅ΡΠ΅Π½ΠΈΠ΅ ΠΎΠ΄Π½ΠΎΠΉ ΠΌΠΈΠ½ΡΡΡ. ΠΡΠΎ ΠΏΠΎΠ²ΡΠΎΡΡΠ΅ΡΡΡ Π΄Π»Ρ ΠΊΠ°ΠΆΠ΄ΠΎΠ³ΠΎ ΠΊΠΎΠ»Π΅ΡΠ°. ΠΠ°ΠΊΠΎΠ½Π΅Ρ, ΡΠΊΠ°Π½ΠΈΡΡΡΡΠΈΠΉ ΠΏΡΠΈΠ±ΠΎΡ Π²ΡΠΏΠΎΠ»Π½ΡΠ΅Ρ ΠΏΠΎΡΠ»Π΅Π΄Π½ΠΈΠΉ 20-ΡΠ΅ΠΊΡΠ½Π΄Π½ΡΠΉ ΡΠΈΠΊΠ» ΡΠ°Π±ΠΎΡΡ ΡΠΎΠ»Π΅Π½ΠΎΠΈΠ΄ΠΎΠ² ABS, ΡΡΠΎΠ±Ρ ΡΠ΄Π°Π»ΠΈΡΡ ΠΎΡΡΠ°Π²ΡΠΈΠΉΡΡ Π²ΠΎΠ·Π΄ΡΡ .
5. Π‘Π±ΡΠΎΡΡΡΠ΅ Π΄Π°Π²Π»Π΅Π½ΠΈΠ΅ Π² ΠΏΡΠΈΡΠΏΠΎΡΠΎΠ±Π»Π΅Π½ΠΈΠΈ Π΄Π»Ρ ΠΏΡΠΎΠΊΠ°ΡΠΊΠΈ ΠΈ ΡΠ½ΠΈΠΌΠΈΡΠ΅ Π΅Π³ΠΎ Ρ Π³Π»Π°Π²Π½ΠΎΠ³ΠΎ ΡΠΈΠ»ΠΈΠ½Π΄ΡΠ°. ΠΠ°ΡΠ΅ΠΌ ΠΏΡΠΎΠ²Π΅ΡΡΡΠ΅ Π²ΡΡΠΎΡΡ ΠΏΠ΅Π΄Π°Π»ΠΈ ΠΈ ΡΠ±Π΅Π΄ΠΈΡΠ΅ΡΡ, ΡΡΠΎ Π²Π΅ΡΡ Π²ΠΎΠ·Π΄ΡΡ
ΡΠ΄Π°Π»Π΅Π½ ΠΈ ΠΏΠ΅Π΄Π°Π»Ρ ΠΏΡΠΎΡΠ½Π°Ρ.
Π‘ΠΈΡΡΠ΅ΠΌΠ° Bosch 5 ABS
Π 1995 Π³ΠΎΠ΄Ρ Π°Π²ΡΠΎΠΌΠΎΠ±ΠΈΠ»ΠΈ Corvettes Π±ΡΠ»ΠΈ ΠΎΡΠ½Π°ΡΠ΅Π½Ρ ΡΠΈΡΡΠ΅ΠΌΠΎΠΉ Bosch 5 ABS, ΠΊΠΎΡΠΎΡΠ°Ρ Π·Π°ΠΌΠ΅Π½ΠΈΠ»Π° ΠΏΡΠ΅Π΄ΡΠ΄ΡΡΡΡ ΡΠΈΡΡΠ΅ΠΌΡ Bosch ABS/ASR. Π‘ΠΈΡΡΠ΅ΠΌΠ° Bosch 5 ΡΠ°ΠΊΠΆΠ΅ ΠΈΡΠΏΠΎΠ»ΡΠ·ΠΎΠ²Π°Π»Π°ΡΡ Π² 1996β1999 Π³ΠΎΠ΄Π°Ρ
Π½Π° Chevy Caprice ΠΈ Impala, Buick, Estate Wagon ΠΈ Roadmaster, Π° ΡΠ°ΠΊΠΆΠ΅ Π½Π° Cadillac Deville, Eldorado, Fleetwood ΠΈ Seville.
Π ΡΠ·Π»Π΅ ΠΌΠΎΠ΄ΡΠ»ΡΡΠΎΡΠ° ΠΈΡΠΏΠΎΠ»ΡΠ·ΡΡΡΡΡ ΡΠΎΠ»Π΅Π½ΠΎΠΈΠ΄Ρ Π΄Π»Ρ ΠΊΠ°ΠΆΠ΄ΠΎΠ³ΠΎ ΡΠΎΡΠΌΠΎΠ·Π½ΠΎΠ³ΠΎ ΠΊΠΎΠ½ΡΡΡΠ°, Π½ΠΎ Π½Π΅Ρ ΡΠΏΠ΅ΡΠΈΠ°Π»ΡΠ½ΡΡ Π²ΡΠΏΡΡΠΊΠ½ΡΡ ΠΊΠ»Π°ΠΏΠ°Π½ΠΎΠ² ΠΈΠ»ΠΈ ΡΠΏΠ΅ΡΠΈΠ°Π»ΡΠ½ΠΎΠΉ ΠΏΡΠΎΡΠ΅Π΄ΡΡΡ ΠΏΡΠΎΠΊΠ°ΡΠΊΠΈ Ρ ΠΏΠΎΠΌΠΎΡΡΡ Π΄ΠΈΠ°Π³Π½ΠΎΡΡΠΈΡΠ΅ΡΠΊΠΎΠ³ΠΎ ΠΏΡΠΈΠ±ΠΎΡΠ°. Π’Π°ΠΊ ΡΡΠΎ ΡΠΎΡΠΌΠΎΠ·Π° ΠΌΠΎΠΆΠ½ΠΎ ΠΏΡΠΎΠΊΠ°ΡΠ°ΡΡ ΠΎΠ±ΡΡΠ½ΡΠΌ ΡΠΏΠΎΡΠΎΠ±ΠΎΠΌ. ΠΠΎΡΠ»Π΅Π΄ΠΎΠ²Π°ΡΠ΅Π»ΡΠ½ΠΎΡΡΡ: ΠΏΡΠ°Π²ΡΠΉ Π·Π°Π΄Π½ΠΈΠΉ, Π»Π΅Π²ΡΠΉ Π·Π°Π΄Π½ΠΈΠΉ, ΠΏΡΠ°Π²ΡΠΉ ΠΏΠ΅ΡΠ΅Π΄Π½ΠΈΠΉ ΠΈ Π»Π΅Π²ΡΠΉ ΠΏΠ΅ΡΠ΅Π΄Π½ΠΈΠΉ.
ΠΠ½Π°ΠΊΠΎΠΌΡΡΠ²ΠΎ ΡΠΎ ΡΡΠ°ΡΡΠΌΠΈ Π²ΡΡΡΠΎΠ΅Π½Π½ΡΠΌΠΈ ΡΠΈΡΡΠ΅ΠΌΠ°ΠΌΠΈ ABS
ΠΡΡΡΠΎΠ΅Π½Π½ΡΠ΅ ΡΠΈΡΡΠ΅ΠΌΡ ABS Π΄Π°Π²Π½ΠΎ ΡΠ½ΡΡΡ Ρ ΠΏΡΠΎΠΈΠ·Π²ΠΎΠ΄ΡΡΠ²Π°, Π½ΠΎ Π²Ρ Π²ΡΠ΅ Π΅ΡΠ΅ ΠΌΠΎΠΆΠ΅ΡΠ΅ Π²ΡΡΡΠ΅ΡΠΈΡΡ ΡΡΠΎΡ ΡΠΈΠΏ ΡΠΈΡΡΠ΅ΠΌΡ ABS Π½Π° Π½Π΅ΠΊΠΎΡΠΎΡΡΡ
ΡΡΠ°ΡΡΡ
Π°Π²ΡΠΎΠΌΠΎΠ±ΠΈΠ»ΡΡ
. ΠΡΠΈΠ»ΠΎΠΆΠ΅Π½ΠΈΡ GM Π²ΠΊΠ»ΡΡΠ°ΡΡ ΡΠΈΡΡΠ΅ΠΌΡ Delco III Powermaster Π½Π° 1989-91 ΠΌΠΎΠ΄Π΅Π»ΠΈ Buick Regal, Oldsmobile Cutlass ΠΈ Pontiac Grand Prix ΠΈ GTU.
Π€ΡΠ½ΠΊΡΠΈΠΎΠ½Π°Π»ΡΠ½ΠΎ ΠΎΠ½ Π°Π½Π°Π»ΠΎΠ³ΠΈΡΠ΅Π½ Π²ΡΡΡΠΎΠ΅Π½Π½ΡΠΌ ΡΠΈΡΡΠ΅ΠΌΠ°ΠΌ ABS Teves Mark 2, Bosch III ΠΈ Bendix 9 ΠΈ 10, ΠΊΠΎΡΠΎΡΡΠ΅ ΠΈΡΠΏΠΎΠ»ΡΠ·ΠΎΠ²Π°Π»ΠΈΡΡ Π½Π° ΡΡΠ°ΡΡΡ
Π°Π²ΡΠΎΠΌΠΎΠ±ΠΈΠ»ΡΡ
GM, Ford ΠΈ Chrysler.
ΠΡΡΡΠΎΠ΅Π½Π½ΡΠ΅ ΡΠΈΡΡΠ΅ΠΌΡ ABS ΠΈΡΠΏΠΎΠ»ΡΠ·ΡΡΡ Π½Π°ΡΠΎΡ Π²ΡΡΠΎΠΊΠΎΠ³ΠΎ Π΄Π°Π²Π»Π΅Π½ΠΈΡ ΠΈ Π°ΠΊΠΊΡΠΌΡΠ»ΡΡΠΎΡ Π΄Π»Ρ ΡΠΎΡΠΌΠΎΠΆΠ΅Π½ΠΈΡ Ρ ΡΡΠΈΠ»ΠΈΡΠ΅Π»Π΅ΠΌ, Π° ΡΠ°ΠΊΠΆΠ΅ Π΄Π»Ρ Π°Π½ΡΠΈΠ±Π»ΠΎΠΊΠΈΡΠΎΠ²ΠΎΡΠ½ΠΎΠΉ ΡΠΈΡΡΠ΅ΠΌΡ ΡΠΎΡΠΌΠΎΠΆΠ΅Π½ΠΈΡ. ΠΠ°ΠΊ ΠΏΡΠ°Π²ΠΈΠ»ΠΎ, ΠΏΠ΅ΡΠ΅Π΄ Π»ΡΠ±ΡΠΌ ΡΠ΅ΠΌΠΎΠ½ΡΠΎΠΌ ΡΠΎΡΠΌΠΎΠ·Π½ΠΎΠΉ ΡΠΈΡΡΠ΅ΠΌΡ Π½Π΅ΠΎΠ±Ρ ΠΎΠ΄ΠΈΠΌΠΎ ΡΠ±ΡΠΎΡΠΈΡΡ Π΄Π°Π²Π»Π΅Π½ΠΈΠ΅ Π² Π°ΠΊΠΊΡΠΌΡΠ»ΡΡΠΎΡΠ΅. ΠΠ΅ΠΊΠΎΡΠΎΡΡΠ΅ ΠΈΠ· ΡΡΠΈΡ ΡΠΈΡΡΠ΅ΠΌ ΠΌΠΎΠ³ΡΡ ΡΠΎΠ·Π΄Π°Π²Π°ΡΡ Π΄Π°Π²Π»Π΅Π½ΠΈΠ΅ Π΄ΠΎ 2700 ΡΡΠ½ΡΠΎΠ² Π½Π° ΠΊΠ²Π°Π΄ΡΠ°ΡΠ½ΡΠΉ Π΄ΡΠΉΠΌ, ΠΏΠΎΡΡΠΎΠΌΡ Π½ΠΈΠΊΠΎΠ³Π΄Π° Π½Π΅ ΠΎΡΠΊΡΡΠ²Π°ΠΉΡΠ΅ ΡΠΎΡΠΌΠΎΠ·Π½ΡΡ ΠΌΠ°Π³ΠΈΡΡΡΠ°Π»Ρ ΠΈ Π½Π΅ ΠΏΡΡΠ°ΠΉΡΠ΅ΡΡ Π·Π°ΠΌΠ΅Π½ΠΈΡΡ Π»ΡΠ±ΠΎΠΉ ΠΈΠ· Π³ΠΈΠ΄ΡΠ°Π²Π»ΠΈΡΠ΅ΡΠΊΠΈΡ ΠΊΠΎΠΌΠΏΠΎΠ½Π΅Π½ΡΠΎΠ² ABS, ΠΏΠΎΠΊΠ° Π΄Π°Π²Π»Π΅Π½ΠΈΠ΅ Π² Π°ΠΊΠΊΡΠΌΡΠ»ΡΡΠΎΡΠ΅ Π½Π΅ Π±ΡΠ΄Π΅Ρ ΠΏΠΎΠ»Π½ΠΎΡΡΡΡ ΡΠ±ΡΠΎΡΠ΅Π½ΠΎ.
ΠΠ»Ρ ΡΡΠΎΠ³ΠΎ Π΄ΠΎΡΡΠ°ΡΠΎΡΠ½ΠΎ ΡΠΈΠ»ΡΠ½ΠΎ Π½Π°ΠΆΠ°ΡΡ Π½Π° ΠΏΠ΅Π΄Π°Π»Ρ ΡΠΎΡΠΌΠΎΠ·Π° 40 ΡΠ°Π· ΠΏΡΠΈ Π²ΡΠΊΠ»ΡΡΠ΅Π½Π½ΠΎΠΌ Π·Π°ΠΆΠΈΠ³Π°Π½ΠΈΠΈ.
ΠΠΎΡΠ»Π΅ ΡΠ΅ΠΌΠΎΠ½ΡΠ° Π»ΠΈΠ½ΠΈΠΈ ΠΌΠΎΠΆΠ½ΠΎ ΠΏΡΠΎΠΊΠ°ΡΠ°ΡΡ Π²ΡΡΡΠ½ΡΡ, Ρ ΠΏΠΎΠΌΠΎΡΡΡ ΠΎΠ±ΡΡΠ½ΠΎΠ³ΠΎ ΡΡΡΠ½ΠΎΠ³ΠΎ ΠΏΡΠΎΠΊΠ°ΡΠΈΠ²Π°ΡΠ΅Π»Ρ, ΠΈΠ½ΠΆΠ΅ΠΊΡΠΎΡΠ° ΠΈΠ»ΠΈ Π²Π°ΠΊΡΡΠΌΠ½ΠΎΠ³ΠΎ ΠΏΡΠΎΠ΄ΡΠ²ΠΎΡΠ½ΠΎΠ³ΠΎ ΡΡΡΡΠΎΠΉΡΡΠ²Π°. ΠΡΠΈ Π²ΡΠ΅Ρ
ΡΡΠΈΡ
ΠΌΠ΅ΡΠΎΠ΄Π°Ρ
Π½Π΅ Π²ΡΠΊΠ»ΡΡΠ°ΠΉΡΠ΅ ΠΊΠ»ΡΡ, ΡΡΠΎΠ±Ρ Π½Π°ΡΠΎΡ ABS Π½Π΅ ΡΠΎΠ·Π΄Π°Π²Π°Π» Π΄Π°Π²Π»Π΅Π½ΠΈΠ΅ Π² Π°ΠΊΠΊΡΠΌΡΠ»ΡΡΠΎΡΠ΅.
ΠΠΎΡΠ»Π΅ ΡΡΠΎΠ³ΠΎ ΠΊΠ°ΠΆΠ΄ΡΠΉ ΠΈΠ· ΡΠΎΡΠΌΠΎΠ·ΠΎΠ² ΠΌΠΎΠΆΠ½ΠΎ ΠΏΡΠΎΠΊΠ°ΡΠ°ΡΡ ΠΎΠ±ΡΡΠ½ΡΠΌ ΡΠΏΠΎΡΠΎΠ±ΠΎΠΌ Π² ΠΏΠΎΡΠ»Π΅Π΄ΠΎΠ²Π°ΡΠ΅Π»ΡΠ½ΠΎΡΡΠΈ, ΡΠ΅ΠΊΠΎΠΌΠ΅Π½Π΄ΠΎΠ²Π°Π½Π½ΠΎΠΉ ΠΏΡΠΎΠΈΠ·Π²ΠΎΠ΄ΠΈΡΠ΅Π»Π΅ΠΌ Π°Π²ΡΠΎΠΌΠΎΠ±ΠΈΠ»Ρ. ΠΠ° Π°Π²ΡΠΎΠΌΠΎΠ±ΠΈΠ»ΡΡ
GM ΠΎΠ±ΡΡΠ½Π°Ρ ΠΏΠΎΡΠ»Π΅Π΄ΠΎΠ²Π°ΡΠ΅Π»ΡΠ½ΠΎΡΡΡ: ΠΏΡΠ°Π²ΡΠΉ Π·Π°Π΄Π½ΠΈΠΉ, Π»Π΅Π²ΡΠΉ Π·Π°Π΄Π½ΠΈΠΉ, ΠΏΡΠ°Π²ΡΠΉ ΠΏΠ΅ΡΠ΅Π΄Π½ΠΈΠΉ ΠΈ Π»Π΅Π²ΡΠΉ ΠΏΠ΅ΡΠ΅Π΄Π½ΠΈΠΉ.
ΠΡΠ»ΠΈ Π³Π»Π°Π²Π½ΡΠΉ ΡΠΈΠ»ΠΈΠ½Π΄Ρ ΠΈΠ»ΠΈ ΠΌΠΎΠ΄ΡΠ»ΡΡΠΎΡ ΠΠΠ‘ Π±ΡΠ»ΠΈ Π·Π°ΠΌΠ΅Π½Π΅Π½Ρ, ΠΈΠ»ΠΈ Π² Π»ΡΠ±ΠΎΠΌ ΠΈΠ· ΡΡΠΈΡ Π±Π»ΠΎΠΊΠΎΠ² Π΅ΡΡΡ Π²ΠΎΠ·Π΄ΡΡ , Π½Π΅ΠΎΠ±Ρ ΠΎΠ΄ΠΈΠΌΠΎ ΡΠ΄Π°Π»ΠΈΡΡ Π²ΠΎΠ·Π΄ΡΡ ΠΈΠ· ΠΌΠΎΠ΄ΡΠ»ΡΡΠΎΡΠ° ΠΠΠ‘, ΠΈΡΠΏΠΎΠ»ΡΠ·ΡΡ ΡΠΏΠ΅ΡΠΈΠ°Π»ΡΠ½ΡΡ ΠΏΡΠΎΡΠ΅Π΄ΡΡΡ. ΠΠ»Ρ Π±ΠΎΠ»Π΅Π΅ ΡΡΠ°ΡΡΡ ΠΏΡΠΈΠ»ΠΎΠΆΠ΅Π½ΠΈΠΉ GM Ρ ΡΠΈΡΡΠ΅ΠΌΠΎΠΉ ABS Powermaster III ΡΠ΅ΠΊΠΎΠΌΠ΅Π½Π΄ΡΠ΅ΡΡΡ ΡΠ»Π΅Π΄ΡΡΡΠ°Ρ ΠΏΡΠΎΡΠ΅Π΄ΡΡΠ°:
1. ΠΠ»Ρ ΡΠ΄Π°Π»Π΅Π½ΠΈΡ Π²ΠΎΠ·Π΄ΡΡ Π° ΠΈΠ· Π·Π°ΠΏΠΎΡΠ½ΡΡ ΠΊΠ»Π°ΠΏΠ°Π½ΠΎΠ² Π² ΠΌΠΎΠ΄ΡΠ»ΡΡΠΎΡΠ΅ ΠΈΡΠΏΠΎΠ»ΡΠ·ΡΡΡΡΡ Π΄Π²Π° Π²ΠΈΠ½ΡΠ° Π΄Π»Ρ Π²ΡΠΏΡΡΠΊΠ° Π²ΠΎΠ·Π΄ΡΡ Π°. ΠΠ°ΡΠ½ΠΈΡΠ΅ Ρ ΡΠΎΠ³ΠΎ, ΡΡΠΎ Π±Π»ΠΈΠΆΠ΅ ΠΊ Π΄Π²ΠΈΠ³Π°ΡΠ΅Π»Ρ. ΠΠΊΠ»ΡΡΠΈΡΠ΅ Π·Π°ΠΆΠΈΠ³Π°Π½ΠΈΠ΅ ΠΈ ΡΠ»Π΅Π³ΠΊΠ° Π½Π°ΠΆΠΌΠΈΡΠ΅ Π½Π° ΠΏΠ΅Π΄Π°Π»Ρ ΡΠΎΡΠΌΠΎΠ·Π°. ΠΡΠΊΡΠΎΠΉΡΠ΅ ΡΡΡΡΠ΅Ρ Π΄Π»Ρ Π²ΡΠΏΡΡΠΊΠ° Π²ΠΎΠ·Π΄ΡΡ Π° ΠΈ Π΄Π°ΠΉΡΠ΅ ΠΆΠΈΠ΄ΠΊΠΎΡΡΠΈ ΡΡΠ΅ΡΡ, ΠΏΠΎΠΊΠ° ΠΎΠ½Π° Π½Π΅ ΡΡΠ°Π½Π΅Ρ ΠΏΡΠΎΠ·ΡΠ°ΡΠ½ΠΎΠΉ. ΠΠ°ΠΊΡΠΎΠΉΡΠ΅ Π²ΠΈΠ½Ρ ΠΈ ΡΠ΄Π΅Π»Π°ΠΉΡΠ΅ ΡΠΎ ΠΆΠ΅ ΡΠ°ΠΌΠΎΠ΅ ΡΠΎ Π²ΡΠΎΡΡΠΌ Π²ΠΈΠ½ΡΠΎΠΌ Π΄Π»Ρ Π²ΡΠΏΡΡΠΊΠ° Π²ΠΎΠ·Π΄ΡΡ Π°.
2. Π‘Π±ΡΠΎΡΡΡΠ΅ Π΄Π°Π²Π»Π΅Π½ΠΈΠ΅ Π² Π³ΠΈΠ΄ΡΠΎΠ°ΠΊΠΊΡΠΌΡΠ»ΡΡΠΎΡΠ΅, Π½Π°ΠΆΠ°Π² Π½Π° ΠΏΠ΅Π΄Π°Π»Ρ 40 ΡΠ°Π· ΠΏΡΠΈ Π²ΡΠΊΠ»ΡΡΠ΅Π½Π½ΠΎΠΌ Π·Π°ΠΆΠΈΠ³Π°Π½ΠΈΠΈ. ΠΠΎΠ΄ΠΎΠΆΠ΄ΠΈΡΠ΅ ΠΎΠΊΠΎΠ»ΠΎ Π΄Π²ΡΡ
ΠΌΠΈΠ½ΡΡ, ΠΏΠΎΠΊΠ° ΠΈΠ· ΡΠΎΡΠΌΠΎΠ·Π½ΠΎΠΉ ΠΆΠΈΠ΄ΠΊΠΎΡΡΠΈ Π½Π΅ Π²ΡΠΉΠ΄Π΅Ρ Π²ΠΎΠ·Π΄ΡΡ
, Π·Π°ΡΠ΅ΠΌ Π·Π°ΠΏΠΎΠ»Π½ΠΈΡΠ΅ Π±Π°ΡΠΎΠΊ ΡΠΎΡΠΌΠΎΠ·Π½ΠΎΠΉ ΠΆΠΈΠ΄ΠΊΠΎΡΡΡΡ DOT 3.
3.Β Π’Π΅ΠΏΠ΅ΡΡ Π²Ρ ΠΌΠΎΠΆΠ΅ΡΠ΅ ΠΏΡΠΎΠΊΠ°ΡΠ°ΡΡ ΡΠ΅ΠΊΡΠΈΡ Π½Π°Π΄Π΄ΡΠ²Π°. ΠΡΠΎ Π΄Π΅Π»Π°Π΅ΡΡΡ ΠΏΡΡΠ΅ΠΌ ΡΠΌΠ΅ΡΠ΅Π½Π½ΠΎΠ³ΠΎ Π½Π°ΠΆΠ°ΡΠΈΡ Π½Π° ΠΏΠ΅Π΄Π°Π»Ρ ΡΠΎΡΠΌΠΎΠ·Π° ΠΈ Π²ΠΊΠ»ΡΡΠ΅Π½ΠΈΡ Π·Π°ΠΆΠΈΠ³Π°Π½ΠΈΡ Π½Π° ΡΡΠΈ ΡΠ΅ΠΊΡΠ½Π΄Ρ, Π° Π·Π°ΡΠ΅ΠΌ Π²ΡΠΊΠ»ΡΡΠ΅Π½ΠΈΡ. ΠΠΎΠ²ΡΠΎΡΠΈΡΠ΅ ΡΡΠΎ Π² ΠΎΠ±ΡΠ΅ΠΉ ΡΠ»ΠΎΠΆΠ½ΠΎΡΡΠΈ 10 ΡΠ°Π·. Π£Π±Π΅Π΄ΠΈΡΠ΅ΡΡ, ΡΡΠΎ ΠΏΠ΅Π΄Π°Π»Ρ ΡΡΠ²ΡΡΠ²ΡΠ΅Ρ ΡΠ΅Π±Ρ ΡΠ²Π΅ΡΠ΄ΠΎ, ΠΊΠΎΠ³Π΄Π° Π²Ρ Π·Π°ΠΊΠΎΠ½ΡΠΈΡΠ΅, ΠΈ ΠΏΡΠΎΡΠ΅ΡΡΠΈΡΡΠΉΡΠ΅ Π°Π²ΡΠΎΠΌΠΎΠ±ΠΈΠ»Ρ Π² Π΄ΠΎΡΠΎΠ³Π΅, ΡΡΠΎΠ±Ρ ΡΠ±Π΅Π΄ΠΈΡΡΡΡ, ΡΡΠΎ ΡΠΎΡΠΌΠΎΠ·Π° ΡΠ°Π±ΠΎΡΠ°ΡΡ Π΄ΠΎΠ»ΠΆΠ½ΡΠΌ ΠΎΠ±ΡΠ°Π·ΠΎΠΌ.
ΠΡΠΈΠΌΠ΅ΡΠ°Π½ΠΈΠ΅: Π‘ΡΡΠ΅ΡΡΠ²ΡΠ΅Ρ ΡΠ°ΠΊΠΆΠ΅ ΠΎΠΏΡΠΈΡ Β«ΠΡΠΎΠ²Π΅ΡΠΊΠ° ΠΏΡΠΎΠ΄ΡΠ²ΠΊΠΈ ΡΠΎΠ»Π΅Π½ΠΎΠΈΠ΄Π°Β», ΠΊΠΎΡΠΎΡΡΡ Π²Ρ ΠΌΠΎΠΆΠ΅ΡΠ΅ ΠΈΡΠΏΠΎΠ»ΡΠ·ΠΎΠ²Π°ΡΡ, Π΅ΡΠ»ΠΈ Ρ Π²Π°Ρ Π΅ΡΡΡ ΡΠΊΠ°Π½Π΅Ρ Tech 1. ΠΡΠΎ ΠΏΡΠΈΠ²Π΅Π΄Π΅Ρ ΠΊ ΡΠΈΠΊΠ»ΠΈΡΠ΅ΡΠΊΠΎΠΌΡ ΡΠ΄Π΅ΡΠΆΠ°Π½ΠΈΡ ΠΈ ΠΎΡΠ²ΠΎΠ±ΠΎΠΆΠ΄Π΅Π½ΠΈΡ ΡΠΎΠ»Π΅Π½ΠΎΠΈΠ΄ΠΎΠ² Π΄Π»Ρ ΡΠ΄Π°Π»Π΅Π½ΠΈΡ Π²ΠΎΠ·Π΄ΡΡ Π° ΠΈΠ· Π±ΡΡΡΠ΅ΡΠ°.
ΠΠ½ΡΡΡΡΠΌΠ΅Π½ΡΡ Π΄Π»Ρ ΡΠΊΠ°Π½ΠΈΡΠΎΠ²Π°Π½ΠΈΡ ΠΊΡΠΎΠ²ΠΎΡΠ΅ΡΠ΅Π½ΠΈΠΉ ΠΈΠ· ΠΠΠ‘ β Innova
ΠΠ±Π½ΠΎΠ²Π»Π΅Π½ΠΈΠ΅ ΠΎΡ 21 ΡΠ΅Π½ΡΡΠ±ΡΡ 2022 Π³.: Π£ Π½Π°Ρ Π΅ΡΡΡ Π½ΠΎΠ²Π°Ρ ΡΡΠ»ΡΠ³Π°, ΠΊΠΎΡΠΎΡΠ°Ρ ΠΏΠΎΠΌΠΎΠΆΠ΅Ρ Π²Π°ΠΌ Π½Π°ΠΉΡΠΈ Π»ΡΡΡΠΈΠΉ ΠΈΠ½ΡΡΡΡΠΌΠ΅Π½Ρ Π΄Π»Ρ ΡΠΊΠ°Π½ΠΈΡΠΎΠ²Π°Π½ΠΈΡ ΠΊΡΠΎΠ²ΠΎΡΠ΅ΡΠ΅Π½ΠΈΠΉ ΠΈΠ· ΠΠΠ‘. ΠΡΠΎΡΡΠΎ Π²ΡΠ±Π΅ΡΠΈΡΠ΅ ΡΡΠ½ΠΊΡΠΈΠΈ, ΠΈ ΠΏΠΎΡΠ²ΡΡΡΡ Π½Π°ΠΈΠ±ΠΎΠ»Π΅Π΅ ΠΏΠΎΠ΄Ρ ΠΎΠ΄ΡΡΠΈΠ΅ ΠΏΡΠΎΠ΄ΡΠΊΡΡ. ΠΡΠΎΠ²Π΅ΡΡΡΠ΅ ΡΡΠΎ.
ΠΠΎΠΈΡΠΊ ΠΏΠΎΠ΄Ρ
ΠΎΠ΄ΡΡΠ΅Π³ΠΎ Π΄ΠΈΠ°Π³Π½ΠΎΡΡΠΈΡΠ΅ΡΠΊΠΎΠ³ΠΎ ΠΏΡΠΈΠ±ΠΎΡΠ° ABS Bleed Scan Tool ΠΌΠΎΠΆΠ΅Ρ ΠΎΠΊΠ°Π·Π°ΡΡΡΡ Π½Π΅ΠΏΡΠΎΡΡΠΎΠΉ Π·Π°Π΄Π°ΡΠ΅ΠΉ.
ΠΠΎΡΠΊΠΎΠ»ΡΠΊΡ Π² ΠΠ½ΡΠ΅ΡΠ½Π΅ΡΠ΅ ΠΏΠΎΠ»Π½ΠΎ ΡΠ΅Π·ΡΠ»ΡΡΠ°ΡΠΎΠ² Π΄Π»Ρ ΠΈΠ½ΡΡΡΡΠΌΠ΅Π½ΡΠΎΠ² ΡΠΊΠ°Π½ΠΈΡΠΎΠ²Π°Π½ΠΈΡ ΠΊΡΠΎΠ²ΠΎΡΠ΅ΡΠ΅Π½ΠΈΡ ABS, ΡΠ°ΠΊ ΠΊΠ°ΠΊ ΠΆΠ΅ ΡΡΠ·ΠΈΡΡ ΡΠΈΡΠΎΠΊΠΈΠΉ ΡΠΏΠ΅ΠΊΡΡ Π²Π°ΡΠΈΠ°Π½ΡΠΎΠ² Π΄ΠΎ ΠΎΠ΄Π½ΠΎΠ³ΠΎ?
Π§ΡΠΎ ΠΆ, ΠΏΠΎΡΠ΅ΡΠΈΠ² ΡΡΠΎ ΠΈΡΡΠ΅ΡΠΏΡΠ²Π°ΡΡΠ΅Π΅ ΡΡΠΊΠΎΠ²ΠΎΠ΄ΡΡΠ²ΠΎ ΠΏΠΎ Π²ΡΠ±ΠΎΡΡ ΠΏΡΠ°Π²ΠΈΠ»ΡΠ½ΠΎΠ³ΠΎ ΡΡΡΡΠΎΠΉΡΡΠ²Π° Π΄Π»Ρ Π·Π°ΠΏΡΡΠΊΠ° ABS Scan Tool Bleed, Π²Ρ ΡΠ΄Π΅Π»Π°Π»ΠΈ ΠΏΡΠ°Π²ΠΈΠ»ΡΠ½ΡΠΉ ΠΏΠ΅ΡΠ²ΡΠΉ ΡΠ°Π³.
Π ΡΡΠΎΠΌ ΡΡΠΊΠΎΠ²ΠΎΠ΄ΡΡΠ²Π΅ ΠΌΡ ΠΏΠΎΠΊΠ°ΠΆΠ΅ΠΌ Π²Π°ΠΌ 2 ΠΎΡΠ»ΠΈΡΠ½ΡΡ ΡΠΊΠ°Π½Π΅ΡΠ° OBD2 Π²ΡΡΡΠ΅Π³ΠΎ ΠΊΠ»Π°ΡΡΠ° Ρ ΡΡΠ½ΠΊΡΠΈΡΠΌΠΈ Π°Π²ΡΠΎΠΌΠ°ΡΠΈΡΠ΅ΡΠΊΠΎΠΉ ΠΏΡΠΎΠΊΠ°ΡΠΊΠΈ ABS.
Π, ΠΊΠΎΠ½Π΅ΡΠ½ΠΎ ΠΆΠ΅, ΠΏΠΎΡΠΊΠΎΠ»ΡΠΊΡ ΡΡΠΎ ΠΈΡΡΠ΅ΡΠΏΡΠ²Π°ΡΡΠ΅Π΅ ΡΡΠΊΠΎΠ²ΠΎΠ΄ΡΡΠ²ΠΎ, ΡΠ»Π΅Π΄ΡΡΡΠΈΠ΅ ΠΈΠ½ΡΡΡΡΠΌΠ΅Π½ΡΡ ΠΌΠΎΠ³ΡΡ Π²ΡΠΏΠΎΠ»Π½ΡΡΡ ΡΠ»Π΅Π΄ΡΡΡΠΈΠ΅ ΡΡΠ½ΠΊΡΠΈΠΈ:
β ΠΏΡΠΎΠΊΠ°ΡΠΊΠ° ΡΠΎΡΠΌΠΎΠ·ΠΎΠ² EPB/ABS
β ΠΎΠ±ΡΠ»ΡΠΆΠΈΠ²Π°Π½ΠΈΠ΅ ΡΡΠΏΠΏΠΎΡΡΠ°
β ΠΎΠ±Π΅ΡΠΏΠ΅ΡΠ΅Π½ΠΈΠ΅ ΡΡΠΎΠΊΠ° ΡΠ»ΡΠΆΠ±Ρ ΡΠΎΡΠΌΠΎΠ·Π½ΡΡ ΠΊΠΎΠ»ΠΎΠ΄ΠΎΠΊ
β ΠΏΡΠ΅Π΄ΠΎΡΡΠ°Π²Π»Π΅Π½ΠΈΠ΅ ΠΊΠΎΠ΄ΠΎΠ² ΠΈ ΠΎΠΏΡΠ΅Π΄Π΅Π»Π΅Π½ΠΈΠΉ SRS
β ΡΠ±ΡΠΎΡ ΠΊΠΎΠ΄ΠΎΠ² SRS
ΠΠΎ ΠΏΡΠ΅ΠΆΠ΄Π΅ ΡΠ΅ΠΌ ΠΌΡ ΡΠ³Π»ΡΠ±ΠΈΠΌΡΡ Π² ΡΡΠΈ ΠΏΡΠΎΠ΄ΡΠΊΡΡ, ΠΏΠΎΠ·Π²ΠΎΠ»ΡΡΠ΅ ΠΌΡ ΠΏΡΠ΅Π΄ΡΡΠ°Π²ΠΈΠΌΡΡ, ΠΈ ΡΠ°ΡΡΠΊΠ°ΠΆΠ΅ΠΌ Π²Π°ΠΌ, ΠΏΠΎΡΠ΅ΠΌΡ Π²Ρ ΠΌΠΎΠΆΠ΅ΡΠ΅ Π΄ΠΎΠ²Π΅ΡΡΡΡ Π½Π°ΡΠ΅ΠΌΡ ΠΌΠ½Π΅Π½ΠΈΡ ΠΎ ΡΠΊΠ°Π½Π΅ΡΠ°Ρ OBD2 Ρ Ρ Π°ΡΠ°ΠΊΡΠ΅ΡΠΈΡΡΠΈΠΊΠ°ΠΌΠΈ Π°Π²ΡΠΎΠΌΠ°ΡΠΈΡΠ΅ΡΠΊΠΎΠΉ ΠΏΡΠΎΠΊΠ°ΡΠΊΠΈ ABS.
ΠΡ Ρ
ΠΎΡΠΈΠΌ, ΡΡΠΎΠ±Ρ Π²Ρ ΠΏΠΎΠ»Π½ΠΎΡΡΡΡ ΠΏΠΎΠ½ΡΠ»ΠΈ, ΠΏΠΎΡΠ΅ΠΌΡ Π²Ρ ΠΌΠΎΠΆΠ΅ΡΠ΅ Π΄ΠΎΠ²Π΅ΡΡΡΡ Π½Π°ΡΠ΅ΠΌΡ ΠΌΠ½Π΅Π½ΠΈΡ ΠΈ Π½Π°ΡΠΈΠΌ ΠΏΡΠΎΠ΄ΡΠΊΡΠ°ΠΌ ABS Scan Tool Bleed, ΠΏΠΎΡΡΠΎΠΌΡ ΠΏΠΎΠ·Π²ΠΎΠ»ΡΡΠ΅ Π½Π°ΠΌ ΠΏΠΎΠΌΠΎΡΡ Π²Π°ΠΌ ΡΠ΄Π΅Π»Π°ΡΡ ΠΈΠΌΠ΅Π½Π½ΠΎ ΡΡΠΎ.
ΠΠ΄Π΅ΡΡ, Π² Innova Electronics, ΠΌΡ ΠΏΡΠΎΠΈΠ·Π²ΠΎΠ΄ΠΈΠΌ ΡΠ°ΠΌΡΠ΅ Π±ΡΡΡΡΡΠ΅ ΡΠΊΠ°Π½ΠΈΡΡΡΡΠΈΠ΅ ΠΈΠ½ΡΡΡΡΠΌΠ΅Π½ΡΡ Π΄Π»Ρ ΠΏΡΠΎΠΊΠ°ΡΠΊΠΈ ΠΠΠ‘-ΠΏΠ»Π°ΡΡΠΈΠΊΠ° Π½Π° ΡΡΠ½ΠΊΠ΅, ΠΏΡΠΈ ΡΡΠΎΠΌ Π³Π°ΡΠ°Π½ΡΠΈΡΡΡ, ΡΡΠΎ Π½Π°ΡΠ° ΠΏΡΠΎΠ΄ΡΠΊΡΠΈΡ ΠΏΡΠΎΡΠ»ΡΠΆΠΈΡ Π΄ΠΎΠ»Π³ΠΈΠ΅ Π³ΠΎΠ΄Ρ.
Π ΠΌΡ Π΄Π΅Π»Π°Π΅ΠΌ ΡΡΠΎ, ΠΎΠΏΠΈΡΠ°ΡΡΡ Π½Π° ΠΌΠ½ΠΎΠ³ΠΎΠ»Π΅ΡΠ½ΠΈΠΉ ΠΎΠΏΡΡ, ΠΊΠΎΡΠΎΡΡΠΉ ΠΏΠΎΠ·Π²ΠΎΠ»ΡΠ΅Ρ Π½Π°ΠΌ Π΄ΠΎΡΡΠΈΠ³Π°ΡΡ ΡΠ°ΠΌΡΡ Π½ΠΈΠ·ΠΊΠΈΡ ΠΏΠΎΠΊΠ°Π·Π°ΡΠ΅Π»Π΅ΠΉ Π±ΡΠ°ΠΊΠ° Π½Π° ΡΡΠ½ΠΊΠ΅ Π΄Π»Ρ ΡΠΊΠ°Π½ΠΈΡΡΡΡΠΈΡ ΠΏΡΠΈΠ±ΠΎΡΠΎΠ² Π΄Π»Ρ ΠΏΡΠΎΠΊΠ°ΡΠΊΠΈ ΡΠΎΡΠΌΠΎΠ·ΠΎΠ² Ρ ΠΠΠ‘.
Innova ABS Bleed Scan Tools ΠΏΠΎΡΡΠ°Π²Π»ΡΠ΅ΡΡΡ Ρ 365-Π΄Π½Π΅Π²Π½ΠΎΠΉ Π³Π°ΡΠ°Π½ΡΠΈΠ΅ΠΉ, ΠΏΠΎΡΠΎΠΌΡ ΡΡΠΎ ΠΌΡ Π½Π° 100Β % ΡΠ²Π΅ΡΠ΅Π½Ρ Π² ΡΠ²ΠΎΠ΅ΠΉ ΡΠΏΠΎΡΠΎΠ±Π½ΠΎΡΡΠΈ ΠΏΡΠ΅Π΄ΠΎΡΡΠ°Π²Π»ΡΡΡ Π½Π°ΡΠΈΠΌ ΠΊΠ»ΠΈΠ΅Π½ΡΠ°ΠΌ Π²ΡΡΠΎΠΊΠΎΠΊΠ°ΡΠ΅ΡΡΠ²Π΅Π½Π½ΡΠ΅ ΡΡΠ»ΡΠ³ΠΈ.
ΠΠ΅ Π³ΠΎΠ²ΠΎΡΡ ΡΠΆΠ΅ ΠΎ ΡΠΎΠΌ, ΡΡΠΎ Π²ΡΠ΅ ΡΠ΅, ΠΊΡΠΎ ΠΏΠΎΠΊΡΠΏΠ°Π΅Ρ Π½Π°ΡΠΈ ΠΈΠ½ΡΡΡΡΠΌΠ΅Π½ΡΡ, Π±ΡΠ΄Ρ ΡΠΎ ΡΠΊΠ°Π½Π΅Ρ OBD2 Ρ ΡΡΠ½ΠΊΡΠΈΠ΅ΠΉ Π°Π²ΡΠΎΠΌΠ°ΡΠΈΡΠ΅ΡΠΊΠΎΠΉ ΠΏΡΠΎΠΊΠ°ΡΠΊΠΈ ABS ΠΈΠ»ΠΈ Π»ΡΠ±ΠΎΠΉ Π°Π²ΡΠΎΠΌΠΎΠ±ΠΈΠ»ΡΠ½ΡΠΉ Π΄ΠΈΠ°Π³Π½ΠΎΡΡΠΈΡΠ΅ΡΠΊΠΈΠΉ ΠΈΠ½ΡΡΡΡΠΌΠ΅Π½Ρ, ΠΈΠΌΠ΅ΡΡ ΠΏΡΠ°Π²ΠΎ Π½Π° ΠΊΠ²Π°Π»ΠΈΡΠΈΡΠΈΡΠΎΠ²Π°Π½Π½ΠΎΠ΅ ΠΎΠ±ΡΠ»ΡΠΆΠΈΠ²Π°Π½ΠΈΠ΅ ΠΊΠ»ΠΈΠ΅Π½ΡΠΎΠ² ΡΠ΅ΡΡΠΈΡΠΈΡΠΈΡΠΎΠ²Π°Π½Π½ΡΠΌΠΈ ΡΠΏΠ΅ΡΠΈΠ°Π»ΠΈΡΡΠ°ΠΌΠΈ ASE Π² Π‘Π¨Π ΠΊΡΡΠ³Π»ΠΎΡΡΡΠΎΡΠ½ΠΎ.
ΠΡΠΎΡΠ΅ Π³ΠΎΠ²ΠΎΡΡ, Innova ΠΏΡΠ΅Π΄Π»Π°Π³Π°Π΅Ρ ΠΎΡΠ»ΠΈΡΠ½ΡΠΉ ΡΠ΅ΡΠ²ΠΈΡ, ΠΊΠΎΡΠΎΡΡΠΉ Π½Π΅ ΠΎΡΡΠ°Π½Π°Π²Π»ΠΈΠ²Π°Π΅ΡΡΡ Π½Π° ΠΊΠ°ΡΡΠ΅, Π±Π»Π°Π³ΠΎΠ΄Π°ΡΡ ΠΌΠ½ΠΎΠ³ΠΎΠ»Π΅ΡΠ½Π΅ΠΌΡ ΠΎΠΏΡΡΡ Π»ΠΈΠ΄Π΅ΡΠ° ΠΎΡΡΠ°ΡΠ»ΠΈ.
Π― ΡΠ²Π΅ΡΠ΅Π½, Π²Π°ΠΌ Π½Π΅ Π½ΡΠΆΠ½ΠΎ Π±ΠΎΠ»ΡΡΠ΅ Π·Π°Π²Π΅ΡΠ΅Π½ΠΈΠΉ Π² Π½Π°ΡΠ΅ΠΉ ΠΏΡΠΈΠ³ΠΎΠ΄Π½ΠΎΡΡΠΈ Π² ΡΡΠΎΠΉ ΠΎΠ±Π»Π°ΡΡΠΈ!
ΠΡΠ°ΠΊ, Π΄Π°Π²Π°ΠΉΡΠ΅ ΡΡΠ°Π·Ρ ΠΏΠ΅ΡΠ΅ΠΉΠ΄Π΅ΠΌ ΠΊ ΡΡΠΊΠΎΠ²ΠΎΠ΄ΡΡΠ²Ρ ΠΏΠΎ Π»ΡΡΡΠΈΠΌ ΡΡΡΡΠΎΠΉΡΡΠ²Π°ΠΌ Π΄Π»Ρ ΠΏΡΠΎΠΊΠ°ΡΠΊΠΈ ABS Scan Tool.
ΠΠ΅ΡΠ²ΡΠΌ ΡΠΊΠ°Π½Π΅ΡΠΎΠΌ OBD2 Ρ Π²ΠΎΠ·ΠΌΠΎΠΆΠ½ΠΎΡΡΡΡ ΠΏΡΠΎΠΊΠ°ΡΠΊΠΈ ABS, ΠΊΠΎΡΠΎΡΡΠΉ ΠΌΡ ΡΠ°ΡΡΠΌΠΎΡΡΠΈΠΌ Π² ΡΡΠΎΠΌ ΠΏΠΎΠ»Π½ΠΎΠΌ ΡΡΠΊΠΎΠ²ΠΎΠ΄ΡΡΠ²Π΅, ΡΠ²Π»ΡΠ΅ΡΡΡ Innova CarScan Pro #5610.
ΠΡΠΎΡ ΠΈΠ½ΡΡΡΡΠΌΠ΅Π½Ρ Π΄Π»Ρ ΡΠΊΠ°Π½ΠΈΡΠΎΠ²Π°Π½ΠΈΡ ΠΊΡΠΎΠ²ΠΎΡΠ΅ΡΠ΅Π½ΠΈΡ ΠΈΠ· ΠΠΠ‘ ΡΠ²Π»ΡΠ΅ΡΡΡ ΠΏΡΠ΅ΠΌΠΈΠ°Π»ΡΠ½ΡΠΌ ΠΈΠ½ΡΡΡΡΠΌΠ΅Π½ΡΠΎΠΌ, ΠΏΡΠ΅Π΄Π»Π°Π³Π°Π΅ΠΌΡΠΌ Π² ΡΡΠΎΠΌ ΡΡΠΊΠΎΠ²ΠΎΠ΄ΡΡΠ²Π΅, ΠΈ ΠΎΠ±Π»Π°Π΄Π°Π΅Ρ ΠΏΠΎΠ»Π½ΡΠΌ Π½Π°Π±ΠΎΡΠΎΠΌ ΡΡΠ½ΠΊΡΠΈΠΉ ΠΈ Π²ΠΎΠ·ΠΌΠΎΠΆΠ½ΠΎΡΡΠ΅ΠΉ.
Π‘Π°ΠΌΡΠΉ ΠΌΠ½ΠΎΠ³ΠΎΡΡΠ½ΠΊΡΠΈΠΎΠ½Π°Π»ΡΠ½ΡΠΉ ΠΈΠ½ΡΡΡΡΠΌΠ΅Π½Ρ Π΄Π»Ρ ΠΏΡΠΎΠΊΠ°ΡΠΊΠΈ ΠΠΠ‘ Π½Π° ΡΡΠ½ΠΊΠ΅, CarScan Pro ΡΠ²Π»ΡΠ΅ΡΡΡ ΠΎΡΠ»ΠΈΡΠ½ΡΠΌ Π²Π°ΡΠΈΠ°Π½ΡΠΎΠΌ Π΄Π»Ρ ΠΏΡΠΎΠΊΠ°ΡΠΊΠΈ ΡΠΎΡΠΌΠΎΠ·ΠΎΠ² ΠΠΠ‘.
ΠΠ΄Π½ΠΎΠΉ ΠΈΠ· Π»ΡΡΡΠΈΡ ΠΎΡΠΎΠ±Π΅Π½Π½ΠΎΡΡΠ΅ΠΉ ΡΡΠΎΠ³ΠΎ ΡΡΡΡΠΎΠΉΡΡΠ²Π° ΡΠ²Π»ΡΡΡΡΡ ΡΠΏΠ΅ΡΠΈΠ°Π»ΡΠ½ΡΠ΅ ΡΡΠ½ΠΊΡΠΈΠΈ ΡΠ±ΡΠΎΡΠ°, ΠΊΠΎΡΠΎΡΡΠ΅ ΠΎΠ½ ΠΈΠΌΠ΅Π΅Ρ, ΡΡΠΎ Π΄Π°Π΅Ρ Π²Π°ΠΌ Π²ΠΎΠ·ΠΌΠΎΠΆΠ½ΠΎΡΡΡ ΠΈΡΠΏΠΎΠ»ΡΠ·ΠΎΠ²Π°ΡΡ ΠΏΡΠΎΡΠ΅Π΄ΡΡΡ ΠΏΠΎΠ²ΡΠΎΡΠ½ΠΎΠ³ΠΎ ΠΎΠ±ΡΡΠ΅Π½ΠΈΡ Π½Π° ΡΡΠΎΠ²Π½Π΅ Π΄ΠΈΠ»Π΅ΡΠ° Π΄Π»Ρ Π·Π°Π²Π΅ΡΡΠ΅Π½ΠΈΡ ΡΠ΅ΠΌΠΎΠ½ΡΠ° ΠΈΠ»ΠΈ ΡΠ΅Ρ Π½ΠΈΡΠ΅ΡΠΊΠΎΠ³ΠΎ ΠΎΠ±ΡΠ»ΡΠΆΠΈΠ²Π°Π½ΠΈΡ.
ΠΡΠ΅ ΠΎΠ΄Π½ΠΎΠΉ ΠΊΠ»ΡΡΠ΅Π²ΠΎΠΉ ΠΎΡΠΎΠ±Π΅Π½Π½ΠΎΡΡΡΡ ΡΠ²Π»ΡΠ΅ΡΡΡ ΡΠ»ΡΡΡΠ΅Π½Π½ΡΠΉ ΠΏΠΎΡΠΎΠΊ Π΄Π°Π½Π½ΡΡ . ΠΡΠΎ ΠΏΡΠΈΠ±Π»ΠΈΠΆΠ°Π΅Ρ Π²Π°Ρ ΠΊ ΡΠΎΡΡΠΎΡΠ½ΠΈΡ Π²Π°ΡΠ΅Π³ΠΎ Π°Π²ΡΠΎΠΌΠΎΠ±ΠΈΠ»Ρ, ΠΏΡΠ΅Π΄ΠΎΡΡΠ°Π²Π»ΡΡ Π²Π°ΠΌ ΠΎΠΏΠ΅ΡΠ°ΡΠΈΠ²Π½ΡΠ΅ Π΄Π°Π½Π½ΡΠ΅ Π΄Π°ΠΆΠ΅ ΠΎ ΠΏΠ΅ΡΠ΅Π΄ΠΎΠ²ΡΡ ΡΠΈΡΡΠ΅ΠΌΠ°Ρ , ΡΠ°ΠΊΠΈΡ ΠΊΠ°ΠΊ ABS, SRS, ΡΡΠ°Π½ΡΠΌΠΈΡΡΠΈΡ ΠΈ Π΄Π²ΠΈΠ³Π°ΡΠ΅Π»Ρ.
Π§ΡΠΎ-ΡΠΎ, ΡΡΠΎ Π΄Π΅Π»Π°Π΅Ρ Π΅Π³ΠΎ ΠΎΡΠΎΠ±Π΅Π½Π½ΠΎ ΡΠ»ΠΈΡΠ½ΡΠΌ Π² ΠΎΡΠ½ΠΎΡΠ΅Π½ΠΈΠΈ ΠΈΠ½ΡΡΡΡΠΌΠ΅Π½ΡΠΎΠ² ΡΠΊΠ°Π½ΠΈΡΠΎΠ²Π°Π½ΠΈΡ ΠΊΡΠΎΠ²ΠΎΡΠ΅ΡΠ΅Π½ΠΈΡ ΠΈΠ· ΠΠΠ‘, Π·Π°ΠΊΠ»ΡΡΠ°Π΅ΡΡΡ Π² ΡΠΎΠΌ, ΡΡΠΎ ΠΎΠ½ ΡΠ²Π»ΡΠ΅ΡΡΡ Π΄Π²ΡΠ½Π°ΠΏΡΠ°Π²Π»Π΅Π½Π½ΡΠΌ.
ΠΠ΅ΡΠ½ΠΎ, ΡΡΠΎΡ ΠΈΠ½ΡΡΡΡΠΌΠ΅Π½Ρ Π΄Π²ΡΠ½Π°ΠΏΡΠ°Π²Π»Π΅Π½Π½ΡΠΉ.
ΠΠ»Π°Π³ΠΎΠ΄Π°ΡΡ ΡΡΠΎΠΌΡ Π²Ρ ΠΌΠΎΠΆΠ΅ΡΠ΅ ΠΎΡΠΏΡΠ°Π²Π»ΡΡΡ ΠΊΠΎΠΌΠ°Π½Π΄Ρ ΡΠ²ΠΎΠ΅ΠΌΡ Π°Π²ΡΠΎΠΌΠΎΠ±ΠΈΠ»Ρ Π΄Π»Ρ ΠΏΡΠΎΠ²Π΅ΡΠΊΠΈ ΡΡΠ½ΠΊΡΠΈΠΉ, ΡΠ°ΠΊΠΈΡ ΠΊΠ°ΠΊ Π²ΠΊΠ»ΡΡΠ΅Π½ΠΈΠ΅/Π²ΡΠΊΠ»ΡΡΠ΅Π½ΠΈΠ΅ ΡΠΎΠΏΠ»ΠΈΠ²Π½ΠΎΠ³ΠΎ Π½Π°ΡΠΎΡΠ° ΠΈΠ»ΠΈ Π²ΡΡΠ³ΠΈΠ²Π°Π½ΠΈΠ΅ ΡΠ»Π΅ΠΊΡΡΠΎΠ½Π½ΠΎΠ³ΠΎ ΡΡΠΎΡΠ½ΠΎΡΠ½ΠΎΠ³ΠΎ ΡΠΎΡΠΌΠΎΠ·Π°.
ΠΡΠΎ Π»ΠΈΡΡ ΠΎΡΠ½ΠΎΠ²Π½ΡΠ΅ Ρ Π°ΡΠ°ΠΊΡΠ΅ΡΠΈΡΡΠΈΠΊΠΈ ΡΡΠΎΠ³ΠΎ ΠΈΠ½ΡΡΡΡΠΌΠ΅Π½ΡΠ° Π΄Π»Ρ ΡΠ΄Π°Π»Π΅Π½ΠΈΡ Π²ΠΎΠ·Π΄ΡΡ Π° ΠΈΠ· ΠΠΠ‘-ΠΏΠ»Π°ΡΡΠΈΠΊΠ°. ΠΠ½ ΡΠ°ΠΊΠΆΠ΅ ΠΎΡ Π²Π°ΡΡΠ²Π°Π΅Ρ Π±ΠΎΠ»Π΅Π΅ Π²Π°ΠΆΠ½ΡΠ΅ ΠΈ Π±ΠΎΠ»Π΅Π΅ ΡΠΈΡΠΎΠΊΠΈΠ΅ ΡΡΠ½ΠΊΡΠΈΠΈ, ΠΊΠΎΡΠΎΡΡΠ΅, ΠΊΠ°ΠΊ ΠΌΡ Π·Π½Π°Π΅ΠΌ, Π²Π°ΠΌ Π½ΡΠΆΠ½Ρ Π² ΡΡΡΡΠΎΠΉΡΡΠ²Π΅.
ΠΡΠΈ ΡΡΠ½ΠΊΡΠΈΠΈ Π²ΠΊΠ»ΡΡΠ°ΡΡ Π² ΡΠ΅Π±Ρ:
β Π§ΡΠ΅Π½ΠΈΠ΅ ΠΈ ΠΎΡΠΈΡΡΠΊΠ° ΠΊΠΎΠ½ΡΡΠΎΠ»ΡΠ½ΡΡ ΠΊΠΎΠ΄ΠΎΠ² Π΄Π²ΠΈΠ³Π°ΡΠ΅Π»Ρ
β Π§ΡΠ΅Π½ΠΈΠ΅ ΡΠ΅ΠΌΠΏΠ΅ΡΠ°ΡΡΡΡ ΠΊΠΎΡΠΎΠ±ΠΊΠΈ ΠΏΠ΅ΡΠ΅Π΄Π°Ρ
β Π‘ΠΊΠ°Π½ΠΈΡΠΎΠ²Π°Π½ΠΈΠ΅ ΡΠ΅ΡΠΈ Π²ΡΠ΅ΠΉ ΡΠΈΡΡΠ΅ΠΌΡ
β Π‘Π±ΡΠΎΡ ΠΈΠ½Π΄ΠΈΠΊΠ°ΡΠΎΡΠ° ΡΡΠΎΠ²Π½Ρ ΠΌΠ°ΡΠ»Π°
β ΠΡΠΎΠ²Π΅ΡΠΊΠ° Π°ΠΊΠΊΡΠΌΡΠ»ΡΡΠΎΡΠ°/ΡΠΈΡΡΠ΅ΠΌΡ Π·Π°ΡΡΠ΄ΠΊΠΈ
β ΠΡΠΎΠ²Π΅ΡΠΊΠ° ΡΡΠΎΠ²Π½Ρ ΠΈ ΡΡΠΎΠΊΠ° ΡΠ»ΡΠΆΠ±Ρ ΠΌΠ°ΡΠ»Π°
β TPMS/ΠΠΎΠ½ΡΡΠΎΠ»Ρ Π΄Π°Π²Π»Π΅Π½ΠΈΡ Π² ΡΠΈΠ½Π°Ρ
β Π‘ΠΎΠ²ΠΌΠ΅ΡΡΠΈΠΌΠΎΡΡΡ ΡΠΎ Π²ΡΠ΅ΠΌΠΈ 10 ΡΠ΅ΠΆΠΈΠΌΠ°ΠΌΠΈ OBD2 900 03
β Π§ΡΠ΅Π½ΠΈΠ΅ Π½Π°ΠΏΡΡΠΆΠ΅Π½ΠΈΡ ΡΡΠ΅ΠΉΠΊΠΈ Π³ΠΈΠ±ΡΠΈΠ΄Π½ΠΎΠΉ Π±Π°ΡΠ°ΡΠ΅ΠΈ
β Π‘Π±ΡΠΎΡ ΠΈ ΠΈΠ½ΠΈΡΠΈΠ°Π»ΠΈΠ·Π°ΡΠΈΡ BMS/Π±Π°ΡΠ°ΡΠ΅ΠΈ
β ΠΡΠΎΠ²Π΅ΡΠΊΠ° Π²ΡΠ±ΡΠΎΡΠΎΠ²/ΡΠΌΠΎΠ³Π°
β ΠΠΎΠΊΡΡΡΠΈΠ΅ OBD1
β Π§ΡΠ΅Π½ΠΈΠ΅ ΠΈ ΠΎΡΠΈΡΡΠΊΠ° ΠΊΠΎΠ΄ΠΎΠ² SRS/ΠΏΠΎΠ΄ΡΡΠ΅ΠΊ Π±Π΅Π·ΠΎΠΏΠ°ΡΠ½ΠΎΡΡΠΈ
Π Π΅ΡΠ»ΠΈ Π²Ρ Ρ ΠΎΡΠΈΡΠ΅ ΡΠ·Π½Π°ΡΡ Π±ΠΎΠ»ΡΡΠ΅ ΠΎΠ± ΡΡΠΎΠΌ ΠΈΠ½ΡΡΡΡΠΌΠ΅Π½ΡΠ΅ Π΄Π»Ρ ΡΠΊΠ°Π½ΠΈΡΠΎΠ²Π°Π½ΠΈΡ ΠΊΡΠΎΠ²ΠΎΡΠ΅ΡΠ΅Π½ΠΈΡ ΠΈΠ· ΠΠΠ‘, ΠΏΡΠΎΡΡΠΎ ΠΏΠΎΡΠΌΠΎΡΡΠΈΡΠ΅ ΡΡΠΎ Π²ΠΈΠ΄Π΅ΠΎ!
youtube.com/embed/9BG1zcE2YjY?autoplay=0&enablejsapi=1&wmode=opaque» allowfullscreen=»» allow=»autoplay; fullscreen» name=»fitvid0″>ΠΠ΄Π΅ΡΡ, Π² Innova, ΠΌΡ ΡΠ°ΡΡΠΌΠ°ΡΡΠΈΠ²Π°Π΅ΠΌ ΠΎΡΠ·ΡΠ²Ρ ΠΊΠ»ΠΈΠ΅Π½ΡΠΎΠ² ΠΎ Π½Π°ΡΠΈΡ ΠΈΠ½ΡΡΡΡΠΌΠ΅Π½ΡΠ°Ρ Π΄Π»Ρ ΡΠΊΠ°Π½ΠΈΡΠΎΠ²Π°Π½ΠΈΡ ΠΏΡΠΎΠΊΠ°ΡΠΊΠΈ ΡΠΎΡΠΌΠΎΠ·ΠΎΠ² Ρ ΠΠΠ‘ ΠΊΠ°ΠΊ Π½Π°ΠΈΠ»ΡΡΡΠ΅Π΅ ΠΏΠΎΠ΄ΡΠ²Π΅ΡΠΆΠ΄Π΅Π½ΠΈΠ΅ Π½Π°ΡΠΈΡ Π²ΠΎΠ·ΠΌΠΎΠΆΠ½ΠΎΡΡΠ΅ΠΉ, ΠΏΠΎΡΡΠΎΠΌΡ ΠΏΠΎΠ·Π²ΠΎΠ»ΡΡΠ΅ Π½Π°ΠΌ ΠΏΠΎΠ΄Π΅Π»ΠΈΡΡΡΡ Ρ Π²Π°ΠΌΠΈ Π½Π΅ΠΊΠΎΡΠΎΡΡΠΌΠΈ ΠΎΡΠ·ΡΠ²Π°ΠΌΠΈ ΠΎΠ± ΡΡΠΎΠΌ ΠΏΡΠΎΠ΄ΡΠΊΡΠ΅.
Β«ΠΡΠ»ΠΈΡΠ½ΡΠΉ ΠΏΡΠΎΠ΄ΡΠΊΡ! ΠΡ Π½Π΅ ΠΎΡΠΈΠ±Π΅ΡΠ΅ΡΡΒ»
Β«ΠΡΠ»ΠΈΡΠ½ΡΠΉ ΠΈΠ½ΡΡΡΡΠΌΠ΅Π½Ρ ΡΡΠ΅Π΄Π½Π΅Π³ΠΎ ΠΈ Π²ΡΡΠΎΠΊΠΎΠ³ΠΎ ΡΡΠΎΠ²Π½Ρ Π² ΡΠ²ΠΎΠ΅ΠΌ ΡΠ΅Π½ΠΎΠ²ΠΎΠΌ ΠΊΠ»Π°ΡΡΠ΅Β»
Β«ΠΡΠΎΡ ΠΈΠ½ΡΡΡΡΠΌΠ΅Π½Ρ Π·Π°ΠΏΠΎΠ»Π½ΡΠ΅Ρ ΡΡΠΎΠ»Ρ Π½Π΅ΠΎΠ±Ρ ΠΎΠ΄ΠΈΠΌΡΠΉ ΠΏΡΠΎΠ±Π΅Π» Π½Π° ΡΡΠ½ΠΊΠ΅Β»
Β«ΠΠΎΠ΄ΡΠΊΠ°Π·ΠΊΠΈ ΠΏΠΎΠΌΠΎΠ³ΡΡ Π²Π°ΠΌ ΠΏΡΠΎΡΠ΅ΡΡΠΈΡΠΎΠ²Π°ΡΡ ΠΎΠΏΡΠ΅Π΄Π΅Π»Π΅Π½Π½ΡΠΉ Π°Π²ΡΠΎΠΌΠΎΠ±ΠΈΠ»ΡΒ»
Β«ΠΡΡΡΡΡΠΉ ΠΈ ΠΏΡΠΎΡΡΠΎΠΉ Π² ΠΈΡΠΏΠΎΠ»ΡΠ·ΠΎΠ²Π°Π½ΠΈΠΈ, ΠΎΡΠ»ΠΈΡΠ½ΡΠ΅ ΡΠ΅Π·ΡΠ»ΡΡΠ°ΡΡΒ»
Β«ΠΠΎΠΊΠ° Π²ΡΠ΅ ΠΈΠ΄Π΅Π°Π»ΡΠ½ΠΎΒ»
90 017 Β«ΠΠ°Π³Π°Π·ΠΈΠ½Π½Π°Ρ Π΄ΠΈΠ°Π³Π½ΠΎΡΡΠΈΠΊΠ° ΠΊΠ°ΡΠ΅ΡΡΠ²Π° Π½Π° Π΄ΠΎΠΌΡΒ»
Β«ΠΡΠΎΡΡΠΎΡΠ° Π² ΠΈΡΠΏΠΎΠ»ΡΠ·ΠΎΠ²Π°Π½ΠΈΠΈ, ΠΏΠΎΠ»ΡΡΠ΅Π½ΠΈΠ΅ Π²ΡΠ΅Ρ ΠΎΡΠ½ΠΎΠ²Π½ΡΡ ΠΊΠΎΠ΄ΠΎΠ² Π½Π΅ΠΈΡΠΏΡΠ°Π²Π½ΠΎΡΡΠ΅ΠΉ, ΠΌΠΎΠ½ΠΈΡΠΎΡΠΈΠ½Π³ Π² ΡΠ΅Π°Π»ΡΠ½ΠΎΠΌ Π²ΡΠ΅ΠΌΠ΅Π½ΠΈ ΠΈ ΠΏΠΎΠΊΠ°Π·Π°Π½ΠΈΡ TPMSΒ»
Π, Π΅ΡΠ»ΠΈ Π²Ρ Π·Π°ΠΈΠ½ΡΠ΅ΡΠ΅ΡΠΎΠ²Π°Π½Ρ, Π½Π΅ ΡΡΠ΅ΡΠ½ΡΠΉΡΠ΅ΡΡ ΠΎΠ·Π½Π°ΠΊΠΎΠΌΠΈΡΡΡΡ Ρ ΠΎΡΡΠ°Π»ΡΠ½ΡΠΌΠΈ Π½Π°ΡΠΈΠΌΠΈ ΠΎΠ±Π·ΠΎΡΠ°ΠΌΠΈ ΡΡΠΎΠ³ΠΎ ΠΏΡΠΎΠ΄ΡΠΊΡΠ° Π·Π΄Π΅ΡΡ
Π ΡΠ΅Π»ΠΎΠΌ, CarScan Pro #5610 β ΡΡΠΎ Π°Π±ΡΠΎΠ»ΡΡΠ½ΠΎ ΠΏΡΠ΅ΠΌΠΈΠ°Π»ΡΠ½ΡΠΉ Π²Π°ΡΠΈΠ°Π½Ρ, ΠΊΠΎΠ³Π΄Π° ΡΠ΅ΡΡ ΠΈΠ΄Π΅Ρ ΠΎ ΡΠΊΠ°Π½ΠΈΡΡΡΡΠ΅ΠΌ ΠΈΠ½ΡΡΡΡΠΌΠ΅Π½ΡΠ΅ ABS Π΄Π»Ρ ΠΏΡΠΎΠΊΠ°ΡΠΊΠΈ ΡΠΎΡΠΌΠΎΠ·ΠΎΠ².
ΠΡΠΎ ΡΠ°ΠΌΡΠΉ ΠΌΠ½ΠΎΠ³ΠΎΡΡΠ½ΠΊΡΠΈΠΎΠ½Π°Π»ΡΠ½ΡΠΉ ΠΈΠ½ΡΡΡΡΠΌΠ΅Π½Ρ, ΠΊΠΎΡΠΎΡΡΠΉ Π²Ρ ΠΌΠΎΠΆΠ΅ΡΠ΅ Π½Π°ΠΉΡΠΈ Π½Π° ΡΡΠ½ΠΊΠ΅, ΠΈ ΠΎΠ½ ΠΏΡΠΈΠ½Π°Π΄Π»Π΅ΠΆΠΈΡ Π²Π΅Π΄ΡΡΠ΅ΠΌΡ Π² ΠΎΡΡΠ°ΡΠ»ΠΈ Π±ΡΠ΅Π½Π΄Ρ Innova Electronics.
ΠΡΠΎΡ ΠΏΡΠΎΠ΄ΡΠΊΡ ΠΎΠ±Π»Π°Π΄Π°Π΅Ρ ΠΏΠ΅ΡΠ²ΠΎΠΊΠ»Π°ΡΡΠ½ΡΠΌΠΈ Ρ Π°ΡΠ°ΠΊΡΠ΅ΡΠΈΡΡΠΈΠΊΠ°ΠΌΠΈ, Π° ΡΠ°ΠΊΠΆΠ΅ Π²ΠΊΠ»ΡΡΠ°Π΅Ρ Π² ΡΠ΅Π±Ρ Π½Π΅ΠΎΠ±Ρ ΠΎΠ΄ΠΈΠΌΡΠ΅ ΡΠ»Π΅ΠΌΠ΅Π½ΡΡ ΡΠΊΠ°Π½Π΅ΡΠ° ΠΊΡΠΎΠ²ΠΎΡΠ΅ΡΠ΅Π½ΠΈΡ ΠΈΠ· ΠΠΠ‘, ΠΊΠΎΡΠΎΡΡΠ΅ Π²Π°ΠΌ Π½ΡΠΆΠ½Ρ.
ΠΠ½ ΡΠ°ΠΊΠΆΠ΅ ΠΈΠΌΠ΅Π΅Ρ ΠΎΡΠ»ΠΈΡΠ½ΡΠ΅ ΠΎΡΠ·ΡΠ²Ρ ΠΊΠ»ΠΈΠ΅Π½ΡΠΎΠ², ΠΊΠΎΡΠΎΡΡΠ΅ ΠΏΠΎΠΊΠ°Π·ΡΠ²Π°ΡΡ ΡΡΠΎΠ²Π΅Π½Ρ ΡΠ΄ΠΎΠ²Π»Π΅ΡΠ²ΠΎΡΠ΅Π½Π½ΠΎΡΡΠΈ ΡΡΠΈΠΌ ΠΏΡΠΎΠ΄ΡΠΊΡΠΎΠΌ Innova.
ΠΠ΅ Π³ΠΎΠ²ΠΎΡΡ ΡΠΆΠ΅ ΠΎ ΡΠΎΠΌ, ΡΡΠΎ Π²Ρ ΠΏΠΎΠ»ΡΡΠ°Π΅ΡΠ΅ ΠΎΠ±ΡΡΠ½ΠΎΠ΅ ΠΎΠ±ΡΠ»ΡΠΆΠΈΠ²Π°Π½ΠΈΠ΅, ΠΊΠΎΡΠΎΡΠΎΠ΅ Π²Ρ ΠΏΠΎΠ»ΡΡΠ°Π΅ΡΠ΅ Ρ Π»ΡΠ±ΡΠΌ ΠΏΡΠΎΠ΄ΡΠΊΡΠΎΠΌ Innova, Π²ΠΊΠ»ΡΡΠ°Ρ 365-Π΄Π½Π΅Π²Π½ΡΡ Π³Π°ΡΠ°Π½ΡΠΈΡ Π΄Π»Ρ Π΄ΠΎΠΏΠΎΠ»Π½ΠΈΡΠ΅Π»ΡΠ½ΠΎΠΉ Π±Π΅Π·ΠΎΠΏΠ°ΡΠ½ΠΎΡΡΠΈ.
Π ΡΠ°ΠΊΠΆΠ΅ Π²ΡΡΠΎΠΊΠΎΠΊΠ°ΡΠ΅ΡΡΠ²Π΅Π½Π½ΡΡ ΠΊΡΡΠ³Π»ΠΎΡΡΡΠΎΡΠ½ΡΡ ΠΏΠΎΠ΄Π΄Π΅ΡΠΆΠΊΡ ΠΊΠ»ΠΈΠ΅Π½ΡΠΎΠ² ΡΠ΅ΡΡΠΈΡΠΈΡΠΈΡΠΎΠ²Π°Π½Π½ΡΠΌΠΈ ΡΠ΅Ρ Π½ΠΈΡΠ΅ΡΠΊΠΈΠΌΠΈ ΡΠΏΠ΅ΡΠΈΠ°Π»ΠΈΡΡΠ°ΠΌΠΈ ASE, ΠΊΠΎΡΠΎΡΡΠ΅ ΠΏΠΎΠΌΠΎΠ³ΡΡ Π²Π°ΠΌ ΡΠ΅ΡΠΈΡΡ Π»ΡΠ±ΠΎΠΉ Π²ΠΎΠΏΡΠΎΡ.
ΠΡ ΡΠ΅ΠΊΠΎΠΌΠ΅Π½Π΄ΡΠ΅ΠΌ ΡΡΠΎ Π²ΡΠ΅ΠΌ, ΠΊΡΠΎ Ρ ΠΎΡΠ΅Ρ ΠΏΡΠΈΠΎΠ±ΡΠ΅ΡΡΠΈ ΡΠ°ΠΌΡΠΉ Π»ΡΡΡΠΈΠΉ ΠΈΠ½ΡΡΡΡΠΌΠ΅Π½Ρ Π½Π° ΡΡΠ½ΠΊΠ΅, ΠΊΠΎΡΠΎΡΡΠΉ ΠΌΠΎΠΆΠ½ΠΎ ΠΊΡΠΏΠΈΡΡ Π·Π° Π΄Π΅Π½ΡΠ³ΠΈ.
Π₯ΠΎΡΠΈΡΠ΅ ΠΏΡΠΈΠΎΠ±ΡΠ΅ΡΡΠΈ ΡΡΠΎΡ ΠΈΠ½ΡΡΡΡΠΌΠ΅Π½Ρ ABS? Π’ΠΎΠ³Π΄Π° ΠΏΡΠΎΡΡΠΎ Π½Π°ΠΆΠΌΠΈΡΠ΅ Π·Π΄Π΅ΡΡ!
ΠΡΠ»ΠΈ Π²Ρ ΠΈΡΠ΅ΡΠ΅ Π΄ΠΎΠΏΠΎΠ»Π½Π΅Π½ΠΈΠ΅ ΠΊ ΡΠ²ΠΎΠ΅ΠΉ ΠΊΠΎΠ»Π»Π΅ΠΊΡΠΈΠΈ ABS Ρ ΠΌΠ΅Π½ΡΡΠΈΠΌ Π±ΡΠ΄ΠΆΠ΅ΡΠΎΠΌ, ΠΏΡΠΎΡΡΠΎ ΡΠΈΡΠ°ΠΉΡΠ΅ Π΄Π°Π»ΡΡΠ΅!
ΠΡΠΎΡΡΠΌ ΠΏΡΠΎΠ΄ΡΠΊΡΠΎΠΌ, ΠΊΠΎΡΠΎΡΡΠΉ ΠΌΡ ΠΎΠ±ΡΡΠΆΠ΄Π°Π΅ΠΌ Π² ΡΡΠΎΠΌ ΡΡΠΊΠΎΠ²ΠΎΠ΄ΡΡΠ²Π΅, ΡΠ²Π»ΡΠ΅ΡΡΡ Innova CarScan Tech #5510.
ΠΡΠ»ΠΈ β 5610 β ΡΡΠΎ ΠΏΡΠ΅ΠΌΠΈΠ°Π»ΡΠ½ΡΠΉ, ΠΌΠ½ΠΎΠ³ΠΎΡΡΠ½ΠΊΡΠΈΠΎΠ½Π°Π»ΡΠ½ΡΠΉ, Π²ΡΠ΅ΠΎΡ Π²Π°ΡΡΠ²Π°ΡΡΠΈΠΉ ΠΈΠ½ΡΡΡΡΠΌΠ΅Π½Ρ Π΄Π»Ρ ΡΠΊΠ°Π½ΠΈΡΠΎΠ²Π°Π½ΠΈΡ ABS, ΡΠΎ β 5510 β Π±ΠΎΠ»Π΅Π΅ Π΄Π΅ΡΠ΅Π²ΡΠΉ Π²Π°ΡΠΈΠ°Π½Ρ, Π½ΠΎ Π²ΡΠ΅ ΠΆΠ΅ ΠΎΡΠ»ΠΈΡΠ½ΡΠΉ ΠΈΠ½ΡΡΡΡΠΌΠ΅Π½Ρ.
ΠΡΠΎ ΡΠΊΠ°Π½Π΅Ρ OBD2 Ρ ΡΡΠ½ΠΊΡΠΈΡΠΌΠΈ Π°Π²ΡΠΎΠΌΠ°ΡΠΈΡΠ΅ΡΠΊΠΎΠΉ ΠΏΡΠΎΠΊΠ°ΡΠΊΠΈ ABS, ΠΊΠΎΡΠΎΡΡΠΉ, Π½Π΅ΡΠΌΠΎΡΡΡ Π½Π° ΡΠΎ, ΡΡΠΎ ΠΎΠ½ Π½Π΅ ΡΠΎΠΎΡΠ²Π΅ΡΡΡΠ²ΡΠ΅Ρ Π°ΡΡΡΠΎΠ½ΠΎΠΌΠΈΡΠ΅ΡΠΊΠΎΠΌΡ ΡΡΠ°Π½Π΄Π°ΡΡΡ #5610, ΠΏΠΎ-ΠΏΡΠ΅ΠΆΠ½Π΅ΠΌΡ Π²ΠΊΠ»ΡΡΠ°Π΅Ρ Π² ΡΠ΅Π±Ρ Π½Π΅ΠΊΠΎΡΠΎΡΡΠ΅ ΠΎΡΠ»ΠΈΡΠ½ΡΠ΅ ΡΡΠ½ΠΊΡΠΈΠΈ ΠΈ ΠΎΠ±Π΅ΡΠΏΠ΅ΡΠΈΠ²Π°Π΅Ρ ΠΊΠ°ΡΠ΅ΡΡΠ²Π΅Π½Π½ΠΎΠ΅ ΠΎΠ±ΡΠ»ΡΠΆΠΈΠ²Π°Π½ΠΈΠ΅ Π½Π° Π»Π°Π΄ΠΎΠ½ΠΈ.
ΠΠ΅ Π΄ΡΠΌΠ°ΠΉΡΠ΅, ΡΡΠΎ ΡΡΠΎ ΠΌΠ΅Π½ΡΡΠΈΠΉ ΠΈΠ½ΡΡΡΡΠΌΠ΅Π½Ρ Π΄Π»Ρ ΠΏΡΠΎΠΊΠ°ΡΠΊΠΈ ΠΠΠ‘, ΠΎΠ½ ΠΏΠΎ-ΠΏΡΠ΅ΠΆΠ½Π΅ΠΌΡ ΡΡΡΠ΅ΠΊΡΠΈΠ²Π΅Π½.
ΠΠ°Π²Π°ΠΉΡΠ΅ ΡΠ°ΡΡΠΌΠΎΡΡΠΈΠΌ ΠΎΡΠ½ΠΎΠ²Π½ΡΠ΅ ΡΡΠ½ΠΊΡΠΈΠΈ.
ΠΠΎ-ΠΏΠ΅ΡΠ²ΡΡ , ΠΈ, Π²ΠΎΠ·ΠΌΠΎΠΆΠ½ΠΎ, ΡΠ°ΠΌΠΎΠ΅ Π³Π»Π°Π²Π½ΠΎΠ΅ Π² ΡΡΠΊΠΎΠ²ΠΎΠ΄ΡΡΠ²Π΅ ΡΡΠΎΠ³ΠΎ ΠΆΠ°Π½ΡΠ°, ΡΡΠΎ ΠΏΡΠ΅Π²ΠΎΡΡ ΠΎΠ΄Π½ΠΎ, ΠΊΠΎΠ³Π΄Π° ΡΠ΅ΡΡ ΠΈΠ΄Π΅Ρ ΠΎ ΠΏΡΠΎΠΊΠ°ΡΠΊΠ΅ ΡΠΎΡΠΌΠΎΠ·ΠΎΠ² EPB/ABS.
ΠΠ½ Π²ΠΊΠ»ΡΡΠ°Π΅Ρ Π² ΡΠ΅Π±Ρ Π½Π΅ΠΎΠ±Ρ ΠΎΠ΄ΠΈΠΌΡΡ ΠΏΠ΅ΡΠ΅Π΄ΠΎΠ²ΡΡ ΡΡΠ½ΠΊΡΠΈΡ ΠΎΠ±ΡΠ»ΡΠΆΠΈΠ²Π°Π½ΠΈΡ ΡΠΎΡΠΌΠΎΠ·Π½ΡΡ ΡΡΠΏΠΏΠΎΡΡΠΎΠ² Π΄Π»Ρ ΡΠΎΠ²ΡΠ΅ΠΌΠ΅Π½Π½ΡΡ Π°Π²ΡΠΎΠΌΠΎΠ±ΠΈΠ»Π΅ΠΉ, ΡΡΠΎ ΠΎΠ·Π½Π°ΡΠ°Π΅Ρ, ΡΡΠΎ Π²Ρ ΠΌΠΎΠΆΠ΅ΡΠ΅ ΠΏΡΠΎΠΊΠ°ΡΠ°ΡΡ ΡΠΎΡΠΌΠΎΠ·Π° EPB/ABS ΠΈ ΠΏΠΎΠ»ΡΡΠΈΡΡ ΡΠΎΡΠ½ΡΠ΅ ΠΈ Π²ΡΡΠΎΠΊΠΎΠΊΠ°ΡΠ΅ΡΡΠ²Π΅Π½Π½ΡΠ΅ ΡΠ΅Π·ΡΠ»ΡΡΠ°ΡΡ.
ΠΡΠΎΡ ΠΈΠ½ΡΡΡΡΠΌΠ΅Π½Ρ Π΄Π»Ρ ΡΠΊΠ°Π½ΠΈΡΠΎΠ²Π°Π½ΠΈΡ ΠΏΡΠΎΠΊΠ°ΡΠΊΠΈ ABS ΡΠ°ΠΊΠΆΠ΅ ΠΌΠ½ΠΎΠ³ΠΎΠ³ΡΠ°Π½Π΅Π½, ΠΈ ΠΎΠ΄Π½ΠΎΠΉ ΠΈΠ· Π΅Π³ΠΎ ΠΊΠ»ΡΡΠ΅Π²ΡΡ
ΠΎΡΠΎΠ±Π΅Π½Π½ΠΎΡΡΠ΅ΠΉ ΡΠ²Π»ΡΠ΅ΡΡΡ ΡΠΏΠΎΡΠΎΠ±Π½ΠΎΡΡΡ ΡΡΠΈΡΡΠ²Π°ΡΡ ΠΈ Π΄ΠΈΠ°Π³Π½ΠΎΡΡΠΈΡΠΎΠ²Π°ΡΡ Π΄Π°Π²Π»Π΅Π½ΠΈΠ΅ Π² ΡΠΈΠ½Π°Ρ
ΠΈ Π΄Π°Π½Π½ΡΠ΅ Π΄Π°ΡΡΠΈΠΊΠΎΠ².
Π, ΠΊΠΎΠ½Π΅ΡΠ½ΠΎ ΠΆΠ΅, ΠΌΡ Π½Π΅ ΠΌΠΎΠΆΠ΅ΠΌ Π·Π°Π±ΡΡΡ ΠΎ ΡΠ΅ΠΌΠΏΠ΅ΡΠ°ΡΡΡΠ΅ ΠΏΠ΅ΡΠ΅Π΄Π°ΡΠΈ.
ΠΡΠ° ΡΡΠ½ΠΊΡΠΈΡ ΠΈΠ½ΡΡΡΡΠΌΠ΅Π½ΡΠ° Π΄Π»Ρ ΠΏΡΠΎΠΊΠ°ΡΠΊΠΈ ΠΠΠ‘ ΠΏΠΎΠ·Π²ΠΎΠ»ΡΠ΅Ρ Π² ΡΠ΅ΠΆΠΈΠΌΠ΅ ΡΠ΅Π°Π»ΡΠ½ΠΎΠ³ΠΎ Π²ΡΠ΅ΠΌΠ΅Π½ΠΈ ΠΏΡΠΎΠ²Π΅ΡΡΡΡ, Π½Π°Ρ ΠΎΠ΄ΠΈΡΡΡ Π»ΠΈ ΡΡΠ°Π½ΡΠΌΠΈΡΡΠΈΠΎΠ½Π½Π°Ρ ΠΆΠΈΠ΄ΠΊΠΎΡΡΡ Π² Π²Π°ΡΠ΅ΠΌ Π°Π²ΡΠΎΠΌΠΎΠ±ΠΈΠ»Π΅ Π² ΠΎΠΏΡΠΈΠΌΠ°Π»ΡΠ½ΠΎΠΌ ΡΠ°Π±ΠΎΡΠ΅ΠΌ Π΄ΠΈΠ°ΠΏΠ°Π·ΠΎΠ½Π΅, ΡΡΠΎ ΠΎΡΠ΅Π½Ρ ΠΏΠΎΠ»Π΅Π·Π½ΠΎ ΠΏΡΠΈ ΠΏΡΠΎΠ²Π΅Π΄Π΅Π½ΠΈΠΈ Π΄ΠΈΠ°Π³Π½ΠΎΡΡΠΈΠΊΠΈ ΠΈΠ»ΠΈ Π·Π°ΠΌΠ΅Π½Π΅ ΠΆΠΈΠ΄ΠΊΠΎΡΡΠΈ.
ΠΠ΅ΡΠΌΠΎΡΡΡ Π½Π° Π±ΠΎΠ»Π΅Π΅ Π½ΠΈΠ·ΠΊΡΡ ΠΊΠ°ΡΠ΅Π³ΠΎΡΠΈΡ ΠΎΠΏΠ»Π°ΡΡ, ΡΡΠΎ ΠΏΡΠ΅Π²ΠΎΡΡ ΠΎΠ΄Π½ΡΠΉ ΠΈΠ½ΡΡΡΡΠΌΠ΅Π½Ρ Π΄Π»Ρ ΡΠΊΠ°Π½ΠΈΡΠΎΠ²Π°Π½ΠΈΡ ABS Π΄Π»Ρ ΠΏΡΠΎΠΊΠ°ΡΠΊΠΈ ΡΠΎΡΠΌΠΎΠ·ΠΎΠ² Ρ Π½Π΅ΠΊΠΎΡΠΎΡΡΠΌΠΈ ΠΏΠΎΡΡΡΡΠ°ΡΡΠΈΠΌΠΈ ΠΊΠ»ΡΡΠ΅Π²ΡΠΌΠΈ ΡΡΠ½ΠΊΡΠΈΡΠΌΠΈ.
ΠΠ½ ΡΠ°ΠΊΠΆΠ΅ ΠΎΡ Π²Π°ΡΡΠ²Π°Π΅Ρ Π±ΠΎΠ»Π΅Π΅ Π²Π°ΠΆΠ½ΡΠ΅ ΡΡΠ½ΠΊΡΠΈΠΈ, Π² ΡΠΎΠΌ ΡΠΈΡΠ»Π΅:
β ΠΠΎΠΊΡΡΡΠΈΠ΅ OBD1
β Π§ΡΠ΅Π½ΠΈΠ΅ Π½Π°ΠΏΡΡΠΆΠ΅Π½ΠΈΡ ΡΡΠ΅ΠΉΠΊΠΈ Π³ΠΈΠ±ΡΠΈΠ΄Π½ΠΎΠΉ Π±Π°ΡΠ°ΡΠ΅ΠΈ
β ΠΠΎΡΠΎΠΊ Π΄Π°Π½Π½ΡΡ Π² ΡΠ΅Π°Π»ΡΠ½ΠΎΠΌ Π²ΡΠ΅ΠΌΠ΅Π½ΠΈ
β Π‘ΠΎΠ²ΠΌΠ΅ΡΡΠΈΠΌΠΎΡΡΡ ΡΠΎ Π²ΡΠ΅ΠΌΠΈ 10 ΡΠ΅ΠΆΠΈΠΌΠ°ΠΌΠΈ OBD2
β Π‘Π±ΡΠΎΡ ΠΈ ΠΈΠ½ΠΈΡΠΈΠ°Π»ΠΈΠ·Π°ΡΠΈΡ BMS/Π±Π°ΡΠ°ΡΠ΅ΠΈ
β Π§ΡΠ΅Π½ΠΈΠ΅ ΠΈ ΠΎΡΠΈΡΡΠΊΠ° ΠΊΠΎΠ΄ΠΎΠ² SRS/ΠΏΠΎΠ΄ΡΡΠ΅ΠΊ Π±Π΅Π·ΠΎΠΏΠ°ΡΠ½ΠΎΡΡΠΈ
β ΠΡΠΎΠ²Π΅ΡΠΊΠ° Π²ΡΠ±ΡΠΎΡΠΎΠ²/Π·Π°Π΄ΡΠΌΠ»Π΅Π½Π½ΠΎΡΡΠΈ
90 002 β Π£ΡΠΎΠ²Π΅Π½Ρ ΠΌΠ°ΡΠ»Π° ΠΈ ΡΡΠΎΠΊ ΡΠ»ΡΠΆΠ±Ρ ΠΌΠ°ΡΠ»Π°β Π‘Π±ΡΠΎΡ ΠΌΠ°ΡΠ»ΡΠ½ΠΎΠ³ΠΎ ΠΈΠ½Π΄ΠΈΠΊΠ°ΡΠΎΡΠ°
β Π’Π΅ΡΡΡ Π°ΠΊΠΊΡΠΌΡΠ»ΡΡΠΎΡΠ½ΠΎΠΉ Π±Π°ΡΠ°ΡΠ΅ΠΈ/ΡΠΈΡΡΠ΅ΠΌΡ Π·Π°ΡΡΠ΄ΠΊΠΈ
β Π§ΡΠ΅Π½ΠΈΠ΅ ΠΈ ΠΎΡΠΈΡΡΠΊΠ° ΠΊΠΎΠ΄ΠΎΠ² Π½Π΅ΠΈΡΠΏΡΠ°Π²Π½ΠΎΡΡΠ΅ΠΉ Check Engine
β Π‘ΠΊΠ°Π½ΠΈΡΠΎΠ²Π°Π½ΠΈΠ΅ Π²ΡΠ΅ΠΉ ΡΠΈΡΡΠ΅ΠΌΡ
ΡΡΠΎ Π²ΠΈΠ΄Π΅ΠΎ Π·Π΄Π΅ΡΡ!
youtube.com/embed/6uSUNBQ6UdY?autoplay=0&enablejsapi=1&wmode=opaque» allowfullscreen=»» allow=»autoplay; fullscreen» name=»fitvid1″>ΠΠΎΠ½Π΅ΡΠ½ΠΎ, ΠΌΡ ΡΠ΅Π½ΠΈΠΌ ΡΠ΄ΠΎΠ²Π»Π΅ΡΠ²ΠΎΡΠ΅Π½Π½ΠΎΡΡΡ Π½Π°ΡΠΈΡ ΠΊΠ»ΠΈΠ΅Π½ΡΠΎΠ² ΠΏΡΠ΅Π²ΡΡΠ΅ Π²ΡΠ΅Π³ΠΎ, ΠΊΠΎΠ³Π΄Π° ΡΠ΅ΡΡ ΠΈΠ΄Π΅Ρ ΠΎ ΠΏΡΠΎΠ²Π΅ΡΠΊΠ΅ Π½Π°ΡΠ΅ΠΉ ΠΏΡΠΎΠ΄ΡΠΊΡΠΈΠΈ, ΠΈ, ΠΊΠ°ΠΊ ΠΈ Π² ΡΠ»ΡΡΠ°Π΅ Ρ #5610, ΠΌΡ ΠΏΠΎΠΊΠ°ΠΆΠ΅ΠΌ Π²Π°ΠΌ Π½Π΅ΠΊΠΎΡΠΎΡΡΠ΅ ΠΊΠΎΠΌΠΌΠ΅Π½ΡΠ°ΡΠΈΠΈ, ΡΠ΄Π΅Π»Π°Π½Π½ΡΠ΅ Π½Π°ΡΠΈΠΌΠΈ ΠΊΠ»ΠΈΠ΅Π½ΡΠ°ΠΌΠΈ ΠΏΠΎΡΠ»Π΅ ΠΏΠΎΠΊΡΠΏΠΊΠΈ. ΡΡΠΎΡ ΠΈΠ½ΡΡΡΡΠΌΠ΅Π½Ρ Π΄Π»Ρ ΠΏΡΠΎΠΊΠ°ΡΠΊΠΈ ABS.
Β«Π’ΠΎΡΠ½ΡΠΉ ΠΈ ΠΏΡΠΎΡΡΠΎΠΉ Π² ΠΈΡΠΏΠΎΠ»ΡΠ·ΠΎΠ²Π°Π½ΠΈΠΈΒ»
Β«ΠΡΠ»ΠΈΡΠ½ΡΠΉΒ»
Β«Π Π°Π±ΠΎΡΠ°ΠΉΡΠ΅ ΠΊΠ°ΠΊ ΠΏΡΠΎΡΠ΅ΡΡΠΈΠΎΠ½Π°Π»!Β»
Β«ΠΡΠ΅Π½Ρ ΠΊΡΠ°ΡΠΈΠ²ΡΠΉ ΠΈ ΡΠ΄ΠΎΠ±Π½ΡΠΉΒ»
Β«Π₯ΠΎΡΠΎΡΠΈΠΉ Π²ΡΠ±ΠΎΡΒ»
Β«ΠΡΠ»ΠΈΡΠ½ΡΠΉ ΠΌΠ°Π³Π°Π·ΠΈΠ½Π½ΡΠΉ ΠΈΠ½ΡΡΡΡΠΌΠ΅Π½Ρ!Β»
Β«Π Π°Π±ΠΎΡΠ°Π΅Ρ ΡΡΠ°Π·ΡΒ»
Π₯ΠΎΡΠΈΡΠ΅ ΡΠ²ΠΈΠ΄Π΅ΡΡ Π±ΠΎΠ»ΡΡΠ΅ ΠΎΡΠ·ΡΠ²ΠΎΠ² ΠΎ Innova #5510? ΠΡΠΎΡΡΠΎ Π½Π°ΠΆΠΌΠΈΡΠ΅ Π·Π΄Π΅ΡΡ!
Π ΡΠ΅Π»ΠΎΠΌ ΡΡΠΎΡ ΠΈΠ½ΡΡΡΡΠΌΠ΅Π½Ρ ΠΌΠΎΠΆΠ΅Ρ Π½Π΅ ΠΈΠΌΠ΅ΡΡ Π½Π°Π²ΠΎΡΠΎΡΠΎΠ² ΡΠ²ΠΎΠ΅Π³ΠΎ ΠΏΡΠ΅ΠΌΠΈΠ°Π»ΡΠ½ΠΎΠ³ΠΎ ΡΠΎΠ΄ΡΡΠ²Π΅Π½Π½ΠΈΠΊΠ° #5610, Π½ΠΎ, ΡΠ΅ΠΌ Π½Π΅ ΠΌΠ΅Π½Π΅Π΅, ΡΡΠΎ ΡΠ΅ΡΡΠΎΠ²ΡΠΊΠΈ Ρ
ΠΎΡΠΎΡΠΈΠΉ ΠΈΠ½ΡΡΡΡΠΌΠ΅Π½Ρ Π΄Π»Ρ ΡΠΊΠ°Π½ΠΈΡΠΎΠ²Π°Π½ΠΈΡ ΠΊΡΠΎΠ²ΠΎΡΠ΅ΡΠ΅Π½ΠΈΠΉ ΠΈΠ· ΠΠΠ‘.
ΠΠ»ΠΈΠ΅Π½ΡΡ, ΠΊΡΠΏΠΈΠ²ΡΠΈΠ΅ Π΅Π³ΠΎ, Π² Π²ΠΎΡΡΠΎΡΠ³Π΅, Π²Π΅Π΄Ρ ΠΎΠ½ ΠΎΠ±Π»Π°Π΄Π°Π΅Ρ ΡΡΠ΄ΠΎΠΌ Π·Π°ΠΌΠ΅ΡΠ°ΡΠ΅Π»ΡΠ½ΡΡ ΠΊΠ»ΡΡΠ΅Π²ΡΡ ΡΡΠ½ΠΊΡΠΈΠΉ.
ΠΡ ΡΠ΅ΠΊΠΎΠΌΠ΅Π½Π΄ΡΠ΅ΠΌ ΡΡΠΎ Π²ΡΠ΅ΠΌ, ΠΊΡΠΎ ΠΈΡΠ΅Ρ Π²ΡΡΠΎΠΊΠΎΠΊΠ°ΡΠ΅ΡΡΠ²Π΅Π½Π½ΡΠΉ ΠΈΠ½ΡΡΡΡΠΌΠ΅Π½Ρ Π΄Π»Ρ ΡΠΊΠ°Π½ΠΈΡΠΎΠ²Π°Π½ΠΈΡ ΠΊΡΠΎΠ²ΠΎΡΠ΅ΡΠ΅Π½ΠΈΠΉ ΠΈΠ· ABS, Π½ΠΎ Ρ Π±ΠΎΠ»Π΅Π΅ Π²ΡΠ³ΠΎΠ΄Π½ΡΠΌ Π±ΡΠ΄ΠΆΠ΅ΡΠΎΠΌ, ΡΠ΅ΠΌ Ρ # 5610.
Π₯ΠΎΡΠΈΡΠ΅ ΠΊΡΠΏΠΈΡΡ ΡΡΠΎΡ ΠΈΠ½ΡΡΡΡΠΌΠ΅Π½Ρ? Π’ΠΎΠ³Π΄Π° ΠΏΡΠΎΡΡΠΎ Π½Π°ΠΆΠΌΠΈΡΠ΅ Π·Π΄Π΅ΡΡ!
| ABS ΠΡΠΎΠΊΠ°ΡΠΊΠ° ΡΠΎΡΠΌΠΎΠ·ΠΎΠ² EPB Β ΠΠ±ΡΠ»ΡΠΆΠΈΠ²Π°Π½ΠΈΠ΅ ΡΡΠΏΠΏΠΎΡΡΠ° Π‘ΡΠΎΠΊ ΡΠ»ΡΠΆΠ±Ρ ΡΠΎΡΠΌΠΎΠ·Π½ΡΡ ΠΊΠΎΠ»ΠΎΠ΄ΠΎΠΊ Π’Π΅ΠΌΠΏΠ΅ΡΠ°ΡΡΡΠ° ΠΊΠΎΡΠΎΠ±ΠΊΠΈ ΠΏΠ΅ΡΠ΅Π΄Π°Ρ TPMS β ΠΠ°Π²Π»Π΅Π½ΠΈΠ΅ Π² ΡΠΈΠ½Π°Ρ | ||
| SRS Π§ΡΠ΅Π½ΠΈΠ΅/Π‘ΡΠΈΡΠ°Π½ΠΈΠ΅/Π‘Π±ΡΠΎΡ | Π‘Π¨Π/ΠΠ·ΠΈΡ | Π‘Π¨Π/ΠΠ·ΠΈΡ |
| ΠΠΠ‘ Π§ΡΠ΅Π½ΠΈΠ΅/Π‘ΡΠΈΡΠ°Π½ΠΈΠ΅/Π‘Π±ΡΠΎΡ | Π‘Π¨Π/ΠΠ·ΠΈΡ/ΠΠ‘ | Π‘Π¨Π/ΠΠ·ΠΈΡ/ΠΠ‘ |
| ΠΠ½Π΄ΠΈΠΊΠ°ΡΠΎΡ ΠΏΡΠΎΠ²Π΅ΡΠΊΠΈ Π΄Π²ΠΈΠ³Π°ΡΠ΅Π»Ρ Β ΠΡΠΎΠ²Π΅ΡΠΊΠ° Π²ΡΠ±ΡΠΎΡΠΎΠ² ΠΡΠΎΠ²Π΅ΡΠΊΠ° Π°ΠΊΠΊΡΠΌΡΠ»ΡΡΠΎΡΠ½ΠΎΠΉ ΡΠΈΡΡΠ΅ΠΌΡ ΠΠΈΠ²ΡΠ΅ Π΄Π°Π½Π½ΡΠ΅ 10 ΡΠ΅ΠΆΠΈΠΌΠΎΠ² OBD2 Π£ΡΠΎΠ²Π΅Π½Ρ ΠΌΠ°ΡΠ»Π°/Π‘Π±ΡΠΎΡ Π‘ΠΊΠ°Π½ΠΈΡΠΎΠ²Π°Π½ΠΈΠ΅ ΡΠ΅ΡΠΈ ΠΠ°ΠΏΡΡΠΆΠ΅Π½ΠΈΠ΅ Π±Π°ΡΠ°ΡΠ΅ΠΈ/Π‘Π±ΡΠΎΡ | ||
| Π‘ΠΏΠ΅ΡΠΈΠ°Π»ΡΠ½ΡΠ΅ ΡΡΠ½ΠΊΡΠΈΠΈ ΡΠ±ΡΠΎΡΠ° Β Π Π°ΡΡΠΈΡΠ΅Π½Π½ΡΠΉ ΠΏΠΎΡΠΎΠΊ Π΄Π°Π½Π½ΡΡ : ΠΠ²ΠΈΠ³Π°ΡΠ΅Π»Ρ, ΠΠΠ, ΠΠΠ‘, SRS ΠΠΊΡΠΈΠ²Π½ΡΠ΅/Π΄Π²ΡΠ½Π°ΠΏΡΠ°Π²Π»Π΅Π½Π½ΡΠ΅ ΡΠΈΡΡΠ΅ΠΌΠ½ΡΠ΅ ΡΠ΅ΡΡΡ | ||
| ΠΠΠ1 | ΠΠΎΠ΄Π΅ΡΠ½ΠΈΠ·ΠΈΡΡΠ΅ΠΌΡΠΉ | ΠΠΎΠ΄Π΅ΡΠ½ΠΈΠ·ΠΈΡΡΠ΅ΠΌΡΠΉ |
ΠΡΠ΅Π²ΠΈΠ΄Π½ΠΎ, ΠΌΡ Π½Π΅ Ρ
ΠΎΡΠΈΠΌ, ΡΡΠΎΠ±Ρ Π²Ρ ΠΏΡΠΈΠΎΠ±ΡΠ΅Π»ΠΈ ΡΠ²ΠΎΠΉ ΠΈΠ½ΡΡΡΡΠΌΠ΅Π½Ρ Π΄Π»Ρ ΡΠΊΠ°Π½ΠΈΡΠΎΠ²Π°Π½ΠΈΡ ΠΊΡΠΎΠ²ΠΎΡΠ΅ΡΠ΅Π½ΠΈΠΉ ABS ΠΈ Π½Π΅ ΡΠΌΠΎΠ³Π»ΠΈ Π΅Π³ΠΎ ΠΈΡΠΏΠΎΠ»ΡΠ·ΠΎΠ²Π°ΡΡ, ΠΏΠΎΡΡΠΎΠΌΡ Π΄Π°Π²Π°ΠΉΡΠ΅ ΠΏΡΠΎΠ²Π΅Π΄Π΅ΠΌ Π²Π°Ρ ΡΠ΅ΡΠ΅Π· ΡΡΠΎΡ ΠΏΡΠΎΡΠ΅ΡΡ.



ΠΡΠΎ ΡΠ²ΡΠ·Π°Π½ΠΎ Ρ ΡΠ΅ΠΌ, ΡΡΠΎ ΠΊΠ»Π°ΠΏΠ°Π½Π° Π² ΡΠΈΡΡΠ΅ΠΌΠ΅ ΠΠΠ‘ Π½Π°Ρ
ΠΎΠ΄ΡΡΡΡ Π² Π·Π°ΠΊΡΡΡΠΎΠΌ ΠΏΠΎΠ»ΠΎΠΆΠ΅Π½ΠΈΠΈ.


ΠΠ½ Π΄ΠΎΠ»ΠΆΠ΅Π½ ΠΏΠΎΡΡΡ
Π½ΡΡΡ, Π΅ΡΠ»ΠΈ Π²ΡΠ΅ Π±ΡΠ»ΠΎ ΡΠ΄Π΅Π»Π°Π½ΠΎ Π²Π΅ΡΠ½ΠΎ.