Компоненты топливных систем АЗПИ – Рейс.РФ
Одним из приоритетных направлений деятельности Алтайского завода прецизионных изделий является изготовление компонентов системы питания для двигателей как российского, так и импортного производства, в том числе и первой отечественной системы Altay Common Rail System
24.09.2019
Алтайский завод прецизионных изделий выпускает широкий ассортимент компонентов топливных систем: механические форсунки, распылители, управляющие клапаны, электрогидроуправляемые инжекторы, иные детали, из которых формируются ремкомплекты. Кроме того, на предприятии освоено производство электронноуправляемых систем питания Common Rail. Эти компоненты обеспечивают стабильную и эффективную работу дизельных двигателей в течение длительного времени, поэтому такая продукция востребована всеми крупнейшими производителями дизельных двигателей на территории Российской Федерации и стран СНГ. В частности, предприятие поставляет на сборочный конвейер КАМАЗа полнокомплектные системы Altay Common Rail экологических классов Евро‑4 и Евро‑5.
Камский автомобильный завод – один из основных партнеров АЗПИ, их сотрудничество началось в 2004 году с поставок механических форсунок с малогабаритным распылителем. Первоначально эти форсунки были составными: распылитель производства немецкой фирмы Bosh, а все остальные детали выпускались алтайским заводом. Но благодаря совместной работе специалистов АЗПИ и КАМАЗа в короткие сроки было разработано и запущено в серию полностью российское изделие – форсунка модели «216», которая не только отлично себя зарекомендовала в реальной эксплуатации, но и стала полноценной заменой импортных деталей.
В ходе дальнейшего сотрудничества автозавода и АЗПИ в 2006 году прошли моторные испытания топливоподающей системы аккумуляторного типа с электроуправляемыми насос-форсунками на двигателе КАМАЗ. После детального анализа результатов испытаний и работы конструкторов технические характеристики топливоподающей системы по схеме классического Common Rail удалось значительно улучшить, а производство основных комплектующих максимально локализовать в России.
В дальнейшем в 2015 году были проведены испытания двигателя КАМАЗ с электроуправляемыми форсунками АЗПИ и подтверждено соответствие двигателя экологическому стандарту Евро‑5. А уже через два года, в декабре 2017-го, КАМАЗ выпустил первые автомобили с дизелями, оснащенными полнокомплектной топливной аккумуляторной системой высокого давления Altay Common Rail System (ACRS).ACRS – это топливоподающая система аккумуляторного типа Common Rail с электронным управлением подачей топлива. Она обеспечивает:
- точную дозировку цикловой подачи топлива для каждого рабочего режима и многофазный впрыск;
- регулировку углов опережения впрыска топлива в зависимости от частоты вращения, нагрузки, температуры;
- гибкое регулирование давления впрыскивания топлива в широком диапазоне;
- легкий пуск двигателя с минимальным выбросом вредных веществ в атмосферу при любых температурных условиях и корректировку процесса топливоподачи в зависимости от условий окружающей среды с целью снижения выбросов вредных веществ;
- совместимость с электронными системами автомобиля и бортовой системой контроля и диагностики по каналу CAN, обеспечивает диагностику, выполняет функции ограничения скорости, аварийной защиты двигателя, круиз-контроля и дублирования управления от дополнительного органа с пульта оператора.
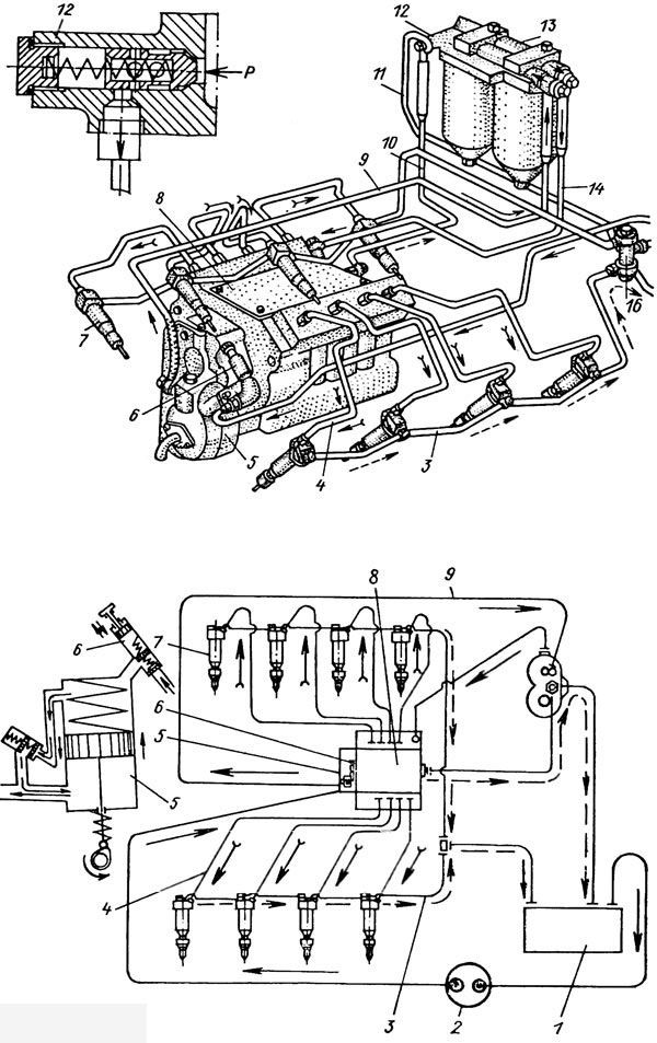
Система включает в себя контур низкого давления с элементами подачи и фильтрации топлива, контур высокого давления, в который входят топливный насос высокого давления (ТНВД), топливные аккумуляторы высокого давления, форсунки и топливопроводы высокого давления. Слаженную работу всех компонентов обеспечивает электронный блок управления с датчиками и исполнительными механизмами.
Новости СМИ2
Топливная система КАМАЗ в категории «Авто — мото»
Рем. к-т. паливної системи 5320-Камаз (СНД) (шайби мідні) 33.1112342
Доставка по Украине
160 грн
Купить
НоваСила
Рем. кол-т. топливной системы 5320-Камаз (шайбы медные)
Доставка по Украине
по 87 грн
от 2 продавцов
87 грн/комплект
Купить
RedCar
Ремкомплект шайб для ремонта топливной системы КамАЗ, МАЗ, медь
Доставка по Украине
200 грн
Купить
ООО «Фирма Альтарис»
Болт-штуцер М14х1,5х65,5 топливной системы КамАЗ (Россия) 870006
Доставка из г.
Конотоп
59.20 грн
Купить
ТОВ «Гарантпостач-К»
Паливозабірник КМ3-655 (Євро) до а/м КАМАЗ з паливною системою євро,Mercedes
На складе
Доставка по Украине
2 318.04 грн
Купить
АЛЬЯНС-АГРО 2006 ТОВ
Сальник КамАЗ ТНВД МОВ 75х94 с пруж ПРЕМИУМ
Доставка из г. Киев
40 грн
36 грн
Купить
Автосфера — онлайн запчасти
Сальник полумуфты ведущей КамАЗ с пруж 28х45 ПРЕМИУМ
Доставка из г. Киев
20 грн
18 грн
Купить
Автосфера — онлайн запчасти
Мембрана камеры торм. тип-24 ЗИЛ, КАМАЗ,МАЗ (пр-во Украина)
Доставка по Украине
180 грн
Купить
AvtoSila
Подшипник (30204JR) наруж.зад.ступ Таврия, вал кулачк ТНВД КамАЗ, МАЗ, КрАЗ, ЗИЛ 7204
Доставка из г. Киев
90 грн
81 грн
Купить
Автосфера — онлайн запчасти
Клапан редукционный КамАЗ в сб. ( ). 15.1772100
Доставка по Украине
1 012.
54 грн
Купить
АвтоТаргет
Полумуфта привода ТНВД КамАЗ ведущая (d-30). 740.37-1111054
Под заказ
Доставка по Украине
Купить
АвтоТаргет
Пластина привода ТНВД КамАЗ передняя (КамАЗ). 740.1029274
Доставка по Украине
224.95 грн
Купить
АвтоТаргет
Клапан нагнетательный 33.1111102
Доставка по Украине
295 грн
Купить
Укрдеталь
Шайба ТНВД КАМАЗ — МАЗ
Доставка по Украине
45 грн
Купить
Запчасти Т-40 Харьков Украина
Трубки высокого давления КамАЗ (к-т.из 8-ми штук) D=6мм. 740-1104310-324
Доставка по Украине
1 120 грн
Купить
Подбор и продажа автозапчастей
Смотрите также
Вал привода ТНВД КамАЗ L=205 в сб (Дорожная карта). 7406.1111050
Под заказ
Доставка по Украине
Купить
АвтоТаргет
Плунжерная пара Камаз 337.1111150-10 (337-10) Евро-1
Доставка по Украине
190 грн
Купить
🅼🅴🅷🅰🅽🅸🅺
Фланец задн.
ведущей полумуфты привода ТНВД (КамАЗ). 740.1029270
Под заказ
Доставка по Украине
Купить
АвтоТаргет
Клапан вентиляции бака топливного VW Caddy 1.6/2.0/T5 2.0 04-15
Доставка по Украине
735.84 грн
Купить
Магазин автозапчастин CarPaul
Клапан вентиляции бака топливного VW Passat 2.3 00-05/T5 3.2 03-09
Доставка по Украине
985.32 грн
Купить
Магазин автозапчастин CarPaul
Клапан вентиляции бака топливного VW Caddy 1.4/1.6 95-04/Passat 1.8 88-97
Доставка по Украине
770.62 грн
Купить
Магазин автозапчастин CarPaul
Насос топливный в бак VW Caddy 1.6/2.0TDI 10-
Доставка по Украине
3 896.29 грн
Купить
Магазин автозапчастин CarPaul
Топливозаборник КАМАЗ ЕВРО ТХЗ-655Е (КМЗ)
Доставка по Украине
2 125 грн
Купить
AutoOilGroup
Плунжерная пара КамАЗ в контейнере в сб. (ЯЗДА). 33.1111074-01
Доставка по Украине
658.
44 — 768.96 грн
от 2 продавцов
658.44 грн
Купить
АвтоТаргет
Распылитель КАМАЗ 33-1112110-230 (ЯЗДА, конт) ЯМЗ
Доставка по Украине
95 грн
Купить
ТРАК-ДЕТАЛИ
Пластина привода ТНВД КамАЗ ЕВРО передняя (КамАЗ). 740.11-1111274
Под заказ
Доставка по Украине
Купить
АвтоТаргет
Пластина привода ТНВД КамАЗ задняя (КамАЗ). 740.1029272
Под заказ
Доставка по Украине
Купить
АвтоТаргет
Хомут бака топливного КамАЗ (250л) (КамАЗ). 5320-1101110-20
Доставка по Украине
354.74 грн
Купить
АвтоТаргет
Вал шестерни ведомой привода ТНВД КамАЗ (КамАЗ). 740.1029154
Под заказ
Доставка по Украине
Купить
АвтоТаргет
| Шасси грузовиков | |||||
|---|---|---|---|---|---|
6580-3001-J5 (6×4) | Полная масса автомобиля 41 тонна. Полезная нагрузка – 29 600 кг. Снаряженная масса автомобиля — 11 400 кг. Двигатель Cummins ISG12E5 (Евро-5). ZF 16S 2200 ТО Коробка передач. Кондиционер. Евро-5 | Шасси для лесовозов и бревенчатых машин | |||
4308-3022-С4 (4х2) | Полная масса автомобиля 11,9 тонн. Бесплатный транспорт по системе «Платон». Бесплатный проезд по системе «Платон». Полезная нагрузка — 7 150 кг. Снаряженная масса автомобиля – 4 750 кг. Двигатель Cummins ISB4.5e4 185 (Евро-4). Коробка передач ZF 6S700. ![]() | 4308-3021-С4 | Полезная нагрузка увеличена на 450 кг. | ||
| Бортовые грузовики | |||||
65207 (6х4) | Межколесные и межосевые блокировки, двигатель Daimler OM457LA (Евро-5), КПП ZF 16S2220, система доочистки (AdBlue), ECAS, EBS, ESP, ASR, кабина Daimler, кондиционер, обогреватель кабины Eberspacher, Daimler HD4/ Ведущие мосты HL4 на пневматической подвеске | — | | ||
| Тягачи | |||||
65806 (6х4) | Нагрузка на седельно-сцепное устройство — 23 тонны. Полная масса автопоезда – 74 тонны. Система курсовой устойчивости (ESP), система противоскольжения (ASR). Кондиционер. Евро-5 | — | |||
| 65206 (6х4) | Задняя пневмоподвеска на каждой из осей, система курсовой устойчивости ESP, EBS. Климат-контроль. Евро-5 | — | |||
5490 (4×2) | Нагрузка на седельно-сцепное устройство — 10,55 тонны. Полная масса автопоезда – 44 тонны. Система курсовой устойчивости (ESP), система противоскольжения (ASR). Кондиционер. Евро-5 | — | |||
| Самосвалы | |||||
| 65201-21010-43 (8х4) | обратная выгрузка, отапливаемая прямоугольного сечения 20 куб.м. межосевые и межколесные замки , двигатель КАМАЗ В8–740.632-400 (без системы доочистки по регламенту 96-02, максимальная полезная мощность 400 л.с.), коробка передач ZF16S1825 ТО, держатель запасного колеса, шторки автомобиля, лестница, объем топливного бака 350л, шины 315/80R22.5, грузоподъемность 29тонн. | — | Кабина Axor на пневматической подвеске. Кондиционер. Круиз-контроль. | ||
| 6520-21010-43 (6х4) | Разгрузка назад, подогрев прямоугольного сечения 16 куб.м, межосевые и межколесные блокировки, двигатель КАМАЗ В8-740.632-400 (без системы доочистки по регламенту 96-02, максимальная полезная мощность 400л.с.) , коробка передач ZF16S1820 TO, кронштейн под запаску, шторки, лестница, объем топливного бака 350л, шины 315/80R22.5, грузоподъемность 22 тонны. | — | |||
| 6520-6024-73 | самосвал с боковой разгрузкой, объем самосвального кузова 24 куб. м, компоновка 6х4, межосевые и межколесные блокировки, двигатель КАМАЗ-740.73-400 (максимальная полезная мощность 400 л.с.), коробка передач ZF16S1820, топливная система BOSCH, Common Rail, система доочистки (AdBlue), держатель запасного колеса, пневмосистема кабины, неспящая родильная кабина, шторки, лестница, базовое шасси 6520-3072-73, объем топливного бака 350 л, шины 315/80R22.5, грузоподъемность 19тонн. | — | Кузов-самосвал большей грузоподъемности для легких сыпучих грузов, в том числе сельскохозяйственного производства | ||
| 6520-6030-73 | самосвал с боковой выгрузкой, борта для самосвалов, объем кузова самосвала 30 куб.м, компоновка 6х4, межосевые и межколесные блокировки, двигатель КАМАЗ-740. 73-400 (максимальная полезная мощность 400л.с.), коробка передач ZF16S1820, Топливная система BOSCH, Common Rail, система доочистки (AdBlue), держатель запасного колеса, пневмосистема кабины, неспящая родильная кабина, шторки, лестница, базовое шасси 6520-3072-73, объем топливного бака 350 л, шины 315/80R22 .5, полезная нагрузка 19тонн. | — | |||
| 6522-6042-43 | обратная выгрузка, отапливаемый кузов-самосвал 12 куб.м. вместимость, компоновка 6х6, межосевые и межколесные блокировки, двигатель КАМАЗ-740.632-400 (максимальная полезная мощность 400 л.с.), коробка передач ZF 16S1820, топливная система BOSCH, Common Rail, ведущие мосты Daimler, раздаточная коробка КАМАЗ-6522 , пневмосистема кабины, неспальная родильная кабина, объем топливного бака 350л, шины 12.00R20, грузоподъемность 19тонн.![]() | 6522-6012-43 | Оси Даймлер | ||
| 6520-6041-73 | выгрузка назад, прямоугольное сечение 20 куб.м, компоновка 6х4, межосевые и межколесные блокировки, двигатель КАМАЗ-740.73-400 (максимальная полезная мощность 400л.с.), коробка передач ZF 16S1820, топливная система BOSCH, Common Rail, система доочистки (AdBlue), пневмосистема кабины, спальная кабина, объем топливного бака 350л, шины 315/80R22,5, грузоподъемность 20 тонн. | 6520-26012-73, 6520-057 | Кабина со спящим рождением | ||
| Шасси для коммунальной и дорожно-ремонтной техники | |||||
| 65115-3971-23(А4) | шасси, установочный размер рамы 5830 мм, компоновка 6х4, межосевые и межколесные блокировки, двигатель Cummins ISB6. 7e4 300 (максимальная полезная мощность 29 л.с.8 л.с.), коробка передач ZF 9S1310, топливная система BOSCH, система доочистки (AdBlue), коробка отбора мощности FH 9767, держатель запасного колеса, выхлопная система вверх, кабина без спальника, объем топливного бака 350 л, шины 11.00R20 или 11.00R22,5, грузоподъемность 17,75 тонны. | 65115-3961-23(А4) | Шасси лучше приспособлено для установки спецоборудования коммунальной и дорожно-строительной техники, выхлопная система вверх за кабиной | ||
| 65115-3981-23(А4) | шасси, установочный размер рамы 5830 мм, компоновка 6х4, межосевые и межколесные блокировки, двигатель Cummins ISB6.7e4 300 (максимальная полезная мощность 298 л.с.), коробка передач ZF 9S1310, топливная система BOSCH, система доочистки (AdBlue), держатель запасного колеса, выхлопная система вверх, неспальная родильная кабина, объем топливного бака 350л, шины 11. 00R20 или 11.00R22,5, грузоподъемность 17,75 тонн. | 65115-3081-23(А4) | |||
| 65115-3982-23(А4) | шасси, установочный размер рамы 5830 мм, компоновка 6х4, межосевые и межколесные блокировки, двигатель Cummins ISB6.7e4 300 (максимальная полезная мощность 298 л.с.), коробка передач ZF 9S1310, топливная система BOSCH, система доочистки (AdBlue), держатель запасного колеса, восходящая выхлопная система, низкая или высокая неспальная кабина, объем топливного бака 350л, шины 10.00R20 или 11.00R22,5, грузоподъемность 15,15 тонн. | 65115-3082-23(А4) | |||
| 53605-3952-23(А4) | шасси, установочный размер рамы 4670 мм, компоновка 4х2, межколесные блокировки, двигатель Cummins ISB6. 7e4 300 (максимальная полезная мощность 298 л.с.), коробка передач ZF 9S1310, топливная система BOSCH, система доочистки (AdBlue), насос отбора мощности Off Unit, восходящая выхлопная система, неспальная родильная кабина, объем топливного бака 210л, шины 315/80R22,5, грузоподъемность 13,95 тонн. | 53605-0003950-23(А4) | |||
| 53605-3953-23(А4) | шасси, установочный размер рамы 4670 мм, компоновка 4х2, межколесные блокировки, двигатель Cummins ISB6.7e4 300 (максимальная полезная мощность 298 л.с.), коробка передач ZF 9S1310, топливная система BOSCH, система доочистки (AdBlue), Flange Power Take- Off Unit, восходящая выхлопная система, неспальная родильная кабина, объем топливного бака 210л, шины 315/80R22,5, грузоподъемность 13,95 тонн. | 53605-0003951-23(А4) | |||
| 43253-3910-28(Р4) | шасси, установочный размер рамы 4920 мм, компоновка 4х2, межколесные блокировки, двигатель Cummins ISB6. 7e4 245 (максимальная полезная мощность 242 л.с.), коробка передач ZF 6S1000, система доочистки (AdBlue), топливная система BOSCH, кронштейн под запасное колесо, низкая или высокая неспальная родовая кабина, восходящая выхлопная система, объем топливного бака 350 или 210 л, шины 10.00R20, 11.00R20 или 11.00R22,5, грузоподъемность 9,44 тонны. | 43253-0003010-28(Р4) | |||
| Полноприводное шасси для тяжелых условий эксплуатации | |||||
| 43118-3090-46 | шасси, установочный размер рамы 7040 мм, компоновка 6х6, межосевые и межколесные блокировки, двигатель КАМАЗ 740.662-300 (максимальная полезная мощность 300 л.с.), ZF 9Коробка передач S1310, топливная система BOSCH, Common Rail, кронштейн под запасное колесо, спальная кабина, объем топливного бака 350+210л, шины 425/85R21 или 390/95R20, грузоподъемность 13,6 тонн.![]() | 43118-3078-46 | Удлиненная рама, усиленная передняя подвеска, нагрузка на переднюю ось 6,5 т, увеличенная полная масса автомобиля до 22,5 т. | ||
| Лесовозы | |||||
| Лесовоз 659000 | Спецтехника для погрузки/разгрузки и перевозки бревен 3-6 м. | КАМАЗ-65207 6х4 | Двигатель Mercedes-Benz OM 457LA V/5 (ЕВРО-5) | ||
Снятие ТНВД КАМАЗ евро 4
Описание: Размеры следующие, длина — 3965, ширина — 1100, высота — 1182 мм. Колесная база составляет 2295 мм.
Дорожный просвет 118 мм. Автомобиль оснащен гибридной системой привода. 4-цилиндровый двигатель оснащен системой, обеспечивающей выходную мощность двигателя. На цилиндр приходится 4 клапана при диаметре одного цилиндра
75 мм, ход поршня 77 мм. Коленчатый вал двигателя разгоняется до 4000 об/мин. Максимальный крутящий момент сохраняется до 5000 об/мин.
Ниже вы можете ознакомиться с техническими характеристиками как снять ТНВД КАМАЗ Евро 4. Выскажите свое мировоззрение на автомобиль в комментариях.
Дата выхода: 07.10.2019
Смеется на тему: — Гот! — подумал попугай, глядя на ворону… — Эй! — подумала ворона глядя на попугая…
Как разобрать ТНВД КАМАЗ 740
Установка ТНВД на КАМАЗ 6520 евро-4.
КАМАЗ 55111С 2001 снятие ТНВД и форсунок
Замена ТНВД Bosch на ТНВД КАМАЗ! ВСЕ КАМАЗы одинаково разные! каменс опора двигателя
ТНВД КАМАЗ Евро 2 ТНВД
Снятие форсунки на КАМАЗ евро 4
Замена сальника привода ТНВД КАМАЗ Евро 4 Common Rail
Установка ТНВД на двигатель МВ ОМ 447
Переделка с КАМАЗ ЕВРО4 (Евро 4) на ЕВРО2 (Евро2)
Нашел причину почему КАМАЗ не заводится на Common Rail BOSCH
КАМА3-4310 (43101).
ЗАМЕНА ТОПЛИВНОГО НАСОСА ВЫСОКОГО ДАВЛЕНИЯ (ТНВД)
Замена ТНВД:
1. Для проверки и регулировки при техническом обслуживании.
2. При дефектах, связанных с необходимостью частичной разборки и регулировки ТНВД.
3. При механических повреждениях.
КАРТА ОПЕРАЦИЙ № 3
Инструменты и принадлежности: гаечные ключи 8XW, 12X13, 17X19, отвертка, гаечный ключ, сменные насадки
См. также: Запрет прохождения ГТО что это такое
Ключ накидной 13, 14, 17 мм, 17Х19, шланг воздуховыпускной.
Снятие ТНВД
1. Отвернуть болты и снять крышку смотрового люка картера сцепления
2. Отвернуть гайки и отсоединить электрические провода от свечей 16 (рис. 5)
3. Ослабить накидные гайки и отсоедините топливопроводы от накидных пробок
4. Ослабьте гайки крепления хомута топливопровода высокого давления 8, отсоедините их от штуцеров форсунок 6 и ТНВД и снимите их.
Примечание. Отверстия в штуцерах форсунок, секции ТНВД и концы труб высокого давления защищены от пыли и грязи
5.
Отвернуть накидную гайку и отсоединить топливопровод от ручного топливоподкачивающего насоса 9, отсоединить скобу крепления трубки от ТНВД. корпуса отвернуть трубку
6. Вывернуть болт и отсоединить трубку 7 от подкачивающего насоса низкого давления 10
7. Ослабить винты и отсоединить тяги рукоятки 1 (рис. 6) остановки двигателя и рукоятку 2 от тяг управления подачей топлива рычагов управления дроссельной заслонкой и остановки двигателя, ослабить болты крепления тяг и отсоединить тяги
8. Отвернуть гайку и отсоединить тягу 6 от рычага 4 управления регулятором
9. Вывернуть болты и отсоединить кронштейн пневмоцилиндра для перекрытия подачи топлива, отвернуть болт и отсоединить шток пневмоцилиндра от рычага перекрытия подачи топлива
10. Выверните болт и отсоедините трубку подачи масла к ТНВД
П. Отсоедините штекерное соединение от электромагнитного клапана 14 (см. рис. 5)
12. Поверните выверните болт и отсоедините топливную трубку 19из ТНВД
13.

Система включает в себя контур низкого давления с элементами подачи и фильтрации топлива, контур высокого давления, в который входят топливный насос высокого давления (ТНВД), топливные аккумуляторы высокого давления, форсунки и топливопроводы высокого давления. Слаженную работу всех компонентов обеспечивает электронный блок управления с датчиками и исполнительными механизмами.
Полезная нагрузка – 29 600 кг. 
Полная масса автопоезда – 74 тонны. Система курсовой устойчивости (ESP), система противоскольжения (ASR). Кондиционер. Евро-5
Полная масса автопоезда – 44 тонны. Система курсовой устойчивости (ESP), система противоскольжения (ASR). Кондиционер. Евро-5
м, компоновка 6х4, межосевые и межколесные блокировки, двигатель КАМАЗ-740.73-400 (максимальная полезная мощность 400 л.с.), коробка передач ZF16S1820, топливная система BOSCH, Common Rail, система доочистки (AdBlue), держатель запасного колеса, пневмосистема кабины, неспящая родильная кабина, шторки, лестница, базовое шасси 6520-3072-73, объем топливного бака 350 л, шины 315/80R22.5, грузоподъемность 19тонн.
73-400 (максимальная полезная мощность 400л.с.), коробка передач ZF16S1820, Топливная система BOSCH, Common Rail, система доочистки (AdBlue), держатель запасного колеса, пневмосистема кабины, неспящая родильная кабина, шторки, лестница, базовое шасси 6520-3072-73, объем топливного бака 350 л, шины 315/80R22 .5, полезная нагрузка 19тонн.
7e4 300 (максимальная полезная мощность 29 л.с.8 л.с.), коробка передач ZF 9S1310, топливная система BOSCH, система доочистки (AdBlue), коробка отбора мощности FH 9767, держатель запасного колеса, выхлопная система вверх, кабина без спальника, объем топливного бака 350 л, шины 11.00R20 или 11.00R22,5, грузоподъемность 17,75 тонны.
00R20 или 11.00R22,5, грузоподъемность 17,75 тонн.
7e4 300 (максимальная полезная мощность 298 л.с.), коробка передач ZF 9S1310, топливная система BOSCH, система доочистки (AdBlue), насос отбора мощности Off Unit, восходящая выхлопная система, неспальная родильная кабина, объем топливного бака 210л, шины 315/80R22,5, грузоподъемность 13,95 тонн.
7e4 245 (максимальная полезная мощность 242 л.с.), коробка передач ZF 6S1000, система доочистки (AdBlue), топливная система BOSCH, кронштейн под запасное колесо, низкая или высокая неспальная родовая кабина, восходящая выхлопная система, объем топливного бака 350 или 210 л, шины 10.00R20, 11.00R20 или 11.00R22,5, грузоподъемность 9,44 тонны.