Zinref.ru — библиотека онлайн, автомобили
Zinref.ru — библиотека онлайн, автомобили Zinref.ru — библиотека онлайнПоиск по сайту
Zinref.ru Не является автором материалов, которые размещены. Но предоставляет возможность бесплатного использования. Есть нарушение авторского права? напишите нам
Правообладателям
Disclaimer
Посещая этот сайт и используя размещенную на нем информацию, вы, тем
самым, принимаете данные условия использования и отказываетесь от любых
претензий, которые могут возникнуть в результате использования этого
сайта или любых материалов, информации, высказываний или рекомендаций,
размещенных на сайте. Работа настоящего сайта регулируется
законодательством РФ.
|
Игра Atomic Heart для PC, на русском языке Steam (купить)
|
| Акура Альфа Ромео Ауди Белаз БМВ Bobcat Byd Ваз Вольво Джип Додж FAW Foton Freightliner Geely Great Wall H and D Howo DAF Датсун Dongfeng Дэу ЗАЗ ЗИЛ JAC Ивеко (Iveco) Изузу (Isuzu) Инфинити Кадиллак Каз Камаз Кии Краз Крайслер Лексус Ленд Ровер Лифан
|
МАЗ Man Мазда Мерседес МЗКТ Митсубиси Моаз Naveco Нефаз Ниссан Опель Пежо Рено Сааб Ситроен Скания Смарт SsangYong Субару Сузуки Тата Татра Terex Тойота УАЗ Урал Фиат Фольксваген Форд Хафей Хаммер Хендай Хонда Черри (Chery)Шевроле Шкода Ягуар
|
|
Биология Виноделие и виноград Военное дело География Геология Горное дело Гидравлика ЕГЭ тесты Журналистика Квалификационные тесты Компьютеры Котлы Краны Криминалистика Кройка и шитьё Кулинария Культура, музыка Лесное производство Литература Лифты Логика Медицина Металлургия Метро Морское дело Мотоблоки, культиваторы Мотоциклы Охота и рыбалка Очистка воды Парикмахерское дело Педагогика Пожарное дело
|
Политология Право Право Казахстана Право Украины Продукты питания Производство Психология Самолёты
Снегоходы Спорт Строительство Судопроизводство Техника Техника безопасности, МЧС Трактора Транспорт Транспорт-15 Транспорт-16 Транспорт-17
Троллейбусы, трамваи Уголовное право Философия Холодильная техника Экология Энергетика ЮриспруденцияZz_01
|
Разные-2 Разные-3 Разные-4 Разные-6 Разные-7
|
Разные-11 Разные-12 Разные-13 Разные-14 Разные-15 Разные-16
|
| Транспорт-2 Транспорт-3 Транспорт-4 Транспорт-5 Транспорт-6 Транспорт-7 |
Транспорт-8 Транспорт-9 Транспорт-10 Транспорт-11 Транспорт-12 Транспорт-13 Транспорт-14
|
|
PC Far Cry 5, полностью на русском языке (купить)
|
все рефераты составлены до 2019 года
|
Антикризисная
экономика Архитектура Астрономия Банковское дело Бизнес-план Биографии Биология Ботаника Бюджет Ветеринария Водное право Военное дело ОАО Газпром География Геодезия Горное дело Геополитика Государственное регулирование Делопроизводство Естествознание Законы |
Здоровье Зоология Инвестиции Инновации Иностранные языки История мира История России Компьютеры Коммерция Косметология Криминалистика Культура Литература Логика Логистика ОАО Лукойл Маркетинг Маркетинг предприятия Математика Медицина Медицина.
|
Менеджмент Металлургия Музыка Налоги Охрана труда Педагогика Педагогика Монтессори Пищевые продукты Полиграфия Политический режим Политология Право Право уголовное Природопользование Производство Психология Радиоэлектроника Религия
|
Сельское хозяйство Социология Строительство Судопроизводство Таможня Товароведение Туризм Спорт Ценообразование Физика Философия Философия Гегеля Финансы Химия Экология Экономика Энергетика Этика Юриспруденция ОАО Уралкалий YY_15
|
Hyundai accent где расположен датчик тахометра.
Советы, авто новинки, фотографии Разместил: Богдан 20.08.2016 в 12:00Содержание статьи:Фото Обзор тахометра в Hyundai Accent Видео Похожие статьи
Значимость тахометра в Hyundai Accent. В каждом автомобиле на приборной доске размещены самые важные приборы, которые позволяют водителю следить за состоянием авто на дороге.
Hyundai Accent Металл «У» 99% › Бортжурнал › Тахометр при смерти?! 4. Заглянув за шкалу тахометра сверху (комбинашка обращена стрелочками на вас), можно увидеть два регулятора.
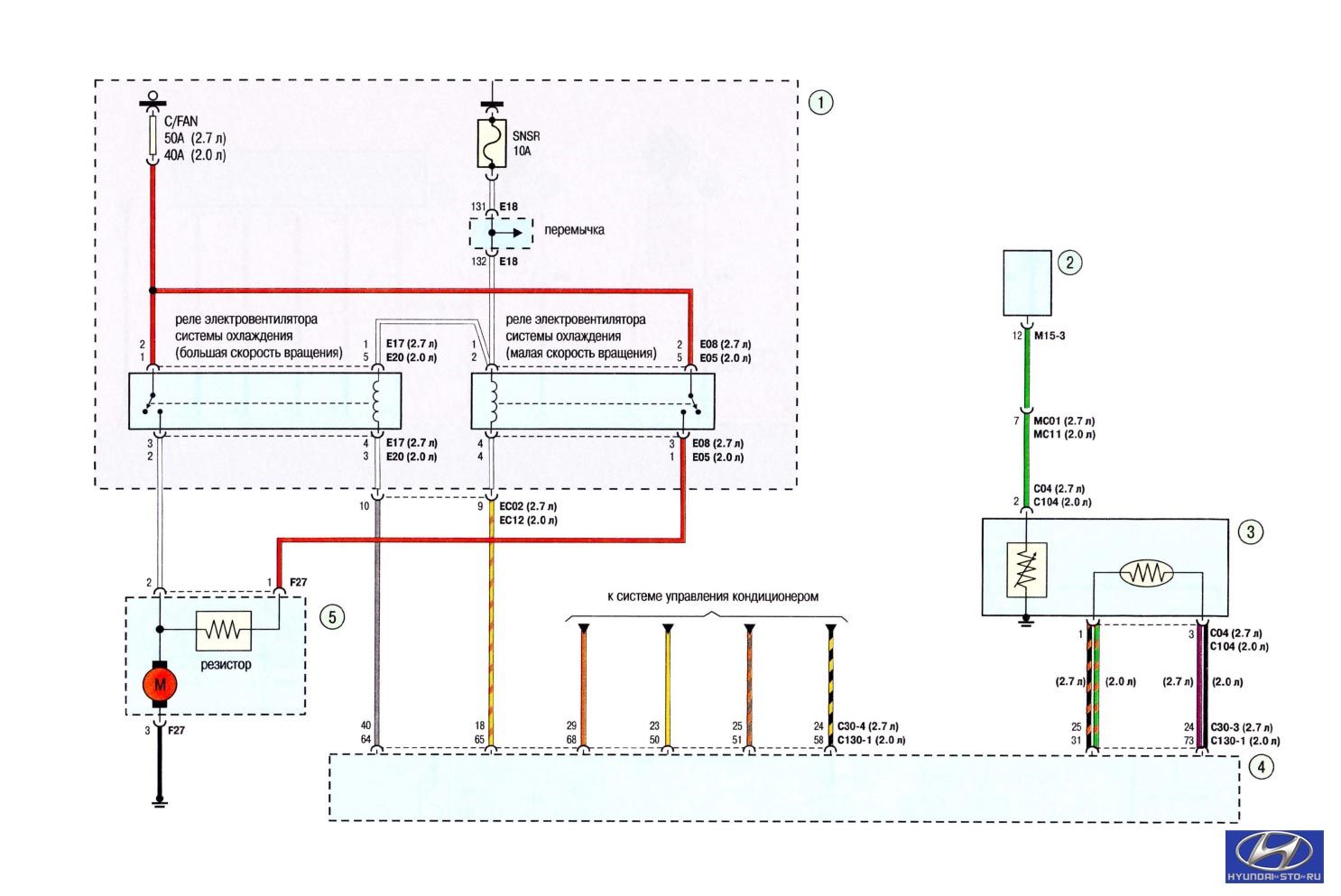
Это интересно! Логотип Хюндай – это не просто буква «H» в авале. Это было бы слишком просто. Данная эмблема символизирует рукопожатие двух человек – представителя концерна и довольного клиента. Кроме того, в переводе с корейского языка слово «hyundai» переводится как «современный».Руководства → Hyundai → Accent (Хендай Акцент). Для проверки тахометра соберите электрическую схему, показанную на рис.
Прибор состоит из указателя, расположенного в комбинации приборов и датчика.
Изменение температуры охлаждающей жидкости изменяет сопротивления датчика, что вызывает изменение тока в катушках указателя и результирующее магнитное поле поворачивает постоянный магнит и стрелку в соответствующее положение шкалы. Отщёлкнуть чёрную пластмассу вместе со стеклом всё только на звщёлках. Для снятия комбинации приборов предварительно снимите облицовку, отвернув четыре винта. Однако могут возникать неисправности, которые приводят либо к полному отказу в работе тахометра, либо его стрелка начинает дёргаться скакать , что мешает точно определить скорость вращения коленчатого вала двигателя.
Тахометр при смерти?! — бортжурнал Hyundai Accent Металл «У» 99% года на DRIVE2
Иногда вдруг откажет тахометр. Стрелка на ноль и не двигается. Проходит какое-то время и тахометр снова работает. Прочитал много всяких мнений по этому поводу. Кто-то связывает это с температурой за бортом.
У кого-то это связано с прогревом двигателя и салона. Мой вариант не зависит ни от одно из этих факторов. Задумывался уже батюшку позвать — изгнать беса из тахометра! Разбирал комбинашку, протягивал винтики ВСЕ уже протянул , почистил и так чистые контакты проводов.
Взмолился Cheshir-Izh и подцепил к своей машине его комбинашку — работает! Некоторые скажут, что нафиг тахометр не нужен — слушай двигатель! Но, не забывайте, у меня машина с буквой «У» на крыше! Не каждого гакусэя ученика сенсэя так легко этому научить.
Да и вообще — «дохлая» стрелка — удручает! Решение пришло само и очень неожиданно. Отщёлкнуть чёрную пластмассу вместе со стеклом всё только на звщёлках. Тахометр не снимать, контакты от комбинашки не отключать. Заглянув за шкалу тахометра сверху комбинашка обращена стрелочками на вас , можно увидеть два регулятора.
У меня белого цвета. Я так понял, что это тоже самое, что и калибровочные винты. Внимательно их рассмотреть и увидеть, что-то похожее на заводскую пломбу капелька краски или лака 6.
Левая крутилка была сдвинута пломба треснула. Исхитрившись, я всё же смог её повернуть обратно. Я взял хирургические карцанги зажим. Обмотал губки мягким и тонким лейкопластырем! Уже км всё ок!
KIA RIO, Замирают стрелки датчиков тахометра и топливо, в чем причина и как это устранить
Hyundai Accent — Автомобильная библиотека Криттендена
| Заходя/используя автомобильную библиотеку Crittenden/CarsAndRacingStuff.com, вы выражаете свое согласие с Условиями использования на нашей странице с юридической информацией. Наша Политика конфиденциальности также доступна там. |
Модель автомобиля
| Навигация по теме |
|---|
| Википедия: Хендай Акцент Подтемы Разделы страницы |
Заменил Excel для модели 1995 года. Доступны модели седан и хэтчбек.История
Следующий раздел представляет собой выдержку из страницы Hyundai Accent в Википедии от 13 июля 2017 года, текст доступен по лицензии Creative Commons Attribution-ShareAlike 3.0 Unported.
Hyundai Accent (корейский: 현대 엑센트) или Hyundai Verna (현대 베르나) в Южной Корее — малолитражный автомобиль производства Hyundai. В Австралии модели первого поколения носили название Hyundai Excel, которое использовалось предшественником Accent. Accent был заменен в 2000 году на Hyundai Verna в Южной Корее, хотя большинство международных рынков, включая США, сохранили название Accent.
Акцент для китайского рынка производится компанией Beijing Hyundai Co., совместным предприятием с Beijing Automotive Industry Corp. Для российского рынка он собирается на заводе ТагАЗ в Таганроге. В Мексике Accent до 2014 года продавался Chrysler как Dodge Attitude, ранее известный как Verna от Dodge. В Венесуэле Chrysler продавал эти модели как Dodge Brisa до 2006 года.
Brisa собирала Mitsubishi Motors на своем заводе в Барселоне, Венесуэла. С 2002 года Accent был самым продолжительным небольшим семейным автомобилем, продаваемым в Северной Америке. В Пуэрто-Рико он также продается как Hyundai Accent. В России он продается как Hyundai Solaris.
В 2008 году компания J.D. Power and Associates назвала Hyundai Accent самым надежным малолитражным автомобилем.
Первое поколение (X3; 1994–2000)
Hyundai Accent (X3) был представлен в качестве замены Excel в 1994 году для модели 1995 года. Он по-прежнему назывался Dodge Brisa в Венесуэле или Hyundai Excel на некоторых рынках, таких как Нидерланды, Бельгия и Австралия. Во Франции он назывался Hyundai Pony, а в Китае — Kia Qianlima.
Австралийские автомобили были выпущены в ноябре 1994 года в комплектациях Sprint и GX (трехдверный хэтчбек) или LX и GLX (четырехдверный седан и пятидверный хэтчбек). Модели с более высокой спецификацией (GX и GLX) имели полностью тканевый салон (в отличие от виниловых спинок сидений), регулировку высоты и поясничной опоры на сиденье водителя, аудиосистему с четырьмя динамиками (вместо двух), косметическое зеркало для пассажира, тахометр.
, и силовая антенна в стандартной комплектации. Трехдверные модели GX также имели стандартный задний спойлер, а гидроусилитель руля был стандартным для всех, кроме Sprint. Было также несколько специальных выпусков — седан Classique в 1996 с антиблокировочной системой тормозов и Sportz 1999 и 2000 годов с легкосплавными дисками и задним спойлером. Подавляющее большинство проданных автомобилей составляли трехдверные модели Sprint, привлекавшие покупателей бесплатным кондиционером, доступной ценой и с конца 1998 года стандартным гидроусилителем руля.
Рестайлинговый автомобиль прибыл в Австралию в апреле 1997 года с сопутствующими изменениями отделки салона. Двигатель представлял собой 1,5-литровый агрегат G4EK SOHC мощностью 91 л.с. (68 кВт). С ноября 1997 года он был модернизирован до версии G4FK с двумя распредвалами (DOHC) мощностью 74 кВт (99 л.с.) при 6000 об/мин и крутящий момент 134 Н·м (99 фунт-фут) при 4000 об/мин. Двигатель с двойным верхним расположением распредвала (DOHC) также был доступен в Америке в Accent GT, но вместо этого имел более мощные 105 л.
с. (78 кВт) при 6000 об / мин. X3 с двигателем DOHC имеют маркировку Twin Cam.
В Австралии X3 оказался настолько популярным (благодаря своей надежности и низкой цене), что был третьим самым продаваемым автомобилем в стране как в 1996, так и в 1998 году. 5,5% всего рынка), рекордный показатель на тот момент для импортного автомобиля. Между 1994 и 2000 года в Австралии было продано около 200 000 X3, что сделало его, пожалуй, самым успешным импортным автомобилем в истории страны.
Accent продавался в Великобритании в кузовах седан (седан), хэтчбек и купе с выбором из трех двигателей для каждого: 1,3 12v (85 л.с.), 1,5 12v (92 л.с.) и 1,5 16v (105 л.с.). л.с.) бензин. Варианта с дизелем не было. Автомобиль со спецификацией GSi был Accent с максимальной комплектацией. Версия купе MVi-spec получила особую похвалу за маневренность в Великобритании. Хотя купить и застраховать Акцент было дешево, его двигатели были довольно прожорливы; 1,5-литровый двигатель вернул в среднем 33 мили на галлон (8,6 л / 100 км; 27 миль на галлон США) согласно данным списка.
Хотя в США существуют руководства для Accent до и после 1999 г., руководство для Hyundai Accent 1999 г. не было опубликовано. Кроме того, владельцы модели 1999 года были проинформированы их дилерами о том, что выходная мощность 1,5-литрового двигателя на самом деле составляет 88 лошадиных сил (66 кВт).
В Китае Hyundai Accent выпускался под торговой маркой Kia Qianlima под брендом Dongfeng Yueda Kia. Он поставлялся с двигателем объемом 1,3 или 1,6 литра. Производство шло с декабря 2002 года по ноябрь 2006 года. Он имел стиль, похожий на обычный Hyundai Accent, пока в 2005 году не был проведен косметический ремонт с новой решеткой радиатора и противотуманными фарами. Уровни отделки салона включали 1,3 DLX, 1,3 л GL (механическая), 1,3 л GL (автоматическая), 1,6 GLS (механическая) и 1,6 GLS (автоматическая).
Второе поколение (LC; 1999–2005 гг.)
Модернизированный Accent (LC) 1999 года отличался более угловатым кузовом и увеличенными габаритами.
В 2003 году он подвергся незначительному фейслифтингу и получил код модели LC2. Когда в 2006 году седан Accent подвергся редизайну, хэтчбек продолжал продаваться в течение 2006 года только в Канаде, поскольку хэтчбек пропустил модельный год 2006 года для США. Но для Кореи это была первая модель с новым шильдиком: Verna.
Accent получил новые 1,5-литровые 12-клапанные двигатели SOHC и 16-клапанные DOHC: после 2003 года 1,3-литровый двигатель продолжал модифицироваться с впуском с резонатором Гельмгольца. 1,6-литровый двигатель заменил двигатель 1,5 в 2000 году. получить дизельную версию с 1,5-литровым трехцилиндровым турбодизелем с прямым впрыском под маркой CRDi.
Уровни отделки салона были GSi, CDX и MVi: это было стандартом для большинства экспортных версий, хотя на некоторых европейских рынках были свои собственные обозначения с такими именами, как DynamicVersion и т. Д. На некоторых рынках использовались LS и GLS.
В Северной Америке Accent был доступен только в комплектациях GL, GLS и GT, сначала с 1,5-литровым двигателем, а затем с 1,6-литровым двигателем с 2002 года.
Версия GT была аналогична версии MVi, продаваемой в Европе и Oceania, хотя обвес не был так откровенно стилизован под горячий хэтчбек.
В течение 2003 года в Канаде хэтчбек предлагался как GS или GSi с двигателем 1,5 л или 1,6 л соответственно.
Продавался в России до 2011 года как Hyundai Accent бок о бок с моделью 3-го поколения, которая продается как Hyundai Verna.
Он был запущен в Индии в октябре 1999 года как «Акцент» и все еще производился после некоторых незначительных обновлений; автомобиль был снят с производства в 2013 году для местного рынка. Новый вариант Hyundai Accent индийского производства. Вариант Accent GLS, который теперь оснащен передними подушками безопасности и АБС для соответствия правилам безопасности на новых автомобилях, подразумевает, что Accent может просуществовать до 2017 года.
Вариант GLS также поставляется с кондиционером, электрическими стеклоподъемниками спереди и сзади, усилителем руля, центральным замком, аудиосистемой Radio-CD-MP3 и передними противотуманными фарами.
Это самая продаваемая модель завода Hyundai в Ченнаи. Он дважды подвергался рестайлингу — в 2004 и 2010 годах — и оснащен 1,5-литровым четырехцилиндровым бензиновым двигателем в паре с пятиступенчатой механической коробкой передач.
В Индии на смену Accent пришел Hyundai Xcent, компактный седан на платформе Grand i10. Accent (LC) заработал солидную репутацию надежного и не требующего особого ухода автомобиля, что не дает Hyundai причин прекращать его выпуск.
Третье поколение (MC; 2005–2011)
Hyundai представила Accent (MC) нового поколения на Международном автосалоне в Нью-Йорке в 2005 году. Примечательными особенностями являются новый внешний вид, увеличенный интерьер и двигатель CVVT.
Единый уровень отделки салона, GLS, доступен в США для седана. Этот седан включает в себя 6 подушек безопасности, кондиционер, усилитель рулевого управления с наклоном, опциональные четырехколесные дисковые антиблокировочные тормоза с электронным распределением тормозного усилия и стереосистему с компакт-дисками с 6 динамиками.
Спортивный пакет премиум-класса включает в себя кондиционер, 15-дюймовые легкосплавные диски, электрические стеклоподъемники и зеркала с подогревом, а также дверные замки с дистанционным управлением. Также доступна автоматическая коробка передач.
Hyundai начал продавать 3-дверный хэтчбек в Соединенных Штатах весной 2006 года как автомобиль 2007 модельного года. Трехдверка доступна в двух комплектациях — GS и SE. GS оснащен так же, как седан GLS, с исключением некоторого оборудования по базовой цене 10 415 долларов США. SE заменяет прежний Accent GT, предлагая спортивную подвеску, 16-дюймовые легкосплавные диски и другие спортивные функции, а также доступные устанавливаемые дилером детали для повышения производительности, такие как воздухозаборник для холодного воздуха и распорка подвески. SE продается в Корее как Verna Sport. Hyundai Accent SR является эксклюзивным для Канады, и было выпущено всего 500 экземпляров. Эта версия похожа на Accent SE, но вдобавок имеет расширители крыльев, переднюю губу, заднюю губу и наконечник выхлопной трубы.
В версию SR также входит звуковая система Clarion с 4-канальным усилителем мощностью 400 Вт, аудиосистемой с 7 динамиками и 10-дюймовым (250 мм) сабвуфером в специально изготовленной коробке. В Dash также добавлен комплект отделки из углеродного волокна. В 2010 модельном году для Accent был введен «синий» уровень отделки салона по базовой цене всего 9 долларов США.,970. Accent Blue доступен только в виде 3-дверного хэтчбека с механической коробкой передач, единственным вариантом является кондиционер, который добавляет к цене 1000 долларов.
Accent в настоящее время занимает третье место среди малолитражных автомобилей в Соединенных Штатах, уступая своим конкурентам Chevrolet Aveo и Toyota Yaris. В 2010 году Forbes включил Accent в десятку худших по амортизации автомобилей.
В Европе эта модель активно рекламировалась автомобильной прессой и даже самой Hyundai как «временная» модель, поскольку она предназначалась просто для заполнения пробела в ассортименте Hyundai до тех пор, пока в 2007 году не был выпущен новый небольшой семейный автомобиль.
Новый автомобиль Hyundai i30 заменил как Accent, так и более крупную Hyundai Elantra. Изменение названия помогло дистанцировать новую модель от бюджетной репутации Accent, а также подчеркнуть, что новый автомобиль действительно может конкурировать в сегменте небольших семейных хэтчбеков — то, что Accent был слишком мал для этого, а Elantra слишком велик. . Accent продолжал продаваться в США в 2008 году с капитальным ремонтом приборной панели и стандартными задними подстаканниками в модели SE.
Четвертое поколение (RB; 2010 – настоящее время)
Справочная служба
«Справочная служба» Автомобильной библиотеки Криттендена представляет собой набор материалов, которыми нельзя делиться из-за ограничений авторского права. Однако информацией из этих ресурсов можно делиться. Перейдите на страницу справочной службы для получения дополнительной информации.
| Тип | Название |
|---|---|
| 1997 Книга | Hyundai Accent 1997 Руководство по ремонту : Том. 2; Hyundai Motor Company |
| Книга 1997 года | Hyundai Coupes/Sedans 1994-1998 Руководство по ремонту Джеймса Р. Маротты, ASE; Chilton Automotive Books |
Фотографии
| GT 2006 фото IFCAR Посмотреть фото Hyundai Accent GT — 83KB | |
| 1998 Фото «Руди» Посмотреть фото из 1998 Hyundai Accent — 33 КБ Разрешается копировать, распространять и/или изменять этот документ в соответствии с условиями лицензии GNU Free Documentation License версии 1.2 или любой более поздней версии, опубликованной Free Software Foundation; без неизменяемых разделов, без текстов на передней и задней обложках. Копия лицензии включена в раздел, озаглавленный «Лицензия свободной документации GNU». | |
| 2006 г. Фото IFCAR Посмотреть фото Hyundai Accent — 134KB | |
| Пользовательский Фото «Hxxbin» Посмотреть фото Custom Hyundai Accent — 135KB Разрешается копировать, распространять и/или изменять этот документ в соответствии с условиями лицензии GNU Free Documentation License версии 1. 2 или любой более поздней версии, опубликованной Free Software Foundation; без неизменяемых разделов, без текстов на передней и задней обложках. Копия лицензии включена в раздел, озаглавленный «Лицензия свободной документации GNU». | |
| Фото «Bull-Doser» Посмотреть фото Hyundai Accent — 346KB | |
| Фото «Bull-Doser» Посмотреть фото Hyundai Accent — 234KB | |
| 2003 Посмотреть фото 2003 Hyundai Accent — 215KB | |
| 2006 2006 фото IFCAR Посмотреть фото 2006 Hyundai Accent — 114KB | |
| Thillens Фото © 2010 Билл Криттенден Посмотреть фото Thillens Hyundai Accent — 478KB | |
| Thillens Фото © 2010 Bill Crittenden Посмотреть фото Thillens Hyundai Accent — 491KB | |
| Машина доставки Pizza Ranch Фото © 2012 Bill Crittenden Посмотреть фото Pizza Ranch Hyundai Accent — 3. 4MB | |
| Автомобиль доставки Pizza Ranch Фото © 2012 Билл Криттенден Посмотреть фото Pizza Ranch Hyundai Accent — 4.1MB | |
| Машина доставки Pizza Ranch Фото © 2012 Bill Crittenden Посмотреть фото Pizza Ranch Hyundai Accent — 3.7MB | |
| 2012 Фото © 2012 Билл Криттенден Посмотреть фото 2012 Hyundai Accent — 403KB |
Документы
| Дата | Название документа и данные | Документы |
|---|---|---|
| Дата секретности 1996 | Calspan On-Site Расследование гибели пассажиров и подушек безопасности Автомобиль Hyundai Accent 1995 года выпуска Национальное управление безопасности дорожного движения | PDF — 37,9 МБ — 170 страниц |
Декабрь 1996 г.![]() | Расследование срабатывания дистанционной подушки безопасности со смертельным исходом Автомобиль №1 — 1995 Hyundai Accent Национальное управление безопасности дорожного движения | PDF — 77 КБ — 8 страниц |
| Февраль 1997 | Расследование подушек безопасности на месте Автомобиль — Hyundai Accent 1996 года Национальное управление безопасности дорожного движения 90 007 | PDF — 84 КБ — 20 страниц |
| Март 1997 г. | Проверка на месте предполагаемого непреднамеренного срабатывания подушки безопасности/расследование пожара в одежде Автомобиль — Hyundai Accent 1995 года выпуска Национальная администрация безопасности дорожного движения | PDF — 196 КБ — 12 страниц |
| Апрель 1997 г. | Calspan Remote Ребенок-пассажир / Расследование гибели детей и подушек безопасности Автомобиль: Hyundai Accent 1996 г. Национальная администрация безопасности дорожного движения 9000 7 | PDF — 183 КБ — 12 страниц |
| Июнь 1997 г. | На месте происшествия / от транспортного средства к транспортному средству Hyundai Accent 1995 г. Национальная администрация безопасности дорожного движения | PDF — 360 КБ — 23 страницы |
| август 1997 г. | На месте / от транспортного средства к транспортному средству Hyundai Accent 1995 г. Национальная администрация безопасности дорожного движения | PDF — 334 КБ — 16 страниц |
| Расследование подушек безопасности на месте Автомобиль — 1997 Hyundai Accent L Национальная администрация безопасности дорожного движения | PDF — 606 КБ — 20 страниц | |
| Декабрь 1997 | Дистанционное расследование срабатывания подушки безопасности со смертельным исходом 1997 Hyundai Accent GS Национальная администрация безопасности дорожного движения | PDF — 249KB — 11 страниц |
| Февраль 1998 | Отчет о срабатывании дистанционной подушки безопасности Автомобиль — 1997 Hyundai Accent Национальная администрация безопасности дорожного движения | PDF — 409 КБ — 11 страниц |
Май 1998 г.![]() | Расследование на месте происшествия / От транспортного средства к транспортному средству Hyundai Accent L 1995 г., 3-дверный хэтчбек Национальное управление безопасности дорожного движения | PDF — 245 КБ — 22 страницы |
| Июнь 1998 г. | Расследование гибели детей, связанных с дистанционными подушками безопасности Автомобиль — Hyundai Accent 1995 г. Национальное управление безопасности дорожного движения | PDF — 267 КБ — 13 страниц |
| август 1999 | Проверка подушек безопасности на месте Автомобиль — Hyundai Accent L 1996 года выпуска Национальная администрация безопасности дорожного движения | PDF — 2 638 КБ — 22 страницы |
| Декабрь 1999 г. | Расследование гибели детей, связанных с подушками безопасности, на месте Автомобиль — Hyundai Accent L 1996 г. 08 | |
21 марта 2003 г.![]() | Безопасность Тестирование на соответствие стандарту FMVSS 214: Защита от бокового удара Hyundai Accent, 4-дверный седан 2003 г. Национальная администрация безопасности дорожного движения | PDF — 8,3 МБ — 320 страниц |
| Дата секретности 2005 | Специальный отчет о расследовании ДТП Дело Автомобиль: Hyundai Accent GL 2000 года выпуска, 4-дверный седан Национальное управление безопасности дорожного движения | 0007 |
| Дата секретности 2006 | Специальный отчет о расследовании ДТП Дело Автомобиль: Hyundai Accent GL 1999 года, 4-дверный седан Национальная администрация безопасности дорожного движения | PDF — 7,1 МБ — 84 страницы |
| Май 2007 г. | Расследование защиты пассажиров от бокового удара на месте Автомобиль — Hyundai Accent 2006 г. 07 | |
Октябрь 2007 г.![]() | Calspan Remote Side Impact Система защиты пассажиров Расследование столкновений Автомобиль: Hyundai Accent 2005 г. Национальная администрация безопасности дорожного движения | PDF — 325 КБ — 13 страниц |
| 12 сентября 2006 г. | Проверка соответствия требованиям безопасности для FMVSS 201: Защита пассажиров при внутреннем ударе, защита головы от удара верхней части салона Hyundai Accent, 4-дверный седан, 2006 г. 0023 PDF — 34.3MB — 205 стр. | |
| 14 сентября 2006 г. | Проверка на соответствие требованиям безопасности для FMVSS 201: Испытание на боковой удар с жестким столбом Hyundai Accent GLS 4-Dr 2006 г. Национальная администрация безопасности дорожного движения | PDF — 7,3 МБ — 135 страниц |
| 18 сентября 2006 г. | Проверка соответствия требованиям безопасности для FMVSS 225: «Системы крепления детских удерживающих устройств» 2006 Hyundai Accent Национальное управление безопасности дорожного движения | PDF — 5,6 МБ — 77 страниц |
9 апреля 2009 г.![]() | Проверка соответствия требованиям безопасности для FMVSS 301: Целостность топливной системы — удар сзади Hyundai Accent 4-Door Sedan 2009 г. Национальная администрация безопасности дорожного движения | PDF — 1,6 МБ — 38 страниц |
| Июнь 2010 г. | Calspan Надувная система защиты пассажиров при боковом ударе Расследование аварий Автомобиль: 2010 Hyundai Accent GLS National High путь Администрация безопасности дорожного движения | PDF — 855KB — 35 страниц |
| Июль 2010 г. | Расследование опрокидывания на месте Автомобиль Hyundai Accent SE 2010 г. Национальное управление безопасности дорожного движения | PDF — 1575 КБ — 12 страниц |
1997 Технические характеристики
| GT (хэтчбек) | |
|---|---|
| Тип двигателя | I4 DOHC |
| Объем двигателя | 1 . 5л |
1998 Технические характеристики
| L (хэтчбек) | GS (хэтчбек) | GL (седан) | |
|---|---|---|---|
| Тип двигателя | I4 | И4 | I4 |
| Объем двигателя | 1,5 л | 1,5 л | 1,5 л |
| Мощность | 900 12 9292 | 92 |
1999 Технические характеристики
| L (хэтчбек) | GS (хэтчбек) | GL (седан) | |
|---|---|---|---|
| Тип двигателя | I4 | I4 | I4 |
| Объем двигателя | 1,5 л | 1,5 л | 1,5 л |
| Мощность | 92 | 92 | 92 |
2000 Технические характеристики
| L (хэтчбек) | GS (хэтчбек) | GL (седан) | |
|---|---|---|---|
| Тип двигателя | I4 | I4 | I4 |
| Объем двигателя | 1,5 л | 1,5 л | 1,5 л |
| Мощность | 92 | 92 | 92 |
Индекс статей
| Дата | Артикул | Автор/Источник |
|---|---|---|
| 25 20 января 10 | Автомобильные воспоминания: 1997 Hyundai Accent | Билл Криттенден |
| 5 июля 2014 | 2014 Hyundai Accent Седан | Билл Криттенден |
7 апреля 2017 г. Разное |

Анатомия
2; Hyundai Motor Company
2 или любой более поздней версии, опубликованной Free Software Foundation; без неизменяемых разделов, без текстов на передней и задней обложках. Копия лицензии включена в раздел, озаглавленный «Лицензия свободной документации GNU».
4MB




5л