МАЗ МАЗ-5337 Трубопроводы механизма переключения дополнительной коробки
- Главная
- Каталоги
- МАЗ
- МАЗ-5337
- Выбор детали
Механизм промежуточный привода коробки передач
%
Установка карданных валов МАЗ-53371, МАЗ-5337
250615
402717
402717
6422-1705040
6422-1705039
6422-1705082
6422-1705050
379502
6422-1705072
379497
008-011-19-2-3
375600
250513
6422-1705071
6422-1705070
64221-1705072
64221-1703380
В пневмосистему
Гайка М10х1
Склад: Склад Кременчук. Под заказ 1,66 грн. 1.66 UAH 1,66 грн. | ||
Ниппель в пневмосистему (пр-во МАЗ) Склад: Банга (Кременчуг). Купить товар: Ниппель в пневмосистему (пр-во МАЗ) 379502 МАЗ МАЗЗАПЧАСТЬ РУП Нет в наличии грн. 99999999.00 UAH | ||
Угольник Склад: Банга (Кременчуг). Купить товар: Угольник 402717 МАЗ МАЗЗАПЧАСТЬ РУП В наличии 129,23 грн. 129.23 UAH 129,23 грн. | ||
ВНИМАНИЕ! Все поля должны быть заполнены
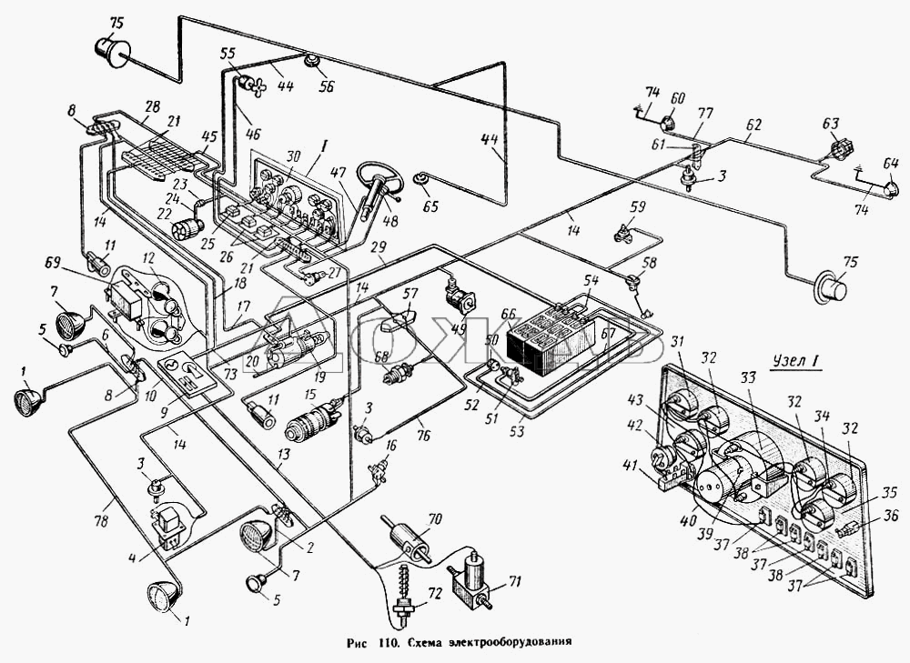
схема электропроводки, электрооборудования, электрическая, автомобиля, проводки, Евро-3
Устройство электрических систем автомобиля МАЗ
Электрическая система включает в себя такие механизмы:
- Система электроснабжения и запуска двигателя.
Она состоит из промежуточного реле, выключателя массы батарей, замка-выключателя устройств и стартера. - Аккумуляторная батарея. Ее номинальное напряжение — 12 В. Здесь установлено 2 батареи, которые соединены последовательно друг с другом.
- Генераторная установка. Это генератор переменного тока, оборудованный выпрямительным блоком.
- Стартер с электросхемой Евро-3. Он состоит из контактного болта, стакана, тяги якоря, реле, обмотки, резьбовых заглушек, электрорешетки.
- Выключатель массы батарей. Он необходим для отключения и подключения аккумулятора к массе транспортного средства.
- Электрофакельное устройство. Его функция заключается в облегчении запуска двигателя в условиях низких температур.
- Предпусковой обогреватель.
- Система освещения и световой сигнализации. В эту схему электрооборудования входят головные фары, прожекторы, противотуманные огни, задние фонари, освещение внутри кабины водителя.
- Контрольно-измерительные приборы.
Сюда входят спидометр, двухстрелочный индикатор уровня давления, блок контрольных и сигнальных ламп. - Звуковая сигнализация. Она предназначена для оповещения о падении уровня давления воздуха в тормозном механизме до критической отметки.
Нет в наличии:
| № | Код детали | Наименование | Информация о детали |
| 2606-3726010 | Указатель поворота передний | Кол-во на МАЗ-5337 2) МАЗ-53371 3) МАЗ-54323 4) МАЗ-5516 5) МАЗ-5551 6) МАЗ-64229 2 Модель 2606 Группа Электрооборудование Подгруппа Указатели поворота (передние) Порядковый номер детали 010 | Нет в наличии |
| ХГ2-021-030-14 | Магнитола в комплекте с динамиками | Кол-во на МАЗ-5337 2) МАЗ-53371 3) МАЗ-54323 4) МАЗ-5516 5) МАЗ-5551 6) МАЗ-64229 1 | Нет в наличии |
| 2506-3731010 | Фонарь габаритный | Кол-во на МАЗ-5337 2) МАЗ-53371 3) МАЗ-54323 4) МАЗ-5516 5) МАЗ-5551 6) МАЗ-64229 2 Модель 2506 Группа Электрооборудование Подгруппа Фонарь сигнальный Порядковый номер детали 010 | Нет в наличии |
| ПК142-3714000 | Плафон освещения кабины | Кол-во на МАЗ-5337 2) МАЗ-53371 3) МАЗ-54323 4) МАЗ-5516 5) МАЗ-5551 6) МАЗ-64229 2 Модель ПК142 Группа Электрооборудование Подгруппа Плафоны внутреннего освещения Порядковый номер детали 000 | Нет в наличии |
| 14-3726010 | Повторитель боковой указателя поворота | Кол-во на МАЗ-5337 2) МАЗ-53371 3) МАЗ-54323 4) МАЗ-5516 5) МАЗ-5551 6) МАЗ-64229 2 Модель 14 Группа Электрооборудование Подгруппа Указатели поворота (передние) Порядковый номер детали 010 | Нет в наличии |
| СБИЕ301-126-002 | Повторитель боковой указателя поворота | Кол-во на МАЗ-5337 2) МАЗ-53371 3) МАЗ-54323 4) МАЗ-5516 5) МАЗ-5551 6) МАЗ-64229 2 | Нет в наличии |
| 3416-3711010 | Фара | Кол-во на МАЗ-5337 2) МАЗ-53371 3) МАЗ-54323 4) МАЗ-5516 5) МАЗ-5551 6) МАЗ-64229 2 Модель 3416 Группа Электрооборудование Подгруппа Фары Порядковый номер детали 010 | Нет в наличии |
| ФП152А-3743010 | Фара противотуманная | Кол-во на МАЗ-5337 2) МАЗ-53371 3) МАЗ-54323 4) МАЗ-5516 5) МАЗ-5551 6) МАЗ-64229 2 Модель ФП152А Группа Электрооборудование Подгруппа Фары противотуманные Порядковый номер детали 010 | Нет в наличии |
| 13-5205010 | Стеклоочиститель 3-щеточный | Кол-во на МАЗ-5337 2) МАЗ-53371 3) МАЗ-54323 4) МАЗ-5516 5) МАЗ-5551 6) МАЗ-64229 1 Модель 13 Группа Окно ветровое Подгруппа Стеклоочиститель и привод Порядковый номер детали 010 | Нет в наличии |
| 11-3714010-50 | Плафон освещения кабины | Кол-во на МАЗ-5337 2) МАЗ-53371 3) МАЗ-54323 4) МАЗ-5516 5) МАЗ-5551 6) МАЗ-64229 2 Модель 11 Группа Электрооборудование Подгруппа Плафоны внутреннего освещения Порядковый номер детали 010 Дополнительно Не взаимозаменяема с деталью, выпущенной ранее под этим же номером | Нет в наличии |
| 1426-3737000Э | Выключатель массы | Кол-во на МАЗ-5337 2) МАЗ-53371 3) МАЗ-54323 4) МАЗ-5516 5) МАЗ-5551 6) МАЗ-64229 1 Модель 1426 Группа Электрооборудование Подгруппа Выключатель массы (батареи) Порядковый номер детали 000 Дополнительно Взаимозаменяема с деталью, выпущенной ранее под этим же номером | Нет в наличии |
| 6СТ-190А | Аккумуляторная батарея | Кол-во на МАЗ-5337 2) МАЗ-53371 3) МАЗ-54323 4) МАЗ-5516 5) МАЗ-5551 6) МАЗ-64229 2 | Нет в наличии |
| 15-8106000-10 | Подогреватель | Кол-во на МАЗ-5337 2) МАЗ-53371 3) МАЗ-54323 4) МАЗ-5516 5) МАЗ-5551 6) МАЗ-64229 1 Модель 15 Группа Отопление и вентиляция кабины Подгруппа 8106 Порядковый номер детали 000 Дополнительно Не взаимозаменяема с деталью, выпущенной ранее под этим же номером | Нет в наличии |
| АДЮИ—407511-002 | Датчик указателя уровня топлива | Кол-во на МАЗ-5337 2) МАЗ-53371 3) МАЗ-54323 4) МАЗ-5516 5) МАЗ-5551 6) МАЗ-64229 1 Покрытие без покрытия | Нет в наличии |
| АДЮИ—407511-002-01 | Датчик указателя уровня топлива | Кол-во на МАЗ-5337 2) МАЗ-53371 3) МАЗ-54323 4) МАЗ-5516 5) МАЗ-5551 6) МАЗ-64229 1 Покрытие без покрытия | Нет в наличии |
| 4006-3709000 | Переключатель стеклоочистителей и стеклоомывателей | Кол-во на МАЗ-5337 2) МАЗ-53371 3) МАЗ-54323 4) МАЗ-5516 5) МАЗ-5551 6) МАЗ-64229 1 Модель 4006 Группа Электрооборудование Подгруппа Переключатели электрические (переключатель света центральный) Порядковый номер детали 000 | Нет в наличии |
| 6606-3709000 | Переключатель указателей поворотов, ближнего и дальнего света | Кол-во на МАЗ-5337 2) МАЗ-53371 3) МАЗ-54323 4) МАЗ-5516 5) МАЗ-5551 6) МАЗ-64229 1 Модель 6606 Группа Электрооборудование Подгруппа Переключатели электрические (переключатель света центральный) Порядковый номер детали 000 | Нет в наличии |
| Ар112-7903000 | Антенна | Кол-во на МАЗ-5337 2) МАЗ-53371 3) МАЗ-54323 4) МАЗ-5516 5) МАЗ-5551 6) МАЗ-64229 1 Модель Ар112 Группа Радиооборудование Подгруппа Антенна Порядковый номер детали 000 | Нет в наличии |
| РС951А-3726010 | Прерыватель указателей поворота | Кол-во на МАЗ-5337 2) МАЗ-53371 3) МАЗ-54323 4) МАЗ-5516 5) МАЗ-5551 6) МАЗ-64229 1 Модель РС951А Группа Электрооборудование Подгруппа Указатели поворота (передние) Порядковый номер детали 010 | Нет в наличии |
| С306/С307-3721000 | Комплект электрических сигналов | Кол-во на МАЗ-5337 2) МАЗ-53371 3) МАЗ-54323 4) МАЗ-5516 5) МАЗ-5551 6) МАЗ-64229 1 Модель С306/С307 Группа Электрооборудование Подгруппа Сигналы звуковые Порядковый номер детали 000 | Нет в наличии |
| 25-3708-01 | Стартер | Кол-во на МАЗ-5337 2) МАЗ-53371 3) МАЗ-54323 4) МАЗ-5516 5) МАЗ-5551 6) МАЗ-64229 1 | Нет в наличии |
| СТ-142Д | Стартер | Кол-во на МАЗ-5337 2) МАЗ-53371 3) МАЗ-54323 4) МАЗ-5516 5) МАЗ-5551 6) МАЗ-64229 1 | Нет в наличии |
| 3212-3731 | Световозвращатель | Кол-во на МАЗ-5337 2) МАЗ-53371 3) МАЗ-54323 4) МАЗ-5516 5) МАЗ-5551 6) МАЗ-64229 6 | Нет в наличии |
| 3202-3731 | Световозвращатель | Кол-во на МАЗ-5337 2) МАЗ-53371 3) МАЗ-54323 4) МАЗ-5516 5) МАЗ-5551 6) МАЗ-64229 2 | Нет в наличии |
| 5516-3805010 | Щиток приборов | Кол-во на МАЗ-5337 2) МАЗ-53371 3) МАЗ-54323 4) МАЗ-5516 5) МАЗ-5551 6) МАЗ-64229 1 Модель 5516 Группа Приборы Подгруппа Щиток прибора Порядковый номер детали 010 | Нет в наличии |
| 64221-3831010 | Щиток приборов дополнительный в сборе | Кол-во на МАЗ-5337 2) МАЗ-53371 3) МАЗ-54323 4) МАЗ-5516 5) МАЗ-5551 6) МАЗ-64229 1 Модель 64221 Группа Приборы Подгруппа 3831 Порядковый номер детали 010 | Нет в наличии |
| ММ125Д-3810600Э | Включатель пневматический сигнала торможения, блокировки | Кол-во на МАЗ-5337 2) МАЗ-53371 3) МАЗ-54323 4) МАЗ-5516 5) МАЗ-5551 6) МАЗ-64229 5 Модель ММ125Д Группа Приборы Подгруппа Манометры (указатель давления масла) Порядковый номер детали 600 Дополнительно Взаимозаменяема с деталью, выпущенной ранее под этим же номером | Нет в наличии |
| ММ370-3829010-УХЛ | Датчик давления воздуха | Кол-во на МАЗ-5337 2) МАЗ-53371 3) МАЗ-54323 4) МАЗ-5516 5) МАЗ-5551 6) МАЗ-64229 2 Модель ММ370 Группа Приборы Подгруппа Датчик указателя давления масла Порядковый номер детали 010 Дополнительно Взаимозаменяема с деталью, выпущенной ранее под этим же номером | Нет в наличии |
| ММ124Д-3810600Э | Датчик аварийного давления | Кол-во на МАЗ-5337 2) МАЗ-53371 3) МАЗ-54323 4) МАЗ-5516 5) МАЗ-5551 6) МАЗ-64229 3 Модель ММ124Д Группа Приборы Подгруппа Манометры (указатель давления масла) Порядковый номер детали 600 Дополнительно Взаимозаменяема с деталью, выпущенной ранее под этим же номером | Нет в наличии |
| МЭ237-3730040 | Электродвигатель | Кол-во на МАЗ-5337 2) МАЗ-53371 3) МАЗ-54323 4) МАЗ-5516 5) МАЗ-5551 6) МАЗ-64229 2 Модель МЭ237 Группа Электрооборудование Подгруппа Электродвигатели (электродвигатель отопителя) или розетка прицепа штепсельная Порядковый номер детали 040 | Нет в наличии |
| 2001-3843010 | Датчик спидометра | Кол-во на МАЗ-5337 2) МАЗ-53371 3) МАЗ-54323 4) МАЗ-5516 5) МАЗ-5551 6) МАЗ-64229 1 Модель 2001 Группа Приборы Подгруппа Датчик скорости Порядковый номер детали 010 | Нет в наличии |
| БСК23-3722 | Бортовая система контроля | Кол-во на МАЗ-5337 2) МАЗ-53371 3) МАЗ-54323 4) МАЗ-5516 5) МАЗ-5551 6) МАЗ-64229 1 | Нет в наличии |
Обслуживание, неисправности и ремонт
Основные неисправности и ремонт электрооборудования:
- Вышли из строя лампы подсветки указательных приборов.
В этом случае рекомендуется проверить надежность контакта в разъемных соединениях, осмотреть предохранительное устройство на наличие повреждений и дефектов, проверить целостность реостата подсветки и исправность реле. - Во время включения передачи заднего хода не загораются фонари. В этом случае следует устранить короткое замыкание в проводке фонаря, проверить надежность контактов, подключить жгут к датчику заднего хода, осмотреть лампу на наличие дефектов, привести в соответствие провода в колодке.
- Не загораются стоп-сигналы задних фонарей. Проблема может быть связана с обрывом цепи, возникновением короткого замыкания, неисправностью сигналов торможения, обрывом нити лампы накаливания.
- Не горят головные фонари. Необходимо осмотреть электропроводку на наличие короткого замыкания, провести внешний осмотр переключателя (при обнаружении повреждений — заменить), проверить исправность реле.
- Не работает обогрев зеркал. Следует осмотреть контакты в разъемных соединениях, проверить предохранитель на износ, заменить поврежденные детали в системе.

- Постоянно горят головные фары. В этом случае нужно проверить исправность переключателя, надежность контактов в колодках, осмотреть реле на наличие дефектов.
- Не горят указатели поворотов. Необходимо заменить лампы, осмотреть прерыватель, заменить БКА.
- Вышел из строя тахометр. Неисправность может быть вызвана сбоями в работе датчика, предохранительного устройства или ненадежностью контактов в колодках.
Техническое обслуживание проводится после 50000 км пробега. Для исправной работы всех механизмов электрического оборудования не рекомендуется отключать провода от плюсового вывода и от аккумулятора, проверять функционирование систем путем замыкания клемм или мегомметром.
ЭЛЕКТРООБОРУДОВАНИЕ автомобилей MA3-5335, МАЗ 5549, МАЗ-5429, MA3-5430, МАЗ-504В
Автомобили МАЗ имеют 24-вольтовую систему электрооборудования. Щиток приборов откидной, что обеспечивает свободный доступ к приборам, выключателям и их контактам.
Блоки предохранителей смонтированы под откидной крышкой и мюли приборов и защищают от перегрузок и коротких замыканий основные цепи системы электрооборудования, в том числе цепи включения стартера, зарядки аккумуляторных батарей, возбуждения генератора, освещения и световой сигнализации.
Назначение предохранителей указано на табличке, наклеенной ;на внутренней стороне съемной крышки панели приборов.
Схемы электрооборудования показаны на рис. 53 и 54.
Рис. 53. Схема электрооборудования МАЗ-5335 и МАЗ-5549: 1— подфарник; 2 — фара, 3—фара противотуманная; 4 — стеклоочиститель; 5 — блок предохранителей; 6 — включатель плафона освещения кабины; 7 — плафон освещения кабины; 8— плафон освещения кабины, 9 — электродвигатель вентилятора, 10— радиоприемник, 11 — электродвигатель отопителя; 12 — включатель отопителя кабины; 13 — сигналы звуковые; 14 — повторитель боковой указателей поворота; 15 — стартер; 16 — датчик указателя температуры воды; 17 — датчик указателя давления воздуха; 18 — подкузовной фонарь; 19 — включатель сигнала «Стоп», 20 — датчик электроспидометра; 21—датчик указателя уровня топлива; 22 — розетка штепсельная; 23 — фонарь задний левый; 24- розетка штепсельная
переносной лампочки; 25 — аккумуляторная батарея; 26 — включатель массы батареи; 27 — датчик указателя давления масла; 28 — регулятор напряжения; 29 — генератор; 30 — щиток управления подогревателя двигателя; 31 — замок-включатель
32 — центральный переключатель света; 33 — электроспидометр; 34 — переключатель указателя поворота; 35 — амперметр; 36—-указатель давления масла; 37_указатель уровней топлива, 38 — фонарь контрольной лампы указателей поворота- 39 — кнопка сигнала; 40 — указатель температуры воды; 41 — включателе противотуманных фар; 42— включатель вентилятора обдува; 43 — включатель правого стеклоочистителя; 44 — сигнал воздушный с клапанами; 45 — указатель давления воздуха в тормозных камерах; 46 — указатель давления воздуха в пневмосистеме; 47 — переключатель света ножной; 48 — прерыватель указателей поворота; 49 — включатель плафона освещения двигателя; 40-выключатель сигнализации заднего хода самосвала; 51 — реле звуковых сигналов; 52—переключатель звуковых сигналов; 53— кнопка включателя масс; 54 — датчик аварийного давления воздуха Расцветка проводов: I — белый II — голубой; III — зеленый; IV —желтый; VI — коричневый; VI — красный: VII — оранжевый; VIII — серый; IX — розовый; X — фиолетовым;XI — черный
Рис.
54. Схема электрооборудования МАЗ-5429, MA3-5430 и МАЗ-504В. 1 — подфарник; 2—фара; 3—фара противотуманная; 4— стеклоочиститель; 5 — блок предохранителя; 6 — включатель плафона освещения кабины; 7— плафон освещения кабины; плафон освещения двигателя; 9—двигатель вентилятора; 10 — радиоприемник; 11 — электродвигатель отопителя; 12 — включатель отопителя кабины; 13— щиток управления подогревателем; 14 — звуковые сигналы; 15 — датчик указателя температуры воды; 1о — стартер; 17 — датчик указателя уровня топлива дополнительного бака; 18 — датчик указателя давления воздуха; 19— датчик электроспидометра; 20 — включатель сигнала «Стоп»; 21 — датчик указателя уровня топлива основного бака; 22 — штепсельная розетка; 23 — фонарь задний левый; 24 — штепсельная розетка; 25 — включатель массы; 26—аккумуляторная батарея; 27 — датчик указателя давления масла; 28 — регулятор напряжения; 29 — генератор; 30— повторитель боковой указателей поворота; 31 — замок-включатель; 32 — амперметр; 33—центральный переключатель света, 34 — указатель давления масла; 35 — указатель уровня топлива; 36 — электроспидометр; 37 — кнопка сигнала, 38 — переключатель датчика в топливных баках, 39—включатель противотуманных фар; 40—переключатель указателей поворота; 41 — включатель регуляторов обдува; 42 — включатель стеклоочистителя; 43 — сигнал воздушный с клапаном; 44—указатель давления воздуха в тормозных камерах; 45 — указатель давления воздуха в пневмоеистемах; 46 — указатель температуры воды; 47 — фонарь контрольной лампы указателей поворота; 48 — переключатель света ножной; 49 — прерыватель указателей поворота; 50 — включатель плафона системы двигателя; 51 —- переключатель в боковых сигналах; 52 — кнопка включателя масс; 53 — датчик аварийного давления воздуха Расцветка проводов: I — белый; II — голубой; III — зеленый; IV — желтый; V — коричневый; VI — красный; VII — оранжевый; VIII — серый; IX — розовый; л — фиолетовый; XI — черный
содержание .
. 31 32 ..
Освещение и световая сигнализация МАЗ
Автомобили МАЗ снабжены оригинальной системой освещения и световой сигнализации (рис. 116). В систему введены центральный переключатель 14 света и переключатель 5 указателей поворотов.
Переключатель 14 имеет три положения: Н, I и II. Н — все выключено.
При положении I водитель, пользуясь ножным переключателем 16 света, может переключать освещение с ближнего света на подфарник (включены между собой контакты 2 и 6 и независимо от них 1 и 3 переключателя 14).
При положении II водитель, пользуясь ножным переключателем света, может переключать освещение с ближнего света на дальний (включены между собой контакты 5 и 6 и независимо от них 1 и 3).
Рис. 116. Схема освещения и световой сигнализации МАЗ:
1 — соединительная панель; 2 — противотуманная фара; 3 — фара; 4 — подфарник; 5 — переключатель указателей поворотов; 6 — блок предохранителей; 7 — прерыватель указателей поворотов; 8 — контрольная лампа поворотов; 9 — включатель сигнала торможения; 10 — фонарь задний; 11 — лампа освещения приборов; 12 — контрольная лампа дальнего света; 13 — соединительная муфта; 14 — центральный переключатель света; 15 — включатель противотуманных фар; 16 — ножной переключатель света; 17 — боковой повторитель указателей поворотов;
Н — нейтраль; I — первое положение; II — второе положение; ЛП — левый поворот включен; ПП — правый поворот включен
Кроме того, встроенный в переключатель 14 реостат позволяет регулировать интенсивность света ламп 11 освещения шкал приборов путем поворота рукоятки переключателя.
При повороте рукоятки по часовой стрелке яркость света увеличивается, против часовой стрелки уменьшается. Лампы освещения шкал приборов включаются только при включении внешнего освещения.
Особенностью схемы световой сигнализации является наличие переключателя 5, позволяющего использовать лампы стоп-сигнала в заднем фонаре одновременно в качестве ламп задних указателей поворотов.
Электрическая схема маз 5440 с двигателем ямз 650
Схемы представлены в качестве информационно-справочного материала для обслуживания электрооборудования автомобилей МАЗ. Схемы имеют обобщенный характер и возможны отличия от подключения на реальном автомобиле в зависимости от конкретной комплектации.
| Схемы электрические на автомобили МАЗ семейства 4370: | Схема электрическая принципиальная на автомобиль МАЗ-437030 с двигателем Deutz |
| Схема электрическая принципиальная на автомобиль МАЗ-437043 с двигателем ММЗ | |
| Схемы электрические на автомобили МАЗ семейства 4371: | Схема электрическая принципиальная на автомобиль МАЗ-4371P2 с двигателем ММЗ Е4 |
| Схемы электрические на автомобили МАЗ семейства 5440: | Схемы электрические на автомобили МАЗ семейства 5440 (жгуты) |
| Схемы электрические на автомобили МАЗ семейства 5440 (схема) | |
| Схемы электрические на автомобили МАЗ семейства 6422: | Схема электрическая принципиальная на автомобиль МАЗ-533605 |
| Схема электрическая принципиальная на автомобиль МАЗ-543205 | |
| Схема электрическая принципиальная на автомобиль МАЗ-551605 | |
| Схема электрическая принципиальная на автомобиль МАЗ-555102 | |
| Схема электрическая принципиальная на автомобиль МАЗ-630305 | |
| Схема электрическая принципиальная на автомобиль МАЗ-642205 | |
| Перечень элементов к принципиальным схемам | |
| Схемы электрические на автомобили МАЗ семейства 6430: | Схема электрическая принципиальная на автомобиль МАЗ-643069 |
| Схема электрическая принципиальная на автомобили МАЗ-555035, МАЗ-650136, МАЗ-534035, МАЗ-631236, МАЗ-437137 с двигателями Deutz экологического уровня Евро-4 | |
| Схема электрическая принципиальная на автомобили МАЗ-544018, МАЗ-643018,МАЗ-650118 (Евро-3),МАЗ-534019, МАЗ-544019, МАЗ-630119, МАЗ-650119 (Евро-4) с двигателями Mercedes | |
| Схема электрическая принципиальная на автомобили МАЗ-5440E9, 5340E9, 6310E9, 6430E9 с двигателем Mercedes (Е-5) | |
| Схема электрическая принципиальная на автомобиль МАЗ-6430 c дв ЯМЗ и MAN (блок коммутации БКА3)(Е-1,2,3) | |
| Схема электрическая принципиальная на автомобиль МАЗ-6312B9 | |
| Схемы электрические принципиальные ABS автомобилей МАЗ: | Схема электрическая принципиальная ABS на автомобиль семейства МАЗ-4370 |
| Схема электрическая принципиальная ABS на автомобиль семейства МАЗ-4371 | |
| Схема электрическая принципиальная ABS на автомобиль семейства МАЗ-6310 | |
| Схема электрическая принципиальная ABS на автомобиль семейства МАЗ-6422 | |
| Схема электрическая принципиальная ABS на автомобиль семейства МАЗ-6430 | |
| Схемы электрические принципиальные ЭСУПП (пневмоподвески) автомобилей МАЗ: | Схема электрическая принципиальная ЭСУПП на автомобиль семейства МАЗ-6310 |
| Схема электрическая принципиальная ЭСУПП на автомобиль семейства МАЗ-6430 производства Экран | |
| Схема электрическая принципиальная ЭСУПП на автомобиль семейства МАЗ-6430 производства Wabco | |
| Схемы электрические принципиальные ЭСУ двигателя автомобилей МАЗ: | Схема электрическая принципиальная ЭСУ двигателя Cummins ISF 3. 8 на кабину нового образца |
| Схема электрическая принципиальная ЭСУ двигателя Cummins ISF 3.8 на кабину серийного образца | |
| Схема электрическая принципиальная ЭСУ двигателя Daimler OM 501 на кабину нового образца (Лист 1) | |
| Схема электрическая принципиальная ЭСУ двигателя Daimler OM 501 на кабину нового образца (Лист 2) | |
| Схема электрическая принципиальная ЭСУ двигателя Daimler OM 501 на кабину нового образца (Лист 3) | |
| Схема электрическая принципиальная ЭСУ двигателя MAN D0836 на кабину нового образца без круиз-контроля | |
| Схема электрическая принципиальная ЭСУ двигателя MAN D0836 на кабину нового образца с круиз-контролем | |
| Схема электрическая принципиальная ЭСУ двигателя ММЗ Д-245.35Е3 на кабину нового образца | |
| Схема электрическая принципиальная ЭСУ двигателя ММЗ Д-245.35Е3 на кабину серийного образца | |
Схема электрическая принципиальная ЭСУ двигателя ММЗ Д-245. 35Е4 на кабину нового образца | |
| Схема электрическая принципиальная ЭСУ двигателя ЯМЗ-530 на кабину нового образца | |
| Схема электрическая принципиальная ЭСУ двигателя ЯМЗ-650,ЯМЗ-651 на кабину нового образца | |
| Схема электрическая принципиальная ЭСУ двигателя ЯМЗ-6561,ЯМЗ-6581 на кабину нового образца | |
| Схема электрическая принципиальная ЭСУ двигателя ЯМЗ-6561,ЯМЗ-6581 на кабину серийного образца | |
| Схема электрическая принципиальная ЭСУ двигателя ЯМЗ-6565,ЯМЗ-6585 на кабину серийного образца | |
| Схема электрическая принципиальная ЭСУ двигателя ДВС ЯМЗ-653 на кабину нового образца | |
| Вспомогательные схемы и элементы электрооборудования автомобилей МАЗ: | Схема электрическая принципиальная блока коммутационной аппаратуры БКА-3 |
| Схема электрическая принципиальная блока коммутационной аппаратуры БКА-4М | |
| Табличка элементов БКА4М (Агат) | |
| Табличка элементов БКА4М (МПО ВТ) | |
| Табличка элементов БКА4М (Павеж) | |
| Схема электрическая принципиальная щитка ЩП-8099 | |
| Инструкция на щиток ЩП-8099 | |
| Инструкция на щиток ЩП-01 | |
| Инструкция на щиток ЩП-8096 |
Пример графика обслуживания пневматических систем – еженедельно, ежемесячно, ежегодно
Пневматические компоненты и системы обычно требуют минимального обслуживания.
Регулярные осмотры с незначительными регулировками являются формой профилактического обслуживания и продлевают срок службы большинства пневматических органов управления.
Следующее расписание предназначено для справки. Фактические графики будут определяться опытом и условиями эксплуатации. Конкретные инструкции по техническому обслуживанию см. в спецификациях OEM.
| Действие | Расписание |
| Фильтры линии дренажа воздуха. Проверить работу водосборников. | Еженедельно или чаще по мере необходимости |
| Проверить и устранить утечки воздуха. | Каждые четыре недели или чаще по мере необходимости |
| Добавляйте смазку в распылительные лубрикаторы. | Каждые четыре недели или чаще по мере необходимости |
| Внешне очистить компоненты и приводы. | Каждые четыре недели |
Смажьте цилиндры и шарниры. Проверьте и отрегулируйте движения компонентов. | В соответствии с рекомендациями по механическому обслуживанию |
| Замена воздушных фильтров. | Каждые шесть месяцев |
| Замените или очистите забитый глушитель. | При необходимости |
Очистка
При чистке не используйте хлопковые отходы или другие ворсистые ткани. При замене цилиндра заглушите концы шланга, чтобы не допустить попадания грязи.
При очистке пневматических цилиндров особое внимание уделяйте глухим концам и штокам поршней с звеньями.
Смазка уплотнений
Обычно уплотнения являются компонентами, наиболее подверженными преждевременному износу. Уплотнение преждевременно изнашивается или повреждается по следующим причинам:
- недостаточная смазка
- небрежная установка
- дефект поверхности скольжения
- примеси
Если необходимо заменить уплотнения клапана или цилиндра, смажьте их и поверхности скольжения компонентов силиконовой или парафиновой смазкой.
ОСТОРОЖНО : НЕ ИСПОЛЬЗУЙТЕ смазку типа Molykote. Содержит твердые частицы. Такая смазка приводит к быстрому износу уплотнений. Кроме того, частицы резины впитывают смазку. |
Valmet рекомендует использовать любую из следующих смазок:
- Parker Super 0-Lube
- Mecman 435/1 (Mobilgrease 28)
- Kluber Microlube GL 261
- Шелл, Гидрод д 032
- Эссо, Фебрис K32
Лубрикаторы масляного тумана
Убедитесь, что лубрикаторы масляного тумана правильно отрегулированы и заполнены. Чрезмерная смазка, добавляемая к сжатому воздуху, не нужна, а в некоторых случаях может быть даже вредной.
При выборе масла для маслораспылителей рекомендуется, чтобы диапазон вязкости составлял от 9 до 11 мм 2/3 (=сСт) при 40 °C и класс ISO VG 10 S согласно ISO 3448.
Valmet рекомендует использовать любое из следующих масел для маслораспылителей тумана:
- Авиа Авилуб РГБ 10
- БП Энергол ХЛП 10
- Эссо Спинесс 10
- Масло Shell Tellus C 10
- Мобил ДТЕ 21
- Блазер Бласол 154
Утечки сжатого воздуха
Важно обращать внимание на утечки сжатого воздуха. Любые утечки могут привести к неправильной работе компонентов.
В зависимости от типа соединения для устранения утечек можно использовать прокладки или соответствующий состав Loctite. Если для устранения течи используется клеевой состав, держите контур без давления до тех пор, пока состав полностью не затвердеет.
Для получения дополнительной информации о техническом обслуживании пневматических систем обратитесь к представителю Valmet или воспользуйтесь услугами обучения Valmet.
Преобразование пневматических систем для энергосбережения, эффективности и безопасности
В прошлом идея «воздух для дыхания, вода для питья, масло для вашего автомобиля» разделялась многими конструкторами при выборе компонентов, проектирование систем и строительных машин.
В результате появились большие неэффективные машины, которые потребляли большое количество товаров.
По мере того, как производство развивается, чтобы приспособиться к более требовательным, более безопасным и более точным процессам, в том числе для использования сжатого воздуха и энергосберегающей автоматизации, пневматическая промышленность становится важным стратегическим партнером.
Производители пневматических систем очень заинтересованы в том, чтобы идти в ногу с последними тенденциями. Новые технологии, расширяющие фабрику, прямо касаются размера и занимаемой площади, энергопотребления и подключения, а также мониторинга автоматизации предприятия, поскольку это связано с планированием технического обслуживания и операционной эффективностью.
На более ранних заводах в заводских установках преобладала масса клапанов, приводов и других больших, громоздких и неэффективных компонентов пневматической системы.
Подготовка воздуха была исключительно велика, а клапаны были размещены на основаниях размером с кирпич и весом больше.
Пневматические приводы использовали большое количество машинного пространства (хотя у них было успокаивающее шипение, гарантирующее наличие сжатого воздуха и его готовность к работе). В то время как традиционные конструкции прошлого были полезными и эффективными, дни использования клапана управления подачей воздуха в качестве подставки, чтобы подняться выше на машине, прошли.
Их заменили более изящные, энергоэффективные и эстетически привлекательные средства для подачи воздуха в автоматизированные процессы.
Спрос на автоматизированное оборудование, ориентированный на эффективность, повлиял на клапаны, что привело к уменьшению веса, размера и экономии энергии. Подготовка воздуха включает в себя полнофункциональные узлы, обеспечивающие эффективность, широкие функциональные возможности и безопасность. Приводы легкие, имеют обратную связь по положению и широкий спектр применения. Смазка компонентов почти полностью устранена.
Эти новшества позволяют разработчикам сосредоточиться на компактных размерах машин и возможностях подключения, сохраняя при этом внимание к экономии средств.
Надежность приводит к тому, что узлы способны выдерживать миллионы циклов клапанов и срабатываний, в сочетании с технологиями мониторинга, которые поддерживают оптимизированные программы профилактического обслуживания на многих объектах.
Повышение эффективности
Чтобы начать повышать общую эффективность пневматики, первым делом всегда следует начинать с компрессорной — места, где находятся двигатели большей мощности и самые большие потребители энергии. Снизьте нагрузку на компрессорную, и завод получит выгоду.
Производители компрессоров «чувствуют» потребность в большей эффективности, меньшем уровне шума и более экологичной среде, а также в интеграции пневматических систем в основные системы контроля и управления предприятия.
Они предлагают решения меньшего размера и менее шумные при работе, а также более эффективные корпуса, в которых используются частотно-регулируемые приводы, безмасляные опции и инновационные схемы управления, которые связаны с платформой заводского мониторинга (см.
рис. 1). . Эти конструкции позволяют управлять компрессором, т. е. ускорять, замедлять или даже холостой ход и выключать его в соответствии с потребностями установки. Эти варианты мониторинга и управления означают, что пневматикой можно управлять из любого места на предприятии, а в некоторых случаях и за его пределами.
Там, где когда-то сжатый воздух считался просто товаром, теперь он является статьей баланса, контролируемой и контролируемой с помощью новейших технологий, обеспечивающих реальные эксплуатационные улучшения.
Получение контроля над использованием пневматики можно рассматривать как начальный шаг в общей программе повышения эффективности предприятия за счет сокращения использования сжатого воздуха.
В производственном цеху у пользователей станков есть варианты выбора решения. Правильный размер был постоянной темой обсуждения на протяжении многих лет. Выполнение поиска в Google по термину «конструкция пневматической системы» дает более 84 миллионов результатов.
В результаты включены многие поставщики пневматических решений, предлагающие программные приложения, которые поддерживают максимальную эффективность при определении размеров компонентов машин, устраняя любое значение, которое когда-то было найдено в эмпирическом правиле: «размер трубы, правильный размер».
Эти программные прикладные инструменты избавляют от необходимости увеличивать размеры компонентов, избавляют от необходимости запекать дополнительную емкость, которая была нормой, и гарантируют, что машины будут работать в соответствии с проектом, не тратя впустую вспомогательные ресурсы.
Эффективность компонентов
В то время как компрессорная с мощными двигателями — это первое место, на которое стоит обратить внимание, есть и другие цели, которые нужно сделать более эффективными. Клапанная технология удовлетворяет те же потребности в энергосбережении, что и другие пневматические компоненты, и делает это всесторонне.
Клапаны, которые когда-то требовали более 6 Вт мощности, теперь потребляют 0,8 Вт, и в скором времени будут представлены конструкции, которые улучшат это.
Использование нескольких клапанов в качестве стандарта позволяет экономить машинное пространство, потреблять меньше энергии и расширяет возможности использования технологии полевой шины. Это, в свою очередь, уменьшит количество необходимых проводов, в то же время перенеся компоненты в область данных и информации в реальном времени.
Помимо инструментов для определения размеров, доступных для настройки параметров конструкции и поддержки выбора решения, технология пневматических систем поддерживает усилия, направленные на то, чтобы выпуск сжатого воздуха мог быть потенциально дорогостоящим мероприятием.
Производители тщательно изучают и стремятся лучше понять параметры, включая силу, давление, расход и скорость, чтобы найти инновационные способы снижения использования сжатого воздуха. Используемые технологии включают в себя определение положения привода, беспроводную связь, пропорциональное регулирование давления и расхода, а также новые технологии, такие как интеллектуальная пневматика с путями промышленного Интернета вещей (IIoT).
Эти интеллектуальные пневматические системы создают мосты к IIoT, обеспечивают видимость системы и снижают эксплуатационные расходы, поддерживаемые централизованной электроникой анализа и управления, оснащенной способностью предупреждать завод о потенциальных отклонениях или поломках.
Больше, чем просто сжатый воздух
Помимо улучшений решения, дизайн управления машиной изменился и в других отношениях, в том числе в способах управления проектами. Проекты по проектированию машин и управлению в прошлом имели две стороны уравнения: механическая сторона, охватывающая пневматику, и электрическая сторона, ориентированная на сигнальные клапаны и работу машины. Обе стороны рассматривали свои схемы, накладывали свои планы и выбирали место для передачи управляющих сигналов.
В то время как технологии продолжают повышать эффективность, спрос на лучшие практики в поддержку управления проектами приводит к новому профилю для «контролирующего» руководителя проекта. Новый руководитель проекта по управлению создает канал для управления движением машины, включая электронику, воздушный поток, обратную связь, позиционирование и мониторинг состояния машины.
Эта ответственность постоянно развивается, поскольку требования пользователей к эффективным технологиям заставляют поставщиков быть в курсе последних тенденций в области инноваций.
Непрерывное совершенствование технологий автоматизации производства снизит производственные затраты и повысит наглядность схем профилактического обслуживания, способных обеспечить эффективность и непрерывность работы завода.
Улучшение конструкции пневматической системы с электрической стороны включает в себя включение связи по полевой шине, IIoT и мониторинга состояния машины в качестве фундаментальных улучшений по сравнению с воздушными и силовыми цепями прошлого.
Полевая шина позволяет упростить связь между компонентами, относящимися к машине и всему предприятию, по одному кабелю, а также дает представление о работе каждого компонента в режиме реального времени через сеть предприятия или концентратор IIoT.
Лидеры контроля могут контролировать работу завода из любого места — даже из других заводов по всему миру.
Данные о техническом обслуживании обеспечивают стратегическое понимание управления предприятием и поддержку при внесении необходимых изменений или взвешивании запросов на усовершенствование или замену оборудования. Работа предприятия контролируется и программируется для связи со смартфонами и другими интеллектуальными устройствами, что позволяет решать гораздо больше, чем просто проблему экономии сжатого воздуха.
Безопасность машин и энергосбережение
В дополнение к путям к IIoT, умной пневматике и другим трендовым технологиям, безопасность всегда будет считаться приоритетом при разработке продукции промышленного оборудования. Во многих случаях технология сосредоточена на проблемах безопасности, в том числе для продуктов с зональными предохранительными клапанами, а также для технологии обнаружения золотника. Благодаря возможности определять положение регулирующих клапанов и подтверждать их положение с помощью избыточного контроля вероятность получения травм значительно снижается.
Возможность интеграции этих интеллектуальных компонентов в стратегии машиностроения постоянно совершенствуется и внедряется в системы безопасности в виде автономных цепей, изолированных от работы машины.
По мере совершенствования продукции разработчики систем могут рассчитывать на легкие, эффективные, точные и современные пневматические приводы. Приведение в действие также является важным фактором безопасности, предоставляя различные конфигурации, такие как линейные, поворотные и бесштоковые, для достижения компактной конструкции, а также капсулирование конструкции машины, защищающее движения, управляемые автоматикой, от оператора машины (см. Рисунок 2). Одной из популярных функций, связанных с повышенной безопасностью, является определение положения привода по всей его рабочей длине. Это обеспечивает дополнительный мониторинг и упреждающий призыв к действию, устраняя многие потенциальные опасности при объединении в цепь датчиков безопасности.
Работая в тандеме с целями энергосбережения и общей эффективности, безопасность машины значительно повышается благодаря современным пневматическим компонентам и элементам управления.
Стандарты, разработанные руководящими органами, требуют наличия функций безопасности машин, таких как защита параметров с блокировками безопасности, останавливающими работу, системы обзора и средства для высвобождения накопленной энергии. Внедряются дополнительные стандарты безопасного рабочего места, чтобы обеспечить безопасность наших друзей, семьи и коллег.
Специалисты по автоматизации машин уделяют первостепенное внимание безопасности, разрабатывая продукты, решения и технологии, объединяющие пневматику с другими продуктами автоматизации производства. Их цель — сделать сегодняшние машины более безопасными в использовании, а машины завтрашнего дня — еще безопаснее.
Взгляд в будущее
Технология автоматизации производства разрабатывается, выпускается на рынок и внедряется в новые проекты в ответ на постоянно растущий спрос на повышение эффективности. Разработчики и поставщики пневматических систем стремятся удовлетворить этот спрос с помощью творческих и инновационных подходов к новым и сложным приложениям.
Кто-то может возразить, что раньше пневматические системы были габаритными потребителями воздуха, но технология изменила ландшафт всей фабрики. Производители пневматических систем рассматривают завод во всех его аспектах, когда они занимаются проектами проектирования и применения, с явным пониманием того, что сжатый воздух больше не является товаром, которым он когда-то считался.
Сегодняшняя фабрика работает более эффективно, чем в прошлом, при полном осознании потребности в более эффективных процессах. Фабрика завтрашнего дня претерпит еще более фундаментальную смену технологической парадигмы. Производители пневматических систем выходят за рамки технологий, с которыми они были наиболее знакомы, включая приложения для смартфонов, беспроводную связь, информирование в режиме реального времени о проблемах с машинами и производительностью и, что наиболее важно, безопасность оператора и предотвращение несчастных случаев. Поскольку эти инновации продолжают повышать эффективность и внедрять инновации, у фабрики завтрашнего дня будут варианты, ограниченные только нашим воображением.




Она состоит из промежуточного реле, выключателя массы батарей, замка-выключателя устройств и стартера.
Сюда входят спидометр, двухстрелочный индикатор уровня давления, блок контрольных и сигнальных ламп.
В этом случае рекомендуется проверить надежность контакта в разъемных соединениях, осмотреть предохранительное устройство на наличие повреждений и дефектов, проверить целостность реостата подсветки и исправность реле.
8 на кабину нового образца
35Е4 на кабину нового образца
Проверьте и отрегулируйте движения компонентов.