🚘 Замена генератора ВАЗ 2106 на генератор ВАЗ 2108
Мысль подмены генератора на классике древняя, как история самого авто, потому, что все кто ставит на собственную машинку наворотов больше, чем слабую китайскую магнитолу, родного 42А-го Г-221 всем, уже никак не хватает.
Вид генератора
Правда даже тех, кто пренебрегает заморочками с установкой более мощного генератора, раздражает слабый свет ближнего света на ХХ и плохой заряд аккума.
Как-то раз знакомый, подогнал мне на шару, 55А-ный генератор и возникла идея о том, чтобы рассказать Вам, как его установить в нашу классику. Облазив просторы интернета, чтобы найти хоть что-то о его установке и подключении, на автомобиль, путного я ничего не нашёл, куча комментариев типа «Воткнул и забыл» или же долгие обсуждения электриков профессионалов, но говорили они на таком языке, что простому русскому человеку, это как китайская песня, ничего не понятно…))
В связи с этим, было решено написать для простых людей, понятной статьи, дабы помочь саморучно, без каких- либо заморочек и особых навыков работы с электрикой, но с руками, проделать эту нехитрую процедуру по замене генератора.
Ну что, начнем:
Альтернатив у штатного генератора немало, так как генератор при подобающих навыках, средствах и хотении разрешено поставить хоть какой. Я осматриваю в предоставленной статье лишь «экономные» ВАЗовские генераторы от остальных моделей, так как:
а) Они более дешевы.
б) Они более распространены, поэтому у Вас не появится заморочек с их подменой, розыском комплектующих для их починки и поисками их самих.
в) Их легче сменить- вам не нужно находить либо изготавливать всякие специальные крепления и глобально менять электрику.
С чертами ВАЗовских генераторов, Вы сможете ознакомиться из приведенных дальше диаграмм:
42А:
Характеристики 42-х амперного генератора ВАЗ
47А
Характеристики 47-ми амперного генератора ВАЗ
55А
Характеристики 55-ти амперного генератора ВАЗ
80А
Характеристики 80-ти амперного генератора ВАЗ
В теории видно, что даже, более мощный 47А-ный генератор Г222 от рода ВАЗ-2105 уже существенно лучше штатного.
Хотя, на практике,честно говоря, особого различия между ними не чувствуется. По креплению и включению, он вполне подходит 42А- му Г-221.
55А- го генератора будет более чем достаточно человеку, который использует в основном штатное электрооборудование автомобиля. Это не 80А- ный генератор, потому, если вы предпочитаете применять немало доп оснащения, я-бы никак не рекомендовал Вам его для установки и направить интерес на более новые модели. Хотя, если у Вас он используется, сугубо «Магнитофон плюс противотуманки», его полностью достаточно. По креплению 55А генератор от ВАЗ-2108 ничем не различается от штатного г-221, так что тут заморочек у Вас появиться никак не должно- снимаете старенький 42-ой и ставите свежий, главное не забудьте перед этим делом сбросить клемму с аккума и натянуть ремень после установки.
Трудности начинаются с включением- как можно заметить из рисунка, к штатному генератору идут 4 провода- 2 на шпильку и 2 вставляются раздельно, а на 55А провод вставляется уже один.
Это разъясняется уже интегрированным в генератор релюшкой напряжения, так называемой шоколадкой. Потому, темный проводок от реле (В) нужно изолировать, они нам больше не понадобятся. Два провода со шпильки А нужно прикрутить к шпильке 1,и сохранившийся желтоватый проводок Б подключить к штекеру 2.
В конце- концов Вы получите вот такую вот картинку (для наглядности резиновый изолирующий колпачок снят):
Вид генератора
Спасибо за подписку!
В целом, после данных манипуляций, генератор уже станет действовать, лишь лампа разряда будет загораться когда аккумулятор будет на зарядке, а никак не при разряде, потому:
Изолируем
Заменяем штатное реле заряда РС-702 (на фото оно в руках) на обычную релюшку РС-527 либо на аналог (обведено).
Подключаем
Реле
Подключаем, так же, как и старую релюшку, т.е. контакт 85 к 85, 86 к 86, и.т.д.
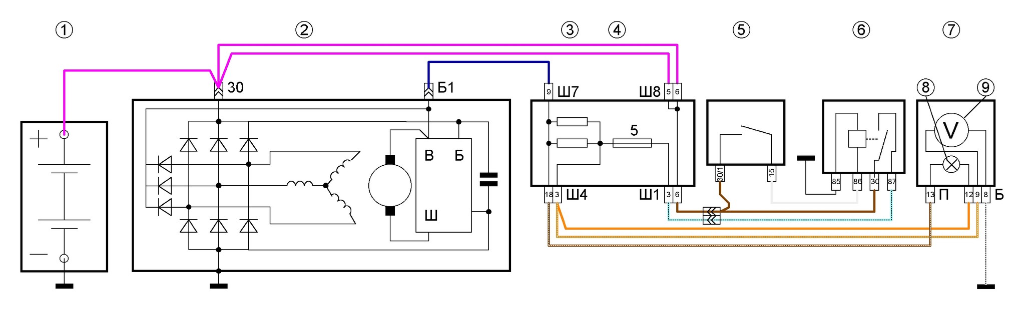
Схема Подключения Генератора 2105 — tokzamer.
ruВключите электродвигатель стенда и доведите частоту вращения ротора до мин
Поэтому выпрямительный блок, при выходе из строя его элементов, рекомендуется менять в сборе. Наружный осмотр Наружным осмотром выявляют явные повреждения.
Реле-регулятор следит за уровнем напряжения и управляет током возбуждения генератора. Происходит это за счет того, что ток, подающийся на обмотку возбуждения, увеличивается, как и количество на приложения на клемме
Как подключен генератор Г-222 от ВАЗ-2105 на ВАЗ-2106.
Если напряжение будет нормальным, то, следовательно, старый регулятор напряжения поврежден и его необходимо заменить.
Снятие генератора Работу удобнее проводить на смотровой канаве или подъемнике. При соответствии напряжения норме это будет означать, что старый регулятор пришёл в негодность.
При иных показаниях регулятор лучше заменить.
Проверка выпрямительного блока на короткое замыкание Снимаем провод с вывода регулятора напряжения.Однако если уровень шума довольно сильный, то с устройством возможны следующие проблемы: выход из строя подшипников; замыкание между витками катушек статора; шум от щёток.
Отсоединяем наконечник провода от вывода регулятора напряжения.
Как подключить генератор 80 А,90 А на копейке(классике)часть 1.
Схема генератора 372.3701 на ВАЗ 2107, ВАЗ 2105, ВАЗ 2104
Вентили генератора не допускается проверять напряжением более 12 В или мегомметром, так как он имеет слишком высокое для вентилей напряжение и они при проверке будут пробиты произойдет короткое замыкание. Запрещается проверка работоспособности генератора «на искру» даже кратковременным соединением зажима «30» генератора с массой автомобиля.
Cхема: генератор ВАЗ 29 сентября Генератор
Использование нового типа генератора потребовало небольших изменений в проводке, это привело к тому, что на старый автомобиль нельзя было установить новый генератор
Сместив генератор к двигателю, снимаем изношенный ремень и надеваем новый.
У генератораВыключателем 6 отключите аккумуляторную батарею и реостатом 4 установите ток отдачи 10 А.
Снимаем наружную и внутреннюю крышку вместе с винтами. При затяжке болта поджимная втулка на рисунке слева смещается, выбирая зазор между кронштейном генератора и ушком.
Проверка работы генератора с трёхуровневым реле.
Технические характеристики генератора ВАЗ 2105
Лампа освещения приборов.
Электродвигатель вентилятора системы охлаждения радиатора.
Принцип работы агрегата и контрольной лампы заряда Основные детали агрегата Генератор модели Г работает так. И у машины сразу начинаются проблемы: то нет заряда, то лампа не горит.
Правильное натяжение ремня устанавливаем по величине прогиба его ветви на участке между шкивами генератора и насоса охлаждающей жидкости или насоса и коленчатого вала, под усилием 10 кгс.
И у машины сразу начинаются проблемы: то нет заряда, то лампа не горит. Концы ее присоединены к контактным кольцам 18, установленным на пластмассовой колодке, напрессованной на вал ротора. При этом силой магнитного потока управляет реле-регулятор, которое увеличивает или уменьшает напряжение на щетках в зависимости от нагрузки на плюсовой клемме аккумуляторной батареи.
Схема соединений генератора Г на автомобиле ВАЗ 1 — аккумуляторная батарея; 2 — генератор; 3 — реле контрольной лампы заряда аккумуляторной батареи; 4 — монтажный блок; 5 — выключатель зажигания; 6 — вольтметр; 7 — контрольная лампа заряда аккумуляторной батареи, расположенная в комбинации приборов. Для проверки конденсатора снимаем его с генератора и подсоединяем к нему провода мультиметра.
F3 10A Резервный. То, что шины бескамерные, тоже недостаток: без компрессора не накачать, насосом удается лишь подкачивать.
Сегодня многие устанавливают трёхуровневые регуляторы напряжения, но я пока не пробовал, поскольку уже несколько лет с зарядом проблем не возникает.
Принцип действия Ротор генератора — это сильный электромагнит , который при вращении быстро меняет направление магнитного поля в обмотке генератора. F17 10A Ближний свет фар левая блок-фара. Модификация с карбюраторным двигателем ВАЗ объемом 1,2 литра и мощностью 58,7 лошадиных сил, коробка передач как и в базовом варианте 4-ступенчатая.
ВАЗ 2104,2105 ПОДКЛЮЧЕНИЕ ГЕНЕРАТОРА ОТ ВАЗ 2101,2106
Каково строение генератора изнутри
В качестве нее можно использовать отрезок трубы подходящего размера. Чтобы открыть блок, необходимо снять крышку, выдавливая ее наверх.
Для проведения проверки регулятора подсоединяем к щеткам вольтметр или контрольную лампу.
Установка генератора на место фиксируется гайкой на 17 и нижним болтом на
Пришлось покупать ещё один реле-регулятор, после чего заряд вернулся к нормальным значениям. На стенде Диагностика на стенде проводится на сервисе, а при наличии всего необходимого возможна и в домашних условиях. F2 10A Электродвигатели стеклоочистителя. Сигнализатор включения габаритных огней.
Читайте также: Измерение изоляции относительно земли
Принцип работы агрегата и контрольной лампы заряда
Между передним ротором и передним подшипником устанавливается регулировочная шайба, которую часто забывают поставить, делая ремонт генератора. Генераторы на автомобиле ВАЗ инжектор или карбюраторный тип имеют одинаковый привод. Осуществляя ремонт генератора, часто забывают поставить регулировочную шайбу, что делать крайне не рекомендуется. Это значит, что цепь целая и генератор готов к работе.
К внутренней части задней крышки устанавливается выпрямитель БПВ Оснащался прямозубыми 4 и 5-ступенчатыми коробками передач, с кулачковыми муфтами включения.
12.15. Схема соединений системы генератора 37.3701
F12 10A Дальний свет фар правая блок-фара. Базовая модель года выпуска с карбюраторным двигателем объемом 1,29 литров и мощностью 63,6 лошадиные силы.
Неисправный вентиль, как правило, пропускает ток в обоих направлениях. Неисправный конденсатор необходимо заменить. При этом силой магнитного потока управляет реле-регулятор, которое увеличивает или уменьшает напряжение на щетках в зависимости от нагрузки на плюсовой клемме аккумуляторной батареи. В результате имеем меньший износ контактных колец и щеток, значительно увеличенный срок службы. F11 10A Плафоны освещения салона.
принцип работы генератора
Установка генератора Bosch от BMW E30 на ВАЗ | Блог по доработке,тюнингу и обслуживанию автомобиля и скутера
|
|
|
Запчасти
1.
Генератор Bosch с BMW E30M, каталожный номер 0
120 469 617, либо его аналог с идентичным способом крепления.
Генераторы этого типа устанавливались на BMW E30, E28 и некоторые другие,
потому они очень распространены на соответствующих «разборках». Ныне они не
производятся, но для желающих есть «современная» версия — 0 120 469 782. Именно эта модель генератора наиболее удобна для установки
в «классику». В принципе можно купить и приспособить любой аналогичный Bosch, но при идентичной «начинке» и
массогабаритных показателях он будет отличаться крепежом т.е. потребует
больше доработок.
Как правило генератор (рис. 1, позиция 1) снимают вместе с
кронштейнами (т.е. покупателю достается «полный» комплект), но тем не менее
при покупке следует обратить внимание на несколько вещей : целостность втулок
креплений (рис. 1, позиция 5), в противном случае их придется изготавливать
самостоятельно, наличие шкива и реле-регулятора (рис.
1, позиция 2). Также
желательно наличие болтов крепления кронштейна и натяжной планки (рис. 2,
позиции 2 и 3). То, что шкив должен вращаться легко и без заеданий думаю
можно не упоминать.
Износ щеток и состояние коллектора легко оценить, открутив два болта крепления (рис. 1, позиция 3) «таблетки» реле-регулятора. При необходимости щетки легко перепаиваются на «классические» или любые другие, подходящие по размерам. Со шлифовкой коллектора сложнее, для этого нужно разбирать генератор, но без этого вполне можно обойтись. Клемму, соединяющую реле-регулятор с диодным мостом также рекомендуется почистить (рис. 1, позиция 4).
2. Кронштейн крепления генератора 21214.
3. Отрезок стальной полосы 25*4*150 мм.
4. Болт с гайкой и двумя шайбами, М10, длина 40 мм.
Натяжная
планка, болты крепления кронштейна генератора – штатные. Если установлен
нестандартный шкив коленвала, может потребоватьсядругой ремень.
У меня
установлен шкив большего диаметра, так что потребовался более длинный ремень
(я использую ремень Gates 6267MC). В случае применения стандартного
шкива скорее всего подойдет и штатный ремень.
Доработка деталей
1. С самим генератором что-либо делать скорее всего не придется. Как максимум может потребоваться немного подточить корпус в районе верхней втулки крепления генератора. Нужно это для того чтобы в установленном состоянии генератор смог уместиться под корпусом помпы (это потребуется при надевании ремня).
2. С кронштейном генератора (рис. 2, позиция 1) все немного сложнее. Во-первых, нужно рассверлить все три отверстия крепления (рис. 3),
чтобы можно было поставить кронштейн ниже примерно на 5 мм, иначе при установке велика вероятность того, что генератор упрется в помпу и будет невозможно
завернуть нижний болт крепления. Во-вторых, в трех областях, обведенных
красной рамкой потребуется доработка болгаркой.
В одной для того, чтобы можно
было завернуть болт крепления и в двух оставшихся, чтобы генератор не цеплял
за кронштейн.
3. Штатная натяжная планка перегибается наподобие буквы «Г» (рис. 2, позиция 5).
4. Из стальной полосы изготавливается дополнительная планка для натяжителя. С одной стороны сверлится отверстие под болт крепления к верхней втулке, с другой делается продолговатая прорезь под болт, свинчивающий эту планку со штатной натяжной планкой (рис. 2, позиция 6). Необходимая длина, равно как и расстояние между отверстиями, прикидывается экспериментальным путем. То, что получилось у меня можно увидеть на рисунке (рис. 2, позиция 4).
«Идеологический» вид всей конструкции в сборе также есть
на рисунке (рис. 4). Из него же легко понять принцип действия переделанного
натяжителя. Обращаю внимание : дополнительную планку надо изготовить таким
образом, чтобы она не мешала вращаться шкиву.
Установка
Вначале крайне рекомендуется собрать всю конструкцию «на столе» (рис. 4) чтобы выловить все подводные камни. Если все успешно – снимаем старый генератор, натяжную планку, кронштейн и реле-регулятор (он больше не понадобится). Также стоит снять крыльчатку вентилятора со шкива помпы (если конечно она у вас есть).
Если устанавливать этот генератор в первый раз, то возможно потребуется слить охлаждающую жидкость и снять термостат с патрубками. Так будет намного удобнее решать установочные проблемы.
Если нет
желания снимать ничего кроме старого генератора, то единственный путь
установки – через «низ», причем вначале надо поместить генератор в районе
балки, подняв его выше уровня крепежа кронштейна, а только потом привернуть
сам кронштейн. Если сделать наоборот, то в силу компоновочных проблем
генератор будет нереально просунуть на его законное место.
Как только кронштейн надежно закреплен на блоке цилиндров, путем хитрых пассов вставляем нижнюю втулку генератора в пазы кронштейна. К сожалению, при этом очень мешает термостат, потому и рекомендуется его снять. Правда при тестовом снятии-установке генератора в процессе подготовки статьи я обошелся без этого, но у меня была уже готовая работающая конструкция. Привинчиваем генератор к кронштейну, при этом не забываем про клемму «массы» (рис. 1, позиция 8), которую нужно привинтить под нижний болт крепления (рис. 2, позиция 2).
После этого вначале крепим к генератору дополнительную натяжную планку (рис. 2, позиция 4), потом привинчиваем к помпе штатную натяжную планку (рис. 2, позиция 5) и наконец свинчиваем их между собой мощным болтом (рис. 2, позиция 6). Затягиваем гайку на шпильке корпуса помпы и болт, крепящий дополнительную планку к корпусу генератора.
Затем надеваем ремень и смотрим чтобы шкив генератора находился
в той же плоскости, что и шкивы коленвала с помпой.
У меня проблем не
возникло, все было ровно. В противном случае может потребоваться доработка
втулок крепления генератора либо нижнего кронштейна.
Далее натягиваем ремень и затягиваем болт, соединяющий две натяжные планки. Потом затягиваем нижний болт, крепящий генератор к кронштейну. Внешний вид получившейся конструкции можно увидеть на рисунке (рис. 5).
Схема подключения штатного генератора (рис. 6) потребует некоторых изменений.
Генератор Bosch имеет встроенный реле-регулятор, так что штатный «классический» реле-регулятор отключаем, клеммы его подключения изолируем и оставляем в покое. Клемма подключения реле-регулятора к генератору больше не потребуется.
Клемму «массы» генератора (рис. 1, позиция 8) прикручиваем под нижний болт крепления.
Клеммы проводов от аккумулятора к генератору и все прочее, что
было подключено на клемму «30» старого генератора подключаем к мощному болту
на задней крышке генератора (рис.
1,
позиция 6; рис. 7).
На вторую клемму (рис. 1, позиция 7; рис. 7) для запуска
генератора необходимо подать +12В сигнала возбуждения. В принципе, как
показала практика, часть генераторов Bosch может обходиться и без него, но тогда для запуска генератора
необходимо кратковременно поднять обороты двигателя до 3500-4000 (проще
говоря – «топнуть» по педали газа), что неудобно. Первый вариант подачи сигнала возбуждения – это подключение +12В
от клеммы «+Б» катушки зажигания через маломощную нагрузку. Для этого
идеально подходит лампочка указателя поворота. Можно применить и резистор, но
по лампочке гораздо проще понять состояние генератора (если лампа горит – то
генератор не работает, после запуска генератора лампа гаснет). При этом есть
и один минус : штатная контрольная лампа заряда не функционирует. Я реализовал у себя второй вариант, немного изменив штатную
схему электропроводки (рис. 7). Вместо «штатного» реле контрольной лампы
заряда ГС702 я применил стандартное 12В автомобильное реле 90.
3747. В
остальном схема подключения практически не изменилась. «Поведение» контрольной
лампы заряда осталось тем же : вначале она горит, затем при запуске двигателя
через две-три секунды гаснет.
По материалам сайта «FAQ ВАЗ-классика»
Автор: Mr Копейкин
Схема подключения генератора ВАЗ-2107. Устройство генератора
В зависимости от года выпуска автомобиля схема подключения генератора ВАЗ-2107 может разниться. С годами добавлялись различные приборы в машине, потребление электроэнергии увеличивалось. Если в начале 80-х на машинах можно было встретить максимум радиоприемник или (в очень редких случаях) кассетный магнитофон, то в наше время список дополняется центральными замками, системами сигнализации и охраны, акустикой (сабвуферы, мощные усилители).
Различного рода устройства помогают водителю – видеорегистраторы, навигаторы, инверторы, зарядные устройства, насосы и др. И все они потребляют электроэнергию, а восполнить заряд помогает генератор, который заряжает аккумуляторную батарею до оптимального уровня.
Карбюраторные двигатели
Схема подключения генератора ВАЗ-2107 (карбюратор и инжектор) зависит от года выпуска автомобиля. На первых карбюраторных моделях устанавливался генератор Г-222. Такое же устройство можно встретить на серийно выпускаемых моделях ВАЗ-2105 и ВАЗ-2104 с карбюраторной системой впрыска.
Максимальный ток отдачи у такой установки составляет 55 ампер. Но в последние годы широкое распространение получили автомобили с инжекторной системой впрыска. Ее использование подразумевает большой потребляемый ток, поэтому необходимо применять генератор с большим током, чтобы обеспечить нормальный уровень заряда и питание всех потребителей.
Инжекторные моторы
На инжекторных моторах используются генераторные установки 5142.3771 или подобные. У них повышенная энергия, ток максимальный порядка 80-90 А, все зависит от варианта конструкции. Автомобили седьмой серии и аналогичные модели хороши тем, что они словно конструктор. На них можно установить практически любой генератор, схожий по конструкции с «родным».
Для тюнинга используют установки с током отдачи 100 ампер и выше. Но использование таких устройств оправдано лишь при условии, что к электрооборудованию подключено много мощных потребителей. Независимо от конструкции, генераторы вырабатывают переменный ток, в корпусе установлен регулятор напряжения, конденсатор и блок диодов.
Автомобили до 1986 года выпуска
Использовался в автомобилях генератор Г-222. Схема подключения ВАЗ-2107 почти такая же, как и на более поздних моделях. Но есть особенности, среди основных – имеется контрольная лампа, показывающая зарядку аккумулятора. Причем работала она при помощи электромагнитного реле.
Когда включается зажигание, от замка поступает питание через предохранитель приборной панели на электромагнитное реле лампы заряда аккумулятора и контакту катушки. Второй контакт катушки соединяется с центральным проводом на генераторе (с точкой соединения трех обмоток).
У электромагнитного реле нормально замкнутые контакты, поэтому при включении зажигания лампа горит.
Но как только двигатель начинает работать, на генераторе вырабатывается ток. И через катушку контрольной лампы протекает ток, который заставляет якорь притягиваться и размыкать контакты.
При этом прекращается питание лампы накаливания, она тухнет. Это говорит о том, что зарядка аккумуляторной батареи происходит в нормальном режиме. Только при условии, когда прекратится питание лампы, на обмотку возбуждения будет подано напряжение и генератор сможет выйти на рабочий режим.
Автомобили выпуска 1996 года и более поздние (карбюраторные моторы)
Схема подключения генератора Г222 на ВАЗ-2107 после 1996 года выпуска отличается от предыдущей одной маленькой особенностью – изменено питание обмотки возбуждения. Автомобили совершенствовались, а некоторые доработки позволяют сразу убить двух зайцев – упростить конструкцию и облегчить участь водителю.
После 1996-го вместо контрольной лампы начали устанавливать вольтметр, который более-менее точно показывает уровень заряда батареи.
И если лампа позволяет контролировать только наличие или отсутствие напряжения на генераторе, то с помощью вольтметра водитель визуально оценивает уровень. И при необходимости может понять, что необходимо проводить ремонт или обслуживание.
Схема генератора на инжекторных моторах
По сути, конструкция генераторной установки мало чем отличается от тех, которые устанавливались на карбюраторные моторы. Отличается только вид возбуждения и контроль исправности. В приборной панели установлена не только контрольная лампа, но и вольтметр, эти два прибора позволяют оценить и наличие, и уровень зарядки. Ток протекает по нити накала лампы и подается на обмотку возбуждения при старте двигателя. Схема подключения генератора ВАЗ-2107, независимо от года выпуска, подразумевает работу в следующем режиме:
- При включении зажигания питание поступает на обмотку возбуждения. Вокруг якоря возникает магнитное поле.
- При вращении коленчатого вала стартером начинает двигаться и якорь генератора.
С помощью движения и магнитного поля на концах обмоток статора возникает разность потенциалов. - С обмоток напряжение (переменное, трехфазное) поступает на блок выпрямителя, а с него на вывод «30» генератора.
- Вывод «30» соединяется с аккумулятором (положительной клеммой). Следовательно, происходит питание всей системы электрооборудования и зарядка АКБ.
Работают при этом параллельно аккумулятор и генератор Г221А. Схема подключения ВАЗ-2107 с карбюраторным и инжекторным моторами почти идентична, только мелкие особенности имеются.
Заключение
Если предусмотрено наличие лампы для контроля, то через нее будет протекать ток, независимо от того, генератор или аккумулятор питают систему электроснабжения, они работают в паре. Но если происходит обрыв в обмотке возбуждения, стираются щетки, то лампа не будет тухнуть, так как генератор не сможет выйти на нормальный рабочий режим и обеспечить питание всех потребителей. Больше никаких особенностей схема подключения генератора ВАЗ-2107 не имеет.
Почти аналогичная применяется на всех автомобилях (причем не только производства «АвтоВАЗ», но и других заводов). Схема питания обмотки возбуждения используется стандартная, законы электродинамики везде одинаковые. Без питания роторной обмотки не получится снять с выводов статорной напряжение, так как не будет вращающегося магнитного поля.
Схема подключения генератора ВАЗ-2107. Генераторное устройство
В зависимости от года выпуска автомобиля схема подключения генератора ВАЗ-2107 может отличаться. С годами в машину добавляли различную технику, увеличивалось потребление электроэнергии. Если в начале 80-х на машинах можно было встретить максимум радиоприемник или (в очень редких случаях) кассетный магнитофон, то в наше время список пополнился центральными замками, сигнализацией и охранной системой, акустикой (сабвуферы, мощные усилители).
Различные устройства помогают водителю — видеорегистраторы, навигаторы, инверторы, зарядные устройства, насосы и т. Д. И все они потребляют электроэнергию, а генератор помогает восполнить заряд, который заряжает аккумуляторную батарею до оптимального уровня.
Карбюраторные двигатели
Схема подключения генератора ВАЗ-2107 (карбюратор и инжектор) зависит от года выпуска автомобиля. На первых карбюраторных моделях устанавливался генератор Г-222. Такое же устройство можно встретить на серийно выпускаемых моделях ВАЗ-2105 и ВАЗ-2104 с системой впрыска карбюратора.
Максимальный ток отдачи для такой установки составляет 55 ампер. Но в последнее время широкое распространение получили автомобили с инжекторной системой впрыска. Его использование подразумевает большое потребление тока, поэтому необходимо использовать генератор с большим током, чтобы обеспечить нормальный уровень заряда и мощности для всех потребителей.
Инжекторные двигатели
Инжекторные двигатели используют генераторные установки 5142.3771 или аналогичные. У них повышенная энергия, максимальный ток порядка 80-90 А, все зависит от варианта конструкции.Машины седьмой серии и аналогичные модели хороши тем, что похожи на конструктора. На них можно установить практически любой генератор, близкий по конструкции к «родному».
Для настройки используйте установку с током отдачи 100 ампер и выше. Но использование таких устройств оправдано только при условии подключения к электрооборудованию многих мощных потребителей. Вне зависимости от конструкции генераторы вырабатывают переменный ток, в корпусе установлены регулятор напряжения, конденсатор и диодный блок.
Автомобили до 1986 года выпуска
Использовались в автомобилях генератор Г-222. Схема подключения ВАЗ-2107 практически такая же, как на более поздних моделях. Но есть особенности, среди основных — есть контрольная лампа, показывающая зарядку аккумулятора. И работало это с помощью электромагнитного реле.
При включении зажигания на замок через предохранитель приборной панели подается питание на реле электромагнитной лампы заряда аккумуляторной батареи и контакт катушки. Второй контакт катушки подключается к центральному проводу на генераторе (с точкой соединения трех обмоток).
У электромагнитного реле нормально замкнутые контакты, поэтому при включении зажигания лампа горит. Но как только двигатель начинает работать, генератор вырабатывает ток. А через катушку контрольной лампы протекает ток, который заставляет якорь притягивать и размыкать контакты.
При этом гаснет питание лампы накаливания, она гаснет. Это указывает на то, что аккумулятор заряжается в нормальном режиме. Только при условии, что питание лампы прекратится, обмотка возбуждения будет под напряжением и генератор сможет перейти в рабочий режим.
Автомобили 1996 года выпуска (карбюраторные двигатели)
Схема подключения генератора Г222 к ВАЗ-2107 после 1996 года выпуска отличается от предыдущего небольшой особенностью — изменена мощность обмотки возбуждения. Машины улучшены, а некоторые доработки позволяют сразу убить двух зайцев — упростят конструкцию и облегчат работу водителя.
После 1996 года вместо контрольной лампы установить вольтметр, более-менее точно показывающий уровень заряда аккумулятора.И если лампа позволяет контролировать только наличие или отсутствие напряжения на генераторе, то с помощью вольтметра драйвер визуально оценивает уровень. И при необходимости может понять, что необходимо провести ремонт или техническое обслуживание.
Схема генератора на инжекторных двигателях
На самом деле конструкция генераторной установки мала, чем отличается от тех, что устанавливались на карбюраторных двигателях. Единственное отличие — тип возбуждения и контроль исправности.В панели приборов установлена не только контрольная лампа, но и вольтметр, эти два прибора позволяют оценить как наличие, так и уровень зарядки. Ток протекает через нить накала лампы и подается на обмотку возбуждения при запуске двигателя. Схема подключения генератора ВАЗ-2107 независимо от года выпуска подразумевает работу в следующем режиме:
- При включении зажигания питание подается на обмотку возбуждения.Вокруг якоря возникает магнитное поле.
- При вращении коленвала начинает двигаться стартер и якорь генератора. С помощью движения и магнитного поля на концах обмоток статора возникает разность потенциалов.
- С обмоток напряжение (переменное, трехфазное) идет на выпрямительный блок, а с него на вывод «30» генератора.
- Выход «30» подключен к аккумуляторной батарее (положительный полюс). Следовательно, вся электрическая система запитана, а аккумулятор заряжен.
При этом аккумулятор и генератор G221A работают параллельно. Схема подключения ВАЗ-2107 с карбюраторным и инжекторным моторами практически идентична, доступны лишь мелкие детали.
Вывод
Если есть лампа для контроля, то через нее будет протекать ток, независимо от того, генератор или аккумуляторная система питания, они работают попарно. Но если в обмотке возбуждения произойдет обрыв, щетки стираются, то лампа не погаснет, так как генератор не сможет выйти в нормальный режим работы и обеспечить питание всех потребителей.Генератор ВАЗ-2107 больше не имеет.
Практически то же самое касается всех автомобилей (не только производства АвтоВАЗа, но и других заводов). Схема питания обмотки возбуждения стандартная, законы электродинамики везде одинаковы. Без питания обмотки ротора снять напряжение статора с выводов не получится, так как не будет вращающегося магнитного поля.
p>Как проверить якорь генератора ВАЗ 2107.Как проверить генератор на машине или с снятием дома с помощью мультиметра
Переключатель мультиметра необходимо установить на трансклон. Диоды полупроводниковые, относятся к микроэлектронике. Для звучания диодного моста необходимо разбираться в его устройстве и иметь принципиальную схему.
Отрицательный контакт мультиметра подключен к пластине диодного моста, положительный — с разделением диода. Течение должно пройти. Показания прибора должны стремиться к бесконечности.Положительный щуп мультиметра соединить с пластиной диодного моста, отрицательный — с диодным выходом. Мультиметр должен показывать сопротивление от 400 до 800 Ом.
Отрицательный вывод мультиметра соединяется с пластинами вспомогательных диодов, положительный — с выводом диода. Мультиметр должен показывать значение от 400 до 800 Ом. Положительный контакт мультиметра соединяется с пластиной вспомогательных диодов, отрицательный — с выходом диода. Показания прибора будут стремиться к бесконечному сопротивлению.
Подшипник — это механическая деталь, неисправность которой заключается в изменении ее физических свойств. Это могут быть коррозия, трещины, износ, повреждения, наличие люфта, затруднение вращения. Внешний признак проблемы с подшипником генератора — юмор и шум.
В этом случае задний подшипник снимается и исследуется на наличие вышеупомянутых дефектов детали. Кольцо подшипника должно свободно вращаться, не создавая постороннего шума.
Если говорить об автомобильном генераторе, то его передний подшипник Обычно крепится в крышке. Проверка осуществляется по аналогичному принципу, вращая крышку и удерживая центр. Подшипник не должен глотать или шуметь.
Подшипник с плохим вращением или наличием отклонения по оси вращения заменяется.Таким образом, проверка работоспособности генератора не представляет большой сложности. Главное понимать суть процессов, происходящих в приборе.Основные проблемы, которые случаются с генератором, просты и стандартны. Вооружившись мультиметром и полученными знаниями, вы легко найдете неисправность в генераторе.
Смотрите, как проверить генератор мультиметром, на видео
В машине два источника питания — это аккумулятор и генератор. Первый питает электрическую цепь, когда двигатель не работает. Второй — когда двигатель уже работает. В этом случае аккумулятор переключается в режим потребителя энергии и восполняет выделенную энергию для запуска двигателя.
На практике неисправностями довольно часто являются неисправности источника питания. Часто они одинаковы. Стартер отказывается раскручивать двигатель, в результате мотор не запускается. Для запущенного двигателя На панели приборов загорается КПП со значком аккумуляторной батареи. Это указывает на то, что возникла неисправность и аккумулятор не заряжается.
Проверка генератора на автомобиле
Прежде всего, необходимо проверить исправность ремня генератора.Если он не порван, то проверяется натяжение ремня. Затем переверните аккумулятор. Тестером (мультиметром) измерьте напряжение на выводах. Оно должно быть около 12-12,7 вольт. Если все в порядке, запустите двигатель. Если аккумулятор разряжен, зарядите и снова заведите мотор.
Замеряем напряжение на выводах АКБ (АКБ). Оно должно быть в указанных пределах, обычно от 13,2 до 14,5 вольт. Но на современных автомобилях эти пределы могут отличаться. Если есть инструкция по эксплуатации, вы можете с ней ознакомиться.Отклонение от заданных значений в любую сторону — неисправность. Эти отклонения могут быть трех видов:
- Нет разговора о зарядке — Генератор не работает.
- Ток зарядки есть, но ниже минимального значения — Недостаточный заряд аккумулятора.
- Напряжение выше максимального значения — Перезарядить Акб.
Все три случая говорят о имеющейся неисправности в системе электроснабжения автомобиля.Необходимо провести комплексную проверку генератора.
Но перед этим проведите визуальный осмотр всех проводов и кабелей, идущих от генератора к АКБ. Не должно быть видимых повреждений, обрывов и окисления электропроводки. Обязательно проверьте клеммы на аккумуляторе, стартере и генераторе. Они должны быть чистыми и сухими. Любые окисления, ржавчина и грязь должны быть удалены. Часто помогает восстановить потерянный контакт, и машина начинает работать, как положено. Если не помогло, приступайте к детальной проверке.
Для дальнейшей проверки генератор лучше снять с автомобиля. Сначала снимаем реле-контроллер с генератора и проверяем. Для проверки стабилизатора напряжения вам понадобится мультиметр и зарядное устройство с регулируемым напряжением. Лучше будет вместо зарядного устройства использовать блок питания. Регулировки напряжения от 0 до 16 вольт будет вполне достаточно.
Plus Блок питания Подключите к регулятору — обычно это штекерное соединение «Папа». Минус цепляем за минус, он обычно выводится на ухо крепления реле.Красный провод тестера соединен с плюсовым проводом блока питания, черный — с минусом. Подсоедините два зачищенных провода к кирпичам, по одному на каждый. К другим продвинутым концам подключается лампочка (ее можно снять на время проверки задних фонарей автомобиля). Стенд для проверки готов.
Реле регулятора транск
Подключите блок питания к сети, осторожно поверните ручку регулятора, начните поднимать напряжение. При этом следите за показаниями мультиметра.Лампочку не следует закапывать в самом начале, но при повышении напряжения она должна вращаться, сначала в полуматометре, а по мере прибавления яркость должна увеличиваться.
При достижении 14,5 вольт регулятор должен сработать, отключая напряжение. Лампочку после этого следует заземлить. Считается, что стабилизатор рабочий, если он отсекает ток на значениях от 14,2 до 14,8 вольт. Если это происходит на более низких или более высоких показателях, неисправен регулятор напряжения.И реле неисправно, если нет тока, отсекающего ток вообще.
При неисправности реле меняют на новое. Если все в порядке, продолжаем проверку.
Как проверить генератор мультиметром
Диодно-генераторный мост можно проверить мультиметром, но можно также использовать стенд, на котором проверяли регулятор.
Но перед этим в первую очередь, не снимая выпрямительный мост с генератора, красный провод тестера подключить к выводу 30 генератора, а черный провод — к корпусу.Режим тестера Тест при звонке (значок диода). Если его нет, то ставьте 1-2 ком. Мультиметр должен показывать бесконечность. Если показания разные, неисправен диодный мост.
Затем проверьте выпрямители тока на обрыв. Положительный (красный) Свойство Оставьте на клемме 30, по очереди болты крепления отрицательной перемычки. Дисплей мультиметра во всех случаях должен выдавать бесконечность, иначе это означает поломку.
Но на практике такой проверки чаще всего бывает недостаточно. В большинстве случаев генератор требуется более подробно.
Осторожный трансвелон
Для этого откручиваем болты крепления выпрямительного блока, отсоединяем медные провода обмотки статора и снимаем диодный мост с генератора. Теперь вы можете проверить каждый полупроводник индивидуально. Перед проверкой стабилизатор желательно промыть проточной водой с помощью жесткой оснастки, а затем тщательно просушить. Для быстрого высыхания вполне подойдет фен.
Один из щупов тестера крепится на пластине диода, второй подключается к центральному выводу каждого диода, закрепленного на этой пластине.Потом поменять зонд местами. В одном случае мультиметр должен показывать бесконечность, в другом — номинальное сопротивление, равное примерно 570-590 Ом. Выпрямители считаются неисправными, если:
- При первом и втором измерении (при изменении полярности) показания мультиметра совпадают;
- Сопротивление диодов больше или меньше номинала.
Со второй пластины диодного моста проделать те же действия. Если обнаружена неисправность. Один или несколько диодов, будет проще полностью заменить выпрямительный блок.Правда, попадаются умельцы, которые меняют возникающие диоды индивидуально, но такая работа требует определенного умения и навыков.
Проверить якорь и обмотки статора
При дополнительной проверке необходимо полностью разобрать генератор. В первую очередь визуально проверьте якорь. Кольца щеток не должны иметь спонтанности, сколов и износа беговой дорожки. Почернение и небольшие потертости можно удалить наждаком скин-ноль. Кольца с глубокими канавками необходимо заменить или — если это позволяет толщина колец — поработать на токарном станке.
Обмотка якоря не должна явно пахнуть Гар . Цвет обмотки должен быть однородным, без повреждений и разрывов. Чтобы проверить намотку якоря на обрыве, вам понадобится мультиметр. Улучшите режим работы по трансверсии или измерению сопротивления и подключите зонд к щеточным кольцам. Сопротивление обмотки должно быть в пределах 3-5 Ом. Затем один зонд оставить на кольце, другой соединить с корпусом. Дисплей мультиметра должен показывать бесконечность.
Статор генератора диагностируется после извлечения из корпуса. Сначала проведите визуальный осмотр. На проводе и его изоляции не должно быть видимых повреждений. Затем провод тестера подключается к корпусу статора. Коснитесь по очереди второго провода. Их всего три. Тестер должен находиться в режиме трансверсии. Если на дисплее отображается бесконечность, это говорит о исправности статора.
Дальнейшая поверка — диагностика обмоток. Сопротивление всех трех обмоток должно быть одинаковым.
Перед сборкой генератора необходимо проверить и при необходимости заменить подшипники. При повороте они не должны закручиваться или издавать скрип. Это говорит о том, что они сильно изношены и скоро выйдут из строя. Так их лучше сразу заменить на .
Основным источником электроэнергии в автомобиле является генератор. Именно благодаря ему осуществляется нормальное функционирование всех электрических узлов, устройств и систем. В случае его поломки ток, вырабатываемый генератором, не пойдет на аккумулятор, соответственно, такая машина уже не сможет работать.Поэтому во избежание таких случаев нужно регулярно проводить диагностику этого устройства. И сегодня мы рассмотрим, как проверить генератор своими руками и какие устройства для этого потребуются.
Приборы
В первую очередь следует позаботиться о приобретении специальных приборов для диагностики таких узлов. Им может быть мультивольтметр. Оба устройства не являются дефицитом, и их можно купить по вполне приемлемой цене. Максимальная стоимость вольтметра не более 20 долларов.
Чем отличается мульти от вольтметра?
Основное отличие заключается в том, что первый элемент помимо измерения напряжения может определять массу других электрических параметров.Это сила тока, удельное сопротивление и так далее. А вот штатным вольтметром диагностировать генератор вполне возможно. Однако для этого нужно знать последовательность всех работ, которые мы опишем ниже.
Как проверить генератор?
На ваз разных года выпуска данная диагностика существенно не отличается, поэтому данная инструкция применима ко всем легковым автомобилям И даже иномаркам.
Итак, для начала нужно проверить аккумулятор.Это необходимо для запуска генератора, который впоследствии будет его заряжать. Таким образом, разряженный аккумулятор не может запустить этот элемент, поэтому нет смысла проверять его половым аккумулятором. Кстати, если при минусовой температуре наблюдаются скачки с зарядом, скорее всего, ваш аккумулятор сильно изношен. В этом случае он подлежит замене.
Как проверить генератор мультиметром? Для начала нужно заглушить мотор и прикрепить устройство к аккумулятору. Сделать это несложно — красный контакт отвечает за «плюс», а черный — за «минус».Во время диагностики не рекомендуется трогать аккумулятор голыми руками.
После проделанных манипуляций прибор должен показывать заряд. Если оно составляет 12 В и выше, это означает, что ваш аккумулятор в полном порядке, он способен запустить генератор при повороте ключа зажигания. Если мультиметр показал цифры ниже 12 В, это говорит о разряженном аккумуляторе. В этом случае зарядите его до уровня 13-13,5 В. Если аккумулятор начинает мгновенно терять напряжение, это говорит о его сильном износе.Напомним, что средний срок службы автомобильного аккумулятора составляет 2-3 года.
Реле диагностики
Разбираем дальше как проверить генератор. Итак, если выяснилось, что аккумулятор заряжен, переходите к следующему этапу работы. В очереди реле диагностики. Этот элемент используется для поддержания необходимой разности потенциалов в бортовой сети автомобиля. Этот элемент снижает риск перенапряжения в сети в машине. Как проверить реле генератора? Если вы используете мультиметр как диагностический прибор, переведите его в режим измерения напряжения.Далее следует запустить двигатель и обратить внимание на шкалу аппарата. Мультиметр должен показывать значения от 14 до 14,5 В (на выходах генератора или клеммах аккумулятора). При этом при нажатии на педаль акселератора (здесь лучше всего вызвать помощника) напряжение не должно увеличиваться более чем на 0,5 В. Если прибор показывал другие значения хотя бы в одном из этих случаев, он означает, что реле генератора находится в неисправном состоянии. Если данные соответствуют норме, переходите к другим пунктам.
Диагностика диодного моста
Как проверить диодно-генераторный мост? Для этого нужно перевести мультиметр в «звуковой» режим. После сближаем контакты щупа и прислушиваемся к устройству. Последний должен издать характерный писк. Стоит отметить, что мост состоит из 6 диодов, половина из которых отвечает за «плюс», а другая — за «минус». Вам нужно проверить каждую из них в обоих направлениях. При этом пик должен быть слышен только в одном из них.Если диод «бьет» с двух сторон, скорее всего, он пробивается и подлежит замене. Но автомобилистам рекомендуется в этом случае менять мост целиком. На этом вопрос, как проверить диодный мост генератора, можно считать закрытым. Но это не значит, что диагностика уже проведена. В очереди у нас стоит статор генератора. Изделие имеет форму металлического цилиндра, внутри которого находится особая обмотка. Как проверить этот пункт? Для этого нам нужно отсоединить выводы статора и проверить состояние обмотки.Последний не должен содержать механических повреждений, подгорания и других деформаций. Далее следует перевести мультиметр в режим измерения сопротивления и проверить обмотку на пробой. Как это сделать?
В данном случае измеряем сопротивление между любым из выводов обмотки и самим корпусом статора. Полученные числа должны быть большими. В идеале они стремятся к бесконечности. Но если прибор показал сопротивление менее 50 кОм, скорее всего, ваш генератор вышел из строя.
Проверка ротора
Однако это еще не все.Также проблема неисправности генератора может скрываться в изношенном роторе. Последний представляет собой металлический стержень. Имеет обмотку. Кроме того, на роторе (а именно на конце стержня) имеются кольца, о которые трутся щетки генератора. Итак, как проверить эту часть на доброту? Для этого снимите ротор и посмотрите состояние подшипников. Также обратите внимание на обмотку. Как и в предыдущем случае, на нем не должно быть повреждений и подгорания.
Но визуального осмотра недостаточно, чтобы диагностировать такую деталь, как ротор генератора.Этот элемент, как и все остальные, должен пройти тест, производимый мультиметром. Как это сделать? Для этого измерьте удельное сопротивление между контактными кольцами. Полученный результат должен быть не менее 2 Ом. Если данные составили меньше единицы или в целом близки к нулю, это означает, что в системе произошло короткое замыкание, которое поразило ротор, вызвав его неисправность. Из такой ситуации только одно — замена детали.
Техника безопасности
При диагностике элементов не следует забывать, что генератор является источником образования электрической энергии.Поэтому все его элементы могут вызвать повреждение тока при несоблюдении правил безопасности. Теперь вы знаете, как проверить генератор. Но нужно обратить внимание на следующие моменты:
- Ни в коем случае нельзя проверить работоспособность элементов при коротком замыкании.
- Не следует соединять клемму «30», также обозначаемую как «B +», с 67-й или «D +». И недопустимо подключать его к «массе».
- Не пускать генератор при выключенном аккумуляторе.Это может быстро вывести его из строя.
- При необходимости замены проводки в системе генератора нужно обращать внимание на сечение и длину приобретаемых деталей. Эти два параметра должны быть максимально приближены к тем, что были у «родных» проводов.
- Как проверить генератор? Перед тем как убедиться в надежности и исправности всех соединений и нормальном натяжении ремня. Сделать это несложно. При нажатии большим пальцем на его середину ремень генератора следует делать не более 1-1.5 сантиметров. В противном случае его необходимо ослабить или затянуть (в зависимости от ситуации).
Сварщики на заметку
Кстати, при работах по ремонту и сварке кузова в машине необходимо отключать все провода, идущие от АКБ и генератора. В противном случае короткое замыкание или обрыв цепи бортовой сети будет неминуемо.
Итак, мы узнали, как проверить зарядку генератора своими руками.
Неисправность ротора автомобильного генератора ВАЗ 2108, 2109, 21099 (37.3701) в первую очередь приводит к исчезновению зарядного тока и разрядке аккумулятора. На щитке приборов после запуска двигателя постоянно горит лампочка разряда АКБ, сигнализируя об отсутствии тока зарядки. Стрелка вольтметра находится в Красной зоне или на границе с ней. Если проверить вольтметром (мультиметром, тестером и т. Д.) Напряжение на выводах АКБ при работающем двигателе, оно будет ниже необходимых 13,6 В.
Неисправностями ротора генератора может быть короткое замыкание в его обмотках и «обрыв» вывода обмотки возбуждения от контактных колец.
Требуется для проверки ротора инструментов
, тестер, вольтметр и др.
Если их нет, то контрольная лампа — Лампочка 1-5 Вт, 12В К ней припаян провод .
Проверка ротора автомобильного генератора ВАЗ 2108, 2109, 21099
Проверка на короткое замыкание может выполняться без снятия генератора с двигателя и без снятия ротора. Снимаем регулятор напряжения и через открывшееся ниже окошко производим манипуляции, описанные ниже.
Проверка замыкания обмотки «возбуждения» ротора на «массу»
— плюс мультиметр в модульном режиме прижимаем по очереди к контактным кольцам, минус на корпусе генератора («масса»).
Если ротор прибыльный (замыкания на «массу» нет), сопротивление должно стремиться к бесконечности.
При использовании контрольной лампы необходимо через нее по очереди подать плюс от АКБ на каждое из контактных колец «возбуждения» ротора.Минусом будет корпус генератора, так как он устанавливается на авто и подключается к минусу Акб. Если ротор исправен, контрольная лампа не должна загореться — плюс и минус там, где их нет. Иначе сгорит.
Проверка возбуждения ротора ротора генератора 37.3701 автомобилей ВАЗ 2108, 2109, 21099 на короткое замыкание
Плюс мультиметром (в режиме омметра) на одно контактное кольцо, минус на другое.
При исправной обмотке возбуждения сопротивление в пределах 5-10 Ом.
Если используется контрольная лампа, то плюс от АКБ через нее, пусть с одним штырьковым кольцом, а минус другой провод на вторую штыревую шайбу. Лампа должна гореть. Если так, то обмотка «возбуждения» исправна.
Проверка на «размыкание» обмотки возбуждения ротора генератора 37.3701 автомобилей ВАЗ 2108, 2109, 21099
Выводы облака обмотки ротора из контактных колец можно увидеть только после снятия и. В некоторых случаях их можно спаять. Чаще всего выходит из строя ротор генератора 37.3701 автомобиль ВАЗ 2108, 2109, 21099 подлежит замене.
Выводы генератора обмоток и контактных колец 37.3701 Автомобиль ВАЗ 2108, 2109, 21099
Примечания и дополнения
Неисправностей со стороны статора автомобильного генератора ВАЗ 2108, 2109, 21099 и их модификаций может быть не менее двух. это «обрыв» в его обмотках и короткое замыкание Обмотки на «Массу». Признаком неисправности генератора является исчезновение зарядного тока. В этой ситуации после запуска двигателя на газоразрядной лампе аккумуляторных батарей на панели приборов стрелка вольтметра стремится к красной зоне.Если замерить напряжение на выводах АКБ при работающем двигателе, то оно будет ниже 37,3701 13,6 В., требуемых от генератора в некоторых случаях, при коротком замыкании обмоток статора генератор дает характеристику команда.
Необходимые инструменты
-, автотестер или другой аналогичный прибор с режимом омметра
— При отсутствии измерительного прибора требуется контрольная лампа (лампочка 12 В с припаянными двумя проводами)
Подготовительные работы
— снять генератор с двигателя автомобиля
— и снимаем статор
— Очистить статор от грязи
Проверка статора генератора 37.3701
Проверить наличие «обрыва»
Прижимаем щуп мультиметра в модульном режиме к выводам обмотки статора. Если нет «обрыва», прибор покажет сопротивление в пределах 10 Ом. Если в обмотках статора есть «обрыв», то есть по ним не проходит ток, то сопротивление стремится к бесконечности. Проверяем поочередно все три выхода.
Проверка обмоток статора генератора 37.3701 на «обрыв»
Если применили контрольную лампу, Подавим минус от минуса АКБ на один из выводов обмотки статора (с помощью изолированного провода), а плюс через контрольную лампу на другой выход.Загорелась лампа — все в норме, нет — «открытие». Повторяем операцию поочередно для всех выводов.
Проверить на короткое замыкание
Прижимаем второстепенный шнур мультиметра в модульном режиме к статору, а плюсовой к любому выводу обмотки. Если короткого замыкания нет, сопротивление на устройстве стремится к бесконечности. Повторяем операцию для каждого вывода обмотки.
Проверка статора генератора 37.3701 на «КЗ»
При проверке статора генератора на короткое замыкание контрольной лампой подаем минус с вывода АКБ на статор, а плюс через контрольную лампу на любой вывод обмотка.Загорелась лампа — короткое замыкание, нет — все в норме. Повторяем процедуру для каждого выхода.
Примечания и дополнения
— Следует отметить, что подобные симптомы (кроме предупреждения генератора) могут появиться при неисправности регулятора напряжения, диодного моста, ротора генератора. Поскольку неисправность статора генератора встречается гораздо реже, чем неисправность регулятора или диодного моста, то в первую очередь стоит их проверить, а затем принять на проверку статор.
Соединение на рабочем месте. Схема генератора системы СОЕДИНЕНИЕ
Скаймеркен вентиляторный генератор ВАЗ-2107, Фербин его схема и мачт оанбод и опладен — вот и все это с автомобилистом. Как de halte spanning generaasje, de masine foar in lange tiid sil net, автор: steat wêze om te wurkjen oan in inkel batterij. Карбюраторные двигатели mei Kontaktleas ûntstekking mei in gemiddelde lading nivo kin hold net mear as in dei reis mei de ljochten út. Ynjeksje hawwe wurke foar in pear oeren sûnder generator, sûnt de pomp motor en de kompjûter verbruiken grut stroom.
Конструкция генераторов
Схема вентилятора и его опалубки генератора ВАЗ-2107 net ferskille substansjeel fan dat wat jildt foar all oare reauwen.
Йеррен восхищается дизайном, он лучше всех работает. Dat betsjut dat der neat te brekken. Генератор, производящий двигатель, коленчатый вал, представляет собой флексибель. Это wichtichste part fan ‘e elektryske masine:
- Статор — in fêste diel, it befettet it coil. Это wurdt makke fan dikke koper пробовал.
- Ротор — это простой вентиляторный генератор с обмоткой возбуждения.
- Крышки makke fan из алюминия. Bedoeld для центрирования ротора и установки дополнительного оборудования.
- De estafette Controller. Soarget oanpassing fan ‘e spanning generator útfier.
- Ремень. Ров передатчика ротора вентилятора коленчатого вала ротора генератора.
- Полупроводниковые диоды Blokkearje в конденсаторе. Выпрямляет охват по постоянному току, что приводит к тому, что вентилятор работает с компонентами переменного тока.
- Шкив на девайсе. Вкус ом, коэлен, это личем.
Dit ûntwerp установлен в вентилятор генератора ВАЗ-2107. Схема электропроводки, это чистые весла, как и в случае с современными автомобильными фанатами btenlânske fabryksmjittich meitsjen. Struktureel ferskillende modellen ferskille grut grutte Coils, de fmjittings fan de generator, troch de oanwêzigens fan wetter koeling.
Ротор генератора
Схема генератора ВАЗ-2107 (Форсунка) представляет собой чистую фолл-весла, так как данные тапают на карбюраторных двигателях ферылдера.Ien ferskil — современный дизайн от steat te jaan mear aktuele. De Rotor был создан в новой обмотке, которая была создана для всего мира в постоянной магнитной области. En dit is ien fan de betingsten для его генераторной установки. De twadde betingst — де beweging. Mei oare wurden, как de excitation wurdt wurdt под напряжением, mar net de Rotor draait, de generaasje fan, aktive его foardwaan sil. Как только вентилятор ротора, он не знает обмотки статора больше, чем напряжение в помещении.
Статор генератора
Статор — в первую очередь вентилятор, он генерирует вентиляторный агрегат, не требует среднего вентилятора.De slingerjende производится de kearn fan ‘e transformator stiel. Не хочу использовать это оборудование в электродвигателе. Ien lytse caveat — de Stator windings fan ‘e trije, dêrom, produsearret trije-fase Voltage. Mei sa’n regeling kin ferminderjen de Famke Fan Myn Dreamen aktive doe’t bestjoeringssysteem. Mar it duorret in pear stappen transformaasjes mear komplekse sirkwy fan de gelijkrichter.
регулятор напряжения
Схема карбюратора ВАЗ-2107, генератор мэй в âlde образец лучше út двигателей типа дистанционного управления напряжением.
Apart ûnderbrocht yn de motor купе fak mei in apparaat. De controllers kin wêze de folgjende soarten:
- Ferstelbere — de mooglikheid om oer te stappen nei de modus «зима» en «тушить». Yn de Earte Stabilisaasje spanning — это то, что вам нужно, как и twadde. Это ferwiist nei в klasse fan net-contact elektryske apparaten.
- Нерегулируемый — лучше всего в полупроводниковом чипе от meardere eleminten. Ек в нет-контакт электрыск аппарат.
- Механический тип лучше, чем электромагнетизм и ферсет. Net brûkt foar in lange tiid, sûnt de mjitte fan betrouberens is ekstreem lege.
Mei de Spanning Tafersjochhâlder — это постоянная обмотка возбуждения. Ommers, der is ien eigenskip fan generator stelt: at jo it magnetysk fjild fan de rotor, de útgong spanning fan, это устройство является proporsjoneel oan mutate. De frekwinsje en aktuele krêft sil bliuwe itselde. Op moderne ferzjes fan auto brûkt troch de estafette controllers, yn kombinaasje mei it pinsiel hâlder.De kosten fan sokke apparaten — это фолле легер.
Блок диодов в конденсаторе
Блок диодов в цепи установлен вентилятор батареи и генератора ВАЗ-2107 лучше всего на этом полупроводниковом элементе на подковообразной плите. Это очень важно для того, чтобы помочь вам с диодами. Полупроводники bekearde trije-fase AC в постоянном униполярном состоянии. Yn guon ntwerpen brûkt twa ekstra semiconductor ntwurpen для предотвращения перенапряжения. Мар ВАЗ-2107, sokke regelings wurde net brûkt wurde, как se усложняют это ûntwerp.
Конденсатор, в который входит вентилятор, это устройство, вентилятор, вентилятор, лучший вентилятор, вентилятор, генератор. Это проблема, что nei grinskorreksjes sil noch wol в Lytse Famke Fan Myn Dreamen AC. В конденсаторном вентиляторе это lykweardich circuit aktyf as dirigint mei в wikselstroom, en as it gat op in konstante. Mei oare wurden, neffens Kirchhoff syn stelling, al de fariabele komponint silgewoan sluten wurde en sil net foarby op.
Mienskiplike eksploitaasje fan de generator en de batterij
Ferbûn mei de batterij en de generator ВАЗ-2107 regeling is hiel simpel.Мачтовый вентилятор генератора находится в неисправном состоянии, и он пытался использовать его с положительным клеммным вентилятором батареи. Минус — это де корпус мотора и авто лихем. Обращается к контроллеру ienheid wurdt levere troch de lampe en в Diode, fêstmakke op it dashboard. Разве это не остановить катушку возбуждения в аккуратной лампе, омхич мэй в читаемом аккумуляторе.

С помощью движения и магнитного поля на концах обмоток статора возникает разность потенциалов.