работа системы — это… Что такое работа системы?
- работа системы
Тематики
- нефтегазовая промышленность
Справочник технического переводчика. – Интент. 2009-2013.
- работа силы на конечном перемещении
- таймер
Смотреть что такое «работа системы» в других словарях:
работа системы числового программного управления станком с пропуском кадров — пропуск кадра Автоматическая работа СЧПУ (УЧПУ), при которой не отрабатываются кадры управляющей программы, обозначенные символом «Пропуск кадра». [ГОСТ 20523 80] Тематики числовое программное управление Синонимы пропуск кадра EN block… … Справочник технического переводчика
работа (системы регулирования) со статизмом — — [Я.Н.Лугинский, М.С.Фези Жилинская, Ю.С.Кабиров. Англо русский словарь по электротехнике и электроэнергетике, Москва, 1999 г.] Тематики электротехника, основные понятия EN offset behavior … Справочник технического переводчика
работа системы (устройства) числового программного управления станком с ручным вводом данных — РВД Ндп. преднабор Функционирование СЧПУ (УЧПУ), при котором набор данных, ограниченный форматом кадра, производится вручную оператором на пульте. [ГОСТ 20523 80] Недопустимые, нерекомендуемые преднабор Тематики числовое программное управление… … Справочник технического переводчика
работа системы числового программного управления станком с ручным управлением — ручное управление Функционирование СЧПУ (УЧПУ), при котором оператор управляет станком с пульта без использования числовых данных. [ГОСТ 20523 80] Тематики числовое программное управление Синонимы ручное управление EN manualmode of operation … Справочник технического переводчика
- Ненормальная работа системы электроснабжения — Ненормальная работа ГОСТ 19705 81 Источник: ГО … Словарь-справочник терминов нормативно-технической документации
Нормальная работа системы электроснабжения. Нормальная работа — 8. Нормальная работа системы электроснабжения. Нормальная работа Режим работы, при котором нормально функционируют элементы системы электроснабжения, обеспечивающие электропитание всех приемников, и проводятся операции, необходимые для выполнения … Словарь-справочник терминов нормативно-технической документации
Ненормальная работа системы электроснабжения. Ненормальная работа. — 11. Ненормальная работа системы электроснабжения. Ненормальная работа. Режим работы при внезапной потере или ухудшении управления системой электроснабжения. Примечание. Ненормальная работа редкое случайное явление, возникающее из за отказа части… … Словарь-справочник терминов нормативно-технической документации
Частичная работа системы электроснабжения — Частичная работа ГОСТ 19705 81 Источник: ГОСТ 248 … Словарь-справочник терминов нормативно-технической документации
Аварийная работа системы электроснабжения — ГОСТ 19705 81 Источник: ГОСТ 24898 81: Системы электросн … Словарь-справочник терминов нормативно-технической документации
Длительная ненормальная работа системы электроснабжения — Длительная ненормальная работа Ненормальная работа системы электроснабжения длительностью более 7 с Источник: ГОСТ 24898 81: Системы электроснабжения самолетов и вертолетов. Методика расчета показателей безотказности … Словарь-справочник терминов нормативно-технической документации
работа системы — это… Что такое работа системы?
- работа системы
-
- system operation
Русско-английский словарь нормативно-технической терминологии. academic.ru. 2015.
- работа силы на конечном перемещении
- работа системы (устройства) числового программного управления станком с ручным вводом данных
Смотреть что такое «работа системы» в других словарях:
работа системы — — [http://slovarionline.ru/anglo russkiy slovar neftegazovoy promyishlennosti/] Тематики нефтегазовая промышленность EN system operation … Справочник технического переводчика
работа системы числового программного управления станком с пропуском кадров — пропуск кадра Автоматическая работа СЧПУ (УЧПУ), при которой не отрабатываются кадры управляющей программы, обозначенные символом «Пропуск кадра». [ГОСТ 20523 80] Тематики числовое программное управление Синонимы пропуск кадра EN block… … Справочник технического переводчика
работа (системы регулирования) со статизмом — — [Я.Н.Лугинский, М.С.Фези Жилинская, Ю.С.Кабиров. Англо русский словарь по электротехнике и электроэнергетике, Москва, 1999 г.] Тематики электротехника, основные понятия EN offset behavior … Справочник технического переводчика
работа системы (устройства) числового программного управления станком с ручным вводом данных — РВД Ндп. преднабор Функционирование СЧПУ (УЧПУ), при котором набор данных, ограниченный форматом кадра, производится вручную оператором на пульте. [ГОСТ 20523 80] Недопустимые, нерекомендуемые преднабор Тематики числовое программное управление… … Справочник технического переводчика
работа системы числового программного управления станком с ручным управлением — ручное управление Функционирование СЧПУ (УЧПУ), при котором оператор управляет станком с пульта без использования числовых данных. [ГОСТ 20523 80] Тематики числовое программное управление Синонимы ручное управление EN manualmode of operation … Справочник технического переводчика
Ненормальная работа системы электроснабжения — Ненормальная работа ГОСТ 19705 81 Источник: ГО … Словарь-справочник терминов нормативно-технической документации
Нормальная работа системы электроснабжения. Нормальная работа — 8. Нормальная работа системы электроснабжения. Нормальная работа Режим работы, при котором нормально функционируют элементы системы электроснабжения, обеспечивающие электропитание всех приемников, и проводятся операции, необходимые для выполнения … Словарь-справочник терминов нормативно-технической документации
Ненормальная работа системы электроснабжения. Ненормальная работа. — 11. Ненормальная работа системы электроснабжения. Ненормальная работа. Режим работы при внезапной потере или ухудшении управления системой электроснабжения. Примечание. Ненормальная работа редкое случайное явление, возникающее из за отказа части… … Словарь-справочник терминов нормативно-технической документации
Частичная работа системы электроснабжения — Частичная работа ГОСТ 19705 81 Источник: ГОСТ 248 … Словарь-справочник терминов нормативно-технической документации
Аварийная работа системы электроснабжения — ГОСТ 19705 81 Источник: ГОСТ 24898 81: Системы электросн … Словарь-справочник терминов нормативно-технической документации
Длительная ненормальная работа системы электроснабжения — Длительная ненормальная работа Ненормальная работа системы электроснабжения длительностью более 7 с Источник: ГОСТ 24898 81: Системы электроснабжения самолетов и вертолетов. Методика расчета показателей безотказности … Словарь-справочник терминов нормативно-технической документации
работа системы — это… Что такое работа системы?
- работа системы
1) Economy: working of system
2) Oil: system operation
3) Programming: system activity
Универсальный русско-английский словарь. Академик.ру. 2011.
- работа систем/испытания и регулировка
- работа системы без обратной связи
Смотреть что такое «работа системы» в других словарях:
работа системы — — [http://slovarionline.ru/anglo russkiy slovar neftegazovoy promyishlennosti/] Тематики нефтегазовая промышленность EN system operation … Справочник технического переводчика
работа системы числового программного управления станком с пропуском кадров — пропуск кадра Автоматическая работа СЧПУ (УЧПУ), при которой не отрабатываются кадры управляющей программы, обозначенные символом «Пропуск кадра». [ГОСТ 20523 80] Тематики числовое программное управление Синонимы пропуск кадра EN block… … Справочник технического переводчика
работа (системы регулирования) со статизмом — — [Я.Н.Лугинский, М.С.Фези Жилинская, Ю.С.Кабиров. Англо русский словарь по электротехнике и электроэнергетике, Москва, 1999 г.] Тематики электротехника, основные понятия EN offset behavior … Справочник технического переводчика
работа системы (устройства) числового программного управления станком с ручным вводом данных — РВД Ндп. преднабор Функционирование СЧПУ (УЧПУ), при котором набор данных, ограниченный форматом кадра, производится вручную оператором на пульте. [ГОСТ 20523 80] Недопустимые, нерекомендуемые преднабор Тематики числовое программное управление… … Справочник технического переводчика
работа системы числового программного управления станком с ручным управлением
— ручное управление Функционирование СЧПУ (УЧПУ), при котором оператор управляет станком с пульта без использования числовых данных. [ГОСТ 20523 80] Тематики числовое программное управление Синонимы ручное управление EN manualmode of operation … Справочник технического переводчикаНенормальная работа системы электроснабжения — Ненормальная работа ГОСТ 19705 81 Источник: ГО … Словарь-справочник терминов нормативно-технической документации
Нормальная работа системы электроснабжения. Нормальная работа — 8. Нормальная работа системы электроснабжения. Нормальная работа Режим работы, при котором нормально функционируют элементы системы электроснабжения, обеспечивающие электропитание всех приемников, и проводятся операции, необходимые для выполнения … Словарь-справочник терминов нормативно-технической документации
Ненормальная работа системы электроснабжения. Ненормальная работа.
— 11. Ненормальная работа системы электроснабжения. Ненормальная работа. Режим работы при внезапной потере или ухудшении управления системой электроснабжения. Примечание. Ненормальная работа редкое случайное явление, возникающее из за отказа части… … Словарь-справочник терминов нормативно-технической документацииЧастичная работа системы электроснабжения — Частичная работа ГОСТ 19705 81 Источник: ГОСТ 248 … Словарь-справочник терминов нормативно-технической документации
Аварийная работа системы электроснабжения — ГОСТ 19705 81 Источник: ГОСТ 24898 81: Системы электросн … Словарь-справочник терминов нормативно-технической документации
Длительная ненормальная работа системы электроснабжения — Длительная ненормальная работа Ненормальная работа системы электроснабжения длительностью более 7 с Источник: ГОСТ 24898 81: Системы электроснабжения самолетов и вертолетов. Методика расчета показателей безотказности … Словарь-справочник терминов нормативно-технической документации
работа системы — это… Что такое работа системы?
- работа системы
- working of system
Большой англо-русский и русско-английский словарь. 2001.
- работа симплексом
- работа со знаниями
Смотреть что такое «работа системы» в других словарях:
работа системы — — [http://slovarionline.ru/anglo russkiy slovar neftegazovoy promyishlennosti/] Тематики нефтегазовая промышленность EN system operation … Справочник технического переводчика
работа системы числового программного управления станком с пропуском кадров — пропуск кадра Автоматическая работа СЧПУ (УЧПУ), при которой не отрабатываются кадры управляющей программы, обозначенные символом «Пропуск кадра». [ГОСТ 20523 80] Тематики числовое программное управление Синонимы пропуск кадра EN block… … Справочник технического переводчика
работа (системы регулирования) со статизмом — — [Я.Н.Лугинский, М.С.Фези Жилинская, Ю.С.Кабиров. Англо русский словарь по электротехнике и электроэнергетике, Москва, 1999 г.] Тематики электротехника, основные понятия EN offset behavior … Справочник технического переводчика
работа системы (устройства) числового программного управления станком с ручным вводом данных — РВД Ндп. преднабор Функционирование СЧПУ (УЧПУ), при котором набор данных, ограниченный форматом кадра, производится вручную оператором на пульте. [ГОСТ 20523 80] Недопустимые, нерекомендуемые преднабор Тематики числовое программное управление… … Справочник технического переводчика
работа системы числового программного управления станком с ручным управлением — ручное управление Функционирование СЧПУ (УЧПУ), при котором оператор управляет станком с пульта без использования числовых данных. [ГОСТ 20523 80] Тематики числовое программное управление Синонимы ручное управление EN manualmode of operation … Справочник технического переводчика
Ненормальная работа системы электроснабжения — Ненормальная работа ГОСТ 19705 81 Источник: ГО … Словарь-справочник терминов нормативно-технической документации
Нормальная работа системы электроснабжения. Нормальная работа — 8. Нормальная работа системы электроснабжения. Нормальная работа Режим работы, при котором нормально функционируют элементы системы электроснабжения, обеспечивающие электропитание всех приемников, и проводятся операции, необходимые для выполнения … Словарь-справочник терминов нормативно-технической документации
Ненормальная работа системы электроснабжения. Ненормальная работа. — 11. Ненормальная работа системы электроснабжения. Ненормальная работа. Режим работы при внезапной потере или ухудшении управления системой электроснабжения. Примечание. Ненормальная работа редкое случайное явление, возникающее из за отказа части… … Словарь-справочник терминов нормативно-технической документации
Частичная работа системы электроснабжения — Частичная работа ГОСТ 19705 81 Источник: ГОСТ 248 … Словарь-справочник терминов нормативно-технической документации
Аварийная работа системы электроснабжения — ГОСТ 19705 81 Источник: ГОСТ 24898 81: Системы электросн … Словарь-справочник терминов нормативно-технической документации
Длительная ненормальная работа системы электроснабжения — Длительная ненормальная работа Ненормальная работа системы электроснабжения длительностью более 7 с Источник: ГОСТ 24898 81: Системы электроснабжения самолетов и вертолетов. Методика расчета показателей безотказности … Словарь-справочник терминов нормативно-технической документации
работа системы — с русского на все языки
См. также в других словарях:
работа системы — — [http://slovarionline.ru/anglo russkiy slovar neftegazovoy promyishlennosti/] Тематики нефтегазовая промышленность EN system operation … Справочник технического переводчика
работа системы числового программного управления станком с пропуском кадров — пропуск кадра Автоматическая работа СЧПУ (УЧПУ), при которой не отрабатываются кадры управляющей программы, обозначенные символом «Пропуск кадра». [ГОСТ 20523 80] Тематики числовое программное управление Синонимы пропуск кадра EN block… … Справочник технического переводчика
работа (системы регулирования) со статизмом — — [Я.Н.Лугинский, М.С.Фези Жилинская, Ю.С.Кабиров. Англо русский словарь по электротехнике и электроэнергетике, Москва, 1999 г.] Тематики электротехника, основные понятия EN offset behavior … Справочник технического переводчика
работа системы (устройства) числового программного управления станком с ручным вводом данных — РВД Ндп. преднабор Функционирование СЧПУ (УЧПУ), при котором набор данных, ограниченный форматом кадра, производится вручную оператором на пульте. [ГОСТ 20523 80] Недопустимые, нерекомендуемые преднабор Тематики числовое программное управление… … Справочник технического переводчика
работа системы числового программного управления станком с ручным управлением — ручное управление Функционирование СЧПУ (УЧПУ), при котором оператор управляет станком с пульта без использования числовых данных. [ГОСТ 20523 80] Тематики числовое программное управление Синонимы ручное управление EN manualmode of operation … Справочник технического переводчика
Ненормальная работа системы электроснабжения — Ненормальная работа ГОСТ 19705 81 Источник: ГО … Словарь-справочник терминов нормативно-технической документации
Нормальная работа системы электроснабжения. Нормальная работа — 8. Нормальная работа системы электроснабжения. Нормальная работа Режим работы, при котором нормально функционируют элементы системы электроснабжения, обеспечивающие электропитание всех приемников, и проводятся операции, необходимые для выполнения … Словарь-справочник терминов нормативно-технической документации
Ненормальная работа системы электроснабжения. Ненормальная работа. — 11. Ненормальная работа системы электроснабжения. Ненормальная работа. Режим работы при внезапной потере или ухудшении управления системой электроснабжения. Примечание. Ненормальная работа редкое случайное явление, возникающее из за отказа части… … Словарь-справочник терминов нормативно-технической документации
Частичная работа системы электроснабжения — Частичная работа ГОСТ 19705 81 Источник: ГОСТ 248 … Словарь-справочник терминов нормативно-технической документации
Аварийная работа системы электроснабжения — ГОСТ 19705 81 Источник: ГОСТ 24898 81: Системы электросн … Словарь-справочник терминов нормативно-технической документации
Длительная ненормальная работа системы электроснабжения — Длительная ненормальная работа Ненормальная работа системы электроснабжения длительностью более 7 с Источник: ГОСТ 24898 81: Системы электроснабжения самолетов и вертолетов. Методика расчета показателей безотказности … Словарь-справочник терминов нормативно-технической документации
работа системы — это… Что такое работа системы?
- работа системы
- n
Av. Systemtätigkeit
Универсальный русско-немецкий словарь. Академик.ру. 2011.
- работа силы сопротивления
- работа скорби
Смотреть что такое «работа системы» в других словарях:
работа системы — — [http://slovarionline.ru/anglo russkiy slovar neftegazovoy promyishlennosti/] Тематики нефтегазовая промышленность EN system operation … Справочник технического переводчика
работа системы числового программного управления станком с пропуском кадров — пропуск кадра Автоматическая работа СЧПУ (УЧПУ), при которой не отрабатываются кадры управляющей программы, обозначенные символом «Пропуск кадра». [ГОСТ 20523 80] Тематики числовое программное управление Синонимы пропуск кадра EN block… … Справочник технического переводчика
работа (системы регулирования) со статизмом — — [Я.Н.Лугинский, М.С.Фези Жилинская, Ю.С.Кабиров. Англо русский словарь по электротехнике и электроэнергетике, Москва, 1999 г.] Тематики электротехника, основные понятия EN offset behavior … Справочник технического переводчика
работа системы (устройства) числового программного управления станком с ручным вводом данных — РВД Ндп. преднабор Функционирование СЧПУ (УЧПУ), при котором набор данных, ограниченный форматом кадра, производится вручную оператором на пульте. [ГОСТ 20523 80] Недопустимые, нерекомендуемые преднабор Тематики числовое программное управление… … Справочник технического переводчика
работа системы числового программного управления станком с ручным управлением — ручное управление Функционирование СЧПУ (УЧПУ), при котором оператор управляет станком с пульта без использования числовых данных. [ГОСТ 20523 80] Тематики числовое программное управление Синонимы ручное управление EN manualmode of operation … Справочник технического переводчика
Ненормальная работа системы электроснабжения — Ненормальная работа ГОСТ 19705 81 Источник: ГО … Словарь-справочник терминов нормативно-технической документации
Нормальная работа системы электроснабжения. Нормальная работа — 8. Нормальная работа системы электроснабжения. Нормальная работа Режим работы, при котором нормально функционируют элементы системы электроснабжения, обеспечивающие электропитание всех приемников, и проводятся операции, необходимые для выполнения … Словарь-справочник терминов нормативно-технической документации
Ненормальная работа системы электроснабжения. Ненормальная работа. — 11. Ненормальная работа системы электроснабжения. Ненормальная работа. Режим работы при внезапной потере или ухудшении управления системой электроснабжения. Примечание. Ненормальная работа редкое случайное явление, возникающее из за отказа части… … Словарь-справочник терминов нормативно-технической документации
Частичная работа системы электроснабжения — Частичная работа ГОСТ 19705 81 Источник: ГОСТ 248 … Словарь-справочник терминов нормативно-технической документации
Аварийная работа системы электроснабжения — ГОСТ 19705 81 Источник: ГОСТ 24898 81: Системы электросн … Словарь-справочник терминов нормативно-технической документации
Длительная ненормальная работа системы электроснабжения — Длительная ненормальная работа Ненормальная работа системы электроснабжения длительностью более 7 с Источник: ГОСТ 24898 81: Системы электроснабжения самолетов и вертолетов. Методика расчета показателей безотказности … Словарь-справочник терминов нормативно-технической документации
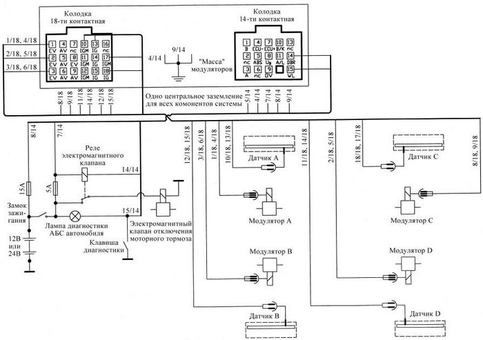
Работа системы — Студопедия
При включении питания (при повороте ключа замка включения стартера в положение «приборы») включаются диагностические лампы с символами «ABS тягача» и «ABS прицепа», если автомобиль сцеплен с прицепом, оборудованным АБС (см. рис. Щиток приборов), происходит автоматический тест-контроль электронного блока и электрических цепей датчиков, модуляторов и устройств коммутации.
При исправной системе лампа с символом «ABS тягача» гаснет при начале движения, когда автомобиль достигает скорости 5-7 км/ч, если АБС только что подключена, либо после окончания самодиагностики, если система уже использовалась. Аналогично гаснет лампа с символом «ABS прицепа», если автомобиль сцеплен с прицепом, оборудованным АБС.
При возникновении неисправности в системе или электрических цепях одного из элементов (датчиков, модуляторов и т.д.) или контуров управления загорается диагностическая лампа с символом ABS. При этом, возможно отключение соответствующего контура АБС (см. рис. Функциональная схема АБС автомобиля), и тормозная система работает как обычно (без режима АБС).
Система не требует специального обслуживания, кроме контрольной проверки функционирования и проверки установки датчиков АБС при регулировке или замене подшипников в колесных узлах или смене тормозных накладок (если при этом производится снятие ступиц).
Если диагностическая лампа с символом ABS не гаснет при скорости движения выше 7-10 км/ч, либо после устранения неисправности, определённой по мигающему коду (см. табл. Световые коды состояния элементов АБС), следует обратиться на сервисную станцию для устранения неисправности.
Внимание:
При проведении ремонта и устранении неисправностей необходимо заглушить двигатель и отключить питание системы. Питание системы отключается при повороте ключа замка включения стартера и приборов в положение «выключено» и выключения выключателя «массы»;
Категорически запрещается проводить сварочные работы на автомобиле при установленном электронном блоке. В этом случае электронный блок необходимо отключить и снять с автомобиля.
Функциональная схема АБС автомобиля
1 — (A,B,C,D)-модуляторы АБС;
2 — (А,В,С,D)-датчики скорости АБС;
3-электронный блок управления;
4-клапан электромагнитный отключения вспомогательного тормоза;
5- розетка для подключения АБС прицепа.

- Home
Тестирование
- Back
- Agile Testing
- BugZilla
- Cucumber
- Тестирование базы данных
9000- JUnit
- LoadRunner
- Ручное тестирование
- Мобильное тестирование
- Mantis
- Почтальон
- QTP
- Back
- Центр качества (ALM) SAP000 SAP000 SAP000
- SAP000 SAP000
- SAP000 SAP000
- SAP000 SAP000 Управление
- TestLink
SAP
- Назад
- ABAP
- APO
- Новичок
- Назад
- 9000 9000 9000 9000 9000 9000 9000 9000 9000 9000 следует подписать
- Android
- AngularJS
- ASP.Чистая
- C
- C #
- C ++
- CodeIgniter
- СУБД
- Назад
- Java
- JavaScript
- JSP
- Kotlin
M000 M000 js
- Back
- Perl
- PHP
- PL / SQL
- PostgreSQL
- Python
- ReactJS
- Ruby & Rails
- Scala
- SQL5000
- SQL000
- UML
- VB.Net
- VBScript
- Веб-сервисы
- WPF
Необходимо учиться!
- Назад
- Учет
- Алгоритмы
- Blockchain
- Бизнес-аналитик
- Сложение Сайт
- CCNA
- Cloud Computing
- COBOL
- Compiler Design
- Embedded Systems
- Назад
- Ethical Hacking
- Excel Учебники
- Go Программирование
- IoT
- ITIL
- Дженкинс
- MIS
- Networking
- Операционная система
- Prep
- Назад
- PMP
- Photoshop Управление
- Проект
- Отзывы
- Salesforce
- SEO
- Разработка программного обеспечения
- VBA
Big Data
- Назад
- AWS
- BigData
- Cassandra
- Cognos
- Складирование данных 000000000 HBB
- Назад
Что такое ОС (операционная система)?
Обновлено: 30.06.2020 от Computer Hope
Операционная система Операционная система или Операционная система — это программное обеспечение, установленное на жестком диске компьютера, которое позволяет аппаратным средствам компьютера взаимодействовать с программным обеспечением компьютера и работать с ним. Без компьютерной операционной системы компьютер и программы были бы бесполезны. На рисунке показана Microsoft Windows XP в оригинальной упаковке.
Когда компьютеры были впервые представлены, пользователь взаимодействовал с ними с помощью интерфейса командной строки, для чего требовались команды.Сегодня почти каждый компьютер использует операционную систему с графическим интерфейсом пользователя, которая намного проще в использовании и эксплуатации.
НаконечникНекоторые люди могут называть ОС «операционным программным обеспечением». Хотя это допустимый термин, более уместно называть это программное обеспечение «операционной системой».
Примеры компьютерных операционных систем
Ниже приведен список примеров различных компьютерных операционных систем по эволюции компьютеров.
ЗаметкаСледующие операционные системы считаются GPOS (операционные системы общего назначения).Смотрите наше определение RTOS (операционной системы реального времени) для примеров RTOS.
Microsoft Windows
Microsoft Windows является наиболее распространенной и используемой операционной системой на компьютерах на сегодняшний день, причем Microsoft Windows 10 является самой последней выпущенной версией Windows. В качестве операционной системы используются ПК и IBM-совместимые компьютеры.
Apple macOS
На компьютерах Apple macOS является основной операционной системой, используемой на настольных и портативных компьютерах Apple.
Android
Android в операционной системе используется со смартфонами и планшетами.На сегодняшний день Android является самой популярной операционной системой в мире из-за того, что на многих смартфонах используется вариант операционной системы Android.
Apple iOS
Используемая операционная система Apple iOS — это операционная система, используемая с Apple iPhone и iPad.
Linux
Linux — это бесплатная операционная система с открытым исходным кодом, используемая на ПК и IBM-совместимых компьютерах. Поскольку операционная система является бесплатной и с открытым исходным кодом, она также использовалась для создания многих вариантов Linux, включая: Ubuntu, Debian, Red Hat, Slackware и многие другие.Смотрите нашу страницу Linux для полного списка вариантов, перечисленных на нашем сайте с дополнительной информацией об операционной системе.
Chromium / Chrome OS
Chrome OS — это операционная система, используемая в Google Chromebook.
Другие операционные системы
Ниже приведен список некоторых других операционных систем, которые либо не попадают в вышеуказанные категории, либо считаются устаревшими.
Где хранится операционная система на компьютере?
В большинстве компьютеров операционная система хранится на основном жестком диске внутри компьютера.Компьютерные операционные системы также могут быть установлены и загружены с внешнего жесткого диска, дисковода или флэш-накопителя.
Какова история операционных систем?
За всю историю компьютеров было несколько разных операционных систем и версий. Чтобы упростить просмотр истории операционных систем, мы разбили историю операционной системы компьютера на следующие страницы.
Командная строка, Акронимы компьютеров, Встроенная операционная система, GUI, Microsoft, NOS, Операционная среда, Термины операционной системы, RTOS, Системное программное обеспечение, TOS
,Операционная система (ОС) , программа, которая управляет ресурсами компьютера, особенно распределением этих ресурсов среди других программ. Типичные ресурсы включают центральный процессор (ЦП), память компьютера, хранилище файлов, устройства ввода-вывода (I / O) и сетевые подключения. Задачи управления включают планирование использования ресурсов, чтобы избежать конфликтов и помех между программами. В отличие от большинства программ, которые завершают задачу и завершают работу, операционная система работает бесконечно и завершается только при выключении компьютера.
Подробнее на эту тему
информатика: Операционные системы
Операционная система — это специализированная коллекция программного обеспечения, которая находится между аппаратной архитектурой компьютера и его приложениями …
Современные многопроцессорные операционные системы позволяют активировать многие процессы, где каждый процесс является «потоком» вычислений, используемым для выполнения программы.Одна из форм многопроцессорной обработки называется разделением времени, которое позволяет многим пользователям совместно использовать доступ к компьютеру путем быстрого переключения между ними. Разделение времени должно защищать от помех между пользовательскими программами, и большинство систем используют виртуальную память, в которой память или «адресное пространство», используемое программой, может находиться во вторичной памяти (например, на магнитном жестком диске), когда не в немедленном использовании, чтобы быть замененным, чтобы занять оперативную основную память компьютера по требованию. Эта виртуальная память одновременно увеличивает адресное пространство, доступное для программы, и помогает предотвратить взаимодействие программ друг с другом, но требует тщательного контроля со стороны операционной системы и набора таблиц распределения для отслеживания использования памяти.Возможно, самая деликатная и критическая задача для современной операционной системы — это выделение процессора; каждому процессу разрешается использовать процессор в течение ограниченного времени, которое может составлять доли секунды, а затем он должен отказаться от управления и быть приостановленным до следующего хода. Переключение между процессами должно само по себе использовать процессор, защищая все данные процессов.
Первые цифровые компьютеры не имели операционных систем. Они запускали одну программу за раз, которая управляла всеми системными ресурсами, и оператор-человек предоставил бы любые необходимые ресурсы.Первые операционные системы были разработаны в середине 1950-х годов. Это были небольшие «программы супервизора», которые обеспечивали базовые операции ввода-вывода (такие как управление считывателями перфокарт и принтерами) и вели учет использования ЦП для выставления счетов. Программы супервизора также обеспечивали многопрограммные возможности, позволяющие запускать сразу несколько программ. Это было особенно важно, чтобы эти ранние многомиллионные машины не работали во время медленных операций ввода-вывода.
Компьютеры приобрели более мощные операционные системы в 1960-х годах с появлением разделения времени, что требовало системы для управления несколькими пользователями, совместно использующими процессорное время и терминалы.Двумя ранними системами разделения времени были CTSS (Совместимая система разделения времени), разработанная в Массачусетском технологическом институте, и Базовая система Дартмутского колледжа, разработанная в Дартмутском колледже. Другие многопрограммные системы включали Atlas в Манчестерском университете, Англия, и OS / 360 IBM, вероятно, самый сложный пакет программного обеспечения 1960-х годов. После 1972 года система Multics для компьютера GE 645 компании General Electric (а затем и для компьютеров Honeywell Inc.) стала самой сложной системой с большинством функций многопрограммирования и разделения времени, которые впоследствии стали стандартом.
Получите эксклюзивный доступ к контенту из нашего первого издания 1768 года с вашей подпиской. Подпишитесь сегодняМини-компьютеры 1970-х годов имели ограниченную память и требовали небольших операционных систем. Наиболее важной операционной системой того периода была UNIX, разработанная AT & T для больших миникомпьютеров как более простая альтернатива Multics. Он стал широко использоваться в 1980-х годах, отчасти потому, что он был бесплатным для университетов, а отчасти потому, что он был разработан с набором инструментов, которые были мощными в руках опытных программистов.В последнее время Linux, версия UNIX с открытым исходным кодом, разработанная частично группой, возглавляемой финским студентом по информатике Линусом Торвальдсом, а частично группой, возглавляемой американским программистом Ричардом Столлманом, стала популярной как на персональных компьютерах, так и на большие компьютеры.
В дополнение к таким системам общего назначения, специальные операционные системы работают на небольших компьютерах, которые управляют сборочными линиями, самолетами и даже бытовой техникой. Это системы реального времени, предназначенные для обеспечения быстрого реагирования на датчики и использования их входов для управления оборудованием.Операционные системы также были разработаны для мобильных устройств, таких как смартфоны и планшеты. IOS от Apple Inc., которая работает на iPhone и iPad, и Android от Google Inc. — две известные мобильные операционные системы.
iPhone 6 iPhone 6, выпущенный в 2014 году. Предоставлено AppleС точки зрения пользователя или прикладной программы, операционная система предоставляет услуги. Некоторые из них — простые пользовательские команды, такие как «dir» — показывают файлы на диске, в то время как другие — «системные вызовы» низкого уровня, которые графическая программа может использовать для отображения изображения.В любом случае операционная система обеспечивает соответствующий доступ к своим объектам, таблицам расположения дисков в одном случае и подпрограммам для передачи данных на экран в другом. Некоторые из его подпрограмм, которые управляют процессором и памятью, обычно доступны только для других частей операционной системы.
Современные операционные системы для персональных компьютеров обычно предоставляют графический интерфейс пользователя (GUI). GUI может быть неотъемлемой частью системы, как в более старых версиях Mac OS Apple и ОС Windows корпорации Microsoft; в других это набор программ, которые зависят от базовой системы, как в системе X Window для UNIX и Apple Mac OS X.
Операционные системы также предоставляют сетевые сервисы и возможности обмена файлами — даже возможность совместного использования ресурсов между системами разных типов, такими как Windows и UNIX. Такое совместное использование стало возможным благодаря внедрению сетевых протоколов (правил связи), таких как TCP / IP в Интернете.
работа системы — это … Что такое работа системы?
Операционные контракты — это формальные ограничения, определенные для программных операций. Они создаются на этапе моделирования предметной области. Как правило, контракт на операцию состоит из 4 компонентов: Имя операции: Имя для операции. Перекрестные ссылки: Список вариантов использования…… Wikipedia
Жизненный цикл системы — В системной инженерии жизненный цикл системы — это проверка системы или предлагаемой системы, которая охватывает все этапы ее существования, включая проектирование и разработку системы, производство и / или конструирование, распространение, эксплуатацию,…… Википедия
Операция «Желтая лента» — Международный аэропорт Гандер в Ньюфаундленде, Канада, принял 38 авиалайнеров, в общей сложности 6122 пассажира и 473 члена экипажа, в рамках операции «Желтая лента».Операция «Желтая лента» была начата Транспортной Канадой для обработки …… Википедии
Operation Commando Hunt — Часть войны во Вьетнаме Цели: (сверху) загруженные грузовики PAVN, (середина) складское помещение POL, (бот) открытое складское хранилище… Wikipedia
Операция «Иглу Уайт» — часть войны во Вьетнаме Дата 1968–1973 гг. Южный Лаос Результат… Wikipedia
Операция «Пролить свет» — Часть самолета Tropic Moon III B 57G во Вьетнамской войне с FLIR и LLLTV в носу… Wikipedia
Операция Igloo White — Операция Igloo White ██████████1% Traduction… Wikipédia en Français
Операция иглу белый — ██████████1% Traduction… Wikipédia en Français
Операция Sandblast — часть холодной войны (1953–1962)… Википедия
Операция «Лам Сон» 719 — Часть карты войны во Вьетнаме, показывающая базы огневой поддержки и движение войск… Википедия
Операционная точка вспышки: Dragon Rising — Разработчик (и) Codemasters Издатель (и) Codemasters… Wikipedia
