Как установить привод трамблера зил 130
01.06.2021 19 760 Система зажигания
Автор: Виктор
Трамблер УАЗ считается одним из важных компонентов системы зажигания в транспортном средстве. Корректная регулировка данного механизма обеспечивает оптимальную работу силового агрегата в целом. Подробнее о том, в чем заключается принцип действия системы зажигания и как ее правильно настроить своими руками, вы сможете узнать из этого материала.
[ Скрыть]
Элементы системы зажигания
Элементы поджига горючего в двигателе являются главенствующими. Посредством ее запускается силовой агрегат. Для движков на бензине разработано пара типов систем зажигания:
- контактные;
- бесконтактные.
Элементы поджига горючего бензинового двигателя даны в списке:
- распределитель или прерыватель искры. Устанавливают для определения момента в зажигании появления искры и передачи высокого напряжения на цилиндры мотора.
Устройство совмещает свою работу с движением поршней в цилиндрах; - катушка;
- коммутатор. Эта деталь гасит поступление электричества на обмотку катушки и превращает сигнал от регулятора в сигнал тока;
- свечи;
- замок;
- стартер;
- сопротивление. Добавляют иногда.
Внимание! На двигателе от Газели или УАЗ используют бесконтактную систему поджига. В нее добавляют генератор для управления сигналами и устройства для регулирования опережения: вакуумное и центробежное.
Опытные механики советуют для правильного выставления зажигания прочесть характеристики, которые даны ниже:
- работа цилиндров мотора производится таким образом: один, два, четыре, три;
- устройство ротора всегда крутится против минутной стрелки часов;
- центробежная деталь имеет угол опережения в восемнадцать градусов;
- вакуумная деталь имеет угол опережения в десять градусов;
- люфт СЗ не превышает 0,8 мм;
- R резистора не превышает 8 кОм;
- R СЗ не больше 7 кОм;
- R в обмотке статора – 0,5 кОм.

Теперь поговорим о том, как работает поджиг горючего в силовом агрегате.
Обзор СЗ на знаменитых УАЗах
Что представляет собой схема подключения электронного или бесконтактного зажигания, на УАЗ 417, как переделать контактное зажигание на бесконтактное? Почему греется катушка и как произвести регулировку и настройку угла опережения? Для начала разберем основные моменты касательно действия и видов СЗ.
Читать также: Smt2 инструкция по применению
Принцип работы СЗ
Схема контактной системы
Система зажигания, вернее, ее правильная настройка, играет большую роль в работе и запуске автомобильного мотора. При корректной регулировке в силовом агрегате будет правильно сгорать горючая смесь в результате подачи заряда через свечи. На каждый цилиндр УАЗовского мотора ставится свеча, каждая из которых включается в определенном порядке, по очереди, подавая разряд на цилиндр спустя определенное время. Нужно учитывать, что любая СЗ дает возможность не только произвести подачу нужного разряда, но и определяет его силу.
Аккумуляторная батарея машины из-за своих технических характеристик не может вырабатывать напряжение с током, которое требуется для возгорания смеси. Это связано с тем, что АКБ может выдать только ток определенной силы. А благодаря правильной работе системы величина тока значительно увеличивается, что позволяет успешно воспламенять топливовоздушную смесь.
Принцип действия системы состоит из нескольких этапов:
- Сначала водитель вставляет ключ в замок зажигания и поворачивает его, электрическая энергия накапливается в катушке.
- Затем катушка преобразуется низковольтное напряжение в бортовой сети величиной 12 вольт в высоковольтное. Значение напряжения в результате возрастает до 30 тысяч В.
- После этого происходит распределение и подача разряда на ту или иную свечу.
- Непосредственно свеча образует искру, которая воспламеняет смесь.
Схема бесконтактной УАЗовской системы
Какие бывают виды СЗ?
В отечественных УАЗах может использоваться одна из трех систем зажигания, рассмотрим каждую из них подробно:
- Контактный вид.
Данный тип СЗ является устаревшим, однако, он используется на большей части машин. В такой системе принцип действия заключается в выдаче определенного импульса, формирующегося в трамблере — распределительном устройстве. Контактная система считается одной из самых простых в плане устройства, что является преимуществом, поскольку при появлении неисправностей автовладелец сможет самостоятельно проверить и отремонтировать систему. Кроме того, цены на конструктивные детали контактной системы обычно доступные, что не может не радовать. В состав контактной СЗ входят катушка, распределительное устройство, прерыватель, конденсатор и свечи. - Бесконтактный тип, также зовется транзисторным. По сравнению с контактной, бесконтактная система имеет больше достоинств. Формирующаяся искра обладает более высокой мощностью, что достигается благодаря образованию высокого напряжения во вторичной обмотке катушки. Также бесконтактные системы оборудуются электромагнитным девайсом, который дает возможность добиться более стабильного функционирования двигателя.
В конечном счете, если силовой агрегат УАЗа будет настроен правильно, то при использовании бесконтактной системы вы можете не только увеличить его мощность, но и добиться экономии топлива, хоть и незначительной. Также такие системы более просты в обслуживании. Одним из основных нюансов в плане обслуживания является необходимость периодической смазки привода распределителя — не реже, чем каждые 10 тысяч км пробега. Из основных недостатков следует выделить трудность ремонта. На практике произвести ремонт бесконтактной СЗ будет проблематично, так как для диагностики системы понадобится оборудование, которое обычно имеется на СТО. - Также система зажигания может быть электронной. Данный вариант в настоящее время считается одним из самых прогрессивных и дорогих, ставится он преимущественно на новые автомобили. Если сравнивать с контактной и бесконтактной, электронная система имеет более сложное устройство. Основное достоинство данной системы заключается в том, что при необходимости процесс регулировки угла зажигания провести будет значительно проще.
Кроме того, в электронной системе нет контактов, которые подвержены окислению. Также следует отметить, что на практике горючая смесь в цилиндрах силового агрегата с электронной системой почти всегда сгорает полностью. Но несмотря на все преимущества, электронные СЗ имеют и свои недостатки, которые касаются ремонта устройства. Отремонтировать такую СЗ своими руками практически невозможно, так как для выполнения этой задачи, опять же, потребуется оборудование (видео опубликовал Наиль Порошин).
Порядок работы системы зажигания
Поджиг смеси горючего происходит следующем образом:
- Водитель поворачивает ключ в замке.
- Ток от аккумулятора поступает в стартер.
- Начинается вращение коленвала.
- Включается трамблер.
- Ток попадает на катушку.
- Через коммутатор проходит в распределитель.
- Последнее устройство распределяет ток по свечам.
Похожая статья Ремонт 402 ЗМЗ двигателя своими руками
Таким образом происходит правильное зажигание в моторе.
Однако, бывают ранние и поздние поджиги. Тогда можно говорить о неисправностях силового агрегата.
Раннее зажигание
Ранний поджиг происходит раньше момента подхода поршня цилиндра к верхней мертвой точке. Бензин с воздухом и маслом поджигается, когда поршень еще двигается. Подобные проблемы появляются из-за неправильно постановленного угла поджига.
Опытные механики определяют подобную поломку по следующим признакам:
- силовой агрегат не заводится сразу;
- нестабильная работа движка при простое на светофорах, когда машина стоит на месте;
- появление звука стрекотания, который не проходит, когда нагрузка увеличивается;
- при разборке мотора, механики обнаруживают нагар на свечах. Это значит, что горючее не прогорает до конца;
- увеличение расхода горючего;
- темный дым из трубы глушителя.
Это все признаки раннего зажигания. Давайте посмотрим, что бывает, когда зажигание медлит и воспламенение не происходит вовремя.
Позднее зажигание
При неправильной настройке меток на моторах 402 ЗМЗ позднее зажигание происходит тогда, когда поршень уже прошел верхнюю точку. Автовладелец это может заметить по падению мощности при увеличенном расходе бензина.
Опытные механики замечают позднее зажигание по следующим признакам:
- свечи сереют или белеют;
- двигатель начинает сильно нагреваться, хотя система охлаждения в порядке;
- мотор может глохнуть, когда увеличивается нагрузка.
Верная регулировка поджига и адекватное раставление меток поможет справиться с вышеописанными неполадками.
Порядок регулировки системы зажигания
Чтобы верно отрегулировать поджиг, нужно не только выставить углы опережения, но и верно расположить метки. Кстати, если автовладелец не понимает и не разбирается в конструкции двигателя, то лучше эту работу отдать опытным механикам в сервис-центре.
Давайте разберем все нюансы регулировки зажигания.
Сопоставление меток
Для верного сопоставления меток и выставления зажигания двигателя делают следующее:
- Выставляют первый цилиндр в верхней мертвой точке.

- Коленвал проворачивают так, чтобы метка на его шкиве сошлась с меткой на ГБЦ.
Чтобы сделать эти действия, потребуется вынуть свечу первого цилиндра и заткнуть отверстие тряпкой. Проворачивать до тех пор коленвал, пока данная тряпка не будет вынута воздухом, который создает давление внутри цилиндра.
Похожая статья Замена и установка цепи ГРМ двигателя ЗМЗ 406 своими руками
Подобные действия помогут найти окончание такта сжатия, иначе верхнюю мертвую точку цилиндра.
Регулировка угла опережения
Чтобы выставить угол опережения зажигания ЗМЗ 402, нужно сделать следующее:
- Немного открутить болт корректора октанового числа на трамблере.
- Выставить угол опережения на двигателе по центру шкалы.
- Немного открутить винт, который фиксирует пластинки устройства, корректирующего октан.
- Прокрутить распределитель так, чтобы красная отметина на головке ротора стала прямо перед меткой на статоре.
Затем автовладелец должен с помощью одной руки удерживать распределитель двигателя.
А второй рукой он будет закручивать винты. Таким образом выставляется зажигание ЗМЗ 402.
Проверка правильности установки зажигания
Теперь автовладельцу останется проверить правильность установки зажигания. Верно ли он установил зажигание или нет, определить можно так:
- Разогнать транспортное средство до 60 километров в час.
- На этой скорости резко нажать на педаль газа.
- Произойдет детонация в течение трех секунд.
- Если в дальнейшем она не продолжается, то зажигание двигателя было выставлено верно.
Внимание! Опытные механики выставляют зажигание в двигателе с помощью стробоскопа.
Рекомендации экспертов, как правильно настроить
Итак, как выставить самостоятельно угол опережения, чтобы добиться правильной работы двигателя УАЗ:
- В первую очередь вы должны зафиксировать свой автомобиль на одном месте, для этого потяните за рычаг стояночного тормоза. Проверните коленчатый вал так, чтобы поршень цилиндра 1 попал в ВМТ (верхнюю точку).
При этом нужно добиться того, чтобы отверстие на шкиве коленвала совпадало с риской, отмеченной на крышке распределительных шестеренок. - После этого с распределительного механизма следует снять крышку. После демонтажа вы сможете увидеть бегунок, который расположен внутри самой крышки, напротив контакта. При отсутствии бегунка следует еще раз провернуть коленчатый вал на 180 градусов, после чего выставить октан-корректор на 0. Используя гаечный ключ, вам необходимо будет завернуть винтом указатель к корпусу распределительного механизма так, чтобы добиться его совмещения со средней риской. Когда эти действия будут выполнены, болт крепления, с помощью которого пластины крепятся к корпусу трамблера, надо немного ослабить.
- Затем, удерживая на одном месте бегунок при помощи пальца для недопущения его вращения, надо аккуратно провернуть сам корпус, это позволит удалить возможные люфты в приводе. Корпус необходимо поворачивать до тех пор, пока вы не добьетесь совмещения острого конца лепестка статорного механизма с красной меткой, расположенной на роторном устройстве.
После этого саму пластину надо закрепить к корпусу, используя соответствующий болт. - Когда вы выполните эти действия, вам надо установить крышку контроллера на место и произвести проверку высоковольтных кабелей. Нужно удостовериться в том, что эти провода установлены в правильной последовательности с учетом порядка работы цилиндров. Когда вам удастся правильно настроить угол опережения, то необходимо убедиться в том, что вся процедура была выполнена верно.
- Для диагностики правильности выполненных действий надо завести мотор вашего УАЗика и подождать примерно 5-10 минут, пока силовой агрегат не прогреется. Рабочая температура мотора составляет около 90 градусов, можно подождать, пока ДВС прогреется до 80 градусов. Затем вам надо выехать на ровную дорогу и разогнать автомобиль до 40 км/час, после чего следует резко нажать на газ. В этот момент автомобиль ускорится и если при увеличении скорости до 60 км/ч из-под капота раздастся кратковременная детонация (металлический стук), то это говорит о том, что все действия были выполнены правильно.
В случае, если детонация слишком долгая, то потребуется еще отрегулировать систему. Для этого корпус распределительного механизма нужно будет повернуть на одно деление или наполовину, при этом проворачивать его надо против часовой стрелки. Если же диагностика показала, что стука «пальчиков» вовсе нет, то угол опережения следует увеличить. Для этого механизм следует повернуть в обратную сторону.
Читать также: Кто платит утилизационный сбор на автомобили
Фотогалерея «Как правильно отрегулировать»
Как самостоятельно установить зажигание
Установку зажигания можно провести самостоятельно. Для подобной процедуры понадобится стандартный набор инструментов. Если есть стробоскоп, то это хорошо. Инструмент позволит выставить верно поджиг смеси, чтобы не лазить без конца под капот.
А делается процедура следующим образом:
- Прогревают мотор до 80 градусов. Это его рабочая температура.
- К бортовому компьютеру подключают инструмент.

- Фиксатор крышки распределителя нужно будет открутить.
- Датчик сигнала нужно одеть на высоковольтный провод первого цилиндра.
- Если есть шланг корректора вакуума двигателя, то его нужно заглушить.
- На шкив коленчатого вала двигателя направляют свет от стробоскопа.
- Заводят мотор и оставляют работать на холостом ходу.
- Проворачивают корпус трамблера.
- Совмещают метки.
- Затягивают фиксатор.
На этом процедура установки закончена.
Установка трамблера с приводом
Установка трамблера с приводом производится следующим образом (все работы проводятся на работающем силовом агрегате):
- Поворачивают распределитель против часовой стрелки.
- Будьте готовы к тому, что обороты мотора возрастут.
- Если автовладелец продолжит прокручивать распределитель двигателя, то силовой агрегат может перестать работать стабильно.
- Когда обороты мотора понизятся, необходимо распределитель прокрутить по часовой стрелке.

Похожая статья Как правильно обкатать двигатель после капремонта
Чтобы протестировать правильно ли все сделано, рекомендуется резко газануть на машине или, наоборот, резко затормозить и постоять немного. При этом работа движка должна быть стабильна, и он не должен заглохнуть.
Как установить привод трамблера на двигатель 421
Делается всё по инструкции. Устанавливаем поршень первого цилиндра в ВМТ, длинной отверткой поворачиваем направляющую втулку маслонасоса как на картиинке В в инструкции, валик привода в положение изображенном на рисунке Б. Аккуратно вставляем привод в отверстие, в процессе он довернется до положения А.
Всё делал, как написано, вставил с первого раза.
Ссылка на инструкцию для УМЗ-421 (https://www.uazbuka.ru/lib/umz_eng/umz-421.pdf). Стр. 32, пункт 2.4.2, рис. 2.22
если бы лопатка не попала в шлиц на маслонасосе, привод не притянулся бы вплотную к блоку. Где засада.
Совершенно верно. Он остался бы торчать, а при попытке притянуть его гайками, лопатка может погнуться.
Скорее причина отсуствия давления в другом. Возможно после снятия/одевания поддона, перед запуском мотора следовало покрутить стартером с приоткрученным фильтром. И вот когда из под фильтра выбьет маслица, его прикрутить и заводить. Такое обычно требуется когда насос сухой .
Спасибо попробую. А разве после того как двигатель завелся, может маслонасос не закачать масло в систему?
Думаю просто придется подождать пока давление появится.
К сожалению такое иногда случается. Случается такое обычно после замены масла или при первом пуске после сборки. Почему то насос будучи сухим неохотно засасывает масло, когда на его выходе сидит фильтр. А ещё хуже когда этот фильтр не сухой. А приотвернув фильтр облегчается выход воздуха из насоса, и его заполнение маслом. А после этого, дальше все работает. Есть даже технология замены масла. Слить старое. Отвернуть старый фильтр. Закрыть пробку, залить новоемасло, но фильтр не закручивать сразу, а после выкуривания 1 сигареты. Обычно к этому моменту само масло заполняет насос и он нормально качает сквозь навернутый фильтр.
согласен на все +100 % ,
Совершенно верно. Он остался бы торчать, а при попытке притянуть его гайками, лопатка может погнуться. Скорее причина отсуствия давления в другом. Возможно после снятия/одевания поддона, перед запуском мотора следовало покрутить стартером с приоткрученным фильтром. И вот когда из под фильтра выбьет маслица, его прикрутить и заводить. Такое обычно требуется когда насос сухой .
Сразу извиняюсь за выражение, но, поймите, как вспомню так вздрогну. Куй то там она (лопатка) погнется, отламывае корпус маслонасоса на раз. Потом приходится еще и новый насос покупать.
Источник
Снятие распределителя в сборе с приводом масляного насоса
Чтобы провести ремонтные работы трамблера на моторе Газели или УАЗ, потребуется его снять. Это делается таким образом:
- Демонтируют крышку вместе с проводами, которые находятся там.
- Удаляют шланг вакуумного регулятора.
- Демонтируют крепление низковольтного провода.
- Снимают крепления октан-корректора.
Для этого используют ключ на десять. А для демонтажа низковольтного провода – ключ на семь. - Наконец снимают сам трамблер двигателя.
Эта задача легкая и не требует для выполнения особых умений. Однако автовладелец должен иметь понимание конструкции мотора. Установка производится в обратной последовательности. Нужно помнить, что установить распределитель можно только в одном положении.
Если потребуется снять еще масляный насос с трамблером, то необходимо сделать так:
- Демонтируют крышку распределителя двигателя. Убирают высоковольтные провода.
- Теперь необходимо запомнить, как расположен бегунок относительно корпуса.
- Демонтируют вакуумный шланг и провод коммутатора.
- Откручивают две гайки крепления. Ключ используют на тринадцать.
- Демонтируют датчик распределителя и масляный привод.
Удаляют прокладку на двигателе и кладут новую, если дело в ней. При неизменном положении коленвала двигателя, устанавливают все в обратной последовательности.
Если же произошли даже небольшие изменения, то вначале поршень переводят в верхнюю мертвую точку. Совмещают метку шкива коленвала с меткой на ГБЦ. Цилиндры должны быть закрыты.
Затем производят установку трамблера.
Установка привода трамблёра УАЗ
Установка привода трамблёра на автомобиле УАЗ заключается в совмещении распредвала и масляного насоса. Это не очень просто.
Привод трамблёра приводится во вращение от шестерни распредвала, в то же время от привода трамблёра через пластину приводится во вращение масляный насос. Снять привод не сложно, откручиваем две крепёжные гайки и вынимаем его из блока двигателя. Привод может пригореть в корпусе блока двигателя. В этом случае приходится применять изобретательность. Либо пробовать его раскачать. Либо вывернуть крепежные шпильки пробовать его проворачивать. Почему привод выходит из строя. Как правило, это происходит при заводе автомобиля в мороз. Масло сильно густеет, и провернуть масляный насос очень тяжело.Поэтому насос застопорится, в результате чего гнется пластина.
И выходит из зацепления с масляным насосом.
Установка привода трамблёра УАЗ
После снятия привода, производится установка привода трамблера заново. Для этого устанавливаем поршень первого цилиндра в ВМТ в момент сжатия топлива. Проще всего это положение уставить, выкрутив свечу первого цилиндра, перекрыть отверстие бумажной пробкой. При подведении и поршня в момент сжатия пробку выбьет, и после этого установить шкив привода генератора по первой метке.
Правильное положение распредвала
Хочу заметить, что поршень за цикл работы цилиндра дважды подходит в положение ВМТ. В первый раз в момент сжатия. Второй в момент выброса отработавших газов. Очень важно не перепутать эти положения. Поэту мы проверяем себя, определяя возникающую в цилиндре компрессию. Так как в данный момент клапана закрыты и происходит сжатие топлива. Итак, мы установили поршень в ВМТ, Теперь наша задача правильно установить привод. Обратите внимание на паз, в который вставляется муфта привода трамблёра, он смещен относительно центра.
Этот паз должен иметь направление параллельное блоку цилиндров. И относительно центра смещен от блока двигателя.
Трамблер в месте соединения с пиводом имеет аналогичное смещение
Шестерня привода является косозубой, поэтому если мы начнем вставлять привод в этом положении. Он не установится правильно, а провернётся на один зуб. Следовательно, прежде чем вставлять привод, его нужно провернуть на один зуб против часовой стрелки. Чтобы привод установится на своё место, ипринял правильное положение. Постарайтесь зацепиться краем шестерни привода за шестерню на распредвале. Привод сразу не установить. Необходимо проворачивать коленчатый вал до тех пор, пока пластина не попадает в паз масляного насоса. Проворачивая, колен вал, необходимо прижимать привод. Чтобы край шестерни не вышел из зацепления.
После того как паз масляного насоса совместится с приводной пластиной. Привод сядет на своё место. После этого необходимо снова выставить поршень в положение ВМТ в момент сжатия, и проверить положение паза привода.
Если он стоит параллельно блоку и смещен от блока, то привод трамблёра установлен правильно. Если нет, эту процедуру необходимо повторить.
Совмещение пластины привода
При установке возникает одна очень большая проблема. Пластина привода масляного насоса не фиксируется жестко по оси привода. Поэтому, когда мы ставим привод, она отклоняется относительно оси и не попадает в паз масляного насоса. Её необходимо как-то зафиксировать. Я просто с двух сторон вставил спички, и этой фиксации мне хватило, чтобы установить привод. После того как привод правильно сел на своё место прикручиваем его гайками.
Источник
Занятие №5 «Проверка и установка зажигания на двигателе ЗиЛ-131».
Время: 2 часа.
Вид занятия: практическое.
Место: класс ГРД.
Инструмент и приспособления:
ключи гаечные 10,12,14 мм;
ключ торцовый свечной 22 мм;
пусковая рукоятка двигателя;
контрольная лампа.

Проверка установки зажигания.
В движении.
ТУ на проверку:
Двигатель прогрет предварительным пробегом до температуры охлаждающей жидкости 80-90С.
Автомобиль загружен не менее 3000кг груза.
Движение осуществляется на горизонтальном участке пути с твердым покрытием на прямой (пятой) передаче и высшей (второй) передаче в раздаточной коробке. С установившейся скоростью 30км/ч.
Порядок проверки:
Резко нажать до отказа на педаль управления дроссельными заслонками и, прислушиваясь к работе двигателя, довести скорость до 50км/ч.
Если
зажигание установлено правильно, при
разгоне будут прослушиваться легкие
детонационные стуки, исчезающие при
скорости 40-45км/ч.
а). при сильной детонации стрелку октан-корректора следует переместить в сторо-
ну знака «-», уменьшая угол опережения зажигания
б). при отсутствии детонации стрелку октан-корректора следует переместить в сто-
рону знака «+», увеличивая угол опережения зажигания.
На месте
— Контактная система
Снять крышку распределителя (при экранированном электрооборудовании предварительно снять экран).
Рис. 17 Проверка размыкания контактов контрольной лампой
Подключить контрольную лампу (рис. 17) между подвижным контактом прерывателя и «массой» или установить провод высокого напряжения, идущий от катушки зажигания, на расстоянии 2— 3 мм от «массы».
Включить зажигание и провернуть пусковой рукояткой коленчатый вал двигателя до момента загорания контрольной лампы или до проскакивания искры между проводом высокого напряжения и «массой» (бегунок должен быть направлен в сторону цифры «I» на крышке распределителя, т.

е. к выводному гнезду провода 1-го цилиндра на распределителе).Убедиться, что сверление на шкиве коленчатого вала совмещено с риской, обозначенной цифрой «9», указателя (рис. 18).
— Транзисторная система
Снять экран и крышку распределителя.
Провернуть пусковой рукояткой коленчатый вал двигателя до совмещения красных меток, имеющихся на роторе и статоре распределителя.
Убедиться, что бегунок направлен в сторону выводного гнезда провода 1-го цилиндра на распределителе. Сверление на шкиве коленчатого вала при этом должно быть совмещено с риской, обозначенной цифрой «б» (рис. 18), на указателе установки момента зажигания.
В случае несовпадения сверления, имеющегося в шкиве коленчатого вала с рисками «9» или «б» на указателе установки момента зажигания, выполнить установку зажигания.
Установка зажигания (частичная установка).

1. Установить поршень 1-го цилиндра на такте сжатия за 9° до ВМТ в контактной системе (за 6° до ВМТ в транзисторной бесконтактной системе) зажигания, для чего провернуть пусковой рукояткой коленчатый вал двигателя на два оборота до момента совмещения сверления в шкиве коленчатого вала с риской, обозначенной цифрой «9» (риской «б»), указателя установки момента зажигания
Рис. 18 Установка поршня 1-ого цилиндра в ВМТ.
2. Проверить и при необходимости отрегулировать зазор 0,3— 0,4 мм между контактами прерывателя в контактной системе зажигания.
Совместить указательную стрелку с риской цифры «О» пластин октан-корректора.
Рис. 19 Регулировка зазора между контактами распределителя зажигания:
1 – стойка
неподвижного контакта распределителя;
2 – стопорный винт крепления стойки
неподвижного контакта; 3 – щуп пластинчатый;
4 – регулировочный эксцентриковый винт.
Расположить бегунок распределителя в сторону выводного гнезда «I» крышки, а октан-корректор вверх. Вставить распределитель в гнездо привода и закрепить его.
Ослабить болт крепления к корпусу распределителя пластин октан-корректора, включить зажигание и медленно повернуть корпус распределителя против хода часовой стрелки до момента загорания контрольной лампы или проскакивания искры между центральным проводом высокого напряжения, идущего от катушки зажигания, и «массой» у контактной системы зажигания (совмещения красных меток ротора и статора у транзисторной системы зажигания).
Закрепить болт крепления к корпусу распределителя пластин октан-корректора, не нарушая положения корпуса распределителя.
Проверить правильность установки зажигания на месте.
Установить крышку распределителя (и экран в экранированной системе), проверить соответствие установки проводов в крышке порядку работы цилиндров (1—5—4—2—6—3—7—8).

Проверить в движении (как указано выше) правильность установки зажигания. При необходимости откорректировать с помощью октан-корректора. Для уменьшения угла опережения зажигания (сильная детонация) стрелку октан-корректора сместить в сторону знака «минус», для увеличения угла опережения зажигания (отсутствует детонация) стрелку октан-корректора сместить в сторону знака «плюс».
Как снять, установить и отрегулировать опережение зажигания
Как снять, установить и отрегулировать опережение зажигания | Совет вашего механикаЗадайте вопрос, получите ответ как можно скорее!
☰
×
ЗАПРОСИТЬ ЦЕНУ
| Сэкономьте на ремонте автомобилей | Получить предложение |
Распределители зажигания используются в бензиновых двигателях для своевременной подачи высокого напряжения на свечи зажигания.
Бензиновый двигатель не может работать только на газе и воздухе. Двигатель должен иметь способ воспламенения газа и воздуха, поступающих в камеру сгорания двигателя. Для этого в область камеры сгорания ввинчивается свеча зажигания, и на свечу подается высокое напряжение от катушки зажигания. Это создает искру, которая воспламеняет воздух и топливо, создавая взрыв, который нагревает воздух и толкает поршень вниз, создавая мощность.
Распределитель используется для своевременного распределения высокого напряжения от катушки к соответствующей свече зажигания. Распределитель может потребоваться снять с двигателя в рамках процедуры ремонта или потребовать замены из-за механической проблемы, такой как изношенная шестерня распределителя или сломанный вал распределителя. В этом руководстве мы рассмотрим шаги, необходимые для снятия, замены и повторного включения распределителя зажигания.
Часть 1 из 4: Разборка кабеля аккумулятора
Необходимые материалы
- Комбинированные ключи
- Малярная лента
- Перманентный маркер
- Руководства по ремонту
- Набор головок с трещоткой
Шаг 1: Отсоедините отрицательный кабель аккумуляторной батареи
Перед снятием распределителя следует отсоединить отрицательный провод аккумулятора, чтобы никто не мог провернуть двигатель, пока вы выполняете процедуру.Шаг 2: Найдите дистрибьютора . Вам нужно будет найти дистрибьютора. Он обычно расположен в верхней части блока цилиндров в передней или задней части двигателей V-6 и V-8, или сбоку блока на 4- и 6-цилиндровых двигателях.
Распределитель имеет пластиковую крышку с проводами свечи зажигания, выходящими из верхней части крышки. Каждый из этих проводов идет к свече зажигания соответствующего цилиндра и должен находиться в правильном положении, чтобы двигатель работал.
Шаг 3: Отметьте положение провода свечи зажигания . Вы можете использовать популярные руководства по ремонту автомобиля или номера цилиндров, напечатанные на проводах свечей зажигания.
Определите цилиндры двигателя и отметьте каждый провод на распределителе с помощью липкой ленты или перманентного маркера.
Пометьте каждый провод соответствующим номером цилиндра, чтобы их можно было установить в правильном порядке.
- Совет : Если на крышке есть стрелка, указывающая направление вращения, убедитесь, что вы отметили, в каком направлении должны быть установлены пронумерованные провода на крышке.
Шаг 4: Снимите крышку распределителя . Крышки распределителей обычно удерживаются на месте зажимами или винтами.
Либо отсоедините зажимы, либо поверните винты, чтобы снять крышку с распределителя.
- Примечание : Следующие шаги очень важны для последующего запуска двигателя. После того, как крышка будет снята, вам нужно будет сделать отметку на двигателе, щитке крыла, радиаторе или какой-либо другой чистой области прямо на одной линии с направлением, которое указывает ротор.
Шаг 5: Отметьте корпус . Сделайте еще одну отметку на корпусе распределителя, чтобы знать, куда указывал ротор на распределителе.
Шаг 6: Отсоедините проводку и/или вакуумные линии . Отсоедините любую первичную электрическую проводку или вакуумные линии, которые могут быть у распределителя.
На точечных и конденсаторных двигателях может потребоваться отсоединение первичного электрического провода, выходящего из распределителя на катушке зажигания. При электронном зажигании вы можете проследить за небольшим жгутом проводов, который выходит из распределителя, и найти разъем.
Шаг 7: Отсоедините разъем . Снимите разъем со всех держателей, удерживающих его, и потяните фиксирующий язычок, чтобы отсоединить его.
Шаг 8: Снимите прижимной болт и зажим . Распределитель удерживается на месте болтом, обычно называемым прижимным болтом.
Снимите болт и зажим, который находится под болтом. Когда вы сняли болт и зажим, вы можете снять корпус распределителя с блока цилиндров.
Примечание : На старых автомобилях для снятия распределителя может потребоваться некоторое усилие.

Совет : Если кажется, что распределитель проржавел на блоке цилиндров, используйте проникающее масло и дайте пенетранту впитаться в течение 15 минут, чтобы облегчить удаление. Не пытайтесь ударить молотком по распределителю, так как большинство распределителей изготовлены из литого алюминия и могут быть повреждены.
Часть 2 из 4. Проверка распределителя
Шаг 1. Проверка распределителя . После снятия распределителя осмотрите ведущую шестерню в нижней части вала распределителя.
Он не должен быть ослаблен или иметь значительный износ или отсутствие стружки на шестерне. Вал распределителя должен свободно вращаться без значительного люфта. Если вы обнаружите какую-либо из этих проблем при осмотре распределителя, его следует заменить или, возможно, отремонтировать техническим специалистом YourMechanic.
Часть 3 из 4: Установка распределителя
Необходимые материалы
- Маркер
- Руководство по эксплуатации или руководство по ремонту
- Запасной распределитель
- Набор торцевых головок и трещотка
- Отвертки Starbit (если применимо)
- Набор отверток
- Индикатор времени
Шаг 1: Сопоставьте положение ротора со старым распределителем Когда вы сняли старый распределитель, вы отметите положение, в котором распределитель взаимодействует с двигателем.
Это позволит вам совместить расположение на новом распределителе и упростить выравнивание при установке. Совместите ротор и установочные метки, сделанные на старом распределителе, с новым распределителем.
Попытайтесь совместить ротор с этой меткой, опуская распределитель в блок цилиндров.
Из-за того, что шестерни распределителя и распределительного вала имеют спиральную нарезку (срез под углом), вам необходимо расположить ротор примерно на 30 градусов в одну или другую сторону, поскольку шестерни заставят вал распределителя слегка поворачиваться при включении шестерен. вместе.
- Совет : Возможно, вам придется несколько раз вставлять и вынимать распределитель, чтобы обеспечить правильное выравнивание. После того, как вы добились правильного выравнивания ротора по отметке, которую вы сделали ранее, убедитесь, что распределитель полностью вошел в блок цилиндров. Если распределитель вставлен не полностью, слегка потяните его вверх и переустановите, пока он не встанет на место полностью.

Шаг 2: Установите новый распределитель Совместив метки на двигателе с метками, сделанными на крышке распределителя, закрутите крепежные болты и зажмите (если применимо) на распределителе, оставив винты слегка ослабленными, пока дальнейший шаг.
Шаг 3: Подсоедините провода свечей зажигания Подсоедините провода свечей зажигания к их надлежащему местоположению. Каждый провод свечи зажигания должен быть подключен в правильном порядке зажигания к соответствующему цилиндру. Они должны были быть помечены при снятии старого распределителя.
- Примечание Если ваш распределитель подключается к вакуумной линии, самое время подключить линию к новому распределителю.
Шаг 4: Подсоедините кабель аккумулятора Подсоедините кабель аккумулятора, чтобы восстановить питание автомобиля.
Шаг 5: Запустите двигатель Запустите автомобиль и дайте ему поработать на холостом ходу около минуты.
Автомобиль может не завестись с первого раза. В этом случае сделайте очень маленькую (1/16 дюйма) регулировку ротора и повторите попытку. Если автомобиль по-прежнему не заводится, попробуйте проехать в противоположном направлении или сделайте еще один шаг в том же направлении.
Шаг 6. Отрегулируйте синхронизацию С помощью индикатора синхронизации на первой свече зажигания слегка поверните крышку распределителя до тех пор, пока не будут соблюдены требования производителя автомобиля. Эти характеристики могут быть указаны в руководстве пользователя. Вам может понадобиться доступ к руководству по ремонту, чтобы найти их. Очень важно следовать инструкциям производителя в этой части.
Шаг 7: Затяните крепежные винты С комплектом газораспределения завершите закручивание и затяжку крепежных винтов на распределителе.
Шаг 8: Тест-драйв Проедьте на автомобиле и проверьте, нет ли проблем с управляемостью. Если возникнут какие-либо проблемы, время будет первым местом, с которого можно начать дальнейшие корректировки.
Часть 4 из 4: Проверка опережения зажигания
Необходимый материал
- Индикатор времени
Шаг 1: Проверьте угол опережения зажигания . Вам понадобится индуктивный индикатор синхронизации, чтобы выполнить базовую проверку синхронизации.
В этом инструменте используется индуктивный зажим, который размещается вокруг провода свечи зажигания первого цилиндра. Также будет два электрических соединения (положительное и отрицательное) от индикатора времени, которые необходимо подключить к аккумулятору вашего автомобиля, чтобы свет работал.
Шаг 2: Найдите процедуру хронометража электронной базы . Если в транспортном средстве используется электронный распределитель, вам необходимо найти процедуру электронного базового хронометража для вашего автомобиля.
Иногда указание процедуры можно найти в моторном отсеке вашего автомобиля. В этой процедуре будет описано, как перевести компьютер двигателя автомобиля в базовый режим синхронизации, что позволит вам правильно отрегулировать угол опережения зажигания.
Шаг 3: Попытка запустить двигатель . Если двигатель не запускается, можно слегка сдвинуть распределитель рукой по часовой стрелке или против часовой стрелки и попытаться запустить двигатель.
Вы можете почувствовать, что двигатель пытается запуститься или вообще не хочет запускаться. Продолжайте слегка перемещать распределитель в том направлении, в котором чувствуется, что двигатель хочет запуститься.
Когда двигатель запущен и работает, вы можете начать процедуру измерения времени после того, как автомобиль прогреется до нормальной рабочей температуры.
Шаг 4: Проверьте работу лампы синхронизации . Убедитесь, что вы подключили его к автомобилю и нажимаете курок при работающем двигателе.
Вы заметите, что индикатор быстро мигает. Это нормальная работа, и если он не мигает, вам следует дважды проверить все соединения индикатора времени.
Шаг 5: Обратитесь к сервисной информации . Вам нужно будет проконсультироваться с сервисной информацией, чтобы узнать, какая регулировка времени должна быть для вашего автомобиля.
Много раз его можно было найти на опоре радиатора под капотом. Примером обычной регулировки базовой синхронизации является 10 градусов до ВМТ (до верхней мертвой точки).
Шаг 6: Найдите установочные метки на вашем автомобиле . Обычно они расположены сразу за шкивом коленчатого вала в передней части двигателя или в верхней части картера трансмиссии в задней части двигателя.
Должна быть линия или указатель, прикрепленный или отлитый к блоку двигателя или трансмиссии. Со стороны двигателя на шкиве коленчатого вала или на гидротрансформаторе/маховике трансмиссии будут числа в диапазоне от -15 до 5 с ноль посередине. Эти числа указывают время в градусах замедления (отрицательные числа) или опережения (положительные числа).
Шаг 7: Используйте индикатор синхронизации . Направьте индикатор времени на метки времени и нажмите на спусковой крючок, так как мигающий свет заставляет цифры казаться неподвижными.
Убедитесь, что двигатель работает на холостом ходу и прогрет, и что вы подключили вакуумную магистраль к распределителю (балльная система) или перевели автомобиль в базовый режим синхронизации (электронный распределитель).
Шаг 8: Настройте синхронизацию . Удерживая индикатор времени на этих отметках, медленно перемещайте распределитель так, чтобы линия или указатель соответствовали числу, которое вы хотите установить для своего времени.
Примером может быть указатель на -10, если технические характеристики составляют 10 градусов до ВМТ (до верхней мертвой точки). «До» означает, что искра произойдет до того, как поршень достигнет верхней мертвой точки, на что указывает отрицательное число на установочных метках автомобиля.
Если в технических характеристиках указано 5 градусов ATDC (после верхней мертвой точки), вы должны переместить распределитель вручную до тех пор, пока указатель или линия не укажут 5. Это означает, что искра возникает через 5 градусов после того, как поршень достиг верхней мертвой точки.
Шаг 9: Затяните прижимной болт . Когда вы установите синхронизацию в нужное положение, заглушите двигатель и затяните прижимной болт так, чтобы распределитель не двигался.
Шаг 10: Верните автомобиль в нормальный режим . В зависимости от применения либо переустановите вакуумную линию к распределителю, либо верните автомобиль в режим, управляемый компьютером.
Шаг 11: Дважды проверьте и завершите . Дважды проверьте моторный отсек на наличие инструментов, закройте капот и убедитесь, что он правильно заперт.
Вы только что сняли и заменили распределитель, а также установили угол опережения зажигания!
Теперь, когда распределитель работает должным образом и в правильное время, самое время проверить состояние ваших свечей зажигания, чтобы убедиться, что ваш двигатель работает максимально эффективно. Чтобы завершить настройку, взгляните также на воздушный фильтр. Грязный воздушный фильтр может серьезно повлиять на расход топлива, производительность двигателя и износ двигателя с течением времени.
распределители
система зажигания
синхронизация
Заявления, приведенные выше, предназначены только для информационных целей и требуют независимой проверки.
Пожалуйста, смотрите наш
условия обслуживания
для более подробной информации
Отличные оценки авторемонта.
4.2 Средняя оценка
Часы работы
7:00–21:00
7 дней в неделю
Номер телефона
1 (855) 347-2779
Часы работы телефона
с понедельника по пятницу / с 6:00 до 17:00 по тихоокеанскому стандартному времени
Сб — Вс / 7:00 — 16:00 по тихоокеанскому стандартному времени
Адрес
Мы приедем к вам без дополнительной оплаты
Гарантия
Гарантия 12 месяцев/12 000 миль
Наши сертифицированные выездные механики выполняют более 600 услуг, включая диагностику, тормоза, замену масла, плановые ТО, и приедут к вам со всеми необходимыми запчастями и инструментами.
Получите честное и прозрачное предложение прямо перед бронированием.
Механик со стажем?
Зарабатывайте до
$70/час
Подать заявку
Нужна помощь с вашим автомобилем?
Наши сертифицированные мобильные механики выезжают на дом в более чем 2000 городов США.
Быстрые, бесплатные онлайн-расценки на ремонт вашего автомобиля.
ПОЛУЧИТЬ ЦЕНУ
ПОЛУЧИТЬ ЦЕНУ
Статьи по Теме
Как долго действует триггер зажигания?
Чтобы завести автомобиль, элементы электрической и топливной системы должны работать вместе. Когда ключ поворачивается, катушка зажигания должна выпустить искру, которая…
Как проверить катушку зажигания свечи зажигания
Если вы подозреваете, что в вашем автомобиле неисправна свеча зажигания, проверьте ее с помощью мультиметра, выполнив 7 простых шагов.
Как заменить датчик электронного зажигания
Датчик электронного зажигания является частью распределителя зажигания. Признаки отказа включают прерывистые пропуски зажигания или сразу все отказы.
Похожие вопросы
Автомобиль заглох и теперь не заводится
Условия отсутствия запуска иногда сложно диагностировать из-за множества переменных.
Это особенно актуально в этой ситуации, когда у нас очень мало информации о том, что делает автомобиль, кроме того, что он не заводится. Такие вопросы, как: это…
Задержка перед запуском двигателя.
Здравствуйте, вы имеете в виду задержку «пока» стартер проворачивает двигатель, прежде чем он действительно запустится? Или задержка между поворотом ключа в положение «старт» и запуском стартера? Запаздывание при вращении стартера, но…
Код двигателя, чрезмерная задержка левого берега и тряска двигателя Ford F150 2004 года
Привет! Есть несколько возможных причин слишком запаздывающего распредвала (https://www.yourmechanic .com/article/p0012-obd-ii-trouble-code-camshaft-position-a-timing-over-retarded-bank-1-by-jay-safford). Это может быть вызвано соленоидом VCT, но также причиной может быть неисправный фазовращатель, изношенная направляющая цепи привода ГРМ, растянутая цепь привода ГРМ или просто низкое давление масла.
..
Просмотрите другой контент
Техническое обслуживание
Города
Оценки
Наша команда обслуживания доступна 7 дней в неделю, с понедельника по пятницу с 6:00 до 17:00 по тихоокеанскому времени, с субботы по воскресенье с 7:00 до 16:00 по тихоокеанскому стандартному времени.
1 (855) 347-2779 · [email protected]
Читать часто задаваемые вопросы
ЗАПРОСИТЬ ЦЕНУ
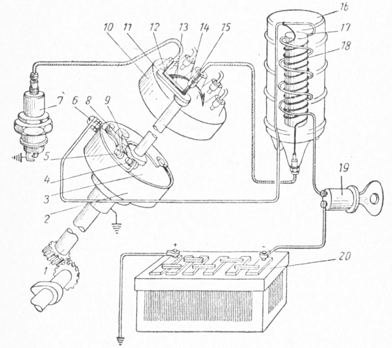
Система зажигания ЗИЛ-131
Двигатель оборудован экранированной, герметичной аккумуляторной системой зажигания, состоящей из катушки зажигания Б 102-Б, распределителя зажигания Р102, свечей зажигания Ч407 и высоковольтных проводов в экранирующих шлангах и коллекторах, а также замок зажигания
Дополнительное сопротивление SE102 включено последовательно с катушкой, которая автоматически закорачивается при пуске для компенсации падения напряжения аккумуляторной батареи, связанного с включением стартера.
Дополнительное сопротивление не герметизировано, поэтому крепится выше уровня брода.
Распределитель Р102 герметичный, экранированный, восьмиискровой, с центробежным регулятором опережения зажигания.
Для плавной регулировки угла опережения зажигания в зависимости от вида используемого топлива применяется октан-корректор, состоящий из двух пластин, одна из которых крепится болтами к корпусу распределителя, а вторая — к корпусу привода (на цилиндрический блок).
Вращением регулировочных гаек октан-корректора достигается взаимное перемещение пластин и, соответственно, поворот корпуса распределителя.
Для обеспечения доступа к высоковольтным розеткам на крышке распределителя крышка защитного колпачка выполнена съемной и крепится тремя болтами.
Для доступа к прерывателю снимается вся защитная крышка, которая, в свою очередь, также крепится тремя болтами к корпусу распределителя.
При разборке экрана обратите особое внимание на сохранность прокладок.
Вводы проводов низкого и высокого напряжения от катушки зажигания уплотнены резиновыми кольцами для уплотнения штуцера корпуса распределителя, на нем сделан паз, в который уложено уплотнительное резиновое кольцо.
Распределитель герметичный, так как предназначен для работы под водой (при преодолении брода).
Во избежание ускоренного обгорания контактов прерывателя, повреждения высоковольтных пластмассовых деталей и коррозии внутренних металлических деталей под воздействием озона, образующегося в результате искрения при работе распределителя, его внутреннюю полость принудительно вентилируют ; для этого в корпусе распределителя предусмотрены два отверстия с конической резьбой для подсоединения штуцеров гибких вентиляционных шлангов.
Распределитель вентилируется фильтрованным воздухом.
Работа распределителя с приглушенной вентиляцией не допускается.
Центробежный регулятор опережения зажигания имеет следующую характеристику:
Число оборотов ролика в минуту | 400 | 800 | 1200 | 1600 |
|---|---|---|---|---|
Угол опережения вдоль вала распределителя в градусах | 0,5–9,5 | 11,5–14,5 | 16–19 | 16–19 |
— При скорости вращения распределительного валика ниже 400 об/мин характеристика регулятора не регулируется.
Для снижения уровня радиопомех от системы зажигания в крышке распределителя установлен комбинированный контактный уголь с омическим сопротивлением от 8000 до 13000 Ом.
Емкость конденсатора распределителя должна быть в пределах 0,27-0,35 мкФ.
Катушка зажигания Б102-Б герметичная, экранированная, крепится к щиту кабины над распределителем.
Катушка имеет две низковольтные клеммы, одна из которых ВК подключена через добавочное сопротивление СЭ102 к короткозамыкающей клемме замка зажигания, вторая Р используется для подключения катушки к распределителю.
Свечи зажигания SNZ07 экранированные, герметичные, имеют резьбу М14 Х 1,25 на резьбовой части корпуса и резьбу в верхней части экрана М18Х 1 (под накидную гайку шланга). В комплект свечи входят:
уплотнительная резиновая втулка 1, уплотняющая ввод провода в свечу зажигания, керамическая изолирующая втулка 2 экрана и встроенная в нее керамическая вставка 3 с демпфирующим сопротивлением от 1000 до 7000 Ом.
Этот резистор предназначен для снижения уровня радиопомех от системы зажигания и уменьшения выгорания электродов свечей зажигания.
Контакт проволоки с электродом вставки осуществляется с помощью контактного устройства КУ-20А или КУ-20Э.
Как показано на рисунке, на конец высоковольтного провода, выходящего из экранирующего шланга, надевается резиновая уплотнительная заглушка, после чего провод вводится в контактное устройство.
Жила провода, оголенная на длине 8 мм, вставляется в отверстие втулки, развальцовывается в дне керамического стакана контактного устройства и распушивается так, чтобы контактное устройство зажималось на проводе .
Зазор между электродами свечи должен быть в пределах 0,5-0,6 мм.
Свеча является одним из самых ответственных узлов системы зажигания, так как от ее состояния во многом зависит надежность всей системы.
При образовании нагара на вилке создается утечка тока, что приводит к снижению вторичного напряжения.
Обгорание электродов вызывает увеличение пробивного напряжения искрового промежутка свечи.
Напряжение пробоя в некоторых случаях может даже превышать максимальное напряжение, развиваемое системой зажигания, что приводит к пропуску зажигания.
При наличии перебоев в розжиге в первую очередь нужно проверить зазор между электродами и при необходимости отрегулировать его.
Провода высоковольтные марки ПВС-7 имеют двухслойную изоляцию и сердечник из семи нержавеющих проволок.
Провода заключены в экранирующие герметичные рукава типа РГ внутренним диаметром 8 мм на участке от свечей до сборных коллекторов и внутренним диаметром 25 мм от коллекторов до распределителя.
Для уменьшения длины высоковольтного провода от катушки до распределителя на экране распределителя установлен экранирующий уголок.
Все отдельные соединения шлангов уплотнены резиновыми манжетами, а соединения шлангов большого диаметра уплотнены коническими алюминиевыми кольцами.
Контакт высоковольтных проводов с центральными электродами свечей осуществляется с помощью контактных устройств.
Выключатель комбинированный зажигания и стартера ВК21-Э предназначен для включения и выключения цепей зажигания и стартера. Он установлен на лобовом щите кабины.
Переключатель имеет три положения, два из которых фиксированные. В положении 0 все выключено, ключ свободно вставляется в замок и вынимается из него.
Положение I — клемма К3 (зажигание) включается поворотом ключа по часовой стрелке (см. схему).
Положение II включает клеммы К3 (зажигание) и СТ (стартер) поворотом ключа по часовой стрелке. Положение II не фиксируется, возврат в положение I осуществляется пружиной после снятия усилия с ключа.
Уход за системой зажигания
Уход за катушкой зажигания, распределителем и проводами.
Соединители концевые низковольтные предназначены для проводов марки ПГВАЭ сечением 1,5 мм² (ГОСТ 9751-61) с экранирующей оплеткой.
При сборке штекерного разъема жилу провода ПГВАЭ необходимо зачистить на длину 17 мм, собрать с частями разъема таким образом, чтобы все провода жилы вошли во втулку, вытянуть жилу до упора изоляцию провода в контактную втулку, отделить концы жилы и припаять их припоем ПОС-30 или ПОС-40 к контактной втулке без применения кислоты и без сильного нагрева во избежание повреждения изоляционной втулки и провода изоляция.
Припой должен выступать над торцом контактной втулки не более чем на 0,5 мм и должен обеспечивать герметичность запаянного отверстия контактной втулки.
При заполнении торцов экрана он не должен быть перетянут; для его закрепления экранирующую оплетку провода необходимо поместить между шайбами разъема, а выступы на одной из шайб загнуть на другую шайбу, затем закрепить экран на втулке штекерного разъема с зажим.
После завершения монтажа всех проводов и системы вентиляции проверьте и убедитесь, что все гайки низковольтных клемм и вентиляционной арматуры, а также болтовые соединения распределителя затянуты до упора.
При затяжке стяжных болтов, крепящих крышку экрана и экран, не перетягивайте их, так как герметизация стыков крышки с экраном и экрана с корпусом конструктивно надежно обеспечивается резиновыми уплотнительными кольцами при конце металлические поверхности соприкасаются в местах герметизации;
Дальнейшая затяжка болтов не улучшает герметичность, а лишь неизбежно приведет к срыву резьбы или отрыву головки болта; также при заворачивании низковольтных контактов разъемов высоковольтных клемм не следует их перетягивать; герметичность в клеммах и разъемах обеспечивается резиновыми уплотнительными кольцами при завинчивании гаек до упора.
При заполнении штекерных разъемов необходимо следить за правильностью подключения выводов катушки зажигания в соответствии с маркировкой клемм (ВК и П).
Если установка производится при включенном зажигании, то подключать провода к разъему ВК нужно в последнюю очередь.
При затяжке гаек низковольтных разъемов удерживать экранирующую оплетку за хомут, не допуская ее перекручивания.
В процессе эксплуатации необходимо поддерживать контакты прерывателя в исправном состоянии (т. е. содержать их в чистоте и регулировке).
Необходимо следить за смазкой трущихся деталей; чрезмерная смазка распределителя вредна, так как может привести к быстрому износу контактов прерывателя при попадании на них масла и выходу из строя распределителя.
Необходимо следить за чистотой распределителя и его частей, особенно изолирующих частей (крышка, бегунок, клеммы и т.п.).
После каждой, даже частичной разборки распределителя необходимо обеспечить его герметичность путем правильной укладки резиновых уплотнительных колец и затяжки креплений соединений экран-корпус, крышки экрана-экрана, гаек крепления высоковольтную арматуру и низковольтный штекерный разъем до упора, контроль за своевременной заменой изношенных резиновых уплотнительных колец на новые (прикреплены к распределителю), а также затяжку штуцеров вентиляционных патрубков впуска и выпуска воздуха до упора, не затягивая при этом гайки и болтовые соединения.
Необходимо следить за надежностью соединения высоковольтных проводов с клеммами крышки и катушки распределителя, а также проводов с контактами разъема.
Необходимо следить за надежностью всех соединений экранирующих деталей на двигателе. Необходимо предохранить пластиковые детали от поломки (крышки бегунок и угольки в крышке трамблера).
Необходимо следить за тем, чтобы топливо и масло из двигателя не попадали в трамблер.
Необходимо следить за герметичностью всей системы зажигания, следя за затяжкой накидных гаек шлангов высоковольтных проводов, разъемов и деталей экрана.
Катушка зажигания должна быть защищена от механических повреждений.
Для ТО-2 необходимо:
- 1. Закрутить крышку масленки на один оборот для подачи смазки на ролик-распределитель.
- 2. Протрите пластиковую крышку распределителя чистой, сухой или пропитанной бензином тканью.
- 3. Осмотрите кулачок и, если он загрязнен, протрите его тряпкой, смоченной в бензине.

- 4. Смажьте ось рычага измельчителя одной каплей масла, используемого для смазки двигателя, двумя-тремя каплями этой же смазки втулку кулачка (предварительно сняв ползунок и сальник под ней), кулачковый фильтр пропитан специальной смазкой, и добавлять ее не требуется.
- 5. После смазки убедитесь, что рычаг на оси не заедает; для этого нажмите на рычаг пальцами и отпустите его. Отпущенный рычаг должен быстро вернуться (под действием пружины) и контакты должны сомкнуться со щелчком.
Если контакты не замыкаются или рычаг движется медленно, необходимо устранить заедание в условиях ремонтной мастерской и отрегулировать натяжение пружины прерывателя в пределах 500-650 г, сняв рычаг и осторожно подогнув пружину в том или ином направлении.
- 6. Проверить чистоту контактов прерывателя: при необходимости удалить грязь и масло с контактов, протерев контакты замшей, смоченной в чистом бензине, затем потянув за рычаг, дать бензину испариться и протереть контакты чистой, сухая замша.

Вместо замши можно использовать любой материал, не оставляющий волокон на контактах, а вместо бензина для протирки контактов можно использовать спирт.
- 7. Проверить состояние рабочей поверхности контактов, и только в случае большого перехода металла с одного контакта на другой, и если образовавшийся бугорок на контакте не дает возможности измерить зазор между контактами , очистите их.
Очистите контакты тонкой (около 1 мм) абразивной пластиной или мелкой наждачной бумагой для стекла. Запрещается использовать для очистки контактов наждачную бумагу, надфиль и другие средства, кроме указанных выше.
При возникновении перебоев в работе двигателя ни в коем случае нельзя зачищать контакты прерывателя, если предварительно не установлено, что прерывания вызваны прерывателем.
При зачистке контактов удалите выступ на одном из них. Контакты не следует чистить до полного устранения (углубления) кратера на другом контакте. После зачистки промойте контакты, высушите их, как описано выше, и отрегулируйте зазор между ними.
При зачистке контактов необходимо срезать их плоскости, выдерживая необходимую параллельность, чтобы при работе контакты соприкасались друг с другом всей плоскостью (без зазора между ними)
При каждом снятии распределителя с автомобиля необходимо проверять настройку зажигания.
- 8. Заезд и регистрация; при необходимости отрегулируйте зазор между контактами. Зазор между контактами должен быть в пределах 0,3-0,4 мм.
Регулировать зазор необходимо в следующем порядке:
- а) вращать распределительный валик до тех пор, пока выступ кулачка не прижмет площадку рычага так, чтобы между контактами установился наибольший зазор; ослабить винт крепления неподвижной контактной стойки и повернуть эксцентрик (расположенный на вилке стойки) с помощью отвертки так, чтобы щуп толщиной 0,4 мм плотно вошел в зазор между контактами в) затянуть винт крепления неподвижной контактной стойки и снова проверьте зазор щупом; щуп должен быть чистым; его следует протереть бензином перед использованием.

- 9. При необходимости (в случае полного износа контактов) допускается замена рычага прерывателя и контактной стойки один раз в течение всего гарантийного срока распределителя, комплект которых входит в ЗИП.
При замене рычага используйте ключ, поставляемый с распределителем.
10. Проверить состояние резиновых уплотнительных колец, при необходимости заменить.
За весь гарантийный срок допускается двукратная замена уплотнительных колец, два комплекта которых прилагаются к автомобилю.
Установка высоковольтного провода в гнездо крышки катушки зажигания. Правильная установка высоковольтного провода в гнездо крышки катушки зажигания имеет важное значение для работы системы зажигания.
В случае длительной работы двигателя с не полностью вставленным проводом в гнездо катушки возникает искрение между наконечником провода и высоковольтной клеммой, заделанной в пластмассовую крышку.
В результате может сгореть пластик в розетке, снизиться электрическая прочность пластика и даже катушка зажигания может не работать.
Ниже описана процедура проверки установки высоковольтного провода в гнездо крышки катушки зажигания:
- 1. Измерьте длину провода от конца наконечника до конца накидной гайки шланга. , прижатый к наконечнику провода. Эта длина должна быть 70-75 мм.
- 2. Осмотрите конец провода с наконечником. Удалите остатки припоя на наконечнике, которые мешают вставить наконечник в гнездо.
- 3. Проверить наличие двух уплотнительных резиновых колец на проводе, ввести провод до упора в гнездо крышки катушки зажигания, затянуть штуцер и накидную гайку экранирующего шланга.
Если длина провода от конца наконечника до конца накидной гайки шланга, прижатого к наконечнику, меньше 70 мм, провод необходимо переустановить. для этого необходимо:
1. Снимите крышку экрана трамблера, выньте провод из центрального гнезда крышки трамблера и, открутив штуцер и накидную гайку шланга, вытащите провод из экрана распределителя .
- 2.
Надеть уплотнительные резиновые кольца на провод, осторожно протянуть провод в экранирующем шланге в сторону выхода на катушку зажигания и установить первое резиновое кольцо 2 от конца провода на расстоянии 50 мм. - 3. Вставьте провод 1 в гнездо катушки зажигания. Провод должен входить в розетку до упора: конец провода должен защелкнуться в пазе клеммы высоковольтной катушки.
Удерживая провод рукой, вставьте фитинг 3 и затяните. Затем переместите второе уплотнительное кольцо 4 на штуцер, затяните накидную гайку 5.
- 4. Другой конец экранирующего шланга 6 подсоедините к высоковольтному выводу распределительного щита и вставьте провод в центральное гнездо распределительного щита. крышку распределителя до упора.
- 5. Установите крышку экрана, затяните болты и накидные гайки шланга экрана.
Уход за свечами зажигания. При повторении ТО-1 свечи необходимо вывернуть и проверить их состояние.
1. Проверить зазор между электродами проволочным щупом.
Использование плоских щупов недопустимо, так как при плоском щупе измерение дает неверный результат (измеренный зазор меньше фактического).
Если искровой промежуток больше 0,6 мм, его необходимо отрегулировать только подгибанием бокового электрода.
При изгибе центрального электрода происходит разрушение юбки изолятора свечи зажигания.
Перед регулировкой зазора электроды желательно слегка подпилить надфилем для получения кромок, так как при наличии тупых кромок значительно возрастает напряжение, необходимое для пробоя разрядника.
Зазор должен быть отрегулирован в пределах 0,5-0,6 мм. При эксплуатации зимой целесообразно устанавливать зазор 0,5 мм.
- 2. Если изолятор свечи покрылся нагаром и копотью, то свечу необходимо очистить на специальном свечном очистителе.
- 3. Съемные части свечи (керамическая изолирующая втулка экрана и вкладыш) необходимо протереть чистой ветошью, смоченной в бензине.
- 4. Если резиновая уплотнительная втулка сильно деформировалась или потеряла эластичность, следует установить новую втулку, входящую в состав запасных частей (допускается замена втулки один раз в течение гарантийного срока свечи зажигания).

- 5. При завинчивании и вывинчивании свечи используйте только свечной ключ.
Если при откручивании накидной гайки шланга от свечи при прогретом двигателе сама свеча выворачивается из головки, то не следует пытаться удерживать ее пассатижами у экрана.
Свечу лучше выкрутить и потом, придерживая свечным ключом за шестигранник корпуса, открутить гайку.
Момент затяжки накидной гайки шланга должен быть не более 2,5 кгм, момент затяжки свечи должен быть не более 3,5 кгм.
- 6. При установке свечи зажигания на двигатель необходимо проверить наличие и состояние уплотнительного кольца.
При нормальной работе свечей зажигания на двигателе юбка изолятора должна быть коричневой. Светло-желтый (почти белый) цвет изолятора свидетельствует о значительном перегреве свечи.
Тепловые характеристики свечи зажигания СНЗ07 полностью соответствуют условиям эксплуатации данной свечи зажигания на двигателе во всех режимах Нормальной работы последнего.
В частности, свеча зажигания не создает калильное зажигание при длительной работе двигателя при полностью открытой дроссельной заслонке.
Явление так называемого «выбега» двигателя, то есть работа двигателя после выключения зажигания, часто принимаемое за калильное зажигание, обычно не имеет ничего общего с аномальным перегревом свечи свечей зажигания и полностью устраняется, если дать прогретому двигателю поработать непродолжительное время перед выключением зажигания. на холостом ходу.
Значительное «биение» указывает на наличие большого количества нагара в головке блока.
Не следует допускать длительной работы на холостом ходу с малой частотой вращения коленчатого вала и длительного движения автомобиля на малой скорости на пятой передаче, так как в этом случае юбка изолятора свечи зажигания покрывается нагаром, возникают перебои в работе свечи зажигания ( при последующих пусках холодного двигателя) и загрязненная поверхность изолятора смачивается топливом.


Данный тип СЗ является устаревшим, однако, он используется на большей части машин. В такой системе принцип действия заключается в выдаче определенного импульса, формирующегося в трамблере — распределительном устройстве. Контактная система считается одной из самых простых в плане устройства, что является преимуществом, поскольку при появлении неисправностей автовладелец сможет самостоятельно проверить и отремонтировать систему. Кроме того, цены на конструктивные детали контактной системы обычно доступные, что не может не радовать. В состав контактной СЗ входят катушка, распределительное устройство, прерыватель, конденсатор и свечи.
В конечном счете, если силовой агрегат УАЗа будет настроен правильно, то при использовании бесконтактной системы вы можете не только увеличить его мощность, но и добиться экономии топлива, хоть и незначительной. Также такие системы более просты в обслуживании. Одним из основных нюансов в плане обслуживания является необходимость периодической смазки привода распределителя — не реже, чем каждые 10 тысяч км пробега. Из основных недостатков следует выделить трудность ремонта. На практике произвести ремонт бесконтактной СЗ будет проблематично, так как для диагностики системы понадобится оборудование, которое обычно имеется на СТО.
Кроме того, в электронной системе нет контактов, которые подвержены окислению. Также следует отметить, что на практике горючая смесь в цилиндрах силового агрегата с электронной системой почти всегда сгорает полностью. Но несмотря на все преимущества, электронные СЗ имеют и свои недостатки, которые касаются ремонта устройства. Отремонтировать такую СЗ своими руками практически невозможно, так как для выполнения этой задачи, опять же, потребуется оборудование (видео опубликовал Наиль Порошин).
При этом нужно добиться того, чтобы отверстие на шкиве коленвала совпадало с риской, отмеченной на крышке распределительных шестеренок.
После этого саму пластину надо закрепить к корпусу, используя соответствующий болт.
В случае, если детонация слишком долгая, то потребуется еще отрегулировать систему. Для этого корпус распределительного механизма нужно будет повернуть на одно деление или наполовину, при этом проворачивать его надо против часовой стрелки. Если же диагностика показала, что стука «пальчиков» вовсе нет, то угол опережения следует увеличить. Для этого механизм следует повернуть в обратную сторону.

Для этого используют ключ на десять. А для демонтажа низковольтного провода – ключ на семь.









Надеть уплотнительные резиновые кольца на провод, осторожно протянуть провод в экранирующем шланге в сторону выхода на катушку зажигания и установить первое резиновое кольцо 2 от конца провода на расстоянии 50 мм.