Π Π°Π±ΠΎΡΠ°Ρ ΡΠΎΡΠΌΠΎΠ·Π½Π°Ρ ΡΠΈΡΡΠ΅ΠΌΠ° Π°Π²ΡΠΎΠΌΠΎΠ±ΠΈΠ»Ρ Β«Π£ΡΠ°Π»-375ΠΒ»
ΠΠ°ΡΠ΅Π³ΠΎΡΠΈΡ:
Β Β Β Π£ΡΡΡΠΎΠΉΡΡΠ²ΠΎ Π°Π²ΡΠΎΠΌΠΎΠ±ΠΈΠ»Ρ
ΠΡΠ±Π»ΠΈΠΊΠ°ΡΠΈΡ:
Β Β Β Π Π°Π±ΠΎΡΠ°Ρ ΡΠΎΡΠΌΠΎΠ·Π½Π°Ρ ΡΠΈΡΡΠ΅ΠΌΠ° Π°Π²ΡΠΎΠΌΠΎΠ±ΠΈΠ»Ρ Β«Π£ΡΠ°Π»-375ΠΒ»
Π§ΠΈΡΠ°ΡΡ Π΄Π°Π»Π΅Π΅:
Π Π°Π±ΠΎΡΠ°Ρ ΡΠΎΡΠΌΠΎΠ·Π½Π°Ρ ΡΠΈΡΡΠ΅ΠΌΠ° Π°Π²ΡΠΎΠΌΠΎΠ±ΠΈΠ»Ρ Β«Π£ΡΠ°Π»-375ΠΒ»
ΠΠ²ΡΠΎΠΌΠΎΠ±ΠΈΠ»Ρ Β«Π£ΡΠ°Π»-375ΠΒ» ΠΈΠΌΠ΅Π΅Ρ ΡΠ°Π±ΠΎΡΡΡ ΡΠΎΡΠΌΠΎΠ·Π½ΡΡ ΡΠΈΡΡΠ΅ΠΌΡ Ρ ΡΠ΅ΡΡΡΡ ΡΠΎΡΠΌΠΎΠ·Π½ΡΠΌΠΈ ΠΌΠ΅Ρ Π°Π½ΠΈΠ·ΠΌΠ°ΠΌΠΈ ΠΈ ΠΏΠ½Π΅Π²ΠΌΠΎΠ³ΠΈΠ΄ΡΠ°Π²Π»ΠΈΡΠ΅ΡΠΊΠΈΠΌ ΠΏΡΠΈΠ²ΠΎΠ΄ΠΎΠΌ.
Π’ΠΎΡΠΌΠΎΠ·Π½ΡΠ΅ ΠΌΠ΅Ρ Π°Π½ΠΈΠ·ΠΌΡ ΠΊΠΎΠ»ΠΎΠ΄ΠΎΡΠ½ΡΠ΅, Π±Π°ΡΠ°Π±Π°Π½Π½ΡΠ΅, Π²Π·Π°ΠΈΠΌΠΎΠ·Π°ΠΌΠ΅Π½ΡΠ΅ΠΌΡΠ΅ Π΄Π»Ρ Π²ΡΠ΅Ρ ΠΊΠΎΠ»Π΅Ρ; ΠΏΠΎ ΡΡΡΡΠΎΠΉΡΡΠ²Ρ Π°Π½Π°Π»ΠΎΠ³ΠΈΡΠ½Ρ Π·Π°Π΄Π½ΠΈΠΌ ΡΠΎΡΠΌΠΎΠ·Π½ΡΠΌ ΠΌΠ΅Ρ Π°Π½ΠΈΠ·ΠΌΠ°ΠΌ Π°Π²ΡΠΎΠΌΠΎΠ±ΠΈΠ»Ρ ΠΠΠ-66. ΠΠΎΠ»ΠΎΠ΄ΠΊΠΈ ΡΡΠ³ΡΠ½Π½ΡΠ΅, Π»ΠΈΡΡΠ΅, ΡΡΡΠ°Π½Π°Π²Π»ΠΈΠ²Π°ΡΡΡΡ Π½Π° ΠΎΡΡΡ Ρ ΡΠΊΡΡΠ΅Π½ΡΡΠΈΠΊΠΎΠ²ΡΠΌΠΈ ΡΠ΅ΠΉΠΊΠ°ΠΌΠΈ. Π ΠΎΡΠ²Π΅ΡΡΡΠΈΡ ΠΊΠΎΠ»ΠΎΠ΄ΠΎΠΊ Π·Π°ΠΏΡΠ΅ΡΡΠΎΠ²Π°Π½Ρ Π±ΡΠΎΠ½Π·ΠΎΠ²ΡΠ΅ Π²ΡΡΠ»ΠΊΠΈ. ΠΠΎΠ»Π΅ΡΠ½ΡΠΉ ΡΠΈΠ»ΠΈΠ½Π΄Ρ ΡΠ΄Π²ΠΎΠ΅Π½Π½ΡΠΉ; Π² ΠΊΠΎΡΠΏΡΡΠ΅ ΡΠΈΠ»ΠΈΠ½Π΄ΡΠ° Π²ΡΠΏΠΎΠ»Π½Π΅Π½ΠΎ Π΄Π²Π° ΠΎΡΠ²Π΅ΡΡΡΠΈΡ, Π² ΠΊΠΎΡΠΎΡΡΡ ΡΠ°Π·ΠΌΠ΅ΡΠ°ΡΡΡΡ ΠΏΠΎ Π΄Π²Π° ΠΏΠΎΡΡΠ½Ρ Ρ ΡΠ΅Π·ΠΈΠ½ΠΎΠ²ΡΠΌΠΈ ΠΌΠ°Π½ΠΆΠ΅ΡΠ°ΠΌΠΈ ΠΈ ΠΏΡΡΠΆΠΈΠ½Π°ΠΌΠΈ, ΠΎΡΠ²Π΅ΡΡΡΠΈΡ Π·Π°ΠΊΡΡΠ²Π°ΡΡΡΡ ΡΠ΅ΡΡΡΡΠΌΡ ΡΠ΅Π·ΠΈΠ½ΠΎΠ²ΡΠΌΠΈ ΠΊΠΎΠ»ΠΏΠ°ΠΊΠ°ΠΌΠΈ.
Π§Π°ΡΡΠΈΡΠ½Π°Ρ ΡΠ΅Π³ΡΠ»ΠΈΡΠΎΠ²ΠΊΠ° ΡΠΎΡΠΌΠΎΠ·Π° ΠΎΡΡΡΠ΅ΡΡΠ²Π»ΡΠ΅ΡΡΡ ΠΏΡΠΈ ΠΏΠΎΠΌΠΎΡΠΈ ΡΠΊΡΡΠ΅Π½ΡΡΠΈΠΊΠΎΠ².
Π Π΅ΠΊΠ»Π°ΠΌΠ½ΡΠ΅ ΠΏΡΠ΅Π΄Π»ΠΎΠΆΠ΅Π½ΠΈΡ Π½Π° ΠΎΡΠ½ΠΎΠ²Π΅ Π²Π°ΡΠΈΡ ΠΈΠ½ΡΠ΅ΡΠ΅ΡΠΎΠ²:
ΠΠΎΠ»Π½Π°Ρ ΡΠ΅Π³ΡΠ»ΠΈΡΠΎΠ²ΠΊΠ° ΠΏΡΠΎΠΈΠ·Π²ΠΎΠ΄ΠΈΡΡΡ ΡΠΊΡΡΠ΅Π½ΡΡΠΈΠΊΠΎΠ²ΡΠΌΠΈ ΠΎΡΡΠΌΠΈ ΠΊΠΎΠ»ΠΎΠ΄ΠΎΠΊ ΠΈ ΡΠ΅Π³ΡΠ»ΠΈΡΠΎΠ²ΠΎΡΠ½ΡΠΌΠΈ ΡΠΊΡΡΠ΅Π½ΡΡΠΈΠΊΠ°ΠΌΠΈ. ΠΡΠ°Π²ΠΈΠ»ΡΠ½ΠΎΡΡΡ ΡΠ΅Π³ΡΠ»ΠΈΡΠΎΠ²ΠΊΠΈ ΠΏΡΠΎΠ²Π΅ΡΡΡΡ ΠΈΠ·ΠΌΠ΅ΡΠ΅Π½ΠΈΠ΅ΠΌ ΡΡΠΏΠΎΠΌ Π·Π°Π·ΠΎΡΠ° ΠΌΠ΅ΠΆΠ΄Ρ ΠΊΠΎΠ»ΠΎΠ΄ΠΊΠ°ΠΌΠΈ ΠΈ Π±Π°ΡΠ°Π±Π°Π½ΠΎΠΌ. ΠΠ° ΡΠ°ΡΡΡΠΎΡΠ½ΠΈΠΈ 30 ΠΌΠΌ ΠΎΡ ΠΊΡΠ°Ρ Π½Π°ΠΊΠ»Π°Π΄ΠΊΠΈ Π·Π°Π·ΠΎΡ Π΄ΠΎΠ»ΠΆΠ΅Π½ Π±ΡΡΡ Π² Π²Π΅ΡΡ Π½Π΅ΠΉ ΡΠ°ΡΡΠΈ 0,35 ΠΌΠΌ, Π²Π½ΠΈΠ·Ρ β 0,2 ΠΌΠΌ. ΠΡΠΎΠ²Π΅ΡΠΊΠ° ΠΎΡΡΡΠ΅ΡΡΠ²Π»ΡΠ΅ΡΡΡ ΡΠ΅ΡΠ΅Π· Π»ΡΠΊ Π² ΡΠΎΡΠΌΠΎΠ·Π½ΠΎΠΌ Π±Π°ΡΠ°Π±Π°Π½Π΅ ΠΏΡΠΈ ΡΠ½ΡΡΠΎΠΌ ΠΊΠΎΠ»Π΅ΡΠ΅.
ΠΡΠΈΠ²ΠΎΠ΄ ΡΠ°Π±ΠΎΡΠ΅ΠΉ ΡΠΎΡΠΌΠΎΠ·Π½ΠΎΠΉ ΡΠΈΡΡΠ΅ΠΌΡ ΡΠΎΡΡΠΎΠΈΡ ΠΈΠ· ΠΏΠ½Π΅Π²ΠΌΠ°ΡΠΈΡΠ΅ΡΠΊΠΎΠ³ΠΎ ΠΈ Π³ΠΈΠ΄ΡΠ°Π²Π»ΠΈΡΠ΅ΡΠΊΠΎΠ³ΠΎ ΠΎΠ±ΠΎΡΡΠ΄ΠΎΠ²Π°Π½ΠΈΡ.
Π ΠΏΠ½Π΅Π²ΠΌΠ°ΡΠΈΡΠ΅ΡΠΊΠΎΠΌΡ ΠΎΠ±ΠΎΡΡΠ΄ΠΎΠ²Π°Π½ΠΈΡ ΠΎΡΠ½ΠΎΡΡΡΡΡ: ΠΊΠΎΠΌΠΏΡΠ΅ΡΡΠΎΡ, ΡΠ΅Π³ΡΠ»ΡΡΠΎΡ Π΄Π°Π²Π»Π΅Π½ΠΈΡ, Π΄Π²Π° Π²ΠΎΠ·Π΄ΡΡΠ½ΡΡ
Π±Π°Π»Π»ΠΎΠ½Π°, ΡΠΎΡΠΌΠΎΠ·Π½ΠΎΠΉ ΠΊΡΠ°Π½, ΠΏΡΠ΅Π΄ΠΎΡ
ΡΠ°Π½ΠΈΡΠ΅Π»ΡΠ½ΡΠΉ ΠΊΠ»Π°ΠΏΠ°Π½, Π±Π»ΠΎΠΊ ΡΠ°Π·Π±ΠΎΡΠ° Π²ΠΎΠ·Π΄ΡΡ
Π°, ΡΠΎΠ΅Π΄ΠΈΠ½ΠΈΡΠ΅Π»ΡΠ½Π°Ρ Π³ΠΎΠ»ΠΎΠ²ΠΊΠ°, ΡΠ°Π·ΠΎΠ±ΡΠΈΡΠ΅Π»ΡΠ½ΡΠΉ ΠΊΡΠ°Π½, Π±ΡΠΊΡΠΈΡΠ½ΡΠΉ ΠΊΠ»Π°ΠΏΠ°Π½, Π΄Π²Π° ΠΏΠ½Π΅Π²ΠΌΠ°ΡΠΈΡΠ΅ΡΠΊΠΈΡ
ΡΠΈΠ»ΠΎΠ²ΡΡ
Π¦ΠΈΠ»ΠΈΠ½Π΄ΡΠ°, ΡΡΡΠ±ΠΎΠΏΡΠΎΠ²ΠΎΠ΄Ρ ΠΈ ΡΠ»Π°Π½Π³ΠΈ.
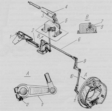
Π ΠΈΡ. 1. Π’ΠΎΡΠΌΠΎΠ·Π½ΠΎΠΉ ΠΌΠ΅Ρ
Π°Π½ΠΈΠ·ΠΌ Π°Π²ΡΠΎΠΌΠΎΠ±ΠΈΠ»Ρ Β«Π£ΡΠ°Π»-375ΠΒ»:
1 β ΡΡΡΠΆΠ½Π°Ρ ΠΏΡΡΠΆΠΈΠ½Π°; 2 β ΠΊΠΎΡΠΏΡΡ ΠΊΠΎΠ»Π΅ΡΠ½ΡΡ
ΡΠΈΠ»ΠΈΠ½Π΄ΡΠΎΠ²; 3β ΡΠΎΡΠΌΠΎΠ·Π½Π°Ρ ΠΊΠΎΠ»ΠΎΠ΄ΠΊΠ°; 4 β ΡΡΠΈΠΊΡΠΈΠΎΠ½Π½Π°Ρ Π½Π°ΠΊΠ»Π°Π΄ΠΊΠ°; 5 β ΠΏΠ΅ΡΠ΅ΠΏΡΡΠΊΠ½ΠΎΠΉ ΠΊΠ»Π°ΠΏΠ°Π½; 6 β ΠΏΡΠΎΠ±ΠΊΠ°; 7 β ΡΠ΅Π³ΡΠ»ΠΈΡΠΎΠ²ΠΎΡΠ½ΡΠΉ ΡΠΊΡΡΠ΅Π½ΡΡΠΈΠΊ; 8 β Π²ΡΡΠ»ΠΊΠ°; 9 β ΠΎΠΏΠΎΡΠ½ΡΠΉ ΠΏΠ°Π»Π΅Ρ; 10 β ΠΎΠΏΠΎΡΠ½ΡΠΉ Π΄ΠΈΡΠΊ
Π ΠΈΡ. 2. Π‘Ρ
Π΅ΠΌΠ° ΠΏΠ½Π΅Π²ΠΌΠΎΠ³ΠΈΠ΄ΡΠ°Π²Π»ΠΈΡΠ΅ΡΠΊΠΎΠ³ΠΎ ΠΏΡΠΈΠ²ΠΎΠ΄Π° ΡΠ°Π±ΠΎΡΠ΅ΠΉ ΡΠΎΡΠΌΠΎΠ·Π½ΠΎΠΉ ΡΠΈΡΡΠ΅ΠΌΡ Π°Π²ΡΠΎΠΌΠΎΠ±ΠΈΠ»Ρ Β«Π£ΡΠ°Π»-375ΠΒ»:
1 β ΠΊΠΎΠΌΠΏΡΠ΅ΡΡΠΎΡ; 2 β Π±Π»ΠΎΠΊ (ΠΊΡΠ΅ΡΡΠΎΠ²ΠΈΠ½Π°) ΡΠ°Π·Π±ΠΎΡΠ° Π²ΠΎΠ·Π΄ΡΡ
Π°; 3 β ΠΊΡΠ°Π½ ΠΎΡΠ±ΠΎΡΠ° Π²ΠΎΠ·Π΄ΡΡ
Π°; 4 β ΡΠΎΡΠΌΠΎΠ·Π½ΠΎΠΉ ΠΊΡΠ°Π½; 5 β ΠΌΠ΅ΠΆΠ±Π°Π»ΠΎΠ½Π½ΡΠΉ ΡΠ΅Π΄ΡΠΊΡΠΎΡ; 6 β Π²ΠΎΠ·Π΄ΡΡΠ½ΡΠΉ Π±Π°Π»Π»ΠΎΠ½; 7 β ΠΏΡΠ΅Π΄ΠΎΡ
ΡΠ°Π½ΠΈΡΠ΅Π»ΡΠ½ΡΠΉ ΠΊΠ»Π°ΠΏΠ°Π½; 8 β ΠΏΠ½Π΅Π²ΠΌΠΎΡΠΈΠ»ΠΈΠ½Π΄ΡΡ; 9 β ΡΡΡΠ°Π³ ΡΡΡΠ½ΠΎΠ³ΠΎ ΡΠΎΡΠΌΠΎΠ·Π°; 10 β ΡΡΡΡΠ΅Ρ ΠΊΠΎΠ»Π΅ΡΠ½ΠΎΠ³ΠΎ ΡΠΈΠ»ΠΈΠ½Π΄ΡΠ°; 11 β Π±ΡΠΊΡΠΈΡΠ½ΡΠΉ ΠΊΠ»Π°ΠΏΠ°Π½
Π ΠΈΡ. 3. ΠΠ½Π΅Π²ΠΌΠΎΡΠΈΠ»ΠΈΠ½Π΄Ρ ΡΠΎΡΠΌΠΎΠ·Π½ΠΎΠΉ ΡΠΈΡΡΠ΅ΠΌΡ Π°Π²ΡΠΎΠΌΠΎΠ±ΠΈΠ»Ρ Β«Π£ΡΠ°Π»-375ΠΒ»:
1 β Π³Π»Π°Π²Π½ΡΠΉ ΡΠΈΠ»ΠΈΠ½Π΄Ρ; 2 β Π±Π°ΡΠΎΠΊ; 3 β ΠΏΠ΅ΡΠ΅Π΄Π½ΠΈΠΉ ΡΠΈΠ»ΠΈΠ½Π΄Ρ; 4 β ΠΏΡΠΎΡΡΠ°Π²ΠΊΠ°; 5 β ΡΡΠΎΠΊ; 6 β Π·Π°Π΄Π½ΠΈΠΉ ΡΠΈΠ»ΠΈΠ½Π΄Ρ; 7 β ΠΏΠΎΡΡΠ΅Π½Ρ: 8β Π²ΡΠΊΠ»ΡΡΠ°ΡΠ΅Π»Ρ ΡΠΈΠ³Π½Π°Π»ΠΈΠ·Π°ΡΠΈΠΈ
ΠΠΈΠ΄ΡΠ°Π²Π»ΠΈΡΠ΅ΡΠΊΠΎΠ΅ ΠΎΠ±ΠΎΡΡΠ΄ΠΎΠ²Π°Π½ΠΈΠ΅ Π²ΠΊΠ»ΡΡΠ°Π΅Ρ Π΄Π²Π° Π³Π»Π°Π²Π½ΡΡ
ΡΠΎΡΠΌΠΎΠ·Π½ΡΡ
ΡΠΈΠ»ΠΈΠ½Π΄ΡΠ° Ρ Π±Π°ΡΠΊΠ°ΠΌΠΈ, ΡΠ΅ΡΡΡ ΠΊΠΎΠ»Π΅ΡΠ½ΡΡ
ΡΠΈΠ»ΠΈΠ½Π΄ΡΠΎΠ² ΠΈ ΡΡΡΠ±ΠΎΠΏΡΠΎΠ²ΠΎΠ΄Ρ.
ΠΠΎΠ»ΡΡΠ°Ρ ΡΠ°ΡΡΡ ΠΏΡΠΈΠ±ΠΎΡΠΎΠ² ΠΏΠ½Π΅Π²ΠΌΠ°ΡΠΈΡΠ΅ΡΠΊΠΎΠΉ ΡΠ°ΡΡΠΈ ΠΏΡΠΈΠ²ΠΎΠ΄Π° ΠΏΠΎ ΡΠ²ΠΎΠ΅ΠΌΡ ΡΡΡΡΠΎΠΉΡΡΠ²Ρ ΠΈ Π΄Π΅ΠΉΡΡΠ²ΠΈΡ Π°Π½Π°Π»ΠΎΠ³ΠΈΡΠ½Π° ΡΠ°ΠΊΠΈΠΌ ΠΆΠ΅ ΠΏΡΠΈΠ±ΠΎΡΠ°ΠΌ Π°Π²ΡΠΎΠΌΠΎΠ±ΠΈΠ»Ρ ΠΠΠ-131.
ΠΡΠ΅ΡΡΠΎΠ²ΠΈΠ½Π° ΡΠ°Π·Π±ΠΎΡΠ° Π²ΠΎΠ·Π΄ΡΡ Π° ΡΡΡΠ°Π½ΠΎΠ²Π»Π΅Π½Π° Π½Π° ΠΏΠ΅ΡΠ΅Π΄Π½Π΅ΠΉ ΡΡΠ΅Π½ΠΊΠ΅ ΠΊΠ°Π±ΠΈΠ½Ρ ΠΏΠΎΠ΄ ΠΊΠ°ΠΏΠΎΡΠΎΠΌ. Π Π½Π΅ΠΉ ΠΏΠΎΠ΄Π²ΠΎΠ΄ΠΈΡΡΡ ΡΠΆΠ°ΡΡΠΉ Π²ΠΎΠ·Π΄ΡΡ ΠΎΡ Π·Π°Π΄Π½Π΅Π³ΠΎ Π²ΠΎΠ·Π΄ΡΡΠ½ΠΎΠ³ΠΎ Π±Π°Π»Π»ΠΎΠ½Π° ΠΈ ΠΎΡΠ²ΠΎΠ΄ΠΈΡΡΡ ΠΊ ΡΠ΅Π³ΡΠ»ΡΡΠΎΡΡ Π΄Π°Π²Π»Π΅Π½ΠΈΡ, ΠΌΠ°Π½ΠΎΠΌΠ΅ΡΡΡ, ΡΡΠ΅ΠΊΠ»ΠΎΠΎΡΠΈΡΡΠΈΡΠ΅Π»Ρ, Π° ΡΠ°ΠΊΠΆΠ΅ Π² ΡΠΈΡΡΠ΅ΠΌΡ ΡΠ΅Π³ΡΠ»ΠΈΡΠΎΠ²Π°Π½ΠΈΡ Π΄Π°Π²Π»Π΅Π½ΠΈΡ Π²ΠΎΠ·Π΄ΡΡ Π° Π² ΡΠΈΠ½Π°Ρ . ΠΠ° ΠΊΡΠ΅ΡΡΠΎΠ²ΠΈΠ½Π΅ ΡΡΡΠ°Π½ΠΎΠ²Π»Π΅Π½ ΠΊΡΠ°ΠΏ ΠΎΡΠ±ΠΎΡΠ° Π²ΠΎΠ·Π΄ΡΡ Π°.
ΠΡΠΊΡΠΈΡΠ½ΡΠΉ ΠΊΠ»Π°ΠΏΠ°Π½ ΠΏΡΠ΅Π΄Π½Π°Π·Π½Π°ΡΠ΅Π½ Π΄Π»Ρ ΡΠ½Π°Π±ΠΆΠ΅Π½ΠΈΡ ΡΠΆΠ°ΡΡΠΌ Π²ΠΎΠ·Π΄ΡΡ ΠΎΠΌ ΡΠΎΡΠΌΠΎΠ·Π½ΠΎΠΉ ΡΠΈΡΡΠ΅ΠΌΡ Π°Π²ΡΠΎΠΌΠΎΠ±ΠΈΠ»Ρ ΠΏΡΠΈ Π±ΡΠΊΡΠΈΡΠΎΠ²ΠΊΠ΅ Π΅Π³ΠΎ Ρ Π½Π΅ΠΈΡΠΏΡΠ°Π²Π½ΡΠΌ Π΄Π²ΠΈΠ³Π°ΡΠ΅Π»Π΅ΠΌ. ΠΠ»Π°ΠΏΠ°Π½ ΡΡΡΠ°Π½ΠΎΠ²Π»Π΅Π½ Π½Π° ΠΏΡΠ°Π²ΠΎΠΌ ΠΊΡΠΎΠ½ΡΡΠ΅ΠΉΠ½Π΅ ΠΏΠ΅ΡΠ΅Π΄Π½Π΅Π³ΠΎ Π±ΡΡΠ΅ΡΠ°.
ΠΠ½Π΅Π²ΠΌΠ°ΡΠΈΡΠ΅ΡΠΊΠΈΠ΅ ΡΠΈΠ»ΠΎΠ²ΡΠ΅ ΡΠΈΠ»ΠΈΠ½Π΄ΡΡ (ΠΏΠ½Π΅Π²ΠΌΠΎ-ΡΠΈΠ»ΠΈΠ½Π΄ΡΡ) ΡΠ»ΡΠΆΠ°Ρ Π΄Π»Ρ ΡΠΎΠ·Π΄Π°Π½ΠΈΡ ΡΠΆΠ°ΡΡΠΌ Π²ΠΎΠ·Π΄ΡΡ
ΠΎΠΌ Π΄Π°Π²Π»Π΅Π½ΠΈΡ ΠΆΠΈΠ΄ΠΊΠΎΡΡΠΈ Π² Π³ΠΈΠ΄ΡΠ°Π²Π»ΠΈΡΠ΅ΡΠΊΠΎΠΉ ΡΠ°ΡΡΠΈ ΠΏΡΠΈΠ²ΠΎΠ΄Π°. ΠΠ½Π΅Π²ΠΌΠΎΡΠΈΠ»ΠΈΠ½Π΄ΡΡ Π²ΠΌΠ΅ΡΡΠ΅ Ρ Π³Π»Π°Π²Π½ΡΠΌΠΈ ΡΠΎΡΠΌΠΎΠ·Π½ΡΠΌΠΈ ΡΠΈΠ»ΠΈΠ½Π΄ΡΠ°ΠΌΠΈ ΡΠ°ΡΠΏΠΎΠ»ΠΎΠΆΠ΅Π½Ρ Π½Π° Π»Π΅Π²ΠΎΠΌ Π»ΠΎΠ½ΠΆΠ΅ΡΠΎΠ½Π΅ ΡΠ°ΠΌΡ ΠΏΠΎΠ΄ ΠΊΠ°Π±ΠΈΠ½ΠΎΠΉ. ΠΠ°ΠΆΠ΄ΡΠΉ ΠΏΠ½Π΅Π²ΠΌΠΎΡΠΈΠ»ΠΈΠ½Π΄Ρ ΡΠΎΡΡΠΎΠΈΡ ΠΈΠ· Π΄Π²ΡΡ
ΡΠΈΠ»ΠΈΠ½Π΄ΡΠΎΠ² Ρ ΠΏΡΠΎΡΡΠ°Π²ΠΊΠΎΠΉ, ΡΡΠΎΠΊΠ° Ρ Π΄Π²ΡΠΌΡ ΠΏΠΎΡΡΠ½ΡΠΌΠΈ ΠΈ ΡΠΎΠ»ΠΊΠ°ΡΠ΅Π»Π΅ΠΌ, ΠΊΠΎΠ½ΠΈΡΠ΅ΡΠΊΠΎΠΉ ΠΏΡΡΠΆΠΈΠ½Ρ.
ΠΠΎΡΡΠ½ΠΈ ΠΈΠΌΠ΅ΡΡ ΡΠΏΠ»ΠΎΡΠ½ΠΈΡΠ΅Π»ΡΠ½ΡΠ΅ ΠΌΠ°Π½ΠΆΠ΅ΡΡ. Π ΡΡΠΎΠΊΠ΅ Π²ΡΠΏΠΎΠ»Π½Π΅Π½ΠΎ ΠΎΡΠ΅Π²ΠΎΠ΅ ΠΈ ΡΠ°Π΄ΠΈΠ°Π»ΡΠ½ΠΎΠ΅ ΠΎΡΠ²Π΅ΡΡΡΠΈΡ, ΠΏΠΎ ΠΊΠΎΡΠΎΡΡΠΌ ΡΠΆΠ°ΡΡΠΉ Π²ΠΎΠ·Π΄ΡΡ
ΠΏΡΠΎΠ²ΠΎΠ΄ΠΈΡ ΠΈΠ· Π·Π°Π΄Π½Π΅ΠΉ Π² ΠΏΠ΅ΡΠ΅Π΄Π½ΡΡ ΠΏΠΎΠ»ΠΎΡΡΡ ΠΏΠ½Π΅Π²ΠΌΠΎΡΠΈΠ»ΠΈΠ½Π΄ΡΠ°. ΠΠ° ΠΏΠ΅ΡΠ΅Π΄Π½Π΅ΠΉ ΡΡΠ΅Π½ΠΊΠ΅ ΡΠΈΠ»ΠΈΠ½Π΄ΡΠ° Ρ Π²Π½ΡΡΡΠ΅Π½Π½Π΅ΠΉ ΡΡΠΎΡΠΎΠ½Ρ ΡΡΡΠ°Π½ΠΎΠ²Π»Π΅Π½ Π²ΠΊΠ»ΡΡΠ°ΡΠ΅Π»Ρ ΡΠΈΠ³Π½Π°Π»ΠΈΠ·Π°ΡΠΈΠΈ ΠΎ Π½Π΅ΠΈΡΠΏΡΠ°Π²Π½ΠΎΡΡΠΈ ΡΠΎΡΠΌΠΎΠ·Π½ΠΎΠΉ ΡΠΈΡΡΠ΅ΠΌΡ.
Π ΠΈΡ. 4. Π’ΠΎΡΠΌΠΎΠ·Π½ΠΎΠΉ ΠΊΡΠ°Π½ Π°Π²ΡΠΎΠΌΠΎΠ±ΠΈΠ»Ρ Β«Π£ΡΠ°Π»-375ΠΒ»:
Π° β ΠΎΡ Π²ΠΎΠ·Π΄ΡΡΠ½ΠΎΠ³ΠΎ Π±Π°Π»Π»ΠΎΠ½Π°; Π±, Π² β Π². ΠΏΠ½Π΅Π²ΠΌΠΎΠ¦ΠΈΠ»ΠΈΠ½Π΄ΡΡ; Π³ βΠ² ΠΌΠ°Π³ΠΈΡΡΡΠ°Π»Ρ ΠΏΡΠΈΡΠ΅ΠΏΠ°; 1β ΡΡΠ³Π° Π²Π΅ΡΡ
Π½Π΅ΠΉ ΡΠ΅ΠΊΡΠΈΠΈ; 2 β ΡΡΡΠ°Π³; 3 β ΡΡΡΠ°Π³ ΡΡΡΠ½ΠΎΠ³ΠΎ ΠΏΡΠΈΠ²ΠΎΠ΄Π°; 4 β- ΡΠ΅Π³ΡΠ»ΠΈΡΠΎΠ²ΠΎΡΠ½Π°Ρ Π³Π°ΠΉΠΊΠ°; 5, 19 β ΠΊΡΡΡΠΊΠΈ; 6 β ΡΡΡΠ±Π°; 7 β ΡΡΠ°Π²Π½ΠΎΠ²Π΅ΡΠΈΠ²Π°ΡΡΠ°Ρ ΠΏΡΡΠΆΠΈΠ½Π° Π²Π΅ΡΡ
Π½Π΅ΠΉ ΡΠ΅ΠΊΡΠΈΠΈ; 8 β ΡΠΏΠΎΡΠ½Π°Ρ Π³Π°ΠΉΠΊΠ°; 9 β ΠΌΠ°Π½ΠΆΠ΅ΡΠ° ΠΏΠΎΡΡΠ½Ρ; 10, 18 β Π²ΠΎΠ·Π²ΡΠ°ΡΠ½ΡΠ΅ ΠΏΡΡΠΆΠΈΠ½Ρ; 11, 17 β ΠΏΠΎΡΡΠ½ΠΈ; 12 β ΠΊΠ»Π°ΠΏΠ°Π½ Π²Π΅ΡΡ
Π½Π΅ΠΉ ΡΠ΅ΠΊΡΠΈΠΈ; 13, 15βΠΏΡΡΠΆΠΈΠ½Ρ ΠΊΠ»Π°ΠΏΠ°Π½ΠΎΠ²; 14 β ΠΊΠΎΡΠΏΡΡ ΠΊΡΠ°Π½Π°; 16 β ΠΊΠ»Π°ΠΏΠ°Π½ Π½ΠΈΠΆΠ½Π΅ΠΉ ΡΠ΅ΠΊΡΠΈΠΈ; 20 β ΡΠ΅ΠΆΠΈΠΌΠ½ΠΎΠ΅ ΠΊΠΎΠ»ΡΡΠΎ; 21 β ΡΠ΅Π³ΡΠ»ΠΈΡΠΎΠ²ΠΎΡΠ½Π°Ρ Π²ΡΡΠ»ΠΊΠ°; 22 β ΠΏΡΡΠΆΠΈΠ½Π° ΡΡΠ³ΠΈ Π½ΠΈΠΆΠ½Π΅ΠΉ ΡΠ΅ΠΊΡΠΈΠΈ; 23 β ΡΡΠ³Π° Π½ΠΈΠΆΠ½Π΅ΠΉ ΡΠ΅ΠΊΡΠΈΠΈ; 24 β ΠΏΡΡΠΆΠΈΠ½Π° ΡΡΠ³ΠΈ Π²Π΅ΡΡ
Π½Π΅ΠΉ ΡΠ΅ΠΊΡΠΈΠΈ
ΠΠ»Π°Π²Π½ΡΠ΅ ΡΠΎΡΠΌΠΎΠ·Π½ΡΠ΅ ΡΠΈΠ»ΠΈΠ½Π΄ΡΡ ΠΏΠΎ ΡΠ²ΠΎΠ΅ΠΌΡ Π½Π°Π·Π½Π°ΡΠ΅Π½ΠΈΡ, ΡΡΡΡΠΎΠΉΡΡΠ²Ρ ΠΈ Π΄Π΅ΠΉΡΡΠ²ΠΈΡ Π°Π½Π°Π»ΠΎΠ³ΠΈΡΠ½Ρ Π³Π»Π°Π²Π½ΠΎΠΌΡ ΡΠΎΡΠΌΠΎΠ·Π½ΠΎΠΌΡ ΡΠΈΠ»ΠΈΠ½Π΄ΡΡ Π°Π²ΡΠΎΠΌΠΎΠ±ΠΈΠ»Ρ ΠΠΠ-66.
ΠΠ° ΠΊΠ°ΠΆΠ΄ΠΎΠΌ ΡΠΈΠ»ΠΈΠ½Π΄ΡΠ΅ ΡΡΡΠ°Π½ΠΎΠ²Π»Π΅Π½ Π±Π°ΡΠΎΠΊ Π΄Π»Ρ ΡΠΎΡΠΌΠΎΠ·Π½ΠΎΠΉ ΠΆΠΈΠ΄ΠΊΠΎΡΡΠΈ, ΠΈΠ·Π³ΠΎΡΠΎΠ²Π»Π΅Π½Π½ΡΠΉ ΠΈΠ· ΠΊΠ°ΠΏΡΠΎΠ½Π°. ΠΡΠΎ ΠΏΠΎΠ·Π²ΠΎΠ»ΡΠ΅Ρ Π²ΠΈΠ·ΡΠ°Π»ΡΠ½ΠΎ ΠΊΠΎΠ½ΡΡΠΎΠ»ΠΈΡΠΎΠ²Π°ΡΡ ΡΡΠΎΠ²Π΅Π½Ρ ΠΆΠΈΠ΄ΠΊΠΎΡΡΠΈ Π² Π±Π°ΡΠΊΠ΅. ΠΠ΅ΡΠ΅Π΄Π½ΠΈΠΉ Π³Π»Π°Π²Π½ΡΠΉ ΡΠΎΡΠΌΠΎΠ·Π½ΠΎΠΉ ΡΠΈΠ»ΠΈΠ½Π΄Ρ ΠΏΡΠΈΠ²ΠΎΠ΄ΠΈΡ Π² Π΄Π΅ΠΉΡΡΠ²ΠΈΠ΅ ΡΠΎΡΠΌΠΎΠ·Π½ΡΠ΅ ΠΌΠ΅Ρ
Π°Π½ΠΈΠ·ΠΌΡ ΠΊΠΎΠ»Π΅Ρ ΠΏΠ΅ΡΠ΅Π΄Π½Π΅Π³ΠΎ ΠΈ ΡΡΠ΅Π΄Π½Π΅Π³ΠΎ ΠΌΠΎΡΡΠΎΠ², Π·Π°Π΄Π½ΠΈΠΉ ΡΠΈΠ»ΠΈΠ½Π΄Ρ βΠΊΠΎΠ»Π΅Ρ Π·Π°Π΄Π½Π΅Π³ΠΎ ΠΌΠΎΡΡΠ°.
ΠΠΈΠ΄ΡΠ°Π²Π»ΠΈΡΠ΅ΡΠΊΠ°Ρ ΡΠ°ΡΡΡ ΠΏΡΠΈΠ²ΠΎΠ΄Π° Π·Π°ΠΏΡΠ°Π²Π»ΡΠ΅ΡΡΡ ΡΠΎΡΠΌΠΎΠ·Π½ΠΎΠΉ ΠΆΠΈΠ΄ΠΊΠΎΡΡΡΡ ΠΌΠ°ΡΠΊΠΈ Β«ΠΠ΅Π²Π°Β» Π² ΠΊΠΎΠ»ΠΈΡΠ΅ΡΡΠ²Π΅ 1,5 Π». ΠΠΎΡΠΌΠ°Π»ΡΠ½ΡΠΉ ΡΡΠΎΠ²Π΅Π½Ρ ΠΆΠΈΠ΄ΠΊΠΎΡΡΠΈ Π² ΠΊΠ°ΠΆΠ΄ΠΎΠΌ Π±Π°ΡΠΊΠ΅ Π΄ΠΎΠ»ΠΆΠ΅Π½ Π±ΡΡΡ Π½Π° 15β20 ΠΌΠΌ Π½ΠΈΠΆΠ΅ Π²Π΅ΡΡ Π½Π΅ΠΉ ΠΊΡΠΎΠΌΠΊΠΈ Π½Π°Π»ΠΈΠ²Π½ΠΎΠΉ Π³ΠΎΡΠ»ΠΎΠ²ΠΈΠ½Ρ.
Π’ΠΎΡΠΌΠΎΠ·Π½ΠΎΠΉ ΠΊΡΠ°Π½ Π΄Π²ΡΡ ΡΠ΅ΠΊΡΠΈΠΎΠ½Π½ΡΠΉ, ΠΏΠΎΡΡΠ½Π΅Π²ΠΎΠΉ, Ρ ΠΏΠ»ΠΎΡΠΊΠΈΠΌΠΈ ΠΊΠ»Π°ΠΏΠ°Π½Π°ΠΌΠΈ. ΠΠ΅ΡΡ Π½ΡΡ ΡΠ΅ΠΊΡΠΈΡ ΠΊΡΠ°Π½Π° ΡΠΏΡΠ°Π²Π»ΡΠ΅Ρ ΡΠΎΡΠΌΠΎΠ·Π°ΠΌΠΈ ΠΏΡΠΈΡΠ΅ΠΏΠ°, Π½ΠΈΠΆΠ½ΡΡ β ΡΠΎΡΠΌΠΎΠ·Π°ΠΌΠΈ Π°Π²ΡΠΎΠΌΠΎΠ±ΠΈΠ»Ρ. ΠΡΠ°Π½ ΠΊΡΠ΅ΠΏΠΈΡΡΡ ΠΊ Π»Π΅Π²ΠΎΠΌΡ Π»ΠΎΠ½ΠΆΠ΅ΡΠΎΠ½Ρ ΡΠ°ΠΌΡ ΠΏΠΎΠ΄ ΠΊΠ°Π±ΠΈΠ½ΠΎΠΉ ΠΈ ΠΏΡΠΈΠ²ΠΎΠ΄ΠΈΡΡΡ Π² Π΄Π΅ΠΉΡΡΠ²ΠΈΠ΅ ΡΠΎΡΠΌΠΎΠ·Π½ΠΎΠΉ ΠΏΠ΅Π΄Π°Π»ΡΡ.
ΠΡΠ½ΠΎΠ²Π½ΡΠ΅ ΡΠ°ΡΡΠΈ ΠΊΡΠ°Π½Π°: ΠΊΠΎΡΠΏΡΡ; ΠΊΡΡΡΠΊΠ° Π²Π΅ΡΡ
Π½Π΅ΠΉ ΡΠ΅ΠΊΡΠΈΠΈ; ΠΊΡΡΡΠΊΠ° Π½ΠΈΠΆΠ½Π΅ΠΉ ΡΠ΅ΠΊΡΠΈΠΈ; ΠΏΠΎΡΡΠ΅Π½Ρ Π²Π΅ΡΡ
Π½Π΅ΠΉ ΡΠ΅ΠΊΡΠΈΠΈ Ρ ΠΌΠ°Π½ΠΆΠ΅ΡΠΎΠΉ ΠΈ .ΠΏΡΡΠΆΠΈΠ½ΠΎΠΉ; ΠΏΠΎΡΡΠ΅Π½Ρ Π½ΠΈΠΆΠ½Π΅ΠΉ ΡΠ΅ΠΊΡΠΈΠΈ Ρ ΠΌΠ°Π½ΠΆΠ΅ΡΠΎΠΉ ΠΈ ΠΏΡΡΠΆΠΈΠ½ΠΎΠΉ; ΡΡΡΠ±Π° Ρ ΡΡΠ°Π²Π½ΠΎΠ²Π΅ΡΠΈΠ²Π°ΡΡΠ΅ΠΉ ΠΏΡΡΠΆΠΈΠ½ΠΎΠΉ ΠΈ ΡΠΏΠΎΡΠ½ΠΎΠΉ Π³Π°ΠΉΠΊΠΎΠΉ; ΡΡΠ³Π° Π²Π΅ΡΡ
Π½Π΅ΠΉ ΡΠ΅ΠΊΡΠΈΠΈ Ρ ΠΏΡΡΠΆΠΈΠ½ΠΎΠΉ; ΠΊΠ»Π°ΠΏΠ°Π½ Π²Π΅ΡΡ
Π½Π΅ΠΉ ΡΠ΅ΠΊΡΠΈΠΈ; ΠΊΠ»Π°ΠΏΠ°Π½ Π½ΠΈΠΆΠ½Π΅ΠΉ ΡΠ΅ΠΊΡΠΈΠΈ; ΡΡΡΠ°Π³ ΡΠ΅ΠΆΠΈΠΌΠ½ΠΎΠ΅ ΠΊΠΎΠ»ΡΡΠΎ.
ΠΠΎΡΠΏΡΡ ΠΊΡΠ°Π½Π° ΠΈΠΌΠ΅Π΅Ρ ΡΠΈΠ»ΠΈΠ½Π΄ΡΠΈΡΠ΅ΡΠΊΠΈΠ΅ ΡΠ°ΡΡΠΎΡΠΊΠΈ, Π² ΠΊΠΎΡΠΎΡΡΡ ΡΠ°Π·ΠΌΠ΅ΡΠ°ΡΡΡΡ ΠΏΠΎΡΡΠ½ΠΈ Ρ ΡΠΏΠ»ΠΎΡΠ½ΠΈΡΠ΅Π»ΡΠ½ΡΠΌΠΈ ΠΌΠ°Π½ΠΆΠ΅ΡΠ°ΠΌΠΈ ΠΈ Π²ΠΎΠ·Π²ΡΠ°ΡΠ½ΡΠΌΠΈ ΠΊΠΎΠ½ΠΈΡΠ΅ΡΠΊΠΈΠΌΠΈ ΠΏΡΡΠΆΠΈΠ½Π°ΠΌΠΈ. Π ΡΠ΅Π½ΡΡΠ΅ ΠΏΠΎΡΡΠ½Π΅ΠΉ Π²ΡΠΏΠΎΠ»Π½Π΅Π½Ρ ΡΠΊΠ²ΠΎΠ·Π½ΡΠ΅ ΠΎΡΠ²Π΅ΡΡΡΠΈΡ, ΡΠ΅ΡΠ΅Π· ΠΊΠΎΡΠΎΡΡΠ΅ ΠΏΠΎΠ»ΠΎΡΡΠΈ, ΡΠ°Π·Π΄Π΅Π»ΡΠ΅ΠΌΡΠ΅ ΠΏΠΎΡΡΠ½ΡΠΌΠΈ, ΡΠΎΠ΅Π΄ΠΈΠ½ΡΡΡΡΡ ΠΌΠ΅ΠΆΠ΄Ρ ΡΠΎΠ±ΠΎΠΉ. ΠΠ°Π΄Π½ΠΈΠ΅ ΠΊΡΠΎΠΌΠΊΠΈ ΡΡΠΈΡ ΠΎΡΠ²Π΅ΡΡΡΠΈΠΉ ΡΠ²Π»ΡΡΡΡΡ ΡΠ΅Π΄Π»Π°ΠΌΠΈ Π²ΡΠΏΡΡΠΊΠ½ΡΡ ΠΊΠ»Π°ΠΏΠ°Π½ΠΎΠ². Π‘Π΅Π΄Π»Π°ΠΌΠΈ Π²ΠΏΡΡΠΊΠ½ΡΡ ΠΊΠ»Π°ΠΏΠ°Π½ΠΎΠ² ΡΠ²Π»ΡΡΡΡΡ ΠΊΡΠΎΠΌΠΊΠΈ ΠΎΡΠ²Π΅ΡΡΡΠΈΠΉ, Π²ΡΠΏΠΎΠ»Π½Π΅Π½Π½ΡΡ Π½Π΅ΠΏΠΎΡΡΠ΅Π΄ΡΡΠ²Π΅Π½Π½ΠΎ Π² ΠΊΠΎΡΠΏΡΡΠ΅. ΠΠ±Π° ΡΠ΅Π΄Π»Π° ΠΊΠ°ΠΆΠ΄ΠΎΠΉ ΡΠ΅ΠΊΡΠΈΠΈ ΠΌΠΎΠ³ΡΡ ΠΏΠ΅ΡΠ΅ΠΊΡΡΠ²Π°ΡΡΡΡ ΠΎΠ΄Π½ΠΈΠΌ ΠΏΠ»Π°ΡΡΠΈΠ½ΡΠ°ΡΡΠΌ ΠΊΠ»Π°ΠΏΠ°Π½ΠΎΠΌ, ΠΏΠΎΠ΄ΠΆΠΈΠΌΠ°Π΅ΠΌΡΠΌ ΠΏΡΡΠΆΠΈΠ½Π°ΠΌΠΈ.
Π’ΡΡΠ±Π° ΡΡΡΠ°Π½Π°Π²Π»ΠΈΠ²Π°Π΅ΡΡΡ Π² ΠΊΡΡΡΠΊΠ΅ Π²Π΅ΡΡ
Π½Π΅ΠΉ ΡΠ΅ΠΊΡΠΈΠΈ. ΠΠ° ΡΡΡΠ±Ρ Π½Π°Π΄Π΅ΡΠ° ΡΡΠ°Π²Π½ΠΎΠ²Π΅ΡΠΈΠ²Π°ΡΡΠ°Ρ ΠΏΡΡΠΆΠΈΠ½Π°, ΠΊΠΎΡΠΎΡΠ°Ρ ΡΠ΅ΡΠ΅Π· Π³Π°ΠΉΠΊΡ ΠΏΠΎΡΡΠΎΡΠ½Π½ΠΎ ΠΏΡΠΈΠΆΠΈΠΌΠ°Π΅Ρ ΡΡΡΠ±Ρ ΠΊ ΠΏΠΎΡΡΠ½Ρ. ΠΠ½ΡΡΡΠΈ ΡΡΡΠ±Ρ ΡΠ°Π·ΠΌΠ΅ΡΠ°Π΅ΡΡΡ ΡΡΠ³Π° Π²Π΅ΡΡ
Π½Π΅ΠΉ ΡΠ΅ΠΊΡΠΈΠΈ Ρ ΠΏΡΡΠΆΠΈΠ½ΠΎΠΉ. Π’ΡΠ³Π° Π½ΠΈΠΆΠ½Π΅ΠΉ ΡΠ΅ΠΊΡΠΈΠΈ ΡΡΡΠ°Π½Π°Π²Π»ΠΈΠ²Π°Π΅ΡΡΡ Π² ΠΊΡΡΡΠΊΠ΅ Π½ΠΈΠΆΠ½Π΅Π³ΠΎ ΡΠΈΠ»ΠΈΠ½Π΄ΡΠ°. ΠΠ° ΡΡΠ³Ρ ΡΠ΅ΡΠ΅Π· Π³Π°ΠΉΠΊΡ Π²ΠΎΠ·Π΄Π΅ΠΉΡΡΠ²ΡΠ΅Ρ ΠΏΡΡΠΆΠΈΠ½Π°, ΡΡΡΠ°Π½ΠΎΠ²Π»Π΅Π½Π½Π°Ρ Π²ΠΎ Π²ΡΡΠ»ΠΊΠ΅. ΠΡΠ° Π²ΡΡΠ»ΠΊΠ° ΠΈΠΌΠ΅Π΅Ρ ΡΠΈΠ³ΡΡΠ½ΡΡ ΠΏΡΠΎΡΠ΅Π·Ρ, Π² ΠΊΠΎΡΠΎΡΡΡ Π²Ρ
ΠΎΠ΄ΠΈΡ ΠΊΠΎΠ½Π΅Ρ Π²ΠΈΠ½ΡΠ°, Π²Π²Π΅ΡΠ½ΡΡΠΎΠ³ΠΎ Π² ΡΠ΅ΠΆΠΈΠΌΠ½ΠΎΠ΅ ΠΊΠΎΠ»ΡΡΠΎ. ΠΡΠΈ ΠΏΠΎΠ²ΠΎΡΠΎΡΠ΅ ΠΊΠΎΠ»ΡΡΠ° ΠΏΠ΅ΡΠ΅ΠΌΠ΅ΡΠ°Π΅ΡΡΡ Π²ΡΡΠ»ΠΊΠ° ΠΈ ΠΈΠ·ΠΌΠ΅Π½ΡΠ΅ΡΡΡ Π²Π΅Π»ΠΈΡΠΈΠ½Π° ΡΠΆΠ°ΡΠΈΡ ΠΏΡΡΠΆΠΈΠ½Ρ.
ΠΡΠΈ Π΄Π²ΠΈΠΆΠ΅Π½ΠΈΠΈ Ρ ΠΏΠΎΡΠΎΠΆΠ½ΠΈΠΌ ΠΏΡΠΈΡΠ΅ΠΏΠΎΠΌ ΡΠ΅ΠΆΠΈΠΌΠ½ΠΎΠ΅ ΠΊΠΎΠ»ΡΡΠΎ Π΄ΠΎΠ»ΠΆΠ½ΠΎ Π±ΡΡΡ ΡΡΡΠ°Π½ΠΎΠ²Π»Π΅Π½ΠΎ Π² ΠΏΠΎΠ»ΠΎΠΆΠ΅Π½ΠΈΠ΅ Π; ΠΏΡΠΈ ΡΠ°Π±ΠΎΡΠ΅ Ρ ΡΡΠΆΠ΅Π»ΠΎ-Π½Π°Π³ΡΡΠΆΠ΅Π½Π½ΡΠΌ ΠΏΡΠΈΡΠ΅ΠΏΠΎΠΌ ΠΊΠΎΠ»ΡΡΠΎ ΡΡΠ°Π²ΠΈΡΡΡ Π² ΠΏΠΎΠ»ΠΎΠΆΠ΅Π½ΠΈΠ΅ Π . ΠΠΎΠ»ΠΎΠΆΠ΅Π½ΠΈΠ΅ Π ΡΠΎΠΎΡΠ²Π΅ΡΡΡΠ²ΡΠ΅Ρ Π½ΠΎΡΠΌΠ°Π»ΡΠ½ΠΎΠΉ ΡΠ΅Π³ΡΠ»ΠΈΡΠΎΠ²ΠΊΠ΅ ΠΈ ΠΎΠ±Π΅ΡΠΏΠ΅ΡΠΈΠ²Π°Π΅Ρ ΡΠ°Π±ΠΎΡΡ ΡΠΎΡΠΌΠΎΠ·Π½ΠΎΠΉ ΡΠΈΡΡΠ΅ΠΌΡ Π² Π½ΠΎΡΠΌΠ°Π»ΡΠ½ΡΡ ΡΡΠ»ΠΎΠ²ΠΈΡΡ .
Π ΡΡΠ°Π³ ΡΠΎΠ΅Π΄ΠΈΠ½ΡΠ΅Ρ ΠΌΠ΅ΠΆΠ΄Ρ ΡΠΎΠ±ΠΎΠΉ ΡΡΠ³ΠΈ ΠΎΠ±ΠΎΠΈΡ ΡΠΈΠ»ΠΈΠ½Π΄ΡΠΎΠ², Π²Π΅ΡΡ Π½ΠΈΠΌ ΠΊΠΎΠ½ΡΠΎΠΌ ΡΡΡΠ°Π³ ΡΠ΅ΡΠ΅Π· ΠΏΡΠΈΠ²ΠΎΠ΄ ΡΠΎΠ΅Π΄ΠΈΠ½Π΅Π½ Ρ ΡΠΎΡΠΌΠΎΠ·Π½ΠΎΠΉ ΠΏΠ΅Π΄Π°Π»ΡΡ.
Π‘ΠΆΠ°ΡΡΠΉ Π²ΠΎΠ·Π΄ΡΡ ΠΏΠΎΠ΄Π²ΠΎΠ΄ΠΈΡΡΡ Π² ΡΠΎΡΠΌΠΎΠ·Π½ΠΎΠΉ ΠΊΡΠ°Π½ ΠΈΠ· ΠΏΠ΅ΡΠ΅Π΄Π½Π΅Π³ΠΎ Π²ΠΎΠ·Π΄ΡΡΠ½ΠΎΠ³ΠΎ Π±Π°Π»Π»ΠΎΠ½Π° ΡΠ΅ΡΠ΅Π· Π±ΠΎΠΊΠΎΠ²ΠΎΠ΅ ΠΎΡΠ²Π΅ΡΡΡΠΈΠ΅ Π² ΠΊΠΎΡΠΏΡΡΠ΅, ΠΎΡΠ²ΠΎΠ΄ΠΈΡΡΡ Π²ΠΎΠ·Π΄ΡΡ Π² ΠΏΠ½Π΅Π²ΠΌΠΎΡΠΈΠ»ΠΈΠ½Π΄ΡΡ Π°Π²ΡΠΎΠΌΠΎΠ±ΠΈΠ»Ρ ΡΠ΅ΡΠ΅Π· Π±ΠΎΠΊΠΎΠ²ΠΎΠ΅ ΠΈ Π½ΠΈΠΆΠ½Π΅Π΅ ΠΎΡΠ²Π΅ΡΡΡΠΈΡ Π² ΡΠ΅ΠΊΡΠΈΠΈ Π°Π²ΡΠΎΠΌΠΎΠ±ΠΈΠ»Ρ. Π ΠΌΠ°Π³ΠΈΡΡΡΠ°Π»Ρ ΠΊ ΠΏΡΠΈΡΠ΅ΠΏΡ Π²ΠΎΠ·Π΄ΡΡ ΠΎΡΠ²ΠΎΠ΄ΠΈΡΡΡ ΡΠ΅ΡΠ΅Π· Π±ΠΎΠΊΠΎΠ²ΠΎΠ΅ ΠΎΡΠ²Π΅ΡΡΡΠΈΠ΅ Π² ΡΠ΅ΠΊΡΠΈΠΈ ΠΏΡΠΈΡΠ΅ΠΏΠ°. ΠΠ±Π΅ ΠΏΠΎΠ»ΠΎΡΡΠΈ ΠΊΠΎΡΠΏΡΡΠ° ΡΠΎΠ΅Π΄ΠΈΠ½ΡΡΡΡΡ ΠΌΠ΅ΠΆΠ΄Ρ ΡΠΎΠ±ΠΎΠΉ ΠΈ ΡΠ΅ΡΠ΅Π· ΠΎΡΠ·Π΅ΡΡΡΠΈΠ΅ Π² ΠΊΡΡΡΠΊΠ΅ Π½ΠΈΠΆΠ½Π΅ΠΉ ΡΠ΅ΠΊΡΠΈΠΈ Ρ Π°ΡΠΌΠΎΡΡΠ΅ΡΠΎΠΉ.
Π’ΠΎΡΠΌΠΎΠ·Π½ΡΠ΅ ΡΠΈΡΡΠ΅ΠΌΡ ΠΏΡΠΈΡΠ΅ΠΏΠΎΠ², ΡΠ°Π±ΠΎΡΠ°ΡΡΠΈΡ
ΡΠΎΠ²ΠΌΠ΅ΡΡΠ½ΠΎ Ρ Π°Π²ΡΠΎΠΌΠΎΠ±ΠΈΠ»Π΅ΠΌ Β«Π£ΡΠ°Π»-375ΠΒ», ΠΈΠΌΠ΅ΡΡ ΡΠ°ΠΊΠΎΠ΅ ΠΆΠ΅ ΡΡΡΡΠΎΠΉΡΡΠ²ΠΎ, ΠΊΠ°ΠΊ ΠΈ Ρ ΠΏΡΠΈΡΠ΅ΠΏΠΎΠ² ΠΊ Π°Π²ΡΠΎΠΌΠΎΠ±ΠΈΠ»Ρ ΠΠΠ-131.
Π Π°Π±ΠΎΡΠ° ΡΠΎΡΠΌΠΎΠ·Π½ΠΎΠ³ΠΎ ΠΊΡΠ°Π½Π° ΡΠΎΠ²ΠΌΠ΅ΡΡΠ½ΠΎ Ρ Π²ΠΎΠ·Π΄ΡΡ ΠΎΡΠ°ΡΠΏΡΠ΅Π΄Π΅Π»ΠΈΡΠ΅Π»Π΅ΠΌ ΠΏΡΠΈΡΠ΅ΠΏΠ° ΠΏΡΠΎΠΈΡΡ ΠΎΠ΄ΠΈΡ ΡΠ°ΠΊ ΠΆΠ΅, ΠΊΠ°ΠΊ ΠΈ Ρ Π°Π²ΡΠΎΠΌΠΎΠ±ΠΈΠ»Ρ ΠΠΠ-131.
ΠΡΠΈ ΠΎΡΠΏΡΡΠ΅Π½Π½ΠΎΠΉ ΠΏΠ΅Π΄Π°Π»ΠΈ Π²ΠΏΡΡΠΊΠ½ΠΎΠΉ ΠΊΠ»Π°ΠΏΠ°Π½ Π²Π΅ΡΡ Π½Π΅ΠΉ ΡΠ΅ΠΊΡΠΈΠΈ ΠΎΡΠΊΡΡΡ, Π° Π²ΡΠΏΡΡΠΊΠ½ΠΎΠΉ Π·Π°ΠΊΡΡΡ; Π² Π½ΠΈΠΆΠ½Π΅ΠΉ ΡΠ΅ΠΊΡΠΈΠΈ Π²ΠΏΡΡΠΊΠ½ΠΎΠΉ Π»Π°ΠΏΠ°Π½ Π·Π°ΠΊΡΡΡ, Π° Π²ΡΠΏΡΡΠΊΠ½ΠΎΠΉ ΠΎΡΠΊΡΡΡ. Π‘ΠΆΠ°ΡΡΠΉ Π²ΠΎΠ·Π΄ΡΡ ΠΈΠ· Π±Π°Π»Π»ΠΎΠ½ΠΎΠ² Π°Π²ΡΠΎΠΌΠΎΠ±ΠΈΠ»Ρ ΠΏΡΠΎΡ ΠΎΠ΄ΠΈΡ Π² ΡΠΎΠ΅Π΄ΠΈΠ½ΠΈΡΠ΅Π»ΡΠ½ΡΡ ΠΌΠ°Π³ΠΈΡΡΡΠ°Π»Ρ ΠΊ Π²ΠΎΠ·Π΄ΡΡ ΠΎΡΠ°ΡΠΏΡΠ΅Π΄Π΅Π»ΠΈΡΠ΅Π»Ρ ΠΏΡΠΈΡΠ΅ΠΏΠ° ΠΈ Π΄Π°Π»Π΅Π΅ Π² Π²ΠΎΠ·Π΄ΡΡΠ½ΡΠΉ Π±Π°Π»Π»ΠΎΠ½ ΠΏΡΠΈΡΠ΅ΠΏΠ°, ΠΊΠΎΡΠΎΡΡΠΉ Π·Π°ΠΏΠΎΠ»Π½ΡΠ΅ΡΡΡ Π΄ΠΎ Π΄Π°Π²Π»Π΅Π½ΠΈΡ 4,8β5,3 ΠΊΠ³Ρ/ΡΠΌ2, ΠΏΠΎΡΠ»Π΅ ΡΠ΅Π³ΠΎ Π²ΠΏΡΡΠΊΠ½ΠΎΠΉ ΠΊΠ»Π°ΠΏΠ°Π½ Π²Π΅ΡΡ Π½Π΅ΠΉ ΡΠ΅ΠΊΡΠΈΠΈ Π·Π°ΠΊΡΡΠ²Π°Π΅ΡΡΡ. ΠΠ½Π΅Π²ΠΌΠΎΡΠΈ-Π»ΠΈΠ½Π΄ΡΡ Π°Π²ΡΠΎΠΌΠΎΠ±ΠΈΠ»Ρ ΡΠ΅ΡΠ΅Π· ΠΎΡΠΊΡΡΡΡΠΉ Π²ΡΠΏΡΡΠΊΠ½ΠΎΠΉ ΠΊΠ»Π°ΠΏΠ°Π½ Π½ΠΈΠΆΠ½Π΅ΠΉ ΡΠ΅ΠΊΡΠΈΠΈ ΡΠΎΠ΅Π΄ΠΈΠ½Π΅Π½Ρ Ρ Π°ΡΠΌΠΎΡΡΠ΅ΡΠΎΠΉ.
ΠΡΠΈ Π½Π°ΠΆΠ°ΡΠΈΠΈ Π½Π° ΠΏΠ΅Π΄Π°Π»Ρ Π²ΠΏΡΡΠΊΠ½ΠΎΠΉ ΠΊΠ»Π°ΠΏΠ°Π½ Π²Π΅ΡΡ
Π½Π΅ΠΉ ΡΠ΅ΠΊΡΠΈΠΈ Π·Π°ΠΊΡΡΠ²Π°Π΅ΡΡΡ (ΠΈΠ»ΠΈ ΠΎΡΡΠ°Π΅ΡΡΡ Π·Π°ΠΊΡΡΡΡΠΌ), Π° Π²ΡΠΏΡΡΠΊΠ½ΠΎΠΉ ΠΎΡΠΊΡΡΠ²Π°Π΅ΡΡΡ; ΡΠΆΠ°ΡΡΠΉ Π²ΠΎΠ·Π΄ΡΡ
ΠΈΠ· ΡΠΎΠ΅Π΄ΠΈΠ½ΠΈΡΠ΅Π»ΡΠ½ΠΎΠΉ ΠΌΠ°Π³ΠΈΡΡΡΠ°Π»ΠΈ ΠΏΡΠΈΡΠ΅ΠΏΠ° Π²ΡΡ
ΠΎΠ΄ΠΈΡ Π² Π°ΡΠΌΠΎΡΡΠ΅ΡΡ, ΡΡΠΎ ΠΏΡΠΈΠ²ΠΎΠ΄ΠΈΡ ΠΊ ΡΡΠ°Π±Π°ΡΡΠ²Π°Π½ΠΈΡ Π²ΠΎΠ·Π΄ΡΡ
ΠΎΡΠ°ΡΠΏΡΠ΅Π΄Π΅Π»ΠΈΡΠ΅Π»Ρ ΠΏΡΠΈΡΠ΅ΠΏΠ°, ΠΊΠΎΡΠΎΡΡΠΉ ΠΏΠΎΠ΄Π°Π΅Ρ ΡΠΆΠ°ΡΡΠΉ Π²ΠΎΠ·Π΄ΡΡ
ΠΈΠ· Π±Π°Π»Π»ΠΎΠ½Π° ΠΏΡΠΈΡΠ΅ΠΏΠ° Π² Π΅Π³ΠΎ ΡΠΎΡΠΌΠΎΠ·Π½ΡΠ΅ ΠΊΠ°ΠΌΠ΅ΡΡ. Π Π½ΠΈΠΆΠ½Π΅ΠΉ ΡΠ΅ΠΊΡΠΈΠΈ Π·Π°ΠΊΡΡΠ²Π°Π΅ΡΡΡ Π²ΡΠΏΡΡΠΊΠ½ΠΎΠΉ ΠΊΠ»Π°ΠΏΠ°Π½ ΠΈ ΠΎΡΠΊΡΡΠ²Π°Π΅ΡΡΡ Π²ΠΏΡΡΠΊΠ½ΠΎΠΉ, ΡΠΆΠ°ΡΡΠΉ Π²ΠΎΠ·Π΄ΡΡ
ΠΈΠ· Π±Π°Π»Π»ΠΎΠ½ΠΎΠ² Π°Π²ΡΠΎΠΌΠΎΠ±ΠΈΠ»Ρ ΠΏΡΠΎΡ
ΠΎΠ΄ΠΈΡ Π² Π΅Π³ΠΎ ΠΏΠ½Π΅Π²ΠΌΠΎΡΠΈΠ»ΠΈΠ½Π΄ΡΡ.
ΠΡΠΈ ΠΎΡΠΏΡΡΠΊΠ°Π½ΠΈΠΈ ΠΏΠ΅Π΄Π°Π»ΠΈ Π²ΡΠΏΡΡΠΊΠ½ΠΎΠΉ ΠΊΠ»Π°ΠΏΠ°Π½ Π²Π΅ΡΡ Π½Π΅ΠΉ ΡΠ΅ΠΊΡΠΈΠΈ Π·Π°ΠΊΡΡΠ²Π°Π΅ΡΡΡ, Π²ΠΏΡΡΠΊΠ½ΠΎΠΉ ΠΎΡΠΊΡΡΠ²Π°Π΅ΡΡΡ, ΠΈ ΡΠΆΠ°ΡΡΠΉ Π²ΠΎΠ·Π΄ΡΡ ΡΠ½ΠΎΠ²Π° ΠΏΡΠΎΡ ΠΎΠ΄ΠΈΡ Π² ΡΠΎΠ΅Π΄ΠΈΠ½ΠΈΡΠ΅Π»ΡΠ½ΡΡ ΠΌΠ°Π³ΠΈΡΡΡΠ°Π»Ρ ΠΏΡΠΈΡΠ΅ΠΏΠ°, ΠΊ Π΅Π³ΠΎ Π²ΠΎΠ·Π΄ΡΡ ΠΎΡΠ°ΡΠΏΡΠ΅Π΄Π΅Π»ΠΈΡΠ΅Π»Ρ, ΠΊΠΎΡΠΎΡΡΠΉ Π²ΡΠΏΡΡΠΊΠ°Π΅Ρ ΡΠΆΠ°ΡΡΠΉ Π²ΠΎΠ·Π΄ΡΡ ΠΈΠ· ΠΏΠ½Π΅Π²ΠΌΠΎΠΊΠ°ΠΌΠ΅Ρ ΠΏΡΠΈΡΠ΅ΠΏΠ° Π² Π°ΡΠΌΠΎΡΡΠ΅ΡΡ. Π Π½ΠΈΠΆΠ½Π΅ΠΉ ΡΠ΅ΠΊΡΠΈΠΈ ΠΊΡΠ°Π½Π° Π·Π°ΠΊΡΡΠ²Π°Π΅ΡΡΡ Π²ΠΏΡΡΠΊΠ½ΠΎΠΉ ΠΊΠ»Π°ΠΏΠ°Π½ ΠΈ ΠΎΡΠΊΡΡΠ²Π°Π΅ΡΡΡ Π²ΡΠΏΡΡΠΊΠ½ΠΎΠΉ, ΡΠ΅ΡΠ΅Π· ΠΊΠΎΡΠΎΡΡΠΉ ΡΠΆΠ°ΡΡΠΉ Π²ΠΎΠ·Π΄ΡΡ ΠΈΠ· ΠΏΠ½Π΅Π²ΠΌΠΎΡΠΈΠ»ΠΈΠ½Π΄ΡΠΎΠ² Π²ΡΡ ΠΎΠ΄ΠΈΡ Π² Π°ΡΠΌΠΎΡΡΠ΅ΡΡ.
ΠΡΠΈ ΡΠΎΡΠΌΠΎΠΆΠ΅Π½ΠΈΠΈ ΡΡΠΎΡΠ½ΠΎΡΠ½ΡΠΌ ΡΠΎΡΠΌΠΎΠ·ΠΎΠΌ ΡΠ΅ΡΠ΅Π· ΡΡΡΠ°Π³ ΠΏΡΠΈΠ²ΠΎΠ΄ΠΈΡΡΡ Π² Π΄Π΅ΠΉΡΡΠ²ΠΈΠ΅ ΡΠΎΠ»ΡΠΊΠΎ Π²Π΅ΡΡ Π½ΡΡ ΡΠ΅ΠΊΡΠΈΡ ΠΊΡΠ°Π½Π°, ΡΡΠΎ Π²Π΅Π΄Π΅Ρ ΠΊ ΡΠΎΡΠΌΠΎΠΆΠ΅Π½ΠΈΡ ΠΏΡΠΈΡΠ΅ΠΏΠ°.
Π ΡΠΎΡΠΌΠΎΠ·Π½ΠΎΠΉ ΡΠΈΡΡΠ΅ΠΌΠ΅ Π°Π²ΡΠΎΠΌΠΎΠ±ΠΈΠ»Ρ ΠΏΡΠ΅Π΄ΡΡΠΌΠΎΡΡΠ΅Π½Π° ΡΠΈΠ³Π½Π°Π»ΠΈΠ·Π°ΡΠΈΡ. Π ΡΠ»ΡΡΠ°Π΅ ΡΠ²Π΅Π»ΠΈΡΠ΅Π½ΠΈΡ Π·Π°Π·ΠΎΡΠΎΠ² Π² ΡΠΎΡΠΌΠΎΠ·Π½ΡΡ ΠΌΠ΅Ρ Π°Π½ΠΈΠ·ΠΌΠ°Ρ ΠΈΠ»ΠΈ ΠΏΡΠΈ Π½Π΅ΠΈΡΠΏΡΠ°Π²Π½ΠΎΡΡΡΡ Π² Π³ΠΈΠ΄ΡΠ°Π²Π»ΠΈΡΠ΅ΡΠΊΠΎΠΉ ΡΠ°ΡΡΠΈ ΠΏΡΠΈΠ²ΠΎΠ΄Π° ΠΏΠΎΡΡΠ½ΠΈ ΠΏΠ½Π΅Π²ΠΌΠΎΡΠΈΠ»ΠΈΠ½Π΄ΡΠΎΠ² ΠΏΠ΅ΡΠ΅ΠΌΠ΅ΡΠ°ΡΡΡΡ Π½Π° ΡΠ°ΠΊΡΡ Π²Π΅Π»ΠΈΡΠΈΠ½Ρ, ΡΡΠΎ ΠΏΠ΅ΡΠ΅Π΄Π½ΠΈΠΉ ΠΏΠΎΡΡΠ΅Π½Ρ Π²ΠΎΠ·Π΄Π΅ΠΉΡΡΠ²ΡΠ΅Ρ Π½Π° Π²ΠΊΠ»ΡΡΠ°ΡΠ΅Π»Ρ ΡΠΈΠ³Π½Π°Π»ΠΈΠ·Π°ΡΠΈΠΈ, ΠΈ Π² ΠΊΠ°Π±ΠΈΠ½Π΅ Π·Π°Π³ΠΎΡΠ°Π΅ΡΡΡ Π»Π°ΠΌΠΏΠΎΡΠΊΠ°, ΡΠΈΠ³Π½Π°Π»ΠΈΠ·ΠΈΡΡΡΡΠ°Ρ ΠΎ Π½Π΅ΠΈΡΠΏΡΠ°Π²Π½ΠΎΡΡΠΈ ΡΠΎΡΠΌΠΎΠ·Π½ΠΎΠΉ ΡΠΈΡΡΠ΅ΠΌΡ.
ΠΡΠΈ ΠΏΠ°Π΄Π΅Π½ΠΈΠΈ Π΄Π°Π²Π»Π΅Π½ΠΈΡ Π²ΠΎΠ·Π΄ΡΡ
Π° Π² Π±Π°Π»Π»ΠΎΠ½Π°Ρ
Π½ΠΈΠΆΠ΅ 4,5 ΠΊΠ³Ρ/ΡΠΌ2 Π² ΠΊΠ°Π±ΠΈΠ½Π΅ ΡΠ°ΠΊΠΆΠ΅ Π²ΠΊΠ»ΡΡΠ°Π΅ΡΡΡ ΠΊΠΎΠ½ΡΡΠΎΠ»ΡΠ½Π°Ρ Π»Π°ΠΌΠΏΠ°.
ΠΠΎΠ»ΠΎΠΆΠ΅Π½ΠΈΠ΅ ΡΠΎΡΠΌΠΎΠ·Π½ΠΎΠΉ ΠΏΠ΅Π΄Π°Π»ΠΈ ΡΠ΅Π³ΡΠ»ΠΈΡΡΠ΅ΡΡΡ ΠΈΠ·ΠΌΠ΅Π½Π΅Π½ΠΈΠ΅ΠΌ Π΄Π»ΠΈΠ½Ρ ΡΡΠ³ΠΈ, ΠΏΡΠΈΡΠΎΠ΅Π΄ΠΈΠ½ΡΠ΅ΠΌΠΎΠΉ ΠΊ ΡΡΡΠ°Π³Ρ ΠΊΡΠ°Π½Π°. ΠΡΠΈ ΠΏΡΠ°Π²ΠΈΠ»ΡΠ½ΠΎ ΠΎΡΡΠ΅Π³ΡΠ»ΠΈΡΠΎΠ²Π°Π½Π½ΠΎΠΌ ΡΠΎΡΠΌΠΎΠ·Π½ΠΎΠΌ ΠΊΡΠ°Π½Π΅ ΡΠ²ΠΎΠ±ΠΎΠ΄Π½ΡΠΉ Ρ ΠΎΠ΄ ΠΏΠ΅Π΄Π°Π»ΠΈ ΡΠΎΡΠΌΠΎΠ·Π° ΡΠΎΡΡΠ°Π²Π»ΡΠ΅Ρ 20β33 ΠΌΠΌ.
Π Π΅Π³ΡΠ»ΠΈΡΠΎΠ²ΠΊΠ° ΠΏΠΎΠ»Π½ΠΎΠ³ΠΎ Ρ ΠΎΠ΄Π° ΠΏΠ΅Π΄Π°Π»ΠΈ ΠΎΡΡΡΠ΅ΡΡΠ²Π»ΡΠ΅ΡΡΡ ΡΠΏΠΎΡΠ½ΡΠΌ Π±ΠΎΠ»ΡΠΎΠΌ, Π²Π²Π΅ΡΠ½ΡΡΡΠΌ Π² ΠΊΡΠΎΠ½ΡΡΠ΅ΠΉΠ½ Π²Π°Π»Π° ΠΏΠ΅Π΄Π°Π»ΠΈ. ΠΡΠΈ ΠΏΡΠ°Π²ΠΈΠ»ΡΠ½ΠΎ ΠΎΡΡΠ΅Π³ΡΠ»ΠΈΡΠΎΠ²Π°Π½Π½ΠΎΠΌ ΠΏΠΎΠ»Π½ΠΎΠΌ Ρ ΠΎΠ΄Π΅ ΠΏΠ΅Π΄Π°Π»ΠΈ Π΄Π°Π²Π»Π΅Π½ΠΈΠ΅ Π²ΠΎΠ·Π΄ΡΡ Π° Π² ΠΏΠ½Π΅Π²-ΠΌΠΎΡΠΈΡΡΠ΅ΠΌΠ΅ Π·Π° ΡΠΎΡΠΌΠΎΠ·Π½ΡΠΌ ΠΊΡΠ°Π½ΠΎΠΌ Π΄ΠΎΠ»ΠΆΠ½ΠΎ Π±ΡΡΡ 3,5β4 ΠΊΠ³Ρ/ΡΠΌ2 ΠΏΡΠΈ ΠΌΠ°ΠΊΡΠΈΠΌΠ°Π»ΡΠ½ΠΎΠΌ Π΄Π°Π²Π»Π΅Π½ΠΈΠΈ Π²ΠΎΠ·Π΄ΡΡ Π° Π² Π±Π°Π»Π»ΠΎΠ½Π°Ρ ΠΈ Π½Π°ΠΆΠ°ΡΠΎΠΉ Π΄ΠΎ ΡΠΏΠΎΡΠ° ΠΏΠ΅Π΄Π°Π»ΠΈ.
ΠΠ°Π²Π»Π΅Π½ΠΈΠ΅ Π²ΠΎΠ·Π΄ΡΡ Π° Π² ΠΌΠ°Π³ΠΈΡΡΡΠ°Π»ΠΈ ΠΏΡΠΈΡΠ΅ΠΏΠ° ΡΠ΅Π³ΡΠ»ΠΈΡΡΠ΅ΡΡΡ Π³Π°ΠΉΠΊΠΎΠΉ.
Π Π΅ΠΊΠ»Π°ΠΌΠ½ΡΠ΅ ΠΏΡΠ΅Π΄Π»ΠΎΠΆΠ΅Π½ΠΈΡ:
Π§ΠΈΡΠ°ΡΡ Π΄Π°Π»Π΅Π΅: Π‘ΡΠΎΡΠ½ΠΎΡΠ½ΡΠ΅ ΡΠΎΡΠΌΠΎΠ·Π½ΡΠ΅ ΡΠΈΡΡΠ΅ΠΌΡ Π°Π²ΡΠΎΠΌΠΎΠ±ΠΈΠ»Ρ
ΠΠ°ΡΠ΅Π³ΠΎΡΠΈΡ: — Π£ΡΡΡΠΎΠΉΡΡΠ²ΠΎ Π°Π²ΡΠΎΠΌΠΎΠ±ΠΈΠ»Ρ
ΠΠ»Π°Π²Π½Π°Ρ β Π‘ΠΏΡΠ°Π²ΠΎΡΠ½ΠΈΠΊ β Π‘ΡΠ°ΡΡΠΈ β Π€ΠΎΡΡΠΌ
Π’ΠΎΡΠΌΠΎΠ·Π½Π°Ρ ΡΠΈΡΡΠ΅ΠΌΠ° Π°Π²ΡΠΎΠΌΠΎΠ±ΠΈΠ»Π΅ΠΉ Π£Π ΠΠ
ΠΠ°ΡΠ΅Π³ΠΎΡΠΈΡ:
Β Β Β Π ΡΠ»Π΅Π²ΠΎΠ΅ ΡΠΏΡΠ°Π²Π»Π΅Π½ΠΈΠ΅ ΠΈ ΡΠΎΡΠΌΠΎΠ·Π½Π°Ρ ΡΠΈΡΡΠ΅ΠΌΠ°
ΠΡΠ±Π»ΠΈΠΊΠ°ΡΠΈΡ:
Β Β Β Π’ΠΎΡΠΌΠΎΠ·Π½Π°Ρ ΡΠΈΡΡΠ΅ΠΌΠ° Π°Π²ΡΠΎΠΌΠΎΠ±ΠΈΠ»Π΅ΠΉΒ Π£Π ΠΠ
Π§ΠΈΡΠ°ΡΡ Π΄Π°Π»Π΅Π΅:
Π’ΠΎΡΠΌΠΎΠ·Π½Π°Ρ ΡΠΈΡΡΠ΅ΠΌΠ° Π°Π²ΡΠΎΠΌΠΎΠ±ΠΈΠ»Π΅ΠΉΒ Π£Π ΠΠ
ΠΠ° Π°Π²ΡΠΎΠΌΠΎΠ±ΠΈΠ»Π΅ Π£ΡΠ°Π»-375 ΠΊΠΎΠ»Π΅ΡΠ½ΡΠ΅ ΡΠΎΡΠΌΠΎΠ·Π° ΠΈΠΌΠ΅ΡΡ ΠΊΠΎΠΌΠ±ΠΈΠ½ΠΈΡΠΎΠ²Π°Π½Π½ΡΠΉ ΠΏΠ½Π΅Π²ΠΌΠΎΠ³ΠΈΠ΄ΡΠ°Π²Π»ΠΈΡΠ΅ΡΠΊΠΈΠΉ ΠΏΡΠΈΠ²ΠΎΠ΄ ΠΎΡ Π½ΠΎΠΆΠ½ΠΎΠΉ ΠΏΠ΅Π΄Π°Π»ΠΈ.
Π¦Π΅Π½ΡΡΠ°Π»ΡΠ½ΡΠΉ Π±Π°ΡΠ°Π±Π°Π½-Π½ΠΎ-ΠΊΠΎΠ»ΠΎΠ΄ΠΎΡΠ½ΡΠΉ ΡΠΎΡΠΌΠΎΠ· ΠΈΠΌΠ΅Π΅Ρ ΠΌΠ΅Ρ
Π°Π½ΠΈΡΠ΅ΡΠΊΠΈΠΉ ΡΡΡΠ½ΠΎΠΉ ΠΏΡΠΈΠ²ΠΎΠ΄.
Π’ΠΎΡΠΌΠΎΠ·Π½Π°Ρ ΡΠΈΡΡΠ΅ΠΌΠ° Ρ ΠΏΠ½Π΅Π²ΠΌΠΎΠ³ΠΈΠ΄ΡΠ°Π²Π»ΠΈΡΠ΅ΡΠΊΠΈΠΌ ΠΏΡΠΈΠ²ΠΎΠ΄ΠΎΠΌ Π²ΠΊΠ»ΡΡΠ°Π΅Ρ Π²ΠΎΠ·Π΄ΡΡΠ½ΡΠΉ ΠΊΠΎΠΌΠΏΡΠ΅ΡΡΠΎΡ Ρ ΡΠ΅Π³ΡΠ»ΡΡΠΎΡΠΎΠΌ Π΄Π°Π²Π»Π΅Π½ΠΈΡ, ΡΠΎΠ΅Π΄ΠΈΠ½ΠΈΡΠ΅Π»ΡΠ½ΡΡ ΠΊΡΠ΅ΡΡΠΎΠ²ΠΈΠ½Ρ, ΠΊΡΠ°Π½ ΠΎΡΠ±ΠΎΡΠ° Π²ΠΎΠ·Π΄ΡΡ Π°, ΡΡΠΈ Π²ΠΎΠ·Π΄ΡΡΠ½ΡΡ Π±Π°Π»Π»ΠΎΠ½Π° Ρ ΠΏΡΠ΅Π΄ΠΎΡ ΡΠ°Π½ΠΈΡΠ΅Π»ΡΠ½ΡΠΌ ΠΊΠ»Π°ΠΏΠ°Π½ΠΎΠΌ ΠΈ ΠΌΠ΅ΠΆΠ΄ΡΠ±Π°Π»Π»ΠΎΠ½Π½ΡΠΌ ΡΠ΅Π΄ΡΠΊΡΠΎΡΠΎΠΌ, ΠΊΠΎΠΌΠ±ΠΈΠ½ΠΈΡΠΎΠ²Π°Π½Π½ΡΠΉ ΡΠΎΡΠΌΠΎΠ·Π½ΠΎΠΉ ΠΊΡΠ°Π½, ΡΠΏΡΠ°Π²Π»ΡΠ΅ΠΌΡΠΉ ΡΠΎΡΠΌΠΎΠ·Π½ΠΎΠΉ ΠΏΠ΅Π΄Π°Π»ΡΡ, ΠΌΠ°Π½ΠΎΠΌΠ΅ΡΡ, Π΄Π²Π° ΠΏΠ½Π΅Π²ΠΌΠΎΡΡΠΈΠ»ΠΈΡΠ΅Π»Ρ Ρ Π³ΠΈΠ΄ΡΠ°Π²Π»ΠΈΡΠ΅ΡΠΊΠΈΠΌΠΈ ΡΠΈΠ»ΠΈΠ½Π΄ΡΠ°ΠΌΠΈ, ΠΊΠΎΠ»Π΅ΡΠ½ΡΠ΅ ΡΠΎΡΠΌΠΎΠ·Π° Ρ Π΄Π²ΠΎΠΉΠ½ΡΠΌΠΈ ΡΠ°Π±ΠΎΡΠΈΠΌΠΈ Π³ΠΈΠ΄ΡΠ°Π²Π»ΠΈΡΠ΅ΡΠΊΠΈΠΌΠΈ ΡΠΈΠ»ΠΈΠ½Π΄ΡΠ°ΠΌΠΈ, ΡΠ°Π·ΠΎΠ±ΡΠΈΡΠ΅Π»ΡΠ½ΡΠΉ ΠΊΡΠ°Π½ ΠΈ ΡΠΎΠ΅Π΄ΠΈΠ½ΠΈΡΠ΅Π»ΡΠ½ΡΡ Π³ΠΎΠ»ΠΎΠ²ΠΊΡ ΠΏΠ½Π΅Π²ΠΌΠ°ΡΠΈΡΠ΅ΡΠΊΠΎΠ³ΠΎ ΠΏΡΠΈΠ²ΠΎΠ΄Π° ΡΠΎΡΠΌΠΎΠ·ΠΎΠ² ΠΏΡΠΈΡΠ΅ΠΏΠ°, Π±ΡΠΊΡΠΈΡΠ½ΡΠΉ ΠΊΠ»Π°ΠΏΠ°Π½ ΠΈ Π²ΠΎΠ·Π΄ΡΡΠ½ΡΠ΅ ΠΈ Π³ΠΈΠ΄ΡΠ°Π²Π»ΠΈΡΠ΅ΡΠΊΠΈΠ΅ ΡΡΡΠ±ΠΎΠΏΡΠΎΠ²ΠΎΠ΄Ρ. ΠΠ½Π΅Π²ΠΌΠ°ΡΠΈΡΠ΅ΡΠΊΠ°Ρ ΡΠΈΡΡΠ΅ΠΌΠ° ΠΈΡΠΏΠΎΠ»ΡΠ·ΡΠ΅ΡΡΡ ΡΠ°ΠΊΠΆΠ΅ Π΄Π»Ρ ΡΠ΅Π³ΡΠ»ΠΈΡΠΎΠ²Π°Π½ΠΈΡ Π΄Π°Π²Π»Π΅Π½ΠΈΡ Π²ΠΎΠ·Π΄ΡΡ Π° Π² ΡΠΈΠ½Π°Ρ , Π΄Π»Ρ ΡΠ΅Π³ΠΎ Π² Π½Π΅Π΅ Π²Ρ ΠΎΠ΄ΠΈΡ Π΄ΠΎΠΏΠΎΠ»Π½ΠΈΡΠ΅Π»ΡΠ½ΠΎΠ΅ ΠΎΠ±ΠΎΡΡΠ΄ΠΎΠ²Π°Π½ΠΈΠ΅.
ΠΠΎΠ·Π΄ΡΡΠ½ΡΠΉ ΠΊΠΎΠΌΠΏΡΠ΅ΡΡΠΎΡ Ρ ΡΠ΅Π³ΡΠ»ΡΡΠΎΡΠΎΠΌ Π΄Π°Π²Π»Π΅Π½ΠΈΡ ΠΈΠΌΠ΅ΡΡ ΡΠ°ΠΊΠΎΠ΅ ΠΆΠ΅ ΡΡΡΡΠΎΠΉΡΡΠ²ΠΎ, ΠΊΠ°ΠΊ Π²ΠΎΠ·Π΄ΡΡΠ½ΡΠΉ ΠΊΠΎΠΌΠΏΡΠ΅ΡΡΠΎΡ Ρ ΡΠ΅Π³ΡΠ»ΡΡΠΎΡΠΎΠΌ Π΄Π°Π²Π»Π΅Π½ΠΈΡ Π°Π²ΡΠΎΠΌΠΎΠ±ΠΈΠ»Ρ ΠΠΠ-130.
Π Π΅ΠΊΠ»Π°ΠΌΠ½ΡΠ΅ ΠΏΡΠ΅Π΄Π»ΠΎΠΆΠ΅Π½ΠΈΡ Π½Π° ΠΎΡΠ½ΠΎΠ²Π΅ Π²Π°ΡΠΈΡ ΠΈΠ½ΡΠ΅ΡΠ΅ΡΠΎΠ²:
ΠΠΎΠΌΠ±ΠΈΠ½ΠΈΡΠΎΠ²Π°Π½Π½ΡΠΉ ΡΠΎΡΠΌΠΎΠ·Π½ΠΎΠΉ ΠΊΡΠ°Π½ Π°Π½Π°Π»ΠΎΠ³ΠΈΡΠ΅Π½ ΠΊΡΠ°Π½Ρ, ΡΡΡΠ°Π½ΠΎΠ²Π»Π΅Π½Π½ΠΎΠΌΡ Π½Π° Π°Π²ΡΠΎΠΌΠΎΠ±ΠΈΠ»Π΅ ΠΠΠ-500.
Π΅Π²ΠΌΠΎΡΡΠΈΠ»ΠΈΡΠ΅Π»Ρ ΡΠΎΡΡΠΎΠΈΡ ΠΈΠ· Π΄Π²ΡΡ
ΡΠΈΠ»ΠΈΠ½Π΄ΡΠΎΠ², ΡΠΊΡΠ΅ΠΏΠ»Π΅Π½Π½ΡΡ
Ρ Π²Π½ΡΡΡΠ΅Π½Π½Π΅ΠΉ ΠΏΠ΅ΡΠ΅Π³ΠΎΡΠΎΠ΄ΠΊΠΎΠΉ Ρ ΠΏΠΎΠΌΠΎΡΡΡ ΡΡΡΠΆΠ½ΡΡ
Π±ΠΎΠ»ΡΠΎΠ². Π Π·Π°Π΄Π½Π΅ΠΌ ΡΠΈΠ»ΠΈΠ½Π΄ΡΠ΅ ΡΡΡΠ°Π½ΠΎΠ²Π»Π΅Π½ ΠΏΠΎΡΡΠ΅Π½Ρ Ρ ΠΏΡΡΠΆΠΈΠ½ΠΎΠΉ, ΡΠΎΠ΅Π΄ΠΈΠ½Π΅Π½Π½ΡΠΉ Ρ ΠΏΠΎΠ»ΡΠΌ ΡΡΠΎΠΊΠΎΠΌ, ΠΊΠΎΡΠΎΡΡΠΉ ΠΏΡΠΎΡ
ΠΎΠ΄ΠΈΡ ΡΠ΅ΡΠ΅Π· ΠΎΡΠ²Π΅ΡΡΡΠΈΠ΅ ΠΏΠ΅ΡΠ΅Π³ΠΎΡΠΎΠ΄ΠΊΠΈ, ΡΠ½Π°Π±ΠΆΠ΅Π½Π½ΠΎΠ΅ ΡΠ°Π»ΡΠ½ΠΈΠΊΠΎΠΌ. Π Π·Π°Π΄Π½Π΅ΠΉ ΡΡΠ΅Π½ΠΊΠ΅ ΡΠΈΠ»ΠΈΠ½Π΄ΡΠ° Ρ ΠΏΠΎΠΌΠΎΡΡΡ ΡΠ³ΠΎΠ»ΡΠ½ΠΈΠΊΠ° ΠΏΡΠΈΡΠΎΠ΅Π΄ΠΈΠ½Π΅Π½ Π²ΠΎΠ·Π΄ΡΡ
ΠΎΠΏΡΠΎΠ²ΠΎΠ΄ ΠΎΡ ΡΠΎΡΠΌΠΎΠ·Π½ΠΎΠ³ΠΎ ΠΊΡΠ°Π½Π°.
Π ΠΏΠ΅ΡΠ΅Π΄Π½Π΅ΠΌ ΡΠΈΠ»ΠΈΠ½Π΄ΡΠ΅ ΡΠ°ΠΊΠΆΠ΅ ΡΡΡΠ°Π½ΠΎΠ²Π»Π΅Π½ ΠΏΠΎΡΡΠ΅Π½Ρ, ΡΠΎΠ΅Π΄ΠΈΠ½Π΅Π½Π½ΡΠΉ Ρ ΡΠΎΠ»ΠΊΠ°ΡΠ΅Π»Π΅ΠΌ. ΠΠ°ΠΆΠ΄ΡΠΉ ΠΏΠΎΡΡΠ΅Π½Ρ ΡΠΏΠ»ΠΎΡΠ½Π΅Π½ Π² ΡΠΈΠ»ΠΈΠ½Π΄ΡΠ΅ ΡΠΏΠ»ΠΎΡΠ½ΡΡΡΠ΅ΠΉ ΠΌΠ°Π½ΠΆΠ΅ΡΠΎΠΉ ΠΈ Π²ΠΎΠΉΠ»ΠΎΡΠ½ΡΠΌ ΠΊΠΎΠ»ΡΡΠΎΠΌ. ΠΠ΅ΡΠ΅Π΄Π½ΠΈΠ΅ ΠΏΠΎΠ»ΠΎΡΡΠΈ ΠΎΠ±ΠΎΠΈΡ ΡΠΈΠ»ΠΈΠ½Π΄ΡΠΎΠ² ΡΠΎΠ΅Π΄ΠΈΠ½Π΅Π½Ρ Ρ ΠΏΠΎΠΌΠΎΡΡΡ ΡΡΡΡΠ΅ΡΠΎΠ² ΠΈ ΡΡΡΠ±ΠΊΠΈ Ρ Π°ΡΠΌΠΎΡΡΠ΅ΡΠΎΠΉ.
ΠΠΏΠ΅ΡΠ΅Π΄ΠΈ ΠΊ ΠΊΠ°ΠΆΠ΄ΠΎΠΌΡ ΠΏΠΈΠ΅Π²ΠΌΠΎΡΡΠΈΠ»ΠΈΡΠ΅Π»Π³ΠΎ ΠΏΡΠΈΠΊΡΠ΅ΠΏΠ»Π΅Π½ Π±ΠΎΠ»ΡΠ°ΠΌΠΈ ΡΡΠ³ΡΠ½Π½ΡΠΉ Π»ΠΈΡΠΎΠΉ ΠΊΠΎΡΠΏΡΡ Π³Π»Π°Π²Π½ΠΎΠ³ΠΎ Π³ΠΈΠ΄ΡΠ°Π²Π»ΠΈΡΠ΅ΡΠΊΠΎΠ³ΠΎ ΡΠΈΠ»ΠΈΠ½Π΄ΡΠ°. Π ΡΠΈΠ»ΠΈΠ½Π΄ΡΠ΅ ΡΡΡΠ°Π½ΠΎΠ²Π»Π΅Π½ ΠΏΠΎΡΡΠ΅Π½Ρ Ρ ΡΠΏΠ»ΠΎΡΠ½ΡΡΡΠΈΠΌΠΈ ΠΌΠ°Π½ΠΆΠ΅ΡΠ°ΠΌΠΈ, ΠΎΡΠΆΠΈΠΌΠ°Π΅ΠΌΡΠΉ Π² ΠΈΡΡ ΠΎΠ΄Π½ΠΎΠ΅ ΠΏΠΎΠ»ΠΎΠΆΠ΅Π½ΠΈΠ΅ ΠΏΡΡΠΆΠΈΠ½ΠΎΠΉ. Π ΡΠ³Π»ΡΠ±Π»Π΅Π½ΠΈΠ΅ ΠΏΠΎΡΡΠ½Ρ Π²Ρ ΠΎΠ΄ΠΈΡ ΡΠΎΠ»ΠΊΠ°ΡΠ΅Π»Ρ.
Π ΠΈΡ. 1. Π’ΠΎΡΠΌΠΎΠ·Π½Π°Ρ ΡΠΈΡΡΠ΅ΠΌΠ° Ρ ΠΎΠ½Π΅Π²ΠΌΠΎΠ³ΠΈΠ΄ΡΠ°Π²Π»ΠΈΡΠ΅ΡΠΊΠΈΠΌ ΠΏΡΠΈΠ²ΠΎΠ΄ΠΎΠΌ Π°Π²ΡΠΎΠΌΠΎΠ±ΠΈΠ»Ρ Π£ΡΠ°Π»-375
Π ΡΠΈΠ»ΠΈΠ½Π΄ΡΡ ΠΏΡΠΈΡΠΎΠ΅Π΄ΠΈΠ½Π΅Π½ Π±Π°ΡΠΎΠΊ Π΄Π»Ρ ΡΠΎΡΠΌΠΎΠ·Π½ΠΎΠΉ ΠΆΠΈΠ΄ΠΊΠΎΡΡΠΈ, Π·Π°ΠΊΡΡΡΡΠΉ ΠΏΡΠΎΠ±ΠΊΠΎΠΉ.
ΠΠ°ΡΠΎΠΊ ΡΠΎΠΎΠ±ΡΠ°Π΅ΡΡΡ Ρ ΠΏΠΎΠ»ΠΎΡΡΡΡ ΡΠΈΠ»ΠΈΠ½Π΄ΡΠ° ΠΊΠΎΠΌΠΏΠ΅Π½ΡΠ°ΡΠΈΠΎΠ½Π½ΡΠΌ ΠΈ ΠΏΠ΅ΡΠ΅ΠΏΡΡΠΊΠ½ΡΠΌ ΠΎΡΠ²Π΅ΡΡΡΠΈΡΠΌΠΈ.
Π ΠΏΠ΅ΡΠ΅Π΄Π½Π΅ΠΉ ΡΠ°ΡΡΠΈ ΡΠΈΠ»ΠΈΠ½Π΄ΡΠ° ΡΡΡΠ°Π½ΠΎΠ²Π»Π΅Π½ Π½Π°Π³Π½Π΅ΡΠ°ΡΠ΅Π»ΡΠ½ΡΠΉ ΠΈ ΠΎΠ±ΡΠ°ΡΠ½ΡΠΉ ΠΊΠ»Π°ΠΏΠ°Π½Ρ. Π¦ΠΈΠ»ΠΈΠ½Π΄Ρ ΡΠ½Π°Π±ΠΆΠ΅Π½ Π²Π΅Π½ΡΠΈΠ»Π΅ΠΌ Π΄Π»Ρ ΡΠ΄Π°Π»Π΅Π½ΠΈΡ Π²ΠΎΠ·Π΄ΡΡ Π°.
Π ΠΊΡΡΡΠΊΠ΅ ΡΠΈΠ»ΠΈΠ½Π΄ΡΠ° Ρ ΠΏΠΎΠΌΠΎΡΡΡ ΡΡΡΡΠ΅ΡΠ° ΠΏΡΠΈΡΠΎΠ΅Π΄ΠΈΠ½Π΅Π½ ΡΡΡΠ±ΠΎΠΏΡΠΎΠ²ΠΎΠ΄, ΠΏΠΎΠ΄Π²ΠΎΠ΄ΡΡΠΈΠΉ ΡΠΎΡΠΌΠΎΠ·Π½ΡΡ ΠΆΠΈΠ΄ΠΊΠΎΡΡΡ ΠΊ ΡΠ°Π±ΠΎΡΠΈΠΌ ΡΠΈΠ»ΠΈΠ½Π΄ΡΠ°ΠΌ ΠΊΠΎΠ»Π΅Ρ.
Π¦ΠΈΠ»ΠΈΠ½Π΄Ρ ΠΏΠ΅ΡΠ΅Π΄Π½Π΅Π³ΠΎ ΡΡΠΈΠ»ΠΈΡΠ΅Π»Ρ ΡΠΎΠ΅Π΄ΠΈΠ½Π΅Π½ Ρ ΡΠ°Π±ΠΎΡΠΈΠΌΠΈ ΡΠΈΠ»ΠΈΠ½Π΄ΡΠ°ΠΌΠΈ ΡΠΎΡΠΌΠΎΠ·ΠΎΠ² ΠΏΠ΅ΡΠ΅Π΄Π½ΠΈΡ ΠΊΠΎΠ»Π΅Ρ ΠΈ ΠΏΠ΅ΡΠ²ΠΎΠ³ΠΎ Π·Π°Π΄Π½Π΅Π³ΠΎ ΠΌΠΎΡΡΠ°, Π° Π²ΡΠΎΡΠΎΠΉ β Ρ ΡΠΎΡΠΌΠΎΠ·Π°ΠΌΠΈ Π²ΡΠΎΡΠΎΠ³ΠΎ Π·Π°Π΄Π½Π΅Π³ΠΎ ΠΌΠΎΡΡΠ°. Π’Π°ΠΊΠΎΠΉ ΠΏΡΠΈΠ²ΠΎΠ΄ ΡΠΎΡΠΌΠΎΠ·ΠΎΠ² ΠΏΠΎΠ²ΡΡΠ°Π΅Ρ Π½Π°Π΄Π΅ΠΆΠ½ΠΎΡΡΡ ΡΠΎΡΠΌΠΎΠ·Π½ΠΎΠΉ ΡΠΈΡΡΠ΅ΠΌΡ.
ΠΠ°ΠΆΠ΄ΡΠΉ ΠΊΠΎΠ»Π΅ΡΠ½ΡΠΉ ΡΠΎΡΠΌΠΎΠ·, ΡΠΎΡΡΠΎΡΡΠΈΠΉ ΠΈΠ· Π΄Π²ΡΡ
ΠΊΠΎΠ»ΠΎΠ΄ΠΎΠΊ Ρ Π½Π°ΠΊΠ»Π°Π΄ΠΊΠ°ΠΌΠΈ, ΡΡΡΠ°Π½ΠΎΠ²Π»Π΅Π½Π½ΡΡ
Π½Π° Π±ΡΠΎΠ½Π·ΠΎΠ²ΡΡ
Π²ΡΡΠ»ΠΊΠ°Ρ
Π½Π° ΠΎΡΡΡ
, Π·Π°ΠΊΡΠ΅ΠΏΠ»Π΅Π½Π½ΡΡ
Π² ΠΊΡΠΎΠ½ΡΡΠ΅ΠΉΠ½Π°Ρ
ΡΠΎΡΠΌΠΎΠ·Π½ΡΡ
ΡΠΈΡΠΎΠ², ΡΠ½Π°Π±ΠΆΠ΅Π½ Π΄Π²ΡΠΌΡ ΡΠ°Π±ΠΎΡΠΈΠΌΠΈ ΡΠΈΠ»ΠΈΠ½Π΄ΡΠ°ΠΌΠΈ, ΠΎΡΠ»ΠΈΡΡΠΌΠΈ Π² ΠΎΠ±ΡΠ΅ΠΌ ΠΊΠΎΡΠΏΡΡΠ΅, ΠΏΡΠΈΠΊΡΠ΅ΠΏΠ»Π΅Π½Π½ΠΎΠΌ ΠΊ ΡΠΈΡΡ. ΠΠΎΠ»ΠΎΠ΄ΠΊΠΈ ΡΡΡΠ³ΠΈΠ²Π°ΡΡΡΡ ΠΏΡΡΠΆΠΈΠ½ΠΎΠΉ ΠΈ ΡΠ΅ΡΠ΅Π· ΠΎΠΏΠΎΡΠ½ΡΠ΅ ΡΡΠΈΡΡΡ ΠΎΠΏΠΈΡΠ°ΡΡΡΡ Π½Π° ΠΏΠΎΡΡΠ½ΠΈ ΡΠΈΠ»ΠΈΠ½Π΄ΡΠΎΠ². ΠΠΎΠ»ΠΎΠ΄ΠΊΠΈ ΡΡΡΠ°Π½ΠΎΠ²Π»Π΅Π½Ρ Π² ΡΡΠ³ΡΠ½Π½ΠΎΠΌ ΡΠΎΡΠΌΠΎΠ·Π½ΠΎΠΌ Π±Π°ΡΠ°Π±Π°Π½Π΅ ΠΈ ΡΠ΅Π³ΡΠ»ΠΈΡΡΡΡΡΡ Ρ ΠΏΠΎΠΌΠΎΡΡΡ ΡΠΊΡΡΠ΅Π½ΡΡΠΈΠΊΠΎΠ², ΡΡΡΠ°Π½ΠΎΠ²Π»Π΅Π½Π½ΡΡ
Π² ΡΠΈΡΠ΅ ΠΈ ΡΠΈΠΊΡΠΈΡΡΠ΅ΠΌΡΡ
ΠΏΡΡΠΆΠΈΠ½Π°ΠΌΠΈ.
ΠΠΎΠ³Π΄Π° ΡΠΎΡΠΌΠΎΠ·Π½Π°Ρ ΠΏΠ΅Π΄Π°Π»Ρ Π½Π΅ Π½Π°ΠΆΠ°ΡΠ°, ΡΠ°Π±ΠΎΡΠΈΠ΅ ΠΏΠΎΠ»ΠΎΡΡΠΈ ΡΠΈΠ»ΠΈΠ½Π΄ΡΠΎΠ² ΠΏΠ½Π΅Π²ΠΌΠ°ΡΠΈΡΠ΅ΡΠΊΠΈΡ ΡΡΠΈΠ»ΠΈΡΠ΅Π»Π΅ΠΉ ΡΠΎΠΎΠ±ΡΠ΅Π½Ρ ΡΠ΅ΡΠ΅Π· ΠΊΡΠ°Π½ Ρ Π°ΡΠΌΠΎΡΡΠ΅ΡΠΎΠΉ, ΠΈ Π²ΡΡ ΡΠΎΡΠΌΠΎΠ·Π½Π°Ρ ΡΠΈΡΡΠ΅ΠΌΠ° Π½Π°Ρ ΠΎΠ΄ΠΈΡΡΡ Π² ΠΈΡΡ ΠΎΠ΄Π½ΠΎΠΌ ΠΏΠΎΠ»ΠΎΠΆΠ΅Π½ΠΈΠΈ.
ΠΡΠΈ Π½Π°ΠΆΠ°ΡΠΈΠΈ ΠΏΠ΅Π΄Π°Π»ΠΈ Ρ ΠΏΠΎΠΌΠΎΡΡΡ ΡΠΎΡΠΌΠΎΠ·Π½ΠΎΠ³ΠΎ ΠΊΡΠ°Π½Π° Π² ΡΠ°Π±ΠΎΡΡΡ ΠΏΠΎΠ»ΠΎΡΡΡ ΡΠΈΠ»ΠΈΠ½Π΄ΡΠΎΠ² ΡΡΠΈΠ»ΠΈΡΠ΅Π»Π΅ΠΉ ΠΏΠΎΠ΄Π²ΠΎΠ΄ΠΈΡΡΡ ΡΠΆΠ°ΡΡΠΉ Π²ΠΎΠ·Π΄ΡΡ . ΠΠ°Π²Π»Π΅Π½ΠΈΠ΅ΠΌ Π²ΠΎΠ·Π΄ΡΡ Π° ΠΏΠΎΡΡΠ½ΠΈ ΠΏΠ΅ΡΠ΅ΠΌΠ΅ΡΠ°ΡΡΡΡ Π² ΡΠΈΠ»ΠΈΠ½Π΄ΡΠ°Ρ Π²ΠΏΠ΅ΡΠ΅Π΄. ΠΡΠΈ ΡΡΠΎΠΌ ΡΠΎΠ»ΠΊΠ°ΡΠ΅Π»Ρ ΠΏΠ΅ΡΠ΅ΠΌΠ΅ΡΠ°Π΅Ρ ΠΏΠΎΡΡΠ΅Π½Ρ Π² Π³Π»Π°Π²Π½ΠΎΠΌ Π³ΠΈΠ΄ΡΠ°Π²Π»ΠΈΡΠ΅ΡΠΊΠΎΠΌ ΡΠΈΠ»ΠΈΠ½Π΄ΡΠ΅, ΠΈ ΡΠΎΠ·Π΄Π°Π²Π°Π΅ΠΌΡΠΌ ΠΏΡΠΈ ΡΡΠΎΠΌ Π΄Π°Π²Π»Π΅Π½ΠΈΠ΅ΠΌ ΠΆΠΈΠ΄ΠΊΠΎΡΡΠΈ Π² Π³ΠΈΠ΄ΡΠ°Π²Π»ΠΈΡΠ΅ΡΠΊΠΎΠΉ ΡΠΈΡΡΠ΅ΠΌΠ΅ ΡΠΎΡΠΌΠΎΠ·Π° ΠΊΠΎΠ»Π΅Ρ Π²ΠΊΠ»ΡΡΠ°ΡΡΡΡ Π² Π΄Π΅ΠΉΡΡΠ²ΠΈΠ΅. ΠΡΠΈ ΠΎΡΠΏΡΡΠΊΠ°Π½ΠΈΠΈ ΠΏΠ΅Π΄Π°Π»ΠΈ ΡΠΎΡΠΌΠΎΠ·Π½Π°Ρ ΡΠΈΡΡΠ΅ΠΌΠ° Π²ΡΠΊΠ»ΡΡΠ°Π΅ΡΡΡ. ΠΠ°Π»ΠΈΡΠΈΠ΅ ΠΏΠ½Π΅Π²ΠΌΠΎΡΡΠΈΠ»ΠΈΡΠ΅Π»Π΅ΠΉ ΠΏΠΎΠ½ΠΈΠΆΠ°Π΅Ρ ΡΡΠΈΠ»ΠΈΠ΅ Π½Π° ΠΏΠ΅Π΄Π°Π»ΠΈ, Π½Π΅ΠΎΠ±Ρ ΠΎΠ΄ΠΈΠΌΠΎΠ΅ Π΄Π»Ρ ΡΠΎΡΠΌΠΎΠΆΠ΅Π½ΠΈΡ Π°Π²ΡΠΎΠΌΠΎΠ±ΠΈΠ»Ρ.
Π ΠΈΡ. 2. Π¦Π΅Π½ΡΡΠ°Π»ΡΠ½ΡΠΉ ΡΠΎΡΠΌΠΎΠ· Π°Π²ΡΠΎΠΌΠΎΠ±ΠΈΠ»Ρ Π£ΡΠ°Π»-375
Π¦Π΅Π½ΡΡΠ°Π»ΡΠ½ΡΠΉ ΡΠΎΡΠΌΠΎΠ· Π±Π°ΡΠ°Π±Π°Π½Π½ΠΎ-ΠΊΠΎΠ»ΠΎΠ΄ΠΎΡΠ½ΡΠΉ Ρ ΠΌΠ΅Ρ Π°Π½ΠΈΡΠ΅ΡΠΊΠΈΠΌ ΡΡΡΠ½ΡΠΌ ΠΏΡΠΈΠ²ΠΎΠ΄ΠΎΠΌ.
ΠΠ°ΡΠ°Π±Π°Π½ Π·Π°ΠΊΡΠ΅ΠΏΠ»Π΅Π½ Π½Π° ΡΠ»Π°Π½ΡΠ΅ ΠΊΠ°ΡΠ΄Π°Π½Π½ΠΎΠ³ΠΎ ΡΠ°ΡΠ½ΠΈΡΠ° Π·Π° ΡΠ°Π·Π΄Π°ΡΠΎΡΠ½ΠΎΠΉ ΠΊΠΎΡΠΎΠ±ΠΊΠΎΠΉ. Π Π±Π°ΡΠ°Π±Π°Π½Π΅ ΡΡΡΠ°Π½ΠΎΠ²Π»Π΅Π½Ρ Π½Π° ΠΎΡΠΈ, Π·Π°ΠΊΡΠ΅ΠΏΠ»Π΅Π½Π½ΠΎΠΉ Π² ΡΠΈΡΠ΅, Π΄Π²Π΅ ΠΊΠΎΠ»ΠΎΠ΄ΠΊΠΈ Ρ Π½Π°ΠΊΠ»Π°Π΄ΠΊΠ°ΠΌΠΈ. ΠΠΎΠ»ΠΎΠ΄ΠΊΠΈ ΡΡΡΠ½ΡΡΡ Π΄Π²ΡΠΌΡ ΠΏΡΡΠΆΠΈΠ½Π°ΠΌΠΈ ΠΈ ΡΠ°Π·Π΄Π²ΠΈΠ³Π°ΡΡΡΡ ΡΠ°Π·ΠΆΠΈΠΌΠ½ΡΠΌ ΠΊΡΠ»Π°ΠΊΠΎΠΌ, ΡΡΡΠ°Π³ ΠΊΠΎΡΠΎΡΠΎΠ³ΠΎ ΡΠΎΠ΅Π΄ΠΈΠ½Π΅Π½ ΡΡΠ³Π°ΠΌΠΈ ΠΈ ΡΠ΅ΡΠ΅Π· ΠΏΡΠΎΠΌΠ΅ΠΆΡΡΠΎΡΠ½ΡΠΉ ΡΡΡΠ°Π³ Ρ ΡΡΡΠ½ΡΠΌ ΡΡΡΠ°Π³ΠΎΠΌ, ΡΠ½Π°Π±ΠΆΠ΅Π½Π½ΡΠΌ ΡΡΠΎΠΏΠΎΡΠ½ΠΎΠΉ Π·Π°ΡΠ΅Π»ΠΊΠΎΠΉ ΠΈ ΡΡΡΠ°Π½ΠΎΠ²Π»Π΅Π½Π½ΡΠΌ Π½Π° ΠΊΡΠΎΠ½ΡΡΠ΅ΠΉΠ½Π΅, ΠΊΠΎΡΠΎΡΡΠΉ Π·Π°ΠΊΡΠ΅ΠΏΠ»Π΅Π½ Π½Π° ΠΊΠ°ΡΡΠ΅ΡΠ΅ ΠΊΠΎΡΠΎΠ±ΠΊΠΈ ΠΏΠ΅ΡΠ΅Π΄Π°Ρ.
Π Π΅Π³ΡΠ»ΠΈΡΠΎΠ²ΠΊΠ° ΡΠ΅Π½ΡΡΠ°Π»ΡΠ½ΠΎΠ³ΠΎ ΡΠΎΡΠΌΠΎΠ·Π° ΠΎΡΡΡΠ΅ΡΡΠ²Π»ΡΠ΅ΡΡΡ ΠΈΠ·ΠΌΠ΅Π½Π΅Π½ΠΈΠ΅ΠΌ Π΄Π»ΠΈΠ½Ρ ΡΡΠ³ΠΈ ΡΡΡΠ½ΠΎΠ³ΠΎ ΡΡΡΠ°Π³Π° ΠΈ ΠΏΠ΅ΡΠ΅ΡΡΠ°Π½ΠΎΠ²ΠΊΠΎΠΉ ΡΡΡΠ°Π³Π° Π½Π° Π²Π°Π»Ρ ΡΠ°Π·ΠΆΠΈΠΌΠ½ΠΎΠ³ΠΎ ΠΊΡΠ»Π°ΠΊΠ°.
ΠΠ΅Ρ Π°Π½ΠΈΡΠ΅ΡΠΊΠΈΠΉ ΠΏΡΠΈΠ²ΠΎΠ΄ ΡΠ΅Π½ΡΡΠ°Π»ΡΠ½ΠΎΠ³ΠΎ ΡΠΎΡΠΌΠΎΠ·Π° ΠΎΡ ΡΡΡΠ½ΠΎΠ³ΠΎ ΡΡΡΠ°Π³Π° ΡΠ΅ΡΠ΅Π· ΠΏΡΠΎΠΌΠ΅Ρ<ΡΡΠΎΡΠ½ΡΠΉ ΡΡΡΠ°Π³ ΠΈ ΡΡΠ³Ρ ΡΠΎΠ΅Π΄ΠΈΠ½Π΅Π½ Ρ ΡΡΡΠ°Π³ΠΎΠΌ ΠΊΡΠ°Π½Π° ΡΠΏΡΠ°Π²Π»Π΅Π½ΠΈΡ ΡΠΎΡΠΌΠΎΠ·Π°ΠΌΠΈ ΠΏΡΠΈΡΠ΅ΠΏΠ°. ΠΠΎΡΡΠΎΠΌΡ ΠΏΡΠΈ ΡΠΎΡΠΌΠΎΠΆΠ΅Π½ΠΈΠΈ Π°Π²ΡΠΎΠΌΠΎΠ±ΠΈΠ»Ρ ΡΡΡΠ½ΡΠΌ ΡΠΎΡΠΌΠΎΠ·ΠΎΠΌ ΠΎΠ΄Π½ΠΎΠ²ΡΠ΅ΠΌΠ΅Π½Π½ΠΎ Π²ΠΊΠ»ΡΡΠ°ΡΡΡΡ ΡΠΎΡΠΌΠΎΠ·Π° ΠΊΠΎΠ»Π΅Ρ ΠΏΡΠΈΡΠ΅ΠΏΠ°.
ΠΠ° Π°Π²ΡΠΎΠΌΠΎΠ±ΠΈΠ»Π΅ Π£ΡΠ°Π»-377 ΡΠΎΡΠΌΠΎΠ·Π½Π°Ρ ΡΠΈΡΡΠ΅ΠΌΠ° Ρ ΠΏΠ½Π΅Π²ΠΌΠΎΠ³ΠΈΠ΄ΡΠ°Π²Π»ΠΈΡΠ΅ΡΠΊΠΈΠΌ ΠΏΡΠΈΠ²ΠΎΠ΄ΠΎΠΌ ΠΈ ΡΠ΅Π½ΡΡΠ°Π»ΡΠ½ΡΠΉ ΡΠΎΡΠΌΠΎΠ· ΠΈΠΌΠ΅ΡΡ ΡΡΡΡΠΎΠΉΡΡΠ²ΠΎ, Π°Π½Π°Π»ΠΎΠ³ΠΈΡΠ½ΠΎΠ΅ ΡΡΡΡΠΎΠΉΡΡΠ²Ρ ΡΠΎΡΠΌΠΎΠ·Π½ΠΎΠΉ ΡΠΈΡΡΠ΅ΠΌΡ Π°Π²ΡΠΎΠΌΠΎΠ±ΠΈΠ»Ρ Π£ΡΠ°Π»-375.
Π Π΅ΠΊΠ»Π°ΠΌΠ½ΡΠ΅ ΠΏΡΠ΅Π΄Π»ΠΎΠΆΠ΅Π½ΠΈΡ:
Π§ΠΈΡΠ°ΡΡ Π΄Π°Π»Π΅Π΅: Π£Ρ ΠΎΠ΄ Π·Π° ΡΠΎΡΠΌΠΎΠ·Π½ΡΠΌΠΈ ΡΠΈΡΡΠ΅ΠΌΠ°ΠΌΠΈ Ρ ΠΏΠ½Π΅Π²ΠΌΠ°ΡΠΈΡΠ΅ΡΠΊΠΈΠΌ ΠΏΡΠΈΠ²ΠΎΠ΄ΠΎΠΌ
ΠΠ°ΡΠ΅Π³ΠΎΡΠΈΡ: — Π ΡΠ»Π΅Π²ΠΎΠ΅ ΡΠΏΡΠ°Π²Π»Π΅Π½ΠΈΠ΅ ΠΈ ΡΠΎΡΠΌΠΎΠ·Π½Π°Ρ ΡΠΈΡΡΠ΅ΠΌΠ°
ΠΠ»Π°Π²Π½Π°Ρ β Π‘ΠΏΡΠ°Π²ΠΎΡΠ½ΠΈΠΊ β Π‘ΡΠ°ΡΡΠΈ β Π€ΠΎΡΡΠΌ
Π’ΠΎΡΠΌΠΎΠ·Π½Π°Ρ ΡΠΈΡΡΠ΅ΠΌΠ° Π°Π²ΡΠΎΠΌΠΎΠ±ΠΈΠ»Ρ «Π£ΡΠ°Π»»
ΠΠ°ΡΠ΅Π³ΠΎΡΠΈΡ:
Β Β Β ΠΠ²ΡΠΎΠΌΠΎΠ±ΠΈΠ»ΠΈ Π£ΡΠ°Π»
ΠΡΠ±Π»ΠΈΠΊΠ°ΡΠΈΡ:
Β Β Β Π’ΠΎΡΠΌΠΎΠ·Π½Π°Ρ ΡΠΈΡΡΠ΅ΠΌΠ° Π°Π²ΡΠΎΠΌΠΎΠ±ΠΈΠ»Ρ «Π£ΡΠ°Π»»
Π§ΠΈΡΠ°ΡΡ Π΄Π°Π»Π΅Π΅:
Π’ΠΎΡΠΌΠΎΠ·Π½Π°Ρ ΡΠΈΡΡΠ΅ΠΌΠ° Π°Π²ΡΠΎΠΌΠΎΠ±ΠΈΠ»Ρ «Π£ΡΠ°Π»»
ΠΠΎΠ½ΡΡΡΡΠΊΡΠΈΠ²Π½ΡΠ΅ ΠΎΡΠΎΠ±Π΅Π½Π½ΠΎΡΡΠΈ
ΠΠ²ΡΠΎΠΌΠΎΠ±ΠΈΠ»ΠΈ ΠΈΠΌΠ΅ΡΡ ΡΠ°Π±ΠΎΡΠΈΠΉ ΡΠΎΡΠΌΠΎΠ· Ρ Π³ΠΈΠ΄ΡΠΎΠΏΠ½Π΅Π²ΠΌΠ°ΡΠΈΡΠ΅ΡΠΊΠΈΠΌ ΠΏΡΠΈΠ²ΠΎΠ΄ΠΎΠΌ, ΡΡΠΎΡΠ½ΠΎΡΠ½ΡΠΉ ΡΠΎΡΠΌΠΎΠ· Ρ ΠΌΠ΅Ρ
Π°Π½ΠΈΡΠ΅ΡΠΊΠΈΠΌ ΠΏΡΠΈΠ²ΠΎΠ΄ΠΎΠΌ ΠΈ Π·Π°ΠΏΠ°ΡΠ½ΠΎΠΉ ΡΠΎΡΠΌΠΎΠ·, ΡΡΠ½ΠΊΡΠΈΠΈ ΠΊΠΎΡΠΎΡΠΎΠ³ΠΎ Π²ΡΠΏΠΎΠ»Π½ΡΠ΅Ρ ΠΎΠ΄ΠΈΠ½ ΠΈΠ· ΠΊΠΎΠ½ΡΡΡΠΎΠ² ΠΏΡΠΈΠ²ΠΎΠ΄Π° ΡΠ°Π±ΠΎΡΠΈΡ
ΡΠΎΡΠΌΠΎΠ·ΠΎΠ².
Π Π΅ΠΊΠ»Π°ΠΌΠ½ΡΠ΅ ΠΏΡΠ΅Π΄Π»ΠΎΠΆΠ΅Π½ΠΈΡ Π½Π° ΠΎΡΠ½ΠΎΠ²Π΅ Π²Π°ΡΠΈΡ ΠΈΠ½ΡΠ΅ΡΠ΅ΡΠΎΠ²:
Π ΠΈΡ. 1. Π‘Ρ
Π΅ΠΌΠ° ΠΏΡΠΈΠ²ΠΎΠ΄Π° ΡΡΠΎΡΠ½ΠΎΡΠ½ΠΎΠ³ΠΎ ΡΠΎΡΠΌΠΎΠ·Π°:
1 β ΡΡΡΠ°Π³; 2 β ΡΠ΅ΠΊΡΠΎΡ ΡΡΡΠ°Π³Π°; 3 β ΡΡΠ³Π° ΠΏΡΠΈΠ²ΠΎΠ΄Π° ΡΠΎΡΠΌΠΎΠ·Π½ΠΎΠ³ΠΎ ΠΊΡΠ°Π½Π°; 4 β ΡΡΡΠ°Π³ ΡΠΎΡΠΌΠΎΠ·Π½ΠΎΠ³ΠΎ ΠΊΡΠ°Π½Π°; 5, 6 β ΡΡΠ³ΠΈ ΠΏΡΠΈΠ²ΠΎΠ΄Π° ΡΠΎΡΠΌΠΎΠ·Π°; 7 β ΡΠ΅Π³ΡΠ»ΠΈΡΠΎΠ²ΠΎΡΠ½ΡΠΉ ΡΡΡΠ°Π³; 8 β ΡΠ°Π·ΠΆΠΈΠΌΠ½ΡΠΉ ΠΊΡΠ»Π°ΠΊ; 9 β ΡΠΎΡΠΌΠΎΠ·Π½Π°Ρ ΠΊΠΎΠ»ΠΎΠ΄ΠΊΠ°; 10 β ΡΡΡΠΆΠ½ΠΎΠΉ Π±ΠΎΠ»Ρ
Π‘ΡΠΎΡΠ½ΠΎΡΠ½ΡΠΉ ΡΠΎΡΠΌΠΎΠ· Π±Π°ΡΠ°Π±Π°Π½Π½ΠΎΠ³ΠΎ ΡΠΈΠΏΠ° Ρ Π΄Π²ΡΠΌΡ ΠΊΠΎΠ»ΠΎΠ΄ΠΊΠ°ΠΌΠΈ ΡΡΡΠ°Π½ΠΎΠ²Π»Π΅Π½ Π½Π° Π²ΡΡ ΠΎΠ΄Π½ΠΎΠΌ Π²Π°Π»Ρ ΡΠ°Π·Π΄Π°ΡΠΎΡΠ½ΠΎΠΉ ΠΊΠΎΡΠΎΠ±ΠΊΠΈ. Π ΡΡΠ°Π³ ΡΡΠΎΡΠ½ΠΎΡΠ½ΠΎΠ³ΠΎ ΡΠΎΡΠΌΠΎΠ·Π° ΡΠ²ΡΠ·Π°Π½ Ρ ΡΡΡΠ°Π³ΠΎΠΌ ΡΠΎΡΠΌΠΎΠ·Π½ΠΎΠ³ΠΎ ΠΊΡΠ°Π½Π°, ΠΊΠΎΡΠΎΡΡΠΌ ΡΠΏΡΠ°Π²Π»ΡΠ΅ΡΡΡ ΡΠΎΡΠΌΠΎΠ·Π½Π°Ρ ΡΠΈΡΡΠ΅ΠΌΠ° ΠΏΡΠΈΡΠ΅ΠΏΠ° ΠΎΡ ΠΏΠ½Π΅Π²ΠΌΠ°ΡΠΈΡΠ΅ΡΠΊΠΎΠΉ ΡΠΈΡΡΠ΅ΠΌΡ Π°Π²ΡΠΎΠΌΠΎΠ±ΠΈΠ»Ρ.
ΠΠΎΠ»ΡΠ·ΠΎΠ²Π°ΡΡΡΡ ΡΡΠΎΡΠ½ΠΎΡΠ½ΡΠΌ ΡΠΎΡΠΌΠΎΠ·ΠΎΠΌ ΠΏΡΠΈ Π΄Π²ΠΈΠΆΠ΅Π½ΠΈΠΈ ΡΠ°Π·ΡΠ΅ΡΠ°Π΅ΡΡΡ ΡΠΎΠ»ΡΠΊΠΎ Π² Π°Π²Π°ΡΠΈΠΉΠ½ΡΡ ΡΠ»ΡΡΠ°ΡΡ .
Π Π°Π±ΠΎΡΠΈΠ΅ ΡΠΎΡΠΌΠΎΠ·Π° Π±Π°ΡΠ°Π±Π°Π½Π½ΠΎΠ³ΠΎ ΡΠΈΠΏΠ°, Π²Π·Π°ΠΈΠΌΠΎΠ·Π°ΠΌΠ΅Π½ΡΠ΅ΠΌΡΠ΅ Π΄Π»Ρ Π²ΡΠ΅Ρ ΠΊΠΎΠ»Π΅Ρ. Π’ΠΎΡΠΌΠΎΠ· ΠΈΠΌΠ΅Π΅Ρ ΡΠ΄Π²ΠΎΠ΅Π½Π½ΡΠΉ ΠΊΠΎΠ»Π΅ΡΠ½ΡΠΉ ΡΠΈΠ»ΠΈΠ½Π΄Ρ, Π²ΡΠΏΠΎΠ»Π½Π΅Π½Π½ΡΠΉ Π² ΠΎΠ΄Π½ΠΎΠΌ ΠΊΠΎΡΠΏΡΡΠ΅. Π’ΠΎΡΠΌΠΎΠ·Π½ΡΠ΅ ΠΊΠΎΠ»ΠΎΠ΄ΠΊΠΈ ΡΡΡΠ°Π½ΠΎΠ²Π»Π΅Π½Ρ Π½Π° ΠΎΠΏΠΎΡΠ½ΡΡ ΡΠΊΡΡΠ΅Π½ΡΡΠΈΠΊΠΎΠ²ΡΡ ΠΏΠ°Π»ΡΡΠ°Ρ ΠΈ ΠΎΠΏΠΈΡΠ°ΡΡΡΡ Π½Π° ΡΠ΅Π³ΡΠ»ΠΈΡΠΎΠ²ΠΎΡΠ½ΡΠ΅ ΡΠΊΡΡΠ΅Π½ΡΡΠΈΠΊΠΈ.
Π ΠΈΡ. 2. Π Π°Π±ΠΎΡΠΈΠΉ ΡΠΎΡΠΌΠΎΠ·:
ΠΠΈΠ΄ΡΠΎΠΏΠ½Π΅Π²ΠΌΠ°ΡΠΈΡΠ΅ΡΠΊΠΈΠΉ ΡΠΎΡΠΌΠΎΠ·Π½ΠΎΠΉ ΠΏΡΠΈΠ²ΠΎΠ΄ ΡΠΎΡΡΠΎΠΈΡ ΠΈΠ· Π΄Π²ΡΡ
ΠΊΠΎΠ½ΡΡΡΠ½ΠΎΠ³ΠΎ Π³ΠΈΠ΄ΡΠ°Π²Π»ΠΈΡΠ΅ΡΠΊΠΎΠ³ΠΎ ΠΈ ΠΎΠ΄Π½ΠΎΠΊΠΎΠ½ΡΡΡΠ½ΠΎΠ³ΠΎ ΠΏΠ½Π΅Π²ΠΌΠ°ΡΠΈΡΠ΅ΡΠΊΠΎΠ³ΠΎ ΠΏΡΠΈΠ²ΠΎΠ΄ΠΎΠ².
ΠΠ΅ΡΠ²ΡΠΉ ΠΊΠΎΠ½ΡΡΡ ΠΏΡΠΈΠ²ΠΎΠ΄ΠΈΡ Π² Π΄Π΅ΠΉΡΡΠ²ΠΈΠ΅ ΡΠΎΡΠΌΠΎΠ·Π° ΠΏΠ΅ΡΠ΅Π΄Π½Π΅Π³ΠΎ ΠΈ ΡΡΠ΅Π΄Π½Π΅Π³ΠΎ ΠΌΠΎΡΡΠΎΠ², Π²ΡΠΎΡΠΎΠΉβ ΡΠΎΡΠΌΠΎΠ·Π° Π·Π°Π΄Π½Π΅Π³ΠΎ ΠΌΠΎΡΡΠ°.
ΠΠ½Π΅Π²ΠΌΠ°ΡΠΈΡΠ΅ΡΠΊΠΎΠ΅ ΠΎΠ±ΠΎΡΡΠ΄ΠΎΠ²Π°Π½ΠΈΠ΅ ΠΏΡΠΈΠ²ΠΎΠ΄Π° ΡΠΎΡΠΌΠΎΠ·ΠΎΠ². ΠΠ° ΠΏΠ΅ΡΠ΅Π΄Π½Π΅ΠΌ Π²ΠΎΠ·Π΄ΡΡΠ½ΠΎΠΌ Π±Π°Π»Π»ΠΎΠ½Π΅ ΡΡΡΠ°Π½ΠΎΠ²Π»Π΅Π½ Π²ΠΊΠ»ΡΡΠ°ΡΠ΅Π»Ρ ΠΌΠΈΠ½ΠΈΠΌΠ°Π»ΡΠ½ΠΎΠ³ΠΎ Π΄Π°Π²Π»Π΅Π½ΠΈΡ Π²ΠΎΠ·Π΄ΡΡ Π°. ΠΡΠΈ ΠΏΠ°Π΄Π΅Π½ΠΈΠΈ Π΄Π°Π²Π»Π΅Π½ΠΈΡ Π²ΠΎΠ·Π΄ΡΡ Π° Π² ΡΠΈΡΡΠ΅ΠΌΠ΅ Π½ΠΈΠΆΠ΅ Π΄ΠΎΠΏΡΡΡΠΈΠΌΠΎΠ³ΠΎ Π²ΠΊΠ»ΡΡΠ°Π΅ΡΡΡ ΠΊΡΠ°ΡΠ½Π°Ρ ΡΠΈΠ³Π½Π°Π»ΡΠ½Π°Ρ Π»Π°ΠΌΠΏΠ° Β«Π²ΠΎΠ·Π΄ΡΡ Β» Π½Π° ΡΠΈΡΠΊΠ΅ ΠΏΡΠΈΠ±ΠΎΡΠΎΠ². Π ΡΡΠΎΠΌ ΡΠ»ΡΡΠ°Π΅ Π½Π΅ΠΎΠ±Ρ ΠΎΠ΄ΠΈΠΌΠΎ ΡΡΡΡΠ°Π½ΠΈΡΡ Π½Π΅ΠΈΡΠΏΡΠ°Π²Π½ΠΎΡΡΡ Π² ΠΏΠ½Π΅Π²ΠΌΠ°ΡΠΈΡΠ΅ΡΠΊΠΎΠΉ ΡΠ°ΡΡΠΈ ΡΠΎΡΠΌΠΎΠ·Π½ΠΎΠ³ΠΎ ΠΏΡΠΈΠ²ΠΎΠ΄Π°.
ΠΠΎΠ·Π΄ΡΡΠ½ΡΠΉ ΠΊΠΎΠΌΠΏΡΠ΅ΡΡΠΎΡ ΠΏΠΎΡΡΠ½Π΅Π²ΠΎΠ³ΠΎ ΡΠΈΠΏΠ° Π½Π΅ΠΏΡΡΠΌΠΎΡΠΎΡΠ½ΡΠΉ, Π΄Π²ΡΡ ΡΠΈΠ»ΠΈΠ½Π΄ΡΠΎΠ²ΡΠΉ, ΠΎΠ΄Π½ΠΎΡΡΡΠΏΠ΅Π½ΡΠ°ΡΠΎΠ³ΠΎ ΡΠΆΠ°ΡΠΈΡ.
ΠΠΎΠ·Π΄ΡΡ ΠΈΠ· Π²ΠΎΠ·Π΄ΡΡΠ½ΠΎΠ³ΠΎ ΡΠΈΠ»ΡΡΡΠ° Π΄Π²ΠΈΠ³Π°ΡΠ΅Π»Ρ ΠΏΠΎΡΡΡΠΏΠ°Π΅Ρ Π² ΡΠΈΠ»ΠΈΠ½Π΄ΡΡ ΠΊΠΎΠΌΠΏΡΠ΅ΡΡΠΎΡΠ° ΡΠ΅ΡΠ΅Π· ΠΏΠ»Π°ΡΡΠΈΠ½ΡΠ°ΡΡΠ΅ Π²ΠΏΡΡΠΊΠ½ΡΠ΅ ΠΊΠ»Π°ΠΏΠ°Π½Ρ. Π‘ΠΆΠ°ΡΡΠΉ ΠΏΠΎΡΡΠ½ΡΠΌΠΈ Π²ΠΎΠ·Π΄ΡΡ Π²ΡΡΠ΅ΡΠ½ΡΠ΅ΡΡΡ Π² ΠΏΠ½Π΅Π²ΠΌΠ°ΡΠΈΡΠ΅ΡΠΊΡΡ ΡΠΈΡΡΠ΅ΠΌΡ ΡΠ΅ΡΠ΅Π· ΡΠ°ΡΠΏΠΎΠ»ΠΎΠΆΠ΅Π½Π½ΡΠ΅ Π² Π³ΠΎΠ»ΠΎΠ²ΠΊΠ΅ ΡΠΈΠ»ΠΈΠ½Π΄ΡΠΎΠ² ΠΏΠ»Π°ΡΡΠΈΠ½ΡΠ°ΡΡΠ΅ Π½Π°Π³Π½Π΅ΡΠ°ΡΠ΅Π»ΡΠ½ΡΠ΅ ΠΊΠ»Π°ΠΏΠ°Π½Ρ.
Π ΠΈΡ. 3. ΠΠΎΠ·Π΄ΡΡΠ½ΡΠΉ ΠΊΠΎΠΌΠΏΡΠ΅ΡΡΠΎΡ:
ΠΠΎΠ»ΠΎΠ²ΠΊΠ° ΡΠΈΠ»ΠΈΠ½Π΄ΡΠΎΠ² ΠΊΠΎΠΌΠΏΡΠ΅ΡΡΠΎΡΠ° ΠΈΠΌΠ΅Π΅Ρ ΡΠ°Π·Π³ΡΡΠ·ΠΎΡΠ½ΠΎΠ΅ ΡΡΡΡΠΎΠΉΡΡΠ²ΠΎ, ΡΠΎΠ΅Π΄ΠΈΠ½Π΅Π½Π½ΠΎΠ΅ Ρ ΡΠ΅Π³ΡΠ»ΡΡΠΎΡΠΎΠΌ Π΄Π°Π²Π»Π΅Π½ΠΈΡ. ΠΡΠΈ Π΄ΠΎΡΡΠΈΠΆΠ΅Π½ΠΈΠΈ Π² ΠΏΠ½Π΅Π²ΠΌΠ°ΡΠΈΡΠ΅ΡΠΊΠΎΠΉ ΡΠΈΡΡΠ΅ΠΌΠ΅ ΠΌΠ°ΠΊΡΠΈΠΌΠ°Π»ΡΠ½ΠΎΠ³ΠΎ Π΄Π°Π²Π»Π΅Π½ΠΈΡ Π²ΠΎΠ·Π΄ΡΡ
Π° Π½Π°Π³Π½Π΅ΡΠ°Π½ΠΈΠ΅ ΠΏΡΠ΅ΠΊΡΠ°ΡΠ°Π΅ΡΡΡ.
ΠΠΎΠ³Π΄Π° Π΄Π°Π²Π»Π΅Π½ΠΈΠ΅ ΡΠ½ΠΈΠ·ΠΈΡΡΡ Π΄ΠΎ ΠΌΠΈΠ½ΠΈΠΌΠ°Π»ΡΠ½ΠΎΠ³ΠΎ Π·Π½Π°ΡΠ΅Π½ΠΈΡ, ΡΠ΅Π³ΡΠ»ΡΡΠΎΡ Π΄Π°Π²Π»Π΅Π½ΠΈΡ ΠΎΡΠΊΠ»ΡΡΠΈΡ ΡΠ°Π·Π³ΡΡΠ·ΠΎΡΠ½ΠΎΠ΅ ΡΡΡΡΠΎΠΉΡΡΠ²ΠΎ ΠΈ ΠΊΠΎΠΌΠΏΡΠ΅ΡΡΠΎΡ ΡΠ½ΠΎΠ²Π° Π½Π°ΡΠ½Π΅Ρ Π½Π°Π³Π½Π΅ΡΠ°ΡΡ Π²ΠΎΠ·Π΄ΡΡ
Π² ΠΏΠ½Π΅Π²ΠΌΠ°ΡΠΈΡΠ΅ΡΠΊΡΡ ΡΠΈΡΡΠ΅ΠΌΡ.
ΠΠ»ΠΎΠΊ ΠΈ Π³ΠΎΠ»ΠΎΠ²ΠΊΠ° ΡΠΈΠ»ΠΈΠ½Π΄ΡΠΎΠ² ΠΎΡ Π»Π°ΠΆΠ΄Π°ΡΡΡΡ ΠΆΠΈΠ΄ΠΊΠΎΡΡΡΡ, ΠΏΠΎΠ΄Π²ΠΎΠ΄ΠΈΠΌΠΎΠΉ ΠΈΠ· ΡΠΈΡΡΠ΅ΠΌΡ ΠΎΡ Π»Π°ΠΆΠ΄Π΅Π½ΠΈΡ Π΄Π²ΠΈΠ³Π°ΡΠ΅Π»Ρ. Π‘ΠΈΡΡΠ΅ΠΌΠ° ΠΎΡ Π»Π°ΠΆΠ΄Π΅Π½ΠΈΡ ΠΊΠΎΠΌΠΏΡΠ΅ΡΡΠΎΡΠ° Π·Π°ΠΏΠΎΠ»Π½ΡΠ΅ΡΡΡ ΡΠΎΠ»ΡΠΊΠΎ ΠΏΡΠΈ ΡΠ°Π±ΠΎΡΠ°ΡΡΠ΅ΠΌ Π΄Π²ΠΈΠ³Π°ΡΠ΅Π»Π΅. ΠΠΎΡΡΠΎΠΌΡ, Π·Π°Π»ΠΈΠ² Π² ΡΠ°Π΄ΠΈΠ°ΡΠΎΡ Π²ΠΎΠ΄Ρ, ΡΠ»Π΅Π΄ΡΠ΅Ρ ΠΏΡΡΡΠΈΡΡ Π΄Π²ΠΈΠ³Π°ΡΠ΅Π»Ρ, Π΄Π°ΡΡ Π΅ΠΌΡ ΠΏΠΎΡΠ°Π±ΠΎΡΠ°ΡΡ 3β5 ΠΌΠΈΠ½ ΠΈ ΠΏΠΎΡΠ»Π΅ ΡΡΠΎΠ³ΠΎ ΠΏΡΠΎΠ²Π΅ΡΠΈΡΡ ΡΡΠΎΠ²Π΅Π½Ρ Π² ΡΠ°Π΄ΠΈΠ°ΡΠΎΡΠ΅.
ΠΠ°ΡΠ»ΠΎ ΠΊ ΡΡΡΡΠΈΠΌΡΡ ΠΏΠΎΠ²Π΅ΡΡ Π½ΠΎΡΡΡΠΌ ΠΊΠΎΠΌΠΏΡΠ΅ΡΡΠΎΡΠ° ΠΏΠΎΡΡΡΠΏΠ°Π΅Ρ ΠΏΠΎ ΡΡΡΠ±ΠΊΠ΅ ΠΈΠ· ΠΌΠ°ΡΠ»ΡΠ½ΠΎΠΉ ΠΌΠ°Π³ΠΈΡΡΡΠ°Π»ΠΈ Π΄Π²ΠΈΠ³Π°ΡΠ΅Π»Ρ ΠΊ Π·Π°Π΄Π½Π΅ΠΉ ΠΊΡΡΡΠΊΠ΅ ΠΊΠ°ΡΡΠ΅ΡΠ° ΠΊΠΎΠΌΠΏΡΠ΅ΡΡΠΎΡΠ° ΠΈ ΡΠ΅ΡΠ΅Π· ΡΠΏΠ»ΠΎΡΠ½ΠΈΡΠ΅Π»Ρ ΠΏΠΎ ΠΊΠ°Π½Π°Π»Π°ΠΌ ΠΊΠΎΠ»Π΅Π½ΡΠ°ΡΠΎΠ³ΠΎ Π²Π°Π»Π° βΠΊ ΡΠ°ΡΡΠ½Π½ΡΠΌ ΠΏΠΎΠ΄ΡΠΈΠΏΠ½ΠΈΠΊΠ°ΠΌ. ΠΠΎΡΠ΅Π½Π½ΡΠ΅ ΡΠ°ΡΠΈΠΊΠΎΠΏΠΎΠ΄ΡΠΈΠΏΠ½ΠΈΠΊΠΈ, ΠΏΠΎΡΡΠ½Π΅Π²ΡΠ΅ ΠΏΠ°Π»ΡΡΡ ΠΈ ΡΡΠ΅Π½ΠΊΠΈ ΡΠΈΠ»ΠΈΠ½Π΄ΡΠΎΠ² ΡΠΌΠ°Π·ΡΠ²Π°ΡΡΡΡ ΡΠ°Π·Π±ΡΡΠ·Π³ΠΈΠ²Π°Π½ΠΈΠ΅ΠΌ.
Π Π΅Π³ΡΠ»ΡΡΠΎΡ Π΄Π°Π²Π»Π΅Π½ΠΈΡ, ΡΡΡΠ°Π½ΠΎΠ²Π»Π΅Π½Π½ΡΠΉ Π½Π° ΠΊΠΎΠΌΠΏΡΠ΅ΡΡΠΎΡΠ΅, Π°Π²ΡΠΎΠΌΠ°ΡΠΈΡΠ΅ΡΠΊΠΈ ΠΏΠΎΠ΄Π΄Π΅ΡΠΆΠΈΠ²Π°Π΅Ρ Π² ΡΠΈΡΡΠ΅ΠΌΠ΅ Π½Π΅ΠΎΠ±Ρ ΠΎΠ΄ΠΈΠΌΠΎΠ΅ Π΄Π°Π²Π»Π΅Π½ΠΈΠ΅ ΡΠΆΠ°ΡΠΎΠ³ΠΎ Π²ΠΎΠ·Π΄ΡΡ Π° ΠΏΡΡΠ΅ΠΌ Π²ΠΏΡΡΠΊΠ° Π²ΠΎΠ·Π΄ΡΡ Π° Π² ΡΠ°Π·Π³ΡΡΠ·ΠΎΡΠ½ΠΎΠ΅ ΡΡΡΡΠΎΠΉΡΡΠ²ΠΎ ΠΊΠΎΠΌΠΏΡΠ΅ΡΡΠΎΡΠ° ΠΈΠ»ΠΈ Π²ΡΠΏΡΡΠΊΠ° ΠΈΠ· Π½Π΅Π³ΠΎ.
ΠΠ»Ρ ΡΠ²Π΅Π»ΠΈΡΠ΅Π½ΠΈΡ ΡΡΡΠ΅ΠΊΡΠΈΠ²Π½ΠΎΡΡΠΈ ΡΠ°Π±ΠΎΡΡ ΡΠ΅Π³ΡΠ»ΡΡΠΎΡ ΡΠ½Π°Π±ΠΆΠ΅Π½ Π΄Π²ΡΠΌΡ ΡΠΈΠ»ΡΡΡΠ°ΠΌΠΈ: ΠΎΠ΄ΠΈΠ½ ΡΡΡΠ°Π½ΠΎΠ²Π»Π΅Π½ Π² ΠΌΠ΅ΡΡΠ΅ ΠΏΠΎΡΡΡΠΏΠ»Π΅Π½ΠΈΡ Π²ΠΎΠ·Π΄ΡΡ
Π° ΠΈΠ· ΠΏΠ½Π΅Π²ΠΌΠΎΡΠΈΡΡΠ΅ΠΌΡ, Π΄ΡΡΠ³ΠΎΠΉ β Π½Π° Π²ΡΡ
ΠΎΠ΄Π΅ ΠΈΠ· ΡΠ°Π·Π³ΡΡΠ·ΠΎΡΠ½ΠΎΠ³ΠΎ ΡΡΡΡΠΎΠΉΡΡΠ²Π°.
Π ΠΈΡ. 4. Π Π΅Π³ΡΠ»ΡΡΠΎΡ Π΄Π°Π²Π»Π΅Π½ΠΈΡ:
1 β ΠΊΠΎΡΠΏΡΡ; 2 β ΠΌΠ΅ΡΠ°Π»Π»ΠΎΠΊΠ΅ΡΠ°ΠΌΠΈΡΠ΅ΡΠΊΠΈΠΉ ΡΠΈΠ»ΡΡΡ; 3β ΡΠΏΠ»ΠΎΡΠ½ΠΈΡΠ΅Π»ΡΠ½ΠΎΠ΅ ΠΊΠΎΠ»ΡΡΠΎ; 4 β ΠΏΡΡΠΆΠΈΠ½Π° ΠΊΠ»Π°ΠΏΠ°Π½Π°; 5 β Π²ΠΏΡΡΠΊΠ½ΠΎΠΉ ΠΊΠ»Π°ΠΏΠ°Π½; 6 β Π²ΡΠΏΡΡΠΊΠ½ΠΎΠΉ ΠΊΠ»Π°ΠΏΠ°Π½; 7 β ΡΠ΅Π³ΡΠ»ΠΈΡΠΎΠ²ΠΎΡΠ½ΡΠ΅ ΠΏΡΠΎΠΊΠ»Π°Π΄ΠΊΠΈ; 8 β ΠΊΠΎΠ½ΡΡΠ³Π°ΠΉΠΊΠ°; 9 β ΡΠ΅Π³ΡΠ»ΠΈΡΠΎΠ²ΠΎΡΠ½ΡΠΉ ΠΊΠΎΠ»ΠΏΠ°ΠΊ; 10 β ΠΏΡΡΠΆΠΈΠ½Π° ΡΠ΅Π³ΡΠ»ΡΡΠΎΡΠ°; 11 β ΠΊΠΎΠΆΡΡ
; 12 β ΡΠΏΠΎΡΠ½ΡΠΉ ΡΠ°ΡΠΈΠΊ; 13 β ΡΡΠΎΠΊ ΠΊΠ»Π°ΠΏΠ°Π½Π°; 14 β ΡΠ΅Π΄Π»ΠΎ Π²ΡΠΏΡΡΠΊΠ½ΠΎΠ³ΠΎ ΠΊΠ»Π°ΠΏΠ°Π½Π°; 15 β ΡΠ΅ΡΡΠ°ΡΡΠΉ ΡΠΈΠ»ΡΡΡ; 16 β ΠΏΡΠΎΠ±ΠΊΠ° ΡΠΈΠ»ΡΡΡΠ°
Π ΠΈΡ. 5. ΠΡΠ΅Π΄ΠΎΡ
ΡΠ°Π½ΠΈΡΠ΅Π»ΡΠ½ΡΠΉ ΠΊΠ»Π°ΠΏΠ°Π½:
1 β ΡΠ΅Π΄Π»ΠΎ; 2 β ΠΊΠΎΡΠΏΡΡ; 3 β ΡΠ°ΡΠΈΠΊ; 4 β ΠΏΡΡΠΆΠΈΠ½Π°; 5 β ΠΊΠΎΠ½ΡΡΠ³Π°ΠΉΠΊΠ°; 6 β ΡΠ΅Π³ΡΠ»ΠΈΡΠΎΠ²ΠΎΡΠ½ΡΠΉ Π²ΠΈΠ½Ρ; 7 β ΡΡΠ΅ΡΠΆΠ΅Π½Ρ
Π ΠΈΡ. 6. Π’ΠΎΡΠΌΠΎΠ·Π½ΠΎΠΉ ΠΊΡΠ°Π½:
1 β ΡΡΠ³Π° Π²Π΅ΡΡ
Π½Π΅Π³ΠΎ ΡΠΈΠ»ΠΈΠ½Π΄ΡΠ°; 2 β ΡΡΡΠ°Π³; 3 β ΡΡΡΠ°Π³ ΡΡΡΠ½ΠΎΠ³ΠΎ ΠΏΡΠΈΠ²ΠΎΠ΄Π° ΡΠΎΡΠΌΠΎΠ·ΠΎΠ² ΠΏΡΠΈΡΠ΅ΠΏΠ°; 4, 29 β ΡΠ΅Π³ΡΠ»ΠΈΡΠΎΠ²ΠΎΡΠ½ΡΠ΅ Π³Π°ΠΉΠΊΠΈ; 5, 27 β ΠΏΡΠ»Π΅ΠΏΡΠ΅Π΄ΠΎΡ
ΡΠ°Π½ΠΈΡΠ΅Π»ΠΈ; 6 β ΡΡΠΎΠΏΠΎΡΠ½ΡΠΉ Π±ΠΎΠ»Ρ; 7 β ΠΊΡΡΡΠΊΠ° Π²Π΅ΡΡ
Π½Π΅Π³ΠΎ ΡΠΈΠ»ΠΈΠ½Π΄ΡΠ°; 8, 22 β ΡΠΏΠ»ΠΎΡΠ½ΠΈΡΠ΅Π»ΡΠ½ΡΠ΅ ΠΊΠΎΠ»ΡΡΠ°; 9 β ΡΡΡΠ±Π° ΡΡΠ°Π²Π½ΠΎΠ²Π΅ΡΠΈΠ²Π°ΡΡΠ΅ΠΉ ΠΏΡΡΠΆΠΈΠ½Ρ; 10 β ΡΡΠ°Π²Π½ΠΎΠ²Π΅ΡΠΈΠ²Π°ΡΡΠ°Ρ ΠΏΡΡΠΆΠΈΠ½Π°; 11 β ΡΠΏΠΎΡΠ½Π°Ρ Π³Π°ΠΉΠΊΠ°; 12, 21 β ΠΌΠ°Π½ΠΆΠ΅ΡΡ ΠΏΠΎΡΡΠ½Π΅ΠΉ; 13, 20 β Π²ΠΎΠ·Π²ΡΠ°ΡΠ½ΡΠ΅ ΠΏΡΡΠΆΠΈΠ½Ρ; 14 β ΠΏΠΎΡΡΠ΅Π½Ρ Π²Π΅ΡΡ
Π½Π΅Π³ΠΎ ΡΠΈΠ»ΠΈΠ½Π΄ΡΠ°; 15 β ΠΊΠ»Π°ΠΏΠ°Π½; 16, 18β ΠΏΡΡΠΆΠΈΠ½Ρ ΠΊΠ»Π°ΠΏΠ°Π½ΠΎΠ²; 17 β ΠΊΠΎΡΠΏΡΡ; 19 β ΠΏΠΎΡΡΠ΅Π½Ρ Π½ΠΈΠΆΠ½Π΅Π³ΠΎ ΡΠΈΠ»ΠΈΠ½Π΄ΡΠ°; 23 β ΠΊΡΡΡΠΊΠ° Π½ΠΈΠΆΠ½Π΅Π³ΠΎ ΡΠΈΠ»ΠΈΠ½Π΄ΡΠ°; 24 β ΡΠ΅Π³ΡΠ»ΠΈΡΠΎΠ²ΠΎΡΠ½ΠΎΠ΅ ΡΠ΅ΠΆΠΈΠΌΠ½ΠΎΠ΅ ΠΊΠΎΠ»ΡΡΠΎ; 25 β ΡΠ΅Π³ΡΠ»ΠΈΡΠΎΠ²ΠΎΡΠ½Π°Ρ Π²ΡΡΠ»ΠΊΠ°; 26, 30 β ΠΏΡΡΠΆΠΈΠ½Ρ ΡΡΠ³ΠΈ Π½ΠΈΠΆΠ½Π΅Π³ΠΎ ΠΈ Π²Π΅ΡΡ
Π½Π΅Π³ΠΎ ΡΠΈΠ»ΠΈΠ½Π΄ΡΠΎΠ²; 28 β ΡΡΠ³Π° Π½ΠΈΠΆΠ½Π΅Π³ΠΎ ΡΠΈΠ»ΠΈΠ½Π΄ΡΠ°; Π β ΠΎΡ Π²ΠΎΠ·Π΄ΡΡΠ½ΠΎΠ³ΠΎ Π±Π°Π»Π»ΠΎΠ½Π°; Π ΠΊ Π β ΠΊ ΠΏΠ½Π΅Π²ΠΌΠΎΡΡΠΈΠ»ΠΈΡΠ΅Π»Ρ; Π β Π² ΠΌΠ°Π³ΠΈΡΡΡΠ°Π»Ρ ΠΏΡΠΈΡΠ΅ΠΏΠ°
ΠΡΠ΅Π΄ΠΎΡ
ΡΠ°Π½ΠΈΡΠ΅Π»ΡΠ½ΡΠΉ ΠΊΠ»Π°ΠΏΠ°Π½ ΡΡΡΠ°Π½ΠΎΠ²Π»Π΅Π½ Π½Π° Π²ΠΎΠ·Π΄ΡΡΠ½ΠΎΠΌ Π±Π°Π»Π»ΠΎΠ½Π΅ ΠΈ ΠΏΡΠ΅Π΄ΠΎΡ
ΡΠ°Π½ΡΠ΅Ρ ΠΏΠ½Π΅Π²ΠΌΠ°ΡΠΈΡΠ΅ΡΠΊΡΡ ΡΠΈΡΡΠ΅ΠΌΡ ΠΎΡ ΡΡΠ΅Π·ΠΌΠ΅ΡΠ½ΠΎΠ³ΠΎ ΠΏΠΎΠ²ΡΡΠ΅Π½ΠΈΡ Π΄Π°Π²Π»Π΅Π½ΠΈΡ ΠΏΡΠΈ Π½Π΅ΠΈΡΠΏΡΠ°Π²Π½ΠΎΡΡΠΈ ΡΠ΅Π³ΡΠ»ΡΡΠΎΡΠ° Π΄Π°Π²Π»Π΅Π½ΠΈΡ.
ΠΠ»Π°ΠΏΠ°Π½ ΠΎΡΡΠ΅Π³ΡΠ»ΠΈΡΠΎΠ²Π°Π½ ΡΠ°ΠΊ, ΡΡΠΎ ΠΏΡΠΈ Π΄Π°Π²Π»Π΅Π½ΠΈΠΈ Π²ΠΎΠ·Π΄ΡΡ Π° 9,0β9,5 ΠΊΠ³Ρ/ΡΠΌ2 ΠΎΠ½ ΠΎΡΠΊΡΡΠ²Π°Π΅ΡΡΡ ΠΈ Π²ΡΠΏΡΡΠΊΠ°Π΅Ρ Π»ΠΈΡΠ½ΠΈΠΉ Π²ΠΎΠ·Π΄ΡΡ Π² Π°ΡΠΌΠΎΡΡΠ΅ΡΡ ΡΠ΅ΡΠ΅Π· Π±ΠΎΠΊΠΎΠ²ΠΎΠ΅ ΠΎΡΠ²Π΅ΡΡΡΠΈΠ΅ Π² ΠΊΠΎΡΠΏΡΡΠ΅.
Π’ΠΎΡΠΌΠΎΠ·Π½ΠΎΠΉ ΠΊΡΠ°Π½ ΡΠ²Π»ΡΠ΅ΡΡΡ ΠΊΠΎΠΌΠ±ΠΈΠ½ΠΈΡΠΎΠ²Π°Π½Π½ΡΠΌ ΠΊΡΠ°Π½ΠΎΠΌ ΠΏΠΎΡΡΠ½Π΅Π²ΠΎΠ³ΠΎ ΡΠΈΠΏΠ°, Π² ΠΊΠΎΡΠΎΡΠΎΠΌ ΠΎΡΠ³Π°Π½Ρ ΡΠΏΡΠ°Π²Π»Π΅Π½ΠΈΡ ΡΠΎΡΠΌΠΎΠ·Π°ΠΌΠΈ Π°Π²ΡΠΎΠΌΠΎΠ±ΠΈΠ»Ρ-ΡΡΠ³Π°ΡΠ° ΠΈ ΠΈΠ΄ΡΡΠΈΡ Π·Π° Π½ΠΈΠΌ ΠΏΡΠΈΡΠ΅ΠΏΠΎΠ² ΠΎΠ±ΡΠ΅Π΄ΠΈΠ½Π΅Π½Ρ Π² ΠΎΠ΄Π½ΠΎΠΌ Π°Π³ΡΠ΅Π³Π°ΡΠ΅.
ΠΡΠ°Π½ ΡΠ»ΡΠΆΠΈΡ Π΄Π»Ρ ΡΠ°ΡΠΏΡΠ΅Π΄Π΅Π»Π΅Π½ΠΈΡ ΡΠΆΠ°ΡΠΎΠ³ΠΎ Π²ΠΎΠ·Π΄ΡΡ Π° ΠΈ ΠΏΠΎΠ΄Π°ΡΠΈ Π΅Π³ΠΎ Π² ΠΏΠ½Π΅Π²ΠΌΠΎΡΡΠΈΠ»ΠΈΡΠ΅Π»ΠΈ ΠΈ ΡΠΎΡΠΌΠΎΠ·Π½ΡΡ ΡΠΈΡΡΠ΅ΠΌΡ ΠΏΡΠΈΡΠ΅ΠΏΠ°. ΠΠ΅ΡΡ Π½ΠΈΠΉ ΡΠΈΠ»ΠΈΠ½Π΄Ρ ΠΊΡΠ°Π½Π° ΠΏΡΠ΅Π΄Π½Π°Π·Π½Π°ΡΠ΅Π½ Π΄Π»Ρ ΡΠΏΡΠ°Π²Π»Π΅Π½ΠΈΡ ΡΠΎΡΠΌΠΎΠ·Π°ΠΌΠΈ ΠΏΡΠΈΡΠ΅ΠΏΠ°, Π½ΠΈΠΆΠ½ΠΈΠΉ β Π΄Π»Ρ ΡΠΏΡΠ°Π²Π»Π΅Π½ΠΈΡ ΡΠΎΡΠΌΠΎΠ·Π°ΠΌΠΈ ΡΡΠ³Π°ΡΠ°. ΠΡΠ°Π½ ΡΡΡΠ°Π½ΠΎΠ²Π»Π΅Π½ Π½Π° Π»Π΅Π²ΠΎΠΌ Π»ΠΎΠ½ΠΆΠ΅ΡΠΎΠ½Π΅ ΡΠ°ΠΌΡ ΠΏΠΎΠ΄ ΠΊΠ°Π±ΠΈΠ½ΠΎΠΉ.
ΠΠ° Π½ΠΈΠΆΠ½Π΅ΠΉ ΠΊΠ°ΠΌΠ΅ΡΠ΅ ΡΠΎΡΠΌΠΎΠ·Π½ΠΎΠ³ΠΎ ΠΊΡΠ°Π½Π° ΡΡΡΠ°Π½ΠΎΠ²Π»Π΅Π½ΠΎ ΡΠ΅ΠΆΠΈΠΌΠ½ΠΎΠ΅ ΠΊΠΎΠ»ΡΡΠΎ. ΠΡΠΈ Π΄Π²ΠΈΠΆΠ΅Π½ΠΈΠΈ Ρ ΠΏΠΎΡΠΎΠΆΠ½ΠΈΠΌΠΈ ΠΏΡΠΈΡΠ΅ΠΏΠ°ΠΌΠΈ ΡΠ΅ΠΆΠΈΠΌΠ½ΠΎΠ΅ ΠΊΠΎΠ»ΡΡΠΎ Π΄ΠΎΠ»ΠΆΠ½ΠΎ Π±ΡΡΡ ΡΡΡΠ°Π½ΠΎΠ²Π»Π΅Π½ΠΎ Π² ΠΏΠΎΠ»ΠΎΠΆΠ΅Π½ΠΈΠ΅ Π―; Π² ΡΡΠΎΠΌ ΡΠ»ΡΡΠ°Π΅ ΠΎΠΏΠ΅ΡΠ΅ΠΆΠ΅Π½ΠΈΠ΅ Π΄Π΅ΠΉΡΡΠ²ΠΈΡ ΡΠΎΡΠΌΠΎΠ·ΠΎΠ² ΠΏΡΠΈΡΠ΅ΠΏΠ° ΠΏΠΎ ΠΎΡΠ½ΠΎΡΠ΅Π½ΠΈΡ ΠΊ ΡΡΠ³Π°ΡΡ Π±ΡΠ΄Π΅Ρ Π½Π°ΠΈΠΌΠ΅Π½ΡΡΠΈΠΌ. ΠΡΠΈ ΡΠ°Π±ΠΎΡΠ΅ Ρ ΡΡΠΆΠ΅Π»ΠΎΠ½Π°Π³ΡΡΠΆΠ΅Π½Π½ΡΠΌΠΈ ΠΏΡΠΈΡΠ΅ΠΏΠ°ΠΌΠΈ ΠΈ Π±ΠΎΠ»ΡΡΠΎΠΉ ΠΌΠ°ΡΡΠ΅ Π°Π²ΡΠΎΠΏΠΎΠ΅Π·Π΄Π° ΡΠ΅ΠΆΠΈΠΌΠ½ΠΎΠ΅ ΠΊΠΎΠ»ΡΡΠΎ Π΄ΠΎΠ»ΠΆΠ½ΠΎ Π±ΡΡΡ ΠΏΠ΅ΡΠ΅ΡΡΠ°Π²Π»Π΅Π½ΠΎ Π² ΠΏΠΎΠ»ΠΎΠΆΠ΅Π½ΠΈΠ΅ Π .
Π ΠΈΡ. 7. ΠΠ»Π°Π²Π½ΡΠΉ ΡΠΎΡΠΌΠΎΠ·Π½ΠΎΠΉ ΡΠΈΠ»ΠΈΠ½Π΄Ρ Ρ ΠΏΠ½Π΅Π²ΠΌΠΎΡΡΠΈΠ»ΠΈΡΠ΅Π»Π΅ΠΌ:
1 β ΠΏΠ΅ΡΠ΅Π΄Π½ΠΈΠΉ ΠΏΠ½Π΅Π²ΠΌΠ°ΡΠΈΡΠ΅ΡΠΊΠΈΠΉ ΡΠΈΠ»ΠΈΠ½Π΄Ρ; 2 β ΠΏΡΠΎΡΡΠ°Π²ΠΊΠ°; 3β ΡΠ°Π΄ΠΈΠ°Π»ΡΠ½ΠΎΠ΅ ΠΎΡΠ²Π΅ΡΡΡΠΈΠ΅; 4 β Π·Π°Π΄Π½ΠΈΠΉ ΠΏΠ½Π΅Π²ΠΌΠ°ΡΠΈΡΠ΅ΡΠΊΠΈΠΉ ΡΠΈΠ»ΠΈΠ½Π΄Ρ; 5 β ΡΡΠΎΠΊ Ρ ΠΏΠΎΡΡΠ½ΡΠΌΠΈ; 6βΡΡΡΠΆΠ½ΠΎΠΉ Π±ΠΎΠ»Ρ; 7 β Π³Π°ΠΉΠΊΠΈ ΡΡΠΎΠΊΠ°; 8 β Π΄Π°ΡΡΠΈΠΊ; 9 β Π³Π»Π°Π²Π½ΡΠΉ Π³ΠΈΠ΄ΡΠ°Π²Π»ΠΈΡΠ΅ΡΠΊΠΈΠΉ ΡΠΈΠ»ΠΈΠ½Π΄Ρ; 10 β ΠΏΡΠΎΠ±ΠΊΠ°; 11 β Π±Π°ΡΠΎΠΊ Π΄Π»Ρ ΡΠΎΡΠΌΠΎΠ·Π½ΠΎΠΉ ΠΆΠΈΠ΄ΠΊΠΎΡΡΠΈ;
Π β Π² ΡΠΎΡΠΌΠΎΠ·Π½ΡΡ ΡΠΈΡΡΠ΅ΠΌΡ; Π β ΠΎΡ ΡΠΎΡΠΌΠΎΠ·Π½ΠΎΠ³ΠΎ ΠΊΡΠ°Π½Π°
ΠΠΎΠ»ΠΎΠΆΠ΅Π½ΠΈΠ΅ Π ΡΠΎΠΎΡΠ²Π΅ΡΡΡΠ²ΡΠ΅Ρ Π½ΠΎΡΠΌΠ°Π»ΡΠ½ΠΎΠΉ ΡΠ΅Π³ΡΠ»ΠΈΡΠΎΠ²ΠΊΠ΅ ΠΊΡΠ°Π½Π° ΠΈ ΠΎΠ±Π΅ΡΠΏΠ΅ΡΠΈΠ²Π°Π΅Ρ Π΄ΠΎΡΡΠ°ΡΠΎΡΠ½ΠΎ Ρ ΠΎΡΠΎΡΡΡ ΡΠ°Π±ΠΎΡΡ ΡΠΎΡΠΌΠΎΠ·Π° Π² Π½ΠΎΡΠΌΠ°Π»ΡΠ½ΡΡ ΡΡΠ»ΠΎΠ²ΠΈΡΡ .
ΠΠ»Π°Π²Π½ΡΠΉ ΡΠΈΠ»ΠΈΠ½Π΄Ρ Ρ ΠΏΠ½Π΅Π²ΠΌΠΎΡΡΠΈΠ»ΠΈΡΠ΅Π»Π΅ΠΌ ΠΏΡΠ΅Π΄Π½Π°Π·Π½Π°ΡΠ΅Π½ Π΄Π»Ρ ΡΠΏΡΠ°Π²Π»Π΅Π½ΠΈΡ ΡΠ°Π±ΠΎΡΠΈΠΌΠΈ ΡΠΎΡΠΌΠΎΠ·Π°ΠΌΠΈ Π°Π²ΡΠΎΠΌΠΎΠ±ΠΈΠ»Ρ. ΠΠ»Ρ ΠΏΠΎΠ²ΡΡΠ΅Π½ΠΈΡ Π½Π°Π΄Π΅ΠΆΠ½ΠΎΡΡΠΈ ΡΠΎΡΠΌΠΎΠ·Π½ΠΎΠΉ ΡΠΈΡΡΠ΅ΠΌΡ Π½Π° ΠΊΠ°ΠΆΠ΄ΠΎΠΌ Π°Π²ΡΠΎΠΌΠΎΠ±ΠΈΠ»Π΅ ΡΡΡΠ°Π½ΠΎΠ²Π»Π΅Π½ΠΎ ΠΏΠΎ Π΄Π²Π° Π³Π»Π°Π²Π½ΡΡ ΡΠΈΠ»ΠΈΠ½Π΄ΡΠ° Ρ ΠΏΠ½Π΅Π²ΠΌΠΎΡΡΠΈΠ»ΠΈΡΠ΅-Π»ΡΠΌΠΈ.
ΠΡΠΈ Π½Π°ΠΆΠ°ΡΠΈΠΈ Π½Π° ΡΠΎΡΠΌΠΎΠ·Π½ΡΡ ΠΏΠ΅Π΄Π°Π»Ρ ΠΎΡΠΊΡΡΠ²Π°Π΅ΡΡΡ ΠΊΠ»Π°ΠΏΠ°Π½ Π² ΡΠΎΡΠΌΠΎΠ·Π½ΠΎΠΌ ΠΊΡΠ°Π½Π΅ ΠΈ Π²ΠΎΠ·Π΄ΡΡ
ΠΏΠΎΡΡΡΠΏΠ°Π΅Ρ ΠΏΠΎ ΡΡΡΠ±ΠΎΠΏΡΠΎΠ²ΠΎΠ΄Ρ ΠΏΠΎΠ΄ ΠΏΠΎΡΡΠ΅Π½Ρ ΠΏΠ½Π΅Π²ΠΌΠΎΡΡΠΈΠ»ΠΈΡΠ΅Π»Ρ. Π Π΄ΡΡΠ³ΠΎΠΌΡ ΠΏΠΎΡΡΠ½Ρ Π²ΠΎΠ·Π΄ΡΡ
ΠΏΠΎΡΡΡΠΏΠ°Π΅Ρ ΠΏΠΎ ΠΊΠ°Π½Π°Π»Ρ ΠΈ ΡΠ°Π΄ΠΈΠ°Π»ΡΠ½ΡΠΌ ΠΎΡΠ²Π΅ΡΡΡΠΈΡΠΌ Π² ΡΡΠΎΠΊΠ΅. ΠΠΎΠ΄ Π΄Π°Π²Π»Π΅Π½ΠΈΠ΅ΠΌ Π²ΠΎΠ·Π΄ΡΡ
Π° ΡΡΠΎΠΊ Ρ ΠΏΠΎΡΡΠ½ΡΠΌΠΈ ΠΏΠ΅ΡΠ΅ΠΌΠ΅ΡΠ°Π΅ΡΡΡ ΠΈ ΡΠ΅ΡΠ΅Π· ΡΠΎΠ»ΠΊΠ°ΡΠ΅Π»Ρ Π΄Π΅ΠΉΡΡΠ²ΡΠ΅Ρ Π½Π° ΠΏΠΎΡΡΠ΅Π½Ρ Π³Π»Π°Π²Π½ΠΎΠ³ΠΎ ΡΠΈΠ»ΠΈΠ½Π΄ΡΠ°, ΠΊΠΎΡΠΎΡΡΠΉ Π²ΡΡΠ΅ΡΠ½ΡΠ΅Ρ ΠΆΠΈΠ΄ΠΊΠΎΡΡΡ Π² ΡΠΎΡΠΌΠΎΠ·Π½ΡΡ ΠΌΠ°Π³ΠΈΡΡΡΠ°Π»Ρ.
ΠΡΠΈ ΠΎΡΡΠΎΡΠΌΠ°ΠΆΠΈΠ²Π°Π½ΠΈΠΈ Π²ΠΎΠ·Π΄ΡΡ ΠΈΠ· ΠΏΠ½Π΅Π²ΠΌΠΎΡΡΠΈΠ»ΠΈΡΠ΅Π»Ρ ΡΠ΅ΡΠ΅Π· ΡΠΎΡΠΌΠΎΠ·Π½ΠΎΠΉ ΠΊΡΠ°Π½ Π²ΡΡ ΠΎΠ΄ΠΈΡ Π² Π°ΡΠΌΠΎΡΡΠ΅ΡΡ. ΠΠΎΡΡΠ½ΠΈ Π³Π»Π°Π²Π½ΠΎΠ³ΠΎ ΡΠΎΡΠΌΠΎΠ·Π½ΠΎΠ³ΠΎ ΡΠΈΠ»ΠΈΠ½Π΄ΡΠ° ΠΈ ΠΏΠ½Π΅Π²ΠΌΠΎΡΡΠΈΠ»ΠΈΡΠ΅Π»Ρ ΠΏΠΎΠ΄ Π΄Π΅ΠΉΡΡΠ²ΠΈΠ΅ΠΌ ΠΏΡΡΠΆΠΈΠ½ Π²ΠΎΠ·Π²ΡΠ°ΡΠ°ΡΡΡΡ Π² ΠΈΡΡ ΠΎΠ΄Π½ΠΎΠ΅ ΠΏΠΎΠ»ΠΎΠΆΠ΅Π½ΠΈΠ΅.
Π ΠΏΠ΅ΡΠ΅Π΄Π½ΠΈΡ ΡΠΈΠ»ΠΈΠ½Π΄ΡΠ°Ρ ΠΏΠ½Π΅Π²ΠΌΠΎΡΡΠΈΠ»ΠΈΡΠ΅Π»Π΅ΠΉ ΡΡΡΠ°Π½ΠΎΠ²Π»Π΅Π½Ρ Π΄Π°ΡΡΠΈΠΊΠΈ, ΡΠΈΠ³Π½Π°Π»ΠΈΠ·ΠΈΡΡΡΡΠΈΠ΅ ΠΎ Π½Π΅ΠΈΡΠΏΡΠ°Π²Π½ΠΎΡΡΠΈ Π³ΠΈΠ΄ΡΠ°Π²Π»ΠΈΡΠ΅ΡΠΊΠΎΠΉ ΡΠ°ΡΡΠΈ ΡΠΎΡΠΌΠΎΠ·Π½ΠΎΠΉ ΡΠΈΡΡΠ΅ΠΌΡ.
Π‘ΠΎΠ΅Π΄ΠΈΠ½ΠΈΡΠ΅Π»ΡΠ½Π°Ρ Π³ΠΎΠ»ΠΎΠ²ΠΊΠ° ΠΏΡΠ΅Π΄Π½Π°Π·Π½Π°ΡΠ΅Π½Π° Π΄Π»Ρ ΡΠΎΠ΅Π΄ΠΈΠ½Π΅Π½ΠΈΡ Π²ΠΎΠ·Π΄ΡΡ ΠΎΠΏΡΠΎΠ²ΠΎΠ΄ΠΎΠ² Π°Π²ΡΠΎΠΌΠΎΠ±ΠΈΠ»Ρ-ΡΡΠ³Π°ΡΠ° ΠΈ ΠΏΡΠΈΡΠ΅ΠΏΠ°. Π ΡΠ»ΡΡΠ°Π΅ ΠΎΡΡΡΠ²Π° ΠΏΡΠΈΡΠ΅ΠΏΠ° ΠΎΡ Π°Π²ΡΠΎΠΌΠΎΠ±ΠΈΠ»Ρ ΡΠΎΠ΅Π΄ΠΈΠ½ΠΈΡΠ΅Π»ΡΠ½Π°Ρ Π³ΠΎΠ»ΠΎΠ²ΠΊΠ° Π°Π²ΡΠΎΠΌΠ°ΡΠΈΡΠ΅ΡΠΊΠΈ ΡΠ°Π·ΡΠ΅Π΄ΠΈΠ½ΡΠ΅Ρ Π²ΠΎΠ·Π΄ΡΡ ΠΎΠΏΡΠΎΠ²ΠΎΠ΄Ρ, ΠΏΡΠΈ ΡΡΠΎΠΌ ΠΎΠ±ΡΠ°ΡΠ½ΡΠΉ ΠΊΠ»Π°ΠΏΠ°Π½ ΠΏΡΠ΅ΠΏΡΡΡΡΠ²ΡΠ΅Ρ Π²ΡΡ ΠΎΠ΄Ρ Π²ΠΎΠ·Π΄ΡΡ Π° ΠΈΠ· ΡΠΎΡΠΌΠΎΠ·Π½ΠΎΠΉ ΡΠΈΡΡΠ΅ΠΌΡ Π°Π²ΡΠΎΠΌΠΎΠ±ΠΈΠ»Ρ Π² Π°ΡΠΌΠΎΡΡΠ΅ΡΡ.
Π Π°Π·ΠΎΠ±ΡΠΈΡΠ΅Π»ΡΠ½ΡΠΉ ΠΊΡΠ°Π½ ΠΏΡΠ΅Π΄Π½Π°Π·Π½Π°ΡΠ΅Π½ Π΄Π»Ρ ΠΎΡΠΊΠ»ΡΡΠ΅Π½ΠΈΡ ΠΌΠ°Π³ΠΈΡΡΡΠ°Π»ΠΈ, ΠΈΠ΄ΡΡΠ΅ΠΉ ΠΊ ΠΏΡΠΈΡΠ΅ΠΏΡ.
ΠΡΠ°Π½ ΠΎΡΠ±ΠΎΡΠ° Π²ΠΎΠ·Π΄ΡΡ Π° ΡΡΡΠ°Π½ΠΎΠ²Π»Π΅Π½ ΠΏΠΎΠ΄ ΠΊΠ°ΠΏΠΎΡΠΎΠΌ Π΄Π²ΠΈΠ³Π°ΡΠ΅Π»Ρ Π½Π° ΠΏΠ΅ΡΠ΅Π΄Π½Π΅ΠΌ ΡΠΈΡΠ΅ ΠΊΠ°Π±ΠΈΠ½Ρ. ΠΠ½ ΡΠ»ΡΠΆΠΈΡ Π΄Π»Ρ Π½Π°ΠΊΠ°ΡΠΈΠ²Π°Π½ΠΈΡ ΡΠΈΠ½ ΠΏΡΠΈ Π·Π½Π°ΡΠΈΡΠ΅Π»ΡΠ½ΡΡ ΠΏΠΎΠ²ΡΠ΅ΠΆΠ΄Π΅Π½ΠΈΡΡ Π² ΡΠΈΡΡΠ΅ΠΌΠ΅ ΡΠ΅Π³ΡΠ»ΠΈΡΠΎΠ²Π°Π½ΠΈΡ Π΄Π°Π²Π»Π΅Π½ΠΈΡ Π²ΠΎΠ·Π΄ΡΡ Π° ΠΈ Π΄Π»Ρ Π΄ΡΡΠ³ΠΈΡ ΡΠ΅Π»Π΅ΠΉ.
ΠΡΠΊΡΠΈΡΠ½ΡΠΉ ΠΊΠ»Π°ΠΏΠ°Π½ ΡΡΡΠ°Π½ΠΎΠ²Π»Π΅Π½ Π½Π° ΠΏΡΠ°Π²ΠΎΠΌ ΠΊΡΠΎΠ½ΡΡΠ΅ΠΉΠ½Π΅ ΠΊΡΠ΅ΠΏΠ»Π΅Π½ΠΈΡ ΠΏΠ΅ΡΠ΅Π΄Π½Π΅Π³ΠΎ Π±ΡΡΠ΅ΡΠ° ΠΈ ΠΏΡΠ΅Π΄Π½Π°Π·Π½Π°ΡΠ΅Π½ Π΄Π»Ρ ΡΠ½Π°Π±ΠΆΠ΅Π½ΠΈΡ Π²ΠΎΠ·Π΄ΡΡ
ΠΎΠΌ ΡΠΎΡΠΌΠΎΠ·Π½ΠΎΠΉ ΡΠΈΡΡΠ΅ΠΌΡ Π°Π²ΡΠΎΠΌΠΎΠ±ΠΈΠ»Ρ ΠΏΡΠΈ Π±ΡΠΊΡΠΈΡΠΎΠ²Π°Π½ΠΈΠΈ Π΅Π³ΠΎ Ρ Π½Π΅ΠΈΡΠΏΡΠ°Π²Π½ΡΠΌ Π΄Π²ΠΈΠ³Π°ΡΠ΅Π»Π΅ΠΌ.
Π’Π΅Ρ Π½ΠΈΡΠ΅ΡΠΊΠΎΠ΅ ΠΎΠ±ΡΠ»ΡΠΆΠΈΠ²Π°Π½ΠΈΠ΅
ΠΠ»Ρ Π³ΠΈΠ΄ΡΠ°Π²Π»ΠΈΡΠ΅ΡΠΊΠΎΠΉ ΡΠΈΡΡΠ΅ΠΌΡ ΡΠΎΡΠΌΠΎΠ·ΠΎΠ² ΠΏΡΠΈΠΌΠ΅Π½ΡΠ΅ΡΡΡ ΠΆΠΈΠ΄ΠΊΠΎΡΡΡ, ΡΠΊΠ°Π·Π°Π½Π½Π°Ρ Π² ΠΊΠ°ΡΡΠ΅ ΡΠΌΠ°Π·ΠΊΠΈ. ΠΠ΅ ΡΠ»Π΅Π΄ΡΠ΅Ρ ΡΠΌΠ΅ΡΠΈΠ²Π°ΡΡ ΡΠΎΡΠΌΠΎΠ·Π½ΡΠ΅ ΠΆΠΈΠ΄ΠΊΠΎΡΡΠΈ ΡΠ°Π·Π»ΠΈΡΠ½ΡΡ ΠΌΠ°ΡΠΎΠΊ, ΡΠ°ΠΊ ΠΊΠ°ΠΊ ΡΡΠΎ ΠΌΠΎΠΆΠ΅Ρ ΠΏΡΠΈΠ²Π΅ΡΡΠΈ ΠΊ ΡΡΠ°Π΄ΠΊΠ΅ (ΡΠ°Π·Π±ΡΡ Π°Π½ΠΈΡ) ΡΠΏΠ»ΠΎΡΠ½ΠΈΡΠ΅Π»ΡΠ½ΡΡ ΠΌΠ°Π½ΠΆΠ΅ΡΠΎΠ², ΠΎΠ±ΡΠ°Π·ΠΎΠ²Π°Π½ΠΈΡ ΠΎΡΠ°Π΄ΠΊΠΎΠ² ΠΈ, ΠΊΠ°ΠΊ ΡΠ»Π΅Π΄ΡΡΠ²ΠΈΠ΅, ΠΊ ΠΎΡΠΊΠ°Π·Ρ ΡΠΎΡΠΌΠΎΠ·ΠΎΠ². ΠΡΠΈ Π·Π°ΠΌΠ΅Π½Π΅ ΡΠΎΡΠΌΠΎΠ·Π½ΠΎΠΉ ΠΆΠΈΠ΄ΠΊΠΎΡΡΠΈ Β«ΠΠ΅Π²Π°Β» Π½Π° ΠΠ‘Π ΠΈ Π½Π°ΠΎΠ±ΠΎΡΠΎΡ Π½Π΅ΠΎΠ±Ρ ΠΎΠ΄ΠΈΠΌΠΎ ΠΏΡΠΎΠΌΡΠ²Π°ΡΡ ΡΠΈΡΡΠ΅ΠΌΡ Π²Π½ΠΎΠ²Ρ Π·Π°ΠΏΡΠ°Π²Π»ΡΠ΅ΠΌΠΎΠΉ ΠΆΠΈΠ΄ΠΊΠΎΡΡΡΡ ΠΌΠ΅ΡΠΎΠ΄ΠΎΠΌ Π·Π°ΠΏΡΠ°Π²ΠΊΠΈ Π΅Π΅ Π² ΡΠΎΡΠΌΠΎΠ·Π½ΡΠ΅ Π±Π°ΡΠΊΠΈ ΠΈ ΠΏΡΠΎΠΊΠ°ΡΠΊΠΈ ΡΠΈΡΡΠ΅ΠΌΡ Π΄ΠΎ ΠΏΠΎΡΠ²Π»Π΅Π½ΠΈΡ ΠΈΠ· ΡΡΡΡΠ΅ΡΠΎΠ² ΠΊΠΎΠ»Π΅ΡΠ½ΡΡ ΡΠΈΠ»ΠΈΠ½Π΄ΡΠΎΠ² ΡΠΈΡΡΠΎΠΉ ΠΆΠΈΠ΄ΠΊΠΎΡΡΠΈ.
ΠΠ°ΠΏΠΎΠ»Π½ΡΡΡ ΡΠΈΡΡΠ΅ΠΌΡ ΠΆΠΈΠ΄ΠΊΠΎΡΡΡΡ ΠΈ ΠΏΡΠΎΠΊΠ°ΡΠΈΠ²Π°ΡΡ ΡΠΎΡΠΌΠΎΠ·Π° ΠΌΠΎΠΆΠ½ΠΎ ΡΠΎΠ»ΡΠΊΠΎ ΠΏΡΠΈ Π½Π°Π»ΠΈΡΠΈΠΈ Π²ΠΎΠ·Π΄ΡΡ Π° Π² ΠΏΠ½Π΅Π²ΠΌΠΎΡΠΈΡΡΠ΅ΠΌΠ΅ Π°Π²ΡΠΎΠΌΠΎΠ±ΠΈΠ»Ρ.
ΠΠ΅ΡΠ΅Π΄ Π·Π°ΠΏΠΎΠ»Π½Π΅Π½ΠΈΠ΅ΠΌ ΡΠΈΡΡΠ΅ΠΌΡ Π½Π°Π΄ΠΎ ΡΡΠ°ΡΠ΅Π»ΡΠ½ΠΎ ΡΠ΄Π°Π»ΠΈΡΡ Π³ΡΡΠ·Ρ Ρ Π³Π»Π°Π²Π½ΡΡ ΡΠΈΠ»ΠΈΠ½Π΄ΡΠΎΠ² ΠΈ Π±Π°ΡΠΊΠΎΠ², Π·Π°ΡΠ΅ΠΌ, ΡΠ½ΡΠ² ΡΡΡΠ±ΠΊΡ Π³Π΅ΡΠΌΠ΅ΡΠΈΠ·Π°ΡΠΈΠΈ ΠΈ ΠΎΡΠ²Π΅ΡΠ½ΡΠ² ΠΏΡΠΎΠ±ΠΊΡ Π½Π°Π»ΠΈΠ²Π½ΠΎΠ³ΠΎ ΠΎΡΠ²Π΅ΡΡΡΠΈΡ, Π·Π°ΠΏΠΎΠ»Π½ΠΈΡΡ Π±Π°ΡΠΊΠΈ ΡΠΎΡΠΌΠΎΠ·Π½ΠΎΠΉ ΠΆΠΈΠ΄ΠΊΠΎΡΡΡΡ ΠΈ ΡΠ΄Π°Π»ΠΈΡΡ Π²ΠΎΠ·Π΄ΡΡ ΠΈΠ· Π³Π»Π°Π²Π½ΡΡ ΡΠΈΠ»ΠΈΠ½Π΄ΡΠΎΠ² ΡΠ΅ΡΠ΅Π· ΠΏΠ΅ΡΠ΅ΠΏΡΡΠΊΠ½ΠΎΠΉ ΠΊΠ»Π°ΠΏΠ°Π½.
ΠΡΠΎΠΊΠ°ΡΠΊΠ° Π³Π»Π°Π²Π½ΡΡ
ΡΠΈΠ»ΠΈΠ½Π΄ΡΠΎΠ² ΠΈΠ»ΠΈ ΡΠΈΠ»ΠΈΠ½Π΄ΡΠΎΠ² ΡΠ°Π±ΠΎΡΠΈΡ
ΡΠΎΡΠΌΠΎΠ·ΠΎΠ².
Π‘Π½ΡΡΡ ΡΠ΅Π·ΠΈΠ½ΠΎΠ²ΡΠΉ ΠΊΠΎΠ»ΠΏΠ°ΡΠΎΠΊ Ρ ΠΏΠ΅ΡΠ΅ΠΏΡΡΠΊΠ½ΠΎΠ³ΠΎ ΠΊΠ»Π°ΠΏΠ°Π½Π°, Π½Π°Π΄Π΅ΡΡ Π½Π° ΠΊΠ»Π°ΠΏΠ°Π½ ΡΡΡΠ±ΠΊΡ, ΠΈΠΌΠ΅ΡΡΡΡΡΡ Π² ΠΊΠΎΠΌΠΏΠ»Π΅ΠΊΡΠ΅ ΠΈΠ½ΡΡΡΡΠΌΠ΅Π½ΡΠ°, ΠΎΡΠΊΡΡΡΡΠΉ ΠΊΠΎΠ½Π΅Ρ ΡΡΡΠ±ΠΊΠΈ ΠΎΠΏΡΡΡΠΈΡΡ Π² ΡΠΎΡΠΌΠΎΠ·Π½ΡΡ ΠΆΠΈΠ΄ΠΊΠΎΡΡΡ, Π½Π°Π»ΠΈΡΡΡ Π² ΡΡΠ΅ΠΊΠ»ΡΠ½Π½ΡΠΉ ΡΠΎΡΡΠ΄ Π΅ΠΌΠΊΠΎΡΡΡΡ Π½Π΅ ΠΌΠ΅Π½Π΅Π΅ 0,2 Π». ΠΠΈΠ΄ΠΊΠΎΡΡΡ Π½Π°Π»ΠΈΠ²Π°ΡΡ Π² ΡΠΎΡΡΠ΄ Π΄ΠΎ ΠΏΠΎΠ»ΠΎΠ²ΠΈΠ½Ρ Π΅Π³ΠΎ Π²ΡΡΠΎΡΡ.
ΠΠ°ΠΆΠΈΠΌΠ°ΡΡ ΡΠ»Π΅Π΄ΡΠ΅Ρ Π±ΡΡΡΡΠΎ, ΠΎΡΠΏΡΡΠΊΠ°ΡΡ ΠΌΠ΅Π΄Π»Π΅Π½Π½ΠΎ. ΠΡΡ ΠΎΠΏΠ΅ΡΠ°ΡΠΈΡ ΠΏΠΎΠ²ΡΠΎΡΡΡΡ Π΄ΠΎ ΡΠ΅Ρ ΠΏΠΎΡ, ΠΏΠΎΠΊΠ° Π½Π΅ ΠΏΡΠ΅ΠΊΡΠ°ΡΠΈΡΡΡ Π²ΡΠ΄Π΅Π»Π΅Π½ΠΈΠ΅ ΠΏΡΠ·ΡΡΡΠΊΠΎΠ² Π²ΠΎΠ·Π΄ΡΡ Π° ΠΈΠ· ΡΡΡΠ±ΠΊΠΈ, ΠΎΠΏΡΡΠ΅Π½Π½ΠΎΠΉ Π² ΡΠΎΡΡΠ΄ Ρ ΡΠΎΡΠΌΠΎΠ·Π½ΠΎΠΉ ΠΆΠΈΠ΄ΠΊΠΎΡΡΡΡ. Π ΠΏΡΠΎΡΠ΅ΡΡΠ΅ ΠΏΡΠΎΠΊΠ°ΡΠΊΠΈ Π½Π΅ΠΎΠ±Ρ ΠΎΠ΄ΠΈΠΌΠΎ Π΄ΠΎΠ»ΠΈΠ²Π°ΡΡ ΠΆΠΈΠ΄ΠΊΠΎΡΡΡ Π² Π±Π°ΡΠΊΠΈ, Π½Π΅ Π΄ΠΎΠΏΡΡΠΊΠ°Ρ Β«ΡΡΡ ΠΎΠ³ΠΎ Π΄Π½Π°Β». Π§ΡΠΎΠ±Ρ Π² ΡΠΈΡΡΠ΅ΠΌΡ Π²Π½ΠΎΠ²Ρ Π½Π΅ ΠΏΡΠΎΠ½ΠΈΠΊ Π²ΠΎΠ·Π΄ΡΡ , Π½Π°ΠΆΠ°Π² Π½Π° ΠΏΠ΅Π΄Π°Π»Ρ, ΠΏΠ»ΠΎΡΠ½ΠΎ Π·Π°Π²Π΅ΡΠ½ΡΡΡ ΠΏΠ΅ΡΠ΅ΠΏΡΡΠΊΠ½ΠΎΠΉ ΠΊΠ»Π°ΠΏΠ°Π½ ΡΠΈΠ»ΠΈΠ½Π΄ΡΠ°, ΡΠ½ΡΡΡ ΡΡΡΠ±ΠΊΡ ΠΈ Π½Π°Π΄Π΅ΡΡ ΠΊΠΎΠ»ΠΏΠ°ΡΠΎΠΊ.
ΠΡΠΎΠΊΠ°ΡΠ°ΡΡ Π³Π»Π°Π²Π½ΡΠ΅, Π·Π°ΡΠ΅ΠΌ ΠΊΠΎΠ»Π΅ΡΠ½ΡΠ΅ ΡΠΎΡΠΌΠΎΠ·Π½ΡΠ΅ ΡΠΈΠ»ΠΈΠ½Π΄ΡΡ Π² ΡΠ»Π΅Π΄ΡΡΡΠ΅ΠΌ ΠΏΠΎΡΡΠ΄ΠΊΠ΅: ΡΡΠ΅Π΄Π½ΠΈΠΉ Π»Π΅Π²ΡΠΉ, Π·Π°Π΄Π½ΠΈΠΉ Π»Π΅Π²ΡΠΉ, Π·Π°Π΄Π½ΠΈΠΉ ΠΏΡΠ°Π²ΡΠΉ, ΡΡΠ΅Π΄Π½ΠΈΠΉ ΠΏΡΠ°Π²ΡΠΉ, ΠΏΠ΅ΡΠ΅Π΄Π½ΠΈΠΉ ΠΏΡΠ°Π²ΡΠΉ, ΠΏΠ΅ΡΠ΅Π΄Π½ΠΈΠΉ Π»Π΅Π²ΡΠΉ. ΠΠΎΡΠ»Π΅ ΠΏΡΠΎΠΊΠ°ΡΠΊΠΈ Π²ΡΠ΅Ρ
ΡΠΈΠ»ΠΈΠ½Π΄ΡΠΎΠ² Π΄ΠΎΠ»ΠΈΡΡ ΠΆΠΈΠ΄ΠΊΠΎΡΡΡ Π² Π±Π°ΡΠΊΠΈ Π΄ΠΎ ΡΡΠΎΠ²Π½Ρ 15β20 ΠΌΠΌ Π½ΠΈΠΆΠ΅ Π²Π΅ΡΡ
Π½Π΅ΠΉ ΠΊΡΠΎΠΌΠΊΠΈ Π½Π°Π»ΠΈΠ²Π½ΠΎΠΉ Π³ΠΎΡΠ»ΠΎΠ²ΠΈΠ½Ρ ΠΈ ΠΏΠ»ΠΎΡΠ½ΠΎ Π·Π°Π²Π΅ΡΠ½ΡΡΡ ΠΏΡΠΎΠ±ΠΊΡ Π½Π°Π»ΠΈΠ²Π½ΠΎΠ³ΠΎ ΠΎΡΠ²Π΅ΡΡΡΠΈΡ.
Π Π΅Π³ΡΠ»ΠΈΡΠΎΠ²ΠΊΠ° ΡΠ°Π±ΠΎΡΠΈΡ ΡΠΎΡΠΌΠΎΠ·ΠΎΠ². ΠΠΎΠ΄Π½ΡΡΡ ΠΊΠΎΠ»Π΅ΡΠΎ Π΄ΠΎΠΌΠΊΡΠ°ΡΠΎΠΌ (Π΄Π»Ρ Π·Π°Π΄Π½Π΅ΠΉ ΡΠ΅Π»Π΅ΠΆΠΊΠΈ ΠΏΠΎΠ΄Π½ΡΡΡ Π½Π΅ ΠΌΠ΅Π½Π΅Π΅ ΡΡΠ΅Ρ ΠΊΠΎΠ»Π΅Ρ) ΠΈ Π²ΡΠ°ΡΠ°ΡΡ Π΅Π³ΠΎ Π²ΠΏΠ΅ΡΠ΅Π΄, ΠΏΠΎΠ²ΠΎΡΠ°ΡΠΈΠ²Π°Ρ ΡΠΊΡΡΠ΅Π½ΡΡΠΈΠΊ ΠΏΠ΅ΡΠ΅Π΄Π½Π΅ΠΉ ΠΊΠΎΠ»ΠΎΠ΄ΠΊΠΈ Π΄ΠΎ ΡΠ΅Ρ ΠΏΠΎΡ, ΠΏΠΎΠΊΠ° ΠΎΠ½Π° Π½Π΅ Π·Π°ΡΠΎΡΠΌΠΎΠ·ΠΈΡ ΠΊΠΎΠ»Π΅ΡΠΎ, Π·Π°ΡΠ΅ΠΌ ΠΏΠΎΡΡΠ΅ΠΏΠ΅Π½Π½ΠΎ ΠΎΡΠΏΡΡΠΊΠ°ΡΡ ΡΠΊΡΡΠ΅Π½ΡΡΠΈΠΊ, ΠΏΠΎΠ²ΠΎΡΠ°ΡΠΈΠ²Π°Ρ ΠΊΠΎΠ»Π΅ΡΠΎ Π² ΡΡ ΠΆΠ΅ ΡΡΠΎΡΠΎΠ½Ρ, ΠΏΠΎΠΊΠ° ΠΊΠΎΠ»Π΅ΡΠΎ Π½Π΅ ΡΡΠ°Π½Π΅Ρ ΠΏΠΎΠ²ΠΎΡΠ°ΡΠΈΠ²Π°ΡΡΡΡ ΡΠ²ΠΎΠ±ΠΎΠ΄Π½ΠΎ.
ΠΡΡΠ΅Π³ΡΠ»ΠΈΡΠΎΠ²Π°ΡΡ Π·Π°Π΄Π½ΡΡ ΠΊΠΎΠ»ΠΎΠ΄ΠΊΡ ΡΠ°ΠΊ ΠΆΠ΅, ΠΊΠ°ΠΊ ΠΈ ΠΏΠ΅ΡΠ΅Π΄Π½ΡΡ, Π²ΡΠ°ΡΠ°Ρ ΠΏΡΠΈ ΡΡΠΎΠΌ ΠΊΠΎΠ»Π΅ΡΠΎ Π½Π°Π·Π°Π΄.
ΠΠΎΠΏΡΡΠΊΠ°Π΅ΡΡΡ ΡΠΏΡΠΎΡΠ΅Π½Π½Π°Ρ ΡΠ΅Π³ΡΠ»ΠΈΡΠΎΠ²ΠΊΠ° ΡΠ°Π±ΠΎΡΠ΅Π³ΠΎ ΡΠΎΡΠΌΠΎΠ·Π°. ΠΡΠΈ ΡΡΠΎΠΌ ΠΊΠ»ΡΡΠΎΠΌ Π½Π° 17 ΠΌΠΌ ΠΏΠΎΠ²Π΅ΡΠ½ΡΡΡ ΡΠ΅Π³ΡΠ»ΠΈΡΠΎΠ²ΠΎΡΠ½ΡΠ΅ ΡΠΊΡΡΠ΅Π½ΡΡΠΈΠΊΠΈ ΠΊΠΎΠ»ΠΎΠ΄ΠΎΠΊ Π΄ΠΎ ΡΠΏΠΎΡΠ°, Π²ΡΠ°ΡΠ°Ρ ΠΏΡΠ°Π²ΡΠΉ (ΡΠΎ ΡΡΠΎΡΠΎΠ½Ρ ΡΠΈΡΠ°) ΡΠΊΡΡΠ΅Π½ΡΡΠΈΠΊ ΠΏΠΎ ΡΠ°ΡΠΎΠ²ΠΎΠΉ ΡΡΡΠ΅Π»ΠΊΠ΅, Π»Π΅Π²ΡΠΉ β ΠΏΡΠΎΡΠΈΠ² ΡΠ°ΡΠΎΠ²ΠΎΠΉ ΡΡΡΠ΅Π»ΠΊΠΈ, Π·Π°ΡΠ΅ΠΌ ΠΎΡΠΏΡΡΡΠΈΡΡ ΡΠΊΡΡΠ΅Π½ΡΡΠΈΠΊ ΠΎΠ±ΡΠ°ΡΠ½ΡΠΌ ΠΏΠΎΠ²ΠΎΡΠΎΡΠΎΠΌ ΠΊΠ»ΡΡΠ° ΠΏΡΠΈΠΌΠ΅ΡΠ½ΠΎ Π½Π° 30Β°, ΡΡΠΎ ΡΠΎΠΎΡΠ²Π΅ΡΡΡΠ²ΡΠ΅Ρ ΠΏΠΎΠ²ΠΎΡΠΎΡΡ Π³ΠΎΠ»ΠΎΠ²ΠΊΠΈ ΠΎΡΠΈ ΡΠΊΡΡΠ΅Π½ΡΡΠΈΠΊΠ° Π½Π° ΠΏΠΎΠ»ΠΎΠ²ΠΈΠ½Ρ Π³ΡΠ°Π½ΠΈ.
ΠΡΠΎΠ΄Π΅Π»Π°Π² ΡΠΊΠ°Π·Π°Π½Π½ΡΠ΅ ΠΎΠΏΠ΅ΡΠ°ΡΠΈΠΈ ΡΠΎ Π²ΡΠ΅ΠΌΠΈ ΠΎΡΡΠ°Π»ΡΠ½ΡΠΌΠΈ ΠΊΠΎΠ»Π΅ΡΠ°ΠΌΠΈ, ΠΏΡΠΎΠ²Π΅ΡΠΈΡΡ, Π½Π΅ Π½Π°Π³ΡΠ΅Π²Π°ΡΡΡΡ Π»ΠΈ ΡΠΎΡΠΌΠΎΠ·Π½ΡΠ΅ Π±Π°ΡΠ°Π±Π°Π½Ρ Π½Π° Ρ ΠΎΠ΄Ρ Π°Π²ΡΠΎΠΌΠΎΠ±ΠΈΠ»Ρ.
ΠΡΠΈ ΡΠ΅Π³ΡΠ»ΠΈΡΠΎΠ²ΠΊΠ΅ ΡΠΎΡΠΌΠΎΠ·ΠΎΠ² Π·Π°ΠΏΡΠ΅ΡΠ°Π΅ΡΡΡ Π½Π°ΡΡΡΠ°ΡΡ Π·Π°Π²ΠΎΠ΄ΡΠΊΡΡ ΡΡΡΠ°Π½ΠΎΠ²ΠΊΡ ΠΎΠΏΠΎΡΠ½ΡΡ
ΠΏΠ°Π»ΡΡΠ΅Π² ΠΊΠΎΠ»ΠΎΠ΄ΠΎΠΊ./139.gif)
Π‘Π²ΠΎΠ±ΠΎΠ΄Π½ΡΠΉ Ρ ΠΎΠ΄ ΡΠΎΡΠΌΠΎΠ·Π½ΠΎΠΉ ΠΏΠ΅Π΄Π°Π»ΠΈ ΡΠ΅Π³ΡΠ»ΠΈΡΡΡΡ ΠΈΠ·ΠΌΠ΅Π½Π΅Π½ΠΈΠ΅ΠΌ Π΄Π»ΠΈΠ½Ρ ΡΡΠ³ΠΈ Π² ΠΏΡΠ΅Π΄Π΅Π»Π°Ρ 20β33 ΠΌΠΌ. ΠΡΠΈ ΡΡΠΎΠΌ ΡΡΡΠ°Π³ Π΄ΠΎΠ»ΠΆΠ΅Π½ Π±ΡΡΡ ΠΏΡΠΈΠΆΠ°Ρ ΠΊ ΡΠΏΠΎΡΡ Π²Π΅ΡΡ Π½Π΅ΠΉ ΠΊΡΡΡΠΊΠΈ ΡΠΎΡΠΌΠΎΠ·Π½ΠΎΠ³ΠΎ ΠΊΡΠ°Π½Π°. ΠΠ°ΡΠ°Π»ΠΎ ΡΠ°Π±ΠΎΡΠ΅Π³ΠΎ Ρ ΠΎΠ΄Π° ΠΎΠΏΡΠ΅Π΄Π΅Π»ΡΠ΅ΡΡΡ ΠΏΠΎ Π·Π½Π°ΡΠΈΡΠ΅Π»ΡΠ½ΠΎΠΌΡ Π²ΠΎΠ·ΡΠ°ΡΡΠ°Π½ΠΈΡ ΡΡΠΈΠ»ΠΈΡ.
ΠΡΠΈ ΠΏΠΎΠ»Π½ΠΎΠΌ Ρ ΠΎΠ΄Π΅ ΡΠΎΡΠΌΠΎΠ·Π½ΠΎΠΉ ΠΏΠ΅Π΄Π°Π»ΠΈ (Π΄ΠΎ ΡΠΏΠΎΡΠ° Π² ΡΠ΅Π³ΡΠ»ΠΈΡΠΎΠ²ΠΎΡΠ½ΡΠΉ Π±ΠΎΠ»Ρ) ΠΌΠ°ΠΊΡΠΈΠΌΠ°Π»ΡΠ½ΠΎΠ΅ Π΄Π°Π²Π»Π΅Π½ΠΈΠ΅ Π²ΠΎΠ·Π΄ΡΡ Π° Π² ΠΏΠ½Π΅Π²ΠΌΠΎΡΠΈΡΡΠ΅ΠΌΠ΅ ΠΏΠΎΡΠ»Π΅ ΡΠΎΡΠΌΠΎΠ·Π½ΠΎΠ³ΠΎ ΠΊΡΠ°Π½Π° Π΄ΠΎΠ»ΠΆΠ½ΠΎ Π±ΡΡΡ 3,5β4,0 ΠΊΠ³Ρ/ΡΠΌ2 ΠΏΡΠΈ ΠΌΠ°ΠΊΡΠΈΠΌΠ°Π»ΡΠ½ΠΎΠΌ Π΄Π°Π²Π»Π΅Π½ΠΈΠΈ Π²ΠΎΠ·Π΄ΡΡ Π° Π² Π±Π°Π»Π»ΠΎΠ½Π΅. ΠΠ°Π²Π»Π΅Π½ΠΈΠ΅ Π²ΠΎΠ·Π΄ΡΡ Π° ΡΠ΅Π³ΡΠ»ΠΈΡΡΡΡ ΠΏΡΡΠ΅ΠΌ ΠΈΠ·ΠΌΠ΅Π½Π΅Π½ΠΈΡ Ρ ΠΎΠ΄Π° ΡΠΎΡΠΌΠΎΠ·Π½ΠΎΠΉ ΠΏΠ΅Π΄Π°Π»ΠΈ Ρ ΠΏΠΎΠΌΠΎΡΡΡ Π±ΠΎΠ»ΡΠ°.
Π Π΅Π³ΡΠ»ΠΈΡΠΎΠ²ΠΊΡ ΡΡΠΎΡΠ½ΠΎΡΠ½ΠΎΠ³ΠΎ ΡΠΎΡΠΌΠΎΠ·Π° ΠΏΡΠΎΠ²ΠΎΠ΄ΠΈΡΡ Π² ΡΠ»Π΅Π΄ΡΡΡΠ΅ΠΌ ΠΏΠΎΡΡΠ΄ΠΊΠ΅. Π£ΡΡΠ°Π½ΠΎΠ²ΠΈΠ² ΡΡΡΠ°Π³ Π² ΠΊΡΠ°ΠΉΠ½Π΅Π΅ Π½ΠΈΠΆΠ½Π΅Π΅ ΠΏΠΎΠ»ΠΎΠΆΠ΅Π½ΠΈΠ΅, ΠΎΡΡΠ΅Π³ΡΠ»ΠΈΡΠΎΠ²Π°ΡΡ Π·Π°Π·ΠΎΡ ΠΌΠ΅ΠΆΠ΄Ρ Π½Π°ΠΊΠ»Π°Π΄ΠΊΠ°ΠΌΠΈ ΠΈ Π±Π°ΡΠ°Π±Π°Π½ΠΎΠΌ Π΄ΠΎ 0,3β 0,6 ΠΌΠΌ, ΠΈΠ·ΠΌΠ΅Π½ΡΡ Π΄Π»ΠΈΠ½Ρ ΡΡΠ³ΠΈ ΠΈΠ»ΠΈ ΠΏΠΎΠ²ΠΎΡΠ°ΡΠΈΠ²Π°Ρ Π½Π° ΡΠ»ΠΈΡΠ°Ρ ΡΡΡΠ°Π³.
ΠΡΡΠ΅Π³ΡΠ»ΠΈΡΠΎΠ²Π°ΡΡ Π·Π°Π·ΠΎΡ ΠΌΠ΅ΠΆΠ΄Ρ ΠΏΠ°Π»ΡΡΠ΅ΠΌ ΡΡΡΠ°Π³Π° ΠΈ ΡΠΊΠΎΠ±ΠΎΠΉ ΡΡΠ³ΠΈ ΠΏΡΠΈΠ²ΠΎΠ΄Π° ΡΠΎΡΠΌΠΎΠ·Π½ΠΎΠ³ΠΎ ΠΊΡΠ°Π½Π° Π΄ΠΎ 0,5β2,0 ΠΌΠΌ, ΠΈΠ·ΠΌΠ΅Π½ΡΡ Π΄Π»ΠΈΠ½Ρ ΡΡΠ³ΠΈ.
ΠΡΠ»ΠΈ ΡΠΎΡΠΌΠΎΠ· ΠΎΡΡΠ΅Π³ΡΠ»ΠΈΡΠΎΠ²Π°Π½ ΠΏΡΠ°Π²ΠΈΠ»ΡΠ½ΠΎ, ΡΠΎ ΠΏΡΠΈ ΠΏΠΎΠ»Π½ΠΎΡΡΡΡ ΠΏΡΠΈΠΆΠ°ΡΡΡ
ΠΊ Π±Π°ΡΠ°Π±Π°Π½Ρ ΠΊΠΎΠ»ΠΎΠ΄ΠΊΠ°Ρ
ΡΠΎΠ±Π°ΡΠΊΠ° ΡΡΡΠ°Π³Π° ΡΡΡΠ°Π½Π°Π²Π»ΠΈΠ²Π°Π΅ΡΡΡ Π½Π° ΡΠ΅ΡΠ²Π΅ΡΡΠΎΠΌ β ΡΠ΅ΡΡΠΎΠΌ Π·ΡΠ±Π΅ ΡΠ΅ΠΊΡΠΎΡΠ°.
ΠΠΎΡΠ»Π΅ ΡΠ΅Π³ΡΠ»ΠΈΡΠΎΠ²ΠΊΠΈ ΡΡΠΎΡΠ½ΠΎΡΠ½ΠΎΠ³ΠΎ ΡΠΎΡΠΌΠΎΠ·Π° ΠΏΡΠΎΠ²Π΅ΡΠΈΡΡ, Π½Π΅Ρ Π»ΠΈ Π½Π°Π³ΡΠ΅Π²Π° ΡΠΎΡΠΌΠΎΠ·Π½ΠΎΠ³ΠΎ Π±Π°ΡΠ°Π±Π°Π½Π° ΠΏΡΠΈ Π΄Π²ΠΈΠΆΠ΅Π½ΠΈΠΈ Π°Π²ΡΠΎΠΌΠΎΠ±ΠΈΠ»Ρ.
Π ΠΈΡ. 8. ΠΡΠΈΠ²ΠΎΠ΄ ΡΠΎΡΠΌΠΎΠ·Π½ΠΎΠ³ΠΎ ΠΊΡΠ°Π½Π°:
1 β ΠΏΠ΅Π΄Π°Π»Ρ; 2 β ΡΡΡΠ°Π³ ΠΏΠ΅Π΄Π°Π»ΠΈ; 3 β ΡΠ΅Π³ΡΠ»ΠΈΡΠΎΠ²ΠΎΡΠ½ΡΠΉ Π±ΠΎΠ»Ρ; 4β Π²ΠΈΠ»ΠΊΠ° ΡΡΠ³ΠΈ; 5 βΠ³Π°ΠΉΠΊΠ°; 6 β ΡΡΠ³Π° ΠΏΡΠΈΠ²ΠΎΠ΄Π° ΡΠΎΡΠΌΠΎΠ·Π½ΠΎΠ³ΠΎ ΠΊΡΠ°Π½Π°; 7β ΡΡΡΠ°Π³ ΡΠΎΡΠΌΠΎΠ·Π½ΠΎΠ³ΠΎ ΠΊΡΠ°Π½Π°; 8 β ΠΊΡΠΎΠ½ΡΡΠ΅ΠΉΠ½ Π²Π°Π»Π° ΠΏΠ΅Π΄Π°Π»ΠΈ
ΠΡΠ΅Π΄ΠΎΡ ΡΠ°Π½ΠΈΡΠ΅Π»ΡΠ½ΡΠΉ ΠΊΠ»Π°ΠΏΠ°Π½ ΡΠ΅Π³ΡΠ»ΠΈΡΡΡΡ ΡΠΎΠ»ΡΠΊΠΎ Π² ΡΠΎΠΌ ΡΠ»ΡΡΠ°Π΅, Π΅ΡΠ»ΠΈ ΠΎΠ½ Π½Π΅ ΠΏΠΎΠ΄Π΄Π΅ΡΠΆΠΈΠ²Π°Π΅Ρ Π΄Π°Π²Π»Π΅Π½ΠΈΠ΅ Π² Π·Π°Π΄Π°Π½Π½ΡΡ ΠΏΡΠ΅Π΄Π΅Π»Π°Ρ . ΠΠ»Π°ΠΏΠ°Π½ ΡΠ΅Π³ΡΠ»ΠΈΡΡΡΡ Π²ΡΠ°ΡΠ΅Π½ΠΈΠ΅ΠΌ ΡΠ΅Π³ΡΠ»ΠΈΡΠΎΠ²ΠΎΡΠ½ΠΎΠ³ΠΎ Π²ΠΈΠ½ΡΠ°. ΠΠ°Π²Π»Π΅Π½ΠΈΠ΅, ΠΏΡΠΈ ΠΊΠΎΡΠΎΡΠΎΠΌ ΡΡΠ°Π±Π°ΡΡΠ²Π°Π΅Ρ ΠΊΠ»Π°ΠΏΠ°Π½, ΡΠ²Π΅Π»ΠΈΡΠΈΠ²Π°Π΅ΡΡΡ ΠΏΡΠΈ Π²Π²Π΅ΡΡΡΠ²Π°Π½ΠΈΠΈ Π²ΠΈΠ½ΡΠ° ΠΈ ΡΠΌΠ΅Π½ΡΡΠ°Π΅ΡΡΡ ΠΏΡΠΈ Π²ΡΠ²Π΅ΡΡΡΠ²Π°Π½ΠΈΠΈ. ΠΠΎΡΠ»Π΅ ΡΠ΅Π³ΡΠ»ΠΈΡΠΎΠ²ΠΊΠΈ Π²ΠΈΠ½Ρ 6 Π·Π°ΠΊΡΠ΅ΠΏΠ»ΡΡΡ ΠΊΠΎΠ½ΡΡΠ³Π°ΠΉΠΊΠΎΠΉ.
ΠΠ»Ρ ΡΡΡΡΠ°Π½Π΅Π½ΠΈΡ ΡΡΠ΅ΡΠΊΠΈ Π²ΠΎΠ·Π΄ΡΡ Π° ΠΊΠ»Π°ΠΏΠ°Π½ ΡΠ½ΡΡΡ, ΡΠ°Π·ΠΎΠ±ΡΠ°ΡΡ, ΡΠ΄Π°Π»ΠΈΡΡ ΡΠΆΠ°Π²ΡΠΈΠ½Ρ ΠΈ ΠΏΡΠΎΠΌΡΡΡ Π² ΠΊΠ΅ΡΠΎΡΠΈΠ½Π΅. Π Π°Π±ΠΎΡΠΈΠ΅ ΠΏΠΎΠ²Π΅ΡΡ Π½ΠΎΡΡΠΈ ΡΠ΅Π΄Π»Π° ΠΈ ΡΠ°ΡΠΈΠΊΠ° Π²ΡΡΠΈΡΡΠΈΡΡ, ΠΏΡΠΎΠΌΡΡΡ Ρ ΠΌΡΠ»ΠΎΠΌ ΠΈ ΠΏΡΠΎΠ²Π΅ΡΠΈΡΡ, Π½Π΅Ρ Π»ΠΈ ΠΏΠΎΠ²ΡΠ΅ΠΆΠ΄Π΅Π½ΠΈΠΉ.
ΠΠ΅Π±ΠΎΠ»ΡΡΡΡ ΡΡΠ΅ΡΠΊΡ Π²ΠΎΠ·Π΄ΡΡ
Π° ΠΌΠΎΠΆΠ½ΠΎ ΡΡΡΡΠ°Π½ΠΈΡΡ, ΠΎΡΠ°ΠΆΠΈΠ²Π°Ρ Π»Π΅Π³ΠΊΠΈΠΌΠΈ ΡΠ΄Π°ΡΠ°ΠΌΠΈ ΡΠ°ΡΠΈΠΊΠΎΠ²ΡΠΉ ΠΊΠ»Π°ΠΏΠ°Π½ Π½Π° Π΅Π³ΠΎ ΡΠ΅Π΄Π»Π΅. Π¨Π°ΡΠΈΠΊ ΠΏΡΠΈ ΡΠ±ΠΎΡΠΊΠ΅ ΠΏΠΎΠΊΡΡΡΡ ΡΠΌΠ°Π·ΠΊΠΎΠΉ Π¦ΠΠΠ’ΠΠ-201.
Π Π΅Π³ΡΠ»ΡΡΠΎΡ Π΄Π°Π²Π»Π΅Π½ΠΈΡ ΡΠ΅Π³ΡΠ»ΠΈΡΡΡΡ, Π΅ΡΠ»ΠΈ ΠΎΠ½ Π½Π΅ ΠΏΠΎΠ΄Π΄Π΅ΡΠΆΠΈΠ²Π°Π΅Ρ Π΄Π°Π²Π»Π΅Π½ΠΈΠ΅ Π²ΠΎΠ·Π΄ΡΡ Π° Π² Π·Π°Π΄Π°Π½Π½ΡΡ ΠΏΡΠ΅Π΄Π΅Π»Π°Ρ . ΠΠ΅ΡΠ΅Π΄ ΡΠ΅Π³ΡΠ»ΠΈΡΠΎΠ²ΠΊΠΎΠΉ ΡΠ»Π΅Π΄ΡΠ΅Ρ ΠΏΡΠΎΠΌΡΡΡ Π΄Π΅ΡΠ°Π»ΠΈ ΡΠ΅Π³ΡΠ»ΡΡΠΎΡΠ° Π² ΠΊΠ΅ΡΠΎΡΠΈΠ½Π΅.
ΠΡΠ°ΡΠ°Ρ ΠΊΠΎΠ»ΠΏΠ°ΠΊ, ΠΎΡΡΠ΅Π³ΡΠ»ΠΈΡΠΎΠ²Π°ΡΡ ΠΊΠ»Π°ΠΏΠ°Π½ ΡΠ°ΠΊ, ΡΡΠΎΠ±Ρ ΠΊΠΎΠΌΠΏΡΠ΅ΡΡΠΎΡ Π²ΠΊΠ»ΡΡΠ°Π»ΡΡ Π² ΡΠ°Π±ΠΎΡΡ ΠΏΡΠΈ Π΄Π°Π²Π»Π΅Π½ΠΈΠΈ 6,0β 6,4 ΠΊΠ³Ρ/ΡΠΌ2. ΠΡΠΈ Π·Π°Π²Π΅ΡΡΡΠ²Π°Π½ΠΈΠΈ ΠΊΠΎΠ»ΠΏΠ°ΠΊΠ° Π΄Π°Π²Π»Π΅Π½ΠΈΠ΅ ΡΠ²Π΅Π»ΠΈΡΠΈΠ²Π°Π΅ΡΡΡ, ΠΏΡΠΈ ΠΎΡΠ²Π΅ΡΡΡΠ²Π°Π½ΠΈΠΈ ΡΠΌΠ΅Π½ΡΡΠ°Π΅ΡΡΡ. ΠΠΎΠ»ΠΏΠ°ΠΊ Π·Π°ΠΊΡΠ΅ΠΏΠ»Π΅Π½ ΠΊΠΎΠ½ΡΡΠ³Π°ΠΉΠΊΠΎΠΉ.
ΠΡΠ»ΠΈ ΠΏΠΎΡΠ»Π΅ ΡΠ΅Π³ΡΠ»ΠΈΡΠΎΠ²ΠΊΠΈ ΠΊΠΎΠΌΠΏΡΠ΅ΡΡΠΎΡ Π½Π΅ Π±ΡΠ΄Π΅Ρ ΠΎΡΠΊΠ»ΡΡΠ°ΡΡΡΡ ΠΏΡΠΈ Π΄Π°Π²Π»Π΅Π½ΠΈΠΈ 7,3β7,7 ΠΊΠ³Ρ/ΡΠΌ2, ΠΌΠ°ΠΊΡΠΈΠΌΠ°Π»ΡΠ½ΠΎΠ΅ Π΄Π°Π²Π»Π΅Π½ΠΈΠ΅ ΠΎΡΡΠ΅Π³ΡΠ»ΠΈΡΠΎΠ²Π°ΡΡ ΠΈΠ·ΠΌΠ΅Π½Π΅Π½ΠΈΠ΅ΠΌ ΠΊΠΎΠ»ΠΈΡΠ΅ΡΡΠ²Π° ΠΏΡΠΎΠΊΠ»Π°Π΄ΠΎΠΊ. Π‘ ΡΠ²Π΅Π»ΠΈΡΠ΅Π½ΠΈΠ΅ΠΌ ΡΠΈΡΠ»Π° ΠΏΡΠΎΠΊΠ»Π°Π΄ΠΎΠΊ Π΄Π°Π²Π»Π΅Π½ΠΈΠ΅ ΠΏΠΎΠ½ΠΈΠΆΠ°Π΅ΡΡΡ, Ρ ΡΠΌΠ΅Π½ΡΡΠ΅Π½ΠΈΠ΅ΠΌ ΠΏΠΎΠ²ΡΡΠ°Π΅ΡΡΡ.
Π£Ρ ΠΎΠ΄ Π·Π° ΠΏΠ½Π΅Π²ΠΌΠ°ΡΠΈΡΠ΅ΡΠΊΠΈΠΌ ΠΎΠ±ΠΎΡΡΠ΄ΠΎΠ²Π°Π½ΠΈΠ΅ΠΌ. Π ΠΈΡΠΏΡΠ°Π²Π½ΠΎΠΉ ΡΠΈΡΡΠ΅ΠΌΠ΅ ΠΏΡΠΈ ΡΠ²ΠΎΠ±ΠΎΠ΄Π½ΠΎΠΌ ΠΏΠΎΠ»ΠΎΠΆΠ΅Π½ΠΈΠΈ ΠΏΠ΅Π΄Π°Π»ΠΈ ΡΠΎΡΠΌΠΎΠ·Π° ΠΏΠ°Π΄Π΅Π½ΠΈΠ΅ Π΄Π°Π²Π»Π΅Π½ΠΈΡ Ρ 6 ΠΊΠ³Ρ/ΡΠΌ2 Π½Π΅ Π΄ΠΎΠ»ΠΆΠ½ΠΎ ΠΏΡΠ΅Π²ΡΡΠ°ΡΡ 0,5 ΠΊΠ³Ρ/ΡΠΌ2 Π² ΡΠ΅ΡΠ΅Π½ΠΈΠ΅ 30 ΠΌΠΈΠ½ (Π½ΠΈΠΆΠ½ΡΡ ΡΠΊΠ°Π»Π° ΠΌΠ°Π½ΠΎΠΌΠ΅ΡΡΠ°).
ΠΡΠΈ ΠΏΠΎΠ»Π½ΠΎΠΌ Π½Π°ΠΆΠ°ΡΠΈΠΈ Π½Π° ΠΏΠ΅Π΄Π°Π»Ρ ΡΠΎΡΠΌΠΎΠ·Π° Π² ΡΠ΅ΡΠ΅Π½ΠΈΠ΅ 30 Ρ Π½Π΅ Π΄ΠΎΠ»ΠΆΠ½ΠΎ Π±ΡΡΡ Π·Π°ΠΌΠ΅ΡΠ½ΠΎΠ³ΠΎ ΠΏΠ΅ΡΠ΅ΠΌΠ΅ΡΠ΅Π½ΠΈΡ ΡΡΡΠ΅Π»ΠΊΠΈ Π²Π΅ΡΡ Π½Π΅ΠΉ ΡΠΊΠ°Π»Ρ ΠΌΠ°Π½ΠΎΠΌΠ΅ΡΡΠ°.
ΠΡΠΎΠ²Π΅ΡΡΡΡ ΡΠ»Π΅ΠΌΠ΅Π½ΡΡ ΠΏΠ½Π΅Π²ΠΌΠΎΡΠΈΡΡΠ΅ΠΌΡ ΠΈ ΡΠΎΠ΅Π΄ΠΈΠ½Π΅Π½ΠΈΠΉ ΠΌΠΎΠΆΠ½ΠΎ ΠΌΡΠ»ΡΠ½ΠΎΠΉ ΡΠΌΡΠ»ΡΡΠΈΠ΅ΠΉ.
ΠΠΎΠΏΡΡΡΠΈΠΌΠ° ΡΡΠ΅ΡΠΊΠ° Π²ΠΎΠ·Π΄ΡΡ
Π°, Π²ΡΠ·ΡΠ²Π°ΡΡΠ°Ρ ΡΠ΅ΡΠ΅Π· 5β6 Ρ ΠΏΠΎΡΠ²Π»Π΅Π½ΠΈΠ΅ ΠΌΡΠ»ΡΠ½ΠΎΠ³ΠΎ ΠΏΡΠ·ΡΡΡΠΊΠ° ΡΠ°Π·ΠΌΠ΅ΡΠΎΠΌ 20β25 ΠΌΠΌ.
ΠΡΠΈ Π½Π°ΡΡΡΠ΅Π½ΠΈΠΈ Π³Π΅ΡΠΌΠ΅ΡΠΈΡΠ½ΠΎΡΡΠΈ ΠΊΠ»Π°ΠΏΠ°Π½ΠΎΠ² ΠΊΠΎΠΌΠΏΡΠ΅ΡΡΠΎΡΠ° ΡΠ½ΡΡΡ Π³ΠΎΠ»ΠΎΠ²ΠΊΡ. ΠΠ»Π°ΠΏΠ°Π½Ρ, Π½Π΅ ΠΎΠ±Π΅ΡΠΏΠ΅ΡΠΈΠ²Π°ΡΡΠΈΠ΅ Π³Π΅ΡΠΌΠ΅ΡΠΈΡΠ½ΠΎΡΡΠΈ, ΠΏΡΠΈΡΠ΅ΡΠ΅ΡΡ ΠΊ ΡΠ΅Π΄Π»Π°ΠΌ Π΄ΠΎ ΠΏΠΎΠ»ΡΡΠ΅Π½ΠΈΡ Π½Π΅ΠΏΡΠ΅ΡΡΠ²Π½ΠΎΠ³ΠΎ ΠΊΠΎΠ»ΡΡΠ΅Π²ΠΎΠ³ΠΎ ΠΊΠΎΠ½ΡΠ°ΠΊΡΠ° ΠΏΡΠΈ ΠΏΡΠΎΠ²Π΅ΡΠΊΠ΅ Π½Π° ΠΊΡΠ°ΡΠΊΡ, ΠΈΠ·Π½ΠΎΡΠ΅Π½Π½ΡΠ΅ ΠΈΠ»ΠΈ ΠΏΠΎΠ²ΡΠ΅ΠΆΠ΄Π΅Π½Π½ΡΠ΅ ΠΊΠ»Π°ΠΏΠ°Π½Ρ Π·Π°ΠΌΠ΅Π½ΠΈΡΡ Π½ΠΎΠ²ΡΠΌΠΈ.
Π£ΠΏΠ»ΠΎΡΠ½ΠΈΡΠ΅Π»ΡΠ½ΡΠ΅ ΠΊΠΎΠ»ΡΡΠ° ΠΏΠ»ΡΠ½ΠΆΠ΅ΡΠΎΠ² ΡΠ°Π·Π³ΡΡΠ·ΠΎΡΠ½ΠΎΠ³ΠΎ ΡΡΡΡΠΎΠΉΡΡΠ²Π°, ΠΏΠΎΡΠ΅ΡΡΠ²ΡΠΈΠ΅ ΡΠ»Π°ΡΡΠΈΡΠ½ΠΎΡΡΡ ΠΈΠ»ΠΈ ΠΈΠ·Π½ΠΎΡΠ΅Π½Π½ΡΠ΅, Π·Π°ΠΌΠ΅Π½ΡΡΡ Π½ΠΎΠ²ΡΠΌΠΈ, Π½Π΅ ΡΠ½ΠΈΠΌΠ°Ρ ΠΊΠΎΠΌΠΏΡΠ΅ΡΡΠΎΡΠ° Ρ Π΄Π²ΠΈΠ³Π°ΡΠ΅Π»Ρ. ΠΠ»Ρ ΡΡΠΎΠ³ΠΎ Π½Π΅ΠΎΠ±Ρ ΠΎΠ΄ΠΈΠΌΠΎ ΡΠ½ΡΡΡ ΠΏΠ°ΡΡΡΠ±ΠΎΠΊ ΠΏΠΎΠ΄Π²ΠΎΠ΄Π° Π²ΠΎΠ·Π΄ΡΡ Π°, Π²ΡΠ½ΡΡΡ ΠΏΡΡΠΆΠΈΠ½Ρ ΠΈ ΠΊΠΎΡΠΎΠΌΡΡΠ»ΠΎ, ΠΏΠΎΠ΄Π½ΡΡΡ Π³Π½Π΅Π·Π΄ΠΎ ΡΡΠΎΠΊΠ° Π²Π²Π΅ΡΡ , ΡΠ½ΡΡΡ Π΅Π³ΠΎ Π²ΠΌΠ΅ΡΡΠ΅ ΡΠΎ ΡΡΠΎΠΊΠΎΠΌ ΠΈ Π²ΡΠ½ΡΡΡ ΠΏΠ»ΡΠ½ΠΆΠ΅Ρ. ΠΠ΅ΡΠ΅Π΄ ΡΡΡΠ°Π½ΠΎΠ²ΠΊΠΎΠΉ ΠΏΠ»ΡΠ½ΠΆΠ΅Ρ ΡΠΌΠ°Π·Π°ΡΡ ΠΌΠ°ΡΠ»ΠΎΠΌ, ΠΏΡΠΈΠΌΠ΅Π½ΡΠ΅ΠΌΡΠΌ Π΄Π»Ρ Π΄Π²ΠΈΠ³Π°ΡΠ΅Π»Ρ.
ΠΠΎ Π²ΠΎΠ·Π²ΡΠ°ΡΠ΅Π½ΠΈΠΈ ΠΈΠ· ΡΠ΅ΠΉΡΠ° Π½Π΅ΠΎΠ±Ρ ΠΎΠ΄ΠΈΠΌΠΎ ΡΠ»ΠΈΡΡ ΠΊΠΎΠ½Π΄Π΅Π½ΡΠ°Ρ ΠΈΠ· Π²ΠΎΠ·Π΄ΡΡΠ½ΡΡ Π±Π°Π»Π»ΠΎΠ½ΠΎΠ². ΠΡΠΈ ΡΡΠΎΠΌ ΡΠ»Π΅Π΄ΡΠ΅Ρ ΠΈΠΌΠ΅ΡΡ Π² Π²ΠΈΠ΄Ρ, ΡΡΠΎ ΡΠ»ΠΈΠ²Π°ΡΡ ΠΊΠΎΠ½Π΄Π΅Π½ΡΠ°Ρ ΠΌΠΎΠΆΠ½ΠΎ ΡΠΎΠ»ΡΠΊΠΎ ΠΏΡΠΈ Π½Π°Π»ΠΈΡΠΈΠΈ Π΄Π°Π²Π»Π΅Π½ΠΈΡ Π²ΠΎΠ·Π΄ΡΡ Π° Π² ΡΠΈΡΡΠ΅ΠΌΠ΅. ΠΠ°ΡΠ»ΠΎ Π² ΠΊΠΎΠ½Π΄Π΅Π½ΡΠ°ΡΠ΅ ΡΠΊΠ°Π·ΡΠ²Π°Π΅Ρ Π½Π° Π½Π΅ΠΈΡΠΏΡΠ°Π²Π½ΠΎΡΡΡ ΠΏΠΎΡΡΠ½Π΅Π²ΠΎΠΉ Π³ΡΡΠΏΠΏΡ ΠΊΠΎΠΌΠΏΡΠ΅ΡΡΠΎΡΠ°.
Π Ρ
ΠΎΠ»ΠΎΠ΄Π½ΡΡ ΠΏΠΎΠ³ΠΎΠ΄Ρ ΠΏΡΠΈ ΡΠΏΡΡΠΊΠ΅ ΠΊΠΎΠ½Π΄Π΅Π½ΡΠ°ΡΠ° Π°Π³ΡΠ΅Π³Π°ΡΡ ΠΏΠ½Π΅Π²ΠΌΠΎΡΠΈΡΡΠ΅-ΠΌΡ ΠΏΡΠ΅Π΄Π²Π°ΡΠΈΡΠ΅Π»ΡΠ½ΠΎ ΠΏΡΠΎΠ³ΡΠ΅ΡΡ, ΡΡΠΎΠ±Ρ Π·Π°ΠΌΠ΅ΡΠ·ΡΠ°Ρ Π²ΠΎΠ΄Π° ΠΎΡΡΠ°ΡΠ»Π°.
ΠΠΎΠ΄ΠΎΠ³ΡΠ΅Π²Π°ΡΡ Π°Π³ΡΠ΅Π³Π°ΡΡ ΠΎΡΠΊΡΡΡΡΠΌ ΠΎΠ³Π½Π΅ΠΌ (ΡΠ°ΠΊΠ΅Π»ΠΎΠΌ, ΠΏΠ°ΡΠ»ΡΠ½ΠΎΠΉ Π»Π°ΠΌΠΏΠΎΠΉ ΠΈ Ρ. ΠΏ.) Π·Π°ΠΏΡΠ΅ΡΠ°Π΅ΡΡΡ.
Π Π΅ΠΌΠΎΠ½Ρ
ΠΠ»Ρ ΡΠ΅ΠΌΠΎΠ½ΡΠ° ΠΏΡΠΈΠ±ΠΎΡΡ ΠΈ Π°Π³ΡΠ΅Π³Π°ΡΡ ΡΠΎΡΠΌΠΎΠ·Π½ΠΎΠΉ ΡΠΈΡΡΠ΅ΠΌΡ ΡΠ½ΡΡΡ Ρ Π°Π²ΡΠΎΠΌΠΎΠ±ΠΈΠ»Ρ, ΡΠ°Π·ΠΎΠ±ΡΠ°ΡΡ, ΠΏΡΠΎΠΌΡΡΡ Π΄Π΅ΡΠ°Π»ΠΈ, ΠΏΡΠΎΠ²Π΅ΡΠΈΡΡ ΠΈΡ ΡΠΎΡΡΠΎΡΠ½ΠΈΠ΅ ΠΈ ΠΎΠΏΡΠ΅Π΄Π΅Π»ΠΈΡΡ ΠΏΡΠΈΠ³ΠΎΠ΄Π½ΠΎΡΡΡ Π΄Π΅ΡΠ°Π»Π΅ΠΉ Π΄Π»Ρ Π΄Π°Π»ΡΠ½Π΅ΠΉΡΠ΅Π³ΠΎ ΠΈΡΠΏΠΎΠ»ΡΠ·ΠΎΠ²Π°Π½ΠΈΡ.
Π Π°Π·Π±ΠΎΡΠΊΠ°. Π Π°Π·Π±ΠΎΡΠΊΡ ΡΠ°Π±ΠΎΡΠΈΡ ΡΠΎΡΠΌΠΎΠ·ΠΎΠ² Π²ΡΠΏΠΎΠ»Π½ΡΡΡ Π² ΡΠ»Π΅Π΄ΡΡΡΠ΅ΠΌ ΠΏΠΎΡΡΠ΄ΠΊΠ΅.
ΠΠΎΠ΄Π½ΡΡΡ ΠΌΠΎΡΡ Π΄ΠΎΠΌΠΊΡΠ°ΡΠΎΠΌ, ΡΠ½ΡΡΡ ΠΊΠΎΠ»Π΅ΡΠΎ ΠΈ ΠΊΡΡΡΠΊΡ ΡΡΡΠΏΠΈΡΡ, Π²ΡΠ²Π΅ΡΠ½ΡΡΡ ΡΠ³ΠΎΠ»ΡΠ½ΠΈΠΊ ΡΠ»Π°Π½Π³Π° ΠΏΠΎΠ΄ΠΊΠ°ΡΠΊΠΈ ΡΠΈΠ½ ΠΈ ΠΏΡΠΈ ΠΏΠΎΠΌΠΎΡΠΈ ΡΡΠ΅ΠΌΠ½ΠΈΠΊΠ° Π²ΡΠ½ΡΡΡ ΠΏΠΎΠ»ΡΠΎΡΡ.
ΠΡΠΎΠ³Π½ΡΡΡ ΡΡΠΎΠΏΠΎΡΠ½ΡΡ ΡΠ°ΠΉΠ±Ρ ΠΈ ΠΎΡΠ²Π΅ΡΠ½ΡΡΡ Π½Π°ΡΡΠΆΠ½ΡΡ Π³Π°ΠΉΠΊΡ ΠΊΡΠ΅ΠΏ-Π½Π΅Π½ΠΈΡ ΠΏΠΎΠ΄ΡΠΈΠΏΠ½ΠΈΠΊΠΎΠ² ΡΡΡΠΏΠΈΡΡ, Π²ΡΠ½ΡΡΡ Π·Π°ΠΌΠΎΡΠ½ΡΡ ΡΠ°ΠΉΠ±Ρ ΠΈ ΠΎΡΠ²Π΅ΡΠ½ΡΡΡ Π²Π½ΡΡΡΠ΅Π½Π½ΡΡ Π³Π°ΠΉΠΊΡ.
Π‘Π½ΡΡΡ ΡΡΡΠΏΠΈΡΡ Ρ ΡΠΎΡΠΌΠΎΠ·Π½ΡΠΌ Π±Π°ΡΠ°Π±Π°Π½ΠΎΠΌ ΠΈ ΠΏΠΎΠ΄ΡΠΈΠΏΠ½ΠΈΠΊΠ°ΠΌΠΈ, ΡΡΡΠΆ-Π»ΡΡ ΠΏΡΡΠΆΠΈΠ½Ρ ΠΊΠΎΠ»ΠΎΠ΄ΠΎΠΊ, ΡΡΠΎΠΏΠΎΡΠ½ΡΠ΅ ΡΠΊΠΎΠ±Ρ Π½Π° ΠΏΠ°Π»ΡΡΠ°Ρ ΠΈ ΠΊΠΎΠ»ΠΎΠ΄ΠΊΠΈ, ΠΎΡΠΈΡΡΠΈΡΡ Π²ΡΡΠ»ΠΊΡ ΠΈ ΠΏΠ°Π»Π΅Ρ ΠΊΠΎΠ»ΠΎΠ΄ΠΊΠΈ.
ΠΡΠ²Π΅ΡΠ½ΡΡΡ ΡΡΡΠ±ΠΎΠΏΡΠΎΠ²ΠΎΠ΄ ΠΈ Π±ΠΎΠ»ΡΡ, ΡΠ½ΡΡΡ ΠΊΠΎΠ»Π΅ΡΠ½ΡΠΉ ΡΠΈΠ»ΠΈΠ½Π΄Ρ ΠΈ ΡΠ°Π·ΠΎΠ±ΡΠ°ΡΡ Π΅Π³ΠΎ, ΠΎΡΠ²Π΅ΡΠ½ΡΡΡ Π³Π°ΠΉΠΊΠΈ ΠΈ ΡΠ½ΡΡΡ ΠΎΠΏΠΎΡΠ½ΡΠ΅ ΠΏΠ°Π»ΡΡΡ ΠΊΠΎΠ»ΠΎΠ΄ΠΎΠΊ.
Π‘Π½ΡΡΡ ΡΠΈΡ ΡΠΎΡΠΌΠΎΠ·Π° ΠΈ Π²ΠΎΠΉΠ»ΠΎΡΠ½ΡΠΉ ΡΠ°Π»ΡΠ½ΠΈΠΊ.
Π Π°Π·Π±ΠΎΡΠΊΠ° ΠΏΠ½Π΅Π²ΠΌΠΎΡΡΠΈΠ»ΠΈΡΠ΅Π»Ρ, ΡΠΎΡΠΌΠΎΠ·Π½ΠΎΠ³ΠΎ ΡΠΈΠ»ΠΈΠ½Π΄ΡΠ°, ΡΠΎΡΠΌΠΎΠ·Π½ΠΎΠ³ΠΎ ΠΊΡΠ°Π½Π°, ΡΡΠΎΡΠ½ΠΎΡΠ½ΠΎΠ³ΠΎ ΡΠΎΡΠΌΠΎΠ·Π°, ΠΊΠΎΠΌΠΏΡΠ΅ΡΡΠΎΡΠ° ΡΡΡΠ΄Π½ΠΎΡΡΠ΅ΠΉ Π½Π΅ ΠΏΡΠ΅Π΄ΡΡΠ°Π²Π»ΡΠ΅Ρ.
ΠΡΠΈ ΡΡΠΎΠΌ Π½Π΅ΠΎΠ±Ρ
ΠΎΠ΄ΠΈΠΌΠΎ ΠΎΠ±ΡΠ°ΡΠΈΡΡ Π²Π½ΠΈΠΌΠ°Π½ΠΈΠ΅ Π½Π° ΡΠ»Π΅Π΄ΡΡΡΠ΅Π΅.
ΠΡΠΈ ΡΠ°Π·Π±ΠΎΡΠΊΠ΅ Π³Π»Π°Π²Π½ΠΎΠ³ΠΎ ΡΠΎΡΠΌΠΎΠ·Π½ΠΎΠ³ΠΎ ΡΠΈΠ»ΠΈΠ½Π΄ΡΠ° Π½Π΅ ΡΠ΅ΠΊΠΎΠΌΠ΅Π½Π΄ΡΠ΅ΡΡΡ ΠΎΡΠ²Π΅ΡΡΡΠ²Π°ΡΡ ΠΏΡΠΎΠ±ΠΊΡ.
ΠΠΎΠ»ΠΎΠ²ΠΊΡ ΡΠΈΠ»ΠΈΠ½Π΄ΡΠΎΠ² ΠΊΠΎΠΌΠΏΡΠ΅ΡΡΠΎΡΠ° ΡΠ°Π·Π±ΠΈΡΠ°ΡΡ ΡΠΎΠ»ΡΠΊΠΎ ΠΏΡΠΈ Π½Π΅ΠΎΠ±Ρ ΠΎΠ΄ΠΈΠΌΠΎΡΡΠΈ. ΠΠΎΡΠ»Π΅ ΡΠ½ΡΡΠΈΡ Ρ ΠΏΠΎΠΌΠΎΡΡΡ ΠΏΠ»ΠΎΡΠΊΠΎΠ³ΡΠ±ΡΠ΅Π² Π½Π°ΠΏΡΠ°Π²Π»ΡΡΡΠΈΡ Π²ΠΏΡΡΠΊΠ½ΡΡ ΠΊΠ»Π°ΠΏΠ°Π½ΠΎΠ² Π²ΡΠΏΡΠ΅ΡΡΠΎΠ²Π°ΡΡ ΡΠ΅Π΄Π»Π° ΠΏΡΠΈ ΠΏΠΎΠΌΠΎΡΠΈ ΡΡΠ΅ΠΌΠ½ΠΈΠΊΠ°.
ΠΠΎΠ½ΡΡΠΎΠ»Ρ Π΄Π΅ΡΠ°Π»Π΅ΠΉ. ΠΠ°ΠΌΠ°ΡΠ»Π΅Π½Π½ΡΠ΅ Π½Π°ΠΊΠ»Π°Π΄ΠΊΠΈ ΠΏΡΠΎΠΌΡΡΡ Π² Π±Π΅Π½Π·ΠΈΠ½Π΅, ΠΏΡΠΎΡΡΡΠΈΡΡ, Π° Π·Π°ΡΠ΅ΠΌ ΠΎΡΠΈΡΡΠΈΡΡ ΡΠ°Π±ΠΎΡΠΈΠ΅ ΠΏΠΎΠ²Π΅ΡΡ Π½ΠΎΡΡΠΈ ΠΌΠ΅ΡΠ°Π»Π»ΠΈΡΠ΅ΡΠΊΠΎΠΉ ΡΠ΅ΡΠΊΠΎΠΉ ΠΈΠ»ΠΈ Π½Π°ΠΆΠ΄Π°ΡΠ½ΠΎΠΉ Π±ΡΠΌΠ°Π³ΠΎΠΉ. ΠΡΠ»ΠΈ ΠΎΡ ΠΏΠΎΠ²Π΅ΡΡ Π½ΠΎΡΡΠΈ Π½Π°ΠΊΠ»Π°Π΄ΠΎΠΊ Π΄ΠΎ Π³ΠΎΠ»ΠΎΠ²ΠΎΠΊ Π·Π°ΠΊΠ»Π΅ΠΏΠΎΠΊ ΠΎΡΡΠ°Π΅ΡΡΡ ΠΌΠ΅Π½Π΅Π΅ 0,5 ΠΌΠΌ, Π½Π°ΠΊΠ»Π°Π΄ΠΊΠΈ Π·Π°ΠΌΠ΅Π½ΠΈΡΡ Π½ΠΎΠ²ΡΠΌΠΈ.
ΠΠΎΠ»ΠΎΠ΄ΠΊΠΈ ΡΠ°Π±ΠΎΡΠΈΡ ΡΠΎΡΠΌΠΎΠ·ΠΎΠ² ΠΎΠ±ΡΠ°Π±ΠΎΡΠ°ΡΡ ΠΏΠΎ ΡΠ°Π·ΠΌΠ΅ΡΠ°ΠΌ, ΡΠΊΠ°Π·Π°Π½Π½ΡΠΌ Π½Π° ΡΠΈΡ. 158. ΠΠΎΠ»ΠΎΠ΄ΠΊΠΈ ΡΡΠΎΡΠ½ΠΎΡΠ½ΠΎΠ³ΠΎ ΡΠΎΡΠΌΠΎΠ·Π° ΠΎΠ±ΡΠ°Π±ΠΎΡΠ°ΡΡ ΡΠΎΠ²ΠΌΠ΅ΡΡΠ½ΠΎ Ρ ΡΠ°Π·ΠΆΠΈΠΌΠ½ΡΠΌ ΠΊΡΠ»Π°ΠΊΠΎΠΌ, ΡΡΡΠ°Π½ΠΎΠ²ΠΈΠ² ΠΌΠ΅ΠΆΠ΄Ρ ΡΡΡ Π°ΡΡΠΌΠΈ ΠΊΠΎΠ»ΠΎΠ΄ΠΎΠΊ ΠΈ ΠΊΡΠ»Π°ΠΊΠΎΠΌ ΠΏΠ»Π°ΡΡΠΈΠ½Ρ ΡΠΎΠ»ΡΠΈΠ½ΠΎΠΉ 0,98β1,00 ΠΌΠΌ.
Π’ΠΎΡΠΌΠΎΠ·Π½ΡΠ΅ Π±Π°ΡΠ°Π±Π°Π½Ρ ΡΠ°Π±ΠΎΡΠ΅Π³ΠΎ ΡΠΎΡΠΌΠΎΠ·Π° Ρ ΠΊΠΎΠ»ΡΡΠ΅Π²ΡΠΌΠΈ ΠΊΠ°Π½Π°Π²ΠΊΠ°ΠΌΠΈ Π±ΠΎΠ»Π΅Π΅ 2 ΠΌΠΌ ΠΏΡΠΎΡΠΎΡΠΈΡΡ.
ΠΠΎΠ»Π΅ΡΠ½ΡΠ΅ ΡΠΈΠ»ΠΈΠ½Π΄ΡΡ Ρ ΡΠΈΡΠΊΠ°ΠΌΠΈ ΠΈ ΡΠ»Π΅Π΄Π°ΠΌΠΈ ΠΊΠΎΡΡΠΎΠ·ΠΈΠΈ Π½Π° ΡΠ°Π±ΠΎΡΠ΅ΠΉ ΠΏΠΎΠ²Π΅ΡΡ
Π½ΠΎΡΡΠΈ Π½Π΅ΠΎΠ±Ρ
ΠΎΠ΄ΠΈΠΌΠΎ Ρ
ΠΎΠ½ΠΈΠ½Π³ΠΎΠ²Π°ΡΡ. ΠΠΎΡΡΠ½ΠΈ ΠΈ ΡΠ΅Π·ΠΈΠ½ΠΎΠ²ΡΠ΅ ΠΌΠ°Π½ΠΆΠ΅ΡΡ ΠΏΡΠΈ Π½Π°Π»ΠΈΡΠΈΠΈ ΡΠΈΡΠΎΠΊ ΠΈΠ»ΠΈ Π·Π½Π°ΡΠΈΡΠ΅Π»ΡΠ½ΠΎΠΌ ΠΈΠ·Π½ΠΎΡΠ΅ ΡΠ°Π±ΠΎΡΠΈΡ
ΠΏΠΎΠ²Π΅ΡΡ
Π½ΠΎΡΡΠ΅ΠΉ Π·Π°ΠΌΠ΅Π½ΠΈΡΡ.
ΠΡΠΎΠΌΡΡΡ ΠΈ ΡΡΠ°ΡΠ΅Π»ΡΠ½ΠΎ ΠΎΡΠΌΠΎΡΡΠ΅ΡΡ Π·Π°ΡΠΈΡΠ½ΡΠΉ ΡΠ΅Ρ
ΠΎΠ» ΠΊΠΎΠ»Π΅ΡΠ½ΠΎΠ³ΠΎ ΡΠΈΠ»ΠΈΠ½Π΄ΡΠ°, ΠΏΡΠΈ ΡΠΊΠ²ΠΎΠ·Π½ΡΡ
ΡΠ°Π·ΡΡΠ²Π°Ρ
β Π·Π°ΠΌΠ΅Π½ΠΈΡΡ, ΠΏΡΠΈΠΌΠ΅Π½ΡΡ ΠΏΡΠΈΡΠΏΠΎΡΠΎΠ±Π»Π΅Π½ΠΈΠ΅.
Π ΠΈΡ. 8. Π‘Π½ΡΡΠΈΠ΅ (ΡΡΡΠ°Π½ΠΎΠ²ΠΊΠ°) ΡΡΡΠΆΠ½ΠΎΠΉ ΠΏΡΡΠΆΠΈΠ½Ρ
ΠΠ»Π°Π²Π½ΡΠΉ ΡΠΎΡΠΌΠΎΠ·Π½ΠΎΠΉ ΡΠΈΠ»ΠΈΠ½Π΄Ρ. ΠΡΠ»ΠΈ Π½Π° Π·Π΅ΡΠΊΠ°Π»Π΅ Π³Π»Π°Π²Π½ΠΎΠ³ΠΎ ΡΠΎΡΠΌΠΎΠ·Π½ΠΎΠ³ΠΎ ΡΠΈΠ»ΠΈΠ½Π΄ΡΠ° ΠΈΠΌΠ΅ΡΡΡΡ Π·Π°Π΄ΠΈΡΡ, ΡΠ»Π΅Π΄Ρ ΠΊΠΎΡΡΠΎΠ·ΠΈΠΈ, ΡΠΎ Π΅Π³ΠΎ ΡΠ»Π΅Π΄ΡΠ΅Ρ Π·Π°ΠΌΠ΅Π½ΠΈΡΡ ΠΈΠ»ΠΈ ΠΎΡΡ ΠΎΠ½ΠΈΠ½Π³ΠΎΠ²Π°ΡΡ. ΠΡΠΈ ΡΡΠΎΠΌ ΡΠ΅ΠΊΠΎΠΌΠ΅Π½Π΄ΡΠ΅ΡΡΡ ΠΏΠΎΡΡΠ°Π²ΠΈΡΡ Π½ΠΎΠ²ΡΠ΅ ΠΌΠ°Π½ΠΆΠ΅ΡΡ.
ΠΡΠΈ ΠΈΠ·Π½ΠΎΡΠ΅ ΠΏΠΎΡΡΠ½Ρ Π³Π»Π°Π²Π½ΠΎΠ³ΠΎ ΡΠΈΠ»ΠΈΠ½Π΄ΡΠ°, Π½Π°Π»ΠΈΡΠΈΠΈ Π½Π° ΡΠ°Π±ΠΎΡΠ΅ΠΉ ΠΏΠΎΠ²Π΅ΡΡ Π½ΠΎΡΡΠΈ ΠΎΠ±ΡΠ°ΡΠ½ΠΎΠ³ΠΎ ΠΊΠ»Π°ΠΏΠ°Π½Π° ΠΈ ΠΌΠ°Π½ΠΆΠ΅ΡΠΎΠ² Π³Π»Π°Π²Π½ΠΎΠ³ΠΎ ΡΠΈΠ»ΠΈΠ½Π΄ΡΠ° ΡΠ»Π΅Π΄ΠΎΠ² ΠΏΠΎΠ²ΡΠ΅ΠΆΠ΄Π΅Π½ΠΈΡ, ΡΠ°Π·Π±ΡΡ Π°Π½ΠΈΡ ΠΈΡ Π½Π΅ΠΎΠ±Ρ ΠΎΠ΄ΠΈΠΌΠΎ Π·Π°ΠΌΠ΅Π½ΠΈΡΡ.
ΠΠ°Π»ΠΈΡΠΈΠ΅ ΡΠΎΡΠΌΠΎΠ·Π½ΠΎΠΉ ΠΆΠΈΠ΄ΠΊΠΎΡΡΠΈ Π² ΠΏΠ΅ΡΠ²ΠΎΠΌ ΡΠΈΠ»ΠΈΠ½Π΄ΡΠ΅ ΠΏΠ½Π΅Π²ΠΌΠΎΡΡΠΈΠ»ΠΈ-ΡΠ΅Π»Ρ ΡΠΊΠ°Π·ΡΠ²Π°Π΅Ρ Π½Π° Π½Π΅ΠΎΠ±Ρ ΠΎΠ΄ΠΈΠΌΠΎΡΡΡ Π·Π°ΠΌΠ΅Π½Ρ Π½Π°ΡΡΠΆΠ½ΠΎΠ³ΠΎ (ΠΊΠΎΠ»ΡΡΠ΅Π²ΠΎΠ³ΠΎ) ΠΌΠ°Π½ΠΆΠ΅ΡΠ° ΠΏΠΎΡΡΠ½Ρ Π³Π»Π°Π²Π½ΠΎΠ³ΠΎ ΡΠΈΠ»ΠΈΠ½Π΄ΡΠ° (ΠΎΡΠ»Π°Π±Π»Π΅Π½ΠΈΠ΅ ΠΏΠΎΡΠ°Π΄ΠΊΠΈ ΠΌΠ°Π½ΠΆΠ΅ΡΠ° Π½Π° ΠΏΠΎΡΡΠ½Π΅).
ΠΠ½Π΅Π²ΠΌΠΎΡΡΠΈΠ»ΠΈΡΠ΅Π»ΠΈ ΠΈ Π΄Π΅ΡΠ°Π»ΠΈ, Π²Ρ ΠΎΠ΄ΡΡΠΈΠ΅ Π² Π½ΠΈΡ , ΠΎΡΠΈΡΡΠΈΡΡ ΠΈ ΠΏΡΠΎΠΌΡΡΡ. Π‘Π»Π΅Π΄Ρ ΠΊΠΎΡΡΠΎΠ·ΠΈΠΈ ΠΈ ΡΠΈΡΠΊΠΈ Π½Π° ΡΠ°Π±ΠΎΡΠΈΡ ΠΏΠΎΠ²Π΅ΡΡ Π½ΠΎΡΡΡΡ ΡΠΈΠ»ΠΈΠ½Π΄ΡΠΎΠ² ΡΠ΄Π°Π»ΠΈΡΡ Ρ ΠΏΠΎΠΌΠΎΡΡΡ ΠΌΠ΅Π»ΠΊΠΎΠΉ Π½Π°ΠΆΠ΄Π°ΡΠ½ΠΎΠΉ Π±ΡΠΌΠ°Π³ΠΈ.
ΠΡΠΈ Π½Π°Π»ΠΈΡΠΈΠΈ ΠΏΠΎΠ²ΡΠ΅ΠΆΠ΄Π΅Π½ΠΈΠΉ ΠΌΠ°Π½ΠΆΠ΅ΡΠΎΠ² ΠΈ ΡΠ°Π»ΡΠ½ΠΈΠΊΠ° ΠΏΡΠΎΡΡΠ°Π²ΠΊΠΈ ΠΈΡ
Π½Π΅ΠΎΠ±Ρ
ΠΎΠ΄ΠΈΠΌΠΎ Π·Π°ΠΌΠ΅Π½ΠΈΡΡ.
ΠΠΎΠΌΠΏΡΠ΅ΡΡΠΎΡ. ΠΠΎΡΠΏΡΡΠ½ΡΠ΅ Π΄Π΅ΡΠ°Π»ΠΈ Π½Π΅ Π΄ΠΎΠ»ΠΆΠ½Ρ ΠΈΠΌΠ΅ΡΡ ΡΡΠ΅ΡΠΈΠ½, ΡΠΊΠΎΠ»ΠΎΠ², Π° ΠΏΡΠΈΠ²Π°Π»ΠΎΡΠ½ΡΠ΅ ΠΏΠΎΠ²Π΅ΡΡ Π½ΠΎΡΡΠΈβ Π·Π°Π±ΠΎΠΈΠ½ ΠΈ ΠΊΠΎΡΠΎΠ±Π»Π΅Π½ΠΈΡ. ΠΠ½ΡΡΡΠ΅Π½Π½ΠΈΠ΅ ΠΏΠΎΠ»ΠΎΡΡΠΈ Π΄ΠΎΠ»ΠΆΠ½Ρ Π±ΡΡΡ ΠΎΡΠΈΡΠ΅Π½Ρ ΠΎΡ ΠΎΡΠ»ΠΎΠΆΠ΅Π½ΠΈΠΉ. ΠΠ΅ΠΏΠ»ΠΎ-. ΡΠΊΠΎΡΡΠ½ΠΎΡΡΡ ΠΏΡΠΈΠ²Π°Π»ΠΎΡΠ½ΡΡ ΠΏΠΎΠ²Π΅ΡΡ Π½ΠΎΡΡΠ΅ΠΉ ΠΊΠΎΡΠΏΡΡΠ½ΡΡ Π΄Π΅ΡΠ°Π»Π΅ΠΉ Π΄ΠΎΠ»ΠΆΠ½Π° Π±ΡΡΡ 0,05 ΠΌΠΌ (Π½Π΅ Π±ΠΎΠ»Π΅Π΅). ΠΠ·Π½ΠΎΡ Π³Π½Π΅Π·Π΄ ΠΏΠΎΠ΄ ΠΏΠΎΠ΄ΡΠΈΠΏΠ½ΠΈΠΊΠΈ ΠΊΠΎΠ»Π΅Π½ΡΠ°ΡΠΎΠ³ΠΎ Π²Π°Π»Π° Π² ΠΊΠ°ΡΡΠ΅ΡΠ΅ ΠΊΠΎΠΌΠΏΡΠ΅ΡΡΠΎΡΠ° Π΄ΠΎΠΏΡΡΠΊΠ°Π΅ΡΡΡ Π΄ΠΎ Π΄ΠΈΠ°ΠΌΠ΅ΡΡΠ° 72,05 ΠΌΠΌ.
ΠΠ·Π½ΠΎΡ Π²ΠΏΡΡΠΊΠ½ΠΎΠ³ΠΎ ΠΊΠ»Π°ΠΏΠ°Π½Π° ΠΏΠΎ ΡΠΎΠ»ΡΠΈΠ½Π΅ Π΄ΠΎΠΏΡΡΠΊΠ°Π΅ΡΡΡ Π΄ΠΎ 0,8 ΠΌΠΌ,, Π½Π΅ΠΏΠ»ΠΎΡΠΊΠΎΡΡΠ½ΠΎΡΡΡ ΠΊΠ»Π°ΠΏΠ°Π½ΠΎΠ² β 0,01 ΠΌΠΌ. Π ΡΠΊΡΠΏΠ»ΡΠ°ΡΠ°ΡΠΈΠΈ Π΄ΠΎΠΏΡΡΠΊΠ°Π΅ΡΡΡ ΠΏΠ»ΡΠ½ΠΆΠ΅Ρ ΡΠ°Π·Π³ΡΡΠ·ΠΎΡΠ½ΠΎΠ³ΠΎ ΡΡΡΡΠΎΠΉΡΡΠ²Π° Ρ ΡΠ°Π±ΠΎΡΠΈΠΌ Π΄ΠΈΠ°ΠΌΠ΅ΡΡΠΎΠΌ Π½Π΅ ΠΌΠ΅Π½Π΅Π΅ 9,9 ΠΌΠΌ, Π° Π²Π½ΡΡΡΠ΅Π½Π½ΠΈΠΉ Π΄ΠΈΠ°ΠΌΠ΅ΡΡ Π²ΡΡΠ»ΠΊΠΈ ΠΏΠ»ΡΠ½ΠΆΠ΅ΡΠ° β Π½Π΅ Π±ΠΎΠ»Π΅Π΅ 10,04 ΠΌΠΌ.
Π Π΅Π·ΠΈΠ½ΠΎΠ²ΡΠ΅ ΡΠΏΠ»ΠΎΡΠ½ΠΈΡΠ΅Π»ΡΠ½ΡΠ΅ ΠΊΠΎΠ»ΡΡΠ° ΠΏΠ»ΡΠ½ΠΆΠ΅ΡΠΎΠ² ΡΠ°Π·Π³ΡΡΠ·ΠΎΡΠ½ΠΎΠ³ΠΎ ΡΡΡΡΠΎΠΉΡΡΠ²Π° Π½Π΅ Π΄ΠΎΠ»ΠΆΠ½Ρ ΠΈΠΌΠ΅ΡΡ ΡΡΠ΅ΡΠΈΠ½, ΡΡΠ΅Π·ΠΌΠ΅ΡΠ½ΡΡ ΠΈΠ·Π½ΠΎΡΠΎΠ² ΠΈ ΡΡΠ°ΡΠ΅Π½ΠΈΡ.
ΠΠ΅ΠΏΠ°ΡΠ°Π»Π»Π΅Π»ΡΠ½ΠΎΡΡΡ ΠΎΡΠ΅ΠΉ Π²Π΅ΡΡ Π½Π΅ΠΉ ΠΈ Π½ΠΈΠΆΠ½Π΅ΠΉ Π³ΠΎΠ»ΠΎΠ²ΠΎΠΊ ΡΠ°ΡΡΠ½Π° Π΄ΠΎΠΏΡΡΠΊΠ°Π΅ΡΡΡ Π½Π΅ Π±ΠΎΠ»Π΅Π΅ 0,07 ΠΌΠΌ Π½Π° Π΄Π»ΠΈΠ½Π΅ 100 ΠΌΠΌ.
Π ΠΈΡ. 9. Π‘ΡΠ΅ΠΌΠ½ΠΈΠΊ Π΄Π»Ρ Π²ΡΠΏΡΠ΅ΡΡΠΎΠ²ΠΊΠΈ ΡΠ΅Π΄Π»Π° Π²ΠΏΡΡΠΊΠ½ΠΎΠ³ΠΎ ΠΊΠ»Π°ΠΏΠ°Π½Π°
Π ΠΈΡ. 10. ΠΠΎΠ»ΠΎΠ΄ΠΊΠ° ΡΠ°Π±ΠΎΡΠ΅Π³ΠΎ ΡΠΎΡΠΌΠΎΠ·Π°
Π ΠΈΡ.
11. ΠΡΠΈΡΠΏΠΎΡΠΎΠ±Π»Π΅Π½ΠΈΠ΅ Π΄Π»Ρ ΡΡΡΠ°Π½ΠΎΠ²ΠΊΠΈ Π·Π°ΡΠΈΡΠ½ΠΎΠ³ΠΎ ΡΠ΅Ρ
Π»Π° ΠΊΠΎΠ»Π΅ΡΠ½ΠΎΠ³ΠΎ ΡΠΈΠ»ΠΈΠ½Π΄ΡΠ°:
1 β ΠΎΠΏΡΠ°Π²ΠΊΠ°; 2 β Π½Π°ΠΏΡΠ°Π²Π»ΡΡΡΠΈΠΉ ΡΡΠ΅ΡΠΆΠ΅Π½Ρ; 3 β Π·Π°ΡΠΈΡΠ½ΡΠΉ ΡΠ΅Ρ
ΠΎΠ»; 4 β ΠΏΠΎΡΡΠ΅Π½Ρ
ΠΠ΅ΡΠ°Π»ΠΈ ΠΈ ΡΡΡΠ±ΠΎΠΏΡΠΎΠ²ΠΎΠ΄Ρ ΡΠΎΡΠΌΠΎΠ·Π½ΠΎΠ³ΠΎ ΠΏΡΠΈΠ²ΠΎΠ΄Π° ΠΎΡΠΈΡΡΠΈΡΡ, ΠΏΡΠΎΠΌΡΡΡ ΠΈ ΠΎΡΠΌΠΎΡΡΠ΅ΡΡ. ΠΡΠΈ Π½Π°Π»ΠΈΡΠΈΠΈ ΠΏΠΎΠ²ΡΠ΅ΠΆΠ΄Π΅Π½ΠΈΠΉ Π΄Π΅ΡΠ°Π»ΠΈ Π·Π°ΠΌΠ΅Π½ΠΈΡΡ.
ΠΡΠΎΠ±ΠΎΠ΅ Π²Π½ΠΈΠΌΠ°Π½ΠΈΠ΅ ΠΎΠ±ΡΠ°ΡΠΈΡΡ Π½Π° ΡΠΎΡΡΠΎΡΠ½ΠΈΠ΅ ΠΈ Π½Π°Π΄Π΅ΠΆΠ½ΠΎΡΡΡ ΠΊΡΠ΅ΠΏΠ»Π΅Π½ΠΈΡ ΡΡΡΠ±ΠΎΠΏΡΠΎΠ²ΠΎΠ΄ΠΎΠ² Π½Π° ΠΌΠΎΡΡΠ°Ρ . ΠΠΈΠ±ΠΊΠΈΠ΅ ΡΠ»Π°Π½Π³ΠΈ Π½Π΅ Π΄ΠΎΠ»ΠΆΠ½Ρ ΠΈΠΌΠ΅ΡΡ ΡΡΠ΅ΡΠΈΠ½ ΠΈ ΠΏΠΎΡΠ΅ΡΡΠΎΡΡΠ΅ΠΉ.
Π‘Π±ΠΎΡΠΊΠ°. Π‘Π±ΠΎΡΠΊΡ Π³Π»Π°Π²Π½ΠΎΠ³ΠΎ ΠΈ ΠΊΠΎΠ»Π΅ΡΠ½ΡΡ ΡΠΎΡΠΌΠΎΠ·Π½ΡΡ ΡΠΈΠ»ΠΈΠ½Π΄ΡΠΎΠ², ΠΏΠ½Π΅Π²ΠΌΠΎΡΡΠΈΠ»ΠΈΡΠ΅Π»Ρ, ΡΡΠΎΡΠ½ΠΎΡΠ½ΠΎΠ³ΠΎ ΠΈ ΡΠ°Π±ΠΎΡΠ΅Π³ΠΎ ΡΠΎΡΠΌΠΎΠ·ΠΎΠ² Π²ΡΠΏΠΎΠ»Π½ΡΡΡ Π² ΠΏΠΎΡΡΠ΄ΠΊΠ΅, ΠΎΠ±ΡΠ°ΡΠ½ΠΎΠΌ ΡΠ°Π·Π±ΠΎΡΠΊΠ΅. ΠΡΠΈ ΡΡΠΎΠΌ Π½Π΅ΠΎΠ±Ρ ΠΎΠ΄ΠΈΠΌΠΎ ΠΎΠ±ΡΠ°ΡΠΈΡΡ Π²Π½ΠΈΠΌΠ°Π½ΠΈΠ΅ Π½Π° ΡΠ»Π΅Π΄ΡΡΡΠ΅Π΅.
ΠΠ΅ΡΠ΅Π΄ ΡΠ±ΠΎΡΠΊΠΎΠΉ Π³Π»Π°Π²Π½ΠΎΠ³ΠΎ ΠΈ ΠΊΠΎΠ»Π΅ΡΠ½ΡΡ ΡΠΈΠ»ΠΈΠ½Π΄ΡΠΎΠ² Π΄Π΅ΡΠ°Π»ΠΈ ΠΏΡΠΎΠΌΡΡΡ Π² ΡΠΏΠΈΡΡΠ΅. ΠΠΎΡΡΠ½ΠΈ, ΠΌΠ°Π½ΠΆΠ΅ΡΡ ΠΈ ΡΠ°Π±ΠΎΡΠΈΠ΅ ΠΏΠΎΠ²Π΅ΡΡ Π½ΠΎΡΡΠΈ ΡΠΈΠ»ΠΈΠ½Π΄ΡΠΎΠ² ΡΠΌΠ°Π·Π°ΡΡ ΠΊΠ°ΡΡΠΎΡΠΎΠ²ΡΠΌ ΠΌΠ°ΡΠ»ΠΎΠΌ ΠΈΠ»ΠΈ ΡΠΌΠ°Π·ΠΊΠΎΠΉ ΠΠ’-1. ΠΠ° ΡΠ°Π±ΠΎΡΡΡ ΠΏΠΎΠ²Π΅ΡΡ Π½ΠΎΡΡΡ ΠΏΠ½Π΅Π²ΠΌΠΎΡΠΈΠ»ΠΈΠ½Π΄ΡΠΎΠ², ΡΡΠΎΠΊΠ°, ΡΠ°Π»ΡΠ½ΠΈΠΊΠ° ΠΏΡΠΎΡΡΠ°Π²ΠΊΠΈ, ΠΌΠ°Π½ΠΆΠ΅ΡΠΎΠ² ΠΏΠΎΡΡΠ½Π΅ΠΉ ΠΏΠ½Π΅Π²ΠΌΠΎΡΡΠΈΠ»ΠΈΡΠ΅Π»Π΅ΠΉ ΠΈ Π²ΠΎΠΉΠ»ΠΎΡΠ½ΠΎΠ³ΠΎ ΠΊΠΎΠ»ΡΡΠ° Π½Π°Π½Π΅ΡΡΠΈ ΡΠΌΠ°Π·ΠΊΡ Π¦ΠΠΠ’ΠΠ-201.
ΠΠΎΡΠ»Π΅ ΡΠ±ΠΎΡΠΊΠΈ ΠΏΠ½Π΅Π²ΠΌΠΎΡΡΠΈΠ»ΠΈΡΠ΅Π»Ρ ΠΏΡΠΎΠ²Π΅ΡΠΈΡΡ Π½Π° Π³Π΅ΡΠΌΠ΅ΡΠΈΡΠ½ΠΎΡΡΡ Π΄Π°Π²Π»Π΅Π½ΠΈΠ΅ΠΌ Π²ΠΎΠ·Π΄ΡΡ
Π° 3,5β4 ΠΊΠ³Ρ/ΡΠΌ2, ΠΏΡΠΈ ΡΡΠΎΠΌ Π³Π»Π°Π²Π½ΡΠΉ ΡΠΈΠ»ΠΈΠ½Π΄Ρ Π΄ΠΎΠ»ΠΆΠ΅Π½ ΡΠΎΠ·Π΄Π°Π²Π°ΡΡ Π΄Π°Π²Π»Π΅Π½ΠΈΠ΅ ΠΆΠΈΠ΄ΠΊΠΎΡΡΠΈ 85β100 ΠΊΠ³Ρ/ΡΠΌ2.
Π£ΡΠ΅ΡΠΊΠΈ Π²ΠΎΠ·Π΄ΡΡ
Π° ΠΈ ΠΆΠΈΠ΄ΠΊΠΎΡΡΠΈ Π½Π΅ Π΄ΠΎΠΏΡΡΠΊΠ°ΡΡΡΡ.
ΠΠΏΠΎΡΠ½ΡΠ΅ ΠΏΠ°Π»ΡΡΡ ΠΈ Π²ΡΡΠ»ΠΊΠΈ ΠΊΠΎΠ»ΠΎΠ΄ΠΎΠΊ ΡΠ°Π±ΠΎΡΠ΅Π³ΠΎ ΡΠΎΡΠΌΠΎΠ·Π° ΡΠΌΠ°Π·Π°ΡΡ Π³ΡΠ°ΡΠΈΡΠ½ΠΎΠΉ ΡΠΌΠ°Π·ΠΊΠΎΠΉ. ΠΠΎΡΠ»Π΅ ΡΠ±ΠΎΡΠΊΠΈ ΠΊΠΎΠ»Π΅ΡΠ½ΡΠΉ ΡΠΈΠ»ΠΈΠ½Π΄Ρ ΠΈΡΠΏΡΡΠ°ΡΡ Π½Π° Π³Π΅ΡΠΌΠ΅ΡΠΈΡΠ½ΠΎΡΡΡ Π΄Π°Π²Π»Π΅Π½ΠΈΠ΅ΠΌ Π²ΠΎΠ·Π΄ΡΡ Π° 4β5 ΠΊΠ³Ρ/ΡΠΌ2 Ρ ΠΏΠΎΠ³ΡΡΠΆΠ΅Π½ΠΈΠ΅ΠΌ Π² ΡΠΏΠΈΡΡ. Π£ΡΠ΅ΡΠΊΠ° Π²ΠΎΠ·Π΄ΡΡ Π° Π½Π΅Π΄ΠΎΠΏΡΡΡΠΈΠΌΠ°. ΠΡΠΈ ΠΈΡΠΏΡΡΠ°Π½ΠΈΠΈ Π΄ΠΎΠ»ΠΆΠ½ΠΎ Π±ΡΡΡ ΠΈΡΠΊΠ»ΡΡΠ΅Π½ΠΎ Π²ΡΠΏΠ°Π΄Π°Π½ΠΈΠ΅ ΠΏΠΎΡΡΠ½Π΅ΠΉ ΠΏΠΎΠ΄ Π΄Π°Π²Π»Π΅Π½ΠΈΠ΅ΠΌ Π²ΠΎΠ·Π΄ΡΡ Π°.
ΠΠΎΡΠ»Π΅ ΡΠ±ΠΎΡΠΊΠΈ ΡΠ°Π±ΠΎΡΠ΅Π³ΠΎ ΡΠΎΡΠΌΠΎΠ·Π° ΠΏΡΠΈ ΠΏΠΎΠΌΠΎΡΠΈ ΠΎΠΏΠΎΡΠ½ΡΡ ΠΏΠ°Π»ΡΡΠ΅Π² ΠΈ ΡΠ΅Π³ΡΠ»ΠΈΡΠΎΠ²ΠΎΡΠ½ΡΡ ΡΠΊΡΡΠ΅Π½ΡΡΠΈΠΊΠΎΠ² ΠΎΡΡΠ΅Π³ΡΠ»ΠΈΡΠΎΠ²Π°ΡΡ Π·Π°Π·ΠΎΡ ΠΌΠ΅ΠΆΠ΄Ρ Π½Π°ΠΊΠ»Π°Π΄ΠΊΠΎΠΉ ΠΊΠΎΠ»ΠΎΠ΄ΠΊΠΈ ΠΈ Π±Π°ΡΠ°Π±Π°Π½ΠΎΠΌ. ΠΠ°Π·ΠΎΡ ΠΈΠ·ΠΌΠ΅ΡΡΡΡ ΡΠ΅ΡΠ΅Π· Π»ΡΠΊ Π² Π±Π°ΡΠ°Π±Π°Π½Π΅ ΡΡΠΏΠΎΠΌ Π΄Π»ΠΈΠ½ΠΎΠΉ 200 ΠΌΠΌ Π½Π° ΡΠ°ΡΡΡΠΎΡΠ½ΠΈΠΈ 30 ΠΌΠΌ ΠΎΡ ΡΠΎΡΡΠ° Π½Π°ΠΊΠ»Π°Π΄ΠΎΠΊ. ΠΠ°Π·ΠΎΡ Π΄ΠΎΠ»ΠΆΠ΅Π½ Π±ΡΡΡ 0,35 ΠΌΠΌ Π² Π²Π΅ΡΡ Π½Π΅ΠΉ ΡΠ°ΡΡΠΈ, 0,2 ΠΌΠΌ Π² Π½ΠΈΠΆΠ½Π΅ΠΉ ΡΠ°ΡΡΠΈ.
ΠΡΠΈ ΡΠ±ΠΎΡΠΊΠ΅ ΡΡΠΎΡΠ½ΠΎΡΠ½ΠΎΠ³ΠΎ ΡΠΎΡΠΌΠΎΠ·Π° ΡΠ°Π·ΠΆΠΈΠΌΠ½ΡΠΉ ΠΊΡΠ»Π°ΠΊ, Π²ΡΡΠ»ΠΊΡ ΠΊΡΠ»Π°ΠΊΠ°, ΠΎΠΏΠΎΡΠ½ΡΠΉ ΠΏΠ°Π»Π΅Ρ ΠΊΠΎΠ»ΠΎΠ΄ΠΎΠΊ, Π° ΡΠ°ΠΊΠΆΠ΅ ΡΠ°ΡΠ½ΠΈΡΠ½ΡΠ΅ ΡΠΎΠ΅Π΄ΠΈΠ½Π΅Π½ΠΈΡ ΠΏΡΠΈΠ²ΠΎΠ΄Π° (ΠΎΡΠΈ, Π²ΡΡΠ»ΠΊΠΈ, ΠΏΠ°Π»ΡΡΡ) ΠΏΠΎΠΊΡΡΡΡ ΡΠ»ΠΎΠ΅ΠΌ ΡΠΌΠ°Π·ΠΊΠΈ Π¦ΠΠΠ’ΠΠ-201. ΠΡΠ΅ ΠΊΠΎΠ½ΠΈΡΠ΅ΡΠΊΠΈΠ΅ ΡΠ΅Π·ΡΠ±ΠΎΠ²ΡΠ΅ ΡΠΎΠ΅Π΄ΠΈΠ½Π΅Π½ΠΈΡ ΠΏΠ½Π΅Π²ΠΌΠΎΡΠΈΡΡΠ΅ΠΌΡ ΡΡΡΠ°Π½Π°Π²Π»ΠΈΠ²Π°ΡΡ Π½Π° ΡΠΏΠ»ΠΎΡΠ½ΠΈΡΠ΅Π»ΡΠ½ΡΡ ΠΏΠ°ΡΡΡ.
ΠΡΠΈ ΡΠ±ΠΎΡΠΊΠ΅ ΠΊΠΎΠΌΠΏΡΠ΅ΡΡΠΎΡΠ° Π³Π°ΠΉΠΊΠΈ ΠΊΡΠ΅ΠΏΠ»Π΅Π½ΠΈΡ Π³ΠΎΠ»ΠΎΠ²ΠΊΠΈ Π·Π°ΡΡΠ³ΠΈΠ²Π°ΡΡ ΠΏΠΎΠΏΠ°ΡΠ½ΠΎ, Π½Π°ΡΠΈΠ½Π°Ρ ΡΠΎ ΡΡΠ΅Π΄Π½Π΅ΠΉ Π΄ΠΈΠ°ΠΌΠ΅ΡΡΠ°Π»ΡΠ½ΠΎ ΡΠ°ΡΠΏΠΎΠ»ΠΎΠΆΠ΅Π½Π½ΠΎΠΉ ΠΏΠ°ΡΡ, Π² Π΄Π²Π° ΠΏΡΠΈΠ΅ΠΌΠ°.
ΠΠΎΠΌΠ΅Π½Ρ Π·Π°ΡΡΠΆΠΊΠΈ 1,2β1,7 ΠΊΠ³Ρ-ΠΌ.
Π ΠΈΡ. 12. Π‘Ρ
Π΅ΠΌΠ° ΡΡΠ΅Π½Π΄Π° Π΄Π»Ρ ΠΈΡΠΏΡΡΠ°Π½ΠΈΡ ΠΊΠΎΠΌΠΏΡΠ΅ΡΡΠΎΡΠ°:
1 β Π±Π°Π»Π»ΠΎΠ½ 22 Π»; 2 β ΠΏΡΠ΅Π΄ΠΎΡ
ΡΠ°Π½ΠΈΡΠ΅Π»ΡΠ½ΡΠΉ ΠΊΠ»Π°ΠΏΠ°Π½ Π½Π° 9 ΠΊΠ³Ρ/ΡΠΌ2; 3 β Π±Π°Π»Π»ΠΎΠ½ 1Π»; 4 ΠΈ 16 β ΠΌΠ°Π½ΠΎΠΌΠ΅ΡΡΡ; 5 β ΠΊΠ°Π»ΠΈΠ±ΡΠΎΠ²Π°Π½Π½ΠΎΠ΅ ΠΎΡΠ²Π΅ΡΡΡΠΈΠ΅; 6, 18 β ΡΡΠ΅Ρ
Ρ
ΠΎΠ΄ΠΎΠ²ΡΠ΅ ΠΊΡΠ°Π½Ρ; 7 β ΡΡΡΠ±ΠΊΠ° ΡΠ°Π·Π³ΡΡΠ·ΠΎΡΠ½ΠΎΠ³ΠΎ ΡΡΡΡΠΎΠΉΡΡΠ²Π°; 8 β ΡΡΡΠ±ΠΊΠ° ΠΎΡΠ²ΠΎΠ΄Π° ΡΠΆΠ°ΡΠΎΠ³ΠΎ Π²ΠΎΠ·Π΄ΡΡ
Π°; 9 β ΡΡΡΠ±ΠΊΠ°, ΠΏΠΎΠ΄Π²ΠΎΠ΄ΡΡΠ°Ρ ΠΎΡ
Π»Π°ΠΆΠ΄Π°ΡΡΡΡ ΠΆΠΈΠ΄ΠΊΠΎΡΡΡ; 10 β ΡΡΡΠ±ΠΊΠ°, ΠΎΡΠ²ΠΎΠ΄ΡΡΠ°Ρ ΠΎΡ
Π»Π°ΠΆΠ΄Π°ΡΡΡΡ ΠΆΠΈΠ΄ΠΊΠΎΡΡΡ; 11 β ΠΈΡΠΏΡΡΡΠ΅ΠΌΡΠΉ ΠΊΠΎΠΌΠΏΡΠ΅ΡΡΠΎΡ; 12 β ΠΌΠ°ΡΠ»ΡΠ½ΡΠΉ Π±Π°ΠΊ; 13β ΠΌΠ°ΡΠ»ΡΠ½ΡΠΉ Π½Π°ΡΠΎΡ; 14 β ΠΌΠ°ΡΠ»ΡΠ½ΡΠΉ ΡΠΈΠ»ΡΡΡ; 15 β ΠΊΡΠ°Π½; 17 β ΡΡΡΠ±ΠΊΠ°, ΠΏΠΎΠ΄Π²ΠΎΠ΄ΡΡΠ°Ρ ΠΌΠ°ΡΠ»ΠΎ Π² ΠΊΠΎΠΌΠΏΡΠ΅ΡΡΠΎΡ
Π’Π΅Ρ Π½ΠΈΡΠ΅ΡΠΊΠΎΠ΅ ΡΠΎΡΡΠΎΡΠ½ΠΈΠ΅ ΠΊΠΎΠΌΠΏΡΠ΅ΡΡΠΎΡΠ° ΠΏΡΠΎΠ²Π΅ΡΡΡΡ Π½Π° ΡΡΠ΅Π½Π΄Π΅ ΠΏΡΠΈ ΡΠ»Π΅Π΄ΡΡΡΠΈΡ ΡΡΠ»ΠΎΠ²ΠΈΡΡ : ΡΠ°ΡΡΠΎΡΠ° Π²ΡΠ°ΡΠ΅Π½ΠΈΡ ΠΊΠΎΠ»Π΅Π½ΡΠ°ΡΠΎΠ³ΠΎ Π²Π°Π»Π° ΠΊΠΎΠΌΠΏΡΠ΅ΡΡΠΎΡΠ° 1200β1500 ΠΎΠ±/ΠΌΠΈΠ½, Π΄Π°Π²Π»Π΅Π½ΠΈΠ΅ ΠΌΠ°ΡΠ»Π°, ΠΏΠΎΡΡΡΠΏΠ°ΡΡΠ΅Π³ΠΎ Π² ΠΊΠΎΠΌΠΏΡΠ΅ΡΡΠΎΡ,β 1,5β3,0 ΠΊΠ³Ρ/ΡΠΌ2 ΠΈ ΡΠ΅ΠΌΠΏΠ΅ΡΠ°ΡΡΡΠ° ΠΌΠ°ΡΠ»Π° Π½Π΅ Π½ΠΈΠΆΠ΅ 40Β° Π‘.
ΠΡΠΎΠΈΠ·Π²ΠΎΠ΄ΠΈΡΠ΅Π»ΡΠ½ΠΎΡΡΡ ΠΊΠΎΠΌΠΏΡΠ΅ΡΡΠΎΡΠ° Π΄ΠΎΠ»ΠΆΠ½Π° Π±ΡΡΡ 220 Π»/ΠΌΠΈΠ½ ΠΏΡΠΈ 2000 ΠΎΠ±/ΠΌΠΈΠ½ Π²Π°Π»Π° ΠΊΠΎΠΌΠΏΡΠ΅ΡΡΠΎΡΠ°; ΠΏΡΠΎΠ²Π΅ΡΡΠ΅ΡΡΡ ΠΏΡΠΈ ΡΠΎΠ΅Π΄ΠΈΠ½Π΅Π½ΠΈΠΈ Π±Π°Π»Π»ΠΎΠ½Π° Ρ Π°ΡΠΌΠΎΡΡΠ΅ΡΠΎΠΉ ΡΠ΅ΡΠ΅Π· ΠΊΠ°Π»ΠΈΠ±ΡΠΎΠ²Π°Π½Π½ΡΠΉ ΠΊΠ°Π½Π°Π» 0 1,6 ΠΌΠΌ Π΄Π»ΠΈΠ½ΠΎΠΉ 3 ΠΌΠΌ. ΠΠ°Π²Π»Π΅Π½ΠΈΠ΅ Π² Π±Π°Π»Π»ΠΎΠ½Π΅ Π΄ΠΎΠ»ΠΆΠ½ΠΎ Π±ΡΡΡ Π½Π΅ ΠΌΠ΅Π½Π΅Π΅ 6 ΠΊΠ³Ρ/ΡΠΌ2.
ΠΠ΄Π½ΠΎΠ²ΡΠ΅ΠΌΠ΅Π½Π½ΠΎ ΠΏΡΠΎΠ²Π΅ΡΡΡΡ ΠΌΠ°ΡΠ»ΠΎΠΏΡΠΎΠΏΡΡΠΊΠ½ΡΡ ΡΠΏΠΎΡΠΎΠ±Π½ΠΎΡΡΡ. ΠΠΎΠ»ΠΈΡΠ΅ΡΡΠ²ΠΎ ΠΌΠ°ΡΠ»Π°, Π²ΡΡΠ΅ΠΊΠ°ΡΡΠ΅Π³ΠΎ ΡΠ΅ΡΠ΅Π· ΡΠ»ΠΈΠ²Π½ΠΎΠ΅ ΠΎΡΠ²Π΅ΡΡΡΠΈΠ΅ Π² Π½ΠΈΠΆΠ½Π΅ΠΉ ΠΊΡΡΡΠΊΠ΅ ΠΊΠ°ΡΡΠ΅ΡΠ°, Π΄ΠΎΠ»ΠΆΠ½ΠΎ Π±ΡΡΡ Π½Π΅ Π±ΠΎΠ»Π΅Π΅ 500 Π³ Π·Π° 5 ΠΌΠΈΠ½.
ΠΡΡΡΡΡΡΠ²ΠΈΠ΅ ΡΠ΅ΡΠΈ ΠΌΠ°ΡΠ»Π°, ΠΏΠ΅ΡΠ΅Π³ΡΠ΅Π²Π° ΠΏΠΎΠ΄ΡΠΈΠΏΠ½ΠΈΠΊΠΎΠ², ΠΏΠΎΡΡΠΎΡΠΎΠ½Π½ΠΈΡ ΡΡΡΠΊΠΎΠ² ΠΏΡΠΎΠ²Π΅ΡΡΡΡ ΠΏΡΠΈ ΡΠ°Π±ΠΎΡΠ΅ Π½Π° Ρ ΠΎΠ»ΠΎΡΡΠΎΠΌ Ρ ΠΎΠ΄Ρ, Ρ. Π΅. ΠΏΡΠΈ ΠΏΠΎΠ΄Π°ΡΠ΅ Π²ΠΎΠ·Π΄ΡΡ Π° Π² Π°ΡΠΌΠΎΡΡΠ΅ΡΡ. ΠΡΠΎΠ΄ΠΎΠ»ΠΆΠΈΡΠ΅Π»ΡΠ½ΠΎΡΡΡ ΠΈΡΠΏΡΡΠ°Π½ΠΈΠΉ 5 ΠΌΠΈΠ½.
Π Π°Π±ΠΎΡΡ ΡΠ°Π·Π³ΡΡΠ·ΠΎΡΠ½ΠΎΠ³ΠΎ ΡΡΡΡΠΎΠΉΡΡΠ²Π° ΠΏΡΠΎΠ²Π΅ΡΡΡΡ ΠΏΡΠΈ ΠΏΠΎΠ΄Π°ΡΠ΅ Π² ΠΊΠ°Π½Π°Π» ΡΠΆΠ°ΡΠΎΠ³ΠΎ Π²ΠΎΠ·Π΄ΡΡ Π° ΠΏΠΎΠ΄ Π΄Π°Π²Π»Π΅Π½ΠΈΠ΅ΠΌ 5 ΠΊΠ³Ρ/ΡΠΌ2. ΠΡΠΈ ΡΡΠΎΠΌ ΠΏΠ»ΡΠ½ΠΆΠ΅ΡΡ Π΄ΠΎΠ»ΠΆΠ½Ρ ΠΏΠΎΠ΄Π½ΡΡΡΡΡ ΠΈ ΠΏΠΎΠ»Π½ΠΎΡΡΡΡ ΠΎΡΠΊΡΡΡΡ Π²ΠΏΡΡΠΊΠ½ΡΠ΅ ΠΊΠ»Π°ΠΏΠ°Π½Ρ. ΠΠ΄Π½ΠΎΠ²ΡΠ΅ΠΌΠ΅Π½Π½ΠΎ ΠΏΡΠΎΠ²Π΅ΡΡΡΡ Π³Π΅ΡΠΌΠ΅ΡΠΈΡΠ½ΠΎΡΡΡ ΡΠΏΠ»ΠΎΡΠ½Π΅Π½ΠΈΡ ΠΏΠ»ΡΠ½ΠΆΠ΅ΡΠΎΠ². ΠΠ°Π΄Π΅Π½ΠΈΠ΅ Π΄Π°Π²Π»Π΅Π½ΠΈΡ Π·Π° 1 ΠΌΠΈΠ½ Π½Π΅ Π΄ΠΎΠ»ΠΆΠ½ΠΎ ΠΏΡΠ΅Π²ΡΡΠ°ΡΡ 0,5 ΠΊΠ³Ρ/ΡΠΌ2.
ΠΡΠ±ΡΠΎΡ ΠΌΠ°ΡΠ»Π° ΠΏΡΠΎΠ²Π΅ΡΡΡΡ ΠΏΠΎ ΠΌΠ°ΡΠ»ΡΠ½ΠΎΠΌΡ ΠΏΡΡΠ½Ρ Π½Π° ΠΏΠ»Π°ΡΡΠΈΠ½Π΅, ΠΏΠΎΠΌΠ΅ΡΠ°Π΅ΠΌΠΎΠΉ Π½Π° ΡΠ°ΡΡΡΠΎΡΠ½ΠΈΠΈ 50 ΠΌΠΌ ΠΎΡ ΡΠΎΡΡΠ° Π²ΡΠΏΡΡΠΊΠ½ΠΎΠ³ΠΎ ΠΎΡΠ²Π΅ΡΡΡΠΈΡ. ΠΠΎΡΠ»Π΅ Ρ ΡΠ°Π±ΠΎΡΡ ΠΊΠΎΠΌΠΏΡΠ΅ΡΡΠΎΡΠ° ΠΏΡΡΠ½ΠΎ Π΄ΠΎΠ»ΠΆΠ½ΠΎ ΡΠΌΠ΅ΡΠ°ΡΡΡΡ Π² ΠΊΡΡΠ³Π΅ 0 20 ΠΌΠΌ.
ΠΠ΅ΡΠΌΠ΅ΡΠΈΡΠ½ΠΎΡΡΡ Π½Π°Π³Π½Π΅ΡΠ°ΡΠ΅Π»ΡΠ½ΡΡ
ΠΊΠ»Π°ΠΏΠ°Π½ΠΎΠ² ΠΏΡΠΎΠ²Π΅ΡΡΡΡ ΠΏΠΎ ΠΏΠ°Π΄Π΅Π½ΠΈΡ Π΄Π°Π²Π»Π΅Π½ΠΈΡ ΡΠΆΠ°ΡΠΎΠ³ΠΎ Π²ΠΎΠ·Π΄ΡΡ
Π° Π² Π±Π°Π»Π»ΠΎΠ½Π΅. ΠΠ°Π΄Π΅Π½ΠΈΠ΅ Π΄Π°Π²Π»Π΅Π½ΠΈΡ Π²ΠΎΠ·Π΄ΡΡ
Π° Π² Π±Π°Π»Π»ΠΎΠ½Π΅ Ρ 6β7 ΠΊΠ³Ρ/ΡΠΌ2 Π½Π΅ Π΄ΠΎΠ»ΠΆΠ½ΠΎ ΠΏΠ°Π΄Π°ΡΡ Π±ΠΎΠ»Π΅Π΅ ΡΠ΅ΠΌ Π½Π° 0,5 ΠΊΠ³Ρ/ΡΠΌ2 Π·Π° 1 ΠΌΠΈΠ½.
Π‘Π±ΠΎΡΠΊΡ ΠΈ ΡΠ΅Π³ΡΠ»ΠΈΡΠΎΠ²ΠΊΡ ΡΠΎΡΠΌΠΎΠ·Π½ΠΎΠ³ΠΎ ΠΊΡΠ°Π½Π° Π½Π΅ΠΎΠ±Ρ ΠΎΠ΄ΠΈΠΌΠΎ Π²ΡΠΏΠΎΠ»Π½ΡΡΡ Π² ΡΠΏΠ΅ΡΠΈΠ°Π»ΠΈΠ·ΠΈΡΠΎΠ²Π°Π½Π½ΡΡ ΠΌΠ°ΡΡΠ΅ΡΡΠΊΠΈΡ .
Π Π΅ΠΊΠ»Π°ΠΌΠ½ΡΠ΅ ΠΏΡΠ΅Π΄Π»ΠΎΠΆΠ΅Π½ΠΈΡ:
Π§ΠΈΡΠ°ΡΡ Π΄Π°Π»Π΅Π΅: ΠΠ»Π΅ΠΊΡΡΠΎΠΎΠ±ΠΎΡΡΠ΄ΠΎΠ²Π°Π½ΠΈΠ΅ Π°Π²ΡΠΎΠΌΠΎΠ±ΠΈΠ»Ρ «Π£ΡΠ°Π»»
ΠΠ°ΡΠ΅Π³ΠΎΡΠΈΡ: — ΠΠ²ΡΠΎΠΌΠΎΠ±ΠΈΠ»ΠΈ Π£ΡΠ°Π»
ΠΠ»Π°Π²Π½Π°Ρ β Π‘ΠΏΡΠ°Π²ΠΎΡΠ½ΠΈΠΊ β Π‘ΡΠ°ΡΡΠΈ β Π€ΠΎΡΡΠΌ
Π’ΠΎΡΠΌΠΎΠ·Π½Π°Ρ ΡΠΈΡΡΠ΅ΠΌΠ° ΡΡΠ°Π» 375
ΠΠ½Π΅Π²ΠΌΠΎΠ³ΠΈΠ΄ΡΠ°Π²Π»ΠΈΡΠ΅ΡΠΊΠΈΠΉ ΠΏΡΠΈΠ²ΠΎΠ΄ ΡΠΎΡΠΌΠΎΠ·ΠΎΠ² ΠΊΠΎΠ»Π΅Ρ Π°Π²ΡΠΎΠΌΠΎΠ±ΠΈΠ»Ρ Π£Π ΠΠ-375Π
ΠΠ½Π΅Π²ΠΌΠΎΠ³ΠΈΠ΄ΡΠ°Π²Π»ΠΈΡΠ΅ΡΠΊΠΈΠΉ ΠΏΡΠΈΠ²ΠΎΠ΄ ΡΠΎΡΡΠΎΠΈΡ ΠΈΠ· ΠΏΠ½Π΅Π²ΠΌΠ°ΡΠΈΡΠ΅ΡΠΊΠΎΠ³ΠΎ ΠΏΡΠΈΠ²ΠΎΠ΄Π°, Π΄Π΅ΠΉΡΡΠ²ΡΡΡΠ΅Π³ΠΎ Π½Π° ΠΏΠ΅ΡΠ΅Π΄Π½ΠΈΠΉ ΠΈ Π·Π°Π΄Π½ΠΈΠΉ ΠΏΠ½Π΅Π²ΠΌΠΎΡΡΠΈΠ»ΠΈΡΠ΅Π»ΠΈ, ΠΊΠ°ΠΆΠ΄ΡΠΉ ΠΈΠ· ΠΊΠΎΡΠΎΡΡΡ Π² ΡΠ΅Π»ΡΡ ΠΏΠΎΠ²ΡΡΠ΅Π½ΠΈΡ Π½Π°Π΄Π΅ΠΆΠ½ΠΎΡΡΠΈ ΡΠΈΡΡΠ΅ΠΌΡ Π΄Π΅ΠΉΡΡΠ²ΡΠ΅Ρ Π½Π° ΠΎΡΠ΄Π΅Π»ΡΠ½ΡΠΉ Π³Π»Π°Π²Π½ΡΠΉ ΡΠΎΡΠΌΠΎΠ·Π½ΠΎΠΉ ΡΠΈΠ»ΠΈΠ½Π΄Ρ Π³ΠΈΠ΄ΡΠ°Π²Π»ΠΈΡΠ΅ΡΠΊΠΎΠ³ΠΎ ΠΏΡΠΈΠ²ΠΎΠ΄Π°.
ΠΠ΅ΡΠ΅Π΄Π½ΠΈΠΉ Π³Π»Π°Π²Π½ΡΠΉ ΡΠΎΡΠΌΠΎΠ·Π½ΠΎΠΉ ΡΠΈΠ»ΠΈΠ½Π΄Ρ ΠΏΡΠΈΠ²ΠΎΠ΄ΠΈΡ Π² Π΄Π΅ΠΉΡΡΠ²ΠΈΠ΅ ΡΠΎΡΠΌΠΎΠ·Π° ΠΏΠ΅ΡΠ΅Π΄Π½Π΅Π³ΠΎ ΠΈ Π·Π°Π΄Π½Π΅Π³ΠΎ ΠΌΠΎΡΡΠΎΠ², Π·Π°Π΄Π½ΠΈΠΉ β ΡΠΎΡΠΌΠΎΠ·Π° Π·Π°Π΄Π½Π΅Π³ΠΎ ΠΌΠΎΡΡΠ°.
Π‘Π»Π΅Π΄ΡΠ΅Ρ ΠΏΠΎΠΌΠ½ΠΈΡΡ, ΡΡΠΎ ΠΏΡΠΈ Π½Π°Π»ΠΈΡΠΈΠΈ Π²ΠΎΠ·Π΄ΡΡ
Π° Π² Π³ΠΈΠ΄ΡΠ°Π²Π»ΠΈΡΠ΅ΡΠΊΠΎΠΉ ΡΠ°ΡΡΠΈ ΡΠΎΡΠΌΠΎΠ·Π½ΠΎΠΉ ΡΠΈΡΡΠ΅ΠΌΡ ΠΈΠ»ΠΈ ΠΏΡΠΈ Π±ΠΎΠ»ΡΡΠΈΡ
Π·Π°Π·ΠΎΡΠ°Ρ
ΠΌΠ΅ΠΆΠ΄Ρ ΠΊΠΎΠ»ΠΎΠ΄ΠΊΠ°ΠΌΠΈ ΠΈ ΡΠΎΡΠΌΠΎΠ·Π½ΡΠΌΠΈ Π±Π°ΡΠ°Π±Π°Π½Π°ΠΌΠΈ Π΄Π²ΠΎΠΉΠ½ΠΎΠ΅ Π½Π°ΠΆΠ°ΡΠΈΠ΅ Π½Π° ΠΏΠ΅Π΄Π°Π»Ρ Π½Π΅ ΡΠ²Π΅Π»ΠΈΡΠΈΠ²Π°Π΅Ρ ΡΠΎΡΠΌΠΎΠ·Π½ΠΎΠ³ΠΎ ΡΡΡΠ΅ΠΊΡΠ°.
ΠΠ½Π΅Π²ΠΌΠ°ΡΠΈΡΠ΅ΡΠΊΠΎΠ΅ ΠΎΠ±ΠΎΡΡΠ΄ΠΎΠ²Π°Π½ΠΈΠ΅ Π°Π²ΡΠΎΠΌΠΎΠ±ΠΈΠ»Ρ Π£Π ΠΠ-375Π
ΠΠ½Π΅Π²ΠΌΠ°ΡΠΈΡΠ΅ΡΠΊΠΎΠ΅ ΠΎΠ±ΠΎΡΡΠ΄ΠΎΠ²Π°Π½ΠΈΠ΅ ΡΠΎΡΠΌΠΎΠ·ΠΎΠ² Π°Π²ΡΠΎΠΌΠΎΠ±ΠΈΠ»Ρ (ΡΠΈΡ. 66) Π²ΠΊΠ»ΡΡΠ°Π΅Ρ ΠΊΠΎΠΌΠΏΡΠ΅ΡΡΠΎΡ 9, ΡΠ΅Π³ΡΠ»ΡΡΠΎΡ Π΄Π°Π²Π»Π΅Π½ΠΈΡ 10, ΠΏΡΠ΅Π΄ΠΎΡ ΡΠ°Π½ΠΈΡΠ΅Π»ΡΠ½ΡΠΉ ΠΊΠ»Π°ΠΏΠ°Π½ 7, Π΄Π²Π° Π²ΠΎΠ·Π΄ΡΡΠ½ΡΡ Π±Π°Π»Π»ΠΎΠ½Π° 14, ΡΠΎΡΠΌΠΎΠ·Π½ΠΎΠΉ ΠΊΡΠ°Π½ 1, Π΄Π²Π° ΠΏΠ½Π΅Π²ΠΌΠΎΡΡΠΈΠ»ΠΈΡΠ΅Π»Ρ 2, Π²ΠΎΠ·Π΄ΡΡ ΠΎΠΏΡΠΎΠ²ΠΎΠ΄Ρ, ΠΊΠΎΠ½ΡΡΠΎΠ»ΡΠ½ΡΠΉ ΠΌΠ°Π½ΠΎΠΌΠ΅ΡΡ 6, ΡΠ°Π·ΠΎΠ±ΡΠΈΡΠ΅Π»ΡΠ½ΡΠΉ ΠΊΡΠ°Π½ 15, ΡΠΎΠ΅Π΄ΠΈΠ½ΠΈΡΠ΅Π»ΡΠ½ΡΡ Π³ΠΎΠ»ΠΎΠ²ΠΊΡ 16 ΠΏΠ½Π΅Π²ΠΌΠ°ΡΠΈΡΠ΅ΡΠΊΠΎΠ³ΠΎ ΠΏΡΠΈΠ²ΠΎΠ΄Π° ΠΏΡΠΈΡΠ΅ΠΏΠ°, Π° ΡΠ°ΠΊΠΆΠ΅ Π±ΡΠΊΡΠΈΡΠ½ΡΠΉ ΠΊΠ»Π°ΠΏΠ°Π½ 8.
Π§Π΅ΡΠ΅Π· ΠΊΡΠ΅ΡΡΠΎΠ²ΠΈΠ½Ρ ΡΠ°Π·Π±ΠΎΡΠ° Π²ΠΎΠ·Π΄ΡΡ Π° 11 Π²ΠΎΠ·Π΄ΡΡ ΠΏΠΎΡΡΡΠΏΠ°Π΅Ρ ΠΊ ΡΡΠ΅ΠΊΠ»ΠΎΠΎΡΠΈΡΡΠΈΡΠ΅Π»ΡΠΌ, ΠΊ ΠΌΠ°Π½ΠΎΠΌΠ΅ΡΡΡ, Π² ΡΠΈΡΡΠ΅ΠΌΡ Π½Π°ΠΊΠ°ΡΠΊΠΈ ΡΠΈΠ½ ΠΈ ΠΊ ΡΠ΅Π³ΡΠ»ΡΡΠΎΡΡ Π΄Π°Π²Π»Π΅Π½ΠΈΡ.
ΠΡΠΈ ΡΠ·Π»Ρ ΠΈ Π°Π³ΡΠ΅Π³Π°ΡΡ ΡΠ»ΡΠΆΠ°Ρ Π΄Π»Ρ ΡΠΎΠ·Π΄Π°Π½ΠΈΡ Π½Π° Π°Π²ΡΠΎΠΌΠΎΠ±ΠΈΠ»Π΅ Π·Π°ΠΏΠ°ΡΠ° ΡΠΆΠ°ΡΠΎΠ³ΠΎ Π²ΠΎΠ·Π΄ΡΡ Π° ΠΈ Π΄Π»Ρ ΠΏΡΠΈΠ²Π΅Π΄Π΅Π½ΠΈΡ Π² Π΄Π΅ΠΉΡΡΠ²ΠΈΠ΅ Π³ΠΈΠ΄ΡΠ°Π²Π»ΠΈΡΠ΅ΡΠΊΠΎΠΉ ΡΠΈΡΡΠ΅ΠΌΡ ΡΠΎΡΠΌΠΎΠ·ΠΎΠ² Π°Π²ΡΠΎΠΌΠΎΠ±ΠΈΠ»Ρ ΠΈ ΡΠΎΡΠΌΠΎΠ·ΠΎΠ² ΠΏΡΠΈΡΠ΅ΠΏΠ°.
Π ΠΈΡ. 66. Π‘Ρ Π΅ΠΌΠ° ΠΏΠ½Π΅Π²ΠΌΠΎΠ³ΠΈΠ΄ΡΠ°Π²Π»ΠΈΡΠ΅ΡΠΊΠΎΠ³ΠΎ 2 ΠΏΡΠΈΠ²ΠΎΠ΄Π° ΡΠΎΡΠΌΠΎΠ·ΠΎΠ²
ΠΠΎΠ·Π΄ΡΡΠ½ΡΠΉ ΠΊΠΎΠΌΠΏΡΠ΅ΡΡΠΎΡ Π°Π²ΡΠΎΠΌΠΎΠ±ΠΈΠ»Ρ Π£Π ΠΠ-375Π
(ΡΠΈΡ. 67) ΠΏΠΎΡΡΠ½Π΅Π²ΠΎΠ³ΠΎ ΡΠΈΠΏΠ° Π½Π΅ΠΏΡΡΠΌΠΎΡΠΎΡΠ½ΡΠΉ Π΄Π²ΡΡ ΡΠΈΠ»ΠΈΠ½Π΄ΡΠΎΠ²ΡΠΉ ΠΎΠ΄Π½ΠΎΡΡΡΠΏΠ΅Π½ΡΠ°ΡΠΎΠ³ΠΎ ΡΠΆΠ°ΡΠΈΡ.
ΠΠΎΠ·Π΄ΡΡ
ΠΈΠ· Π²ΠΎΠ·Π΄ΡΡΠ½ΠΎΠ³ΠΎ ΡΠΈΠ»ΡΡΡΠ° Π΄Π²ΠΈΠ³Π°ΡΠ΅Π»Ρ ΠΏΠΎΡΡΡΠΏΠ°Π΅Ρ Π² ΡΠΈΠ»ΠΈΠ½Π΄ΡΡ ΠΊΠΎΠΌΠΏΡΠ΅ΡΡΠΎΡΠ° ΡΠ΅ΡΠ΅Π· ΠΏΠ»Π°ΡΡΠΈΠ½ΡΠ°ΡΡΠ΅ Π²ΠΏΡΡΠΊΠ½ΡΠ΅ ΠΊΠ»Π°ΠΏΠ°Π½Ρ.
Π‘ΠΆΠ°ΡΡΠΉ ΠΏΠΎΡΡΠ½ΡΠΌΠΈ Π²ΠΎΠ·Π΄ΡΡ
Π²ΡΡΠ΅ΡΠ½ΡΠ΅ΡΡΡ Π² ΠΏΠ½Π΅Π²ΠΌΠ°ΡΠΈΡΠ΅ΡΠΊΡΡ ΡΠΈΡΡΠ΅ΠΌΡ ΡΠ΅ΡΠ΅Π· ΡΠ°ΡΠΏΠΎΠ»ΠΎΠΆΠ΅Π½Π½ΡΠ΅ Π² Π³ΠΎΠ»ΠΎΠ²ΠΊΠ΅ ΡΠΈΠ»ΠΈΠ½Π΄ΡΠΎΠ² ΠΏΠ»Π°ΡΡΠΈΠ½ΡΠ°ΡΡΠ΅ Π½Π°Π³Π½Π΅ΡΠ°ΡΠ΅Π»ΡΠ½ΡΠ΅ ΠΊΠ»Π°ΠΏΠ°Π½Ρ.
ΠΠΎΠ»ΠΎΠ²ΠΊΠ° ΠΊΠΎΠΌΠΏΡΠ΅ΡΡΠΎΡΠ° ΠΈΠΌΠ΅Π΅Ρ ΡΠΏΠ΅ΡΠΈΠ°Π»ΡΠ½ΠΎΠ΅ ΡΠ°Π·Π³ΡΡΠ·ΠΎΡΠ½ΠΎΠ΅ ΡΡΡΡΠΎΠΉΡΡΠ²ΠΎ, ΡΠΎΠ΅Π΄ΠΈΠ½Π΅Π½Π½ΠΎΠ΅ Ρ ΡΠ΅Π³ΡΠ»ΡΡΠΎΡΠΎΠΌ Π΄Π°Π²Π»Π΅Π½ΠΈΡ.
ΠΡΠΈ Π΄ΠΎΡΡΠΈΠΆΠ΅Π½ΠΈΠΈ Π² ΠΏΠ½Π΅Π²ΠΌΠ°ΡΠΈΡΠ΅ΡΠΊΠΎΠΉ ΡΠΈΡΡΠ΅ΠΌΠ΅ Π΄Π°Π²Π»Π΅Π½ΠΈΡ Π²ΠΎΠ·Π΄ΡΡ
Π°
7β7,4 ΠΊΠ³/ΡΠΌ2 Π½Π°Π³Π½Π΅ΡΠ°Π½ΠΈΠ΅ Π²ΠΎΠ·Π΄ΡΡ
Π° Π² ΡΠΈΡΡΠ΅ΠΌΡ ΠΏΡΠ΅ΠΊΡΠ°ΡΠ°Π΅ΡΡΡ. ΠΠΎΠ³Π΄Π°
Π΄Π°Π²Π»Π΅Π½ΠΈΠ΅ Π² ΡΠΈΡΡΠ΅ΠΌΠ΅ ΡΠ½ΠΈΠ·ΠΈΡΡΡ Π΄ΠΎ 5,6β6 ΠΊΠ³/ΡΠΌ2, ΡΠ΅Π³ΡΠ»ΡΡΠΎΡ Π΄Π°Π²Π»Π΅Π½ΠΈΡ ΠΎΡΠΊΠ»ΡΡΠΈΡ ΡΠ°Π·Π³ΡΡΠ·ΠΎΡΠ½ΠΎΠ΅ ΡΡΡΡΠΎΠΉΡΡΠ²ΠΎ, ΠΈ ΠΊΠΎΠΌΠΏΡΠ΅ΡΡΠΎΡ ΡΠ½ΠΎΠ²Π° Π½Π°ΡΠ½Π΅Ρ Π½Π°Π³Π½Π΅ΡΠ°ΡΡ Π²ΠΎΠ·Π΄ΡΡ Π² ΠΏΠ½Π΅Π²ΠΌΠ°ΡΠΈΡΠ΅ΡΠΊΡΡ ΡΠΈΡΡΠ΅ΠΌΡ.
Π ΠΈΡ. 67. ΠΠΎΠ·Π΄ΡΡΠ½ΡΠΉ ΠΊΠΎΠΌΠΏΡΠ΅ΡΡΠΎΡ:
1 β ΠΊΠ°ΡΡΠ΅Ρ ΠΊΠΎΠΌΠΏΡΠ΅ΡΡΠΎΡΠ°; 2, 16, 20 β ΠΊΡΡΡΠΊΠΈ ΠΊΠ°ΡΡΠ΅ΡΠ°; 3 β ΡΠΊΠΈΠ²; 4 β ΡΠ°Π»ΡΠ½ΠΈΠΊ ΠΊΠΎΠ»Π΅Π½ΡΠ°ΡΠΎΠ³ΠΎ Π²Π°Π»Π°; 5 ΠΈ 15 β ΠΏΠΎΠ΄ΡΠΈΠΏΠ½ΠΈΠΊΠΈ ΠΊΠΎΠ»Π΅Π½ΡΠ°ΡΠΎΠ³ΠΎ Π²Π°Π»Π°; 6 β Π±Π»ΠΎΠΊ ΡΠΈΠ»ΠΈΠ½Π΄ΡΠΎΠ²; 7 β ΡΠ°ΡΡΠ½; 8 βΠΏΠΎΡΡΠ΅Π½Ρ; 9 β ΠΏΠΎΡΡΠ½Π΅Π²ΠΎΠΉ ΠΏΠ°Π»Π΅Ρ; 10 βΠ³ΠΎΠ»ΠΎΠ²ΠΊΠ° Π±Π»ΠΎΠΊΠ°; 11 βΠΏΡΠΎΠ±ΠΊΠ° Π½Π°Π³Π½Π΅ΡΠ°ΡΠ΅Π»ΡΠ½ΠΎΠ³ΠΎ ΠΊΠ»Π°ΠΏΠ°Π½Π°; 12, 23 β ΠΏΡΡΠΆΠΈΠ½Ρ ΠΊΠ»Π°ΠΏΠ°Π½ΠΎΠ²; 13 β Π½Π°Π³Π½Π΅ΡΠ°ΡΠ΅Π»ΡΠ½ΡΠΉ ΠΊΠ»Π°ΠΏΠ°Π½; 14 β ΡΠ΅Π΄Π»ΠΎ; 17 β ΡΠΏΠ»ΠΎΡΠ½ΠΈΡΠ΅Π»Ρ; 18 β ΠΊΠΎΠ»ΡΡΠ΅Π²Π°Ρ Π³Π°ΠΉΠΊΠ°; 19 β ΠΊΠΎΠ»Π΅Π½ΡΠ°ΡΡΠΉ Π²Π°Π»; 21 β Π²ΠΏΡΡΠΊΠ½ΠΎΠΉ ΠΊΠ»Π°ΠΏΠ°Π½; 22 β Π½Π°ΠΏΡΠ°Π²Π»ΡΡΡΠ°Ρ Π²ΠΏΡΡΠΊΠ½ΠΎΠ³ΠΎ ΠΊΠ»Π°ΠΏΠ°Π½Π°; 24 β Π½Π°ΠΏΡΠ°Π²Π»ΡΡΡΠ°Ρ ΠΏΡΡΠΆΠΈΠ½Ρ ΠΊΠΎΡΠΎΠΌΡΡΠ»Π°; 25 β ΡΠΏΠ»ΠΎΡΠ½ΠΈΡΠ΅Π»ΡΠ½ΠΎΠ΅ ΠΊΠΎΠ»ΡΡΠΎ; 26 β ΡΡΠΎΠΊ Π²ΠΏΡΡΠΊΠ½ΠΎΠ³ΠΎ ΠΊΠ»Π°ΠΏΠ°Π½Π°; 27 β ΠΊΠΎΡΠΎΠΌΡΡΠ»ΠΎ; 28 β Π³Π½Π΅Π·Π΄ΠΎ ΡΡΠΎΠΊΠ°; 29 β ΠΏΠ»ΡΠ½ΠΆΠ΅Ρ
ΠΠ»ΠΎΠΊ ΠΈ Π³ΠΎΠ»ΠΎΠ²ΠΊΠ° ΠΎΡ Π»Π°ΠΆΠ΄Π°ΡΡΡΡ ΠΆΠΈΠ΄ΠΊΠΎΡΡΡΡ, ΠΏΠΎΠ΄Π²ΠΎΠ΄ΠΈΠΌΠΎΠΉ ΠΈΠ· ΡΠΈΡΡΠ΅ΠΌΡ ΠΎΡ Π»Π°ΠΆΠ΄Π΅Π½ΠΈΡ Π΄Π²ΠΈΠ³Π°ΡΠ΅Π»Ρ. Π‘ΠΈΡΡΠ΅ΠΌΠ° ΠΎΡ Π»Π°ΠΆΠ΄Π΅Π½ΠΈΡ ΠΊΠΎΠΌΠΏΡΠ΅ΡΡΠΎΡΠ° Π·Π°ΠΏΠΎΠ»Π½ΡΠ΅ΡΡΡ ΡΠΎΠ»ΡΠΊΠΎ ΠΏΡΠΈ ΡΠ°Π±ΠΎΡΠ°ΡΡΠ΅ΠΌ Π΄Π²ΠΈΠ³Π°ΡΠ΅Π»Π΅. ΠΠΎΡΡΠΎΠΌΡ, Π·Π°Π»ΠΈΠ² Π² ΡΠ°Π΄ΠΈΠ°ΡΠΎΡ Π²ΠΎΠ΄Ρ, Π½Π°Π΄ΠΎ ΠΏΡΡΡΠΈΡΡ Π΄Π²ΠΈΠ³Π°ΡΠ΅Π»Ρ, Π΄Π°ΡΡ Π΅ΠΌΡ ΠΏΠΎΡΠ°Π±ΠΎΡΠ°ΡΡ 3β5 ΠΌΠΈΠ½ ΠΈ ΠΏΠΎΡΠ»Π΅ ΡΡΠΎΠ³ΠΎ ΠΏΡΠΎΠ²Π΅ΡΠΈΡΡ ΡΡΠΎΠ²Π΅Π½Ρ Π² ΡΠ°Π΄ΠΈΠ°ΡΠΎΡΠ΅.
ΠΠ°ΡΠ»ΠΎ ΠΊ ΡΡΡΡΠΈΠΌΡΡ ΠΏΠΎΠ²Π΅ΡΡ Π½ΠΎΡΡΡΠΌ ΠΊΠΎΠΌΠΏΡΠ΅ΡΡΠΎΡΠ° ΠΏΠΎΡΡΡΠΏΠ°Π΅Ρ ΠΏΠΎ ΡΡΡΠ±ΠΊΠ΅ ΠΈΠ· ΠΌΠ°ΡΠ»ΡΠ½ΠΎΠΉ ΠΌΠ°Π³ΠΈΡΡΡΠ°Π»ΠΈ Π΄Π²ΠΈΠ³Π°ΡΠ΅Π»Ρ ΠΊ Π·Π°Π΄Π½Π΅ΠΉ ΠΊΡΡΡΠΊΠ΅ ΠΊΠ°ΡΡΠ΅ΡΠ° ΠΊΠΎΠΌΠΏΡΠ΅ΡΡΠΎΡΠ° ΠΈ ΡΠ΅ΡΠ΅Π· ΡΠΏΠ»ΠΎΡΠ½ΠΈΡΠ΅Π»Ρ ΠΏΠΎ ΠΊΠ°Π½Π°Π»Π°ΠΌ ΠΊΠΎΠ»Π΅Π½ΡΠ°ΡΠΎΠ³ΠΎ Π²Π°Π»Π° β ΠΊ ΡΠ°ΡΡΠ½Π½ΡΠΌ ΠΏΠΎΠ΄ΡΠΈΠΏΠ½ΠΈΠΊΠ°ΠΌ. ΠΠΎΡΠ΅Π½Π½ΡΠ΅ ΡΠ°ΡΠΈΠΊΠΎΠΏΠΎΠ΄ΡΠΈΠΏΠ½ΠΈΠΊΠΈ, ΠΏΠΎΡΡΠ½Π΅Π²ΡΠ΅ ΠΏΠ°Π»ΡΡΡ ΠΈ ΡΡΠ΅Π½ΠΊΠΈ ΡΠΈΠ»ΠΈΠ½Π΄ΡΠΎΠ² ΡΠΌΠ°Π·ΡΠ²Π°ΡΡΡΡ ΡΠ°Π·Π±ΡΡΠ·Π³ΠΈΠ²Π°Π½ΠΈΠ΅ΠΌ.
Π£Ρ ΠΎΠ΄ Π·Π° ΠΊΠΎΠΌΠΏΡΠ΅ΡΡΠΎΡΠΎΠΌ Π°Π²ΡΠΎΠΌΠΎΠ±ΠΈΠ»Ρ Π£Π ΠΠ-375Π
Π§Π΅ΡΠ΅Π· ΠΊΠ°ΠΆΠ΄ΡΠ΅ 40 000β50 000 ΠΊΠΌ ΠΏΡΠΎΠ±Π΅Π³Π° ΡΠ½ΡΡΡ Π³ΠΎΠ»ΠΎΠ²ΠΊΡ ΠΊΠΎΠΌΠΏΡΠ΅ΡΡΠΎΡΠ° Π΄Π»Ρ ΠΎΡΠΈΡΡΠΊΠΈ ΠΏΠΎΡΡΠ½Π΅ΠΉ, ΠΊΠ»Π°ΠΏΠ°Π½ΠΎΠ², ΡΠ΅Π΄Π΅Π», ΠΏΡΡΠΆΠΈΠ½ ΠΈ Π²ΠΎΠ·Π΄ΡΡΠ½ΡΡ ΠΊΠ»Π°ΠΏΠ°Π½ΠΎΠ², Π° ΡΠ°ΠΊΠΆΠ΅ Π΄Π»Ρ ΠΏΡΠΎΠ²Π΅ΡΠΊΠΈ Π³Π΅ΡΠΌΠ΅ΡΠΈΡΠ½ΠΎΡΡΠΈ ΠΈ ΡΠ°Π±ΠΎΡΡ ΠΊΠ»Π°ΠΏΠ°Π½ΠΎΠ².
ΠΠ»Π°ΠΏΠ°Π½Ρ, Π½Π΅ ΠΎΠ±Π΅ΡΠΏΠ΅ΡΠΈΠ²Π°ΡΡΠΈΠ΅ Π³Π΅ΡΠΌΠ΅ΡΠΈΡΠ½ΠΎΡΡΠΈ, ΠΏΡΠΈΡΠ΅ΡΠ΅ΡΡ ΠΊ ΡΠ΅Π΄Π»Π°ΠΌ, Π° ΡΠΈΠ»ΡΠ½ΠΎ ΠΈΠ·Π½ΠΎΡΠ΅Π½Π½ΡΠ΅ ΠΈΠ»ΠΈ ΠΏΠΎΠ²ΡΠ΅ΠΆΠ΄Π΅Π½Π½ΡΠ΅ Π·Π°ΠΌΠ΅Π½ΠΈΡΡ Π½ΠΎΠ²ΡΠΌΠΈ. ΠΠΎΠ²ΡΠ΅ ΠΊΠ»Π°ΠΏΠ°Π½Ρ ΠΏΡΠΈΡΠ΅ΡΠ΅ΡΡ ΠΊ ΡΠ΅Π΄Π»Π°ΠΌ Π΄ΠΎ ΠΏΠΎΠ»ΡΡΠ΅Π½ΠΈΡ Π½Π΅ΠΏΡΠ΅ΡΡΠ²Π½ΠΎΠ³ΠΎ ΠΊΠΎΠ»ΡΡΠ΅Π²ΠΎΠ³ΠΎ ΠΊΠΎΠ½ΡΠ°ΠΊΡΠ° ΠΏΡΠΈ ΠΏΡΠΎΠ²Π΅ΡΠΊΠ΅ Π½Π° ΠΊΡΠ°ΡΠΊΡ.
ΠΡΠΎΠ²Π΅ΡΡΡΡ ΡΠΎΡΡΠΎΡΠ½ΠΈΠ΅ ΡΠΏΠ»ΠΎΡΠ½ΠΈΡΠ΅Π»ΡΠ½ΡΡ ΠΊΠΎΠ»Π΅Ρ ΠΏΠ»ΡΠ½ΠΆΠ΅ΡΠΎΠ² ΠΌΠΎΠΆΠ½ΠΎ Π±Π΅Π· ΡΠ½ΡΡΠΈΡ Π³ΠΎΠ»ΠΎΠ²ΠΊΠΈ ΠΊΠΎΠΌΠΏΡΠ΅ΡΡΠΎΡΠ°. ΠΠ»Ρ ΡΡΠΎΠ³ΠΎ ΡΠ½ΡΡΡ ΠΏΠ°ΡΡΡΠ±ΠΎΠΊ ΠΏΠΎΠ΄Π²ΠΎΠ΄Π° Π²ΠΎΠ·Π΄ΡΡ Π°, Π²ΡΠ½ΡΡΡ ΠΏΡΡΠΆΠΈΠ½Ρ ΠΈ ΠΊΠΎΡΠΎΠΌΡΡΠ»ΠΎ, ΠΏΠΎΠ΄Π½ΡΡΡ Π³Π½Π΅Π·Π΄ΠΎ ΡΡΠΎΠΊΠ° ΠΈ ΡΠ½ΡΡΡ Π΅Π³ΠΎ Π²ΠΌΠ΅ΡΡΠ΅ ΡΠΎ ΡΡΠΎΠΊΠΎΠΌ. ΠΠ°ΡΠ΅ΠΌ Π²ΡΠ½ΡΡΡ ΠΏΠ»ΡΠ½ΠΆΠ΅Ρ ΠΈΠ· Π³Π½Π΅Π·Π΄Π° ΠΊΡΡΡΠΊΠΎΠΌ ΠΈΠ· ΠΏΡΠΎΠ²ΠΎΠ»ΠΎΠΊΠΈ. ΠΠ·Π½ΠΎΡΠ΅Π½Π½ΡΠ΅ ΠΊΠΎΠ»ΡΡΠ° Π·Π°ΠΌΠ΅Π½ΠΈΡΡ Π½ΠΎΠ²ΡΠΌΠΈ. ΠΠ΅ΡΠ΅Π΄ ΡΡΡΠ°Π½ΠΎΠ²ΠΊΠΎΠΉ ΠΏΠ»ΡΠ½ΠΆΠ΅ΡΡ ΡΠΌΠ°Π·ΡΠ²Π°ΡΡ ΡΠΌΠ°Π·ΠΊΠΎΠΉ Π¦ΠΠΠ’ΠΠ-201.
ΠΠ°ΠΉΠΊΠΈ ΡΠΏΠΈΠ»Π΅ΠΊ ΠΏΡΠΈΠΊΡΠ΅ΠΏΠ»Π΅Π½ΠΈΡ Π³ΠΎΠ»ΠΎΠ²ΠΊΠΈ Π±Π»ΠΎΠΊΠ° Π·Π°ΡΡΠ³ΠΈΠ²Π°ΡΡ ΠΏΠΎΠΏΠ°ΡΠ½ΠΎ, Π½Π°ΡΠΈΠ½Π°Ρ ΡΠΎ ΡΡΠ΅Π΄Π½Π΅ΠΉ Π΄ΠΈΠ°ΠΌΠ΅ΡΡΠ°Π»ΡΠ½ΠΎ ΡΠ°ΡΠΏΠΎΠ»ΠΎΠΆΠ΅Π½Π½ΠΎΠΉ ΠΏΠ°ΡΡ. ΠΠ°ΡΡΠ³ΠΈΠ²Π°ΡΡ Π² Π΄Π²Π° ΠΏΡΠΈΠ΅ΠΌΠ°; ΠΎΠΊΠΎΠ½ΡΠ°ΡΠ΅Π»ΡΠ½ΡΠΉ ΠΌΠΎΠΌΠ΅Π½Ρ Π·Π°ΡΡΠΆΠΊΠΈ Π΄ΠΎΠ»ΠΆΠ΅Π½ Π±ΡΡΡ 1,2β1,7 ΠΊΠ³ΠΌ.
ΠΡΠΈΠ·Π½Π°ΠΊΠΈ Π½Π΅ΠΈΡΠΏΡΠ°Π²Π½ΠΎΡΡΠΈ ΠΊΠΎΠΌΠΏΡΠ΅ΡΡΠΎΡΠ°: ΠΏΠΎΡΠ²Π»Π΅Π½ΠΈΠ΅ ΡΡΠΌΠ° ΠΈ
ΡΡΡΠΊΠ°, ΠΏΠΎΠ²ΡΡΠ΅Π½Π½ΡΠΉ Π½Π°Π³ΡΠ΅Π², Π° ΡΠ°ΠΊΠΆΠ΅ ΠΏΠΎΠ²ΡΡΠ΅Π½Π½ΠΎΠ΅ ΡΠΎΠ΄Π΅ΡΠΆΠ°Π½ΠΈΠ΅ ΠΌΠ°ΡΠ»Π° Π² ΠΊΠΎΠ½Π΄Π΅Π½ΡΠ°ΡΠ΅ ΠΎΠ±ΡΡΠ½ΠΎ ΡΠ²Π»ΡΠ΅ΡΡΡ ΡΠ»Π΅Π΄ΡΡΠ²ΠΈΠ΅ΠΌ ΠΈΠ·Π½ΠΎΡΠ° ΠΏΠΎΡΡΠ½Π΅Π²ΡΡ ΠΊΠΎΠ»Π΅Ρ ΠΈ ΡΠΏΠ»ΠΎΡΠ½Π΅Π½ΠΈΡ Π·Π°Π΄Π½Π΅Π³ΠΎ ΠΊΠΎΠ½ΡΠ° ΠΊΠΎΠ»Π΅Π½ΡΠ°ΡΠΎΠ³ΠΎ Π²Π°Π»Π°, ΡΠ°ΡΡΠ½Π½ΡΡ ΠΏΠΎΠ΄ΡΠΈΠΏΠ½ΠΈΠΊΠΎΠ² ΠΈΠ»ΠΈ Π·Π°ΡΠΌΠΎΠ»Π΅Π½ΠΈΡ ΡΡΡΠ±ΠΊΠΈ ΡΠ»ΠΈΠ²Π° ΠΌΠ°ΡΠ»Π° ΠΈΠ· ΠΊΠΎΠΌΠΏΡΠ΅ΡΡΠΎΡΠ°.
ΠΡΠ½ΠΎΠ²Π½ΡΠ΅ Π½Π΅ΠΈΡΠΏΡΠ°Π²Π½ΠΎΡΡΠΈ ΡΠΎΡΠΌΠΎΠ·Π½ΠΎΠΉ ΡΠΈΡΡΠ΅ΠΌΡ ΠΈ ΠΈΡ ΡΡΡΡΠ°Π½Π΅Π½ΠΈΠ΅
ΠΠΈΠ±ΡΠ°ΡΠΈΡ ΠΏΡΠΈ ΡΠΎΡΠΌΠΎΠΆΠ΅Π½ΠΈΠΈ
Π£Π²ΠΎΠ΄ ΠΈΠ»ΠΈ Π·Π°Π½ΠΎΡ Π°Π²ΡΠΎΠΌΠΎΠ±ΠΈΠ»Ρ ΠΏΡΠΈ ΡΠΎΡΠΌΠΎΠΆΠ΅Π½ΠΈΠΈ
ΠΠ°ΠΊ ΡΠ΅Π³ΡΠ»ΠΈΡΠΎΠ²Π°ΡΡ ΡΠΎΡΠΌΠΎΠ·Π½ΠΎΠΉ ΠΊΡΠ°Π½ Π½Π° Π£ΡΠ°Π»Π΅. Π‘Ρ Π΅ΠΌΠ° ΡΠΎΡΠΌΠΎΠ·Π½ΠΎΠΉ ΡΠΈΡΡΠ΅ΠΌΡ Π½Π° Π°Π²ΡΠΎΠΌΠΎΠ±ΠΈΠ»Π΅
Π£ΡΠ°Π» 4320 ΠΈ 5557 β ΡΡΠΎ Π³ΡΡΠ·ΠΎΠ²ΡΠ΅ Π°Π²ΡΠΎΠΌΠΎΠ±ΠΈΠ»ΠΈ Ρ ΠΎΡΠ»ΠΈΡΠ½ΠΎΠΉ Ρ ΠΎΠ΄ΠΎΠ²ΠΎΠΉ ΠΈ Π²ΡΡΠΎΠΊΠΎΠΉ ΠΏΡΠΎΡ ΠΎΠ΄ΠΈΠΌΠΎΡΡΡΡ. ΠΠ»Π°Π³ΠΎΠ΄Π°ΡΡ ΡΠ°ΠΊΠΈΠΌ ΠΊΠ°ΡΠ΅ΡΡΠ²Π°ΠΌ ΡΡΠ°Π½ΡΠΏΠΎΡΡ ΡΠ²Π»ΡΠ΅ΡΡΡ ΡΠ½ΠΈΠ²Π΅ΡΡΠ°Π»ΡΠ½ΡΠΌ. ΠΠΌΠ΅ΡΡΠ΅ Ρ ΠΎΡΠ»ΠΈΡΠ½ΠΎΠΉ Ρ ΠΎΠ΄ΠΎΠ²ΠΎΠΉ Ρ Π£ΡΠ°Π»Π° Ρ ΠΎΡΠΎΡΠ°Ρ ΡΠΈΡΡΠ΅ΠΌΠ° ΡΠΎΡΠΌΠΎΠΆΠ΅Π½ΠΈΡ. ΠΠ½Π° ΡΠΎΡΡΠΎΠΈΡ ΠΈΠ· ΡΠ΅ΡΡΡΠ΅Ρ Π³Π»Π°Π²Π½ΡΡ ΠΊΠΎΠΌΠΏΠ»Π΅ΠΊΡΠΎΠ² β ΡΠ°Π±ΠΎΡΠ΅Π³ΠΎ, Π°Π²Π°ΡΠΈΠΉΠ½ΠΎΠ³ΠΎ, ΡΡΡΠ½ΠΎΠ³ΠΎ ΡΠΎΡΠΌΠΎΠ·Π° Π£Π ΠΠ ΠΈ Π²ΡΠΏΠΎΠΌΠΎΠ³Π°ΡΠ΅Π»ΡΠ½ΠΎΠ³ΠΎ. ΠΠ°ΠΆΠ΄ΡΠΉ Π΄Π΅ΠΉΡΡΠ²ΡΠ΅Ρ Π²Π½Π΅ Π·Π°Π²ΠΈΡΠΈΠΌΠΎΡΡΠΈ Π΄ΡΡΠ³ ΠΎΡ Π΄ΡΡΠ³Π°. ΠΡΠΎΠΌΠ΅ ΡΠΎΠ³ΠΎ, ΠΏΠΎΠ²ΡΠ΅ΠΆΠ΄Π΅Π½ΠΈΠ΅ ΠΎΠ΄Π½ΠΎΠ³ΠΎ Π½Π΅ ΠΎΠΊΠ°Π·ΡΠ²Π°Π΅Ρ Π²Π»ΠΈΡΠ½ΠΈΠ΅ Π½Π° ΠΈΡΠΏΡΠ°Π²Π½ΡΡ ΡΠ°Π±ΠΎΡΡ ΠΎΡΡΠ°Π»ΡΠ½ΡΡ . ΠΠ΄Π½Π°ΠΊΠΎ ΡΠ»Π΅Π΄ΡΠ΅Ρ ΠΏΠΎΡΡΠΎΡΠ½Π½ΠΎ ΠΏΠΎΠ΄Π΄Π΅ΡΠΆΠΈΠ²Π°ΡΡ ΠΈΡ ΡΠΎΡΡΠΎΡΠ½ΠΈΠ΅. ΠΠΌΠ΅Π½Π½ΠΎ ΠΎΠ± ΡΡΠΈΡ ΠΊΠΎΠΌΠΏΠ»Π΅ΠΊΡΠ°Ρ , Π° ΡΠ°ΠΊΠΆΠ΅ ΠΈΡ ΡΡ Π΅ΠΌΠ° Π½Π° Π£ΡΠ°Π» 4320 ΠΏΠΎΠΉΠ΄Π΅Ρ ΡΠ΅ΡΡ Π΄Π°Π»Π΅Π΅.
Π‘ΡΡΠΎΠ΅Π½ΠΈΠ΅ ΠΌΠ΅Ρ Π°Π½ΠΈΠ·ΠΌΠ° ΡΠΎΡΠΌΠΎΠΆΠ΅Π½ΠΈΡ
ΠΠΊΡΠΈΠ²Π½ΡΠ΅ ΠΌΠ΅Ρ Π°Π½ΠΈΠ·ΠΌΡ ΠΎΡΡΠ°Π½ΠΎΠ²ΠΊΠΈ ΠΌΠΎΠ΄Π΅Π»Π΅ΠΉ Π³ΡΡΠ·ΠΎΠ²ΠΈΠΊΠΎΠ² 4320 ΠΈ 5557 ΠΈΡΠΏΠΎΠ»ΡΠ·ΡΡΡΡΡ Π΄Π»Ρ ΠΏΠ»Π°Π²Π½ΠΎΠ³ΠΎ ΠΏΡΠΈΡΠΎΡΠΌΠ°ΠΆΠΈΠ²Π°Π½ΠΈΡ ΠΈΠ»ΠΈ ΡΠΎΡΠΌΠΎΠΆΠ΅Π½ΠΈΡ ΠΏΠΎΠ»Π½ΠΎΡΡΡΡ. ΠΠ° Π½ΠΈΡ ΡΠΊΠΎΡΠΎΡΡΡ Π΄Π²ΠΈΠΆΠ΅Π½ΠΈΡ ΠΈ ΠΊΠ°ΡΠ΅ΡΡΠ²ΠΎ Π΄ΠΎΡΠΎΠ³ΠΈ Π²ΠΎΠ·Π΄Π΅ΠΉΡΡΠ²ΠΈΡ Π½Π΅ ΠΎΠΊΠ°Π·ΡΠ²Π°ΡΡ.
ΠΠ° Π£ΡΠ°Π»Π΅ ΡΡΠΎΠΈΡ ΡΠΌΠ΅ΡΠ°Π½Π½ΡΠΉ ΠΏΡΠΈΠ²ΠΎΠ΄ ΠΈΠ»ΠΈ ΠΏΠ½Π΅Π²ΠΌΠΎΠ³ΠΈΠ΄ΡΠ°Π²Π»ΠΈΠΊΠ°. ΠΠ½Π° ΠΈΠΌΠ΅Π΅Ρ Π΄Π²Π° ΠΊΠΎΠ½ΡΡΡΠ°. ΠΡΠΈΠ²ΠΎΠ΄ ΠΎΡΠ²Π΅ΡΠ°Π΅Ρ Π·Π° ΠΎΡΡΠ°Π½ΠΎΠ²ΠΊΡ ΡΡΠ°Π·Ρ Π²ΡΠ΅Ρ 6-ΡΠΈ ΠΊΠΎΠ»Π΅Ρ, Π° ΡΠ°ΠΊΠΆΠ΅ ΠΏΡΠΈΡΠ΅ΠΏΠ°.
Π‘ΠΏΡΠ°Π²ΠΊΠ°! Π‘ΡΠΎΠΈΡ ΠΎΡΠΌΠ΅ΡΠΈΡΡ, ΡΡΠΎ ΠΊΠΎΠ»Π΅ΡΠ° ΡΠΏΠ΅ΡΠ΅Π΄ΠΈ ΠΈ ΡΠ·Π°Π΄ΠΈ ΠΎΡΡΠ°Π½Π°Π²Π»ΠΈΠ²Π°ΡΡΡΡ ΠΈΠ½Π΄ΠΈΠ²ΠΈΠ΄ΡΠ°Π»ΡΠ½ΠΎ, ΠΏΠΎ ΠΌΠΎΡΡΠ°ΠΌ.
Π‘ΡΠ°ΡΡ ΠΎΡΡΠ°Π½ΠΎΠ²ΠΊΠΈ Π½Π°ΡΠΈΠ½Π°Π΅ΡΡΡ Ρ Π°ΠΊΡΠΈΠ²Π°ΡΠΈΠΈ Π°Π²ΡΠΎΠΌΠΎΠ±ΠΈΠ»ΠΈΡΡΠΎΠΌ ΠΏΠ΅Π΄Π°Π»ΠΈ ΠΌΠ΅Ρ Π°Π½ΠΈΠ·ΠΌΠ° ΠΎΡΡΠ°Π½ΠΎΠ²ΠΊΠΈ Π² ΠΊΠ°Π±ΠΈΠ½Π΅. ΠΠ½Π° ΡΠΎΠΏΡΡΠΆΠ΅Π½Π° Ρ ΠΊΡΠ°Π½ΠΎΠΌ ΡΠΎΡΠΌΠΎΠΆΠ΅Π½ΠΈΡ. ΠΡΠΎΡ ΡΠ»Π΅ΠΌΠ΅Π½Ρ ΠΈΠΌΠ΅Π΅Ρ Π΄Π²Π° ΠΎΡΡΠ΅ΠΊΠ°.
Π‘Ρ Π΅ΠΌΠ° ΠΌΠ΅Ρ Π°Π½ΠΈΠ·ΠΌΠ° ΡΠΎΡΠΌΠΎΠΆΠ΅Π½ΠΈΡ ΠΏΡΠ΅Π΄ΡΡΠ°Π²Π»ΡΠ΅Ρ ΡΠΎΠ±ΠΎΠΉ Π²ΠΎΠ·Π΄Π΅ΠΉΡΡΠ²ΠΈΠ΅ ΡΡΠ΅Ρ ΡΠΈΡΡΠ΅ΠΌ β ΡΠ°Π±ΠΎΡΡΡ, ΡΡΠΎΡΠ½ΠΎΡΠ½ΡΡ ΡΠΎΡΠΌΠΎΠ· ΡΡΡΠ½ΠΎΠΉ Π£Π ΠΠ 4320) ΠΈ Π²ΡΠΏΠΎΠΌΠΎΠ³Π°ΡΠ΅Π»ΡΠ½ΡΡ.
Π£ΡΠ°Π» 4320 ΡΡ Π΅ΠΌΠ° ΡΠ°Π±ΠΎΡΠ΅Π³ΠΎ ΡΠΎΡΠΌΠΎΠ·Π° ΠΏΡΠ΅Π΄ΡΡΠ°Π²Π»Π΅Π½Π° Π½Π° ΡΡΠΎΠΌ ΠΈΠ·ΠΎΠ±ΡΠ°ΠΆΠ΅Π½ΠΈΠΈ:
Π’Π΅ΠΏΠ΅ΡΡ Π½ΡΠΆΠ½ΠΎ ΡΠ°Π·ΠΎΠ±ΡΠ°ΡΡΡΡ ΡΠΎ ΡΡΡΠΎΠ΅Π½ΠΈΠ΅ΠΌ ΠΏΠ½Π΅Π²ΠΌΠΎΠ³ΠΈΠ΄ΡΠ°Π²Π»ΠΈΡΠ΅ΡΠΊΠΎΠ³ΠΎ ΠΏΡΠΈΠ²ΠΎΠ΄Π°.
Π‘ΡΡΠΎΠ΅Π½ΠΈΠ΅ ΠΏΠ½Π΅Π²ΠΌΠΎΠ³ΠΈΠ΄ΡΠ°Π²Π»ΠΈΡΠ΅ΡΠΊΠΎΠ³ΠΎ ΠΏΡΠΈΠ²ΠΎΠ΄Π°
ΠΠ°ΠΊ ΡΠΆΠ΅ Π³ΠΎΠ²ΠΎΡΠΈΠ»ΠΎΡΡ ΡΠ°Π½Π΅Π΅, Ρ ΡΡΠ°Π½ΡΠΏΠΎΡΡΠ° ΡΡΠΎΠΈΡ ΠΏΡΠΈΠ²ΠΎΠ΄ ΠΊΠΎΠΌΠ±ΠΈΠ½ΠΈΡΠΎΠ²Π°Π½Π½ΠΎΠ³ΠΎ Π²ΠΈΠ΄Π°. ΠΠ½ ΡΠΎΡΠ΅ΡΠ°Π΅Ρ ΠΎΡΠΎΠ±Π΅Π½Π½ΠΎΡΡΠΈ ΠΏΠ½Π΅Π²ΠΌΠ°ΡΠΈΠΊΠΈ ΠΈ Π³ΠΈΠ΄ΡΠ°Π²Π»ΠΈΠΊΠΈ, ΠΈΠ½ΡΠΌΠΈ ΡΠ»ΠΎΠ²Π°ΠΌΠΈ ΠΏΠ½Π΅Π²ΠΌΠΎΠ³ΠΈΠ΄ΡΠ°Π²Π»ΠΈΡΠ΅ΡΠΊΠΈΠΉ. ΠΠ½ ΠΏΡΠ΅Π΄ΡΡΠ°Π²Π»Π΅Π½ ΠΏΠ°ΡΠΎΠΉ Π°ΠΊΡΠΈΠ²Π½ΡΡ ΠΊΠΎΠ½ΡΡΡΠΎΠ², ΠΊΠΎΡΠΎΡΡΠ΅ ΠΏΡΠ΅Π΄Π½Π°Π·Π½Π°ΡΠ°ΡΡΡΡ Π΄Π»Ρ ΠΊΠΎΠ»Π΅Ρ. ΠΡΠΎΠΌΠ΅ ΡΠΎΠ³ΠΎ Π΅ΡΡΡ Π΄ΠΎΠΏΠΎΠ»Π½ΠΈΡΠ΅Π»ΡΠ½ΡΠΉ, ΠΊΠΎΡΠΎΡΡΠΉ ΠΏΠΎΠΌΠΎΠ³Π°Π΅Ρ ΠΎΡΡΠ°Π½ΠΎΠ²ΠΈΡΡ ΠΏΠΎΠ²ΠΎΠ·ΠΊΡ. ΠΠ΄Π΅ΡΡ ΡΡΡΡΠΎΠΉΡΡΠ²ΠΎ Π±ΡΠ²Π°Π΅Ρ ΠΎΠ΄Π½ΠΎ- ΠΈΠ»ΠΈ Π΄Π²ΡΡ ΠΏΡΠΎΠ²ΠΎΠ΄Π½ΡΠΌ.
ΠΠ²Π° Π³Π»Π°Π²Π½ΡΡ ΡΠ·Π»Π° ΠΈΠΌΠ΅ΡΡ ΡΠ»Π΅Π΄ΡΡΡΠΈΠ΅ ΡΠ»Π΅ΠΌΠ΅Π½ΡΡ:
- ΡΠ°Π·Π»ΠΈΡΠ½ΡΡ Π±Π°Π»Π»ΠΎΠ½ΠΎΠ² Π²ΠΎΠ·Π΄ΡΡ Π°;
- ΡΠΎΡΠΌΠΎΠ·Π½ΠΎΠΉ ΠΊΡΠ°Π½, Π³Π΄Π΅ Π²Π΅ΡΡ Π½ΡΡ ΠΈ Π½ΠΈΠΆΠ½ΡΡ ΡΠ°ΡΡΠΈ ΠΎΡΠ½ΠΎΡΡΡΡΡ ΠΊ ΠΊΠΎΠ½ΡΡΡΠ°ΠΌ;
- ΠΊΠΎΠ»Π΅ΡΠ° ΡΠΎΡΠΌΠΎΠ·Π½ΡΡ ΡΠΈΠ»ΠΈΠ½Π΄ΡΠΎΠ² Π£Π ΠΠ 375-3501030-01 ΠΈ ΡΡΠΈΠ»ΠΈΡΠ΅Π»Ρ ΠΏΠ½Π΅Π²ΠΌΠΎΡΠΎΡΠΌΠΎΠ·Π°;
- ΠΊΠΎΠ½ΡΡΠΎΠ»Π»Π΅Ρ ΡΠΎΡΠΌΠΎΠ·Π½ΡΡ ΡΠΈΠ» Π°Π³ΡΠ΅Π³Π°ΡΠΈΡΠΎΠ²Π°Π½ ΡΠΎΠ»ΡΠΊΠΎ Π²ΠΎ Π²ΡΠΎΡΠΎΠΌ ΡΠ·Π»Π΅.
ΠΠΎΠ±Π°Π²ΠΎΡΠ½ΡΠΉ ΠΊΠΎΠ½ΡΡΡ Π²ΡΠΏΠΎΠ»Π½Π΅Π½ ΠΈΠ· ΡΡΠ΅Ρ ΡΠ»Π΅ΠΌΠ΅Π½ΡΠΎΠ².
- ΠΠ½Π΄ΠΈΠ²ΠΈΠ΄ΡΠ°Π»ΡΠ½Π°Ρ ΠΊΠ°ΠΌΠ΅ΡΠ° Π²ΠΎΠ·Π΄ΡΡ Π°.
- ΠΡΠΎΠ±ΡΠ΅ ΠΏΠΎΡΡΠ½ΠΈ, ΠΊΠΎΡΠΎΡΡΠ΅ ΠΈΡΠΏΠΎΠ»ΡΠ·ΡΡΡΡΡ Π΄Π»Ρ ΡΠΎΠ³ΠΎ, ΡΡΠΎΠ±Ρ ΡΠ΅Π³ΡΠ»ΠΈΡΠΎΠ²Π°ΡΡ ΠΌΠ΅Ρ Π°Π½ΠΈΠ·ΠΌ ΠΎΡΡΠ°Π½ΠΎΠ²ΠΊΠΈ ΠΏΠΎΠ²ΠΎΠ·ΠΊΠΈ.
- ΠΠΎΠ»ΠΎΠ²ΠΊΠΈ ΡΠΎΠΏΡΡΠΆΠ΅Π½ΠΈΡ Π΄Π»Ρ Π²ΡΠ΅Ρ Π³ΡΡΠΏΠΏ ΠΏΡΠΎΠ²ΠΎΠ΄ΠΎΠ².
ΠΡΠΈΠ½ΡΠΈΠΏ ΡΠ°Π±ΠΎΡΡ ΠΏΠ½Π΅Π²ΠΌΠΎΠΏΡΠΈΠ²ΠΎΠ΄Π° ΠΎΡΠ½ΠΎΠ²Π°Π½ Π½Π° ΡΠΎΠΌ, ΡΡΠΎ Π½Π°ΡΠΎΡ ΠΏΠΎΠ΄Π°Π΅Ρ Π²ΠΎΠ·Π΄ΡΡ Π² ΡΠΆΠ°ΡΠΎΠΌ ΡΠΎΡΡΠΎΡΠ½ΠΈΠΈ ΠΊ Π·Π°ΡΠΈΡΠ½ΡΠΌ ΠΏΠΎΡΡΠ½ΡΠΌ. ΠΡΠΎ ΠΏΡΠΎΠΈΡΡ ΠΎΠ΄ΠΈΡ ΡΠ΅ΡΠ΅Π· ΠΊΠΎΠ½ΡΡΠΎΠ»Π»Π΅Ρ Π΄Π°Π²Π»Π΅Π½ΠΈΡ. ΠΠ°Π»Π΅Π΅ ΠΎΠ½ΠΈ ΠΎΡΠΏΡΠ°Π²Π»ΡΡΡ Π²ΠΎΠ·Π΄ΡΡ Π² ΠΎΡΡΠ΅ΠΊΠΈ Π²ΠΎ Π²ΡΠ΅Ρ ΡΠ·Π»Π°Ρ .
ΠΡΠ±ΠΎΠΉ ΡΠ·Π΅Π» ΠΈΠΌΠ΅Π΅Ρ Π΄ΠΎΠ±Π°Π²ΠΎΡΠ½ΡΠ΅ ΠΏΠΎΡΡΠ½ΠΈ ΠΊΠ»ΡΡΠ΅Π²ΠΎΠ³ΠΎ Π²ΡΠ²ΠΎΠ΄Π°. ΠΠ½ΠΈ ΡΡΠ΅Π±ΡΡΡΡΡ Π΄Π»Ρ ΠΎΡΠ΅Π½ΠΊΠΈ Π΄Π°Π²Π»Π΅Π½ΠΈΡ ΠΏΠΎΠ΄ΡΠΎΠ΅Π΄ΠΈΠ½Π΅Π½Π½ΡΠΌ ΠΌΠ°Π½ΠΎΠΌΠ΅ΡΡΠΎΠΌ. Π£ΡΡΡΠΎΠΉΡΡΠ²ΠΎ Π°ΠΊΡΠΈΠ²ΠΈΡΡΠ΅ΡΡΡ Π²ΠΎΠ·Π΄ΡΡ ΠΎΠΌ ΠΈΠ· Π³Π»Π°Π²Π½ΡΡ ΠΊΠ°ΠΌΠ΅Ρ.
ΠΠ²Π°ΡΠΈΠΉΠ½ΡΠ΅ ΡΠΎΡΠΌΠΎΠ·Π°
ΠΠΎΠΏΠΎΠ»Π½ΠΈΡΠ΅Π»ΡΠ½ΠΎΠ΅ ΠΈΠ»ΠΈ Π°Π²Π°ΡΠΈΠΉΠ½ΠΎΠ΅ ΡΠΎΡΠΌΠΎΠΆΠ΅Π½ΠΈΠ΅ Π³ΡΡΠ·ΠΎΠ²ΠΈΠΊΠ° Π£ΡΠ°Π» Π²ΡΠΏΠΎΠ»Π½ΡΠ΅ΡΡΡ ΠΎΠ΄Π½ΠΈΠΌ ΠΈΠ· Π°ΠΊΡΠΈΠ²Π½ΡΡ ΠΊΠΎΠ½ΡΡΡΠΎΠ² Π°ΠΊΡΠΈΠ²Π½ΠΎΠΉ ΠΎΡΡΠ°Π½ΠΎΠ²ΠΊΠΈ ΡΠΈΡΡΠ΅ΠΌΡ Π£ΡΠ°Π»Π°. ΠΡΠΈ ΡΡΠΎΠΌ Π΅ΡΠ»ΠΈ ΠΎΠ΄ΠΈΠ½ ΠΈΠ· Π½ΠΈΡ Π±ΡΠ΄Π΅Ρ ΠΏΠΎΠ²ΡΠ΅ΠΆΠ΄Π΅Π½, ΠΎΠΏΡΠΈΡ Π°Π²Π°ΡΠΈΠΉΠ½ΠΎΠΉ ΠΎΡΡΠ°Π½ΠΎΠ²ΠΊΠΈ ΠΏΠΎΠΊΠ°ΠΆΠ΅Ρ ΡΠ΅Π±Ρ ΠΈΡΠΏΡΠ°Π²Π½ΠΎ ΠΈ Ρ Π½Π΅ΠΎΠ±Ρ ΠΎΠ΄ΠΈΠΌΠΎΠΉ ΡΡΡΠ΅ΠΊΡΠΈΠ²Π½ΠΎΡΡΡΡ.
ΠΡΠ΄Π΅Π»ΡΠ½ΠΎ ΡΠ»Π΅Π΄ΡΠ΅Ρ ΡΠ°Π·ΠΎΠ±ΡΠ°ΡΡ ΡΡΠΎΡΠ½ΠΎΡΠ½ΡΠΉ ΡΠ·Π΅Π» ΠΎΡΡΠ°Π½ΠΎΠ²ΠΊΠΈ Π³ΡΡΠ·ΠΎΠ²ΠΈΠΊΠ°.
Π‘ΡΠΎΡΠ½ΠΎΡΠ½ΡΠΉ ΡΠΎΡΠΌΠΎΠ· Π£ΡΠ°Π»Π°
ΠΠ°Π½Π½ΡΠΉ ΡΠ·Π΅Π» ΠΈΠ½Π°ΡΠ΅ Π½Π°Π·ΡΠ²Π°Ρ ΡΡΡΠ½ΠΈΠΊ Π£Π ΠΠ 4320. ΠΠ½ ΡΡΠ΅Π±ΡΠ΅ΡΡΡ Π΄Π»Ρ ΡΠΎΠ³ΠΎ, ΡΡΠΎΠ±Ρ ΠΎΡΡΠ°Π½Π°Π²Π»ΠΈΠ²Π°ΡΡ ΡΡΠ°Π½ΡΠΏΠΎΡΡ Π΄Π»Ρ ΡΡΠΎΡΠ½ΠΊΠΈ ΠΈ Π·Π°Π΄Π΅ΡΠΆΠ°Π½ΠΈΠΈ Π½Π° ΡΠΊΠ»ΠΎΠ½Π°Ρ . ΠΡΠΈΠ²ΠΎΠ΄ ΡΠΈΡΡΠ΅ΠΌΡ ΠΌΠ΅Ρ Π°Π½ΠΈΡΠ΅ΡΠΊΠΈΠΉ, ΡΡΡΠ°Π³ ΡΡΠΎΡΠ½ΠΎΡΠ½ΠΎΠ³ΠΎ ΠΌΠ΅Ρ Π°Π½ΠΈΠ·ΠΌΠ° ΡΠ°ΡΠΏΠΎΠ»Π°Π³Π°Π΅ΡΡΡ ΡΠΏΡΠ°Π²ΠΎΠΉ ΡΡΠΎΡΠΎΠ½Ρ ΠΏΠΎΠ΄ ΡΡΠΊΠΎΠΉ Π²ΠΎΠ΄ΠΈΡΠ΅Π»Ρ.
Π‘ΠΏΡΠ°Π²ΠΊΠ°! Π ΡΠΊΠΎΡΡΡ ΡΡΡΠ½ΠΎΠ³ΠΎ ΡΠΎΡΠΌΠΎΠ·Π° ΡΠΎΠ²ΠΌΠ΅ΡΠ΅Π½Π° Ρ ΡΠ·Π»ΠΎΠΌ ΠΏΠΎΠ²ΠΎΠ·ΠΊΠΈ. ΠΠΎΠ³Π΄Π° ΠΏΠΎΠ΄Π½ΠΈΠΌΠ°Π΅ΡΡΡ ΡΡΠΊΠΎΡΡΡ, Π°ΠΊΡΠΈΠ²ΠΈΡΡΡΡΡΡ ΡΠ°ΠΊΠΆΠ΅ ΠΈ ΡΠΎΡΠΌΠΎΠ·Π° ΡΡΡΡ.
ΠΡΠΈΠ½ΡΠΈΠΏ Π΄Π΅ΠΉΡΡΠ²ΠΈΡ Π²ΡΠ³Π»ΡΠ΄ΠΈΡ ΡΠ°ΠΊ:
- Π²ΠΎ Π²ΡΠ΅ΠΌΡ Π°ΠΊΡΠΈΠ²Π°ΡΠΈΠΈ ΡΡΠΊΠΎΡΡΠΈ ΠΈΠΌΠΏΡΠ»ΡΡ ΠΎΡ Π½Π΅Π΅ ΠΎΡΠΏΡΠ°Π²Π»ΡΠ΅ΡΡΡ Π½Π° ΡΠ°Π·ΠΆΠΈΠΌΠ½ΡΡ ΡΡΠΊΠΎΡΡΡ;
- Π·Π°ΡΠ΅ΠΌ ΡΡΠΈΠ»ΠΈΠ΅ ΠΎΡΠΏΡΠ°Π²Π»ΡΠ΅ΡΡΡ Π½Π° ΠΊΠΎΠ»ΠΎΠ΄ΠΊΡ, ΠΊΠ°ΠΊΡΡ ΠΈΠΌΠ΅Π½Π½ΠΎ Π·Π°Π²ΠΈΡΠΈΡ ΠΎΡ Π²ΡΠ°ΡΠ΅Π½ΠΈΡ Π±Π°ΡΠ°Π±Π°Π½Π°. ΠΠ° Π»Π΅Π²ΡΡ ΠΏΠΎΡΡΡΠΏΠ°Π΅Ρ ΠΏΡΠΈ Π²ΡΠ°ΡΠ΅Π½ΠΈΠΈ ΠΏΡΠΎΡΠΈΠ² Ρ ΠΎΠ΄Π° ΡΡΡΠ΅Π»ΠΊΠΈ, ΡΠ»Π΅Π΄ΠΎΠ²Π°ΡΠ΅Π»ΡΠ½ΠΎ, Π½Π° ΠΏΡΠ°Π²ΡΡ ΠΏΠΎΡΡΡΠΏΠ°Π΅Ρ Π² ΠΎΠ±ΡΠ°ΡΠ½ΡΡ ΡΡΠΎΡΠΎΠ½Ρ;
- ΠΏΠ»Π°Π½ΠΊΠ° ΠΎΡΠΊΡΠ΅ΠΏΠ»Π΅Π½Π° ΠΎΡ ΠΎΠΏΠΎΡΠ½ΠΎΠ³ΠΎ ΠΏΠ°Π»ΡΡΠ°, ΠΆΠΌΠ΅ΡΡΡ ΠΊ Π±Π°ΡΠ°Π±Π°Π½Ρ, ΠΊΡΡΡΠΈΡΡΡ ΠΏΠΎ Ρ ΠΎΠ΄Ρ Π²ΡΠ°ΡΠ΅Π½ΠΈΡ ΠΈ ΡΠΈΠΊΡΠΈΡΡΠ΅Ρ ΡΠ»Π΅Π΄ΡΡΡΡΡ ΠΏΠ»Π°Π½ΠΊΡ.
ΠΡΠΈ Π½Π΅ΠΎΠ±Ρ ΠΎΠ΄ΠΈΠΌΠΎΡΡΠΈ Π²ΡΠΏΠΎΠ»Π½ΡΠ΅ΡΡΡ ΠΊΠ°Π»ΠΈΠ±ΡΠΎΠ²ΠΊΠ° ΡΡΠΎΡΠ½ΠΎΡΠ½ΠΎΠ³ΠΎ ΡΠ·Π»Π°. ΠΠ»Ρ ΡΡΠΎΠ³ΠΎ ΡΡΠΎΠΈΡ ΠΎΠΏΡΡΡΠΈΡΡ ΡΡΠΊΠΎΡΡΡ Π²Π½ΠΈΠ· Π΄ΠΎ ΠΏΡΠ΅Π΄Π΅Π»Π°. ΠΠΎΡΠ»Π΅ ΠΎΡΠΊΠ»ΡΡΠΈΡΡ ΡΡΠ³Ρ ΠΎΡ ΡΡΡΠ°ΠΆΠ½ΠΎΠΉ Π²ΠΈΠ»ΠΊΠΈ Π½Π° Π£Π ΠΠ.
ΠΠ°ΠΆΠ½Π°Ρ ΠΈΠ½ΡΠΎΡΠΌΠ°ΡΠΈΡ! ΠΠ°Π»ΠΈΠ±ΡΠΎΠ²Π°ΡΡ ΠΏΡΠΎΠ΅ΠΌΡ ΠΌΠ΅ΠΆΠ΄Ρ Π½Π°ΠΊΠ»Π°Π΄ΠΊΠ°ΠΌΠΈ ΠΈ Π±Π°ΡΠ°Π±Π°Π½ΠΎΠΌ, ΠΌΠ΅Π½ΡΡ Π²Π΅Π»ΠΈΡΠΈΠ½Ρ ΡΡΠ³ΠΈ Π½Π΅Π»ΡΠ·Ρ, ΠΈΠ½Π°ΡΠ΅ ΡΡΠΎΡΠ½ΠΎΡΠ½Π°Ρ ΡΠΈΡΡΠ΅ΠΌΠ° ΠΏΠΎΠ²ΡΠ΅Π΄ΠΈΡΡΡ ΠΈ Π½Π΅ ΡΠΌΠΎΠΆΠ΅Ρ Π²ΡΠΏΠΎΠ»Π½ΡΡΡ ΡΠ²ΠΎΡ Π·Π°Π΄Π°ΡΡ.
ΠΠ°Π»ΠΈΠ±ΡΡΠ΅ΠΌ ΠΏΡΠΎΠ΅ΠΌΡ ΠΌΠ΅ΠΆΠ΄Ρ ΠΏΠ»Π°Π½ΠΊΠΎΠΉ ΡΠΏΡΠ°Π²Π° ΠΈ Π±Π°ΡΠ°Π±Π°Π½ΠΎΠΌ, ΠΏΠΎΡΠ»Π΅ ΠΎΡΠ»Π°Π±Π»ΡΠ΅ΠΌ Π½Π° Β½ ΠΎΠ±ΠΎΡΠΎΡΠ° ΡΠΈΠΊΡΠΈΡΡΡΡΡΡ ΡΠ°ΠΉΠ±Ρ. ΠΠΎΡΡΠ°Π²ΡΡΠ΅ ΡΠ°Π·ΠΌΠ΅Ρ ΠΏΡΠΎΠ΅ΠΌΠ° Π² 0,3-0,5 ΠΌΠΌ. ΠΠΎΡΠ»Π΅ Π·Π°ΡΡΠ½ΠΈΡΠ΅ ΡΠ°ΠΉΠ±Ρ, ΠΏΡΠ΅Π΄ΠΎΡΠ²ΡΠ°ΡΠ°Ρ Π²ΡΠ°ΡΠ΅Π½ΠΈΠ΅ ΠΏΠ°Π»ΡΡΠ°.
ΠΠ»Ρ ΠΊΠ°Π»ΠΈΠ±ΡΠΎΠ²ΠΊΠΈ ΠΏΡΠΎΠ΅ΠΌΠ° ΠΌΠ΅ΠΆΠ΄Ρ ΠΏΠ»Π°Π½ΠΊΠΎΠΉ ΡΠ»Π΅Π²Π° ΠΈ Π±Π°ΡΠ°Π±Π°Π½ΠΎΠΌ ΡΠΎΡΠΌΠΎΠ·Π½ΡΠΌ Π£Π ΠΠ 4320 Π½ΡΠΆΠ½ΠΎ Π΄Π΅ΠΌΠΎΠ½ΡΠΈΡΠΎΠ²Π°ΡΡ Π·Π°Π³Π»ΡΡΠΊΡ. ΠΠΎΡΠ»Π΅ ΠΏΠΎΡΡΠ°Π²ΠΈΡΡ ΠΏΡΠΎΠ΅ΠΌ 0,3-0,5 ΠΌΠΌ. ΠΡΠΎ ΠΌΠΎΠΆΠ½ΠΎ Π²ΡΠΏΠΎΠ»Π½ΠΈΡΡ ΡΠ΅ΡΠ΅Π· ΠΎΡΠΎΠ±ΡΠΉ ΠΏΡΠΎΠ΅ΠΌ Π² ΡΠΈΡΠ΅ ΠΌΠ΅Ρ Π°Π½ΠΈΠ·ΠΌΠ° ΠΎΡΡΠ°Π½ΠΎΠ²ΠΊΠΈ. ΠΠ°ΡΠ΅ΠΌ Π²Π½ΠΎΠ²Ρ ΠΏΠΎΡΡΠ°Π²ΠΈΡΡ Π·Π°Π³Π»ΡΡΠΊΡ.
ΠΡΠΏΠΎΠΌΠΎΠ³Π°ΡΠ΅Π»ΡΠ½ΡΠΉ ΡΠΎΡΠΌΠΎΠ·
ΠΠ½ ΠΏΡΠ΅Π΄Π½Π°Π·Π½Π°ΡΠ°Π΅ΡΡΡ Π΄Π»Ρ ΠΏΡΠΈΠΌΠ΅Π½Π΅Π½ΠΈΡ Π½Π° Π±ΠΎΠ»ΡΡΠΎΠΌ ΡΠΊΠ»ΠΎΠ½Π΅. ΠΠ»Π°Π²ΠΈΡΠ° ΠΊΠΎΠ½ΡΡΠΎΠ»Ρ ΡΠ°ΡΠΏΠΎΠ»Π°Π³Π°Π΅ΡΡΡ Π½Π° ΠΏΠΎΠ»Ρ ΠΊΠ°Π±ΠΈΠ½Ρ. ΠΡΠ»ΠΈ Π΅Π΅ Π°ΠΊΡΠΈΠ²ΠΈΡΠΎΠ²Π°ΡΡ, ΡΠΎ Π·Π°ΠΏΡΡΡΠΈΡΡΡ ΡΠ»Π΅Π΄ΡΡΡΠ°Ρ ΡΠ΅ΠΏΡ Π΄Π΅ΠΉΡΡΠ²ΠΈΠΉ:
- Π² ΡΠΎΡΠΌΠΎΠ·Π½ΡΠ΅ ΡΠΈΠ»ΠΈΠ½Π΄ΡΡ Π£Π ΠΠ 5557 ΠΏΠΎΠ΄Π°Π΅ΡΡΡ Π²ΠΎΠ·Π΄ΡΡ ΠΏΠΎΠ΄ Π΄Π°Π²Π»Π΅Π½ΠΈΠ΅ΠΌ, ΠΎΠ½ ΠΎΠΊΠ°Π·ΡΠ²Π°Π΅Ρ Π²ΠΎΠ·Π΄Π΅ΠΉΡΡΠ²ΠΈΠ΅ Π½Π° ΠΏΠΎΡΡΠ½ΠΈ ΠΈ ΡΠΌΠ΅ΡΠ°Π΅Ρ ΠΈΡ ;
- Π² Π²ΡΠΏΡΡΠΊΠ½ΡΡ Π³Π°Π·ΠΎΠΏΡΠΎΠ²ΠΎΠ΄Π°Ρ ΠΎΡΡΡΠ΅ΡΡΠ²Π»ΡΠ΅ΡΡΡ ΠΏΡΠΈΡΠΎΡΠΌΠ°ΠΆΠΈΠ²Π°Π½ΠΈΠ΅ Π·Π° ΡΡΠ΅Ρ ΠΏΡΠΎΡΠΈΠ²ΠΎΠ΄Π°Π²Π»Π΅Π½ΠΈΡ;
- Π² ΡΡΠΎ ΠΆΠ΅ Π²ΡΠ΅ΠΌΡ Π½Π°ΠΏΡΠ°Π²Π»ΡΠ΅ΡΡΡ ΠΈΠΌΠΏΡΠ»ΡΡ Π½Π° ΡΠΎΡΠΌΠΎΠ· ΡΡΡΡ.
ΠΡΠΈ Π°ΠΊΡΠΈΠ²Π°ΡΠΈΠΈ Π΄ΠΎΠΏΠΎΠ»Π½ΠΈΡΠ΅Π»ΡΠ½ΠΎΠ³ΠΎ ΡΠΎΡΠΌΠΎΠ·Π° ΡΠ»Π΅Π΄ΡΠ΅Ρ ΡΡΠΈΡΡΠ²Π°ΡΡ Π½Π΅ΡΠΊΠΎΠ»ΡΠΊΠΎ ΠΎΡΠΎΠ±Π΅Π½Π½ΠΎΡΡΠ΅ΠΉ:
- ΡΠΎΡ ΡΠ°Π½ΡΠΉΡΠ΅ ΠΈΠ½ΡΠ΅Π½ΡΠΈΠ²Π½ΠΎΡΡΡ ΠΊΡΡΡΠ΅Π½ΠΈΡ ΠΊΠΎΠ»Π΅Π½Π²Π°Π»Π° ΠΌΠΎΡΠΎΡΠ° Π½Π΅ Π±ΠΎΠ»Π΅Π΅ 2100 ΠΌΠΈΠ½-1;
- Π½Π΅ ΡΠ»Π΅Π΄ΡΠ΅Ρ ΠΌΠ΅Π½ΡΡΡ ΡΠΊΠΎΡΠΎΡΡΠΈ Π² ΠΠΠ Ρ Π±ΠΎΠ»Π΅Π΅ Π²ΡΡΠΎΠΊΠΎΠΉ Π½Π° Π±ΠΎΠ»Π΅Π΅ Π½ΠΈΠ·ΠΊΡΡ ΠΏΡΠΈ ΠΈΠ½ΡΠ΅Π½ΡΠΈΠ²Π½ΠΎΡΡΠΈ ΠΊΡΡΡΠ΅Π½ΠΈΡ ΠΊΠΎΠ»Π΅Π½Π²Π°Π»Π° ΠΌΠΎΡΠΎΡΠ°, Π±Π»ΠΈΠ·ΠΊΠΎΠΉ ΠΊ 2100 ΠΌΠΈΠ½-1.
ΠΡΠ»ΠΈ Π½ΡΠΆΠ½ΠΎ, ΡΠΎ ΠΌΠΎΠΆΠ½ΠΎ ΠΎΡΠ»Π°Π±ΠΈΡΡ ΠΈΠ½ΡΠ΅Π½ΡΠΈΠ²Π½ΠΎΡΡΡ ΠΊΡΡΡΠ΅Π½ΠΈΡ ΠΊΠΎΠ»Π΅Π½Π²Π°Π»Π° ΡΠ°Π±ΠΎΡΠΈΠΌ ΡΠΎΡΠΌΠΎΠ·ΠΎΠΌ, ΠΏΠΎΡΠ»Π΅ Π°ΠΊΡΠΈΡΡΠΉΡΠ΅ Π½ΠΈΠ·ΡΡΡ ΠΏΠ΅ΡΠ΅Π΄Π°ΡΡ.
Π’Π΅ΠΏΠ΅ΡΡ ΠΏΠ΅ΡΠ΅ΠΉΠ΄Π΅ΠΌ ΠΊ ΠΊΠ°Π»ΠΈΠ±ΡΠΎΠ²ΠΊΠ΅ ΠΈ Π’Π.
ΠΠ°Π»ΠΈΠ±ΡΠΎΠ²ΠΊΠ° ΠΈ Π’Π ΠΏΠ½Π΅Π²ΠΌΠΎΠ³ΠΈΠ΄ΡΠΎΠΏΡΠΈΠ²ΠΎΠ΄Π°
ΠΠ½Π΅Π²ΠΌΠΎΠΏΡΠΈΠ²ΠΎΠ΄ Π£ΡΠ°Π»Π° Π½Π΅ ΡΡΠ΅Π±ΡΠ΅ΡΡΡ Π² ΠΊΠ°Π»ΠΈΠ±ΡΠΎΠ²ΠΊΠ΅ ΠΈ Π’Π.
ΠΡΠ΅Π½ΠΊΠ° Π³Π΅ΡΠΌΠ΅ΡΠΈΠ·Π°ΡΠΈΠΈ ΠΎΡΠ΄Π΅Π»ΡΠ½ΠΎΠΉ Π²ΠΎΠ·Π΄ΡΡΠ½ΡΡ ΡΠΎΡΠΌΠΎΠ·ΠΎΠ² Π½Π° Π£Π ΠΠ 4320 ΠΏΡΠΎΠΈΡΡ ΠΎΠ΄ΠΈΡ ΠΏΠΎ Π±ΡΡΡΡΠΎΠΌΡ ΡΠ½ΠΈΠΆΠ΅Π½ΠΈΡ Π΄Π°Π²Π»Π΅Π½ΠΈΡ Π½Π° ΠΏΡΠΈΠ±ΠΎΡΠ΅ Ρ Π΄Π²ΡΠΌΡ ΡΡΡΠ΅Π»ΠΊΠ°ΠΌΠΈ (Π½Π΅ Π½ΠΈΠΆΠ΅ 700 ΠΊΠΠ°). ΠΡΠΎΡ Π΄Π°ΡΡΠΈΠΊ ΡΡΠΎΠΈΡ Π½Π° ΠΏΡΠΈΠ±ΠΎΡΠ½ΠΎΠΉ ΠΏΠ°Π½Π΅Π»ΠΈ Π² ΡΠ°Π»ΠΎΠ½Π΅. ΠΠΎΠ³Π΄Π° ΠΌΠΎΡΠΎΡ ΠΏΠΎΠ»Π½ΠΎΡΡΡΡ ΠΎΡΡΠ°Π½ΠΎΠ²Π»Π΅Π½, Π° ΠΏΠ΅Π΄Π°Π»Ρ ΠΌΠ΅Ρ Π°Π½ΠΈΠ·ΠΌΠ° ΠΎΡΡΠ°Π½ΠΎΠ²ΠΊΠΈ Π½Π΅Π°ΠΊΡΠΈΠ²Π½Π°Ρ, ΡΡΡΠ΅Π»ΠΊΠΈ Π΄Π°ΡΡΠΈΠΊΠ° Π΄ΠΎΠ»ΠΆΠ½Ρ Π±ΡΡΡ Π½Π΅ΠΏΠΎΠ΄Π²ΠΈΠΆΠ½ΡΠΌΠΈ. Π’Π°ΠΊΠΆΠ΅ ΡΠ΅Π±Ρ Π΄ΠΎΠ»ΠΆΠ½Ρ Π²Π΅ΡΡΠΈ ΡΡΡΠ΅Π»ΠΊΠΈ ΠΈ Π² ΡΠΎΡ ΠΌΠΎΠΌΠ΅Π½Ρ, ΠΊΠΎΠ³Π΄Π° ΠΏΠ΅Π΄Π°Π»Ρ Π·Π»Π° ΠΎΡΡΠ°Π½ΠΎΠ²ΠΊΠΈ Π·Π°ΠΆΠ°ΡΠ° Π½Π° 20 ΡΠ΅ΠΊΡΠ½Π΄. Π ΡΡΠΎ ΠΆΠ΅ Π²ΡΠ΅ΠΌΡ ΠΏΡΠΎΠΈΡΡ ΠΎΠ΄ΠΈΡ Π°Π½Π°Π»ΠΈΠ· Π½Π΅ΠΏΡΠΎΠ½ΠΈΡΠ°Π΅ΠΌΠΎΡΡΠΈ Π³ΠΈΠ΄ΡΠ°Π²Π»ΠΈΡΠ΅ΡΠΊΠΎΠΉ ΡΠ°ΡΡΠΈ.
ΠΡΠΎΡΠ΅ΠΊΠ°Π½ΠΈΠ΅ Π²ΠΎΠ·Π΄ΡΡ Π° ΠΈΠ· ΡΠΎΠ΅Π΄ΠΈΠ½Π΅Π½ΠΈΠΉ ΡΡΡΠ±ΠΎΠΏΡΠΎΠ²ΠΎΠ΄ΠΎΠ²
ΠΠ»Ρ Π»ΠΈΠΊΠ²ΠΈΠ΄Π°ΡΠΈΠΈ ΡΠ°ΠΊΠΎΠΉ ΠΏΡΠΎΠ±Π»Π΅ΠΌΡ ΡΡΠ΅Π±ΡΠ΅ΡΡΡ ΠΏΠΎΠ΄ΡΡΠ½ΡΡΡ ΡΠΎΠ΅Π΄ΠΈΠ½ΠΈΡΠ΅Π»ΡΠ½ΡΠ΅ ΡΠ°ΠΉΠ±Ρ. ΠΠΎΠΌΠ΅Π½Ρ Π·Π°ΡΡΠΆΠ΅Π½ΠΈΡ Π΄Π»Ρ ΡΡΡΠ±ΠΎΠΏΡΠΎΠ²ΠΎΠ΄ΠΎΠ² ΡΠ°Π·Π»ΠΈΡΠ½ΠΎΠ³ΠΎ Π΄ΠΈΠ°ΠΌΠ΅ΡΡΠ° (Γ) ΡΠ²ΠΎΠΉ.
- Γ 6 ΠΌΠΌ β max 18 ΠΠΌ (1,8 ΠΊΠ³/ΡΠΌ).
- Γ 10 ΠΌΠΌ β max 35 ΠΠΌ (3,5 ΠΊΠ³/ΡΠΌ).
- Γ 14 ΠΌΠΌ β max 45 ΠΠΌ (4,5 ΠΊΠ³/ΡΠΌ).
ΠΠ»Ρ ΠΏΡΠ΅Π΄ΠΎΡΠ²ΡΠ°ΡΠ΅Π½ΠΈΡ Π²Π΅ΡΠΎΡΡΠ½ΡΡ Π½Π΅ΠΈΡΠΏΡΠ°Π²Π½ΠΎΡΡΠ΅ΠΉ ΠΏΡΠΈΡΠΎΠ΅Π΄ΠΈΠ½ΠΈΡΠ΅Π»ΡΠ½ΡΡ ΡΠ»Π΅ΠΌΠ΅Π½ΡΠΎΠ² Π²ΠΎ Π²ΡΠ΅ΠΌΡ Π·Π°ΡΡΠΆΠ΅Π½ΠΈΡ ΡΡΡΡΠ΅ΡΠΎΠ², ΠΌΠΎΠΌΠ΅Π½Ρ Π½Π΅ Π΄ΠΎΠ»ΠΆΠ΅Π½ Π±ΡΡΡ Π±ΠΎΠ»Π΅Π΅ 50 ΠΠΌ (5 ΠΊΠ³/ΡΠΌ).
Π‘ΠΎΠ²Π΅Ρ! ΠΠ»Ρ ΡΠΎΠ³ΠΎ ΡΡΠΎΠ±Ρ ΠΎΡΠ΅Π½ΠΈΡΡ ΡΠ°Π±ΠΎΡΠΎΡΠΏΠΎΡΠΎΠ±Π½ΠΎΡΡΡ ΡΡΠΎΠΏ-ΡΠΈΠ³Π½Π°Π»Π°, Π½ΡΠΆΠ½ΠΎ Π½Π°ΠΆΠ°ΡΡ Π½Π° ΠΏΠ΅Π΄Π°Π»Ρ Π² ΡΠΎΡ ΠΌΠΎΠΌΠ΅Π½Ρ, ΠΊΠΎΠ³Π΄Π° Π² ΠΏΠ½Π΅Π²ΠΌΠ°ΡΠΈΡΠ΅ΡΠΊΠΎΠΌ ΡΠ·Π»Π΅ Π½Π°Ρ ΠΎΠ΄ΠΈΡΡΡ Π²ΠΎΠ·Π΄ΡΡ ΠΏΠΎΠ΄ ΠΏΠΏΡΠ΅ΡΡΠΈΠ½Π³ΠΎΠΌ.
ΠΡΠ΅Π½ΠΊΠ° ΡΠΎΡΡΠΎΡΠ½ΠΈΡ ΡΠΈΠ³Π½Π°Π»ΠΈΠ·Π°ΡΠΎΡΠ° Π½Π΅ΠΈΡΠΏΡΠ°Π²Π½ΠΎΡΡΠΈ
ΠΠ° Π³ΡΡΠ·ΠΎΠ²ΠΈΠΊΠ°Ρ Π£ΡΠ°Π»-4320 ΠΈ 5557 ΠΎΡΠ΅Π½ΠΈΡΡ Π°ΠΊΡΠΈΠ²Π½ΠΎΡΡΡ ΡΠΈΠ³Π½Π°Π»ΠΈΠ·Π°ΡΠΎΡΠ° ΠΌΠΎΠΆΠ½ΠΎ ΡΠ°ΠΊΠΈΠΌ ΠΌΠ΅ΡΠΎΠ΄ΠΎΠΌ:
- ΠΎΡΠ΅Π½ΠΈΡΡ ΠΊΠΎΠ½ΡΡΠΎΠ»ΡΠ½ΡΡ Π»Π°ΠΌΠΏΡ;
- Π½Π΅ΠΌΠ½ΠΎΠ³ΠΎ ΡΠ°ΡΠΊΡΡΡΠΈΡΡ ΡΠ°ΠΉΠ±Ρ ΡΠΈΠΊΡΠ°ΡΠΈΠΈ ΠΏΡΠΎΠ²ΠΎΠ΄Π° ΠΊ Π΄Π΅Π°ΠΊΡΠΈΠ²Π°ΡΠΎΡΡ ΠΊΠΎΠ½ΡΡΠΎΠ»ΡΠ½ΠΎΠΉ Π»Π°ΠΌΠΏΡ;
- ΡΠ½ΡΡΡ Π°ΠΊΡΠΈΠ²Π°ΡΠΎΡ ΠΈΠ· ΠΏΠ½Π΅Π²ΠΌΠΎΡΡΠΈΠ»ΠΈΡΠ΅Π»Ρ ΠΈ Π·Π°ΠΆΠ°ΡΡ ΡΠ°ΠΉΠ±Ρ ΡΠΈΠΊΡΠ°ΡΠΈΠΈ ΠΏΡΠΎΠ²ΠΎΠ΄Π°;
- ΠΎΡΠΊΠ»ΡΡΠΈΡΡ Π°ΠΏΠΏΠ°ΡΠ°ΡΡΡΡ ΠΈ Π·Π°ΠΌΠΊΠ½ΡΡΡ ΡΠ΅Π»ΠΎ Π°ΠΊΡΠΈΠ²Π°ΡΠΎΡΠ° Π½Π° Β«ΠΌΠ°ΡΡΡΒ» ΠΌΠ°ΡΠΈΠ½Ρ, Π½Π°ΠΆΠ°ΡΡ Π΄ΠΎ ΡΠΏΠΎΡΠ° Π½Π° ΠΊΠ½ΠΎΠΏΠΊΡ;
- Π² ΡΡΠΎ Π²ΡΠ΅ΠΌΡ Π½Π° ΠΏΡΠΈΠ±ΠΎΡΠ½ΠΎΠΉ ΠΏΠ°Π½Π΅Π»ΠΈ Π·Π°ΡΠ²Π΅ΡΠΈΡΡΡ Π°ΠΏΠΏΠ°ΡΠ°ΡΡΡΠ°, ΡΡΠΎ ΡΠ²ΠΈΠ΄Π΅ΡΠ΅Π»ΡΡΡΠ²ΡΠ΅Ρ ΠΎ Π΅Π³ΠΎ ΠΈΡΠΏΡΠ°Π²Π½ΠΎΠΉ ΡΠ°Π±ΠΎΡΠ΅;
- Π°Π½Π°Π»ΠΎΠ³ΠΈΡΠ½ΡΠ΅ Π΄Π΅ΠΉΡΡΠ²ΠΈΡ Π½ΡΠΆΠ½ΠΎ ΠΏΠΎΠ²ΡΠΎΡΠΈΡΡ Ρ Π΄ΡΡΠ³ΠΈΠΌ Π°ΠΊΡΠΈΠ²Π°ΡΠΎΡΠΎΠΌ.
ΠΡΠ»ΠΈ ΡΠΈΠ³Π½Π°Π»ΠΈΠ·Π°ΡΠΎΡ Π½Π΅ Π·Π°Π³ΠΎΡΠ΅Π»ΡΡ, ΡΠΎ ΡΠ΅ΡΠΈΡΡ ΠΏΡΠΎΠ±Π»Π΅ΠΌΡ ΠΌΠΎΠΆΠ½ΠΎ ΠΏΡΠΎΡΡΠΎΠΉ Π·Π°ΠΌΠ΅Π½ΠΎΠΉ.
Π’Π°ΠΊΠΆΠ΅ Π²Π°ΠΆΠ½ΠΎ Π·Π½Π°ΡΡ, ΠΊΠ°ΠΊ ΠΎΡΠ΅Π½ΠΈΡΡ ΡΡΠ½ΠΊΡΠΈΠΎΠ½ΠΈΡΠΎΠ²Π°Π½ΠΈΠ΅ ΠΏΠ½Π΅Π²ΠΌΠΎΠΏΡΠΈΠ²ΠΎΠ΄Π° Π³ΡΡΠ·ΠΎΠ²ΠΈΠΊΠ°.
ΠΡΠ΅Π½ΠΊΠ° ΡΠ°Π±ΠΎΡΡ ΠΏΠ½Π΅Π²ΠΌΠ°ΡΠΈΡΠ΅ΡΠΊΠΎΠ³ΠΎ ΠΏΡΠΈΠ²ΠΎΠ΄Π° Π£ΡΠ°Π»-4320
ΠΠ»Ρ ΡΠΎΠ³ΠΎ ΡΡΠΎΠ±Ρ ΠΏΡΠΎΠ²Π΅ΡΠΈΡΡ ΠΈΡΠΏΡΠ°Π²Π½ΠΎΡΡΡ ΠΏΠ½Π΅Π²ΠΌΠΎΠΏΡΠΈΠ²ΠΎΠ΄Π°, ΡΠ»Π΅Π΄ΡΠ΅Ρ Π²ΡΠΏΠΎΠ»Π½ΠΈΡΡ ΡΡΠ΄ Π½Π΅ΡΠ»ΠΎΠΆΠ½ΡΡ Π΄Π΅ΠΉΡΡΠ²ΠΈΠΉ.
- ΠΠΎΠ΄ΡΠΎΠ΅Π΄ΠΈΠ½ΠΈΡΡ ΠΊ ΠΏΠΎΡΡΠ½ΡΠΌ ΠΊΠΎΠ½ΡΡΠΎΠ»ΡΠ½ΠΎΠ³ΠΎ Π²ΡΠ²ΠΎΠ΄Π° ΠΊΠΎΠ½ΡΡΠΎΠ»ΡΠ½ΡΠ΅ Π΄Π°ΡΡΠΈΠΊΠΈ.
- Π ΡΠ·Π΅Π» ΠΏΠΎΠ΄Π°ΡΡ Π²ΠΎΠ·Π΄ΡΡ Π΄ΠΎ ΠΎΡΠ²Π΅ΡΠ° ΠΊΠΎΠ½ΡΡΠΎΠ»Π»Π΅ΡΠ° Π½Π°ΠΏΠΎΡΠ°.
- ΠΡΠ΅ΡΡΠΈΠ½Π³ Π² Π°ΠΊΡΠΈΠ²Π½ΡΡ ΡΠ·Π»Π°Ρ Π΄ΠΎΠ»ΠΆΠ΅Π½ ΡΠ°Π²Π½ΡΡΡΡΡ 650-800 ΠΊΠΠ°. ΠΡΠΎΡ ΠΆΠ΅ ΠΏΠΎΠΊΠ°Π·Π°ΡΠ΅Π»Ρ Π½Π°ΠΏΠΎΡΠ° Π½Π° ΠΊΠΎΠ½ΡΡΠΎΠ»ΡΠ½ΠΎΠΌ Π΄Π°ΡΡΠΈΠΊΠ΅, ΠΊΠΎΡΠΎΡΡΠΉ ΡΡΠΎΠΈΡ Π½Π° ΡΡΠ΅ΡΡΠ΅ΠΉ ΠΊΠ°ΠΌΠ΅ΡΠ΅.
- ΠΡΠ»ΠΈ ΠΏΠΎΠ»Π½ΠΎΡΡΡΡ Π²ΡΠΆΠΈΠΌΠ°ΡΡ ΠΏΠ΅Π΄Π°Π»ΠΈ, ΡΠΎ ΠΏΡΠ΅ΡΡΠΈΠ½Π³ Π²ΠΎΠ·Π΄ΡΡ Π° Π½Π° Π΄Π°ΡΡΠΈΠΊΠ΅ ΠΎΠ΄Π½ΠΎΠ³ΠΎ ΠΊΠΎΠ½ΡΡΡΠ° ΡΠ°ΠΊΠΎΠ΅ ΠΆΠ΅, ΠΊΠ°ΠΊ Π½Π°ΠΏΠΎΡ Π² ΠΌΠ΅Ρ Π°Π½ΠΈΠ·ΠΌΠ΅, Π° Π΄ΡΡΠ³ΠΎΠ³ΠΎ ΠΊΠΎΠ½ΡΡΡΠ° ΡΠΎΠ²ΠΏΠ°Π΄Π°Π΅Ρ Ρ Π½Π°ΠΏΠΎΡΠΎΠΌ Π°ΠΊΡΠΈΠ²Π°ΡΠΈΠΈ ΠΊΠΎΠ½ΡΡΠΎΠ»Π»Π΅ΡΠ° ΡΠΎΡΠΌΠΎΠ·Π½ΡΡ ΡΠΈΠ».
ΠΠ½Π°Π»ΠΈΠ· ΠΈΡΠΏΡΠ°Π²Π½ΠΎΡΡΠΈ ΡΠΎΡΠΌΠΎΠ·Π½ΡΡ Π°ΠΏΠΏΠ°ΡΠ°ΡΠΎΠ²
ΠΡΠ΅Π½ΠΈΡΡ ΠΈΡΠΏΡΠ°Π²Π½ΠΎΡΡΡ ΡΠΎΡΠΌΠΎΠ·Π½ΡΡ Π±Π°ΡΠ°Π±Π°Π½ΠΎΠ² Π£Π ΠΠ 5557 ΠΌΠΎΠΆΠ½ΠΎ, Π΅ΡΠ»ΠΈ ΠΏΡΠΎΠ°Π½Π°Π»ΠΈΠ·ΠΈΡΠΎΠ²Π°ΡΡ Π½Π°ΠΏΠΎΡ Π½Π° Π²ΡΡ ΠΎΠ΄Π΅ ΠΈΠ· ΠΊΠ°ΠΆΠ΄ΠΎΠ³ΠΎ ΠΎΡΡΠ΅ΠΊΠ° ΡΠΎΡΠΌΠΎΠ·Π½ΠΎΠ³ΠΎ ΠΊΡΠ°Π½Π° ΠΈ Π°ΠΊΡΠΈΠ²Π½ΠΎΡΡΡ ΡΡΠΎΠΉΠ½ΠΎΠ³ΠΎ Π·Π°ΡΠΈΡΠ½ΠΎΠ³ΠΎ ΠΏΠΎΡΡΠ½Ρ.
Π‘Π½Π°ΡΠ°Π»Π° Π²ΠΊΠ»ΡΡΠ°Π΅ΠΌ ΠΊΠΎΠ½ΡΡΠΎΠ»ΡΠ½ΡΠ΅ Π΄Π°ΡΡΠΈΠΊΠΈ ΠΊ ΠΌΠ°Π³ΠΈΡΡΡΠ°Π»ΠΈ ΠΎΡ ΡΠΎΡΠΌΠΎΠ·Π½ΠΎΠ³ΠΎ ΠΊΡΠ°Π½Π° ΠΊ ΡΡΠΈΠ»ΠΈΡΠ΅Π»Ρ. ΠΠΎΠ³Π΄Π° ΠΏΠΎΠΊΠ°Π·Π°ΡΠ΅Π»Ρ Π² ΡΠ·Π»Π΅ ΡΡΠ°Π½Π΅Ρ 650-800 ΠΊΠΠ°, ΡΠΎ ΠΏΠ΅Π΄Π°Π»Ρ ΡΠΈΡΡΠ΅ΠΌΡ ΠΎΡΡΠ°Π½ΠΎΠ²ΠΊΠΈ Π½ΡΠΆΠ½ΠΎ Π²ΡΠΆΠ°ΡΡ Π½Π° ΠΌΠ°ΠΊΡΠΈΠΌΡΠΌ. Π’ΠΎΠ³Π΄Π° Π½Π°ΠΏΠΎΡ Π½Π° ΡΠΏΠ΅ΡΠΈΠ°Π»ΡΠ½ΠΎΠΉ Π°ΠΏΠΏΠ°ΡΠ°ΡΡΡΠ΅ Π±ΡΠ΄Π΅Ρ ΡΠ°Π²Π΅Π½ Π½Π°ΠΏΠΎΡΡ Π² ΡΠ·Π»Π΅.
ΠΡΠ»ΠΈ Π·Π½Π°ΡΠ΅Π½ΠΈΡ ΡΠ°ΡΡ ΠΎΠ΄ΡΡΡΡ, ΡΠΎ Π½ΡΠΆΠ½ΠΎ ΠΎΡΠ΅Π½ΠΈΡΡ ΠΈ ΠΎΡΠΊΠ°Π»ΠΈΠ±ΡΠΎΠ²Π°ΡΡ Π»ΡΡΡ ΠΈ ΠΏΠΎΠ»Π½ΡΠΉ Ρ ΠΎΠ΄ ΠΏΠ΅Π΄Π°Π»ΠΈ ΡΠΈΡΡΠ΅ΠΌΡ ΡΠΎΡΠΌΠΎΠΆΠ΅Π½ΠΈΡ. ΠΠΎΡΠΎΠΌ Π½ΡΠΆΠ½ΠΎ ΠΏΠΎΠ΄Π½ΡΡΡ ΡΠΈΡΡΠ΅ΠΌΠ½ΡΠΉ Π½Π°ΠΏΠΎΡ Π΄ΠΎ ΠΎΡΠΌΠ΅ΡΠΊΠΈ 800 ΠΊΠΠ° β Π΄ΠΎ ΡΠΎΠ³ΠΎ, ΠΊΠ°ΠΊ ΠΎΡΠΊΠ»ΠΈΠΊΠ½Π΅ΡΡΡ ΠΊΠΎΠ½ΡΡΠΎΠ»Π»Π΅Ρ, ΠΎΡΡΠ°Π½ΠΎΠ²ΠΈΡΡ ΠΌΠΎΡΠΎΡ ΠΈ Π²ΡΠΏΡΡΡΠΈΡΡ Π²ΠΎΠ·Π΄ΡΡ ΠΈΠ· Π±Π°Π»Π»ΠΎΠ½Π°.
Π‘ΠΏΡΠ°Π²ΠΊΠ°! ΠΡΠΈ Π°ΠΊΡΠΈΠ²Π°ΡΠΈΠΈ ΠΏΠ΅Π΄Π°Π»ΠΈ Π½Π°ΠΏΠΎΡ Π½Π° ΠΏΠ΅ΡΠ²ΠΎΠΌ Π΄Π°ΡΡΠΈΠΊΠ΅ ΡΠ°Π²Π΅Π½ Π½Π°ΠΏΠΎΡΡ Π² ΡΠ·Π»Π΅, Π° Π½Π° Π΄ΡΡΠ³ΠΎΠΌ β Π½ΠΎΠ»Ρ.
ΠΠ°Π»Π΅Π΅ Π½ΡΠΆΠ½ΠΎ ΡΠ½ΠΈΠ·ΠΈΡΡ Π½Π°ΠΏΠΎΡ Π΄ΠΎ 500 ΠΊΠΠ°. ΠΠ»Ρ ΡΡΠΎΠ³ΠΎ Π΄ΠΎΡΡΠ°ΡΠΎΡΠ½ΠΎ ΠΏΠ°ΡΡ ΡΠ°Π· Π°ΠΊΡΠΈΠ²ΠΈΡΠΎΠ²Π°ΡΡ ΠΏΠ΅Π΄Π°Π»Ρ. ΠΠΎΡΠ»Π΅ Π°ΠΊΡΠΈΠ²ΠΈΡΡΠΉΡΠ΅ ΠΌΠΎΡΠΎΡ. ΠΡΠΈ Π½Π°ΠΏΠΎΡΠ΅ 600 ΠΊΠΠ° Π΄Π°Π²Π»Π΅Π½ΠΈΠ΅ Π² ΡΠ·Π»Π΅ Π΄ΠΎΠ»ΠΆΠ½ΠΎ ΡΠ°ΡΡΠΈ.
ΠΠ½Π°Π»ΠΎΠ³ΠΈΡΠ½ΡΠ΅ ΠΌΠ°Π½ΠΈΠΏΡΠ»ΡΡΠΈΠΈ ΡΠ»Π΅Π΄ΡΠ΅Ρ ΠΏΡΠΎΠ²ΠΎΠ΄ΠΈΡΡ Ρ ΠΊΠΎΠ½ΡΡΡΠ°ΠΌΠΈ ΡΠ΅Π½ΡΡΠ°Π»ΡΠ½ΠΎΠ³ΠΎ ΠΈ Π·Π°Π΄Π½Π΅Π³ΠΎ ΠΌΠΎΡΡΠΎΠ².
ΠΠΎΡΠ»Π΅ ΠΎΡΠ΅Π½ΠΈΡΠ΅ ΡΠΎΡΡΠΎΡΠ½ΠΈΠ΅ ΠΎΠ΄ΠΈΠ½Π°ΡΠ½ΠΎΠ³ΠΎ Π·Π°ΡΠΈΡΠ½ΠΎΠ³ΠΎ ΠΏΠΎΡΡΠ½Ρ. Π§ΡΠΎΠ±Ρ ΡΡΠΎ Π²ΡΠΏΠΎΠ»Π½ΠΈΡΡ, Π½Π΅ΠΎΠ±Ρ ΠΎΠ΄ΠΈΠΌΠΎ ΠΏΠΎΠ΄ΡΠΎΠ΅Π΄ΠΈΠ½ΠΈΡΡ ΠΌΠ°Π½ΠΎΠΌΠ΅ΡΡ ΠΊ ΠΊΠ°ΠΌΠ΅ΡΠ΅, ΠΈΠ·Π½Π°ΡΠ°Π»ΡΠ½ΠΎ ΡΠΏΡΡΡΠΈΠ² Π²ΠΎΠ·Π΄ΡΡ ΡΠΎ Π²ΡΠ΅Ρ ΠΊΠ°ΠΌΠ΅Ρ. Π’Π΅ΠΏΠ΅ΡΡ Π½Π°ΠΏΠΎΠ»Π½ΠΈΠΌ ΠΎΡΡΠ΅ΠΊΠΈ ΡΠΆΠ°ΡΡΠΌ Π²ΠΎΠ·Π΄ΡΡ ΠΎΠΌ, ΠΎΡΠ΅Π½ΠΈΠ²Π°Ρ ΠΏΠΎΠΊΠ°Π·Π°ΡΠ΅Π»ΠΈ ΠΏΡΠΈΠ±ΠΎΡΠ°. Π‘ΡΠΎΠΈΡ ΠΎΡΠΌΠ΅ΡΠΈΡΡ, ΡΡΠΎ Π²ΠΎΠ·Π΄ΡΡ Π΄ΠΎΠ»ΠΆΠ΅Π½ ΠΏΠΎΡΡΡΠΏΠ°ΡΡ ΠΏΠΎΡΠ»Π΅ Π½Π°ΠΏΠΎΡΠ° Π² 550 ΠΊΠΠ°.
Π’Π΅ΠΏΠ΅ΡΡ Π½ΡΠΆΠ½ΠΎ ΠΎΡΠ΅Π½ΠΈΡΡ Π·Π½Π°ΡΠ΅Π½ΠΈΠ΅ Π½Π°ΠΏΠΎΡΠ° Π½Π° ΡΠΎΠ΅Π΄ΠΈΠ½ΠΈΡΠ΅Π»ΡΠ½ΡΡ Π³ΠΎΠ»ΠΎΠ²ΠΊΠ°Ρ .
Π’Π°ΠΊΠΆΠ΅ Π½ΡΠΆΠ½ΠΎ ΠΏΠΎΠ΄ΡΠΎΠ΅Π΄ΠΈΠ½ΠΈΡΡ ΠΌΠ°Π½ΠΎΠΌΠ΅ΡΡ, ΡΠΎΠ»ΡΠΊΠΎ ΡΠΎΠ³Π΄Π° ΠΊ Π³ΠΎΠ»ΠΎΠ²ΠΊΠ΅ ΡΠΈΠΏΠ° Β«ΠΒ» ΠΏΠΎΠ΄ΡΠΎΠ΅Π΄ΠΈΠ½ΡΠ΅ΡΡΡ Π³ΠΎΠ»ΠΎΠ²ΠΊΠ° ΡΠΈΠΏΠ° Β«ΠΒ» Π²ΠΌΠ΅ΡΡΠ΅ Ρ Π°ΠΏΠΏΠ°ΡΠ°ΡΠΎΠΌ. ΠΠ°Π»Π΅Π΅ Π·Π°ΠΏΠΎΠ»Π½ΡΠ΅ΠΌ Π²ΠΎΠ·Π΄ΡΡ ΠΎΠΌ Π΄ΠΎ Π΄Π΅Π°ΠΊΡΠΈΠ²Π°ΡΠΈΠΈ Π½Π°ΡΠΎΡΠ°. Π ΠΈΡΠΎΠ³Π΅ ΠΏΠΎΠΊΠ°Π·Π°ΡΠ΅Π»ΠΈ Π½Π°ΠΏΠΎΡΠ° ΡΠ°Π²Π½Ρ 500-520 ΠΊΠΠ°. Π‘Π»Π΅Π΄ΠΎΠΌ Π·Π°ΠΏΡΡΠΊΠ°Π΅ΠΌ ΡΠΈΡΡΠ΅ΠΌΡ ΡΠΎΡΠΌΠΎΠΆΠ΅Π½ΠΈΡ. ΠΠ° ΠΏΡΠΈΠ±ΠΎΡΠ΅ Π΄ΠΎΠ»ΠΆΠ΅Π½ Π±ΡΡΡ Β«0Β».
ΠΠΎΡΠ»Π΅ Π½ΡΠΆΠ½ΠΎ ΠΏΡΠΎΠ°Π½Π°Π»ΠΈΠ·ΠΈΡΠΎΠ²Π°ΡΡ ΠΎΠ±ΡΠ΅ΠΌ Π½Π°ΠΏΠΎΡΠ° Π½Π° ΡΠΎΠ΅Π΄ΠΈΠ½ΠΈΡΠ΅Π»ΡΠ½ΡΡ Π³ΠΎΠ»ΠΎΠ²ΠΊΠ°Ρ ΠΏΡΠΈΠ²ΠΎΠ΄Π°. Π ΠΏΠ΅ΡΠ²ΠΎΠΉ Π·Π½Π°ΡΠ΅Π½ΠΈΠ΅ ΡΠ°Π²Π½ΠΎ Π½ΡΠ»Ρ, Π° Π²ΠΎ Π²ΡΠΎΡΠΎΠΉ Π·Π½Π°ΡΠ΅Π½ΠΈΠ΅ ΡΠ°Π²Π½ΠΎ ΠΏΠΎΠΊΠ°Π·Π°ΡΠ΅Π»ΡΠΌ ΡΠΈΡΡΠ΅ΠΌΡ.
Π§ΡΠΎΠ±Ρ Π΄ΠΎΡΡΠΈΡΡ ΠΈΡΠΏΡΠ°Π²Π½ΠΎΠ³ΠΎ ΡΡΠ½ΠΊΡΠΈΠΎΠ½ΠΈΡΠΎΠ²Π°Π½ΠΈΡ ΠΏΡΠΈΠ²ΠΎΠ΄Π°, ΡΠ»Π΅ΠΉΡΠ΅ Π»ΠΈΡΠ½ΡΡ Π²Π»Π°Π³Ρ ΠΈΠ· Π±Π°Π»Π»ΠΎΠ½ΠΎΠ². ΠΡΠΏΠΎΠ»Π½ΡΡΡ ΡΡΠΎ ΡΠ»Π΅Π΄ΡΠ΅Ρ, ΠΊΠΎΠ³Π΄Π° Π΅ΡΡΡ Π²ΠΎΠ·Π΄ΡΡ Π² ΡΠ·Π»Π΅.
ΠΠΎΠ³Π΄Π° Π²Π»Π°Π³Π° ΡΠ΄Π°Π»Π΅Π½Π°, ΡΠΈΡΡΠ΅ΠΌΠ° Π·Π°ΠΏΠΎΠ»Π½ΡΠ΅Ρ Π²ΠΎΠ·Π΄ΡΡ ΠΎΠΌ Π΄ΠΎ ΡΡΠ΅Π±ΡΠ΅ΠΌΠΎΠΉ Π½ΠΎΡΠΌΡ.
ΠΡΠΎΡΠ΅Π΄ΡΡΠ° ΠΏΡΠΎΠΊΠ°ΡΠΊΠΈ ΠΊΠ»ΡΡΠ΅Π²ΡΡ ΡΠΈΠ»ΠΈΠ½Π΄ΡΠΎΠ² Π°ΠΊΡΠΈΠ²Π½ΡΡ ΡΠΎΡΠΌΠΎΠ·ΠΎΠ²
ΠΡΠΎΡΠ΅Π΄ΡΡΠ° Π½Π΅ ΠΎΡΠ»ΠΈΡΠ°Π΅ΡΡΡ ΠΎΡΠΎΠ±ΠΎΠΉ ΡΠ»ΠΎΠΆΠ½ΠΎΡΡΡΡ, ΠΎΠ΄Π½Π°ΠΊΠΎ Π²ΡΠΏΠΎΠ»Π½ΡΡΡ Π΅Π΅ ΡΡΠ΅Π±ΡΠ΅ΡΡΡ Π² ΠΎΠΏΡΠ΅Π΄Π΅Π»Π΅Π½Π½ΠΎΠΉ ΠΏΠΎΡΠ»Π΅Π΄ΠΎΠ²Π°ΡΠ΅Π»ΡΠ½ΠΎΡΡΠΈ.
- Π£Π±ΡΠ°ΡΡ ΠΊΠΎΠ»ΠΏΠ°ΠΊ ΠΈΠ· ΡΠ΅Π·ΠΈΠ½Ρ Ρ ΠΏΠ΅ΡΠ΅ΠΏΡΡΠΊΠ½ΠΎΠ³ΠΎ ΠΊΠ»Π°ΠΏΠ°Π½Π° ΠΊΠ»ΡΡΠ΅Π²ΠΎΠ³ΠΎ ΡΠΎΡΠΌΠΎΠ·Π½ΠΎΠ³ΠΎ ΡΠΈΠ»ΠΈΠ½Π΄ΡΠ° Π£Π ΠΠ.
- ΠΠΎΡΠ»Π΅ Π½Π°Π΄Π΅ΡΡ Π½Π° ΠΏΠΎΡΡΠ΅Π½Ρ ΡΡΡΠ±ΠΊΡ, Π° ΠΎΡΠΊΡΡΡΡΠΉ ΠΊΠΎΠ½Π΅Ρ ΠΏΠΎΠΌΠ΅ΡΡΠΈΡΡ Π² ΡΠΎΡΠΌΠΎΠ·Π½ΠΎΠ΅ Π²Π΅ΡΠ΅ΡΡΠ²ΠΎ.
- ΠΠΎΠ±Π°Π²Π»ΡΠΉΡΠ΅ ΠΆΠΈΠ΄ΠΊΠΎΡΡΡ Π² ΠΊΠ°ΠΌΠ΅ΡΡ Π΄ΠΎ ΠΏΠΎΠ»ΠΎΠ²ΠΈΠ½Ρ. ΠΠ»Ρ ΡΡΠΎΠ³ΠΎ ΡΠΊΡΡΡΠΈΡΠ΅ Π½Π° ΠΏΠΎΠ»-ΠΎΠ±ΠΎΡΠΎΡΠ° ΠΊΠ»Π°ΠΏΠ°Π½. ΠΠΎΡΠ»Π΅ ΠΏΠ°ΡΡ ΡΠ°Π· Π½Π°ΠΆΠΌΠΈΡΠ΅ Π½Π° ΠΏΠ΅Π΄Π°Π»Ρ ΡΠΈΡΡΠ΅ΠΌΡ ΡΠΎΡΠΌΠΎΠΆΠ΅Π½ΠΈΡ.
- ΠΠΎΡΠ»Π΅ Π½ΡΠΆΠ½ΠΎ ΡΡΠ³ΠΎ Π·Π°ΠΊΡΡΡΠΈΡΡ ΠΏΠ΅ΡΠ΅ΠΏΡΡΠΊΠ½ΠΎΠΉ ΠΏΠΎΡΡΠ΅Π½Ρ, Π°ΠΊΡΠΈΠ²ΠΈΡΠΎΠ²Π°Π² ΠΏΠ΅Π΄Π°Π»Ρ.
- ΠΠΎΡΠ»Π΅ ΡΡΠΎΠ³ΠΎ Π½Π°Π΄Π΅Π½ΡΡΠ΅ ΠΊΠΎΠ»ΠΏΠ°ΡΠΎΠΊ.
Π¦ΠΈΠ»ΠΈΠ½Π΄ΡΡ ΠΊΠΎΠ»Π΅Ρ ΠΏΡΠΎΠΊΠ°ΡΠΈΠ²Π°ΡΡΡΡ ΠΏΠΎ ΡΡΡΠΎΠ³ΠΎ ΡΡΡΠ°Π½ΠΎΠ²Π»Π΅Π½Π½ΠΎΠΌΡ ΡΠ΅Π³Π»Π°ΠΌΠ΅Π½ΡΡ: ΡΠ΅Π½ΡΡΠ°Π»ΡΠ½ΡΠΉ ΡΠ»Π΅Π²Π°, Π·Π°Π΄Π½ΠΈΠΉ ΡΠ»Π΅Π²Π°, Π·Π°Π΄Π½ΠΈΠΉ ΡΠΏΡΠ°Π²Π°, ΡΠ΅Π½ΡΡΠ°Π»ΡΠ½ΡΠΉ ΡΠΏΡΠ°Π²Π°, ΠΏΠ΅ΡΠ΅Π΄Π½ΠΈΠΉ ΡΠΏΡΠ°Π²Π°, ΠΏΠ΅ΡΠ΅Π΄Π½ΠΈΠΉ ΡΠ»Π΅Π²Π°. ΠΠΎΡΠ»Π΅ ΠΏΡΠΎΡΠ΅Π΄ΡΡΡ, Π½ΡΠΆΠ½ΠΎ Π²Π»ΠΈΡΡ Π²Π΅ΡΠ΅ΡΡΠ²ΠΎ Π² ΠΎΡΡΠ΅ΠΊ Π΄ΠΎ ΠΎΡΠΌΠ΅ΡΠΊΠΈ 15 ΠΌΠΌ Π½ΠΈΠΆΠ΅ Π²Π΅ΡΡ Π½Π΅ΠΉ ΠΎΡΠΌΠ΅ΡΠΊΠΈ Π³ΠΎΡΠ»ΠΎΠ²ΠΈΠ½Ρ. ΠΠΎΡΠ»Π΅ ΡΡΠ³ΠΎ Π·Π°ΠΊΡΡΡΠΈΡΠ΅ ΠΊΡΡΡΠΊΡ Π½Π°Π»ΠΈΠ²Π½ΠΎΠ³ΠΎ ΠΏΡΠΎΠ΅ΠΌΠ°.
Π ΡΠ»ΡΡΠ°Π΅ ΠΎΠ±Π½ΠΎΠ²Π»Π΅Π½ΠΈΡ ΡΠΎΡΠΌΠΎΠ·Π½ΠΎΠ³ΠΎ Π²Π΅ΡΠ΅ΡΡΠ²Π° ΡΠ»Π΅Π΄ΡΠ΅Ρ ΠΊΠ°ΡΠ΅ΡΡΠ²Π΅Π½Π½ΠΎ ΠΏΠ΅ΡΠ΅Π±ΡΠ°ΡΡ ΠΊΠ»ΡΡΠ΅Π²ΡΠ΅ ΠΈ ΠΊΠΎΠ»Π΅ΡΠ½ΡΠ΅ ΡΠΎΡΠΌΠΎΠ·Π½ΡΠ΅ ΡΠΈΠ»ΠΈΠ½Π΄ΡΡ Π£Π ΠΠ 5557, Π·Π°ΡΠ΅ΠΌ ΠΏΠΎΡΠΈΡΡΠΈΡΠ΅ ΡΠ°Π±ΠΎΡΠΈΠ΅ ΠΏΠΎΠ²Π΅ΡΡ Π½ΠΎΡΡΠΈ ΡΠ»Π΅ΠΌΠ΅Π½ΡΠΎΠ². ΠΠ°Π»Π΅Π΅, ΠΊΠΎΠ³Π΄Π° ΠΌΠ΅Ρ Π°Π½ΠΈΠ·ΠΌ ΡΠΎΠ±ΠΈΡΠ°Π΅ΡΡΡ, Π½Π΅ΠΎΠ±Ρ ΠΎΠ΄ΠΈΠΌΠΎ ΡΠΌΠ°Π·Π°ΡΡ ΠΊΠ»Π°ΠΏΠ°Π½ ΠΈ Π²Π½ΡΡΡΠ΅Π½Π½ΡΡ ΡΠ°ΡΡΡ ΡΠΎΡΠΌΠΎΠ·Π½ΡΠΌ Π²Π΅ΡΠ΅ΡΡΠ²ΠΎΠΌ.
Π Π·Π°ΠΊΠ»ΡΡΠ΅Π½ΠΈΠ΅ ΡΡΠΎΠΈΡ ΠΎΡΠΌΠ΅ΡΠΈΡΡ, ΡΡΠΎ Π΅ΡΠ»ΠΈ Π²Ρ Π½Π΅ ΡΠ²Π΅ΡΠ΅Π½Ρ Π² ΡΠ²ΠΎΠΈΡ ΡΠΈΠ»Π°Ρ , ΡΠΎ Π²ΡΠΏΠΎΠ»Π½ΡΡΡ ΡΠ°ΠΌΠΎΡΡΠΎΡΡΠ΅Π»ΡΠ½ΡΡ Π½Π°ΡΡΡΠΎΠΉΠΊΡ Π²ΠΎΠ·Π΄ΡΡΠ½ΠΎΠΉ ΡΠΈΡΡΠ΅ΠΌΡ ΡΠΎΡΠΌΠΎΠΆΠ΅Π½ΠΈΡ ΠΈ Π΄ΡΡΠ³ΠΈΡ ΠΌΠ΅Ρ Π°Π½ΠΈΠ·ΠΌΠΎΠ² ΠΏΡΠΎΠ²ΠΎΠ΄ΠΈΡΡ Π½Π΅ ΡΡΠΎΠΈΡ. ΠΠ΅Π΄Ρ ΠΎΡ ΠΏΡΠ°Π²ΠΈΠ»ΡΠ½ΠΎΠΉ ΡΠ°Π±ΠΎΡΡ ΡΠΎΡΠΌΠΎΠ·ΠΎΠ² Π·Π°Π²ΠΈΡΠΈΡ Π±Π΅Π·ΠΎΠΏΠ°ΡΠ½ΠΎΡΡΡ Π²ΠΎΠ΄ΠΈΡΠ΅Π»Ρ ΠΈ ΠΎΠΊΡΡΠΆΠ°ΡΡΠΈΡ . ΠΠΎΡΡΠΎΠΌΡ Π²Π΅ΡΡ ΡΠ΅ΠΌΠΎΠ½Ρ ΡΠ»Π΅Π΄ΡΠ΅Ρ Π΄ΠΎΠ²Π΅ΡΠΈΡΡ ΠΎΠ±ΡΡΠ΅Π½Π½ΡΠΌ ΠΏΡΠΎΡΠ΅ΡΡΠΈΠΎΠ½Π°Π»Π°ΠΌ ΡΠ΅ΡΠ²ΠΈΡΠ½ΠΎΠ³ΠΎ ΡΠ΅Π½ΡΡΠ°. ΠΠ½ΠΈ Π·Π° ΠΎΠΏΡΠ΅Π΄Π΅Π»Π΅Π½Π½ΡΡ ΠΏΠ»Π°ΡΡ Π²ΡΠΏΠΎΠ»Π½ΡΡ Π²Π΅ΡΡ ΡΠΏΠ΅ΠΊΡΡ ΡΠ°Π±ΠΎΡ. ΠΡΠΈ ΡΡΠΎΠΌ Π²ΡΠ΅ ΠΌΠ°Π½ΠΈΠΏΡΠ»ΡΡΠΈΠΈ Π±ΡΠ΄ΡΡ ΠΊΠ°ΡΠ΅ΡΡΠ²Π΅Π½Π½ΡΠΌΠΈ ΠΈ Ρ Π³Π°ΡΠ°Π½ΡΠΈΠ΅ΠΉ. Π Π·Π½Π°ΡΠΈΡ, Π²Π°ΠΌ Π½Π΅ ΠΎ ΡΠ΅ΠΌ ΠΏΠ΅ΡΠ΅ΠΆΠΈΠ²Π°ΡΡ. Π ΠΈΡΠΎΠ³Π΅ Ρ Π²Π°Ρ Π±ΡΠ΄Π΅Ρ Π³ΡΡΠ·ΠΎΠ²ΠΈΠΊ Ρ ΠΈΡΠΏΡΠ°Π²Π½ΠΎ ΡΠ°Π±ΠΎΡΠ°ΡΡΠ΅ΠΉ ΡΠΈΡΡΠ΅ΠΌΠΎΠΉ ΡΠΎΡΠΌΠΎΠΆΠ΅Π½ΠΈΡ, Π° Π·Π½Π°ΡΠΈΡ, ΡΡΡΠ° Π² Π±ΡΠ΄ΡΡΠ΅ΠΌ Π²Π°Ρ Π½Π΅ ΠΏΠΎΠ΄Π²Π΅Π΄Π΅Ρ.
ΠΠ°ΡΠ° ΠΏΡΠ±Π»ΠΈΠΊΠ°ΡΠΈΠΈ:02.07.2019
Π Π΅ΠΌΠΎΠ½Ρ ΡΠ°Π±ΠΎΡΠΈΡ ΡΠΎΡΠΌΠΎΠ·ΠΎΠ² ΠΈ ΠΏΡΠΎΠΊΠ°ΡΠΊΠ° ΡΠΎΡΠΌΠΎΠ·ΠΎΠ² Π°Π²ΡΠΎΠΌΠΎΠ±ΠΈΠ»Ρ Π£ΡΠ°Π»
Π Π°Π±ΠΎΡΠΈΠ΅ ΡΠΎΡΠΌΠΎΠ·Π° ΡΠ°Π·Π±ΠΈΡΠ°ΡΡ ΠΏΡΠΈ ΡΠ΅Ρ Π½ΠΈΡΠ΅ΡΠΊΠΎΠΌ ΠΎΠ±ΡΠ»ΡΠΆΠΈΠ²Π°Π½ΠΈΠΈ ΠΈ ΡΡΡΡΠ°Π½Π΅Π½ΠΈΠΈ Π½Π΅ΠΈΡΠΏΡΠ°Π²Π½ΠΎΡΡΠ΅ΠΉ (Π·Π°ΠΌΠ°ΡΠ»ΠΈΠ²Π°Π½ΠΈΠ΅, ΠΈΠ·Π½ΠΎΡ ΠΈ ΠΎΠ±ΡΡΠ² Π½Π°ΠΊΠ»Π°Π΄ΠΎΠΊ ΡΠΎΡΠΌΠΎΠ·Π½ΡΡ ΠΊΠΎΠ»ΠΎΠ΄ΠΎΠΊ, ΠΈΠ·Π½ΠΎΡ ΠΈΠ»ΠΈ ΠΏΠΎΠ²ΡΠ΅ΠΆΠ΄Π΅Π½ΠΈΠ΅ ΡΠΏΠ»ΠΎΡΠ½ΠΈΡΠ΅Π»ΡΠ½ΡΡ ΠΌΠ°Π½ΠΆΠ΅Ρ ΠΊΠΎΠ»Π΅ΡΠ½ΡΡ ΡΠΈΠ»ΠΈΠ½Π΄ΡΠΎΠ², ΠΏΠΎΠ»ΠΎΠΌΠΊΠ° ΡΡΡΠΆΠ½ΠΎΠΉ ΠΏΡΡΠΆΠΈΠ½Ρ ΠΈ Π΄Ρ.).
Π‘Π½ΡΡΠΈΠ΅ ΠΈ ΡΠ°Π·Π±ΠΎΡΠΊΠ° Π΄Π΅ΡΠ°Π»Π΅ΠΉ ΡΠ°Π±ΠΎΡΠ΅Π³ΠΎ ΡΠΎΡΠΌΠΎΠ·Π°
Π‘Π½ΡΡΡ ΠΊΠΎΠ»Π΅ΡΠΎ ΠΈ ΡΡΡΠΏΠΈΡΡ Π² ΡΠ±ΠΎΡΠ΅ Ρ ΡΠΎΡΠΌΠΎΠ·Π½ΡΠΌ Π±Π°ΡΠ°Π±Π°Π½ΠΎΠΌ, ΠΎΡΠΈΡΡΠΈΡΡ ΡΠΎΡΠΌΠΎΠ·Π½ΠΎΠΉ ΠΌΠ΅Ρ Π°Π½ΠΈΠ·ΠΌ ΠΎΡ Π³ΡΡΠ·ΠΈ ΠΈ ΠΏΡΠΎΠΌΡΡΡ.
ΠΡΠΏΠΎΠ»ΡΠ·ΡΡ ΠΌΠΎΠ½ΡΠ°ΠΆΠ½ΡΡ Π»ΠΎΠΏΠ°ΡΠΊΡ ΠΊΠ°ΠΊ ΡΡΡΠ°Π³, ΠΎΡΡΠΎΠ΅Π΄ΠΈΠ½ΠΈΡΡ ΡΡΡΠΆΠ½ΡΡ ΠΏΡΡΠΆΠΈΠ½Ρ 2.
Π‘Π½ΡΡΡ Ρ ΠΎΡΠ΅ΠΉ 11 ΠΊΠΎΠ»ΠΎΠ΄ΠΎΠΊ ΡΡΠΎΠΏΠΎΡΠ½ΡΠ΅ ΡΠΊΠΎΠ±Ρ 9, Π½Π°ΠΊΠ»Π°Π΄ΠΊΠΈ 8 ΠΈ ΡΠΎΡΠΌΠΎΠ·Π½ΡΠ΅ ΠΊΠΎΠ»ΠΎΠ΄ΠΊΠΈ 6.
ΠΡΡΠΎΠ΅Π΄ΠΈΠ½ΠΈΡΡ ΠΎΡ ΠΊΠΎΠ»Π΅ΡΠ½ΠΎΠ³ΠΎ ΡΠΈΠ»ΠΈΠ½Π΄ΡΠ° 1 ΡΡΡΠ±ΠΎΠΏΡΠΎΠ²ΠΎΠ΄ ΠΏΠΎΠ΄Π²ΠΎΠ΄Π° ΡΠΎΡΠΌΠΎΠ·Π½ΠΎΠΉ ΠΆΠΈΠ΄ΠΊΠΎΡΡΠΈ, ΠΎΡΠ²Π΅ΡΠ½ΡΡΡ Π±ΠΎΠ»ΡΡ ΠΊΡΠ΅ΠΏΠ»Π΅Π½ΠΈΡ Π΅Π³ΠΎ ΠΊ ΡΠΈΡΡ ΠΈ ΡΠ½ΡΡΡ ΡΠΈΠ»ΠΈΠ½Π΄Ρ Π² ΡΠ±ΠΎΡΠ΅.
ΠΡΠΈ Π½Π΅ΠΎΠ±Ρ ΠΎΠ΄ΠΈΠΌΠΎΡΡΠΈ, ΠΎΡΠ²Π΅ΡΠ½ΡΡΡ Π±ΠΎΠ»ΡΡ ΠΈ ΡΠ½ΡΡΡ ΡΠΈΡ ΡΠΎΡΠΌΠΎΠ·Π°.
ΠΡΠ»ΠΈ Π½Π°ΠΊΠ»Π°Π΄ΠΊΠΈ ΠΊΠΎΠ»ΠΎΠ΄ΠΎΠΊ ΠΈΠ»ΠΈ ΠΊΠΎΠ»ΠΎΠ΄ΠΊΠΈ Π² ΡΠ±ΠΎΡΠ΅ Π·Π°ΠΌΠ΅Π½Π΅ Π½Π΅ ΠΏΠΎΠ΄Π»Π΅ΠΆΠ°Ρ, ΡΠΎ ΠΎΡΠ²Π΅ΡΡΡΠ²Π°ΡΡ Π³Π°ΠΉΠΊΠΈ 12 ΠΈ ΠΏΠΎΠ²ΠΎΡΠ°ΡΠΈΠ²Π°ΡΡ ΠΎΡΠΈ 11 Π² ΠΊΡΠΎΠ½ΡΡΠ΅ΠΉΠ½Π΅ ΡΠΈΡΠ° Π½Π΅ ΡΠ΅ΠΊΠΎΠΌΠ΅Π½Π΄ΡΠ΅ΡΡΡ, ΡΡΠΎ ΠΏΠΎΠ·Π²ΠΎΠ»ΠΈΡ ΠΏΡΠΈ ΡΠ±ΠΎΡΠΊΠ΅ Π·Π°Π½ΡΡΡ ΠΊΠΎΠ»ΠΎΠ΄ΠΊΠ°ΠΌ ΠΏΡΠ΅ΠΆΠ½Π΅Π΅ ΠΏΠΎΠ»ΠΎΠΆΠ΅Π½ΠΈΠ΅ ΠΎΡΠ½ΠΎΡΠΈΡΠ΅Π»ΡΠ½ΠΎ ΡΠΎΡΠΌΠΎΠ·Π½ΠΎΠ³ΠΎ Π±Π°ΡΠ°Π±Π°Π½Π°, Π°, ΡΠ»Π΅Π΄ΠΎΠ²Π°ΡΠ΅Π»ΡΠ½ΠΎ, ΠΎΠ±Π»Π΅Π³ΡΠΈΡ ΡΠ΅Π³ΡΠ»ΠΈΡΠΎΠ²ΠΊΡ Π·Π°Π·ΠΎΡΠΎΠ² ΠΌΠ΅ΠΆΠ΄Ρ Π½Π°ΠΊΠ»Π°Π΄ΠΊΠ°ΠΌΠΈ ΠΊΠΎΠ»ΠΎΠ΄ΠΎΠΊ ΠΈ ΡΠΎΡΠΌΠΎΠ·Π½ΡΠΌ Π±Π°ΡΠ°Π±Π°Π½ΠΎΠΌ.
ΠΡΠΈ ΡΠ°Π·Π±ΠΎΡΠΊΠ΅ ΠΊΠΎΠ»Π΅ΡΠ½ΠΎΠ³ΠΎ ΡΠΈΠ»ΠΈΠ½Π΄ΡΠ° ΡΠ½ΡΡΡ ΠΏΡΡΠΆΠΈΠ½Ρ ΠΊΠΎΠ»ΠΏΠ°ΠΊΠΎΠ² 1 (ΡΠΈΡ. 3), ΠΊΠΎΠ»ΠΏΠ°ΠΊΠΈ 2 .Π² ΡΠ±ΠΎΡΠ΅ Ρ ΠΏΠΎΡΡΠ½ΡΠΌΠΈ 4.
ΠΠ·Π²Π»Π΅ΡΡ ΠΌΠ°Π½ΠΆΠ΅ΡΡ 5, Π΄Π΅ΡΠΆΠ°ΡΠ΅Π»ΠΈ ΠΌΠ°Π½ΠΆΠ΅Ρ 6 ΠΈ ΠΏΡΡΠΆΠΈΠ½Ρ 9.
ΠΠΎΡΠ»Π΅ ΡΠ°Π·Π±ΠΎΡΠΊΠΈ Π΄Π΅ΡΠ°Π»ΠΈ ΠΊΠΎΠ»Π΅ΡΠ½ΠΎΠ³ΠΎ ΡΠΈΠ»ΠΈΠ½Π΄ΡΠ° ΠΏΡΠΎΠΌΡΡΡ Π² ΡΠΏΠΈΡΡΠ΅ ΠΈΠ»ΠΈ ΡΠΎΡΠΌΠΎΠ·Π½ΠΎΠΉ ΠΆΠΈΠ΄ΠΊΠΎΡΡΠΈ, Π° Π΄Π΅ΡΠ°Π»ΠΈ ΠΌΠ΅Ρ Π°Π½ΠΈΡΠ΅ΡΠΊΠΎΠΉ ΡΠ°ΡΡΠΈ ΡΠΎΡΠΌΠΎΠ·Π° β Π² Π½Π΅ΡΡΠΈΠ»ΠΈΡΠΎΠ²Π°Π½Π½ΠΎΠΌ Π±Π΅Π½Π·ΠΈΠ½Π΅.
ΠΡΠΎΠΌΡΡΡΠ΅ Π΄Π΅ΡΠ°Π»ΠΈ ΡΠ»Π΅Π΄ΡΠ΅Ρ ΡΡΠ°ΡΠ΅Π»ΡΠ½ΠΎ ΠΎΡΠΌΠΎΡΡΠ΅ΡΡ ΠΈ ΠΏΡΠΈ Π½Π΅ΠΎΠ±Ρ ΠΎΠ΄ΠΈΠΌΠΎΡΡΠΈ ΠΎΠ±ΠΌΠ΅ΡΠΈΡΡ.
ΠΡΠ»ΠΈ Π³Π»ΡΠ±ΠΈΠ½Π° ΡΡΠΎΠΏΠ°Π½ΠΈΡ Π³ΠΎΠ»ΠΎΠ²ΠΎΠΊ Π·Π°ΠΊΠ»Π΅ΠΏΠΎΠΊ ΠΊΡΠ΅ΠΏΠ»Π΅Π½ΠΈΡ Π½Π°ΠΊΠ»Π°Π΄ΠΎΠΊ 0,5 ΠΌΠΌ ΠΈ ΠΌΠ΅Π½Π΅Π΅, ΡΠΎ Π½Π°ΠΊΠ»Π°Π΄ΠΊΠΈ ΡΠ»Π΅Π΄ΡΠ΅Ρ Π·Π°ΠΌΠ΅Π½ΠΈΡΡ Π½ΠΎΠ²ΡΠΌΠΈ.
ΠΠΎΡΡΠ½ΠΈ, ΠΌΠ°Π½ΠΆΠ΅ΡΡ ΠΈ ΡΠΈΠ»ΠΈΠ½Π΄ΡΡ ΠΏΡΠΈ Π½Π°Π»ΠΈΡΠΈΠΈ ΡΠΈΡΠΎΠΊ ΠΈΠ»ΠΈ Π·Π½Π°ΡΠΈΡΠ΅Π»ΡΠ½ΠΎΠ³ΠΎ ΠΈΠ·Π½ΠΎΡΠ° ΡΠ°Π±ΠΎΡΠΈΡ ΠΏΠΎΠ²Π΅ΡΡ Π½ΠΎΡΡΠ΅ΠΉ ΡΠ°ΠΊΠΆΠ΅ Π½Π°Π΄ΠΎ Π·Π°ΠΌΠ΅Π½ΠΈΡΡ Π½ΠΎΠ²ΡΠΌΠΈ.
ΠΡΠΎΠ±Π΅Π½Π½ΠΎ ΡΡΠ°ΡΠ΅Π»ΡΠ½ΠΎ ΡΠ»Π΅Π΄ΡΠ΅Ρ ΠΎΡΠΌΠΎΡΡΠ΅ΡΡ Π·Π°ΡΠΈΡΠ½ΡΠ΅ ΠΊΠΎΠ»ΠΏΠ°ΠΊΠΈ ΡΠΈΠ»ΠΈΠ½Π΄ΡΠΎΠ², ΡΠ°ΠΊ ΠΊΠ°ΠΊ ΠΎΡ ΠΈΡ ΡΠΎΡΡΠΎΡΠ½ΠΈΡ Π·Π°Π²ΠΈΡΡΡ Π΄ΠΎΠ»Π³ΠΎΠ²Π΅ΡΠ½ΠΎΡΡΡ ΠΈ Π½Π°Π΄Π΅ΠΆΠ½ΠΎΡΡΡ ΡΠ°Π±ΠΎΡΡ ΠΊΠΎΠ»Π΅ΡΠ½ΠΎΠ³ΠΎ ΡΠΈΠ»ΠΈΠ½Π΄ΡΠ° Π² ΡΠ΅Π»ΠΎΠΌ.
ΠΡΠΈ ΡΠΊΠ²ΠΎΠ·Π½ΡΡ ΡΠ°Π·ΡΡΠ²Π°Ρ ΠΈ ΡΡΠ΅ΡΠΈΠ½Π°Ρ ΠΊΠΎΠ»ΠΏΠ°ΠΊ Π½Π΅ΠΎΠ±Ρ ΠΎΠ΄ΠΈΠΌΠΎ Π·Π°ΠΌΠ΅Π½ΠΈΡΡ, ΠΈΡΠΏΠΎΠ»ΡΠ·ΡΡ ΠΏΡΠΈ ΡΡΠΎΠΌ ΠΏΡΠΈΡΠΏΠΎΡΠΎΠ±Π»Π΅Π½ΠΈΠ΅ (ΡΠΈΡ. 4).
Π Π°Π·ΠΌΠ΅ΡΡ Π΄Π»Ρ ΠΊΠΎΠ½ΡΡΠΎΠ»Ρ ΠΎΡΠ½ΠΎΠ²Π½ΡΡ Π΄Π΅ΡΠ°Π»Π΅ΠΉ ΡΠ°Π±ΠΎΡΠ΅Π³ΠΎ ΡΠΎΡΠΌΠΎΠ·Π° ΠΏΡΠΈΠ²Π΅Π΄Π΅Π½Ρ Π² ΡΠ°Π±Π»ΠΈΡΠ΅ 1.
|
ΠΠ΅ΡΠ°Π»Ρ |
Π Π°Π·ΠΌΠ΅Ρ, ΠΌΠΌ |
|
|
ΠΠΎΠΌΠΈΠ½Π°Π» |
Π΄ΠΎΠΏΡΡΡΠΈΠΌΡΠΉ |
|
|
ΠΠΏΠΎΡΠ½ΡΠΉ ΠΊΡΠΎΠ½ΡΡΠ΅ΠΉΠ½ ΠΊΠΎΠ»ΠΎΠ΄ΠΎΠΊ ΡΠΎΡΠΌΠΎΠ·Π° ΠΠΈΠ°ΠΌΠ΅ΡΡ ΠΎΡΠ²Π΅ΡΡΡΠΈΠΉ ΠΏΠΎΠ΄ ΠΎΡΠΈ ΠΊΠΎΠ»ΠΎΠ΄ΠΎΠΊ |
Β 22+0,045 |
Β 22,10 |
|
ΠΡΡ ΠΊΠΎΠ»ΠΎΠ΄ΠΊΠΈ ΡΠΎΡΠΌΠΎΠ·Π° ΠΠ°ΡΡΠΆΠ½ΡΠΉ Π΄ΠΈΠ°ΠΌΠ΅ΡΡ ΡΠ΅ΠΉΠΊΠΈ ΠΏΠΎΠ΄ Π²ΡΡΠ»ΠΊΡ ΠΊΠΎΠ»ΠΎΠ΄ΠΊΠΈ |
Β 28-0,025 |
Β 27,85 |
|
Π¦ΠΈΠ»ΠΈΠ½Π΄Ρ ΠΊΠΎΠ»Π΅ΡΠ½ΡΠΉ ΠΠΈΠ°ΠΌΠ΅ΡΡ ΠΎΡΠ²Π΅ΡΡΡΠΈΡ ΠΏΠΎΠ΄ ΠΏΠΎΡΡΠ΅Π½Ρ |
Β 35+0,027 |
Β 35,06 |
|
ΠΠΎΡΡΠ΅Π½Ρ ΠΊΠΎΠ»Π΅ΡΠ½ΠΎΠ³ΠΎ ΡΠΈΠ»ΠΈΠ½Π΄ΡΠ° ΠΠ°ΡΡΠΆΠ½ΡΠΉ Π΄ΠΈΠ°ΠΌΠ΅ΡΡ |
Β 35-0,075 |
Β 34,85 |
|
ΠΠΎΠ»ΠΎΠ΄ΠΊΠ° ΡΠΎΡΠΌΠΎΠ·Π° Π² ΡΠ±ΠΎΡΠ΅ ΠΠ½ΡΡΡΠ΅Π½Π½ΠΈΠΉ Π΄ΠΈΠ°ΠΌΠ΅ΡΡ Π²ΡΡΠ»ΠΊΠΈ |
Β 28+0,033 |
Β 28,10 |
|
ΠΠ°ΡΠ°Π±Π°Π½ ΡΠΎΡΠΌΠΎΠ·Π° ΠΠ½ΡΡΡΠ΅Π½Π½ΠΈΠΉ Π΄ΠΈΠ°ΠΌΠ΅ΡΡ Π±Π°ΡΠ°Π±Π°Π½Π° |
Β 420+0,380 |
Β 424,40 |
ΠΡΠΈ Π·Π½Π°ΡΠΈΡΠ΅Π»ΡΠ½ΠΎΠΌ ΠΈΠ·Π½ΠΎΡΠ΅ ΠΈ Π½Π°Π»ΠΈΡΠΈΠΈ ΠΊΠΎΠ»ΡΡΠ΅Π²ΡΡ ΠΊΠ°Π½Π°Π²ΠΎΠΊ Π½Π° ΡΠ°Π±ΠΎΡΠ΅ΠΉ ΠΏΠΎΠ²Π΅ΡΡ Π½ΠΎΡΡΠΈ ΡΠΎΡΠΌΠΎΠ·Π½ΠΎΠ³ΠΎ Π±Π°ΡΠ°Π±Π°Π½Π° Π΅Π³ΠΎ, Π° ΡΠ°ΠΊΠΆΠ΅ ΠΊΠΎΠ»ΠΎΠ΄ΠΊΠΈ Π² ΡΠ±ΠΎΡΠ΅ Ρ Π½Π°ΠΊΠ»Π°Π΄ΠΊΠ°ΠΌΠΈ ΠΏΡΠΎΡΠΎΡΠΈΡΡ Π΄ΠΎ ΠΎΠ΄Π½ΠΎΠ³ΠΎ ΠΈΠ· ΡΠ΅ΠΌΠΎΠ½ΡΠ½ΡΡ ΡΠ°Π·ΠΌΠ΅ΡΠΎΠ², ΡΠΊΠ°Π·Π°Π½Π½ΡΡ Π² ΡΠ°Π±Π»ΠΈΡΠ΅ 2.
|
Π Π΅ΠΌΠΎΠ½ΡΠ½ΡΠ΅ ΡΠ°Π·ΠΌΠ΅ΡΡ |
ΠΠ½ΡΡΡΠ΅Π½Π½ΠΈΠΉ Π΄ΠΈΠ°ΠΌΠ΅ΡΡ ΡΠΎΡΠΌΠΎΠ·Π½ΠΎΠ³ΠΎ Π±Π°ΡΠ°Π±Π°Π½Π°, ΠΌΠΌ |
ΠΠ°ΡΡΠΆΠ½ΡΠΉ Π΄ΠΈΠ°ΠΌΠ΅ΡΡ ΠΊΠΎΠ»ΠΎΠ΄ΠΎΠΊ ΠΏΠΎ Π½Π°ΠΊΠ»Π°Π΄ΠΊΠ°ΠΌ 2RΠΌΠΌ |
|
ΠΠΎΠΌΠΈΠ½Π°Π» |
420+0,38 |
420-0,60 |
|
ΠΠ΅ΡΠ²ΡΠΉ |
421+0,38 |
421-0,60 |
|
ΠΡΠΎΡΠΎΠΉ |
422+0,38 |
422-0,60 |
|
Π’ΡΠ΅ΡΠΈΠΉ |
423+0,38 |
423-0,60 |
ΠΡΠΈ ΠΏΡΠΎΡΠΎΡΠΊΠ΅ ΡΠΎΡΠΌΠΎΠ·Π½ΠΎΠΉ Π±Π°ΡΠ°Π±Π°Π½ Π±Π°Π·ΠΈΡΠΎΠ²Π°ΡΡ ΠΏΠΎ Π²Π½ΡΡΡΠ΅Π½Π½ΠΈΠΌ ΠΏΠΎΠ²Π΅ΡΡ Π½ΠΎΡΡΡΠΌ Π½Π°ΡΡΠΆΠ½ΡΡ ΠΊΠΎΠ»Π΅Ρ ΠΏΠΎΠ΄ΡΠΈΠΏΠ½ΠΈΠΊΠΎΠ² ΡΡΡΠΏΠΈΡΡ, Π° ΠΊΠΎΠ»ΠΎΠ΄ΠΊΠΈ ΠΊΠ°ΠΊ ΠΏΠΎΠΊΠ°Π·Π°Π½ΠΎ Π½Π° ΡΠΈΡ. 5.
Π‘Π±ΠΎΡΠΊΡ ΠΊΠΎΠ»Π΅ΡΠ½ΠΎΠ³ΠΎ ΡΠΎΡΠΌΠΎΠ·Π° ΠΏΡΠΎΠ²ΠΎΠ΄ΠΈΡΡ Π² ΠΏΠΎΡΡΠ΄ΠΊΠ΅, ΠΎΠ±ΡΠ°ΡΠ½ΠΎΠΌ ΡΠ°Π·Π±ΠΎΡΠΊΠ΅, ΠΏΡΠΈ ΡΡΠΎΠΌ Π½Π΅ΠΎΠ±Ρ ΠΎΠ΄ΠΈΠΌΠΎ Π²ΡΠΏΠΎΠ»Π½ΠΈΡΡ ΡΡΠ΄ Π½ΠΈΠΆΠ΅ΠΏΡΠΈΠ²Π΅Π΄Π΅Π½Π½ΡΡ ΠΎΠ±ΡΠ·Π°ΡΠ΅Π»ΡΠ½ΡΡ ΡΡΠ΅Π±ΠΎΠ²Π°Π½ΠΈΠΉ:
— Π·Π΅ΡΠΊΠ°Π»ΠΎ ΠΊΠΎΠ»Π΅ΡΠ½ΠΎΠ³ΠΎ ΡΠΈΠ»ΠΈΠ½Π΄ΡΠ°, ΠΏΠΎΡΡΠ΅Π½Ρ ΠΈ ΡΠΏΠ»ΠΎΡΠ½ΠΈΡΠ΅Π»ΡΠ½ΡΡ ΠΌΠ°Π½ΠΆΠ΅ΡΡ ΡΠΌΠ°Π·Π°ΡΡ ΡΠΎΡΠΌΠΎΠ·Π½ΠΎΠΉ ΠΆΠΈΠ΄ΠΊΠΎΡΡΡΡ. ΠΠ° Π²ΡΡΠ»ΠΊΠΈ ΠΊΠΎΠ»ΠΎΠ΄ΠΎΠΊ Π½Π°Π½Π΅ΡΡΠΈ Π³ΡΠ°ΡΠΈΡΠ½ΡΠΉ ΡΠΌΠ°Π·ΠΎΡΠ½ΡΠΉ ΠΌΠ°ΡΠ΅ΡΠΈΠ°Π».
ΠΠ΅ΡΠ΅Π΄ ΡΠΎΠ΅Π΄ΠΈΠ½Π΅Π½ΠΈΠ΅ΠΌ ΠΊΠΎΠ»Π΅ΡΠ½ΡΡ ΡΠΈΠ»ΠΈΠ½Π΄ΡΠΎΠ² Ρ Π³ΠΈΠ΄ΡΠΎΡΠΈΡΡΠ΅ΠΌΠΎΠΉ Π°Π²ΡΠΎΠΌΠΎΠ±ΠΈΠ»Ρ Π·Π°ΠΌΠ΅Π½ΠΈΡΡ ΡΠΎΡΠΌΠΎΠ·Π½ΡΡ ΠΆΠΈΠ΄ΠΊΠΎΡΡΡ, ΠΎΡΠΈΡΡΠΈΡΡ ΠΎΡ ΡΠ»Π°ΠΌΠ° Π±Π°ΡΠΎΠΊ Π΄Π»Ρ ΠΆΠΈΠ΄ΠΊΠΎΡΡΠΈ Π½Π° ΠΏΠ½Π΅Π²ΠΌΠΎΡΡΠΈΠ»ΠΈΡΠ΅Π»ΡΡ .
ΠΠ΅ΡΠ΅Π΄ ΡΡΡΠ°Π½ΠΎΠ²ΠΊΠΎΠΉ ΡΡΡΠΏΠΈΡΡ Ρ ΡΠΎΡΠΌΠΎΠ·Π½ΡΠΌ Π±Π°ΡΠ°Π±Π°Π½ΠΎΠΌ ΠΊΠΎΠ»ΠΎΠ΄ΠΊΠΈ ΡΠ²Π΅ΡΡΠΈ Π²Π½ΡΡΡΡ ΡΠ΅Π³ΡΠ»ΠΈΡΠΎΠ²ΠΎΡΠ½ΡΠΌΠΈ ΡΠΊΡΡΠ΅Π½ΡΡΠΈΠΊΠ°ΠΌΠΈ 4 (ΡΠΈΡ. 2) ΠΈ ΡΡΡΠ°Π½ΠΎΠ²ΠΊΠΎΠΉ ΠΎΡΠ΅ΠΉ ΠΊΠΎΠ»ΠΎΠ΄ΠΎΠΊ Π² ΠΏΠΎΠ»ΠΎΠΆΠ΅Π½ΠΈΠ΅, ΠΏΡΠΈ ΠΊΠΎΡΠΎΡΠΎΠΌ ΡΡΡΠ°Π½ΠΎΠ²ΠΎΡΠ½ΡΠ΅ ΡΠΈΡΠΊΠΈ Π½Π° ΡΠΎΡΡΠ°Ρ ΠΎΡΠ΅ΠΉ Π½Π°ΠΏΡΠ°Π²Π»Π΅Π½Ρ Ρ ΠΎΡΠΈ ΠΏΠ΅ΡΠ΅Π΄Π½Π΅ΠΉ ΠΊΠΎΠ»ΠΎΠ΄ΠΊΠΈ Π½Π°Π·Π°Π΄, Ρ ΠΎΡΠΈ Π·Π°Π΄Π½Π΅ΠΉ Π²ΠΏΠ΅ΡΠ΅Π΄.
ΠΡΠ»ΠΈ ΠΏΡΠΈ ΡΠ°Π·Π±ΠΎΡΠΊΠ΅ ΠΏΠΎΠ»ΠΎΠΆΠ΅Π½ΠΈΠ΅ ΠΎΡΠ΅ΠΉ ΠΊΠΎΠ»ΠΎΠ΄ΠΎΠΊ Π½Π° ΡΠΎΡΠΌΠΎΠ·Π½ΠΎΠΌ ΡΠΈΡΠ΅ Π½Π΅ Π½Π°ΡΡΡΠ΅Π½ΠΎ, Π° ΠΏΡΠΈ ΡΠ±ΠΎΡΠΊΠ΅ ΠΊΠΎΠ»ΠΎΠ΄ΠΊΠΈ ΡΡΡΠ°Π½ΠΎΠ²Π»Π΅Π½Ρ Π½Π° ΡΠ²ΠΎΠΈ ΠΌΠ΅ΡΡΠ°, ΡΠΎ Π·Π°Π·ΠΎΡΡ ΠΌΠ΅ΠΆΠ΄Ρ ΠΊΠΎΠ»ΠΎΠ΄ΠΊΠ°ΠΌΠΈ ΠΈ ΡΠΎΡΠΌΠΎΠ·Π½ΡΠΌ Π±Π°ΡΠ°Π±Π°Π½ΠΎΠΌ ΡΠ΅Π³ΡΠ»ΠΈΡΠΎΠ²Π°ΡΡ ΡΠΎΠ»ΡΠΊΠΎ ΡΠΊΡΡΠ΅Π½ΡΡΠΈΠΊΠ°ΠΌΠΈ 4, ΠΏΠΎΠ²ΠΎΡΠ°ΡΠΈΠ²Π°Ρ ΠΈΡ (ΡΠΌ. ΡΠΈΡ. 2) Π΄ΠΎ ΡΠ΅Ρ ΠΏΠΎΡ, ΠΏΠΎΠΊΠ° ΠΊΠΎΠ»Π΅ΡΠΎ Π½Π΅ Π·Π°ΡΠΎΡΠΌΠΎΠ·ΠΈΡΡΡ.
ΠΠ°ΡΠ΅ΠΌ ΠΏΠΎΠ²Π΅ΡΠ½ΡΡΡ ΡΠΊΡΡΠ΅Π½ΡΡΠΈΠΊ Π² ΠΎΠ±ΡΠ°ΡΠ½ΡΡ ΡΡΠΎΡΠΎΠ½Ρ Π΄ΠΎ ΡΠ²ΠΎΠ±ΠΎΠ΄Π½ΠΎΠ³ΠΎ Π²ΡΠ°ΡΠ΅Π½ΠΈΡ ΠΊΠΎΠ»Π΅ΡΠ° (Π²ΡΠ°ΡΠ°ΡΡ ΠΊΠΎΠ»Π΅ΡΠΎ Π½Π°Π΄ΠΎ Π² ΡΡΠΎΡΠΎΠ½Ρ ΡΠ΅Π³ΡΠ»ΠΈΡΡΠ΅ΠΌΠΎΠΉ ΠΊΠΎΠ»ΠΎΠ΄ΠΊΠΈ).
ΠΠΎΡΠ»Π΅ ΡΠ΅Π³ΡΠ»ΠΈΡΠΎΠ²ΠΊΠΈ ΠΏΡΠΎΠ²Π΅ΡΠΈΡΡ Π·Π°Π·ΠΎΡ ΡΠ΅ΡΠ΅Π· Π»ΡΠΊ Π² ΡΠΎΡΠΌΠΎΠ·Π½ΠΎΠΌ Π±Π°ΡΠ°Π±Π°Π½Π΅ ΡΡΠΏΠΎΠΌ Π΄Π»ΠΈΠ½ΠΎΠΉ 200 ΠΌΠΌ Π½Π° ΡΠ°ΡΡΡΠΎΡΠ½ΠΈΠΈ 30 ΠΌΠΌ ΠΎΡ ΠΊΡΠ°Π΅Π² Π½Π°ΠΊΠ»Π°Π΄ΠΊΠΈ. ΠΠ°Π·ΠΎΡΡ Π΄ΠΎΠ»ΠΆΠ½Ρ Π±ΡΡΡ Ρ Π½ΠΎΡΠΊΠ° (Π²Π΅ΡΡ Π½ΡΡ ΡΠ°ΡΡΡ ΠΊΠΎΠ»ΠΎΠ΄ΠΊΠΈ) 0,35 ΠΌΠΌ, Ρ ΠΏΡΡΠΊΠΈ (Π½ΠΈΠΆΠ½ΡΡ ΡΠ°ΡΡΡ ΠΊΠΎΠ»ΠΎΠ΄ΠΊΠΈ) 0,20 ΠΌΠΌ.
ΠΠΎΡΠ»Π΅ Π·Π°ΠΌΠ΅Π½Ρ ΡΠΎΡΠΌΠΎΠ·Π½ΡΡ Π½Π°ΠΊΠ»Π°Π΄ΠΎΠΊ ΠΈΠ»ΠΈ ΡΡΡΠ°Π½ΠΎΠ²ΠΊΠΈ Π΄ΡΡΠ³ΠΈΡ ΠΊΠΎΠ»ΠΎΠ΄ΠΎΠΊ Π² ΡΠ±ΠΎΡΠ΅, Π° ΡΠ°ΠΊΠΆΠ΅ ΠΏΡΠΈ Π½Π°ΡΡΡΠ΅Π½ΠΈΠΈ ΠΏΠΎΠ»ΠΎΠΆΠ΅Π½ΠΈΡ ΠΎΡΠ΅ΠΉ ΠΊΠΎΠ»ΠΎΠ΄ΠΎΠΊ Π½Π° ΡΠΈΡΠ°Ρ , Π·Π°Π·ΠΎΡΡ ΡΠ»Π΅Π΄ΡΠ΅Ρ ΡΠ΅Π³ΡΠ»ΠΈΡΠΎΠ²Π°ΡΡ ΡΠΊΡΡΠ΅Π½ΡΡΠΈΠΊΠ°ΠΌΠΈ 4 ΠΈ ΠΎΡΡΠΌΠΈ 11 ΠΊΠΎΠ»ΠΎΠ΄ΠΎΠΊ. ΠΡΠΈ ΡΡΠΎΠΌ ΠΏΠΎΠ²ΠΎΡΠΎΡΠΎΠΌ ΡΠΊΡΡΠ΅Π½ΡΡΠΈΠΊΠ° 4 Π·Π°ΡΠΎΡΠΌΠΎΠ·ΠΈΡΡ Π²ΡΠ°ΡΠ΅Π½ΠΈΠ΅ ΠΊΠΎΠ»Π΅ΡΠ°.
ΠΠΎΠ²ΠΎΡΠ°ΡΠΈΠ²Π°Ρ ΠΎΡΡ 11 ΠΊΠΎΠ»ΠΎΠ΄ΠΊΠΈ, ΠΎΠΏΡΠ΅Π΄Π΅Π»ΠΈΡΡ Π½Π°ΠΏΡΠ°Π²Π»Π΅Π½ΠΈΠ΅ Π΅Π΅ Π²ΡΠ°ΡΠ΅Π½ΠΈΡ, ΠΏΡΠΈ ΠΊΠΎΡΠΎΡΠΎΠΌ ΠΊΠΎΠ»Π΅ΡΠΎ Π±ΡΠ΄Π΅Ρ Π²ΡΠ°ΡΠ°ΡΡΡΡ ΡΠ²ΠΎΠ±ΠΎΠ΄Π½ΠΎ.
ΠΡΠΎΠ΄ΠΎΠ»ΠΆΠΈΡΡ Π²ΡΠ°ΡΠ΅Π½ΠΈΠ΅ ΠΎΡΠΈ ΠΊΠΎΠ»ΠΎΠ΄ΠΊΠΈ Π² ΡΠΎΠΌ ΠΆΠ΅ Π½Π°ΠΏΡΠ°Π²Π»Π΅Π½ΠΈΠΈ Π΄ΠΎ ΠΏΠΎΠ»Π½ΠΎΠ³ΠΎ Π·Π°ΡΠΎΡΠΌΠ°ΠΆΠΈΠ²Π°Π½ΠΈΡ ΠΊΠΎΠ»Π΅ΡΠ°. Π£Π³ΠΎΠ» ΠΏΠΎΠ²ΠΎΡΠΎΡΠ° ΠΎΡΠΈ ΠΊΠΎ- Π»ΠΎΠ΄ΠΊΠΈ ΠΎΡ ΠΏΠ΅ΡΠ²ΠΎΠ³ΠΎ Π·Π°ΡΠΎΡΠΌΠΎΠΆΠ΅Π½Π½ΠΎΠ³ΠΎ ΡΠΎΡΡΠΎΡΠ½ΠΈΡ ΠΊΠΎΠ»Π΅ΡΠ° Π΄ΠΎ Π²ΡΠΎΡΠΎΠ³ΠΎ ΡΠ°Π·Π΄Π΅Π»ΠΈΡΡ ΠΏΠΎΠΏΠΎΠ»Π°ΠΌ ΠΈ Π² ΡΡΠΎΠΌ ΠΏΠΎΠ»ΠΎΠΆΠ΅Π½ΠΈΠΈ ΡΡΡΠ°Π½ΠΎΠ²ΠΈΡΡ ΠΎΡΡ.
ΠΠΎΠ²ΡΠΎΡΠΈΡΡ ΡΡΡ ΠΎΠΏΠ΅ΡΠ°ΡΠΈΡ Π½Π΅ΡΠΊΠΎΠ»ΡΠΊΠΎ ΡΠ°Π·. Π‘ ΠΊΠ°ΠΆΠ΄ΡΠΌ ΡΠ°Π·ΠΎΠΌ ΡΠ³ΠΎΠ» ΠΏΠΎΠ²ΠΎΡΠΎΡΠ° ΠΎΡΠΈ ΠΊΠΎΠ»ΠΎΠ΄ΠΊΠΈ ΠΎΡ ΠΏΠ΅ΡΠ²ΠΎΠ³ΠΎ Π·Π°ΡΠΎΡΠΌΠΎΠΆΠ΅Π½Π½ΠΎΠ³ΠΎ ΡΠΎΡΡΠΎΡΠ½ΠΈΡ ΠΊΠΎΠ»Π΅ΡΠ° Π΄ΠΎ Π²ΡΠΎΡΠΎΠ³ΠΎ Π±ΡΠ΄Π΅Ρ ΡΠΌΠ΅Π½ΡΡΠ°ΡΡΡΡ. ΠΠ°ΠΊΠΎΠ½ΡΠΈΠ² ΡΠ΅Π³ΡΠ»ΠΈΡΠΎΠ²ΠΊΡ, ΡΠ΄Π΅Π»Π°ΡΡ Ρ ΠΏΡΡΠΊΠΈ ΠΊΠΎΠ»ΠΎΠ΄ΠΊΠΈ Π·Π°Π·ΠΎΡ 0,20 ΠΌΠΌ, Π΄Π»Ρ ΡΠ΅Π³ΠΎ ΠΌΠ΅ΠΆΠ΄Ρ Π±Π°ΡΠ°Π±Π°Π½ΠΎΠΌ ΠΈ ΠΏΡΡΠΊΠΎΠΉ ΠΊΠΎΠ»ΠΎΠ΄ΠΊΠΈ Π²ΡΡΠ°Π²ΠΈΡΡ ΡΡΠΏ 0,20 ΠΌΠΌ ΠΈ ΠΏΠΎΠ²ΠΎΡΠΎΡΠΎΠΌ ΠΎΡΠΈ ΠΊΠΎΠ»ΠΎΠ΄ΠΊΠΈ ΡΠ»Π΅Π³ΠΊΠ° Π·Π°ΠΆΠ°ΡΡ Π΅Π³ΠΎ. ΠΡΠΈ ΡΡΠΎΠΌ Π·Π°Π·ΠΎΡ Ρ Π½ΠΎΡΠΊΠ° ΠΊΠΎΠ»ΠΎΠ΄ΠΊΠΈ Π΄ΠΎΠ»ΠΆΠ΅Π½ Π±ΡΡΡ 0,35 ΠΌΠΌ. ΠΡΠ»ΠΈ Π·Π°Π·ΠΎΡ Ρ Π½ΠΎΡΠΊΠ° ΠΊΠΎΠ»ΠΎΠ΄ΠΊΠΈ ΠΎΡΠ»ΠΈΡΠ°Π΅ΡΡΡ, ΡΠ΅Π³ΡΠ»ΠΈΡΠΎΠ²ΠΊΡ ΡΠ»Π΅Π΄ΡΠ΅Ρ ΠΏΡΠΎΠ΄ΠΎΠ»ΠΆΠΈΡΡ.
ΠΠΎΡΠ»Π΅ ΡΠ΅Π³ΡΠ»ΠΈΡΠΎΠ²ΠΊΠΈ ΡΠΎΡΠΌΠΎΠ·ΠΎΠ² Π²ΡΠ΅Ρ ΠΊΠΎΠ»Π΅Ρ ΡΡΡΠ°Π½ΠΎΠ²ΠΈΡΡ ΠΏΠΎΠ»ΡΠΎΡΠΈ ΠΈ ΠΏΡΠΎΠΊΠ°ΡΠ°ΡΡ (Π·Π°ΠΏΠΎΠ»Π½ΠΈΡΡ) Π³ΠΈΠ΄ΡΠΎΡΠΈΡΡΠ΅ΠΌΡ ΡΠΎΡΠΌΠΎΠ·Π½ΠΎΠΉ ΠΆΠΈΠ΄ΠΊΠΎΡΡΡΡ, ΡΡΠ°ΡΠ΅Π»ΡΠ½ΠΎ ΠΎΡΠΈΡΡΠΈΠ² ΠΏΡΠ΅Π΄Π²Π°ΡΠΈΡΠ΅Π»ΡΠ½ΠΎ ΠΎΡ Π³ΡΡΠ·ΠΈ Π½Π°ΡΡΠΆΠ½ΡΠ΅ ΠΏΠΎΠ²Π΅ΡΡ Π½ΠΎΡΡΠΈ Π³Π»Π°Π²Π½ΡΡ ΡΠΎΡΠΌΠΎΠ·Π½ΡΡ ΡΠΈΠ»ΠΈΠ½Π΄ΡΠΎΠ², Π±Π°ΡΠΊΠΎΠ² Π΄Π»Ρ ΡΠΎΡΠΌΠΎΠ·Π½ΠΎΠΉ ΠΆΠΈΠ΄ΠΊΠΎΡΡΠΈ ΠΈ ΠΏΠ΅ΡΠ΅ΠΏΡΡΠΊΠ½ΡΡ ΠΊΠ»Π°ΠΏΠ°Π½ΠΎΠ².
ΠΠ°ΠΏΠΎΠ»Π½ΡΡΡ ΡΠΈΡΡΠ΅ΠΌΡ ΠΆΠΈΠ΄ΠΊΠΎΡΡΡΡ ΠΈ ΠΏΡΠΎΠΊΠ°ΡΠΈΠ²Π°ΡΡ ΡΠΎΡΠΌΠΎΠ·Π° ΠΌΠΎΠΆΠ½ΠΎ ΡΠΎΠ»ΡΠΊΠΎ ΠΏΡΠΈ Π½Π°Π»ΠΈΡΠΈΠΈ Π²ΠΎΠ·Π΄ΡΡ Π° (7,5 ΠΊΠ³Ρ/ΡΠΌ2) Π² ΠΏΠ½Π΅Π²ΠΌΠΎΡΠΈΡΡΠ΅ΠΌΠ΅ Π°Π²ΡΠΎΠΌΠΎΠ±ΠΈΠ»Ρ.
ΠΠ΅ΡΠ΅Π΄ Π·Π°ΠΏΠΎΠ»Π½Π΅Π½ΠΈΠ΅ΠΌ ΡΡΠ°ΡΠ΅Π»ΡΠ½ΠΎ ΡΠ΄Π°Π»ΠΈΡΠ΅ Π³ΡΡΠ·Ρ Ρ Π³Π»Π°Π²Π½ΡΡ ΡΠΈΠ»ΠΈΠ½Π΄ΡΠΎΠ² ΠΈ Π±Π°ΡΠΊΠΎΠ². ΠΠ°ΒΡΠ΅ΠΌ, ΡΠ½ΡΠ² Ρ ΠΎΠ±ΠΎΠΈΡ ΡΠΈΠ»ΠΈΠ½Π΄ΡΠΎΠ² ΡΡΡΠ±ΠΊΠΈ Π³Π΅ΡΠΌΠ΅ΡΠΈΠ·Π°ΡΠΈΠΈ 1 (ΡΠΈΡ. 6) ΠΈ ΠΎΡΠ²Π΅ΡΠ½ΡΠ² ΠΏΡΠΎΠ±ΠΊΠΈ Π½Π°Π»ΠΈΠ²Π½ΡΡ ΠΎΡΠ²Π΅ΡΡΡΠΈΠΉ 2, Π·Π°ΠΏΠΎΠ»Π½ΠΈΡΠ΅ Π±Π°ΡΠΊΠΈ ΡΠΎΡΠΌΠΎΠ·Π½ΠΎΠΉ ΠΆΠΈΠ΄ΠΊΠΎΡΡΡΡ. Π£Π΄Π°Π»ΠΈΡΠ΅ Π²ΠΎΠ·Π΄ΡΡ ΠΈΠ· Π³Π»Π°Π²Π½ΡΡ ΡΠΈΠ»ΠΈΠ½Π΄ΡΠΎΠ² ΡΠ΅ΡΠ΅Π· ΠΏΠ΅ΡΠ΅ΠΏΡΡΠΊΠ½ΠΎΠΉ ΠΊΠ»Π°ΠΏΠ°Π½ 3.
ΠΠΎΡΡΠ΄ΠΎΠΊ ΠΏΡΠΎΠΊΠ°ΡΠΊΠΈ Π³Π»Π°Π²Π½ΡΡ ΡΠΈΠ»ΠΈΠ½Π΄ΡΠΎΠ² ΠΈ ΡΠΈΠ»ΠΈΠ½Π΄ΡΠΎΠ² ΡΠ°Π±ΠΎΡΠΈΡ ΡΠΎΡΠΌΠΎΠ·ΠΎΠ²:
ΡΠ½ΠΈΠΌΠΈΡΠ΅ ΡΠ΅Π·ΠΈΠ½ΠΎΠ²ΡΠΉ ΠΊΠΎΠ»ΠΏΠ°ΡΠΎΠΊ Ρ ΠΏΠ΅ΡΠ΅ΠΏΡΡΠΊΠ½ΠΎΠ³ΠΎ ΠΊΠ»Π°ΠΏΠ°Π½Π° 3 (ΡΠΈΡ. 6) Π½Π°ΒΠ΄Π΅Π½ΡΡΠ΅ Π½Π° Π½Π΅Π³ΠΎ ΡΡΡΠ±ΠΊΡ, ΠΈΠΌΠ΅ΡΡΡΡΡΡ Π² ΠΊΠΎΠΌΠΏΠ»Π΅ΠΊΡΠ΅ ΠΈΠ½ΡΡΡΡΠΌΠ΅Π½ΡΠ° (ΡΠΈΡ. 6), ΠΎΡΒΠΊΡΡΡΡΠΉ Π΅Π΅ ΠΊΠΎΠ½Π΅Ρ ΠΎΠΏΡΡΡΠΈΡΠ΅ Π² ΡΠΎΡΠΌΠΎΠ·Π½ΡΡ ΠΆΠΈΠ΄ΠΊΠΎΡΡΡ, Π½Π°Π»ΠΈΡΡΡ Π² ΡΡΠ΅ΠΊΠ»ΡΠ½Π½ΡΠΉ ΡΠΎΡΡΠ΄ Π²ΠΌΠ΅ΡΡΠΈΠΌΠΎΡΡΡΡ Π½Π΅ ΠΌΠ΅Π½Π΅Π΅ 0,2 Π»;
ΠΡΠ²Π΅ΡΠ½ΠΈΡΠ΅ Π½Π° Β½Β — ΒΎ ΠΎΠ±ΠΎΡΠΎΡΠ° ΠΏΠ΅ΡΠ΅ΠΏΡΡΠΊΠ½ΠΎΠΉ ΠΊΠ»Π°ΠΏΠ°Π½, ΠΏΠΎΡΠ»Π΅ ΡΠ΅Π³ΠΎ Π½Π΅ΡΠΊΠΎΠ»ΡΒΠΊΠΎ ΡΠ°Π· Π½Π°ΠΆΠΌΠΈΡΠ΅ Π½Π° ΠΏΠ΅Π΄Π°Π»Ρ ΡΠΎΡΠΌΠΎΠ·Π°.
ΠΠ°ΠΆΠΈΠΌΠ°ΠΉΡΠ΅ Π±ΡΡΡΡΠΎ, Π° ΠΎΡΠΏΡΡΠΊΠ°ΠΉΡΠ΅ ΠΌΠ΅Π΄Π»Π΅Π½Π½ΠΎ. ΠΠ°ΠΆΠ°ΡΠΈΠ΅ ΠΏΠΎΠ²ΡΠΎΡΡΠΉΡΠ΅ Π΄ΠΎ ΡΠ΅Ρ ΠΏΠΎΡ, ΠΏΠΎΠΊΠ° Π½Π΅ ΠΏΡΠ΅ΠΊΡΠ°ΡΠΈΡΡΡ Π²ΡΠ΄Π΅Π»Π΅ΒΠ½ΠΈΠ΅ ΠΏΡΠ·ΡΡΡΠΊΠΎΠ² Π²ΠΎΠ·Π΄ΡΡ Π° ΠΈΠ· ΡΡΡΠ±ΠΊΠΈ.
Π ΠΏΡΠΎΡΠ΅ΡΡΠ΅ ΠΏΡΠΎΠΊΠ°ΡΠΊΠΈ Π½Π΅ΠΎΠ±Ρ ΠΎΠ΄ΠΈΠΌΠΎ Π΄ΠΎΠ»ΠΈΒΠ²Π°ΡΡ ΠΆΠΈΠ΄ΠΊΠΎΡΡΡ Π² Π±Π°ΡΠΊΠΈ, Π½Π΅ Π΄ΠΎΠΏΡΡΠΊΠ°Ρ Β«ΡΡΡ ΠΎΠ³ΠΎ Π΄Π½Π°Β», ΡΠ°ΠΊ ΠΊΠ°ΠΊ ΠΏΡΠΈ ΡΡΠΎΠΌ Π² ΡΠΈΒΡΡΠ΅ΠΌΡ Π²Π½ΠΎΠ²Ρ ΠΏΠΎΠΏΠ°Π΄Π΅Ρ Π²ΠΎΠ·Π΄ΡΡ .
ΠΠ°ΠΆΠ°Π² Π½Π° ΠΏΠ΅Π΄Π°Π»Ρ, ΠΏΠ»ΠΎΡΠ½ΠΎ Π·Π°Π²Π΅ΡΠ½ΠΈΡΠ΅ ΠΏΠ΅ΡΠ΅ΠΏΡΡΠΊΠ½ΠΎΠΉ ΠΊΠ»Π°ΠΏΠ°Π½ ΡΠΈΠ»ΠΈΠ½Π΄ΡΠ°, ΡΠ½ΠΈΒΠΌΠΈΡΠ΅ ΡΡΡΠ±ΠΊΡ ΠΈ Π½Π°Π΄Π΅Π½ΡΡΠ΅ ΠΊΠΎΠ»ΠΏΠ°ΡΠΎΠΊ.
Π’Π°ΠΊΠΈΠΌ ΠΆΠ΅ ΠΎΠ±ΡΠ°Π·ΠΎΠΌ ΠΏΡΠΎΠΊΠ°ΡΠ°ΠΉΡΠ΅ ΠΊΠΎΠ»Π΅ΡΠ½ΡΠ΅ ΡΠΎΡΠΌΠΎΠ·Π½ΡΠ΅ ΡΠΈΠ»ΠΈΠ½Π΄ΡΡ ΡΠ΅ΡΠ΅Π· ΠΏΠ΅ΡΠ΅ΠΏΡΡΠΊΠ½ΠΎΠΉ ΠΊΠ»Π°ΠΏΠ°Π½ (ΡΠΈΡ. 6) Π² ΡΠ»Π΅Π΄ΡΡΡΠ΅ΠΉ ΠΏΠΎΡΠ»Π΅Π΄ΠΎΠ²Π°ΡΠ΅Π»ΡΠ½ΠΎΡΡΠΈ (ΡΠΈΡ. 6): I β ΡΡΠ΅Π΄Π½ΠΈΠΉ Π»Π΅Π²ΡΠΉ, II β Π·Π°Π΄Π½ΠΈΠΉ Π»Π΅Π²ΡΠΉ, III β Π·Π°Π΄Π½ΠΈΠΉ ΠΏΡΠ°Π²ΡΠΉ, IV β ΡΡΠ΅Π΄ΒΠ½ΠΈΠΉ ΠΏΡΠ°Π²ΡΠΉ, V β ΠΏΠ΅ΡΠ΅Π΄Π½ΠΈΠΉ ΠΏΡΠ°Π²ΡΠΉ, VI β ΠΏΠ΅ΡΠ΅Π΄Π½ΠΈΠΉ Π»Π΅Π²ΡΠΉ.
ΠΠΎΡΠ»Π΅ ΠΏΡΠΎΠΊΠ°ΡΠΊΠΈ Π²ΡΠ΅Ρ ΡΠΈΠ»ΠΈΠ½Π΄ΡΠΎΠ² Π΄ΠΎΠ»Π΅ΠΉΡΠ΅ ΠΆΠΈΠ΄ΠΊΠΎΡΡΡ Π² Π±Π°ΡΠΊΠΈ Π΄ΠΎ ΡΡΠΎΠ²Π½Ρ 15… 20 ΠΌΠΌ Π½ΠΈΠΆΠ΅ Π²Π΅ΡΡ Π½Π΅ΠΉ ΠΊΡΠΎΠΌΠΊΠΈ Π½Π°Π»ΠΈΠ²Π½ΠΎΠΉ Π³ΠΎΡΠ»ΠΎΠ²ΠΈΠ½Ρ, ΠΏΠ»ΠΎΡΠ½ΠΎ Π·Π°Π²Π΅ΡΠ½ΠΈΒΡΠ΅ ΠΏΡΠΎΠ±ΠΊΡ Π½Π°Π»ΠΈΠ²Π½ΠΎΠ³ΠΎ ΠΎΡΠ²Π΅ΡΡΡΠΈΡ, ΠΏΡΠΈΡΠΎΠ΅Π΄ΠΈΠ½ΠΈΡΠ΅ ΡΡΡΠ±ΠΊΡ Π³Π΅ΡΠΌΠ΅ΡΠΈΠ·Π°ΡΠΈΠΈ.
ΠΡΠΈ Π·Π°ΠΌΠ΅Π½Π΅ ΡΠΎΡΠΌΠΎΠ·Π½ΠΎΠΉ ΠΆΠΈΠ΄ΠΊΠΎΡΡΠΈ ΡΠ°Π·Π±Π΅ΡΠΈΡΠ΅ ΠΊΠΎΠ»Π΅ΡΠ½ΡΠ΅ ΠΈ Π³Π»Π°Π²Π½ΡΠ΅ ΡΠΈΒΠ»ΠΈΠ½Π΄ΡΡ, ΠΏΡΠΎΠΌΠΎΠΉΡΠ΅ ΡΠ°Π±ΠΎΡΠΈΠ΅ ΠΏΠΎΠ²Π΅ΡΡ Π½ΠΎΡΡΠΈ Π΄Π΅ΡΠ°Π»Π΅ΠΉ. ΠΡΠΈ ΡΠ±ΠΎΡΠΊΠ΅ ΠΊΠΎΠ»Π΅ΡΠ½ΡΡ ΡΠΈΒΠ»ΠΈΠ½Π΄ΡΠΎΠ² ΡΠΌΠ°ΠΆΡΡΠ΅ ΠΏΠΎΡΡΠ΅Π½Ρ ΠΈ Π²Π½ΡΡΡΠ΅Π½Π½ΡΡ ΠΏΠΎΠ²Π΅ΡΡ Π½ΠΎΡΡΡ ΡΠΈΠ»ΠΈΠ½Π΄ΡΠΎΠ² ΠΊΠ°ΡΡΠΎΡΠΎΒΠ²ΡΠΌ ΠΌΠ°ΡΠ»ΠΎΠΌ.
Π£ΡΠ°Π»-375 Π£Π½ΠΈΠ²Π΅ΡΡΠ°Π» | Military-Today.com
| ||||||||||||||||||||||||||||||||||||||||||||
Π£ΡΠ°Π»-375 ΡΠ΅ΡΠΈΡ Π²ΠΎΠ΅Π½Π½ΡΡ Π³ΡΡΠ·ΠΎΠ²ΠΈΠΊΠΎΠ² ΠΏΠΎΡΡΡΠΏΠΈΠ»Π° Π² ΠΏΡΠΎΠΈΠ·Π²ΠΎΠ΄ΡΡΠ²ΠΎ Π² 1961 Π³ΠΎΠ΄Ρ. ΠΡΠΎ Π±ΡΠ»Π° ΠΎΠ΄Π½Π° ΠΈΠ· ΡΠ°ΠΌΡΡ ΠΌΠ°ΡΡΠΎΠ²ΡΡ Π²ΠΎΠ΅Π½Π½ΡΠΉ Π³ΡΡΠ·ΠΎΠ²ΠΈΠΊ, ΡΡΠΎΡΡΠΈΠΉ Π½Π° Π²ΠΎΠΎΡΡΠΆΠ΅Π½ΠΈΠΈ Π‘ΠΎΠ²Π΅ΡΡΠΊΠΎΠΉ ΠΡΠΌΠΈΠΈ. Π‘ 1980-Ρ Π³Π³. ΠΏΡΠΎΠΈΠ·Π²ΠΎΠ΄ΠΈΠ»ΡΡ Π²ΠΌΠ΅ΡΡΠ΅ Ρ Π±ΠΎΠ»Π΅Π΅ Π½ΠΎΠ²ΡΠΌΠΈ ΠΌΠΎΠ΄Π΅Π»ΡΠΌΠΈ, ΠΈ ΠΏΡΠΎΠΈΠ·Π²ΠΎΠ΄ΡΡΠ²ΠΎ ΠΏΡΠ΅ΠΊΡΠ°ΡΠΈΠ»ΠΎΡΡ ΡΠΎΠ»ΡΠΊΠΎ Π² 1991 Π³ΠΎΠ΄Ρ. ΠΠ½ΠΎΠ³ΠΈΠ΅ Π£ΡΠ°Π»-375 ΠΎΡΡΠ°ΡΡΡΡ Π² ΡΠ»ΡΠΆΠ±Π° Π²ΠΎ ΠΌΠ½ΠΎΠ³ΠΈΡ ΡΠΎΡΠΌΠ°Ρ Π² Π±ΡΠ²ΡΠΈΡ Π²ΠΎΠΎΡΡΠΆΠ΅Π½Π½ΡΡ ΡΠΈΠ»Π°Ρ ΠΠ°ΡΡΠ°Π²ΡΠΊΠΎΠ³ΠΎ Π΄ΠΎΠ³ΠΎΠ²ΠΎΡΠ° ΠΈ Π² Π΄ΡΡΠ³ΠΈΡ ΠΌΠ΅ΡΡΠ°Ρ , Π³Π΄Π΅ ΡΠ°ΡΠΏΡΠΎΡΡΡΠ°Π½ΠΈΠ»ΠΎΡΡ ΡΠΎΠ²Π΅ΡΡΠΊΠΎΠ΅ Π²Π»ΠΈΡΠ½ΠΈΠ΅.
Π£ΡΠ°Π»-375 ΠΈΡΠΏΠΎΠ»ΡΠ·ΠΎΠ²Π°Π»ΡΡ ΠΊΠ°ΠΊ ΠΎΡΠ½ΠΎΠ²Ρ Π΄Π»Ρ ΡΠΈΡΠΎΠΊΠΎΠ³ΠΎ Π΄ΠΈΠ°ΠΏΠ°Π·ΠΎΠ½Π° ΡΡΠΈΠ»Π΅ΠΉ ΠΊΡΠ·ΠΎΠ²Π°, Π½ΠΎ Π±ΠΎΠ»ΡΡΠΈΠ½ΡΡΠ²ΠΎ ΠΈΠ· Π½ΠΈΡ ΠΏΡΠΎΠΈΠ·Π²ΠΎΠ΄ΠΈΠ»ΠΈΡΡ ΠΊΠ°ΠΊ ΡΡΠ°Π½Π΄Π°ΡΡΠ½ΡΠ΅ 5-ΡΠΎΠ½Π½ΡΠ΅ Π³ΡΡΠ·ΠΎΠ²ΡΠ΅ Π°Π²ΡΠΎΠΌΠΎΠ±ΠΈΠ»ΠΈ. ΠΠΎΠΆΠ΅Ρ Π±ΡΠΊΡΠΈΡΠΎΠ²Π°ΡΡ ΠΏΡΠΈΡΠ΅ΠΏΡ ΠΈΠ»ΠΈ Π°ΡΡΠΈΠ»Π»Π΅ΡΠΈΡ. Π΄Π΅ΡΠ°Π»ΠΈ ΠΌΠ°ΠΊΡΠΈΠΌΠ°Π»ΡΠ½ΠΎΠΉ ΠΌΠ°ΡΡΠΎΠΉ 10 Ρ Π½Π° Π΄ΠΎΡΠΎΠ³Π°Ρ Ρ ΡΠ²Π΅ΡΠ΄ΡΠΌ ΠΏΠΎΠΊΡΡΡΠΈΠ΅ΠΌ. ΠΠ²ΡΠΎΠΌΠΎΠ±ΠΈΠ»Ρ ΠΈΠΌΠ΅Π΅Ρ ΠΎΡΠΊΠΈΠ΄Π½ΡΠ΅ Π±ΠΎΡΡΠ°, ΠΎΡΠΊΠΈΠ΄Π½ΡΡ ΠΊΡΡΡΠΊΡ Π±Π°Π³Π°ΠΆΠ½ΠΈΠΊΠ° ΠΈ ΡΡΠ΅ΠΌΠ½ΡΠΉ Π±ΡΠ΅Π·Π΅Π½Ρ Ρ Π±Π°Π½ΡΠ°ΠΌΠΈ. ΠΠ°Π±ΠΈΠ½Π° ΡΡΠΎΠ³ΠΎ Π²ΠΎΠ΅Π½Π½ΠΎΠ³ΠΎ Π³ΡΡΠ·ΠΎΠ²ΠΈΠΊΠ° ΠΎΠ±Π΅ΡΠΏΠ΅ΡΠΈΠ²Π°Π΅Ρ ΡΠΈΠ΄Π΅Π½ΡΡ Π΄Π»Ρ Π²ΠΎΠ΄ΠΈΡΠ΅Π»Ρ ΠΈ Π΄Π²ΡΡ ΠΏΠ°ΡΡΠ°ΠΆΠΈΡΠΎΠ². ΠΠ°ΡΠ°Π»ΡΠ½ΡΠ΅ ΡΠ΅ΡΠΈΠΉΠ½ΡΠ΅ ΠΌΠΎΠ΄Π΅Π»ΠΈ Π±ΡΠ»ΠΈ ΠΎΡΠ½Π°ΡΠ΅Π½Ρ ΠΎΡΠΊΡΡΡΠΎΠΉ ΠΊΠ°Π±ΠΈΠ½ΠΎΠΉ, ΠΏΡΠΈΠΊΡΡΡΠΎΠΉ ΠΎΡΠΊΠΈΠ΄Π½ΡΠΌ Π²Π΅ΡΡ ΠΎΠΌ.
ΠΡΠΈΠ³ΠΈΠ½Π°Π» Π£ΡΠ°Π»-375 ΠΎΡΠ½Π°ΡΠ°Π»ΡΡ 7-Π»ΠΈΡΡΠΎΠ²ΡΠΌ Π±Π΅Π½Π·ΠΈΠ½ΠΎΠ²ΡΠΌ Π΄Π²ΠΈΠ³Π°ΡΠ΅Π»Π΅ΠΌ V8 ΠΠΈΠ-375, ΠΊΠΎΡΠΎΡΡΠΉ ΠΏΠ΅ΡΠ°Π»ΡΠ½ΠΎ ΠΈΠ·Π²Π΅ΡΡΠ½ΠΎ, ΡΡΠΎ ΠΎΠ½ ΠΆΠ°ΠΆΠ΄Π°Π» ΡΠΎΠΏΠ»ΠΈΠ²Π°. ΠΠ²ΡΠΎΠΌΠΎΠ±ΠΈΠ»Ρ ΠΈΠΌΠ΅Π΅Ρ ΠΊΠΎΠ½ΡΠΈΠ³ΡΡΠ°ΡΠΈΡ 6Ρ 4 Π½Π° Π΄ΠΎΡΠΎΠ³ΠΈ Ρ ΡΠ²Π΅ΡΠ΄ΡΠΌ ΠΏΠΎΠΊΡΡΡΠΈΠ΅ΠΌ ΠΈ 6×6 ΠΏΠΎ ΠΏΠ΅ΡΠ΅ΡΠ΅ΡΠ΅Π½Π½ΠΎΠΉ ΠΌΠ΅ΡΡΠ½ΠΎΡΡΠΈ. ΠΡΠΎΡ Π²ΠΎΠ΅Π½Π½ΡΠΉ Π³ΡΡΠ·ΠΎΠ²ΠΈΠΊ ΠΎΡΠ½Π°ΡΠ΅Π½ ΡΠ΅Π½ΡΡΠ°Π»ΡΠ½ΠΎΠΉ ΡΠΈΡΡΠ΅ΠΌΠΎΠΉ Π΄Π°Π²Π»Π΅Π½ΠΈΡ Π² ΡΠΈΠ½Π°Ρ , ΠΊΠΎΡΠΎΡΡΡ ΠΌΠΎΠΆΠ΅Ρ ΡΠ΅Π³ΡΠ»ΠΈΡΠΎΠ²Π°ΡΡ Π²ΠΎΠ΄ΠΈΡΠ΅Π»Ρ ΡΡΠ°Π½ΡΠΈΡ Π΄Π»Ρ ΡΠ°Π·Π»ΠΈΡΠ½ΡΡ ΡΡΠ»ΠΎΠ²ΠΈΠΉ ΠΌΠ΅ΡΡΠ½ΠΎΡΡΠΈ.
Π 1964 Π³. ΠΠ°ΡΠ°Π»ΠΎΡΡ ΠΏΡΠΎΠΈΠ·Π²ΠΎΠ΄ΡΡΠ²ΠΎ ΡΡΠΎΠ²Π΅ΡΡΠ΅Π½ΡΡΠ²ΠΎΠ²Π°Π½Π½ΠΎΠΉ Π²Π΅ΡΡΠΈΠΈ — Π£ΡΠ°Π»-375Π. ΠΡΠΎ Π±ΡΠ»ΠΎ ΡΠ΅Π»ΡΠ½ΠΎΠΌΠ΅ΡΠ°Π»Π»ΠΈΡΠ΅ΡΠΊΠ°Ρ ΠΊΠ°Π±ΠΈΠ½Π° ΠΈ ΡΡΠ°ΡΠ½ΡΠΉ ΠΏΠΎΠ»Π½ΡΠΉ ΠΏΡΠΈΠ²ΠΎΠ΄.ΠΠ΅ΠΊΠΎΡΠΎΡΡΠ΅ Π°Π²ΡΠΎΠΌΠΎΠ±ΠΈΠ»ΠΈ Π±ΡΠ»ΠΈ ΠΎΠ±ΠΎΡΡΠ΄ΠΎΠ²Π°Π½ Π»Π΅Π±Π΅Π΄ΠΊΠΎΠΉ ΡΠ°ΠΌΠΎΠ²ΠΎΡΡΡΠ°Π½ΠΎΠ²Π»Π΅Π½ΠΈΡ. ΠΠ½ΠΈ ΠΎΠ±ΠΎΠ·Π½Π°ΡΠ΅Π½Ρ ΠΊΠ°ΠΊ Π£ΡΠ°Π»-375Π’. Π¨Π°ΡΡΠΈ Π£ΡΠ°Π»-375Π ΠΈΡΠΏΠΎΠ»ΡΠ·ΡΠ΅ΡΡΡ Π΄Π»Ρ ΠΠ-21 122-ΠΌΠΌ ΡΠ΅Π°ΠΊΡΠΈΠ²Π½Π°Ρ ΡΠΈΡΡΠ΅ΠΌΠ° Π·Π°Π»ΠΏΠΎΠ²ΠΎΠ³ΠΎ ΠΎΠ³Π½Ρ «ΠΡΠ°Π΄».
Π‘ 1973 Π³. ΠΎΡΠ½ΠΎΠ²Π½Π°Ρ ΡΠ΅ΡΠΈΠΉΠ½Π°Ρ ΠΌΠΎΠ΄Π΅Π»Ρ ΠΎΡΠ½Π°ΡΠ°Π»Π°ΡΡ Π΄ΠΈΠ·Π΅Π»ΡΠ½ΡΠΌ Π΄Π²ΠΈΠ³Π°ΡΠ΅Π»Π΅ΠΌ ΠΠΈΠ-375 V8, ΡΠ°Π·Π²ΠΈΠ²Π°ΡΡΠΈΠΉ 180 Π».Ρ. ΠΠΈΠ·Π΅Π»ΡΠ½ΡΠΉ Π°Π³ΡΠ΅Π³Π°Ρ Π²Π²Π΅Π΄Π΅Π½ Π² ΡΠΊΡΠΏΠ»ΡΠ°ΡΠ°ΡΠΈΡ. ΡΠ²Π΅Π»ΠΈΡΠΈΡΡ Π·Π°ΠΏΠ°Ρ Ρ ΠΎΠ΄Π° ΠΏΠΎ ΡΠΎΠΏΠ»ΠΈΠ²Ρ, Π° ΡΠ°ΠΊΠΆΠ΅ ΡΠ½ΠΈΠ·ΠΈΡΡ ΡΠΈΡΠΊΠΈ Π·Π°Π³ΠΎΡΠ°Π΅ΡΡΡ. ΠΠ²ΡΠΎΠΌΠΎΠ±ΠΈΠ»Ρ ΠΈΠΌΠ΅Π΅Ρ ΠΏΡΠ΅Π΄ΠΏΡΡΠΊΠΎΠ²ΠΎΠΉ ΠΏΠΎΠ΄ΠΎΠ³ΡΠ΅Π²Π°ΡΠ΅Π»Ρ Π΄Π²ΠΈΠ³Π°ΡΠ΅Π»Ρ ΠΈ Ρ ΠΎΡΠΎΡΠΎ ΠΏΠΎΠ΄Ρ ΠΎΠ΄ΠΈΡ Π΄Π»Ρ ΡΠΊΡΠΏΠ»ΡΠ°ΡΠ°ΡΠΈΠΈ Π·ΠΈΠΌΠΎΠΉ.ΠΠ΅ΡΠΌΠΎΡΡΡ Π½Π° ΡΡΠΎ, Π²Π΅ΡΡΠΈΡ Ρ Π±Π΅Π½Π·ΠΈΠ½ΠΎΠ²ΡΠΌ Π΄Π²ΠΈΠ³Π°ΡΠ΅Π»Π΅ΠΌ Π±ΡΠ»Π° Π²ΡΠΏΡΡΠΊΠ°Π»Π°ΡΡ Π² Π½Π΅Π±ΠΎΠ»ΡΡΠΎΠΌ ΠΊΠΎΠ»ΠΈΡΠ΅ΡΡΠ²Π΅ Π΄ΠΎ 1991 Π³ΠΎΠ΄Π°.
ΠΡΡΡ ΠΌΠ½ΠΎΠ³ΠΎΡΠΈΡΠ»Π΅Π½Π½ΡΠ΅ Π²Π°ΡΠΈΠ°Π½ΡΡ ΡΡΠΎΠ³ΠΎ Π²ΠΎΠ΅Π½Π½ΠΎΠ³ΠΎ Π³ΡΡΠ·ΠΎΠ²ΠΈΠΊΠ°. ΠΠ½ΠΈ ΠΎΡΠ»ΠΈΡΠ°ΡΡΡΡ ΠΎΡ ΡΠ΅Π°ΠΊΡΠΈΠ²Π½ΡΡ ΡΠΈΡΡΠ΅ΠΌ Π·Π°Π»ΠΏΠΎΠ²ΠΎΠ³ΠΎ ΠΎΠ³Π½Ρ Π½ΠΎΡΠΈΡΠ΅Π»ΠΈ ΡΠ°ΠΊΠ΅ΡΠ½ΠΎΠ³ΠΎ ΠΎΠ±ΠΎΡΡΠ΄ΠΎΠ²Π°Π½ΠΈΡ ΠΈ Π°Π²ΡΠΎΠ·Π°ΠΏΡΠ°Π²ΡΠΈΠΊΠΎΠ². Π ΡΠΏΠ΅ΡΠΈΠ°Π»ΠΈΠ·ΠΈΡΠΎΠ²Π°Π½Π½ΡΠΉ Π’ΠΠ‘-65 — ΡΡΠΎ ΡΠΏΠ΅ΡΠΈΠ°Π»ΡΠ½ΡΠΉ Π°Π²ΡΠΎΠΌΠΎΠ±ΠΈΠ»Ρ Π΄Π»Ρ Π΄Π΅Π·Π°ΠΊΡΠΈΠ²Π°ΡΠΈΠΈ Π ΠΠ, ΠΏΠ΅ΡΠ΅Π²ΠΎΠ·ΡΡΠΈΠΉ ΡΠ΅Π°ΠΊΡΠΈΠ²Π½ΡΠΉ Π΄Π²ΠΈΠ³Π°ΡΠ΅Π»Ρ Π΄Π»Ρ ΡΠ΄Π°Π»Π΅Π½ΠΈΡ Π°Π³Π΅Π½ΡΠΎΠ² NBC Ρ Π΄ΡΡΠ³ΠΈΡ ΡΡΠ°Π½ΡΠΏΠΎΡΡΠ½ΡΡ ΡΡΠ΅Π΄ΡΡΠ². ΡΠ°Π·Π½ΠΎΠ΅ Π²Π°ΡΠΈΠ°Π½ΡΡ Π²ΠΊΠ»ΡΡΠ°ΡΡ ΡΠ²Π°ΠΊΡΠ°ΡΠΎΡ ΠΈ ΡΠΎΠΏΠ»ΠΈΠ²ΠΎΠ·Π°ΠΏΡΠ°Π²ΡΠΈΠΊ.
ΠΠ°ΡΠΈΠ°Π½ΡΡ
Π£ΡΠ°Π»-375Π ΡΠΏΠ΅ΡΠΈΠ°Π»ΡΠ½ΠΎΠ΅ ΠΊΠΎΠ»Π΅ΡΠ½ΠΎΠ΅ ΡΠ°ΡΡΠΈ, ΠΈΡΠΏΠΎΠ»ΡΠ·ΡΠ΅ΠΌΠΎΠ΅ Π΄Π»Ρ ΡΡΡΠ°Π½ΠΎΠ²ΠΊΠΈ ΡΠ°Π·Π»ΠΈΡΠ½ΡΡ ΠΊΡΠ·ΠΎΠ²ΠΎΠ².
Π£ΡΠ°Π»-375Π’ ΠΎΠ±ΠΎΡΡΠ΄ΠΎΠ²Π°Π½ Π»Π΅Π±Π΅Π΄ΠΊΠΎΠΉ ΡΠ°ΠΌΠΎΠ²ΠΎΡΡΡΠ°Π½ΠΎΠ²Π»Π΅Π½ΠΈΡ. ΠΡΡΠ·ΠΎΠΏΠΎΠ΄ΡΠ΅ΠΌΠ½ΠΎΡΡΡ 5 Ρ.
Π‘Π΅Π΄Π΅Π»ΡΠ½ΡΠΉ ΡΡΠ³Π°Ρ Π£ΡΠ°Π»-375Π‘ Π΄Π»Ρ Π±ΡΠΊΡΠΈΡΠΎΠ²ΠΊΠΈ ΠΏΠΎΠ»ΡΠΏΡΠΈΡΠ΅ΠΏΠΎΠ².
Π£ΡΠ°Π»-377 Π° ΡΠ΅ΡΠΈΡ ΠΊΠΎΠΌΠΌΠ΅ΡΡΠ΅ΡΠΊΠΈΡ Π°Π²ΡΠΎΠΌΠΎΠ±ΠΈΠ»Π΅ΠΉ ΠΊΠΎΠ½ΡΠΈΠ³ΡΡΠ°ΡΠΈΠΈ 6Ρ 4.
Π£Π½ΠΈΠ²Π΅ΡΡΠ°Π» Π£ΡΠ°Π»-4320. ΡΡΠΎ ΡΠ»ΡΡΡΠ΅Π½Π½ΡΠΉ ΡΠ΅ΡΠΈΠΉΠ½ΡΠΉ Π²Π°ΡΠΈΠ°Π½Ρ Π£ΡΠ°Π»-375Π Ρ Π½ΠΎΠ²ΡΠΌ Π΄Π²ΠΈΠ³Π°ΡΠ΅Π»Π΅ΠΌ Π―ΠΠ-740 Π΄ΠΈΠ·Π΅Π»Ρ, ΡΠ°Π·Π²ΠΈΠ²Π°ΡΡΠΈΠΉ 210 ββΠ».Ρ. ΠΠΎΡΡΠ΅ΠΏΠ΅Π½Π½ΠΎ ΠΏΠΎΡΡΠ΅Π±ΠΎΠ²Π°Π»ΠΎΡΡ Π½Π°Π΄ ΠΌΠ½ΠΎΠ³ΠΈΠΌΠΈ ΡΠΎΠ»ΡΠΌΠΈ, ΠΊΠΎΡΠΎΡΡΠ΅ ΡΠ°Π½Π΅Π΅ Π²ΡΠΏΠΎΠ»Π½ΡΠ» Π£ΡΠ°Π»-375 ΡΠ΅ΡΠΈΠΈ.ΠΡΡΠ³ΠΈΠ΅ ΠΏΡΠΎΠΈΠ·Π²ΠΎΠ΄ΡΡΠ²Π΅Π½Π½ΡΠ΅ ΠΈΠ·ΠΌΠ΅Π½Π΅Π½ΠΈΡ, ΡΠ°ΠΊΠΈΠ΅ ΠΊΠ°ΠΊ ΡΠ²Π΅Π»ΠΈΡΠ΅Π½Π½ΡΠΉ ΠΊΠ°ΠΏΠΎΡ ΠΏΠ»ΡΡ ΠΎΠ±Π½ΠΎΠ²Π»Π΅Π½Π½ΡΠ΅ ΡΠΎΠΏΠ»ΠΈΠ²Π½Π°Ρ, ΠΎΡ Π»Π°ΠΆΠ΄Π°ΡΡΠ°Ρ ΠΈ ΡΠ»Π΅ΠΊΡΡΠΈΡΠ΅ΡΠΊΠ°Ρ ΡΠΈΡΡΠ΅ΠΌΡ Π±ΡΠ»ΠΈ Π²Π½Π΅Π΄ΡΠ΅Π½Ρ Π½Π° ΡΠΎ ΠΆΠ΅ Π²ΡΠ΅ΠΌΡ Π²ΠΌΠ΅ΡΡΠ΅ ΡΠΎ ΠΌΠ½ΠΎΠ³ΠΈΠΌΠΈ Π΄ΡΡΠ³ΠΈΠΌΠΈ ΠΌΠΎΠ΄ΠΈΡΠΈΠΊΠ°ΡΠΈΡΠΌΠΈ Π΄Π΅ΡΠ°Π»Π΅ΠΉ.
Π£ΡΠ°Π»-375Π
ΠΡΠΎΠΈΠ·Π²ΠΎΠ΄ΡΡΠ²ΠΎ Π³ΡΡΠ·ΠΎΠ²ΡΡ Π°Π²ΡΠΎΠΌΠΎΠ±ΠΈΠ»Π΅ΠΉ ΡΠ΅ΡΠΈΠΈ -375 Π£ΡΠ°Π» Π½Π°ΡΠ°Π»ΠΎΡΡ Π² 1961 Π³ΠΎΠ΄Ρ.
Π‘Π°ΠΌΠ°Ρ Π±ΠΎΠ»ΡΡΠ°Ρ Π²Π΅ΡΡΠΈΡ ΡΡΠΎΠ³ΠΎ Π³ΡΡΠ·ΠΎΠ²ΠΈΠΊΠ° — 375D. ΠΡΠΎ
ΠΠ±ΠΎΡΡΠ΄ΠΎΠ²Π°Π½ ΡΡΠ°Π»ΡΠ½ΠΎΠΉ Π·Π°ΠΊΡΡΡΠΎΠΉ ΠΊΠ°Π±ΠΈΠ½ΠΎΠΉ(Π² ΠΎΡΠ»ΠΈΡΠΈΠ΅ ΠΎΡ Π±Π°Π·ΠΎΠ²ΠΎΠΉ
ΠΠ΅ΡΡΠΈΡ) ΠΈ, ΠΊΠ°ΠΊ ΠΈ ΠΌΠ½ΠΎΠ³ΠΈΠ΅ Π΄ΡΡΠ³ΠΈΠ΅ ΡΠΎΠ²Π΅ΡΡΠΊΠΈΠ΅ Π°Π²ΡΠΎΠΌΠΎΠ±ΠΈΠ»ΠΈ, Ρ ΠΏΠΎΠ΄ΠΎΠ³ΡΠ΅Π²ΠΎΠΌ
ΠΠ²ΠΈΠ³Π°ΡΠ΅Π»Ρ Π΄Π»Ρ ΡΠ°Π±ΠΎΡΡ Π² Ρ ΠΎΠ»ΠΎΠ΄Π½ΠΎΠΌ ΠΊΠ»ΠΈΠΌΠ°ΡΠ΅.Π‘ΠΈΡΡΠ΅ΠΌΠ° ΡΠΏΡΠ°Π²Π»Π΅Π½ΠΈΡ Π΄Π»Ρ
ΠΠ°Π²Π»Π΅Π½ΠΈΠ΅ Π² ΡΠΈΠ½Π°Ρ ΠΎΠ±Π΅ΡΠΏΠ΅ΡΠΈΠ²Π°Π΅Ρ Π΄ΠΎΡΡΠ°ΡΠΎΡΠ½ΡΡ ΠΏΡΠΎΡ ΠΎΠ΄ΠΈΠΌΠΎΡΡΡ Ρ Π³ΡΡΠ·ΠΎΠΌ
ΠΠ»Ρ Π»ΡΠ±ΠΎΠ³ΠΎ Π³ΡΡΠ½ΡΠ°. Π ΠΊΠΎΠΌΠΏΠ»Π΅ΠΊΡ Π΄ΠΎΡΠ°Π±ΠΎΡΠΎΠΊ Π²Ρ ΠΎΠ΄ΠΈΡ ΡΠ΅ΠΌΠΎΠ½Ρ —
ΡΠ²Π°ΠΊΡΠ°ΡΠΈΠΎΠ½Π½Π°Ρ ΠΌΠ°ΡΠΈΠ½Π°, Π΄Π° Π΅ΡΠ΅ Π½Π° Π±Π΅Π½Π·ΠΎΠ·Π°ΠΏΡΠ°Π²ΡΠΈΠΊΠ΅ ΡΠΏΠ΅ΡΠΈΠ°Π»ΡΠ½ΡΠΉ
Π³ΡΡΠ·ΠΎΠ²ΠΈΠΊ Π΄Π»Ρ ΡΠ°Π±ΠΎΡΡ Π² ΡΡΠΎΠΏΠΈΠΊΠ°Ρ . Π‘ΠΏΠ΅ΡΠΈΠ°Π»ΡΠ½Π°Ρ Π²Π΅ΡΡΠΈΡ Π’ΠΠ‘-65
ΠΡΡΡΠΌΠ°ΡΠΈΠ½Π° Π΄Π»Ρ Π΄Π΅Π·Π°ΠΊΡΠΈΠ²Π°ΡΠΈΠΈ. ΠΡΠ·ΠΎΠ² ΠΎΠ½Π° Π·Π°ΠΌΠ΅Π½ΠΈΠ»Π°
ΠΠ°ΠΊ Π΄Π»Ρ ΡΠΏΠ΅ΡΠΈΠ°Π»ΡΠ½ΠΎΠ³ΠΎ ΠΎΠΏΡΡΡΠΊΠΈΠ²Π°ΡΠ΅Π»Ρ ΠΈ Ρ Π΄Π΅Π·Π°ΠΊΡΠΈΠ²Π°ΡΠΈΠ΅ΠΉ
ΡΠΎΡΡΠ°Π².ΠΠ°ΡΠΈΠ½Π° ΡΠ²ΠΎΡ Π·Π°Π΄Π°ΡΡ Π²ΡΠΏΠΎΠ»Π½ΡΠ΅Ρ, ΠΌΠ΅Π΄Π»Π΅Π½Π½ΠΎ Π΄Π²ΠΈΠ³Π°ΡΡΡ ΠΏΠΎ
Π·Π°ΡΠ°ΠΆΠ΅Π½Π½ΡΡ ΡΠ΅ΡΡΠΈΡΠΎΡΠΈΠΉ ΠΈ ΠΎΠ±Π΅Π·Π·Π°ΡΠ°ΠΆΠΈΠ²Π°Π½ΠΈΠ΅ ΠΆΠΈΠ΄ΠΊΠΎΡΡΡΡ.
ΠΡΠΎΠΈΠ·Π²ΠΎΠ΄ΡΡΠ²ΠΎ: | Π‘Π‘Π‘Π | |
ΠΠΊΠΈΠΏΠ°ΠΆ: | 1 +2 | |
Π²Π΅Ρ: | 12,4 ΡΠΎΠ½Π½Ρ | |
Π Π°Π·ΠΌΠ΅ΡΡ: | Π΄Π»ΠΈΠ½Π° 7.35 ΠΌ, ΡΠΈΡΠΈΠ½Π° 2,69 ΠΌ, Π²ΡΡΠΎΡΠ° 2,08 ΠΌ | |
ΠΠΈΠ°ΠΏΠ°Π·ΠΎΠ½: | 650 ΠΊΠΌ | |
ΠΡΠΎΠ½Ρ: | β | |
ΠΠΎΠΎΡΡΠΆΠ΅Π½ΠΈΠ΅: | β | |
| ΠΠ²ΠΈΠ³Π°ΡΠ΅Π»Ρ : Π Π°Π±ΠΎΡΠ°Π΅Ρ ΠΊΠ°ΠΊ | ΠΠ΄ΠΈΠ½ Π΄ΠΈΠ·Π΅Π»Ρ ΠΠΠ-375 Ρ 180 ΠΠ°ΠΊΡΠΈΠΌΠ°Π»ΡΠ½Π°Ρ ΡΠΊΠΎΡΠΎΡΡΡ ΠΏΠΎ Π΄ΠΎΡΠΎΠ³Π΅ 75 ΠΊΠΌ / Ρ ΠΠ°Π±ΠΎΡ Π²ΡΡΠΎΡΡ | Π.Ρ ΡΡΠ°ΡΡΠΈΠ΅ΠΌ. ΠΡΠΎΠ΄ 1,0 ΠΌ |
ΠΠ°Π·Π° Π΄Π°Π½Π½ΡΡ ΠΏΠΎ Π΄ΠΈΠ°Π³Π½ΠΎΡΡΠΈΠΊΠ΅ ΠΈ ΡΠ΅ΠΌΠΎΠ½ΡΡ Π°Π²ΡΠΎΠΌΠΎΠ±ΠΈΠ»Π΅ΠΉ
ΠΠΈΠ°Π³Π½ΠΎΡΡΠΈΠΊΠ° ΠΈ ΡΠΏΡΠ°Π²ΠΎΡΠ½ΡΠ΅ Π΄Π°Π½Π½ΡΠ΅ ΠΏΠΎ Π½Π΅ΡΠΊΠΎΠ»ΡΠΊΠΈΠΌ ΠΌΠΎΠ΄Π΅Π»ΡΠΌ Π°Π²ΡΠΎΠΌΠΎΠ±ΠΈΠ»Π΅ΠΉ, Π²ΠΊΠ»ΡΡΠ°Ρ ΡΠ»Π΅ΠΊΡΡΠΈΡΠ΅ΡΠΊΠΈΠ΅ ΡΡ Π΅ΠΌΡ, ΠΊΠΎΠ΄Ρ Π½Π΅ΠΈΡΠΏΡΠ°Π²Π½ΠΎΡΡΠΈ, Π΄Π°Π½Π½ΡΠ΅ ΠΎ ΡΠ°ΡΠΏΠΈΠ½ΠΎΠ²ΠΊΠ΅ ΠΈ ΡΠΎΡΠΌΠ΅ ΡΠΈΠ³Π½Π°Π»ΠΎΠ² ΠΠΠ£, ΡΡ Π΅ΠΌΡ ΡΠ°ΡΠΏΠΎΠ»ΠΎΠΆΠ΅Π½ΠΈΡ, ΠΏΡΠ΅Π΄ΠΎΡ ΡΠ°Π½ΠΈΡΠ΅Π»ΠΈ ΠΈ ΡΠ΅Π»Π΅, ΡΠΈΠΏΠΈΡΠ½ΡΠ΅ Π½Π΅ΠΈΡΠΏΡΠ°Π²Π½ΠΎΡΡΠΈ.
ΠΠ½Π»Π°ΠΉΠ½-Π±Π°Π·Π° Π΄Π°Π½Π½ΡΡ
— Π΄ΠΎΡΡΡΠΏΠ½Π° 24/7
ΠΠΊΠΎΠ½ΠΎΠΌΠΈΡΠ½ΡΠΉ ΠΏΠΎΠ΄Ρ
ΠΎΠ΄, ΠΊΠΎΡΠΎΡΡΠΉ ΡΠΊΠΎΠ½ΠΎΠΌΠΈΡ Π²Π°ΡΠ΅ Π²ΡΠ΅ΠΌΡ ΠΈ Π΄Π΅Π½ΡΠ³ΠΈ!
Π£Π·Π½Π°ΡΡ Π±ΠΎΠ»ΡΡΠ΅ β
- ΠΠ»Π΅ΠΊΡΡΠΈΡΠ΅ΡΠΊΠΈΠ΅ ΡΡ Π΅ΠΌΡ : Π±ΠΎΠ»Π΅Π΅ 15 000 ΡΠ²Π΅ΡΠ½ΡΡ ΠΈΠ½ΡΠ΅ΡΠ°ΠΊΡΠΈΠ²Π½ΡΡ ΡΠ»Π΅ΠΊΡΡΠΈΡΠ΅ΡΠΊΠΈΡ ΡΡ Π΅ΠΌ Ρ ΡΡΠ°ΡΡΠΈΡΠΎΠ²ΠΊΠΎΠΉ ΠΏΡΠΎΠ²ΠΎΠ΄ΠΎΠ² ΠΈ ΠΏΠ΅ΡΠ΅ΠΊΡΠ΅ΡΡΠ½ΡΠΌΠΈ ΡΠ²ΡΠ·ΡΠΌΠΈ
- DTC : ΠΎΠ±ΡΠΈΠ΅ ΠΈ ΡΠΏΠ΅ΡΠΈΡΠΈΡΠ΅ΡΠΊΠΈΠ΅ Π΄Π»Ρ ΠΏΡΠΎΠΈΠ·Π²ΠΎΠ΄ΠΈΡΠ΅Π»Ρ ΠΊΠΎΠ΄Ρ OBD-II (P0, P1, P2, P3, U0, U1, U2, C, B), Flash ΠΈ HEX-ΠΊΠΎΠ΄Ρ Ρ ΡΡΠ»ΠΎΠ²ΠΈΡΠΌΠΈ ΠΏΠΎΡΠ²Π»Π΅Π½ΠΈΡ ΠΈ Π²ΠΎΠ·ΠΌΠΎΠΆΠ½ΡΠΌΠΈ ΠΏΡΠΈΡΠΈΠ½Π°ΠΌΠΈ
- ΠΠΎΠΈΡΠΊ : ΠΏΠΎ Π΄ΠΈΠ°Π³Π½ΠΎΡΡΠΈΡΠ΅ΡΠΊΠΎΠΌΡ ΠΊΠΎΠ΄Ρ Π½Π΅ΠΈΡΠΏΡΠ°Π²Π½ΠΎΡΡΠΈ, ΠΊΠΎΠ΄Ρ Π΄Π²ΠΈΠ³Π°ΡΠ΅Π»Ρ ΠΈ ΠΊΠΎΠ΄Ρ ΡΡΠ°Π½ΡΠΌΠΈΡΡΠΈΠΈ Π΄Π»Ρ Π΄ΠΈΠ°Π³Π½ΠΎΡΡΠΈΠΊΠΈ ΠΏΠΎ Π°Π½Π°Π»ΠΎΠ³ΠΈΠΈ
- Pindata : ΡΠ°ΡΠΏΠΈΠ½ΠΎΠ²ΠΊΠ° ΠΈ ΡΠΎΡΠΌΡ ΡΠΈΠ³Π½Π°Π»ΠΎΠ² Π΄Π»Ρ Π½Π΅ΡΠΊΠΎΠ»ΡΠΊΠΈΡ Π±Π»ΠΎΠΊΠΎΠ² ΡΠΏΡΠ°Π²Π»Π΅Π½ΠΈΡ
- TSB : ΡΠΈΠΏΠΈΡΠ½ΡΠ΅ Π½Π΅ΠΈΡΠΏΡΠ°Π²Π½ΠΎΡΡΠΈ Π² Π·Π°Π²ΠΈΡΠΈΠΌΠΎΡΡΠΈ ΠΎΡ ΠΌΠΎΠ΄Π΅Π»ΠΈ
- Π‘Ρ Π΅ΠΌΡ ΡΠ°ΡΠΏΠΎΠ»ΠΎΠΆΠ΅Π½ΠΈΡ : ΡΠ°ΡΠΏΠΎΠ»ΠΎΠΆΠ΅Π½ΠΈΠ΅ ΡΠ»Π΅ΠΌΠ΅Π½ΡΠΎΠ², Π²ΠΊΠ»ΡΡΠ°Ρ Π΄ΠΈΠ°Π³Π½ΠΎΡΡΠΈΡΠ΅ΡΠΊΠΈΠΉ ΡΠ°Π·ΡΠ΅ΠΌ ΠΠ ΠΈ ΡΠΎΡΠ΅ΠΊ Π·Π°Π·Π΅ΠΌΠ»Π΅Π½ΠΈΡ
- Π Π°ΡΠΏΡΠ΅Π΄Π΅Π»ΠΈΡΠ΅Π»ΡΠ½ΡΠ΅ ΠΊΠΎΡΠΎΠ±ΠΊΠΈ : ΡΠ΅Π»Π΅, ΠΏΡΠ΅Π΄ΠΎΡ ΡΠ°Π½ΠΈΡΠ΅Π»ΠΈ, Π·Π°ΡΠΈΡΠ°Π΅ΠΌΡΠ΅ ΡΠ΅ΠΏΠΈ
- Π Π°Π·ΡΠ΅ΠΌΡ : ΡΠ»Π΅ΠΌΠ΅Π½ΡΡ ΠΈ ΠΏΡΠΎΠΌΠ΅ΠΆΡΡΠΎΡΠ½ΡΠ΅ ΡΠ°Π·ΡΠ΅ΠΌΡ
- ΠΡΠΎΠ²Π΅ΡΠΊΠ° ΡΠ»Π΅ΠΌΠ΅Π½ΡΠΎΠ² : ΠΏΡΠΎΡΠ΅Π΄ΡΡΡ ΠΏΡΠΎΠ²Π΅ΡΠΊΠΈ ΠΈ ΠΈΠ½ΠΈΡΠΈΠ°Π»ΠΈΠ·Π°ΡΠΈΠΈ
- ΠΠ±ΡΠ΅ΠΌ ΠΆΠΈΠ΄ΠΊΠΎΡΡΠΈ ΠΈ ΡΠΈΠΏΡ ΠΌΠ°ΡΠ»Π° Π΄Π»Ρ Π±ΠΎΠ»Π΅Π΅ ΡΠ΅ΠΌ 1000 ΠΌΠΎΠ΄Π΅Π»Π΅ΠΉ
MotorData OBD ΠΏΠΎΠ·Π²ΠΎΠ»ΡΠ΅Ρ Π»Π΅Π³ΠΊΠΎ Π΄ΠΈΠ°Π³Π½ΠΎΡΡΠΈΡΠΎΠ²Π°ΡΡ Π±Π»ΠΎΠΊ ΡΠΏΡΠ°Π²Π»Π΅Π½ΠΈΡ Π΄Π²ΠΈΠ³Π°ΡΠ΅Π»Π΅ΠΌ ΠΈ Π΄ΡΡΠ³ΠΈΠ΅ ΡΠΈΡΡΠ΅ΠΌΡ Π²Π°ΡΠ΅Π³ΠΎ Π°Π²ΡΠΎΠΌΠΎΠ±ΠΈΠ»Ρ (Ρ ΠΏΠΎΠΌΠΎΡΡΡ ΠΏΡΠΈΠΎΠ±ΡΠ΅ΡΠ΅Π½Π½ΠΎΠ³ΠΎ ΠΏΠ»Π°Π³ΠΈΠ½Π°), Π° ΡΠ°ΠΊΠΆΠ΅ ΠΎΡΠΊΠ»ΡΡΠ°ΡΡ ΠΈΠ½Π΄ΠΈΠΊΠ°ΡΠΎΡ ΠΏΡΠΎΠ²Π΅ΡΠΊΠΈ Π΄Π²ΠΈΠ³Π°ΡΠ΅Π»Ρ (MIL) ΠΏΠΎΡΠ»Π΅ Π·Π°Π²Π΅ΡΡΠ΅Π½ΠΈΡ ΡΠ΅ΠΌΠΎΠ½ΡΠ°.
ΠΠΎΠ΄Π΄Π΅ΡΠΆΠΈΠ²Π°Π΅ΠΌΡΠ΅ Π°Π΄Π°ΠΏΡΠ΅ΡΡ: ELM 327 Bluetooth / Wi-Fi
Π Π΅Π³ΠΈΡΡΡΠ°ΡΠΈΡ ΠΈΠ»ΠΈ ΠΏΠΎΠ΄ΠΊΠ»ΡΡΠ΅Π½ΠΈΠ΅ ΠΊ ΠΠ½ΡΠ΅ΡΠ½Π΅ΡΡ Π½Π΅ ΡΡΠ΅Π±ΡΠ΅ΡΡΡ.
Π£Π·Π½Π°ΡΡ Π±ΠΎΠ»ΡΡΠ΅ Π² Google Play β
- Π‘ΡΠ°Π½Π΄Π°ΡΡΠ½ΡΠΉ ELM327 ΠΏΠΎΠ΄ΠΊΠ»ΡΡΠ΅Π½ΠΈΠ΅ Π°Π΄Π°ΠΏΡΠ΅ΡΠ° ΡΠ΅ΡΠ΅Π· OBD-II ΠΏΠΎΡΡ
- Π§ΡΠ΅Π½ΠΈΠ΅ ΠΈ ΠΎΡΠΈΡΡΠΊΠ° ΠΊΠΎΠ΄ΠΎΠ² Π½Π΅ΠΈΡΠΏΡΠ°Π²Π½ΠΎΡΡΠΈ
- Π§ΡΠ΅Π½ΠΈΠ΅ ΡΡΠΎΠΏ-ΠΊΠ°Π΄ΡΠΎΠ²
- ΠΠΎΠ½ΠΈΡΠΎΡΠΈΠ½Π³ ΠΈ ΠΏΠΎΡΡΡΠΎΠ΅Π½ΠΈΠ΅ Π³ΡΠ°ΡΠΈΠΊΠΎΠ² ΡΠ°Π±ΠΎΡΠΈΡ ΠΏΠ°ΡΠ°ΠΌΠ΅ΡΡΠΎΠ²
- Π‘ΡΠΈΡΡΠ²Π°Π½ΠΈΠ΅ ΠΏΠ°ΡΠΏΠΎΡΡΠ½ΡΡ Π΄Π°Π½Π½ΡΡ ΠΈΠ· ΠΠΠ£: VIN, , Π²Π΅ΡΡΠΈΡ ΠΏΡΠΎΡΠΈΠ²ΠΊΠΈ ΠΈ Ρ. Π.
GTA San Andreas Π£ΡΠ°Π» 375 Firetruck Mod
- Grand Theft Auto V
MODS ΠΏΠΎΠΊΠ°Π·Π°ΡΡ Π²ΡΠ΅
- Π‘Π°ΠΌΠΎΠ»Π΅Ρ (298)
- ΠΠ΅Π»ΠΎΡΠΈΠΏΠ΅Π΄Ρ (430)
- ΠΠΎΠ΄ΠΊΠΈ (68)
- ΠΠ΅Π³ΠΊΠΎΠ²ΡΠ΅ Π°Π²ΡΠΎΠΌΠΎΠ±ΠΈΠ»ΠΈ (5675)
- Π₯Π΅Π»ΠΈΡ (67)
- ΠΠ°ΡΡΡ (467)
- ΠΠΎΠ΄Ρ (1288)
- ΠΡΡΠ³ΠΎΠ΅ (82)
- Π‘ΠΎΡ ΡΠ°Π½Π΅Π½ΠΈΡ (45)
- Π‘ΠΊΠΈΠ½Ρ (965)
- ΠΠ½ΡΡΡΡΠΌΠ΅Π½ΡΡ (41)
- ΠΡΠΎΡΡΠΎΠ²ΠΊΠΈ (22)
- ΠΠΎΠ΅Π·Π΄Π° (46)
- ΠΡΡΠΆΠΈΠ΅ (157)
Π Π΅ΠΊΠΎΠΌΠ΅Π½Π΄ΡΠ΅ΠΌΡΠ΅ Π΅ΡΠ΅
- BMW M3 E30 1990 [ΠΠΎΠΏΠΎΠ»Π½Π΅Π½ΠΈΠ΅ | Π’ΡΠ½ΠΈΠ½Π³ | Π¨Π°Π±Π»ΠΎΠ½]
ΠΠ½ΡΠΎΡΠΌΠ°ΡΠΈΡ ΠΈ Π‘ΠΠ
- ΠΠ½ΡΠΎΡΠΌΠ°ΡΠΈΡ
- ΠΠ°ΡΡΠ°
- ΠΡΠ΅ΡΡ
- ΠΠΎΠ΄Ρ
- ΠΡΠΎΡ ΠΎΠΆΠ΄Π΅Π½ΠΈΠ΅
- Π£ΡΠ΅Π±Π½ΠΈΠΊΠΈ
- Π‘ΠΊΡΠΈΠ½ΡΠΎΡΡ
- Π‘ΠΊΡΠΈΠ½ΡΠΎΡΡ (PC)
- ΠΡΠΎΠΈΠ·Π²Π΅Π΄Π΅Π½ΠΈΡ
- Grand Theft Auto IV
MODS ΠΏΠΎΠΊΠ°Π·Π°ΡΡ Π²ΡΠ΅
- Π‘Π°ΠΌΠΎΠ»Π΅ΡΡ (50)
- ΠΠ΅Π»ΠΎΡΠΈΠΏΠ΅Π΄Ρ (237)
- ΠΠΎΠ΄ΠΊΠΈ (39)
- ΠΠ΅Π³ΠΊΠΎΠ²ΡΠ΅ Π°Π²ΡΠΎΠΌΠΎΠ±ΠΈΠ»ΠΈ (5945)
- Π₯Π΅Π»ΠΈΡ (88)
- ΠΠ°ΡΡΡ (318)
- ΠΠΎΠ΄Ρ (1754)
- ΠΡΡΠ³ΠΎΠ΅ (133)
- Π‘ΠΎΡ ΡΠ°Π½Π΅Π½ΠΈΡ (45)
- Π‘ΠΊΠΈΠ½Ρ (1577)
- ΠΠ½ΡΡΡΡΠΌΠ΅Π½ΡΡ (77)
- ΠΡΠΎΡΡΠΎΠ²ΠΊΠΈ (24)
- ΠΠΎΠ΅Π·Π΄Π° (7)
- ΠΡΡΠΆΠΈΠ΅ (401)
Π Π΅ΠΊΠΎΠΌΠ΅Π½Π΄ΡΠ΅ΠΌΡΠ΅ Π΅ΡΠ΅
- 1993 Chevrolet Caprice (ΠΠΎΠ»Π΅ΡΠΎ 2)
ΠΠ½ΡΠΎΡΠΌΠ°ΡΠΈΡ ΠΈ Π‘ΠΠ
- ΠΠ°ΡΡΠ°
- Π Π°ΡΠΏΠΎΠ»ΠΎΠΆΠ΅Π½ΠΈΠ΅
- ΠΠ΅ΡΡΠΎΠ½Π°ΠΆΠΈ
- ΠΡΡΠΆΠΈΠ΅
- Π Π°Π΄ΠΈΠΎΡΡΠ°Π½ΡΠΈΠΈ
- Π Π°ΡΡΠΊΠ°Π·
- ΠΡΠΎΡ ΠΎΠΆΠ΄Π΅Π½ΠΈΠ΅
- TLAD ΠΡΠΎΡ ΠΎΠΆΠ΄Π΅Π½ΠΈΠ΅ ΠΡΠΎΡ ΠΎΠΆΠ΄Π΅Π½ΠΈΠ΅
- TBogT
- ΠΠΎΠ΄Ρ ΠΠΎΠ΄Ρ ΠΎΡΠΈΠ±ΠΎΠΊ
- (ΠΠ)
- Π‘ΠΊΡΠΈΠ½ΡΠΎΡΡ
- Π‘ΠΊΡΠΈΠ½ΡΠΎΡΡ (PC)
- ΠΡΠΎΠΈΠ·Π²Π΅Π΄Π΅Π½ΠΈΡ
- Π‘Π°Π½-ΠΠ½Π΄ΡΠ΅Π°Ρ
MODS ΠΏΠΎΠΊΠ°Π·Π°ΡΡ Π²ΡΠ΅
- Π‘Π°ΠΌΠΎΠ»Π΅ΡΡ (1925)
- ΠΠ΅Π»ΠΎΡΠΈΠΏΠ΅Π΄Ρ (1759)
- ΠΠΎΠ΄ΠΊΠΈ (132)
- ΠΠ΅Π³ΠΊΠΎΠ²ΡΠ΅ Π°Π²ΡΠΎΠΌΠΎΠ±ΠΈΠ»ΠΈ (25544)
- ΠΠ΅ΡΡΠΎΠ»Π΅Ρ (403)
- ΠΠ°ΡΡΡ (1274)
- ΠΠΎΠ΄ΠΈΡΠΈΠΊΠ°ΡΠΈΠΈ (19532)
- ΠΡΡΠ³ΠΎΠ΅ (514)
- Π‘ΠΎΡ ΡΠ°Π½Π΅Π½ΠΈΡ (259)
- Π‘ΠΊΠΈΠ½Ρ (16065)
- ΠΠ½ΡΡΡΡΠΌΠ΅Π½ΡΡ (202)
- ΠΡΠΎΡΡΠΎΠ²ΠΊΠΈ (10)
- ΠΠΎΠ΅Π·Π΄Π° (420)
- ΠΡΡΠΆΠΈΠ΅ (3528)
Π Π΅ΠΊΠΎΠΌΠ΅Π½Π΄ΡΠ΅ΠΌΡΠ΅ Π΅ΡΠ΅
- 1992 Honda NR-750
ΠΠ½ΡΠΎΡΠΌΠ°ΡΠΈΡ ΠΈ Π‘ΠΠ
- ΠΠ°ΡΡΠ°
- ΠΡΠ΅ΡΡ
- Π£ΡΠ΅Π±Π½ΠΈΠΊΠΈ
- Π‘ΠΊΡΠΈΠ½ΡΠΎΡΡ (PC)
- Π‘ΠΊΡΠΈΠ½ΡΠΎΡΡ (Xbox)
- Π‘ΠΊΡΠΈΠ½ΡΠΎΡΡ (PS2)
- ΠΡΠΎΠΈΠ·Π²Π΅Π΄Π΅Π½ΠΈΡ
- ΠΠ°ΠΉΡ-Π‘ΠΈΡΠΈ
MODS ΠΏΠΎΠΊΠ°Π·Π°ΡΡ Π²ΡΠ΅
- III / VC ΠΠ²ΡΠΎΠΌΠΎΠ±ΠΈΠ»ΠΈ (2543)
- Π‘Π°ΠΌΠΎΠ»Π΅ΡΡ (24)
- ΠΠ΅Π»ΠΎΡΠΈΠΏΠ΅Π΄Ρ (148)
- ΠΠΎΠ΄ΠΊΠΈ (13)
- ΠΠ΅ΡΡΠΎΠ»Π΅Ρ (23)
- ΠΠ°ΡΡΡ (181)
- ΠΠΎΠ΄Ρ (1266)
- ΠΡΡΠ³ΠΎΠ΅ (62)
- Π‘ΠΎΡ ΡΠ°Π½Π΅Π½ΠΈΡ (52)
- Π‘ΠΊΠΈΠ½Ρ (684)
- ΠΠ½ΡΡΡΡΠΌΠ΅Π½ΡΡ (40)
- ΠΡΠΎΡΡΠΎΠ²ΠΊΠΈ (5)
- ΠΡΡΠΆΠΈΠ΅ (295)
Π Π΅ΠΊΠΎΠΌΠ΅Π½Π΄ΡΠ΅ΠΌΡΠ΅ Π΅ΡΠ΅
- 2009 Aprilia RSV4 — ΠΈΠ·Π΄Π°Π½ΠΈΠ΅ II
ΠΠ½ΡΠΎΡΠΌΠ°ΡΠΈΡ ΠΈ Π‘ΠΠ
- ΠΡΡΠΆΠΈΠ΅
- ΠΠ°ΡΡΠ°
- Π‘ΠΊΡΠΈΠ½ΡΠΎΡΡ (PC)
- Π‘ΠΊΡΠΈΠ½ΡΠΎΡΡ (Xbox)
- Π‘ΠΊΡΠΈΠ½ΡΠΎΡΡ (PS2)
- ΠΡΠΎΠΈΠ·Π²Π΅Π΄Π΅Π½ΠΈΡ
- GTA III
MODS ΠΏΠΎΠΊΠ°Π·Π°ΡΡ Π²ΡΠ΅
- ΠΠ΅Π³ΠΊΠΎΠ²ΡΠ΅ Π°Π²ΡΠΎΠΌΠΎΠ±ΠΈΠ»ΠΈ (2543)
- ΠΠ°ΡΡΡ (19)
- ΠΠΎΠ΄Ρ (1155)
- ΠΡΡΠ³ΠΎΠ΅ (56)
- Π‘ΠΎΡ ΡΠ°Π½Π΅Π½ΠΈΡ (37)
- Π‘ΠΊΠΈΠ½Ρ (384)
- ΠΠ½ΡΡΡΡΠΌΠ΅Π½ΡΡ (24)
- ΠΡΠΎΡΡΠΎΠ²ΠΊΠΈ (3)
Π Π΅ΠΊΠΎΠΌΠ΅Π½Π΄ΡΠ΅ΠΌΡΠ΅ Π΅ΡΠ΅
- 2015 Ferrari 458 Speciale v1.1
ΠΠ½ΡΠΎΡΠΌΠ°ΡΠΈΡ ΠΈ Π‘ΠΠ
- Π‘ΠΊΡΠΈΠ½ΡΠΎΡΡ (PC)
- Π‘ΠΊΡΠΈΠ½ΡΠΎΡΡ (Xbox)
- Π‘ΠΊΡΠΈΠ½ΡΠΎΡΡ (PS2)
- ΠΡΠΎΠΈΠ·Π²Π΅Π΄Π΅Π½ΠΈΡ
- ΠΠ΅Π½Ρ
- ΠΡΡ ΠΈΠ² Π½ΠΎΠ²ΠΎΡΡΠ΅ΠΉ
- ΠΠΎΠΈΡΠΊ
- ΠΠ°Π³ΡΡΠ·ΠΈΡΡ ΠΌΠΎΠ΄
- FAQ
- Π£ΡΠ΅Π±Π½ΠΈΠΊΠΈ
- Π€ΠΎΡΡΠΌΡ
- ΠΡΠΎΡΠΈΠ»Ρ
- ΠΠΎΠΉ ΠΏΡΠΎΡΠΈΠ»Ρ
- ΠΠΎΠΈ Π·Π°Π³ΡΡΠ·ΠΊΠΈ
- ΠΠΎΠ΅ ΠΈΠ·Π±ΡΠ°Π½Π½ΠΎΠ΅
- ΠΠ°ΡΡΡΠΎΠΉΠΊΠΈ
- ΠΠΎΠΆΠ°Π»ΡΠΉΡΡΠ°, Π²ΠΎΠΉΠ΄ΠΈΡΠ΅
- ΠΠΎΠΈΡΠΊ
- Π Π°Π·ΠΌΠ΅ΡΡΠΈΡΡ Π Π°ΡΡΠΈΡΠ΅Π½Π½ΡΠΉ ΠΏΠΎΠΈΡΠΊ
- ΠΠ°Π³ΡΡΠ·ΠΈΡΡ ΠΌΠΎΠ΄
- Π‘ΠΎΠΎΠ±ΡΠ΅Π½ΠΈΡ
- Π‘ΠΎΠΎΠ±ΡΠ΅Π½ΠΈΡ:
ΠΠΎΠΆΠ°Π»ΡΠΉΡΡΠ°, Π²ΠΎΠΉΠ΄ΠΈΡΠ΅, ΡΡΠΎΠ±Ρ ΠΈΡΠΏΠΎΠ»ΡΠ·ΠΎΠ²Π°ΡΡ ΡΡΡ ΡΡΠ½ΠΊΡΠΈΡ ΡΠ°ΠΉΡΠ°.ΠΠΎΠΉΡΠΈ | ΡΠ΅Π³ΠΈΡΡΡ
- Π‘ΠΎΠΎΠ±ΡΠ΅Π½ΠΈΡ:
- Π£Π²Π΅Π΄ΠΎΠΌΠ»Π΅Π½ΠΈΡ
- Π£Π²Π΅Π΄ΠΎΠΌΠ»Π΅Π½ΠΈΡ:
ΠΠΎΠΆΠ°Π»ΡΠΉΡΡΠ°, Π²ΠΎΠΉΠ΄ΠΈΡΠ΅ Π² ΡΠΈΡΡΠ΅ΠΌΡ, ΡΡΠΎΠ±Ρ ΠΈΡΠΏΠΎΠ»ΡΠ·ΠΎΠ²Π°ΡΡ ΡΡΡ ΡΡΠ½ΠΊΡΠΈΡ ΡΠ°ΠΉΡΠ°.ΠΠΎΠΉΡΠΈ | ΡΠ΅Π³ΠΈΡΡΡ
- Π£Π²Π΅Π΄ΠΎΠΌΠ»Π΅Π½ΠΈΡ:
35 Howo Trucks Π‘ΠΊΠ°ΡΠ°ΡΡ ΡΡΠΊΠΎΠ²ΠΎΠ΄ΡΡΠ²ΠΎ ΠΏΠΎ ΡΠ΅ΠΌΠΎΠ½ΡΡ Π±Π΅ΡΠΏΠ»Π°ΡΠ½ΠΎ
ΠΠΎΠ³ΠΎΡΠΈΠΏ Howo
Π‘ΠΊΠ°ΡΠ°ΡΡ Howo Service Manuals Free
| ΠΠ°Π³ΠΎΠ»ΠΎΠ²ΠΎΠΊ | Π Π°Π·ΠΌΠ΅Ρ ΡΠ°ΠΉΠ»Π° | Π‘ΡΡΠ»ΠΊΠ° Π΄Π»Ρ ΡΠΊΠ°ΡΠΈΠ²Π°Π½ΠΈΡ |
| ΠΠΏΠΎΡΡΠΈΠ»Ρ CBCU HOWO.pdf | 434 ΠΠ | ΠΠ°Π³ΡΡΠ·ΠΈΡΡ |
| Π ΡΠΊΠΎΠ²ΠΎΠ΄ΡΡΠ²ΠΎ ΠΏΠΎ Π΄Π²ΠΈΠ³Π°ΡΠ΅Π»Ρ HOWO WD615.zip | 2.9ΠΠ± | ΠΠ°Π³ΡΡΠ·ΠΈΡΡ |
| Howo A7 Serice Repair Manual.pdf | 10.6ΠΠ± | ΠΠ°Π³ΡΡΠ·ΠΈΡΡ |
| Howo A7. ΠΡΠΈ STR. Π ΡΠΊΠΎΠ²ΠΎΠ΄ΡΡΠ²ΠΎ ΠΏΠΎ ΡΠ΅ΠΌΠΎΠ½ΡΡ.pdf | 5.9 ΠΠ± | ΠΠ°Π³ΡΡΠ·ΠΈΡΡ |
| Howo A7. Π’ΠΎΡΠΌΠΎΠ·Π½Π°Ρ ΡΠΈΡΡΠ΅ΠΌΠ°. Π ΡΠΊΠΎΠ²ΠΎΠ΄ΡΡΠ²ΠΎ ΠΏΠΎ ΡΠ΅ΠΌΠΎΠ½ΡΡ.pdf | 3.4ΠΠ± | ΠΠ°Π³ΡΡΠ·ΠΈΡΡ |
| Howo A7. Π‘ΡΠ΅ΠΏΠ»Π΅Π½ΠΈΠ΅. Π ΡΠΊΠΎΠ²ΠΎΠ΄ΡΡΠ²ΠΎ ΠΏΠΎ ΡΠ΅ΠΌΠΎΠ½ΡΡ.pdf | 6.4 ΠΠ± | ΠΠ°Π³ΡΡΠ·ΠΈΡΡ |
| Howo A7. ΠΠ»Π΅ΠΊΡΡΠΎΠΎΠ±ΠΎΡΡΠ΄ΠΎΠ²Π°Π½ΠΈΠ΅. Description.pdf | 5.6 ΠΠ± | ΠΠ°Π³ΡΡΠ·ΠΈΡΡ |
| Howo A7. ΠΠ»Π΅ΠΊΡΡΠΎΠΎΠ±ΠΎΡΡΠ΄ΠΎΠ²Π°Π½ΠΈΠ΅. Troubleshooting.pdf | 18.1 ΠΠ± | ΠΠ°Π³ΡΡΠ·ΠΈΡΡ |
| Howo A7. Π Π°ΠΌΠ° ΠΈ ΠΏΠΎΠ΄Π²Π΅ΡΠΊΠ°. Π ΡΠΊΠΎΠ²ΠΎΠ΄ΡΡΠ²ΠΎ ΠΏΠΎ ΡΠ΅ΠΌΠΎΠ½ΡΡ.pdf | 1.6ΠΠ± | ΠΠ°Π³ΡΡΠ·ΠΈΡΡ |
| Howo A7. ΠΠ΅ΡΠ΅Π΄Π½ΠΈΠΉ ΠΌΠΎΡΡ STR. Π ΡΠΊΠΎΠ²ΠΎΠ΄ΡΡΠ²ΠΎ ΠΏΠΎ ΡΠ΅ΠΌΠΎΠ½ΡΡ.pdf | 7.5 ΠΠ± | ΠΠ°Π³ΡΡΠ·ΠΈΡΡ |
| Howo A7. ΠΠΎΡΠΎΠ±ΠΊΠ° ΠΏΠ΅ΡΠ΅Π΄Π°Ρ HW19710. Π ΡΠΊΠΎΠ²ΠΎΠ΄ΡΡΠ²ΠΎ ΠΏΠΎ ΡΠ΅ΠΌΠΎΠ½ΡΡ.pdf | 50.9ΠΠ± | ΠΠ°Π³ΡΡΠ·ΠΈΡΡ |
| Howo A7. ΠΠΎΡΠΎΠ±ΠΊΠ° ΠΏΠ΅ΡΠ΅Π΄Π°Ρ HW19712. Π ΡΠΊΠΎΠ²ΠΎΠ΄ΡΡΠ²ΠΎ ΠΏΠΎ ΡΠ΅ΠΌΠΎΠ½ΡΡ.pdf | 27.4Mb | ΠΠ°Π³ΡΡΠ·ΠΈΡΡ |
| Howo A7. Π ΡΠΊΠΎΠ²ΠΎΠ΄ΡΡΠ²ΠΎ.pdf | 13.2 ΠΠ± | ΠΠ°Π³ΡΡΠ·ΠΈΡΡ |
| Howo A7. Π ΡΠ»Π΅Π²ΠΎΠ΅ ΡΠΏΡΠ°Π²Π»Π΅Π½ΠΈΠ΅. Π ΡΠΊΠΎΠ²ΠΎΠ΄ΡΡΠ²ΠΎ ΠΏΠΎ ΡΠ΅ΠΌΠΎΠ½ΡΡ.pdf | 2.5 ΠΠ± | ΠΠ°Π³ΡΡΠ·ΠΈΡΡ |
| Π‘Ρ Π΅ΠΌΡ ΡΠ»Π΅ΠΊΡΡΠΈΡΠ΅ΡΠΊΠΈΡ ΡΠΎΠ΅Π΄ΠΈΠ½Π΅Π½ΠΈΠΉ Howo.doc | 2.9ΠΠ± | ΠΠ°Π³ΡΡΠ·ΠΈΡΡ |
| ΠΠ΅ΡΠ°Π»ΠΈ Π΄Π²ΠΈΠ³Π°ΡΠ΅Π»Ρ HOWO.pdf | 4.5 ΠΠ± | ΠΠ°Π³ΡΡΠ·ΠΈΡΡ |
| Howo Fast manuals.zip | 19.9ΠΠ± | ΠΠ°Π³ΡΡΠ·ΠΈΡΡ |
| Howo InformaΓ§Γ΅es TΓ©cnicas Sinotruk.xlsx | 1.6ΠΠ± | ΠΠ°Π³ΡΡΠ·ΠΈΡΡ |
| Howo SCR Tenneco. Manual.pdf | 3 ΠΠ | ΠΠ°Π³ΡΡΠ·ΠΈΡΡ |
| Howo SCR Tenneco. Π‘Π΅ΡΠ²ΠΈΡΠ½ΠΎΠ΅ ΡΡΠΊΠΎΠ²ΠΎΠ΄ΡΡΠ²ΠΎ.pdf | 13.9 ΠΠ± | ΠΠ°Π³ΡΡΠ·ΠΈΡΡ |
| Howo Trucks Transmission Fast 12JS160T, 12JS180T, 12JS200T Service Manual.rar | 6.9 ΠΠ± | ΠΠ°Π³ΡΡΠ·ΠΈΡΡ |
| ΠΠΈΠ·Π΅Π»Ρ-ΡΠ»Π΅ΠΊΡΡΠΈΡΠ΅ΡΠΊΠ°Ρ ΡΠΈΡΡΠ΅ΠΌΠ° Π²ΠΏΡΡΡΠΊΠ° ΡΠΎΠΏΠ»ΠΈΠ²Π° HOWO WD615.ΠΌΠΎΠ»Π½ΠΈΡ | 35.9ΠΠ± | ΠΠ°Π³ΡΡΠ·ΠΈΡΡ |
| Howo WD615 Service Manual.zip | 7.1 ΠΠ± | ΠΠ°Π³ΡΡΠ·ΠΈΡΡ |
| HOWO. ΠΠ²ΠΈΠ³Π°ΡΠ΅Π»Ρ D12 ΠΠ²ΡΠΎ III. Π ΡΠΊΠΎΠ²ΠΎΠ΄ΡΡΠ²ΠΎ ΠΏΠΎ ΡΠ΅ΠΌΠΎΠ½ΡΡ.pdf | 15.6 ΠΠ± | ΠΠ°Π³ΡΡΠ·ΠΈΡΡ |
| HOWO. ΠΠ²ΠΈΠ³Π°ΡΠ΅Π»Ρ WD615 Euro2 Repair Instructions.pdf | 37ΠΠ± | ΠΠ°Π³ΡΡΠ·ΠΈΡΡ |
| ΠΠ΅ΡΠ°Π»ΠΈ HOWO 72 series.zip | 3.7ΠΠ± | ΠΠ°Π³ΡΡΠ·ΠΈΡΡ |
| Treinamento BΓ‘sico HOWO 380.ppt | 2.5 ΠΠ± | ΠΠ°Π³ΡΡΠ·ΠΈΡΡ |
ΠΠ°ΡΠ°Π»ΠΎΠ³ΠΈ Π·Π°ΠΏΠ°ΡΠ½ΡΡ ΡΠ°ΡΡΠ΅ΠΉ Howo PDF
| ΠΠ°Π³ΠΎΠ»ΠΎΠ²ΠΎΠΊ | Π Π°Π·ΠΌΠ΅Ρ ΡΠ°ΠΉΠ»Π° | Π‘ΡΡΠ»ΠΊΠ° Π΄Π»Ρ ΡΠΊΠ°ΡΠΈΠ²Π°Π½ΠΈΡ |
| Howo A7, T7h, T5g, C7h, Shacman ΠΠ°ΠΏΡΠ°ΡΡΠΈ ΠΈ ΠΊΠ°ΡΠ°Π»ΠΎΠ³ Howo A7 Truck.pdf | 3.6ΠΠ± | ΠΠ°Π³ΡΡΠ·ΠΈΡΡ |
| ΠΠ°ΡΠ°Π»ΠΎΠ³ Π·Π°ΠΏΡΠ°ΡΡΠ΅ΠΉ HOWO 2005-2007.ΠΌΠΎΠ»Π½ΠΈΡ | 3,7 ΠΠ | ΠΠ°Π³ΡΡΠ·ΠΈΡΡ |
| ΠΠ°ΡΠ°Π»ΠΎΠ³ Π·Π°ΠΏΡΠ°ΡΡΠ΅ΠΉ Howo Trucks New 2005 — 2007.pdf | 4.2 ΠΠ± | ΠΠ°Π³ΡΡΠ·ΠΈΡΡ |
| HOWO WD615 2008 ΠΠ°ΡΠ°Π»ΠΎΠ³ Π·Π°ΠΏΡΠ°ΡΡΠ΅ΠΉ.pdf | 33.8ΠΠ± | ΠΠ°Π³ΡΡΠ·ΠΈΡΡ |
| ΠΠ°ΡΠ°Π»ΠΎΠ³ Π·Π°ΠΏΡΠ°ΡΡΠ΅ΠΉ Π΄ΠΈΠ·Π΅Π»ΡΠ½ΠΎΠ³ΠΎ Π΄Π²ΠΈΠ³Π°ΡΠ΅Π»Ρ Howo WD615.pdf | 5.2 ΠΠ± | ΠΠ°Π³ΡΡΠ·ΠΈΡΡ |
| ΠΠ°ΡΠ°Π»ΠΎΠ³ Π·Π°ΠΏΡΠ°ΡΡΠ΅ΠΉ Π΄ΠΈΠ·Π΅Π»ΡΠ½ΠΎΠ³ΠΎ Π΄Π²ΠΈΠ³Π°ΡΠ΅Π»Ρ WD615 ΡΠ΅ΡΠΈΠΈ EURO II.ΠΌΠΎΠ»Π½ΠΈΡ | 19.9ΠΠ± | ΠΠ°Π³ΡΡΠ·ΠΈΡΡ |
ΠΠΎΠ΄Ρ Π½Π΅ΠΈΡΠΏΡΠ°Π²Π½ΠΎΡΡΠ΅ΠΉ PDF
| ΠΠ°Π³ΠΎΠ»ΠΎΠ²ΠΎΠΊ | Π Π°Π·ΠΌΠ΅Ρ ΡΠ°ΠΉΠ»Π° | Π‘ΡΡΠ»ΠΊΠ° Π΄Π»Ρ ΡΠΊΠ°ΡΠΈΠ²Π°Π½ΠΈΡ |
| ΠΠΈΠ°Π³Π½ΠΎΡΡΠΈΡΠ΅ΡΠΊΠΈΠ΅ ΠΊΠΎΠ΄Ρ Π½Π΅ΠΈΡΠΏΡΠ°Π²Π½ΠΎΡΡΠ΅ΠΉ Π΄Π²ΠΈΠ³Π°ΡΠ΅Π»Π΅ΠΉ Sinotruk HOWO (PDF) .pdf | 143.9kb | ΠΠ°Π³ΡΡΠ·ΠΈΡΡ |
| ΠΠΈΠ°Π³Π½ΠΎΡΡΠΈΡΠ΅ΡΠΊΠΈΠ΅ ΠΊΠΎΠ΄Ρ Π½Π΅ΠΈΡΠΏΡΠ°Π²Π½ΠΎΡΡΠ΅ΠΉ Π΄Π»Ρ Π΄Π²ΠΈΠ³Π°ΡΠ΅Π»Π΅ΠΉ Sinotruk HOWO.pdf | 134.2ΠΊΠ± | ΠΠ°Π³ΡΡΠ·ΠΈΡΡ |
| Π‘ΠΏΠΈΡΠΎΠΊ ΠΊΠΎΠ΄ΠΎΠ² Π½Π΅ΠΈΡΠΏΡΠ°Π²Π½ΠΎΡΡΠ΅ΠΉ Π³ΡΡΠ·ΠΎΠ²ΠΈΠΊΠΎΠ² Howo — Π’Π°Π±Π»ΠΈΡΠ° Π΄ΠΈΠ°Π³Π½ΠΎΡΡΠΈΡΠ΅ΡΠΊΠΈΡ ΠΌΠΈΠ³Π°ΡΡΠΈΡ ΠΊΠΎΠ΄ΠΎΠ² Π½Π΅ΠΈΡΠΏΡΠ°Π²Π½ΠΎΡΡΠ΅ΠΉ ΡΠΈΡΡΠ΅ΠΌΡ ΡΠΎΠΏΠ»ΠΈΠ²Π½ΠΎΠ³ΠΎ Π½Π°ΡΠΎΡΠ° Π΄ΠΈΠ·Π΅Π»ΡΠ½ΠΎΠ³ΠΎ Π΄Π²ΠΈΠ³Π°ΡΠ΅Π»Ρ Common Rail (PDF).pdf | 330.9kb | ΠΠ°Π³ΡΡΠ·ΠΈΡΡ |
| HOWO. ΠΠ²ΠΈΠ³Π°ΡΠ΅Π»Ρ D12 ΠΠ²ΡΠΎ III. Π ΡΠΊΠΎΠ²ΠΎΠ΄ΡΡΠ²ΠΎ ΠΏΠΎ ΡΠ΅ΠΌΠΎΠ½ΡΡ-150-201.pdf | 3.3 ΠΠ± | ΠΠ°Π³ΡΡΠ·ΠΈΡΡ |
| Π’Π°Π±Π»ΠΈΡΠ° Π΄ΠΈΠ°Π³Π½ΠΎΡΡΠΈΡΠ΅ΡΠΊΠΈΡ ΠΌΠΈΠ³Π°ΡΡΠΈΡ ΠΊΠΎΠ΄ΠΎΠ² Π½Π΅ΠΈΡΠΏΡΠ°Π²Π½ΠΎΡΡΠ΅ΠΉ ΡΠΈΡΡΠ΅ΠΌΡ ΡΠΎΠΏΠ»ΠΈΠ²Π½ΠΎΠ³ΠΎ Π½Π°ΡΠΎΡΠ° Π΄ΠΈΠ·Π΅Π»ΡΠ½ΠΎΠ³ΠΎ Π΄Π²ΠΈΠ³Π°ΡΠ΅Π»Ρ Common Rail.pdf | 259.1kb | ΠΠ°Π³ΡΡΠ·ΠΈΡΡ |
ΠΡΡΠΎΡΠΈΡ Π³ΡΡΠ·ΠΎΠ²ΠΈΠΊΠΎΠ² Howo
Sinotruk Howo (C — ΡΡΠΎ ΡΠ΅ΠΌΠ΅ΠΉΡΡΠ²ΠΎ ΡΡΠΆΠ΅Π»ΡΡ ΠΈ Π½Π΅Π΄Π°Π²Π½ΠΎ Π»Π΅Π³ΠΊΠΈΡ ΠΈ ΡΡΠ΅Π΄Π½ΠΈΡ Π³ΡΡΠ·ΠΎΠ²ΠΈΠΊΠΎΠ² ΠΎΠ±ΡΠ΅ΠΉ ΠΌΠ°ΡΡΠΎΠΉ Π΄ΠΎ 60 ΡΠΎΠ½Π½ ΠΊΠΈΡΠ°ΠΉΡΠΊΠΎΠΉ ΠΊΠΎΠΌΠΏΠ°Π½ΠΈΠΈ Sinotruk, Π²Ρ ΠΎΠ΄ΡΡΠ΅ΠΉ Π² ΡΠΎΡΡΠ°Π² Π³ΠΎΡΡΠ΄Π°ΡΡΡΠ²Π΅Π½Π½ΠΎΠ³ΠΎ ΠΊΠΎΠ½ΡΠ΅ΡΠ½Π° CNHTC.ΠΠ° Π½Π΅ΠΊΠΎΡΠΎΡΡΡ ΡΡΠ½ΠΊΠ°Ρ ΠΎΠ½ ΠΏΡΠΎΠ΄Π°Π΅ΡΡΡ ΠΏΠΎΠ΄ Π±ΡΠ΅Π½Π΄ΠΎΠΌ CNHTC Howo .
28 ΠΎΠΊΡΡΠ±ΡΡ 2004 Π³. Π½Π°ΡΠ°Π»ΠΎΡΡ ΠΏΡΠΎΠΈΠ·Π²ΠΎΠ΄ΡΡΠ²ΠΎ Π³ΡΡΠ·ΠΎΠ²ΠΈΠΊΠ° Sinotruk Howo. ΠΠ° Π΄ΠΈΠ·Π°ΠΉΠ½ Π³ΡΡΠ·ΠΎΠ²ΠΈΠΊΠ° ΠΏΠΎΠ²Π»ΠΈΡΠ»ΠΎ ΡΠΎΠ³Π»Π°ΡΠ΅Π½ΠΈΠ΅ ΠΌΠ΅ΠΆΠ΄Ρ CNHTC ΠΈ Volvo, ΠΏΠΎΠ΄ΠΏΠΈΡΠ°Π½Π½ΠΎΠ΅ Π² 2003 Π³ΠΎΠ΄Ρ. Howo Π±ΡΠ»Π° ΡΠ°Π·ΡΠ°Π±ΠΎΡΠ°Π½Π° ΠΊΠΈΡΠ°ΠΉΡΠΊΠΎΠΉ ΠΊΠΎΠΌΠΏΠ°Π½ΠΈΠ΅ΠΉ, Π½ΠΎ ΠΎΠ½Π° ΠΈΡΠΏΠΎΠ»ΡΠ·ΠΎΠ²Π°Π»Π° ΡΡΠ΄ Π΄Π΅ΡΠ°Π»Π΅ΠΉ ΠΎΡ ΡΠ²Π΅Π΄ΡΠΊΠΈΡ Π³ΡΡΠ·ΠΎΠ²ΠΈΠΊΠΎΠ². ΠΡΠ°ΠΊ, Π² ΠΎΡΠ½ΠΎΠ²Ρ ΠΊΠ°Π±ΠΈΠ½Ρ Π»Π΅Π³Π»Π° ΠΊΠΎΠ½ΡΡΡΡΠΊΡΠΈΡ ΡΡΠ΅Π΄Π½Π΅ΡΠΎΠ½Π½Π°ΠΆΠ½ΠΎΠ³ΠΎ Π³ΡΡΠ·ΠΎΠ²ΠΈΠΊΠ° Volvo FL. Π¨Π°ΡΡΠΈ Π±ΡΠ»ΠΈ Π΄ΠΎΡΡΡΠΏΠ½Ρ Ρ ΠΊΠΎΠ»Π΅ΡΠ½ΡΠΌΠΈ ΡΠΎΡΠΌΡΠ»Π°ΠΌΠΈ 4 Γ 2, 6 Γ 2, 6 Γ 4, 6 Γ 6, 8 Γ 4 ΠΈ 10 Γ 6. ΠΠ΅ΡΠ΅Π΄Π½ΡΡ ΠΈ Π·Π°Π΄Π½ΡΡ ΠΏΠΎΠ΄Π²Π΅ΡΠΊΠΈ Π·Π°Π²ΠΈΡΡΡ ΠΎΡ ΠΏΠΎΠ»ΡΡΠ»Π»ΠΈΠΏΡΠΈΡΠ΅ΡΠΊΠΈΡ ΡΠ΅ΡΡΠΎΡ.ΠΠ°Π±ΠΈΠ½Π° ΠΊΠΎΡΠΎΡΠΊΠ°Ρ Π΄Π½Π΅Π²Π½Π°Ρ ΠΈΠ»ΠΈ ΡΠ΄Π»ΠΈΠ½Π΅Π½Π½Π°Ρ ΡΠΎ ΡΠΏΠ°Π»ΡΠ½ΠΎΠΉ Π·ΠΎΠ½ΠΎΠΉ ΠΈ Π²ΡΡΠΎΠΊΠΎΠΉ ΠΊΡΡΡΠ΅ΠΉ. ΠΠ²ΠΈΠ³Π°ΡΠ΅Π»ΠΈ WD615 Π°Π½Π°Π»ΠΎΠ³ΠΈΡΠ½Ρ ΡΠ΅ΠΌΠ΅ΠΉΡΡΠ²Ρ Steyr ΠΌΠΎΡΠ½ΠΎΡΡΡΡ ΠΎΡ 266 Π΄ΠΎ 420 Π».Ρ., ΠΊΠΎΡΠΎΡΡΠ΅ ΡΠΎΠΎΡΠ²Π΅ΡΡΡΠ²ΡΡΡ ΡΡΠ°Π½Π΄Π°ΡΡΠ°ΠΌ ΠΠ²ΡΠΎ-2 ΠΈΠ»ΠΈ ΠΠ²ΡΠΎ-3.
Howo A7
Π Π½Π°ΡΠ°Π»Π΅ 2011 Π³ΠΎΠ΄Π° Π³ΡΡΠ·ΠΎΠ²ΠΈΠΊΠΈ Sinotruk Howo ΠΎΠ±Π½ΠΎΠ²ΠΈΠ»ΠΈΡΡ. ΠΠ½Π΅ΡΠ½Π΅ ΠΈΡ ΠΌΠΎΠΆΠ½ΠΎ ΠΎΡΠ»ΠΈΡΠΈΡΡ ΠΏΠΎ Π΄ΠΎΡΠ°Π±ΠΎΡΠ°Π½Π½ΠΎΠΉ ΠΊΠ°Π±ΠΈΠ½Π΅ Mercedes-Benz Actros 2008 Π³ΠΎΠ΄Π° Π²ΡΠΏΡΡΠΊΠ°. ΠΡΡΠ·ΠΎΠ²ΠΈΠΊΠΈ ΠΏΠΎΠ»ΡΡΠΈΠ»ΠΈ Π½ΠΎΠ²ΡΠ΅ ΡΠΊΠΎΠ½ΠΎΠΌΠΈΡΠ½ΡΠ΅ Π΄Π²ΠΈΠ³Π°ΡΠ΅Π»ΠΈ ΠΌΠΎΡΠ½ΠΎΡΡΡΡ 266-375 Π».Ρ.
ΠΠΎΠ΄Π΅Π»ΡΠ½ΡΠΉ ΡΡΠ΄ ΡΠΏΠ΅ΡΡΠ΅Ρ Π½ΠΈΠΊΠΈ HOWO
Π‘Π°ΠΌΠΎΡΠ²Π°Π»Ρ HOWO:
HOWO ZZ3257N4147W
HOWO ZZ3257M3241M
HOWO ZZ3257M3847W / M
HOWO ZZ3257N3647B / Π’ΠΠΠΠ Π¬
HOWO ZZ3257N3647B / SOW
HOWO ZZ3257N3647B / SOW
HOWO ZZ3257N3647B / SOW
HOWO ZZ32573173 HOWO ZZ32573173
ΠΠ²ΡΠΎΠ±Π΅ΡΠΎΠ½ΠΎΡΠΌΠ΅ΡΠΈΡΠ΅Π»ΠΈ HOWO:
HOWO ZZ1257N3841W
HOWO ZZ1257N3641
HOWO ZZ1257N3841W
HOWO ZZ1317N3261W
HOWO ZZ1317N32
Π’ΡΠ°ΠΊΡΠΎΡΡ HOWO:
HOWO ZZ4187M3511W / M
HOWO ZZ4187M3511V / M
HOWO ZZ4187N3511W
HOWO ZZ4187S3511V
HOWO ZZ4187M3511V
HOWO ZZ425741M3241V / M
ΠΠΎΠ»ΡΠΏΡΠΈΡΠ΅ΠΏΡ HOWO:
HOWO TAZ9404TJZ
HOWO TAZ9373TJZ
HOWO TAZ9349TDP
HOWO TAZ9409TDP
HOWO TAZ9401TDP
HOWO TAZ9341TDP
HOWO TAZ9373TJZ
HOWO TAZ9281TDP
HOWO TAZ9400CLX
HOWO TAZ9402
HOWO TAZ9322
HOWO TAZ9342
Zentrale — Ersatzteile & ZubehΓΆr russischer MotorrΓ€der
ΡΠ·ΡΠΊΠΎΠ²
DeutschΠΠ½Π³Π»ΠΈΠΉΡΠΊΠΈΠΉ
- ΠΠ°ΡΡΠ°
- ΠΠ°Ρ Π°ΠΊΠΊΠ°ΡΠ½Ρ
- ΠΠΎΠΉΡΠΈ
ΠΏΠΎΠΈΡΠΊ
0 ΡΠΎΠ²Π°Ρ 0 ΡΠΎΠ²Π°Ρ ΠΠΎΡΠ·ΠΈΠ½Π° ΠΠ°Π²ΠΈΠ³Π°ΡΠΈΡΠΏΠΎΠΈΡΠΊ
- ΠΌΠΎΡΠΎΡΡ
- ΠΎΡ
- ΠΠ½Π΅ΠΏΡ 650ccm (ΠΌΠΎΡΠΎΡΡ)
- Π£ΡΠ°Π» 650 / 750ccm (ΠΌΠΎΡΠΎΡΡ)
- Chang Jiang 750ccm (Π΄Π²ΠΈΠ³Π°ΡΠ΅Π»ΠΈ)
- Π²ΡΡ Π»ΠΎΠΏ (ΠΎΡ Π²)
- ΡΠ²
- ΠΠ½Π΅ΠΏΡ Π750
- Π£ΡΠ°Π» Π72
- Π§Π°Π½Π³ Π¦Π·ΡΠ½ SV 6V
- Π§Π°Π½Π³ Π¦Π·ΡΠ½ SV 12V
- Π²ΡΡ Π»ΠΎΠΏ (ΡΠ²)
- Enfield
- ΠΠ»Π°ΡΡΠΈΡΠ΅ΡΠΊΠΈΠΉ 350ccm
- ΠΠ»Π°ΡΡΠΈΡΠ΅ΡΠΊΠΈΠΉ 500ccm
- ΠΡΠ»Ρ 350/500 ΠΊΡΠ±.
- ΠΠ»Π΅ΠΊΡΡΠ°
- ΡΠΎΠΏΠ»ΠΈΠ²Π½ΡΠ΅ ΠΊΠΎΠ½ΡΡΡΡΠΊΡΠΈΠΈ (ΠΠ½ΡΠΈΠ»Π΄)
- Π²ΡΡ Π»ΠΎΠΏ (ΠΠ½ΡΠΈΠ»Π΄)
- ΡΠ°Π·Π½ΠΎΠ΅ (ΠΠ½ΡΠΈΠ»Π΄)
- ZΓΌndapp
- Bergsteiger M25
- M50
- K80 / KS80
- ΡΠΎΠΏΠ»ΠΈΠ²Π½ΡΠ΅ ΠΊΠΎΠ½ΡΡΡΡΠΊΡΠΈΠΈ (ZΓΌndapp)
- Π²ΡΡ Π»ΠΎΠΏ (ZΓΌndapp)
- ΡΠ°Π·Π½ΠΎΠ΅ (ZΓΌndapp)
- ΡΠΎΠΏΠ»ΠΈΠ²Π½ΡΠ΅ ΠΊΠΎΠ½ΡΡΡΡΠΊΡΠΈΠΈ
- ΡΠΈΡΡΠ΅ΠΌΡ Π²Π΅Π½ΡΠΈΠ»ΡΡΠΈΠΈ
- Π Π°Π·Π½ΠΎΠ΅
- ΠΏΠΎΠ΄ΡΠΎΠ±Π½Π΅Π΅: ΠΌΠΎΡΠΎΡΡ
- ΠΎΡ
- ΠΊΠΎΡΠΎΠ±ΠΊΠ° ΠΏΠ΅ΡΠ΅Π΄Π°Ρ
