Лебёдка электрическая своими руками: 17 фото изготовления

Изготовление самодельной электролебёдки, пошаговые фото. Автор самоделки: Эдуард Мурашов.
Для работ по изготовлению шин ободрышей для вездехода, понадобилась лебёдка, было решено сделать самодельную, из редуктора РМ-250 (передаточное отношение 40:1 ) и 3-ех фазного двигателя на 1500 оборотов.
Процес изготовления электролебёдки своими руками, показан на этих фото.


Редуктор РМ-250 здесь используется для увеличения крутящего момента и уменьшения частоты вращения.

Сделана площадка под крепление двигателя.

Изготовление вала для намотки троса лебёдки.




Изготовление трещётки.





Самодельная электролебёдка готова к использованию.



Автор самоделки: Эдуард Мурашов.
Загрузка…sam-stroitel.com
Самодельная электролебедка своими руками

Всем привет! Занимаюсь охотой и рыбалкой, соответственно, чтобы добраться до заветных мест, нужен внедорожник и лебёдка, автомобиль у меня есть, а вот электролебёдку сделал своими руками.
Значит сделал я себе лебёдку для Нивы, из стартера ВАЗ 2106, обрезков 50-60 квадратной трубы, закрытых подшипников 203 и 205.
Есть у меня простой токарный станок ТВ-4, купленный в деревне за ящик Путинки. На станке выточил вал из оборванной полуоси. Барабан сделал из толстостенной 57 трубы. Шестерни взял от КПП ВАЗ-2108. Из покупного только подшипники, трос и мелочь.


Трос — 6 мм.



Радиоуправление взял от китайской игрушки.

Эта самодельная электролебёдка, несколько раз выручала, вытягивала Ниву и Паджеро. Но впоследствии, стартер 2106 сгорел, заменил его на редукторный от Приоры. Самодельные подшипники заменил на корпусные UCP 205.
Еще дополню, что лебедка используется как переносная. Высоких скоростей от лебедки не нужно, лишь бы сдернуть с моста или помочь вылезти из колеи. Используется с блоком и уверенно вытаскивает даже 2 х тонного Паджеро спорт.
Вес лебёдки в сборе — 30 кг.

Автор самоделки: Николай.
sam-stroitel.com
от простого устройства своими руками до барабанной конструкции с электроприводом
Лебёдка — это древнее изобретение, которое появилось до изучения человеком физических законов. Работает устройство по принципу рычага — к рукоятке оператор прикладывает незначительные усилия, а устройство передвигает тяжёлые предметы. Незаменимая вещь для автолюбителей или дачников, но дорогая. Изготовление ручной самодельной лебёдки решает проблему высокой цены. За небольшие деньги можно сделать конструкцию любой сложности.
Предназначение аппарата
Водитель при езде по бездорожью может столкнуться с непреодолимым препятствием. Тогда автомобиль придётся чем-то вытаскивать из грязи или песка. Лебёдка — идеальный для этого инструмент. Некоторые автомобили имеют заводское устройство на переднем бампере. Приобретение готовой лебёдки может «влететь» в круглую сумму, поэтому есть смысл её самостоятельного изготовления из подручных средств.
Заводская или самодельная лебёдка с ручным приводом (или с электроприводом от стартера) позволяет вытащить автомобиль без буксира. Опытные автолюбители предпочитают как раз устройства собственного изготовления, полностью соответствующие их запросам. Заводские лебёдки часто отказывают или стоят больших денег.
Существуют разные виды конструкций. Однозначно сказать о том, какая из них лучше — нельзя. Различные типы применяют для разных ситуаций и целей.
Типы устройства
Классификация — это первое, что необходимо знать об устройстве тяги. Их делят в зависимости от типа конструкции, привода и технических особенностей. Некоторые типы лебёдок легко выполнить самостоятельно — это простейший механизм с ручным приводом. А сложные конструкции будут надёжно работать только при заводском изготовлении.
Эту специфику нужно учитывать при выборе типа для самостоятельного изготовления. Существуют съёмные и стационарные лебёдки. Первый вариант можно демонтировать с автомобиля, провести обслуживание или использовать для иных хозяйственных целей.
Классификация в зависимости от типа привода:
- Ручной. Его преимущества — малый размер и относительно лёгкий вес. Работа идёт по принципу барабана. Трос натягивается на отдельную катушку, и её вращают ручным приводом. Недостаток кроется в ограничении массы, с которой возможна работа — не более 1 тонны.
- Механический. Барабан с тросом вращается двигателем машины. Конструкция отличается большой массой, поэтому автолюбители её редко используют.
- Электрический. Оптимальный вариант — барабан приводит во вращение электродвигатель. Последний питается от аккумулятора или электросистемы автомобиля. Грузоподъёмность в этом варианте — 4 тонны.
- Гидравлический. Конструкция сложная, но работает бесшумно и с большим тяговым усилием. Но такие системы ненадёжны и имеют высокую стоимость. Ещё один недостаток — самостоятельно изготовить гидравлическую систему привода невозможно.
Ручная лебёдка идеально подходит для изготовления своими руками. Система имеет простую конструкцию, которую легко выполнить из подручных материалов. Сложные движущиеся части отсутствуют. Нужно лишь определиться с параметрами. При желании на такое устройство можно поставить электромотор, который избавит от физического труда.
Простой вариант из подручных материалов
Некоторые автомобилисты часто выезжают в поле или лес, в результате чего могут возникнуть проблемы с преодолением сложных участков — грязи и песка. Машина застревает, и приходится ломать голову над тем, как её вытащить. Простейшую ручную самодельную лебёдку можно сделать в полевых условиях.
Материалы:
- Лом и обрезок трубы.
- Трос.
- Отрезок трубы для рычага.
Вряд ли в дороге материалы будут с собой. Но всё необходимое можно найти в ближайшем селении. Вместо троса подойдёт прочный канат.
Порядок изготовления:
- Вбивают лом или трубку небольшого диаметра в землю, чтобы получить ось.
- На ось надевают трубку большего диаметра, к которой прикрепляют трос.
- Под нижний виток троса подсовывают рычаг. Это может быть ещё одна трубка, черенок от лопаты, жердь. Главное — чтобы материал был прочным.
Подобным устройством, которое собирается за десять минут, можно сдвинуть любую тяжесть с места, а не только автомобиль. Рычаг вращают так, чтобы трос наматывался на трубу. Такая ручная лебёдка поможет оперативно решить проблемы передвижения тяжёлого груза. Это не полноценное устройство, но с задачей справится.
Изготовление системы с универсальным приводом
Система с ручным приводом проста в изготовлении. Из особых навыков от мастера требуется только владение сварочным аппаратом. Для работы подойдёт любой металл. Внешний вид устройства не столь важен, главное — это работоспособность и устойчивость к большой нагрузке. Рама не должна деформироваться.
Материалы и инструменты:
Прямоугольная труба для рамы.- Вал для барабана, можно использовать трубку круглого сечения.
- Лист металла толщиной не менее 3 мм для изготовления дисков барабана.
- Шпильки с резьбой М10-М12 длиной 24 см – 6 штук, гайки.
- Трубка диаметров 14 мм – 6 одинаковых отрезков 20 см.
- Звёздочки — большая и малая. Цепь.
- Ступицы, чтобы закрепить барабан на валу, а вал закрепить на раме.
- Рычаг для привода.
- Трос с карабином.
- Сварка и электроды.
- Болгарка и шлифовальный диск к ней.
- Краска и грунтовка.
- Гаечные ключи в наборе.
Некоторые материалы лучше приобрести — например, трубки для шпилек и вала. Остальное можно подобрать со старых механизмов — автомобилей или мотоциклов. Металл сгодится любой, даже бывший в употреблении.
Порядок изготовления:
Набрасывают чертёж, поскольку так будет проще ориентироваться при сборке — не нужно будет стоять в догадках над полуготовым изделием и думать о том, как поступить дальше.- Вырезают детали рамы из трубы сечением 2 на 2 см. Соединяют между собой части рамы строго перпендикулярно. Срез на заготовках выполняют под углом в 45 градусов.
- Укладывают заготовки рамы на ровной поверхности. Места соединений точечно прихватывают сваркой, после чего проверяют, правильно ли всё установлено. Углы соединений должны быть строго 90 градусов. При отсутствии точности делают поправки, а затем приваривают детали.
- Окалину удаляют болгаркой со шлифовальным кругом. Готовую раму зашкуривают, а затем покрывают грунтовкой. После высыхания последней металл красят эмалью в 2 слоя. Можно использовать обычную краску. Цель — защитить металл от коррозии, поскольку условия эксплуатации будут непростыми, с грязью и влагой.
- Создание барабана. Берут лист металла и вырезают 2 круга, их диаметр около 30 см. На каждом круге необходимо делать 7 отверстий:
- Одно в центре. Диаметр должен соответствовать размеру вала.
- 6 отверстий на расстоянии 7 см.
- Скрепляют диски между собой при помощи шпилек. Шпильку просовывают в отверстие одного диска в вертикальном положении. На шпильки надевают трубки диаметром 14 см, а на них устанавливают второй диск. Шпильки необходимо не просто закрепить гайками, а дополнительно усилить контргайками — для надёжности соединений.
- Барабан готов, теперь монтируют вал. Его делают из металлической трубы, но можно взять готовое изделие от любого механизма. Последний вариант предпочтительнее: поскольку точность заводской детали выше, вибрации барабана будут маленькими или отсутствовать вовсе.
С внешней стороны барабана на вал монтируют звёздочку большого диаметра. Подойдёт звёздочка из КПП мотоцикла. Чтобы закрепить барабан на раме, внешние стороны вала должны быть со ступицами.- Барабан в сборе с валом монтируют через ступицы на раму. Закрепляют конструкцию болтами. Перед монтажом барабана следует подготовить на раме площадку. На неё будет установлен привод — ручной или электрический. При использовании электропривода на площадку ставят двигатель, на валу которого закреплена малая звёздочка.
- Часто ставят универсальный привод: с обратной стороны выходного вала электромотора ставят рукоятку. При отсутствии электричества лебёдку можно будет крутить вручную.
- Важно правильно натянуть цепь. Провисать она не должна, но и сильное натяжение недопустимо — так звёздочки будут быстрее изнашиваться, а возможен и разрыв цепи. Проверяют натяжение цепи прокруткой барабана — цепь не должна сдерживать его вращение, когда разматывают трос.
- Закрепляют конец троса на валу и наматывают его на барабан. На другой, свободный конец троса, вешают карабин.
- На один из концов рамы крепят хвостовик. С его помощью лебёдку закрепляют на раме автомобиля.
Лебёдка создаётся за день. Поскольку она будет установлена на внедорожник, то и условия эксплуатации будут соответствующие. Чтобы на барабан не попала грязь и осадки, его закрывают кожухом. Так механизм дольше прослужит, а трос не будет изнашиваться.
Конструкция простая, надёжная, её легко сделать самостоятельно. Да, в ней отсутствует возможность изменения передаточного числа, нет реверса и иных дополнительных функций. Созданная своими руками электролебёдка способна перетащить тяжёлый груз по местности, будь то автомобиль или иная тяжесть.
Советы по сборке
Разработку конструкции выполняют внимательно, равно как и сборку. Задача — к каждой операции относиться максимально ответственно. Цель — выполнить сборку с высоким качеством. Это позволит избежать неприятностей при эксплуатации в экстремальных условиях. Поэтому форсировать работы не стоит, даже если очень нужно.
Действия для достижения высокого качества сборки:
- Работу делают не спеша, осмысленно. Сырой, недоработанный агрегат нельзя использовать.
- Следуют чертежу.
- Сварные швы обрабатывают антикоррозийным составом. Сварку делают в углекислоте, чтобы получить шов высокого качества.
- Пульт управления электроприводом выносят на максимально удалённое место от вращающихся деталей.
- Электропроводку тщательно изолируют. Контакты защищают дополнительной изоляцией от воздействия влаги и грязи.
Негативный результат часто возникает по причине поспешных действий. Вопрос перемещения грузов в горизонтальной плоскости со своим устройством будет успешно решён. Чтобы поднимать грузы над землёй, следует перетянуть трос через прочную опору.
tokar.guru
Лебедка своими руками электрическая, ручная, из стартера
Движение по пересеченной местности даже на внедорожнике с высокой проходимостью может создавать массу проблем. Для повышения проходимости очень часто проводится установка на автомобилях дополнительного оборудования, которое позволяет преодолевать сложные участки пути. Примером назовем лебедку. Сегодня устанавливается лебедка на УАЗ и многие другие автомобили. При желании изготавливается лебедка своими руками и устанавливается не только на Ниву, но и другие внедорожники. Стоит учитывать, что самодельная лебедка может быть предназначена для подъема груза и других целей. К примеру, есть переносные варианты исполнения, которые могут устанавливаться на колесо или другой элемент автомобиля. Рассмотрим особенности изготовления лебедки, ее виды и многие другие моменты подробнее.
Лебедка своими рукамиКонструкция
Прежде чем приступать к изготовлению лебедки своими руками следует рассмотреть особенности конструкции. Устройство лебедки для авто может существенно отличаться, к примеру, по типу используемого привода при изготовлении.
Классическая конструкция автомобильной или мотолебедки имеет следующие особенности:
- Барабан, на который проводится накручивание применяемой лебедки. Лебедки самодельные для автомобиля могут иметь различные размеры применяемого барабана. Стоит учитывать, с увеличением его размера можно проводить наматывание большого количества троса, но и нагрузка также повышается.
- Привод. Конструкция предусматривает создание усилия, за счет которого и происходит наматывание троса. Существуют самые различные схемы привода, все они обладают определенными достоинствами и недостатками.
- Очень часто устанавливается редуктор. Она предназначен для повышения передаваемого усилия на барабан.
- Чертежи предусматривают и наличие самой различной основы. Стоит учитывать, что шасси должно обладать высокой устойчивостью к нагрузке, надежно крепиться к основанию.
- Самодельная таль.

- Чертеж самодельной лебедки

- Чертеж лебедки
Скачать чертежи, по которым будет проводится создание конструкции можно в интернете. Технология сборки во многом зависит от сложности реализуемого проекта.
Изготовление
Многие автомобилисты придерживаются мнения, что самодельные лебедки более надежные и долговечные. Если и приобретать подобную конструкцию на авто, то следует отдавать предпочтение дорогим вариантам исполнения от известных производителей.
Важным конструктивным элементом можно назвать барабан, на который наматывается трос. Изготовить барабан для лебедки можно своими руками при применении трубы определенного диаметра в качестве сырья. Толщина стенок трубы должна быть не менее 3 мм, так как в противном случае барабан под воздействием нагрузки деформируется. В данном случае понадобится сварочный инструмент, так как щеки крепятся именно сваркой.
Изготавливая лебедку своими руками также приходится проводить установку редуктора. Сегодня самодельный редуктор встречается крайне редко, так как проще всего его снять с другого механизма. В большинстве случаев проводится установка редукторов, которые применяются для открытия и закрытия дверей троллейбусов. При отсутствии подобного механизма к рассматриваемой задаче можно приспособить и другие разновидности редуктора.
Необходимые детали подбираются в зависимости от выбранного чертежа. К примеру, лебедка из дрели обладает своими особенностями, в большей степени подходит для мотоцикла, так как установленные механизм не рассчитан на высокую нагрузку. Рассматривая способы изготовления стоит учитывать, что в большинстве случаев применяется сварка для создания неразъемного соединения. Однако, сама конструкция к бамперу крепится зачастую болтами, так как нужно обеспечить возможность для обслуживания.
Типы лебедок
В продаже можно встретить самые различные варианты исполнения лебедки. Основной классификацией принято считать то, какой устанавливается привод. По этому показателю выделяют следующие конструкции:
- Электрические конструкции на сегодняшний день получили самое широкое распространение. Это связано с тем, что подобная конструкция способна работать под весьма высокой нагрузкой. Как правило, питание установленного электромотора проходит от аккумулятора транспортного средства, а блок управления может быть расположен внутри автомобиля или снаружи.
- Механическая лебедка проще всего в изготовлении. Большое распространение получила червячная конструкция, когда для передачи усилия и его увеличения устанавливается редуктор. Небольшая автолебедка механического типа предназначена для небольшого усилия.
- Гидравлическая. Встречаются и конструкции гидравлического типа. Их принцип работы основан на подаче жидкости под большим давлением, за счет чего происходит перемещение подвижного элемента. Как правило, гидравлический привод устанавливается на конструкцию, предназначенную для транспортировки груза.
Чаще всего самодельная конструкция имеет механический привод, так как он проще в изготовлении и установке.
Ручная
Ручная лебедка своими руками довольно проста в изготовлении, что определило ее широкое распространение. Основным недостатком конструкции можно назвать ее довольно большие габаритные размеры. Ручная барабанная лебедка может существенно выходить за пределы автомобиля, а для ее установки требуется специальные бампер с широким посадочным местом.
Не стоит забывать также о том, что конструкция имеет ручной привод.
На момент, когда автомобиль застрял одновременно тянуть и управлять им не получится. Именно поэтому рассматриваемая конструкция сегодня встречается все реже.

Чертеж ручной лебедки
Электрическая
Как ранее было отмечено, довольно большое распространение получила конструкция с электрическим приводом. Это связано с тем, что самодельная электролебедка комфортна в использовании и рассчитана на достаточно высокую нагрузку. Ее особенностями назовем следующие моменты:
- Высокий показатель КПД определяет то, что конструкция эффективнее справляется с поставленными задачами.
- В качестве источника усилия может использоваться отдельный электродвигатель или генератор. При выборе варианта исполнения, при котором подключение лебедки проводится через генератор, следует быть осторожным, так как этот узел транспортного средства важен и не выдерживает перегрузок.
- Электрическая автомобильная лебедка должна обладать высоким крутящим моментом. Кроме этого, уделяется довольно много внимания показателю потребления энергии. Это связано с тем, что в неподвижном состоянии транспортного средства большая часть питания будет поступать не от генератора, а аккумулятора. Слишком высокий показатель электропотребления может стать причиной быстрой разрядки аккумулятора. Однако, слишком низкий показатель электропотребления может стать причиной существенного снижения мощности устройства.

Самодельная лебедка
В последнее время большой популярностью стали пользоваться варианты исполнения, которые могут питаться от источника энергии 12 вольт. В подобном случае устройство лебедки подключается к прикуривателю или соответствующей розетке в автомобиле при ее наличии.
Гидравлическая
Гидравлическая лебедка считается наиболее сложным вариантом исполнения, так как конструкция представлена сочетанием следующих элементов:
- Барабана с тросом.
- Механического элемента, передающего вращение барабану.
- Гидравлического привода.
- Масляным насосом или компрессором.
- Баком для масла.
Кроме этого, подобная автомобильная лебедка довольно сложна в изготовлении, имеет большие размеры. Сложность конструкции также определяет необходимость в выполнении периодического обслуживания.
Преимуществом варианта исполнения с гидравлическим приводом можно назвать низкий показатель энергопотребления и более высокую мощность. Лебедку подобного типа целесообразно устанавливать только на крупные внедорожники, которые имеют высокий показатель снаряженной массы. Кроме этого, конструкция подходит для автомобилей, которые часто применяются для движения по пересеченной местности.
Лебедка из стартера своими руками
Довольно большое распространение получила конструкция, в которой применяется стартер для передачи усилия. Лебедка из стартера своими руками изготавливается в том случае, когда нельзя подобрать наиболее подходящий редуктор.
Рассматривая то, как сделать лебедку из стартера своими руками, отметим нижеприведенные моменты:
- Создается шасси согласно скаченному или разработанному проекту. Соединение всех элементов проводится сваркой.
- Изготавливается барабан. Для этого можно использовать трубу требуемого диаметра, но есть и более сложные механизмы.
- Барабан фиксируется на валу со звездочкой, на которую будет передаваться усилие.
- Конструкция барабана крепится на корпусе вместе со стартером.
- Стартер соединяется с валом.
- Проводится подключение источника питания к управляющими блоку, проверяется работа устройства.
- Создаются защитные элементы основных механизмов. Не стоит забывать о том, что при движении по пересеченной местности на лебедку может оказываться различного рода воздействие. Качественная защита позволяет существенно продлить срок службы конструкции.
- Лебедка устанавливается на автомобиле и проверяется в деле.

Лебедка из стартера
Самодельная лебедка из стартера характеризуется относительно небольшими габаритными размерами, а также высокой эффективностью в применении. Именно поэтому она создается чаще других конструкций.
Преимущества и недостатки самодельной лебедки
Многие автомобилисты задаются вопросом, стоит ли изготавливать лебедку из подручных материалов или лучше приобрести уже готовый вариант исполнения. Для начала отметим, что самодельная лебедка обладает нижеприведенными достоинствами:
- Высокая ремонтопригодность. Если устройство изготовлено своими руками, то провести его ремонт будет не сложно. При этом все необходимые материалы также будет найти не сложно.
- Низкая стоимость. Покупные конструкции обходятся довольно дорого. Лебедку изготовить самостоятельно можно при использовании подручных материалов, что существенно снижает стоимость изделия.
- Проще провести установку на автомобиле. Самодельная лебедка изначально изготавливается под конкретный автомобиль.
Что касается покупных вариантов исполнения, то они зачастую обладают более компактными размерами и высоким показателем КПД. Многие конструкции также пригодные для ремонта. Единственным их недостатком, конечно же, является высокая цена. Кроме этого, некоторые лебедки могут устанавливаться только на подготовленное место, для чего придется изменять бампер или приобретать новый.
Если вы нашли ошибку, пожалуйста, выделите фрагмент текста и нажмите Ctrl+Enter.
stankiexpert.ru
Лебедка из стартера своими руками: 3 варианта конструкций

Содержание статьи
Лебёдка является наиболее востребованным грузоподъёмным механизмом. Её цель заключается в перемещении груза в горизонтальной плоскости. Водители транспортных средств повышенной проходимости нуждаются в данном механизме в первую очередь, поскольку такие автомобили используются для передвижения по дорогам без асфальтного покрытия и городского комфорта. Такие условия приводят к тому, что машина может застрять в песке или грязи, откажет при подъёме на возвышенность. Для таких ситуаций внедорожники оснащены лебёдкой на переднем бампере, но если её нет, можно сделать самостоятельно. Как изготавливается лебёдка из стартера своими руками, и какие рекомендации стоит соблюдать?

Разновидности лебёдок
В зависимости от ситуации можно использовать разные типы лебёдок, которые отличаются приводящими механизм в действие энергиями. Принцип работы в данном случае единый – стальной трос наматывается на барабан, который может вращаться вручную или посредством редуктора двигателя. Как заводская, так и самодельная лебёдка из стартера может быть ручной, гидравлической или электрической.
Рассмотрим их.
- Действие механической или ручной лебёдки основано на силе мотора. В плане надёжности данному варианту нет равных. Однако любители отдыхать в условиях бездорожья не особо жалуют такой механизм из-за больших габаритов. Если такая лебёдка изначально предусмотрена в транспортном средстве, водитель будет чувствовать себя максимально защищённым, но не выберет такой вариант при самостоятельной установке механизма. Несмотря на тот факт, что изготовленная ручная лебёдка своими руками будет мощной, она занимает слишком много места в машине.
- Электрические варианты пользуются среди водителей внедорожников наибольшим спросом. Барабан вращается посредством электрического мотора, получающего питание от автомобильного аккумулятора. При работе с такими механизмами важно следить за зарядом аккумулятора и оставить достаточно ресурса, чтобы доехать домой. Такие лебёдки отличаются практичностью и рассчитаны на поднятие груза весом до 4 тонн. Именно электрический вариант чаще всего выбирают, если выполняется лебёдка своими руками.
- Конструкция гидравлической лебёдки наиболее сложная за счёт дополнительных элементов в виде масляного насоса, бака для масла и гидропривода. Собрать такой механизм самостоятельно сложнее остальных, к тому же лебёдка получается слишком громоздкой. Тем не менее данный вариант обладает и преимуществами, среди которых минимальное потребление энергии в сочетании с высокой мощностью. Целесообразность использования гидравлических лебёдок наблюдается при эксплуатации мотоблоков, тракторов или внедорожников.
Самостоятельное изготовление: ограничения и рекомендации
Итак, как сделать самодельную лебёдку, какие ограничения необходимо взять во внимание?
- Запуск автомобильного стартера осуществляется посредством втягивающего реле с бендиксом. В соленоиде нет никакой необходимости, но контактный пускатель лишним не будет. Это обеспечит больший ток на контактах. Схему включения лучше оставить штатную. Фиксация бендикса осуществляется посредством сварки в положении максимального сцепления, но, в зависимости от используемого редуктора, его можно удалить из втягивающего реле.
- Работа стартера не может быть продолжительной. Но это не значит, что продолжительные нагрузки приведут к его немедленному сгоранию. Тем не менее, корпус двигателя не обеспечит обмотке достаточного охлаждения. Регулярная эксплуатация лебёдки с учётом продолжительных периодов работы следует обеспечить механизму дополнительное охлаждение. В качестве рёбер охлаждения подойдут наваренные на корпус алюминиевые уголки.
- Допускается самостоятельное изготовление редуктора для лебёдки, но можно подобрать подходящий от электрического инструмента с учётом необходимой нагрузки.
- Для предотвращения перегрева позаботьтесь о том, чтобы питающие провода были с большим сечением.
Возможно, вас также заинтересует статья нашего специалиста, в которой рассказывается о том, как изготовить домкрат своими руками.
Интересуетесь, как сделать квадроцикл своими руками? Читайте об этом в полезной и познавательной статье нашего специалиста.

Поэтапное выполнение работ
Далее представлена подробная инструкция о том, как сделать лебёдку своими руками, используя стартер от «Жигулей». Выбор данного стартера обусловлен тем, что он максимально компактен и отличается высокой степенью надёжности. Дополнительным преимуществом является возможность его приобретения практически за бесценок на любом стихийном автомобильном рынке.
- Силовые контакты втягивающего реле можно оставить, если нагрузки на лебёдку будут существенными. Механизм бендикса, в свою очередь, необходимо вместе с конусным кожухом удалить.
- Поскольку механизм в данном случае маломощный и компактный, в создании редуктора из шестерни маховика нет никакой необходимости. Просто подберите узел от большой дрели. Редуктор должен быть понижающим.
- Отделите корпус бендикса от лебёдки и выполните по месту сопряжение вала редуктора с соответствующей частью стартерного мотора. Сделать это можно как посредством создания переходной муфты со шплинтами, так и путём классической электросварки.
- В установке демпферов нет необходимости, поскольку они всё равно сломаются.
- Использование планетарного редуктора позволит повысить передаточное отношение при необходимости.
- Используйте трубу соответствующего размера для закрытия пространства между двигателем и редуктором, чтобы оператор был защищён от вращающихся элементов.
- Корпус двигателя и редуктора необходимо надёжно соединить, но не простыми шпильками с резьбой.
- Изготовьте барабан их отреза листового железа толщиной в пару миллиметров и стальной трубы диаметром 1,2 см. Приварите к трубе круглые щёки и просверлите соосное отверстие для силового вала по центру каждой боковой части.
- Силовой вал должен быть со штатной парой рабочих шестерён, в противном случае сопряжение основной звёздочки с выходом редуктора выполнить будет проблематично.
- Надёжно сварите между собой все элементы на станине из швеллера. Люфты недопустимы.
- Из листового железа толщиной до 5 мм выполните боковые стенки. Толщина менее 3 мм не подойдёт.
- С помощью мощных подшипников с подиумами зафиксируйте барабан. Данный этап один из самых ответственных. Приварите подиумы к боковым стенкам.
- Редуктор на станине следует зафиксировать так, чтобы его шестерёнка цеплялась за силовую шестерню на валу барабана. Между стенками должен быть поводок для троса – проушина.
- Соедините электромотор от стартера с редуктором и придайте лебёдке презентабельный внешний вид – зачистите швы, устраните ржавчину и покройте поверхность краской.

Рекомендации к эксплуатации
Длительный эксплуатационный срок самодельной лебёдки напрямую зависит от соблюдения следующих условий:
- качественная смазка подшипников;
- надёжная фиксация механизма на фундаменте;
- установка цепных пар в одной плоскости;
- проверка деталей перед запуском;
- следите за нагрузкой и не превышайте допустимые нормы;
- контролируйте перемещение груза;
- не прикасайтесь к тросу, если он под нагрузкой;
- следите за витками, когда трос наматывается на барабан.
Выводы
Водитель с элементарными навыками ремонта авто сможет самостоятельно изготовить лебёдку и не беспокоиться о проходимости автомобиля в условиях бездорожья. Используйте только проверенные и качественные расходные материалы, поскольку от них напрямую зависит надёжность механизма и длительность эксплуатационного срока лебёдки.
Пожалуйста, оцените этот материал!
Загрузка…Если Вам понравилась статья, поделитесь ею с друзьями!
motorsguide.ru
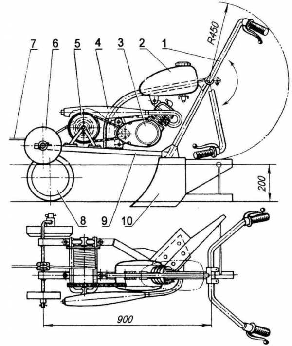
Электролебедка-электроплуг своими руками (фото и чертежи) | Своими руками
Дома у меня лежал старенький, пыльный и замасленный червячный редуктор 4-40 с уменьшающим отношением 1:40, который и послужил основой лебедки. Такой, кстати, можно найти на барахолке за невысокую цену и в хорошем состоянии.
Полностью разобрав и промыв его в бензине от отложений масла, которое больше походило на пластилин черного цвета, я решил сразу поменять сальники. На замену использовал сальники от автомобиля семейства ВАЗ. Поменял все прокладки (сменные вырезал из па-ронита толщиной 0,6 мм), отрегулировал зазор между червяком и шестерней. Залил трансмиссионное масло, и редуктор стал как новенький.
Чтобы определить, какого размера потребуется барабан, я прежде всего сварил раму из уголка 40x40x4 мм размером 75×30 см.
Поначалу думал, что трос с барабана будет разматываться при помощи реверса двигателя, но это оказалось очень долго и неудобно, вручную гораздо проще. Но для этого пришлось , придумать муфту, с помощью которой можно будет отделить вал редуктора от вала барабана и тем самым размотать трос без усилий на требуемую длину огорода. А на время работы лебедки соединяю редуктор с барабаном, и оба вала работают вместе.
Читайте также: Электроплуг своими руками – чертежи
Муфту сделал из передних ШРУСов (шарниров равных угловых скоростей) и передней ступицы ВАЗ 2108. Валы ШРУСов имеют наружные шлицы, идентичные внутренним шлицам ступицы. Они-то и будут заходить в зацепление между собой. Бывшие в употреблении ШРУСы и ступицу приобрел на пункте приема металлолома (в ближайшей авторемонтной мастерской в тот момент их не оказалось). От ШРУСа сразу отрезал две части вала – они-то и нужны для изготовления вала лебедки (рис. 3).
Затем приступил к изготовлению барабана, на который будет наматываться трос. Из куска трубы с наружным диаметром 114 мм сделал два фланца толщиной 5 мм. На металлобазе купил стальной круглый прокат (кругляк) диаметром 35 мм – он послужил заготовкой для вала. Кругляк диаметром 90 мм стал заготовкой для корпусов подшипников барабана. Кстати, учтите: покупая металл на металлобазе (если его вам будут резать пропа-новым резаком), не кидайте его сразу в емкость с водой. Такой металл трудно поддается токарной обработке. Еще мне пришлось купить пару подшипников серии 306 – такие выдержат нагрузку, создаваемую плугом.
Приехав домой и начертив на листке бумаги чертеж будущего вала (рис. 1), я отправился к токарю. Пришло время все это собрать в единый механизм. Сразу скажу, что корпуса для лебедки можно найти и готовые, и бывшие в употреблении. Но в моем городе таких магазинов нет, потому я попросил токаря выточить еще и корпус для агрегата (рис. 2).
Взяв фланцы с прорезанными по центру отверстиями под наружный диаметр вала, я приварил их к отрезку трубы диаметром 114 мм. Затем, пропустив через фланцы барабана выточенный вал, центрировал его так, чтобы оставался небольшой зазор между фланцем и корпусом подшипника, и приварил барабан к валу. Шлицевой вал ШРУСа вставил в выточенное отверстие в торце вала барабана и тщательно приварил. Такие же шлицы сделал и на редукторе. Для этого потребовался второй шлицевой вал ШРУСа – его зафиксировал на редукторе через выточенную втулку.
Крепления редуктора и барабана к раме сделал из уголка 50x50x5 мм. Все зафиксировал прихватками, ведь все это необходимо выставить соосно. К выточенным корпусам для подшипников (рис. 5) приварил уголок 50×50 мм: теперь их можно закрепить на раме с помощью болтов и легко снять, если понадобится ремонт или замена подшипников.
Очень важно расположить корпуса так, чтобы при работе лебедки вся сила тяги с корпусов приходилась не на сварочный шов, а на уголок (фото 4). Тогда корпус не оторвется, уголок обеспечит большой запас прочности.
Все выточенные детали выставил так, чтобы ступица ходила свободно, не заедала (фото 5), затем слегка прихватил сваркой, а когда убедился, что все установлено правильно, заварил на совесть.
Читайте также: Электроплуг своими руками – фото и чертежи
Зафиксировать лебедку на земле можно с помощью приваренных двух коротких отрезков трубы. Надо лишь пропустить через них арматуру или металлические прутки и вбить их в землю.
Двигатель использовал асинхронный, мощностью от 1,5 кВт с числом оборотов не меньше 2780 в минуту. Более маломощный – на 750 Вт и 2780 об/мин – не справился. Выход нашел неожиданный -установил на лебедку угловую шлифовальную машину, иными словами, болгарку мощностью 2,3 кВт.
Такая есть, наверное, у каждого хозяина, а ее мощность и 6500 об/мин позволяют справляться с любыми нагрузками при вспашке и окучивании без малейшего признака перегрева. Закрепил ее просто – двумя болтами в отверстия, предназначенные для установки ручки. Вместо отрезного диска установил шкив с резьбой – и все прекрасно работает. Шкив, кстати, можно выточить у токаря, а можно сделать намного дешевле: в металлоломе найти подходящий шкив и к нему, точно отцентрировав, приварить гайку для зажима диска от той же болгарки. Ремень исполь зовал от генератора автомобиля ВАЗ-2101. Болгарка натягивается с помощью усилия, прилагаемого рукой (фото 6).
Все подготовлено, осталось прикрепить болтом трос к барабану и равномерно его намотать. Трос взял толщиной 4 мм: такой уверенно справляется со своей задачей, хотя если грунт у вас тяжелый, стоит взять 5-миллиметровый, с запасом. Плуг и окучник (фото 7-9) сделал сам, так как предлагаемые на рынке не устроили по качеству. Чертежи плуга и окучника – на рис 4-7. Имея в хозяйстве сварочный аппарат, болгарку, молоток и подходящий материал, сделать плуг и окучник не сложно.
Подготовка к работе
В начале рядка, посередине, устанавливаем лебедку, забивая два металлических стержня для фиксации. Помощник вручную разматывает трос на необходимую длину. При помощи ступицы соединяются два вала, затем включаем болгарку – и агрегат начинает работать.
Окучивая, надо лишь немного направлять плуг влево или вправо, корректируя положение окучника в рядке. При вспашке плуг также необходимо корректировать, хотя большую часть работы за вас выполняет колесо, идущее по борозде впереди плуга.
Теперь на окучивание и вспашку уходит намного меньше времени и сил, хотя, делая такую же лебедку заново, я бы кое-что подкорректировал, сделав конструкцию менее габаритной. А так в планах – покраска и доработка данной лебедки, но и сейчас она отлично справляется со своей задачей.
Читайте также: Плуг-окучиватель своими руками + чертежи
Плуг электролебедка своими руками – фото и чертежи


©Р. МАЛЮК Ставропольский крой
ИНСТРУМЕНТ ДЛЯ МАСТЕРОВ И МАСТЕРИЦ, И ТОВАРЫ ДЛЯ ДОМА ОЧЕНЬ ДЕШЕВО. БЕСПЛАТНАЯ ДОСТАВКА. РЕКОМЕНДУЕМ — ПРОВЕРЕНО 100% ЕСТЬ ОТЗЫВЫ.

Реклама
Ниже другие записи по теме «Как сделать своими руками — домохозяину!»
Подпишитесь на обновления в наших группах.
Будем друзьями!
kak-svoimi-rukami.com
Лебедка, изготовленная своими руками, ее особенности и разновидности + видео
Лебедка, сделанная своими руками, всегда будет замечательным подспорьем, как при строительстве, ремонте, так и во множестве других ситуаций, требующих перемещения или подъема грузов на высоту.
Ручная лебедка, сделанная своими руками, – и катапульта Леонардо да Винчи останавливает врагов
Гениальный художник, ученый, изобретатель известен и как автор оригинальных решений при создании оружия. Так, катапульта с лебедкой прославила Леонардо и явилась эффективным средством сдерживания врагов. Лебедка – это машина для перемещения грузов посредством движущегося рабочего органа (каната, цепи). Простейшие из них – ворот, блок – известны с древних времен.

В России лебедки применялись с одиннадцатого века при добыче соляных растворов. В четырнадцатом-пятнадцатом веках их использовали при водоотливе, на рудных промыслах, в строительных работах. Они описываются в трудах М. В. Ломоносова. Теоретически можно выстроить лебедку до Луны, были такие фантастические проекты. Нужно лишь правильно сделать расчеты.
С реальными же приспособлениями, включая самодельную ручную лебедку, вы можете ознакомиться, посмотрев видео.
Лебедки, их виды и возможности
Если вам случалось поднимать ведро воды из глубокого колодца, вращая ворот, вы уже имеете представление о принципе работы лебедки. Лебедка – это машина для подъема или перемещения грузов. Она состоит из барабана или шкива для грузового каната, механизма привода с промежуточными передачами, тормозного устройства и опорной станины. В зависимости от назначения, эти механизмы разделяются на тяговые (перемещающие грузы по горизонтали) и подъемные.
В наше время трудно представить погрузо-разгрузочные, строительные, ремонтные, складские работы, автосервис без этих простых и надежных устройств, прошедших проверку на протяжении веков и постоянно совершенствующихся. Наряду с механизмами для швартовки судов, подъема якорей, лебедками в составе большого количества машин, успешно функционирует самодельная ручная лебедка – оптимальный вариант при строительстве дачного домика.

Несколько слов о классификации лебедок. В зависимости от способа установки выделяют
- стационарные,
- переносные (помещаемые на временном основании),
- передвижные (со станинами, имеющими ходовые катки).
По типу передачи тягового усилия различают лебедки с навивными барабанами и лебедки с фрикционными барабанами или шкивами. Использование ручного или машинного привода определяет два основных вида лебедок. Гужевой привод – волы или лошади – остался в далеком прошлом. Поэтому если вы не способны на тяговое усилие, эквивалентное работе пары волов, ваш выбор – это электрическая лебедка, установленная своими руками.

Ручной привод: рассчитываем только на себя
Ручные лебедки часто используются для различных ремонтных работ, в индивидуальном строительстве, на базах и в магазинах по реализации стройматериалов – в общем, там, где требуется поднимать или перемещать довольно большие тяжести. Лебедка с ручным приводом обязательно должна иметь тормоз и храповый останов либо безопасную рукоятку, которая сочетает функции приводной рукоятки, останова и тормоза. Это является гарантией безаварийного проведения работ.
Да, лебедка, несомненно, облегчает труд. Но не стоит забывать, что она требует, в зависимости от выполняемой операции, тех или иных физических усилий, порой весьма значительных. Только соотнеся объем предстоящих работ и их тяжесть, вы принимаете решение самому делать строительную лебедку.
Машинный привод – один барабан, два барабана…
Традиционно лебедки с машинным приводом применяются для обслуживания простых строительных кранов, скреперных, буровых установок, в лифтах. Они могут иметь один, два или три барабана. Возможно, использование различных приводов – электрических, дизельных, пневматических, паровых.

Более часто встречаются реверсивные лебедки, барабан которых связан с валом двигателя зубчатыми колесами редуктора, реже – фрикционные с использованием соответствующей муфты или разъемной фрикционной передачи. Электролебедки снабжены автоматическими тормозными системами.
Самодельная ручная лебедка – панацея застрявшего в лесу автомобилиста
Строительная лебедка своими руками – это заманчивый проект. Изучив вопрос, закупив необходимые детали и узлы, я поспешил на загородный участок, где начали подрастать стены моих будущих хором. Но на подступах к хутору мой «железный конь» безнадежно застрял. Как всегда, попытки вырваться из тисков грязи давали обратный результат. Я знал, что единственный тракторист Костя уехал на свадьбу в другую деревню, а дачники еще не появлялись. Ситуация называется «Помоги себе сам», примерно как барон Мюнхгаузен за волосы себя из болота вытаскивал.
И я таки вытащил свою машину. Потому что у меня получилось сделать ручную лебедку из подручных материалов. У кого фазенда в этих благословенных местах, тот всегда имеет в багажнике набор на случай чрезвычайных ситуаций: лом, который играет роль оси вращения, отрезок трубы, то бишь барабан, ну, а без троса кто же за руль садится? К трубе у меня приварен рычаг. Сила, конечно, нужна, чтобы сдвинуть с места автомобиль. Но все-таки это возможно. Попотел, повращал трубу. Постепенно намотался трос, и выползли мы из грязи. Золотое изобретение – лебедка.

Вы спросите, так как же сделать такую лебедку своими руками? Все очень просто.
- Сначала следует вкопать лом или длинную прочную палку достаточно глубоко в землю. Это будет наша ось вращения.
- Затем сверху на эту ось следует надеть отрезок трубы. Удобнее использовать трубу с каким-нибудь углублением или приваренными «ушками», за которые можно зацепить трос. (Для того чтобы отрезать нужный кусок трубы, вы можете воспользоваться электрическим труборезом или даже ножовкой по металлу.)
- Цепляем один конец прочного троса (стропы) на отрезке трубы, а другой конец – к нашему грузу (в данном случае это застрявший автомобиль).
- С помощью рычага начинаем наматывать трос на нашу трубу. Здесь важно учитывать два момента: чем длиннее рычаг, тем меньше своих сил придется прикладывать для достижения результата, но при этом работать с очень длинным рычагом обычно неудобно. Оптимальной длиной будет сантиметров 70–90.
Осталось разобраться, каким образом будет закреплен рычаг. Существует несколько вариантов: можно заранее приварить рычаг к трубе, что не всегда удобно; либо же сделать петлю из троса и рычаг вставить в эту петлю.
Работаем без травматизма, или не стой под грузом
При эксплуатации грузоподъемных механизмов архиважное значение имеют правила безопасности. Ни один человек не должен находиться в зоне действия лебедки. Если это по каким-либо причинам трудно обеспечить, надо выставить наблюдающего, который не допустит возникновения ситуаций, грозящих бедой. Тому, кто управляет механизмом, должно быть хорошо видно, как перемещается груз. Профессионалы знают, сколь важно надежно закрепить лебедку и проверить правильность направления намотки каната на барабан. В идеале запас прочности лебедки должен быть шестикратным.
Если вы используете лебедку, чтобы вытащить автомобиль, убедитесь, что трос вы взяли достаточно прочный и без повреждений. А для страховки будет нелишним накинуть на трос какое-нибудь старое покрывало или куртку, которую не жалко запачкать. В случае обрыва троса, это частично погасит силу, с которой «выстрелят» его куски, что может спасти вас от травмы.
Электрическая лебедка своими руками: уверены, что осилите?
Несомненно: тот, кто может, давно уже сделал. Разобрался с подшипниками, зубчатыми передачами, ползающими и неподвижными гайками и т.п. Такие люди, прежде всего, конкретно формулируют цель, начинают с точных расчетов, схем, эскизов. И дело в их руках спорится. Но не у всякого такое призвание. Если вы не относитесь к числу тех, кто уверен в своих силах, но хотели бы сделать электрическую лебедку своими руками, воспользуйтесь услугами квалифицированного консультанта.

И помните, что вам стоит учитывать и то, что, не имея под рукой подходящих деталей, за самодельную электролебедку придется выложить приличную сумму. И сумма будет сравнима с затратами на покупку неплохого б/у варианта. Тогда, возможно, лучший путь для вас – удачно выбрать надежную машину из имеющихся в продаже под планируемую работу, правильно установить этот механизм, проштудировать руководство по эксплуатации. Выбор за вами!
remoskop.ru

Прямоугольная труба для рамы.
С внешней стороны барабана на вал монтируют звёздочку большого диаметра. Подойдёт звёздочка из КПП мотоцикла. Чтобы закрепить барабан на раме, внешние стороны вала должны быть со ступицами.
