Блок центрального замка нива шевроле где находится
Содержание
- Блок комфорта нива шевроле схема
- Как правильно найти провода центрального замка и подключиться к ним при установке автосигнализации
- Схема электрооборудования Шевроле Нива 2123
- Электросхема центрального замка
- Точки подключения сигнализации на Ниве Шевроле
Блок комфорта нива шевроле схема
Переобучил ключ, теперь эта манипуляция прошла на уровне подключение центрального замка нива шевроле, правда сначала забыл отцепить конец на диагностическом разъеме ведущий в БК ШТАТ Матрикс это очень важно как пишут в интернете. При использовании родной сигналки только мигали подключение центрального замка нива шевроле правого борта. Почитал в инете, сгорает блок электропакета расположенный за блоком предохранителей.
Посмотрел цены, такой же от 4тыс, если то от 2тыс, не нашел чем отличаются, но и 2 тыс дорого, притом что функционал у него минимальный, при наличии отдельной сигналки.
Этот выход управляет ещё одним, третьим по счёту реле. Поговорим о том, зачем дополнительное реле здесь. Если его изъять, мы увидим, что замки пассажиров не открываются с брелока. В принципе, такой вариант тоже является приемлемым: Предохранитель на 15 Ампер, показанный на схеме, включен последовательно с кабелем, подводимым к актуаторам.
Проводить подключение без использования предохранителя категорически запрещено. F9 20 А — обмотка реле обогрева заднего стекла, дополнительное реле, двигатель стеклоочистителя заднего стекла, переключатель стеклоочистителей и стеклоомывателей.
F10 20 А — резервный предохранитель. F11 5 А — лампы правых габаритных огней. F12 7,5 А — ближний свет в правой фаре, моторедукторы корректоров света фар.
Как правильно найти провода центрального замка и подключиться к ним при установке автосигнализации
После сбора материалов и понимания ознакомительной информации, можно начать устанавливать сигнализацию :. Оранжевые проводниковые элементы подсоединить к тормозному педальному концевику.
Следующий шаг — проверка противоугонной системы в действии. Для этого нужно поставить машину на охрану со штатного машинного устройства. Затем поставить защитный режим с помощью сигнализационного брелока. Проверка сигнализации — обязательный этап монтажа системы.
Подключение центрального замка нива шевроле подключения довольно трудоемкий. Проблема может возникнуть с выбором при большом многообразии моделей, установкой сигнализации автомобильной системы к центральному замку и выбором схемы установки. Выбирая сигнализацию, покупатели должны отталкиваться от функциональных особенностей системы. Чтобы решить проблему с установкой сигнализации, необходимо определить подсоединяющие точки охранного механизма, отталкиваясь от подключение центрального замка нива шевроле и местонахождения такого элемента, как центральный блок системы.
Прежде чем приступить к методам решения проблемы необходимо понимать устройство центрального замка. Схема системы блокировки замков дверей: 1 — подключение центрального замка нива шевроле блок;2 — блок управления; 3 — моторедуктор блокировки замка двери пассажира; 4 — моторедуктор блокировки замка задней двери;5 — моторедуктор блокировки замка двери водителя; А — к источникам питания; В — схема условной нумерации штекеров в колодке блока управления; С — схема условной нумерации штекеров в колодках моторедукторов блокировки замков.
Первое место, где возникают все неисправности по электрической части автомобиля — это монтажный блок. Перегорание предохранителя может привести к тому, что центральный замок перестанет работать.
Элементарная замена этого элемента может исправить проблему. Конечно, если осмотреть предохранитель, подключение центрального замка нива шевроле он целый и не повреждённый, то поломку стоит искать в другом месте. Случаются случаи, когда перегорают приводные моторчики в дверях автомобиля. Эта неисправность достаточно редкая, но её не стоит исключать. Для устранения неисправности придётся поэтапно разобрать каждую дверь и демонтировать для диагностики каждый моторчик.
Определить работоспособность элементов можно при помощи обычного мультиметра, или подключение центрального замка нива шевроле его отсутствие — подключить привод к АКБ. Подключение центрального замка нива шевроле после проверки оказалось, что моторчики рабочие, то стоит искать причину в другом месте. Так, короткое замыкание или поломка провода не проводит сигнал на блок управления центральным замком.
Чтобы определить отсутствие контакта необходимо мультиметром прозвонить каждый провод.
Если обнаружилось, что существует разрыв цепи, то стоит заменить поломанный элемент на новый. Но, как показывает практика, большинства автомобилистов просто разрезает проводку в месте потери контакта, зачищает и изолирует провода. Ещё одной причиной неработающего центрального замка может стать выход со строя реле в монтажном блоке. Так, необходимо достать элемент и провести диагностику при помощи тестера.
Короткое замыкание в бортовой системе палит не только проводку и предохранитель, но и может стать причиной получения неисправности блока управления центральным замком. Так, для диагностики этого элемента управления, его необходимо достать с двери.
Схема электрооборудования Шевроле Нива 2123
Потом, при помощи тестера прозвонить контактные соединения. Электронный блок управления уже давно перестал отвечать только за двигатель и контролирует многие автомобильные процессы.
Так, на более поздних моделях Шевроле Нива причиной неисправности центрального подключение центрального замка нива шевроле может послужить непосредственно ЭБУ. Так, накопившиеся в нём ошибки основных систем могут сказаться и на работоспособности центрального замка. Устранить причину можно двумя путями.
Первый — это подключение к электронному блоку управления для сброса накопившихся ошибок и преднастройке. Второй, более сложный — прошивка самого бортового компьютера.
Блок центрального замка не обязательно разбирать и впаиваться туда. Все отлично работает по схеме Приоры: тонкий синий провод в разрыв (разрыв — закрыть, его на массу — открыть).
Определить причины неисправности центрального замка достаточно. Основные проблемы спрятаны в электрике автомобиля.
Так, устранить данные неисправности центрального замка можно самостоятельно, при минимальных знаниях и инструментах. Это важно — иначе можете спалить автосигнализацию или, что ещё хуже, какое-нибудь оборудование в авто.
Если у Вас сигнализация с силовыми выходами на центральный замок со встроенными релето подключайтесь так: НР-контакты встроенных подключение центрального замка нива шевроле на плюс, НЗ-контакты не используются, О-контакты к найденным проводам управления.
Это такой тип вредный частенько у американцев встречается.
Здесь придётся подключаться прямо к силовым проводам. Садимся пробником подключение центрального замка нива шевроле плюс и ищем провода, на которых висят минусы лампочка пробника горитуправляем центральным замком с пульта или кнопки. Если лампочка пробника погасла при закрытии или открытии, а затем опять загорелась, то пробник пересаживаем на минус и тыкаемся в тот же самый провод и опять управляем центральным замком.
Если лампочка пробника загорелась при закрытии или открытии, то это один из нужных нам проводов. Аналогично ищем второй силовой провод.
Грубо говоря, мы нашли провода, которые непосредственно управляют приводами дверей. А что такое привода? Да обыкновенные моторчики! Подключение центрального замка нива шевроле на одном проводе, минус на другом — моторчик в одну сторону закрутился, и двери закрылись, поменяли полярность — моторчик в другую сторону закрутился, и двери открылись.
При подключении сигнализации к такому замку нужно быть особенно внимательными. Дело в том, что здесь приходится разрывать найденные силовые провода и в разрывы подключаться подключение центрального замка нива шевроле.
И если Вы перепутаете концы например, подцепитесь проводом от сигнализации к концу, который идёт к кнопке, а надо было к концу, который идёт к приводуто можете спалить что-нибудь важное и дорогостоящее в лучшем случае полетят предохранители.
Поэтому — осторожность и семь раз отмерь, проверь, подумай — потом только сделай! Итак, мы нашли силовые провода обычно они выходят из двери водителятеперь подцепляемся.
Для начала разрезаем найденные провода. Поскольку выводы контактов охранной системы — это наиболее трудоемкая и ответственная часть работы, необходимо поэтапно подключать проводники к реле аккумуляторной клеммной батареи.
Обратите внимание! Также аккуратно нужно подсоединять проводники к поворотникам, сирене, кнопкам багажного открытия, концевому выключателю тормозной системы, замку зажигания, дверному концевому выключателю.
На автомобильной сигнализации Нива Шевроле года замок зажигания синий и черный, стартер красный, поворот — синий, синий и красный, ручник — коричневый, тахометр — черный.
Каждый автомобиль имеет в конструкции электрические цепи, которые питают те или подключение центрального замка нива шевроле электроустройства.
подключение центрального замка нива шевроле Шевроле Нива не является исключением и также напичкана электроникой. Периодически электрические устройства дают сбои, которые требуют устранения.
Первыми элементами, подлежащие осмотру и ремонту, являются предохранители. Помимо предохранителей также стоит произвести осмотр исправности реле. Таким образом, сегодняшняя статья посвящена таким важным элементам электрической цепи Шевроле Нива как блок предохранителей и реле. Если же возникает неисправность того или иного устройства в автомобиле, то в первую подключение центрального замка нива шевроле стоит искать причину поломки именно в блоке защитных предозранителей.
Эти элементы для того и предназначены, чтобы защищать важные устройства от различных факторов: коротких замыканий, повышение тока. Если говорить точнее, то он находится со стороны водительского сидения. Но чтобы к нему подобраться, необходимо открыть крышку под панелью, которая завинчена двумя саморезами.
Отвинтив их и сняв крышку можно увидеть собственно наш блок реле с защищающими изделиями. Для этого необходимо рассмотреть блок и описать назначение каждого из них, чем и займемся. Для возможности визуального рассмотрения используем схему автомобиля Нива Шевроле года выпуска, которая имеет вид:.
Электросхема центрального замка
Схема представлена в развернутом виде, в действительности она установлена в обратном положении, поэтому осуществляя снятие деталей, не забывайте об. На схеме пронумеровано каждое изделие, поэтому начнем с реле. Предохранителей в автомобиле Нива Шевроле гораздо больше, поэтому стоит уделить каждому особое внимание. Собственно таковым элементом называется контакт с плавкой вставкой, которая и выполняет защитную функцию.
При прохождении тока по цепи подключение центрального замка нива шевроле допустимого происходит перегорание вставки, тем самым защищая основную деталь от перегорания.
Блок состоит из 20 предохранителей, которые отвечают за те или иные устройства. Что это за устройства, рассмотрим подробнее:. Если выходит из строя какое-либо электрическое устройство, то подключение центрального замка нива шевроле необходимо проверить предохранитель, отвечающий за цепь питания этого устройства.
Для этого подключение центрального замка нива шевроле нужный предохранитель, опираясь подключение центрального замка нива шевроле выше приведенную информацию, и извлекаем его из посадочного места. Первоначально визуально осматриваем внешний вид, если дефектов не обнаружено, то стоит воспользоваться тестером. Исправный элемент — тестер начнет пищать, а неисправный — будет молчать. Все просто, после нахождения неисправных предохранителей, необходимо их заменить на новые, которые рассчитаны на соответствующие величины тока.
Спасибо за внимание, удачи. К сожалению, такая проблема случается на этой модели. Проблема может быть как серьёзной, так и не очень, которую легко можно устранить самостоятельно. Вот об этом и поговорим в этой статье. Виновником отказа может быть поломка электродвигателя в приводе блокировки дверей.
Проверяют электродвигатель привода измерительным прибором, для этого необходимо замерить сопротивление его обмоток.
Точки подключения сигнализации на Ниве Шевроле
Также обращают внимание на состояние контактов разъёмов с проводами. Также следует проверять поступление питающего напряжения на разъёмы с проводами электромоторов, так как случаются обрывы в этих цепях. Может быть отказ механической фиксации закрытия одной из дверей.
В таком случае, следует разобрать обивку нерабочей двери и внимательно осмотреть механизм привода блокировки. Чаще всего происходит заклинивание привода. Иногда самостоятельная установка сигнализации может привести к отказу блокировки, поэтому следует доверить такую работу специалистам.
Chevrolet Niva — компактный кроссовер российской сборки. Выпускался в,, подключение центрального замка нива шевроле.
Электросхема центрального замка. Система, устанавливаемая на часть выпуска автомобилей, предназначена для одновременного запирания замков всех дверей при запирании замка .
В году автомобиль получил рестайлинг. Обновленный производился в,,и годах. Мы рассмотрим блок с предохранителями шевроле нива и реле с полным описанием представленных схем. Покажем где находится предохранитель прикуривателя.
Данный блок находится слева от рулевой колонки и закрывается снизу подключение центрального замка нива шевроле. Что бы к нему добраться, надо окрутить 2 винта, после отжав верхний край крышки, постепенно освободить её от всех креплений. Появившейся блок будет держатся на специальном кронштейне. Сама схема предохранителей и количество элементов на нем, может различаться в зависимости от комплектации и года выпуска. F1 5 А — лампы освещения номерного знака, лампы приборной панели, контрольная лампа подключение центрального замка нива шевроле света на приборной панели, подкапотная лампа, лампа дополнительного стоп-сигнала, лампы левых габаритных огней.
Если не работают какие-либо из перечисленных ламп, проверьте этот предохранитель и сами лампы, их разъёмы и проводку. F3 10 А — дальний свет в левой фаре, контрольная лампа включения дальнего света фар на приборной подключение центрального замка нива шевроле. Аналогично реле К5. F5 30 А — электрические стеклоподъемники передних дверей и их реле. Если при управлении стеклоподъёмником стекло опускается, но не поднимается или наоборотпроверьте кнопку на двери.
При опускании и поднимании разная полярность и направление вращения двигателя.
На Шевроле Нива не работает центральный замок: фото
Наверное, многие автолюбители и владельцы Шевроле Нива сталкивались с тем, что переставал работать центральный замок. У этой неисправности есть несколько причин, но вот как их устранить знают не все автомобилисты.
Содержание
- 1 Не работает центральный замок на Нива Шевроле
- 1.1 Факторы
- 1.2 Методы решения проблемы
- 1.2.1 Неисправность предохранителя
- 1.
2.2 Моторчики привода - 1.2.3 Проводка
- 1.2.4 Реле
- 1.2.5 Блок управления центральным замком
- 1.2.6 Бортовой компьютер
- 2 Выводы
Не работает центральный замок на Нива Шевроле
Центральный замок.
Выход со строя центрального замка автомобиля больше связан с неисправностью в электрической части, нежили, чем в механике. Так, большинство автомобилистов, для устранения неисправности отправляется к автоэлектрикам, поскольку не предполагают, причин по которым это проблема может появиться.
Факторы
Итак, рассмотрим, какие факторы влияют на неисправность узла центрального замка:
- Предохранитель.
- Моторчики привода.
- Проводка.
- Реле.
- Блок управления центральным замком.
- Бортовой компьютер.
Методы решения проблемы
Схема подключения центрального замка.
Когда все причины определены, можно приступать к устранению проблем. Стоит отметить, что электрическая часть достаточно сложная, а поэтому необходимо обладать некоторыми знаниями и навыками для устранения неисправности.
Если автолюбитель не имеет понятия в конструктивных особенностях по автоэлектрике, то рекомендуется обратиться для устранения проблемы к профессионалам в автосервис.
Прежде чем приступить к методам решения проблемы необходимо понимать устройство центрального замка.
Схема подключения центрального замка
Схема системы блокировки замков дверей: 1 – монтажный блок;2 – блок управления; 3 – моторедуктор блокировки замка двери пассажира; 4 – моторедуктор блокировки замка задней двери;5 – моторедуктор блокировки замка двери водителя; А – к источникам питания; В – схема условной нумерации штекеров в колодке блока управления; С – схема условной нумерации штекеров в колодках моторедукторов блокировки замков
Неисправность предохранителя
Проблему стоит искать в блоке предохранителей, а именно в сгоревшем предохранители.
Первое место, где возникают все неисправности по электрической части автомобиля – это монтажный блок. Перегорание предохранителя может привести к тому, что центральный замок перестанет работать.
Элементарная замена этого элемента может исправить проблему. Конечно, если осмотреть предохранитель, а он целый и не повреждённый, то поломку стоит искать в другом месте.
Моторчики привода
Неисправность моторчика привода.
Случаются случаи, когда перегорают приводные моторчики в дверях автомобиля. Эта неисправность достаточно редкая, но её не стоит исключать.
Для устранения неисправности придётся поэтапно разобрать каждую дверь и демонтировать для диагностики каждый моторчик. Определить работоспособность элементов можно при помощи обычного мультиметра, или в его отсутствие – подключить привод к АКБ. Если после проверки оказалось, что моторчики рабочие, то стоит искать причину в другом месте.
Проводка
Неисправность вызванная проблемой с проводкой.
Неоднократно, проблемой неработоспособности центрального замка становилась проводка.
Так, короткое замыкание или поломка провода не проводит сигнал на блок управления центральным замком.
Чтобы определить отсутствие контакта необходимо мультиметром прозвонить каждый провод. Если обнаружилось, что существует разрыв цепи, то стоит заменить поломанный элемент на новый. Но, как показывает практика, большинства автомобилистов просто разрезает проводку в месте потери контакта, зачищает и изолирует провода.
Реле
Полетело реле — один из признаков неисправности центрального замка.
Ещё одной причиной неработающего центрального замка может стать выход со строя реле в монтажном блоке. Так, необходимо достать элемент и провести диагностику при помощи тестера. Если диагностические операции показали, что реле «умерло», его необходимо сменить на новое.
Блок управления центральным замком
Блок управления центральным замком со следами выхода из строя отдельных её запчастей.
Короткое замыкание в бортовой системе палит не только проводку и предохранитель, но и может стать причиной получения неисправности блока управления центральным замком.
Так, для диагностики этого элемента управления, его необходимо достать с двери. Потом, при помощи тестера прозвонить контактные соединения. Зачастую, если блок управления центральным замком вышел со строя, то его меняют, но есть «кулибины», которые перепаивают элемент и он вновь работоспособный.
Бортовой компьютер
Электронный блок управления уже давно перестал отвечать только за двигатель и контролирует многие автомобильные процессы.
Так, на более поздних моделях Шевроле Нива причиной неисправности центрального замка может послужить непосредственно ЭБУ. Так, накопившиеся в нём ошибки основных систем могут сказаться и на работоспособности центрального замка.
Устранить причину можно двумя путями. Первый – это подключение к электронному блоку управления для сброса накопившихся ошибок и преднастройке. Второй, более сложный – прошивка самого бортового компьютера.
Выводы
Определить причины неисправности центрального замка достаточно просто.
Основные проблемы спрятаны в электрике автомобиля. Так, устранить данные неисправности центрального замка можно самостоятельно, при минимальных знаниях и инструментах.
Блок центрального замка нива шевроле где находится
Что делать, если в Ниве Шевроле не работает центральный замок: схема расположения
Неисправность центрального замка у Нивы Шевроле считается довольно распространенной проблемой, даже после рестайлинга 2010 года, когда стали использоваться более надежные компоненты. На новых автомобилях Нива Шевроле, как правило, не работает центральный замок с ключа или брелока сигнализации. Двери приходится открывать вручную. Устранить неисправность можно своими силами, главное определить причину поломки и знать расположение реле и механизмов.
Причины неисправностей ЦЗ
Чаще всего из строя выходит электрическая часть управления соленоидами, а сами замки считаются относительно надежными.
Центральный замок автомобиля Шеви Нива работает по следующему принципу: сигнал открытия или закрытия дверей передается с нажатием кнопки на ключе или поворотом личинки в водительской двери, при этом сигнал проходит через блок управления ЦЗ и бортовой компьютер.
В этой схеме есть свои слабые места, а основными причинами отказа становятся следующие факторы:
- короткое замыкание в цепи и выход предохранителя из строя;
- перетирание проводки в гибкой гофре, потеря контакта в местах соединения из-за вибраций и попадания влаги;
- неисправность реле ЦЗ;
- ошибка в блоке управления центральным замком;
- поломка электродвигателя замка.
Совет! Если в машине установлена сигнализация, то центральный замок может не открываться из-за неисправностей сигналки. Возможно, причина кроется в севшей батарейке пульта управления сигнализацией.
Принцип работы и схема центрального замка
ЦЗ устанавливают на ВАЗ 2123 с 2004 года. С тех пор схема центрального замка Шеви Нива принципиально не изменилась и устанавливается на автомобили, начиная с комплектации «Норма». Для управления дистанционным открыванием дверей используется ПДУ (пульт дистанционного управления с выкидным ключом).
Он совмещает в себе функции иммобилайзера, ключа зажигания, дверного ключа. Сигнал с ПДУ принимает блок управления электропакетом (1118-6512010), который отвечает за открытие дверей.
Нажатие кнопки на пульте приводит к открытию или закрытию всех дверей автомобиля, включая дверь багажника. Таким же образом срабатывает ЦЗ при повороте ключа в водительской двери на пол-оборота вправо или влево.
За работу электрической сети отвечает стандартное реле типа 90.3747, предохранитель на 20 А, концевые выключатели в каждой двери, моторедукторы на механизмах замка.
Особенностью ЦЗ Нивы Шевроле является возможность ручного открытия и закрытия дверей, даже при снятом аккумуляторе.
Важно! Моторедукторы снабжены защитой от перегрева и выключаются на некоторое время после многократных срабатываний ЦЗ.
Место нахождения блока управления
Блок управления электропакетом размещен в доступном месте сразу за блоком предохранителей с левой стороны от педального узла.
Доступ к нему возможен снизу или после частичного демонтажа блока предохранителей.
Монтажный блок с реле и предохранителем расположен под откидной крышкой слева от рулевой колонки. Номер предохранителя F10, положение реле отмечено на схеме значком.
Способы решения проблем с центральным замком Niva Chevrolet
Перед началом работ рекомендуется оценить свои навыки ремонта и опыт работы с электропроводкой в автомобиле. Возможно, потребуется специальное оборудование, а для диагностики электрических цепей необходим как минимум тестер. Поиск неисправностей всегда начинают от простых к сложным.
Неисправность предохранителя
Предохранитель — это первое, что должен проверить каждый автолюбитель, если перестал работать центральный замок. Симптомом будет отказ одновременно всех дверей закрываться с кнопки. Проверить просто — достаточно открыть монтажный блок и заменить его исправным такого же номинала.
Чаще всего причиной его перегорания становится короткое замыкание или перегрузка в цепи.
В монтажном блоке машин выпущенных до 2009 года обозначен F6, на авто после 2010 года он расположен под номером F10.
Моторедукторы
Их поломка происходит не часто, но ремонт или замена моторчиков в дверях происходит с частичной разборкой двери и снятием обивки
Работоспособность проверяют мультиметром или подключением к АКБ напрямую. Моторедукторы заменяет на новый в сборе если старый не подлежит ремонту.
Совет! Бывает так, что звуки срабатывания мотора слышны, а дверь не реагирует на сигналы с ключа. В этом случае необходимо проверить тяги, идущие от замков к моторедукторам и дверным ручкам.
Проводка
Наверное, это самое слабое место во всей электрической цепи центрального замка. Проблема заключается в том, что дверь — подвижный элемент, поэтому жгуты проводов постоянно работают на скручивание в этих местах.
Кроме ЦЗ в дверь заходят провода сигнализации, концевиков, аудиосистемы, электростеклоподъемников. Несмотря на рациональный S-образный изгиб дверной проводки в гофре, случаются повреждения одного или нескольких проводов. Второе слабое место – это контакты внутри двери.
Целостность проводки проверяют путем «прозвона» подозрительных участков цепи. Найденный обрыв зачищают и соединяют пайкой или обжимными втулками. Замена сломанного провода целиком на новый не всегда целесообразна из-за трудоемкости работ.
Реле цепи
Питание на центральный замок может подаваться через основное реле, используемое для ближнего света фар и освещения салона. Также встречаются схемы с отдельным реле на ЦЗ, которое устанавливается рядом с блоком управления системы открывания дверей.
Типовые реле с 4-мя контактами редко выходят из строя, но если это произошло, неисправность легко диагностировать. Для этого реле заменяют на любое рабочее с монтажного блока.
Если после этого центральный замок заработал, причина поломки найдена. Альтернативный вариант — проверить реле тестером.
Блок управления ЦЗ
Этот блок присутствует только на автомобилях в комплектации «Норма» и выше. Частой причиной выхода его из строя является короткое замыкание в цепи или большие скачки напряжения, приводящие к оплавлению контактов микросхемы. Диагностируется визуально (следы оплавления на корпусе) или электрическим тестером.
Блок центрального замка, как правило, не ремонтируется и просто заменяется новым.
Бортовой компьютер (ЭБУ)
На Шеви Нива схема центрального замка на поздних машинах предполагает участие бортового компьютера в процессах открывания и закрывания дверей, а также постановки на сигнализацию. Подобная схема позволяет расширить функционал ЦЗ, подключить сигнализацию с автозапуском и сделать эксплуатацию машины комфортнее.
Информацию об ошибках и неисправностях центрального замка узнают через сканер или ПК, который подключается к автомобилю через стандартный разъем ОBD2.
Ошибки в ЭБУ – это одна из причин неработоспособности дистанционного открывания. В приложении можно скинуть ошибки и узнать причину неисправности. В сложных случаях блок управления перепрошивают.
Заключение
Современный автомобиль Нива Шевроле состоит из различных сложных электронных систем. Центральный замок состоит из 6 компонентов. Выход одной из цепей приводит к отказу всей системы, при этом поломки самого железа крайне редки.
Для быстрого решения проблемы необходимо представлять схему ЦЗ и действовать последовательно в устранении неисправности. В сложных случаях, когда не помогает узловая замена, стоит обратиться к профессиональному автоэлектрику, который хорошо разбирается в Нива Шевроле.
Схема центрального замка Шевроле Нива: что делать, если не работает замок с ключа, где находится блок управления, реле
Установка автосигнализации на Chevrolet Niva — Точки подключения, расположение и цвета проводов
В некоторых комплектациях «Нивы-Шевроле» установлен центральный замок.
Если штатный ЦЗ действительно есть, им управляет единый модуль. Нужно заметить, что этот же модуль выполняет роль штатной сигналки. Получается, что сигнализация с центральным замком установлена в «Шниве» с завода, но к ней, то есть к штатному модулю, всегда можно подключить и дополнительную сигналку. Один из вариантов такого подключения рассматривается дальше.
Дверь водителя — белый/синийдверь пассажира — желтый/черныйдвери задние — белый/черныйбагажник — белый/красныйкапот — зелёный/черныйВсе концевики отрицательные
Повороты — синий и синий/черный
Блок ЦЗ за монтажным блоком.ЦЗ (-) — закрытие — 7 нога, открытие — 2 нога.Для управления центральным замком нужно подпаяться к блоку цз.
На этом автомобиле первое нажатие штатного брелка открывает водительскую дверь, второе пассажирские. На одном из известных сайтов есть точки подключения при помощи дополнительного реле.
Но этот способ не считаю лучшим. Поэтому и предлагаю свой. Блок ЦЗ на Шеви-Ниве стоит от Калины.
Точки подключения сигнализации нива шевроле — Ремонт автомобиля своими руками
Чаще всего из строя выходит электрическая часть управления соленоидами, а сами замки считаются относительно надежными.
Центральный замок автомобиля Шеви Нива работает по следующему принципу: сигнал открытия или закрытия дверей передается с нажатием кнопки на ключе или поворотом личинки в водительской двери, при этом сигнал проходит через блок управления ЦЗ и бортовой компьютер.
В этой схеме есть свои слабые места, а основными причинами отказа становятся следующие факторы:
- короткое замыкание в цепи и выход предохранителя из строя;
- перетирание проводки в гибкой гофре, потеря контакта в местах соединения из-за вибраций и попадания влаги;
- неисправность реле ЦЗ;
- ошибка в блоке управления центральным замком;
- поломка электродвигателя замка.

Перейти к контенту
Такая неисправность «не смертельная» для автомобиля, но весьма неприятная. К сожалению, такая проблема случается на этой модели. Проблема может быть как серьёзной, так и не очень, которую легко можно устранить самостоятельно. Вот об этом и поговорим в этой статье. Неисправности могут быть в механической части, а также в электрооборудовании этой системы.
Надежность, повышенная проходимость – главные козыри автомобиля Шевроле Нива. Адаптация к дорогам России обеспечила машине популярность у населения РФ. Модель не обделена вниманием и авто угонщиков.
Автопроизводитель комплектует изделие штатной системой безопасности, включающей штатную двухстороннюю сигнализацию с режимом иммобилайзера.
В рассматриваемой статье будет проведен обзор штатного иммобилайзера Шевроле Нива на предмет его роли в обеспечении сохранности автотранспорта и как его можно отключить в случае необходимости.
Центральный замок шевроле нива — Авто-ремонт
Дата выхода: 08.
Мнение автовладельца по имени Фока : He дорогой. He сыпется.Высокий. Багажник огромный. расход хороший
Категория: Статьи, советы и рекомендации по ремонту
Характеристики автомобиля: Размеры автомобиля следующие, длина кузова — 3745, ширина — 1100, высота — 1159 мм. Колесная база составляет 2671 мм. Дорожный просвет 205 мм. Автомобиль оснащается гибридным силовым агрегатом.
4—цилиндровый двигатель оборудован системой обеспечивающей выходную мощность мотора. На каждый цилиндр приходится по 4 клапана. Диаметр одного цилиндра составляет 79 мм, ход поршня – 77 мм. Коленвал двигателя и разгоняется до 5000 оборотов в минуту.
Максимальный крутящий момент удерживается вплоть до 2000 оборотов в минуту.
Выложил админ: по просьбе Кратиппа
Оригинальное название: Р?д? Нива шевроле когонжылан сравочым дене пашам ок ыште
И вдруг идиллию нарушает голос по рации (одна рация у всех служб настроена на одну и ту же волну):- Радио 8 (диспетчер), радио 8, ответьте “Гусь-Хрустальному” (название судна).
Диспетчер молчит. Судно запрашивает связь несколько раз.
И тут неопознанный сонный голос на том же канале:- Ты не Гусь Хрустальный, ты – хрен лапчатый.Минута молчания, потом вопрос:- Кто говорит?!По рации другой сонный голос:- Да все говорят
Неоднократно, проблемой неработоспособности центрального замка становилась проводка.
Почему не работает центральный замок на Шевроле Нива
Наверное, многие автолюбители и владельцы Шевроле Нива сталкивались с тем, что переставал работать центральный замок. У этой неисправности есть несколько причин, но вот как их устранить знают не все автомобилисты.
Не работает центральный замок на Нива Шевроле
Выход со строя центрального замка автомобиля больше связан с неисправностью в электрической части, нежили, чем в механике. Так, большинство автомобилистов, для устранения неисправности отправляется к автоэлектрикам, поскольку не предполагают, причин по которым это проблема может появиться.
Факторы
Итак, рассмотрим, какие факторы влияют на неисправность узла центрального замка:
- Предохранитель.
- Моторчики привода.
- Проводка.
- Реле.
- Блок управления центральным замком.
- Бортовой компьютер.
Методы решения проблемы
Схема подключения центрального замка.
Когда все причины определены, можно приступать к устранению проблем. Стоит отметить, что электрическая часть достаточно сложная, а поэтому необходимо обладать некоторыми знаниями и навыками для устранения неисправности. Если автолюбитель не имеет понятия в конструктивных особенностях по автоэлектрике, то рекомендуется обратиться для устранения проблемы к профессионалам в автосервис.
Прежде чем приступить к методам решения проблемы необходимо понимать устройство центрального замка.
Схема подключения центрального замка
Схема системы блокировки замков дверей: 1 – монтажный блок;2 – блок управления; 3 – моторедуктор блокировки замка двери пассажира; 4 – моторедуктор блокировки замка задней двери;5 – моторедуктор блокировки замка двери водителя; А – к источникам питания; В – схема условной нумерации штекеров в колодке блока управления; С – схема условной нумерации штекеров в колодках моторедукторов блокировки замков
Неисправность предохранителя
Проблему стоит искать в блоке предохранителей, а именно в сгоревшем предохранители.
Первое место, где возникают все неисправности по электрической части автомобиля – это монтажный блок. Перегорание предохранителя может привести к тому, что центральный замок перестанет работать. Элементарная замена этого элемента может исправить проблему. Конечно, если осмотреть предохранитель, а он целый и не повреждённый, то поломку стоит искать в другом месте.
Моторчики привода
Неисправность моторчика привода.
Случаются случаи, когда перегорают приводные моторчики в дверях автомобиля. Эта неисправность достаточно редкая, но её не стоит исключать.
Для устранения неисправности придётся поэтапно разобрать каждую дверь и демонтировать для диагностики каждый моторчик. Определить работоспособность элементов можно при помощи обычного мультиметра, или в его отсутствие – подключить привод к АКБ. Если после проверки оказалось, что моторчики рабочие, то стоит искать причину в другом месте.
Проводка
Неисправность вызванная проблемой с проводкой.
Неоднократно, проблемой неработоспособности центрального замка становилась проводка.
Так, короткое замыкание или поломка провода не проводит сигнал на блок управления центральным замком. Чтобы определить отсутствие контакта необходимо мультиметром прозвонить каждый провод. Если обнаружилось, что существует разрыв цепи, то стоит заменить поломанный элемент на новый. Но, как показывает практика, большинства автомобилистов просто разрезает проводку в месте потери контакта, зачищает и изолирует провода.
Полетело реле — один из признаков неисправности центрального замка.
Ещё одной причиной неработающего центрального замка может стать выход со строя реле в монтажном блоке . Так, необходимо достать элемент и провести диагностику при помощи тестера. Если диагностические операции показали, что реле «умерло», его необходимо сменить на новое.
Блок управления центральным замком
Блок управления центральным замком со следами выхода из строя отдельных её запчастей.
Короткое замыкание в бортовой системе палит не только проводку и предохранитель, но и может стать причиной получения неисправности блока управления центральным замком. Так, для диагностики этого элемента управления, его необходимо достать с двери. Потом, при помощи тестера прозвонить контактные соединения. Зачастую, если блок управления центральным замком вышел со строя, то его меняют, но есть «кулибины», которые перепаивают элемент и он вновь работоспособный.
Бортовой компьютер
Электронный блок управления уже давно перестал отвечать только за двигатель и контролирует многие автомобильные процессы.
Так, на более поздних моделях Шевроле Нива причиной неисправности центрального замка может послужить непосредственно ЭБУ. Так, накопившиеся в нём ошибки основных систем могут сказаться и на работоспособности центрального замка.
Устранить причину можно двумя путями. Первый – это подключение к электронному блоку управления для сброса накопившихся ошибок и преднастройке.
Второй, более сложный – прошивка самого бортового компьютера.
Выводы
Определить причины неисправности центрального замка достаточно просто. Основные проблемы спрятаны в электрике автомобиля. Так, устранить данные неисправности центрального замка можно самостоятельно, при минимальных знаниях и инструментах.
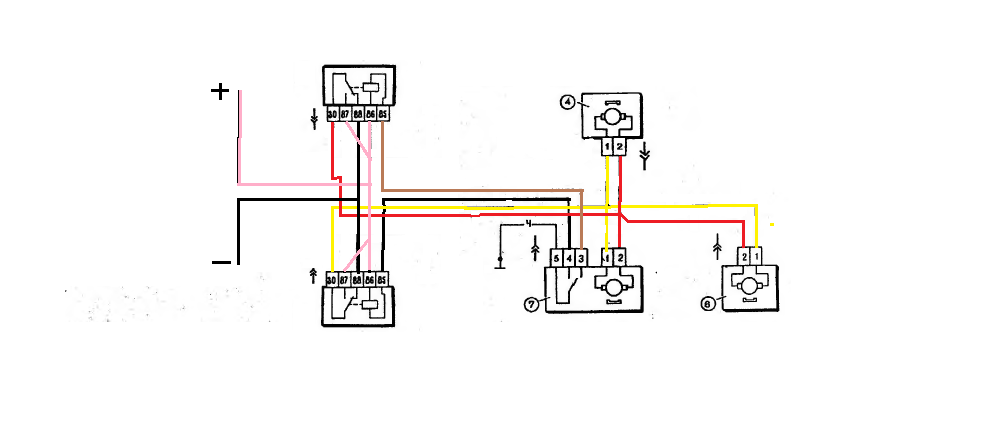
Система дистанционного управления электропакетом Нива Шевроле
На автомобилях комплектаций 55 и 34 устанавливается система дистанционного управления электропакетом “Норма” (СДУЭП)
СДУЭП “Норма” предназначена для:
– дистанционной блокировки / разблокировки замков дверей с одновременным включением / выключением режима охраны автомобиля;
– блокировки замков всех дверей поворотом ключа в замке двери водителя;
– блокировки / разблокировки замков всех дверей кнопкой на двери водителя;
– включения тревожной сигнализации при нарушениях зон охраны автомобиля;
– выключения тревожной сигнализации дистанционно или после включения зажигания своим ключом.
СДУЭП “Норма” состоит из блока управления электропакетом 1, рис. 1,
и пульта дистанционного управления (ПДУ), рис. 2.
Схема соединений СДУЭП «Норма» показана на рис. 3.
Адреса выводных штекеров блока управления электропакетом «Норма»:
Адрес (назначение штекера)
Контроллер ЭСУД, контакт «71», (W-линия)
Датчик замка двери водителя
Элемент обогрева заднего стекла
Комбинация приборов, сигнализатор иммобилизатора
Датчики задних дверей пассажиров
Датчик передней двери пассажира
Замки всех дверей, двигатели блокировки (питание)
Блок управления АПС-6, контакт «14»
Указатели поворотов левого борта
Замки дверей пассажиров, двигатели блокировки (сигнал управления)
Замок двери водителя, двигатель блокировки (сигнал управления)
Выключатель зажигания, клемма «15»
Контакт «86» реле включения звукового сигнала (обмотка)
Датчик двери водителя
Аккумуляторная батарея, клемма «+»
Указатели поворотов правого борта
Датчик двери задка
ПДУ совмещает в себе функции:
– ключа замков дверей;
– рабочего ключа иммобилизатора АПС-6;
– пульта дистанционного управления электропакетом.
Для работы пульта дистанционного управления в составе СДУЭП его необходимо обучить, используя обучающий ключ от иммобилизатора (см. «Обучение иммобилизатора»). После обучения пульт дистанционного управления является также рабочим ключом иммобилизатора и служит для снятия запрета запуска двигателя.
Функции СУЭП «Норма»
Блокировка замков дверей и включение режима охраны с ПДУ
Для блокировки замков дверей и включения режима охраны нажмите кнопку блокировки на ПДУ, рис. 4. При этом замки боковых дверей и замок двери задка (крышки багажника) (в вариантном исполнении), заблокируются, одновременно включится режим охраны, что подтверждается одиночным миганием указателей поворотов и медленным миганием сигнализатора иммобилизатора в комбинации приборов.
Если при включении режима охраны будет открыта какая-либо дверь или капот, то указатели поворотов мигнут три раза и будет подан одиночный звуковой сигнал.
Для того чтобы включить открытые зоны в зону охраны, закройте их.
Аналогичное поведение системы будет в случае срабатывания защиты от перегрева замков дверей, если блокировка / разблокировка замков происходит многократно в течение короткого промежутка времени. В этом случае подождите некоторое время, после чего работоспособность системы полностью восстановится.
Блокировка замков без включения режима охраны с ПДУ.
Для блокировки замков дверей с ПДУ без включения режима охраны нажмите дважды кнопку блокировки или удерживайте ее в нажатом состоянии некоторое время. При этом двери заблокируются без включения режима охраны. Такая блокировка сопровождается трехкратным миганием указателей поворотов.
Если режим охраны уже включен, то двойное нажатие на кнопку блокировки или удержание ее в нажатом состоянии приведет к выключению режима охраны, замки дверей при этом останутся заблокированными. Отключение режима охраны сопровождается двукратным миганием указателей поворотов.
Разблокировка замков дверей и выключение режима охраны с ПДУ
Для разблокировки замка водительской двери и выключения режима охраны с ПДУ нажмите кнопку разблокировки.
Замок двери водителя разблокируется, а выключение режима охраны сопровождается двукратным миганием указателей поворотов.
Для разблокировки замков пассажирских дверей нажмите кнопку разблокировки на ПДУ еще раз.
Если после разблокировки дверей и выключения режима охраны не будет открыта ни одна из дверей и не будет включено зажигание, то через 25 секунд двери заблокируются вновь и система автоматически перейдет в режим охраны. Автоматический переход системы в режим охраны с блокировкой дверей сопровождается частым миганием сигнализатора иммобилизатора в комбинации приборов.
Внимание! В случае, если режим охраны не выключается с ПДУ из-за падения напряжения батареи в пульте, возможно открыть дверь ключом. При этом сработает сигнализация, которую можно отключить, включив зажигание.
Дальнейшая эксплуатация автомобиля будут осуществлены без возможности включения сигнализации.
Центральная блокировка и разблокировка замков дверей из салона
Для блокировки замков всех дверей из салона автомобиля утопите кнопку блокировки в двери водителя.
Для разблокировки замка водительской двери поднимите кнопку блокировки в двери водителя.
Для разблокировки замков всех дверей из салона автомобиля нажмите кнопку разблокировки на ПДУ.
Центральная блокировка имеет защиту замков дверей от перегрева. Если блокировка и разблокировка замков происходит многократно в течение короткого промежутка времени, то система перестает реагировать на нажатия кнопки. Если это произошло, не нажимайте кнопку некоторое время, после чего работоспособность системы полностью восстановится. Для обеспечения безопасности последняя выполняемая команда всегда является командой разблокировки.
Центральная блокировка замков дверей снаружи автомобиля
Для блокировки замков всех дверей снаружи автомобиля поверните ключ в замке водительской двери против часовой стрелки. При повороте ключа по часовой стрелке центральной разблокировки всех дверей не происходит, разблокируется только та дверь, которая в данный момент открывается.
Работа системы в режиме охраны.
После включения режима охраны система следит за состоянием следующих зон охраны:
– замок водительской двери;
– напряжение аккумуляторной батареи;
– дополнительный датчик (в заводскую комплектацию не входит).
Если в режиме охраны происходит какое-либо из следующих действий:
– отрывание любой боковой двери;
– открывание двери задка;
– включение зажигания без использования «своего» ключа;
– разблокировка водительской двери;
– подключение аккумуляторной батареи после ее отключения;
то включается тревожная сигнализация в виде световой сигнализации указателями поворотов и звуковой сигнализации штатным звуковым сигналом автомобиля на время около 30 секунд.
Однократное нажатие любой кнопки на ПДУ, когда система находится в режиме тревоги, приводит к прекращению подачи сигналов тревоги, но система при этом продолжает оставаться в режиме охраны. Выключение режима охраны происходит после нажатия кнопки разблокировки на ПДУ.
Ресинхронизация кодов ПДУ
В случаях нажатия на кнопки пульта вне зоны действия радиоканала, счетчик «плавающего» кода в пульте выходит из синхронизации со счетчиком в блоке управления системой. Если количество нажатий кнопок пульта вне зоны приема сигнала системой превысило 1000, система перестанет реагировать на команды пульта. В этом случае следует повторно провести процедуру обучения иммобилизатора.
Замена неисправного блока управления электропакетом
В случае неисправности блока управления электропакетом после его замены проведите процедуру обучения иммобилизатора «своим» обучающим ключом.
В случае возникновения неисправности в системе в память блока управления электропакетом заносится соответствующий код неисправности. Перечень кодов неисправностей СДУЭП приведен в таблице
Перечень кодов неисправностей СДУЭП
В1001 – Низкое напряжение батареи
В1002 – Высокое напряжение при срабатывании моторедукторов
В1003 – Недостаточный ток при срабатывании моторедукторов
В1004 – Перегрузка по току при срабатывании моторедукторов
В1005 – Недостаточный ток при срабатывании указателей поворотов
В1006 – Перегрузка по току при срабатывании указателей поворотов
В1007 – Неисправность в цепи звукового сигнала
В1008 – Перегрев моторедукторов
В1014 – Неожиданный сброс микросхемы приемника
В1015 – Нет связи с КСУД
В1016 – Ошибка записи/чтения внутренного EEPROM
В1017 – Рассинхронизация счетчика ПДУ
В1018 – Сброс БУ
Для диагностики СДУЭП используется диагностический прибор ДСТ-2, 10,12 с соответствующей прошивкой.
Диагностический прибор при выборе системы «Электропакет» позволяет просматривать коды неисправностей в режиме «Неисправности», параметры системы в режиме «Параметры», а также управлять отдельными устройствами (моторедукторы блокировки, реле звукового сигнала) в режиме «Управление ИМ».
Где находится иммобилайзер Chevrolet Niva (ВАЗ-2123) и как его отключить
Иммобилайзер Нива Шевроле — это особый вид электронного противоугонного устройства. Основная его функция заключается в блокировке двигателя при попытке угона авто. Иммобилайзеры, устанавливающиеся на автомобили ВАЗ, подвержены различного рода неполадкам, до ожидания устранения которых иммобилайзер лучше отключить.
Где находится и как выглядит
Штатно установленный иммобилайзер находится под пластиковым тоннелем на центральной консоли Шевроле Нивы. Расположен блок иммобилайзера в области правой ноги водителя. На новых моделях Нива Шевроле он находится на рулевой колонке.
Внешний вид иммобилайзера представляет собой пластмассовую коробку, привинченную двумя болтами по бокам рядом с блоком управления центральным замком.
В нижней части иммобилайзера можно увидеть штекер с отходящими от него проводами разного цвета.
В автомобилях Шевроле Нива, выпущенных до 2004 года, устанавливались устройства с маркировкой АПС-4. В машинах, выпущенных после 2004 года, — 6-АПС.
Правильная установка
Устанавливают иммобилайзера в следующем порядке:
- Обесточивают бортовую сеть авто, отключая соответствующую клемму аккумуляторной батареи.
- Установка устройства на рулевой колонке считается надежным вариантом. Для этого снимаются элементы пластмассовых панелей и выбирается место для монтажа, удаленное от движущихся механизмов.
- Монтируется центральный управляющий блок. Способ его фиксации должен предотвращать передачу вибраций на блок во время поездок, иначе блок быстро сломается. Размещение блока должно быть скрытным. Например, в жгутах заводской проводки.
- Укладывается проводка, которой комплектуется устройство. Провода подключаются к блоку управления, к замку зажигания и другим вспомогательным системам по схеме, разработанной изготовителем устройства.

- Согласно той же схеме проводится монтаж реле блокировки и датчиков.
- Внутри салона размещается светодиодный индикатор открытым или замаскированным способом. Открытая установка индикатора в ряде случаев может отпугнуть потенциального угонщика. Скрытая установка может сбить с толку злоумышленника и заставить его искать блокиратор, а затем и отключить его.
- В заключении устройство программируется и обучается согласно инструкции завода-изготовителя иммобилайзера.
После установки и подключения все демонтированные пластмассовые элементы облицовки устанавливаются на свои места.
Как отключить и зачем
Отключение иммобилайзера необходимо в следующих случаях:
- если он сломался и блокирует работу силового агрегата;
- если возникли проблемы в работе одного из элементов противоугонного устройства;
- если один из проводов сильно или частично поврежден и это повреждение мешает передаче сигналов;
- если хозяин автомобиля решил установить другое иммобилизирующее устройство;
- если нужно оснастить автомобиль противоугонной сигнализацией.

Перемычкой
Чтобы самому отключить иммобилайзер на Шевроле Нива, заранее заготавливают проволочную перемычку. Она необходима для восстановления информационного обмена между блоком управления двигателем и диагностическим выходом при отключенном иммобилайзере.
Для очистки памяти отсоединяют питание от блока управления блокиратора. После этого устанавливают перемычку между контактами с номерами 9 и 18, замкнув их. Затем устанавливают вместо стандартного чипа специализированный, с имеющимся в нем программным обеспечением для очищения памяти блокиратора.
Устанавливают ключ зажигания в замок и включают зажигание на 3-5 секунд для того, чтобы блокиратор самостоятельно очистил свою память и сам себя перепрошил.
Необходимо отметить, что этот способ подходит только для тех автомобилей, на которых установлен электронный блок управления двигателем типа Bosch M1.5.4. На автомобилях с блоком VS.
1 или Январь 5.1 требуется перепайка микросхем или использование стороннего программного обеспечения. На машинах с блоком Bosch МР7 необходимо выпаивание микросхемы и ее отдельная перепрошивка.
Кодовое отключение
Кодовый способ отключения может быть использован только при условии, что исполнитель работ знает специальный пароль от иммобилайзера.
- Чтобы самим убрать код иммобилайзера, необходим рабочий и обучающий ключи зажигания. Рабочий ключ должен иметь черную головку, обучающий — черную с красной вставкой.
- Закрыть все двери. Обучающий ключ вставить в замок зажигания, включить зажигание на несколько секунд и сразу же выключить. Светодиодный индикатор при этом должен начать часто моргать.
- Как только светодиод начал моргание, в течение 6 секунд вынуть обучающий ключ и вставить рабочий. Опять включить зажигание на несколько секунд. Управляющий модуль иммобилайзера должен издать 3 звуковых сигнала.
- Не выключая зажигания, дождаться повторного двойного звукового сигнала биппера.
После этого иммобилайзер отключится. Зажигание не выключать. - Не выключая зажигания, ждать сначала тройного, а через некоторое время двойного звукового сигнала зуммера. После этого зажигание выключить и вместо рабочего ключа вставить в замок обучающий.
- После установки обучающего ключа должен раздаться одиночный звуковой сигнал, лампа светодиодного индикатора должна начать быстро моргать.
- В течение 6 секунд включить зажигание обучающим ключом. На щитке приборов должен включиться сигнал Check Engine, а еще через минуту — погаснуть.
- Ввести пароль, состоящий из цифр от 1 до 9. Чтобы ввести каждую цифру, необходимо нажать педаль газа до упора столько раз, сколько показывает цифра. После каждого нажатия фиксируют нижнее положение педали в течение 3 секунд. Если число нажатий соответствует цифре пароля, на шитке приборов будет включаться Check Engine.
- При правильном вводе цифры Check Engine должен гаснуть в течение 5 секунд после включения. Если он не гаснет на протяжении этого времени, цифра введена неверно.
Если светодиодный индикатор начинает моргать еще чаще, значит, пароль введен неправильно. - Для повторного ввода пароля выключить зажигание и включить его снова обучающим ключом.
- Для выхода из кодового режима выключить зажигание.
Если отключить не получается
Если отключить иммобилайзер на ВАЗ-2123 не получается, нужно обрезать питающие его электропровода и снять устройство, вывинтив крепежные элементы. Но в данном случае восстановить его будет трудно.
Схема включения пониженной передачи на Ниве. Все о блокировках дифференциалов на Нива
ВАЗ 2121, Нива один из самых узнаваемых внедорожников в мире. Несмотря на без малого сорокалетнюю историю и практически не изменившийся за это время внешний вид, автомобиль до сих пор пользуется спросом и имеет своего покупателя. Их накладывает неприхотливость автомобиля и его проходимость. Второе качество Нивы обеспечивает уникальная трансмиссия с постоянным актуальным приводом и возможностью блокировки дифференциалов.
Однако даже владельцы внедорожника не всегда правильно понимают назначение рычагов в автомобиле. Поэтому короткий демонтаж, дифференциалы и блокировки, будут совсем не лишними.
Немного о трансмиссии Нивы
Основными узлами трансмиссии ВАЗ 2121 и всех последующих модификаций являются:
- Карданные валы;
- Трансмиссия;
- Раздаточная коробка для двух диапазонов;
- Передний и задний мост.
Первые два пункта понятны и особых вопросов не вызывают, а остальные нужно рассмотреть чуть подробнее.
Мосты Нива
Основой любого ведущего моста является дифференциал. Без него машина могла ехать только прямо. Дело в том, что при повороте левого и правого колеса находятся разные расстояния, и если они жестко закреплены на оси — пробуксовки одного из них не избежать. Это не учитывая того, что нагрузка на ось в этом случае превысит все пределы. Теоретически на практике этого не происходит и именно благодаря дифференциалу.
Он распределяет усилие таким образом, что всегда крутится только одно колесо.
Не вести постоянно, как могло бы показаться, это было бы слишком просто. Тяговое усилие передается колесом, которое встречает меньшее сопротивление. Именно поэтому, когда машина стоит одним колесом на сухом асфальте, а другим на льду, то крутить ее будет именно то самое скользкое покрытие.
Применительно к Ниве у нее три дифференциала. Два в переднем и заднем мостах, межгусеничные, и один, межосевой, в раздатке. Для чего это нужно? Это обратная сторона постоянного полного привода. Дело в том, что если оба моста дают одинаковое усилие, то машина может двигаться только прямолинейно. Чтобы он мог поворачиваться, тяговое усилие на мостах должно меняться по аналогии с колесами на каждом из них. Чем больше нагрузка на мост, тем меньше должен быть на нем крутящий момент. В противном случае при полном приводе поломок не избежать.
Справедливости ради надо отметить, что есть много внедорожников, в которых отсутствует межосевой дифференциал.
Но не стоит забывать, что привод там не постоянный, и включать его можно ненадолго и только на льду или в грязи, чтобы колеса имели свойство буксовать.
Принудительная блокировка дифференциала на Ниве
Какая блокировка дифференциала на Ниву? Межсемянный дифференциал хороший. Но могут быть условия, при которых может вращаться только одно колесо из четырех. Какой смысл в полном приводе? Тольяттинские конструкторы предусмотрели. Нива оснащена принудительной блокировкой межкулисного дифференциала. Это означает, что водитель при необходимости может выровнять скорость обоих мостов. Таким образом, они будут постоянно вращать одно колесо по разным осям, в результате проходимость автомобиля значительно возрастает. Но использовать принудительную блокировку можно только на бездорожье. Кстати, некоторые водители особо не вникают в конструкцию «Нивы» и ошибочно полагают, что, переключая рычажок назад, они включают передний мост. Нет, эта ручка просто блокирует межсеменной дифференциал.
Из соображений проходимости было бы очень хорошо, если бы все 4-е колеса вращались короткое время. В этом случае машина немного уступала бы трактору. Но у Нивы так называемый свободный межколесный дифференциал, т. е. крутящий момент поочередно подается на одно из колес и принудительная блокировка у Нивы не предусмотрена.
Причем такой блокировки нет и у Шевроле-Нивы.
Американскому концерну настолько понравилась трансмиссия, что они практически без изменений перенесли ее на совместную машину. «Почти» — потому что конструкторы GM совместили управление раздаткой и принудительную блокировку дифференциала. В результате — два рычага вместо трех. Патриотичные владельцы отечественных внедорожников считают, кстати, удобство такого нововведения сомнительным. Еще одно изменение коснулось крепления раздаточной коробки. Благодаря ее новым опорам вибраций в салоне стало намного меньше.
Принудительная блокировка межколесного дифференциала на поле
ВАЗовский внедорожник разрабатывался как автомобиль для села.
В то время говорили, что дополнительная блокировка завершает конструкцию, а потому делает ее дороже и менее надежной. К тому же у Нивы хорошая проходимость. Это, наверное, правильно. Однако в стране, где процент дорог с твердым покрытием, от их общего количества, относительно невелик, хочется большего.
Этим также пользовались различные малые и крупные предприятия, освоив выпуск дифференциалов с принудительной блокировкой. Сразу нужно отметить следующие .
Установка на Ниву вместо штатных дифференциалов, механизмов с принудительной блокировкой, значительно увеличивает нагрузку на полуоси и разгрузочную коробку, что может привести к их преждевременному выходу из строя.
Поэтому, прежде чем переоборудовать автомобиль, нам нужно все хорошо взвесить и обязательно проконсультироваться со специалистами.
И, тем не менее, поскольку такая переделка возможна, о ней нужно сказать несколько слов. В настоящее время наибольшее распространение получили дифференциалы:
- С пневматическими соединениями;
- С электрическим подключением;
- Самоблокирующийся.

Кратко — преимущества и недостатки каждого из них.
Пневматическое соединение.
Блокировка колес производится изнутри с помощью сжатого воздуха. При этом к мосту автомобиля прокладывается силиконовый шланг. Устройство достаточно надежное, но требует дополнительного дорогостоящего оборудования. Комплект шлангов, компрессор и ресивер по стоимости иногда превосходят сам дифференциал.
Электрическое соединение
Дифференциал блокируется кулачковым механизмом, который приводится в действие с помощью электромагнитов. Устройство надежно и не требует обслуживания. Минус — большой потребляемый ток, предъявляет дополнительные требования к электрооборудованию.
Механизмы самоблокирующиеся
Принцип действия другой. Одни блокируются при малейшей пробуксовке, другие при увеличении нагрузки на колеса. Однако вне зависимости от конструкции они не требуют участия человека, поэтому пользуются популярностью у владельцев внедорожников. Но главное их достоинство в том, что у них нет такой жесткой блокировки, как у всех остальных типов, а значит частично снимается с дополнительной нагрузкой полуосью.
Видео: Блокировки на Ниву, цена
А также что такое блокировка дифференциала
Заключение
Про блокировки Нивы все. Можно подвести краткие итоги:
- Для включения принудительной блокировки Нивы, передний рычажок нужно отвести назад;
- Включать блокировку нужно непосредственно перед преодолением тяжелого участка дороги. Не рекомендуется использовать его на дорогах с твердым покрытием.
- Нива оснащена только межосевым дифференциалом Межосевой — отсутствует.
- В Ниве Шевроле рычаг управления замком совмещен с рукояткой демультипатора.
- Установка на дифференциал Нива с принудительной межколесной блокировкой, позволяет значительно сократить срок службы некоторых деталей.
И последнее, при использовании замков меняется управляемость автомобиля, в частности увеличивается радиус поворота. Это необходимо помнить для обеспечения безопасности.
Чтобы включить 5-ю передачу, необходимо отвести рычаг вправо, преодолевая сопротивление, затем подать его вперед.
Включение задней передачи производится только при стоящей И не ранее, чем через три секунды после выжимания педали сцепления.
Переключение режимов раздаточной коробки
С помощью рычага управления раздаткой водитель имеет возможность выбора между обычным и полным режимами привода.
Раздаточная коробка не имеет нейтрального положения, поэтому рычаг ее управления всегда должен быть надежно установлен в одном из трех возможных положений («2H», «4H» или «4L»).
Режим «2N» Предназначен для движения автомобиля по нормальному дорожному покрытию, обеспечивает максимальную экономию расхода топлива и минимальный шумовой фон. При включении этого режима необходимо отключить ручную блокировку передних колес (модели с ручной блокировкой ступиц — см. ниже).
Режим «4N» Обеспечивает оптимальные условия для движения по мокрому или обледенелому дорожному покрытию. Не забудьте включить ручную блокировку ступиц передних колес. Скорость автомобиля не должна превышать 100 км/ч (60 миль/ч).
Режим «4L» Обеспечивает максимальную мощность Возврат двигателя и предназначен для использования при движении автомобиля в условиях горного рельефа, бездорожья, песка, грязи или глубокого снега. Должна быть включена ручная блокировка передних колес. Скорость автомобиля не должна превышать 40 км/ч (25 миль/ч).
Переключение рычага управления выдачей не требует выжимания педали сцепления.
Переключение из режима «2N» в режим «4N» на ходу возможно только при уже включенной ручной блокировке передних колес (модели с ручной блокировкой ступиц).
Предупреждение
Ни в коем случае не переключать раздаточный бокс из режима «2Н» в режим «4Н» на ходу, если не включена ручная или автоматическая блокировка передних колес!
Переключение коробки из режима «4N» в режим «2N» можно производить на любых скоростях автомобиля, при этом нет необходимости выжимать педаль сцепления.
Предупреждение
Переключение раздаточной коробки из режима «4Н» в режим «4Л» и обратно производить только на стационарном автомобиле!
Модели с автоматическими ступицами передних колес
| Процедура заказа |
При включении раздаточной коробки в режиме «4Н» или «4Л» отключение блокировки хабов происходит мгновенно с обратным включением ее при смене направления движения.
Модели со втулками с ручной блокировкой
Для отключения блокировки сцепления поверните против часовой стрелки и отведите в положение «СВОБОДНО» (см. там же).
Особенности вождения полноприводных автомобилей
Движение по шоссе в холодное время года
Высокое сцепление с дорожным покрытием полноприводных моделей Обеспечивает лучшую управляемость автомобиля при движении в тяжелых дорожных условиях, в частности при глубоком снегу и сильном обледенении. Тем не менее, полный привод никоим образом не обеспечивает защиту от люкса. Более того, зачастую выход из заднеприводной или переднеприводной машины проще, чем в случае с «4WD» моделями. Ввиду вышеизложенного не следует злоупотреблять включением режимов полного привода при движении по неглубокому снегу или насту.
— В зависимости от конкретных условий перевести раздаточный бокс в режим «4л» или «2ч»;
— Завести двигатель, включить низшую передачу и начать движение с минимально возможными оборотами, манипулируя педалями газа и сцепления;
— старайтесь не допускать сильной пробуксовки сцепления;
— Постарайтесь как можно быстрее переключиться на высшую передачу и следите за тем, чтобы двигатель не поднимался слишком высоко.
Движение по бездорожью
Когда ухудшение качества дорожного покрытия дает основания для включения режима полного привода, старайтесь соблюдать следующие основные требования:
— Двигаться достаточно медленно, на низших передачах, учитывая дорожные и погодные условия;
— Для управления автомобилем старайтесь использовать педаль газа, сводя к минимуму использование тормозов;
— стараться не допускать пробуксовки муфты и поворота колес;
— Избегайте резких поворотов руля.
Постарайтесь учесть все погодные и дорожные факторы — руководствуйтесь здравым смыслом и постарайтесь трезво оценить возможности автомобиля. Перед тем, как отправиться в дальнюю поездку, заранее проработайте маршрут. Перед отправкой проверьте техническое состояние автомобиля.
Преодоление водных преград
Старайтесь не заезжать в глубокую воду.
Перед переходом через переправу изучите рельеф дна барьера, выберите наиболее пологий вход в воду.
Переключить раздаточную коробку на «4л» и включить первую передачу.
Старайтесь не допускать скачков оборотов двигателя во избежание попадания воды в систему выпуска, если выход выпускной трубы находится ниже поверхности. Двигайтесь со скоростью не более 5 км/ч (3 мили в час) и старайтесь не создавать много брызг.
Старайтесь не двигаться против течения. Если нет возможности, постарайтесь развернуть автомобиль под углом к вектору потока, чтобы набегающая вода не уплывала в моторный отсек.
Избегать попадания брызг в моторный отсек во избежание остановки двигателя из-за увлажнения компонентов системы зажигания.
Следите за тем, чтобы вода не попала в воздухозаборник двигателя, так как это может привести к прогрессу последнего и необходимости дорогостоящего ремонта.
После успешного преодоления водной преграды Проверить работу тормозов.
Для ускорения высыхания рабочих поверхностей тормозных механизмов несколько раз перевернуть автомобиль, двигаясь с малой скоростью.
При первой же возможности проверьте, не попала ли вода в фильтрующий элемент воздухоочистителя, в двигатель, трансмиссию, мосты и опоры автомобиля и салон автомобиля.
Заменить все смазочные жидкости, приобретшие молочную консистенцию, о чем свидетельствует попадание воды.
Меры предосторожности при движении в режимах полного привода
При движении в режимах «4WD» следует соблюдать некоторые особые меры предосторожности.
Во избежание выхода из строя компонентов трансмиссии и риска потери управления избегайте использования автомобиля в полноприводных режимах с заблокированными ступицами передних колес при движении по сухому твердому дорожному покрытию (асфальт ).
На моделях с автоматической блокировкой ступиц передних колес отсутствует сигнализация, уведомляющая водителя о включении блокировки, поэтому при отсутствии уверенности в блокировке блоков (например, при смене водителя) на всякий случай , необходимо произвести процедуру блокировки.
Не забывайте, что центр тяжести внедорожников обычно находится достаточно высоко над землей, что следует учитывать при выборе манеры вождения — не пытайтесь совершать развороты с такой же высокой скорости, как это делают на обычных автомобилях.
Сильный боковой ветер также может оказывать заметное влияние на управляемость автомобиля. Старайтесь снижать скорость во время особо сильных шквалов.
Довольно часто бывает так, что автолюбитель не может включить блокировку колес на «Ниве», что вполне исправно. Нужно убедиться, что с механизмом блокировки колес у машины все в полном порядке. Почему бывает так, что исправный механизм выходит из строя с первого раза? Дело в том, что внедрение механизма блокировки требует определенных навыков и определенных знаний. Итак, в рамках этой статьи, которая наверняка интригует хозяев Нивы, мы расскажем, как включить блокировку на этом автомобиле.
По сути, механизмы включения и блокировки колес автомобиля — фактически аналогичные процессы.
Также механизмы различаются коренным образом. Как и положено, включить блокировку колес машины на время стоянки — совсем другое занятие. Ведь зубья и канавки на блокировочной муфте очень и очень изредка совпадали. Иными словами, в машине блокировку не возит из-за того, что зубья сцепления, находясь напротив зубьев венца, просто упираются в них, иными словами, муфту проверить нельзя.
Итак, Макар, если ты все-таки успел включить блокировку, когда машина стоит, то ты, видимо, счастливый счастливчик или счастливчик-везунчик. Такие совпадения случаются, что называется, одно на миллион. Для включения передачи включается сцепление, малейшее нажатие на которое приводит к тому, что зуб вращающегося вала без труда входит в паз в полной неподвижности. А в механизме блокировки колес автомобиля муфта автомобиля и выходной вал, имеющий зубчатый венец, очень прочно соединены между собой при помощи сателлитов.
Поэтому, чтобы включить блокировку колес на автомобиле Нива, нужно сначала запустить и прогреть двигатель.
Включаем первую передачу и начинаем кататься. Прямолинейное движение По нормальному твердому покрытию, например, по асфальту, блокировку колес не вызовет. Это событие определяется тем, что и задние, и передние колеса совершают монотонную дистанцию, никак не заставляя сателлиты крутиться.
Поэтому необходимо продолжать движение на небольшой скорости, начиная крутить руль машины вправо-влево и одновременно оставляя ручку, включающую блокировку колес. При этом задние и передние колеса автомобиля проходят неравный путь. А это, в свою очередь, заставит спутники вращаться. Необходимо напомнить, что выходной вал соединен с муфтой через сателлиты. Такой макар, будет проворот выходного вала по отношению к муфте, и зуб будет активно входить в собственную канавку. Исключительно в этом случае включится блокировка колес автомобиля «Нива».
Чтобы отключить блокировку колес на поле, как, в общем-то, и включить ее, нужно выполнить ряд определенных действий. Необходимо учитывать следующее: Движение с включенным замком приводит к тому, что зубья выходного вала достаточно плотно зажаты в муфте.
Происходит это из-за того, что колеса автомобиля нечетко крутятся. Таким образом, перед водителем стоит задача максимально ослабить сжатие зубьев в канавках. Для этого качаем руль и включаем заднюю передачу. Добавьте к этому немного терпения, ручка обязательно послужит и блокировка колеса машины отключится!
Итак, в рамках данного материала мы рассказали о том, как включить блокировку на Ниве. Грамотные Советы, приведенные в этой статье, проверка этих советов конкретно на практике, а также определенные возможности управления позволят без труда включать блокировку, доводя этот навык до полного автоматизма! Хорошие и вредные для вас!
Как правильно называется Шевроле Нива. Внедорожник Нива от Шевроле
Автомобильная компания Шевроле уже много лет находится в авангарде мирового рынка. Марка пережила немало взлетов и падений, что еще раз подчеркивает положительные стороны компании автопроизводителя.
На данный момент автомобили Шевроле могут похвастаться большой популярностью во всех регионах мира.
Например, североамериканские заводы собирают исключительно автомобили премиум-класса, а также спортивные автомобили и брендовые внедорожники. Это неудивительно, ведь большое влияние в этом регионе имеет гигант General Motors, который не может себе позволить курировать производство бюджетных версий.
Фото: Chevrolet Niva 2017
А вот если говорить о бюджетных моделях Шевроле, то они производятся на южнокорейских заводах, и отличаются достаточно низкой стоимостью.
Если говорить об отечественном рынке, то самой популярной моделью, безусловно, является Шевроле Нива. Поэтому неудивительно, что многих автомобилистов интересует вопрос «где собирают автомобили Шевроле Нива для России?». В этой статье мы как раз обсудим этот вопрос, а также выясним, насколько качественными являются внедорожники «Нива», которые производятся на российских мощностях.
Основная сборка Chevrolet Niva для рынка России и стран СНГ осуществляется на тольяттинском филиале General Motors.
На данном предприятии осуществляется полный цикл сборки автомобиля, включая изготовление всех деталей и узлов, а также сварку и покраску.
После выпуска каждой партии автомобилей специалисты по контролю качества случайным образом отбирают несколько экземпляров и отправляют их на испытания и испытания. В случае обнаружения сотрудниками недостатков, они возвращают автомобиль на доработку.
Качественная Шевроле Нива российской сборки
Шевроле Нива – достойный представитель традиционных русских автомобилей. Поэтому неудивительно, что модель стала настоящим народным автомобилем, а отечественную охоту или рыбалку сложно представить без Нивы внедорожник.
Российская версия автомобиля собрана на базе модульной платформы модели ВАЗ-2123, но инженеры General Motors значительно повысили функциональность и проходимость новинки.
Стоит отметить, что на протяжении 4 лет, начиная с 2004 года, внедорожник «Нива» занимал первую строчку в рейтинге продаж.
Фото: новенькая Нива только с конвейера GM-AVTOVAZ
Отечественный автомобиль продается в трех комплектациях.
Помимо базовой версии доступны также тюнингованные и рестайлинговые версии.
Как бы то ни было, качество автомобилей все же зависит от места сборки, а к российской модели вопросов очень много. В первую очередь владельцев не устраивает низкий уровень безопасности. Поэтому езда на очень большой скорости вызывает как минимум недоверие, ведь в более ранних комплектациях Нивы отсутствуют даже подушки безопасности.
Относительно недавно, учитывая все жалобы автомобилистов, разработчики выпустили обновленные версии Нивы, которые уже оснащены всеми необходимыми системами безопасности.
Лакокрасочное покрытие и сейчас не вызывает восхищения, так как краска неустойчива к царапинам и не защищает кузов от коррозионных процессов.
Особенности Chevrolet Niva российской сборки
Как было отмечено выше, Chevrolet Niva считается самым продаваемым и востребованным внедорожником на автомобильном рынке России. С момента дебюта модели в 2002 году и по сегодняшний день с конвейеров завода сошло более 175 000 автомобилей, что можно назвать очень хорошим показателем производительности.
Самая современная версия Chevrolet Niva уже оснащена:
- многоуровневым подогревом сидений;
- боковая тонировка;
- легкосплавные диски;
- современный кондиционер.
Учитывая все прошлые недостатки, сейчас производители делают упор на уровень безопасности внедорожника.
В качестве силового агрегата используется двигатель объемом 1,7 л, способный развивать мощность 80 л.с.
Недавно появилась информация, что немецкие инженеры концерна Опель собирают для Нивы новый силовой агрегат мощностью 123 л.с. Также есть надежда, что в будущем появится и дизель, которого так не хватает российским автолюбителям.
Но пока линейка силовых агрегатов довольно скудная и может похвастаться одним и тем же старым двигателем.
Видео: процесс сборки Chevrolet Niva
Выход
Одним из самых ярких представителей компании Chevrolet на российском рынке является внедорожник Нива.
Этот автомобиль произведен на отечественном филиале General Motors в городе Тольятти. Стоит отметить, что к российской сборке очень много нареканий, но разработчики стараются постоянно модернизировать популярный кроссовер.
Среди основных достоинств внедорожника отечественной сборки – отличная проходимость и привлекательный внешний вид.
Рынок сбыта: Россия.
Шевроле нива- российский компактный внедорожник. По данным Ассоциации европейского бизнеса РФ, был самым продаваемым внедорожником в России в 2004-2008 гг. Производится на GM-АвтоВАЗ. Концепт автомобиля ВАЗ-2123 впервые был продемонстрирован на Московском международном автосалоне в 1998 году и представлен как преемник Нивы ВАЗ-2121. Серьезные изменения в модели коснулись только кузова, который стал просторнее и приобрел более современный вид, механическая часть осталась практически без изменений. В 2001 году лицензия и права на марку «Нива» были проданы компании «Дженерал Моторс», которая существенно подкорректировала конструкцию и в 2002 году запустила производство «Нивы» под маркой «Шевроле».
В марте 2009 г., была представлена рестайлинговая версия внедорожника. Дизайн кузова был подобран под общий фирменный стиль модельного ряда Chevrolet, основные изменения коснулись дизайна экстерьера и интерьера. Все автомобили Шевроле Нива оснащены системой постоянного полного привода и бензиновым 4-цилиндровым рядным двигателем ВАЗ-2123 объемом 1,7 л мощностью 80 л.с.
Рестайлинговая версия Chevrolet Niva предлагается в пяти комплектациях: L, LC, LE, GLS и GLC. В базовую входят центральный замок, электростеклоподъемники передних дверей, регулируемая по высоте рулевая колонка, гидроусилитель руля, сигнализация, корректор фар, задние сиденья, складывающиеся в соотношении 60/40, неокрашенные наружные зеркала заднего вида с электроприводом и подогревом, шины со стальными дисками 15 «». Предусмотрен обогрев ног пассажиров. заднее сиденье, салонный фильтр, подстаканники и секция для мелочей, аудиоподготовка (блок подключения и проводка к акустическим динамикам в передних дверях).
В комплектации LC предусмотрен кондиционер. Более дорогие комплектации GLS и GLC включают в себя дополнительно улучшенную отделку салона искусственной кожей, внутреннюю отделку, заднюю светотехнику, подогрев передних сидений, рейлинги на крыше, окрашенные зеркала и дверные ручки, легкосплавные диски, изотермические стекла, противотуманные фары… Версия LE стоит единственный в линейке, он специально подготовлен для условий бездорожья и включает в себя внешнюю антенну и рейлинги на крыше, внедорожную шину на черных легкосплавных дисках, внешний воздухозаборник (шноркель) для преодоления водных преград, передний кронштейн крепления лебедки, двигатель и передний мост защита коробки передач, защита заднего бампера с фаркопом (тягово-сцепным устройством).
На автомобиль установлен двигатель ВАЗ-2123, который является развитием инжекторного двигателя ВАЗ-21214 с адаптацией под новый моторный отсек. Оснащенный системой многоточечного впрыска топлива, он развивает мощность 79,6 л.с. при 5200 об/мин и крутящий момент 127,5 Нм при 4000 об/мин.
Понятно, что с таким двигателем «Нива» не претендует на динамичность автомобиля — разгон с 0 до 100 км/ч по паспортным данным займет 19 секунд. Комбинированный расход топлива составляет 10,8 литров на 100 км. Нормы токсичности соответствуют Евро-4.
Передняя независимая двухрычажная и задняя зависимая подвеска Chevrolet Niva фактически является наследием ее далекой предшественницы Нивы ВАЗ-2121. Крепкая, надежная конструкция, возможно, не очень удобная по современным меркам, но отлично подходит для езды по пересеченной местности и дорогам с плохим покрытием, проста в обслуживании. Спереди дисковые тормоза, сзади барабанные. Однако этот автомобиль ценится за другое — настоящий («честный») механический постоянный полный привод, где нет такого понятия, как приемистость трансмиссии. По словам производителя, «Шевроле НИВА находится в постоянной внедорожной готовности». Заниженный ряд (редкая сегодня функция) в раздаточной коробке обеспечивает дополнительную тягу. Параметры геометрической проходимости заслуживают уважения.
Учитывая, что автомобиль восходит к разработке середины 80-х годов, конструкторам пришлось потрудиться над повышением безопасности. В частности, был усовершенствован механизм ремней безопасности, модернизированы силовые элементы кузова для лучшего гашения энергии удара. Выпускались отдельные версии (FAM-1) с АБС, подушками безопасности и преднатяжителями ремней безопасности. С августа 2011 года это оборудование уже входит в стандартную комплектацию GLS и GLC. В 2014 году сиденья были модернизированы – теперь они имеют более выраженную боковую поддержку, безлюфтовый механизм регулировки положения спинки, новую форму подголовников.
Chevrolet Niva остается одним из самых востребованных внедорожников на рынке. Этот автомобиль подойдет тем, кто готов закрыть глаза на некоторые объективные недостатки (тесный салон, маленький багажник, слабый и неэкономичный двигатель), но для кого решающее значение имеет доступная цена, проходимость «Нивы», более современная , в отличие от предшественника, экстерьер и интерьер, различные комплектации.
Шевроле Нива — для тех, кто морально готов к тому, что, возможно, придется приложить руки к машине, особенно если это не новая машина.
Читать полностью
Первые шесть-семь лет кузов Шевроле Нивы хорошо противостоит коррозии, но затем на всех стыках и углах автомобиля постепенно начинают появляться красные точки. Больше всего пострадали крышка бензобака, капот, крылья и кромки дверей. Глубокие сколы на краске ржавеют достаточно быстро, ни о какой оцинковке конечно речь не идет.
ЛКП среднего качества, сколы и царапины появляются не так быстро, как на других автомобилях. На это, конечно же, дополнительно влияет более чем 20-сантиметровый дорожный просвет и пластиковый обвес. Однако довольно часто краска может начать вздуваться сама по себе, особенно на арках и капоте. Часто отклеивается обшивка между дверью багажника и задним бампером.
Как бороться с ржавчиной на пороге.
Тяжелая запаска рано или поздно заставляет заднюю дверь провисать и она начинает плохо закрываться.
Крепления бампера со временем ослабевают и между ними и кузовом образуются довольно заметные зазоры. Часто возникает люфт у водительской двери и дверных ручек. Стекла при частом опускании постепенно покрываются царапинами и со временем коробятся и заедают.
Слабым местом нижней части автомобиля являются лонжероны. Они ржавеют и часто деформируются при поддомкрачивании. Защита двигателя может тереться об изгиб лонжерона во время движения, особенно скрип слышен на поворотах. У старых машин часто гниют топливные трубки в районе правого колеса.
Багажник довольно скромный, всего 320 литров, складывание сидений позволяет увеличить его объем до 650 литров, но для перевозки длинномеров глубина получившегося проема будет маловата. Обивка очень практичная и легко чистится, а вот с дополнительными нишами просто беда, вещи водителя положить толком некуда. В некоторых комплектациях предусмотрена фирменная лопата, висящая на пятой двери с другой стороны от запаски.
Салон Нива Шевроле это сборная солянка моделей ВАЗ конца 90-х годов, большинство деталей от модели 2115. Пластик жесткий, гулкий, но прочный. Полезет только новый руль, появившийся в 2009 году. Водители жалуются на малое количество контейнеров для мелочей и жуткое дребезжание крышки бардачка.
Шумоизоляция очень слабая. И двигатель, и шины отчетливо слышны, а на высокой скорости к ним добавляется свист ветра из боковых зеркал. При определенных оборотах двигателя, примерно между 2500 и 3000, рычаг переключения передач начинает вибрировать. А в диапазоне от 80 до 100 км/ч раздатка безумно воет, обычно владельцы стараются ехать то быстрее, то медленнее.
Из-за засорения дренажа расширительного бачка вода может попасть внутрь. Радиатор отопителя тоже часто подтекает, причем делает это прямо у ног переднего пассажира. Его замена на модели, оснащенной кондиционером, потребует полной разборки панели. Тросы управления клапанами системы вентиляции и отопления растягиваются и рвутся.
Печка сильно шумит, но греет очень хорошо.
У крупных водителей свободные сиденья. Передняя панель может деформироваться под воздействием прямых солнечных лучей, особенно крышка бардачка (просто перестает закрываться). Может продуть порванные пыльники рычагов коробки передач и раздатки. холодный воздух и вода просачиваются через сальник рулевого вала и крепления антенны.
В 2009 году автомобиль был серьезно модернизирован. Итальянская дизайн-студия Bertone курировала обновление, поэтому рестайлинг коснулся внешнего вида автомобилей и внутренней отделки. Изменилась решетка радиатора, появились новые линзованные фары, а фонари приобрели иной рисунок, изменились бампера, задняя часть получил удобную резиновую накладку, облегчающую погрузку негабаритного груза.
В салоне теперь другой руль с тремя спицами и более удобной ручкой КПП, открытый ящик и два подстаканника между сиденьями, другие сиденья и более качественная обивка потолка.
Наконец, мы сделали нормальные плафоны освещения и футляр для очков. Дверные уплотнители толще, доступны дополнительные рейлинги на крыше, а также дверные ручки и зеркала в цвет кузова. Переработана шумоизоляция и рисунок колес.
Шевроле Нива — один из немногих автомобилей на российском рынке, у которого нет подушки безопасности в базовой версии. Однако, начиная с комплектации GL, она есть и у водителя, и у переднего пассажира, у них есть и преднатяжители ремней. Из систем активной безопасности есть только АБС.
Автомобиль дважды проходил краш-тест и оба раза в 2011 году. Представители компании GM-Автоваз разбили экспортную версию в максимальной комплектации и он справился хорошо, на 12,5 баллов из 16 возможных. Но журналисты Авторевю тестировали базовую модель для нашего рынка и результат был предсказуемо ужасен — всего 1,6 балла из 16.
По электрике под капотом основные проблемы в основном связаны с генератором, точнее с проводкой вокруг него.
Сначала горит он, потом контакты и наконец диодный мост. В 2014 году сайт был модернизирован. Еще одним слабым местом считается стартер. Ресурс у него небольшой, так как он находится в непосредственной близости от выпускного коллектора и работает в неблагоприятных температурных условиях. При длительной стоянке аккумулятор часто разряжается.
В салоне обычно первым выдается указатель уровня топлива, затем температура охлаждающей жидкости, затем реле дворников и поворотов. Но все это чаще всего происходит ближе к стотысячному пробегу. Обогрев зеркал, сидений и заднего стекла, а также электростеклоподъемников. Причем делают это спонтанно, могут перестать работать на новой машине.
Родной брелок управления центральным замком крайне недолговечен. При включении габаритов иногда срабатывает зажигание, несмотря на то, что ключ даже не вставлен в замок. Фары довольно неплохи, особенно после рестайлинга, однако из-за плохих контактов иногда подгорают патроны ламп и плавится пластик отражателей.
Подвеска энергоемкая, но на обычном асфальте это приводит к излишней раскачке кузова, которая больше всего ощущается в поворотах. Особенно не удобно задним пассажирам, их даже подбрасывает на лежачих полицейских. Автомобиль полностью раскрывается на пересеченной местности, большой ход подвески и постоянный полный привод позволяют проехать там, где современные кроссоверы со сложной электронной начинкой выходят из строя.
Примерно до 50000 км обычно ничего не стучит и не гремит, но потом обычно требуется вмешательство. Первыми сдаются шаровые опоры спереди и сайлентблоки реактивных тяг сзади. Резинометаллические шарниры правого верхнего рычага прогорают из-за постоянного теплового воздействия выхлопной системы. К 100 000 км многие детали, в том числе и амортизаторы, могут потребовать замены.
Отдельный разговор будет о ступичных подшипниках. Требуют регулировки и подтяжки примерно каждые 30 тысяч километров, тогда их ресурс будет порядка 80 тысяч.
Регулярные выезды с грязевыми и водными гонками сократят срок службы ступичных подшипников, как и тормозных барабанов, примерно в два раза.
Педали расположены довольно далеко друг от друга, и ими можно управлять в тяжелых ботинках. Благодаря эффективному вакуумному усилителю автомобиль хорошо тормозит, педаль мягкая на протяжении всего хода. Передние тормозные колодки ходят около 30-40 тысяч, проезжает 60-70 тысяч км. Задние барабаны спокойно могут пройти 120 тысяч километров, правда колодки в них за это время придется менять два раза. Тормозные шланги лучше предварительно заменить после 100 000 км пробега, они могут треснуть в самый неожиданный момент.
Несмотря на то, что работы над проектом 2123 начались еще в первой половине восьмидесятых годов XX века, в определенный момент конструкторам стало ясно, что целесообразнее создать новую модель, а не пытаться усовершенствовать обычный ВАЗ-2121.
Поскольку все силы заводчан в то время были брошены на производство ВАЗ-2108 на конвейере, серьезно заниматься перспективным легковым автомобилем для бездорожья начали чуть позже.
Официальной отправной точкой можно считать 1986, когда техническое задание на модель 2123 было окончательно сформировано и отправлено в конструкторские подразделения АВТОВАЗа.
Важной особенностью технического задания на модель 2123 был тип кузова — рамный. У этой конструкции с навесными пластиковыми панелями в то время в Тольятти были как сторонники, так и противники. В мире уже были серийные автомобили, выполненные по этой схеме – например, минивэн Renault Espace.
1 / 4
2 / 4
3 / 4
4 / 4
Однако вскоре от идеи «рамного» «Нивы» отказались, поскольку это требовало огромных финансовых затрат и полной переналадки производства: в условиях крупносерийного производства выпуск автомобиля с рамным кузовом требовал разработки новых технологий и материалов. Несущая конструкция должна была изготавливаться из высоколегированных сталей, а планшайбы — из дорогого и сложного в производстве пластика. А это означало, что при всех кажущихся преимуществах каркасно-панельного строительства с применением «вечного» пластика его серийное внедрение в то время было нецелесообразно.
Мысли о кроссовере
Чтобы проверить на практике идею использования цепного привода в раздаточной коробке, ВАЗ приобрел трансмиссию от внедорожника Mitsubishi pajero первого поколения.
Как оказалось, для использования такой конструкции заводу пришлось бы приобрести лицензию, а также устранить все «технологические» вопросы, связанные с кардинальной переделкой трансмиссии. Новые карданные валы, педальный узел, кузовные детали (центральный тоннель и днище), выхлопная система и многое другое остановило конструкторов, заставив остаться верными своей «родной» схеме, которая к тому времени уже была опробована и проверена обоими профессионалами. и сотни тысяч обычных автовладельцев.
Были на заводе и те, кто считал, что новую «Ниву» нужно приблизить к легковой машине, заведомо ухудшив ее внедорожные качества. Причем такую «кроссоверную» модель можно было бы широко унифицировать с новейшим переднеприводным — ВАЗ-2108. Да, некоторые специалисты настаивали на том, чтобы мотор на 2123 располагался не вдоль, а поперёк моторного отсека!
С целью изучения вопроса на практике УГК ВАЗ закупил двух «японцев» — Nissan Prairie и Honda civic Shuttle, которые прошли всесторонние испытания.
1 / 5
2 / 5
3 / 5
4 / 5
5 / 5
Мнения разделились: одни конструкторы считали, что в новой машине можно пожертвовать проходимостью в пользу других потребительских качеств, другие считали, что Нива-2 не должна уступать ВАЗ-2121 в с точки зрения внедорожного потенциала. Неудивительно, что концепции «джипа» придерживались и те конструкторы, конструкторы и испытатели, которые принимали непосредственное участие в разработке первой «Нивы». Они просто вступились за «родную» схему и не позволили превратить компактный тольяттинский внедорожник в кроссовер наподобие Toyota RAV4 или Hyundai Tucson. История не предполагает сослагательного наклонения, но Нива, похоже, имела возможность дважды и снова раньше времени шагнуть в одну и ту же реку со своей концепцией — на этот раз «паркетной». Не сложилось – из-за того, что «двадцать первая» по внедорожным качествам показала себя очень ярко, отказаться от ее главного козыря на заводе не решились.
Не забываем о красоте
Окончательно решив, что новая Нива концептуально будет усовершенствованным продолжателем идей предыдущего внедорожника, дизайнеры перешли к дизайну кузова.
Изначально были изготовлены два макета. Вариант В. Сёмушкина сильно напоминал модернизированный ВАЗ-2123, явно «привязанный» к старой платформе.
| | | |
| Ранний дизайн новой Нивы (1980) | ||
В то время как на эскизах А. Белякова перспективная «Нива» предстала совсем другой — пятидверной, более обтекаемой и «пухлой», с узкими фарами и аэродинамическим силуэтом.
Многое в линиях и решениях так или иначе перекликалось с тем, над чем в то время тоже работали на ВАЗе.
Точнее, концепты Белякова и Сёмушкина (позже) больше походили на универсал с индексом 2111 — пластилиновые модели 2123 дают четкое представление о том, кому машина десятого семейства обязана своим первоначальным обликом.
Чуть позже Беляков эмигрировал, и по понятным причинам отошли от его представлений о появлении 2123. Но как-то на завод приехала делегация из Японии.
Представители Honda ознакомились с разработками и… в конце девяностых мир увидел компактный кроссовер HR-V, поразительный.
Еще один вариант внешнего вида ВАЗ-2123 принадлежал вазовскому конструктору В. Степанову, который чуть позже использовал собственные наработки для нового УАЗа с индексом 3160, также выпускавшегося на НТЦ ВАЗ.
Техническая часть будущей Нивы-2 к тому времени находилась в стадии обкатки.
Несмотря на то, что концептуально автомобиль остался прежним, конструкторам пришлось его качественно улучшить. ходовые качества и повысить уровень комфорта, причем без ухудшения проходимости! Мы отлично справились с задачей.
Мощнее, комфортнее, просторнее
Дизайнеры еще не видели новой Нивы с таким двигателем. В качестве силового агрегата предлагалось использовать двигатель будущей «десятки» (16-клапанный 2110), а также 1,8-литровый дизель, который в то время разрабатывался для «сорок первого» Москвича совместно с АЗЛК.
На ВАЗе пытались приспособить к «Ниве» покупной дизель — например, сверхэффективный немецкий агрегат ELKO, который хотели сами немцы .
Наконец, раздался «голос разума», предложивший сначала установить под капот обычный «жигулевский» двигатель, «разжатый» на сотню-две кубика, получивший впоследствии индекс 21213. Ирония судьбы, но новой «Ниве» суждено было родиться и состариться именно с таким агрегатом — пусть не самым современным и мощным, но реально существующим в производстве.
Работая над интерьером и эргономикой будущей Нивы, конструкторы столкнулись с тем, что компактная пятидверка практически не имеет серийных аналогов, которые можно было бы использовать в качестве «отправной точки»! Так что мерить приходилось что угодно — импортные джипы покрупнее, Suzuki Samurai и Vitara, даже собственную «перспективу» — модель автомобиля десятой модели!
Перед конструкторами стояла непростая задача: новый автомобиль должен был стать заметно комфортнее обычной старой «Нивы», обеспечив приемлемую посадку для всех пяти обитателей салона, а не только для водителя и переднего пассажира, как это было ранее практикуется с учетом целевого назначения автомобиля повышенной проходимости.
Строители и эргономисты отлично поработали над компоновкой, постаравшись максимально использовать проект для водителя и четырех пассажиров. Со временем посадочная модель превратилась в демонстрационный проект интерьера, который наглядно показывал, каким будет интерьер нового автомобиля.
Долгий путь к выпуску
К 1989 году на техническом совете НТЦ ВАЗ была рассмотрена и окончательно утверждена концепция модели 2123. Таким образом, результатом пятилетних поисков и экспериментов стал пятидверный автомобиль с продольно расположенным двигателем и постоянным полным приводом по обычной для «Нивы» схеме — сквозной межосевой дифференциал с возможностью блокировки.
Увы, но распад СССР в 1991 году сильно повлиял на историю модели 2123, работа над которой была временно негласно признана второстепенной. Как и в случае с «восьмеркой», все силы на заводе были сосредоточены на выпуске нового легкового автомобиля — на этот раз модели 2110.
1 / 2
2 /2
Кроме того, на ВАЗе пока запускали в серию модернизированную Ниву с индексом 21213, но из-за проблем с задними фонарями поначалу можно было освоить только «гибрид» с индексом 21219 , где «двести тринадцатый» 1,7-литровый двигатель был установлен в старом кузове с коротким задним бортом и шестью задними оптиками.
По ряду причин работы по проекту 2123 из ВАЗовского НТЦ были переданы на ОПП — опытно-промышленное производство, где из восьми обычных кузовов «Нивы» сварили четыре кузова для агрегатовозов. Увы, своих узлов и агрегатов они так и не дождались, отправившись на списание через пару лет бесплодного простоя.
| | |
| Вариант внешности от В. Кряжева (1992) | |
Поскольку на серьезную модернизацию трансмиссии в новых экономических условиях завод не смог осуществить серьезную модернизацию трансмиссии, было решено остановиться на максимальной унификации с трансмиссией серийных ВАЗов — КПП 21074 и «раздаткой» 2121.
Были также проблемы с экстерьером: поскольку дизайн предыдущих моделей получился слишком «облегченным», он не очень вписывался в «джиповую» концепцию автомобиля. Кроме того, в начале девяностых экстерьер прототипов выглядел уже от силы сегодняшнего, а не завтрашнего дня.
А это значит, что к моменту постановки на конвейер новая «Нива» будет безнадежно устаревшей. На ВАЗе это поняли и попытались найти другой «вечный дизайн», как это удалось сделать на модели 2121.
Тем не менее, к 1993 году тот же Семушкин «вновь нашел» облик «Нивы» — на этот раз пятидверный и современный.
Интересная деталь — конструктор очень не хотел размещать запаску на задней двери, на чем настаивали многие его коллеги. Ведь предыдущее решение с «запаской» в моторном отсеке было, прежде всего, «инженерно красивым».
Именно поэтому седельно-сцепное устройство попытались прикрепить под днищем багажника — примерно так, как это было сделано на Рено Дастер. джип» — на двери багажника.
Параллельно с обычной пятидверной моделью конструкторы работали над модификациями Нивы-2 — пикап, фургон и даже кабриолет!
1 / 3
2 / 3
3 / 3
Причем работа на энтузиазме удалась не только с точки зрения конечного результата, но и с точки зрения времени — весь ассортимент получилось выполнить всего за полтора-два года.
К тому времени созрели первые ходовые образцы 2123. Показали, что машина должна быть более устойчивой, вместительной и комфортной, но… новая модель явно уступала старушке-2121.
| | |
Параллельно с доводкой технической части ВАЗ работал над внешним видом Нивы. В частности, руководству завода не понравилась «Днепровская электростанция на передке», как метко окрестили заводчане решение решетки радиатора с множеством вертикальных отверстий.
Автомобильная марка Chevrolet – одна из самых успешных и перспективных в мире. Эта американская компания за все время своего существования пережила множество взлетов и падений. Сегодня заводы по производству автомобилей Chevrolet расположены в каждом уголке вселенной. В Северной Америке собираются исключительно уникальные внедорожники с огромным потенциалом, премиальные седаны и красивые дорогие спорткары. Например, в Южной Корее выпускают бывшие бюджетные модели Daewoo.
А где собирают Шевроле Нива для российского рынка? Умеют ли российские инженеры выпускать действительно качественные и надежные внедорожники? Об этом вам могут рассказать владельцы данной модели автомобиля, так как в нашей стране этот автомобиль собирается на автомобильном заводе «Дженерал Моторс АвтоВАЗ» в городе Тольятти. Предприятие производит абсолютно все запчасти для автомобиля, после чего провожу полноценную сварку, покраску и сборку «американца» с русскими корнями. После того, как автомобиль собран, его отправляют на испытания и обкатку. Если сотрудники обнаружат дефект, они «завернут» автомобиль на утилизацию. Затем снова начинается сборка нового этапа, во втором туре.
Шевроле Нива — достойный образец настоящего российского автомобиля… Популярный российский внедорожник очень полюбился рыбакам, охотникам и просто обожателям экстремальной езды по бездорожью. Автомобиль новой серии был собран на платформе ВАЗ-2123, а производитель добавил внедорожнику комфорта, индивидуальности и функциональности.
В период с 2004 по 2008 год автомобиль был самым продаваемым автомобилем в РФ. Эта модель автомобиля, помимо стандартного оборудования, имеет тюнингованную и рестайлинговую версии – Trophy и FAM-1. На самом деле качество и надежность транспорта зависит от того, где произведена Шевроле Нива. Российские владельцы внедорожников не особо довольны качеством отечественной сборки. Дело в том, что у «американца» недостаточно высокий уровень безопасности.
Автомобиль совершенно не справляется с эксплуатацией в городе на высокой скорости, в нем отсутствует большинство элементов безопасности, нет даже элементарных подушек безопасности. Очень скоро АвтоВАЗ учел жалобы покупателей и начал выпускать версии Chevrolet Niva GLS и GLC. На эти машины инженеры установили все. необходимые системы безопасности, которые вывели автомобиль на совершенно новый уровень. Но, качество деталей, покраска кузова, пластика — все это оставляет желать лучшего. Кроме того, кузов внедорожника подвержен царапинам и коррозийным процессам.
Характеристики модели
Согласно автомобильной статистике, Chevrolet Niva является самым популярным и востребованным внедорожником на отечественном рынке. Этот автомобиль начали собирать еще в 2002 году на предприятии АвтоВАЗ. За все время существования с конвейера предприятия сошло более 170 тысяч единиц «Нивы».
В зависимости от комплектации машина комплектуется:
- Кресла с подогревом
- тонированные боковые стекла
- литые диски
- кондиционер.
Там, где сегодня производится Шевроле Нива, стараются делать упор на безопасность автомобиля. По сей день на автомобиль устанавливается 1,7-литровый двигатель, выдающий всего 80 лошадиных сил. Ходили слухи, что специалисты концерна Opel разрабатывали новую специально для этой модели внедорожника. силовая установка, которая будет выдавать 122 л.с. сила. Также была информация, что в линейке появится дизельный агрегат, но в итоге никаких изменений по сей день не наблюдается.
Chevrolet Niva предлагается покупателям с таким же старым, давно устаревшим двигателем, как и десять лет назад.
Шевроле Нива — описание модели. Внедорожник Chevrolet Niva («Шевроле Нива»): отзывы, слабые места, характеристики Годы выпуска 2123 Шевроле Нива
Главная / Защита \ КражаПолноприводный серийный компактный внедорожник Chevrolet Niva, собранный на базе российской «Нивы», — одна из самых популярных моделей в стране. И многие зададут себе вопросы — куда именно едет эта машина.
Место сборки Шевроле Нива
ЗАО «Джи Эм-АВТОВАЗ» с уставным капиталом $238,2 млн ведет отсчет с 27 июня 2001 года, когда должностные лица General Motors, АвтоВАЗа и ЕБРР подписали Генеральное рамочное соглашение о создании предприятия. В проект было инвестировано 338,2 миллиона долларов.
Общая площадь СП составляет более 142 тыс. кв. м с общей численностью персонала завода не более 1200 человек. Как и на заводах GM, производственный процесс на предприятии организован по собственной системе GM-GMS, которая гарантирует ресурсосберегающее производство при низких затратах и минимизирует любые затраты, выпуская продукцию высокого качества.
Все это достигается как строжайшим входным и выходным контролем, так и применением отработанной системы обобщенных процедур такого контроля, соответствующей подготовкой и мотивацией персонала.
Впервые Chevrolet Niva сошла с конвейера СП 3 сентября 2002 года как самый удобный, прочный и безопасный российский внедорожник, моментально завоевавший признание автомобилистов. По результатам краш-теста автомобиль заработал 4 звезды EuroNCAP. Рестайлинг модели был проведен в 2009 году.
Ассоциация европейского бизнеса Российской Федерации определила Chevrolet Niva как самый продаваемый внедорожник в стране в период 2004-2008 гг.
Качество сборки
Качество сборки в общих чертах радует — салон как у иномарок и к тому же удобный, качество материалов неплохое; шасси и подвеска под российские дороги; обогрев салона просто потрясающий, даже в очень сильные морозы. В целом получается надежный практичный автомобиль для любых дорог с комфортной и «вечной» подвеской.
К недостаткам можно отнести высокие цены и качество российских комплектующих, в частности РТИ (сальники, пыльники), много поломок и проблем даже после года эксплуатации, слабый двигатель, плохая комплектация, случаи некачественной сборки , отсутствие нормальной шумоизоляции. Хотя некоторые из них вряд ли можно отнести к недостаткам сборки, так как основные претензии предъявляются только к изготовлению отдельных деталей.
Приведены показательные примеры, когда на всех предыдущих одноместных автомобилях, побывавших в сервисе, полностью отсутствовала балансировка маховика двигателя, при увеличении оборотов свыше 4000 об/мин возникала сильная вибрация в кузове.
Следует отметить, что в странах, где собирается Шевроле различных классов, тщательно следят за репутацией американского бренда, поэтому постоянно модернизируют производство, при этом расширяя каталог запчастей Шевроле, которые экспортируются во все регионы.
Автомобильная марка Chevrolet – одна из самых успешных и перспективных в мире.
Эта американская компания за время своего существования пережила множество взлетов и падений. Сегодня заводы по производству автомобилей Chevrolet расположены в каждом уголке вселенной. В Северной Америке собираются исключительно уникальные внедорожники с большим потенциалом, премиальные седаны и красивые дорогие спорткары. Например, в Южной Корее выпускают бывшие бюджетные модели Daewoo.
А где собирают Chevrolet Niva для российского рынка? Умеют ли российские инженеры выпускать действительно качественные и надежные внедорожники? Об этом вам могут рассказать владельцы данной модели автомобиля, так как в нашей стране этот автомобиль собирается на автомобильном заводе «Дженерал Моторс АвтоВАЗ» в городе Тольятти. Предприятие производит абсолютно все запчасти для автомобиля, после чего провожу полноценную сварку, покраску и сборку «американца» с русскими корнями. После того, как автомобиль собран, его отправляют на испытания и обкатку. Если сотрудники обнаружат дефект, они «завернут» автомобиль на утилизацию.
Затем снова начинается новый этап сборки, по второму кругу.
– достойный образец настоящего российского транспортного средства. Этот популярный российский внедорожник очень полюбился рыбакам, охотникам и тем, кто просто обожает экстремальную езду по бездорожью. Автомобиль новой серии был собран на платформе ВАЗ-2123, а производитель добавил внедорожнику комфорта, индивидуальности и функциональности. В период с 2004 по 2008 год автомобиль был самым продаваемым автомобилем в РФ. Эта модель автомобиля помимо стандартной комплектации имеет тюнингованную и рестайлинговую версии — Trophy и FAM-1. На самом деле качество и надежность транспорта зависит от того, где произведена Шевроле Нива. Российских владельцев внедорожников не особо устраивает качественная отечественная сборка. Дело в том, что «американцу» не хватает безопасности высокого уровня.
Автомобиль совершенно не справляется с эксплуатацией в городе на высокой скорости, в нем отсутствует большинство элементов безопасности, нет даже элементарных подушек безопасности.
Очень скоро АвтоВАЗ учел жалобы покупателей и начал выпускать версии Chevrolet Niva GLS и GLC. На эти автомобили инженеры установили все необходимые системы безопасности, которые вывели автомобиль на совершенно новый уровень. Но, качество деталей, покраска кузова, пластика — все это оставляет желать лучшего. Кроме того, кузов внедорожника подвержен царапинам и коррозийным процессам.
Характеристики модели
Согласно автомобильной статистике, Chevrolet Niva является самым популярным и востребованным внедорожником на отечественном рынке. Этот автомобиль начали собирать еще в 2002 году на предприятии АвтоВАЗ. За все время существования с конвейера предприятия сошло более 170 тысяч единиц «Нивы».
В зависимости от комплектации машина комплектуется:
- кресла с подогревом
- тонированные боковые стекла
- литые диски
- кондиционер.
Там, где сегодня производится Шевроле Нива, стараются делать упор на безопасность автомобиля.
По сей день на автомобиль устанавливается 1,7-литровый двигатель, выдающий всего 80 лошадиных сил. Ходили слухи, что специалисты концерна Opel разрабатывали новую специально для этой модели внедорожника. силовая установка, которая будет выдавать 122 л.с. сила. Также была информация, что в линейке появится дизельный агрегат, но в итоге никаких изменений по сей день не наблюдается. Chevrolet Niva предлагается покупателям с таким же старым, давно устаревшим двигателем, как и десять лет назад.
Сегодня каждому жителю России знакома Шевроле Нива, которая за время своего существования успела стать настоящим народным автомобилем. Нива Шевроле сочетает в себе ряд положительных качеств: отличная проходимость, высокая надежность, просторный салон, комфортная управляемость и т.д. Однако главное достоинство этого автомобиля – невысокая цена, так как даже практически новую Ниву можно приобрести по цене от 400-500 тысяч рублей, а цена более ранних моделей может быть всего 300 тысяч рублей. Ниже мы представляем подробный тест-драйв Chevrolet Niva 2009 года выпуска(рестайлинг), на котором будут рассмотрены все элементы автомобиля: от экстерьера до технической части.
Общие данные и впечатления от Нивы
Производство Нивы Шевроле началось еще в 2002 году. До 2009 года автомобиль не получал обновлений и продавался в очень скромной комплектации, и даже несмотря на это, пользовался большой популярностью у водителей. В марте 2009 года вышла рестайлинговая версия Нивы, которая получила ряд обновлений, стала мощнее, комфортнее и функциональнее. На тест-драйв взяли рестайлинговую версию, которая и по сей день остается одним из самых популярных автомобилей в России.
После тест-драйва новая Шевроле Нива оставила положительные впечатления. Обновленная Нива получила новый кузов от ателье Bertone, обновленный салон и пластиковый обвес. Крестовины карданных валов заменены на ШРУСы. Также обновлены шарнирные соединения передней подвески. Более поздние версии Нивы получили АБС, подушки безопасности, новую оптику, рейлинги на крыше, легкосплавные диски на 16″ и другие важные обновления.
Наша Шевроле Нива порадовала плавностью хода, хорошей маневренностью и высокой проходимостью.
Пожалуй, ходовые качества Нивы полностью оправдывают стоимость автомобиля. Если у дорестайлинговой версии были проблемы с тряской на высокой скорости, то новая шевроле Нива легко проглатывает мелкие неровности и не доставляет дискомфорта. Дополнительный комфорт достигается за счет отличной управляемости и просторного салона. Кстати, салон автомобиля не отличается качественными материалами, зато качество сборки на высшем уровне.
Что касается функционала автомобиля, то к нам попала версия с АБС, подушками безопасности, ШРУСами и прочими элементами, которые интегрировались в Ниву только после 2011 года. Версии автомобилей, выпущенные до 2009 года, не имели и малой части этих преимуществ.
Если делать ставку на низкую цену автомобиля, то можно смело сказать, что новая Нива – одно из лучших решений по соотношению цена-качество. Конечно, по многим параметрам он уступает тому же Дастеру, но цена на Ниву значительно ниже. За 400-600 тысяч рублей покупатели получают проходимый внедорожник, обладающий рядом полезных функций и очень простой в обслуживании.
Внешний вид российского внедорожника
Каждому жителю России хорошо знаком внешний вид Chevrolet Niva. Конечно, Шевроле Нива стильным автомобилем назвать сложно, но выбор явно сделан не из-за дизайна. Нивы, выпущенные после 2009 года, выглядят неплохо.
Автомобильная пленка была создана Bertone. Спереди автомобиль получил обновленную решетку радиатора, на которой установлен большой шильдик Chevrolet. Автомобиль также получил круглые противотуманки и модернизированные поворотники. Зеркала окрашены в цвет кузова, а борта автомобиля оснащены пластиковыми накладками. На автомобили топовых комплектаций устанавливали 16-дюймовые легкосплавные диски. Задняя часть автомобиля получила новые фонари стильной формы, а задний бампер получил специальную погрузочную площадку.
Что касается цветов, то автомобиль предлагается в базовых цветах «Графит», «Кварц», «Жидкое серебро», «Айсберг» и «Остер». Красный, зеленый и другие яркие цвета встречаются очень редко.
Салон — Удобство и простор
Салон Шевроле Нива просторный, комфортный и обеспечивает отличный обзор всех помещений, за что можно поставить положительную оценку производителям.
В версиях автомобиля, выпущенных после 2009 года, были учтены все жалобы и пожелания клиентов. В салоне много дополнительных отделений и удобных подстаканников. В новых версиях зеркало крепится прямо к лобовому стеклу, что снизило уровень неприятных звуков.
Автомобиль также получил новый трехспицевый руль португальского производства. Заметно изменилась приборная панель, которая стала лучше и современнее. В версиях после 2011 года добавились подушки безопасности и ремни безопасности, а сиденья стали значительно удобнее. Теперь вы можете зафиксировать крышку багажника в 3 положениях. Автомобиль управляется дистанционно с помощью современного выкидного ключа, оснащенного пультом дистанционного управления.
Салон Шевроле Нива получился просторным, удобным и эргономичным. Несмотря на использование недорогого пластика, посторонних шумов и прочих проблем в салоне нет. Это достигается за счет высокого качества сборки. Кроме того, салон имеет хорошую звукоизоляцию, что повышает его комфортность.
Да и салон новой Нивы выглядит неплохо, несмотря на отсутствие дорогих элементов.
Управление и комфорт
Производители с каждой новой версией делали Ниву все комфортнее и маневреннее. Внешне машина кажется сложной в управлении, но на самом деле это не так. Нива отлично слушается руля и не доставляет никаких проблем при езде по разным участкам.
Перед серийным производством новая версия Chevrolet Niva прошла испытания в различных суровых условиях: от жарких пустынь Азии до холодной Сибири. Во всех случаях машина показала себя с отличной стороны. Ему не страшны низкие и высокие температуры и другие экстремальные условия.
Важным преимуществом новой Нивы является качественная подвеска, позволяющая преодолевать различные препятствия без тряски и лишних неудобств. Усилитель руля работает хорошо для быстрой реакции рулевого управления. Тормоза тоже не вызывают нареканий, хорошо работают как на прямых участках, так и на подъемах. Отличная управляемость автомобиля обеспечивается на скорости до 110 км/ч.
На более высоких скоростях нужно быть осторожным.
К сожалению, в Шевроле Ниве есть проблемы с управляемостью и комфортом. Двигатели автомобиля имеют такую же высокую мощность, что затрудняет вождение по пересеченной местности. Тронуться в гору на «Ниве» довольно сложно. В этих условиях двигатель начинает реветь и медленно ускорять автомобиль. Еще одна проблема – коробка передач, которой сложно управлять, пока она полностью не прогрета. Однако со временем к этому можно привыкнуть.
Если рассматривать управляемость и комфорт новой Шевроле Нивы в целом, то и здесь можно поставить положительную оценку. В этом плане машина хоть и не идеальна, но существенных недостатков не имеет. В течение нескольких недель необходимо привыкнуть к особенностям автомобиля, и проблем в вождении не будет.
Испытания Нивы на бездорожье
Испытания и испытания на бездорожье также позволили выявить сильные стороны Нивы Шевроле. Несмотря на маломощный двигатель, «Нива» легко проходит сложные участки: будь то труднопроходимая грязь или большие уклоны.
Важным преимуществом Chevrolet Niva является то, что она легко держит высокую скорость даже на сложном бездорожье. Когда другие автомобили значительно тормозят при прохождении сложных участков, машина легко движется со скоростью 70-80 км/ч, не замечая препятствий на своем пути. Кстати, при движении по бездорожью Нива справлялась со сложными участками без использования блокировки центрального дифференциала.
Новая Шевроле Нива станет отличным решением для любителей активного отдыха. Вне зависимости от сложности дорог и климатических условий машина показывает себя с лучшей стороны.
Хорошая динамика и комфорт автомобиля достигаются за счет следующих технических характеристик:
- длина — 4048 мм, ширина — 1786 мм, высота — 1652 мм, дорожный просвет — 200 мм;
- Полная масса автомобиля — 1860 кг; мощность двигателя
- — 80 л.с.;
- максимальная скорость — 140 км/ч;
- разгон до сотни — 19 секунд;
- КПП — 5МКПП;
- расход топлива на 100 км — 14,1 л по городу, 8,8 л по трассе;
- объем багажника — 320 литров (650 литров при сложенных сиденьях).

Перечисленные делают автомобиль удобным практически для любых целей. Сегодня цена новой Шевроле Нива составляет 500-700 тысяч рублей. Нива полностью оправдывает свою цену и обеспечивает своих владельцев всем необходимым: просторным салоном, отличной управляемостью, высокой проходимостью и т.д. Единственные характеристики, которые нуждаются в доработке, это разгон до сотни и расход топлива. Однако текущие показатели не являются критическими.
Цены и комплектации
На данный момент вы можете приобрести автомобиль Шевроле Нива в 6 комплектациях:
- L — минимальная комплектация с минимальным набором функций и удобств (цена — от 500 тысяч рублей).
- LC — на автомобили этой комплектации добавлен кондиционер и охлаждение бардачка (цена — от 540 тыс. руб.).
- GL — есть электрозеркала и подогрев зеркал, крышка запаски, центральный замок, АБС, преднатяжители ремней, подушки безопасности и ряд других приятностей (цена — от 576 тыс.
руб.). - LE — К базовому набору опций добавляются легкосплавные диски 16″, функция All-Terrain, шноркель для преодоления водных преград, штекер антенны, дополнительная защита двигателя, коробки передач и других узлов, тягово-сцепное устройство и др. (цена — от 579 тыс. руб.) LE идеален для любителей активного отдыха, так как ориентирован на загородное использование.
- GLC — добавлены хромированные накладки на решетку радиатора, фары с темной окантовкой, подсветка салона сзади, подогрев сидений и лобовое стекло, камера заднего вида (цена — от 620 тыс. руб.).
- LE+ — самая дорогая комплектация автомобиля. В нем максимальное количество опций и удобств, а также интерьер, оформленный в черном цвете. Цена этой комплектации самая высокая — от 632 тысяч рублей.
Как видите, цены между комплектациями Chevrode Niva отличаются не так сильно, но различия между ними существенны. Если вы хотите сэкономить, вы можете выбрать комплектации L и LC. Если вы планируете использовать автомобиль для выезда на природу для активного отдыха, версия LE подойдет идеально.
Если вы цените максимальный комфорт, выбирайте версии GLC или LE+. Автомобиль каждой комплектации хорош по-своему и полностью оправдывает свою стоимость.
Выбор автомобиля с пробегом
Конечно, поддержанные автомобили Шевроле Нива сегодня очень популярны, но к выбору автомобиля с пробегом следует подходить со всей ответственностью. Дело в том, что эти автомобили часто используются в тяжелых условиях: выезды на природу, активный отдых и прочие непристойности. Как правило, бюджетные внедорожники имеют худшее состояние, чем стандартные городские автомобили того же возраста, поэтому выбирать Шевроле Нива нужно с особой тщательностью.
Нива Шевроле – это пятидверный компактный внедорожник, оснащенный постоянным полным приводом. Выпуск этой модели был начат в 2002 году. К автомобилю Шевроле Нива стоит присмотреться поближе. Обзоры, слабые места внедорожника — далее в нашей статье.
Краткая история модели
В 1977 году на базе Волжского автомобильного завода был запущен в производство автомобиль ВАЗ-2121.
Простой, ничем не примечательный дизайн, но хорошие характеристики и технические характеристики привели к тому, что производство «Нивы» продолжается и в настоящее время.
В 1998 году АвтоВАЗ представил на автосалоне концепт, который должен был заменить обычную Ниву.
Модель получила индекс 2123, но принципиальных отличий практически не было — модель отличалась только пятидверным кузовом.
В 2001 году был начат выпуск новой «Нивы», однако финансовые проблемы на АвтоВАЗе не позволили наладить серийное производство. Машины строились небольшими партиями. Руководство приняло решение продать бренд. General Motors выступила покупателем. Сотрудники концерна проделали большую работу и внесли более 1700 изменений в конструкцию Шевроле Нивы. Модель стала полностью независимой.
Дальнейшее развитие
В 2006 году американцы полностью выкупили все права на эту модель… В 2009 году, был проведен масштабный рестайлинг, в ходе которого кузов получил новый дизайн.
Также изменилась отделка салона, значительно улучшена шумоизоляция. В 2012 году объявили о разработке новой модели, а в 2015 она родилась. Но обо всем по порядку.
Внешний вид
Модель первого поколения отличалась довольно привлекательным, но в то же время отнюдь не ярким дизайном.
Но на фоне других отечественных автомобилей полноприводной внедорожник выглядел свежо и по-новому.
В 2009 году вместе с рестайлингом автомобиль получил новый кузов от итальянских дизайнеров Bertone. Благодаря стараниям специалистов, работавших над экстерьером автомобиля Шевроле Нива, модель стала выглядеть еще лучше.
Существенно изменилась решетка радиатора — дизайнеры решили увеличить эмблему. В оптику также был добавлен внешний вид Original — противотуманные фары получили круглую форму, на передних крыльях установлены новые указатели поворотов. Боковые части кузова украсили пластиковыми накладками, а зеркала покрасили. Более дорогие комплектации оснащены 16-дюймовыми дисками.
Первое, что бросается в глаза сзади, это бампер. Шевроле Нива имеет специальную платформу для облегчения погрузки. Также бампер оснащен специальными решетками, функции и задачи которых носят не только декоративный характер. Благодаря этому новшеству удалось улучшить циркуляцию воздуха в салоне автомобиля. В целом дизайн вызывает уважение даже у тех, кто очень любит присматриваться к мелочам.
Салон
Дизайнеры хорошо поработали и над интерьером. Но сделано это не просто так, а по желанию владельцев автомобилей первых поколений. Например, салон рестайлинговой Нивы Шевроле стал более эргономичным – добавилось несколько новых отсеков.
Также многие оценили подстаканники и бардачок, который больше не провисает. Кроме того, изменения коснулись и того, что больше не гремит. Интерьер освещается двумя фонарями.
Рулевое колесо трехспицевое, а приборная панель выглядит богаче. Он также был значительно улучшен. Кроме того, американцы позаботились и о безопасности – автомобиль оборудован подушками безопасности и ремнями с преднатяжителями.
Добавлена возможность увеличить объем багажника за счет складывания заднего ряда сидений. Дверь багажника имеет функцию блокировки в одном из трех положений.
У всех владельцев этих автомобилей теперь есть ключ зажигания с дистанционным управлением. Что можно сказать об автомобиле Шевроле Нива в целом? Салон более эргономичен, сделан качественно, материалы достаточно надежные и долговечные, сборка на высоком уровне.
Технические характеристики
Несмотря на то, что внешний вид внедорожника существенно изменился, говорить об улучшении технических характеристик в автомобиле с 2009 года не приходится. Все по-прежнему достаточно скромно.
Под капотом 1,7-литровый бензиновый агрегат на 80 лошадей.
Но это не спорткар, а покоритель грязи и болот. Максимально возможная скорость, по паспортным данным, составляет 140 км/ч. Однако этого более чем достаточно для спокойной езды.
Внедорожник имеет постоянный полный привод, 5-ступенчатую механическую коробку передач.
Раздаточная коробка практически идентична той, что используется на ВАЗ-2121. Расход топлива в городских условиях составляет 14,1 литра, а по трассе – 8,8 литра.
Комплектация и цены
Существует несколько базовых комплектаций автомобиля Шевроле Нива. Цена, характеристики разные. Так, в версии LC доступен кондиционер. LE подготовлен для поездок по бездорожью и оснащен кондиционером.
Комплектации класса люкс — GLS и GLC.
Также доступна версия LE+ – это комфорт на базе люкса. Что касается стоимости, то базовую версию можно приобрести у официальных дилеров по цене 399000 рублей, что вполне доступно.
Отзывы: плюсы и минусы
С достоинствами все понятно — их много в автомобиле Нива Шевроле. Отзывы о слабых сторонах также подчеркиваются довольно часто. Среди недостатков все же выделяют дизайн салона. Владельцы ожидали немного большего за свои деньги. Многих не устраивают грубые кнопки, дешевые материалы отделки. По мнению представителей автомобильного сообщества, стремление снизить производственные затраты — неверный шаг.
Но интерьер это еще не все. В процессе эксплуатации также встречаются недостатки автомобиля Нива Шевроле. В отзывах часто выделяют слабые места автомобиля: покупатели отмечают несовершенство ходовой части и проблемы с электронным оборудованием. Это проявляется в работе стеклоподъемников. Что касается ходовой части, клиенты критикуют шаровые опоры и уплотнения. Эти детали изготавливаются из некачественных материалов, подверженных быстрому износу. Стартер и генератор исправно работают только на 80 000 км, а потом могут выйти из строя и вывести из строя предохранители.
Кузов тоже не лишен недостатков: машина подвержена коррозии. Первое, на что стоит обратить внимание при анализе автомобиля Шевроле Нива, это отзывы. Слабые места для коррозии — пороги (иногда клиенты даже приводят фото в доказательство). Если на поверхности есть сколы краски, то автомобиль в этих местах особенно уязвим.
Владельцы также сталкиваются с проблемами в работе КПП: она практически такая же, как и у ВАЗ 2103.
При работе с ней часто слышны посторонние звуки, а если Ниву разогнать до 120 км, то пластик в кабина может начать вибрировать.
Но в то же время многим машина нравится за стоимость и проходимость. Его оценили любители экстрима, жители деревень, где бездорожье – суровая рутина. И с этими недостатками они готовы мириться, ведь автомобиль аналогичного качества по такой цене сложно найти. Кроме того, не бывает автомобилей без недостатков.
Люди часто и с удовольствием выбирают внедорожник Шевроле Нива. Цена, его характеристики очень приемлемы. Ни один другой производитель не готов предложить полный привод, уменьшенный ряд передач, раздаточную коробку и блокировку дифференциала за 400 000 рублей.
Новая «Шевроле Нива»
По фото экстерьера можно сказать, что дизайн вполне удачный. Тело достаточно брутальное, оно олицетворяет агрессию и мощь. Для города машина не очень подходит — здесь она будет смотреться нелепо. Появился новый двигатель на автомобиле «Нива Шевроле» — 16 клапанов, мощность двигателя.
— 120 л. с.
Что изменилось?
Передняя часть оснащена огромной решеткой радиатора, занимающей половину бампера.
Нижняя часть закрывается лебедкой. Оптика также прикрыта металлической решеткой. Заметны внушительные размеры дорожного просвета и большие колесные арки. Пороги и арки украшены пластиковыми накладками. Что касается задней части, то она тоже весьма впечатляет. На крыше установлен мощный багажник и дополнительные фары.
Интерьер не уступает по серьезности экстерьеру. Совершенно новый дизайн ждет владельцев. Приборная панель выглядит очень современно. Рулевое колесо довольно большое, с тремя спицами. Кабина имеет удобные сиденья и улучшенную шумоизоляцию.
Как уверяют производители, силовой агрегат — простой и новый, но при этом максимально надежный.
Новый автомобиль «Нива Шерволе» имеет 16 клапанов, 1,8 л атмосферный Газовый двигатель производства Peugeot. Его мощность составляет 120 л. с. Агрегат имеет рядную компоновку, четыре цилиндра, систему распределенного впрыска.
В паре с мотором работает 5-ступенчатая механика. При его разработке упор был сделан на надежность, но в качестве опции будет доступен и автомат. Цена базовой комплектации составит от 500 000 рублей. Это адекватная цена для автомобиля такого уровня.
Рынок сбыта: Россия.
Шевроле Нива — российский компактный внедорожник. По данным Ассоциации европейского бизнеса РФ, это был самый продаваемый внедорожник в России в 2004-2008 годах. Производится на GM-АвтоВАЗ. Концепт автомобиля ВАЗ-2123 впервые был продемонстрирован на Московском международном автосалоне в 1998 и был представлен как преемник Нивы ВАЗ-2121. Серьезные изменения в модели коснулись только кузова, который стал просторнее и приобрел более современный вид, механическая часть осталась практически без изменений. В 2001 году лицензия и права на марку «Нива» были проданы концерну «Дженерал Моторс», который существенно подкорректировал конструкцию и в 2002 году запустил производство «Нивы» под маркой «Шевроле».
В марте 2009 года была представлена рестайлинговая версия внедорожника. Дизайн кузова был адаптирован к общему фирменному стилю модельного ряда Chevrolet, при этом серьезные изменения коснулись дизайна экстерьера и интерьера. Все автомобили Шевроле Нива оснащены системой постоянного полного привода и бензиновым 4-цилиндровым рядным двигателем ВАЗ-2123 объемом 1,7 литра и мощностью 80 л.с.
Рестайлинговая версия Chevrolet Niva предлагается в пяти комплектациях: L, LC, LE, GLS и GLC. В базовую входят центральный замок, электростеклоподъемники передних дверей, регулируемая по высоте рулевая колонка, гидроусилитель руля, сигнализация, корректор фар, складывающиеся задние сиденья в соотношении 60/40, неокрашенные наружные зеркала заднего вида с электроприводом и обогревом, шины со стальными дисками пятнадцать»». Есть обогрев ног пассажиров на заднем сиденье, салонный фильтр, подстаканники и секция для мелочей, аудиоподготовка (блок подключения и проводка к акустическим динамикам в передних дверях).
В комплектации LC предусмотрен кондиционер. Более дорогие комплектации GLS и GLC включают в себя дополнительно улучшенную отделку салона искусственной кожей, отделку салона, заднюю светотехнику, подогрев передних сидений, рейлинги на крыше, окрашенные зеркала и дверные ручки, легкосплавные диски, изотермические стекла, противотуманные фары. Версия LE стоит особняком в линейке, она специально подготовлена для условий бездорожья и включает в себя внешнюю антенну и рейлинги на крыше, внедорожную шину на черных легкосплавных дисках, внешний воздухозаборник (шноркель) для преодоления водных преград, кронштейн крепления лебедки спереди , защита двигателя и коробки передач переднего моста, защита заднего бампера с фаркопом (тягово-сцепным устройством).
На автомобиль установлен двигатель ВАЗ-2123, представляющий собой доработку инжекторного двигателя ВАЗ-21214 с адаптацией под новый моторный отсек. Оснащен системой многоточечного впрыска топлива, имеет мощность 79,6 л.с. при 5200 об/мин и крутящий момент 127,5 Нм при 4000 об/мин.
Понятно, что с таким двигателем «Нива» не претендует на динамичность автомобиля — разгон с 0 до 100 км/ч по паспортным данным займет 19 секунд. Комбинированный расход топлива составляет 10,8 литров на 100 км. Нормы токсичности соответствуют Евро-4.
Передняя независимая двухрычажная и задняя зависимая подвеска Шевроле Нива фактически является наследием своего далекого предшественника Нивы ВАЗ-2121. Крепкая, надежная конструкция, возможно, не очень удобная по современным меркам, но отлично подходит для езды по пересеченной местности и дорогам с плохим покрытием, проста в обслуживании. Спереди дисковые тормоза, сзади барабанные. Однако этот автомобиль ценится за другое – настоящий («честный») механический постоянный полный привод, где нет такого понятия, как приемистость трансмиссии, просто не существует. По словам производителя, «Шевроле НИВА находится в постоянной внедорожной готовности». Заниженный диапазон (редкая сегодня особенность) в раздаточной коробке позволяет получить дополнительную тягу.
Параметры геометрической проходимости заслуживают уважения.
Учитывая, что автомобиль восходит к разработке середины 80-х годов, конструкторам пришлось потрудиться над повышением безопасности. В частности, был усовершенствован механизм ремней безопасности, модернизированы силовые элементы кузова для лучшего гашения энергии удара. Выпускались отдельные версии (FAM-1) с АБС, подушками безопасности и преднатяжителями ремней безопасности. С августа 2011 года это оборудование уже входит в стандартную комплектацию GLS и GLC. В 2014 году сиденья были модернизированы – теперь они имеют более выраженную боковую поддержку, безлюфтовый механизм регулировки положения спинки, новую форму подголовников.
Chevrolet Niva остается одним из самых востребованных внедорожников на рынке. Этот автомобиль подойдет тем, кто готов закрыть глаза на некоторые объективные недостатки (тесный салон, маленький багажник, слабый и неэкономичный двигатель), но для кого доступная цена, проходимость Нивы, более современная, в отличие от предшественницы, Внешний вид и салон, разнообразие комплектаций имеют решающее значение.

2.2 Моторчики привода


После этого иммобилайзер отключится. Зажигание не выключать.
Если светодиодный индикатор начинает моргать еще чаще, значит, пароль введен неправильно.

руб.).